ГОСУДАРСТВЕННЫЙ КОМИТЕТ РОССИЙСКОЙ
ФЕДЕРАЦИИ ПО СВЯЗИ И ИНФОРМАТИЗАЦИИ
РУКОВОДЯЩИЙ ДОКУМЕНТ ОТРАСЛИ
СРЕДСТВА ИЗМЕРЕНИЙ ПАРАМЕТРОВ РАДИОСВЯЗИ,
РАДИОВЕЩАНИЯ И ТЕЛЕВИДЕНИЯ СПЕЦИАЛИЗИРОВАННЫЕ.
МЕТОДИЧЕСКИЕ УКАЗАНИЯ ПО ПОВЕРКЕ ИЗМЕРИТЕЛЕЙ ПЕРЕХОДНЫХ
ПОМЕХ ИПП И ИЗМЕРИТЕЛЕЙ ПОТЕРИ ДОСТОВЕРНОСТИ ИПД-1М
РД 45.015-98
ЦНТИ «ИНФОРМСВЯЗЬ»
Москва - 1999
Предисловие
1 РАЗРАБОТАН Московским техническим университетом связи и информатики (МТУСИ)
ВНЕСЕН Научно-техническим управлением и охраны труда Госкомсвязи России
2 УТВЕРЖДЕН Госкомсвязи России
3 ВВЕДЕН В ДЕЙСТВИЕ информационным письмом от 11.08.99 № 4827
4 ВВЕДЕН ВПЕРВЫЕ
СОДЕРЖАНИЕ
|
2 Методические указания по поверке специализированных средств измерений ИПП и ИПД-1М... 2 |
РУКОВОДЯЩИЙ ДОКУМЕНТ ОТРАСЛИ
Средства измерений параметров радиосвязи, радиовещания и телевидения специализированные. Методические указания по поверке измерителей переходных помех ИПП и измерителей потери достоверности ИПД-1М
Дата введения 01.09.99 г.
Настоящий руководящий документ отрасли устанавливает порядок поверки измерителей переходных помех ИПП и измерителей потери достоверности ИПД-1М.
Требования руководящего документа обязательны для выполнения специалистами метрологической службы отрасли, занимающихся поверкой данных типов средств измерений.
Руководящий документ отрасли разработан с учетом положений РД 50-660-88 «Документы на методики поверки средств измерений», введенного в действие постановлением Госстандарта России от 22 февраля 1988 года № 313 и стандарта отрасли ОСТ 45.88-96 «Отраслевая система стандартизации. Порядок разработки руководящий документов отрасли».
2.1.1 Условия поверки
При поверке измерителей переходных помех ИПП должны соблюдаться следующие условия:
температура окружающей среды +20 ± 5 °С; относительная влажность 65 ± 15 %; атмосферное давление 100 ± 4 кПа(750 ± 30 мм рт.ст); напряжение сети электропитания 220 ± 4,4 В, 50 Гц.
2.1.2 Операции поверки
Поверка измерителей переходных помех ИПП должна производиться в объеме и последовательности операций, указанной в таблице 1.
|
Номера пунктов Методических указаний по поверке ИПП |
|
|
1 |
2 |
|
Опробование |
|
|
Проверка выходного уровня и пределов регулировки выходного уровня передающего устройства |
|
|
Определение погрешности аттенюатора передающего устройства |
|
|
Определение погрешности градуировки шкалы индикаторного прибора передающего устройства |
|
|
Проверка неравномерности уровня спектральной плотности «белого» шума передающего устройства |
|
|
Определение погрешности аттенюатора приемного устройства |
|
|
Определение погрешности градуировки шкалы индикаторного прибора приемного устройства |
|
|
Проверка входного уровня приемного устройства, обеспечивающего установку 0 |
|
|
Проверка полосы пропускания приемного устройства на уровне 3 дБ |
|
|
Проверка полосы пропускания приемного устройства на уровне 60 дБ |
|
|
Проверка избирательности приемного устройства по промежуточной частоте |
|
|
Проверка ослабления «белого» шума на выходе передающего устройства за пределами нормированного спектра 600, 1020 и 1920 каналов |
|
|
Проверка полосы режекторных фильтров передающего устройства |
|
|
Проверка относительной величины собственных остаточных помех в измерительном канале |
2.1.3 Средства поверки
При проведении поверки измерителей переходных помех ИПП должны применяться средства измерений, указанные в таблице 2.
|
Тип или ТУ |
Основные технические параметры |
|
|
1 |
2 |
3 |
|
Магазин затуханий |
МЗ-50-3 РХ2.704.020 |
10 МГц ±0,1 дБ |
|
Милливольтметр |
В3-59 ЯЫ2.710.078 |
10 МГц 0,3 mВ - 0,5 В ±(0,4 - 2,5) % |
|
Микровольтметр селективный |
В6-10 ЯЫ2.710.063 |
10 МГц 1 мкВ - 0,5 В ±(10 - 15) %Uk |
|
Вольтметр |
В7-38 (В7-22А) ХВ2.710.014 |
1 мВ - 1 В ±(0,04 + 0,2 Uk/Ux) % |
|
Генератор сигналов |
Г4-158 ВР3.260.018 |
10 МГц 0,5 В |
|
Нагрузка 75 Ом (из комплекта ИПП) |
3г2.243.202 |
±1 % |
Допускается применение других средств измерений, если они обеспечивают измерение метрологических характеристик поверяемых измерителей переходных помех ИПП с требуемой точностью.
2.1.4 Опробование
При опробовании измерителей переходных помех ИПП проверяется:
четкость фиксации переключателей и совпадение их указателей с соответствующими отметками на шкалах;
отсутствие механических повреждений, которые могут повлиять на их работу;
возможность управления прибором.
2.1.5 Проверка выходного уровня и пределов регулировки выходного уровня передающего устройства
Собрать схему, как показано на рисунке 1.
В1 - милливольтметр В3-59;
Н - нагрузка 75 Ом (из комплекта ИПП).
Установить на передающем устройстве переключатели в положения:
ЧИСЛО КАНАЛОВ - в положение «1920»;
ИЗМЕР. КАНАЛЫ kHz - в положение КАЛИБР;
ВЫХОД. УРОВЕНЬ dBm - в положение «0».
Включить тумблер СЕТЬ.
Прогреть передающее устройство в течение 30 минут.
С помощью ручки УСТАН. УРОВНЯ передающего устройства установить уровень 137 мВ эфф. Регулятором КАЛИБР. ИНД, расположенным на задней панели передающего устройства, установить стрелку индикаторного прибора на отметку «-6» шкалы.
Ручка УСТАН. УРОВНЯ стрелку индикаторного прибора установить в крайнее правое положение шкалы, что соответствует максимальному уровню «белого» шума. По милливольтметру В3-59 измерить напряжение U1. Величину максимального уровня вмакс., выраженную в дБм, вычислить по формуле:
![]()
где: U0 - напряжение 274 мВ, соответствующее нулевому уровню 1 мВт.
Максимальный выходной уровень «белого» шума передающего устройства на нагрузке 75 Ом должна быть не менее минус 6 дБм.
Установить переключатель ВЫХОД. УРОВЕНЬ dBm в положение «-10». Ручкой УСТАН. УРОВНЯ стрелку индикаторного прибора установить в крайнее левое положение шкалы. Измерить с помощью милливольтметра В3-59 напряжение U2, соответствующее минимальному уровню на выходе передающего устройства вмин..
Величину вмин., выраженную в дБм, вычислить по формуле:
![]()
где: U2 - напряжение, измеренное милливольтметром В3-59.
Предел регулировки выходного уровня вычисляется по формуле:
в = вмакс. - вмин., дБ
Предел регулировки выходного уровня должен быть не менее 15 дБ.
2.1.6 Определение погрешности аттенюатора передающего устройства
Определение погрешности аттенюатора передающего устройства производится по схеме, показанной на рисунке 1.
Установить на передающем устройстве переключатели в положения:
ЧИСЛО КАНАЛОВ - в положение «1920»;
ИЗМЕР. КАНАЛЫ kHz - в положение КАЛИБР.
ВЫХОД. УРОВЕНЬ dBm - в положение «-10».
Ручкой УСТАН. УРОВНЯ установить стрелку индикатора на отметку «-6». По милливольтметру В3-59 используя его децибельную шкалу, зафиксировать уровень в1. Устанавливая переключатель ВЫХОД. УРОВЕНЬ dBm через 1 дБ в положения от «-10» до «0», зафиксировать по милливольтметру соответствующие значения уровней в1 ... вi ... в11.
Погрешность установки выходного уровня по аттенюатору Dв определить по формуле:
Dв = 10-/вi - в1/ - ватт, дБ
где: ватт - абсолютное значение затухания аттенюатора в соответствии с положением переключателя, дБ;
вi - уровень, зафиксированный по милливольтметру В3-59 при i-том положении переключателя ВЫХОД. УРОВЕНЬ dBm;
в1 - уровень, зафиксированный по милливольтметру В3-59 при положении переключателя ВЫХОД. УРОВЕНЬ dBm «-10».
Погрешность установки выходного уровня передающего устройства по выходному аттенюатору должна быть не более ±0,5 дБ.
2.1.7 Определение погрешности градуировки шкалы индикаторного прибора передающего устройства
Определение погрешности градуировки шкалы индикаторного прибора передающего устройства производится по схеме, приведенной на рисунке 1.
Установить на передающем устройстве переключатели в положения:
ЧИСЛО КАНАЛОВ - в положение «1920»;
ВЫХОД. УРОВЕНЬ dBm - в положение «0»;
ИЗМЕР. КАНАЛЫ kHz - в положение КАЛИБР.
Ручкой УСТАН. УРОВНЯ установить стрелку индикаторного прибора на отметку «-6». По милливольтметру В3-59 зафиксировать уровень в1 на выходе передающего устройства в dB. Ручкой УСТАН. УРОВНЯ поочередно устанавливать стрелку индикаторного прибора на оцифрованные отметки шкалы прибора. По милливольтметру фиксировать уровень, соответствующий i-той отметке шкалы. Погрешность шкалы вычислить по формуле:
Dв = /-6 - вшк/ - /вi - в1/, дБ
где: вшк - значение отметки шкалы прибора;
вi, в1 - значение уровней, соответствующих отметкам шкалы прибора вi и «-6», зафиксированных милливольтметром В3-59.
Погрешность градуировки шкалы индикаторного прибора передающего устройства должна быть не более ±0,8 дБ.
2.1.8 Проверка неравномерности уровня спектральной плотности «белого» шума передающего устройства
Проверка неравномерности уровня спектральной плотности «белого» шума передающего устройства производится по схеме, приведенной на рисунке 2.
В2 - микровольтметр селективный В6-10;
Г - генератор сигналов Г4-158;
Н - нагрузка 75 Ом (из комплекта ИПП).
Установить на передающем устройстве переключатели в положения:
ИЗМЕР. КАНАЛЫ kHz - в положение КАЛИБР;
ВЫХОД. УРОВЕНЬ dBm - в положение «0»;
ЧИСЛО КАНАЛОВ - в положение «1920».
Ручкой УСТАН. УРОВНЯ установить стрелку индикаторного прибора на отметку «-6». На генераторе сигналов по внутреннему частотомеру установить частоту 1248 кГц. Настроить микровольтметр по сигналу от генератора на частоту 1248 кГц. Подключить микровольтметр В6-10 с делителем ДН1:100 и полосой пропускания 9 кГц, к выходу передающего устройства.
С помощью регулировки
микровольтметра
установить удобное для отсчета показание по шкале децибел (Ао). При измерениях
усреднять положения колеблющейся стрелки прибора.
Установить последовательно на микровольтметре частоты измерительных каналов для числа каналов N = 1920 в соответствии с таблицей 3.
Зафиксировать на этих частотах отклонение стрелки от ранее установленного значения Ао. Определить неравномерность спектральной плотности по формуле:
DА = Ai - Ао, дБ
где: DА - неравномерность спектральной плотности, дБ;
Ai - показание микровольтметра на частотах измерительных каналов и граничных частотах, дБ;
Ао - показание микровольтметра на опорной частоте 1248 кГц.
Установить на микровольтметре В6-10 граничные частоты для числа каналов N = 1920.
Измерить и определить неравномерность спектральной плотности на граничных частотах аналогичным способом.
Установить переключатель ЧИСЛО КАНАЛОВ последовательно в положения «600» и «1020». Измерить неравномерность спектральной плотности на частотах измерительных каналов и на граничных частотах относительно уровня на опорной частоте 1248 кГц.
Неравномерность уровня спектральной плотности «белого» шума передающего устройства для числа каналов 600, 1020 и 1920 относительно частоты 1248 кГц должна соответствовать значениям, приведенным в таблице 3.
2.1.9 Определение погрешности аттенюатора приемного устройства
Определение погрешности аттенюатора приемного устройства производится по схеме, приведенной на рисунке 3.
Г - генератор сигналов Г4-158;
М3 - магазин затуханий М3-50-3;
В1 - милливольтметр В3-59.
Установить на приемном устройстве переключатели в положения:
ОТСЧЕТ dB - в положение «0»;
ИЗМЕРИТЕЛЬНЫЕ КАНАЛЫ kHz - в положение «534».
Включить тумблер СЕТЬ.
Прогреть приемное устройство в течение 30 минут.
Установить затухание магазина М3 равным 0 дБ. Сигнал на выходе генератора (напряжением 3 мВ) установить по милливольтметру В3-59, а частоту 534 кГц - по внутреннему частотомеру генератора сигналов Г4-158. Ручкой РЕГУЛИР. УСИЛЕНИЯ стрелку индикаторного прибора установить на отметку «0». Переключатель ОТСЧЕТ dB поставить в положение «10». С помощью магазина затухания М3 установить вновь стрелку индикаторного прибора на отметку «0» шкалы.
Погрешность отсчета Dв определить по формуле:
Dв = ватт - вмз, дБ
где: ватт - затухание аттенюатора в соответствии с положением переключателя ОТСЧЕТ dB, дБ;
вмз - затухание магазина, дБ
Погрешность определить при положениях переключателя ОТСЧЕТ dB через 10 дБ до 60 дБ и через 2 дБ от 60 до 70 дБ.
Аналогично определить погрешность на частоте сигнала 7600 кГц. При этом переключатель ИЗМЕРИТ. КАНАЛЫ kHz установить в положение «7600».
Погрешность отсчета по аттенюатору приемного устройства должна быть не более ±0,7 дБ.
2.1.10 Определение погрешности градуировки шкалы индикаторного прибора приемного устройства
Определение погрешности градуировки шкалы индикаторного прибора приемного устройства производится по схеме, приведенной на рисунке 3.
Установить на приемном устройстве переключатели в положения:
ОТСЧЕТ dB - в положение «0»;
ИЗМЕРИТ. КАНАЛЫ kHz - в положение «534».
Затухание магазина М3 установить равным 2 дБ. На генераторе Г4-158 установить частоту сигнала 534 кГц, а уровень сигнала на его выходе достаточным для установки на «0» стрелки индикатора приемного устройства. Ручкой РЕГУЛИР. УСИЛЕНИЯ приемного устройства установить точно на «0» стрелку индикатора приемного устройства. Изменением величины затухания на магазине М3 стрелку индикатора приемного устройства установить поочередно на оцифрованные отметки «-1» и «+1». По положению переключателей магазина определить затухание.
Вычислить погрешность градуировки шкалы индикаторного прибора по формуле:
Dв = вп + 2 - вм, дБ
где: вп - установленная оцифрованная отметка по шкале индикаторного прибора приемного устройства, дБ;
вм - отсчет затухания по магазину затухания, дБ.
Погрешность градуировки шкалы индикаторного прибора приемного устройства должна быть не более ±0,3 дБ.
2.1.11 Проверка входного уровня приемного устройства, обеспечивающего установку 0
Проверка входного уровня приемного устройства, обеспечивающего установку 0, производится по схеме, приведенной на рисунке 3.
Установить на приемном устройстве переключатели в положения:
ОТСЧЕТ dB - в положение «0»;
ИЗМЕРИТ. КАНАЛЫ kHz - в положение «534».
На магазине затухания М3 установить затухание равным 20 дБ. На генераторе сигналов Г4-158 установить частоту сигнала 534 кГц. Ручку РЕГУЛИР. УСИЛЕНИЯ приемного устройства установить в крайнее правое положение, что соответствует максимальному усилению. Изменением выходного уровня генератора сигналов установить стрелку индикаторного прибора приемного устройства на отметку «0» шкалы. Измерить напряжение U1 на выходе генератора сигналов. Уровень входного сигнала, соответствующий максимальному усилению, определить из выражения Uмакс = 0,1U1. Ручку РЕГУЛИР. УСИЛЕНИЯ приемного устройства установить в крайнее левое положение. Изменением выходного уровня генератора сигналов установить стрелку прибора приемного устройства на отметку «0» шкалы. Измерить милливольтметром В3-59 напряжение U2 соответствующее минимальному усилению. Минимальный уровень на входе определить из выражения Uмин = 0,1U2.
Провести аналогичные измерения на частотах 1248, 2438, 3886 и 7600 кГц, устанавливая переключатель ИЗМЕРИТ. КАНАЛЫ kHz в соответствующие положения.
Уровни сигналов на входе приемного устройства, при которых выполняется установка аттенюатора и стрелочного прибора на нулевые отметки отсчета должны быть:
при минимальном усилении - не менее 3 мВ;
при максимальном усилении - не более 1 мВ.
2.1.12 Проверка полосы пропускания приемного устройства на уровне 3 дБ
Проверка полосы пропускания приемного устройства на уровне 3 дБ производится по схеме, приведенной на рисунке 4.
Г - генератор сигналов Г4-158;
В1 - милливольтметр В3-59.
Установить на приемном устройстве переключатели в положения:
ОТСЧЕТ dB - в положение «0»;
ИЗМЕРИТ. КАНАЛЫ kHz - в положение «7600».
Подать от генератора Г4-158 на вход приемного устройства сигнал частотой 7600 кГц и уровнем примерно 5 мВ, контролируя его милливольтметром В3-59. Ручкой РЕГУЛИР. УСИЛЕНИЯ приемного устройства установить стрелку индикаторного прибора на отметку «0» шкалы. С помощью децибельной шкалы милливольтметра В3-59 зафиксировать величину dB, соответствующему входному уровню сигнала в0.
Увеличить уровень входного сигнала на 3 дБ относительно уровня в0, контролируя его по децибельной шкале милливольтметра В3-59. Изменяя частоту сигнала в сторону увеличения и уменьшения, установить стрелку индикаторного прибора приемного устройства на отметку «0» шкалы. Зафиксировать значение частот f1 и f2 по внутреннему частотомеру генератора сигналов Г4-158.
Полосу пропускания на уровне 3 дБ вычислить как разность частот f1 и f2 по формуле:
![]()
Полоса пропускания приемного устройства на уровне 3 дБ должна быть не более 3 кГц.
2.1.13 Проверка полосы пропускания приемного устройства на уровне 60 дБ
Проверка полосы пропускания приемного устройства на уровне 60 дБ проводится по схеме, приведенной на рисунке 3.
Установить на приемном устройстве переключатели в положения:
ОТСЧЕТ dB - в положение «60»;
ИЗМЕРИТ. КАНАЛЫ kHz - в положение «7600».
Затухание магазина М3 установить равным 60 дБ. Подать сигнал от генератора Г4-158 частотой 7600 кГц и уровнем 3 мВ на вход приемного устройства через магазин затухания.
Ручкой РЕГУЛИР. УСИЛЕНИЯ установить на отметку «0» шкалы стрелку индикаторного прибора приемного устройства. Изменением частоты генератора сигналов Г4-158 в сторону увеличения и уменьшения, установить на отметку «0» шкалы стрелку индикаторного прибора при установке затухания магазина в положение 0 дБ.
Зафиксировать значения частот f1 и f2. Полосу пропускания на уровне 60 дБ вычислить, как разность частот f1 и f2.
Полоса пропускания приемного устройства на уровне 60 дБ должна быть не более 12 кГц.
2.1.14 Проверка избирательности приемного устройства по промежуточной частоте
Проверка избирательности приемного устройства по промежуточной частоте проводится по схеме, приведенной на рисунке 3.
Установить на приемном устройстве переключатели в положения:
ОТСЧЕТ dB - в положение «60»;
ИЗМЕРИТ. КАНАЛЫ kHz - в положение «534».
Затухание магазина М3 установить равным 60 дБ. На генераторе сигналов Г4-158 установить частоту сигнала равной 534 кГц, а его уровень на выходе равным 3 мВ.
Ручкой РЕГУЛИР. УСИЛЕНИЯ установить стрелку индикаторного прибора приемного устройства на отметку «0». Установить частоту сигнала генератора равной 465 кГц, а затухание магазина М3 - 0 дБ. Изменением выходного уровня генератора сигналов по милливольтметру В3-59 установить уровень сигнала 30 мВ. Если для установки на отметку «0» шкалы индикаторного прибора требуется увеличение уровня сигнала от генератора Г4-158 более 30 мВ, то избирательность по промежуточной частоте лучше 80 дБ.
Аналогичным образом измерить избирательность приемного устройства по зеркальному каналу.
На приемном устройстве установить переключатели в положения:
ОТСЧЕТ dB - в положение «60»;
ИЗМЕРИТ. КАНАЛЫ kHz - в положение «7600».
Сигнал от генератора Г4-158 частотой 7600 кГц и уровнем 3 мВ через магазин затухания с затуханием 60 дБ подать на вход приемного устройства.
Ручкой РЕГУЛИР. УСИЛЕНИЯ приемного устройства установить стрелку индикаторного прибора на отметку «0» шкалы. Установить частоту сигнала генератора Г4-158 равной 8530 кГц, затухание магазина установить равным 0 дБ. Увеличить уровень сигнала от генератора до 30 мВ.
Если стрелка индикаторного прибора приемного устройства не устанавливается на отметку «0» шкалы и для установки стрелки на «0» требуется увеличение уровня сигнала генератора, то избирательность по зеркальному каналу лучше, чем 80 дБ.
2.1.15 Проверка ослабления «белого» шума на выходе передающего устройства за пределами нормированного спектра 600, 1020 и 1920 каналов
Проверка ослабления «белого» шума на выходе передающего устройства за пределами нормированного спектра 600, 1020 и 1920 каналов проводится по схеме, приведенной на рисунке 2.
Установить на передающем устройстве переключатели в положения:
ИЗМЕР КАНАЛЫ kHz - в положение КАЛИБР;
ВЫХОД УРОВЕНЬ dBm - в положение «0»;
ЧИСЛО КАНАЛОВ - в положение «600».
Ручкой УСТАН. УРОВНЯ стрелку индикаторного прибора установить на отметку шкалы «-6». Измерить микровольтметром В6-10 с внешним делителем ДН1:100 в полосе пропускания 9 кГц уровень сигнала на частоте 1 МГц - Uо. Значение частоты настройки микровольтметра установить с помощью генератора Г4-158, имеющего внутренний частотомер.
Измерить уровни сигналов на частотах 250 кГц и 3120 кГц - U1 и U2.
Ослабление «белого» шума на частоте 250 кГц вычислить по формуле:
![]()
Ослабление «белого» шума на частоте 3120 кГц вычислить по формуле:
![]()
Аналогично определить ослабление на частотах 250 и 5800 кГц для числа каналов 1020, и на частотах 250 и 10250 кГц для числа каналов 1920.
Ослабление «белого» шума передающего устройства за пределами спектра для числа каналов 600, 1020, 1920 относительно сигнала на частоте 1 МГц должно быть не менее 25 дБ.
2.1.16 Проверка полосы режекторных фильтров передающего устройства
Проверка полосы режекторных фильтров передающего устройства проводится по схеме, приведенной на рисунке 2.
Установить на передающем устройстве переключатели в положения:
ИЗМЕР. КАНАЛЫ kHz - в положение «534»;
ВЫХОД. УРОВЕНЬ dBm - в положение «0»;
ЧИСЛО КАНАЛОВ - в положение «1920».
Ручкой УСТАН. УРОВНЯ стрелку индикаторного прибора установить на отметку «-6». На микровольтметре В6-10 с помощью генератора сигналов Г4-158 установить частоту 1 МГц, полосу пропускания - 9 кГц. Измерить уровень сигнала на частоте 1 МГц (Uо). C помощью генератора сигналов настроить микровольтметр на центральную частоту режекторного фильтра 534 кГц. Отстраиваясь в сторону увеличения и уменьшения от центральной частоты, определить частоты f1 и f2, на которых по микровольтметру В6-10 измерить напряжения U1 и U2, соответствующие уровню 0,7 (3 дБ) от Uо. Частоты контролируются с помощью генератора Г4-158, имеющего внутренний частотомер. Полоса режекторного фильтра на уровне 3 дБ определяется как разность частот по формуле:
![]()
где: f2 > f1.
Аналогично определить частоты, при которых уровень «белого» шума ослабляется относительно сигнала с частотой 1 МГц Uo на величину 10 дБ (0,316Uo), а также полосы режекторных фильтров на других измерительных каналах со средними частотами 1248, 2438, 3886 и 7600.
Полосы режекторных фильтров передающего устройства на уровнях 3 и 10 дБ должны соответствовать значениям, приведенным в таблице 4.
|
Допустимые пределы полос режекции в кГц на уровнях |
||
|
кГц |
3 дБ |
10 дБ |
|
534 |
55 ± 15 |
38 ± 10 |
|
1248 |
75 ± 20 |
45 ± 15 |
|
2438 |
230 ± 80 |
150 ± 50 |
|
3886 |
420 ± 100 |
300 ± 70 |
|
7600 |
600 ± 250 |
400 ± 200 |
2.1.17 Проверка относительной величины собственных остаточных помех в измерительном канале
Проверка относительной величины собственных остаточных помех в измерительном канале проводится по схеме, приведенной на рисунке 5.
Установить на передающем устройстве переключатели в положения:
ЧИСЛО КАНАЛОВ - в положение «1920»;
ИЗМЕР. КАНАЛЫ kHz - в положение КАЛИБР;
ВЫХОД. УРОВЕНЬ dBm - в положение «-6».
Ручкой УСТАН. УРОВНЯ стрелку индикаторного прибора установить на отметку «-6» шкалы, при этом суммарный уровень «белого» шума будет равен минус 12 дБ. Установить на приемном устройстве переключатели в положения:
ОТСЧЕТ dВ - в положение «0»;
ИЗМЕРИТ. КАНАЛЫ kHz - в положение «534».
Ручкой РЕГУЛИР. УСИЛЕНИЯ установить стрелку индикаторного прибора приемного устройства на отметку «0» шкалы. Последовательно переключая переключатель ИЗМЕРИТ. КАНАЛЫ kHz в положения «1248», «2438», «3886» и «7600», регулировкой под шлиц потенциометрами КАЛИБРОВКА по каждому измерительному каналу установить стрелку индикаторного прибора приемного устройства на отметку «0» шкалы.
На передающем устройстве установить переключатель ИЗМЕР. КАНАЛЫ kHz в положение «534». На приемном устройстве также установить переключатель ИЗМЕРИТ. КАНАЛЫ kHz в положение «534» и переключателем ОТСЧЕТ dB добиться установки стрелки на отметку «0» или около нее. По положению переключателя ОТСЧЕТ dB с учетом показаний индикаторного прибора приемного устройства определить относительную величину собственных остаточных помех в измерительном канале «534» кГц.
Аналогичным способом измерить относительные величины собственных остаточных помех в измерительных каналах 1248, 2438, 3886 и 7600 кГц.
Провести аналогичные измерения для числа каналов 1020 и 600. При этом положения переключателей передающего устройства ЧИСЛО КАНАЛОВ и ВЫХОД. УРОВЕНЬ dBm устанавливать в соответствии с таблицей 5.
|
Число каналов |
ВЫХОД. УРОВЕНЬ dBm |
Шкала стрелочного прибора УСТАН. УРОВНЯ dBm |
Суммарный выходной уровень dBm |
Измерительные каналы кГц |
|
«1920» |
«-6» |
«-6» |
минус 12 |
534, 1248, 2438, 3886, 7600 |
|
«1020» |
«-8» |
«-6» |
минус 14 |
534, 1248, 2438, 3886 |
|
«600» |
«0» |
«-6» |
минус 6 |
534, 1248, 2438 |
Относительная величина собственных остаточных помех в каждом измерительном канале должна быть не менее 64 дБ.
3.1 Поверка измерителей потери достоверности ИПД-1М
3.1.1 Условия поверки
При поверке измерителей потери достоверности ИПД-1М должны соблюдаться следующие условия:
температура окружающей среды +20 ± 5 °С;
относительная влажность 65 ± 15 %;
атмосферное давление 100 ± 4 кПа (750 ± 30 мм рт.ст.);
напряжение сети электропитания 220 ± 4,4 В, 50 Гц;
время самопрогрева поверяемого прибора не менее 15 мин.
3.1.2 Операции поверки
Поверка измерителей потери достоверности ИПД-1М должна производиться в объеме и последовательности операций, указанной в таблице 6.
|
Номера пунктов Методических указаний по поверке ИПД-1М |
|
|
1 |
2 |
|
Опробование |
|
|
Определение допустимой основной относительной погрешности частоты следования тактовых импульсов |
|
|
Определение относительной погрешности скорости передачи испытательного сигнала |
|
|
Проверка диапазона скоростей передачи испытательного сигнала при использовании внешнего генератора тактовых импульсов |
|
|
Проверка структуры испытательного сигнала |
|
|
Проверка количества ошибок (инвертирований символов), вводимых в испытательный сигнал |
|
|
Проверка параметров испытательного сигнала и тактовых импульсов |
|
|
Проверка диапазона и погрешности измерения коэффициента ошибок |
|
|
Проверка длительности сеансов измерения коэффициента ошибок |
|
|
Проверка входных сопротивлений измерителя |
|
|
Проверка зоны удержания фазы |
|
|
Проверка регистрации измерителем перерывов связи |
|
|
Проверка параметров сигнала на выходах измерителя для регистрации ошибок и перерывов связи |
|
|
Проверка регистрации результатов измерения коэффициента ошибок, сигналов появления расфазирования и перерыва связи |
3.1.3 Средства поверки
При проведении поверки измерителей потери достоверности ИПД-1М должны применяться средства измерений, указанные в таблице 7.
|
Тип или ТУ |
Основные технические параметры |
|
|
1 |
2 |
3 |
|
Генератор сигналов |
Г4-118 |
0,1 - 30 МГц 1 % |
|
Генератор импульсов |
Г5-48 |
6 - 2,5·105 нс 10 % |
|
Генератор сигналов |
Г4-93 |
0,01 - 50 МГц |
|
Осциллограф |
С1-75 |
0,5 % 8 нс - 1 с 5 % |
|
Частотомер электронно-счетный |
Ч3-54 (Ч3-63) |
0,1 Гц - 150 МГц 1,5×107 |
|
Генератор импульсов |
Г5-53 |
0,3 Гц - 1 МГц 10 % |
|
Аттенюатор |
Д2-29 |
6 дБ |
Допускается применение других средств измерений, если они обеспечивают измерение метрологических характеристик поверяемых измерителей потери достоверности ИПД-1М с требуемой точностью.
3.1.4 Опробование
При опробовании измерителей потери достоверности ИПД-1М проверяется:
четкость фиксации переключателей и совпадение их указателей с соответствующими отметками на шкалах;
отсутствие механических повреждений, которые могут повлиять на их работу;
возможность управления прибором.
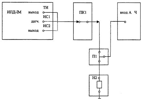
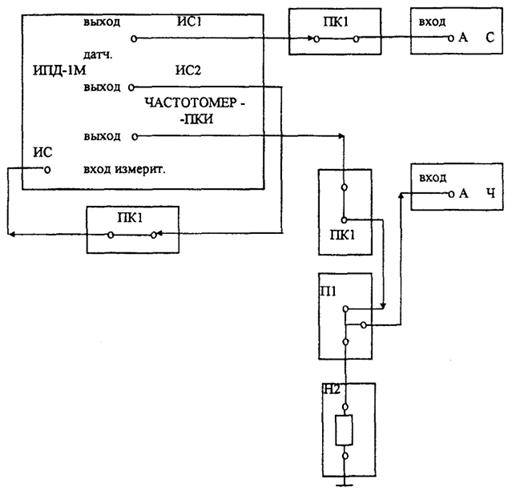
3.1.5 Определение допустимой основной относительной погрешности частоты следования тактовых импульсов
Собрать схему, как показано на рисунке 6.
Переключатель измерителя ГЕН. ТАКТ. ИМП установить в положение ВНУТР. К выходу ТИ датчика подключить с помощью кабельной перемычки ПК1 тройник П1, нагрузку Н2 и вход А частотомера Ч3-54 в режиме измерения частоты.
Устанавливая переключатель СКОРОСТЬ ПЕРЕДАЧИ кбит/с последовательно в положения «32», «64», «480», «512», «1024», «2048», «4800», снять показания частотомера на каждой из перечисленных скоростей передачи.
Ч - частотомер электронно-счетный Ч3-54 (Ч3-63);
ПК1 - кабель соединительный из комплекта ЗИП ИПД-1М;
П1 - тройник СР-50-95 ФВ из комплекта ЗИП ИПД-1М;
Н2 - нагрузка 75 Ом (±1 %) из комплекта ЗИП ИПД-1М (3г5.435.506 ТУ).
Допустимая относительная погрешность частоты следования тактовых импульсов df определяется по формуле:
![]()
где: fизм - измеренное значение частоты следования тактовых импульсов;
fном - номинальное значение частоты следования тактовых импульсов.
Вычисленная относительная погрешность частоты следования тактовых импульсов должна быть не более ±1,5×10-5.
3.1.6 Определение относительной погрешности скорости передачи испытательного сигнала
Собрать схему, как показано на рисунке 6.
Переключатели измерителя установить в положения:
ИСПЫТАТ. СИГНАЛ - в положение КОМБ.;
ГЕН. ТАКТ. ИМП. - в положение ВНУТР.;
РЕЖИМ РАБОТЫ - в положение НЕПР.
Переключателем КОМБИНАЦИЯ набрать чередующиеся символы 1,0 ... 1,0, нажав нечетные кнопки «1», «3» ... «13», «15».
Подключить к выходу измерителя «ИС1», а затем к выходу «ИС2» с помощью кабельной перемычки ПК1 тройник П1, нагрузку Н2 и вход А частотомера Ч в режиме измерения частоты.
Установить переключатель СКОРОСТЬ ПЕРЕДАЧИ кбит/с последовательно в положения «32», «64», «480», «512», «1024», «2048», «4800». Снять показания частотомера на каждой из перечисленных скоростей передачи. При этом измеренная скорость передачи будет численно равна удвоенному значению показания частотомера.
Относительная погрешность скорости передачи испытательного сигнала d, определяется по формуле:

где: fизм - показание частотомера;
Вп ном - номинальное значение установленной скорости передачи.
Вычисленная относительная погрешность скорости передачи испытательного сигнала не должна превышать пределы допустимой относительной погрешности частоты следования тактовых импульсов.
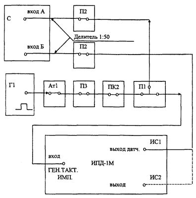
3.1.7 Поверка диапазона скоростей передачи испытательного сигнала при использовании внешнего генератора тактовых импульсов
Собрать схему, как показано на рисунке 7.
Переключатели измерителя установить в положения:
СКОРОСТЬ ПЕРЕДАЧИ кбит/с - в положение «32»;
ИСПЫТАТ. СИГНАЛ - в положение КОМБ.;
ГЕН. ТАКТ. ИМП. - в положение «ВНЕШ. 1»;
РЕЖИМ РАБОТЫ - в положение НЕПР.
Переключателем КОМБИНАЦИЯ набрать чередующиеся символы 1,0 ... 1,0, нажав нечетные кнопки «1», «3» ... «13», «15».
Подключить ко входу измерителя ГЕН. ТАКТ. ИМП. тройник П1. К тройнику П1 через переход П2 подключить высокоомный вход А (выносной делитель 1:50) осциллографа С1-75, а с помощью перемычки кабельной ПК2 через переход П3 и аттенюатор Ат1 выход генератора импульсов Г5-48.
С - осциллограф С1-75;
Г1 - генератор импульсов Г5-48;
Ат1 - аттенюатор Д2-29 (из комплекта ЗИП Г5-48);
Щ - переход из комплекта ЗИП ИПД-1М;
П1 - тройник СР-50-95 ФВ из комплекта ЗИП ИПД-1М;
П3 - коаксиальный переход с 50 на 75 Ом из комплекта ЗИП Г5-48;
ПК2 - кабель № 4 из комплекта ЗИП Г5-48.
Установить в генераторе Г1 частоту 320 кГц и длительность импульсов 1,0 мкс. По осциллографу С установить другие требуемые параметры тактовых импульсов, подаваемых от генератора на вход измерителя: амплитуда 3,0 ± 0,6 В; время нарастания и спада фронта не более 20 нс; скважность 2.
Подключить к выходу датчика «ИС1», а затем к выходу «ИС2» с помощью перехода П2 высокоомный вход Б (выносной делитель 1:50) осциллографа С в режиме синхронизации по входу А.
Определить по осциллографу отношение периодов следования других сигналов, которое должно быть равно 20.
Установить в измерителе переключатель СКОРОСТЬ ПЕРЕДАЧИ кбит/с в положение «4800», а в генераторе Г1 установить частоту 4800 кГц и длительность импульсов 100 нс.
С помощью осциллографа С установить другие требуемые параметры тактовых импульсов. После чего определить по осциллографу отношение периодов следования двух сигналов, которое должно быть равно 2.
3.1.8 Проверка структуры испытательного сигнала
Собрать схему, как показано на рисунке 8.
Переключатели измерителя установить в положения:
СКОРОСТЬ ПЕРЕДАЧИ кбит/с - в положение «2048»;
ИСПЫТАТ. СИГНАЛ - в положение «215 - 1»;
ИЗМЕРЕНИЯ - в положение НЕПР.;
ГЕН. ТАКТ. ИМП. - в положение ВНУТР.;
ПРОВЕРКА - ИЗМЕР. - в положение РЕК.;
РЕЖИМ РАБОТЫ - в положение НЕПР.
Подключить к выходу датчика «ИС1» и выходу «ИС2» с помощью кабельных перемычек ПК1 вход ИС измерителя и низкоомный вход (ВХОД А, 50 W) осциллографа С1-75, а к выходу ЧАСТОТОМЕР - ПКИ с помощью кабельной перемычки ПК1, тройника П1 - нагрузку Н2 и вход А частотомера Ч3-54 в режиме суммирования.
Запустить измеритель в работу нажатием кнопки ПУСК. Снять показания частотомера. Показания частотомера должны соответствовать значению 32767 с погрешностью ±1 ед. счета младшего разряда частотомера.
Установить переключатель ИСПЫТАТ. СИГНАЛ в положение «220 - 1». Запустить измеритель в работу нажатием кнопки ПУСК. Снять показания частотомера. Показания частотомера должны соответствовать значению 1048575 с погрешностью ±1 ед. счета младшего разряда частотомера.
Установить переключатель ИСПЫТАТ. СИГНАЛ в положение КОМБ. Набрать переключателем КОМБИНАЦИЯ и нажатием кнопки «1» набор символов 1, 0, 0, ... 0. Установить на экране осциллографа С1-75 не менее одного периода следования комбинаций. Далее, нажимая последовательно кнопки «2, 3, ... 16», проверить соответствие осциллограммы набранной комбинации. Период следования комбинаций должен составлять 16 символов.
С - осциллограф С1-75;
Ч - частотомер электронно-счетный Ч3-54 (Ч3-63);
ПК1 - кабель соединительный из комплекта ЗИП ИПД-1М;
П1 - тройник СР-50-95 ФВ из комплекта ЗИП ИПД-1М;
Н2 - нагрузка 75 Ом из комплекта ЗИП ИПД-1М (3г5.435.506 ТУ).
3.1.9 Проверка количества ошибок, вводимых в испытательный сигнал
Собрать схему, как показано на рисунке 9.
Переключатели измерителя установить в положения:
СКОРОСТЬ ПЕРЕДАЧИ кбит/с - в положение «2048»;
ИСПЫТАТ. СИГНАЛ - в положение «220 - 1»;
ИЗМЕРЕНИЯ - в положение НЕПР.;
ОШИБКИ - в положение БИТ;
ДЛИТЕЛЬНОСТЬ СЕАНСА бит - в положение «107»;
ГЕН. ТАКТ. ИМП. - в положение ВНУТР.;
ПРОВЕРКА - ИЗМЕР - в положение СЕАНС;
РЕЖИМ РАБОТЫ - в положение НЕПР.
Подключить к выходу измерителя ЧАСТОТОМЕР - ПКИ с помощью перемычки кабельной ПК1, тройника П1 нагрузку Н2 и вход А частотомера Ч3-54 в режиме суммирования импульсов. Между выходом датчика «ИС1» или выходом «ИС2» и входом ИС измерителя включить кабельную перемычку ПК1. Устанавливая переключатель ВВОД ОШИБОК последовательно в положения «10», «102», «103», «104», снять показания частотомера, нажимая каждый раз кнопку ПУСК.
Ч - частотомер электронно-счетный Ч3-54 (Ч3-63);
ПК1 - соединительный кабель из комплекта ЗИП ИПД-1М;
П1 - тройник СР-50-95 ФВ из комплекта ЗИП ИПД-2М;
Н2 - нагрузка 75 Ом из комплекта ЗИП ИПД-1М (3г5.435.506 ТУ).
Аналогичные измерения произвести и для сеанса-измерения длительностью 16×106 бит. Для этого переключатель ДЛИТЕЛЬНОСТЬ СЕАНСА бит установить в положение «106», а переключатель ОШИБКИ - в положение КОМБ.
Показания частотомера Ч3-54 должны быть соответственно 10, 102, 103, 104 с погрешностью ±1 ед. счета младшего разряда частотомера.
3.1.10 Проверка параметров испытательного сигнала и тактовых импульсов
Собрать схему, как показано на рисунке 10.
Переключатели измерителя установить в положения:
ИСПЫТAT. СИГНАЛ - в положение КОМБ.;
ГЕН. ТАКТ. ИМП. - в положение ВНУТР.;
РЕЖИМ РАБОТЫ - в положение НЕПР.;
ПРОВЕРКА - ИЗМЕР. - в положение ТИ.
Переключателем КОМБИНАЦИЯ установить набор чередующихся символов 1,0 ... 1,0 нажатием нечетных кнопок «1», «3» ... «13», «15».
С - осциллограф С1-75;
ПК1 - соединительный кабель из комплекта ЗИП ИПД-1М;
П1 - тройник СР-50-95 ФВ;
П2 - переход из комплекта ЗИП ИПД-1М;
H1 - нагрузка 75 Ом из комплекта ЗИП ИПД-1М (3г2.243.652 ТУ).
С помощью тройника П1, перехода П2 и кабельной перемычки ПК1 подключить к выходу датчика «ИС1» нагрузку H1 и высокоомный вход осциллографа С1-75.
Устанавливая переключателем СКОРОСТЬ ПЕРЕДАЧИ кбит/с последовательно скорости «32» и «4800» кбит/с, измерить с помощью осциллографа амплитуду, длительность, время нарастания и спада импульса единичного символа испытательного сигнала, а также уровень нулевого символа на выходе датчика «ИС1».
Аналогичным образом измерить перечисленные параметры импульсов испытательного сигнала на дополнительном выходе измерителя «ИС2». Для этого кабельную перемычку ПК1 отключить от выхода датчика «ИС1» и подключить к выходу «ИС2».
Параметры испытательного сигнала на основном и дополнительном выходе датчика поверяемого измерителя должны находиться в пределах:
амплитуда импульсов символа единицы - (3,0 ± 0,6) В;
длительность единичного символа, отсчитанная по уровню 0,5 значения амплитуды - Вп-1 (1 ± 0,15) с, где Вп - скорость передачи в битах за 1 с;
время нарастания и спада импульсов, отсчитанное по уровням 10 и 90 % значений амплитуды - не более 20 нс;
уровень нулевого символа - не более 0,4 В.
Для измерения параметров тактовых импульсов датчика отключить кабельную перемычку ПК1 от выхода «ИС2» и подключить ее к выходу ТИ датчика, а в случае измерения параметров тактовых импульсов измерителя - к выходу ЧАСТОТОМЕР - ПКИ.
Аналогично, устанавливая переключателем СКОРОСТЬ ПЕРЕДАЧИ кбит/с последовательно скорости «32» и «4800» кбит/с, измерить с помощью осциллографа С1-75 амплитуду, длительность, время нарастания и спада тактовых импульсов.
Параметры тактовых импульсов на выходе датчика и на выходе измерителя должны находиться в пределах:
амплитуда - (3,0 ± 0,6) В;
длительность, отсчитанная по уровню 0,5 значения амплитуды
- Вп-1 (0,5 ± 0,075) с;
время нарастания и спада, отсчитанное по уровням 10 и 90 % значений амплитуды
- не более 20 нс.
3.1.11 Проверка диапазона и погрешности измерения коэффициента ошибок
Собрать схему, как показано на рисунке 11.
Переключатели измерителя установить в положения:
СКОРОСТЬ ПЕРЕДАЧИ кбит/с - в положение «4800»;
ДЛИТЕЛЬНОСТЬ СЕАНСА бит - в положение «1010»;
ИЗМЕРЕНИЯ - в положение РАЗ;
ОШИБКИ - в положение БИТ;
СИНХРОНИЗАЦИЯ - в положение «ВНУТР. 1»;
ИСПЫТАТ. СИГНАЛ - в положение «220 - 1»
ГЕН. ТАКТ. ИМП. - в положение ВНУТР.
ПРОВЕРКА - ИЗМЕР. - в положение ИНДИК.
РЕЖИМ РАБОТЫ - в положение НЕПР.
Подключить кабельные перемычки ПК1 между выходом датчика «ИС1» и входом ИС измерителя, а также между выходом ТИ датчика и входом ТИ измерителя. Ко входу ГЕН. - ПКИ измерителя с помощью кабельной перемычки ПК2 через переход П3 и аттенюатор Ат1 подключить выход генератора Г5-48.
Проверить правильность индикации значащих цифр младшего и старшего разрядов множителя (А ± D) коэффициента ошибок и показателя степени В в режиме непрерывного счета ошибок.
Для чего в генераторе Г5-48 установить частоту следования импульсов 1 кГц, длительность 50 нс и амплитуду 6 В. Нажать и удерживать кнопку ПУСК. На цифровом табло в старшем и младшем разрядах множителя коэффициента ошибок должны высвечиваться нули, а в показателе степени - цифра 8.
Г1 - генератор импульсов Г5-48;
Ат1 - аттенюатор Д2-29 (из комплекта ЗИП Г5-48);
ПК1 - соединительный кабель из комплекта ЗИП ИПД-1;
ПК2 - кабель № 4 из комплекта ЗИП Г5-48;
П3 - коаксиальный переход с 50 на 75 Ом из комплекта ЗИП Г5-48.
Отпустить кнопку ПУСК. На цифровом табло в младшем и старшем разрядах должна последовательно происходить смена цифр от 0 до 9, а значения показателя степени должны последовательно изменяться от 8 до 1. По мере уменьшения значения показателя степени увеличивать последовательно ступенями до 100, 1000 и 10000 кГц (для уменьшения времени проверки) частоту сигнала на выходе генератора Г5-48.
Если по достижении показателем степени значения 1 не наблюдалось нарушений последовательности смены значащих цифр, то индикацию коэффициента ошибок в заданном диапазоне значений можно считать правильной.
Приступить к проверке диапазона и погрешности измерения коэффициента ошибок. Для чего переключатель ПРОВЕРКА - ИЗМЕР. установить в положение ТИ, а переключатель ВВОД ОШИБОК - в положение «10».
Нажать кнопку ПУСК. После окончания сеанса измерения (загорание сигнала ОТСЧЕТ по истечении 16 мин.) нажать кнопку ЗУ и снять показания цифрового индикатора. Показания цифрового индикатора должны соответствовать значению 0,1×10-8 с допустимой погрешностью для значений множителя не более ±0,1.
Аналогичным способом произвести измерения значений коэффициента ошибок: 1,0×10-8, 1,0×10-7, 1,0×10-6, 1,0×10-5, 1,0×10-4, 1,0×10-3, 1,0×10-2 по битам и кодовым комбинациям. Положение переключателей ДЛИТЕЛЬНОСТЬ СЕАНСА бит и ВВОД ОШИБОК, а также соответствующие показания цифрового индикатора измерителя приведены в таблице 8. При этом допустимая погрешность измерений для значений множителя коэффициента ошибок не должна быть более ±0,1.
При проведении проверки диапазона и погрешности измерения коэффициента ошибок по кодовым комбинациям переключатель ОШИБКИ установить в положение КОМБ. и повторить измерения.
|
Показания цифрового индикатора измерителя |
Длительность сеанса по времени (ориентировочно) в положении переключателя ОШИБКИ БИТ КОМБ |
|||
|
ДЛИТЕЛЬНОСТЬ СЕАНСА бит |
ВВОД ОШИБОК |
|||
|
1010 |
101 |
0,1×10-8 |
35 мин |
56 мин |
|
109 |
101 |
0,1×10-7 |
3,5 мин |
56 мин |
|
108 |
101 |
0,1×10-6 |
21 с |
5,6 мин |
|
108 |
102 |
1,0×10-6 |
21 с |
5,6 мин |
|
107 |
102 |
1,0×10-5 |
2,1 с |
34 с |
|
106 |
102 |
1,0×10-4 |
0,2 с |
3,4 с |
|
106 |
103 |
1,0×10-3 |
0,2 с |
3,4 с |
|
106 |
104 |
1,0×10-2 |
0,2 с |
3,4 с |
Установить переключатель СИНХРОНИЗАЦИЯ в положение «ВНУТР. 2» и провести проверку диапазона и погрешности измерения коэффициента ошибок по приведенной выше методике.
Аналогичным образом провести проверку диапазона и погрешности измерения коэффициента ошибок при установке переключателя СИНХРОНИЗАЦИЯ в положение ВНЕШ.
3.1.12 Проверка длительности сеансов измерения коэффициента ошибок
Собрать схему, как показано на рисунке 12.
Переключатели измерителя установить в положения:
СКОРОСТЬ ПЕРЕДАЧИ кбит/с - в положение «4800»;
ИЗМЕРЕНИЯ - в положение НЕПР.;
ОШИБКИ - в положение БИТ;
СИНХРОНИЗАЦИЯ - в положение «ВНУТР.1»;
ГЕН. ТАКТ. ИМП. - в положение ВНУТР.;
ПРОВЕРКА - ИЗМЕР. - в положение СЕАНС;
РЕЖИМ РАБОТЫ - в положение НЕПР.;
ДЛИТЕЛЬНОСТЬ СЕАНСА бит - в положение «106».
Между выходом «ИС1» датчика и входом ИС измерителя включить кабельную перемычку ПК1. К выходу ЧАСТОТОМЕР - ПКИ с помощью кабельной перемычки ПК1 и тройника П1 подключить нагрузку Н2 и вход А частотомера Ч3-54 в режиме суммирования по А.
Нажать кнопку ПУСК. На цифровом табло частотомера должно высветиться показание 1000000 с погрешностью ±1 счета младшего разряда. Переключатель ДЛИТЕЛЬНОСТЬ СЕАНСА бит установить в положение «107». Нажать кнопку ПУСК. Показание частотомера должно соответствовать значению 10000000 с погрешностью ±1 счета младшего разряда. Переключатель ДЛИТЕЛЬНОСТЬ СЕАНСА бит установить в положение «108». Нажать кнопку ПУСК. Примерно через 8 с частотомер начнет счет. Снять показание частотомера через 10 с (когда счет закончится). Показание частотомера должно соответствовать значению 00000000 с погрешностью ±1 счета младшего разряда. При этом должна гореть буква П (переполнение). Переключатель ДЛИТЕЛЬНОСТЬ СЕАНСА БИТ установить в положение «109». Нажать кнопку ПУСК. Примерно через 1,3 мин частотомер начнет счет. Снять показание частотомера примерно через 1,6 мин (когда счет закончится). Показание частотомера должно соответствовать значению 00000000 с погрешностью ±1 счета младшего разряда.
П1 - тройник СР-50-95 ФВ;
Н2 - нагрузка 75 Ом из комплекта ЗИП ИПД-1М (3г5.435.506 ТУ);
Ч - частотомер электронно-счетный Ч3-54 (Ч3-63);
ПК1 - соединительный кабель из комплекта ЗИП ИПД-1М.
При этом должна гореть буква П. Переключатель ДЛИТЕЛЬНОСТЬ СЕАНСА бит установить в положение «1010». Нажать кнопку ПУСК. Примерно через 16 мин счет закончится. Показания частотомера должны соответствовать значению 00000000 с погрешностью ±1 счета младшего разряда. При этом должна гореть буква П. Переключатель ДЛИТЕЛЬНОСТЬ СЕАНСА установить в положение «106». Переключатель ОШИБКИ - в положение КОМБ. Нажать кнопку ПУСК. Показание частотомера должно соответствовать значению 16000000 с погрешностью ±1 счета младшего разряда.
Длительность сеансов измерения коэффициента ошибок по кодовым комбинациям 16×107; 16×108 и 16×109 допускается не измерять.
3.1.13 Проверка входных сопротивлений измерителя.
Собрать схему, как показано на рисунке 13.
Подключить ко входу измерителя ИС через тройники П1, кабельные перемычки ПК1 и вставку Вст1 выход генератора сигналов Г4-118, а через переход П2 высокоомный вход осциллографа С1-75.
Установить на входе измерителя ИС от генератора Г4-118 частоту сигнала, равную 2500 кГц и амплитуду U1 = (3,0 ± 0,6) В, которую контролировать с помощью осциллографа С1-75. Подключить высокоомный вход осциллографа через переход П2 к выходу генератора сигналов. Измерить амплитуду сигнала U2.
Примечание - При всех указанных измерениях в осциллографе должен использоваться высокоомный вход (выносной делитель 1:50).
Вычислить входное сопротивление измерителя по входу ИС по формуле:
![]()
Аналогичным способом определить входное сопротивление по входам измерителя ТИ; ГЕН. ТАКТ. ИМП; ГЕН. - ПКИ и УПР. СИГНАЛ.
Входное сопротивление измерителя по входам, предназначенным для подачи испытательного сигнала, тактовых импульсов, синхроимпульсов и управляющего сигнала должны находиться в пределах (75 ± 7,5) Ом.
С - осциллограф С1-75;
Г4 - генератор сигналов Г4-118;
Вст1 - вставка 75 Ом из комплекта ЗИП ИПД-1М (3г2.243.651 ТУ);
ПК1 - соединительный кабель из комплекта ЗИП ИПД-1М;
П1 - тройник СР-50-95 ФВ из комплекта ЗИП ИПД-1М;
П2 - переход из комплекта ЗИП ИПД-1М.
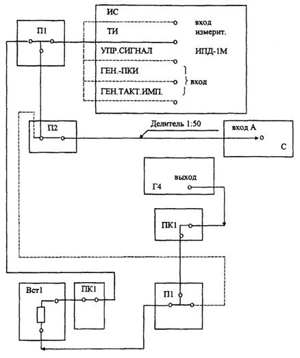
3.1.14 Проверка зоны удержания фазы
Собрать схему, как показано на рисунке 14.
Переключатели измерителя установить в положения:
СКОРОСТЬ ПЕРЕДАЧИ кбит/с - в положение «32»;
ИСПЫТАТ. СИГНАЛ - в положение «220 - 1»;
ИЗМЕРЕНИЯ - в положение НЕПР.;
ОШИБКИ - в положение БИТ;
СИНХРОНИЗАЦИЯ - в положение «ВНУТР. 1»;
ДЛИТЕЛЬНОСТЬ СЕАНСА бит - в положение «106»;
ГЕН. ТАКТ. ИМП. - в положение «ВНЕШ. 2»;
ПРОВЕРКА - ИЗМЕР. - в положение ТИ;
РЕЖИМ РАБОТЫ - в положение НЕПР.
Подключить кабельные перемычки ПК1 между выходом ИС1 датчика и входом ИС измерителя, между выходом ИС2 и входом ГЕН. - ПКИ, между выходов ЧАСТОТОМЕР - ПКИ и входом ТИ измерителя.
Подключить ко входу измерителя ГЕН. ТАКТ. ИМП. с помощью кабельных перемычек ПК1 и ПК2, тройника П1, переходов П2, П3 и аттенюатора Ат1 выходов генератора Г5-48 в режиме внешнего запуска от генератора Г4-93, высокоомный вход осциллографа С1-75 и высокоомный вход частотомера Ч3-54. Установить на выходе генератора импульсов Г1 длительность импульсов 15 мкс, а на выходе генератора сигналов Г2 - частоту сигнала 32 кГц с относительной погрешностью не более 5×10-5. Контроль осуществлять с помощью частотомера на выходе генератора импульсов Г5-48. С помощью осциллографа установить другие требуемые параметры, которым должен отвечать сигнал, подаваемый на вход измерителя ГЕН. ТАКТ. ИМП. Изменить частоту на выходе генератора сигналов Г4-93 в сторону уменьшения частоты до величины, при которой появится сигнал РАСФАЗИРОВАНИЕ на световом табло измерителя.
Измерить частотомером Ч3-54, подключенным на выходе генератора импульсов Г5-48, частоту следования импульсов fизм. Зона удержания фазы dj, обеспечиваемая системой синхронизации в сторону уменьшения тактовой частоты относительно номинального значения частоты f ном равной 32 кГц, вычисляется по формуле:
.
Изменить частоту генератора сигналов Г4-93 в сторону увеличения частоты до величины, при которой вновь появится сигнал РАСФАЗИРОВАНИЕ. Измерить частотомером Ч3-54, подключенным на выходе генератора импульсов Г5-48, частоту следования импульсов fизм. Зона удержания фазы, обеспечиваемая системой синхронизации в сторону увеличения тактовой частоты относительно номинального значения частоты fном равной 32 кГц, вычисляется по вышеприведенной формуле.
П - генератор импульсов Г5-48; Г2 - генератор сигналов Г4-93;
Ч - частотомер Ч3-54 (Ч3-63); С - осциллограф С1-75;
П2 - переход из комплекта ЗИП ИПД-1М; Ат1 - аттенюатор Д2-29;
П1 - тройник СР-50-95 ФВ из комплекта ЗИП ИПД-1М;
П3 - коаксиальный переход с 50 на 75 Ом из комплекта ЗИП Г5-48;
ПК1 - соединительный кабель из комплекта ЗИП ИПД-1М;
ПК2 - кабель № 4 из комплекта ЗИП Г5-48.
Аналогичным способом произвести измерения зоны удержания фазы для скоростей передачи 2048 и 4800 кбит/с. Для чего переключатель СКОРОСТЬ ПЕРЕДАЧИ кбит/с устанавливать последовательно в положения «2048» и «4800». При этом на выходе генератора Г4-93 устанавливать соответственно сигналы с частотой 2048 и 4800 кГц, а на выходе генератора Г5-48 - соответственно длительности импульсов 0,24 мкс и 100 нс. Контроль осуществлять с помощью осциллографа C1-75.
Установить переключатель СИНХРОНИЗАЦИЯ в положение «ВНУТР. 2» и повторить измерения зоны удержания фазы по методике, приведенной выше.
Зона удержания фазы, обеспечиваемая системой синхронизации измерителя в диапазоне скоростей передачи от 32 до 2048 кбит/с и скорости передачи 4800 кбит/с должна быть не менее ±1,5×10-4 от номинала соответствующей тактовой частоты.
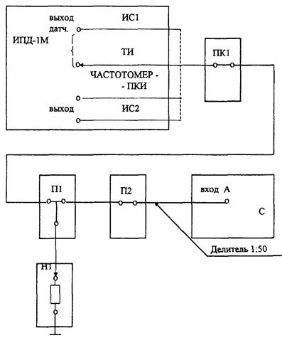
3.1.15 Проверка регистрации измерителем перерывов связи
Собрать схему, как показано на рисунке 15.
Переключатели измерителя установить в положения:
СКОРОСТЬ ПЕРЕДАЧИ кбит/с - в положение «2048»;
ИЗМЕРЕНИЯ - в положение НЕПР.;
ОШИБКИ - в положение БИТ;
СИНХРОНИЗАЦИЯ - в положение «ВНУТР. 1»;
ДЛИТЕЛЬНОСТЬ СЕАНСА бит - в положение «106»;
ПЕРЕРЫВЫ - в положение «300 mS»;
ГЕН. ТАКТ. ИМП. - в положение ВНУТР.;
ПРОВЕРКА - ИЗМЕР. - в положение ТИ;
РЕЖИМ РАБОТЫ - в положение «ПЕРИОД 2».
Между выходом «ИС1» датчика и входом ИС измерителя подключить кабельную перемычку ПК1.
Подключить ко входу УПР. СИГНАЛ измерителя с помощью кабельной перемычки ПК1 выход генератора импульсов Г5-53.
Установить на выходе генератора импульсов период следования импульсов 350 мс, длительность импульсов в пределах (170 - 175) мс и амплитуду импульсов в пределах (3,0 ± 0,6) В.
На световом табло измерителя потери достоверности должны периодически высвечиваться сигналы ПЕРЕРЫВ и НЕТ ОШИБОК. Показания цифрового индикатора измерителя должны соответствовать 0,0×10-4, что характеризует исключение результатов измерения по критерию отказа из-за наличия перерывов связи длительностью > 300 мс.
Г5 - генератор импульсов Г5-53;
ПК1 - соединительный кабель из комплекта ЗИП ИПД-1М.
При уменьшении периода следования импульсов с выхода генератора Г5-53 до величины (300 - 250) мс должен погаснуть сигнал ПЕРЕРЫВ.
3.1.16 Проверка параметров сигнала на выходах измерителя для регистрации ошибок и перерывов связи
Собрать схему, как показано на рисунке 16.
Переключатели измерителя установить в положения:
СКОРОСТЬ ПЕРЕДАЧИ кбит/с - в положение «4800»;
ИЗМЕРЕНИЯ - в положение НЕПР.;
ОШИБКИ - в положение БИТ;
СИНХРОНИЗАЦИЯ - в положение «ВНУТР. 1»;
ДЛИТЕЛЬНОСТЬ СЕАНСА бит - в положение «106»;
ВВОД ОШИБОК - в положение «104»;
ПЕРЕРЫВЫ - в положение «300 mS»;
ГЕН. ТАКТ. ИМП. - в положение ВНУТР.;
ПРОВЕРКА - ИЗМЕР. - в положение ТИ;
РЕЖИМ РАБОТЫ - в положение НЕПР.

Г5 - генератор импульсов Г5-53;
С - осциллограф С1-75;
Ч - частотомер Ч3-54 (Ч3-63);
ПК1 - соединительный кабель из комплекта ЗИП ИПД-1М;
П1 - тройник СР-50-95ФВ из комплекта ЗИП ИПД-1М;
П2 - переход из комплекта ЗИП ИПД-1М;
H1 - нагрузка 75 Ом из комплекта ЗИП ИПД-1М (3г2.243.652).
Между выходом «ИС1» датчика и входом ИС измерителя подключить кабельную перемычку ПК1, а к выходу измерителя ОШИБКИ с помощью тройника П1, перехода П2, кабельной перемычки ПК1 - нагрузку H1 и высокоомный вход осциллографа С1-75. Измерить с помощью осциллографа амплитуду и длительность импульсов на выходе измерителя ОШИБКИ. Переключатель ВВОД ОШИБОК установить в положение СБРОС, а переключатель ДЛИТЕЛЬНОСТЬ СЕАНСА бит - в положение «107». Подключить ко входу УПР. СИГНАЛ измерителя с помощью кабельной перемычки ПК1 выход генератора импульсов Г5-53. Установить на выходе генератора Г5-53 период следования импульсов 350 мс, длительность импульсов в пределах (170 - 175) мс и амплитуду импульсов в пределах (3,0 ± 0,6) В.
Подключить с помощью кабельной перемычки ПК1, тройника П1 и перехода П2 нагрузку H1 и высокоомный вход осциллографа С1-75 к выходу измерителя КОЛИЧЕСТВО. Установить переключатель РЕЖИМ РАБОТЫ в положение «ПЕРИОД 2» и измерить с помощью осциллографа С1-75 амплитуду и длительность импульсов сигнала на выходе измерителя КОЛИЧЕСТВО перерывов.
Подключить с помощью кабельной перемычки ПК1, тройника П1 и перехода П2 нагрузку H1 и высокоомный вход осциллографа С1-75 к выходу измерителя ПРОДОЛЖИТ. перерывов. Переключатель РЕЖИМ РАБОТЫ установить в положение НЕПР. Отключить кабельную перемычку от входа ИС измерителя и измерить с помощью осциллографа С1-75 амплитуду и длительность импульсов на выходе измерителя ПРОДОЛЖИТ. перерывов.
Отключить переход П2 и осциллограф С1-75 от тройника П1 и подключить к нему с помощью кабельной перемычки ПК1 вход Б частотомера Ч3-54. Измерить период следования импульсов на выходе ПРОДОЛЖИТ. перерывов.
Установить переключатель ПЕРЕРЫВЫ в положение «1 mS». Измерить с помощью частотомера Ч3-54 период следования импульсов на выходе ПРОДОЛЖИТ. перерывов.
Параметры сигнала на выходе измерителя, предназначенных для регистрации количества ошибок, количества и продолжительности перерывов связи должны находиться в пределах:
амплитуда импульсов - (3,0 ± 0,6) В;
длительность импульса, отсчитанная по уровню 0,5 значения амплитуды - не менее 25 нс на выходе измерителя ОШИБКИ и не менее 300 мкс на выходах измерителя КОЛИЧЕСТВО и ПРОДОЛЖИТЕЛЬНОСТЬ перерывов;
период следования импульсов при измерении продолжительности перерывов связи - (1,0 ± 0,1) мс и (300 ± 30) мс.
3.1.17 Проверка регистрации результатов измерения коэффициента ошибок, сигналов появления расфазирования и перерыва связи
Собрать схему, как показано на рисунке 17.
Переключатели измерителя установить в положения:
СКОРОСТЬ ПЕРЕДАЧИ кбит/с - в положение «2048»;
ИЗМЕРЕНИЯ - в положение НЕПР.;
ОШИБКИ - в положение БИТ;
СИНХРОНИЗАЦИЯ - в положение «ВНУТР. 1»;
ДЛИТЕЛЬНОСТЬ СЕАНСА бит - в положение «107»;
ПЕРЕРЫВЫ - в положение «1 mS»;
ГЕН. ТАКТ. ИМП. - в положение ВНУТР.;
ПРОВЕРКА - ИЗМЕР. - в положение ТИ;
РЕЖИМ РАБОТЫ - в положение НЕПР.

ПК1 - соединительный кабель из комплекта ЗИП ИПД-1М;
ПК4 - соединительный кабель из комплекта ЗИП ИПД-1М;
ЦПУ1 - цифропечатающее устройство типа Щ68000 К;
ЦПУ2 - цифропечатающее устройство типа Ф5033 К.
Между выходом «ИС1» датчика и входом ИС измерителя подключить кабельную перемычку ПК1, а к выходу ЦПУ через кабельную перемычку ПК5 или ПК4 - цифропечатающее устройство ЦПУ1 или ЦПУ2.
Устанавливая переключатель ВВОД ОШИБОК последовательно в положения «10», «102», «103», «104», СБРОС, снять показания цифрового индикатора измерителя. При этом результаты регистрации коэффициента ошибок на носителе цифропечатающего устройства должны соответствовать показаниям цифрового индикатора измерителя. Отключить кабельную перемычку ПК1 от входа ИС измерителя. На световом табло измерителя должен высветиться сигнал ПЕРЕРЫВ, а на носителе цифропечатающего устройства отпечататься символ I, соответствующий сигналу ПЕРЕРЫВ.
Вновь подключить кабельную перемычку ПК1 ко входу ИС измерителя. Переводом переключателя ИСПЫТAT. СИГНАЛ в любое другое положение вызвать расфазирование измерителя.
При этом на световом табло измерителя должен высветиться сигнал РАСФАЗИРОВАНИЕ, а на носителе цифропечатающего устройства должен отпечататься символ 2, соответствующий сигналу РАСФАЗИРОВАНИЕ.
Средства измерений, удовлетворяющие требованиям настоящих Методических указаний, признаются годными к применению. Результаты поверки средств измерений оформляются их клеймением и выдачей свидетельств о поверке или же записью результатов поверки в эксплуатационных паспортах (или их дубликатах).
Средства измерений, не удовлетворяющие требованиям настоящих Методических указаний, к дальнейшему применению не допускаются. На такие средства измерений выдаются извещения с указанием причин их непригодности к дальнейшей эксплуатации, гасятся клейма предыдущих поверок, а в эксплуатационных паспортах (или их дубликатах) делаются соответствующие записи.