
ГОСУДАРСТВЕННЫЙ КОМИТЕТ РОССИЙСКОЙ
ФЕДЕРАЦИИ ПО СВЯЗИ ИНФОРМАТИЗАЦИИ
СТАНДАРТ ОТРАСЛИ
УСТРОЙСТВА ТЕЛЕФОННЫЕ ОКОНЕЧНЫЕ
МЕТОДИКА ОПРЕДЕЛЕНИЯ ПОКАЗАТЕЛЕЙ ГРОМКОСТИ
ОСТ 45.84-99
ЦНТИ «ИНФОРМСВЯЗЬ»
Москва - 1999
Предисловие
1 РАЗРАБОТАН Ленинградским отраслевым
научно-исследовательским институтом связи (ЛОНИИС)
ВНЕСЕН научно-техническим
управлением и охраны труда Государственного комитета по связи и информатизации
Российской Федерации
2 ПРИНЯТ Государственным
комитетом по связи и информатизации Российской Федерации
3 ВВЕДЕН В ДЕЙСТВИЕ
информационным письмом от 01.06.99 г. № 3461
4 ВВЕДЕН ВПЕРВЫЕ
СОДЕРЖАНИЕ
УСТРОЙСТВА ТЕЛЕФОННЫЕ ОКОНЕЧНЫЕ
Методика определения показателей громкости
Дата введения 01.07.1999 г.
Настоящий стандарт распространяется на
оконечные абонентские телефонные устройства (ОАТУ), предназначенные для включения в телефонную
сеть общего пользования: аналоговые телефонные аппараты (ТА), цифровые телефонные аппараты (ЦТА),
громкоговорящие телефонные устройства (ГТУ), бесшнуровые телефонные аппараты
(БТА), таксофоны (местные, междугородные, международные).
Стандарт устанавливает методику
определения показателей громкости передачи,
приема и местного эффекта ОАТУ с рабочей полосой частот 0,3 - 3,4 кГц и 0,15 - 7,0 кГц.
Применение стандарта является обязательным
при разработке, производстве, модернизации и сертификации ОАТУ.
В настоящем стандарте применяются
следующие термины.
2.1 ОАТУ - оконечное абонентское телефонное устройство.
2.2 Показатель громкости (ПГ) - объективная мера
снижения или увеличения громкости,
определяемая взвешенным электроакустическим затуханием.
2.3 Показатель громкости передачи (ПГпер) - мера снижения или
увеличения громкости, определяемая
чувствительностью ОАТУ на передачу.
2.4 Показатель громкости приема (ПГпр) -
мера снижения или увеличения громкости, определяемая чувствительностью ОАТУ на прием.
2.5 Показатель громкости местного эффекта
говорящего (ПГмэг)
- мера снижения или увеличения громкости собственной речи, прослушиваемой через цепь местного эффекта.
2.6 Показатель громкости местного эффекта
слушающего (ПГмэс) - мера снижения или увеличения громкости окружающего
электроакустического шума, прослушиваемого через цепь местного эффекта.
2.7 Спектр Хота - спектр шумового
акустического сигнала, принятый в качестве усредненного шума помещения.
2.8 Взвешенное электроакустическое
затухание - затухание электроакустического тракта, определяемое на каждой
измерительной частоте с учетом весовых коэффициентов согласно приложению А
.
2.9 Цепь местного эффекта -
электроакустический тракт ОАТУ, через который речь говорящего и (или) окружающий
шум помещения прослушиваются в собственном телефоне.
2.10 Чувствительность передачи (Sпер) - отношение напряжения, развиваемого ОАТУ на
своих линейных зажимах, к звуковому
давлению, действующему на микрофон.
2.11 Чувствительность приема (Sпр) - отношение звукового давления, развиваемого телефоном
в камере искусственного уха, к напряжению, приложенному к линейным зажимам
ОАТУ.
2.12 Чувствительность цепи местного
эффекта (Sмэ)
- отношение звукового давления, развиваемого телефоном ОАТУ в камере
искусственного уха, к звуковому давлению, действующему на микрофон того же
ОАТУ.
2.13
Однородное поле - область звукового поля, во всех точках которой средний по
времени квадрат значения звукового давления одинаков.
2.14
Свободное поле - область звукового поля, в которой влияние отражающих
поверхностей пренебрежимо мало.
2.15 Бесшнуровой телефонный аппарат
(БТА) - ОАТУ, обеспечивающее приемо-передачу речевых и информационных сигналов между
микротелефонной трубкой и базовым блоком по каналам радиосвязи.
2.16 Опорная точка уха (ОТУ) - точка,
расположенная на входе слухового канала человека, которая определяется как
центр плоскости слуховой раковины телефона, прижатой к уху.
2.17 Искусственный рот (ИР) -
акустическая система для возбуждения микрофонов, создающая звуковое поле,
аналогичное звуковому полю перед ртом человека [1].
2.18 Искусственное ухо (ИУ) -
устройство для измерения звукового давления, имеющее полное акустическое
сопротивление, аналогичное полному акустическому сопротивлению человеческого
уха в заданном диапазоне частот [2].
2.19 Искусственная голова (ИГ) -
устройство, конструктивно объединяющее ИР и ИУ с механическими элементами, обеспечивающими установку и закрепление микротелефонной
трубки при испытаниях в соответствии с приложением Б.
2.20 Опорная точка рта (ОТР) - точка,
расположенная на расстоянии 25 мм от ограничительного кольца ИР по оси
излучения звука.
2.21 Акустическая утечка -
проникновение звуковой энергии от телефона, прижимаемого к уху, во внешнюю
среду.
3.1 Испытания по определению
показателей громкости проводят в климатических
условиях:
- температура окружающего воздуха -
(25 ± 10) °С;
- относительная влажность воздуха -
от 45 до 80 %;
- атмосферное давление -
от 96 до 104 кПа.
Примечание - При температуре
выше 30 °С относительная влажность должна быть не более 70 %.
3.2 Уровень окружающего акустического
шума помещения при испытаниях должен быть менее 35 дБ (А).
3.3 Питание ОАТУ в режимах испытаний
осуществляют в соответствии с требованиями ТУ к конкретному типу ОАТУ.
3.4 При определении
ПГ ОАТУ с микротелефонной трубкой, она должна быть расположена в пространстве
относительно ОТУ в соответствии с приложением Б.
На расстоянии до 0,5 м от
ограничительного кольца ИР, кроме микротелефонной трубки испытуемого ОАТУ не
должно быть посторонних предметов, которые могли бы исказить акустическое поле,
создаваемое ИР.
Примечание - Ограничительное
кольцо
отображает положение плоскости губ человека при разговоре.
3.5 При определении ПГ громкоговорящих
телефонных устройств (ГТУ) они должны быть установлены на испытательном столе в
соответствии с приложением Д.
3.6 При определении ПГ БТА расстояние
между антеннами базового блока и носимой микротелефонной трубки (микрофона)
должно быть равно 1 м.
3.7 Измерения
частотных характеристик коэффициента передачи и коэффициента приема проводят
синусоидальными сигналами с дискретными частотами третьоктавного ряда: 200,
250, 315, 400, 500, 630, 800, 1000, 1250, 1600, 2000, 2500, 3150, 4000 Гц.
3.8 Измерение
частотной характеристики коэффициента местного эффекта говорящего проводят синусоидальными
сигналами с дискретными частотами третьоктавного ряда: 100, 125, 160, 200, 250,
315, 400, 500, 630, 800, 1000, 1250, 1600, 2000, 2500, 3150, 4000, 5000, 6300.
8000 Гц.
3.9 Измерение
частотной характеристики чувствительности местного эффекта слушающего проводят
в третьоктавных полосах диффузного шумового сигнала со спектром Хота, со
средними частотами третьоктавного ряда,
указанными в 3.8.
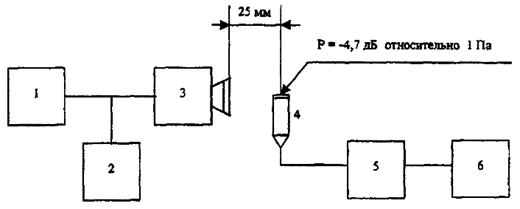
3.10 Искусственный
рот (ИР) должен быть откалиброван так, чтобы уровень звукового давления (Р) в ОТР
на каждой частоте синусоидального измерительного сигнала при отсутствии
микротелефонной трубки (микрофона) перед ИР поддерживался равным минус 4,7 дБ
относительно 1 Па, в соответствии с рисунком 1.

1 - генератор сигналов низкочастотный;
2 - частотомер; 3 - искусственный рот; 4 - измерительный микрофон по давлению
(конденсаторный 1/2"); 5 - усилительно-питающее устройство; 6 - электронный вольтметр переменного напряжения
Рисунок 1
3.11 ЭДС, развиваемая измерительным
генератором синусоидальных сигналов с внутренним сопротивлением 600 Ом, для возбуждения испытуемого ОАТУ, должна быть равна 250 мВ на каждой частоте в соответствии с 3.7.
4.1 Определение показателя громкости
передачи
ПГпер. вычисляют по результатам
определения частотной характеристики чувствительности передачи (Sпер) по структурной схеме, представленной на рисунке 2.

1 - генератор сигналов низкочастотный;
2 - искусственный рот; 3 - испытуемый ТА; 4 - мост питания; 5 - электронный
вольтметр переменного напряжения; R -
резистор сопротивлением (600 ± 30) Ом.
Рисунок 2
При определении Sпер микрофон размещают перед откалиброванным по 3.10
ИР в соответствии с 3.4 и измеряют
напряжение, развиваемое испытуемым ТА на линейных зажимах моста питания, на
всех частотах в соответствии с 3.7.
Значение Sпер.i, дБ, относительно 1 B/Па, вычисляют на каждой измерительной
частоте по формуле (1):
Sпер.i = 20lg(Ui/Р), (1)
где Ui
- напряжение (В), измеренное вольтметром (5) на каждой измерительной частоте;
Р = 0,582 Па - звуковое давление в
ОТР.
Погрешность определения Sпер.i,
равная сумме основных погрешностей средств измерений по рисунку 2 не должна быть более ±1 дБ.
ПГпер,
дБ, вычисляют по формуле (2):
(2)
где Wпер.i -
весовые коэффициенты в соответствии с приложением А;
N = 14 - число измерительных частот;
57,1 - эмпирический коэффициент.
4.2 Определение показателя громкости
приема
ПГпр. вычисляют по результатам
определения частотной характеристики чувствительности приема (Sпр.) по структурной схеме, представленной на рисунке 3.

1 - электронный вольтметр переменного
напряжения; 2 - усилительно-питающее устройство; 3 - искусственное ухо; 4 -
испытуемый ТА; 5 - мост питания; 6 - генератор сигналов низкочастотный
Рисунок 3
Микротелефонную трубку испытуемого ТА
устанавливают в соответствии с 3.4. ЭДС
генератора (6) устанавливают равным 250 мВ на каждой измерительной частоте в
соответствии с 3.7 и измеряют напряжение
Ui на выходе усилительно-питающего
устройства, равное напряжению на выходе ИУ.
Значения Sпр.i, дБ относительно 1 Па/В, вычисляют по формуле (3):
Sпр.i = 20lg(Pтi/(E/2)), (3)
где Ртi = Ui/αi - звуковое давление (Па), развиваемое телефоном в камере
искусственного уха на каждой измерительной частоте;
Ui - напряжение на выходе ИУ (В)
на каждой измерительной частоте;
αi - чувствительность ИУ (В/Па) на
каждой измерительной частоте;
Е/2 = 0,125 В.
Погрешность определения Sпр.i,
равная сумме основных погрешностей средств измерений по рисунку 3, не должна быть более ±1 дБ.
ПГпр, дБ, вычисляют по формуле (4):
(4)
где Wпр.i - весовые
коэффициенты в соответствии с приложением А;
LEi - корректирующие коэффициенты,
учитывающие акустическую утечку между телефоном и естественным ухом, в
соответствии с приложением А;
N = 14 - число измерительных частот;
57,1 - эмпирический коэффициент.
4.3 Определение показателя громкости
местного эффекта говорящего
Показатель громкости местного эффекта
говорящего (ПГмэг) вычисляют по результатам
определения частотной характеристики чувствительности местного эффекта
говорящего (Sмэг) по
структурной схеме, представленной на рисунке 4.

1 - электронный вольтметр переменного напряжения; 2 - усилительно-питающее
устройство; 3 - искусственное ухо; 4 - генератор сигналов низкочастотный; 5 -
искусственный рот, 6 - испытуемый ТА; 7 - искусственная абонентская линия
затуханием 0 и 5 дБ на частоте 1000 Гц; 8 - мост питания; 9 - искусственная
соединительная линия затуханием 22,5 дБ; R - резистор сопротивлением (600 ± 30) Ом.
Рисунок 4
Микрофон испытуемого ТА помещают перед
откалиброванным по 3.10 ИР и измеряют напряжение Ui на выходе усилительно-питающего
устройства, равное напряжению на выходе ИУ на каждой измерительной частоте в
соответствии с 3.8.
Значения Sмэг.i,
дБ, вычисляют на каждой измерительной частоте по формуле (5):
Sмэг.i = 20lg(Pтi/Р) (5)
где Р = 0,582 Па - звуковое давление в ОТР;
Pтi = Ui/αi - звуковое давление (Па),
развиваемое телефоном в камере искусственного уха на каждой измерительной
частоте;
Ui - напряжение на выходе ИУ на каждой измерительной частоте;
αi - чувствительность ИУ (В/Па) на
каждой измерительной частоте.
Погрешность определения Sмэг.i,
равная сумме основных погрешностей средств измерений по рисунку 4, не должна быть более ±2 дБ.
ПГмэг, дБ, вычисляют
по формуле (6).
(6)
где Wмэ.i - весовые коэффициенты в соответствии с приложением А;
N = 20 - число измерительных частот;
44,44 - эмпирический коэффициент.
4.4 Определение
показателя громкости местного эффекта слушающего
ПГмэс
вычисляют по результатам определения частотной характеристики чувствительности
местного эффекта слушающего (Sмэс)
в соответствии со следующей методикой.
Определение частотной характеристики Sмэс проводят в однородном звуковом
поле шумового сигнала со спектром Хота в два этапа, в соответствии со
структурными схемами, представленными на рисунке 5.
Примечание -
Среднеквадратическое отклонение квадрата звукового давления однородного поля не
должно отличаться от среднего более, чем на ±3 дБ в радиусе 0,15 м от ОТР в
каждой из третьоктавных полос.

Измерение однородного звукового поля в
ОТР

Измерение звукового давления в камере
ИУ, создаваемого однородным звуковым полем
1 - измерительный микрофон по давлению
(конденсаторный диаметром 1/2"); 2 - усилительно-питающее устройство; 3 -
анализатор спектра; 4 - искусственное ухо; 5 - искусственный рот; 6 -
испытуемое ОАТУ; 7 - искусственная абонентская линия затуханием 0 и 5 дБ на
частоте 1000 Гц; 8 - мост питания; 9 -
искусственная соединительная линия затуханием 22,5 дБ, R -
резистор сопротивлением (600 ± 30) Ом
Примечание - Вместо
анализатора спектра допускается применение третьоктавных фильтров совместно
с электронным вольтметром переменного напряжения с квадратичной характеристикой
детектирования.
Рисунок 5
I этап - в помещении с
однородным звуковым полем шумового сигнала со спектром Хота устанавливают
звуковое давление 80 дБ (А) в точке, которая будет соответствовать ОТР при
последующей установке в этом месте искусственного рта.
В эту точку вводят центр защитной
сетки конденсаторного измерительного микрофона по давлению диаметром 1/2"
и измеряют значения спектральной плотности шумового сигнала (Poi) посредством третьоктавного
анализатора спектра со средними частотами третьоктавных полос от 100 до 8000 Гц
соответствующими ряду измерительных частот, указанных в 3.8.
II этап - в то же однородное
поле вводят, взамен измерительного микрофона, «искусственную голову»,
содержащую искусственный рот и искусственное ухо с держателем, обеспечивающим
установку микротелефонной трубки в пространстве относительно ИР и ИУ в
соответствии с приложением Б.
Опорную точку ИР совмещают с точкой, в
которой ранее находился центр защитной сетки измерительного микрофона.
Устанавливают и закрепляют
микротелефонную трубку испытуемого ОАТУ в держателе и измеряют посредством
третьоктавного анализатора спектра значения спектральной плотности шумового
сигнала (Ртi), создаваемого телефоном в камере ИУ
за счет цепи местного эффекта.
Примечание - При измерениях
искусственный рот не возбуждается никакими сигналами.
Чувствительность местного эффекта
слушающего (Sмэс), дБ,
вычисляют для каждой средней частоты третьоктавных полос по формуле (7):
Sмэс.i = 20lg(Pтi/Pоi). (7)
Погрешность определения Sмэс.i,
равная сумме основных погрешностей средств измерений по рисунку 5, не должна быть более ±2 дБ.
Показатель громкости местного эффекта
слушающего ПГмес,
дБ, вычисляют по формуле
(8):
(8)
где Wмэ.i - весовые коэффициенты в соответствии с приложением А;
N = 20 - число средних измерительных
частот третьоктавных полос;
44,44 - эмпирический коэффициент.
Показатели громкости передачи, приема,
местного эффекта говорящего и местного эффекта слушающего ЦТА определяют с
использованием аналоговых измерительных средств в сочетании с эталонным кодеком
в соответствии с приложением В и блоком
сопряжения в соответствии с приложением Г.
5.1 Определение показателя
громкости передачи
ПГпер. ЦТА вычисляют согласно 4.1
по результатам определения частотной характеристики чувствительности передачи (Sпер) по структурной схеме, представленной на рисунке 6.
Погрешность определения Sпер.i,
равная сумме основных погрешностей средств измерений по рисунку 6, не должна быть более ±1 дБ.

1 - генератор сигналов низкочастотный;
2 - искусственный рот; 3 - испытуемый ЦТА; 4 - блок сопряжения, в соответствии
с приложением Г; 5 - эталонный кодек, в
соответствии с приложением В; 6 -
электронный вольтметр переменного напряжения; R - резистор сопротивлением (600 ± 30) Ом.
Рисунок 6
5.2
Определение показателя громкости приема
ПГпр. ЦТА вычисляют согласно 4.2
по результатам определения частотной характеристики чувствительности приема (Sпр) по структурной схеме, представленной на рисунке 7.
Погрешность определения Sпр.i, равная сумме основных погрешностей
средств измерений по рисунку 7, не
должна быть более ±1 дБ.

1 - электронный вольтметр переменного
напряжения; 2 - усилительно-питающее устройство; 3 - искусственное ухо; 4 -
испытуемый ЦТА; 5 - блок сопряжения, в соответствии с приложением Г; 6 - эталонный кодек, в соответствии с
приложением В; 7 - генератор сигналов
низкочастотный
Рисунок 7
5.3
Определение показателя громкости местного эффекта говорящего
ПГмэг вычисляют согласно 4.3
по результатам определения частотной характеристики чувствительности местного
эффекта говорящего (Sмэг) по
структурной схеме, представленной на рисунке 8.
Погрешность определения Sмэг.i,
равная сумме основных погрешностей средств измерений по рисунку 8, не должна быть более ±2 дБ.

1 - электронный вольтметр переменного
напряжения; 2 - усилительно-питающее устройство; 3 - искусственное ухо; 4 -
генератор сигналов низкочастотный; 5 - искусственный рот; 6 - испытуемый ЦТА; 7 - блок сопряжения в соответствии
с приложением Г; 8 - эталонный кодек; R - резистор сопротивлением (600 ± 30)
Ом
Рисунок 8
5.4
Определение показателя громкости местного эффекта слушающего
ПГмэс
вычисляют согласно 4.4 по результатам
определения частотной характеристики чувствительности местного эффекта
слушающего (Sмэс) по
структурным схемам, представленным на рисунке 9.
Погрешность определения Sмэс.i равная сумме основных погрешностей средств измерений по
рисунку 9. не должна быть более ±2 дБ.

Измерение однородного звукового поля в
ОТР

Измерение звукового давления в камере
ИУ, создаваемого однородным звуковым полем
1 - измерительный микрофон по давлению (конденсаторный диаметром
1/2"); 2 - усилительно-питающее устройство; 3 - анализатор спектра; 4 -
искусственное ухо; 5 - искусственный рот; 6 - испытуемый ЦТА; 7 - блок
сопряжения в соответствии с приложением Г;
8 - эталонный кодек; R - резистор
сопротивлением (600 ± 30) Ом.
Примечание - Вместо
анализатора спектра допускается применение третьоктавных фильтров
совместно с электронным вольтметром переменного напряжения с
квадратичной характеристикой детектирования.
Рисунок 9
6.1 Аналоговые ГТУ с рабочей полосой
частот 0,3 - 3,4 кГц
6.1.1
Определение показателя громкости передачи
ПГпер
вычисляют согласно 4.1 по схеме,
представленной на рисунке 10, при
соблюдении требований приложения Д.

1 - генератор сигналов низкочастотный;
2 - искусственный рот; 3 - передающая часть ГТУ; 4 - мост питания; 5 -
электронный вольтметр переменного напряжения; R - резистор сопротивлением (600 ± 30) Ом.
Рисунок 10
6.1.2
Определение показателя громкости приема
ПГпр вычисляют согласно 4.2 по схеме, представленной на рисунке 11, при соблюдении требований приложения Д.
Примечание - При вычислении
ПГпр ГТУ коэффициенты LEi в формуле (4) равны нулю.

1 - электронный вольтметр переменного
напряжения; 2 - усилительно-питающее устройство; 3 - измерительный микрофон по давлению с диаметром (конденсаторный
1/2"); 4 - приемная часть ГТУ; 5 - мост питания; 6 - генератор сигналов
низкочастотный
Рисунок 11
6.2 Цифровые
ГТУ с рабочей полосой частот 0,15 -
7,0 кГц
6.2.1
Определение показателя громкости передачи
ПГпер
вычисляют согласно 4.1 по схеме,
представленной на рисунке 12, при
соблюдении требований приложения Д.

1 - генератор сигналов низкочастотный;
2 - искусственный рот; 3 - испытуемое цифровое ГТУ; 4 - блок сопряжения в
соответствии с приложением Г; 5 -
эталонный кодек с полосой рабочих частот 0,15 - 7,0 кГц в соответствии с
приложением В; 6 - электронный вольтметр
переменного напряжения; R -
резистор сопротивлением (600 ± 30) Ом
Рисунок 12
6.2.2
Определение показателя громкости приема
ПГпр
вычисляют согласно 4.2 по схеме,
представленной на рисунке 13, при
соблюдении требований приложения Д.
Примечание - При вычислении
ПГпр корректирующие коэффициенты LEi в формуле (4) равны нулю.

1 - электронный вольтметр переменного напряжения; 2 - усилительно-питающее устройство; 3 - измерительный микрофон по
давлению (конденсаторный 1/2"); 4 - испытуемое цифровое ГТУ; 5 - блок
сопряжения в соответствии с приложением Г;
6 - эталонный кодек с полосой рабочих частот 0,15 -
7,0 кГц в соответствии с приложением В;
7 - генератор сигналов низкочастотный
Рисунок 13
7.1
Показатели громкости передачи, приема, местного
эффекта говорящего и местного эффекта слушающего БТА определяют в соответствии
с разделом 4 для аналоговых БТА и
разделом 5 - для цифровых БТА.
При проведении измерений и испытаний
должны быть применены измерительные системы,
испытательное оборудование, средства измерений и устройства, приведенные в
таблице 1.
Таблица 1
|
№ п/п
|
Наименование
|
Основные метрологические характеристики, не хуже
|
|
1
|
2
|
3
|
|
1.
|
Искусственный
рот
|
Неравномерность
частотной характеристики звукового давления в диапазоне частот 100 - 10000 Гц не более ±3 дБ.
Коэффициент гармоник при звуковом давлении 3 Па не более 3 % в диапазоне
частот 100 - 300 Гц и не более 2 % на частотах выше 3000 Гц. Основная
погрешность установки звукового давления не более ±0,5 дБ.
|
|
2.
|
Искусственное
ухо
|
Основная
погрешность измерения звукового давления не более ±0,5 дБ. Неравномерность
частотной характеристики чувствительности в
диапазоне частот от 100 Гц до 8000 Гц
не более ±2 дБ. Коэффициент гармоник при звуковом давлении 10 Па не более 1 %.
|
|
3.
|
Измерительный
микрофон 1/2" по давлению
|
Основная
погрешность ±0,5 дБ.
Неравномерность
частотной характеристики в диапазоне 0,1 - 8 кГц не более 2 дБ. Коэффициент
гармоник при давлении 3 Па, не более 1 %.
|
|
4.
|
Генератор
сигналов низкочастотный
|
Основная
погрешность установки частоты, не более ±(2 + 50/f) % до 200 Гц и не более ±(1 + 50/f) % свыше 200 Гц. Диапазон частот от
20 Гц до 10 кГц. Коэффициент гармоник не более
1 % до 200 Гц и не более 0,5 % свыше 200 Гц.
Внутреннее сопротивление 600 Ом, симметричное относительно земли.
|
|
5.
|
Установка
для создания шума
|
Спектральная
плотность шума (спектр Хота) по рисунку 14. Диапазон регулировки уровня шума
от 55 до 85 дБ (А). Основная погрешность установки звукового давления не
более ±0,5 дБ.
|
|
6.
|
Электронный
вольтметр для измерения сигналов синусоидальной формы
|
Диапазон
частот от 20 до 10000 Гц. Диапазон измерений от 1 мВ до 100 В. Входное
сопротивление не менее 1 МОм. Класс точности измерения среднеквадратического
значения напряжения 1,5.
|
|
7.
|
Искусственная
абонентская линия
|
По схеме
рисунка 15 с затуханием 5,0 дБ на частоте 1000 Гц.
|
|
8.
|
Искусственная
соединительная линия
|
По схеме
рисунка 15 с затуханием 22,5 дБ на частоте 1000
Гц.
|
|
9.
|
Мост
питания
|
По схеме
рисунка 16.
|
|
10.
|
Анализатор
спектра
|
Основная
погрешность измерения амплитуды не более ±1 дБ в третьоктавных полосах со
средними частотами в соответствии с 4.8 в диапазоне частот от 100 до 8000 Гц.
|
|
11.
|
Частотомер электронно-счетный
|
Диапазон
частот от 20 Гц до 10 кГц. Входное сопротивление не менее 1 МОм. Основная
погрешность не более 0,5 %.
|
Примечание - Допускается
применение других типов аппаратуры, имеющих основные характеристики не
хуже указанных в таблице. При этом результаты измерений должны иметь сходимость
с результатами измерений по данному стандарту не хуже ±1 дБ для ПГпер, ПГпр и не хуже ±2 дБ
для ПГмэг, ПГмэс.

Рисунок 14

R1 -
резистор сопротивлением (52,2 ± 0,5) Ом; R2 - резистор сопротивлением
(105,0 ± 1,0) Ом; С - конденсатор емкостью (55,0 ± 0,3) нФ
Рисунок 15

С - конденсатор емкостью (4 ± 0,2)
мкФ; L - дроссель с индуктивностью не менее 2 Гн при токе подмагничивания 60 мА, с активным сопротивлением (500 ± 50) Ом для напряжения
(60 ± 3) В, с активным сопротивлением (400 ± 40) Ом для напряжения (48 ± 2,4)
В; X1,
Х2 - контакты для подключения АЛ; Х3, Х4 - контакты для подключения источника
питания с номинальным напряжением 60 В (48 В); Х5, Х6 - контакты для
подключения СЛ
Рисунок 16
(обязательное)
Таблица А.1
|
Частота, Гц
|
Wпер.i, дБ
|
Wпр.i, дБ
|
Wмэ.i, дБ
|
LEi, дБ
|
|
100
|
-
|
-
|
110,4
|
-
|
|
125
|
-
|
-
|
107,7
|
-
|
|
160
|
-
|
-
|
104,6
|
-
|
|
200
|
76,9
|
85,0
|
98,4
|
8,4
|
|
250
|
62,6
|
74,7
|
94,0
|
4,9
|
|
315
|
62,0
|
79,0
|
89,8
|
1,0
|
|
400
|
44,7
|
63,7
|
84,8
|
-0,7
|
|
500
|
53,1
|
73,5
|
75,5
|
-2,2
|
|
630
|
48,5
|
69,1
|
66,0
|
-2,6
|
|
800
|
47,6
|
68,0
|
57,1
|
-3,2
|
|
1000
|
50,1
|
68,7
|
49,1
|
-2,3
|
|
1250
|
59,1
|
75,1
|
50,6
|
-1,2
|
|
1600
|
56,7
|
70,4
|
51,0
|
-0,1
|
|
2000
|
72,2
|
81,4
|
51,9
|
3,6
|
|
2500
|
72,6
|
76,5
|
51,3
|
7,4
|
|
3150
|
89,2
|
93,3
|
50,6
|
6,7
|
|
4000
|
117,0
|
113,8
|
51,0
|
8,8
|
|
5000
|
-
|
-
|
49,7
|
-
|
|
6300
|
-
|
-
|
50,0
|
-
|
|
8000
|
-
|
-
|
52,8
|
-
|
(обязательное)
При испытаниях любых ОАТУ с
микротелефонной трубкой, она должна быть
расположена в пространстве в соответствии с рисунком Б.1.

1 - ограничительное кольцо; 2 -
слуховая раковина микротелефонной трубки; Х-Х - ось, совпадающая с
продольной осью микротелефонной трубки,
должна располагаться под углом 39° к горизонтальной плоскости; У-У -
ось, перпендикулярная плоскости слуховой раковины микротелефонной трубки и,
проходящая через ее центр «О», должна располагаться под углом 13 ° к
горизонтальной плоскости. Угол 77° определяет наклон плоскости
ограничительного кольца к плоскости слуховой раковины микротелефонной трубки;
Угол 22° относительно плоскости слуховой раковины и расстояние 136 мм от центра слуховой раковины являются координатами
центра ограничительного кольца.
Рисунок Б. 1
(обязательное)
В.1 принцип использования
В.1.1 Принцип использования эталонного кодека (рисунок В.1) состоит в преобразовании входного и
выходного сигнала ЦТА, соответственно в эквивалентные
цифровые и аналоговые сигналы с целью получения возможности использования
существующего специфического аналогового измерительного оборудования.

Рисунок В.1
В.2
Основные требования
В.2.1 Должно
использоваться 14-разрядное линейное аналого-цифровое и цифро-аналоговое
преобразование высокого качества.
В.2.2 Должно быть предусмотрено перекодирование выходного
цифрового сигнала по закону «А».
В.2.3
Амплитудно-частотная характеристика фильтров на входе и выходе кодека с рабочим
диапазоном частот 0,3 - 3,4 кГц должна укладываться в допусковую область, представленную на рисунке В.2.
В.2.4 Амплитудно-частотная характеристика фильтра на входе
кодека с рабочим диапазоном частот 0,15 -
7,0 кГц должна укладываться в допусковую область, представленную на рисунке В.3, а на выходе кодека - в допусковую область,
представленную на рисунке В.4

Рисунок В.2

Рисунок В.3

Рисунок В.4
В.2.5 Номинальное входное и выходное сопротивление кодеков,
должно быть симметричным относительно земли и должно быть равно 600 Ом.
В.2.6 Затухание несогласованности входных и выходных
сопротивлений кодеков относительно 600 Ом в диапазоне частот от 200 до 4000 Гц
(150 - 7000 Гц) должно быть не менее 36 дБ.
В.2.7 Затухание асимметрии входных и выходных цепей кодеков
относительно земли в диапазоне частот от 200 до 4000 Гц (150 - 7000 Гц) должно
быть не менее 46 дБ.
(обязательное)
Испытуемый ЦТА должен соединяться с эталонным кодеком во время
испытаний посредством блока сопряжения, который должен обеспечивать питание,
сигнализацию и управляющие цифровые последовательности, необходимые для работы ЦТА во всех режимах испытаний. Блок сопряжения должен также преобразовывать цифровой
поток от ЦТА и к ЦТА в формат эталонного кодека, поскольку ЦТА могут иметь
различные цифровые форматы в зависимости от принятых способов цифрового кодирования.
(обязательное)
Д.1 При проведении измерений Sпер и Sпр ГТУ
устанавливают на испытательном столе.
Д.2 Испытательный стол должен иметь
гладкую, твердую, ровную поверхность площадью не менее 1 м2 и
шириной не менее 800 мм. Поверхность стола при измерениях должна находиться в
горизонтальном положении.
Д.3 Местонахождение ГТУ на
испытательном столе зависит от его конструктивного исполнения и иллюстрируется
на рисунке Д.1, где:
а - ГТУ в моноблочном исполнении;
б - передающая и в - приемная части
ГТУ при двухблочном исполнении.
Штрих-пунктирные линии АВ, АВ',
АВ" являются осевыми линиями,
проходящими через центры корпусов ГТУ.
Д.4 Местонахождение эталонной точки
искусственного рта (ОТР) и измерительного микрофона при измерениях
чувствительности передачи (Sпер) и приема (Sпр), соответственно, относительно испытуемого ГТУ,
иллюстрируется точкой С на рисунке Д.2
на примере моноблочного исполнения ГТУ.
Д.5 При измерениях Sпер эталонную точку рта (ОТР) совмещают с точкой С
таким образом, чтобы ось излучения ИР совпадала с
направлением СВ на рисунке Д.2.
Д. 6
При измерениях Snp центр решетки измерительного
микрофона устанавливают в точке С, причем продольная ось микрофона должна
совпадать с направлением СВ на рисунке Д.2.
Д.7 Уровень окружающего акустического
шума в помещении для проведения измерений должен быть менее 35 дБ (А).
Д.8 Акустические характеристики
помещения должны обеспечивать получение звукового поля, отличающегося от
свободного поля, не более, чем на ±1 дБ в радиусе 0,5 м от центра
испытательного стола вплоть до нижней частоты 150 Гц.

Лицевая кромка стола
Рисунок Д.1

Рисунок Д.2
[1] Рекомендация МСЭ-Т P.51 Искусственный рот
[2] Рекомендация
МСЭ-Т Р.57 Искусственное ухо