МЕТОДИЧЕСКИЕ УКАЗАНИЯ

РАСЧЕТЫ И ИСПЫТАНИЯ НА ПРОЧНОСТЬ.
КЛАССИФИКАЦИЯ ВИДОВ ИЗЛОМОВ МЕТАЛЛОВ

 

РД 50-672-88

 

 

 

ГОСУДАРСТВЕННЫЙ КОМИТЕТ СССР ПО СТАНДАРТАМ

Москва

1989

 

РУКОВОДЯЩИЙ ДОКУМЕНТ ПО СТАНДАРТИЗАЦИИ

МЕТОДИЧЕСКИЕ УКАЗАНИЯ

Расчеты и испытания на прочность. Классификация видов изломов металлов

РД
50-672-88

Дата введения 01.07.89

В настоящих методических указаниях систематизированы основные виды изломов металлов, разрушенных при различных условиях нагружения, и установлены основные признаки, по которым необходимо проводить классификацию изломов для достоверной оценки поведения металлических материалов при разрушении.

Методические указания не содержат описания дефектов металлургического и технологического происхождения, выявляемых в изломе.

Методические указания предназначены для работников научно-исследовательских институтов, заводских лабораторий, а также всех предприятий и организаций, занимающихся вопросами прочности и диагностики причин разрушения, производящих и потребляющих металлические материалы.

1. ОСНОВНЫЕ ПОНЯТИЯ

Основные термины, используемые при описании макро- и микрорельефов изломов, пояснения к ним и иллюстрации, облегчающие интерпретацию наблюдаемых изломов, приведены в пп. 1.1 - 1.8.

1.1. Излом - поверхность раздела, возникающая при разрушении объекта.

1.2. Макростроение (макрорельеф) излома (черт. 1) - набор элементов поверхности разрушения, используемых для идентификации излома и различимых при визуальном рассмотрении или с небольшим увеличением (£ 50´).

Макростроение и схема излома

(на примере усталостного излома)

а - усталостный излом лопатки компрессора

На изломе хорошо видны усталостные линии

Черт. 1а

б - усталостный излом шатунной шейки коленчатого вала

в - схема того же усталостного излома

1 - очаг разрушения; 2 - ступеньки и рубцы; 3 - усталостные линии; 4 - зона ускоренного развития трещины; 5 - зона долома

Черт. 1б, в

1.2.1. Зона излома - участок поверхности разрушения, характеризующийся строением, отличным от строения других частей излома.

1.2.2. Очаг разрушения (черт. 1) - место зарождения разрушения, оцениваемое на изломе.

1.2.3. Рубцы (черт. 1) - линии на изломе, представляющие собой следы слияния отдельных, близко расположенных соседних трещин, распространяющихся в одном направлении (как правило, от очага разрушения).

1.2.4. Зона долома (черт. 1) - участок излома, соответствующий конечной стадии разрушения.

1.2.5. Магистральная трещина - трещина приводящая к окончательному разрушению.

1.2.6. Ступенька (черт. 1) - след слияния двух трещин, распространяющихся в различных направлениях, при образовании магистральной.

1.2.7. Расслоение (п. 1.4.4 черт. 2) - несплошности, образующиеся вдоль границ структурных элементов, ориентированные по направлению деформации.

1.2.8. Усталостные линии (черт. 1) - линии на усталостном изломе, близкие по форме к концентрическим, образующиеся в процессе роста усталостной трещины и представляющие собой расходящиеся от очага разрушения отметки фронта трещины на определенной стадии ее развития.

1.3. Микростроение (микрорельеф) излома - набор элементов поверхности разрушения, используемых для идентификации излома, разрешаемых методами световой, электронной (и др.) микроскопии (при увеличении > 50´).

1.3.1. Фасетка - элемент поверхности разрушения с четкими границами, лежащий в одной или близких плоскостях.

1.3.1.1. Фасетка скола (черт. 3а, б) - фасетка, образующаяся в результате разрушения по определенным кристаллографическим плоскостям (плоскостям скола), в пределах которой разрушение развивается в одном направлении.

К характерным элементам строения относятся ручьистый узор, язычки (см. пп. 1.3.5, 1.3.6). Наличие фасеток скола свидетельствует о внутризеренном хрупком разрушении.

1.3.1.2. Фасетка квазискола (черт. 4а, б) - относительно ровный (плоский) участок разрушения, не всегда связанный ориентационно с плоскостями скола и характеризующийся тем, что наряду с признаками хрупкого разрушения имеет признаки пластической деформации (гребни). Фасетка квазискола имеет менее четкие границы, чем фасетка скола. Разрушение развивается преимущественно от центральной части фасетки к периферии.

а - растровый электронный микроскоп (РЭМ), 3000´               б - РЭМ, 15000´

Черт. 2а, б

а - просвечивающий электронный микроскоп (ПЭМ),            б - РЭМ, 500´

5400´

Стрелкой показано направление разрушения

Черт. 3а, б

Ручьистый узор на поверхности фасеток скола

в - ПЭМ, 2600´                                                           г - РЭМ, 1000´

Черт. 3в, г

а - ПЭМ, 10000´                                                             б - РЭМ, 1000´

Черт. 4а, б

1.3.1.3. Фасетка межзеренная (межсубзеренная) (черт. 5а, б, в) - фасетка в виде многоугольника, образующаяся при разрушении по одной грани зерна (субзерна).

Поверхность межзеренных фасеток может быть гладкой, с ямочным или другим специфическим рельефом.

Межзеренные фасетки

а - ПЭМ, 2700´                                                       б - РЭМ, 1000´

Черт. 5а, б, в

в - межсубзеренные фасетки, РЭМ, 1000´

Черт. 5в

1.3.2. Ямки (черт. 6 а, б) - микроуглубления на поверхности разрушения, представляющие собой вскрытые поверхности микропустот, образующихся в процессе пластического течения металла.

Примечания.

1. Очагом зарождения микропустот могут служить частицы неметаллических включений или вторых фаз, микронесплошности на границах зерен, субзерен и на плоскостях сдвига.

2. Форма (конфигурация) ямок (равноосная, вытянутая, параболическая, цилиндрическая, неправильной формы) определяется напряженным состоянием и формой инициатора образования ямки.

3. Глубина ямок (высота перемычек между ними) есть мера способности материала к пластической деформации.

а - ПЭМ, 2700´                                                       б - РЭМ, 3000´

Черт. 6а, б

1.3.2.1. Ямка волокнисто-полосчатого излома (черт. 7а, б) - микроуглубление на поверхности разрушения, возникшее в результате образования и слияния микропустот около вытянутых структурных неоднородностей: неметаллических включений и ликвационных зон.

Характерны для изломов поперечных образцов из материалов, подвергнутых горячей пластической деформации.

а - ПЭМ, 200´                                                               б - РЭМ, 1000´

Черт. 7а, б

1.3.2.2. Сотовый рельеф (черт. 8) - микрорельеф поверхности разрушения в виде мелких плоских ямок.

Свидетельствует о малой доле локальной пластической деформации при разрушении. Встречается часто при разрушении литых материалов; наблюдается также при разрушении перегретых сталей.

ПЭМ, 10000´

Черт. 8

1.3.3. Гребень (черт. 9а, б) - вытянутый участок, возвышающийся над поверхностью разрушения (на обеих половинах излома), образовавшийся в результате пластической деформации и разрушения перемычек между другими элементами излома.

а - ПЭМ, 9400´                                                            б - РЭМ, 5000´

Черт. 9а, б

1.3.4. Ступенька (черт. 10) - элемент микрорельефа излома прямолинейной или изогнутой формы, образующийся при соединении двух микроповерхностей разрушения, расположенных на разных уровнях; может возникать также в результате скола вдоль границ двойников.

РЭМ, 3000´

Черт. 10

1.3.5. Ручьистый узор (черт. 3а - г) - элемент строения поверхности фасеток скола, представляющий собой систему сходящихся ступенек, образующуюся в плоскости скола в результате разрушения перемычек между хрупкими микротрещинами, распространяющимися по параллельным, близко расположенным кристаллографическим плоскостям.

Направление слияния ступенек скола в ручьистом узоре соответствует направлению распространения трещины.

Частный случай ручьистого узора - веерообразный узор, который возникает, если ступеньки скола сходятся в одной точке в пределах фасетки.

1.3.6. Язычок (черт. 11) - элемент строения поверхности фасетки скола и квазискола треугольной или трапецевидной формы, образующийся в результате локального разрушения вдоль поверхности раздела матрица - двойник.

Язычку, находящемуся на одной половине излома, соответствует углубление на ответной половине излома.

ПЭМ, 5400´

Черт. 11

1.3.7. Усталостные бороздки (черт. 12) - элемент микрорельефа усталостного излома в виде повторяющихся удлиненных впадин и выступов, не пересекающихся между собой и ориентированных перпендикулярно локальному направлению развития трещины на данном микроучастке.

Усталостные бороздки на плато

а - РЭМ, 8000´

Черт. 12а

б - ПЭМ, 10000´

Стрелкой показано направление распространения усталостной трещины.

Черт. 12б

1.3.8. Плато (черт. 12) - плоские участки, вытянутые преимущественно в направлении локального распространения трещины, на которых располагаются усталостные бороздки.

Наличие плато и при отсутствии усталостных бороздок является одним из признаков усталостного разрушения.

1.3.9. Траковые следы (черт. 13) - элемент микрорельефа усталостного излома, образовавшийся в результате соприкосновения противоположных поверхностей разрушения.

Могут быть связаны с влиянием включений, выделений или твердых составляющих.

РЭМ, 1000´

Черт. 13

1.3.10. Зона вытягивания (черт. 14) - сглаженный (нередко бесструктурный) участок микрорельефа, отвечающий зоне страгивания трещины при наличии пластического затупления ее вершины при всех видах нагружения.

В усталостном изломе зона вытягивания - участок поверхности разрушения, ограниченный с одной стороны фронтом усталостной трещины и с другой - микрообразованиями хрупкого (скольного) или вязкого (ямочного) типа.

К микрофрактографическим признакам зоны вытягивания относятся также сдвиговые микрообразования и вытянутые ямки.

ПЭМ, 5000´

Черт. 14

1.4. Механизм разрушения - механизм распространения трещины, оцениваемый на микроуровне.

1.4.1. Скол - механизм хрупкого разрушения, характеризующийся распространением трещины, путем разделения (раскалывания) металла по определенным кристаллографическим плоскостям (внутризеренный скол) или границам зерен (межзеренный скол), а также по границам субструктурных элементов, межфазным границам. При разрушении путем скола образуется микрорельеф, состоящий из фасеток внутризеренного или межзеренного скола (пп. 1.3.1.1, 1.3.1.3) с ручьистым узором и язычками (или без них) и ступенек скола.

1.4.2. Квазискол - механизм внутризеренного квазихрупкого разрушения, характеризующийся распространением трещины преимущественно путем разделения металла по плоскостям, не совпадающим с кристаллографическими плоскостями зерен.

К особенностям рельефа при разрушении путем квазискола относятся фасетки квазискола (п. 1.3.1.2), гребни, ступеньки, язычки.

1.4.3. Слияние микропустот - механизм внутризеренного или межзеренного вязкого разрушения путем разделения металла вследствие слияния микропустот, зарождение и рост которых происходит в процессе пластического течения металла.

Поверхность разрушения имеет ямочный микрорельеф (п. 1.3.2) с разной степенью развития ямок.

1.4.4. Расслоение - механизм разрушения (разделения) металла вследствие образования несплошностей вдоль границ структурных элементов (п. 1.2.8).

1.4.5. Усталостный механизм - механизм разрушения под воздействием циклического нагружения, часто связанный с образованием при продвижении трещины усталостных бороздок (п. 1.3.7) путем микросдвига и микроотрыва.

Усталостное разрушение может также происходить путем образования фасеток межзеренного и внутризеренного разрушения.

1.5. Смешанный излом - поверхность разрушения, представляющая собой сочетание двух или более видов изломов, различающихся по механизму разрушения.

1.6. Внутризеренный излом (черт. 3, 4, 6) - излом, образующийся при разрушении по телу зерна.

1.7. Межзеренный (зернистый) излом (черт. 5) - излом, образующийся при разрушении по границам зерен (межсубзеренный - по границам субзерен).

1.8. Дефект в изломе - дефект строения металла, проявляющийся на поверхности разрушения.

2. КЛАССИФИКАЦИЯ ОСНОВНЫХ ВИДОВ ИЗЛОМОВ

Классификация основных видов изломов, их характерные признаки и особенности строения приведены в пп. 2.1 - 2.6.

2.1. Классификация по макрогеометрии излома

2.1.1. Однородный излом - излом, характеризующийся морфологически единой поверхностью разрушения (без различимых геометрических зон).

Пример: кристаллический и волокнистый изломы.

2.1.2. Неоднородный излом - излом, характеризующийся наличием зон, отличающихся по макрорельефу.

Различные зоны могут соответствовать различным стадиям разрушения. Граница между зонами на макроуровне может быть выделена по изменению цвета и шероховатости излома при переходе от одной зоны к другой.

2.1.2.1. Излом звездочкой (черт. 15) - поверхность разрушения разрывного образца с наклонными площадками в виде радиальных лучей (образуется, в ряде случаев, при разрушении материала с пониженными пластическими свойствами в поперечном направлении).

Черт. 15

2.1.2.2. Чашечный излом (черт. 16) - поверхность разрушения, характеризующаяся наличием центрального участка с шероховатой матовой поверхностью, перпендикулярного направлению растяжения, и наклонных под углом 30° - 60° скосов со сглаженной и блестящей поверхностью.

Формирование такого макрорельефа обусловлено постепенным изменением вида напряженного состояния при продвижении от центра образца к его периферии (переходом от плоской деформации в центре образца к плоскому напряженному состоянию вблизи образующей цилиндра).

Черт. 16

2.1.2.3. Шевронный излом (черт. 17) - поверхность разрушения, характеризующаяся наличием системы ступенек, имеющих гиперболическую конфигурацию и в совокупности образующих рисунок «елочки» или шеврона.

Является признаком малой пластической деформации при разрушении. Образуется при растяжении с изгибом образцов и деталей прямоугольного сечения, труб, а также в зоне нестабильного роста усталостной трещины.

Стрелкой показано направление, в котором происходит разрушение.

Черт. 17

2.2. Классификация по морфологии поверхности разрушения

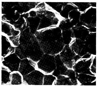
2.2.1. Кристаллический излом (черт. 18) - поверхность разрушения, состоящая из блестящих плоских участков (граней).

Кристаллический излом является признаком хрупкого разрушения; при рассмотрении на микроуровне выявляются фасетки скола (п. 1.3.1.1) и межзеренные фасетки (п. 1.3.1.3).

Расходящиеся рубцы указывают направление разрушения.

Черт. 18

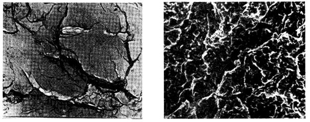
2.2.1.1. Фарфоровидный излом (черт. 19) - сглаженная, с трудно различимой кристалличностью строения поверхность разрушения светло-серого цвета, похожая на поверхность разрушения фарфора.

При рассмотрении на микроуровне выявляются фасетки скола (п. 1.3.1.1) и квазискола (п. 1.3.1.2).

Черт. 19

2.2.1.2. Бархатистый излом (черт. 20) - гладкая, с мелкокристаллическим строением, трудно разрешаемым визуально, поверхность разрушения серого цвета с тусклым металлическим отливом, напоминающим бархат. При рассмотрении на микроуровне в изломе выявляются фасетки скола (п. 1.3.1.1) и квазискола (п. 1.3.1.2).

Примечание. Фарфоровидный и бархатистый изломы встречаются у закаленных инструментальных сталей, высокопрочных низкоотпущенных конструкционных сталей с мелкозернистой структурой в литом и деформированном состояниях.

Участок бархатистого излома (справа), постепенно переходящий в кристаллический излом с более крупным зерном.

Черт. 20

2.2.2. Волокнистый излом (черт. 21) - матовая шероховатая поверхность разрушения, как правило, с признаками пластической деформации (утяжка, расходящиеся рубцы).

Волокнистый излом является признаком вязкого разрушения. При рассмотрении на микроуровне на изломе выявляются ямки, фасетки квазискола (пп. 1.3.1.2, 1.3.2).

Черт. 21

2.2.2.1. Волокнисто-полосчатый излом (черт. 22) - поверхность разрушения, характеризующаяся наличием слоистости.

Слоистость связана, как правило, со структурной неоднородностью деформированного материала. Проявлением структурной неоднородности может быть шиферность в изломе (мелкие расщепления, образовавшиеся в процессе поломки).

2.2.2.2. Волокнисто-чешуйчатый излом (черт. 23) - поверхность разрушения, характеризующаяся наличием гладких участков в виде чешуек.

Подобный излом характерен для разрушения деформированных материалов в направлении толщины листа (перпендикулярно плоскости листа).

Черт. 22

Черт. 23

2.2.3. Дендритный излом (черт. 24) - неоднородная поверхность разрушения, характеризующаяся наличием столбчатых кристаллов с четко выраженным рельефом элементов дендритного строения металла.

Характерен в основном для литых материалов. Разрушение с образованием дендритного излома может носить и вязкий, и хрупкий характер. В первом случае поверхность разрушения выглядит матовой, серого цвета; во втором случае - светлой и блестящей.

2.2.4. Камневидный излом (черт. 25) - однородная поверхность разрушения, характеризующаяся грубозернистым строением; зерна (с металлическим блеском или без него) представляются как бы оплавленными.

Имеет место у перегретых материалов или (при нормальном состоянии) в стали при распространении трещины по границам зерен.

При рассмотрении на микроуровне выявляются фасетки межзеренного разрушения. На поверхности фасеток могут наблюдаться ямки (например, в сталях после закалки и высокого отпуска), глубина и диаметр которых невелики.

2.2.5. Нафталинистый излом (черт. 26) - однородная поверхность разрушения, характеризующаяся наличием крупных, гладких плоских участков (фасеток) с характерным блеском, напоминающим блеск нафталина.

Дендриты распространяются от поверхности отливки на половину ее толщины.

Черт. 24

Черт. 25

Характерен для литых и перегретых деформированных сталей.

Образование нафталинистого излома связано с внутризеренным хрупким разрушением по определенным кристаллографическим плоскостям, например, в пределах бывшего крупного аустенитного зерна. При рассмотрении на микроуровне выявляются преимущественно фасетки квазискола.

Черт. 26

2.3. Классификация по характеру силового воздействия*

* Необходимо принимать во внимание, что нередко разным видам нагружения соответствует одинаковый в основных чертах характер разрушения, то есть похожие внешне изломы.

2.3.1. Изломы кратковременного однократного статического и динамического нагружения

Возникают под действием изменяющейся в основном монотонно нагрузки; при этом продолжительность стадии постоянной нагрузки либо равна нулю, либо весьма мала по сравнению с общей продолжительностью процесса нагружения.

Подобные изломы подразделяются на вязкие (пластичные) и хрупкие, характерные особенности которых изложены в п. 2.2.

2.3.2. Изломы длительного статического нагружения

Возникают под действием изменяющейся в основном монотонно нагрузки; при этом продолжительность стадии неменяющейся нагрузки соизмерима с продолжительностью стадии процесса развития повреждений, приводящих к разрушению.

К характерным особенностям подобных изломов относятся преимущественно межзеренное разрушение, наличие разветвленных и множественных трещин, трудно выявляемый очаг разрушения. Последнее связано с тем, что разрушение начинается почти одновременно из многих центров, поверхность, состоящая из межзеренных фасеток, однородна и рубцы, указывающие направление развития трещины, как правило, отсутствуют.

Различают:

2.3.2.1. Изломы замедленного разрушения

Возникают в результате длительного статического нагружения при:

комнатной температуре и без воздействия коррозионной среды;

напряжениях, меньших условного предела текучести с существенным влиянием на разрушение окружающей среды (например, влажного воздуха);

действии внутренних растягивающих напряжений.

К характерным признакам относится наличие на поверхности разрушения, как правило, двух зон: зоны замедленного разрушения (блестящей, имеющей зернистое строение при межзеренном или кристаллическое строение при внутризеренном разрушении) и зоны долома с кристаллическим и (или) волокнистым строением (в зависимости от материала).

В зоне замедленного разрушения могут наблюдаться тонкие кольцевые линии (макрознаки), ориентированные нормально к направлению распространения трещины и являющиеся следами фронта разрушения. Подобные линии можно принять за усталостные. Для окончательного суждения о природе разрушения необходимо микрофрактографическое исследование.

2.3.2.2. Изломы ползучести

Возникают в результате длительного статического нагружения при различных температурах и при неустановленном влиянии (на разрушение) окружающей среды.

Отличительной чертой данных изломов, имеющих зернистое макростроение, является наличие на поверхности межзеренных фасеток мелкоямочного рельефа и (или) следов сдвиговой деформации (в зависимости от механизма межзеренного разрушения при ползучести).

2.3.2.3. Изломы «коррозионного растрескивания»

Возникают в результате длительного статического нагружения при воздействии коррозионной среды.

Характеризуются многоочаговым характером разрушения, сильной шероховатостью и большим количеством трещин, выходящих на поверхность разрушения. Начальная зона разрушения нередко выглядит матовой, темной, покрытой продуктами коррозии.

2.3.3. Изломы циклического нагружения (усталостные изломы)

Возникают в результате действия нагрузки, периодически и многократно изменяющейся в процессе нагружения и разрушения (в широком диапазоне частот и коэффициентов ассиметрии цикла).

Различают:

2.3.3.1. Многоцикловые усталостные изломы (черт. 1)

Усталостное повреждение или разрушение происходит в основном при упругом деформировании.

Типично усталостный излом характеризуется, как правило, наличием на поверхности разрушения нескольких зон:

зоны с более ровной и блестящей («притертой») поверхностью, которая включает в себя очаг разрушения и зону стабильного развития трещины; зоны долома (п. 1.2.5), как правило, характеризующейся значительной (по сравнению с «притертой» зоной) шероховатостью;

переходной зоны (зоны ускоренного по сравнению с «притертой» зоной развития трещины), которую не всегда удается выделить.

При рассмотрении на микроуровне выявляются усталостные бороздки, плато, траковые следы, межзеренные фасетки, а также все элементы микрорельефа, характерные для разрушения при статическом нагружении.

2.3.3.2. Малоцикловые усталостные изломы

Усталостное повреждение или разрушение происходит при упруго-пластическом деформировании. Для строения излома характерно:

более шероховатая поверхность разрушения, чем для случая по п. 2.3.3.1;

отсутствие четкой границы между зонами;

изменение соотношения размеров зон, перечисленных в п. 2.3.3.1.

В частности, на изломе увеличивается доля рельефа, имеющего признаки статического разрушения.

2.3.3.3. Коррозионно-усталостные изломы

Усталостное повреждение или разрушение происходит при воздействии коррозионной среды.

К особенностям строения излома относятся:

большое количество очагов разрушения;

наличие продуктов коррозии на поверхности разрушения;

большое количество трещин.

При рассмотрении на микроуровне обнаруживаются усталостные бороздки, лежащие на фасетках скола и межзеренных фасетках.

2.3.3.4. Термоусталостные изломы

Образуются под действием переменных напряжений, возникающих при температурных изменениях тела.

Характерные признаки:

не наблюдается зон с резко очерченными границами;

множественность очагов разрушения;

интенсивное окисление поверхности разрушения.

2.4. Классификация по микрорельефу излома

2.4.1. Хрупкий излом

Характерные признаки: фасетки внутризеренного (п. 1.3.1.1) и межзеренного (п. 1.3.1.3) скола, ступеньки скола (п. 1.3.4), ручьистый узор (п. 1.3.5), язычки (п. 1.3.6). При этом ступеньки скола и язычки входят друг в друга на двух ответных половинах излома.

2.4.2. Квазихрупкий излом

Характерные признаки: фасетки квазискола (п. 1.3.1.2), гребни (п. 1.3.3), ступеньки (п. 1.3.4), язычки (п. 1.3.6). Присутствие гребней свидетельствует о наличии некоторой локальной пластической деформации.

2.4.3. Вязкий излом

Характерный признак - ямки (п. 1.3.2). При интенсивной сдвиговой деформации могут образовываться участки с гладкой (бесструктурной) или слегка волнистой поверхностью, аналогичной приведенной на черт. 14.

2.4.4. Усталостный излом

Характерные признаки: усталостные бороздки (п. 1.3.7), плато (п. 1.3.8), траковые следы (п. 1.3.9).

2.5. Классификация по механизму разрушения

2.5.1. Хрупкий излом

Разрушение осуществляется по механизму скола (п. 1.4.1), признаком которого является наличие элементов микрорельефа, указанных в п. 2.4.1.

2.5.2. Квазихрупкий излом

Разрушение осуществляется по механизму квазискола (п. 1.4.2), признаком которого является наличие элементов микрорельефа, указанных в п. 2.4.2.

2.5.3. Вязкий излом

Разрушение осуществляется по механизму слияния микропустот (п. 1.4.3), признаком которого является наличие элементов микрорельефа, указанных в п. 2.4.3.

2.5.4. Усталостный излом

Разрушение происходит при воздействии циклического нагружения, признаком которого является наличие элементов микрорельефа, указанных в п. 2.4.4.

Распространение трещины при циклическом нагружении может происходить также с участием всех других механизмов разрушения.

2.6. Классификация по энергии разрушения

2.6.1. Хрупкий излом

Характеризуется условно малой (в зависимости от материала и вида нагружения) работой разрушения.

2.6.2. Квазихрупкий излом

Характеризуется условно средней (в зависимости от материала и вида нагружения) работой разрушения.

2.6.3. Вязкий излом

Характеризуется условно высокой (в зависимости от материала и вида нагружения) работой разрушения.

Примечания к разд. 2.

1. Характерные признаки разрушения на макро- и микроуровнях могут и не совпадать: например, изломы, имеющие сотовый рельеф, являются вязкими по механизму разрушения, но хрупкими по энергии разрушения. Иногда при наличии значительной макропластической деформации (большая утяжка) излом может быть хрупким по виду микрорельефа и механизму разрушения.

Таким образом, только комплексная оценка излома по всем возможным признакам позволяет всесторонне и достоверно охарактеризовать поведение материала при разрушении.

2. Классификация может быть дополнена по признакам, по которым она проводится, по видам изломов и особенностям разрушения.

ИСПОЛЬЗОВАННАЯ ЛИТЕРАТУРА

Расчеты и испытания на прочность в машиностроении. Классификация видов поверхностей разрушения (изломов) металлов. Рекомендации. - М.: ВНИИНМАШ, 1979.

Расчеты и испытания на прочность. Фрактографическое определение зоны стартового развития трещины и использование ее геометрических размеров для оценки трещиностойкости конструкционных материалов MP 2.25-86. - М.: ВНИИНМАШ, 1986.

Расчеты и испытания на прочность. Метод оценки сопротивления металлических материалов усталостному разрушению по шагу усталостных бороздок MP 189-86. - М.: ВНИИНМАШ, 1986.

Гордеева Т.А., Жегина И.П. Анализ изломов при оценке надежности металлов. - М. Машиностроение, 1978.

Герасимова Л.П., Ежов А.А., Маресев М.И. Изломы конструкционных сталей. Справочник. - М.: Металлургия, 1987.

Гранкова Л.П. Методика структурных исследований. Фрактография. Итоги науки и техники, металловедение и термическая обработка, т. 21, С. 97 - 143. - М.: ВИНИТИ, 1987.

 

ИНФОРМАЦИОННЫЕ ДАННЫЕ

1. РАЗРАБОТАНЫ

Государственным комитетом СССР по стандартам, Министерством путей сообщения СССР, Министерством черной металлургии СССР, Академией наук СССР, Академией наук Украинской ССР

2. ВНЕСЕНЫ Государственным комитетом СССР по стандартам

ИСПОЛНИТЕЛИ

Л.Р. Ботвина, д-р техн. наук; Л.П. Герасимова, канд. техн. наук; Т.А. Гордеева, канд. техн. наук; Л.П. Гранкова, канд. техн. наук; Т.П. Дудкина, канд. техн. наук; В.М. Дусевич, канд. техн. наук; В.А. Ерохина; И.П. Жегина, канд. техн. наук; Е.Н. Жукова, канд. техн. наук; Ю.В. Зима, канд. техн. наук; А.М. Каток; И.И. Клещева, канд. техн. наук; М.С. Куприянова; А.А. Петруненков, канд. физ.-мат. наук; Л.В. Проходцева, канд. техн. наук; О.Н. Романив, чл.-корр. АН УССР; Н.М. Фонштейн, д-р техн. наук, Е.А. Шур, д-р техн. наук.

3. УТВЕРЖДЕНЫ И ВВЕДЕНЫ В ДЕЙСТВИЕ Постановлением Государственного комитета СССР по стандартам от 29.07.88 № 2800

4. Взамен Рекомендаций «Расчеты и испытания на прочность в машиностроении. Классификация видов поверхностей разрушения (изломов) металлов».

 

СОДЕРЖАНИЕ

1. Основные понятия. 1

2. Классификация основных видов изломов. 11

Использованная литература. 20