ОСТ 68-12-97

ФЕДЕРАЛЬНАЯ СЛУЖБА ГЕОДЕЗИИ И КАРТОГРАФИИ
РОССИИ

Центральный ордена «Знак Почета»
научно-исследовательский институт геодезии,
аэросъемки и картографии
им. Ф.Н. Красовского

 

ОТРАСЛЕВОЙ СТАНДАРТ

Приспособления для принудительного
центрирования геодезических приборов.
Типы, основные параметры и технические требования

 

 

 

Москва

ЦНИИГАиК

1997

 

Предисловие

1 РАЗРАБОТАН Центральным ордена «Знак Почета» научно-исследовательским институтом геодезии, аэросъемки и картографии им. Ф.Н. Красовского (ЦНИИГАиК)

Директор института                                    Н.Л. Макаренко

Зав. ОСМОГИ,

руководитель темы,                                     А.И. Спиридонов

Исполнитель                                                В.Д. Крылов

2 ПОДГОТОВЛЕН к утверждению и ВНЕСЕН на утверждение - НТО Роскартографии

Начальник НТО                                           В.Н. Александров

Главный специалист                                   В.Н. Кузнецов

3 УТВЕРЖДЕН и ВВЕДЕН в действие Приказом Роскартографии от 14.11.1997 г. № 112п

4 ВВЕДЕН ВПЕРВЫЕ

 

СОДЕРЖАНИЕ

1 Область применения. 2

2 Нормативные ссылки. 2

3 Типы. Основные параметры и размеры.. 2

4 Технические требования. 3

5 Правила эксплуатации. 4

Приложение А. Приспособление для центрирования ПЦ-260. 5

Приложение Б. Приспособление для центрирования ПЦ-200/1. 8

Приложение В. Приспособление для центрирования ПЦ-200/2. 9

Приложение Г. Преимущественные области применения приспособлений для центрирования геодезических приборов. 10

ОСТ 68-12-97

ОТРАСЛЕВОЙ СТАНДАРТ

Приспособления для принудительного центрирования геодезических приборов.

Типы, основные параметры и технические требования

Дата введения 1.07.1998 г.

1 Область применения

Настоящий стандарт распространяется на приспособления для принудительного центрирования геодезических приборов в рабочем положении и определяет их основные параметры и требования к ним.

2 Нормативные ссылки

В настоящем стандарте использованы ссылки на следующие нормативные документы:

ГОСТ 1050-88 Прокат сортовой, калиброванный, со специальной отделкой поверхности из углеродистой качественной конструкционной стали. Общие технические условия.

ГОСТ 2060-90 Прутки латунные. Технические условия.

ГОСТ 2789-73 Шероховатость поверхности. Параметры, характеристики и обозначения.

ГОСТ 9.301-86 ЕСЗКС Покрытия металлические и неметаллические неорганические. Общие требования.

ГОСТ 9.303-84 ЕСЗКС Покрытия металлические и неметаллические неорганические. Общие требования к выбору.

ГОСТ 9.014-78 Временная противокоррозийная защита изделий. Общие требования.

ГОСТ 8724-81 Резьба метрическая. Диаметры и шаги.

ИСО 263-73 Резьба дюймовая ИСО для винтов, болтов и гаек (диаметры от 0,06 до 6 дюймов).

ГКИНП 07-016-91 Правила закладки центров и реперов на пунктах геодезической и нивелирной сети СССР

РТМ 68-8.20-93 Полигоны геодезические. Общие технические требования (с измен. № 1).

3 Типы. Основные параметры и размеры

3.1 Устанавливается три типа приспособлений для принудительного центрирования геодезических приборов:

1) с диаметром столика 260 мм и центрировочным элементом в виде втулки (ПЦ-260);

2) с диаметром столика 200 мм и центрировочным элементом в виде станового винта, соединенного со столиком с помощью фланца (ПЦ-200/1);

3) с диаметром столика 200 мм и центрировочным элементом в виде станового винта, соединенного со столиком с помощью резьбы (ПЦ-200/2).

Допускается изготовление квадратных столиков со стороной квадрата, равной указанному диаметру окружности круглого столика.

3.2 Основные параметры и размеры должны соответствовать указанным в таблице 1 и на чертежах (приложения А, Б, В).

Таблица 1.

Основные параметры и размеры

Нормы по типам

ПЦ-260

ПЦ-200/1

ПЦ-200/2

Диаметр столика, мм

260

200

200

Толщина столика, мм

20

20

20

Центрирующий элемент

втулка и вкладыш с целиком или становым винтом

двухсторонний фланцевый становой винт

два раздельных становых винта

Тип крепления к столику

постоян.

съемное фланцевое

съемное резьбовое

Допустимая погрешность центрирования, мм

0,04

0,2

0,2

Масса, кг

10,5

7

7

3.3 Приспособление для принудительного центрирования должно быть конструктивной составной частью центра пункта геодезической сети.

3.4 Преимущественные области применения приспособления для принудительного центрирования геодезических приборов указаны в справочном приложении Г.

3.5 Пример условного обозначения приспособления для принудительного центрирования с номинальным радиусом столика r = 260 мм:

ПЦ-260 ОСТ 68-12-97

4 Технические требования

4.1 Приспособления для принудительного центрирования геодезических приборов должны изготовляться в соответствии с требованиями настоящего стандарта по рабочим чертежам, утвержденным в установленном порядке.

4.2 Отдельные детали приспособлений для центрирования - столик, втулка, вкладыши для целика и станового винта должны изготовляться из стали марки 45 ГОСТ 1050 (Приложения А, Б, В). Целик и становой винт должны изготовляться из латуни по ГОСТ 2060.

4.3 Твердость материала со стороны рабочих поверхностей А (рис. А.2; А.3; А.4) втулки, вкладышей целика и станового винта должна быть HRC 40... 50;

шероховатость рабочих поверхностей втулки, вкладышей целика и станового винта должна соответствовать параметру Ra 0,025 по ГОСТ 2789.

4.4 Допуск на разность диаметров рабочих поверхностей А втулки и вкладышей целика и станового винта должен быть не более 0,04 мм.

4.5 Верхний торец целика и станового винта должен оканчиваться сферой радиусом 13 мм ± 0,5 мм.

На сферической поверхности должно гравироваться перекрестие со штрихами длиной 10 ± 0,3 мм, шириной штриха не более 0,2 мм.

4.6 Биение перекрестия относительно оси цилиндрической поверхности вкладыша диаметром 25,4 мм и средних диаметров резьбы становых винтов должно быть не более 0,03 мм.

4.7 Шаг резьбы для закрепления целика и оси станового винта во вкладыше должен быть 0,75 мм.

4.8 Становые винты должны быть изготовлены двух типов: с метрической резьбой M16×1,5 и дюймовой резьбой 5/8" в соответствии со стандартом ИСО 263.

Для закрепления геодезических приборов количество витков должно быть не менее четырех.

4.9 Становой винт центрировочного приспособления ПЦ-200/1 двухсторонний. Допуск на разность диаметров между цилиндрической поверхностью фланца станового винта и отверстием столика должен быть не более 0,05 мм. Приложение Б, рисунки Б.1, Б.2.

4.10 Для центрировочного приспособления ПЦ-200/2 отверстие в столике для закрепления становых винтов должно иметь резьбу M16×1,5.

4.11 Становые винты для ПЦ-200/2 должны быть изготовлены с метрической резьбой M16×1,5 и с резьбой двух видов - метрической M16×1,5 и дюймовой 5/8" на одной цилиндрической поверхности.

4.12 Противокоррозийная защита поверхностей столиков, втулок и вкладышей (кроме поверхности А, приложение А, рисунки А.2, А.3, А.4), целиков и становых винтов обеспечивается хромированием в соответствии с ГОСТ 9.301 и ГОСТ 9.303.

4.13 Для предохранения от механических повреждений и климатического влияния закладной элемент - столик должен быть закрыт металлической крышкой.

4.14 Приспособления для принудительного центрирования должны сохранять работоспособность в диапазоне температур от минус 10 до +50 °С.

4.15 Срок службы приспособлений для принудительного центрирования геодезических приборов должен быть не менее 10 лет при условии проведения ежегодных профилактических мероприятий.

5 Правила эксплуатации

5.1 Закладная деталь - столик приспособления для принудительного центрирования геодезических приборов в рабочем положении закрепляется в верхнем торце центра пункта.

5.2 Горизонтальность столика при сооружении пункта обеспечивается с помощью брускового уровня с ценой деления 10" или квадранта КО-10.

5.3 Целики и становые винты в нерабочее время должны храниться в подразделении, отвечающем за сохранность и эксплуатацию пунктов.

5.4 Все части приспособлений для принудительного центрирования должны быть подвергнуты консервации по ГОСТ 9.014 с заменой консерванта по истечении года.

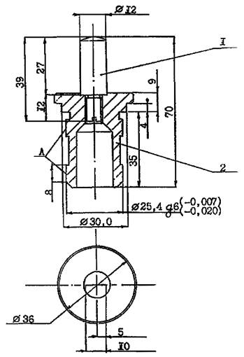
Приложение А

Приспособление для центрирования ПЦ-260

1 - столик; 2 - втулка; 3 - крышка столика (на виде сверху крышка снята); 4 - деталь крепления крышки; 5 - деталь крепления столика; 6 - предохранительный кожух втулки.

Рисунок А.1

Примечание: Чертежи не определяют конструкцию, а служат для указания основных размеров.

Втулка

Рисунок А.2

Целик

1 - целик; 2 - вкладыш.

Рисунок А.3

Становой винт

1 - ось станового винта; 2 - вкладыш.

Рисунок А.4

Ось станового винта

Рисунок А.5

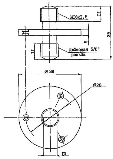
Приложение Б

Приспособление для центрирования ПЦ-200/1

1 - столик; 2 - крышка (на виде сверху крышка снята); 3 - деталь крепления столика.

Рисунок Б.1

Двухсторонний фланцевый становой винт

Рисунок Б.2

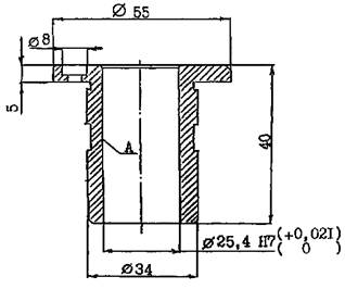
Приложение В

Приспособление для центрирования ПЦ-200/2

1 - столик; 2 - крышка (на виде сверху крышка снята); 3 - деталь крепления столика; 4 - заглушка.

Рисунок В.1

Становые винты

1 - отверстия для воротка.

Рисунок В.2

Приложение Г

(справочное)

Преимущественные области применения приспособлений для центрирования геодезических приборов

Типы

Область применения

ПЦ-260

Пункты образцовых базисов 1-го и 2-го разрядов

ПЦ-200/1

ПЦ-200/2

Пункты микротриангуляции геодинамических и геодезических полигонов и пункты геодезических сетей, предназначенных для решения прикладных задач