ЗАКРЫТОЕ АКЦИОНЕРНОЕ ОБЩЕСТВО
«РОСКОММУНЭНЕРГО»
МЕТОДИЧЕСКИЕ РЕКОМЕНДАЦИИ
ПО ОПТИМИЗАЦИИ ГИДРАВЛИЧЕСКИХ И
ТЕМПЕРАТУРНЫХ
РЕЖИМОВ ФУНКЦИОНИРОВАНИЯ
ОТКРЫТЫХ СИСТЕМ КОММУНАЛЬНОГО
ТЕПЛОСНАБЖЕНИЯ
Москва 2005
РАЗРАБОТАНЫ
Закрытым акционерным обществом «Роскоммунэнерго» (Бытенский О.М., Скольник Г.М.)
СОГЛАСОВАНЫ
Госстроем России (10.03.2004 № СК-1638/12)
Департаментом государственного энергетического надзора
Минэнерго России (22.12.2003 № 32-10-11/1801)
ОДОБРЕНЫ
Секцией «Коммунальная энергетика» Научно-технического совета Госстроя России (протокол от 04.12.2003 № 01-НС-12/5)
Посвящается памяти
Эдуарда Бенцовича Хижа
Методические рекомендации по оптимизации гидравлических и температурных режимов функционирования открытых систем коммунального теплоснабжения
Методические рекомендации по оптимизации гидравлических и температурных режимов функционирования открытых систем коммунального теплоснабжения разработаны с использованием результатов работ, выполненных ЗАО «Роскоммунэнерго» на протяжении ряда лет, изучения опыта эксплуатации таких систем коммунальными теплоснабжающими организациями.
Методические рекомендации предназначены для использования в практической работе коммунальными теплоснабжающими организациями. Их применение позволяет оптимизировать режимы функционирования тепловых сетей открытых систем коммунального теплоснабжения и систем теплоснабжения в целом, повысить эффективность их функционирования и получить экономический эффект осуществления оптимальных режимов, складывающийся из ликвидации перерасхода топлива, а также сведения к минимуму слива воды, остывшей в местных системах горячего водоснабжения.
Применением Методических рекомендаций обеспечивается единый подход к разработке и внедрению оптимальных режимов функционирования указанных систем.
При разработке Методических рекомендаций учтены предложения ряда специализированных организаций (ООО «Политерм», ОАО «Фирма ОРГРЭС», ЗАО «Вектор», Научно-внедренческая фирма «Интехэнерго М»), давших работе в целом положительную оценку.
Методические рекомендации разработаны по инициативе и при участии Заслуженного энергетика Российской Федерации Э.Б. Хижа, работавшего генеральным директором ЗАО «Роскоммунэнерго».
СОДЕРЖАНИЕ
В Российской Федерации широко распространены открытые системы теплоснабжения, в которых горячее водоснабжение осуществляется водоразбором непосредственно из трубопроводов тепловых сетей. Такие системы теплоснабжения функционируют во многих городах страны: Санкт-Петербурге, Екатеринбурге, Астрахани, Йошкар-Оле, Тольятти и многих других (примерно 50 % систем теплоснабжения - открытые системы).
В соответствии с требованиями СНиП 2.04.01-85* «Внутренний водопровод и канализация зданий» [1] и СП 41-101-95 «Проектирование тепловых пунктов» [2] местные системы горячего водоснабжения практически всех зданий, для обеспечения в любое время суток необходимой температуры горячей воды у водоразборных приборов, должны быть оснащены циркуляционными стояками и трубопроводами, т.е. циркуляционными контурами. Кроме того, за счет включения полотенцесушителей в циркуляционные контуры, обеспечивается отопление ванных комнат.
Практика показала неудовлетворительное функционирование открытых систем теплоснабжения с циркуляционными контурами в местных системах горячего водоснабжения: при относительно высокой температуре наружного воздуха в отопительном периоде отапливаемые здания недогреваются, при низкой температуре - перегреваются при полном прекращении циркуляции в системах горячего водоснабжения.
Неудовлетворительное функционирование тепловых сетей и систем отопления привело к тому, что в большинстве открытых систем теплоснабжения циркуляционные контуры в местных системах горячего водоснабжения были ликвидированы. Это повлекло за собой значительные потери тепловой энергии и теплоносителя (сетевой воды) из-за слива остывшей воды через водоразборные приборы.
Неумение эксплуатировать открытые системы теплоснабжения в некоторых городах заставило даже преобразовывать эти системы в закрытые путем установки теплообменников для горячего водоснабжения в подвалах зданий. Это привело к прекращению функционирования циркуляционных контуров (из-за отсутствия специальных циркуляционных насосов) и увеличению затрат водопроводной воды в среднем в 1,5 раза - также вследствие слива потребителями остывшей воды. Превращение открытых систем в закрытые привело также к недоиспользованию оборудования установок химводоочистки (ХВО), деаэрации, баков-аккумуляторов, установленных на источниках теплоснабжения. Снизились долговечность и чистота местных систем горячего водоснабжения, т.к. водопроводная вода, агрессивная к металлу труб, не проходит той обработки, которой она подвергалась бы в установках ХВО на источниках теплоснабжения. Кроме того, сеть холодного водопровода, не рассчитанная на расход воды горячего водоснабжения, нагружается этим расходом, что приводит к падению давления воды во внутридомовых системах холодного водоснабжения.
При источниках теплоснабжения ТЭЦ (теплофикационные системы) потеряно термодинамическое преимущество открытых систем теплоснабжения перед закрытыми - возможность использования для горячего водоснабжения отработавшего пара турбин, охлаждаемого теперь в конденсаторах циркуляционной водой, теплота которой просто выбрасывается через градирни в атмосферу.
Разработка гидравлических режимов функционирования тепловых сетей открытых систем теплоснабжения, в соответствии со СНиП 2.04.07-86* «Тепловые сети» [3], должна быть основана на гидравлическом расчете тепловых сетей с учетом средней часовой нагрузки горячего водоснабжения, в зависимости от теплового потока в системе теплоснабжения (ее тепловой мощности), а также, для отдельных потребителей тепловой энергии, отношения их максимальной часовой тепловой нагрузки горячего водоснабжения и расчетной часовой тепловой нагрузки отопления. Расход теплоносителя, имеющий место в трубопроводах тепловой сети при функционировании циркуляционных контуров в местных системах горячего водоснабжения, не учитывается.
Этот способ определения расчетной часовой нагрузки может быть применен для выбора диаметров трубопроводов тепловых сетей при их проектировании, но не соответствует реальным эксплуатационным режимам, возникающим в тепловых сетях под влиянием водоразбора и функционирования циркуляционных контуров в местных системах горячего водоснабжения.
В силу изложенного выше, целью настоящей работы является составление методических рекомендаций для оптимизации гидравлических и температурных режимов функционирования тепловых сетей открытых систем коммунального теплоснабжения с циркуляционными контурами в местных системах горячего водоснабжения путем разработки и осуществления рациональных режимов функционирования тепловых сетей с применением соответствующих этим режимам температурных графиков центрального регулирования отпуска тепловой энергии.
Методические рекомендации разработаны в качестве практического пособия для коммунальных теплоэнергетических предприятий, эксплуатирующих открытые системы теплоснабжения, а также специалистов, занимающихся оптимизацией эксплуатационных режимов тепловых сетей систем централизованного теплоснабжения, и должны заменить «Рекомендации по повышению эффективности работы открытых систем централизованного теплоснабжения», утвержденные в 1977 г. Минжилкомхозом РСФСР.
В Методических рекомендациях применены следующие основные понятия и условные обозначения:
· система коммунального теплоснабжения - совокупность объединенных общим производственным процессом источников теплоснабжения и тепловых сетей населенного пункта, эксплуатируемых теплоэнергетической организацией жилищно-коммунального комплекса;
· расчетная часовая тепловая нагрузка потребителя тепловой энергии - сумма значений часового теплового потока по видам теплового потребления (отопление, приточная вентиляция, горячее водоснабжение), определенных при расчетных значениях температуры наружного воздуха для проектирования каждого из видов теплового потребления, и среднего часового за неделю значения теплового потока на горячее водоснабжение;
· расчетный часовой расход теплоносителя на отопление (приточную вентиляцию) - значение часового расхода теплоносителя на отопление (приточную вентиляцию) при значении температуры наружного воздуха для проектирования, расчетном для проектирования отопления (приточной вентиляции);
· расчетный часовой расход теплоносителя на горячее водоснабжение - значение часового расхода теплоносителя на горячее водоснабжение, соответствующее среднему за неделю значению часового теплового потока на горячее водоснабжение при значении температуры наружного воздуха, соответствующем точке излома температурного графика регулирования тепловой нагрузки;
· циркуляционный расход теплоносителя - расход горячей воды, циркулирующей в местных системах горячего водоснабжения;
· средняя часовая за неделю тепловая нагрузка горячего водоснабжения - часть тепловой энергии, используемой на горячее водоснабжение за неделю, соответствующая 1/7Т, где Т - продолжительность функционирования систем горячего водоснабжения в неделю, ч;
· средняя часовая за неделю массовая (весовая) нагрузка горячего водоснабжения (средненедельный водоразбор) - 168-я часть количества теплоносителя (сетевой воды), используемого за неделю на горячее водоснабжение водоразбором непосредственно из трубопроводов тепловой сети (непосредственный водоразбор);
· местный (индивидуальный) тепловой пункт МТП (ИТП) - узел присоединения к трубопроводам тепловой сети местных систем теплопотребления (отопления, приточной вентиляции, горячего водоснабжения) отдельного здания или его части; в МТП (ИТП) осуществляется преобразование вида теплоносителя или его параметров, регулирование расхода теплоносителя и распределение его между системами теплопотребления, отключение (подключение) местных систем теплопотребления, заполнение и подпитка местных систем теплопотребления, учет теплового потока и теплоносителя, защита местных систем от аварийного повышения параметров теплоносителя;
· Центральный (групповой) тепловой пункт ЦТП (ГТП) - узел присоединения систем теплопотребления двух или более зданий, где осуществляются функции, не предусмотренные в МТП (ИТП);
· k - коэффициент теплопередачи нагревательного прибора, ккал/м2ч°С;
· F - площадь поверхности теплообмена нагревательного прибора, м2;
· Dt - разность средней температуры нагревательного прибора и воздуха внутри отапливаемых зданий (температурный напор), °С;
· n - продолжительность функционирования нагревательного прибора, ч;
· t1п и t2п - температура теплоносителя на входе и выходе нагревательного прибора, °С;
· tj - температура нагреваемого воздуха, °С;
· G - расход теплоносителя, кг/ч;
· с - теплоемкость теплоносителя (воды), ккал/кг°С; при расчетах с достаточной степенью точности принимается с = 1 ккал/кг°С;
· q - относительная теплоотдача нагревательного прибора, т.е. отношение теплоотдачи, необходимой при произвольно выбранном режиме функционирования, к расчетной теплоотдаче при расчетном значении температуры наружного воздуха для проектирования отопления;
· tm.u - средняя температура нагревательного прибора, °С;
· tm.u.o - то же, при расчетном значении температуры наружного воздуха для проектирования отопления, °С;
· m - изменяющаяся часть показателя степени, определяемая при испытаниях нагревательных приборов;
· t и to - промежуточное и расчетное для проектирования отопления значения температуры наружного воздуха, °С;
· t1 и t2 - температура теплоносителя в подающем и обратном трубопроводах тепловой сети, °С;
· t3 - температура теплоносителя после элеватора, перед системой отопления, °С;
· t1o, t2o и t3o - то же, при расчетном значении температуры наружного воздуха для проектирования отопления, °С;
· th - температура воды, поступающей на горячее водоснабжение, °С; принимается th = 60 °С;
· c - относительный тепловой поток на отопление, т.е. отношение фактического теплового потока на отопление и теплового потока, необходимого при произвольно выбранном значении q (или t) для поддержания в отапливаемых зданиях нормативного значения температуры воздуха tj;
· yopt - оптимальный относительный расход теплоносителя в системе отопления, т.е. отношение требуемого расхода теплоносителя в произвольно выбранном режиме функционирования системы к расходу теплоносителя при расчетном значении температуры наружного воздуха для проектирования отопления;
· уf - фактический относительный расход теплоносителя на отопление, т.е. отношение фактического расхода теплоносителя на отопление и расхода теплоносителя на отопление, необходимого при расчетном значении температуры наружного воздуха для проектирования отопления;
· n - относительный расход теплоносителя на горячее водоснабжение, т.е. отношение среднего часового расхода теплоносителя на горячее водоснабжение и расхода теплоносителя на отопление, необходимого при расчетном значении температуры наружного воздуха для проектирования отопления;
· j - относительный циркуляционный расход теплоносителя, т.е. отношение расчетного циркуляционного расхода теплоносителя и расхода теплоносителя на отопление, необходимого при расчетном значении температуры наружного воздуха для проектирования отопления;
· w1 - показатель гидравлической устойчивости подающего трубопровода тепловой сети, т.е. отношение потерь напора в нем, включая потери напора в коммуникациях источника теплоснабжения, и напора, развиваемого сетевыми насосами;
· e - показатель гидравлической устойчивости системы теплопотребления, т.е. отношение потерь напора в ней и напора, развиваемого сетевыми насосами;
· w2 - показатель гидравлической устойчивости обратного трубопровода тепловой сети, т.е. отношение потерь напора в нем и напора, развиваемого сетевыми насосами;
· a - отношение средней часовой тепловой нагрузки горячего водоснабжения и отопления;
· Qomax - расчетный часовой тепловой поток на отопление при расчетном значении температуры наружного воздуха для проектирования отопления, Гкал/ч;
· Qvmax - расчетный часовой тепловой поток на приточную вентиляцию при расчетном значении температуры наружного воздуха для проектирования вентиляции, Гкал/ч;
· Qhm - средний часовой тепловой поток на горячее водоснабжение, Гкал/ч;
· Qhmax - максимальный часовой тепловой поток на горячее водоснабжение, Гкал/ч;
· tcw - температура воды в холодном водопроводе в отопительный период, °С; принимается при отсутствии достоверных сведений tcw = 5 °С;
· Dtcirc - расчетный перепад температуры воды в циркуляционном контуре местной системы горячего водоснабжения, °С; принимается Dtcirc = 10 °С;
· kh - коэффициент часовой неравномерности потребления горячей воды;
· G1, Go и G2 - расход теплоносителя в подающем трубопроводе тепловой сети, системе отопления потребителя и обратном трубопроводе тепловой сети, т/ч;
· G1o, Gomax и G2o - те же величины, при расчетном режиме функционирования систем отопления, т/ч;
· Gh и Gcirc - расход теплоносителя на горячее водоснабжение и циркуляционный расход теплоносителя, т/ч;
· Ghm - средний часовой расход теплоносителя на горячее водоснабжение, т/ч;
· Gomax и Gvmax - расчетные значения расхода теплоносителя на отопление и приточную вентиляцию при условиях, расчетных для проектирования этих видов теплового потребления, т/ч;
· Gf и Gopt - фактический и оптимальный расход теплоносителя на отопление, т/ч;
· Gd1 и Gd2 - расчетный суммарный расход теплоносителя в подающем и обратном трубопроводах тепловой сети, т/ч;
· r - доля водоразбора из подающего трубопровода тепловой сети;
· Нс - значение напора, гасимого соплом, м;
· Нo - расчетное значение потерь напора в системе отопления при расчетном значении расхода теплоносителя в системе, м;
· Нp - значение располагаемого напора на МТП (со стороны тепловой сети), м;
· Нп - значение напора, дросселируемого дроссельной диафрагмой на обратном трубопроводе МТП (подпор), м.
Значения величин с индексом «¢» относятся к условиям точки излома температурного графика центрального регулирования отпуска тепловой энергии.
Значения температуры теплоносителя с индексом «с» относятся к скорректированному графику центрального регулирования отпуска тепловой энергии.
Качество функционирования водяных систем центрального отопления, кроме их конструкции и качества монтажа, во многом зависит от применяемого метода регулирования теплоотдачи нагревательных приборов этих систем.
В зависимости от места осуществления регулирование может осуществляться непосредственно у нагревательных приборов - индивидуальное, в местном тепловом пункте (МТП или ИТП) - местное, регулирование отопления группы отапливаемых зданий в центральном (групповом) тепловом пункте (ЦТП, ГТП) - групповое, в источнике теплоснабжения (котельная или ТЭЦ) - центральное.
Различные факторы, по-разному влияющие на тепловую потребность отапливаемых зданий и отдельных помещений (бытовые и промышленные тепловыделения, различная тепловая инерционность зданий, инсоляция, инфильтрация), не могут быть учтены при центральном регулировании отпуска тепловой энергии. Поэтому для обеспечения отопления высокого качества целесообразно сочетание всех видов регулирования, т.е. комбинированное регулирование отопления. Однако основным видом регулирования в настоящее время является центральное регулирование отпуска тепловой энергии по превалирующему виду тепловой нагрузки - отоплению, поскольку позволяет обходиться минимальным количеством простых автоматических регуляторов, применяемых преимущественно для поддержания на нормативном уровне температуры воды в системах горячего водоснабжения.
Регулирование отпуска тепловой энергии в источниках теплоснабжения производится, как правило, принимая во внимание лишь один метеорологический фактор - температуру наружного воздуха; при этом считается, что этот фактор является общим для всех отапливаемых зданий рассматриваемой системы теплоснабжения.
Выявление закона функционирования системы отопления целесообразно начать с описания функционирования ее нагревательных приборов.
Теплоотдача нагревательных приборов отопительных систем, ккал, в общем случае может быть описана уравнением [4]:
Разность средней температуры нагревательного прибора и воздуха (или средний температурный напор) для нагревательных приборов конвективно-излучающего действия, наиболее распространенных в современных отопительных системах, может быть представлена как разность средней температуры теплоносителя в нагревательном приборе и температуры нагреваемого воздуха:
(1.2)
С другой стороны, теплоотдачу нагревательных приборов можно выразить следующим уравнением:
Совместным решением уравнений (1.1) - (1.3) получаем:
Полученное уравнение (1.4) показывает, что теплоотдачу нагревательных приборов водяных систем отопления можно регулировать путем изменения следующих величин:
· температуры и расхода теплоносителя в нагревательных приборах;
· продолжительности функционирования нагревательных приборов;
· коэффициента теплопередачи нагревательных приборов;
· площади поверхности теплообмена нагревательных приборов.
Только две из перечисленных величин дают возможность центрального регулирования - температура и расход теплоносителя в нагревательных приборах.
Поэтому центральное регулирование отопления может быть осуществлено тремя способами:
1) изменением температуры теплоносителя в подающем трубопроводе тепловой сети при неизменяемом его расходе - качественный способ центрального регулирования;
2) изменением расхода теплоносителя в подающем трубопроводе тепловой сети при постоянной его температуре - количественный способ центрального регулирования;
3) изменением, как температуры, так и расхода теплоносителя в подающем трубопроводе тепловой сети - качественно-количественный способ центрального регулирования.
Оптимальным является такой способ центрального регулирования, применение которого позволяет изменять теплоотдачу нагревательных приборов отопительных систем в одинаковой степени, пропорционально тепловой потребности отапливаемых зданий и свести к минимуму их перегревы и недогревы.
Свойство отопительных систем в одинаковой степени изменять теплоотдачу нагревательных приборов называется тепловой устойчивостью.
Необходимым условием тепловой устойчивости системы отопления является изменение расхода теплоносителя во всех ее нагревательных приборах, так же в одинаковой степени [5 и 6]. Последнее возможно только в гидравлически устойчивой системе, обладающей свойством изменять расход теплоносителя во всех нагревательных приборах в одинаковой степени, пропорционально изменению суммарного расхода теплоносителя в системе.
Таким образом, закон центрального регулирования, построенный с учетом конструкции отопительных систем и обеспечивающий их тепловую и гидравлическую устойчивость в течение всего отопительного периода, является оптимальным для этих систем. В силу того, что подавляющее большинство отопительных систем современных многоэтажных зданий массовой застройки представляют собой однотрубные системы, будет рассмотрен закон центрального регулирования однотрубных систем отопления.
Первым исходным уравнением для выведения закона оптимального центрального регулирования отопления является уравнение, предложенное проф. А.А. Краузом [7]:
(1.5)
Относительная теплоотдача нагревательных приборов отопительной системы должна быть равна относительной тепловой потребности отапливаемого здания, которая определяется аналогично определению относительной теплоотдачи нагревательных приборов. При центральном регулировании по температуре наружного воздуха относительную тепловую потребность отапливаемых зданий можно представить:
Среднюю температуру теплоносителя в отопительном приборе можно выразить из уравнения (1.5):
tm.u = tj + (tm.u.o - tj)q1/1+m. (1.7)
Рассмотрение формулы (1.7) позволяет сделать вывод, что требуемая температура теплоносителя в нагревательном приборе зависит от значения m в показателе степени. Для нагревательных приборов конвективно-излучающего действия, наиболее применяемых в отопительных системах, значение m составляет 0,25 [4]. Следовательно, средняя температура нагревательного прибора, в зависимости от относительной тепловой потребности здания, определяется уравнением:
tm.u = tj + (tm.u.o - tj)q0,8. (1.7a)
В однотрубной системе отопления средние значения температуры различных нагревательных приборов различны и не характеризуют режим функционирования системы отопления в целом.
В теплоустойчивой системе отопления теплоотдача всех ее нагревательных приборов изменяется в одинаковой степени при изменении режима функционирования системы, средняя температура нагревательных приборов, присоединенных последовательно к одному стояку, может быть выражена уравнением вида (1.7а). А т.к. падение температуры теплоносителя в стояке пропорционально теплоотдаче присоединенных к нему нагревательных приборов, проделав некоторые преобразования, получим:
t3 = tj + (t3о - tj)q0,8; (1.8)
t2 = tj + (t2о - tj)q0,8. (1.9)
Вторым исходным уравнением для выведения закона оптимального центрального регулирования отопления является уравнение теплового баланса отопительной системы:
откуда
Подставив в формулу (1.11) значения t1 и t2 из формул (1.8) и (1.9), получим:
Таким образом, при оптимальном для однотрубных систем отопления графике центрального регулирования определенному значению относительного расхода теплоносителя yopt соответствует определенное значение его температуры. Иными словами, оптимальный график центрального регулирования однотрубных систем отопления является графиком качественно-количественного регулирования.
Снижение расхода теплоносителя в системе отопления при уменьшении тепловой потребности здания обусловлено переменным значением коэффициента теплопередачи нагревательных приборов, зависящего от их температурного напора.
При подключении систем отопления к трубопроводам тепловой сети при помощи элеваторов с постоянным значением коэффициента и подмешивания, значения температуры теплоносителя в подающем трубопроводе тепловой сети перед элеваторами, после них, а также после систем отопления (в обратном трубопроводе тепловой сети) определяются формулами, аналогичными формулам (1.8) и (1.9):
t1 = tj + (t1о - tj)q0,8; (1.13)
t2 = tj + (t2о - tj)q0,8; (1.14)
t3 = tj + (t3о - tj)q0,8. (1.15)
Значения оптимального относительного расхода теплоносителя, а также температуры теплоносителя в подающем, обратном трубопроводах тепловой сети и после элеваторов систем отопления, в зависимости от тепловой потребности как функции температуры наружного воздуха приведены в нижеследующей таблице:
|
0 |
0,05 |
0,1 |
0,2 |
0,3 |
0,4 |
0,5 |
0,6 |
0,7 |
0,8 |
0,9 |
1,0 |
|
|
yopt |
0 |
0,55 |
0,63 |
0,72 |
0,79 |
0,83 |
0,87 |
0,9 |
0,93 |
0,96 |
0,98 |
1,0 |
|
t1 |
18 |
30 |
38,9 |
54,4 |
68,4 |
81,5 |
93,8 |
105,7 |
117,2 |
128,4 |
139,3 |
150 |
|
t2 |
18 |
22,7 |
26,2 |
32,4 |
37,9 |
43 |
47,8 |
52,6 |
57,1 |
61,5 |
65,8 |
70 |
|
t3 |
18 |
25 |
30,2 |
39,3 |
47,4 |
55 |
62,2 |
69,2 |
75,9 |
82,4 |
88,8 |
95 |
При расчете оптимального графика центрального регулирования отопления приняты следующие расчетные значения величин:
· температура воздуха в отапливаемых зданиях tj = 18 °С;
· температура теплоносителя в подающем трубопроводе тепловой сети t1о = 150 °С;
· температура теплоносителя в обратном трубопроводе тепловой сети t2о = 70 °С;
· температура теплоносителя после элеваторов t3о = 95 °С.
Оптимальный график центрального регулирования отопления приведен в приложении 4 (Рис. 2).
В тепловой сети открытой системы теплоснабжения расход теплоносителя и располагаемый напор на выводах источника теплоснабжения, а также на местных тепловых пунктах, зависят от многих факторов: отношения тепловой нагрузки горячего водоснабжения и общей тепловой нагрузки системы теплоснабжения, места водоразбора или отношения водоразбора из подающего и обратного трубопроводов тепловой сети.
На гидравлический режим функционирования тепловой сети открытой системы теплоснабжения с циркуляционными контурами в местных системах горячего водоснабжения, кроме упомянутых выше факторов, влияет функционирование этих контуров, т.к. расход теплоносителя увеличивается за счет расхода горячей воды, циркулирующей в местных системах горячего водоснабжения.
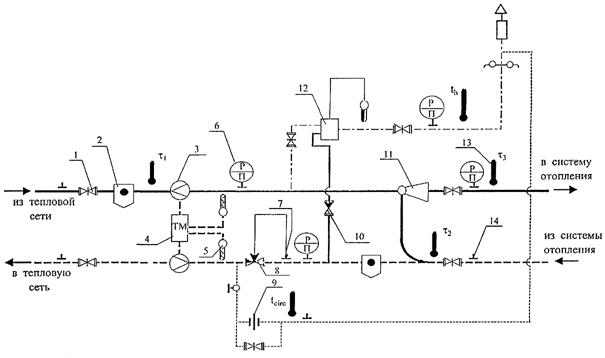
Однако циркуляционный расход теплоносителя в тепловой сети возникает не на всем диапазоне изменения значений температуры наружного воздуха. Для понимания этого рассмотрим функционирование местного теплового пункта с циркуляционным контуром в системе горячего водоснабжения (приложение 3, Рис. 1 - принципиальная схема МТП).
Система горячего водоснабжения присоединена к трубопроводам тепловой сети по зависимой схеме: вода на горячее водоснабжение поступает непосредственно из трубопроводов тепловой сети через смесительное устройство, которое поддерживает заданную температуру горячей воды (60 - 65 °С).
В связи с тем, что для горячего водоснабжения используется непосредственно теплоноситель, т.е. сетевая вода, циркуляция ее в местной системе горячего водоснабжения может происходить без побуждения специальными циркуляционными насосами, только за счет располагаемого напора в тепловой сети перед МТП.
Трубопровод циркуляционного контура подключен к обратному трубопроводу МТП, по ходу сетевой воды после точки отбора ее на горячее водоснабжение из этого трубопровода. Между точкой отбора сетевой воды из обратного трубопровода и точкой присоединения циркуляционного контура к нему установлена дроссельная диафрагма, создающая разность напора между указанными точками, что обеспечивает циркуляцию воды в местной системе горячего водоснабжения, когда водоразбор на горячее водоснабжение производится из обратного трубопровода тепловой сети.
Из рассмотрения принципиальной схемы МТП видно, что расход сетевой воды, проходящей по циркуляционному контуру местной системы горячего водоснабжения, нагружает тепловую сеть пропорционально доле водоразбора из ее подающего трубопровода. Максимального значения циркуляционный расход теплоносителя достигает при минимальном значении температуры теплоносителя в подающем трубопроводе тепловой сети, т.е. в так называемой «точке излома» температурного графика центрального регулирования. При водоразборе только из обратного трубопровода циркуляционный расход теплоносителя в тепловой сети отсутствует, т.к. теплоноситель, пройдя через циркуляционный контур местной системы горячего водоснабжения, попадает снова в обратный трубопровод тепловой сети.
Поэтому расход теплоносителя в системах отопления при открытой системе теплоснабжения непостоянен как в течение отопительного периода, так и в течение суток.
Для определения относительного расхода теплоносителя в системах отопления при открытой системе теплоснабжения необходимо составить уравнение гидравлического режима функционирования ее тепловой сети.
Потери напора, м (падение давления теплоносителя, кгс/см2), в тепловой сети (для простоты - с одним потребителем тепловой энергии) складываются из потерь напора в подающем трубопроводе DНп тепловой сети (включая потери напора в коммуникациях источника теплоснабжения), в местной системе теплопотребления DНмс и в обратном трубопроводе DНо тепловой сети:
DНS = DНп + DНмс + DHо. (1.16)
Суммарные потери напора равны напору Нн, развиваемому сетевыми насосами источника теплоснабжения:
Подставив в левую часть выражения (1.16) значение DНS из равенства (1.17) и разделив обе части полученного уравнения на напор, развиваемый сетевыми насосами, получаем:
Выразив гидравлические сопротивления подающего, обратного трубопроводов тепловой сети и системы теплопотребления через потери напора в них при расчетных расходах теплоносителя, применяя закон квадратичной зависимости потерь напора от расхода теплоносителя, получаем:
(1.19)
В открытой системе теплоснабжения суммарный расход теплоносителя в общем случае складывается:
· подающий трубопровод -
· обратный трубопровод -
При установке на МТП автоматического смесительного устройства (регулятора температуры воды горячего водоснабжения) теплоноситель для горячего водоснабжения отбирается частично из подающего, частично из обратного трубопроводов тепловой сети на МТП. Доля водоразбора определяется формулами:
· из подающего трубопровода
· из обратного трубопровода
Расход теплоносителя, отбираемого для горячего водоснабжения из подающего трубопровода тепловой сети, таким образом, можно выразить:
Расход теплоносителя, отбираемого для горячего водоснабжения из обратного трубопровода:
Принимая во внимание выражения (1.20), (1.21), (1.24) и (1.25), а также то, что циркуляционный расход теплоносителя пропорционален доле водоразбора из подающего трубопровода тепловой сети, уравнение (1.19) можно представить следующим образом:
(1.26)
Минимальный расход теплоносителя в системах отопления, возникающий под влиянием водоразбора непосредственно из трубопроводов тепловой сети, имеет место при максимальном значении доли водоразбора из подающего трубопровода, т.е. - в точке излома температурного графика центрального регулирования отпуска тепловой энергии.
С другой стороны, в этой точке графика достигает максимума суммарный расход теплоносителя в подающем трубопроводе тепловой сети, вследствие возрастания загрузки его расходом теплоносителя на горячее водоснабжение и циркуляционным расходом теплоносителя.
В связи с этим расчетным режимом функционирования тепловой сети открытой системы теплоснабжения является режим, возникающий в тепловой сети при среднем часовом водоразборе на горячее водоснабжение в точке излома температурного графика центрального регулирования отпуска тепловой энергии.
Поэтому формулы (1.20) и (1.21) при условиях, принятых за расчетные для тепловой сети открытой системы теплоснабжения, имеют вид:
G1o = Go¢ + r¢Ghm + r¢Gcirc; (1.20a)
G2o = Go¢ + (1 - r¢)Ghm + r¢Gcirc. (1.21a)
Подставив правые части формул (1.20а) и (1.21а) в формулу (1.26), получаем:
(1.26a)
Проделав алгебраические преобразования и разделив почленно уравнение (1.26а) на отопительный расход теплоносителя, необходимый при условиях, расчетных для отопления, т.е. при расчетном значении температуры наружного воздуха для проектирования отопления, получаем в относительных величинах:
(1.27)
Расчетные значения величин у¢ и r¢, входящих в формулу (1.27), можно найти на основе оптимального графика центрального регулирования отопления, определив предварительно абсциссу точки излома температурного графика по преобразованной формуле (1.13):
Значение относительного расхода теплоносителя на отопление по оптимальному графику центрального регулирования отопления, соответствующее минимально необходимому значению температуры теплоносителя в подающем трубопроводе тепловой сети для обеспечения тепловой нагрузки горячего водоснабжения, можно определить по формуле (1.12):
y¢ = (q¢)0,2.
Доля водоразбора из подающего трубопровода тепловой сети в точке излома температурного графика центрального регулирования отпуска тепловой энергии r¢ определяется по формуле (1.22) с подстановкой значений t1¢ и t2¢:
![]()
Отклонения фактического относительного расхода теплоносителя на отопление уf от оптимального значения yopt под влиянием водоразбора непосредственно из трубопроводов тепловой сети и циркуляции воды в местных системах горячего водоснабжения должны быть компенсированы соответствующими изменениями температуры теплоносителя в подающем трубопроводе тепловой сети таким образом, чтобы при среднем часовом водоразборе количество тепловой энергии, поступающей в системы отопления в течение суток, соответствовало суточной тепловой потребности отапливаемых зданий.
Температура теплоносителя по так называемому скорректированному температурному графику регулирования отпуска тепловой энергии, учитывающему неравенство yf ¹ yopt, может быть определена из условий соблюдения требуемого относительного теплового потока на отопление, т.е. tcmu = tmu:
(1.28)
В этой формуле и в дальнейшем температура теплоносителя по скорректированному температурному графику регулирования отпуска тепловой энергии обозначена индексом «с».
Относительный тепловой поток, с другой стороны, можно выразить:
Из уравнений (1.13) и (1.14) следует:
t1 - t2 = (t1o - t2o)0,8. (1.29)
Поэтому, с учетом уравнения (1.12), получаем:
Выразив, используя равенство tcmu = tmu, значение tc1 и подставив его в формулу (1.30), получаем:
Произведя соответствующие алгебраические преобразования, получаем формулы для определения значений температуры теплоносителя в подающем, обратном трубопроводах тепловой сети и после смешения (перед системами отопления) по скорректированному температурному графику:
(1.31)
(1.32)
(1.33)
В формулах (1.31) - (1.33) приняты следующие обозначения:
Dtо.о = t3о - t2о - расчетный перепад температуры теплоносителя в системе отопления по оптимальному графику центрального регулирования отопления, °С;
-
расчетное значение средней температуры теплоносителя в системе отопления по
оптимальному графику центрального регулирования отопления, °С.
При значениях t1о = 150 °С, t2о = 70 °С, t3о = 95 °С, tj = 18 °С и u = 2,2 формулы (1.31) - (1.33) принимают вид:
tc1 = 18 + 64,5q0,8 + 67,5q/yf; (1.31a)
tc2 = 18 + 64,5q0,8 - 12,5q/yf; (1.32a)
tc3 = 18 + 64,5q0,8 + 12,5q/yf. (1.33a)
Значения фактического относительного расхода теплоносителя на отопление yf для различных значений q (или t) определяются решением уравнения (1.27) при условии соблюдении равенства (1.18).
Скорректированные графики регулирования отпуска тепловой энергии, построенные в зависимости от различных показателей гидравлической устойчивости тепловой сети и отношения средней часовой тепловой нагрузки горячего водоснабжения и отопления, приведены в приложениях 5 - 8 (Рис. 3 - 6).
Расчетные часовые значения расхода теплоносителя, т/ч, для гидравлического расчета трубопроводов тепловой сети определяются по каждому виду теплового потребления:
· отопление -
· вентиляция -
· горячее водоснабжение (средний часовой расход) -
· циркуляционный расход (компенсация тепловых потерь в местных системах горячего водоснабжения) -
(1.37)
Как было видно по формулам (20а) и (21а), в открытой системе теплоснабжения значения суммарного расхода теплоносителя в подающем и обратном трубопроводах тепловой сети неодинаковы.
При расчетном для тепловой сети режиме функционирования (при значении температуры наружного воздуха, соответствующем точке излома температурного графика отпуска тепловой энергии) расчетные значения суммарного расхода теплоносителя составляют:
· в подающем трубопроводе
G1¢ = y¢(Gomax + Gvmax) + r¢(Ghm + Gcirc); (1.38)
· в обратном трубопроводе
G2¢ = y¢(Gоmах + Gvmax) + r¢(Ghm + Gcirc) - Ghm. (1.39)
В частности, для значения температуры теплоносителя в подающем трубопроводе тепловой сети при значении температуры наружного воздуха, соответствующем точке излома температурного графика отпуска тепловой энергии, t1¢ = 65 °С, при значении температуры воды, поступающей на горячее водоснабжение, th = 60 °С, у¢ = 0,77 и r¢ = 0,82. Формулы (1.38) и (1.39) принимают вид:
G1¢ = 0,77(Gomax + Gvmax) + 0,82(Ghm + Gcirc); (1.38a)
В открытой системе теплоснабжения расчетные значения суммарного расхода теплоносителя в подающем и обратном трубопроводах тепловой сети различны. Однако для технологичности строительно-монтажных работ при сооружении тепловых сетей прокладывают оба трубопровода одинакового диаметра.
В связи с этим расчетные значения суммарного расхода теплоносителя для выбора диаметра труб на каждом расчетном участке тепловой сети целесообразно принимать, исходя из условий равенства суммы потерь напора (падения давления теплоносителя) в подающем и обратном трубопроводах при различных значениях расхода теплоносителя в них сумме потерь напора в подающем и обратном трубопроводах при одинаковых значениях расхода теплоносителя в них. Поэтому можно принять:
где åDН - сумма потерь напора в обоих трубопроводах при одинаковых значениях расхода теплоносителя в них, м;
DН1 и DН2 - потери напора в подающем и обратном трубопроводах при расчетных значениях расхода теплоносителя в каждом из них, м.
Потери напора в подающем и обратном трубопроводах тепловой сети можно выразить, применяя закон квадратичной зависимости потерь напора от расхода теплоносителя в трубопроводах, через гидравлическое сопротивление трубопроводов и расход теплоносителя в них, принимаемые по формулам (1.38) и (1.39):
DН1 = S[y¢(Gomax + Gvmax) + r¢(Ghm + Gcirc)]2; (1.41)
DН2 = S[y¢(Gomax + Gvmax) + r¢(Ghm + Gcirc) - Ghm]2; (1.42)
где S - гидравлическое сопротивление подающего и обратного трубопроводов на рассматриваемом расчетном участке, мч2/т2.
Подставив правые части уравнений (1.41) - (1.43) в равенство (1.40) и проделав соответствующие алгебраические преобразования, получаем формулу для определения того расчетного значения расхода теплоносителя, по которому следует выбирать диаметр подающего и обратного трубопроводов тепловой сети при открытой системе теплоснабжения:
![]()
или
(1.44)
Экономический эффект внедрения в практику теплоснабжения оптимальных режимов функционирования тепловых сетей складывается из следующих компонентов:
1) ликвидация излишних затрат топлива, обусловленных перегревом отапливаемых зданий;
2) сведение к минимуму слива воды из местных систем горячего водоснабжения;
3) сокращение затрат электроэнергии на перекачку теплоносителя за счет оптимизации гидравлического режима функционирования тепловой сети.
1.5.1. Ликвидация излишних затрат топлива.
Построение режима функционирования тепловой сети открытой системы теплоснабжения без учета влияния действующих циркуляционных контуров в местных системах горячего водоснабжения приводит при значении температуры наружного воздуха, соответствующем излому температурного графика отпуска тепловой энергии, к недогреву систем отопления, в среднем на 9 %.
Для предотвращения этого недогрева эксплуатационные организации увеличивают расход теплоносителя в системах отопления увеличением отверстий дросселирующих устройств, установленных перед системами отопления на МТП. Увеличение составляет в среднем 11 %.
Это, в свою очередь, приводит к завышенным затратам тепловой энергии в системах отопления в диапазоне изменения температуры наружного воздуха t¢ < t £ tо. При tо завышение затрат тепловой энергии достигает также 11 %.
Осуществление режима функционирования тепловых сетей, разработанного по предлагаемой методике, обеспечивает требуемый тепловой поток на отопление во всем диапазоне изменения температуры наружного воздуха t £ tо. Иными словами, применение предлагаемой методики позволит снизить затраты топлива в среднем на 10 % в год.
1.5.2. Сведение к минимуму слива воды из местных систем горячего водоснабжения.
Снижение затрат, достигаемое за счет сокращения количества сливаемой воды, можно определить по формуле:
Эгод = ZвDGсл.год + ZтDQсл.год, (1.45)
где Zв и Zт - себестоимость химически очищенной и деаэрированной воды, направляемой на подпитку тепловой сети, руб/м3; для расчета принято 5 руб/м3;
DGсл.год - годовое снижение затрат подпиточной воды, м3/год;
DQсл.год - годовое снижение потерь тепловой энергии со сливаемой водой, остывшей в местных системах горячего водоснабжения, Гкал/год.
При норме потребления горячей воды с температурой 55 °С на 1 жителя в сутки (СНиП 2.04.01-85*, Приложение 3 обязательное) 105 ´ 0,85 = 89,25 л/чел.сут. (там же, п. 3.10) и пользовании горячим водоснабжением в течение 350 суток (СНиП 2.04.07-86*, Приложение 22 рекомендуемое) водопотребление 1 человека в год составляет 31,2 м3/чел.год.
Если принять, что снижение водоразбора из трубопроводов тепловых сетей за счет сведения к минимуму слива воды, остывшей в местных системах горячего водоснабжения, достигнет 5 %, то это снижение составит около 1,6 м3/чел.год.
Таким образом, в системе коммунального теплоснабжения, обслуживающей жилой массив в 100 тыс. жителей, может быть сэкономлено подпиточной воды порядка 160 тыс. м3/год.
При себестоимости подпиточной воды, как было принято, 5 руб./м3 экономия в денежном выражении составит:
Эв.год = 5 ´ 160000 = 800000 руб./год.
При среднем значении температуры сливаемой воды tсл = 30 °С потери тепловой энергии составляют:
DQсл.год = DGсл.годc(tсл - tcw)10-3 = 160000(30 - 5)10-3 = 4000 Гкал/год.
Стоимость сэкономленного количества тепловой энергии за год (при средней себестоимости 1 Гкал 240 руб./Гкал) составляет:
åЭт.год = 240 ´ 4000 = 960000 руб./год.
Таким образом, для жилого массива в 100 тысяч жителей экономия только за счет снижения слива остывшей воды составляет:
Эгод = 800000 + 960000 = 1760000 руб./год.
1.5.3. Сокращение затрат электроэнергии на перекачку теплоносителя за счет оптимизации гидравлического режима функционирования тепловой сети.
При осуществлении рационального гидравлического режима с учетом циркуляционного расхода теплоносителя, обусловленного функционированием циркуляционных контуров в местных системах горячего водоснабжения, суммарный расход теплоносителя не превышает расчетного значения. Экономический эффект оптимизации гидравлического режима функционирования тепловой сети возникает вследствие снижения расхода теплоносителя, перекачиваемого сетевыми насосами источника теплоснабжения, по сравнению с расходом теплоносителя, имевшим место в тепловой сети до осуществления оптимизационных мероприятий.
Сокращение затрат электроэнергии двигателями сетевых насосов, кВтч, можно определить по формуле:
В этой формуле:
DG - разность значений расхода теплоносителя до и после осуществления оптимизационных мероприятий, т/ч;
hп - коэффициент полезного действия передачи; принимается hп = 0,98;
hн - коэффициент полезного действия насоса; определяется по характеристике насоса;
g - удельная масса перекачиваемого теплоносителя, кг/м3.
Расчетные значения суммарного расхода теплоносителя в подающем и обратном трубопроводах для гидравлического расчета тепловой сети следует определять по формулам:
Gd1 = y¢(Gomax + Gvmax) + r¢(Ghm + Gcirc); (2.1)
Значения величин, входящих в формулы (2.1) и (2.2), определяются следующим образом:
· относительный расход теплоносителя на отопление в точке излома температурного графика отпуска тепловой энергии -
(2.3)
Значение температуры теплоносителя в подающем трубопроводе тепловой сети t1¢, °С, рекомендуется принимать на 5 °С выше значения температуры воды, поступающей на горячее водоснабжение:
· расчетный расход теплоносителя на отопление -
· расчетный расход теплоносителя на приточную вентиляцию -
· средний часовой расход теплоносителя на горячее водоснабжение
· доля водоразбора из подающего трубопровода тепловой сети в точке излома температурного графика отпуска тепловой энергии -
(2.8)
· циркуляционный расход теплоносителя -
Значение циркуляционного расхода теплоносителя может быть определено по формуле:
В случае, когда расчетное значение температуры теплоносителя в подающем трубопроводе тепловой сети по температурному графику регулирования отпуска тепловой энергии t1o = 150 °С, излом температурного графика производится при t1¢ = 65 °С, значение относительного расхода теплоносителя на отопление в этой точке температурного графика yopt = 0,77, а доли водоразбора из подающего трубопровода тепловой сети r¢ = 0,82.
Регулирование отпуска тепловой энергии в открытых системах теплоснабжения рекомендуется (п. 4.6 [3]) осуществлять по температурному графику, скорректированному с учетом отклонения фактических значений расхода теплоносителя от оптимальных значений под влиянием водоразбора непосредственно из трубопроводов тепловых сетей и функционирования циркуляционных контуров в местных системах горячего водоснабжения. Так, при отборе большей части горячей воды из подающего трубопровода снижение расхода теплоносителя в системах отопления и приточной вентиляции необходимо компенсировать определенным повышением температуры теплоносителя в подающем трубопроводе тепловой сети, увеличение расхода теплоносителя в упомянутых системах; при переходе большей части водоразбора на обратный трубопровод тепловой сети - снижением температуры теплоносителя в подающем трубопроводе, для того чтобы тепловой поток на отопление и приточную вентиляцию в течение суток соответствовал среднесуточному значению температуры наружного воздуха.
Для расчета скорректированного температурного графика регулирования отпуска тепловой энергии необходимо принять:
· отношения среднего часового значения теплового потока на горячее водоснабжение и расчетного часового значения теплового потока на отопление и приточную вентиляцию у всех потребителей тепловой энергии одинаковы;
· значения расхода теплоносителя в подающем и обратном трубопроводах тепловой сети на выводах источника теплоснабжения, а также располагаемый напор, задаются только для установления расчетного гидравлического режима функционирования тепловой сети и в дальнейшем не регулируются.
Расчет скорректированного температурного графика следует начинать с определения значения температуры наружного воздуха t¢, °С, соответствующего точке излома графика:
При этом, по формуле (2.4), следует принимать t1¢ = th + 5.
Значения температуры теплоносителя в обратном трубопроводе тепловой сети и после смешения перед системами отопления в точке излома температурного графика определяются по формулам:
(2.13)
Значение относительного расхода теплоносителя на отопление у¢ в этой точке температурного графика определяется по формуле (2.3).
Затем необходимо определить значение температуры наружного воздуха tr, при котором водоразбор переходит на обратный трубопровод тепловой сети и r = 0. Для этого необходимо предварительно определить значения относительного расхода теплоносителя на отопление yfr и относительной тепловой потребности qr в этой точке графика.
Значение yfp можно определить, подставив r = 0 в уравнение гидравлического режима функционирования тепловой сети:
(2.14)
при соблюдении равенства w1 + e + w2 = 1.
Значение тепловой потребности q определяется при помощи подстановки значения температуры теплоносителя, поступающего на горячее водоснабжение, и найденного предварительно значения yfr в следующее уравнение:
(2.15)
где
- значение средней
температуры теплоносителя в нагревательных приборах систем отопления по оптимальному
графику центрального регулирования отопления при расчетном значении температуры
наружного воздуха для проектирования отопления, °С;
- тепловая
потребность отапливаемых зданий при искомом значении температуры наружного
воздуха;
Dtо.о = t3о - t2о - расчетное значение разности значений температуры теплоносителя в системах отопления по оптимальному графику центрального регулирования отопления при расчетном значении температуры наружного воздуха для проектирования отопления, °С.
Решение уравнения (2.15) может быть получено методом последовательных приближений.
Искомое значение температуры tr определяется по формуле:
Значения температуры теплоносителя в подающем, обратном трубопроводах тепловой сети и перед системами отопления в диапазоне изменения значений температуры наружного воздуха t¢ > t > to определяются формулами:
(2.19)
В формулах (2.17) - (2.18) и в дальнейшем индексом «с» обозначены значения температуры теплоносителя в трубопроводах тепловой сети и перед системами отопления по скорректированному температурному графику регулирования отпуска тепловой энергии.
Однако для определения значений температуры теплоносителя по скорректированному температурному графику необходимо предварительно определить значение доли водоразбора из подающего трубопровода тепловой сети r в диапазоне изменения значений температуры наружного воздуха t¢ < t < tr по формуле:
Значения температуры теплоносителя t1c, t2c и t3c при расчетном значении температуры наружного воздуха для проектирования отопления, т.е. при q = 1, можно определять по формулам:
(2.23)
В диапазоне спрямления температурного графика, когда t1¢ = th + 5 = const, значения температуры теплоносителя в обратном трубопроводе тепловой сети определяется формулой:
(2.24)
где t1c - значение температуры теплоносителя в подающем трубопроводе тепловой сети, °С, определенное по формуле (2.17).
Значение относительного теплового потока на отопление в этом диапазоне определяется по формуле:
Значения относительного расхода теплоносителя на отопление yf в этом диапазоне мало изменяются по сравнению со значением у¢, поэтому с достаточной для инженерных расчетов степенью точности можно считать yf = y¢.
Системы горячего водоснабжения присоединяются к трубопроводам тепловой сети на местных тепловых пунктах (МТП) по зависимой схеме: теплоноситель (горячая вода) непосредственно из трубопроводов тепловой сети - подающего и обратного - поступает на горячее водоснабжение через автоматическое смесительное устройство (регулятор температуры), предназначенное для поддержания постоянного значения температуры горячей воды th = 60 - 65 °С (Рис. 1, приложение 3).
На трубопроводе, соединяющем регулятор температуры горячего водоснабжения с обратным трубопроводом тепловой сети на МТП, устанавливается обратный клапан, препятствующий перетоку теплоносителя из ее подающего трубопровода непосредственно в обратный.
Трубопровод циркуляционного контура системы горячего водоснабжения подключается к обратному трубопроводу тепловой сети на МТП по ходу теплоносителя после его отбора из этого трубопровода.
Для создания нормальной циркуляции в местной системе горячего водоснабжения и в ее циркуляционном контуре необходимо обеспечить определенную разность напора между начальной и конечной точками системы. С этой целью между точками присоединения к обратному трубопроводу тепловой сети на МТП подающего и циркуляционного трубопроводов системы горячего водоснабжения устанавливается дроссельная диафрагма.
В целях организации оптимального гидравлического режима функционирования тепловой сети и создания условий для гидравлически равного удаления каждого потребителя тепловой энергии от источника теплоснабжения, на МТП устанавливаются дросселирующие устройства (дроссельные диафрагмы, сопла элеваторов) с отверстиями, диаметры которых определяются в соответствии с тепловой потребностью каждого из потребителей.
Значения диаметров дросселирующих устройств определяются следующим образом.
Значения диаметров сопел элеваторов, мм, рассчитываются по формуле:
(2.26)
Согласно формуле (2.1) G = yGomax.
Значение диаметра сопла необходимо определять с точностью до десятых долей миллиметра с округлением в меньшую сторону и принимать не менее 3 мм.
Номер элеватора определяется по диаметру его горловины, значение которого, мм, можно найти по формуле:
(2.27)
Определив значение диаметра горловины, можно найти номер элеватора по следующей таблице:
|
Номер элеватора |
Диаметр горловины, мм |
Номер элеватора |
Диаметр горловины, мм |
Номер элеватора |
|
|
15 - 18 |
1 |
23 - 28 |
3 |
33 - 43 |
5 |
|
18 - 23 |
2 |
28 - 33 |
4 |
43 - 55 |
6 |
При выборе элеватора следует принимать стандартный элеватор с меньшим ближайшим значением диаметра горловины (п. 4.18 [2]).
Значение диаметра отверстия дроссельной диафрагмы, мм, определяется по формуле:
(2.28)
Минимальное значение отверстия дроссельной диафрагмы должно быть также не менее 3 мм. При необходимости следует предусматривать установку последовательно двух диафрагм с соответствующим большим отверстием. Расстояние между двумя последовательно установленными диафрагмами должно превышать 10Dy трубопровода, на котором устанавливаются эти диафрагмы; здесь Dy - условный диаметр трубопровода, мм.
В случае если значение напора перед элеватором превышает вдвое и более значение, определенное по формуле Н = 1,4Нo(1 + u)2, а также в случае, если значение диаметра сопла элеватора, определенное по формуле (2.26), менее 3 мм, избыток напора необходимо гасить дроссельной диафрагмой, установленной перед элеватором. Значение диаметра отверстия этой диафрагмы определяется по формуле (2.28).
Дроссельная диафрагма, устанавливаемая на обратном трубопроводе тепловой сети на МТП между точками присоединения к обратному трубопроводу подающего и циркуляционного трубопроводов системы горячего водоснабжения, должна быть рассчитана на гашение напора 3 - 5 м (потери напора в системе горячего водоснабжения при циркуляционном режиме функционирования), т.е. подпор; значение расхода теплоносителя определяется выражением G = y¢Gomax.
В неавтоматизированных МТП дроссельную диафрагму необходимо устанавливать также и на циркуляционном трубопроводе - для ограничения циркуляционного расхода теплоносителя его расчетным значением при водоразборе из подающего трубопровода тепловой сети. Эту диафрагму следует рассчитывать на дросселирование напора, значение которого, м, определяется выражением:
Значение расхода теплоносителя для расчета дроссельной диафрагмы на циркуляционном трубопроводе следует принимать равным расчетному значению циркуляционного расхода, определенному по формулам (2.9) или (2.10).
Для обеспечения функционирования циркуляционного контура при водоразборе из обратного трубопровода тепловой сети дроссельную диафрагму, установленную на циркуляционном трубопроводе, необходимо выводить из циркуляционного контура. Поэтому ее следует устанавливать на байпасе. При переводе водоразбора с подающего трубопровода тепловой сети на обратный необходимо одновременно отключать диафрагму на циркуляционном трубопроводе.
Функционирование циркуляционных контуров в местных системах горячего водоснабжения может быть автоматизировано с помощью установки на циркуляционном трубопроводе МТП автоматического регулятора циркуляции. В качестве регулятора может быть применен простейший терморегулятор прямого действия - термостат, который должен быть настроен на поддержание значения температуры теплоносителя порядка 50 °С в конце циркуляционного трубопровода и тем самым ограничивать циркуляционный расход теплоносителя его расчетным значением.
При автоматизированных таким образом циркуляционных контурах расчетный циркуляционный расход теплоносителя для гидравлического расчета тепловой сети может быть принят, как показали результаты экспериментальных исследований, с коэффициентом 0,5.
Снижение значения циркуляционного расхода теплоносителя происходит в силу прогрева местной системы горячего водоснабжения, который вызывает прикрытие регулятора циркуляции. Значение упомянутого коэффициента соответствует значению среднего часового водоразбора.
Таким образом, автоматизация циркуляционных контуров, кроме упорядочения их функционирования, позволяет снизить суммарный расход теплоносителя в тепловой сети и увеличить пропускную способность действующих тепловых сетей по тепловой энергии, а также снизить металлоемкость проектируемых тепловых сетей открытых систем теплоснабжения.
1. СНиП 2.04.01-85*. «Внутренний водопровод и канализация зданий». Госстрой России. Москва. ГУП ЦПП, 1999.
2. СП 41-101-95. «Проектирование тепловых пунктов». Минстрой России. Москва. 1997.
3. СНиП 2.04.07-86*. «Тепловые сети». Минстрой России. Москва. 1996.
4. Соколов Е.Я. «Теплофикация и тепловые сети». Москва. Энергоиздат. 1982.
5. Белинкий Е.А. «Эксплуатационный режим водяных систем центрального отопления». Москва. Издательство Министерства коммунального хозяйства РСФСР. 1956.
6. Дюскин В.К. «Количественно-качественное регулирование тепловых сетей». Госэнергоиздат. Москва-Ленинград. 1959.
7. Крауз А.А. «Вопросы отопления». ОНТИ. Госстройиздат. Москва-Ленинград. 1934.
Дано:
· расчетное значение температуры наружного воздуха для проектирования отопления tо = -28 °С;
· расчетное значение температуры воздуха в зданиях tj = 18 °С;
· значения температуры теплоносителя в подающем, обратном трубопроводах тепловой сети и перед системами отопления по оптимальному графику центрального регулирования отопления при расчетном значении температуры наружного воздуха для проектирования отопления составляют: t1о = 150 °С; t2о = 70 °С; t3о = 95 °С;
· значения относительного расхода теплоносителя на горячее водоснабжение v и относительного циркуляционного расхода теплоносителя j соответственно 0,3 и 0,15;
· значения показателей гидравлической устойчивости:
w1 = 0,5; e = 0,4; w2 = 0,1.
Требуется: рассчитать скорректированный температурный график регулирования отпуска тепловой энергии для заданных условий.
1. Принимаем значение температуры воды, поступающей на горячее водоснабжение, th = 60 °С. Тогда излом температурного графика следует производить при значении температуры теплоносителя в подающем трубопроводе тепловой сети t1¢ = 60 + 5 = 65 °С.
2. Значение температуры наружного воздуха, соответствующее излому температурного графика, определяем по формуле (2.11):

3. Значения температуры теплоносителя в обратном трубопроводе тепловой сети и перед системами отопления в точке излома графика определяем по формулам (2.12) и (2.13):


4. Значение относительного расхода теплоносителя на отопление у¢ при t¢ определяем по формуле (2.3):

5. Для определения значений температуры теплоносителя в обратном трубопроводе тепловой сети и перед системами отопления при t = 8 °С необходимо предварительно определить по формуле (2.25) значение относительного теплового потока c на отопление:
![]()
Значения величин, входящих в формулу (2.24) tmu, t1с, уopt и yf » у¢, определяем по формулам соответственно (1.7а), (1.31а) и (1.12):

t1с = 18 + 64,5(0,2174) + 67,5 ´ 0,2174/0,77 = 56,1 °С;
yopt = (0,2174)0,2 = 0,737.
Значение температуры теплоносителя в обратном трубопроводе тепловой сети при t = 8 °С определяем по формуле (2.23):
![]()
Значение температуры теплоносителя перед системами отопления определяем с помощью коэффициента подмешивания элеватора (u = 2,2):
![]()
6. Значение температуры наружного воздуха, при котором водоразбор полностью переходит на обратный трубопровод тепловой сети, определяем следующим образом.
Определяем значение фактического относительного расхода теплоносителя на отопление yfr, подставив r = 0 в уравнение гидравлического режима функционирования тепловой сети (2.14):

Решение этого квадратного уравнения дает: yfr = 0,942.
Подставив найденное значение yfr и th = 60 °С в формулу (2.18), получим уравнение:
![]()
Решение получаем методом последовательных приближений:
qr = 0,767.
Далее, по формуле для определения тепловой потребности зданий q, определим значение температуры наружного воздуха, при котором r = 0:
![]()
tr = -17,3 °C.
7. Определяем значения температуры теплоносителя в подающем, обратном трубопроводах тепловой сети и перед системами отопления при r = 0 по формулам (2.17) - (2.19):
![]()
t2с = 18 + (82,5 - 18)0,7670,8 - 12,5 ´ 0,767/0,942 = 60 °С;
t3с = 18 + (82,5 - 18)0,7670,8 + 12,5 ´ 0,767/0,942 = 80,3 °С.
8. Значения температуры теплоносителя в подающем, обратном трубопроводах тепловой сети и перед системами отопления при расчетном значении температуры наружного воздуха для проектирования отопления могут быть определены по формулам (2.21) - (2.23).
Определим сначала по формуле (2.21) значение температуры теплоносителя в подающем трубопроводе тепловой сети:
![]()
Поскольку t1с > t1о, необходимо произвести так называемую срезку графика температуры теплоносителя в подающем трубопроводе тепловой сети при t1о = 150 °С.
Тогда значения температуры теплоносителя в обратном трубопроводе тепловой сети определятся по формулам (2.24) - (2.25):
c = 0,954;
t2с = 69 °С.
Значение температуры теплоносителя перед системами отопления определяем с помощью коэффициента подмешивания элеваторов:
t3с = (150 + 2,2 ´ 69)/(1 + 2,2) = 94,3 °С.
9. Для упрощения вычислений значений температуры теплоносителя в подающем, обратном трубопроводах тепловой сети и перед системами отопления формулы (2.17) - (2.19) преобразуем применительно к значениям заданных параметров:
t1с = 18 + 64,5q0,8 + 67,5q/yf;
t2с = 18 + 64,5q0,8 - 12,5q/yf;
t3с = 18 + 64,5q0,8 + 12,5q/yf
Подставив выражения для t1с и t2с по преобразованным выше формулам в формулу (2.20), получаем формулу для определения значения доли водоразбора r из подающего трубопровода тепловой сети:
r = 0,15625 + 0,525yf/q - 0,80625yf/q0,2.
10. Теперь определяем значения температуры теплоносителя в подающем, обратном трубопроводах тепловой сети и перед системами отопления для промежуточных точек скорректированного графика регулирования отпуска тепловой энергии t1с, t2с и t3с, учитывая, что в диапазоне изменения значений температуры наружного воздуха (-17,3 °С ³ t ³ -28 °C) r = 0; yf = 0,942.
t = -25 °C.
q = (18 + 25)/(18 + 28) = 0,9348.
t1с = 18 + 64,5(0,9348)0,8 + 67,5 ´ 0,9348/0,942 = 146,1 °C;
t2с = 18 + 64,5(0,9348)0,8 - 12,5 ´ 0,9348/0,942 = 66,7 °C;
t3с = 18 + 64,5(0,9348)0,8 + 12,5 ´ 0,9348/0,942 = 91,5 °C.
t = -20 °C.
q = (18 + 20)/(18 + 28) = 0,8261.
t1с = 18 + 64,5(0,8261)0,8 + 67,5 ´ 0,8261/0,942 = 132,6 °C;
t2с = 18 + 64,5(0,8261)0,8 - 12,5 ´ 0,8261/0,942 = 62,4 °C;
t3с = 18 + 64,5(0,8261)0,8 + 12,5 ´ 0,8261/0,942 = 84,3 °C.
t = -15 °C.
q = (18 + 15)/(18 + 28) = 0,7174; r ¹ 0.
r = 0,15625 + 0,525yf/0,7174 - 0,80625yf/(0,7174)0,2 = 0,15625 - 0,1298yf.
Подставив выражение r в уравнение гидравлического режима функционирования тепловой сети, получаем:
0,38541(yf + 0,45r)2 + 0,67465yf2 + 0,14206(yf + 0,45r - 0,3)2 = 1;
1,1423уf2 - 0,01045yf - 0,9906 = 0;
yf2 - 0,009148yf - 0,8672 = 0;
![]()
Далее определяем значения температуры теплоносителя:
t1с = 18 + 64,5(0,7174)0,8 + 67,5 ´ 0,7174/0,9358 = 119,2 °С;
t2с = 18 + 64,5(0,7174)0,8 - 12,5 ´ 0,7174/0,9358 = 57,9 °С;
t3с = 18 + 64,5(0,7174)0,8 + 12,5 ´ 0,7174/0,9358 = 77,0 °С.
t = -10 °C.
q = (18 + 10)/(18 + 28) = 0,6087; r ¹ 0.
r = 0,15625 + 0,525уf/0,6087 - 0,80625уf/(0,6087)0,2 = 0,15625 - 0,02791yf.
Уравнение гидравлического режима функционирования тепловой сети:
0,38541(yf + 0,45r)2 + 0,67465yf2 + 0,14206(yf + 0,45r - 0,3) - 1 = 0.
Подставив выражение r в это уравнение, получаем:
yf2 - 0,009187yf - 0,8332 = 0;
![]()
Далее определяем значения температуры теплоносителя:
t1с = 18 + 64,5(0,6087)0,8 + 67,5 ´ 0,6087/0,9174 = 106,1 °С;
t2с = 18 + 64,5(0,6087)0,8 - 12,5 ´ 0,6087/0,9174 = 53,1 °С;
t3с = 18 + 64,5(0,6087)0,8 + 12,5 ´ 0,6087/0,9174 = 69,7 °С.
t = -5 °C.
q = (18 + 5)/(18 + 28) = 0,5; r ¹ 0.
r = 0,15625 + 0,525уf/0,5 - 0,80625уf/(0,5)0,2 = 0,15625 + 0,123862yf.
Уравнение гидравлического режима функционирования тепловой сети:
0,38541(yf + 0,45r)2 + 0,67465уf2 + 0,14206(yf + 0,45r - 0,3) - 1 = 0.
Подставив выражение r в это уравнение, получаем:
yf2 - 0,00925yf - 0,7846 = 0;
![]()
Далее определяем значения температуры теплоносителя:
t1с = 18 + 64,5(0,5)0,8 + 67,5 ´ 0,5/0,8904 = 93 °С;
t2с = 18 + 64,5(0,5)0,8 - 12,5 ´ 0,5/0,8904 = 48 °С;
t3с = 18 + 64,5(0,5)0,8 + 12,5 ´ 0,5/0,8904 = 62,1 °С.
T = 0 °C.
Q = 18/(18 + 28) = 0,3913; r ¹ 0.
r = 0,15625 + 0,525уf/0,3913 - 0,80625уf/(0,3913)0,2 = 0,15625 + 0,369yf.
Уравнение гидравлического режима функционирования тепловой сети:
0,38541(yf + 0,45r)2 + 0,67465уf2 + 0,14206(yf + 0,45r - 0,3) - 1 = 0.
Подставив выражение r в это уравнение, получаем:
уf2 - 0,00927yf - 0,71174 = 0;
![]()
Далее определяем значения температуры теплоносителя:
t1с = 18 + 64,5(0,3913)0,8 + 67,5 ´ 0,3913/0,8483 = 79,6 °С;
t2с = 18 + 64,5(0,3913)0,8 - 12,5 ´ 0,3913/0,8483 = 42,7 °С;
t3с = 18 + 64,5(0,3913)0,8 + 12,5 ´ 0,3913/0,8483 = 54,2 °С.
t = 5 °C.
q = (18 - 5)/(18 + 28) = 0,28261; r ¹ 0.
r = 0,15625 + 0,525yf/0,28261 - 0,80625yf/(0,28261)0,2 = 0,15625 + 0,8196yf.
Уравнение гидравлического режима функционирования тепловой сети:
0,38541(yf + 0,45r)2 + 0,67465уf2 + 0,14206(yf + 0,45r - 0,3) - 1 = 0.
Подставив выражение r в это уравнение, получаем:
уf2 - 0,0091yf - 0,5957 = 0;
![]()
Далее определяем значения температуры теплоносителя:
t1с = 18 + 64,5(0,2826)0,8 + 67,5 ´ 0,2826/0,77637 = 66 °С;
t2с = 18 + 64,5(0,2826)0,8 - 12,5 ´ 0,2826/0,77637 = 36,9 °С;
t3с = 18 + 64,5(0,2826)0,8 + 12,5 ´ 0,2826/0,77637 = 46 °С.
Значения уf, t1с, t2с и t3с для всего диапазона изменения значений температуры наружного воздуха приведены в нижеследующей таблице и на графике Приложения 9 (Рис. 7).
|
Тепловая потребность отопления |
Температура теплоносителя в подающем трубопроводе, °С |
Температура теплоносителя в обратном трубопроводе, °С |
Температура теплоносителя перед системами отопления, °С |
Относительный расход теплоносителя на отопление |
|
|
t |
q |
t1с |
t2с |
t3с |
yf |
|
8 |
0,2174 |
65 |
37,8 |
46,3 |
0,77 |
|
5,35 |
0,275 |
65 |
36,5 |
45,4 |
0,77 |
|
5 |
0,2826 |
66 |
36,9 |
46 |
0,7764 |
|
0 |
0,3913 |
79,6 |
42,7 |
54,2 |
0,8483 |
|
-5 |
0,5 |
93 |
48 |
62,1 |
0,8904 |
|
-10 |
0,6087 |
106,1 |
53,1 |
69,7 |
0,9174 |
|
-15 |
07174 |
119,2 |
57,9 |
77 |
0,9358 |
|
-17,3 |
0,767 |
125,1 |
60 |
80,3 |
0,942 |
|
-20 |
0,8261 |
132,6 |
62,4 |
84,3 |
0,942 |
|
-25 |
0,9348 |
146,1 |
66,7 |
91,5 |
0,942 |
|
-28 |
1,0 |
150 |
69 |
94,3 |
0,942 |
УСЛОВНЫЕ ОБОЗНАЧЕНИЯ
1 - задвижка, нормально открытая;
2 - грязевик;
3 - датчик расхода воды;
4 - теплосчетчик;
5 - датчик температуры;
6 - манометр показывающий;
7 - датчик давления воды в трубопроводе;
8 - регулятор подпора;
9 - дроссельная диафрагма;
10 - обратный клапан;
11 - водоструйный элеватор;
12 - регулятор смешения горячей воды;
13 - термометр;
14 - штуцер под манометр.
ОСНОВНЫЕ БУКВЕННЫЕ ОБОЗНАЧЕНИЯ НА СХЕМЕ
t1 - температура теплоносителя в подающем трубопроводе тепловой сети, °С;
t2 - температура теплоносителя в обратном трубопроводе тепловой сети, °С;
t3 - температура теплоносителя после элеватора, °С;
th - температура воды, поступающей в систему горячего водоснабжения, °С;
tcirc - температура воды, циркулирующей в циркуляционном контуре, °С.
Условия расчета: wп = 0,3; e = 0,6; wо = 0,1; a = 0,3
Условия расчета: wп = 0,3; e = 0,6; wо = 0,1; a = 0,1
Условия расчета: wп = 0,6; e = 0,2; wо = 0,2; a = 0,3
Условия расчета: wп = 0,3; e = 0,2; wо = 0,2; a = 0,1
Министерство энергетики
Российской Федерации
Департамент
государственного энергетического ЗАО « РОСКОММУНЭНЕРГО»
надзора (Госэнергонадзор)
22 декабря 2003 г. № 32-10-11/1801
Департамент рассмотрел проект «Методических рекомендаций по оптимизации гидравлических и температурных режимов функционирования открытых систем коммунального теплоснабжения» и сообщает.
Разработка и выпуск проекта Методических рекомендаций в нынешних условиях эксплуатации и состояния тепловых сетей является актуальным. Реализация предлагаемых рекомендаций направлена, прежде всего, на повышение экономической эффективности эксплуатации систем коммунального теплоснабжения.
Департамент согласовывает выпуск «Методических рекомендаций по оптимизации гидравлических и температурных режимов функционирования открытых систем коммунального теплоснабжения», которые могут быть использованы как пособие при выполнении наладочных работ в открытых системах коммунального теплоснабжения.
Заместитель руководителя М.М. Соловьев
|
ГОСУДАРСТВЕННЫЙ
КОМИТЕТ |
Органам управления жилищно-коммунальным хозяйством субъектов Российской Федерации |
|
ПЕРВЫЙ
ЗАМЕСТИТЕЛЬ |
Коммунальным теплоэнергетическим предприятиям |
Ул. Строителей, дом 8, корп. 2, Москва, ГСП 119991
10.03.2004 № СК-1638/12
О повышении эффективности
работы открытых систем
коммунального теплоснабжения
На заседании Научно-технического совета Госстроя России рассмотрены предложения закрытого акционерного общества «Роскоммунэнерго» по повышению эффективности работы открытых систем централизованного коммунального теплоснабжения.
Члены совета отметили, что при широком распространении открытых систем теплоснабжения на практике имеет место их неудовлетворительное функционирование. Во многих системах ликвидированы циркуляционные контуры местных систем горячего водоснабжения, что повлекло за собой значительные потери тепловой энергии и сетевой воды из-за слива остывшей воды через водоразборные краны.
Научно-техническим советом Госкомитета одобрены разработанные ЗАО «Роскоммунэнерго» и согласованные Госэнергонадзором Минэнерго России Методические рекомендации по оптимизации тепловых и гидравлических режимов функционирования открытых систем коммунального теплоснабжения.
В Методических рекомендациях содержится расчет экономического эффекта оптимизации режимов, который достигается предотвращением перегрева отапливаемых зданий и сведением к минимуму слива остывшей воды, что позволит до 10 процентов уменьшить расход топлива.
Методические рекомендации рассчитаны на специалистов, эксплуатирующих тепловые сети открытых систем коммунального теплоснабжения с циркуляционными контурами в местных системах горячего водоснабжения, и могут служить основой для расчетов регулирования отпуска тепловой энергии потребителям.
Учитывая решение Научно-технического совета, Госстрой России согласовывает указанные Методические рекомендации и рекомендует их к применению в жилищно-коммунальном хозяйстве.
Госстрой России рекомендует руководителям коммунальных теплоэнергетических предприятий, жилищных организаций, эксплуатирующих системы теплопотребления, присоединенные к тепловым сетям открытых систем теплоснабжения, на основе Методических рекомендаций осуществить:
· анализ тепловых и гидравлических режимов функционирования систем теплоснабжения;
· наладку тепловых сетей на основании гидравлических расчетов, выполненных согласно Методическим рекомендациям;
· автоматизацию тепловых пунктов;
· восстановление циркуляционных контуров в местных системах горячего водоснабжения.
С.И. Круглик