ОСТ 92-0724-72
ОТРАСЛЕВОЙ СТАНДАРТ
ВИНТЫ НЕВЫПАДАЮЩИЕ С ПОЛУКРУГЛОЙ ГОЛОВКОЙ
Конструкция и размеры
Дата введения 1973-01-01
1 Область применения
Настоящий стандарт распространяется на невыпадающие винты с полукруглой головкой (далее - винты) и устанавливает их конструкцию и размеры.
2 Нормативные ссылки
В настоящем стандарте использована ссылка на следующий стандарт:
ОСТ 92-0748-72 Детали крепёжные. Технические требования.
3 Конструкция и размеры
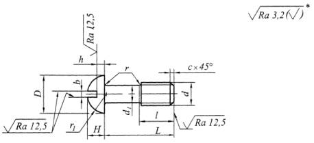
3.1 Конструкция и размеры винтов должны соответствовать указанным на рисунке 1 и в таблицах 1, 2, их теоретическая масса приведена в таблице 2.

Размеры в миллиметрах
|
d1 |
D |
H |
h |
b |
r |
r1 |
c |
l |
|||
|
d |
шаг. P |
h13 |
± 0,4 |
≈ |
Номин. |
Пред. откл. |
|||||
|
крупный |
|||||||||||
|
M3 |
0,5 |
2,0 |
5,0 |
2,1 |
0,9 |
0,8 |
0,5 |
2,5 |
0,5 |
6 |
+1,0 |
|
M4 |
0,7 |
2,8 |
6,5 |
2,8 |
1,2 |
1,0 |
3,3 |
7 |
+1,4 |
||
|
M5 |
0,8 |
3,5 |
8,0 |
3,5 |
1,5 |
1,2 |
4,0 |
1,0 |
8 |
+1,6 |
|
|
M6 |
1 |
4,5 |
10,0 |
4,5 |
2,0 |
1,6 |
5,0 |
9 |
+2,0 |
||
|
M8 |
1,25 |
6,0 |
13,0 |
6,0 |
3,0 |
0,8 |
6,5 |
1,6 |
11 |
+2,5 |
|
Размеры в миллиметрах
|
M3 |
M4 |
M5 |
M6 |
M8 |
d |
M3 |
M4 |
M5 |
M6 |
M8 |
|||
|
L |
Масса 100 шт. винтов, кг |
L |
Масса 100 шт. винтов, кг |
||||||||||
|
Номин. |
Пред. откл. |
Номин. |
Пред. откл. |
||||||||||
|
10 |
± 0,30 |
0,044 |
0,093 |
- |
- |
- |
32 |
± 0,50 |
- |
0,195 |
0,331 |
0,562 |
1,17 |
|
12 |
± 0,35 |
0,049 |
0,099 |
0,180 |
- |
- |
34 |
- |
0,205 |
0,346 |
0,586 |
1,22 |
|
|
14 |
0,055 |
0,108 |
0,195 |
0,337 |
- |
36 |
- |
- |
0,361 |
0,611 |
1,26 |
||
|
16 |
0,061 |
0,118 |
0,210 |
0,361 |
- |
38 |
- |
- |
0,376 |
0,636 |
1,30 |
||
|
18 |
0,066 |
0,128 |
0,225 |
0,386 |
0,92 |
40 |
- |
- |
0,391 |
0,661 |
1,34 |
||
|
20 |
± 0,40 |
0,071 |
0,138 |
0,240 |
0,412 |
0,94 |
42 |
- |
- |
- |
0,686 |
1,39 |
|
|
22 |
0,076 |
0,148 |
0,255 |
0,436 |
0,97 |
44 |
- |
- |
- |
- |
1,43 |
||
|
24 |
0,080 |
0,157 |
0,271 |
0,460 |
1,00 |
46 |
- |
- |
- |
- |
1,48 |
||
|
26 |
0,087 |
0,166 |
0,286 |
0,485 |
1,04 |
48 |
- |
- |
- |
- |
1,62 |
||
|
28 |
0,094 |
0,175 |
0,301 |
0,511 |
1,09 |
50 |
- |
- |
- |
- |
1,67 |
||
|
30 |
0,100 |
0,185 |
0,316 |
0,536 |
1,13 |
- |
- |
- |
- |
- |
- |
- |
|
Пример условного обозначения винта диаметром резьбы d = 8 мм, с крупным шагом резьбы и полем допуска 6e, длиной L = 40 мм, из материала с условной маркировкой 66, с покрытием 01 толщиной 9 мкм:
Винт М8-6е´40.66.019 ОСТ 92-0724-72
3.2 Винты должны быть изготовлены из материалов, указанных в таблице 3.
|
Марка материала |
Условная маркировка марки материала |
Марка материала |
|
|
66 |
Сталь 45 |
21 |
Сталь 12X18H10T |
|
43 |
Сталь 30ХГСА |
55 |
Сталь 09X16Н4Б |
|
44 |
|
|
3.3* Шероховатость поверхностей винтов из нержавеющих сталей по ОСТ 92-0748.
3.5 Условная маркировка марки материала, покрытия и остальные технические требования по ОСТ 92-0748.
Ключевые слова: винт, полукруглая головка