Документы по стандартизации

Конструкции металлические

«ЦНИИПСК им. Мельникова»

ОАО «ПИ Нефтеспецстройпроект»

ФГУП ПИИ «Фундаментпроект»

 

СТАНДАРТ ОРГАНИЗАЦИИ

РЕЗЕРВУАРЫ ВЕРТИКАЛЬНЫЕ ЦИЛИНДРИЧЕСКИЕ
СТАЛЬНЫЕ ДЛЯ ХРАНЕНИЯ ЖИДКИХ ПРОДУКТОВ

Правила проектирования

СТО 0048-2005

 

 

Москва

2005

 

ЗАО «ЦНИИПСК им. Мельникова»

ОАО «ПИ Нефтеспецстройпроект»

ФГУП ПИИ «Фундаментпроект»

 

СТАНДАРТ ОРГАНИЗАЦИИ

 

Предисловие

1 РАЗРАБОТАН ЗАО Центральный ордена Трудового Красного Знамени научно-исследовательский и проектный институт строительных металлоконструкций им. Мельникова (ЗАО «ЦНИИПСК им. Мельникова»)

ОАО «Проектный институт Нефтеспецстройпроект» (ОАО «ПИ Нефтеспецстройпроект»)

ФГУП ПИИ «Фундаментпроект»

2 ВНЕСЕН организациями-разработчиками стандарта

3 ПРИНЯТ на научно-техническом Совете ЦНИИПСК им. Мельникова от 23 декабря 2004 г. с участием представителей организаций-разработчиков стандарта

4 ВВЕДЕН впервые

5 Разработка, согласование, утверждение, издание (тиражирование), обновление (изменение или пересмотр) и отмена настоящего стандарта производится организациями-разработчиками

 

СОДЕРЖАНИЕ

1 Область применения. 3

2 Нормативные ссылки. 4

3 Общие положения. 4

4 Материалы для элементов резервуаров. 7

4.1 Общие требования. 7

4.2 Выбор материалов. 8

4.3 Углеродный эквивалент. 9

4.4 Расчетная температура металла. 9

4.5 Требования к ударной вязкости. 9

4.6 Сварочные материалы.. 10

4.7 Материал болтов и гаек. 10

5 Требования к конструктивным решениям элементов резервуара. 15

5.1 Общие положения. 15

5.2 Общие требования к сварным соединениям.. 15

5.3 Конструкция днища. 16

5.4 Конструкция стенки. 17

5.5 Стационарные крыши. 21

5.6 Плавающие крыши. 24

5.7 Понтоны.. 26

5.8 Патрубки и люки-лазы в стенке. 28

5.9 Патрубки и люки в крыше. 33

5.10 Зачистные люки и приямки. 34

5.11 Лестницы, площадки, переходы.. 37

5.12 Конструктивные элементы, присоединяемые к стенке резервуара. 39

5.13 Анкерное крепление стенки. 40

6 Общие требования к изготовлению конструкций. 40

7 Требования к проекту производства работ на монтаж резервуаров. 41

7.1 Состав ППР. 41

7.2. Требования по обеспечению точности геометрических параметров резервуара. 42

8 Сварка резервуаров и контроль качества сварных соединений. 43

8.1 Общие требования. 43

8.2 Классификация сварных соединений резервуаров. 45

8.3 Конструктивные требования к сварным соединениям.. 45

8.4 Рекомендуемые способы сварки. 45

8.5 Контроль качества сварных соединений. 47

8.6 Классификация и нормирование дефектов. 49

9 Основные требования к испытанию резервуаров. 50

10 Долговечность и регламент обслуживания резервуаров. 51

11 Антикоррозионная защита. 53

12 Оборудование для безопасной эксплуатации резервуаров. 54

12.1 Технологическое оборудование. 54

12.2 Контрольно-измерительные приборы и автоматика. 55

12.3 Устройства пожарной безопасности на резервуарах для нефти и нефтепродуктов. 56

12.4 Устройства молниезащиты резервуаров. 56

13 Основания и фундаменты.. 57

Приложение А Перечень нормативной литературы.. 59

Приложение Б Требования к конструкции сварных соединений, подготовке кромок, форме и размерам сварных швов конструктивных элементов резервуаров. 61

Приложение В Допускаемые нагрузки на патрубки в стенке резервуара. 66

Введение

Настоящий стандарт разработан в соответствии с Федеральным законом «О техническом регулировании» № 184-ФЗ, Федеральным законом от 21.07.97 № 116-ФЗ «О промышленной безопасности опасных производственных объектов» с внесенными изменениями от 10 января 2003 г. и предназначен для проектных организаций, изготовителей резервуаров и монтажных организаций.

Стандарт может применяться организациями, выполняющими работы по проектированию резервуаров, если эти организации имеют сертификаты соответствия, выданные Органом по сертификации в системе добровольной сертификации, созданной организациями разработчиками стандарта.

Организации разработчики не несут никакой ответственности за использование данного стандарта организациями, не имеющими сертификатов соответствия.

Необходимость разработки стандарта продиктована тем, что опыт, накопленный организациями разработчиками стандарта, а также отечественными проектными организациями содержится в нескольких десятках разрозненных нормативных документов (СНиП, ТУ, РД, ВСН, ведомственных правилах и т.п.), частично устаревших и не охватывающих в целом проблему строительства резервуаров.

Основной целью стандарта является создание современной нормативной базы по вопросам расчета и проектирования резервуаров, а также повышения их долговечности.

При проектировании резервуаров, предназначенных для эксплуатации в России, допускается использование зарубежных стандартов вместе с разработкой специальных технических условий.

При разработке стандарта проанализированы и учтены:

- законодательная, правовая и нормативно-техническая документация по вопросам обеспечения промышленной безопасности, проектирования изготовления и монтажа резервуаров;

- практический опыт проектирования, монтажа и эксплуатации резервуаров;

- результаты обследований резервуарных парков;

- некоторые зарубежные стандарты;

- предложения предприятий, организаций, объединений и специалистов.

Замечания и предложения по дополнениям и изменениям настоящего стандарта просим направлять по адресу: 117393 Москва, ул. Архитектора Власова, 49, ЗАО «ЦНИИПСК им. Мельникова», факс: 960-22-77, E-mail: centr@stako.ru, телефон для справок: (095) 128-08-63.

 

СТАНДАРТ ОРГАНИЗАЦИИ

РЕЗЕРВУАРЫ ВЕРТИКАЛЬНЫЕ ЦИЛИНДРИЧЕСКИЕ
СТАЛЬНЫЕ ДЛЯ ХРАНЕНИЯ ЖИДКИХ ПРОДУКТОВ

Правила проектирования

Утвержден и введен в действие:

Приказом ЗАО «ЦНИИПСК им. Мельникова» от 25 апреля 2005 г. № 77

Приказом ОАО «ПИ Нефтеспецстройпроект от 26 апреля 2005 г. № 6

Приказом ФГУП ПИИ «Фундаментпроект» от 3 мая 2005 г. № 57

Дата введения 2005-05-20

1 Область применения

Настоящий стандарт распространяется на стальные конструкции вертикальных цилиндрических резервуаров (далее резервуары) объемом от 100 м3 и более, предназначенных для наземного хранения жидких продуктов, работающих при избыточном давлении не более 5,0 кПа и относительном вакууме не более 0,8 кПа в условиях квазистатического и малоциклового нагружения, сооружаемых в районах с расчетной температурой наружного воздуха минус 65 °С и выше.

Стандарт не распространяется на резервуары изотермические (хранение сжиженных газов), баки-аккумуляторы для горячей воды и резервуары для хранения агрессивных химических продуктов.

2 Нормативные ссылки

В настоящем стандарте использованы ссылки на нормативные документы, перечень которых приведен в приложении А.

3 Общие положения

3.1 Строительство резервуаров должно проводиться в соответствии с рабочими чертежами КМ (конструкции металлические) и проектом производства работ (ППР), требованиями настоящего стандарта, строительных норм и правил (СНиП).

В процессе строительства резервуара организации, разработавшие проектную документацию, в установленном порядке осуществляют авторский надзор.

Для обеспечения качественного строительства резервуаров заказчик может привлечь стороннюю организацию с целью осуществления независимого технического надзора за изготовлением и монтажом сооружения в соответствии с требованиями РД 08-296-99.

3.2 Требования к чертежам КМ

3.2.1 Рабочие чертежи металлических конструкций резервуаров (чертежи марки КМ) должны выполняться в соответствии с требованиями СТО 02494680-0035-2003.

В состав чертежей марки КМ должны входить следующие разделы:

- общие данные;

- чертежи общего вида резервуара;

- схемы расположения элементов металлоконструкций;

- чертежи элементов металлоконструкций;

- узлы металлоконструкций;

- спецификация металлопроката;

- задание на проектирование фундаментов.

Чертежи марки КМ должны содержать все данные, необходимые и достаточные для разработки деталировочных чертежей КМД.

3.2.2 В состав раздела «Общие данные» должны входить следующие подразделы:

- ведомость рабочих чертежей;

- общие указания;

- основные расчетные данные и показатели резервуара;

- материалы (требования к металлопрокату, требования к сварным соединениям);

- сведения о конструкции резервуара;

- основные требования к изготовлению конструкций резервуара;

- основные требования к монтажу резервуара;

- контроль качества сварных соединений;

- испытание и приемка резервуара;

- указания по защите конструкций от коррозии;

- требования к основанию и фундаменту;

- долговечность и регламент обслуживания резервуара.

3.2.3 Состав проекта производства работ представлен в разделе 7.

3.3 Состав технического задания

3.3.1 Техническое задание оформляется в соответствии с требованиями СТО СМК 31-2005.

3.3.2 Исходные данные для проекта КМ:

- геометрические параметры или объем резервуара;

- тип резервуара: со стационарной крышей (с понтоном или без понтона), с плавающей крышей и другие конструктивные особенности;

- район строительства;

- наименование хранимого продукта с указанием наличия вредных примесей в продукте (содержание серы, сульфидов водорода и т.д.) для обеспечения необходимых мероприятий;

- удельный вес продукта;

- максимальную и минимальную температуру продукта;

- избыточное давление и относительное разрежение;

- нагрузку от теплоизоляции;

- схему расположения и нагрузки от технологического оборудования;

- потребность в зачистных люках и зумпфах;

- оборачиваемость продукта (изменение уровня налива продукта во времени);

- срок службы резервуара;

- припуск на коррозию элементов резервуара.

Данные должны быть согласованы Заказчиком и Проектировщиком.

3.4 Исходные данные для ППР

Исходными данными для разработки ППР являются:

- задание на разработку ППР, в котором должны быть указаны сроки начала и окончания монтажных работ, или нормативная продолжительность, основные решения по организации и технологии монтажа, предполагаемые для использования грузоподъемные и транспортные механизмы и другое оборудование;

- проект конструкций металлических резервуара (проект КМ);

- рабочие чертежи конструкций резервуара завода-изготовителя (КМД);

- генеральный план монтируемого объекта с указанием главных осей резервуара;

- рабочие чертежи строительной части (фундамента) и трубопроводов.

3.5 Уровень ответственности резервуара

3.5.1 Уровень ответственности резервуара - степень опасности (риска), возникающая при аварии резервуара для здоровья и жизни граждан, имущества физических или юридических лиц, государственного или муниципального имущества, экологической безопасности, а также здоровья или жизни животных и растений.

3.5.2 В зависимости от объема и места расположения вертикальные цилиндрические резервуары в соответствии с ПБ 03-605-03 подразделяются на три уровня ответственности:

Уровень I - особо опасные резервуары: объемами 10000 м3 и более, а также резервуары объемами 5000 м3 и более, предназначенные для хранения нефти и нефтепродуктов и расположенные непосредственно по берегам рек, крупных водоемов и в черте городской застройки.

Уровень II - резервуары повышенной опасности: объемами от 5000 до 10000 м3.

Уровень III - опасные резервуары: объемами от 100 до 5000 м3.

3.5.3 Степень ответственности (опасности) учитывается при проектировании специальными требованиями к материалам, объемам контроля качества, а также при расчете с использованием коэффициента надежности по назначению.

3.6 Конструктивные особенности

Резервуары подразделяются на следующие типы:

а) РВС - резервуар вертикальный со стационарной крышей;

б) РВСП - резервуар вертикальный со стационарной крышей и понтоном;

в) РВСПК - резервуар вертикальный с плавающей крышей.

3.7 Основные размеры

3.7.1 Рекомендуемые основные размеры резервуаров должны соответствовать указанным на рисунке 3.1 и в таблице 3.1.

Таблица 3.1

Условный объем, м3

Тип резервуара

РВС, РВСП

РВСПК

внутренний диаметр, Д, м

высота стенки*, Н, м

внутренний диаметр, Д, м

высота стенки*, Н, м

1

2

3

4

5

100

4,73

6,0

-

-

200

6,63

300

7,58

7,5

400

8,53

700

10,43

9,0

1000

12,0

12,33

9,0

2000

15,18

15,18

12,0

3000

18,98

18,98

5000

22,8

22,8

20,92

15,0

10000

28,5

18,0

28,5

18,0

34,2

12,0

34,2

12,0

20000

39,9

18,0

39,9

18,0

47,4

12,0

 

30000

45,6

18,0

45,6

18,0

40000

56,9

56,9

50000

60,7

60,7

100000

-

-

95,4

18,0

* - уточняется в зависимости от ширины листов стенки

Рисунок 3.1

По заказу потребителя допускается изготовление резервуаров других габаритов и объемов.

4 Материалы для элементов резервуаров

4.1 Общие требования

4.1.1 Стали, используемые в конструкциях резервуаров, должны удовлетворять требованиям соответствующих стандартов и технических условий, а также дополнительным требованиям проектной документации.

4.1.2 Все элементы конструкций по требованиям к материалам разделяются на две группы:

·                         Основные конструкции:

А - стенка, привариваемые к стенке листы днища или кольцевые окрайки, обечайки люков и патрубков в стенке и фланцы к ним, привариваемые к стенке усиливающие накладки, опорное (верхнее) кольцо жесткости;

Б - центральная часть днища, анкерные крепления, каркас крыши (включая фасонки), настил крыши, самонесущие конические крыши, плавающие крыши, промежуточные кольца жесткости, обечайки люков и патрубков на крыше, включая фланцы к ним.

·                         Вспомогательные конструкции: лестницы, площадки ограждения и др.

4.1.3 Применяемый прокат по точности изготовления (ширине, толщине, длине и плоскостности, серповидности), наличию дефектов прокатки и качеству поверхности должен удовлетворять требованиям соответствующих стандартов, технических условий и требованиям проектной документации.

4.2 Выбор материалов

4.2.1 Для основных конструкций подгруппы А должны применяться только спокойные (полностью раскисленные) низкоуглеродистые и низколегированные стали по ГОСТ 27772, ГОСТ 14637, ГОСТ 19281, ГОСТ 535 и техническим условиям, согласованным в установленном порядке и указанным в проектной документации.

Для основных конструкций подгруппы Б должна применяться спокойная или полуспокойная сталь по ГОСТ 27772.

Для вспомогательных конструкций наряду с вышеперечисленными сталями с учетом температурных условий эксплуатации возможно применение стали С235 по ГОСТ 27772.

4.2.2 Листовой прокат, предназначенный для изготовления элементов конструкций, должен удовлетворять следующим требованиям:

- ширина: 1500 - 3000 мм;

- длина: 6000 - 12000 мм;

- класс сплошности 0; 1 по ГОСТ 22727 (неконтролируемые зоны не должны превышать: у продольной кромки - 5 мм, у поперечной - 10 мм).

4.2.3 По требованию Заказчика допускается применять для конструкций резервуаров стали по другим международным и национальным стандартам и техническим условиям. При этом требования к характеристикам проката и качеству стали не должны быть ниже соответствующих требований к сталям, рекомендованных настоящим стандартом.

4.2.4 Выбор марки стали для основных элементов конструкций группы А производится с учетом требуемого класса прочности (минимального гарантированного предела текучести) и соответствующей толщины проката, а также необходимой хладостойкости (в т.ч. при расчетной температуре металла).

Для основных конструкций группы А выбор стали производится с использованием характеристик стали (прочности, пластичности и хладостойкости - KCU и KCV), нормируемых настоящим стандартом, а также действующими СНиПами и государственными стандартами.

Для основных (группа Б) и вспомогательных конструкций выбор стали производится по характеристикам, которые нормируются действующими СНиПами и стандартами.

4.2.4.1 Хладостойкость по KCU - используется при выборе марки стали в условиях сохранения в существующих ГОСТах и ТУ сведений о хладостойкости сталей на образцах Менаже.

4.2.5 Материал и типы фланцев принимаются в соответствии с ГОСТ 12816 с учетом условного давления и температуры эксплуатации.

4.3 Углеродный эквивалент

4.3.1 Углеродный эквивалент стали определяется по формуле:

где С, Mn, Si, Cr, Ni, Cu, V, Р - массовые доли углерода, марганца, кремния, хрома, никеля, меди, ванадия и фосфора.

4.3.2 Значение углеродного эквивалента (Сэ) стали указывается в проектной документации и при заказе металлопроката:

- для стали с σт ≤ 345 МПа                     - Сэ ≤ 0,43;

- для стали с 345 < σт ≤ 390 МПа          - Сэ = 0,44... 0,48;

- для стали с σт > 390 МПа                     - Сэ = 0,49... 0,51.

4.4 Расчетная температура металла

4.4.1 За расчетную температуру металла принимается наиболее низкое из двух следующих значений:

- минимальная температура складируемого продукта;

- температура наиболее холодных суток для данной местности (минимальная среднесуточная температура), повышенная на 5 °С.

Примечание - При определении расчетной температуры металла не принимаются во внимание температурные эффекты специального обогрева и теплоизолирования резервуаров.

4.4.2 Температура наиболее холодных суток для данной местности определяется с обеспеченностью 0,98 по таблице температур наружного воздуха СНиП 23-01-99.

4.4.3 Для резервуаров с рулонной технологией сборки расчетная температура металла, принимаемая по п. 4.4.1, при толщинах свыше 10 мм понижается на 5 °С.

4.5 Требования к ударной вязкости

4.5.1 Ударная вязкость листового проката определяется на поперечных образцах с V-образным надрезом типа 11 (толщина листа 10 мм и более), типа 12 (толщина листа от 7,5 мм до 10 мм) и типа 13 (толщина листа от 5 мм до 7,5 мм) по ГОСТ 9454.

Ударная вязкость сортового и фасонного проката определяется аналогично на продольных образцах.

4.5.2 Испытанию при заданной температуре подвергаются три образца от партии (листа). Среднее значение ударной вязкости должно быть не менее нормируемой величины (п. 4.5.5), при этом на одном образце допускается снижение ударной вязкости на 30 % менее нормируемой величины.

4.5.3 Порядок проведения испытаний и испытательное оборудование должны соответствовать требованиям ГОСТ 9454.

4.5.4 Выбор температуры испытаний

4.5.4.1 Для стали с гарантированным минимальным пределом текучести 390 МПа и ниже температура испытаний определяется по графику на рис. 4.1. При этом учитывают гарантированный минимальный предел текучести, расчетную температуру металла и толщину проката.

4.5.4.2 Для листов с гарантированным минимальным пределом текучести выше 390 МПа температура испытаний должна быть не выше расчетной температуры металла.

4.5.4.3 Назначенная температура испытаний должна быть указана в проектной документации.

4.5.5 Нормируемая величина ударной вязкости

4.5.5.1 Нормируемая величина ударной вязкости листового проката составляет:

- для стали с пределом текучести 345 МПа и ниже - 35 Дж/см2;

- для стали с более высоким пределом текучести - 50 Дж/см2.

4.5.5.2 Для листового проката с пределом текучести 315 МПа и ниже допускается уменьшение нормируемого уровня ударной вязкости до 30 Дж/см2. При этом при испытаниях допускается снижение ударной вязкости на одном из трех образцов на 5 % ниже нормируемой величины.

4.5.5.3 Для фасонного проката нормируемое значение ударной вязкости марки стали повышается по сравнению с листовым прокатом на 20 Дж/см2.

4.6 Сварочные материалы

Материалы для сварки (электроды, сварочная проволока, флюсы, защитные газы) должны выбираться в соответствии с требованиями технологического процесса изготовления и монтажа конструкций и выбранных марок стали. При этом применяемые сварочные материалы и технология сварки должны обеспечивать механические свойства сварного шва не ниже свойств, установленных требованиями для рекомендуемых в настоящем стандарте выбранных сталей.

4.7 Материал болтов и гаек

4.7.1 Материалом монтажных болтов и гаек, временно используемых при сборке элементов вспомогательных конструкций (площадок, лестниц, ограждений), а также крыш, опорных колец и т.п., допускается сталь марок 20пс или 20 по ГОСТ 1050.

4.7.2 При выборе материала болтов и гаек для фланцевых присоединений трубопроводов к патрубкам следует учитывать расчетную температуру металла. При расчетной температуре до -40 °С включительно для болтов и гаек рекомендуется сталь марки Ст3сп5 по ГОСТ 535, при расчетной температуре от -40 °С до -50 °С включительно - сталь марки 09Г2С категории 12 по ГОСТ 19281, при расчетной температуре ниже -50 °С - сталь марки 09Г2С категории 13 по ГОСТ 19281.


Рисунок 4.1


4.7.3 Выбор марок стали для фундаментных болтов рекомендуется производить по ГОСТ 24379.0.


Таблица 4.1

Наименование (марка) стали

№ стандарта или технических условий

С

Mn

Si

S

P

Cr

Ni

Cu

Ti

Al

V

Nb

N

Другие элементы

Углеродный эквивалент

не более

1

2

3

4

5

6

7

8

9

10

11

12

13

14

15

16

17

Ст3сп5

ГОСТ 27772

≤ 0,22

≤ 0,65

0,15 - 0,30

0,050

0,040

0,30

0,30

0,30

-

0,020

-

-

≤ 0,008 мартен.

As ≤ 0,08

 

С 315

ТУ 14-104-133-92

≤ 0,22

≤ 0,65

0,15 - 0,30

0,030

0,035

0,30

0,30

0,30

-

-

-

-

 

 

 

09Г2С-12 (345-3)

ГОСТ 27772

≤ 0,15

1,30 - 1,70

≤ 0,80

0,040

0,035

0,30

0,30

0,30

-

-

-

-

≤ 0,008 мартен

As ≤ 0,08

 

09Г2С-15 (345-4)

≤ 0,012 эл. печь

09Г2У

ТУ 14-1-5136-92

≤ 0,12

1,4 - 1,8

0,17 - 0,37

0,010

0,030

0,30

0,30

0,30

-

-

-

-

≤ 0,012

по расчету Са 0,002 - 0,01

 

08Г2Б

ТУ 14-104-159-96

≤ 0,09

0,85 - 1,35

0,15 - 0,40

0,010

0,030

0,3

0,40 - 0,65

0,3

-

-

-

0,02-0,4

-

по расчету Са 0,002 - 0,01

 

10Г2ФБ

ТУ 14-1-4083-86

0,09 - 0,12

1,55 - 1,75

0,15 - 0,35

0,006

0,020

0,30

0,30

0,30

≤ 0,035

0,05

0,09 - 0,12

0,02 - 0,12

≤ 0,010

-

≤ 0,43

09ГБЮ

ТУ 14-1-4358-87

0,08 - 0,11

1,1 - 1,4

≤ 0,3

0,006

0,025

0,30

0,30

0,30

-

0,02 - 0,05

-

0,06 - 0,08

≤ 0,010

Са 0,004

≤ 0,38

10Г2СБ

ТУ 14-1-5270-94

≤ 0,13

1,38 - 1,8

0,25 - 0,50

0,020

0,025

0,30

0,30

0,30

0,005 - 0,02

0,01 - 0,06

0,10

0,03 - 0,05

≤ 0,12

-

≤ 0,44

08Г2Б-У

ТУ 14-1-4349-87

0,07 - 0,11

1,45 - 1,65

0,2 - 0,4

0,010 - 0,006

0,020

0,30

0,30

0,30

0,015 - 0,04

≤ 0,05

 

0,025 - 0,45

≤ 0,010

-

≤ 0,43

08Г2БТ-У

0,07 - 0,09

0,01 - 0,03

С590К (12ГН2МФАЮ)

ГОСТ 27772

≤ 0,14

0,90 - 1,4

0,020 - 0,50

0,035

0,035

0,20 - 0,50

1,40 - 1,75

0,30

-

0,05 - 0,10

0,05 - 0,1

 

0,02 - 0,03

Мo 0,15 - 0,25

 

112ГН2М ФАЮ-У

ТУ 14-104-167-97

0,09 - 0,14

0,09 - 0,14

0,2 - 0,5

0,010

0,020

0,20 - 0,50

1,40 - 1,75

0,30

-

0,02 - 0,05

0,05 - 0,10

-

0,02 - 0,03

Мо 0,15 - 0,25

Са 0,002 - 0,01

 

* При введении ванадия сталь марки 10Г2СБ обозначается 10Г2СФБ.

Таблица 4.2

Наименование или марка стали*3

Толщина листа, мм

Предел текучести, Н/мм2*

Времен, сопротивление, Н/мм2*

Относительн. удлинение, %

Изгиб до параллельности сторон

Ударная вязкость KCV, Дж/см2 *2

+20

+10

0

-10

-15

-20

-30

-35

-40

-50

-60

после мех. старения при 20 °С

не менее

 

 

 

 

 

 

 

 

 

 

 

 

1

2

3

4

5

6

7

8

9

10

11

12

13

14

15

16

17

18

С255 (Ст3сп5)

от 4 до 10 вкл.

245

380

25

d = 1,5а*1

 

 

35

30

 

 

 

 

 

 

 

30

ГОСТ 27772

св. 10 до 20

245

370

25

d = 1,5 а

 

35

30

 

 

 

 

 

 

 

 

30

св. 20 до 40

235

370

25

d = 2,0а

35

30

 

 

 

 

 

 

 

 

 

30

С315

до 10 вкл.

315

440

21

d = 2,0а

 

 

 

35

30

 

 

 

 

 

 

30

ТУ 14-104-133-92

св. 10 до 20

296

420

21

d = 2,0 а

 

 

 

35

30

 

 

 

 

 

 

30

св. 20 до 40

275

400

21

d = 2,0а

 

 

35

30

 

 

 

 

 

 

 

30

св. 40 до 50

255

390

21

d = 2,0а

 

 

 

 

 

 

 

 

 

 

 

30

С345-3 (09Г2С-12)

от 4 до 10 вкл.

345

490

21

d = 2а

 

 

 

 

 

 

 

 

35

 

 

35

С345-4 (09Г2С-15)

св. 10 до 20

325

470

21

d = 2а

 

 

 

 

 

 

 

35

 

 

 

35

св. 20 до 40

305

460

21

d = 2а

 

 

 

 

 

 

35

 

 

 

 

35

ГОСТ 27772

св. 40 до 60

285

450

21

d = 2а

 

 

 

 

 

35

 

 

 

 

 

35

09Г2У

от 8 до 20 вкл.

305

440 - 640

21

d = 2а

 

 

 

 

 

 

 

 

35

 

 

35

ТУ 14-1-5136-92

св. 20 до 32

295

440 - 640

21

d = 2а

 

 

 

 

 

 

 

 

35

 

 

35

08ГНБ

ТУ 14-104-159-96

от 8 до 25 вкл.

350

500

26

d = 2а

 

 

 

 

 

 

 

 

 

 

50

35

10Г2ФБ

от 4 до 9

450

550

22

d = 2а

 

 

 

 

 

 

60

50

35

 

 

35

ТУ 14-1-4083-86

от 10 до 28 вкл.

430

520

17

d = 2а

 

 

 

 

60

50

 

 

35

 

 

35

09ГБЮ

ТУ 14-1-4358-87

от 4 до 12 вкл.

390

550

23

d = 2а

 

 

 

 

 

 

 

 

60

 

 

35

10Г2СБ

от 8 до 15 вкл.

480 - 600

590 - 690

22

d = 2а

 

 

 

 

 

50

 

 

 

 

 

 

ТУ-14-1-5270-94

св. 15 до 25

480 - 600

590 - 690

22

d = 2а

 

 

 

 

 

50

 

 

 

 

 

 

08Г2БТ-У, 08Г2Б-У

ТУ 14-1-4349-87

от 8 до 16 вкл.

480 - 580

590 - 690

22

d = 2а

 

 

 

 

 

70

50

 

 

 

 

50

С590 К

ГОСТ 27772-88

от 10 до 40 вкл.

590

685

14

d = 3а

 

 

 

 

 

 

50

 

35

 

 

35

122ГН2М ФАЮ-У

ТУ 14-104-167-97

от 10 до 40 вкл.

690 - 785

690 - 880

14

d = 3а

 

 

 

 

 

 

 

 

50

 

35

35

*1 d - диаметр оправки, а - толщина образца;

*2 при изменении для марки стали нормируемого значения ударной вязкости область применения его меньшего значения ограничивается температурой, при которой нормируется большее значение ударной вязкости;

*3 для сталей С255, С315, С345-3, С345-4, С590, 09Г2У разрешается вплоть до 2002 года аттестацию качества стали проводить на образцах типа Менаже.


5 Требования к конструктивным решениям элементов резервуара

5.1 Общие положения

5.1.1 Днище, стенка и настил крыши могут выполняться как в полистовом, так и в рулонном исполнении. Полистовое исполнение предусматривает изготовление и монтаж элементов резервуара из отдельных листов. Полотнища элементов резервуара изготавливаются на заводе в виде рулонов, впоследствии разворачиваемых в проектное положение при монтаже резервуара. Масса полотнищ должна определяться возможностями их транспортировки и монтажа.

5.1.2 Крыша резервуара может быть стационарной, опирающейся на стенку резервуара, и плавающей на поверхности продукта.

5.1.3 С целью уменьшения потерь продукта за счет его испарения в резервуарах со стационарной крышей используются понтоны. Необходимость установки понтонов определяется характеристиками хранимого продукта и технологическими особенностями эксплуатации резервуарного парка.

5.1.4 Лестницы для доступа на крышу резервуара могут быть шахтными, кольцевыми, наклонными (для резервуаров со стационарными крышами) и катучими (для резервуаров с плавающими крышами).

5.1.5 Конструкции элементов резервуаров и требования, предъявляемые к ним, представлены в соответствующих подразделах.

5.2 Общие требования к сварным соединениям

5.2.1 Конструктивные элементы сварных соединений и швов, как правило, должны соответствовать требованиям стандартов на применяемый вид сварки:

для ручной дуговой сварки:

- сварные соединения - ГОСТ 5264;

- сварные соединения под острыми и тупыми углами - ГОСТ 11534;

для автоматической и полуавтоматической сварки под флюсом:

- сварные соединения - ГОСТ 8713;

для дуговой сварки в среде защитных газов:

- сварные соединения - ГОСТ 14771;

- сварные соединения под острыми и тупыми углами - ГОСТ 23518.

5.2.2 Сварные швы соединений должны быть плотно-прочными и соответствовать основному металлу по показателям стандартных механических свойств металла шва: пределу текучести, временному сопротивлению, относительному удлинению.

5.2.3 Для улучшения коррозионной стойкости металл шва и основной металл по химическому составу должны быть близки друг к другу.

5.2.4 Применяемая технология сварки должна обеспечивать минимальные сварочные деформации и перемещения элементов конструкций.

5.2.5 Прихватки не рассчитываются на силовые воздействия.

5.2.6 Стыковые соединения деталей неодинаковой толщины при разнице, не превышающей значений, указанных в таблице 5.1, могут выполняться так же, как и деталей одинаковой толщины; конструктивные элементы разделки кромок и размеры сварного шва следует выбирать по большей толщине.

Таблица 5.1

Толщина тонкой детали, мм

Допускаемая разница толщины, мм

до 4 вкл.

1

свыше 4 до 20 вкл.

2

свыше 20 до 30 вкл.

3

При разности в толщине свариваемых деталей свыше значений, указанных в таблице 5.1, на детали, имеющей большую толщину, должен быть сделан скос под углом 15° с одной или с двух сторон до толщины тонкой детали. При этом конструкцию разделки кромок и размеры сварного шва следует выбирать по меньшей толщине.

5.2.7 Максимальные катеты угловых сварных швов не должны превышать 1,2 толщины более тонкой детали в соединении.

Для деталей толщиной 4 - 5 мм катет углового сварного шва должен быть равен 4 мм. Для деталей большей толщины катет углового шва определяется расчетом или конструктивно, но должен быть не менее 5 мм.

5.2.8 Заводские сварные соединения рулонных заготовок выполняются встык.

5.2.9 Нахлесточное соединение со сваркой с одной стороны допускается при сборке днища и крыши из рулонных заготовок с величиной нахлестки не менее 30 мм. При полистовой сборке днищ и крыш допускаются сварные соединения листов встык на подкладке и нахлесточные соединения с величиной нахлестки 5t, но не менее 30 мм.

5.2.10 Требования к сварным соединениям элементов резервуаров представлены в приложении Б.

5.3 Конструкция днища

5.3.1 Днища резервуаров могут быть плоскими или коническими с уклоном от центра или к центру.

5.3.2 Все листы днища резервуаров объемом 1000 м3 и менее должны иметь номинальную толщину не менее 4 мм (без учета припуска на коррозию).

Днища резервуаров объемом от 2000 м3 и более должны иметь центральную часть и утолщенные кольцевые окрайки. Все листы центральной части днища указанных резервуаров должны иметь номинальную толщину не менее 4 мм, исключая припуск на коррозию.

5.3.3 Толщина кольцевых окраек должна быть не менее величин, приведенных в таблице 5.2 (без учета припуска на коррозию).

Таблица 5.2

Толщина нижнего пояса стенки резервуара, мм

Минимальная толщина кольцевой окрайки, мм

до 7 вкл.

6

8 - 11 вкл.

7

12 - 16 вкл.

9

17 - 20 вкл.

12

21 - 26 вкл.

14

свыше 26

16

5.3.4 Класс прочности материала окраек должен соответствовать классу прочности материала нижнего пояса стенки.

5.3.5 Кольцо из листов окраек должно быть круговой формы с внешней стороны, внутренняя граница окраек может иметь форму правильного многоугольника с числом сторон равным числу листов окрайки. Радиальная ширина окрайки Вокр. должна определяться расчетом. При этом расстояние между внутренней поверхностью стенки и швом приварки центральной части днища должно быть не менее 550 мм.

где Вокр., tокр. - ширина и толщина листа окрайки соответственно, м;

Н - проектный (максимальный) уровень взлива продукта, м;

γ - плотность продукта, т/м3.

5.3.6 Центральная часть днища выполняется в полистовом или в рулонном исполнении. Рулонные полотнища изготавливаются на заводе из листов, сваренных встык толщиной не более 6 мм. При монтаже центральной части днища полистовым методом применяются нахлесточные и стыковые соединения на остающейся подкладке.

5.3.7 Для резервуаров объемом 1000 м3 и менее соединение рулонных полотнищ в зоне примыкания стенки к днищу выполняется по рисунку 5.1.

Для резервуаров объемом 2000 м3 и более соединение окраек днища выполняется односторонними стыковыми швами на остающейся подкладке 4 мм (рисунок 5.2).

Рисунок 5.2

Для стыковых соединений листов кольцевых окраек необходимо предусмотреть переменный зазор клиновидной формы, учитывающий усадку в процессе сварки. Размеры зазора указываются в ППР.

Величина нахлестки центральной части днища с окрайкой должна быть не менее 50 мм, но не более 100 мм.

5.4 Конструкция стенки

5.4.1 Вертикальные соединения стенки

Вертикальные соединения стенки должны выполняться двусторонними стыковыми швами с полным проплавлением по толщине листов. Вертикальные соединения листов в прилегающих поясах стенки должны быть смещены друг относительно друга на расстояние не менее 8t, где t - наибольшая из толщин листов прилегающих поясов.

Для резервуаров III уровня ответственности при изготовлении стенки из рулонных полотнищ допускаются вертикальные заводские и монтажные стыковые соединения без смещения.

Вертикальные соединения первого пояса стенки должны располагаться на расстоянии не менее 100 мм от стыков окраек днища.

5.4.2 Горизонтальные соединения стенки

Горизонтальные соединения листов должны выполняться двусторонними стыковыми швами с полным проплавлением. Листы вышележащего пояса должны располагаться в пределах толщины листа нижележащего пояса. Взаимное расположение листов соседних поясов устанавливается проектом.

5.4.3 Соединение днища со стенкой (рисунок 5.3)

Для резервуаров с толщиной листов нижнего пояса стенки 20 мм и менее допускается тавровое сварное соединение без разделки кромок. Размер катета каждого углового шва должен быть не более 12 мм и не менее номинальной толщины окрайки. Для резервуаров с толщиной листов нижнего пояса стенки более 20 мм должно применяться тавровое сварное соединение с частичной разделкой кромок. Сварные швы должны выполняться как минимум в два прохода.

5.4.4 Расчетные значения толщины листов стенки

Расчетные значения толщины листов стенки должны определяться исходя из проектного уровня налива продукта или воды при гидроиспытаниях. Номинальные толщины листов стенки резервуара назначаются с учетом минусового допуска на прокат и могут включать припуск на коррозию.

Рисунок 5.3

5.4.5 Основные требования к расчету стенки

5.4.5.1 Минимальные расчетные значения толщины листов в каждом поясе стенки определяются при действии гидростатической нагрузки:

- значения tе для условий эксплуатации от налива продукта до проектного уровня;

- значения tg для условий гидроиспытаний от налива воды до проектного уровня.

Расчетным сечением для каждого пояса стенки является нижняя кромка пояса.

При определении значений tе коэффициент условий работы γс следует принимать не более:

- 0,7 для нижнего пояса стенки;

- 0,8 для остальных поясов стенки.

При определении значений tg коэффициент условий работы γc принимается равным γc = 0,9 для всех поясов стенки.

5.4.5.2 Номинальные значения толщины t листов в каждом поясе стенки принимаются по ГОСТ 19903 с учетом минусового допуска Δ на толщину проката. Номинальные значения толщины листов могут включать припуск С на коррозию, значения которого могут различаться по поясам стенки.

Значения толщины t поясов стенки следует выбирать из сортамента таким образом, чтобы соблюдалось неравенство:

t - Δ ≥ max{tе + С; tg; tk},

где tk - минимальная конструктивная толщина стенки, значения которой приведены в таблице 5.3.

Таблица 5.3

Диаметр резервуара D, м

Толщина стенки, мм

рулонное исполнение

полистовое исполнение

стационарная крыша

плавающая крыша

D < 16

4

4

5

16 < D < 25

6

5

7

25 < D < 35

8

6

9

D > 35

10

8

10

5.4.5.3 Полученные номинальные значения толщины t листов в каждом поясе стенки корректируются при проверке несущей способности стенки, которая выполняется в соответствии с ГОСТ 27751, СНиП 2.01.07-85*, СНиП II-23-81*. СНиП 2.09.03-85*.

При указанной проверке используются расчетные значения толщины поясов, определенные как разность номинальных значений толщины, значений минусового допуска на толщину проката и значений припуска на коррозию: tp = t - Δ - С.

Для сейсмоопасных районов строительства проверка несущей способности стенки включает расчет на сейсмическое воздействие, выполняемый в соответствии со СНиП II-7-81*.

5.4.5.4 При определении расчетных напряжений в поясах стенки учитываются следующие нагрузки и воздействия:

- гидростатическое давление продукта;

- внутреннее избыточное давление в газовоздушном пространстве резервуара;

- внутреннее относительное разрежение в газовоздушном пространстве резервуара;

- нагрузка от собственного веса элементов резервуара;

- нагрузка от веса стационарного оборудования резервуара;

- нагрузка от веса теплоизоляции;

- температурные воздействия;

- снеговая нагрузка для района строительства;

- ветровое давление для района строительства;

- сейсмическое воздействие для сейсмоопасных районов.

5.4.5.5 При проверке прочности стенки следует учитывать коэффициент надежности по ответственности сооружения γn, принимаемый равным:

γn = от 1,1 до 1,2 для резервуаров первого уровня ответственности;

γn = 1,05 для резервуаров второго уровня ответственности;

γn = 1 для резервуаров третьего уровня ответственности.

Значение коэффициента γn для первого уровня ответственности принимается по согласованию с Заказчиком.

Если прочность стенки при действии расчетных нагрузок не обеспечена, следует увеличить толщину стенки.

5.4.5.6 При проверке устойчивости стенка рассматривается как замкнутая круговая цилиндрическая оболочка, шарнирно опертая по краям.

Переменную толщину поясов стенки по высоте при расчете устойчивости следует учитывать введением в расчет стенки постоянной толщины с редуцированной (приведенной) высотой.

Если устойчивость стенки при действии расчетных нагрузок не обеспечена, следует увеличить толщину поясов стенки или (/и) установить дополнительные элементы жесткости.

5.4.5.7 Расчеты прочности и устойчивости стенки резервуара могут быть выполнены методами теории тонкостенных оболочек, а также методом конечного элемента. Граничные условия в месте сопряжения стенки с окрайкой днища следует принимать в виде нулевых радиальных перемещений и изгибающего момента, равного пластическому моменту в окрайке днища.

5.4.6 Кольца жесткости на стенке

5.4.6.1 Для обеспечения устойчивости стенки при различных воздействиях допускается устанавливать промежуточные кольца жесткости.

5.4.6.2 Резервуар с плавающей крышей должен иметь верхнее кольцо жесткости шириной не менее 1200 мм, устанавливаемое на верхнем поясе стенки и используемое в качестве площадки обслуживания.

5.4.6.3 Кольца жесткости должны располагаться на стенке на расстоянии не менее 150 мм от горизонтальных швов стенки.

5.4.6.4 Конструкция крепления элементов колец жесткости к стенке резервуара должна быть указана в проекте. Сварные соединения секций колец между собой должны выполняться стыковыми швами с полным проваром или на накладках.

5.4.6.5 При наличии на резервуаре пожарной системы орошения конструкция колец жесткости должна обеспечивать орошение стенки ниже уровня кольца.

5.4.6.6 Поперечное сечение кольца жесткости на стенке определяется расчетом из условия действия в нем изгибающего момента от ветрового давления. Расположение кольца жесткости на стенке определяется из условия обеспечения устойчивости стенки с учетом расчетных длин участков стенки.

5.5 Стационарные крыши

5.5.1 Общие требования

Конструкции подразделяются на следующие типы:

- самонесущая крыша, имеющая коническую поверхность и образованная оболочкой настила;

- каркасная крыша, имеющая коническую или сферическую поверхность и образованная элементами каркаса и настилом.

Все крыши по периметру опираются на стенку резервуара с использованием кольцевого элемента жесткости. Минимальный размер кольцевого уголка должен быть не менее 63×5.

Минимальная номинальная толщина элементов настила должна составлять 4 мм (без учета припуска на коррозию).

Все элементы и узлы крыши должны быть запроектированы таким образом, чтобы максимальные напряжения в них не превышали расчетных (без учета припуска на коррозию).

5.5.2 Самонесущая коническая крыша (рисунок 5.4)

Геометрические параметры самонесущей конической крыши должны удовлетворять следующим требованиям:

- максимальный и минимальный угол наклона образующей крыши к горизонтальной плоскости должны составлять 30 и 15 градусов соответственно;

- максимальный диаметр резервуара - 10,5 м.

Рисунок 5.4

5.5.3 Каркасная коническая крыша (рисунок 5.5)

Угол наклона образующей крыши к горизонтальной поверхности должен составлять от 6 градусов (уклон 1:10) до 9,5 градусов (уклон 1:6).

5.5.3.1 Рекомендуется применять каркасные конические крыши двух типов:

- сборные щитовые, состоящие из соединенных между собой элементов каркаса и настила;

- с настилом, не приваренным к несущим элементам (каркасу). Щиты и стропила крыш крепятся к стенке резервуара и центральному кольцу.

5.5.3.2 Щиты крыш или полотнища настила свариваются между собой внахлестку сверху непрерывным угловым швом.

5.5.4 Каркасная сферическая крыша

5.5.4.1 Самонесущие сферические крыши должны отвечать следующим требованиям:

- минимальный радиус сферической поверхности равен 0,8D;

- максимальный радиус - 1,5D; где D - диаметр резервуара.

5.5.4.2 Каркасные крыши могут изготавливаться в виде щитов или раздельно: из элементов каркаса и листов настила.

5.5.4.3 Допускается применение стационарных купольных крыш из алюминиевых сплавов.

5.5.5 Требования к расчету стационарных крыш

5.5.5.1 Общие требования

Проверка несущей способности элементов крыши выполняется в соответствии с ГОСТ 27751, СНиП 2.01.07-85*, СНиП II-23-81*, СНиП 2.09.03-85*.

При проверке используются расчетные значения толщины элементов, определенные как разность номинальных значений толщины, значений минусового допуска на толщину проката и значений припуска на коррозию:

tp = t - Δ - С.

Для сейсмоопасных районов строительства проверка несущей способности элементов крыши включает и расчет на сейсмическое воздействие, выполняемый в соответствии со СНиП II-7-81*.

При проверке несущей способности элементов крыши следует учитывать коэффициент надежности по ответственности сооружения γn, принимаемый равным:

γn = 1,1 для резервуаров первого уровня ответственности;

γn = 1,05 для резервуаров второго уровня ответственности;

γn = 1,0 для резервуаров третьего уровня ответственности.

Рисунок 5.5

Расчеты прочности и устойчивости элементов крыши могут быть выполнены методом конечного элемента.

5.5.5.2 Самонесущая коническая крыша

Расчетное значение толщины tp настила определяется из условия устойчивости оболочки при действии расчетных нагрузок:

- от собственного веса;

- от веса стационарного оборудования на крыше;

- от собственного веса теплоизоляции на крыше;

- от веса снегового покрова;

- от внутреннего относительного разрежения в газовоздушном пространстве резервуара.

При определении значений tp коэффициент условий работы γc принимается равным 0,9.

Номинальное значение толщины настила следует выбирать из сортамента таким образом, чтобы соблюдалось неравенство:

t - Δ ≥ max{tp; tk},

где tk - минимальная конструктивная толщина настила, значения которой приведены в п. 5.5.4.2.

Узел сопряжения крыши со стенкой следует проверить на действие кольцевого растягивающего усилия, возникающего от перечисленных выше нагрузок.

В резервуарах, работающих с избыточным внутренним давлением, узел сопряжения крыши со стенкой необходимо также проверить на действие кольцевого сжимающего усилия, возникающего от избыточного давления. При этом следует учитывать минимальные расчетные значения нагрузок от собственного веса элементов крыши, стационарного оборудования и теплоизоляции.

5.5.5.3 Каркасная крыша

Значение толщины t настила следует выбирать из сортамента так, чтобы:

t - Δ ≥ tk,

где tk - минимальная конструктивная толщина настила, значения которой приведены в п. 5.5.5.2.

Элементы каркаса и узел сопряжения крыши со стенкой следует проверять на прочность от воздействия расчетных нагрузок, перечисленных в п. 5.5.5.2. В резервуарах, работающих с избыточным внутренним давлением, элементы каркаса и узел сопряжения крыши со стенкой необходимо также проверить на устойчивость. Если проектом предусмотрена приварка настила к элементам каркаса крыши двусторонними сварными швами, в расчетное поперечное сечение элементов каркаса следует включать непосредственно прилегающие к ним участки настила.

5.6 Плавающие крыши

5.6.1 Общие требования

5.6.1 Плавающие крыши применяются в резервуарах в районах с расчетным весом снегового покрова на 1 м2 горизонтальной поверхности земли до 2,4 кПа включительно.

5.6.1.1 Плавающие крыши могут быть следующих типов:

- плавающая крыша однодечной конструкции с герметичными коробами, расположенными по периметру;

- плавающая крыша двухдечной конструкции, состоящая из герметичных коробов, образующих всю поверхность крыши;

- плавающая крыша поплавкового типа.

5.6.1.3 Плавающие крыши должны быть запроектированы таким образом, чтобы при заполнении и опорожнении резервуара не происходило потопление крыши или повреждение ее конструктивных элементов, а также технологических элементов и приспособлений, находящихся на днище и стенке резервуара.

5.6.2 Расчетные требования

5.6.2.1 Независимо от плотности хранимого в резервуаре продукта плавучесть плавающих крыш должна быть рассчитана на плотность хранимого продукта равную 0,7 т/м3.

5.6.2.2 Плавучесть однодечной плавающей крыши должна быть обеспечена при потере герметичности центральной части и двух смежных коробов.

Плавучесть двухдечной крыши должна быть обеспечена при потере герметичности двух соседних коробов.

5.6.2.3 Плавающая крыша должна иметь достаточную прочность, чтобы, находясь на стойках в опорожненном резервуаре, выдерживать нагрузку от собственного веса и временную расчетную распределенную нагрузку равную 2,4 кПа.

5.6.3 Конструктивные требования

5.6.3.1 Плавающая крыша должна контактировать с продуктом, чтобы исключить наличие паровоздушной смеси под ней.

5.6.3.2 Центральная часть и каждый короб плавающей крыши должны быть герметичны и соответствующим образом испытаны (вакуум-камерой или проникающей жидкостью).

В верхней части короба должен быть установлен смотровой люк для контроля герметичности. Конструкция крышки и обечайки люка должны исключать попадание осадков внутрь короба.

5.6.3.3 Конструкция плавающих крыш должна обеспечивать сток ливневых вод с поверхности к водозабору с их отводом за пределы резервуара. Водозаборное устройство однодечной плавающей крыши должно иметь обратный клапан, исключающий попадание хранимого продукта на плавающую крышу при нарушении герметичности трубопроводов водоспуска.

Номинальный диаметр основного водоспуска должен быть следующим:

- для резервуаров диаметром до 30 м - не менее 75 мм;

- для резервуаров диаметром от 30 до 60 м - не менее 100 мм;

- для резервуаров диаметром свыше 60 м - не менее 150 мм.

5.6.3.4 Доступ на плавающую крышу должен обеспечиваться лестницей, которая автоматически следует любому положению крыши по высоте. Одним из рекомендуемых типов применяемых лестниц является катучая лестница, которая имеет верхнее шарнирное крепление к стенке резервуара и нижние ролики, перемещающиеся по направляющим, установленным на плавающей крыше. Катучая лестница должна иметь ограждения с двух сторон и самовыравнивающиеся ступени и должна быть рассчитана на вертикальную нагрузку 5 кН, приложенную в средней точке лестницы при нахождении ее в любом рабочем положении.

5.6.3.5 Зазор между внешним краем крыши и стенкой резервуара, а также между патрубками в крыше и направляющими, должен быть уплотнен с помощью затворов.

Материал затворов должен выбираться с учетом совместимости с хранимым продуктом, газоплотности, старения, прочности на истирание, температуры и др. факторов.

5.6.3.6 Плавающие крыши должны иметь опорные стойки, позволяющие фиксировать крышу в положении, при котором возможен свободный проход человека по днищу резервуара под плавающей крышей - около 1800 мм.

По требованию Заказчика плавающие крыши могут иметь опорные стойки, позволяющие фиксировать крышу в двух нижних положениях - рабочем и ремонтном.

Опорные стойки, изготовленные из трубы или другого замкнутого профиля, должны иметь отверстия для обеспечения дренажа.

Для распределения динамических нагрузок, передаваемых плавающей крышей на днище резервуара, под опорными стойками плавающей крыши должны быть установлены стальные подкладки, приваренные к днищу резервуара сплошным швом.

5.6.3.7 Плавающие крыши должны иметь минимум один люк-лаз (световой люк) номинальным диаметром не менее 600 мм, позволяющий осуществлять вентиляцию и вход обслуживающего персонала под плавающую крышу, когда из резервуара удален продукт.

5.6.3.8 По согласованию с Заказчиком плавающие крыши могут иметь аварийные водоспуски дождевой воды непосредственно в хранимый продукт.

5.6.3.9 Для исключения вращения плавающей крыши должны использоваться направляющие в виде перфорированных в нижней части труб, которые одновременно могут выполнять и технологические функции - в них может располагаться устройство для отбора проб или измерения уровня продукта.

5.6.3.10 Все части плавающей крыши, включая катучую лестницу должны быть электрически взаимосвязаны и соединены со стенкой.

5.7 Понтоны

5.7.1 Понтоны применяются в резервуарах со стационарной крышей и предназначены для сокращения потерь продукта от испарения. Резервуары с понтоном должны эксплуатироваться без внутреннего давления и вакуума.

5.7.2 Основные типы понтонов:

- мембранные с открытыми или закрытыми коробами, расположенными по периметру;

- двухдечной конструкции из герметичных коробов, расположенных по всей площади понтона;

- поплавковые с герметичным настилом;

- многослойные с применением пенополиуретана с поверхностным покрытием.

5.7.3 Конструкция понтона должна обеспечивать его работоспособность по всей высоте резервуара без перекосов и вращения.

5.7.4 Периферийная стенка (бортик) понтона с учетом его притопления должна превышать уровень продукта не менее чем на 150 мм. Аналогичное превышение должны иметь патрубки понтона.

5.7.5 Пространство между стенкой резервуара и понтоном, а также между патрубками понтона и проходящими сквозь патрубки элементами, должно быть уплотнено с помощью специальных устройств (затворов).

5.7.6 Величина зазора между стенкой резервуара и понтоном должна соответствовать принятой конструкции затвора.

5.7.7 Материал затворов должен выбираться после рассмотрения таких параметров, как температура района строительства резервуара, температура хранимого продукта, проницаемость парами хранимого продукта, прочность на истирание, старение, хрупкость, воспламеняемость и других факторов совместимости с хранимым продуктом.

5.7.8 Конструкция понтона должна обеспечивать расчетный запас плавучести с учетом плотности хранимого продукта. Расчет плавучести понтона при наличии пустотелых коробов (или поплавков) должен производиться для случая, если два любых короба и центральная часть понтона потеряют герметичность.

5.7.9 Толщина элементов понтона из стали или алюминиевых сплавов должна определяться на основании прочностных и деформационных расчетов, а также с учетом их коррозионной стойкости в конкретных условиях эксплуатации.

5.7.10 Все соединения понтона, подверженные непосредственному воздействию продукта или его паров, должны быть плотными и проконтролированы на герметичность. Любой уплотняющий соединение материал должен быть совместим с хранимым продуктом.

5.7.11 Понтон должен быть обеспечен фиксированными либо регулируемым опорами. Нижнее рабочее положение определяется минимальной высотой, при которой конструкции понтона оказываются выше различных устройств, находящихся на стенке или днище резервуара и препятствующих опусканию понтона.

Опоры, изготовленные из замкнутого профиля, должны иметь отверстия в нижней и верхней части для обеспечения дренажа и зачистки.

Во избежание разрушения и нарушения плотности особое внимание должно быть уделено креплению опор к элементам понтона.

5.7.12 Для распределения динамических нагрузок на днище резервуара, под опорами понтона должны быть установлены стальные подкладки, приваренные к днищу резервуара сплошным швом.

5.7.13 Понтон должен быть рассчитан таким образом, чтобы в состоянии наплаву или на опорных стойках он мог безопасно удерживать, по крайней мере, двух человек (2 кН), которые перемещаются в любом направлении; при этом понтон не должен разрушаться, а продукт не должен поступать на поверхность понтона.

5.7.14 Для исключения вращения понтона должны использоваться направляющие в виде труб, которые одновременно могут выполнять технологические функции - в них располагаются измерительное устройство и устройство для отбора проб продукта.

Для исключения вращения понтона могут также использоваться тросовые либо другие конструкции.

5.7.15 Понтоны могут иметь патрубки для установки клапанов, исключающих возникновение перегрузок на настил понтона. Вентиляционные устройства должны быть достаточными для циркуляции воздуха и газов из-под понтона в то время, когда понтон находится на опорах в нижнем рабочем положении в процессе заполнения и опорожнения резервуара. В любом случае (при наличии или отсутствии вентиляционных устройств) скорость заполнения и опорожнения резервуара в режиме нахождения понтона на стойках должна быть минимально возможной для конкретного резервуара.

5.7.16 В стационарной крыше или стенке резервуара с понтоном должны быть предусмотрены вентиляционные патрубки (отверстия), равномерно расположенные по периметру на расстоянии не более 10 м друг от друга (но не менее двух), и один патрубок в центре. Общая открытая площадь этих патрубков (отверстий) должна быть больше или равна 0,06 м2 на 1 м диаметра резервуара. При эксплуатации резервуара отверстия вентиляционных патрубков должны быть закрыты сеткой из нержавеющей стали с ячейками 10×10 мм и предохранительными кожухами для защиты от атмосферных осадков.

5.7.17 В стационарной крыше резервуара с понтоном должны быть установлены смотровые люки и количестве не менее двух для осуществления визуального контроля уплотнения по периметру понтона. Расстояние между люками должно быть не более 20 м.

5.7.18 Все токопроводящие части понтона должны быть электрически взаимосвязаны и соединены с внешней конструкцией резервуара. Это может быть достигнуто при помощи гибких кабелей, идущих от стационарной крыши резервуара к понтону (минимум два, равномерно распределенные). При выборе кабелей следует учитывать их прочность, коррозионную стойкость, электрическое сопротивление, надежность соединений, гибкость и срок службы.

5.7.19 Закрытые короба понтона, требующие визуального контроля и имеющие доступ с верхней части понтона, должны быть снабжены люками с крышками или иными устройствами для контроля за возможной потерей герметичности.

5.8 Патрубки и люки-лазы в стенке

5.8.1 Общие требования

5.8.1.1 Необходимо применять такие конструкции патрубков и люков-лазов, которые обеспечивают прочность и герметичность врезок, эквивалентные стенке резервуара.

5.8.1.2 Зоны врезок патрубков и люков, расположенных в нижних поясах резервуара, подвергаются воздействию усилий и изгибающих моментов от гидростатического нагружения, нагрузок от трубопроводов, осадок резервуара. Внешние нагрузки от присоединяемых трубопроводов желательно минимизировать с помощью компенсационных устройств. Расчет допускаемых нагрузок на стенку резервуара в зоне врезки патрубка представлен в приложении В.

5.8.1.3 Края отверстий, вырезанных в стенке резервуара, для установки патрубков и люков должны быть очищены и не иметь шероховатостей, превышающих 1 мм, а для конструкций возводимых или эксплуатируемых в районах с расчетной температурой ниже минус 40 °С - 0,5 мм.

5.8.1.4 Все отверстия в стенке для установки патрубков и люков должны быть усилены накладками (воротниками), располагаемыми по периметру отверстий. Допускается установка патрубков с условным проходом до 50 мм без усиливающих накладок.

Минимальная площадь поперечного сечения накладки (в вертикальном направлении, совпадающем с диаметром отверстия) должна быть не менее произведения величины диаметра отверстия на толщину листа стенки резервуара. Рекомендуется выбирать толщину накладки равную толщине стенки.

Усиление стенки в зонах врезок может не производиться в случае применения в данной зоне стенки вставок - листов большей толщины, которая определяется соответствующим расчетом.

5.8.1.5 Прочность материала накладок предпочтительно должна быть такой же, как и у материала стенки. Допускается применение материала накладок с характеристиками прочности до 80 % от основного металла стенки при условии сохранения эффективности усиления. Использование материала для накладок с прочностью большей, чем у материала стенки не должно учитываться в запас прочности.

5.8.1.6 Патрубки в стенку резервуара должны ввариваться сплошным швом с полным проплавлением стенки.

Катет (Кo) сплошных угловых швов крепления накладки к стенке резервуара в зоне патрубка должен быть равен толщине стенки при t = 4 ÷ 6 мм; k = t минус 1 мм при t = 7 ÷ 10 мм; k = t минус 2 мм при t = 11 ÷ 15 мм; k = t минус 3 мм при t = 16 ÷ 22 мм; k = t минус 4 мм при t ≥ 23 мм.

5.8.1.7 Усиливающие накладки должны быть снабжены контрольными отверстиями М10, располагаемыми на горизонтальной оси патрубка или люка. В случае изготовления усиливающей накладки из двух частей, сваренных горизонтальным швом, контрольные отверстия (по одному в каждой части накладки) располагаются в средней части по высоте полунакладки.

5.8.2 Конструкция патрубков и люков-лазов

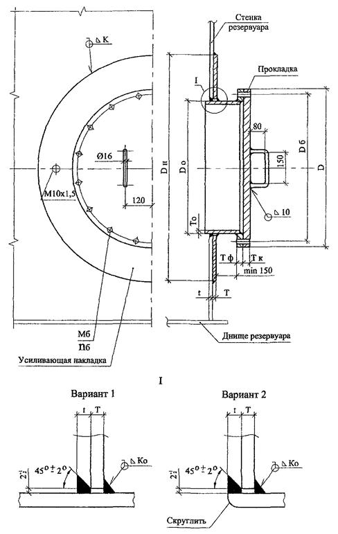
5.8.2.1 Рекомендуемые значения условных проходов патрубков составляют: 80, 100, 150, 200, 250, 300, 350, 400, 500, 600, 700 мм.

Конструктивное исполнение патрубков должно соответствовать таблицам 5.4, 5.5 и рисунку 5.6.

Рисунок 5.6

Таблица 5.4

Условный проход патрубка, мм

Минимальная толщина обечайки патрубка, То, мм

Минимальное расстояние от стенки до фасадной поверхности фланца L, мм

Диаметр усиливающей накладки Dн, мм

Минимальное расстояние от днища до оси патрубка, Н, мм

с усиливающей кольцевой накладкой

с П-образной усиливающей накладкой

1

2

3

4

5

6

80

5

200

180

200

150

100

5

200

180

250

150

150

6

200

320

300

200

200

6

250

440

340

200

250

8

250

550

390

290

300

8

250

650

450

340

350

10

300

760

500

430

400

10

300

860

550

430

500

12

350

1060

650

530

600

12

350

-

-

600

700

12

350

-

-

600

Таблица 5.5

Параметры

Обозначения

Размеры

Толщина накладки

Т

4 - 6

7 - 10

11 - 15

16 - 22

≥ 23

Катет углового шва

Ко

4

8

10

12

14

5.8.2.2 Для расчета патрубков и фланцев условное давление указывается в техническом задании на проектирование. Фланцы патрубков должны соответствовать ГОСТ 12820, если иное не оговорено заказом.

5.8.2.3 Резервуары с плавающими крышами и понтонами должны иметь не менее двух люков-лазов в первом поясе стенки, а резервуары с понтонами - также не менее одного люка, расположенного на высоте, обеспечивающей выход на понтон.

5.8.2.4 Люки-лазы должны иметь условный проход не менее 600 мм. Основные параметры и конструкции люков-лазов представлены в таблицах 5.6, 5.7 и на рисунках 5.7, 5.8.

Таблица 5.6 - Основные параметры люков-лазов

Наименование

Обозначение

Размер люка

Dy 600

Dy 800

1

2

3

4

Наружный диаметр крышки и фланца, мм

D

755

975

Диаметр расположения болтов, мм

DБ

705

920

Количество болтов, шт.

n

20

24

Номинальный диаметр резьбы болтов, мм

Мб

24

27

Диаметр отверстий под болты, мм

do

26

30

Минимальная толщина крышки, мм

ТK

16

21

Диаметр утолщенной части крышки, мм

Dут

670

880

Диаметр выступа крышки, мм

DН

590

780

Наружный диаметр обечайки, мм

Do

630

820

Минимальная толщина обечайки, мм

При толщине стенки резервуара:

То

 

до 6 мм вкл.

6

свыше 6 до 10 мм вкл.

8

свыше 10 до 15 мм -"-

10

свыше 15 до 22 мм -"-

12

свыше 22 до 26 мм -"-

14

свыше 26 до 32 мм -"-

16

свыше 32 до 38 мм -"-

20

Наружный диаметр усиливающей накладки, мм

Dн

1260

1640

Примечание - Параметры фланцев люков в таблице 5.5 принимать по ГОСТ 12820 на условное давление Ру = 0,25 МПа.

Рисунок 5.7

Рисунок 5.8

Возможны два варианта усиливающей накладки люка-лаза овального в первом поясе:

- до днища (рисунок 5.7);

- аналогично люку-лазу овальному в третьем поясе (рисунок 5.9).

5.8.2.5 Крышки люков должны быть снабжены поворотным устройством для облегчения открывания и закрывания.

Для овального люка-лаза с усиливающей накладкой до днища резервуара катет углового шва Kf приварки накладки к днищу принимается по таблице 5.7.

Таблица 5.7

Толщина усиливающей насадки Т = t, мм

5 ÷ 10

11 ÷ 15

16 ÷ 20

21 ÷ 26

26 ÷ 38

Катет шва Kf, мм

4

6

8

9

12

5.9 Патрубки и люки в крыше

5.9.1 Номенклатура и количество патрубков, предназначенных для установки различного оборудования на крыше резервуара зависят от назначения и объема резервуара и определяются в задании на проектирование.

5.9.2 Рекомендуемые значения условных проходов патрубков составляют: 100, 150, 200, 250, 300, 350, 400 и 500 мм. Конструктивное исполнение должно соответствовать рисунку 5.10 и таблице 5.8.

Рисунок 5.9

Рисунок 5.10

Таблица 5.8

Условный проход патрубка Dy, мм

Толщина обечайки патрубка То, мм

Диаметр усиливающего листа Dн, мм

100

5

220

150

5

320

200

5

440

250

6

550

300

6

650

350

6

760

400

6

860

500

6

1060

5.9.3 Фланцы патрубков должны, как правило, соответствовать ГОСТ 12820 и рассчитываться на условное давление Py = 0,25 ÷ 1,6 МПа.

5.9.4 Все патрубки в крыше резервуара, эксплуатируемые при избыточном давлении, должны иметь временные заглушки, которые предназначены для герметизации резервуара при проведении испытаний.

5.9.5 Для осмотра внутреннего пространства резервуара, а также для его вентиляции при проведении работ внутри резервуара, каждый резервуар должен быть снабжен не менее чем двумя люками, установленными на крыше резервуара (световые люки). Конструктивное исполнение и схема установки люков должны соответствовать рисунку 5.11.

5.10 Зачистные люки и приямки

5.10.1 Придонный зачистной люк

Придонный люк (рисунок 5.12) предназначен для очистки и удаления различных отложений из резервуара. Люк устанавливается в стенке резервуара заподлицо с днищем. Под люк предусматривается специальный фундамент с приямком для сбора удаляемых из резервуара отложений.

5.10.1.1 Основные параметры люка

Рекомендуемый размер (в свету) зачистного люка - 600×900 мм (высота×ширина). Люк имеет прямоугольную форму со скругленными верхними углами радиусом равным половине высоты люка.

Допускается использование зачистных люков размером 600×600 мм и 900×1200 мм (в зависимости от диаметра резервуара).

5.10.1.2 Толщина листа усиления обечайки люка должна превышать расчетную толщину листов нижнего пояса на 3 мм. Высота (h) листа усиления должна составлять 1,5 высоты люка. Ширина (L) листа усиления должна составлять 2,5 ширины люка.

Рисунок 5.11

Рисунок 5.12

5.10.1.3 Лист днища (окрайка) в зоне врезки зачистного люка должен быть утолщенным.

Минимальная толщина листа окрайки днища в зоне зачистного люка (tод) определяется по таблице 5.9 (без учета припуска на коррозию).

Таблица 5.9

Размер зачистного люка, мм (высота×ширина)

Высота стенки резервуара, м

12 м

15 м

18 м

600×900

20,0

22,0

23,0

5.10.1.4 Материал обечайки люка, усиливающего листа стенки и утолщенного листа окрайки днища принимать в соответствии с требованиями раздела 4.

5.10.2 Приямок для зачистки

Устанавливается в днище резервуара и предназначен для сбора и удаления продукта или подтоварной воды в случае хранения нефтепродуктов.

5.10.2.1 В резервуарах с плоскими или коническими днищами с уклоном от центра к периферии круглый приямок располагается рядом со стенкой на расстоянии не менее 600 мм от края приямка до стенки или окрайки.

В резервуарах с коническим днищем с уклоном к центру приямок располагается в центре днища. Конструкция приямка представлена на рисунке 5.13.

5.10.2.2 Диаметр, глубина и количество приямков определяются исходя из требований технологического процесса хранения продукта и количества подтоварной воды для нефтяных резервуаров.

Рисунок 5.13

5.10.3 Лотковый зумпф зачистки

Лотковый зумпф зачистки (рисунок 5.14) устанавливается под днищем резервуара в специальном приямке под стенкой резервуара и предназначен для очистки резервуара от всевозможных отложений и загрязнений.

Требования к материалу лоткового зумпфа должны соответствовать требованиям к материалу стенки резервуара.

5.11 Лестницы, площадки, переходы

5.11.1 Лестницы для подъема на резервуар могут выполняться отдельно стоящими, с опиранием на собственный фундамент, или кольцевыми - полностью опирающимися на стенку резервуара. Крепление отдельно стоящих лестниц к резервуару должно выполняться в уровне верхнего пояса стенки или к верхнему элементу жесткости и должно учитывать перемещение конструкций при возможной осадке оснований. Шахтные лестницы крепятся к фундаментам с помощью анкерных болтов.

Группы соседних резервуаров могут быть соединены между собой переходами. На каждую группу резервуаров должно быть, по крайней мере, 2 лестницы (по одной с противоположных сторон группы).

Рисунок 5.14

5.11.2 Лестницы должны соответствовать следующим требованиям:

- ступени должны выполняться из перфорированного или рифленого металла, препятствующего скольжению и иметь бортовую обшивку высотой 150 мм, препятствующую проскальзыванию ноги;

- минимальная ширина лестницы - 650 мм;

- максимальный угол по отношению к горизонтальной поверхности - 50 градусов;

- минимальная ширина ступеней - 200 мм;

- высота ступеней по всей высоте лестницы должна быть одинаковой и не превышать 250 мм; ступени должны иметь уклон вовнутрь 2 ÷ 5 градусов.

- поручень лестницы должен соединяться с поручнем переходов и площадок без смещения; конструкция поручня должна выдерживать нагрузку 0,9 кН, приложенную в верхней точке ограждения; высота поручня - 1 м;

- конструкция лестницы должна выдерживать сосредоточенный груз 4,5 кН;

- максимальное расстояние между стойками ограждения, измеренное вдоль поручня - 2,5 м;

- поручни должны располагаться с обеих сторон кольцевой лестницы, если зазор между стенкой резервуара и лестницей превышает 200 мм, при этом зазор между настилом промежуточной площадки лестницы и стенкой резервуара не должен превышать 150 мм;

- кольцевые лестницы должны полностью закрепляться на стенке резервуара, а нижний марш не должен доходить до земли на 250 мм;

- при полной высоте лестницы более 9 м конструкция лестницы должна включать промежуточные площадки, разница вертикальных отметок которых не должна превышать 6 м.

Вертикальные стремянки обычно не рекомендуются, но если они используются, то должны иметь безопасную клетку (ограждение) при высоте стремянки более 3 метров.

5.11.3 Площадки, переходы и ограждения должны выполняться с учетом следующих требований:

- переходы должны быть снабжены перилами с открытых сторон;

- на резервуарах со стационарной крышей должны быть установлены площадки обслуживания для обеспечения доступа к местам, где расположено оборудование, требующее регулярной проверки или использования;

- ограждение должно устанавливаться по всему периметру крыши, а также по наружной (от центра резервуара) стороне площадок;

- переходы, соединяющие любую часть резервуара с любой частью соседнего резервуара, либо другой отдельно стоящей конструкцией, должны иметь опорные устройства, допускающие свободное перемещение соединяемых конструкций;

- настил площадок и переходов должен изготавливаться из перфорированного металла, препятствующего скольжению;

- минимальная ширина площадок и переходов на уровне настила - 700 мм;

- высота верхнего поручня ограждения над уровнем настила должна быть не менее 1,25 м;

- расстояние между продольными планками должно быть не более 400 мм;

- минимальная высота бортовой (нижней) полосы ограждения - 80 мм;

- площадки, расположенные на высоте должны иметь бортик высотой не менее 150 мм с зазором 10 мм для стока воды;

- максимальный зазор между бортовой полосой и уровнем настила - 20 мм;

- высота от уровня настила до средней полосы ограждения - около 0,5 м;

- максимальное расстояние между стойками ограждения - 2,5 м;

- конструкция площадок и переходов должна выдерживать сосредоточенный груз 4,5 кН;

- ограждение должно выдерживать нагрузку 0,90 кН, приложенную в любом направлении к любой точке поручня.

5.12 Конструктивные элементы, присоединяемые к стенке резервуара

5.12.1 Конструктивные элементы, присоединяемые к стенке резервуара, подразделяются на временные (технологические приспособления) и постоянные.

5.12.2 Временные конструктивные элементы должны быть удалены до гидравлических испытаний, а возникающие при этом повреждения или неровности поверхности должны быть устранены зачисткой абразивным инструментом.

Зачистка поверхности допускается на глубину, не выводящую толщину проката за пределы минусовых допусков.

5.12.3 Постоянные конструктивные элементы не должны препятствовать горизонтальному перемещению стенки (особенно в зоне нижних поясов) при эксплуатации.

5.12.4 Присоединение конструктивных элементов к стенке должно удовлетворять следующим требованиям:

- катет угловых швов крепления конструктивных элементов должен определяться толщиной стенки и привариваемых элементов и не должен превышать 12 мм;

- постоянные конструктивные элементы должны располагаться не ближе 5-ти номинальных толщин стенки от оси горизонтальных швов стенки и днища резервуара, и не ближе 10-ти номинальных толщин стенки от оси вертикальных швов стенки, а также от края любого другого постоянного конструктивного элемента на стенке;

- приварка постоянных конструктивных элементов должна производиться через листовые накладки со скругленными углами, которые привариваются сплошным швом по всему контуру;

- временные конструктивные элементы должны привариваться на расстоянии более 50 мм от сварных швов стенки.

5.13 Анкерное крепление стенки

5.13.1 Анкерное крепление стенки резервуаров производится в тех случаях:

- если максимальное избыточное давление превышает суммарный вес стенки резервуара и крыши;

- если момент опрокидывания резервуара относительно наружного контура стенки от воздействия расчетной ветровой нагрузки при совместном воздействии внутреннего избыточного давления превышает восстанавливающий момент от веса стенки и крыши;

- при сейсмических воздействиях.

5.13.2 Возможные конструкции анкерного крепления представлены на рисунке 5.15.

5.13.3 Анкерные болты должны быть равномерно затянуты по окончании выдержки под нагрузкой при полном заливе резервуара водой в процессе гидравлических испытаний.

Должны быть предусмотрены средства для предотвращения отвинчивания гаек, например, установка контргаек.

Минимальный диаметр анкерных болтов должен составлять 24 мм.

5.13.4 Количество анкерных болтов и расстояние между ними определяются расчетом.

Рисунок 5.15

6 Общие требования к изготовлению конструкций

6.1 Заводское изготовление конструкций резервуаров по настоящему стандарту должно производиться на основании:

- рабочих (деталировочных) чертежей КМД элементов конструкций резервуаров, разработанных в соответствии с проектом КМ;

- утвержденных в установленном порядке технологических карт на сборку и сварку элементов, обеспечивающих выполнение требований настоящего стандарта.

6.2 Настоящий стандарт предусматривает заводское изготовление и последующий монтаж листовых конструкций резервуаров с использованием следующих технологических методов:

- метода рулонирования;

- метода полистовой сборки;

- комбинированного метода.

6.3 Методом рулонирования могут изготавливаться листовые конструкции стенки, днища резервуара, мембраны плавающей крыши или понтона, настила стационарной крыши. Изготовление этих конструкций осуществляется в виде рулонируемых полотнищ, свернутых в габаритные для транспортировки рулоны.

6.4 При полистовой сборке резервуаров элементы конструкций поставляются с завода-изготовителя в виде габаритных отправочных марок - сборочных единиц и деталей.

6.5 Требования к точности изготовления элементов конструкций.

6.5.1 Предельные отклонения линейных размеров и формы нерулонируемых конструкций, обеспечивающие собираемость конструкций на монтаже, должны соответствовать 4-му классу по ГОСТ 21779.

6.5.2 При сборке конструкций не должно допускаться изменение их формы, не предусмотренное технологическим процессом, а при кантовке и транспортировании - остаточное деформирование их.

Сборка конструкций, как правило, должна производиться в кондукторах.

6.5.3 При сборке конструкций в новых, ранее не использовавшихся кондукторах Изготовитель должен произвести контрольную сборку следующих конструкций резервуара (в объеме, не менее указанного в проекте КМ):

- центрального щита, радиальных и опорных элементов стационарных крыш;

- коробов понтонов и плавающих крыш.

6.5.4 Предельные отклонения ширины полотнища от проектного размера не должны превышать, в мм:

±11 - при ширине полотнища до 9 м;

±16 - при ширине полотнища от 9 до 15 м вкл.;

±19 - при ширине полотнища свыше 15 м.

6.5.5 Для полотнищ стенок выступы отдельных деталей на нижней кромке не должны быть более 1 мм, на верхней кромке - 3 мм.

6.5.6 Полотнища не должны иметь угловых деформаций стыков более 12 мм на длине 1000 мм, в том числе и стыков, выходящих на свободные кромки полотнищ.

6.5.7 Рулонируемые полотнища стенок резервуаров должны иметь технологический припуск по длине, обеспечивающий сборку монтажных стыков стенки и выполнение требований по предельным отклонениям диаметра стенки.

7 Требования к проекту производства работ на монтаж резервуаров

7.1 Состав ППР

7.1.1 Проект производства работ должен состоять из следующих основных разделов:

·                         пояснительная записка;

·                         план монтажной площадки;

·                         ведомость грузоподъемного оборудования;

·                         ведомости монтажных приспособлений, сварочного оборудования, материалов и инструментов;

·                         график производства монтажных работ;

·                         технологические карты монтажа всех конструктивных элементов резервуара;

·                         проект производства сварочных работ;

·                         предельные допуски на геометрические отклонения конструктивных элементов резервуара;

·                         технологическую карту прочностных испытаний;

·                         журнал пооперационного контроля качества монтажно-сварочных работ.

7.1.2 Пояснительная записка к ППР должна содержать:

- краткую характеристику монтируемого объекта;

- требования к устройству монтажной площадки;

- условия поставки и приемки конструкций резервуара в монтаж;

- технологическую последовательность монтажа и сварки металлоконструкций резервуара;

- описание основных технологических операций;

- технологию выполнения сварочных работ;

- программу контроля качества сварных соединений;

- требования к качеству сварных соединений,

- технологию проведения прочностных испытаний;

- требования безопасности труда при выполнении монтажных и сварочных работ.

7.2. Требования по обеспечению точности геометрических параметров резервуара

7.2.1 Технология сборки и сварки элементов металлоконструкций должна обеспечить требуемую настоящим стандартом геометрическую точность всех конструктивных элементов резервуара. Предельные отклонения геометрических параметров смонтированного резервуара указаны в таблице 7.1.

Таблица 7.1

№ п/п

Наименование параметров

Предельное отклонение (мм) при диаметре резервуара

Примечания

до 12 м

св. 12 м до 25 м

св. 25 м до 40 м

более 40 м

1

2

3

4

5

6

7

1

Днище резервуара

1 Высота местных выпучин или вмятин центральной части днища

f ≤ 0,1R ≤ 120

f - максимальная стрелка вмятины или выпучины на днище, мм,

R - радиус вписанной окружности на любом участке выпучины или вмятины, мм.

Резкие перегибы и складки - не допускаются

2 Угловатость радиальных сварных швов кольца окраек (стрелка прогиба на базе 0,5 м)

±5

 

3 Зазор между внутренней кромкой окраечного листа днища и основанием

40

 

4 Разность высотных отметок наружного контура днища в любых соседних точках на расстоянии 6 м;

15

15

15

15

 

Разность высотных отметок любых точек наружного контура днища

20

30

30

50

 

2

Стенка

1 Внутренний диаметр на уровне 300 мм от днища

0,002R

0,0025R

Измерение в четырех диаметрах под углом 45°

2 Отклонение от вертикали образующих стенки (Н - расстояние от днища до точки измерения)

1/200Н + 10

Измерения через каждые 6 м по всему периметру стенки

3 Локальные отклонения от проектной формы

±15

Измерения производить вертикальной рейкой и шаблоном проектного радиуса на базе 1 м

 

4 Угловатость сварных швов Резервуары, работающие с цикличностью

- N ≤ 100 ц/год

- N > 100 ц/год

f ≤ 0,7t

по расчету

Измерения производить шаблоном на базе 1000 мм

3

Стационарная крыша

Разность отметок смежных узлов верха радиальных балок

20

 

4

Понтоны или плавающая крыша

1 Отметки верхней кромки наружного кольцевого листа:

 

 

- разность отметок соседних точек на расстоянии 6 м по периметру;

30

 

- разность отметок любых других точек

40

 

2 Отклонение наружного кольцевого листа от вертикали на высоту листа

±10

Измерения производить через каждые 6 м по периметру

3 Отклонение направляющих от вертикали на всю высоту направляющих Н, мм. В радиальном и тангенциальном направлениях

1/1000Нн

 

4 Зазор между верхней кромкой наружного бортового листа и стенкой резервуара

10

Измерения производить через каждые 6 м по периметру (положение понтон на днище)

5 Зазор между направляющей и патрубком в понтоне или коробке плавающей крыши (положение понтон на днище)

15

 

6 Отклонение опорных стоек от вертикали при опирании на них понтона или плавающей крыши

30

 

7.2.2 Монтаж люков и патрубков

При разметке мест установки люков и патрубков в стенке резервуара должны выполняться требования по допускаемым расстояниям между сварными швами.

До выполнения проектных швов приварки люков и патрубков должны контролироваться предельные отклонения расположения люков и патрубков в стенке резервуара в соответствии с таблицей 7.2.

Таблица 7.2

№ п/п

наименование параметра

предельные отклонения, мм

для люков

для патрубков

1

Отметка высоты установки

±10

±6

2

Расстояние от наружной поверхности фланца до стенки резервуара

±10

±5

3

Отклонение оси патрубка от проектного положения (поворот), измеренное по наружной поверхности фланца

-

6 мм

4

Поворот главных осей фланца в вертикальной плоскости

±5°

±5°

8 Сварка резервуаров и контроль качества сварных соединений

8.1 Общие требования

8.1.1 Требования к сварным соединениям должны формулироваться на всех стадиях разработки рабочей проектной документации: в проекте КМ, проекте производства монтажных и сварочных работ, а также при составлении технологических карт на сварку.

8.1.2 Технологические процессы заводской и монтажной сварки должны обеспечивать получение сварных соединений, удовлетворяющих требованиям проекта КМ, а также соответствующих настоящему стандарту по предельно допустимым размерам и видам дефектов.

8.1.3 Технология сварки и применяемые сварочные материалы должны обеспечивать механические свойства сварных соединений не ниже свойств, требуемых настоящим стандартом.

8.1.4 На стадии разработки конструкции резервуара (проекта КМ) должны быть определены:

·                         конструктивная форма сварных соединений всех элементов резервуара, подлежащих сварке;

·                         требования к механическим свойствам сварных соединений основных конструктивных элементов и узлов;

·                         дифференцированно, в зависимости от уровня напряжений и условий работы соединений, назначена категория (класс) сварных швов, определяющая допускаемый уровень их дефектности (допускаемые размеры, вид и количество допускаемых внешних и внутренних дефектов);

·                         объем контроля физическими методами сварных соединений корпуса резервуара.

8.1.5 При разработке проекта технологии монтажа и сварки резервуара должны быть определены:

·                         способы сварки для выполнения всех монтажных сварных соединений резервуара и требования к сварочному оборудованию;

·                         геометрические параметры кромок соединяемых элементов и требования по их подготовке к сварке;

·                         сварочные материалы для выполнения всех типов сварных соединений;

·                         последовательность выполнения сварных соединений;

·                         технология выполнения монтажных сварных соединений резервуара;

·                         мероприятия по ограничению сварочных деформаций и перемещений свариваемых элементов;

·                         мероприятия по обеспечению требуемого качества сварных соединений при сварке в условиях пониженной температуры.

8.1.6 При разработке технологических карт на заводскую или монтажную сварку конструктивных элементов резервуара должны быть выбраны:

·                         форма подготовки кромок под сварку;

·                         сварочные материалы;

·                         последовательность сварки;

·                         режимы и техника сварки;

·                         количество проходов сварного шва и порядок их выполнения;

·                         мероприятия по ограничению сварочных деформаций и перемещений свариваемых элементов.

8.1.7 В случаях, когда в рабочей документации КМ предусмотрена термическая обработка каких-либо сварных соединений резервуара, в ППР следует разработать технологию ее выполнения, включая способ, режимы термообработки, указания по контролю качества термообработанных соединений.

8.1.8 В ППР должна быть разработана программа контроля качества сварных соединений, включающая способы и объемы контроля каждого сварного соединения резервуара.

8.2 Классификация сварных соединений резервуаров

В проектной документации для различных типов сварных соединений должны быть указаны способы сварки, методы и объем контроля.

В зависимости от уровня ответственности резервуара и условий его эксплуатации все типы сварных соединений подразделяются на 3 категории качества (табл. 8.1).

I - высокий уровень качества;

II - средний уровень качества;

III - удовлетворительный уровень качества.

Таблица 8.1

Категории сварных соединений

Типы сварных соединений и характеристика условий эксплуатации резервуара

I

1       Вертикальные и горизонтальные стыковые швы стенки 4-х нижних поясов резервуаров:

         1.1 работающих при цикличности заполнения опорожнения - 200 циклов в год и более;

         1.2 в климатических районах строительства с температурой наиболее холодных суток - минус 50 °С и ниже;

         1.3 в зонах высокой сейсмичности (8 баллов и выше);

         1.4 изготовленных из высокопрочных сталей (σ0,2 ≥ 450 МПа)

2       Вертикальные и горизонтальные стыковые швы 1 - 4 поясов стенки резервуаров I и II уровней ответственности, не вошедших в п. 1.

3       Стыковые швы листов окраек днища резервуаров I уровня ответственности.

4       Сварные швы врезок патрубков и люков в стенку резервуара (1 - 4 пояса) I и II уровней ответственности.

5       Радиальные стыковые швы элементов опорных, ветровых и промежуточных колец жесткости резервуаров I и II уровней ответственности.

6       Уторный внутренний шов сопряжения стенки с днищем резервуаров I и II уровней ответственности

II

7       Вертикальные и горизонтальные стыковые швы стенки резервуаров с 5 пояса и выше, не вошедшие в п. 1, 2 и все пояса резервуаров III уровня ответственности.

8       Сварные соединения врезок патрубков и люков в стенку и крышу резервуаров, не вошедшие в п. 4.

9       Уторный шов сопряжения стенки с днищем резервуаров III уровня ответственности и уторный наружный шов резервуаров I, II и III уровней ответственности.

10     Сварные соединения коробов и сопряжения коробов с мембранной центральной части понтонов и плавающих крыш.

11     Сварные швы каркасов и несущих балок щитов стационарных крыш

III

12     Швы крепления листов усиления врезок люков и патрубков к стенке резервуара.

13     Швы крепления вспомогательных элементов к стенке резервуара.

14     Сварные соединения центральной части днища.

15     Сварные соединения мембран центральной части понтонов и плавающих крыш.

16     Сварные соединения настила стационарных крыш.

17     Сварные швы вспомогательных конструкций.

8.3 Конструктивные требования к сварным соединениям

Требования к конструкции сварных соединений, форма разделки свариваемых кромок, геометрические параметры и форма сварных швов элементов резервуара должны соответствовать параметрам, приведенным в приложении Б.

8.4 Рекомендуемые способы сварки

8.4.1 При заводском изготовлении резервуарных конструкций основными способами сварки являются автоматизированная сварка под флюсом для листовых конструкций и механизированная сварка в углекислом газе или в смеси газов на основе аргона для решетчатых конструкций и оборудования. При автоматизированной сварке под флюсом резервуарных полотнищ необходимым является оснащение сварочного оборудования системами слежения электрода за стыком.

8.4.2 Рекомендуемые способы сварки для различных типов сварных соединений при сооружении резервуаров из рулонных заготовок, а также резервуаров, монтируемых полистовым методом, приведены в таблицах 8.2, 8.3.

Таблица 8.2 - Рекомендуемые способы монтажной сварки резервуаров, сооружаемых из рулонированных полотнищ

Сварное соединение

Рекомендуемый способ сварки

Стыковые соединения окраек днища

1 Механизированная сварка в углекислом газе

2 Механизированная сварка порошковой проволокой

Соединения элементов центральной части днища

1 Механизированная сварка порошковой проволокой

2 Механизированная сварка в углекислом газе

3 Автоматизированная сварка под флюсом

Монтажные стыки стенки

Механизированная сварка в углекислом газе

Уторные швы в сопряжении стенки и днища

1 Механизированная сварка в углекислом газе

2 Механизированная сварка порошковой проволокой

3 Автоматизированная сварка под флюсом

Сварные соединения каркаса крыши при укрупнении в блоки

1 Механизированная сварка в углекислом газе

2 Ручная дуговая сварка

Соединения люков, патрубков, усиливающих листов на стенке и на крыше

1 Механизированная сварка в углекислом газе

2 Сварка порошковой проволокой

Сварные соединения опорных узлов в сопряжении крыши со стенкой и колец жесткости

1 Механизированная сварка в углекислом газе

2 Ручная дуговая сварка

Сварные соединения настила крыши

1 Механизированная сварка в углекислом газе

2 Механизированная сварка порошковой проволокой

Сварные соединения понтонов или плавающих крыш

1 Механизированная сварка в углекислом газе

2 Механизированная сварка порошковой проволокой

3 Сварка под флюсом

Примечание - При сварке в углекислом газе в условиях ветра необходимо применять технологию, обеспечивающую повышение устойчивости защитной струи газа и стойкости к порообразованию, или применять заграждения от ветра.

Таблица 8.3 - Рекомендуемые способы сварки цилиндрических резервуаров, сооружаемых полистовым способом

Сварное соединение

Рекомендуемый способ сварки

Соединения окраек днища

1 Механизированная сварка в углекислом газе

2 Механизированная сварка порошковой проволокой

Соединения элементов центральной части днища

1 Механизированная сварка в углекислом газе

2 Механизированная сварка порошковой проволокой

3 Автоматизированная сварка под флюсом

Уторные швы в сопряжении стенки днища

1 Автоматизированная сварка под флюсом

2 Механизированная сварка порошковой проволокой

3 Механизированная сварка в углекислом газе

Вертикальные соединения стенки

1 Механизированная сварка порошковой проволокой

2 Автоматизированная сварка порошковой проволокой

3 Механизированная сварка в углекислом газе

4 Автоматизированная сварка с принудительным формированием шва порошковой проволокой

Горизонтальные соединения стенки

1 Автоматизированная сварка под флюсом

2 Механизированная сварка в углекислом газе

3 Сварка порошковой проволокой с полупринудительным формированием шва

Соединение люков, патрубков и их усиливающих листов на стенке и на крыше

1 Механизированная сварка в углекислом газе

2 Механизированная сварка порошковой проволокой

Сварные соединения каркаса крыши, опорных колец и колец жесткости

1 Механизированная сварка в углекислом газе

2 Ручная дуговая сварка

Соединения настила крыши

1 Механизированная сварка в углекислом газе

2 Механизированная сварка порошковой проволокой

Сварные соединения понтонов или плавающих крыш

1 Механизированная сварка в углекислом газе

2 Механизированная сварка порошковой проволокой

3 Сварка под флюсом

Примечания - При сварке в углекислом газе в условиях ветра необходимо применять технологию, обеспечивающую повышение устойчивости защитной струи газа и стойкости к порообразованию, или применять заграждения от ветра.

8.4.3 Применение ручной дуговой сварки при сооружении резервуаров должно быть ограничено из-за относительно высокого уровня удельного тепловложения, приводящего к повышенным сварочным деформациям, а также сравнительно низкой эффективности.

8.5 Контроль качества сварных соединений

8.5.1 Общие требования

При сооружении резервуаров применяются следующие виды контроля качества сварных соединений:

- механические испытания сварных соединений образцов-свидетелей;

- визуальный контроль;

- измерительный, с помощью шаблонов, линеек, отвесов, геодезических приборов и т.д.;

- контроль герметичности (непроницаемости) сварных швов с использованием проб «мел-керосин», вакуумных камер, избыточного давления воздуха или цветной дефектоскопии;

- физические - для выявления наличия внутренних дефектов: радиография или ультразвуковая дефектоскопия, а для контроля наличия поверхностных дефектов с малым раскрытием - магнитография или цветная дефектоскопия;

- гидравлические и пневматические прочностные испытания конструкции резервуара.

В рабочей документации должны быть указаны способы, объемы и нормы контроля качества сварных соединений.

8.5.2 Визуальный и измерительный контроль

8.5.2.1 Визуальный и измерительный контроль должен осуществляться в соответствии с РД 03-606-03 Госгортехнадзора России.

8.5.2.2 Визуальному контролю должны подвергаться 100 % длины всех сварных соединений резервуара.

8.5.2.3 По внешнему виду сварные швы должны удовлетворять следующим требованиям:

- по форме и размерам швы должны соответствовать проекту;

- швы должны иметь гладкую или равномерно чешуйчатую поверхность (высота или глубина впадин не должна превышать 1 мм);

- металл шва должен иметь плавное сопряжение с основным металлом;

- швы не должны иметь недопустимых внешних дефектов.

8.5.2.4 К недопустимым внешним дефектам сварных соединений резервуарных конструкций относятся трещины любых видов и размеров, несплавления, наплывы, грубая чешуйчатость, наружные поры и цепочки пор, прожоги и свищи.

Подрезы основного металла допускаются не более величин, указанных в таблице 8.4.

Таблица 8.4

Сварное соединение

Допускаемая величина подреза при уровне ответственности резервуара

III-й

II-й

I-й

Вертикальные поясные швы и соединение стенки с днищем

5 % толщины, но не более 0,5 мм

не более 0,5 мм

не более 0,3 мм

Горизонтальные соединения стенки

5 % толщины, но не более 0,8 мм

5 % толщины, но не более 0,6 мм

5 % толщины, но не более 0,5 мм

Прочие соединения

5 % толщины, но не более 0,8 мм

5 % толщины, но не более 0,6 мм

5 % толщины, но не более 0,6 мм

Примечание - Длина подреза не должна превышать 10 % длины шва.

8.5.2.5 Выпуклость швов стыковых соединений не должна превышать значений, указанных в таблице 8.5.

Таблица 8.5

Толщина листов, миллиметры

Максимальная величина выпуклости, миллиметры

вертикальных соединений стенки

прочих соединений

до 12 вкл.

1,5

2,0

свыше 12

2,0

3,0

8.5.2.6 Для стыковых соединений из деталей одной толщины допускается смещение свариваемых кромок относительно друг друга не более:

для деталей толщиной до 10 мм - 1,0 мм;

- для деталей толщиной более 10 мм - 10 % толщины, но не более 3 мм.

8.5.2.7 Выпуклость или вогнутость углового шва не должна превышать более чем на 20 % величину катета шва.

8.5.2.8 Уменьшение катета углового шва допускается не более 1 мм. Увеличение катета углового шва допускается не более следующих значений:

- для катетов до 5 мм - 1,0 мм;

- для катетов свыше 5 мм - 2,0 мм.

8.5.2.9 В местах пересечения сварных швов и в местах исправления дефектов необходимо обеспечивать минимальную концентрацию напряжений за счет обеспечения плавного сопряжения шва с основным металлом и уменьшения его выпуклости.

8.5.3 Контроль герметичности

Контролю герметичности подлежат все сварные швы, обеспечивающие герметичность резервуара, а также плавучесть понтона или плавающей крыши.

Контроль герметичности сварных соединений производится с использованием метода «мел-керосин», избыточного давления или вакуумным способом.

8.5.4 Контроль радиографический

8.5.4.1 Радиографический контроль применяется для контроля стыковых сварных швов стенки и окраек днищ в зоне сопряжения со стенкой резервуара.

8.5.4.2 Контроль радиографический (рентгенографированием или гаммаграфированием) должен производиться в соответствии с ГОСТ 7512.

При заводском изготовлении резервуарных конструкций вместо радиографического контроля может применяться рентгенотелевизионный контроль по ГОСТ 27947.

8.5.4.3 Оценка внутренних дефектов сварных швов должна производиться по ГОСТ 23055 и должна соответствовать:

для резервуаров III уровня ответственности - 6-му классу;

для резервуаров II уровня ответственности - 5-му классу;

для резервуаров I уровня ответственности - 4-му классу.

8.5.5 Ультразвуковая дефектоскопия

8.5.5.1 Ультразвуковая дефектоскопия производится для выявления внутренних дефектов (трещин, непроваров, шлаковых включений, газовых пор) и определения количества дефектов, их эквивалентной площади, условной протяженности и координат расположения.

8.5.5.2 Ультразвуковая дефектоскопия должна проводиться в соответствии с ГОСТ 14782.

8.5.6 Магнитопорошковая или цветная дефектоскопия

8.5.6.1 Контроль магнитопорошковой или цветной дефектоскопией производится с целью выявления поверхностных дефектов основного металла и сварных швов. Магнитопорошковой или цветной дефектоскопии подлежат:

- сварные швы соединения стенки с днищем резервуаров;

- сварные швы приварки люков и патрубков к стенке резервуаров;

- места на поверхности листов стенок резервуаров из стали с пределом текучести свыше 345 МПа, в зонах удаления технологических приспособлений.

8.6 Классификация и нормирование дефектов

8.6.1 Методы контроля, классификация и объем контроля сварных соединений элементов резервуара приведены в таблице 8.6.

Таблица 8.6

Тип сварного соединения

Зона контроля

Контроль сварных соединений элементов резервуара при уровне ответственности резервуара

I

II

III

метод

класс дефектности

объем контроля

метод

класс дефектности

объем контроля

метод

класс дефектности

объем контроля

1

2

3

4

5

б

7

8

9

10

1

Верт. соед.

Рентген или УЗД

4

100 % "

Рентген или УЗД

4

50 %

Рентген или УЗД

4

25 %

Гориз. соед.

-"-

5

10 %

-"-

5

5 %

-"-

5

2 %

2

Верт. соед.

-"-

4

25 %

-"-

4

15 %

-

-

-

Гориз. соед.

-"-

5

5 %

-"-

5

2 %

-

-

-

3

-"-

4

100 %

-"-

5

250 мм

Рентген или УЗД

5

250 мм

4

УЗД

ЦД2)

4

100 %

УЗД

ЦД

4

100 %

-

-

-

5

Рентген или УЗД

4

100 %

-"-

4

100 %

-

-

-

6

Пузырьковый

 

100 %

Пузырьковый

 

100 %

-

-

-

7

Верт. соед.

Рентген или УЗД

5

10 %

 

5

5 %

 

5

25 %3)

5 %

Гориз. соед.

-"-

5

5 %

-"-

5

2 %

-"-

5

2 %

8

Стенка

-

-

-

-

-

-

УЗД

5

100 %

Крыша

ЦД

 

100 %

ЦД

 

100 %

ЦД

 

100 %

9

Внутрен.

-

 

-

-

 

-

Пузырьковый

 

100 %

Наружн.

Капиллярный

 

100 %

Капиллярный

 

100 %

Капиллярный

 

100 %

10

Пузырьковый

 

100 %

Пузырьковый

 

100 %

Пузырьковый

 

100 %

11

ВИК

 

100 %

ВИК

 

100 %

ВИК

 

100 %

12

Изб. давл.

 

100 %

Изб. давл.

 

100 %

Изб. давл.

 

100 %

13

ВИК

 

100 %

ВИК

 

100 %

ВИК

 

100 %

14

Пузырьковый

 

100 %

Пузырьковый

 

100 %

Пузырьковый

 

100 %

15

-"-

 

100 %

-"-

 

100 %

-"-

 

100 %

16

ВИК

 

100 %

ВИК

 

100 %

ВИК

 

100 %

17

-"-

 

100 %

-"-

 

100 %

-"-

 

100 %

Примечания

1) Объем контроля выражен в процентах от общей длины конкретного сварного соединения.

2) ЦД - цветная дефектоскопия.

3) 25 % относится к поясам 1 - 4,5 %- остальные пояса.

Если в сварном соединении установлен уровень дефектности более 10 %, то объем контроля таких швов удваивается.

9 Основные требования к испытанию резервуаров

9.1 Все резервуары со стационарной и плавающей крышей должны быть подвергнуты гидравлическому испытанию. Резервуары со стационарной крышей без понтона, эксплуатируемые с установленными на крыше дыхательными клапанами, должны быть испытаны на внутреннее избыточное давление и вакуум.

9.2 Испытание должно проводиться в соответствии с технологической картой испытаний, которая должна быть составной частью проекта производства работ (ППР).

9.3 Гидравлическое испытание следует проводить наливом воды на проектный уровень залива продукта или до уровня контрольного патрубка, который предусмотрен для ограничения высоты наполнения резервуара. Налив воды следует осуществлять ступенями по поясам с промежутками времени, необходимыми для выдержки и проведения контрольных осмотров и замеров.

9.4 Испытание следует производить при температуре окружающего воздуха не ниже плюс 5 °С. При испытаниях резервуаров при температуре ниже плюс 5 °С должна быть разработана программа испытаний, предусматривающая мероприятия по предотвращению замерзания воды в трубах, задвижках, а также обмерзания стенки резервуара.

9.5 Резервуар, залитый водой до верхней проектной отметки, выдерживается под этой нагрузкой в течение следующего времени (если в проекте нет других указаний):

- резервуар объемом до 20000 м3 - не менее 24 часов;

- резервуар объемом 20000 м3 и выше - не менее 72 часов.

Резервуар считается выдержавшим гидравлическое испытание, если в течение указанного времени на поверхности стенки или по краям днища не появляются течи и если уровень воды не снижается, а отметка фундамента (основания под окрайкой) не изменяется. В процессе и после окончания гидравлических испытаний, при залитом до проектной отметки водой резервуаре, производят замеры отклонений образующих от вертикали, замеры отклонений наружного контура днища для определения осадки основания (фундамента).

Предельные отклонения геометрических параметров резервуара должны соответствовать требованиям, указанным в таблице 7.1.

9.6 Испытание резервуаров со стационарной крышей без понтонов на внутреннее избыточное давление и вакуум проводят после гидравлического испытания.

Избыточное давление принимается на 25 %, а вакуум - на 50 % больше проектной величины, если в проекте нет других указаний. Продолжительность нагрузки 30 минут.

В процессе испытания резервуара на избыточное давление производят контроль 100 % сварных швов стационарной крыши резервуара.

9.7 Требования по технологии и порядку проведения испытаний представлены в СТО 02494680-0044-2004.

9.8 После окончания испытаний проводится диагностирование резервуара с целью установления его фактического технического состояния и уточнения проектного срока службы.

Программа и объем диагностирования устанавливается представителями авторского (КМ, ППР) и независимого технического надзора.

10 Долговечность и регламент обслуживания резервуаров

10.1 Долговечность (срок службы) резервуаров на стадии проектирования обеспечивается выбором материала, учетом характера температурных, силовых и коррозионных воздействий, включая климатические и технологические, нормированием дефектов сварных соединений, использованием современных методов расчета, выбором оптимальных конструктивных решений, методов изготовления и монтажа конструкций, способов защиты от коррозии.

10.2 Отклонения от требований проектной документации и руководящих документов надзорных органов приведут к изменению (уменьшению) проектного срока службы сооружения. Решение по вопросам исправления допущенных отклонений или изменения технологических режимов эксплуатации резервуара, с целью обеспечения срока его службы, принимает заказчик.

10.3 Срок службы резервуаров обуславливается, в основном, двумя факторами: коррозионными поражениями и усталостной долговечностью стенки (для резервуаров, работающих на терминалах в режиме отгрузки продукта).

Проектный срок службы резервуара должен быть указан в составе общих данных рабочей документации на металлоконструкции резервуара.

10.3.1 Срок службы резервуара по критерию коррозионного износа обуславливается, в основном, химическим составом хранимого продукта, условиями его хранения (температура, оборачиваемость), конструкцией элементов резервуара, подвергающихся активному воздействию среды, эффективностью мероприятий по защите металлоконструкций от коррозии.

Для каждого объекта должен быть разработан проект антикоррозионной защиты, включая проект организации работ, с учетом конкретных условий эксплуатации или даны рекомендации по материалам и технологии их нанесения.

Расчетный срок службы покрытия должен быть не менее, чем интервал между полными техническими диагностированиями резервуара.

10.3.2 Усталостная долговечность стенки резервуара в зонах вертикальных сварных стыковых соединений при цикличности Nэ ≤ 100 циклов в год считается обеспеченной, если «стрелка угловатости» пояса (fi) на базе 1000 мм составляет fi ≤ 0,7ti.

При превышении указанных параметров необходимо производить оценку срока службы резервуара с учетом параметров циклического нагружения (амплитуда и частота нагружения, уровень «дефектности» сварных соединений стенки).

10.3.2.1 Усталостная долговечность стенки резервуара (в зонах вертикальных монтажных сварных соединений) определяется по зависимости на рисунке 10.1.


Рисунок 10.1


Указанная зависимость построена исходя из следующих параметров циклического нагружения:

- амплитуда номинальных циклических напряжений - σа = 0,5 (0,7Rу - 0,2Rу) = 0,25Rу;

- коэффициент ассиметрии цикла (с учетом сварочных напряжений) r = 0,4.

Коэффициент запаса по долговечности принят равным 10.

10.3.2.2 Коэффициент концентрации упруго-пластических деформаций (К*) стыкового сварного соединения при нагрузке σн = 0,7Ry составляет:

К* = 2,4 - без подреза при fi/ti = 1,0;

К* = 2,7 - без подреза при fi/ti = 2,0;

К* = 4,8 - с подрезом при fi/ti = 1,0;

К* = 5,3 - с подрезом при fi/ti = 2.0,

где fi - стрелка угловатости вертикального соединения 1-го пояса резервуара;

ti - толщина i-го пояса резервуара.

10.3.2.3 Число лет (Р) безаварийной эксплуатации резервуара определяется по формуле:

где No - число циклов нагружения резервуара за 1 год при указанном выше режиме;

Nв - число циклов нагружения резервуара до возникновения макротрещины.

10.4 Для обеспечения требуемой долговечности сооружения необходимо выполнять регламент обслуживания в соответствии с СТО 0030-2004, если в рабочей документации не указаны иные специальные требования.

11 Антикоррозионная защита

11.1 Проект антикоррозионной защиты резервуаров для нефти и нефтепродуктов должен разрабатываться с учетом требований СНиП 2.03.11-85 и ГОСТ 21.513 и конструктивных особенностей резервуаров, условий их эксплуатации и требуемого срока службы резервуара.

11.2 При выборе защитных покрытий и назначении "припусков на коррозию" следует учитывать степень агрессивного воздействия среды на элементы металлоконструкций внутри резервуара и на его наружные поверхности, находящиеся на открытом воздухе. Степень агрессивного воздействия среды на элементы металлоконструкций внутри резервуара приведена в таблице 11.1.

Таблица 11.1

№ п/п

Элементы конструкций резервуаров

Степень воздействия продуктов хранения на стальные конструкции внутри резервуара

сырая нефть

мазут, гудрон, битум

дизтопливо, бензин, керосин

масла (минеральные, растительные)

пресная вода

производственные стоки без очистки

1

Внутренняя поверхность днища и нижний пояс на высоту 1 м от днища

среднеагрессивная

среднеагрессивная

слабоагрессивная

неагрессивная

3 < рН ≤ 11

суммарная концентрация сульфатов и хлоридов до 5 г/л

среднеагрессивная

3 < рН ≤ 11

суммарная концентрация сульфатов и хлоридов до 5 г/л

среднеагрессивная

2

Средние пояса и нижние части понтонов и плавающих крыш

слабоагрессивная

слабоагрессивная

слабоагрессивная

3

Кровля и верхний пояс, бортовые поверхности понтона и плавающих крыш

среднеагрессивная

среднеагрессивная

слабоагрессивная

Примечания

1 При содержании в сырой нефти сероводорода в концентрации свыше 10 мг/л или сероводорода и углекислого газа в любых соотношениях степень агрессивного воздействия поз. 1 и 3 повышается на одну ступень.

2 Для бензина прямогонного поз. 2 повышается на одну ступень.

11.3 Степень агрессивного воздействия среды на элементы металлоконструкций резервуара, находящиеся на открытом воздухе, определяется температурно-влажностными характеристиками окружающего воздуха и концентрацией содержащихся в атмосфере воздуха коррозионно-активных газов в соответствии со СНиП 2.03.11-85.

11.4 Перед нанесением защитных покрытий все поверхности должны быть обезжирены до степени 2, очищены от окислов до степени 1 под металлизационно-лакокрасочные покрытия или до степени 1 - 2 под лакокрасочные покрытия по ГОСТ 9.402 и обеспылены.

11.5 При защите от коррозии наружной поверхности днищ резервуаров следует руководствоваться следующими требованиями:

- устройство фундаментов и основания под резервуар должно обеспечивать отвод грунтовых вод и атмосферных осадков от днища;

- при выполнении гидрофобного слоя из битумно-песчаной смеси не требуется нанесения защитных покрытий на наружную поверхность днища. Применяемые песок и битум не должны содержать коррозионно-активных агентов.

12 Оборудование для безопасной эксплуатации резервуаров

12.1 Технологическое оборудование

12.1.1 Количество приемо-раздаточных устройств следует определять по максимальной производительности заполнения и опорожнения резервуара.

Максимальная производительность заполнения (опорожнения) резервуара с плавающей крышей или понтоном ограничивается допустимой скоростью перемещения плавающей крыши (понтона), которая не должна превышать 6 м/час.

Скорость заполнения (опорожнения) резервуара не должна превышать суммарной пропускной способности устанавливаемых на резервуаре дыхательных, предохранительных клапанов или вентиляционных патрубков.

12.1.2 Дыхательная аппаратура должна устанавливаться на стационарной крыше резервуаров и должна обеспечивать проектные величины внутреннего давления и вакуума или их отсутствие (для атмосферных резервуаров и резервуаров с понтоном). В первом случае дыхательная аппаратура выполняется в виде совмещенных дыхательных клапанов (клапанов давления и вакуума) и предохранительных клапанов, во втором случае - в виде вентиляционных патрубков.

12.1.3 Минимальная пропускная способность дыхательных клапанов, предохранительных клапанов и вентиляционных патрубков определяется в зависимости от максимальной производительности приемо-раздаточных операций (включая аварийные условия) по следующим формулам:

- пропускная способность клапана по внутреннему давлению, м3/час

Q = 2,71М1 + 0,026 · V;

- пропускная способность клапана по вакууму, м3/час

Q = М1 + 0,22 · V;

- пропускная способность вентиляционного патрубка, м3/час

Q = М2 + 0,02 · V

или

Q = М2 + 0,22 · V,

что больше,

где М1 - производительность залива продукта в резервуар, м3/час;

М2 - производительность слива продукта из резервуара, м3/час;

V - полный объем резервуара, включая объем газового пространства под стационарной крышей, м3.

Примечания

1 Не допускается изменение производительности приемо-раздаточных операций после введения резервуара в эксплуатацию без пересчета пропускной способности дыхательной аппаратуры, а также увеличение производительности слива продукта в аварийных условиях.

2 Минимальное количество вентиляционных патрубков резервуаров с понтоном указано в пп. 5.7.16.

3 Предохранительные клапаны должны быть отрегулированы на повышенные (на 5 ÷ 10 %) величины внутреннего давления и вакуума, чтобы предохранительные клапаны поработали вместе с дыхательными.

12.1.4 Дыхательные и предохранительные клапаны должны устанавливаться совместно с огневыми предохранителями, обеспечивающими защиту от проникновения пламени в резервуар в течение заданного промежутка времени.

Для уменьшения потерь от испарения продукта под дыхательным клапаном рекомендуется устанавливать диск-отражатель, входящий в комплект клапана.

12.1.5 Для удаления подтоварной воды резервуары для нефти и нефтепродуктов должны оснащаться сифонными кранами, устанавливаемыми в первом поясе.

12.1.6 Резервуары для хранения нефти при необходимости должны оснащаться устройствами для предотвращения накопления осадка (винтовые перемешивающие устройства, системы размыва).

12.2 Контрольно-измерительные приборы и автоматика

12.2.1 Резервуары с учетом характеристик хранимого продукта рекомендуется оснащать:

- приборами местного и дистанционного измерения уровня и температуры;

- сигнализаторами верхнего аварийного, верхнего и нижнего предельных уровней;

- устройством отбора средней пробы;

- пожарными извещателями (резервуары для нефти и нефтепродуктов).

12.2.2 Приборы контроля уровня должны обеспечивать оперативный контроль уровня продукта (местный или дистанционный). Максимальный уровень продукта должен контролироваться сигнализаторами уровня (минимум два), передающими сигнал на отключение насосного оборудования. В резервуарах с плавающей крышей или понтоном следует устанавливать на равных расстояниях не менее трех сигнализаторов уровня, работающих параллельно.

12.2.3 При отсутствии сигнализаторов максимального уровня должны быть предусмотрены переливные устройства, соединенные с резервной емкостью или сливным трубопроводом, исключающие превышение уровня залива продукта сверх проектного.

12.2.4 Для резервуаров для нефти и нефтепродуктов средства обнаружения пожара (пожарные извещатели) необходимо устанавливать:

·                         на резервуарах РВС и РВСП - на стенке, рядом с пеногенераторами и равномерно по периметру резервуара;

·                         на резервуарах РВСПК - на конструкции для пеногенераторов или равномерно по периметру на расстоянии не более 25 м независимо от применяемых средств пожаротушения.

12.3 Устройства пожарной безопасности на резервуарах для нефти и нефтепродуктов

12.3.1 Устройства пожарной безопасности подразделяются на устройства пенного тушения и устройства охлаждения резервуаров.

12.3.2 Устройства пенного тушения должны устанавливаться на резервуарах в соответствии с требованиями СНиП 2.11.03-93 в составе стационарных автоматических или передвижных установок пожаротушения.

Устройства пенного тушения состоят из генераторов пены, трубопроводов для подачи раствора пенообразователя, площадок обслуживания генераторов пены. Генераторы пены должны устанавливаться в верхнем поясе стенки резервуаров со стационарной крышей или на кронштейнах выше стенки для резервуаров с плавающей крышей.

При креплении трубопроводов к стенке резервуаров должны учитываться перемещения стенки и конструктивные требования согласно п. 5.12.

Для удержания гасительной пены в зоне уплотняющего затвора резервуаров с понтоном или плавающей крыши по периметру понтонов или плавающих крыш должен быть установлен кольцевой барьер, верхняя кромка которого превышает верхнюю отметку уплотняющего затвора минимум на 200 мм.

12.3.3 Устройства охлаждения (стационарные установки охлаждения) должны устанавливаться на резервуарах в соответствии с требованиями СНиП 2.11.03-93.

Устройства охлаждения состоят из верхнего горизонтального кольца орошения - оросительного трубопровода с устройствами распыления воды (перфорация, спринклерные или дренчерные головки), сухих стояков и нижнего кольцевого трубопровода, соединяющих кольцо орошения с сетью противопожарного водопровода.

Кольцевые трубопроводы должны опираться на приваренные к стенке резервуара кронштейны. Крепление трубопроводов осуществляется на хомутах или болтовых скобах.

12.3.4 Предпочтительно использовать систему подслойного пожаротушения.

12.4 Устройства молниезащиты резервуаров

12.4.1 Устройства молниезащиты резервуаров должны быть запроектированы согласно требованиям СО-153-34.21.122-2003.

12.4.2 По устройству молниезащиты резервуары относятся ко II категории и должны быть защищены от прямых ударов молнии, электростатической и электромагнитной индукции, заноса высоких потенциалов по трубопроводам.

12.4.3 Нижний пояс стенки резервуаров должен быть присоединен через токоотводы к заземлителям, установленным на расстоянии не более чем 50 м по периметру стенки, но не менее двух, в диаметрально противоположных точках. Соединения токоотводов и заземлителей должны выполняться на сварке. Допускается присоединение резервуара к заземлителям производить на латунных болтах и шайбах через медные или оцинкованные токоотводы и приваренные к стенке резервуара бобышки заземления диаметром 45 мм с резьбовым отверстием М16. Каждое соединение (стенка-токоотвод-заземлитель) должно иметь импульсное сопротивление не более 50 Ом.

Токоотводы и заземлители следует выполнять из стального проката с размерами в сечении не менее указанных в таблице 12.1.

Таблица 12.1

Форма сечения токоотводов и заземлителей

Наименьшие размеры стальных токоотводов и заземлителей, расположенных

снаружи, на воздухе

в земле

Круглые стержни диаметром, мм

6

10

Тросы диаметром, мм

6

-

Полосовая сталь:

 

 

- сечением, мм2;

48

160

- толщиной, мм;

4

4

Угловая сталь:

 

 

- сечением, мм2;

-

160

- толщиной, мм

-

4

Трубы с толщиной стенки, мм

2,5

-

12.4.4 Защита от прямых ударов молнии должна производиться отдельно стоящими или установленными на самом резервуаре молниеприемниками (молниеотводами). В зону защиты молниеприемников должно входить пространство над каждой единицей дыхательной аппаратуры, ограниченное полушарием радиусом 5 м.

Молниеприемники, устанавливаемые на резервуаре, изготавливают из круглых стержней или труб с поперечным сечением не менее 100 мм2. Крепление молниеприемника к резервуару (к верхнему поясу стенки или к стационарной крыше) должно осуществляться на сварке. Для защиты от коррозии молниеприемники оцинковывают или красят.

12.4.5 В проекте «Оборудование резервуара» раздел «Молниезащита», должны быть разработаны мероприятия по защите резервуара от электростатической и электромагнитной индукции в зависимости от электрических характеристик продукта, производительности и условии налива продукта, свойств материала и защитных покрытий внутренних поверхностей резервуара.

Для обеспечения электростатической безопасности нефтепродукты должны заливаться в резервуар без разбрызгивания, распыления или бурного перемешивания (за исключением случаев, когда технологией предусмотрено перемешивание и обеспечены специальные меры электростатической безопасности).

Нефтепродукты должны поступать в резервуар ниже находящегося в нем остатка. При заполнении порожнего резервуара нефть (нефтепродукты) должны подаваться со скоростью не более 1 м/с до момента заполнения приемного патрубка или до всплытия понтона (плавающей крыши). Дальнейшее заполнение резервуара должно производиться со скоростью потока жидкости в падающем трубопроводе не превышающей следующей величины:

где V - скорость потока, м/с;

d - внутренний диаметр трубопровода, м.

13 Основания и фундаменты

13.1 Разработка проектной документации оснований и фундаментов выполняется на основании технического задания. В состав технического задания, помимо данных, полученных на основании п. 3.3 настоящего стандарта, должны входить данные инженерно-геологических изысканий (для районов распространения многолетнемерзлых грунтов - данные инженерно-геокриологических изысканий).

Объем и состав инженерных изысканий определяется Проектировщиком оснований и фундаментов с учетом положений СНиП 11-02-96 и СНиП 11-105-97.

В задании на проведение инженерных изысканий следует предусматривать исследование грунтов на глубину активной зоны (ориентировочно 0,4 - 1,0 диаметра резервуара) в центральной части резервуара и не менее 0,7 активной зоны - под стенкой резервуара.

Количество геологических выработок (скважин) определяется площадью резервуара и не должно быть менее 4 (1 - в центре, 3 - под стенкой резервуара). В дополнение к скважинам может быть предусмотрено исследование грунтов методом статического зондирования.

В районах распространения многолетнемерзлых грунтов необходимо предусмотреть замеры температур грунтов в специальных термометрических скважинах.

В районах с повышенной сейсмической активности необходимо предусмотреть геофизические исследования грунтов основания резервуаров.

13.2 При разработке проектов оснований и фундаментов следует руководствоваться положениями СНиП 2.02.01-83, СНиП 2.02.03-85, СНиП 2.02.04-88, СНиП 11-07-81.

13.3 Основные конструктивные решения.

13.3.1 Рекомендуется два принципиальных конструктивных решения оснований:

а) использование грунтов основания в естественном состоянии - в случаях, когда деформационные свойства грунтов обеспечивают допустимые конечные осадки резервуара;

б) в случаях, когда деформационные характеристики грунтов не обеспечивают допустимые осадки резервуара, необходимо предусмотреть инженерные мероприятия по упрочнению грунтов основания, либо устройство свайного основания.

Свайное основание может быть как под всей площадью резервуара - «свайное поле», так и «кольцевым»- под стенкой резервуара.

13.3.2 В качестве фундамента резервуара может быть предусмотрена грунтовая подушка (с железобетонным кольцом под стенкой и без него), либо железобетонная плита. Железобетонная плита, как правило, применяется при свайном основании.

13.3.3 При строительстве в районах распространения многолетне-мерзлых грунтов при использовании грунтов основания по I принципу (с сохранением грунтов в мерзлом состоянии в период строительства и эксплуатации) необходимо обеспечить их защиту от воздействия положительных температур хранимого в резервуарах продукта. Это может быть выполнено за счет устройства проветриваемого подполья «Высокий ростверк» или за счет применения теплоизоляционных материалов в сочетании с принудительным охлаждением грунтов - «Термостабилизацией».

13.3.4 Грунтовую подушку, как правило, следует выполнять из дренирующих грунтов - пески средние, крупные и гравелистые. Грунт в «подушке» укладывается послойно с уплотнением. Степень уплотнения не должна быть менее 0,8 от стандартной плотности.

13.3.5 Гидроизолирующий экран под резервуаром выполняется в соответствии с техническим заданием. Материал и конструкция экрана назначаются в зависимости от хранимого в резервуаре продукта.

13.4 Приемка оснований и фундаментов.

13.4.1 Приемка основания и фундаментов производится в установленном порядке с обязательным участием представителя монтажной организации (производителя работ).

13.4.2. Принимаемое основание и фундаменты должны соответствовать требованиям рабочих чертежей проекта.

Предельные отклонения размеров и формы основания и фундаментов от проектных не должны превышать величин, указанных в таблице 13.1.

Таблица 13.1

№ п/п

Наименование параметров

Предельное отклонение при диаметре резервуара, мм

до 12 м

св. 12 м до 25 м

св. 25 м до 40 м

св. 40 м до 65 м

св. 65 м до 95 м

1

2

3

4

5

6

7

1

Отметка центра снования при:

- плоском

0...+10

0...+20

0...+30

0...+40

0...+45

 

- с подъемом к центру

0...+10

0...+20

0...+30

0...+40

0...+45

 

- с уклоном к центру

0...-5

0...-10

0...-15

0...-20

0...-20

2

Отметки поверхности периметра грунтового основания, определяемые под стенкой резервуара:

- разность отметок смежных точек, через каждые 6 м

5

7,5

-

-

-

 

- разность отметок любых других точек

10

15

-

-

-

3

Отметки поверхности кольцевого фундамента (гидроизолирующего слоя), определяемые в зоне расположения стенки:

- разность отметок смежных точек, через каждые 6 м

-

-

10

10

10

 

- разность отметок любых других точек

-

-

15

15

20

4

Ширина кольцевого фундамента, через каждые 6 м

0...+50

5

Наружный диаметр кольцевого фундамента, четыре измерения (под углом 45°)

±20

±20

+30

-20

+40

-30

+50

-30

6

Толщина гидроизолирующего слоя на поверхности кольцевого фундамента

±5

13.4.3 Использование грунтов основания в естественном состоянии, когда конечные осадки грунтов обеспечивают допустимые деформации.

13.4.4 Предельно допустимые деформации основания и осадок фундаментов не должны превышать следующих значений:

·                         максимальная абсолютная осадка не должна превышать 200 мм;

·                         относительная осадка, равная отношению разности высотных отметок двух смежных точек к расстоянию между ними, не должна превышать 0,005 (см. СНиП 3.02.01-87);

·                         крен резервуаров с понтонами или плавающими крышами не должен превышать - 0,002, а резервуаров со стационарными крышами - 0,004;

·                         в резервуарах с уклоном днища от центра или без уклона разность осадок основания центральной части и в зоне стенки не должна превышать 0,003 радиуса и не превышать 100 мм;

·                         в резервуарах с уклоном днища к центру предельно допустимая разность осадок составляет 0,002 радиуса и не должна превышать 50 мм.

Приложение А

(обязательное)

Перечень нормативной литературы

ГОСТ 9.402                             ЕСЗКС. Покрытия лакокрасочные. Подготовка металлических поверхностей перед окрашиванием.

ГОСТ 21.513-83                      Антикоррозионная защита конструкций зданий и сооружений. Рабочие чертежи

ГОСТ 535                                Прокат сортовой и фасонный из стали углеродистой обыкновенного качества. Общие технические условия

ГОСТ 1050                              Прокат сортовой, калиброванный, со специальной отделкой поверхности из углеродистой качественной конструкционной стали. Общие технические условия

ГОСТ 5264                              Ручная дуговая сварка. Соединения сварные. Основные типы, конструктивные элементы и размеры

ГОСТ 7512                              Контроль неразрушающий. Соединения сварные. Радиографический метод

ГОСТ 8713                              Сварка под флюсом. Соединения сварные. Основные типы, конструктивные элементы и размеры

ГОСТ 9454                              Металлы. Методы испытаний на растяжение при повышенных температурах

ГОСТ 11534                            Ручная дуговая сварка. Соединения сварные под острыми и тупыми углами. Основные типы, конструктивные элементы и размеры

ГОСТ 12816                            Фланцы арматуры, соединительных частей и трубопроводов на Ру от 0,1 до 20,0 МПа (от 1 до 200 кгс/см2). Общие технические условия

ГОСТ 12820                            Фланцы стальные плоские приварные на Ру от Ру от 0,1 до 20,0 МПа (от 1 до 200 кгс/см2). Конструкция и размеры

ГОСТ 14637                            Прокат толстолистовой из углеродистой стали обыкновенного качества Технические условия

ГОСТ 14771                            Дуговая сварка в защитном газе. Соединения сварные. Основные типы, конструктивные элементы и размеры

ГОСТ 14782                            Контроль неразрушающий. Соединения сварные. Методы ультразвуковые

ГОСТ 19281                            Прокат из стали повышенной прочности. Общие технические условия

ГОСТ 19903                            Прокат листовой горячекатаный. Сортамент

ГОСТ 21779                            Система обеспечения точности геометрических параметров в строительстве. Технологические допуски

ГОСТ 22727                            Прокат листовой. Методы ультразвукового контроля

ГОСТ 23518                            Дуговая сварка в защитных газах. Соединения сварные под острыми и тупыми углами. Основные типы, конструктивные элементы и размеры

ГОСТ 24379.0                         Болты фундаментные. Общие технические условия

ГОСТ 27751                            Надежность строительных конструкций и оснований. Основные положения по расчету

ГОСТ 27772                            Прокат для строительных стальных конструкций. Общие технические условия

СНиП 2.01.07-85*                  Нагрузки и воздействия

СНиП II-23-81                        Стальные конструкции

СНиП 2.09.03-85*                  Сооружения промышленных предприятий

СНиП II-7-81*                        Строительство в сейсмических районах

СНиП 23-01-99                       Строительная климатология

СНиП 2.03.11-85                    Защита строительных конструкций от коррозии

СНиП 2.11.03-93                    Склады нефти и нефтепродуктов. Противопожарные нормы

СНиП 11-02-96                       Инженерные изыскания для строительства. Основные положения

СНиП 11-02-97                       Инженерно-геологические изыскания для строительства

СНиП 2.02.01-83                    Основания зданий и сооружений

СНиП 2.02.03-85                    Свайные фундаменты

СНиП 2.02.04-88                    Основания у фундамента на вечномерзлых грунтах

СНиП 11-07-81                       Строительство в сейсмических районах

СНиП 3.02.01-87                    Земляные сооружения, основания и фундаменты

РД 08-296-99                           Положение об организации технического надзора за соблюдением проектных решений и качеством строительства, капитального ремонта и реконструкции на объектах магистральных трубопроводов

РД 03-606-03                           Инструкция по визуальному и измерительному контролю. Госгортехнадзор РФ

СО-153-34.21.122-2003          Инструкция по устройству молниезащиты зданий, сооружений и коммуникаций

ПБ 03-605-03                           Правила устройства вертикальных цилиндрических стальных резервуаров для нефти и нефтепродуктов, 2003

СТО 0030-2004                       Резервуары вертикальные цилиндрические стальные для нефти и нефтепродуктов. Правила технического диагностирования, ремонта и реконструкции

СТО 002494680-0044-2005    Резервуары вертикальные цилиндрические стальные со стационарной крышей, понтоном и плавающей крышей. Правила проведения испытаний на герметичность, прочность и устойчивость

Приложение Б

(рекомендуемое)

Требования к конструкции сварных соединений, подготовке кромок, форме и размерам сварных швов конструктивных элементов резервуаров

№ п/п

Конструктивный элемент резервуара

Требования к конструкции и подготовке кромок соединений

Требования к форме и размерам шва

1

2

3

4

1

Центральная часть днища, поперечные швы листов, собранных встык

b1 = b + 1... 6

а = 0... 2

2

Центральная часть днища, поперечные швы листов, собранных внахлестку

K = tg

а = 0... 2    α 110°

3

Центральная часть днища, продольные швы

K = tg

а = 0... 2    α 110°

4

Центральная часть днища, сопряжение листов в узлах тройной нахлестки

5

Стыковые швы окраечных листов днища с клиновидным зазором

* - зазор в зоне сопряжения со стенкой

b1 = b + 1... 6

6

Швы сопряжения центральной части днища с кольцом окраек

K = tg

а = 0... 2                 α 110°

7

Сопряжение стенки с днищем при толщине окраечных листов до 12 мм включительно

K = tокр ≤ 12

aн = 0... 2  aвн = 0... 2

8

Сопряжение стенки с днищем при толщине окраечных листов более 12 мм

K ≤ 12

aн = 0... 2  aвн = 0... 2

9

Вертикальные сварные швы стенки при толщине листов до 10 мм включительно

10

Вертикальные сварные швы стенки при толщине листов более 10 мм

11

Вертикальные сварные швы стенки при сварке с принудительным формированием шва для толщин более 10 мм

12

Вертикальные сварные швы стенки при использовании керамических подкладок

13

Вертикальные сварные швы стенки при использовании керамических стержней

14

Горизонтальные швы стенки при разности толщин поясов: Δ ≤ 2 мм для tв = 4 - 20 мм; Δ ≤ 3 мм для tв = 21 - 30 мм; Δ ≤ 4 мм для tв > 30 мм

15

Горизонтальные швы стенки при разности толщин поясов Δ более значений, указанных в п. 14

16

Горизонтальные швы стенки при толщине листов до 10 мм

17

Сопряжения патрубков со стенкой, не требующие усиления

18

Сопряжения патрубков со стенкой, требующие усиления

19

Сопряжения люков-лазов со стенкой

20

Швы усиливающих листов люков и патрубков при толщине листов до 10 мм

21

Швы усиливающих листов люков и патрубков при толщине листов от 11 мм до 16 мм

22

Швы усиливающих листов люков и патрубков при толщине листов более 16 мм

23

Сопряжение усиливающего листа с окрайкой днища

24

Радиальные швы ветровых и опорных колец жесткости при толщине металла более 12 мм

25

Радиальные швы ветровых и опорных колец жесткости при толщине металла до 12 мм включительно

26

Сопряжения ветровых колец и колец жесткости со стенкой

27

Сварные швы в сопряжении опорного кольца со стенкой

28

Сварные швы в сопряжении опорного кольца со стенкой (вариант для резервуаров емкостью 5000 м)

29

Сварные швы в сопряжении каркаса крыши и опорного кольца со стенкой

Размер - по проекту КМ

30

Сварные швы коробов понтонов и плавающих крыш

31

Сварные швы мембран понтонов и плавающих крыш

32

Сварные швы в сопряжении коробов понтонов и плавающих крыш с мембраной

33

Сварные швы двудечной плавающей крыши (верхняя дека)

34

Сварные швы настила стационарных крыш

35

Сварные швы в сопряжении патрубков с настилом крыши

36

Сварные швы врезок патрубков (люков-лазов) в плавающую крышу

37

Сварные швы кронштейнов на стенке

Примечания

1 Допускаемые отклонения угловых размеров разделок кромок ±2 град.

2 Допуск на размер катета шва +2; -1.

Приложение В

(рекомендуемое)

Допускаемые нагрузки на патрубки в стенке резервуара

Данное Приложение является частью разработки инженерной методики по определению допускаемых усилий на стенку резервуара, при приложении локальных нагрузок к расположенным вблизи днища врезкам приемо-раздаточных патрубков и люков-лазов. Для оценки прочности стенки резервуара в окрестности врезки необходимо учитывать осевую силу и изгибающие моменты, действующие в вертикальной и горизонтальной плоскости Область допускаемых усилий должна строиться для трех одновременно приложенных нагрузок в трехмерном пространстве.

1 Локальные нагрузки могут возникать от усилий компенсации трубопроводов, а также со стороны дополнительного технологического оборудования, установленного на крышки люков-лазов. Оценка прочности стенки резервуара при действии локальных нагрузок на усиление врезки патрубка является актуальной именно для тонкостенных оболочек большого диаметра, к которым и относятся корпуса РВС. Для них характерно, что при рабочих давлениях продукта порядка 0,1 - 0,2 МПа, в стенке развиваются мембранные напряжения близкие к предельным. Для тонкостенной оболочки на фоне этих напряжений даже небольшие сосредоточенные нагрузки приводят к значительным напряжениям локального изгиба вследствие малой изгибной жесткости стенки.

2 Основой инженерной методики определения допускаемых усилий на врезку в резервуар должен быть достаточно точный метод расчета напряженного состояния в корпусе резервуара вблизи врезки. Анализ современных возможностей расчета напряженного состояния при действии локальной нагрузки на усиленное отверстие в тонкостенной цилиндрической оболочке показал, что для выполнения расчета с необходимой точностью нужна специализированная программа, использующая метод конечных элементов. Под специализацией подразумевается совокупность мероприятий, облегчающих подготовку исходных данных и работу с программой при переходе от варианта к варианту. Альтернатива такой специализированной программе построена с использованием универсального конечно-элементного комплекса ANSYS. Для этого применены встроенные в него средства программирования.

Для выполнения расчета конкретной врезки с помощью этой программы пользователь в редакторе WordPad, или аналогичном, составляет файл исходных данных, который содержит необходимые для расчета параметры: диаметр резервуара и врезки, толщину стенки первого пояса и высоту оси врезки над днищем, высоту налива и плотность продукта, прочностные характеристики стали. Задаются величины трех внешних усилий на врезку. Программа может запускаться в пакетном режиме. Результаты расчета могут быть прочитаны тем же редактором или программой Excel с целью дальнейшей обработки.

Результаты расчета содержат напряжения от налива продукта и трех внешних локальных воздействий. Напряжения выводятся в ряде точек корпуса на границе усиления патрубка. Проверка условий прочности проводится по размаху напряжений. Для выполнения расчета трубопроводов в числе результатов выводятся перемещения стенки в точке пересечения оси патрубка с корпусом от налива продукта, а также жесткости от трех внешних воздействий для пустого резервуара.

3 С помощью разработанной программы проанализирована методика Приложения Р Стандарта API 650 издания 9 и 10, а также две публикации, на которых основана методика и на которые есть ссылки в Приложении Р. Методика Приложения Р определяет область допускаемых внешних нагрузок на врезку. Из анализа первоисточников следует, что методика API 650 не учитывает наличие в оболочке отверстия и усиливающей накладки. Численное решение также вносят заметный вклад в общую погрешность методики. Пример расчета врезки, приводимый в публикациях, занижает допускаемую осевую силу и момент в вертикальной плоскости почти в два раза, а допускаемый момент в кольцевом направлении завышает более чем в два раза. Критически следует отнестись и к учету податливости места врезки при расчете компенсации подходящих трубопроводов. Жесткости определены из линейного расчета, то есть для пустого резервуара. Однако, как показывают дополнительные расчеты с учетом больших перемещений, мембранные напряжения от налива продукта повышают жесткость стенки от всех нагрузок на врезку. Заниженные жесткости стенки не идут в запас при расчете действующих на резервуар усилий со стороны трубопроводов.

4 Программа, описанная в подразделе 2, создавалась для построения области допускаемых усилий на врезку по аналогии с методикой API 650. Однако проблема определения области допускаемых усилий оказалась сложнее, чем предполагалось в начале работы. Сложность напряженного состояния, обилие комбинаций параметров, для которых надо строить в трехмерном пространстве область допускаемых нагрузок, пока не позволили создать приемлемую инженерную методику. Под инженерной методикой здесь подразумевается совокупность графиков, номограмм, таблиц и формул, с помощью которой можно было бы оценить прочность конкретной врезки, не прибегая к сложным расчетам и помощи компьютера. В то же время при расчете на прочность конкретной врезки процедура подготовки исходных данных и работа с программой очень просты, в целом не сложнее, чем использование инженерной методики поставленной на ПК, поэтому эта программа может быть использована как часть методики расчета врезки на прочность. Главным недостатком такой методики является необходимость выполнять для каждого варианта врезки расчет, или обращаться в организацию, обладающую как методикой, так и программой ANSYS.

ЛИСТ РЕГИСТРАЦИИ ИЗМЕНЕНИЙ

Номер изменения

Номера разделов, пунктов (подпунктов)

Срок введения изменения

Подпись

измененных

замененных

новых

аннулированных

 

 

 

 

 

 

 

 

 

Ключевые слова: проектирование, резервуары вертикальные цилиндрические стальные, хранение, жидкие продукты, материалы, элементы резервуара, сварка, контроль качества, испытания, антикоррозионная защита, основания и фундаменты