ВЫПУСК 08.001

АКВАСТОП

СИСТЕМА ПРОДУКТОВ
ДЛЯ ГЕРМЕТИЗАЦИИ ШВОВ РАЗЛИЧНОГО НАЗНАЧЕНИЯ
В ПРОМЫШЛЕННОМ И ГРАЖДАНСКОМ СТРОИТЕЛЬСТВЕ

2007

СОДЕРЖАНИЕ

Общие положения. 1

Технические данные материалов изделий. 2

Обозначение и номенклатура гидроизоляционных шпонок. 4

Гидроизоляционные шпонки АКВАСТОП тип ДВ.. 5

Гидроизоляционные шпонки АКВАСТОП тип ДО.. 6

Гидроизоляционные шпонки АКВАСТОП тип ДЗ. 7

Гидроизоляционные шпонки АКВАСТОП тип ХВ.. 8

Гидроизоляционные шпонки АКВАСТОП тип ХО.. 9

Гидроизоляционные шпонки АКВАСТОП тип ДВС.. 9

Гидроизоляционные шпонки АКВАСТОП тип ДОС.. 10

Гидроизоляционные шпонки АКВАСТОП тип ХВС.. 10

Гидроизоляционные шпонки АКВАСТОП тип ДОМ... 11

Гидроизоляционные шпонки АКВАСТОП тип ХОМ... 12

Гидроизоляционные шпонки АКВАСТОП тип ДР. 13

Гидроизоляционные шпонки АКВАСТОП тип ТАРАКАН.. 13

Профильное уплотнение АКВАСТОП тип СВГ. 14

Профильное уплотнение АКВАСТОП тип ЕЛОЧКА.. 14

Деформационные швы АКВАСТОП тип ДШВ.. 15

Деформационные швы АКВАСТОП тип ДШН.. 17

Деформационные швы АКВАСТОП тип ДШС.. 17

Декоративный профиль АКВАСТОП тип ПС.. 18

Система АКВАСТОП ГЕРМОШОВ.. 18

Система АКВАСТОП ИНЖЕКТО.. 19

ОБЩИЕ ПОЛОЖЕНИЯ

Продукты системы АКВАСТОП, описанные в настоящем проспекте, предназначены для обустройства швов различного назначения в промышленном и гражданском строительстве.

Основываясь на нашем многолетнем опыте производства и применения продуктов системы АКВАСТОП, мы всегда готовы оказать профессиональную техническую помощь и консультации клиентам и проектировщикам при выборе и применении соответствующих продуктов и решении других проблем.

ИСПОЛЬЗУЕМЫЕ ТЕРМИНЫ

В проспекте используются следующие термины:

Деформационный шов - температурный, осадочный, антисейсмический и другие швы, а также их сочетания.

Технологический шов бетонирования - шов в месте контакта бетона разного возраста, обусловленный технологией производства бетонных работ.

Перемещения - допустимые перемещения сопрягаемых элементов конструкции. Виды перемещений приведены ниже.

ТРАНСПОРТИРОВАНИЕ И ХРАНЕНИЕ

Изделия перевозят транспортом всех видов в соответствии с правилами перевозки в условиях, исключающих их механические повреждения и загрязнения.

Изделия следует хранить в заводской упаковке, без воздействия деформирующих нагрузок, прямых солнечных лучей, защищенными от попадания на них нефтепродуктов и органических растворителей.

Условия при воздействии климатических факторов должны соответствовать:

- при транспортировании группе условий 8 по ГОСТ 15150;

- при хранении группе условий 3 по ГОСТ 15150.

ГАРАНТИИ ИЗГОТОВИТЕЛЯ

Гарантийный срок эксплуатации изделий - 5 лет.

Гарантийный срок хранения изделий - 2 года со дня изготовления.

Гарантия изготовителя распространяется на эксплуатационные характеристики изделий при условии, что все работы по установке выполнены в соответствии с регламентами, согласованными с Изготовителем.

Потребитель несет ответственность за соответствие выбранного им типа изделия назначению и условиям его эксплуатации.

ЗАМЕЧАНИЯ

Изготовитель оставляет за собой право вносить изменения в технические данные изделий, не ухудшающие их характеристики, основываясь на результатах новых разработок.

Приведенные рисунки схематичны и могут отличаться от реальной ситуации.

ТЕХНИЧЕСКИЕ ДАННЫЕ МАТЕРИАЛОВ ИЗДЕЛИЙ

Для изготовления продуктов системы АКВАСТОП используют следующие материалы:

РЕЗИНЫ НА ОСНОВЕ ЭТИЛЕНПРОПИЛЕНОВОГО КАУЧУКА (EPDM)

Изделия из этого материала изготавливают в соответствии с ТУ 5775-002-46603100-03. Материал группы I используют при изготовлении гидроизоляционных резиновых шпонок, профильных уплотнений СВГ, уплотнительного профиля для деформационных швов ДШВ, ДШС и ДШН. Материал группы II используют при изготовлении системы ГЕРМОШОВ.

Применение этого материала обеспечивает следующие преимущества:

Ö широкий диапазон рабочих температур (от -50 °C до +80 °C);

Ö гибкость и эластичность при отрицательных температурах;

Ö высокая химическая стойкость;

Ö долговечность;

Ö простота монтажа;

Ö надежное крепление в бетоне;

Ö экологическая безопасность.

Физико-механические показатели материала:

Наименование показателя

Метод

Группа I

Группа II

1

Твёрдость по Шор А, единицы Шор А

ГОСТ 263

70 ± 5

70 ± 5

2

Условная прочность при растяжении, МПа (кг/см2), не менее

ГОСТ 270 на образцах тип I толщ. 2,0 мм

7,5 (75)

6,0 (60)

3

Относительное удлинение при разрыве, %, не менее

ГОСТ 270 на образцах тип I толщ. 2,0 мм

200

200

4

Относительная остаточная деформация при статической деформации сжатия 20 % в течение 24 часов при температуре 100 °C, %, не более

ГОСТ 9.029 метод Б

50

50

5

Изменение показателей после старения в воздухе в течение 24 часов при температуре 125 °C

ГОСТ 9.024

твердость, единицы Шор А, в пределах

± 15

± 15

условная прочность при растяжении, %, не менее

-25

-25

относительное удлинение при разрыве, %, не менее

-60

-60

6

Температурный предел хрупкости, °C, не выше

ГОСТ 7912

-50

-45

7

Коэффициент морозостойкости по эластическому восстановлению после сжатия при температуре -50 °C, не менее

ГОСТ 13808

0,2

8

Коэффициент морозостойкости по эластическому восстановлению после сжатия при температуре -45 °C, не менее

ГОСТ 13808

0,2

9

Стойкость к термосветоозонному старению при температуре 40 °C в течение 96 часов с объемной долей озона (5 ± 0,5)´10-5 % при статической деформации растяжения 20 %

ГОСТ 9.026

Не допускаются трещины, видимые невооруженным глазом

10

Сопротивление раздиру, кгс/см, не менее

ГОСТ 262

20

20

11

Изменение твердости после воздействия водного раствора хлористого натрия по ГОСТ 4233 с массовой долей 10 % в течение 14 суток при температуре 70 °C, не более

ГОСТ 9.030 метод В

3

3

12

Диапазон рабочих температур, °C

от -50 до +80

от -45 до +70

ПЛАСТИФИЦИРОВАННЫЕ КОМПОЗИЦИИ НА ОСНОВЕ ПОЛИВИНИЛХЛОРИДА (ПВХ-П)

Изделия из этого материала изготавливают в соответствии с ТУ 5775-002-46603100-03.

Материал используют при изготовлении гидроизоляционных ПВХ-П шпонок, уплотнительного профиля деформационных швов ДШС.

Применение этого материала обеспечивает следующие преимущества:

Ö широкий диапазон рабочих температур (от -40 °C до +70 °C);

Ö высокая химическая стойкость;

Ö долговечность;

Ö простота монтажа;

Ö надежное крепление в бетоне;

Ö экологическая безопасность.

Физико-механические показатели материала:

Наименование показателя

Метод

Значение

1

Твердость по Шор А, единицы Шор А, в пределах

ГОСТ 24621

2

Прочность при разрыве, МПа (кг/см2), не менее

ГОСТ 11262 на образцах тип 1

11,7 (117)

3

Относительное удлинение при разрыве, %, не менее

ГОСТ 11262 на образцах тип 1

300

4

Сопротивление раздиру, Н/мм (кг/см2), не менее

39,2 (4,0)

5

Максимальное изменение показателей после старения в воздухе в течение 70 часов при температуре (70 ± 2) °C

ГОСТ 11645

- твердость, единицы Шор А, в пределах

± 4

- прочность при разрыве, %, не менее

± 30

- относительное удлинение при разрыве, %, не менее

± 30

6

Температура хрупкости при минус 40 °С

ГОСТ 5960

Отсутствие изломов и трещин. Допускается побеление в месте перегиба.

7

Суммарный показатель токсичности, %, не более

ГОСТ 26150

1

8

Диапазон рабочих температур, °C

от -40 до +70

КОМПОЗИЦИИ НА ОСНОВЕ ПОЛИВИНИЛХЛОРИДА (ПВХ)

Изделия из этого материала изготавливают в соответствии с ТУ 5775-007-39857828-00.

Материал используют при изготовлении декоративного профиля ПС

Физико-механические показатели материала изделий:

Наименование показателя

Значение

1

Прочность при растяжении, МПа (кгс/см2), не менее

35,0 (350)

2

Температура размягчения по Вика, °C, не менее

75

3

Ударная вязкость по Шарпи, кДж/м2 (кгс/см2), не менее

5,0 (5,0)

4

Абсолютная деформация при вдавливании, мм, не более

0,20

5

Изменение линейных размеров, %, не более

2,0

6

Стойкость к удару при отрицательной температуре

Разрушение не более 10 % испытанных образцов

7

Термостойкость при 150 °C в течение 30 мин

На поверхности не должно быть вздутий, трещин, отслоений

8

Диапазон рабочих температур, °С

от -20 до +50 °

ТЕРМОЭЛАСТОПЛАСТЫ (ТЭП)

Изделия из этого материала изготавливают в соответствии с ТУ 5775-002-46603100-03.

Материал группы I и II используют при изготовлении уплотнительного профиля для деформационных швов ДШВ, ДШС.

Применение этого материала обеспечивает следующие преимущества:

Ö расширенный диапазон рабочих температур (от -45 °C до +70 °C);

Ö гибкость и эластичность при отрицательных температурах;

Ö высокая химическая стойкость;

Ö долговечность;

Ö простота монтажа;

Ö надежное крепление в бетоне;

Ö экологическая безопасность.

Физико-механические показатели материала изделий:

Наименование показателя

Метод

Группа I

Группа II

1

Твёрдость по Шор А, единицы Шор А

ГОСТ 263

70 ± 5

70 ± 5

2

Условная прочность при растяжении, МПа (кг/см2), не менее

ГОСТ 270 на образцах тип 1 толщ. 2,0 мм

5,0 (57)

7,0 (70)

3

Относительное удлинение при разрыве, %, не менее

ГОСТ 270 на образцах тип 1 толщ. 2,0 мм

470

700

4

Относительная остаточная деформация при статической деформации сжатия 25 % в течение 24 часов при температуре 70 °C, %, не более

ГОСТ 9.029 метод Б

50

50

5

Изменение показателей после старения в воздухе в течение 24 часов при температуре 100 °C

ГОСТ 9.024

твердость, единицы Шор А, в пределах

± 5

± 5

условная прочность при растяжении, %, не менее

-25

-25

относительное удлинение при разрыве, %, не менее

-30

-30

6

Температурный предел хрупкости, °C, не выше

ГОСТ 7912

-45

-45

7

Стойкость к термосветоозонному старению при температуре 40 °C в течение 96 часов с объемной долей озона (5 ± 0,5)´10-5 % при статической деформации растяжения 20 %

ГОСТ 9.026

Не допускаются трещины, видимые невооруженным глазом

8

Диапазон рабочих температур, °C

от -45 до +70

АЛЮМИНИИ ГОСТ-4784-97

Изделия из этого материала изготавливают в соответствии с ГОСТ 8617-81.

Материал используют при изготовлении алюминиевых направляющих деформационных швов ДШВ, ДШС и ДШН.

Применение данного материала обеспечивает нижеследующие преимущества:

Ö высокая прочность при низком удельном весе;

Ö высокая химическая и коррозионная стойкость;

Ö долговечность;

Ö простота монтажа, обслуживания и ухода;

Ö экологическая безопасность.

ОБОЗНАЧЕНИЕ И НОМЕНКЛАТУРА ГИДРОИЗОЛЯЦИОННЫХ ШПОНОК

ОБОЗНАЧЕНИЕ ГИДРОИЗОЛЯЦИОННЫХ ШПОНОК

1 - тип шпонки

2 - ширина шпонки;

3 - ширина деформационного узла;

4 - количество анкеров;

5 - высота анкеров (включая тело шпонки).

НОМЕКЛАТУРА ГИДРОИЗОЛЯЦИОННЫХ ШПОНОК

ТИП ШПОНКИ

МАТЕРИАЛ ИЗДЕЛИЯ

РЕЗИНА

ПВХ-П

ДВ

ДО

ДЗ

ХВ

ХО

-

двС

-

дос

-

хвС

-

ДОМ

-

хом

-

Свг

ТАРАКАН

-

ГИДРОИЗОЛЯЦИОННЫЕ ШПОНКИ АКВАСТОП ТИП ДВ

ОБЛАСТЬ ПРИМЕНЕНИЯ

Герметизация деформационных швов при строительстве заглубленных и подземных сооружений.

МАТЕРИАЛ: РЕЗИНА

ДВ-170/12

ДВ-220/25

ДВ-270/25

МАТЕРИАЛ: ПВХ-П

ДВ-240/20

ИЗДЕЛИЕ БУДЕТ ДОСТУПНО ВО 2 - 3 КВАРТАЛЕ 2007 ГОДА

ДВ-320/20

ИЗДЕЛИЕ БУДЕТ ДОСТУПНО ВО 2 - 3 КВАРТАЛЕ 2007 ГОДА

 

ПОРЯДОК УСТАНОВКИ

Изложен в «Технологическом регламенте на установку гидроизоляционных шпонок АКВАСТОП».

 

МОНТАЖНАЯ СХЕМА

ТЕХНИЧЕСКИЕ ХАРАКТЕРИСТИКИ

ТИП

Перемещение, мм

Давление воды, МПа

Сжатие

Растяжение

Сдвиг поперечный

Сдвиг продольный

ДВ-170/12

7

12

7

3

0,47

ДВ-220/25

15

25

15

10

0,58

ДВ-270/25

15

25

15

10

0,75

ДВ-240/20

14

35

30

15

0,60

ДВ-320/20

12

35

30

15

0,80

 

УПАКОВКА

Резиновые шпонки - бухты по 30 пог. м

ПВХ-П шпонки - бухты по 10 пог. м.

По согласованию возможна поставка бухт необходимой потребителю длины.

ГИДРОИЗОЛЯЦИОННЫЕ ШПОНКИ АКВАСТОП ТИП ДО

ОБЛАСТЬ ПРИМЕНЕНИЯ

Герметизация деформационных швов при строительстве заглубленных и подземных сооружений.

МАТЕРИАЛ: РЕЗИНА

ДО-220/25-4/25

ДО-270/25-6/25

МАТЕРИАЛ: ПВХ-П

ДО-240/20-4/25

ИЗДЕЛИЕ БУДЕТ ДОСТУПНО ВО 2 - 3 КВАРТАЛЕ 2007 ГОДА

ДО-320/20-6/25

ИЗДЕЛИЕ БУДЕТ ДОСТУПНО ВО 2 - 3 КВАРТАЛЕ 2007 ГОДА

 

ПОРЯДОК УСТАНОВКИ

Изложен в «Технологическом регламенте на установку гидроизоляционных шпонок АКВАСТОП».

 

МОНТАЖНАЯ СХЕМА

ТЕХНИЧЕСКИЕ ХАРАКТЕРИСТИКИ

ТИП

Перемещение, мм

Давление воды, МПа

Сжатие

Растяжение

Сдвиг поперечный

Сдвиг продольный

ДО-220/25-4/25

10

50

80

65

0,28

ДО-270/25-6/25

10

50

75

60

0,43

ДО-240/20-4/25

8

50

75

55

0,28

ДО-320/20-6/25

8

50

80

60

0,42

 

УПАКОВКА

Резиновые шпонки - бухты по 30 пог. м

ПВХ-П шпонки - бухты по 10 пог. м.

По согласованию возможна поставка бухт необходимой потребителю длины.

ГИДРОИЗОЛЯЦИОННЫЕ ШПОНКИ АКВАСТОП ТИП ДЗ

ОБЛАСТЬ ПРИМЕНЕНИЯ

Герметизация деформационных швов при строительстве заглубленных и подземных сооружений. Восстановление герметизации деформационных швов существующих конструкций.

МАТЕРИАЛ: РЕЗИНА

ДЗ-100/25-4/25

ДЗ-130/25-6/25

МАТЕРИАЛ: ПВХ-П

ДЗ-140/30-4/35

ДЗ-140/50-4/35

ДЗ-140/50-4/40

 

ПОРЯДОК УСТАНОВКИ

Изложен в «Технологическом регламенте на установку гидроизоляционных шпонок АКВАСТОП».

 

МОНТАЖНАЯ СХЕМА

ТЕХНИЧЕСКИЕ ХАРАКТЕРИСТИКИ

ТИП

Перемещение, мм

Давление воды, МПа

Сжатие

Растяжение

Сдвиг поперечный

Сдвиг продольный

ДЗ-100/25-4/25

15

80

55

40

0,28

ДЗ-130/25-6/25

15

80

55

40

0,43

ДЗ-140/30-4/35

20

150

110

85

0,38

ДЗ-140/50-4/35

40

150

130

95

0,38

ДЗ-140/50-4/40

40

150

130

95

0,43

 

УПАКОВКА

Резиновые шпонки - бухты по 30 пог. м

ПВХ-П шпонки - бухты по 10 пог. м.

По согласованию возможна поставка бухт необходимой потребителю длины.

ГИДРОИЗОЛЯЦИОННЫЕ ШПОНКИ АКВАСТОП ТИП ХВ

ОБЛАСТЬ ПРИМЕНЕНИЯ

Герметизация технологических швов бетонирования при строительстве заглубленных и подземных сооружений.

МАТЕРИАЛ: РЕЗИНА

ХВ-220

ХВ-270

МАТЕРИАЛ: ПВХ-П

ХВ-240

ИЗДЕЛИЕ БУДЕТ ДОСТУПНО ВО 2 - 3 КВАРТАЛЕ 2007 ГОДА

ХВ-320

ИЗДЕЛИЕ БУДЕТ ДОСТУПНО ВО 2 - 3 КВАРТАЛЕ 2007 ГОДА

 

ПОРЯДОК УСТАНОВКИ

Изложен в «Технологическом регламенте на установку гидроизоляционных шпонок АКВАСТОП».

 

МОНТАЖНАЯ СХЕМА

ТЕХНИЧЕСКИЕ ХАРАКТЕРИСТИКИ

ТИП

Перемещение, мм

Давление воды, МПа

Сжатие

Растяжение

Сдвиг поперечный

Сдвиг продольный

ХВ-220

5

5

10

10

0,66

ХВ-270

5

5

10

10

0,79

ХВ-240

5

5

10

10

0,67

ХВ-320

5

5

10

10

0,88

 

УПАКОВКА

Резиновые шпонки - бухты по 30 пог. м

ПВХ-П шпонки - бухты по 30 пог. м.

По согласованию возможна поставка бухт необходимой потребителю длины.

ГИДРОИЗОЛЯЦИОННЫЕ ШПОНКИ АКВАСТОП ТИП ХО

ОБЛАСТЬ ПРИМЕНЕНИЯ

Герметизация технологических швов бетонирования при строительстве заглубленных и подземных сооружений.

МАТЕРИАЛ: РЕЗИНА

ХО-220-4/25

ХО-270-6/25

 

ПОРЯДОК УСТАНОВКИ

Изложен в «Технологическом регламенте на установку гидроизоляционных шпонок АКВАСТОП».

 

МОНТАЖНАЯ СХЕМА

ТЕХНИЧЕСКИЕ ХАРАКТЕРИСТИКИ

ТИП

Перемещение, мм

Давление воды, МПа

Сжатие 5

Растяжение

Сдвиг поперечный

Сдвиг продольный

ХО-220-4/25

5

15

25

20

0,28

ХО-270-6/25

5

15

25

20

0,43

 

УПАКОВКА

Резиновые шпонки - бухты по 30 пог. м

По согласованию возможна поставка бухт необходимой потребителю длины.

ГИДРОИЗОЛЯЦИОННЫЕ ШПОНКИ АКВАСТОП ТИП ДВС

ОБЛАСТЬ ПРИМЕНЕНИЯ

Герметизация деформационных швов с повышенными требованиями к надежности при строительстве заглубленных и подземных сооружений.

МАТЕРИАЛ: РЕЗИНА

ДВС-270/25

 

ПОРЯДОК УСТАНОВКИ

Изложен в «Технологическом регламенте на установку гидроизоляционных шпонок АКВАСТОП».

 

МОНТАЖНАЯ СХЕМА

ТЕХНИЧЕСКИЕ ХАРАКТЕРИСТИКИ

ТИП

Перемещение, мм

Давление воды, МПа

Сжатие

Растяжение

Сдвиг поперечный

Сдвиг продольный

ДВС-270/25

15

25

15

10

1,30

 

УПАКОВКА

Резиновые шпонки - бухты по 30 пог. м

По согласованию возможна поставка бухт необходимой потребителю длины.

ГИДРОИЗОЛЯЦИОННЫЕ ШПОНКИ АКВАСТОП ТИП ДОС

ОБЛАСТЬ ПРИМЕНЕНИЯ

Герметизация деформационных швов с повышенными требованиями к надежности при строительстве заглубленных и подземных сооружений.

МАТЕРИАЛ: РЕЗИНА

ДОС-270/25-4/25

 

ПОРЯДОК УСТАНОВКИ

Изложен в «Технологическом регламенте на установку гидроизоляционных шпонок АКВАСТОП».

 

МОНТАЖНАЯ СХЕМА

ТЕХНИЧЕСКИЕ ХАРАКТЕРИСТИКИ

ТИП

Перемещение, мм

Давление воды, МПа

Сжатие

Растяжение

Сдвиг поперечный

Сдвиг продольный

ДОС-270/25-6/25

10

50

75

60

0,85

 

УПАКОВКА

Резиновые шпонки - бухты по 30 пог. м

По согласованию возможна поставка бухт необходимой потребителю длины.

ГИДРОИЗОЛЯЦИОННЫЕ ШПОНКИ АКВАСТОП ТИП ХВС

ОБЛАСТЬ ПРИМЕНЕНИЯ

Герметизация технологических швов бетонирования в местах сопряжений «плита-стена» при строительстве заглубленных и подземных сооружений.

МАТЕРИАЛ: ПВХ-П

ХВС-100

ИЗДЕЛИЕ БУДЕТ ДОСТУПНО ВО 2 - 3 КВАРТАЛЕ 2007 ГОДА

 

ПОРЯДОК УСТАНОВКИ

Изложен в «Технологическом регламенте на установку гидроизоляционных шпонок АКВАСТОП».

 

МОНТАЖНАЯ СХЕМА

ТЕХНИЧЕСКИЕ ХАРАКТЕРИСТИКИ

ТИП

Перемещение, мм

Давление воды, МПа

Сжатие

Растяжение

Сдвиг поперечный

Сдвиг продольный

ХВС-100

5

5

10

10

0,75

 

УПАКОВКА

ПВХ-П шпонки - бухты по 30 пог. м и 60 крепежных элементов.

По согласованию возможна поставка бухт необходимой потребителю длины.

ГИДРОИЗОЛЯЦИОННЫЕ ШПОНКИ АКВАСТОП ТИП ДОМ

ОБЛАСТЬ ПРИМЕНЕНИЯ

Герметизация деформационных швов при совместном использовании ПВХ мембран в строительстве заглубленных и подземных сооружений.

МАТЕРИАЛ: ПВХ-П

ДОМ-320/30-4/30

ДОМ-320/50-4/35

 

ПОРЯДОК УСТАНОВКИ

Изложен в «Технологическом регламенте на установку гидроизоляционных шпонок АКВАСТОП».

 

МОНТАЖНАЯ СХЕМА

ТЕХНИЧЕСКИЕ ХАРАКТЕРИСТИКИ

ТИП

Перемещение, мм

Давление воды, МПа

Сжатие

Растяжение

Сдвиг поперечный

Сдвиг продольный

ДОМ-320/30-4/30

20

60

90

60

0,33

ДОМ-320/50-4/35

28

190

210

140

0,40

 

УПАКОВКА

ПВХ-П шпонки - бухты по 10 пог. м.

По согласованию возможна поставка бухт необходимой потребителю длины.

ГИДРОИЗОЛЯЦИОННЫЕ ШПОНКИ АКВАСТОП ТИП ХОМ

ОБЛАСТЬ ПРИМЕНЕНИЯ

Устройство системы защиты от протечек, герметизации технологических швов бетонирования при совместном использовании ПВХ мембран в строительстве заглубленных и подземных сооружений.

МАТЕРИАЛ: ПВХ-П

ХОМ-320-4/20

 

ПОРЯДОК УСТАНОВКИ

Изложен в «Технологическом регламенте на установку гидроизоляционных шпонок АКВАСТОП».

 

МОНТАЖНАЯ СХЕМА

ТЕХНИЧЕСКИЕ ХАРАКТЕРИСТИКИ

ТИП

Перемещение, мм

Давление воды, МПа

Сжатие

Растяжение

Сдвиг поперечный

Сдвиг продольный

ХОМ-320-4/20

5

5

5

10

0,19

 

УПАКОВКА

ПВХ-П шпонки - бухты по 10 пог. м.

По согласованию возможна поставка бухт необходимой потребителю длины.

ГИДРОИЗОЛЯЦИОННЫЕ ШПОНКИ АКВАСТОП ТИП ДР

ОБЛАСТЬ ПРИМЕНЕНИЯ

Восстановление герметизации деформационных швов существующих конструкций в заглубленных и подземных сооружениях.

МАТЕРИАЛ: РЕЗИНА

ДР-250/50

 

ПОРЯДОК УСТАНОВКИ

Изложен в «Технологическом регламенте на установку гидроизоляционных шпонок АКВАСТОП».

 

МОНТАЖНАЯ СХЕМА

ТЕХНИЧЕСКИЕ ХАРАКТЕРИСТИКИ

ТИП

Перемещение, мм

Давление воды, МПа

Сжатие

Растяжение

Сдвиг поперечный

Сдвиг продольный

ДР-250/50

35

60

70

55

0,29

 

УПАКОВКА

Резиновые шпонки - бухты по 30 пог. м

По согласованию возможна поставка бухт необходимой потребителю длины.

ГИДРОИЗОЛЯЦИОННЫЕ ШПОНКИ АКВАСТОП ТИП ТАРАКАН

ОБЛАСТЬ ПРИМЕНЕНИЯ

Герметизация деформационных швов при строительстве заглубленных и подземных сооружений. Восстановление герметизации деформационных швов существующих конструкций.

МАТЕРИАЛ: ПВХ-П

ТАРАКАН-120

 

ПОРЯДОК УСТАНОВКИ

Изложен в «Технологическом регламенте на установку гидроизоляционных шпонок АКВАСТОП».

 

МОНТАЖНАЯ СХЕМА

ТЕХНИЧЕСКИЕ ХАРАКТЕРИСТИКИ

ТИП

Перемещение, мм

Давление воды, МПа

Сжатие

Растяжение

Сдвиг поперечный

Сдвиг продольный

ТАРАКАН-120

15

40

40

40

0,41

 

УПАКОВКА

ПВХ-П шпонки - бухты по 10 пог. м.

По согласованию возможна поставка бухт необходимой потребителю длины.

ПРОФИЛЬНОЕ УПЛОТНЕНИЕ АКВАСТОП ТИП СВГ

ОБЛАСТЬ ПРИМЕНЕНИЯ

Герметизация технологических швов бетонирования при строительстве ограждающих конструкций заглубленных и подземных сооружений методом «стена в грунте».

МАТЕРИАЛ: РЕЗИНА

СВГ-120

МАТЕРИАЛ: ПВХ-П

СВГ-150

 

МОНТАЖНАЯ СХЕМА

ТЕХНИЧЕСКИЕ ХАРАКТЕРИСТИКИ

ТИП

Перемещение, мм

Давление воды, МПа

Сжатие

Растяжение

Сдвиг поперечный

Сдвиг продольный

СВГ-120

10

15

10

5

0,19

СВГ-150

10

15

10

5

0,37

 

УПАКОВКА

Резиновый профиль - бухты по 100 пог. м

ПВХ-П профиль - бухты по 30 пог. м.

По согласованию возможна поставка бухт необходимой потребителю длины.

ПРОФИЛЬНОЕ УПЛОТНЕНИЕ АКВАСТОП ТИП ЕЛОЧКА

ОБЛАСТЬ ПРИМЕНЕНИЯ

Заделка швов при обустройстве полов.

МАТЕРИАЛ: ПВХ-П

АКВАСТОП ЕЛОЧКА 3,5 ÷ 7,0

 

МОНТАЖНАЯ СХЕМА

 

УПАКОВКА

ПВХ-П профиль - бухты по 100 пог. м.

По согласованию возможна поставка бухт необходимой потребителю длины.

ДЕФОРМАЦИОННЫЕ ШВЫ АКВАСТОП ТИП ДШВ

ОБЛАСТЬ ПРИМЕНЕНИЯ

Устройство деформационных швов во внутренних помещениях при строительстве административных, офисных и торговых центров, складов, грузовых платформ, а также других зданий и сооружений при нагрузке до 0,1 тонны.

ОПИСАНИЕ

Конструктивно деформационный шов состоит из алюминиевых направляющих, в которые плотно вставлен уплотнительный профиль. Конструкция шва препятствует попаданию внутрь шва грязи и обеспечивает водонепроницаемость и устойчивость к износу. Швы не требуют проведения профилактических работ и устойчивы к старению. Уплотнительный профиль изготовлен из плотной термо-, свето-, озоно-, морозостойкой резины на основе этиленпропиленового каучука (EPDM) или термоэлостопласта (ТЭП) и устойчив к воздействию озона, ультрафиолета, маслам, бензину и антиобледенительным солям. При выходе из строя может быть легко заменен.

 

 

ДШВ-0/10

ДШВ-20/10

ДШВ-35/10

ДШВ-0/10 УГЛОВОЙ (ВАРИАНТ 1)

ДШВ-20/10 УГЛОВОЙ (ВАРИАНТ 1)

ДШВ-35/10 УГЛОВОЙ (ВАРИАНТ 1)

ДШВ-0/10 УГЛОВОЙ (ВАРИАНТ 2)

ДШВ-20/10 УГЛОВОЙ (ВАРИАНТ 2)

ДШВ-35/10 УГЛОВОЙ (ВАРИАНТ 2)

 

МОНТАЖНЫЕ СХЕМЫ

 

РАЗМЕРЫ

ТИП

Размеры, мм

А

В, max

С

Н

ДШВ-0/5

35

35

108,0

-

ДШВ-0/5 УГЛОВОЙ

35

35

71,5

-

ДШВ-0/10

41

41

114,0

-

ДШВ-0/10 УГЛОВОЙ

41

41

77,5

-

ДШВ-20/5

35

30

126,0

20

ДШВ-20/5 УГЛОВОЙ

35

32

80,5

20

ДШВ-20/10

41

36

132,0

20

ДШВ-20/10 УГЛОВОЙ

41

38

86,5

20

ДШВ-35/5

35

30

126,0

35

ДШВ-35/5 УГЛОВОЙ

35

32

80,5

35

ДШВ-35/10

41

36

132,0

35

ДШВ-35/10 УГЛОВОЙ

41

38

86,5

35

 

УПЛОТНИТЕЛЬНЫЙ ПРОФИЛЬ

 

ДОПУСТИМЫЕ ПЕРЕМЕЩЕНИЯ

ТИП

Перемещение, мм

Сжатие

Растяжение

Сдвиг вертикально

Сдвиг горизонтально

ТИП 5

5

5

4

5

ТИП 10

8

12

8

7

 

УПАКОВКА

Алюминиевый профиль - 6 пог. м.

Уплотнительный профиль - бухта 30 пог. м.

По согласованию возможна поставка уплотнительного профиля в бухтах необходимой потребителю длины.

ДЕФОРМАЦИОННЫЕ ШВЫ АКВАСТОП ТИП ДШН

ОБЛАСТЬ ПРИМЕНЕНИЯ

Устройство деформационных швов при строительстве административных, офисных и торговых центров, складов, грузовых платформ, а также других зданий и сооружений при колесной нагрузке до 1,5 тонн.

ОПИСАНИЕ

Конструктивно деформационный шов состоит из алюминиевых направляющих, в которые плотно вставлен уплотнительный профиль. Конструкция шва препятствует попаданию внутрь шва грязи и обеспечивает водонепроницаемость и устойчивость к износу при тяжелых эксплуатационных условиях. Швы не требуют проведения профилактических работ и устойчивы к старению.

Уплотнительный профиль изготовлен из плотной термо-, свето-, озоно-, морозостойкой резины на основе этиленпропиленового каучука (EPDM) и устойчив к воздействию озона, ультрафиолета, маслам, бензину и антиобледенительным солям. При выходе из строя может быть легко заменен.

 

МОНТАЖНАЯ СХЕМА

 

ДОПУСТИМЫЕ ПЕРЕМЕЩЕНИЯ

ТИП ШВА

Перемещение, мм

Сжатие

Растяжение

Сдвиг вертикально

Сдвиг горизонтально

ДШН-20

10

10

10

7

ДШН-50

25

25

25

15

 

УПАКОВКА

Алюминиевый профиль - 6 пог. м.

Уплотнительный профиль - бухта 30 пог. м.

По согласованию возможна поставка уплотнительного профиля в бухтах необходимой потребителю длины.

ДЕФОРМАЦИОННЫЕ ШВЫ АКВАСТОП ТИП ДШС

ОБЛАСТЬ ПРИМЕНЕНИЯ

Устройство деформационных швов в стенах, потолках и фасадах при строительстве административных, офисных и торговых центров, складов, грузовых платформ, а также других зданий и сооружений.

ОПИСАНИЕ

Конструктивно деформационный шов состоит из алюминиевых направляющих, в которые вставлен уплотнительный профиль. Швы не требуют проведения профилактических работ и устойчивы к старению.

Уплотнительный профиль изготовлен из плотной термо-, свето-, озоно-, морозостойкой резины на основе этиленпропиленового каучука (EPDM) или термоэлостопласта (ТЭП) и устойчив к воздействию озона, ультрафиолета, маслам, бензину и антиобледенительным солям. При выходе из строя может быть легко заменен.

 

МОНТАЖНЫЕ СХЕМЫ

 

УПЛОТНИТЕЛЬНЫЙ ПРОФИЛЬ

 

РАЗМЕРЫ

ТИП

Размеры, мм

А

В

С

Н

ДШС-30

27

30

120

15

ДШС-50

48

51

141

15

 

ДОПУСТИМЫЕ ПЕРЕМЕЩЕНИЯ

ТИП

Перемещение, мм

Сжатие

Растяжение

Сдвиг вертикально

Сдвиг горизонтально

ТИП 30

3

8

4

4

ТИП 50

12

24

15

12

 

УПАКОВКА

Алюминиевый профиль - 6 пог. м.

Уплотнительный профиль - бухта 30 пог. м.

По согласованию возможна поставка уплотнительного профиля в бухтах необходимой потребителю длины.

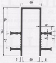
ДЕКОРАТИВНЫЙ ПРОФИЛЬ АКВАСТОП ТИП ПС

ОБЛАСТЬ ПРИМЕНЕНИЯ

Декоративное оформление деформационных швов в стенах, потолках и фасадах при строительстве административных, офисных и торговых центров, складов, грузовых платформ, а также других зданий и сооружений.

МАТЕРИАЛ: ПВХ

ПС-50

 

ОПИСАНИЕ

Конструктивно декоративный профиль состоит из ПВХ профиля и металлической защелки для его крепления. Профиль не требуют проведения профилактических работ и устойчив к старению. При выходе из строя может быть легко заменен.

МОНТАЖНАЯ СХЕМА

 

УПАКОВКА

Декоративный профиль - 3 пог. м.

Крепежная защелка - 5 штук на 3 пог. м декоративного профиля.

По согласованию возможна поставка декоративного профиля необходимой потребителю длины.

СИСТЕМА АКВАСТОП ГЕРМОШОВ

Система герметизации деформационных швов строительных конструкций

ОБЛАСТЬ ПРИМЕНЕНИЯ

Система АКВАСТОП ГЕРМОШОВ предназначена для герметизации деформационных швов строительных конструкций. Применение данной системы позволяет обеспечить полную герметизацию швов. Сочетание универсальности с простотой позволяет успешно применять ее при обустройстве деформационных швов мостов, автостоянок, торговых комплексов, стадионов, систем водоснабжения и других конструкций.

ПРИЕМУЩЕСТВА

Ö Надежность и долговечность.

Ö Широкий диапазон типоразмеров и модификаций под различные виды перемещений.

Ö Быстрый монтаж.

Ö Универсальность.

ОПИСАНИЕ

Система АКВАСТОП ГЕРМОШОВ представляет собой резиновое профильное уплотнение, которое фиксируется при установке в деформационном шве с помощью двухкомпонентного эпоксидного состава.

Выпускается двух типов:

Тип М Предназначен для швов, подверженных динамическим нагрузкам: мостовые конструкции, обделки тоннелей, открытые автостоянки и другие.

Тип П Предназначен для швов, которые устраивают заподлицо с поверхностью конструкции: зоны пешеходного движения, здания промышленных предприятий, аэропортов, автостоянок и других.

ПОРЯДОК УСТАНОВКИ

Изложен в «Технологическом регламенте на установку системы герметизации деформационных швов АКВАСТОП ГЕРМОШОВ».

 

МОНТАЖНАЯ СХЕМА

А - ширина шва;

В - глубина установки.

 

РАЗМЕРЫ,

ДОПУСТИМЫЕ ПЕРЕМЕЩЕНИЯ

ТИП

Размеры, мм

Раскрытие шва, мм

А

В

min

Мах

Суммарное

М-25

25,4

32,0

12,7

12,7

25,4

М-38

38,1

51,0

19,0

19,0

38,0

М-50

50,8

68,0

25,4

25,4

50,8

П-25

25,4

31,0

7,5

7,5

15,0

П-38

38,1

46,5

12,0

12,0

24,0

П-50

50,8

62,0

16,0

16,0

32,0

 

УПАКОВКА

Бухты по 30 пог. м.

По согласованию возможна поставка бухт необходимой потребителю длины.

СИСТЕМА АКВАСТОП ИНЖЕКТО

Система гидроизоляции деформационных, технологических швов бетонирования, стыков и трещин строительных конструкций

ОПИСАНИЕ

Система АКВАСТОП ИНЖЕКТО состоит из инъекционного шланга и вспомогательных материалов для крепления и подачи инъектируюемого состава. Инъекционный шланг представляет собой стальную спираль (для предотвращения деформирования инъекционного шланга во время бетонирования) со специальными оболочками:

• первичная - обеспечивает беспрепятственный выход инъекционного состава и предотвращает попадание частиц цемента внутрь шланга;

• вторичная - предохраняет первичную оболочку от повреждений.

ОБЛАСТЬ ПРИМЕНЕНИЯ

Систему АКВАСТОП ИНЖЕКТО применяют в следующих случаях:

При новом строительстве

• Гидроизоляция технологических швов бетонирования, примыканий типа «пол-стена», «стена-стена», «стена-покрытие» при возведении монолитных железобетонных конструкций;

• Для повышения надежности гидроизоляции деформационных, технологических швов бетонирования при возведении монолитных железобетонных конструкций в комбинации с гидроизоляционными шпонками;

При проведении ремонтных работ

• Гидроизоляция стыков строительных конструкций, мест сопряжений «труба-стена» и т.д.

• Гидроизоляция трещин в строительных конструкциях.

ДОСТОИНСТВА

Ö Простота монтажа;

Ö Не требует применения специальных инструментов;

Ö Позволяет легко формировать систему необходимой длины и конфигурации;

Ö Обеспечивает гарантированное заполнение герметизируемого пространства.

ПОРЯДОК УСТАНОВКИ

Изложен в «Руководстве по монтажу системы АКВАСТОП ИНЖЕКТО».

ИНЬЕКТИРОВАНИЕ

С помощью ручных, электрических или пневматических насосов.

ДОПОЛНИТЕЛЬНОЕ ОБОРУДОВАНИЕ

Инжекто-пакер (для нагнетания инъектируюемого состава в инъекционный шланг через подводящие ПВХ трубки)

УПАКОВКА

Система АКВАСТОП ИНЖЕКТО поставляется комплектами в составе:

• инъекционный шланг - 30 м;

• трубка ПВХ - 2,5 м;

• Т-образный тройник - 10 шт.;

• концевой колпачок для заглушки тройников - 10 шт.;

• крепежные пластиковые анкерные серьги - 100 шт.;

По согласованию с потребителем состав комплекта может быть изменен.