ОТРАСЛЕВЫЕ СТАНДАРТЫ
|
Конструкция и размеры |
ОСТ 1 12937-77 ОСТ 1 12938-77 ОСТ 1 12939-77 ОСТ 1 14681-90 Введен впервые Проверено в 1985 г. |
Распоряжением Министерства от 22 декабря 1977 г. № 087-16
срок введения установлен с 1 января 1979 г.
Несоблюдение стандарта преследуется по закону
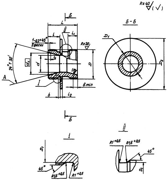
1. Настоящие стандарты распространяются на фланцевые проводники, предназначенные для соединения трубопроводов с углом конуса 24º.
2. Конструкция и размеры фланцевых проводников должны соответствовать указанным на чертеже и в таблице.
Размеры, мм
|
D |
D1 |
D2 |
d |
d1 |
l |
l1 |
l2 |
l3 |
L |
b |
Масса, г |
||
|
|
|
||||||||||||
|
Пред. откл. ±0,1 |
Титановый сплав |
Сталь |
|||||||||||
|
6 |
MR12×1,25 |
10,2 |
29 |
5 |
8,0 |
10 |
8 |
2 |
1,3 |
26 |
2,5 |
11,4 |
19,9 |
|
MR12×1,5 |
9,8 |
11 |
27 |
3,0 |
|||||||||
|
8 |
MR14×1,5 |
11,8 |
34 |
7 |
10,0 |
15,3 |
26,7 |
||||||
|
10 |
MR16×1,5 |
13,8 |
40 |
9 |
12,0 |
12 |
9 |
29 |
20,1 |
34,9 |
|||
|
12 |
MR18×1,5 |
15,8 |
42 |
10 |
14,0 |
31 |
23,7 |
41,2 |
|||||
|
14 |
MR20×1,5 |
17,8 |
12 |
16,0 |
25,2 |
43,8 |
|||||||
|
16 |
MR22×1,5 |
19,8 |
48 |
14 |
18,0 |
30,6 |
53,4 |
||||||
|
18 |
MR24×1,5 |
21,8 |
16 |
20,0 |
31,1 |
54,2 |
|||||||
|
20 |
MR27×1,5 |
24,8 |
51 |
18 |
22,4 |
1,5 |
38,8 |
67,5 |
|||||
|
22 |
MR30×1,5 |
27,8 |
54 |
20 |
24,4 |
13 |
10 |
3 |
37 |
57,3 |
99,7 |
||
|
25 |
MR33×1,5 |
30,8 |
60 |
23 |
27,4 |
67,5 |
117,4 |
||||||
|
28 |
MR36×1,5 |
33,8 |
61 |
26 |
30,4 |
69,1 |
120,2 |
||||||
|
30 |
MR39×1,5 |
36,8 |
67 |
28 |
33,0 |
2,3 |
77,4 |
134,6 |
|||||
|
32 |
MR42×2 |
39,0 |
70 |
30 |
35,0 |
14 |
4,0 |
100,3 |
178,1 |
||||
|
34 |
32 |
36,6 |
2,1 |
87,8 |
152,7 |
||||||||
|
36 |
MR45×2 |
42,0 |
34 |
39,0 |
2,3 |
98,5 |
171,1 |
||||||
|
38 |
MR48×2 |
45,0 |
76 |
36 |
41,0 |
117,9 |
205,0 |
||||||
|
42 |
MR52×2 |
49,0 |
80 |
40 |
45,0 |
127,1 |
222,1 |
||||||
_________________
* Размер для справок.
3. Материал: титановые сплавы ВТ3-1, ВТ6 ОСТ 1 90173-75 и ОСТ 1 90266-86, круг г/к 13Х11Н2В2МФШ ТУ 14-1-3297-82; круг г/к 15Х16Н2АМ-Ш ТУ 14-1-948-74.
4. Термическая обработка**: проходники из титанового сплава - отжечь, группа контроля 5 ОСТ 1 00021-78, из стали 25... 35 HRCэ, группа контроля 4 ОСТ 1 00021-78.
** По действующему в отрасли документу.
5. Неуказанные предельные отклонения размеров, формы и расположения поверхностей - по ОСТ 1 00022-80.
6. Допуск радиального биения поверхности А относительно оси резьбы - 0,05 мм.
7. Покрытие проходников из стали: Хим.Пас, из титанового сплава Ан.Окс 2-3*.
* Размер для справок.
8. Маркировать обозначение и клеймить окончательную приемку на бирке для партии деталей.
9. Технические условия - по ОСТ 1 00943-79.
Пример наименования и обозначения фланцевого проходника к трубопроводу Dн = 12 мм из титанового сплава ВТ3-1:
Проходник фланцевый 12 - ОСТ 1 12937-77
То же, из титанового сплава ВТ6:
Проходник фланцевый 12 - ОСТ 1 14681-90
То же, из стали 13Х11Н2В2МФ-Ш:
Проходник фланцевый 12 - ОСТ 1 12938-77
То же, из стали 15Х16Н2АМ-Ш:
Проходник фланцевый 12 - ОСТ 1 12939-77
В обозначение фланцевого проходника к трубопроводу Dн = 6 мм с резьбой MR12×1,5 дополнительно вводится шаг резьбы, например:
Проходник фланцевый 6-1,5 - ОСТ 1 12939-77
ЛИСТ РЕГИСТРАЦИИ ИЗМЕНЕНИЙ
|
Номера страниц |
Номер «Изв. об изм.» |
Подпись |
Дата |
Срок введения изменения |
||||
|
Измененных |
Замененных |
Новых |
Аннулированных |
|||||
|
Переиздан с учетом изменений № 1, 2, 3, 4, 5. |
||||||||