ОТРАСЛЕВЫЕ СТАНДАРТЫ
Конструкция и размеры |
ОСТ 1 12946-77 ОСТ 1 12947-77 ОСТ 1 12948-77 ОСТ 1 14684-90 Введен впервые Проверено в 1985 г. |
Распоряжением Министерства от 22 декабря 1977 г. № 087-16 срок введения установлен с 1 января 1979 г.
Несоблюдение стандарта преследуется по закону
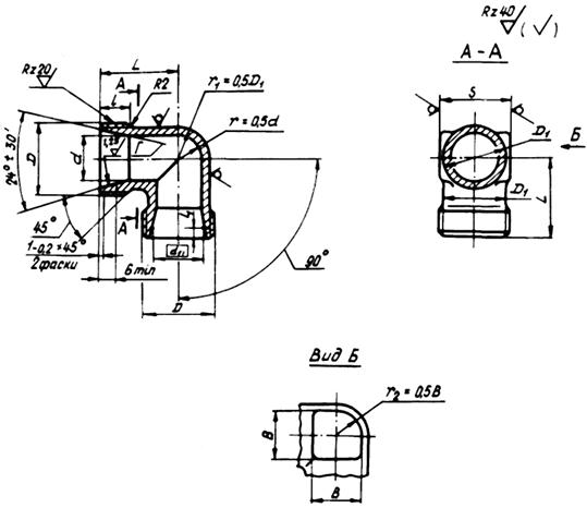
1. Настоящие стандарты распространяются на проходные угольники, предназначенные для соединений трубопроводов с углом конуса 24°.
2. Конструкция и размеры проходных угольников должны соответствовать указанным на чертеже и в таблице.
Размеры, мм
|
d |
d1 |
D |
D1 |
S |
l |
l1 |
L |
В |
Масса, г |
||
|
Пред. откл. ±0,1 |
Титановый сплав |
Сталь |
|||||||||
|
6 |
5 |
8,0 |
MR12×1,25 |
9 |
9 |
9 |
1,3 |
19 |
7 |
10,9 |
18,8 |
|
MR12×1,5 |
|||||||||||
|
8 |
7 |
10,0 |
MR14×1,5 |
11 |
11 |
20 |
12,3 |
21,2 |
|||
|
10 |
9 |
12,0 |
MR16×1,5 |
13 |
13 |
10 |
22 |
9 |
16,1 |
27,8 |
|
|
12 |
10 |
14,0 |
MR18´1,5 |
15 |
17 |
11 |
24 |
10 |
22,7 |
39,3 |
|
|
14 |
12 |
16,0 |
MR20×1,5 |
17 |
25 |
12 |
25,2 |
43,6 |
|||
|
16 |
14 |
18,0 |
MR22×1,5 |
19 |
19 |
27 |
14 |
29,5 |
51,0 |
||
|
18 |
16 |
20,0 |
MR24×1,5 |
21 |
22 |
28 |
16 |
36,5 |
63,2 |
||
|
20 |
18 |
22,4 |
MR27×1,5 |
24 |
24 |
1,5 |
30 |
18 |
51,6 |
89,2 |
|
|
22 |
20 |
24,4 |
MR30×1,5 |
27 |
27 |
31 |
64,4 |
111,5 |
|||
|
25 |
23 |
27,4 |
MR33×1,5 |
30 |
30 |
33 |
22 |
77,7 |
134,5 |
||
|
28 |
26 |
30,4 |
MR36×1,5 |
33 |
36 |
35 |
25 |
96,0 |
166,0 |
||
|
30 |
28 |
33,0 |
MR39×1,5 |
35 |
12 |
2,3 |
38 |
28 |
127,5 |
221,0 |
|
|
32 |
30 |
35,0 |
MR42×2 |
37 |
41 |
40 |
30 |
157,0 |
272,0 |
||
|
34 |
32 |
36,6 |
38 |
2,1 |
121,0 |
210,0 |
|||||
|
36 |
34 |
39,0 |
MR45×2 |
41 |
2,3 |
145,0 |
251,0 |
||||
|
38 |
36 |
41,0 |
MR48×2 |
43 |
46 |
42 |
193,0 |
335,0 |
|||
|
42 |
40 |
45,0 |
MR52×2 |
47 |
50 |
44 |
32 |
241,0 |
413,0 |
||
* Размер для справок.
3. Материал: штамповка из титановых сплавов ВТ3-1, ВТ6 ОСТ 1 90000-70, группа контроля III; штамповка из стали 13Х11Н2В2МФ-Ш ОСТ 1 90176-75, группа контроля III; сталь 15Х16Н2АМ-Ш ТУ 14-1-948-74, штамповка ОСТ 1 90176-75, группа контроля III.
4. Термическая обработка*: угольники из титанового сплава - отжечь, группа контроля 5 ОСТ 1 00021-78; из стали - 25 ... 35 HRCэ, группа контроля 4 ОСТ 1 00021-78.
* Размер для справок.
5. Предельные отклонения размеров необрабатываемых поверхностей - по ОСТ 1 41187-78, класс точности 5.
6. Неуказанные предельные отклонения размеров, формы и расположения поверхностей - по ОСТ 1 00022-80.
7. Допуск радиального биения поверхности Г относительно оси резьбы - 0,05 мм.
8. Покрытие угольников из стали: Хим.Пас, из титанового сплава Ан.Окс 2-3*.
* По действующему в отрасли документу.
9. Маркировать обозначение и клеймить окончательную приемку на бирке для партии деталей.
10. Технические условия - по ОСТ 1 00943-79.
Пример наименования и обозначения проходного угольника к трубопроводу Dн = 12 мм из титанового сплава ВТ3-1:
Угольник проходной 12 - ОСТ 1 12946-77
То же, из титанового сплава ВТ6:
Угольник проходной 12 - ОСТ 1 14684-90
То же, из стали 13Х11Н2В2МФ-Ш:
Угольник проходной 12 - ОСТ 1 12947-77
То же, из стали 15Х16Н2АМ-Ш:
Угольник проходной 12 - ОСТ 1 12948-77
В обозначение проходного угольника к трубопроводу Dн = 6 мм с резьбой MR12×1,5 дополнительно вводится шаг резьбы, например:
Угольник проходной 6-1,5 - ОСТ 1 12948-77
ЛИСТ РЕГИСТРАЦИИ ИЗМЕНЕНИЙ
|
Номера страниц |
Номер «Изв. об изм.» |
Подпись |
Дата |
Срок введения изменения |
||||
|
Измененных |
Замененных |
Новых |
Аннулированных |
|||||
|
Переиздан с учетом изменений № 1, 2, 3, 4, 5. |
||||||||