ОСТ 26.260.470-2000
СТАНДАРТ ОТРАСЛИ
УСТРОЙСТВА ДЛЯ УСТАНОВКИ ПРИБОРОВ
ИЗМЕРЕНИЯ ДАВЛЕНИЯ НА Ру 4,0 и 16,0 МПа
(с двумя
кранами шаровыми)
Конструкция и размеры
Предисловие
1. РАЗРАБОТАН Дочерним открытым акционерным обществом Центральное конструкторское бюро нефтеаппаратуры ДАО ЦКБН
2. ПРИНЯТ И ВВЕДЕН В ДЕЙСТВИЕ Техническим комитетом 260 «Оборудование химическое и нефтегазоперерабатывающее»
3. ВВЕДЕН ВПЕРВЫЕ
|
УСТРОЙСТВА ДЛЯ УСТАНОВКИ ПРИБОРОВ ИЗМЕРЕНИЯ ДАВЛЕНИЯ
НА РУ 4,0 и 16,0 МПа Конструкция и размеры |
Дата введения 2000-12-01
Настоящий стандарт устанавливает пределы применения, конструкцию и основные размеры устройств для установки приборов измерения давления на трубопроводах и аппаратах, применяемых в химической, нефтехимической, газовой и других смежных отраслях промышленности на условное давление 4,0 и 16,0 МПа, температуру от минус 40 до 100 °C и от минус 60 до 100 °C в зависимости от материального исполнения, для неагрессивной среды со скоростью коррозии до 0,1 мм/год, в том числе:
- природный газ с содержанием углекислоты до 1 % объемных, сероводорода не более 20 мг/нм3, нефтегазовая смесь, углеводородный конденсационная вода, метанол, мехпримеси.
В настоящем стандарте использованы ссылки на следующие стандарты:
ОСТ 26.260.465-2000 Устройства для установки приборов измерения давления на Ру 1,6 МПа (с краном трехходовым). Конструкция и размеры
ОСТ 26.260.466-2000 Устройства для установки приборов измерения давления на Ру 4,0 и 16,0 МПа (с двумя вентилями). Конструкция и размеры
ОСТ 26.260.472-2000 Устройства для установки приборов измерения и отбора давления. Общие технические требования
ТУ 3742-007-31688214-95 Краны шаровые DN 10, 15, 25 мм PN от 1,0 до 16,0 МПа
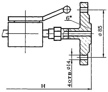
3.1. По конструкции и размерам устройства имеют восемь исполнений:
исполнения 1 - 4 - рисунки 1 - 4, таблица 1
исполнения 5 - 8 - рисунки 5 - 8, таблица 1.
1 - прокладка 1 ОСТ 26.260.465; 2 - ниппель 1 ОСТ 26.260.466; 3 - гайка накидная 1 ОСТ 26.260.466; 4 - тройник равнопроходный 1 ОСТ 26.260.466; 5 - кран шаровый DN 10 PN 16, ВНИЛ.491811.002-04 ТУ 3742-007-31688214 или DN 10 PN 16, ВНИЛ.491811.002-05 ТУ 3742-007-31688214
Рисунок 1
Остальное см. исполнение 1

6 - тройник переходный 2 ОСТ 26.260.466
Рисунок 2
Остальное см. исполнение 1

6 - заглушка 3 ОСТ 26.260.466
Рисунок 3
Остальное см. исполнение 1
6* - заглушка 4 ОСТ 26.260.466
Рисунок 4
1 - прокладка 1 ОСТ 26.260.465; 2 - ниппель 1 ОСТ 26.260.466; 3 - гайка накидная 1 ОСТ 26.260.466; 4 - тройник равнопроходный 1 ОСТ 26.260.466; 5 - кран шаровый DN 10 PN 16, ВНИЛ.491811.002-04 ТУ 3742-007-31688214 или DN 10 PN 16 ВНИЛ.491811.002-05 ТУ 3742-007-31688214
Рисунок 5
Остальное см. исполнение 5

6 - тройник переходный 2 ОСТ 26.260.466
Рисунок 6
Остальное см. исполнение 5

6 - заглушка 3 ОСТ 26.260.466
Рисунок 7
Остальное см. исполнение 5
6* - заглушка 4 ОСТ 26.260.466
Рисунок 8
_____________
* Заглушку поз. 6 в устройствах исполнений 4 и 8 для сосудов и аппаратов 1 и 2 группы применять с уплотнительной поверхностью «выступ» рисунок 24 ОСТ 26.260.466.
Таблица 1
|
Давление условное Ру, МПа |
Температура среды, °C |
Н, мм |
Масса, кг |
|
|
16 |
До 80 |
274 |
2,7 |
|
|
327 |
3,1 |
|||
|
324 |
6,2 |
|||
|
4 |
308 |
4,2 |
||
|
16 |
392 |
2,7 |
||
|
445 |
3,1 |
|||
|
442 |
6,2 |
|||
|
4 |
426 |
4,2 |
Пример условного обозначения устройства измерения давления исполнения 2, материального исполнения 8, на Ру 16,0 МПа:
Устройство измерения давления 2-8-16,0 ОСТ 26.260.470-2000
3.2. Технические требования - по ОСТ 26.260.472
СОДЕРЖАНИЕ