ОТРАСЛЕВЫЕ СТАНДАРТЫ
ВТУЛКИКонструкция и размеры |
ОСТ 1 10520-72 Введен впервые |
Распоряжением Министерства от 20 сентября 1972 г. № 087-16 срок введения установлен с I/IV 1973 г.
Несоблюдение стандарта преследуется по закону
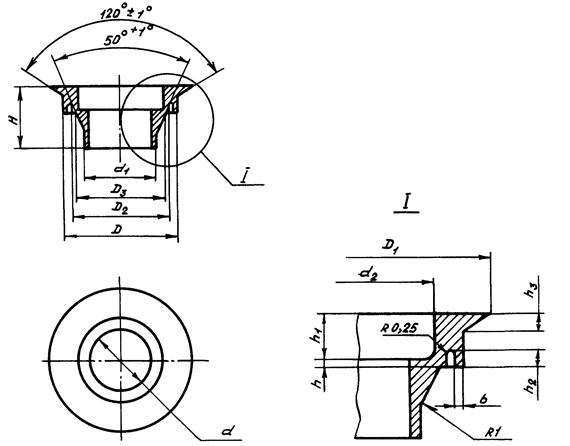
1. Конструкция и размеры втулок должны соответствовать указанным на чертеже и в таблице.
Размеры в мм
|
Применяемость |
D Пред. откл. по С4 |
D1 |
D2 |
D3 |
d |
d1 |
d2 |
H |
||
|
12Х18Н9Т |
ВТ16 |
|||||||||
|
1 |
13,5 |
16,5 |
11,5 |
10 |
6,8 |
8.0 |
9,7 |
6,5 |
||
|
2 |
16 |
21 |
14 |
13,5 |
8 |
10,5 |
12,2 |
8,5 |
||
Размеры в мм
|
h Пред. откл. по С4 |
h1 |
h2 |
h3 |
b |
Масса 100 шт., кг |
||
|
12Х18Н9Т |
ВТ16 |
||||||
|
1 |
1,0 |
2,5 |
1,0 |
1.0 |
0,5 |
0,3 |
0,18 |
|
2 |
0,5 |
3,5 |
1,2 |
1,5 |
0,4 |
0,24 |
|
2. Материал: сталь 12Х18Н9Т (Х18Н9Т) по ТУ 14-1-377-72, сортамент - по ГОСТ 2590-71, прутки ВТ16 по ОСТ 1 90202-75.
3. Неуказанные предельные отклонения размеров - по 722АТ.
4. Покрытие: Хим. Пас*.
5. Маркировать обозначение и клеймить окончательную приемку на бирке.
6. Технические условия - по ОСТ 1 00547-72.
Пример наименования и обозначения втулки типоразмера 1 из стали 12Х18Н9Т:
Втулка 1 - ОСТ 1 10520-72
То же, из ВТ16:
Втулка 1 - ОСТ 1 12173-75
____________
* по действующему в отрасли документу.
ЛИСТ
РЕГИСТРАЦИИ ИЗМЕНЕНИЙ
ОСТ 1 10520-72, ОСТ 1 12173-75
ВТУЛКИ
Конструкция и размеры
|
Номер листа (страницы) |
Номер «Изв. об изм.» |
Подпись |
Дата |
Срок введения изменения |
||||
|
Измененных |
Замененных |
Новых |
Аннулированных |
|||||
|
1 |
2, 3 |
- |
- |
- |
5570 |
15/IX-74 |
1/I-75 |
|
|
2 |
1, 2, 3 |
- |
- |
- |
6085 |
20/III-75 |
1/VII-76 |
|
|
3 |
3 |
- |
- |
- |
7111 |
17/I-78 |
1/VII-78 |
|