РД 153-39.0-072-01
ТЕХНИЧЕСКАЯ ИНСТРУКЦИЯ
ПО ПРОВЕДЕНИЮ
ГЕОФИЗИЧЕСКИХ ИССЛЕДОВАНИЙ
И РАБОТ ПРИБОРАМИ НА КАБЕЛЕ
В НЕФТЯНЫХ И ГАЗОВЫХ
СКВАЖИНАХ
Москва
МИНИСТЕРСТВО ЭНЕРГЕТИКИ РОССИЙСКОЙ ФЕДЕРАЦИИ
РУКОВОДЯЩИЙ ДОКУМЕНТ
|
СОГЛАСОВАН |
СОГЛАСОВАН |
|
|
с Федеральным горным и |
с Министерством природных |
|
|
промышленным надзором России |
ресурсов России |
|
|
25 мая 2000 года |
4 мая 2001 года |
МОСКВА - 2002
Предисловие
1. РАЗРАБОТАН Отделением скважинных геоинформационных систем Государственного научного центра РФ ВНИИГеосистем (ВНИГИК ГНЦ ВНИИГеосистем) во исполнение совместного решения Роскомнедра, Минтопэнерго России и Госгортехнадзора Российской Федерации № МТ-3324 «О геофизическом информационном обеспечении при разведке и разработке месторождений нефти и газа» творческим коллективом специалистов:
Хаматдинова Р.Т. (руководитель коллектива), Козяра В.Ф. (ответственный исполнитель), Антропова В.Ф., Антонова Ю.Н., Белоконя Д.В., Блюменцева A.M., Буевича А.С., Велижанина В.А., Еникеевой Ф.Х., Ипатова А.И., Козяра Н.В., Козыряцкого Н.Г., Костина Ю.И., Кременецкого М.И., Леготина Л.Г., Малинина А.В., Микина М.Л., Митюшина Е.М., Михайлова В.М., Неретина В.Д., Пантюхина В.А., Пасечника М.П., Петерсилье В.И., Рудяка Б.В., Рындина В.Н., Снежко О.М., Филиди Г.Н., Фионова А.И., Черменского В.Г., Эпова М.И., Яруллина Р.К., Яценко Г.Г.
2. ВНЕСЕН Управлением геологоразведочных и геофизических работ Министерства энергетики Российской Федерации
3. ПРИНЯТ И ВВЕДЕН В ДЕЙСТВИЕ приказом Минэнерго России от 7 мая 2001 г. № 134
4. В настоящем документе реализованы нормы Законов Российской Федерации: «О недрах» с изменениями и дополнениями и «Об обеспечении единства измерений»
5. ВВЕДЕН взамен «Технической инструкции по проведению геофизических исследований в скважинах», утвержденной в 1984 г. (М.: «Недра». 1985)
СОДЕРЖАНИЕ
Руководящий документ
|
Техническая инструкция |
Дата введения 2001-07-01
Руководящий документ устанавливает для организаций топливно-энергетического комплекса единые требования проведения геофизических исследований и работ в нефтяных и газовых скважинах приборами на кабеле и наземным оборудованием, обеспечивающим цифровую регистрацию данных измерений и сопутствующей информации.
Результаты геофизических исследований и работ в скважинах (ГИРС) являются одним из основных видов геологической документации скважин, бурящихся для поисков, разведки и добычи нефти и газа. Их применяют для решения геологических, технических и технологических задач, возникающих на всех этапах жизни скважины:
- обеспечения заданных параметров бурения;
- корреляции пробуренных разрезов, оценки литологического состава и стратиграфической принадлежности пород;
- выделения коллекторов и количественных определений их фильтрационно-емкостных свойств и нефтегазонасыщенности;
- определения технического состояния обсадных колонн и цементного камня;
- контроля процессов добычи нефти и газа, оценки текущей нефтегазонасыщенности и обводненности коллекторов;
- информационного обеспечения технологий вторичного вскрытия продуктивных пластов, их испытаний и интенсификации дебитов.
Материалы ГИРС составляют информационную основу для подсчета и пересчета запасов нефтяных и газовых залежей и определения степени их выработки. Они обеспечивают геологический, технический и экологический контроль (мониторинг) за эксплуатацией месторождений и отдельных залежей и выполнение природоохранных задач.
Полноту, качество и сроки выполнения ГИРС регламентируют «Правила геофизических исследований и работ в нефтяных и газовых скважинах», утвержденные Министерством топлива и энергетики РФ и Министерством природных ресурсов РФ 28 декабря 1999 г., которые предусматривают также основные обязанности и функции недропользователей и производителей ГИРС по обеспечению проведения работ.
Геофизические исследования в скважинах (ГИС) являются частью ГИРС, составляя тем не менее их основной объем. РД «Техническая инструкция» содержит требования к техническому обеспечению и технологиям проведения исследований комплексами и отдельными методами ГИС, контролю качества первичных данных измерений, к форматам и формам регистрации, транспортировки и хранения полученной информации. Выполнение требований документа обязательно при реализации на территории Российской Федерации лицензий на право пользования недрами с целью их геологического изучения, разведки и добычи углеводородного сырья, сооружения и эксплуатации подземных хранилищ газа независимо от организационно-правовой формы, форм собственности и ведомственной принадлежности недропользователей.
В настоящем РД использованы ссылки на следующие нормативно-правовые и технические документы и стандарты:
2.1. Постановление Правительства Российской Федерации от 31.07.95 г. № 775 об утверждении «Положения о лицензировании отдельных видов деятельности, связанных с геологическим изучением и использованием недр»
2.2. Совместный приказ Минтопэнерго РФ и МПР РФ от 28.12.99 г. № 445/323 об утверждении «Правил геофизических исследований и работ в нефтяных и газовых скважинах»
2.3. ОСТ 153-39.1-005-00 «Кабели грузонесущие геофизические бронированные. Общие технические условия», утвержденные Минэнерго РФ в 2001 г.
2.4. РД 08-200-98 «Правила безопасности в нефтяной и газовой промышленности», утвержденный Госгортехнадзором в 1998 г., и дополнения к нему ИПБ 08-375(200-00)
2.5. РД «Техническое описание и инструкция по эксплуатации грузонесущих геофизических бронированных кабелей», утвержденный Минтопэнерго РФ и МПР РФ в 1998 г.
2.6. СП 2.6.1.758-99 «Нормы радиационной безопасности НРБ-99», утвержденные Минздравом РФ в 1999 г.
2.7. СП 2.6.1.799-99 «Основные санитарные правила обеспечения радиационной безопасности ОСПОРБ-99», утвержденные Минздравом РФ в 2000 г.
2.9. «Инструкция о содержании, оформлении и порядке представления в Государственную комиссию по запасам полезных ископаемых при Совете Министров (ГКЗ СССР) материалов по подсчету запасов нефти и горючих газов», утвержденная ГКЗ СССР в 1984 г.
В настоящем РД применены следующие термины для обозначения отдельных видов геофизических исследований и работ в скважинах:
- ГИРС - геофизические исследования и работы в скважинах, включающие изучение естественных и искусственных физических полей во внутрискважинном, околоскважинном и межскважинном пространствах (ГИС и СГР), геолого-технологические исследования в процессе бурения (ГТИ), а также работы, связанные с вторичным вскрытием продуктивных пластов перфорацией (ПВР) и интенсификацией притоков (ИП);
- ГИС - геофизические исследования и работы во внутрискважинном и околоскважинном пространствах, выполняемые приборами на кабеле. К ним относят:
- каротаж - исследования разрезов скважин в околоскважинном пространстве, основанные на измерениях параметров физических полей в скважине и околоскважинном пространстве, с целью изучения свойств разбуренных горных пород, выявления продуктивных и перспективных на нефть и газ интервалов пород и оценки содержащихся в них запасов углеводородов, привязки к разрезу по глубине других исследований и операций в скважинах, а также получения информации для интерпретации данных скважинной и наземной геофизики;
- ИТСС - исследования и контроль технического состояния скважин и технологического оборудования, необходимые для информационного обеспечения управления процессами бурения скважины, спуска и цементирования обсадных колонн, вторичного вскрытия коллекторов и вызова притоков пластовых флюидов, капитального и подземного ремонта скважин и ликвидации аварий. Решение этих задач включает определение: траектории и конфигурации ствола скважины, глубины прихвата бурового инструмента в бурящихся скважинах; высоты подъема цемента за обсадной колонной, полноты заполнения затрубного пространства цементом и его сцепления с колонной и горными породами, положений в разрезе муфт обсадных колонн и насосно-компрессорных труб (НКТ), их толщин и дефектов; в эксплуатационных скважинах - местоположения технологического оборудования, парафиновых отложений, интервалов порывов эксплуатационной колонны, глубин прихвата НКТ;
- ПГИ - промыслово-геофизические исследования, предназначенные для изучения продуктивных пластов при их испытании, освоении и в процессе длительной эксплуатации, при закачке в них вытесняющего агента с целью получения данных о продуктивности, фильтрационных свойствах и гидродинамических связях пластов, включающие измерения давления, температуры, скорости потока, состава и свойств флюидов в стволе скважины. Синонимы ПГИ - ГИС-контроль и гидродинамические исследования в скважинах (ГДИС);
- прямые исследования пластов - опробование и испытание пластов, и отбор образцов пород и флюидов, обеспечивающие отбор образцов пород и проб пластовых флюидов из стенок скважины, исследование их свойств и состава, а также измерение пластового давления в процессе отбора проб флюидов с целью изучения фильтрационных свойств пласта.
К геофизическим работам в скважинах относят работы и исследования, связанные с привязкой интервалов перфорации, сверлящую перфорацию, освоение пластов свабированием, интенсификацию притоков пластовых флюидов и удаление гидратных и асфальтеново-парафиновых отложений с помощью геофизического оборудования.
|
АВПД |
Аномально высокое пластовое давление |
|
АДС |
Аккумуляторы давления скважинные (пороховые) |
|
АК |
Акустический каротаж |
|
АК-сканирование |
Акустическое сканирование (акустическое телевидение) |
|
АКЦ |
Акустическая цементометрия |
|
АНПД |
Аномально низкое пластовое давление |
|
АЦП |
Аналого-цифровой преобразователь |
|
БК |
Боковой каротаж |
|
БКЗ |
Боковое каротажное зондирование |
|
БМК |
Боковой микрокаротаж |
|
ВИЭР |
Водоинвертная промывочная жидкость |
|
вдк |
Волновой диэлектрический каротаж |
|
ВИК |
Высокочастотный индукционный каротаж |
|
викиз |
Высокочастотное индукционное каротажное изопараметрическое зондирование |
|
внк |
Водонефтяной контакт |
|
вп |
Каротаж потенциалов вызванной поляризации |
|
всп |
Вертикальное сейсмическое профилирование |
|
ВТ |
Высокочувствительная термометрия |
|
г |
Геотермический градиент естественного поля |
|
ГВК |
Газоводяной контакт |
|
ггдт |
Гамма-гамма-дефектометрия и толщинометрия |
|
ГГК |
Гамма-гамма-каротаж |
|
ггк-лп |
Гамма-гамма-каротаж литоплотностной |
|
ггк-п |
Гамма-гамма-каротаж плотностной |
|
гдис |
Гидродинамические исследования в скважинах |
|
гдк |
Гидродинамический каротаж |
|
гз |
Градиент-зонд |
|
ГИРС |
Геофизические исследования и работы в скважинах |
|
гис |
Геофизические исследования в скважинах |
|
гк |
Гамма-каротаж (интегральный). Каротаж естественного гамма-излучения горных пород |
|
гкп |
Градуированный компенсатор поляризации |
|
ГНК |
Газонефтяной контакт |
|
гти |
Геолого-технологические исследования в процессе бурения скважин |
|
гтн |
Геолого-технический наряд |
|
дк |
Диэлектрический каротаж |
|
дс |
Кавернометрия, профилеметрия |
|
ИБР |
Известково-битумная промывочная жидкость |
|
ИИИ |
Источник ионизирующего излучения |
|
ик |
Индукционный каротаж |
|
икз |
Индукционное каротажное зондирование |
|
имп |
Индикация места прихвата |
|
ингк |
Импульсный нейтронный гамма-каротаж |
|
ингк-с |
Импульсный нейтронный гамма-каротаж спектрометрический |
|
инк |
Импульсный нейтронный каротаж |
|
Инкл. |
Инклинометрия |
|
ИНК-С/О (С/О) |
Углеродно-кислородный (С/О) каротаж |
|
иннк |
Импульсный нейтрон-нейтронный каротаж |
|
иннк-нт |
Импульсный нейтрон-нейтронный каротаж по надтепловым нейтронам |
|
иннк-т |
Импульсный нейтрон-нейтронный каротаж по тепловым нейтронам |
|
ип |
Интенсификация притока |
|
ипк |
Испытания пластов приборами на кабеле |
|
ипп |
Имитатор пористости пласта |
|
ипт |
Испытатель пластов на трубах |
|
ИСФ |
Индекс свободного флюида |
|
итсс |
Исследования и контроль технического состояния скважин и технологического оборудования |
|
квд |
Кривая восстановления давления |
|
КВТ |
Кривая восстановления температуры |
|
КВУ |
Кривая восстановления давления на забое скважины при подъеме уровня жидких флюидов в стволе |
|
км |
Магнитный каротаж |
|
кмв |
Каротаж магнитной восприимчивости |
|
КС |
Каротаж сопротивления. Электрический каротаж с нефокусированными зондами. Метод кажущегося сопротивления |
|
кСд |
Кривая стабилизации давления |
|
кСт |
Кривая стабилизации температуры |
|
ЛБТ |
Легкосплавные бурильные трубы (легкие бурильные трубы) |
|
лм |
Локация муфт колонн |
|
мк |
Микрокаротаж |
|
мпд |
Метод переменных давлений |
|
мэд |
Мощность экспозиционной дозы |
|
Накл. |
Наклонометрия |
|
нгк |
Нейтронный гамма-каротаж |
|
нгк-с |
Нейтронный гамма-каротаж спектрометрический |
|
нк |
Нейтронный каротаж |
|
ннк |
Нейтрон-нейтронный каротаж стационарный |
|
ннк-нт |
Нейтрон-нейтронный каротаж по надтепловым нейтронам |
|
ннк-т |
Нейтрон-нейтронный каротаж по тепловым нейтронам |
|
нкт |
Насосно-компрессорные трубы |
|
огц |
Отбивка головы цемента |
|
ом |
Определитель металла |
|
опк |
Опробование пластов приборами на кабеле |
|
пги |
Промыслово-геофизические исследования |
|
ПВР |
Прострелочно-взрывные работы |
|
Пгд |
Пороховые генераторы давления |
|
пж |
Промывочная жидкость |
|
пз |
Промытая зона. Потенциал-зонд |
|
ПС |
Каротаж потенциалов самопроизвольной поляризации |
|
птс |
Профилеметрия трубная скважинная |
|
пхг |
Подземное хранилище газа |
|
РГЭ |
Радиогеохимический эффект |
|
РК |
Радиоактивный каротаж |
|
Рез. |
Резистивиметрия |
|
CAT |
Скважинное акустическое телевидение |
|
СГ |
Скважинная геофизика |
|
СГК |
Спектрометрический гамма-каротаж |
|
СГР |
Скважинная геофизическая разведка |
|
СКО |
Отбор образцов пород сверлящими керноотборниками |
|
снС |
Статическое напряжение сдвига |
|
со |
Стандартный образец |
|
СП |
Свободная ядерная прецессия протонов |
|
т |
Термометрия |
|
УБТ |
Утяжеленные бурильные трубы |
|
УЭС |
Удельное электрическое сопротивление |
|
ФКД |
Фазокорреляционная диаграмма |
|
цм |
Гамма-гамма цементометрия |
|
эдС |
Электродвижущая сила |
|
эк |
Электрический каротаж |
|
ЭК-сканирование |
Электрическое сканирование |
|
ЭМДУ |
Эквивалентная массовая доля урана |
|
ЭМКЗ |
Электромагнитный каротаж по затуханию |
|
ЭП |
Каротаж электродных потенциалов |
|
ЯМК |
Ядерно-магнитный каротаж |
Скважины, бурящиеся при геологоразведочных работах и для разработки нефтяных и газовых месторождений (залежей), в соответствии с приказом МПР РФ от 07.02.2001 г. № 126, подразделяют на 8 категорий: опорные (в том числе сверхглубокие), параметрические, структурные, поисковые, оценочные, разведочные, эксплуатационные, специальные. Цель бурения этих скважин определяется их назначением и ожидаемыми результатами (таблица 1). Категория скважины, перечень решаемых ею геологических задач и ожидаемые результаты определяют комплекс, детальность и технологии выполнения ГИРС.
РД «Техническая инструкция...» регламентирует технологии ГИС и требования к используемым скважинным приборам и оборудованию для скважин всех категорий, кроме специальных, в которых геофизические исследования и специальные работы проектируют и проводят с учетом целевых задач, решаемых конкретными скважинами.
Задачи, решаемые в нефтяных и газовых скважинах средствами ГИС, подразделяют на геологические, связанные с изучением состава и свойств пород в разрезах скважин, технические и технологические. Последние две группы задач включают изучение технического состояния необсаженных и обсаженных скважин, определение местоположения промыслового оборудования, используемого для добычи углеводородов, изучение состава флюидов, поступающих в скважину. Состав задач этих групп существенно перекрывается. Одни и те же данные (например, сведения о пространственном положении и профиле ствола необсаженной скважины или о составе флюидов, поступающих из интервала перфорации) применяют для немедленной корректировки технологий бурения и добычи либо фиксируют их для использования в дальнейшем (при геологических построениях, анализе разработки залежи и др.).
Таблица 1 - Классификация нефтяных и газовых скважин
|
Цель бурения |
Ожидаемый результат |
Проектный горизонт |
Работы и исследования |
|
|
1 |
2 |
3 |
4 |
5 |
|
Опорная |
Изучение геологического строения крупных геоструктурных элементов земной коры, определение общих закономерностей распространения комплексов отложений, благоприятных для нефтегазонакопления, выбор наиболее перспективных направлений геологоразведочных работ. Бурение в узлах пересечений опорных сейсмических профилей |
Стратиграфическая привязка разреза, определение его характеристик для интерпретации данных полевой геофизики, выявление признаков нефтегазоносности пород и оценка перспектив нефтегазоносности района, выяснение гидрогеологических условий района, получение сведений о других полезных ископаемых |
До технически возможных глубин бурения |
Сплошной отбор и исследования керна по неизученной части разреза, ГТИ, детальные ГИС в неизученной части разреза, ИПТ, испытания в колонне нефтегазоносных горизонтов |
|
Параметрическая |
Изучение строения и перспектив нефтегазоносности возможных зон (областей, районов) нефтегазонакопления, выявление наиболее перспективных участков поисковых работ. Бурение в пределах локальных структур или на сейсморазведочных профилях |
Уточнение стратиграфического строения и геологогеофизических характеристик пород, выявление нефтегазоносных горизонтов, оценка перспектив и прогнозных ресурсов, выявление запасов категории С2 |
Фундамент (при технической возможности достижения) |
То же для исследований и испытаний, отбор керна в объеме 20 % от толщины комплекса изучаемых пород, а в перспективных на нефть и газ интервалах - сплошной |
|
Структурная |
Выявление и подготовка перспективных площадей (структур) для поискового бурения, когда применение полевых геофизических методов затруднено или экономически нецелесообразно, изучение физических характеристик пород, проверка положений опорных горизонтов |
Подготовленная площадь (структура) |
Маркирующий структурный горизонт |
То же для исследований и испытаний, отбор керна в объемах, обеспечивающих построение и определение характеристик разреза |
|
Поисковая |
Открытие нефтегазовых месторождений на новых площадях или новых залежей на известных месторождениях. Бурение на локальных структурах и ловушках, удовлетворяющих требованиям подготовленности для поискового бурения |
Оценка промышленной значимости выявленных залежей, запасы нефти и газа категорий С2 и С1 |
Нефтегазоперспективные комплексы пород до технически доступных глубин |
Отбор керна на границах стратиграфических комплексов и в нефтегазоперспективных интервалах, ГТИ, детальные ГИС ниже первого флюидоупора, ИПТ, испытания в колонне нефтегазоносных горизонтов |
|
Оценочная |
Подготовка данных для оценки запасов и обоснования целесообразности разведки и разработки месторождений (залежей). Бурение на площадях с установленной промышленной нефтегазоносностью |
Запасы нефти и газа категорий С2 и С1 |
Продуктивный горизонт (нижний или один из горизонтов при большом числе залежей) |
Отбор керна в продуктивных интервалах, ГТИ, детальные ГИС в продуктивных и перспективных интервалах, ИПТ, поинтервальные испытания в колонне продуктивных и водоносных пластов с отбором проб флюидов, интенсификация притоков, пробная эксплуатация |
|
Разведочная |
Подготовка исходных данных для уточнения запасов и составление проекта (схемы) разработки месторождения (залежи). Бурение на площадях с установленной промышленной нефтегазоносностью |
Перевод запасов категорий С2 и С1 |
То же |
То же, ГТИ при необходимости |
|
Эксплуатационная, в том числе добывающая, опережающая добывающая, нагнетательная, наблюдательная, контрольная, пьезометрическая |
Добыча нефти и газа; контроль за разработкой месторождения или залежей |
Добыча нефти и газа; перевод запасов из категории С1 в категории В и А |
Эксплуатируемая залежь (пласт) |
Отбор керна в продуктивном пласте (при необходимости), ГТИ и ГИС согласно геолого-техническому наряду |
|
Специальная |
Проведение специальных работ: выявление горизонта (пласта) для закачки промысловых вод; ликвидация открытых фонтанов нефти и газа; подготовка подземных хранилищ углеводородов; разведка и добыча технических вод; захоронение промышленных стоков |
Определяется назначением скважины |
Определяется назначением скважины |
ГТИ, ГИС и другие работы по индивидуальному проекту с учетом целевых задач скважины |
5.2.1. Перечень геологических задач предусматривает детальное изучение пород в необсаженных и обсаженных скважинах, включая определение принадлежности пород к основным литотипам, содержания в них отдельных минеральных компонент, объема и структуры порового пространства, насыщенности пор углеводородами на момент разбуривания пород и на разных стадиях эксплуатации залежи. Количество геологических задач, решаемых в каждой конкретной скважине, определяется категорией скважины и временем ее нахождения в эксплуатации.
Максимальный перечень задач решают в опорных и параметрических скважинах. Он включает:
- расчленение вскрытого скважиной разреза на пласты и пропластки, их привязку по глубине в относительных глубинах (фактических глубинах, измеренных от какой-либо точки в стволе скважины до точки отсчета - поверхности стола ротора или планшайбы) и по абсолютным отметкам от уровня моря (фактические глубины за вычетом альтитуды скважины и удлинения ее ствола за счет отклонения от вертикали) - построение геометрической модели;
- литологическую оценку выделенных пластов, разделение разреза на литолого-стратиграфические комплексы и типы (терригенный, карбонатный, хемогенный, вулканогенный, кристаллический и др.);
- выделение стратиграфических реперов;
- построение геофизических моделей разреза для информационного обеспечения интерпретации наземных геофизических исследований: сейсморазведки (сейсмоакустический разрез), электроразведки (геоэлектрический разрез), гравиразведки (геоплотностной разрез), магниторазведки (геомагнитный разрез);
- построение компонентной модели, включая определение компонентного состава твердой фазы породы и ее емкостных свойств (пористости);
- выделение коллекторов и оценку их фильтрационных свойств (построение фильтрационной модели);
- качественную характеристику флюидонасыщенности разреза и количественные определения коэффициентов нефте- и газонасыщенности для продуктивных коллекторов, установление положений межфлюидных контактов и границ переходных зон (построение флюидальной модели).
В структурных, поисковых, оценочных, разведочных и эксплуатационных скважинах, бурящихся на поисково-оценочном и разведочно-эксплуатационном этапах геологоразведочных работ, материалы ГИС используют для:
- литологического и стратиграфического расчленения и корреляции разрезов пробуренных скважин;
- выделения в разрезах скважин коллекторов;
- разделения коллекторов на продуктивные и водоносные, а продуктивных коллекторов - на газо- и нефтенасыщенные;
- определения положений контактов между пластовыми флюидами (ГНК, ВНК, ГВК), эффективных газо- и нефтенасыщенных толщин, коэффициентов глинистости, пористости, газо- и нефтенасыщенности, проницаемости, вытеснения;
- определения пластовых давлений и температур, неоднородности пластов (объектов);
- прогноза потенциальных дебитов, а также прогнозирования геологического разреза в околоскважинном и межскважинном пространствах.
В скважинах, бурящихся на площадях с выявленной промышленной нефтегазоносностью, материалы ГИС должны обеспечить определение подсчетных параметров с достоверностью, регламентируемой нормативным документом 2.9. В эксплуатационных скважинах они обеспечивают проектный ввод скважин в эксплуатацию и контроль за их работой в процессе добычи углеводородов.
Основные задачи, решаемые с помощью ГИС в процессе испытаний поисковых и разведочных скважин и освоения добывающих скважин, включают:
- привязку интервалов перфорации к разрезу по глубине;
- локализацию приточных прослоев, определение их суммарной толщины, оценку типов и объемов флюидов, поступающих из отдельных прослоев;
- исследования качества разобщения продуктивных и водонасыщенных пластов (прослоев) при многокомпонентном (газ, нефть, вода) притоке.
Для решения перечисленных задач проверяют истинное положение в разрезе интервалов перфорации, целостность цементных мостов и обсадной колонны, устанавливают возможность заколонной циркуляции. Контроль обязателен:
- при испытаниях сложных объектов, к которым относят приконтактные зоны, нефтяные оторочки и газовые шапки, коллекторы с ухудшенными фильтрационными свойствами, трещинные, тонкослоистые и другие пласты со сложным типом коллектора, пласты с АВПД и АНПД, зоны тектонических нарушений, интервалы с некачественным цементированием;
- при вызове и интенсификации притоков флюидов методами свабирования, кислотных, термических, вибрационных и имплозийных обработках и их сочетаниях;
- при одновременном испытании или эксплуатации нескольких объектов.
В скважинах, находящихся в эксплуатации, основными задачами ГИС являются:
- определение текущей насыщенности пород углеводородами в добывающих, наблюдательных и контрольных скважинах;
- контроль целостности обсадной колонны и цементного кольца и обнаружение источников обводнения продукции;
- проведение работ по очистке колонны и насосно-компрессорных труб от парафиновых и гидратных отложений;
- интенсификация притоков приборами на кабеле.
С учетом расположения скважин на площади месторождения полученные данные используют для определения эксплуатационных характеристик пласта, выбора оптимального режима работы технологического оборудования, исследований процессов вытеснения нефти и газа в пласте с целью оценки невыработанных запасов и выбора методов повышения нефтеотдачи пластов.
5.2.2. Изучение технического состояния скважин производят на всех этапах их строительства и эксплуатации.
Первоначально - это непрерывный контроль состояния открытого ствола в процессе бурения, заключающийся в определении фактического пространственного положения скважины и его соответствия проекту, а также измерения геометрии сечения ствола скважины, выделение интервалов желобов, каверн, сальников, выпучивания и течения глин и прогнозирование на этой основе безопасного бурения.
По завершении бурения средствами ГИС оценивают положение в скважине и целостность обсадной колонны, качество цементирования и герметичность затрубного пространства. Контроль технического состояния обсадной колонны и цементного кольца, выявление негерметичности колонны, цементного кольца, интервалов затрубных перетоков и мест поступления в скважину затрубных вод, проведение специальных исследований для обеспечения ремонтных работ периодически выполняют в скважинах вплоть до их ликвидации.
Технология ГИС включает следующие процедуры:
- первичную, периодические и полевые калибровки скважинных приборов, выполняемые их изготовителем и метрологической службой;
- проведение подготовительных работ на базе геофизического предприятия и непосредственно на скважине;
- проведение геофизических исследований и работ в скважинах;
- первичное редактирование данных, обеспечивающее контроль их качества;
- выдачу твердых копий материалов представителю недропользователя непосредственно на скважине;
- сдачу/приемку отчетных материалов, содержащих файлы первичных данных и файл недропользователя, контрольно-интерпретационной партии (КИП) геофизического предприятия;
- архивацию материалов.
6.1.1. К проведению скважинных исследований допускают только каротажные станции и скважинные приборы, прошедшие калибровку в метрологической службе геофизического предприятия, аккредитованной на право проведения калибровочных работ. При отсутствии на предприятии аккредитованной метрологической службы калибровку технических средств должна выполнять метрологическая служба другого юридического лица, аккредитованная на право проведения калибровочных работ с техническими средствами ГИС, например, базовая организация метрологической службы, метрологический центр, НИИ, КБ и т.п.
Калибровку выполняют с использованием образцовых технических средств, указанных в эксплуатационной документации на приборы и оборудование (раздел «Методика калибровки»), в соответствии с требованиями действующих стандартов на данный тип приборов или оборудования.
6.1.2. Первичную калибровку выполняет изготовитель (поставщик) скважинных приборов и/или наземного оборудования. Результаты первичной калибровки являются составной частью эксплуатационной документации поставляемых технических средств.
6.1.3. Периодическая калибровка приборов в стационарных условиях (на базах геофизических предприятий) должна проводиться с периодичностью, указанной в эксплуатационной документации, но не реже одного раза в квартал, при вводе в эксплуатацию и после каждого ремонта. Результаты периодической калибровки хранятся в банке данных метрологической службы предприятия и переносятся в базу данных каротажной лаборатории, предназначенной для проведения исследований этими приборами. Они используются для придания цифровым показаниям скважинных приборов масштабов в физических единицах и для контроля совместно с результатами полевых калибровок достоверности измеренных цифровых данных.
Периодические калибровки выполняют с использованием калибровочных установок, указанных в эксплуатационной документации на приборы и оборудование.
Измерения при калибровках необходимо проводить с использованием наземного оборудования (геофизический кабель, регистратор и др.), соответствующего по своим характеристикам тому, которое будет применяться при проведении скважинных исследований.
6.2.1. Подготовительные работы перед проведением ГИС проводят в стационарных условиях на базе геофизического предприятия (производителя работ) и непосредственно на скважине.
6.2.2. Перечень работ каротажной партии (отряда) на базе геофизического предприятия включает:
- получение наряд-заказа на геофизические исследования и работы, форма и содержание которого согласованы между геофизическим предприятием и недропользователем;
- ознакомление с геофизическими и геологическими материалами по исследуемой скважине и получение файлов и твердых копий данных, необходимых для выполнения ряда работ, например, привязки к разрезу интервалов отбора керна, опробований, перфорации и др.;
- получение скважинных приборов, расходных деталей, материалов и источников радиоактивных излучений, проверку их комплектности и исправности;
- запись файлов периодических калибровок и сведений об исследуемом объекте, включая файлы априорных данных, в базу данных каротажного регистратора.
6.2.3. По прибытию на скважину персонал каротажной партии (отряда) выполняет следующие подготовительные операции:
- проверяет подготовленность бурящейся либо действующей скважины к исследованиям и работам согласно техническим условиям на их подготовку для проведения ГИС (приложения А и Б) и подписывает акт о готовности скважины к проведению исследований и работ (приложения В и Г);
- проверяет правильность задания, указанного в наряд-заказе, и при необходимости уточняет его с представителем недропользователя;
- устанавливает каротажный подъемник в 25 - 40 м от устья скважины так, чтобы ось лебедки была горизонтальной и перпендикулярной направлению на устье скважины; затормаживает и надежно закрепляет подъемник, подкладывая клинья под его колеса; крепит датчики натяжения и глубины на выносной консоли (в зависимости от конструкции подъемника);
- устанавливает лабораторию в 5 - 10 м от подъемника таким образом, чтобы из ее окон и двери просматривались подъемник и устье скважины;
- заземляет лабораторию и подъемник с помощью отдельных заземлений (сопротивление заземления лаборатории, подъемника и контура буровой должно быть не более 4 Ом);
- выполняет внешние соединения лаборатории и подъемника между собой силовым и информационными кабелями;
- подключает станцию к сети переменного тока, действующей на скважине, а при ее отсутствии - к генератору автономной силовой установки, перевозимой подъемником;
- сматывает с барабана лебедки вручную или с помощью привода лебедки, установив задний ход в коробке передач автомобиля, первые витки геофизического кабеля так, чтобы выпущенного конца кабеля хватило для подключения к кабельному наконечнику приборов, уложенных на мостках или на полу буровой;
- заводит кабель в направляющий и подвесной ролики (блок-баланс) и устанавливает последние на свои штатные места;
- крепит направляющий ролик (блок) на специальном узле крепления, который постоянно закреплен на основании буровой на расстоянии не более 2 м от ротора таким образом, чтобы средняя плоскость его ролика визуально проходила через середину барабана лебедки каротажного подъемника;
- устанавливает на направляющем ролике (блоке) датчик глубины, если он не установлен на консоли подъемника. Узел крепления направляющего ролика (блока) должен быть испытан на нагрузку, в 3 раза превышающую номинальное разрывное усилие кабеля;
- вместо направляющего блока по согласованию с недропользователем можно устанавливать «роторный блок», закрепляя его установку массой ведущей трубы («квадрата») или бурильной трубы. На «роторном блоке» устанавливают датчики глубины и магнитных меток. В противном случае датчик магнитных меток устанавливают на столе ротора самостоятельно;
- подвешивает подвесной блок и датчик натяжения, если он не установлен на консоли подъемника, к вертлюгу через штропы и элеватор или непосредственно на крюк через накидное кольцо на высоте не менее 15 - 20 м от пола буровой установки. Узел крепления подвесного блока должен быть испытан на нагрузку, превышающую номинальное разрывное усилие кабеля в 4 раза;
- подсоединяет к кабельному наконечнику первый скважинный прибор (сборку приборов, шаблон), проверяет его работоспособность на мостках, опускает прибор в скважину. Подъем прибора над столом ротора и спуск в устье скважины производят с помощью каротажного подъемника, легости (якоря), имеющейся на буровой, или другого грузоподъемного механизма. Для захвата прибора применяют штопор, закрепленный на вилке, которую вставляют в пазы кабельного наконечника;
- устанавливает на счетчиках регистратора и панели контроля каротажа в подъемнике нулевые показания глубин с учетом расстояния от точки отсчета глубин (стола ротора буровой установки, планшайбы эксплуатационной скважины) до скважинного прибора.
6.3.1. Проведение геофизических исследований и работ предусматривает последовательное выполнение операций, обеспечивающих получение первичных данных об объекте исследований, которые пригодны для решения геологических, технических и технологических задач на количественном и/или качественном уровнях, и включает в себя:
- выбор скважинного прибора или состава комбинированной сборки приборов (модулей);
- тестирование наземных средств и приборов;
- формирование описания объекта исследований;
- полевые калибровки скважинных приборов перед исследованиями;
- проведение спускоподъемных операций для регистрации первичных данных;
- полевые калибровки приборов после проведения исследований.
Выполнение операций фиксируется файл-протоколом, который формируется регистратором компьютеризированной каротажной лаборатории без вмешательства оператора и содержит данные по текущему каротажу: номер спускоподъемной операции, наименование и номера приборов и сборки, время начала и завершения каждого замера.
6.3.2. Выбор скважинного прибора или сборки приборов (модулей) определяется:
- совместимостью методов ГИС, ИТСС, ПГИ при их одновременной реализации;
- конструктивными возможностями соединения различных модулей в одной сборке;
- наличием зумпфа, обеспечивающего исследования заданного интервала самым верхним модулем в сборке при проведении ГИС и ИТСС;
- наличием зумпфа и длиной лубрикатора при проведении исследований действующих скважин;
- скоростями регистрации данных приборами отдельных методов.
Большинство перечисленных ограничений очевидно, поэтому состав сборок определяется совместно недропользователем и геофизическим предприятием с учетом геолого-технических условий в скважинах различного назначения и указывается каротажной партии (отряду) в наряд-заказе на проведение исследований и работ.
Очередность измерений, выполняемых несколькими приборами или их сборками, зависит от конкретных скважинных условий и задач, решаемых в необсаженных и обсаженных скважинах, и определяется самостоятельно для каждой технологии исследований.
6.3.3. Тестирование цифрового каротажного регистратора, вспомогательного оборудования каротажной лаборатории, скважинных приборов и их сборок проводят с помощью программ-тестов. Оно включает:
- тестирование системного блока регистратора;
- тестирование датчиков глубины, магнитных меток и натяжения;
- настройку и калибровку АЦП;
- проверку работоспособности отдельных приборов и их сборок.
6.3.4. Описательная часть (заголовок) исследуемого объекта должна содержать следующую информацию (приложение Д):
- наименования недропользователя и производителя работ;
- дату проведения и сведения об объекте исследований, включая наименование месторождения (площади), номер и категорию скважины, ее альтитуду, интервал исследуемых глубин, назначение исследований (промежуточные, окончательные, привязочные);
- геолого-технические условия в скважине - номинальный диаметр скважины и ее общую глубину (глубину промежуточного или искусственного забоя), диаметр и глубину спуска последней обсадной колонны, диаметр и положение башмака НКТ;
- тип лубрикатора и устьевое давление при проведении ПГИ;
- тип и свойства (плотность, вязкость, водоотдача, статическое напряжение сдвига и минерализация) жидкости, заполняющей скважину, присутствие в жидкости химреагентов и утяжелителей, их типы, разгазирование жидкости;
- типы и номера каротажных подъемника и лаборатории (регистратора), сведения о геофизическом кабеле - его типе, длине, ценах контрольных и последней магнитной меток;
- конструкции сборок приборов и самих приборов, включая типы и номера сборки и приборов;
- используемые источники радиоактивных излучений и места их размещения в пределах прибора;
- положения точек записи отдельными модулями относительно головки сборки и точки начала отсчета глубин (стол ротора, поверхность планшайбы и т.п.);
- шаг квантования и скорость записи;
- фамилии должностных лиц, выполнивших исследования.
6.3.5. Полевые калибровки скважинных приборов перед началом и после проведения исследований выполняют согласно требованиям п. 6.1.4.
6.3.6.1. Спуск приборов производят под действием привода лебедки каротажного подъемника, массы кабеля и прибора со скоростью не более 8000 м/ч. Спуск сборок ведут со скоростью не более 5000 м/ч.
Регулирование скорости спуска осуществляют тормозом барабана лебедки или программно, если работы выполняют с использованием каротажного подъемника с гидро- или электроприводом. При спуске не допускается резкое торможение барабана лебедки во избежание соскакивания с него витков кабеля. Не рекомендуется проводить спуск при выключенном двигателе подъемника.
6.3.6.2. Движение приборов на спуске контролируют по натяжению (провисанию) кабеля, датчику натяжения и по изменению на экране монитора значений величин, измеряемых приборами. Допускается выполнять во время спуска операции контроля режимов работы скважинных приборов, проводить контрольные записи против опорных горизонтов и т.п.
6.3.6.3. При затрудненном спуске скважинных приборов, обусловленном вязкой промывочной жидкостью, наличием в скважине сальников и уступов, допускается увеличение массы приборов за счет закрепляемых снизу специальных грузов. При наличии в скважине уступов целесообразно увеличение длины груза.
В особо сложных случаях, по согласованию с недропользователем, приборы спускают в исследуемый интервал через бурильные трубы со скоростью не более 2000 м/ч при условии, что внутренний диаметр труб должен быть больше внешнего диаметра приборов не менее чем на 10 мм.
6.3.6.4. За 50 м до забоя скважины скорость спуска приборов необходимо уменьшить до 350 м/ч и задействовать привод лебедки.
Перепуск кабеля в скважину не должен превышать 2 - 5 м. Во избежание прихвата прибора или залипания геофизического кабеля стоянка приборов на забое не должна превышать 5 минут. Иное значение допустимого времени стоянки определяется техническим состоянием ствола скважины и заблаговременно устанавливается соглашением между геофизическим предприятием и недропользователем.
Длительность технологических остановок приборов для проведения исследований (например, для отбора проб пластовых флюидов или образцов пород) устанавливают соглашением между геофизическим предприятием и недропользователем. Длительная стоянка может предусматривать требование «расхаживания» кабеля в пределах нескольких метров.
6.3.6.5. Подъем приборов в исследуемом интервале ведут со скоростью, не превышающей максимально допустимую хотя бы для одного из модулей сборки. При прохождении сужений в стволе скважины (башмак обсадной колонны или НКТ, сальники, толстые шламовые корки) и за 50 м до устья скважины скорость подъема приборов уменьшают до 250 м/ч.
6.3.6.7. Во время подъема приборов ведут непрерывный контроль за натяжением кабеля. При увеличении натяжения до значения, которое составляет половину от разрывного усилия кабеля, подъем прибора (сборки) приостанавливают. Работы продолжают далее, руководствуясь требованиями, предъявляемыми для предотвращения и ликвидации осложнений и аварий в скважине (см. раздел 28).
6.3.6.8. В процессе подготовительных работ и спускоподъемных операций формируют рабочие файлы, содержащие заголовок, результаты периодической и полевой калибровок, первичные данные измерений для следующих записей:
- основной - в пределах исследуемого интервала и обязательного перекрытия с предыдущим интервалом измерений длиной не менее 50 м;
- повторной - длиной 50 м в интервале наибольшей дифференциации показаний. В пределах интервала повторной записи должно находиться не менее двух магнитных меток глубин. Для интервалов исследований протяженностью менее 100 м повторное измерение проводят по всей длине интервала;
- контрольной - длиной 50 м в интервалах, позволяющих оценить качество выполненных исследований. Такими интервалами являются, например, для электрических и электромагнитных методов - вход в обсадную колонну, для акустических - незацементированный участок обсадной колонны и т.п. В пределах этого интервала должно находиться не менее двух магнитных меток глубин.
6.3.6.9. Дискретность регистрации данных по глубине для общих и детальных исследований должна составлять 0,2 м. Исследования микрометодами - МК, БМК, микрокавернометрии и наклонометрии, - а также исследования скважин, находящихся в эксплуатации, и специальные исследования в открытом стволе выполняют с дискретностью 0,1 и/или 0,05 м.
6.3.6.10. Шаг дискретизации АЦП выбирают таким образом, чтобы максимально допустимые погрешности преобразования сигналов не превышали 0,2 от соответствующих пределов допускаемых основных погрешностей измерений. Размер шага заложен в программном обеспечении цифрового прибора или АЦП регистратора при оцифровке аналоговых сигналов на поверхности.
6.4.1. Первичное редактирование данных выполняют непосредственно на скважине. Оно включает:
- увязку электронных и магнитных меток в рабочих файлах одной спускоподъемной операции;
- увязку по глубинам данных, зарегистрированных при разных спуско-подъемах;
- совмещение точек записи разных приборов (модулей) по глубине;
- придание кривым масштабов, выраженных в физических единицах;
- формирование для каждого метода единого файла недропользователя (нескольких файлов, количество которых соответствует количеству методов, выполняемых сборкой приборов).
6.4.2. Если между двумя соседними магнитными метками количество электронных меток глубины, зарегистрированных с шагом 1 см, больше или меньше расчетного количества меток, то расстояние между электронными метками уменьшается (увеличивается) пропорционально отношению количеств фактически измеренных и расчетных меток.
6.4.3. Файл недропользователя формируют из рабочих файлов. Он должен содержать: заголовок с данными, перечисленными в п. 6.3.4, включая схематические рисунки конструкции скважины и прибора или сборки приборов (приложение Д); основную, повторную и контрольную записи - каротажные данные с заданным шагом дискретности по глубине; калибровочные данные до и после проведения исследований и данные последней периодической калибровки в табличной форме.
6.4.4. Файл недропользователя формируют в формате LIS.
6.4.5. Если при первичном редактировании будут установлены сбои и недостатки регистрации, снижающие качество первичных данных какого-либо метода, то исследования этим методом выполняют повторно.
6.5.1. Содержание твердой копии первичных данных должно полностью отражать файл недропользователя (п. 6.3.4 и п. 6.4.3).
6.5.2. Для обеспечения единых форматов представления данных каротажные кривые выводят на экран монитора, рулонную бумагу шириной 22 см или на стандартные листы писчей бумаги формата А4 в треках, рекомендованных международным стандартом API (см. например, Schlumberger Cyber Service Unit* Wellsite Products, Calibration Guide and Mnemonics. CP32. 1989). Размеры и расположение треков показаны на рисунке 1.
6.6.1. Результаты геофизических исследований подлежат вторичному контролю, основными целями которого являются оценка полноты выполнения заявленного комплекса исследований и возможности использования результатов измерений для качественной и количественной интерпретации. Вторичный контроль качества осуществляют при приемке интерпретационной службой геофизического предприятия первичных материалов от каротажных партий (отрядов). Регламент сдачи/приемки отчетных материалов (сроки, исполнители) определяется предприятием.
|
Имя трека |
Ширина трека, в дюймах |
|
Т1 |
2,5 |
|
TD |
0,75 |
|
Т2 |
2,5 |
|
Т3 |
2,5 |
|
Т23 |
5,0 |
|
T1L |
1,25 |
|
T1R |
1,25 |
|
T2L |
1,25 |
|
T2R |
1,25 |
|
T3L |
1,25 |
|
T3R |
1,25 |
Рисунок 1. Наименования, размеры и расположение треков в формате API для вывода первичных кривых ГИС на твердые носители
Окончательный контроль качества материалов осуществляют во время их комплексной геологической интерпретации. Результаты этого контроля не сказываются на оценке работы партии (отряда), выданной интерпретационной службой при приемке материалов.
6.6.2. Отчетными материалами, подлежащими сдаче/приемке, являются:
- наряд-заказ на проведение геофизических исследований и работ в скважине;
- акт о готовности скважины к проведению ГИС (приложения В или Г);
- акт о выполнении геофизических исследований и работ в скважине, форма и содержание которого согласованы между геофизическим предприятием и недропользователем;
- файл-протокол выполненных исследований;
- рабочие файлы;
- файлы недропользователя;
- твердые копии материалов, если они передавались представителю недропользователя на скважине.
6.6.3. Критериями контроля служат:
6.6.3.1. Полнота и объемы выполнения исследований и работ, заявленных в наряд-заказе. При несоответствии заявленного и выполненного комплекса методов или интервала исследований указываются причины невыполнения (перевыполнения) заказа.
Окончательный вывод о выполнении заявленного комплекса исследований делают после завершения контроля качества: исследования считаются выполненными в интервале глубин, в которых получены материалы хорошего и удовлетворительного качества.
6.6.3.2. Наличие в файлах недропользователя информационных сведений, необходимых для документирования и количественной интерпретации зарегистрированных цифровых данных (см. п. 6.3.4). Отсутствие в файлах каких-то информационных сведений восполняет интерпретационная служба геофизического предприятия.
6.6.3.3. Достоверность выполненных исследований контролируется соблюдением следующих требований:
- наличием и воспроизводимостью результатов периодической и полевой калибровок для каждого метода исследований и работ;
- постоянством и соответствием шага дискретизации по глубине указанному в наряд-заказе;
- соответствием масштаба цифровой регистрации цене младшего разряда цифрового кода в единицах измеряемого параметра;
- сохранением по всему интервалу исследований заданной скорости измерений;
- наличием перекрытия с предыдущим интервалом исследований, повторной и контрольной записей, выполненных в интервалах глубин протяженностью не менее 50 м и содержащих не менее двух магнитных меток глубин в этих интервалах. Воспроизводимость данных в интервалах перекрытия, повторных и контрольных измерений должна находиться в пределах, указанных для каждого метода (прибора) в эксплуатационной документации или в настоящем РД;
- расхождением глубин в интервалах перекрытия в пределах, не превышающих указанных в таблице 2;
- наличием магнитных меток глубин, максимальное расстояние между которыми не должно превышать 20 м; количество электронных меток глубин между магнитными метками должно отличаться от номинальных значений не более чем на 1 %;
- выполнением частных критериев, установленных для большинства геофизических методов, например: равенство показаний градиент- и потенциал-зонда микрокаротажа против глубоких каверн удельному сопротивлению промывочной жидкости; совпадение результатов разноглубинных зондов ИК после исправления за скин-эффект в непроницаемых пластах большой толщины и др.;
- соблюдением дополнительных требований, установленных геофизическим предприятием и недропользователем с учетом специфики геолого-технических условий района работ.
Таблица 2 - Допустимые расхождения глубин в интервалах перекрытия
|
0,5 |
1 |
2 |
3 |
4 |
5 |
6 |
> 6 |
|
|
Расхождение, м |
0,5 |
1 |
1,5 |
2 |
2,5 |
3 |
4 |
5 |
6.6.3.4. Наличие в файл-протоколе выполненных работ записей всех операций, предусмотренных для проведения исследований данной сборкой (прибором), соответствие очередности выполненных операций заданной.
6.6.4. Качество измерений характеризуется тремя оценками: «хорошо», «удовлетворительно», «брак».
6.6.4.1. Хорошее качество - результаты измерений полностью соответствуют требованиям настоящего РД.
6.6.4.2. Удовлетворительное качество - результаты измерений не выходят за пределы погрешностей, допустимых для каждого метода, но данные записаны с дефектами. К дефектам относят:
- отсутствие до 20 % меток глубин;
- отсутствие в заголовке некоторых из указанных в п. 6.3.4 сведений;
- отсутствие повторных или контрольных записей, если погрешность измерений может быть оценена иным путем (по совпадению зарегистрированных данных в интервале перекрытия с предыдущим измерением, по известным значениям параметров на отдельных литологически выдержанных участках разреза);
- отсутствие одной из калибровок, выполненных до или после исследований;
- небольшие разрывы в массиве данных, вызванные затяжками сборки (прибора), если они не препятствуют выдаче заключения;
- прочие недостатки и упущения, не исключающие возможности использования кривых для решения задач, поставленных перед данным видом исследования.
6.6.4.3. Брак - данные записаны с погрешностями, превышающими допустимые для данного метода, или с упущениями и помехами, которые нельзя исправить при обработке, в результате чего материал не может быть использован для решения задач, поставленных перед данным методом.
6.6.4.4. Материалы с оценкой «хорошо» допускаются к дальнейшей обработке за подписью интерпретатора; с оценкой «удовлетворительно» - за подписью начальника контрольно-интерпретационной службы.
Бракованные материалы к обработке не допускаются.
Графические материалы всех видов исследований выдаются недропользователю только за подписью главного (старшего) геолога геофизического предприятия.
- рабочие файлы, содержащие всю информацию, полученную при исследованиях в скважине;
- файлы недропользователя для каждого геофизического метода, содержащие всю необходимую информацию и предназначенные для последующего решения геологических и технических задач;
- файл с результатами контроля качества первичных данных;
- заключение по результатам интерпретации, сопровождающееся таблицами обработки первичных данных;
- твердые копии материалов.
6.7.1. Архивацию первичных материалов ГИС ведут с целью постоянного хранения первичной информации о недрах и обеспечения возможности ее последующей переобработки с использованием новых методических и программных средств и извлечения дополнительной, ранее не полученной информации.
6.7.2. Основные требования к архивации: полнота архивируемых материалов, исключение утраты материалов и несанкционированного доступа к ним.
6.7.3. Форма хранения информации - файлы и твердые копии в двух экземплярах, размещенные на разных носителях. Одна из твердых копий должна быть выполнена на неперезаписываемом носителе (например, CD).
6.7.4. Архивации подлежат рабочие файлы, в том числе и те первичные, данные по которым признаны бракованными, файлы недропользователя для всех выполненных и признанных кондиционными измерений, заключение с результатами геологической интерпретации, другие данные, полученные в процессе бурения и эксплуатации скважины.
6.7.5. Файл недропользователя должен содержать сведения, перечисленные в п. 6.3.4 и п. 6.4.3:
- полные и сокращенные наименования недропользователя и производителя исследований и работ;
- дату проведения и данные об объекте исследований - месторождение, номер скважины, ее назначение, альтитуду, интервал и назначение исследований;
- геолого-технические условия измерений - диаметр скважины, давление и температура на забое, свойства промывочной жидкости;
- типы и номера регистратора, скважинных приборов и их сборок;
- длины измерительных зондов и точки записи;
- для приборов радиоактивного каротажа - тип и мощность источника ионизирующего излучения;
- выполненные калибровки;
- первичные данные основного, контрольного и повторного измерений;
- оценку качества первичных данных.
6.7.6. Формат архивных данных - LIS.
6.7.7. Основные требования к организации архивации:
- разные экземпляры должны храниться в разных местах для исключения невосполнимой потери при форс-мажорных обстоятельствах (пожар, кража, стихийное бедствие);
- при хранении отредактированных рабочих файлов в нестандартных форматах должны архивироваться также программные средства, позволяющие осуществить перевод данных в формат LIS или другие общепринятые международные форматы.
Геофизические исследования разрезов нефтяных и газовых скважин всех категорий (каротаж) подразделяют:
- на общие, материалы которых предназначены для расчленения разбуренных разрезов, выделения в них основных литолого-стратиграфических комплексов пород, перспективных и продуктивных отложений;
- детальные, которые выполняют в продуктивных и перспективных на нефть и газ интервалах с целью определения количественных характеристик пластов.
Геологическую интерпретацию данных общих и детальных исследований выполняют непосредственно по завершении скважинных работ (оперативная интерпретация) и на этапе подсчета запасов нефти и газа (сводная интерпретация), используя для этого петрофизическое обеспечение в разной стадии готовности.
Технологическая схема проведения исследований, включающая тестирование и калибровку скважинных приборов и наземных средств, регистрацию и контроль качества первичных цифровых данных, формирование рабочих и отчетных файлов (файлов недропользователя), соответствует изложенной в разделе 6 настоящего РД.
7.1.1. Общие исследования выполняют во всех скважинах по всему разрезу, вскрытому бурением. Они обеспечивают:
- определение пространственного положения и технического состояния стволов скважин;
- выделение стратиграфических реперов и разделение разреза на литолого-стратиграфические комплексы и типы (терригенный, карбонатный, хемогенный, вулканогенный, кристаллический);
- идентификацию литолого-стратиграфических комплексов, к которым приурочены продуктивные и/или перспективные на нефть и газ отложения;
- расчленение разреза на пласты, их привязку по относительным и абсолютным отметкам глубин, внутри- и межплощадную корреляцию разрезов;
- привязку интервалов отбора керна по глубине;
- литологическое изучение интервалов разреза, не охарактеризованных керном;
- привязку по глубине интервалов опробований, испытаний, перфорации, материалов геофизических исследований в обсаженных скважинах;
- информационное обеспечение интерпретации наземных (полевых) геофизических исследований.
7.1.2. Комплекс общих исследований единый для всех районов страны и практически для всех категорий скважин (таблица 3).
Таблица 3 - Обязательные комплексы геофизических исследований необсаженных скважин для решения геологических и технических задач
|
Категория скважин |
|||
|
Опорная, параметрическая |
Структурная, поисковая, оценочная, разведочная |
Эксплуатационная |
|
|
1 |
2 |
3 |
4 |
|
Общие исследования (по всему разрезу скважин) |
ГТИ, ПС, КС (1 - 2 зонда из состава БКЗ), БК, ГК, НК, АК, ГГК-П, профилеметрия, Инкл., Рез., термометрия, ВСП |
ГТИ, ПС, КС (1 - 2 зонда из состава БКЗ), БК, ГК, НК, АК, ГГК-П, профилеметрия, Инкл., Рез., термометрия1, ВСП2 |
ГТИ3, ПС, КС (1 - 2 зонда из состава БКЗ), БК3, ГК, НК, АК3, ГГК-П3, профилеметрия, Инкл., Рез. |
|
Постоянная часть детальных исследований |
ПС, БКЗ, БК, ИК (ЭМК), МК, БМК, профилеметрия, ГК (СГК), НК, ИНК, АК, ГГК-П (ГГК-ЛП), Накл., ЯМК, КМВ |
ПС, БКЗ, БК, ИК (ЭМК), МК, БМК, профилеметрия, ГК (СГК), НК, АК, ГГК-П (ГГК-ЛП)4, Накл5. |
ПС, БКЗ, БК, ИК (ЭМК), МК3, БМК, профилеметрия, ГК (СГК)3, НК, АК, ГГК-П (ГГК-ЛП)3,4 |
|
Изменяемая часть детальных исследований (дополнительные исследования): |
|||
|
- в сложных (трещинных, глинистых, битуминозных) коллекторах |
дк, гдк, опк, ипт, |
ДК, ГДК, ОПК, ИПТ, |
ДК, ГДК, ОПК, ИПТ, |
|
ЭК-сканирование, |
ЭК-сканирование, |
ЭК-сканирование, |
|
|
АК-сканирование, |
АК-сканирование, |
АК-сканирование, |
|
|
ЯМК |
ЯМК |
ЯМК |
|
|
- для определения межфлюидных контактов |
ГДК, ОПК, ИПТ, |
ГДК, ОПК, ИПТ, |
ГДК, ОПК, ИПТ, |
|
ИНК |
ИНК, ЯМК |
ИНК, ЯМК |
|
|
- при низком выносе керна |
СКО (отбор образцов пород сверлящим керноотборником) |
СКО |
|
|
- при неоднозначной интерпретации |
ГДК, ОПК, ИПТ, СКО, специальные исследования со сменой условий в скважине |
ГДК, ОПК, ИПТ, СКО, специальные исследования со сменой условий в скважине |
ГДК, ОПК, ИПТ, СКО, специальные исследования со сменой условий в скважине |
|
-для моделирования залежей и при проведении ЗО-сейсморазведки |
Накл., ВСП |
||
Примечания:1 - в нескольких скважинах на площади (месторождении);2 - во всех поисково-оценочных скважинах, в разведочных скважинах - при близком расположении сейсмопрофилей; 3 - при кустовом бурении - в вертикальных скважинах кустов; 4 - в разрезах с карбонатными коллекторами;5 - в поисковых, оценочных и разведочных скважинах при наклоне границ пластов более 5° к оси скважины.
В эксплуатационных скважинах при кустовом бурении полный комплекс выполняют в вертикальных скважинах, в наклонных скважинах из него могут исключаться БК, АК, ГТК-П.
7.1.3. Этапы, интервалы и объемы общих исследований закладывают в проекты на строительство скважин. В зависимости от решаемых задач исследования подразделяют на промежуточные и заключительные, которые выполняют полным комплексом в заданных интервалах, и привязочные, назначаемые по мере необходимости.
Промежуточные исследования проводят по завершению разбуривания интервалов, намеченных для перекрытия кондуктором (с перекрытием в колонне методами ГК, НК, АК интервала спуска шахтного направления), техническими (технической) колоннами, а также эксплуатационной колонной выше первого продуктивного или перспективного интервала.
Для оценки пространственного положения и технического состояния ствола скважины с целью ее безопасного бурения выполняют промежуточные исследования ограниченным комплексом методов, включающим инклинометрию, профилеметрию, а также, при необходимости, ГК или БК для привязки результатов.
Заключительные исследования проводят по окончании бурения скважины. В глубоких скважинах исследования выполняют в интервалах, не превышающих 1000 м.
Привязочные исследования проводят с целью оценки положения текущего забоя относительно стратиграфических реперов, а также привязки к разрезу интервалов отбора керна, опробований и испытаний. Для этого используют один - два метода из следующего перечня: ПС, ГК и НК, БК (или ИК), профилеметрия.
7.1.4. Измерения температуры проводят на двух режимах - неустановившемся и установившемся.
Данные измерений на неустановившемся режиме используют для решения оперативных задач:
- определения температурного режима работы бурильного инструмента и геофизических приборов;
- выделения поглощающих и отдающих пластов;
- определения высоты подъема цемента в затрубном пространстве;
- учета температуры при интерпретации геофизических материалов.
Измерения на установившемся режиме проводят после длительного (более 10 суток) пребывания скважины в покое для определения естественной температуры пород и ее распределения по разрезу. Более точно продолжительность пребывания скважины в покое устанавливают по результатам повторных измерений во времени - допустимой считают такую продолжительность пребывания скважины в покое, после которой температура пород в любой точке разреза изменилась не более чем на 1 °С в течение значительного (не менее суток) интервала времени.
7.2.1. Детальные исследования во всех скважинах выполняют в продуктивных и перспективных на нефть и газ интервалах, а в опорных и параметрических скважинах - также в неизученных ранее частях разреза. В комплексе с материалами других видов исследований и работ (опробований, испытаний, керновыми данными и др.) они обеспечивают:
- расчленение изучаемого разреза на пласты толщиной до 0,4 м, привязку пластов по глубине скважины и абсолютным отметкам;
- детальное литологическое описание каждого пласта, выделение коллекторов всех типов (поровых, трещинных, каверновых и смешанных) и определение их параметров - коэффициентов глинистости, общей и эффективной пористости, проницаемости, водо- и нефтегазонасыщенности (если эффективная толщина коллектора превышает 0,8 м);
- разделение коллекторов по характеру насыщенности на продуктивные и водоносные, а продуктивных - на газо- и нефтенасыщенные;
- определение положений межфлюидных контактов, границ переходных зон, эффективных газо- и нефтенасыщенных толщин;
- определение пластовых давлений и температур;
- определение минерализации пластовых вод;
- прогнозирование потенциальных дебитов;
- прогнозирование строения геологического разреза в околоскважинном и межскважинном пространствах.
7.2.2. Объемы и качество материалов детальных исследований, полученных в скважинах, пробуренных на месторождении, должны обеспечить:
- построение геометрической, компонентной, фильтрационной и флюидальной моделей залежи (залежей);
- определение подсчетных параметров с достоверностью, регламентированной нормативным документом 2.9;
- обоснование коэффициентов извлечения;
- составление технологических схем и проектов пробной и опытно-промышленной эксплуатации и проектов разработки;
- получение исходной информации для мониторинга залежей и месторождений.
7.2.3. Полный комплекс детальных исследований включает постоянную и изменяемую части (таблица 3).
7.2.3.1. Постоянная часть детальных исследований практически одна и та же для всех категорий скважин в разных районах страны с той лишь разницей, что в комплексы для опорных и параметрических скважин включают ядерно-магнитный каротаж и каротаж магнитной восприимчивости.
7.2.3.2. Изменяемая часть детальных исследований определяется конкретной геолого-технологической ситуацией в скважине и может содержать по согласованию между недропользователем и производителем работ (геофизическим предприятием) полностью или частично все виды исследований и работ, перечисленные в таблице 3, в том числе специальные исследования.
7.2.3.3. Специальные исследования планируют и выполняют по индивидуальным программам с целью изучения коллекторов сложного строения, которые не удается полностью охарактеризовать материалами обязательного комплекса. Они включают повторные измерения при смене скважинных условий:
- во времени методами БК и ИК в процессе формирования зоны проникновения на высокоминерализованной и пресной промывочных жидкостях, соответственно, а также при принудительном продавливании жидкости в породы созданием избыточного давления на устье скважины;
- на двух промывочных жидкостях, удельные сопротивления которых отличаются на порядок и более, или когда одна из них содержит нейтронно-поглощающие вещества;
- при продавливании в породы жидкостей, содержащих искусственные короткоживущие радионуклиды (изотопы);
- в газоносных объектах - повторные измерения НК в течение нескольких месяцев в обсаженной скважине по мере расформирования зоны проникновения.
7.2.4. Этапы, интервалы и очередность проведения детальных исследований определяются проектами на строительство скважин:
- их выполняют в минимальный (не более 5 суток) срок после разбуривания продуктивного или перспективного на нефть и газ интервала. При большой толщине продуктивных (перспективных) пород интервал исследований не должен превышать 400 м;
- с учетом различного влияния изменений свойств промывочной жидкости на результаты исследований отдельными методами и возможного прекращения работ в любой момент вследствие непредвиденного поведения скважины первыми выполняют электрические и электромагнитные методы (ПС, БКЗ, БК, ИК, МК, БМК), затем методы, отражающие литологию и пористость пород - ГК, НК, АК, ГГК-П, профилеметрию, и завершают исследования методами и работами, которые входят в изменяемую часть обязательного комплекса - ГДК, ОПК, СКО, ИПТ.
7.2.5. Детальные исследования проводят при заполнении скважины той же промывочной жидкостью, на которой велось бурение. При изменении свойств жидкости (особенно ее удельного электрического сопротивления - на порядок и более) исследования отдельными методами - ПС, БК, БМК - выполняют дважды: до и после изменения свойств жидкости.
7.2.6. Скважины, пробуренные на непроводящих известково-битумной (ИБР) и водоинвертных (ВИЭР) промывочных жидкостях или на нефти, исследуют дважды, если по каким-либо причинам (смена технологии бурения, необходимость повышения информативности ГИС) проводят замену непроводящей жидкости на проводящую.
7.2.6.1. При заполнении скважины непроводящей жидкостью (ИБР, ВИЭР, нефть) из комплексов ГИС, предусмотренных в таблице 3, исключают ПС, БКЗ, БК, МК, БМК, наклонометрию, ЭК-сканирование, выполнение которых невозможно на непроводящей жидкости, а также ЯМК, если промывочная жидкость не содержит достаточного количества ферромагнитных веществ, подавляющих сигнал от нее.
7.2.6.2. После замены ИБР, ВИЭР или нефти на проводящую промывочную жидкость на водной основе, которую необходимо проводить с расширкой ствола с целью устранения глинистых, шламовых и битумных корок, выполняют полный комплекс ГИС, предусмотренный таблицей 3.
7.2.7. В многопластовых и массивных залежах, в которых планируется несколько этапов детальных ГИС, проводят повторные (временные) исследования БК или, в зависимости от минерализации промывочной жидкости, ИК, каждый раз перекрывая этими методами вышезалегающие интервалы при исследовании нижезалегающих.
7.2.8. Применение отдельных методов, составляющих обязательные комплексы детальных исследований, ограничивается условиями:
- кривая ПС может не записываться в скважинах, в которых удельное сопротивление ρс промывочной жидкости близко к удельному сопротивлению ρпв пластовых вод - 0,5 < ρс/ρпв < 2;
- в скважинах, заполненных высокоминерализованной (ρс < 0,2 Ом · м) промывочной жидкостью, регистрация кривых БКЗ и КС стандартными зондами может быть ограничена условием - ρп/ρс < 500, где rп - удельное сопротивление пород;
- выполнение ИК обязательно при условии, что rп < 50 Ом · м, rп/rс < 200, а также во всех скважинах с непроводящими промывочными жидкостями;
- в эксплуатационных скважинах обязательна регистрация КС, ИК и МК только при их заполнении пресной (rс > 0,2 Ом · м) промывочной жидкостью, а БК, - если скважины заполнены высокоминерализованной (rс < 0,2 Ом · м) жидкостью, а также, если rп/rс > 500;
- в аварийных скважинах допускается выполнение ГК, НК и АК в зацементированной обсадной колонне. При необходимости эти исследования в колонне выполняют также в ранее пробуренных скважинах (скважинах «старого фонда»).
7.2.9. Невыполнение исследований отдельными методами допускается в исключительных случаях по согласованному решению недропользователя и геофизического предприятия, которое оформляется двусторонним актом с указанием причин невозможности проведения исследований полным комплексом, при одновременном извещении контролирующей организации.
При неполном выполнении комплекса в оперативном заключении может быть уменьшен перечень характеристик коллекторов, которые количественно определяются по данным ГИС.
7.3.1. Целью оперативной интерпретации является детальное изучение разреза конкретной скважины, выделение в продуктивной части разреза коллекторов всех типов (поровых, трещинных, каверновых, смешанных), количественное определение фильтрационно-емкостных свойств коллекторов и оценка их продуктивности (нефте- или газонасыщенности). В процессе работы применяют петрофизическое обеспечение в той стадии готовности, которая достигнута на момент бурения скважины.
7.3.2. Оперативная интерпретация включает четыре этапа:
- редактирование и первичный контроль качества цифровых данных на скважине (см. п. 6.4.1);
- интерпретацию данных промежуточных исследований;
- интерпретацию и окончательный контроль качества данных после заключительных исследований;
- подготовку промежуточных (предварительных) и окончательного оперативных заключений по результатам геофизических исследований.
7.3.2.1. Редактирование первичных цифровых данных на скважине (увязка электронных и магнитных меток глубины, приведение точек записи к единой глубине, формирование файлов недропользователя, выдача твердых копий материалов) проводят при каждом исследовании с целью установления полноты и качества полученных данных и принятия оперативного решения о необходимости повторных исследований отдельными методами.
По согласованию между недропользователем и производителем работ редактирование данных непосредственно на скважине может дополняться геологической интерпретацией данных по упрощенным программам «быстрого взгляда (Quik look)» с выдачей твердой копии результатов предварительной интерпретации.
7.3.2.2. Предварительные заключения по результатам исследований отдельных интервалов бурящихся скважин должны включать рекомендации на проведение последующих технологических операций: продолжение бурения, испытание в открытом стволе, отбор керна или образцов пород и проб пластовых флюидов, спуск обсадной колонны.
7.3.2.3. Окончательное оперативное заключение должно включать пояснительную записку и результаты интерпретации, представленные в табличном и графическом видах.
7.3.3. В пояснительной записке заключения указываются следующие сведения:
- проектный, заказанный и фактически выполненный комплекс ГИС с указанием методов исследований, интервалов измерений и качества полученных данных;
- причины несоответствия проектного и фактически выполненного комплексов измерений;
- информация о скважине, разрезе и пластовых флюидах, в том числе о минерализации пластовых вод, пластовых давлениях и температуре;
- условия проведения ГИС и факторы, искажающие полученные данные;
- программные средства интерпретации;
- принятые при интерпретации модели коллекторов, возможных коллекторов и неколлекторов;
- петрофизические связи, использованные при интерпретации;
- данные об объемах и результатах гидродинамического каротажа, отборе проб пластовых флюидов и образцов керна керноотборником на кабеле;
- рекомендации по испытанию и освоению пластов или проведению дополнительных исследований в скважине;
- глоссарий мнемоник и условные обозначения, использованные в заключении.
В промежуточных заключениях указывают также методы, которые следует провести повторно в ранее исследованных интервалах при исследованиях нижележащих отложений.
7.3.3.1. В заключении необходимо использовать следующие термины, определяющие коллекторские свойства пород:
- для оценки способностей пород вмещать и отдавать флюиды - коллектор, возможный коллектор, неколлектор;
- для оценки состава и содержания подвижных флюидов - коллектор продуктивный (нефтегазонасыщенный), водоносный, переходная зона нефтенасыщенного (или газонасыщенного) пласта, неопределенный характер насыщенности.
При наличии надежных данных (например, результатов опробования пластов приборами на кабеле или на трубах, газового каротажа и других сведений) продуктивные коллекторы разделяют на нефтенасыщенные и газонасыщенные.
7.3.3.2. Коллекторы, однозначно охарактеризованные как нефтенасыщенные или газонасыщенные, рекомендуют к испытанию в поисковых скважинах; в оценочных и разведочных скважинах - только в случае их залегания ниже гипсометрической отметки пластов, ранее испытанных в других скважинах.
Рекомендации об интервалах повторного вскрытия продуктивных пластов в эксплуатационных скважинах выдают с учетом предложений недропользователя о размещении интервалов перфорации.
7.3.3.3. Испытания пластов в обсаженных поисково-разведочных скважинах могут рекомендоваться также со следующими специальными целями:
- определение положения ВНК (ГВК) и ГНК;
- установление коллекторских свойств пород (коллектор, неколлектор);
- исследования, необходимые для повышения эффективности (однозначности) интерпретации данных ГИС.
7.3.3.4. Таблица результатов оперативной интерпретации (приложение Ж) должна содержать количественные характеристики (параметры) коллекторов и возможных коллекторов. Данные представляют в попластовом варианте обработки или в варианте непрерывной обработки с шагом 0,2 м с разбивкой их массива на относительно однородные пласты-коллекторы или возможные коллекторы.
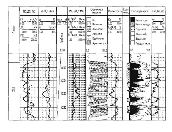
7.3.3.5. Графическое представление результатов интерпретации должно содержать минимальное количество геофизических кривых, необходимых для чтения и анализа информации (см., например, приложение И), заголовок - полные или сокращенные имена кривых и вычисленных параметров на русском языке. Если в программном обеспечении используются англоязычные мнемоники, их расшифровка должна быть указана под распечатанными кривыми.
7.3.3.6. На этапе оперативной интерпретации проводят окончательную оценку качества первичных данных ГИС. В заключении должны быть указаны методы исследований, результаты интерпретации которых не совпадают с результатами интерпретации данных остального комплекса ГИС и не учтены при подготовке окончательного заключения, а также причины такого несовпадения.
7.3.4. Окончательное заключение утверждается производителем работ (главным геологом геофизического предприятия) и выдается недропользователю после проведения всех запланированных скважинных исследований. Сроки представления заключения устанавливаются по соглашению между недропользователем и производителем работ.
7.4.1. Сводную интерпретацию проводят при подсчете (пересчете) запасов нефти и газа месторождения или отдельной залежи. Она включает количественные определения параметров коллекторов (эффективных толщин, коэффициентов пористости, проницаемости, нефте- и газонасыщенности, извлечения, положений межфлюидных контактов) и их площадного распределения, что необходимо для проектирования разработки или дальнейшей (детальной) разведки месторождений. Сводную интерпретацию выполняют с использованием индивидуального для данной залежи петрофизического обеспечения в соответствии с требованиями нормативного документа 2.9.
7.4.2. Сводную интерпретацию проводят по результатам ГИС всех поисковых, оценочных и разведочных скважин, пробуренных на месторождении, а при пересчете запасов - по результатам исследований этих и части эксплуатационных скважин с использованием накопленной геологической и промысловой информации об объекте подсчета (пересчета) запасов: результатов анализов керна, данных опробований, испытаний и опытно-промышленной эксплуатации.
Для проведения работ по сводной интерпретации привлекаются геофизические предприятия, тематические, научно-исследовательские и другие организации различных форм собственности.
7.4.3. Результаты сводной интерпретации составляют неотъемлемый раздел отчетов с подсчетом (пересчетом) запасов нефти, газа и сопутствующих компонентов, содержание которого предопределено нормативным документом 2.9.
В разделе последовательно освещаются:
- геолого-технические условия проведения ГИС (конструкции скважин, свойства промывочной жидкости, термобарические условия залегания пород);
- комплекс ГИС и технические средства его реализации: применяемые лаборатории, подъемники, кабели, скважинные приборы; метрологическое обеспечение; масштабы, интервалы и полнота исследований; эффективность ГИС для решения геологических и технологических задач;
- петрофизическое обоснование методик геологической интерпретации, граничные значения геологических (коэффициентов пористости, проницаемости, глинистости) и геофизических (значения естественной гамма-активности, aпс, rп и т.д.) параметров, разделяющих коллекторы и неколлекторы, и способы их определения;
- классификация коллекторов по структуре порового пространства, качественные признаки и количественные критерии их выделения;
- методики расчета по геофизическим данным коэффициентов гранулярной, трещинной и каверновой емкости, нефте- и газонасыщенности, остаточных нефте- и газонасыщенности, глинистости, проницаемости и удельной продуктивности коллекторов;
- таблицы фактических значений подсчетных параметров - эффективных нефте- и газонасыщенных толщин, коэффициентов пористости, нефте- и газонасыщенности, положений межфлюидных контактов;
- карты суммарных эффективных толщин, равных значений пористости, нефте- и газонасыщенности;
- сводные планшеты геолого-геофизических материалов с результатами их интерпретации по продуктивным частям разреза каждой скважины.
На планшетах указываются также: стратиграфическая приуроченность отложений; интервалы отбора и выноса керна в соответствии с его привязкой; границы и номенклатура пластов; интервалы залегания коллекторов и их литологические особенности; значения общей и эффективных нефте- и газонасыщенных толщин, пористости, проницаемости и нефтенасыщенности по ГИС и керну; кривые и даты выполнения ГИС; интервалы и даты перфорации, типы перфораторов и плотность перфорации; результаты испытаний; положения контактов между пластовыми флюидами; положения цементных мостов; качество цементажа обсадной колонны.
Для обеспечения контроля результатов определений подсчетных параметров экспертизой на планшете приводят технические условия проведения ГИС: альтитуду ротора и удлинение ствола в кровле и подошве продуктивного интервала; время и продолжительность бурения скважины и отдельно продуктивного горизонта; конструкцию открытого ствола и обсадных колонн; параметры промывочной жидкости; сведения об интервалах и интенсивности поглощений промывочной жидкости (приложение К).
7.4.4. Материалы отчета по подсчету запасов должны содержать все данные, необходимые для проверки результатов подсчета без личного участия авторов.
Материалы ГИС, полученные в цифровом виде, и расчеты, выполненные на электронно-вычислительной технике, представляются в графической или табличной формах. В случае серьезных расхождений авторских и экспертных результатов экспертизе должны быть дополнительно представлены первичные материалы на магнитных носителях, программы обработки, руководство пользователя к программам. Контрольные определения выполняют совместно эксперты и авторы.
7.5.1. Петрофизические обеспечения интерпретации данных ГИС на этапах оперативной интерпретации и подсчета запасов различаются только объемом накопленной информации. На поисково-оценочном этапе разведки отсутствует полный комплекс петрофизической информации. Поэтому для оперативной интерпретации используют информацию по объекту-аналогу или обобщенную, накопленную для района работ. Для сводной интерпретации на этапе подсчета запасов и для оперативной интерпретации геофизических данных, полученных в эксплуатационных скважинах, применяют петрофизические зависимости, установленные для каждого объекта подсчета (эксплуатации).
7.5.2. Минимальный комплекс петрофизических связей включает:
- связи между измеряемыми геофизическими параметрами - интервальным временем Dt, объемной плотностью s, относительным электрическим сопротивлением Р, диффузионно-адсорбционным потенциалом Ада - и коэффициентами общей kп пористости пород;
- связь между коэффициентом Pн увеличения электрического сопротивления и коэффициентами kв водонасыщенности пород. При наличии прямой информации о водонасыщенности разреза, полученной по данным исследований керна из скважин, пробуренных на «безводных» (известково-битумных) промывочных жидкостях, используется также связь удельного электрического сопротивления rп пород с их объемной влажностью Wв, где Wв = kв · kn. Такой подход широко применяется для месторождений Западной Сибири, для которых затруднена оценка удельного электрического сопротивления пластовой воды;
- связь между относительной aпс амплитудой ПС и относительными показаниями DJg гамма-каротажа с коэффициентами весовой Cгл, объемной kгл или относительной η глинистости, где kгл = Cгл/(1 - kп); η = kгл/(kгл + kп);
- взаимосвязи между петрофизическими величинами:
а) для определения нижнего граничного значения пористости коллекторов - связь между общей kп, эффективной kп эф и динамической kп дин пористостями, где kп эф = kп(1 - kво), kп дин = kп(1 - kво - kно), kво - коэффициент остаточной (неснижаемой) водонасыщенности, kно - коэффициент остаточной нефтенасыщенности;
б) для обоснования положений межфлюидных контактов - расчет численного значения коэффициента kв* критической водонасыщенности по кривым относительной фазовой проницаемости и уравнениям движения фаз при двухфазной фильтрации;
в) для определения проницаемости - построения связей между общей пористостью kп и коэффициентами абсолютной kпр и эффективной kпр эф проницаемости, где kпр эф - проницаемость, определяемая на образцах керна при наличии в поровом пространстве остаточной водонасыщенности.
7.5.3. Используют 2 вида петрофизических связей: «керн-керн» и «ГИС-керн»:
- для построения связей «керн-керн» геофизические (Dt, a, P, Ада, DJg) и коллекторские (kп, kпр, kнг, kгл, kв, kво, kно) параметры измеряют на образцах керна, в том числе Dt, P, kп, kпр - при термобарических условиях, аналогичных пластовым;
- для построения связей «ГИС - керн» значения геофизических параметров находят по данным скважинных измерений, а значения коллекторских свойств - по результатам анализов керна.
7.5.4. Общие требования к петрофизической информации, используемой в качестве петрофизической основы интерпретации геофизических данных, состоят в следующем:
- для построения петрофизических связей «керн - керн» необходимо исследовать не менее 30 образцов керна, равномерно распределенных в диапазонах изменений коррелируемых параметров;
- для построения петрофизических связей «керн - ГИС» используют опорные пластопересечения, охарактеризованные керном с выносом не менее 70 % и плотностью петрофизических анализов не менее трех на один метр вынесенного керна;
- в процессе отбора, транспортировки, хранения и исследования керна должны быть реализованы мероприятия, предотвращающие изменение естественных условий упаковки (для слабосцементированных и рыхлых пород) и смачиваемости пород;
- при исследовании пород, характеризующихся наличием крупных элементов пустотного пространства (трещины, каверны), исследования керна должны выполняться на образцах большого размера (с сохранением диаметра отобранного керна);
- при необходимости прямого определения по керну остаточной водонасыщенности (бурение на «безводной» промывочной жидкости) и остаточной нефтенасыщенности (бурение на промывочной жидкости с водной основой) требуется герметизация керна на скважине или использование при отборе керна герметизированных керноприемников.
В зависимости от решаемых задач геофизические исследования, результаты которых применяют для изучения технического состояния необсаженных скважин, подразделяют на две группы:
- общие для всех скважин, которые предусматривают определение пространственного положения и геометрического сечения стволов скважин с целью информационного обеспечения их безаварийного бурения и учета этих данных при оперативной и сводной геологической интерпретации материалов комплекса ГИС;
- специальные, предоставляющие информационное обеспечение для ликвидации предаварийных и аварийных ситуаций.
8.1.1. Общие исследования обеспечивают:
- определение пространственного положения ствола скважины по зенитному и азимутальному углам (инклинометрия) и установление соответствия траектории ствола проекту;
- определение среднего диаметра скважины (кавернометрия) и профиля поперечного сечения ствола скважины в двух ортогональных плоскостях (профилеметрия), выделение по этим данным желобов, каверн, сальников, шламовых и глинистых корок;
- измерение температуры и ее вертикального градиента в бурящихся и простаивающих скважинах.
8.1.2. Результаты общих исследований применяют для решения следующих задач:
- устранения потенциальной аварийности, связанной с возможными прихватами бурильного инструмента в желобах (достигается разрушением выявленных желобов, выделением интервалов и значений локальных перегибов оси скважины, изменением скоростей и технологии подъема и спуска бурильного инструмента в прихватоопасных интервалах);
- разработки мероприятий по улучшению проходимости бурильного инструмента и скважинных приборов по стволу скважины (изменение вязкости, водоотдачи, статического напряжения сдвига промывочной жидкости, промывка скважины с вращением бурильного инструмента, шаблонирование);
- определения фактического пространственного положения стволов вертикальных и наклонно направленных скважин и их корректировки в ходе дальнейшего бурения с целью достижения проектного положения;
- выбора мест установки центраторов, турболизаторов, цементировочного патрубка и башмака обсадной колонны и соединения ее секций;
- выбора интервалов установки опробователей и керноотборников на геофизическом кабеле и пакеров пластоиспытателей на трубах;
- расчета объема скважины для замены промывочной жидкости, планируемой заранее или вызванной изменением условий бурения, и объема затрубного пространства для проведения тампонажных работ;
- учета геометрии ствола при проведении аварийных работ, связанных с извлечением из скважины оборванных секций бурильного инструмента и посторонних предметов;
- получения исходных данных для интерпретации геофизических материалов: изменений диаметра скважины и температуры при обработке данных БКЗ, ГК, НК и др.; удлинения ствола и смещения забоя при построении объемных моделей разреза (сейсмоакустической, геоэлектрической, геоплотностной, геомагнитной) и залежей (геометрической, фильтрационной, флюидальной).
8.1.3. Комплекс общих исследований ограничен и включает инклинометрию, кавернометрию-профилеметрию и термометрию.
8.1.4. Этапы и интервалы общих исследований вертикальных и наклонных скважин определяются проектами на исследования скважин, но они должны выполняться не реже чем через 500 м проходки, а в медленно бурящихся параметрических, опорных и поисково-разведочных скважинах - не реже одного раза в месяц.
8.1.5. Исследования каверномером-профилемером и термометром выполняют каждый раз по всему открытому стволу скважины с полным перекрытием ранее исследованных интервалов.
8.1.6. При определении прихватоопасности ствола скважины вследствие образования желобов, сальников и осыпания вышезалегающих пород измерения каверномером-профилемером выполняют с применением устройств свободного вращения кабеля.
8.2.1. Специальные исследования предназначены для решения частных задач:
- выявления зон флюидопроявлений и поглощений промывочной жидкости;
- выделения интервалов залегания пород с высокими реологическими свойствами, подверженных быстрому и интенсивному размыву либо выпучиванию;
- выявления интервалов прихвата бурильного инструмента;
- определения положения и размеров металлических предметов, оставленных в скважине;
- наведения стволов специальных скважин, бурящихся для глушения фонтанов, с поиском геофизическими методами аварийного ствола;
- установки с помощью устройств (желонок), опускаемых на кабеле, разделительных и изоляционных мостов в стволе скважины.
В каждом конкретном случае время, интервалы и комплекс специальных исследований определяются поставленной задачей и геолого-технической ситуацией в скважине. Работы выполняют по технологиям, согласованным между недропользователем и производителем работ (геофизическим предприятием).
8.2.2. Приток в скважину пластовых вод и поглощения промывочной жидкости фиксируются буровой службой и станциями ГТИ по изменениям давления в гидравлической системе и выхода промывочной жидкости. Интенсивные водопроявления и поглощения обычно приурочены к трещинно-кавернозным и закарстованным карбонатным породам, реже к пластам песчаников большой толщины, характеризующихся аномально высокими пластовыми давлениями (АВПД) при водопроявлениях либо аномально низкими пластовыми давлениями (АНПД) при поглощениях. Последние, к тому же, вскрывают на неструктуированных (неглинистых) промывочных жидкостях во избежание гидроразрывов пластов при увеличении плотности промывочной жидкости.
Интервалы притоков и поглощений определяют по данным какого-либо одного или нескольких геофизических методов:
- высокочувствительной термометрии - по резкому изменению температурного градиента против отдающих и поглощающих пластов;
- ПС или резистивиметрии, - если жидкость в застойной зоне ниже интервала притока или поглощения обладает другой минерализацией, по сравнению с жидкостью выше этого интервала;
- механической или термокондуктивной расходометрии;
- акустического каротажа, если интервал притока или поглощения приурочен к трещинно-кавернозным и закарстованным породам;
- ГК - при продавливании в скважину жидкости, обогащенной короткоживущими изотопами.
8.2.3. Породы с высокими реологическими свойствами представлены пластичными, переувлажненными глинами, залегающими на небольших глубинах (400 - 600 м) на месторождениях Западной Сибири, а также глубокозалегающими (1000 - 3000 м) глинами с АВПД и толщами солей на месторождениях южной части России. Как правило, такие породы быстро и интенсивно размываются во время бурения скважин на облегченных и недостаточно структуированных промывочных жидкостях, образуя глубокие и протяженные каверны. В простаивающих и обсаженных скважинах размыв заменяется пластическим течением этих пород, их выпучиванием в ствол скважины. В обсаженных скважинах они воздействуют на обсадную колонну, изгибая и разрывая ее по одной из муфт на малых глубинах и сминая на больших.
Интервалы пород с высокими реологическими свойствами устанавливают по данным повторной кавернометрии-профилеметрии, фиксирующих появление глубоких и протяженных каверн, быстро увеличивающихся во времени. На материалах АК они характеризуются на малых глубинах минимальными в разрезе значениями скоростей продольной волны (максимальными значениями Dt), близкими к их значениям в промывочной жидкости, и максимальным затуханием этой волны. Это относится и к условиям, когда пластичные глины залегают среди других глин. На больших глубинах скорости распространения продольной и поперечной волн возрастают, а значения коэффициента Пуассона и модуля Юнга увеличиваются по сравнению с нормальными значениями этих величин на данной глубине.
В скважинах «старого фонда» измерения скоростей продольной и поперечной волн выполняют через обсадную колонну, применяя приборы с рабочей частотой излучателей, находящейся в диапазоне 8 - 10 кГц.
8.2.4. Участки прихвата бурильных труб в желобах, интервалах резкого перегиба оси скважины, вблизи забоя и на участках резких изменений диаметра скважины вследствие осыпания вышезалегающих пород устанавливают с целью выбора оптимальных методик ликвидации аварий.
Для определения места и интервала прихвата применяют электромагнитные и акустические прихватоопределители. Измерения дополняют записью локатора муфт (ЛМ) для контроля положений различных элементов компоновки бурильного инструмента.
8.2.4.1. Магнитный метод определения места прихвата основан на изменении магнитных свойств материала стальных труб при приложении к ним механической нагрузки (натяжения, разгрузки, скручивания). Его реализуют с помощью индукционных прихватоопределителей и индикаторов места прихвата (ИМП) при следующей последовательности выполнения операций:
- регистрируют контрольную (фоновую) кривую ИМП для выделения замковых соединений;
- в предполагаемом интервале прихвата или по всей бурильной колонне устанавливают через 10 - 20 м магнитные метки;
- регистрируют кривую ИМП с магнитными метками;
- прикладывают к колонне максимально возможные механические нагрузки (натяжение, разгрузки, скручивание) с целью снятия магнитных меток выше места прихвата;
- регистрируют кривую ИМП со снятыми метками;
- определяют верхнюю границу интервала прихвата по стиранию или уменьшению амплитуд магнитных меток в свободной от прихвата части колонны;
- для более точного определения верхней границы проводят второй цикл измерений ИМП с уменьшением расстояний между метками до 1 - 2 м.
Ограничения метода заключаются в возможности его применения только в стальных трубах, определении одной верхней границы интервала прихвата, снижении эффективности в сильно искривленных скважинах, в утяжеленных бурильных трубах и на больших глубинах вследствие плохого стирания магнитных меток.
8.2.4.2. Принцип действия акустического прихватоопределителя тот же, что и акустического цементомера. Изменение характеристик упругой волны, распространяющейся в бурильных (обсадных) трубах, при их обжатии горными породами и шламом такое же, как при цементировании труб: происходит отток в породы энергии волны, распространяющейся в колонне, и появление в волновом пакете колебаний продольной и поперечной волн, распространяющихся в горных породах.
Исследования акустическим прихватоопределителем колонны прихваченных бурильных труб выполняют по всей ее длине. Интервал прихвата находят, интерпретируя полученные данные по методике цементометрии. Преимущества метода заключаются в возможности выделения протяженности интервала прихвата независимо от типа труб и глубины скважины, а также в более высокой его оперативности.
8.2.5. Определение положений оставленных в скважине металлических предметов осуществляют с помощью электрических и электромагнитных методов, реагирующих на низкое удельное электрическое сопротивление (высокую электрическую проводимость) металла.
Электрические методы (стандартный каротаж, БК) применяют, если возможен непосредственный (хотя бы через слой промывочной жидкости) контакт измерительного зонда с предметом. Электромагнитные методы (ИК, определители металла - ОМ), - если предмет находится на каком-то небольшом (единицы метров) удалении от ствола скважины, например, в параллельном стволе, а также в скважинах, заполненных непроводящей жидкостью. Положение и размеры предмета устанавливают по резкому, не встречающемуся в горных породах, уменьшению зарегистрированных значений электрического сопротивления.
8.2.6. Наведение стволов специальных скважин, бурящихся для глушения фонтанов, ведется по результатам высокоточных инклинометрических измерений. При этом:
- для уменьшения случайной и систематической погрешностей измерения выполняют 2 - 3 приборами, спускаемыми порознь или в единой связке. Приборы заново калибруют перед каждым спуском и после подъема из скважины;
- привязку измерений к разрезу проводят обычным способом, принятым в районе работ, по материалам стандартного каротажа (ПС, КС), ГК, БК и др.
8.2.6.1. При приближении к аварийному стволу его поиск осуществляют методом акустической шумометрии, в том числе с применением высокочувствительных трехкомпонентных сейсмоприемников, и электромагнитными методами, выбор которых определяется наличием или отсутствием в аварийном стволе обсадной колонны и проводящей жидкости.
8.2.6.2. Работы выполняют по индивидуальным программам. Помимо скважинных исследований они могут включать детальную высокоразрешающую сейсмику и другие исследования.
Технологическая схема проведения общих и специальных исследований и контроль качества первичных данных, включая требования к комплексированию измерительных модулей, метрологическому обеспечению, регистрации первичных цифровых данных, оценке полноты выполнения комплекса и качества результатов измерений, соответствуют требованиям, изложенным в разделе 6.
8.4.1. Экспресс-обработку и интерпретацию данных общих и специальных исследований выполняют непосредственно на скважине. Окончательное заключение выдает интерпретационная служба геофизического предприятия.
8.4.2. По результатам общих исследований недропользователю передают заключение о наличии и интервалах развития желобов, сальников и сужений ствола, в том числе изменение их состояния по сравнению с предыдущими измерениями, поинтервально указывают коэффициент прихватоопасности, характеризующий отношение длинной и короткой осей желоба.
Заключение может содержать рекомендации недропользователю о работе с бурильным инструментом, включающие одновременно или врознь требования подъема инструмента с пониженной скоростью; недопущения больших затяжек; сбивания инструмента вниз при появлении затяжек и последующем медленном подъеме с одновременным вращением колонны ротором; оптимизации конструкции инструмента за счет уменьшения его диаметра и установки центраторов над утяжеленными бурильными трубами и др.
8.4.3. По результатам инклинометрических исследований недропользователю передают:
- данные поинтервальных измерений значений зенитных углов и азимутов с привязкой по глубине;
- план скважины, содержащий направления координатных осей, масштабы, точку устья скважины, проектное и фактическое положение забоя и расстояние между ними, смещение забоя, дирекционный угол или азимут направления «устье-забой»;
- профиль (аксонометрическую проекцию) скважины с указанием направления вертикальной координатной оси, масштаба, дирекционного угла или азимута вертикальной плоскости, на которую проектируется ось скважины, удлинение скважины.
8.4.4. Формы представления данных специальных исследований и результатов их интерпретации согласовывают с недропользователем.
Геофизические исследования технического состояния обсадных колонн и цементного камня в затрубном пространстве ведут в процессе строительства и эксплуатации скважин. Эти исследования подразделяют на:
- общие, выполняемые во всех скважинах;
- специальные, которые проводят только в скважинах, режим эксплуатации которых отличается от проектного или в которых возникли другие обоснованные предположения о нарушении целостности обсадной колонны и/или цементного кольца и, как следствие, герметичности затрубного пространства.
Технологическая схема проведения исследований и контроля качества первичных данных, включая требования к комплексированию измерительных модулей, метрологическому обеспечению, регистрации первичных цифровых данных, оценке полноты выполнения комплекса и качества результатов измерений, соответствует изложенной в разделе 6 настоящего РД.
9.1.1. Общие исследования предназначены для оценки целостности и несущей способности обсадной колонны и герметичности затрубного пространства как основных элементов скважины, обеспечивающих ее работоспособность в соответствии с запланированными технологическими нагрузками и выполнение природоохранных задач. Они включают измерения:
- размеров и положения в разрезе отдельных элементов обсадной колонны - труб, муфт, патрубков, цементировочного башмака, центраторов, турбулизаторов, - и соответствия положения этих элементов проектному и «мере труб»;
- толщин обсадных труб во вновь построенных и действующих скважинах;
- минимального и среднего проходного сечения труб;
- высоты подъема цементной смеси, степени заполнения затрубного пространства цементом и его сцепления с обсадной колонной и горными породами;
- наличия в цементе вертикальных каналов и интервалов вспученного (газонасыщенного) цемента;
- глубины и протяженности интервалов перфорации.
9.1.2. Комплекс общих исследований составляют гамма-каротаж (ГК) для привязки полученных данных к разрезу, локация муфт (ЛМ), акустическая цементометрия (АКЦ), гамма-гамма-цементометрия (ЦМ) или гамма-гамма-дефектометрия и толщинометрия (ГГДТ), термометрия (Т).
При наличии обоснованных предположений о неудовлетворительном состоянии обсадной колонны и цементного камня комплекс дополняют механической трубной профилеметрией, электромагнитной или акустической дефектометрией колонн, акустической высокочастотной сканирующей цементометрией (АК-сканирование).
9.1.3. Общие исследования проводят после спуска кондуктора, промежуточной (промежуточных) и эксплуатационной колонн по всей их длине.
9.1.3.1. Исследования термометрией для определения высоты подъема цемента (отбивка головы цемента - ОГЦ) ведут в первые 24 ч после окончания цементирования. Одновременно по величине температурных аномалий оценивают заполнение цементом каверн в стволе скважины.
9.1.3.2. Комплекс ГК, ЛМ, АКЦ, ЦМ или ГГДТ выполняют спустя 16 - 24 ч по окончании цементирования, полного схватывания цемента и разбуривания стоп-кольца.
9.1.3.3. Для выделения интервалов перфорации проводят гамма-каротаж (с целью привязки геофизических данных к глубине), локацию муфт и отверстий, термометрию. Термометрию необходимо проводить непосредственно после перфорации; с течением времени температурные аномалии расплываются.
9.2.1. Специальные исследования предназначены для решения частных задач, связанных с выделением дефектов обсадных колонн и цементного кольца, которые ставят под сомнение герметичность затрубного пространства. Они многочисленны и включают:
- обнаружение в теле обсадной колонны трещин, порывов, одиночных отверстий, негерметичных муфт, страгиваний муфт по резьбе;
- измерение толщин и выделение интервалов внутренней и внешней коррозии обсадных труб;
- определение интервалов напряженного состояния обсадных труб, обусловленного обжатием колонны породами с высокими реологическими свойствами,
- выделение локальных искривлений колонны и ее эллипсности, оценку целостности наружных колонн (технической, кондуктора);
- оценку положения и качества ремонтных пластырей;
- выделение заколонных перетоков жидкости и газа;
- оценку состояния внутриколонного пространства - определение интервалов гидратных, парафиновых и солевых отложений.
В каждом конкретном случае интервалы и комплекс специальных исследований определяются поставленной задачей. Исследования выполняют по индивидуальным проектам, согласованным между недропользователем и производителем работ.
Перечень задач и необходимых исследований может быть следующим:
9.2.2.1. Интегрально (в поперечном сечении) толщину труб измеряют методами гамма-гамма-толщинометрии и электромагнитной дефектоскопии; дифференцированно - с помощью акустического сканирования, а также механической трубной профилеметрии и многорычажной трубной профилеметрии.
9.2.2.2. Механическую трубную профилеметрию выполняют в двух режимах: непрерывной регистрации двух взаимно перпендикулярных диаметров и среднего диаметра труб и точечной детализационной регистрации отклонения каждого измерительного рычага.
Непрерывную запись ведут по всей колонне с целью выбора участков детализационных работ.
Детализационные измерения проводят в интервалах увеличения одного из двух измеряемых диаметров, изменений внутреннего диаметра труб и в местах локального искривления скважины. В зависимости от протяженности дефектного интервала расстояние между точками детализации может изменяться от 0,1 до 1 м.
9.2.2.3. Электромагнитную дефектоскопию также выполняют в режимах непрерывной и точечной детализационной записи. Износ определяется по увеличению расстояния от оси прибора до стенки скважины.
9.2.3. Выделение порывов и протяженных (более 8 - 10 см) трещин наружных труб в многоколонных конструкциях осуществляют с помощью электромагнитной дефектоскопии. Влияние внутренней колонны учитывают по результатам гамма-гамма-толщинометрии, механической трубной профилеметрии и акустического высокочастотного сканирования, выполненных по п. 9.2.2.
9.2.4. Выделение одиночных сквозных отверстий диаметром более 8 мм, возникших в результате развития пятен коррозии, случайной или запланированной (например, ремонтной) перфорации, отверстий, выполненных сверлящим перфоратором, а также разнонаправленных трещин колонны, муфт, по которым проходит страгивание резьбы, достигается с помощью акустического высокочастотного сканирования и механической шумометрии, при которой регистрируют шумы от трения о колонну подрессоренных щупов скважинного прибора.
Характер отверстия (сквозное или глухое) определяют одним или комплексом методов, реагирующих на приток (отток) в скважину пластовых флюидов: термометрией, резистивиметрией, акустической шумометрией.
9.2.5. Повышенное напряжение материала колонны, вызванное обжатием обсадных колонн породами с высокими реологическими свойствами и являющееся предвестником потенциального разрушения колонны, определяют по данным широкополосного акустического каротажа, термометрии и непрерывной инклинометрии.
Требования к данным широкополосного АК различны при выделении интервалов напряженного состояния колонны и пород на больших и малых глубинах. На больших глубинах основную информацию предоставляют скорости распространения продольной и поперечной волн, значения которых используют для расчета упругих параметров колонны и горных пород и определения градиентов их изменения с глубиной. На малых глубинах интервалы напряженного состояния обсадной колонны обусловлены ее обжатием глинами, переходящими в подвижное состояние при поступлении в них избыточной воды. Интервалы обжатия характеризуются большим затуханием упругой волны, распространяющейся в обсадной колонне, вследствие обжатия колонны породами и оттока энергии этой волны в породы, а также большим затуханием волн, регистрируемых через колонну в породах.
Дополнительные сведения предоставляют данные термометрии (если поток подвижных глин характеризуется другой, по сравнению с вмещающими породами, температурой) и непрерывной инклинометрии, разрешающая способность которой достаточна для определения локальных изгибов колонны.
9.2.6. Негерметичные муфты и другие места поглощения жидкости в колонне определяют по данным термометрии, дебитометрии и резистивиметрии.
Аномалии на кривых термометрии и дебитометрии устанавливают в процессе долива скважины или кратковременных закачек жидкостей в скважину; при этом устанавливают нижнюю границу участка колонны, в котором отмечается движение жидкости.
С помощью резистивиметрии интервалы поглощения находят, контролируя процесс перемещения по стволу скважины порции (0,5 - 1 м3) жидкости, близкой по плотности к жидкости, первоначально заполнявшей скважину, но существенно отличающейся от нее по электрическому сопротивлению. Продвижение жидкости осуществляется последовательными доливами или принудительными закачками продавочной жидкости.
Притоки жидкости в скважину устанавливают теми же методами - термометрии, дебитометрии и резистивиметрии.
9.2.7. Выделение интервалов затрубного движения жидкости и газа проводят по данным термометрии (по локальным изменениям температуры, форма которых зависит от движения флюида сверху вниз или наоборот), акустической шумометрии (спектр шумов существенно различен для заколонных перетоков жидкости и газа) и закачки в скважину жидкостей, обогащенных искусственными изотопами.
9.3.1. Обработку и экспресс-интерпретацию данных общих и специальных исследований выполняют непосредственно на скважине; полную интерпретацию и выдачу окончательного заключения производит интерпретационная служба геофизического предприятия по месту ее базирования.
9.3.2. По результатам каждого общего исследования недропользователю передается заключение о положении в разрезе (с привязкой по ГК) муфт обсадной колонны, длине и толщине каждой обсадной трубы, высоте подъема цементной смеси за колонной, полноте заполнения затрубного пространства цементом и степени его сцепления (сплошное, частичное, отсутствует) с обсадной колонной и породами.
9.3.3. Твердые копии результатов измерений должны содержать:
- кривую ЛМ;
- для АКЦ - кривую эффективного затухания (aк) волны, распространяющейся по колонне; кривые интервального времени (Dtр) и затухания (aр) продольной волны, распространяющейся в породе; фазокорреляционные диаграммы для измерительного зонда, длина которого близка к 1,5 м; характеристику сцепления цемента с обсадной колонной и породами, показанную условными обозначениями;
- для гамма-гамма-дефектометрии и толщинометрии - кривые селективных каналов дефектометрии; интегральную кривую дефектометрии со шкалой плотности цемента в затрубном пространстве или отдельную кривую плотности цемента; кривую толщинометрии;
- кривую термометрии с указанием высоты подъема цемента.
9.3.4. Результаты интерпретации специальных исследований должны содержать конкретный ответ (положительный или отрицательный) на поставленную задачу исследований.
10.1.1. Испытание пластов приборами на кабеле обеспечивает:
- многоразовое испытание за одну спускоподъемную операцию отдельных участков пласта с целью определения его фильтрационных характеристик и измерения пластовых давлений - гидродинамический каротаж (ГДК);
- одноразовый отбор из проницаемого интервала герметизированной пробы пластового флюида и ее подъем на дневную поверхность для определения характера насыщенности пласта - опробование пластов приборами на кабеле (ОПК).
При проведении этих испытаний на стенке скважины изолируют с помощью резинового башмака участок радиусом 1,5 - 2,5 см, вследствие чего испытание и отбор проб называют точечными.
10.1.1.1. В режиме ГДК из пласта под воздействием максимальной депрессии вызывают приток флюида, который последовательно заполняет при фиксированных депрессиях три секции пробоприемной камеры. Одновременно, на поверхности ведут регистрацию изменения давления на всех трех этапах заполнения камеры, вплоть до полного восстановления пластового давления, после чего отобранная проба «сбрасывается» в общий пробосборник. Количество участков, исследованных таким образом за одну спускоподъемную операцию, изменяется от 10 до 30, в зависимости от проницаемости исследуемых пород.
В многоцикловом режиме ГДК проводят 2 - 4 повторных исследования в одной точке без отрыва скважинного прибора от стенки скважины с целью определения характера насыщенности коллектора.
10.1.1.2. В режиме ОПК флюид последовательно заполняет пробосборник и секционированную пробоприемную камеру, каждая секция которой заполняется при своем фиксированном давлении, как и в режиме ГДК. Процесс притока с изменяющимся давлением и восстановлением его до пластового записывают на диаграмме давления; отобранную герметизированную пробу поднимают на дневную поверхность.
В случае глубоких зон проникновения производят в одной точке без отрыва прибора от стенки скважины отбор 2 - 3 проб пластовых флюидов, размещая их в разных камерах пробосборника.
10.1.2. Испытание пластов приборами на кабеле применяют для решения следующих задач:
- установления возможности получения из пород притоков;
- определения характера насыщенности пластов;
- исследования состава и свойств пластовых флюидов;
- определения гидростатического и пластового давлений;
- уточнения границ разделов между различными флюидами в пласте (ВНК, ГНК, ГВК);
- определения эффективных толщин пластов;
- определения скоростей притоков, проницаемости пород и профилей проницаемости по разрезу.
Результаты испытаний используют для принятия решений о проведении дополнительных испытаний пласта пластоиспытателем на бурильных трубах, о спуске обсадной колонны, уточнения граничных значений и критериев для интерпретации данных обязательного комплекса ГИС и других целей.
10.1.3. Работы по испытанию пластов приборами на кабеле проводят после обязательного комплекса ГИС с целью исключения неоднозначной геологической интерпретации данных комплекса ГИС в пластах с низкими фильтрационно-емкостными свойствами, определения положений межфлюидных контактов и пластовых давлений в продуктивных интервалах.
10.1.4. Технология проведения работ включает стандартные операции заполнения заголовка, калибровки датчиков скважинного прибора, оценку качества полученных материалов, которые выполняют согласно требованиям раздела 6, и операции, специфичные для данного метода.
10.1.4.1. Выбор интервалов и глубин испытаний зависит от решаемых геологических задач и особенностей строения геологического объекта:
- для выделения коллекторов методом ГДК исследуют весь предполагаемый коллектор от подошвы до кровли с шагом от 0,2 м до 1 м в зависимости от его толщины. Коллекторы выделяют по наличию притоков из исследованных участков пласта;
- для установления граничных значений геофизических параметров, необходимых для выделения коллекторов по количественным критериям, в интервал испытаний включают участки пласта, характеризующиеся различными геофизическими характеристиками, в том числе заведомо непроницаемые участки, и проводят их испытания из расчета три точки на участок. Сопоставляя характеристики ГИС с результатами испытаний (приточные, неприточные «точки»), устанавливают граничные значения геофизических параметров;
- измерения пластовых давлений при наличии зон АВПД или АНПД в одновременно эксплуатируемых многопластовых залежах, при неравномерной выработке запасов с применением систем заводнения и прорывах нагнетаемых вод выполняют в пределах всех проницаемых интервалов последовательно снизу вверх;
- для оценки характера насыщенности коллекторов толщиной более 4-х метров пласт исследуют первоначально в режиме ГДК с шагом 0,5 - 1 м от подошвы к кровле, далее среди исследованных участков выбирают наиболее проницаемые, по одному в подошвенной, кровельной и центральной частях пласта. После этого в режиме ОПК испытывают участок в подошвенной части пласта. Если из него получена проба нефти или газа без признаков пластовой воды, то пласт относят к продуктивному. При наличии в пробе пластовой воды последующим спуском опробуют кровельную часть пласта. Если при этом будет установлено наличие пластовой воды, то пласт считается водоносным. Если в кровельной части пласта получены нефть или газ, а в подошвенной - вода, то последующими опробованиями в переходной зоне уточняют положение межфлюидного контакта;
- при определении межфлюидного контакта первоначально устанавливают его положение по данным ГИС или с использованием другой информации (например, по гипсометрическому положению контакта и кровли пласта). Первая точка испытания должна соответствовать глубине предполагаемого контакта. Если получена проба нефти или газа, то следующую точку ОПК намечают на 2 м ниже; если в пробе присутствует вода, то на 2 м выше. Если в новой точке испытания смена флюида не наблюдается, то процедура повторяется снова с интервалом в 2 м и так далее до смены флюида или получения смеси воды и углеводородов. Определение положения контакта, когда расстояние между участками с разным характером насыщенности составляет менее 2 м, проводят последующими опробованиями снизу вверх с шагом 0,5 м до первого появления в пробе углеводородов;
- определение проницаемости в точках пласта, исследованных методом ГДК, осуществляют по зарегистрированным кривым давления. Если по результатам исследований изменения давления не зарегистрированы, участок считается непроницаемым. (При отсутствии сведений о вязкости флюида вычисляется параметр подвижности флюида в пласте - knр/µ).
10.1.4.2. Отбивка газожидкостного контакта при значительной толщине продуктивной части пласта возможна измерением пластовых давлений в предполагаемой переходной зоне методом ГДК. Исследуемые участки выбирают в проницаемых пластах выше и ниже предполагаемого контакта так, чтобы в каждой зоне было исследовано не менее 5 равномерно расположенных точек. Определение контакта проводят по изменению градиента пластового давления.
10.1.4.3. Предполагаемые нефтеносные пласты испытывают после водоносных и газоносных, чтобы не исказить результаты испытаний возможным загрязнением прибора нефтью. При недостатке времени или в условиях осложненной скважины пласты, представляющие наибольший интерес, испытывают в первую очередь.
10.1.4.4. Регистрацию и документирование операций, выполненных при испытаниях, включая контроль нуль- и стандарт-сигналов, проводят при каждом спуске прибора в скважину. Кривые давления на каждой точке испытаний записывают в отдельный файл.
10.1.4.5. Перед отбором проб проводят проработку скважины и шаблонирование интервала испытаний скважинным прибором. При шаблонировании, как и при последующих спусках, не допускаются резкие торможения прибора, пробивание им уступов и сальников, удары о забой.
10.1.4.6. Первой отбирается контрольная проба промывочной жидкости в интервале испытаний, для чего прибор опускают без герметизирующего элемента и прижимного устройства и выполняют обычные операции по одноразовому отбору пробы. Если интервалы испытаний удалены друг от друга более чем на 100 м, отбор контрольных проб проводят в каждом из них.
10.1.4.7. Продолжительность отбора одной пробы ограничивается временем стояния на притоке, допустимым для данного технического состояния скважины. В осложненных скважинах во избежание прихвата прибора продолжительность отбора не должна превышать 3 - 5 минут, а основной объем испытаний следует проводить в режиме ГДК с вызовом притока в малую камеру.
В уплотненных породах без глинистых корок, проницаемость которых менее 10-3 мкм2, продолжительность отбора увеличивают до 20 - 40 минут, если это позволяет техническое состояние ствола скважины (отсутствует залипание геофизического кабеля в интервалах разреза, залегающих выше исследуемого).
10.1.4.8. При отказе прибора или попадании промывочной жидкости в прибор из-за некачественной герметизации участка отбора пробы опробование повторяют, смещая прибор на 0,2 - 1 м вверх или вниз от каверны, а если по каротажу каверны не отмечаются - на 0,2 - 0,3 м в любую сторону.
10.1.4.9. При опасности прихвата следует расхаживать кабель во время испытаний. Для этого на кабеле у барабана лебедки устанавливают контрольную метку и периодически спускают, а затем поднимают до метки несколько метров кабеля.
10.1.4.10. После прекращения испытания проверяют не прижат ли прибор к стенке скважины, для чего вначале опускают в скважину 0,5 - 1 м кабеля и далее медленно (со скоростью не более 150 м/ч) выбирают 2 - 3 м кабеля. Если натяжение кабеля не изменяется, то проводят подъем прибора с обычной скоростью (см. пп. 6.3.6.6).
Увеличение нагрузки по датчику натяжения свидетельствует о залипании геометизирующего башмака скважинного прибора или о прихвате прибора. Залипание башмака в глинистую корку обычно ликвидируется при натяжении 5000 - 6000 Н (500 - 600 кгс). Увеличение нагрузки до значения разрывной прочности кабеля вызвано залипанием кабеля или прихватом скважинного прибора. Его ликвидируют согласно требованиям подраздела 28.7.
10.1.4.11. Отбор газа и жидкости из пробосборника скважинного прибора проводят сразу после подъема прибора и замера в нем давления с помощью приспособлений и газосборников, входящих в комплект аппаратуры, с соблюдением приемов, изложенных в эксплуатационной документации.
10.1.5. Информация об испытаниях пластов приборами на кабеле включает:
- сведения о составе проб ОПК (наличие воды, нефти и газовоздушной смеси), физических свойствах воды (плотность, вязкость, удельное электрическое сопротивление) и газовоздушной смеси (суммарное содержание горючих газов и их компонентный состав). Экспресс-анализ проб жидкости и газовоздушной смеси выполняют на скважине с помощью станции ГТИ; детальный анализ флюидов проводят в стационарных условиях;
- результаты обработки файлов с записью диаграмм давления ГДК и ОПК и расчета для трех фиксированных перепадов давлений значений пластовых давлений и коэффициентов проницаемости (подвижности), а для многоцикловых измерений - значений этих величин еще и для каждого цикла;
- профили пластового давления, притоков и проницаемости пород для исследованного интервала.
10.1.6. Интерпретация результатов обработки диаграмм давления заключается в обобщении данных о пластовых давлениях, скоростях притока и проницаемости (подвижности) для каждой точки исследований и для исследованного интервала в целом:
- для режима ОПК рассчитанные значения давления, скорости притока и проницаемости принимают за окончательные;
- для режима ГДК анализируют результаты обработки в точках, где они выполнены в многоцикловом режиме. Сначала проводят сопоставление значений давлений, соответствующих конечным участкам стабилизации на кривых восстановления давления. Если эти значения не изменяются от цикла к циклу, то пластовое давление равно рассчитанному; если изменяются, - то в качестве пластового давления принимают рассчитанное давление с уверенной стабилизацией участка восстановления давления.
10.1.6.1. Одновременно в точках, в которых выполнены исследования в многоцикловом режиме, сопоставляют значения скоростей притоков в разных циклах и прослеживают тенденцию их изменения. В нефтенасыщенных пластах при наличии зоны проникновения первые циклы испытания будут соответствовать поступлению фильтрата, а последующие - смеси фильтрата с нефтью. За счет большей вязкости нефти, по сравнению с вязкостью фильтрата, значения скоростей притоков на последних циклах должны уменьшаться. В газонасыщенных пластах с зоной проникновения будет наблюдаться обратная картина за счет меньшей вязкости пластового газа. В водоносных пластах из-за близости значений вязкости фильтрата и пластовой воды значения скоростей притоков от цикла к циклу не изменяются.
10.1.6.2. Проницаемость пород на любой депрессии при прочих равных условиях является функцией вязкости поступающего из пласта флюида. Наиболее полно фильтрации однофазной жидкости удовлетворяет значение проницаемости, соответствующее притоку фильтрата при наименьшей депрессии на втором - третьем циклах. Данное значение принимают за проницаемость исследованной точки. Для одноцикловых измерений за окончательные значения проницаемости принимают те, которые рассчитаны при заполнении третьей камеры прибора.
10.1.7. Результаты испытаний оформляют актом, составной частью которого является набор таблиц (приложение Л). Таблица результатов экспресс-анализа проб включается в акт, если анализ проб проведен на скважине.
10.1.8. Результаты обработки и интерпретации данных гидродинамических исследований пластов и отбора проб флюида представляют в виде заключения, которое включает итоговую таблицу и, по согласованию с недропользователем, графический планшет.
В итоговой таблице приводят информацию об интервалах залегания исследованных объектов, глубинах точек опробования, значениях гидростатического и пластового давлений в них, данные о дебитах и проницаемости, характере насыщенности по диаграммам давления и результатам детальных анализов проб, выполненных в стационарных условиях, результаты определения положений межфлюидных контактов.
На графическом планшете данные обработки и интерпретации приводят в сочетании с наиболее информативными по характеру насыщенности и фильтрационным свойствам кривыми ГИС (приложение М). При наличии данных испытаний с помощью ИПТ или в процессе пробной эксплуатации их также помещают на планшете.
10.2.1. Отбор образцов пород сверлящими керноотборниками (СКО) выполняют при низком выносе керна колонковыми долотами для получения данных о литолого-петрофизических, физических и коллекторских свойствах пород. Для решения задачи производят отбор 2 - 5 образцов пород на 1 м толщины коллектора, а также по 2 - 3 образца из выше- и нижезалегающих вмещающих пород.
Отбор образцов пород проводят также с целью устранения неоднозначной геологической интерпретации материалов обязательного комплекса ГИС. Для этого из каждого пласта с неоднозначными результатами интерпретации отбирают 2 - 3 образца для экспресс-определений литологического состава пород, их остаточной нефтенасыщенности, коллекторских свойств и структуры порового пространства.
10.2.1.1. Благоприятные условия отбора образцов достигаются в вертикальных и слабонаклонных (не более 40°) скважинах глубиной до 5000 м и диаметром 190 - 216 мм, заполненных промывочной жидкостью с вязкостью не более 60 с и водоотдачей не более 12 см3/30 мин.
10.2.1.2. Отбор образцов не ведут в сильнонаклонных и горизонтальных скважинах, на высоковязких промывочных жидкостях (с вязкостью более 80 с), при наличии на стенках скважины глинистых и шламовых корок толщиной более 20 мм, в кавернах.
10.2.2. Отбор образцов производят после выполнения обязательного комплекса ГИС, по данным которого устанавливают интервалы и количество отбираемых образцов.
10.2.3. Подготовка приборов СКО в стационарных условиях заключается, помимо требований раздела 6, в полной ревизии приборов (см. подраздел 23.2) и выборе буровых коронок, соответствующих механическим и абразивным свойствам пород, из которых намечен отбор образцов.
10.2.3.1. Выбор буровых коронок осуществляют следующим образом:
- твердосплавные коронки ТСК35/22 применяют для бурения малоабразивных пород низкой и средней твердости (мягкие известняки, глинистые сланцы, песчаники с глинистым цементом, мергели, алевролиты и др.);
- коронки ССК35/22 применяют для бурения пород средней твердости и твердых, абразивных (известняки твердые, полимиктовые песчаники, доломиты);
- алмазные коронки АСК35/22 применяют для бурения твердых и крепких высокоабразивных горных пород (песчаники кварцевые мелкозернистые плотные, известняки окремнелые, доломиты и др.).
10.2.4. Отбор образцов горных пород из стенок скважин проводят в следующей последовательности:
10.2.4.1. Проводят промывку скважины для снятия глинистых и шламовых корок, образующихся против коллекторов.
- записывают привязочную кривую (ПС, ГК, БК и др.), дифференцирующую разрез, в том масштабе, что и ранее зарегистрированная кривая, на которой отмечены глубины отбора образцов пород;
- на геофизический кабель наносят надежно видимую контрольную метку, соответствующую глубине спуска прибора в заданный интервал;
- сопоставляют конфигурацию привязочной кривой с ранее зарегистрированной кривой, с которой переносят положения отметок глубин, на которых намечен отбор образцов;
- определяют разность между длиной измерительного зонда привязочной кривой (от кабельного наконечника до точки записи) и длиной керноотборника (от кабельного наконечника до бура);
- с учетом полученной разности длин наносят на привязочную кривую контрольную линию, соответствующую местоположению керноотборника на глубине контрольной метки, установленной на кабеле;
- отсчитывают по привязочной кривой в масштабе глубин расстояния от линии контрольной метки до намеченных точек глубин отбора и навязывают на кабеле метки, которые будут соответствовать точкам отбора образцов;
- при записи контрольной кривой масса скважинного прибора должна быть близкой к массе керноотборника; метки выставляют при подъеме прибора.
10.2.4.3. Подготавливают скважинный прибор и наземные панели к работе:
- проверяют правильность подсоединения жил кабеля к силовой и измерительной линиям и работоспособность керноотборника на поверхности;
- проводят регулировку штока гидроаккумулятора энергии соответственно глубине отбора образцов и гидростатическому давлению в исследуемом интервале;
- устанавливают выбранную буровую коронку.
10.2.4.4. Прибор опускают в скважину со скоростью не более 5000 м/ч.
10.2.4.5. Отбор образцов производят по схеме снизу-вверх.
Если за одну спускоподъемную операцию необходимо отобрать образцы с разными прочностными и абразивными свойствами, то сначала отбирают песчаники, а затем образцы карбонатных пород. Рыхлые песчаники отбирают по одному образцу за спуск во избежание их разрушения.
Эффективность отбора образцов существенно зависит от толщины глинистой корки, образующейся против коллекторов. Глинистая корка уменьшает длину отбираемых образцов, увеличивает длительность отбора, резко снижает производительность операций и качество отобранных образцов. Если толщина глинистой корки превысит 1 см, требуется повторная проработка скважины.
10.2.4.6. После отбора образцов производят подъем керноотборника на поверхность, извлекают образцы из приемной кассеты и раскладывают их в индивидуальные упаковки, проводят описание, упаковку и транспортировку образцов для исследований в стационарных условиях.
10.2.5. Результаты скважинных работ оформляют актом, форма которого представлена в приложении Н.
11.1.1. Горизонтальными принято называть скважины, ствол или часть ствола которых имеют углы наклона в вертикальной плоскости (зенитные углы) от 56° наклоннопадающих участках и до 110° на инверсионных.
Горизонтальные скважины (ГС) делятся на собственно горизонтальные скважины, когда наклонный и горизонтальный участки являются продолжением обычных вертикальных скважин, и боковые горизонтальные стволы, бурение которых ведут из стволов ранее пробуренных скважин.
По радиусу кривизны участка набора зенитного угла ГС подразделяются на скважины большого, среднего и малого радиусов кривизны (таблица 4).
По конфигурации профиля ГС делятся на трехинтервальные, которые включают вертикальный участок, участок набора зенитного угла, горизонтальный участок, и пятиинтервальные, состоящие из участков вертикального бурения, набора зенитного угла (угол меньше, чем у трехинтервальных скважин), прямолинейного наклонного, еще одного участка набора зенитного угла и горизонтального.
11.1.2. Технологии и комплексы геофизических исследований горизонтальных скважин определяются несколькими обстоятельствами, присущими только этим скважинам:
Таблица 4 - Характеристики и назначение горизонтальных скважин
|
Участок набора кривизны |
Диаметр скважины, мм |
Протяженность горизонтальной части ствола, м |
Назначение скважин |
||
|
Радиус кривизны, м |
Интенсивность искривления, градус/10 м |
||||
|
Большого радиуса кривизны |
300 и более |
1 - 1,5 |
195 - 220 |
600 - 2500 |
Добыча углеводородов в зонах шельфа, с морских платформ, в экологически закрытых и труднодоступных районах |
|
Среднего радиуса кривизны |
50 - 290 |
2,5 - 4 |
120 - 220 |
450 - 2500 |
Повышение нефтеотдачи, интенсификация добычи, вовлечение в разработку трудноизвлекаемых запасов |
|
Малого радиуса кривизны |
6 - 40 |
5 - 10 |
120 - 150 |
90 - 300 |
Бурятся из обсаженных скважин старого фонда для вовлечения в разработку трудноизвлекаемых запасов |
- специфическими технологиями доставки геофизических приборов в горизонтальные участки скважин;
- проведением исследований сборками скважинных приборов (модулей);
- малым диаметром скважинных приборов, обусловленным спуском их через бурильный инструмент;
- необходимостью обеспечения изгиба сборок на участках набора зенитного угла;
- решением навигационных задач проводки скважин на сильно наклонных и горизонтальных участках непосредственно в процессе их бурения;
- решением задач оценки коллекторских свойств и насыщения пород, когда глубинность исследований может превышать толщину пласта на горизонтальных участках.
11.2.1. По способу доставки геофизических приборов (сборок) на забой ГС применяют следующие технологии:
- потоком промывочной жидкости внутри бурильного инструмента;
- в специальном контейнере, размещенном в последней трубе бурильного инструмента или НКТ;
- посредством движителя на геофизическом кабеле;
- с помощью специального жесткого геофизического кабеля;
- с помощью колонны специальных труб, содержащих внутри кабельный канал связи.
11.2.1.1. В первом способе стандартные приборы ГИС (обычно сборки модулей радиоактивного каротажа и инклинометрии) опускают на геофизическом кабеле через лубрикатор внутрь бурильной колонны, спущенной на забой скважины, предварительно смонтировав на устье лубрикатор. Под действием собственной массы сборка опускается до участка, зенитные углы наклона которого достигают 50 - 60°. Затем герметизируют лубрикатор сальниковым устройством и осуществляют дальнейшее продвижение сборки к забою потоком промывочной жидкости. Геофизические измерения проводят внутри бурильных труб.
Полученные данные используют для контроля траектории скважины в процессе бурения и привязки ствола скважины к проектному разрезу. Измерения выполняют сразу после окончания «долбления», но чаще всего для получения полноценных данных инклинометрии в скважину опускают инструмент с немагнитными легкосплавными бурильными трубами.
11.2.1.2. Доставку стандартных геофизических приборов (сборки приборов), размещенных в специальном защитном контейнере с отверстиями, производят, закрепив контейнер на последней трубе бурильного инструмента или НКТ - технология «Горизонталь-1». Для разных методов исследований корпус контейнера может быть выполнен из различных материалов: для радиоактивных методов - из стали или легких бурильных труб (ЛБТ), для инклинометрических измерений - из стеклопластиковых труб или ЛБТ, для электрических - из непроводящего материала на основе стекловолокна или полиэтилена высокого давления.
Бурильный инструмент с закрепленным контейнером опускают в скважину на глубину, на которой зенитный угол достигает 50 - 60°. Затем внутрь инструмента опускают на кабеле скважинные приборы (инклинометрии, ГК, НК, ИК, БК, КС, ПС) до их посадки на нижнюю заглушку контейнера. На верхнюю бурильную трубу навинчивают специальный переводник с пазом, в который укладывают геофизический кабель. Кабель закрепляют на переводнике специальным зажимом, после чего на переводник навинчивают очередную бурильную трубу. При этом геофизический кабель выше переводника остается снаружи трубы, где его закрепляют специальными защитными кольцами для предотвращения повреждений. Все дальнейшие перемещения контейнера в скважине производят при синхронной работе буровой бригады и машиниста каротажного подъемника.
11.2.1.3. Спуск сборки стандартных геофизических приборов в скважину на геофизическом кабеле осуществляют также посредством массового «движителя», для чего непосредственно над сборкой на кабель нанизывают и закрепляют полиэтиленовые трубки, длина которых равна длине сильно наклонного и горизонтального участков, а сверху трубок закрепляют «движитель» расчетной массы - несколько УБТ или НКТ - технология «Горизонталь-4». Другим «движителем» является гидравлический (механический) «движитель» «Well Tractor». Под действием «движителя» сборка приборов проталкивается на горизонтальный участок скважины.
Модернизацией описанной технологии является технология «Горизонталь-5», в которой для снижения массы «движителя» используют специальные жесткие толкатели, одновременно выполняющие роль поплавков.
11.2.1.4. Технология доставки скважинных приборов на забой горизонтальных скважин с помощью специального жесткого геофизического кабеля рассчитана на применение сборок стандартных приборов. Ее применяют в наклонных и горизонтальных скважинах с длиной горизонтальной части до 300 м. При большей длине горизонтального участка спуск приборов ведут через бурильные трубы, не дошедшие до забоя на 100 - 300 м; затем трубы приподнимают на очередные 50 - 100 м и повторяют исследования и т.д.
Данную технологию рекомендуется использовать для проведения ГИС в боковых горизонтальных стволах.
11.2.1.5. Технология доставки скважинных приборов с усиленными по прочности кожухами с помощью колонны специальных труб, аналогичных бурильным трубам, применяемым при электробурении, и содержащим внутри кабельный канал связи.
11.2.2. Горизонтальные скважины исследуют также автономными скважинными приборами без применения геофизического кабеля. Автономные приборы в вибро- и ударопрочном исполнении размещают в теле одной или нескольких бурильных труб, закрепленных в нижней части бурильного инструмента (технологии АМК «Горизонт», АМК ВИК ПБ), или внутри инструмента, выталкивая их из инструмента на время проведения исследований (технология АМАК «Обь»).
11.2.2.1. Технология аппаратурно-методического комплекса «Горизонт» обеспечивает исследования горизонтальных скважин сборкой автономных скважинных приборов (модулей), спускаемых в составе бурильной колонны. Комплекс позволяет одновременно измерять и регистрировать на автономные носители данные зондов ГК, НГК, КС (три симметричных четырехэлектродных градиент-зонда A10,8M10,25N10,8B1, A20,8M20,25N20,8B2 и A31,85M30,25N31,85B3), ПС и инклинометрии.
Модули комплекса «Горизонт», помимо стандартных требований к геофизическим приборам, удовлетворяют также требованиям, предъявляемым к бурильным трубам, и имеют ряд специфичных особенностей:
- скважинные приборы выдерживают осевую нагрузку до 15 - 20 т и значительные изгибающие нагрузки;
- обеспечивают промывку скважины с расходом промывочной жидкости до 40 л/с;
- для привязки информации по глубине скважины используется глубиномер, измеряющий перемещения бурильной колонны;
- питание скважинных приборов включается в заданный момент времени после спуска приборов в интервал исследований;
- в аварийных ситуациях обеспечивается извлечение из скважины источника нейтронов, установленного в верхней части скважинного прибора, с помощью овершота, спускаемого на геофизическом кабеле внутри бурильной колонны.
Измерительные зонды геофизических модулей комплекса «Горизонт» отличаются от зондов приборов, опускаемых на кабеле, длиной зондов, диаметрами преобразователей, зазорами между преобразователями и стенками скважины. Для них разработаны свои средства метрологического и методического обеспечения (основные зависимости между измеряемыми кажущимися и расчетными подлинными значениями геофизических параметров, учет влияния условий измерений и вмещающих пород). Первичную и периодические калибровки зондов выполняют в стационарных условиях с помощью специальных средств согласно требованиям эксплуатационной документации.
11.2.2.2. Аппаратурно-методический автономный комплекс АМАК «Обь» обеспечивает доставку на забой скважины сборки автономных приборов (модулей) ПС, ГК, НК, БК и ИК, которые оснащены индивидуальными источниками автономного питания (аккумуляторами) с преобразователями напряжения, блоками управления и регистрации информации. Модули содержат измерительные зонды, аналогичные зондам приборов, спускаемых на геофизическом кабеле. К ним применимы те же требования метрологического и методического обеспечения. Технологический модуль сборки содержит датчики давления и температуры.
Сборку модулей, соединенных последовательно, устанавливают внутри бурильных труб и фиксируют в своей верхней части специальным замковым соединением. В верхней части сборки установлен сферический поршень, предназначенный для выталкивания сборки из бурильных труб с помощью штока обратного хода.
После спуска колонны труб на забой включают циркуляцию промывочной жидкости, в результате чего за счет перепада давления сборка приборов освобождается из замка и с помощью сферического поршня и штока обратного хода выталкивается из труб. В этот момент датчик давления включает питание скважинных приборов. Геофизические данные измеряются и регистрируются в автономных блоках памяти каждого модуля в процессе подъема колонны бурильных труб. Одновременно на поверхности земли измеряют с помощью специального глубиномера и регистрируют в памяти компьютера все перемещения колонны и скважинных приборов в функции времени. После подъема на поверхность информацию с приборов переписывают в компьютер, редактируют, совмещают с информацией от глубиномера и выводят в виде кривых.
В вертикальных и слабонаклонных (до 56°) участках ствола горизонтальных скважин выполняют комплекс ГИС, предусмотренный для необсаженных вертикальных скважин (см. раздел 7). При проведении исследований горизонтальных участков приборами, размещенными в бурильных трубах или в защитном контейнере, вертикальные участки исследуют дважды: без контейнера и с контейнером с целью количественных определений влияния труб и защитного контейнера на результаты измерений.
11.3.2. Этапы и интервалы исследований определяются технологией бурения и априорной информацией, имеющейся по разбуренным интервалам:
- бурение скважины ведут при непрерывном контроле положения забоя с использованием инклинометра, размещенного в компоновке бурильного инструмента. В других случаях объем исследований расширен за счет измерительных зондов ГК и БК. Передачу данных осуществляют с помощью кабельных телеметрических систем с сухим или влажным соединением разъемов или бескабельных забойных систем с гидравлическим или электромагнитным каналом связи. Измерения и регистрацию данных выполняют службы бурения и ГТИ;
- для привязки положения текущего забоя к геологическому разрезу на наклонных участках через каждые 50 - 70 м проходки проводят привязочный каротаж (ГК, БК, ПС); последний привязочный каротаж выполняют за 30 - 40 м до вскрытия бурением продуктивного пласта. В технологии «Горизонт» информацию, необходимую для проводки скважин, получают с помощью автономных приборов, размещенных в компоновке бурильного инструмента, непосредственно в процессе бурения;
- обязательный комплекс исследований в полном объеме (п. 11.3.1) и контрольный инклинометрический замер проводят по достижению проектного забоя с целью детального изучения строения вскрытого объекта.
11.3.3. Технологическая схема проведения геофизических исследований горизонтальных участков, включающая первичные, периодические и полевые калибровки приборов, проведение основных, повторных и контрольных (на вертикальном участке) измерений, представление сведений об объекте исследований, условиях проведения измерений, конструкциях и размерах измерительных зондов, соответствует разделу 6.
11.4.1. Основной целью геофизических исследований горизонтальных участков является решение традиционных геологических задач (с учетом имеющейся информации по пилотным вертикальным скважинам):
- литологическое расчленение продуктивного пласта на горизонтальном участке;
- определение фильтрационно-емкостных свойств и насыщенности коллектора;
- определение траектории горизонтального участка, привязанной по глубине к геологическим реперам.
11.4.2. Определяющим фактором, обеспечивающим достоверность интерпретации результатов исследований горизонтальных участков, является создание и применение интерпретационной модели пласта-коллектора, учитывающей физические процессы, происходящие в гидродинамической системе «горизонтальный ствол-пласт». Модель должна учитывать то обстоятельство, что материалы ГИС не несут прямой информации о положении кровли и подошвы коллектора и литологическом строении выше- и нижезалегающих пород, а следовательно, исключается интерпретация данных по традиционной схеме.
11.4.3. Оперативное заключение по результатам обработки и интерпретации геофизических данных должно содержать информацию:
- о вертикальной проекции ствола скважины в азимутальной плоскости; горизонтальный участок скважины должен быть показан на фоне положения в разрезе продуктивного пласта, построенного по результатам бурения соседних вертикальных, наклонно направленных и пилотных скважин;
- о толщине пласта с отметками абсолютных глубин его кровли и подошвы;
- о проницаемых и уплотненных прослоях, встреченных на горизонтальном участке, их коллекторских свойствах и насыщенности;
- об эксплуатационной технологичности профиля ствола скважины, наличии резких перегибов ствола в вертикальной плоскости, вероятности образования в процессе эксплуатации газовых и водяных слоев и пробок;
- об интервалах, рекомендуемых для перфорации.
11.4.4. Требования к оформлению материалов оговариваются соглашением между недропользователем и производителем работ.
12.1.1. Технологии геофизических исследований действующих скважин (ПГИ, ГИС-контроль, ГДИС) обеспечивают решение трех групп задач, которые по мере их усложнения составляют иерархический перечень:
- выбор оптимального режима работы скважины и ее технологического оборудования (технологический контроль);
- определение эксплуатационных характеристик вскрытого пласта (эксплуатационный контроль);
- исследование процесса вытеснения нефти и газа в пласте и оценка эффективности применяемых методов повышения нефтеотдачи (геолого-промысловый контроль).
Объектами исследований соответственно решаемым задачам являются: скважины, находящиеся в эксплуатации; эксплуатируемый пласт (пласты) в исследуемой скважине; разрабатываемая залежь. Выбор объекта определяет комплекс исследований, технологию проведения измерений, способы обработки и интерпретации полученных данных.
12.1.2. Для выбора оптимального режима работы скважины и ее технологического оборудования необходимы:
- определение в стволе скважины статических и динамических уровней раздела фаз - газожидкостного и водонефтяного контактов;
- оценка состава и структуры многофазного потока в стволе скважины;
- количественное определение суммарных фазовых расходов скважины, включая оценку выноса механических примесей;
- определение интегральных гидродинамических параметров объекта эксплуатации по замерам на устье;
- контроль работы технологического оборудования (срабатывание пусковых муфт, клапанов и пр.).
12.1.3. Исследования по определению эксплуатационных характеристик вскрытого пласта, в том числе на этапах его освоения и интенсификации, предусматривают:
- выделение работающих толщин пласта, в том числе интервалов притоков и поглощений;
- определение профиля притока в эксплуатационных скважинах и профиля приемистости в нагнетательных, оценку интервальных расходов;
- определение состава притоков из отдающих интервалов;
- количественную оценку интервальных дебитов по фазам и компонентам продукции (газ, жидкость, нефть, вода);
- определение гидродинамических параметров пластов - пластовых давлений и температуры, коэффициентов продуктивности и гидропроводности.
12.1.4. Исследования процессов вытеснения нефти и газа в пласте с целью контроля выработки запасов и оценки эффективности применения методов повышения нефтеотдачи включают:
- детальное расчленение разреза с выделением продуктивных пластов, определением их эффективных толщин, неоднородности, коэффициентов пористости, проницаемости по данным геофизических исследований необсаженных скважин;
- определение начальных и текущих коэффициентов нефтегазонасыщенности пластов, положений водонефтяного и газожидкостных контактов;
- определение остаточных коэффициентов нефте- и газонасыщенности;
- определение контуров нефтегазоносности и текущих параметров охвата пласта выработкой и заводнением по результатам сводной интерпретации данных, выполненной по всем скважинам месторождения или отдельных его участков.
Для изучения процессов вытеснения нефти и газа в пласте выполняют нейтронный (НК) или спектрометрический нейтронный (НК-С) каротажи, импульсный нейтронный каротаж в интегральной (ИННК, ИНГК) и спектрометрической модификациях (С/О), ГК (на месторождениях с установленными радиационными эффектами), АК, а также ИК, ДК, если скважины обсажены неметаллическими обсадными трубами.
12.2.2. Условия проведения ПГИ определяются геологическими особенностями залежи, назначением и технологией эксплуатации скважины, ее конструкцией, техническим состоянием, физическими свойствами флюидов в стволе скважины, состоянием и поведением пластов, вскрытых скважиной. По скорости движения флюидов в стволе скважины и, соответственно, скорости изменения геофизических параметров во времени различают стационарные, нестационарные и квазистационарные условия.
12.2.2.1. Стационарные условия характеризуются отсутствием зависимости измеряемых параметров от времени. Стационарные условия исследований характерны для длительно простаивающих скважин.
12.2.2.2. Нестационарные условия характеризуются существенной зависимостью параметров во времени. Они наблюдаются при резких изменениях режимов работы скважины - ее пуске, остановке, изменении депрессии на пласт.
12.2.2.3. Условия называют квазистационарными, если изменение параметров происходит настолько медленно, что ими можно пренебречь. Квазистационарными считаются условия в скважине, длительное время работающей со стабильным расходом. Длительность работы может меняться от нескольких часов до нескольких суток в зависимости от производительности скважины и депрессии на пласт. Квазистационарными являются также условия в интервалах стабильных межпластовых перетоков простаивающих скважин.
12.2.3. Общие процедуры, присущие технологиям ПГИ, включают действия, предусмотренные разделом 6, и дополнительные действия, которые сопровождают только технологии исследований в действующих скважинах.
Дополнительные требования ПГИ обусловлены необходимостью получения данных разновременных измерений для их последующего сравнительного анализа и выявления на этой основе каких-либо характеристик флюидов в стволе скважины, продуктивных пластов и эксплуатируемых залежей. Они содержат также требования, связанные с контролем качества первичных данных. Суммарно они включают:
- получение начальных (фоновых) геофизических характеристик изучаемого объекта - естественной гамма-активности, нейтронных параметров, упругих свойств, естественного температурного поля, - а также сведений о состоянии обсадной колонны и цементного камня, об эффективных толщинах, коэффициентах пористости, проницаемости и нефтенасыщенности пород, характеризующих объект до начала эксплуатации скважины (залежи);
- регистрацию при каждом исследовании положений муфт обсадной колонны, ГК или НК для привязки данных измерений;
- определение текущего состояния многолетнемерзлых пород и конструкции скважины в интервале их залегания;
- выполнение исследований в интервале, превышающем по протяженности изучаемый объект, с целью получения данных против опорных пластов и в интервалах глубин с невозмущенными характеристиками;
- выполнение повторного измерения по всему интервалу основной записи при условии постоянного режима работы скважины;
- проведение исследований с применением лубрикаторов в газовых скважинах, а также в нефтяных, в которых ожидается избыточное давление на устье;
- в газовых скважинах с высоким давлением на устье для спуска приборов применение специальных грузов; длина скважинного прибора с грузами должна быть меньше длины лубрикатора не менее чем на 1 м.
12.2.4. В зависимости от проведения в скважине перед началом или в процессе исследований каких-либо технологических операций технологии ПГИ подразделяют на стандартные и активные. К первым относят исследования, выполняемые при определенных, но статических условиях в скважине. Суть активных технологий состоит в проведении измерений в процессе различных воздействий на пласт или скважину в целом: химических, термических, гидродинамических, закачек меченых веществ и т.п.
12.3.1. Стандартные исследования проводят согласно типовым схемам, согласованным между недропользователем и производителем работ. Перечень операций, выполняемых в каждой технологии, определяется назначением скважины, способом и режимом ее эксплуатации и решаемыми задачами.
12.3.2. В длительно простаивающих скважинах (неработающих, наблюдательных, контрольных, пьезометрических) выполняют измерения, данные которых сопоставляют с данными фоновых замеров с целью выявления локальных аномалий, связанных с выработкой продуктивных пластов и нарушениями технического состояния обсадной колоны и цементного камня. Комплексы исследований определяются решаемыми задачами.
12.3.2.1. Данная технология предусматривает выполнение замеров одиночными методами ГИС с периодичностью от нескольких недель до нескольких месяцев.
12.3.2.2. В наблюдательных скважинах ПХГ время проведения замеров привязывают к циклам эксплуатации (закачка, отбор, нейтральные периоды).
12.3.3. В действующих скважинах проводят весь комплекс измерений технологического, эксплуатационного и геолого-промыслового контроля. При этом, как правило, выполняют одноразовые геолого-промысловые исследования (НК, ИНК, ГК, АК, ИК, ДК) и многократные ПГИ (резистивиметрию, влагометрию, термометрию, расходометрию, барометрию, акустическую шумометрию) при смене условий в скважине.
- измерения в технологическом режиме эксплуатации;
- серию измерений на установившихся режимах, отличающихся депрессиями на пласты;
- серию разновременных измерений непосредственно после прекращения эксплуатации;
- регистрацию на фиксированной глубине во времени кривых восстановления давления и температуры после прекращения эксплуатации;
- серию разновременных измерений непосредственно после пуска или изменения дебита скважины;
- регистрацию на фиксированной глубине во времени кривых стабилизации давления и температуры после пуска или изменения дебита скважины.
12.3.3.2. В скважинах ПХГ, работающих со стабильным расходом в циклическом режиме, перечисленные технологии исследований привязывают к конкретным циклам эксплуатации хранилища (закачка, отбор). При стабильной эксплуатации (в периоды закачки или отбора) исследования проводят согласно требованиям пп. 12.3.3.1.
12.3.3.3. В скважинах, работающих с нестабильным расходом (в процессе компрессирования, свабирования, в режиме накопления и др.), а также в осваиваемых низкодебитных скважинах, характеризующихся нестационарными условиями исследований, используют следующие элементы технологии:
- регистрацию серии разновременных диаграмм по глубине в процессе изменения режима работы скважины (или ее возбуждения), а также на последующем этапе затухания притока;
- регистрацию на фиксированной глубине кривых изменения во времени давления и температуры при пуске или изменении режима работы скважины, в том числе - кривых изменения давления на забое скважины при подъеме уровня жидкости в стволе;
- регистрацию кривых изменения во времени давления на устье скважины (на буфере, в межтрубье) и на забое;
- фиксацию текущего местоположения фазовых уровней (уровней жидкости и раздела «вода-нефть») эхолотом или путем регистрации непрерывных диаграмм методами оценки состава флюидов в интервале перемещения уровней.
12.3.3.4. В скважинах, работающих в нестационарном режиме с нестабильным расходом (компрессируемых, свабируемых, работающих в режиме накопления и пр.), комплекс измерений технологического и эксплуатационного контролей повторяют:
- в технологическом режиме эксплуатации и в остановленной скважине (при простое скважины после остановки в течение 5 - 10 ч и более) с одновременной фиксацией на устье параметров технологического режима скважины (температуры, давления, дебитов газа, нефти, воды);
- во времени на нескольких установившихся режимах нагнетания (отбора), отличающихся депрессиями на пласты (после стабилизации параметров на каждом режиме в течение 5 - 10 ч и более) с одновременной фиксацией на устье параметров технологического режима (температуры, давления, дебитов флюидов);
- в простаивающей после эксплуатации скважине (через 0,5 - 2; 3 - 5; 7 - 10; 15 - 24 ч после прекращения эксплуатации);
- давления и температуры на фиксированной глубине в простаивающей после эксплуатации скважине (в период от 5 - 10 до 24 ч и более в зависимости от интенсивности предшествующей работы и фильтрационных характеристик пласта);
- непосредственно после пуска или изменения дебита скважины - через 0,5; 1; 2; 3; 5 ч;
- изменения во времени давления и температуры на фиксированной глубине после пуска или изменения режима работы скважины (в период от 1 - 2 до 5 - 10 ч после изменения в зависимости от дебита скважины).
12.3.3.5. В малодебитных скважинах, работающих в режиме пульсирующего газожидкостного потока с пробковой или кольцевой структурами, дополнительно проводят регистрацию временных флуктуаций давления и показаний других методов изучения «притока-состава». Продолжительность цикла регистрации флуктуаций составляет 10 - 20 мин. Флуктуационные измерения проводят в обособленных интервалах конструкции скважины (в НКТ, в колонне выше продуктивной толщи, между основными совместно эксплуатируемыми объектами, в зумпфе при подозрении на его негерметичность) в перерывах между измерениями этих параметров в динамическом режиме.
Активные технологии применяют в скважинах, находящихся в эксплуатации, когда стандартные технологии ПГИ оказываются неэффективными. Их выполняют по индивидуальным программам, согласованным между недропользователем и производителем работ. Технология выполнения заключается в проведении геофизических измерений в процессе активных воздействий на пласты, к которым относят:
- химические воздействия - обработки пород соляной, плавиковой и другими кислотами;
- термические - прогрев пласта либо закачка в пласт воды с другой температурой;
- гидродинамические - снижение и повышение уровня флюидов в скважине (методика переменных давлений);
- закачку в исследуемые пласты меченых веществ, которые представляют собой жидкости, обогащенные искусственными радиоактивными изотопами либо содержащие вещества с аномальными свойствами поглощения нейтронов;
- наведение искусственной гамма-активности пород.
Последовательность операций в активных технологиях включает проведение серии измерений: фоновых - до начала воздействия; в процессе воздействия; непосредственно после воздействия и в ходе расформирования эффектов, вызванных воздействием.
12.5. Технологии решения отдельных задач
Применение стандартных и активных технологий и рекомендуемых комплексов ПГИ должно обеспечить получение следующих результатов:
12.5.1. Выбор оптимального режима эксплуатации скважины при решении задач технологического контроля (п. 12.2.1). Исходными параметрами для этого являются:
- общий дебит скважины и дебиты отдельных флюидов - газа, нефти и воды;
- обводненность продукции;
- работающие интервалы - отдельно по каждому флюиду;
- профили притоков или приемистости;
- положения уровней раздела флюидов в стволе скважины;
- критерии режима работы скважины - устьевые и забойные давления и температуры, коэффициенты гидравлических потерь в стволе скважины.
12.5.2. Информацию о работающих интервалах и их характеристиках при решении задач эксплуатационного контроля, включая контроль за интенсификацией добычи.
Исходными параметрами являются:
- интервалы притоков (отдельно по каждому флюиду);
- параметры работы фильтра;
- относительные интервальные расходы (профили притоков или приемистости);
- пластовое давление;
- величина депрессии (репрессии);
- гидро- и пьезопроводность, текущий коэффициент проницаемости;
- характеристики радиальной неоднородности (скин-фактор и степень вскрытия);
- плотности флюидов в стволе скважины и объемные доли каждого флюида по стволу скважины.
12.5.2.1. Методы оценки состава флюида, заполняющего ствол скважины, - косвенные. Необходимыми условиями для придания их результатам статуса количественных определений являются доказательства отсутствия затрубной циркуляции и однородная структура потока флюидов в стволе скважины - будь это водонефтяная эмульсия или дисперсный газожидкостный поток.
Результаты измерений методами, использующими проточный тип датчика (влагометрия, плотнометрия) в условиях многофазных потоков, должны рассматриваться как индикаторные даже при наличии метрологического обеспечения.
12.5.2.2. Для определения гидродинамических параметров эксплуатируемых объектов проводят профильную или точечную измерения баро- и расходометрию на нескольких (3 - 5) режимах работы скважины, разновременные измерения профилей геофизических параметров при смене режимов работы скважины, регистрацию кривых восстановления и стабилизации давлений и температур, а также кривую восстановления давления на забое скважины. В ходе регистрации последней кривой контролируют изменение уровней жидкости в НКТ и межтрубном пространстве (между НКТ и обсадной трубой) методами оценки состава или с помощью устьевых эхолотов.
12.5.3. Основой технологии контроля процессов интенсификации притоков являются измерения фоновые и после воздействия на пласты.
12.5.3.1. Выбор объектов интенсификации осуществляют по данным методов ПГИ и дополнительно - акустического каротажа. Применение последнего целесообразно при проектировании гидроразрыва пласта.
12.5.3.2. Для контроля за процессами воздействия на пласты применяют:
- при солянокислотной обработке - метод искусственных радиоактивных изотопов, временные измерения ИННК с регистрацией содержания хлора в прослоях, подвергнутых обработке;
- при тепловых воздействиях: термометрию и расходометрию при термобарохимическом воздействии; термометрию при воздействии водяным паром; термометрию и нейтронный каротаж при внутрипластовом горении;
- при гидроразрыве пласта - метод искусственных радиоактивных изотопов, термометрию (при различных значениях температуры залавливаемой жидкости и пласта), акустический каротаж;
- при гидродинамическом воздействии - нестационарную барометрию или серию комбинированных замеров барометрии и расходометрии на стационарных режимах;
- при акустическом воздействии - ННК-Т в варианте временных измерений.
12.5.3.3. Оценку эффективности результатов интенсификации выполняют по данным расходометрии и термометрии.
12.5.4. Типовые задачи геолого-промыслового контроля наиболее обширные и сложные. Для проведения сводной интерпретации исходными данными служат результаты интерпретации материалов ГИС в открытом стволе и результаты ПГИ: эффективные нефте-, газонасыщенные и заводненные толщины; глубины отбивки начальных и текущих ГВК, ГНК, ВНК; коэффициенты охвата пластов процессами выработки (обводнения); значения интервальных и пластовых коэффициентов начальной, текущей и остаточной нефте-, газо- и водонасыщенности.
Возможности отдельных методов геофизических исследований для решения задач ПГИ определяются геологическими характеристиками коллекторов (коэффициенты пористости, проницаемости, глинистости, нефтегазонасыщенности, удельное электрическое сопротивление пластовых и нагнетаемых вод), способом и режимом эксплуатации скважины и залежи, составом добываемых флюидов.
12.6.1. Нейтронный каротаж со стационарными источниками (НГК, НК) применяют для определения положений газожидкостных контактов в неперфорированных и перфорированных интервалах в скважинах, обсаженных трубами из любых материалов.
Во вновь пробуренных скважинах исследования проводят не ранее чем, через 7 суток после цементирования колонны. При исследовании перфорированных пластов уровень жидкости в стволе скважины должен быть ниже статического для обеспечения минимального проникновения жидкости из скважины в пласт. В фонтанирующих скважинах и скважинах, оборудованных штанговыми насосами, измерения проводят малогабаритными приборами через насосно-компрессорные трубы или межтрубное пространство в процессе работы скважины.
Методы НГК, НК являются основными при исследовании газоводяных залежей с относительно невысокими пластовыми давлениями и неконтролируемой минерализацией пластовых вод. Положение ГВК устанавливают:
- по началу увеличения показаний зондов против слабоглинистых коллекторов в условиях отсутствия или небольшой глубины зоны проникновения;
- по превышению показаний большого зонда над малым - методика двухзондового НК;
- сравнением показаний текущего и фонового измерений (методика временных измерений) при обеспечении идентичности их выполнения (конструкция и заполнение ствола скважины, тип аппаратуры и т.п.).
При исследовании газонефтяных залежей используют временные измерения НГК и НК, по результатам которых нефтенасыщенные прослои отмечаются совпадением показаний, а газонасыщенные - их расхождением во времени.
Возможности исследований нефтеводяных залежей ограничены. Наиболее надежно ВНК устанавливают в пластах с высокой пористостью при вытеснении нефти водой с минерализацией более 120 г/л. Модификация спектрометрического нейтронного гамма-каротажа (НГК-С) более чувствительна к содержанию хлора и обеспечивает более достоверную фиксацию ВНК, чем метод НГК.
12.6.2. Импульсный нейтронный каротаж в интегральной (ИННК, ИНГК) и спектрометрической модификациях (С/О-каротаж) применяют в неперфорированных и перфорированных интервалах. Интервал регистрации должен охватывать продуктивные пласты, опорные пласты с известной насыщенностью и интервалы глинистых перемычек и покрышек. Допускается выполнение измерений в отдельных точках разреза, если непрерывная регистрация не обеспечивает необходимой точности. Общее число измерений в точках должно быть не менее 30, в том числе не менее 10 измерений в опорных водонасыщенных пластах и не менее 3 - в глинах. Для количественной интерпретации данных необходима информация о литологическом составе и пористости пород, установленная по результатам исследований в открытом стволе.
При исследовании газоводяных залежей использование ИНК целесообразно при низкой информативности стационарного НК (обычно при высоких пластовых давлениях) либо при проведении комплексных исследований с решением нескольких задач. В газонефтяных залежах рекомендуется применять ИНК в интегральной модификации в вариантах одиночных измерений, повторных измерений во времени, по методике временных задержек. ИНК является наиболее информативным методом для исследований нефтеводяных залежей. Его спектрометрические модификации более информативны, чем интегральные.
Основное ограничение использования ИНГК, ИННК связано с низкой минерализацией вод - произведение последней на коэффициент пористости должно быть не ниже 8 - 10 мг/см3 в зависимости от глинистости и разности начального и конечного коэффициентов нефтенасыщенности. Неблагоприятными условиями для определения ВНК являются: низкая (менее 50 г/л) минерализация пластовых вод; пресные обводняющие воды при низкой минерализации остаточной воды; близкое объемное содержание солей в обводняющемся и нефтяном пластах. В пластах с высокоминерализованными пластовыми водами обводнение пресными закачиваемыми водами может быть установлено по данным регулярных измерений ИННК. Необходимым условием является малый интервал времени между повторными измерениями, обеспечивающий определение прохождения осолоненного фронта вод. Во всех случаях рекомендуется использовать С/О-каротаж, позволяющий решать задачи при произвольной минерализации пластовых (нагнетаемых) вод.
12.6.3. Волновой АК имеет потенциальные возможности при определении положений межфлюидных контактов для всех типов залежей. Необходимым условием является установленное сцепление цементного камня с колонной и породами.
12.6.4. Методы электромагнитного каротажа - индукционный и диэлектрический - выполняют в скважинах, обсаженных неметаллической колонной. Решение задачи для газоводяных и нефтеводяных залежей производят так же, как в открытом стволе. При низкой или неизвестной минерализации вод использование диэлектрического каротажа предпочтительнее.
12.6.5. Временные измерения ГК иногда информативны для выделения обводненных пластов в нефтеводяных залежах. Определение основано на радиогеохимическом эффекте (РГЭ) - возрастании естественной радиоактивности, более чем на 10 % по сравнению с фоновыми показателями, против обводненной части пласта независимо от минерализации нагнетаемой воды. Эффект не универсален и возможность его использования определяют применительно к району работ.
12.7.1. Редактирование первичных данных ПГИ, формирование файла недропользователя, экспресс-обработку данных и выдачу, при необходимости, твердых копий осуществляют непосредственно на скважине; полную оперативную интерпретацию и подготовку окончательного заключения проводит интерпретационная служба производителя работ.
12.7.2. Файл недропользователя должен содержать:
- заголовок;
- схематическое изображение сборки приборов с указанием общей длины и диаметров приборов, точек записи;
- схематическое изображение конструкции скважины с указанием мест установки технологического оборудования, сведения о лубрикаторе;
- фоновые, основные и повторные измерения с указанием условий их выполнения;
- калибровочные данные, полученные до и после проведения измерений.
Файл недропользователя формируют в формате LIS.
12.7.3. Окончательное заключение должно содержать: пояснительную записку с результатами интерпретации и аргументированными выводами; табличные и графические (кроссплоты, графики, сопоставления кривых) приложения, необходимые для обоснования выводов.
Окончательное заключение должно сопровождаться сводным планшетом, содержащим 2 - 3 кривые ГИС (например, ГК, ДС, ПС), характеризующие исследуемый интервал разреза, кривую локатора муфт, кривые основного замера ПГИ с выделенными на них признаками решения заданной задачи.
12.7.4. Содержание твердых копий должно полностью отражать файл недропользователя.
12.7.5. Документацию результатов исследований формируют согласно требованиям п. 6.6.5.
13.1.1. В необсаженных скважинах испытания пластов инструментами на бурильных трубах выполняют в процессе бурения с целью:
- оценки фильтрационных свойств и характера насыщенности пластов с неоднозначными характеристиками и исключения пропусков продуктивных объектов;
- подтверждения характера насыщенности пластов на месторождениях с установленными положениями межфлюидных контактов и расчетов гидродинамических параметров этих пластов, которые необходимы для составления технологических схем и проектов разработки залежей.
13.1.2. В обсаженных скважинах объектами испытаний являются перфорированные интервалы. Работы проводят с целью освоения объектов эксплуатации, интенсификации добычи нефти методом депрессионного и гидроимпульсного воздействий (метод переменных давлений - МПД), проверки герметичности цементных мостов и колонн при наличии обоснованных подозрений на отсутствие их герметичности.
13.1.3. В необсаженных скважинах геофизические исследования выполняются с целью выбора объекта испытаний и привязки ИПТ к разрезу, включает - кавернометрию, ПС (или ГК, НК), ИК (или БК), которые выполняют непосредственно перед испытанием после разбуривания испытуемого интервала, так как эффективность испытаний существенно повышается при уменьшении промежутка времени, прошедшего между разбуриванием и испытанием пород.
Задачи комплекса заключаются в выделении общих толщин предположительно проницаемых пород, подлежащих испытанию, и в выборе интервалов ствола с номинальным диаметром скважины для установки пакеров ИПТ.
Если в районе работ доказана эффективность ГИС, выполняемых по методике «каротаж-испытание-каротаж», то непосредственно после проведения испытаний повторно регистрируют данные БК (ИК), ГК, НК.
13.1.4. В обсаженных скважинах для привязки ИПТ к разрезу выполняют комплекс ГИС, который позволяет установить положение в скважине интервала перфорации - ГК, НК, ЛМ.
13.1.5. Технологическая схема выполнения ГИС и контроль качества материалов не отличаются от описанных в разделе 6.
13.2.1. Геофизическое сопровождение вторичного вскрытия пластов перфорацией требуется для решения задач:
- контроля за спуском в скважину перфоратора на кабеле;
- привязки интервалов перфорации к геологическому разрезу;
- контроля за фактом и полнотой срабатывания перфоратора;
- определения фактического положения интервала перфорации;
- оценки качества прострелочных работ.
13.2.2. Контроль за спуском перфоратора обеспечивают, комплектуя его в одной сборке с локатором муфт (ЛМ) и зондами ГК и/или НК, если детекторы последних выполнены в противоударном исполнении.
Для выполнения требований «Правил безопасности в нефтяной и газовой промышленности» и «Единых правил безопасности при взрывных работах» перед спуском перфоратора (во время шаблонирования или после) необходимо провести регистрацию значений температуры и давления от устья до интервала перфорации.
13.2.3. Привязку к глубине интервала перфорации обеспечивают с помощью тех же методов - ЛМ, ГК, НК. Привязку реализуют посредством следующих операций:
- в скважину опускают до искусственного забоя сборку модулей ЛМ, ГК, НК и при ее подъеме проводят запись кривых с детальностью, соответствующей детальности этих кривых, полученных ранее;
- сопоставляют кривые по глубине и над верхней границей планируемого интервала перфорации на привязочных кривых ГК, НК, ЛМ ставят метку;
- на геофизическом кабеле между устьем скважины и подъемником завязывают привязочную метку, хорошо различимую для машиниста подъемника, положение которой соответствует метке, выставленной на кривых ГК, НК, ЛМ;
- по кривым ГК, НК и ЛМ рассчитывают расстояние от привязочной метки до нижней границы планируемого интервала перфорации.
При вскрытии пласта «снизу-вверх» положение первой метки на кабеле для установки перфоратора находят, откладывая на кабеле от привязочной метки в сторону подъемника отрезок, равный длине интервала перфорации, и завязывая в его конце двойную метку.
13.2.4. Факт срабатывания перфоратора устанавливают по звуковым эффектам, сейсмоакустическим сигналам, рывку кабеля. Для перфораторов, спускаемых на кабеле, срабатывание фиксируют по замыканию электрической цепи перфоратора, вызванному скважинной жидкостью. Оценку полноты срабатывания корпусных перфораторов и перфораторов, спускаемых на НКТ, выполняют внешним осмотром после их извлечения из скважины.
Для разрушающихся перфораторов оценка полноты срабатывания решается по материалам исследований акустическим телевизором (сканером).
13.2.5. Определение фактического положения интервала перфорации является обязательным во всех случаях, кроме спуска перфоратора на НКТ. Контроль положения интервала перфорации осуществляют:
- локацией муфт и отверстий (ЛМ);
- по данным термометрии, если они получены непосредственно после перфорации (эффективность выделения максимальна для бескорпусных перфораторов);
- по данным электромагнитной (магнитоимпульсной) дефектоскопии колонн, которая также эффективна в случае применения бескорпусных перфораторов, создающих трещины в обсадных трубах или раздувающих их;
- по результатам АК-сканирования.
При проведении дострелов и уплотнения перфорации определение фактического положения достреленного интервала устанавливают по результатам термометрии и АК-сканирования.
13.3.1. Сверлящую перфорацию применяют для избирательного повторного вскрытия без ударного воздействия тонких нефтенасыщенных пластов, расположенных рядом с водонасыщенными породами, и для создания ремонтных отверстий в многоколонных скважинных конструкциях при ремонте скважин.
Разные модели сверлящих перфораторов позволяют производить вторичное вскрытие коллекторов в вертикальных, наклонных и горизонтальных скважинах. При необходимости сверления нескольких отверстий в одной плоскости прибор комплектуют модулем углового ориентирования, который осуществляет поворот перфоратора вокруг его оси на заданный угол (без азимутальной привязки углов).
13.3.2. После получения заявки на проведение работ подготовка к проведению сверлящей перфорации заключается в получении материалов ГИС, необходимых для привязки интервала перфорации к разрезу; в ревизии скважинных приборов согласно требованиям эксплуатационной документации; проверке электрической изоляции приборов и наземных устройств (трансформатора, панели управления и автоматического выключателя).
Пробным пуском проверяют работоспособность прибора, контрольное время выхода и возврата в исходное положение прижимного рычага и сверла.
13.3.3. Работа на скважине включает операции:
- привязку интервала перфорации к глубине;
- приведение скважинного прибора и наземных устройств в рабочее состояние (заземление наземных устройств, долив рабочей жидкости в компенсатор давления, пробный пуск прибора на устье скважины);
- спуск прибора в интервал перфорации и производство сверлений;
- подъем прибора на дневную поверхность.
13.3.3.1. Привязку точек сверления выполняют согласно требованиям раздела 6 и пп. 10.2.4.2.
13.3.3.2. Перед включением прибора и проведением сверлений заземляют панель управления и трансформатор (помимо заземления лаборатории и подъемника), выполняют пробный пуск прибора с контролем выхода и возврата в исходное положение прижимного рычага и сверла.
13.3.3.3. Спуск прибора в интервал перфорации ведут со скоростью не более 5000 м/ч.
13.3.3.4. Отдельные этапы операции сверления (выход прижимного рычага и сверла, сверление металла, цемента и породы, возврат сверла и прижимного рычага в исходное положение) визуально контролируют по времени и по показаниям стрелочных приборов, размещенных на панели управления.
13.3.4. Время проведения и объемы сверления документируют актом, аналогичным по форме и содержанию акту на проведение кумулятивной или пулевой перфорации.
13.3.5. Контроль расположения перфорационных отверстий осуществляют по материалам акустического сканирования или электромагнитной (магнитоимпульсной) дефектоскопии.
13.4.1. Свабирование нефтяных скважин с использованием геофизического оборудования производят с целью освоения скважины, увеличения дебита действующей скважины, понижения уровня жидкости в скважине или только в НКТ. В последнем случае недропользователь оборудует низ НКТ временным заколонным пакером, перекрывающим пространство между НКТ и обсадной колонной.
13.4.2. Для контроля процесса свабирования скважины и получения данных для построения кривых снижения и повышения уровня жидкости свабирующее устройство оснащают датчиками для измерения давления жидкости над свабом, содержания воды в нефти (влагомер), удельной электрической проводимости скважинной жидкости (резистивиметр), температуры жидкости, нагрузки (натяжения кабеля) на сваб и ускорений сваба (акселерометр), которые располагают непосредственно над свабом и подсоединяют к кабелю.
В НКТ ниже заданного уровня понижения жидкости устанавливают на якоре автономный манометр с термометром, который опускают и извлекают с помощью геофизического кабеля, оснащенного разъемным кабельным наконечником.
13.4.3. Для свабирования используют технические средства, отвечающие следующим условиям:
- каротажный подъемник, технические характеристики которого позволяют осуществлять подъем свабирующего устройства с грузом, геофизических приборов и столба жидкости массой до 1000 кг со скоростью не менее 3500 м/ч;
- специальный бронированный кабель с разрывным усилием не ниже 40 кН без обрывов проволок брони, «фонарей» и изгибов, имеющий одну или несколько информационных жил для электрического соединения геофизических датчиков с каротажным регистратором;
- свабирующее устройство не должно быть длиннее приемной камеры лубрикатора, а его диаметр, кроме манжеты сваба, должен быть меньше внутреннего диаметра НКТ на 3 - 6 мм (для НКТ диаметром 2,5" на 5 - 6 мм).
13.4.4. Свабирование и сопровождающие его геофизические исследования выполняют согласно наряд-заказу и плану работ, согласованным между недропользователем и производителем работ.
13.4.5. Готовность скважины к свабированию оформляется двусторонним актом, который подписывают представитель недропользователя, постоянно находящийся на скважине при производстве работ, и начальник каротажной партии (отряда). Подготовка должна соответствовать требованиям приложения Б. Кроме того:
- спущенные в скважину НКТ должны быть новыми или специально подготовленными (прорайбированными) и прошаблонированными;
- трубы должны иметь постоянный внутренний диаметр и быть плотно подогнанными в муфтах во избежание обрыва сваба;
- в НКТ на 600 м ниже планируемого уровня снижения жидкости должно быть установлено стоп-кольцо (муфта, внутренний диаметр которой на 1/2" меньше диаметра НКТ) для предотвращения падения сваба в скважину при его обрыве;
- низ НКТ оборудуют воронкой для прохождения геофизических приборов;
- обвязка емкости, предназначенной для сбора откачиваемой жидкости, и тройника-переходника должна быть выполнена из труб диаметром не менее 2" с быстроразъемными резьбовыми соединениями;
- при освоении отдельно стоящих скважин фонтанная арматура должна быть оборудована аварийной линией, соединяющей затрубное пространство с емкостью для сбора жидкости. К аварийной линии предъявляются такие же требования, как к основной.
13.4.6. Натяжной мерный ролик крепят к фланцу устьевой арматуры, подвесной - за крюк талевого блока. Специальный бронированный кабель заводят от подъемника под натяжным роликом, через навесной ролик и сальник лубрикатора.
13.4.7. Для крепления лубрикатора последовательно устанавливают на центральную задвижку тройник-переходник (тройник-разрядник), обеспечивающий прохождение сваба и кабеля в вертикальной плоскости и имеющий в горизонтальной плоскости отвод для излива отбираемой жидкости, переходную план-шайбу («катушку») и превентор лубрикатора.
13.4.8. Подготовленный сваб или манометр с якорем подсоединяют к специальному бронированному кабелю и заводят в приемную камеру лубрикатора, после чего лубрикатор устанавливают на превентор лубрикатора, закрывают центральную задвижку, подсоединяют линию обвязки к тройнику-переходнику, закрывают задвижку на выкиде и проверяют герметичность лубрикатора, повышая постепенно давление жидкости.
13.4.9. Опускают в скважину и устанавливают на якорь автономный манометр.
13.4.10. При подсоединенном свабе устанавливают «нуль» счетчика глубин. Его установку проверяют через каждые два цикла свабирования (один цикл - 5 - 6 спуско-подъемов сваба).
13.4.11. При открытых центральной задвижке и задвижке тройника-переходника опускают сваб в скважину без перепусков кабеля. Скорость спуска не должна превышать 3000 м/ч в воздухе и 500 м/ч в жидкости.
Глубина погружения сваба в жидкость не должна превышать 600 м при работе с манжетами на цельнометаллической оправке и 300 м, если манжеты выполнены на проволочном каркасе.
13.4.12. Подъем сваба выполняют без остановок на максимально возможной скорости, которую обеспечивает двигатель подъемника. Рекомендуемая скорость - не менее 3500 м/ч. С глубины 100 м до устья скважины скорость ограничивают до 500 м/ч.
13.4.13. Для предупреждения аварийной ситуации, связанной с возможным выбросом сваба в начальный момент работы высокопродуктивного пласта или пласта, содержащего нефть с высоким значением газового фактора, процесс движения сваба по стволу скважины контролируют по показаниям манометра, датчику натяжения и провисанию кабеля.
13.4.14. Свабирование заканчивают после получения устойчивого фонтанного притока флюида, снижения уровня жидкости в скважине до заданного или отбора запланированного объема флюида.
13.4.15. Свабирование прекращают при возникновении аварийных ситуаций:
- интенсивного притока разгазированной жидкости;
- прихвата и обрыва сваба или специального кабеля;
- неисправности подъемника или лубрикатора;
- при загазованности рабочей площадки.
13.4.16. По окончании работ отдельным спуском кабеля извлекают из скважины автономный манометр.
13.4.17. Содержание и объемы выполненных работ указывают в акте, который подписывают представители недропользователя и производителя работ.
13.5.1. Метод акустического воздействия основан на возбуждении в интервале перфорации акустического поля.
Применяется для увеличения проницаемости прискважинной зоны пласта за счет очистки перфорационных отверстий и пор коллектора от механических примесей, газогидратных и асфальтеново-смолистых отложений и усиления ряда физических процессов - уменьшения сил поверхностного натяжения в капиллярах, устранения турбулизации и повышения скорости фильтрации, уменьшения вязкости извлекаемого флюида и др.
13.5.3. В аппаратуре для акустического воздействия частота акустического поля изменяется от долей Гц до десятков кГц.
Для возбуждения поля со спектром частот 0,1 Гц - 1 кГц используют электрогидравлические излучатели, обеспечивающие электрический пробой в жидкости, инициированный сжиганием калиброванной проволочки, и позволяющие создать давление упругого воздействия до 10 МПа.
Для возбуждения поля с частотами от единиц до десятков килогерц применяют магнитострикционные или пьезоэлектрические преобразователи, обеспечивающие интенсивность поля на оси скважины до 10 кВт/м2.
13.5.4. Методика исследований определяется производителем работ в соответствии с техническими параметрами аппаратуры, характеристиками объекта интенсификации и имеющегося опыта (технологии) работ.
Допускается проведение акустического воздействия как в остановленных, так и в работающих скважинах. Импульсное воздействие по результатам предпочтительнее непрерывного за счет формирования более широкого спектра частот. Продолжительность воздействия изменяется от долей часа до нескольких часов на 1 м перфорированного интервала.
13.5.5. Рекомендуется комплексирование метода акустического воздействия с другими методами интенсификации добычи. Для повышения извлекаемости вязких нефтей акустическое воздействие должно сопровождаться работами по интенсификации, направленными на снижение вязкости (термическое воздействие и др.).
В сложных случаях рекомендуется возбуждение колебаний в максимально широком спектре частот, в частности, комбинированное воздействие на пласт, обеспечивающее как гидроударные эффекты, так и декольматацию приствольной зоны ультразвуковыми волнами, при условии многократного циклического воздействия на пласт.
При значительной кольматации призабойной зоны акустическому воздействию должна предшествовать кислотная обработка.
13.5.6. В документации выполнения работ по акустическому воздействию обязательно отражаются показатели по п. 13.5.2.
13.5.7. Критерием эффективности акустического воздействия является изменение дебита объекта интенсификации относительно первоначального и увеличение периода времени между обработками.
13.5.8. Метод наиболее эффективен в терригенных коллекторах с пористостью 12 - 30 % и проницаемостью более 20 мД. Эффективность снижается с ухудшением коллекторских свойств и увеличением вязкости нефти.
13.6.1. В основу технологии положен способ контролируемого гидродинамического воздействия на скважину и прискважинное пространство посредством циклических закачек растворов радона или короткоживущих изотопов натрия, обладающих повышенной гамма-активностью, которая быстро (десятки часов) снижается во времени вследствие коротких периодов полураспада обоих изотопов, либо солей бария («буры»), обладающих аномально высокими нейтронными характеристиками. Контроль процессов и индикацию интервалов поглощения меченой жидкости ведут в первых двух случаях с помощью ГК, в последнем случае - с помощью НК.
Работы выполняют в необсаженных скважинах с целью выделения коллекторов, в том числе трещинных, при исследованиях сложных разрезов; в обсаженных скважинах - для определения негерметичных интервалов обсадных колонн и выявления заколонных перетоков.
Благоприятные условия применения соблюдаются в вертикальных и слабонаклонных неработающих скважинах. Применение технологии ограничено в скважинах: горизонтальных и сильно наклонных; оборудованных НКТ и обладающих приемистостью ниже 1,0 м3/сут; глубиной свыше 1000 м, не имеющих НКТ, приемистость которых меньше 20,0 м3/сут.
13.6.2. Работы с мечеными растворами являются радиационно опасными, так как радиоактивные вещества применяются в жидком или газообразном состояниях, создающих при их утечке потенциальную опасность радиоактивного загрязнения людей, промыслового оборудования и окружающей среды. Их выполняют, руководствуясь специально разработанными инструкциями, регламентирующими обеспечение радиационной безопасности, предотвращение и локализацию возможных радиоактивных загрязнений, радиационный контроль уровней загрязнений и учет индивидуальных доз облучения персонала, санитарную обработку людей, имеющих радиоактивное загрязнение кожных покровов, и дезактивацию оборудования.
13.6.3. Приготовление меченых растворов производят непосредственно на скважине с помощью насосного агрегата. Предварительно подготавливают вещества с повышенной гамма-активностью: радон - в медицинском барбураторе, изотоп натрия - в транспортируемой активационной установке, облучая двууглекислый натрий (Na2CO3) каротажными ампульными нейтронными источниками суммарной активностью (2 - 5) · 107 нейтронов в секунду в течение 45 ч.
13.6.4. Для выделения интервалов поглощения меченых жидкостей необходимо выполнить измерения ГК или НК, по крайней мере, трижды: до начала воздействия; после попадания жидкостей в породы или в затрубное пространство; после промывки скважины от следов меченого вещества.
Реально выполняют 3 - 7 записей, прослеживая продвижение меченых жидкостей в исследуемом интервале.
13.6.5. В необсаженных скважинах поиск проницаемых пород ведут в призабойной части, которая находится ниже низа бурильных труб на 40 - 50 м. Продавливание меченой жидкости, объем которой составляет 2 - 2,5 м3, осуществляют буровыми насосами через бурильные трубы. При достижении меченой жидкостью исследуемого интервала производят активацию продавливания посредством многократных подъемов и спусков бурильных труб в пределах одной свечи.
13.6.6. В обсаженных скважинах меченую жидкость продавливают в исследуемый интервал с помощью насосного агрегата, контролируя ее перемещение прибором ГК или НК, опущенным в скважину через лубрикатор.
13.6.7. Выделение поглощающих пластов (коллекторов в открытом стволе, мест повреждения обсадной колонны в обсаженной скважине) ведут по положению аномалий естественной гамма-активности или нейтронных характеристик, выявленных в результате контролируемого воздействия.
Место повреждения колонны отмечается резким изменением показаний ГК или НК и его стабильным положением во времени.
Интервал заколонного перетока определяется как интервал между местом негерметичности и поглощающим пластом. Его выделяют по появлению еще одной аномалии и постепенному снижению ее амплитуды во времени в границах поглощающего пласта.
13.6.8. Подготовку и проведение работ, обработку и оформление результатов ведут с соблюдением требований раздела 6.
13.7.1. Ликвидацию асфальтеновых, гидратных и парафиновых осложнений в насосно-компрессорных трубах (осадок на стенках, пробки) осуществляют с помощью электронагревателей прямого действия - ТЭНов, электрохимических и индукционных, опускаемых в скважину на геофизическом кабеле.
13.7.2. Комплект оборудования для проведения работ содержит: каротажный подъемник; геофизический или специальный кабель, обеспечивающий подачу к нагревателю требуемой мощности электрического тока; лубрикатор с боковым вентилем для стравливания жидкости; разделительно-повышающий трансформатор, разделяющий нагреватель и общую электрическую сеть промысла; нагреватель.
Подключение трансформатора к сети выполняют по стандартной схеме - четырехпроводной линией с глухозаземленной нейтралью или трехпроводной линией с заземлением на контур.
Заземление трансформатора и подъемника выполняют медными проводами сечением не менее 16 мм2. Суммарная величина сопротивления заземляющего провода и контура заземления (устья скважины) не должна превышать 4 Ом.
13.7.3. Работы выполняют по планам, которые составляют на каждую скважину и утверждают у главного инженера нефтепромыслового предприятия.
13.7.4. Готовность скважины к проведению работ по ликвидации осложнений оформляется двусторонним актом, который подписывают представитель недропользователя и начальник геофизической партии (отряда). Подготовка должна соответствовать требованиям приложения Б. Кроме того:
- не далее, чем в 5 м от устья, должна быть установлена емкость для сбора жидкости, стравливаемой через боковой вентиль лубрикатора;
- скважина (НКТ) должна быть заполнена жидкостью до устья;
- в скважинах, где ожидается буферное давление более 3 МПа, содержащих нефтяные пласты с газовым фактором более 100 м3/м3 и во всех газовых скважинах, в которых отсутствует свободный выход газа, ликвидацию осложнений производят с использованием цементировочного агрегата или другого насоса, подсоединенного к выкидной линии фонтанной арматуры и предназначенного создавать противодавление в НКТ с целью исключения самопроизвольного выброса электронагревателя.
13.7.5. Спуск нагревателя в скважину производят через лубрикатор при закрытых задвижках на выкидных линиях и открытых трубной и затрубной задвижках со скоростью не более 5000 м/ч. При подходе и в предполагаемом интервале осложнения скорость спуска уменьшают до 1000 м/ч и далее до 100 м/ч.
Контроль за глубиной спуска ведут с помощью механического счетчика и датчика глубин, установленного на мерном ролике.
13.7.6. Подачу напряжения питания на электронагреватель производят только после его спуска в интервал осложнения. Пусковой ток составляет 20 - 40 А, номинальный - 20 - 30 А.
В процессе проведения работ осуществляют регистрацию тока питания нагревателя, глубины его спуска и хронометраж работ.
13.7.7. После прохождения электронагревателем 10 - 15 м в интервале осложнения, но не более чем через один час его работы, производят подъем нагревателя до устья скважины с последующим спуском до места последнего прогрева.
13.7.8. После разрушения осложнения по всему интервалу электронагреватель выключают и поднимают на поверхность.
За 50 м до устья скважины прекращают подъем нагревателя лебедкой и вручную втягивают его в лубрикатор. Закрывают центральную задвижку фонтанной арматуры, сбрасывают давление в лубрикаторе и извлекают нагреватель.
13.7.9. Работы прекращают досрочно, если при повторных спуско-подъемах нагревателя и прогревах в течение 1 - 2 ч он останавливается на одной глубине, что свидетельствует о нахождении в НКТ посторонних предметов (металла, проволоки и т.п.).
13.7.10. При прихвате геофизического кабеля, вызванного застыванием асфальтеновых или парафиновых отложений выше нагревателя, необходимо его разогреть подачей со вторичной обмотки трансформатора через коллектор каротажной лебедки трехфазного напряжения.
14.1.1. Электрический и электромагнитный каротаж - исследования скважин, основанные на изучении электрических и электромагнитных свойств горных пород и насыщающих их флюидов.
14.1.2. Электрический каротаж (ЭК) - исследования горных пород, основанные на регистрации параметров естественного или искусственного постоянного (квазипостоянного) электрических полей.
14.1.2.1. Электрический каротаж, основанный на регистрации параметров естественного электрического поля, представляет собой каротаж потенциалов самопроизвольной поляризации (ПС). Измеряемой величиной является потенциал электрического поля ПС (Unc) или разность потенциалов (DUnc). Единица измерения - милливольт (мВ).
14.1.2.2. Электрический каротаж, основанный на регистрации параметров постоянного (квазипостоянного) искусственного электрического поля, включает следующие виды: боковое каротажное зондирование (БКЗ), боковой (БК), боковой микро- (БМК) и микрокаротаж (МК), каротаж вызванных потенциалов (ВП), токовую резистивиметрию (Рез.). Они объединяются под общим названием «каротаж сопротивлений» (КС) Измеряемой величиной является кажущееся удельное электрическое сопротивление (ρк) среды. Единица измерения - ом-метр (Ом · м).
14.1.2.3. Стандартный каротаж - исследования, включающие регистрацию потенциалов ПС и кажущихся сопротивлений одним или двумя не фокусированными (потенциал- и градиент-зонд) зондами, длины которых выбраны постоянными для данного района работ.
14.1.2.4. Электрический каротаж не выполняют в скважинах с промывочной жидкостью на непроводящей основе.
14.1.3. Электромагнитный каротаж (ЭМК) - исследования горных пород, основанные на измерении параметров искусственного переменного электромагнитного поля.
14.1.3.1. Электромагнитный каротаж в области низких частот (десятки и первые сотни кГц), в которой слабо проявляются волновые свойства (фазовые сдвиги, затухание) регистрируемого поля, носит название индукционного каротажа (ИК), а в варианте зондирования - индукционного каротажного зондирования (ИКЗ). Измеряемой величиной является кажущаяся удельная электрическая проводимость (sк, gк). Единица измерения - миллисименс на метр (мСм/м).
14.1.3.2. Электромагнитный каротаж в области частот от нескольких сотен кГц до десятков МГц - это высокочастотный индукционный каротаж (ВИК) и диэлектрический каротаж (ДК). Измеряемыми величинами являются характеристики электромагнитного поля (фазовые и относительные, амплитудные), которые определяются преимущественно удельной электрической проводимостью (ВИК) или диэлектрической проницаемостью пород (ДК). Расчетной величиной для ВИК служит удельная электрическая проводимость пород (s, g), для ДК - относительная диэлектрическая проницаемость пород (e). Единица измерения e - относительная единица.
14.1.3.3. Один из вариантов реализации ВИК - зондирование с использованием изопараметрических зондов, постоянной величиной которых является произведение частоты излучения на квадрат длины измерительного зонда, а измеряемой величиной - разность фаз сигналов (напряженности магнитного поля) в сближенных измерительных катушках - ВИКИЗ.
Вариант ВИК, основанный на измерении затухания электромагнитного поля, - электромагнитный каротаж по затуханию (ЭМКЗ).
14.1.4. Для изучения изменения электрических параметров пород в радиальном направлении от скважины к неизмененной части пласта применяют комплексирование разноглубинных измерительных зондов одного вида - БКЗ, ИКЗ, ВИКИЗ - либо различных видов, реализующих зонды с разной радиальной глубинностью исследований, например, - МК, БМК, БК, ИК.
14.1.4.1. Для обеспечения достоверной комплексной обработки данных измерения зондами ЭК, ЭМК необходимо проводить при постоянных параметрах промывочной жидкости и раньше других методов ГИС для уменьшения влияния эффектов, связанных с формированием глубоких зон проникновения. Недопустимы промежуточные промывки скважины между регистрацией данных ЭК, ЭМК.
14.1.4.2. Проведение ЭК, ЭМК дополняют измерениями диаметра скважины, резистивиметрией и термометрией и измерением удельного электрического сопротивления проб промывочной жидкости на дневной поверхности.
14.1.5. Для всех методов ЭК, ЭМК, за исключением ПС, выполняют первичные, периодические и полевые калибровки скважинных приборов. Виды, очередность и сроки калибровок типичные для всех скважинных приборов (см. раздел 6).
14.1.5.2. Для калибровок зондов МК, БМК и токовой резистивиметрии применяют стандартные образцы сопротивлений - слабоминерализованный водный раствор, размещенный в металлическом баке.
14.1.5.3. Приборы считаются исправными, если контролируемые параметры укладываются в допуски, указанные в эксплуатационной документации.
- зависимости между показаниями измерительного зонда (кажущиеся электрическое сопротивление ρк и электропроводность sк) и удельным сопротивлением ρп пород в широких диапазонах изменения толщин исследуемых пластов, удельных сопротивлений промывочной жидкости (ρс) и вмещающих пород;
- зависимости показаний ρк от изменений технологических факторов - диаметров скважины, толщин глинистых и шламовых корок;
- программные или палеточные средства, позволяющие провести первичную обработку данных и определить ρп или sп во всем диапазоне измерений.
14.1.6.1. Основные зависимости между измеряемыми величинами и характеристиками горных пород должны базироваться на результатах физического или математического моделирования. Они должны включать:
- интерпретационные модели среды для определения искомых параметров;
- тесты для ситуаций, отражающих типовые геолого-технологические условия района работ;
- примеры воспроизведения всех этапов обработки.
Форма представления зависимостей - графическая на бумажном носителе или файловая, если обеспечена возможность их вывода на печать.
14.1.6.2. Программные (или палеточные) средства должны:
- базироваться на интерпретационной модели, соответствующей геолого-технологическим условиям залегания пород, а при совместной обработке данных разных методов ЭК, ЭМК - на единой модели для всех видов исследований;
- обеспечивать обработку данных во всем диапазоне изменений ρп, sп, ρс, толщин пластов;
- иметь в качестве выходных параметров величины (ρп, ρэп, ρпз, sп), для определения которых предназначен вид исследований или совокупность видов.
- полевой калибровки (тестирования) приборов ЭМК в воздухе и приборов ЭК после их спуска в скважину и полного погружения в промывочную жидкость;
- регистрации нуль- и стандарт-сигналов в исследуемом интервале до начала измерений;
- основного измерения при подъеме прибора;
- повторного измерения;
- контрольного измерения в интервале каверн и при входе в обсадную колонну;
- регистрации нуль- и стандарт-сигналов и тестирования приборов по окончании основного и повторного измерений.
14.1.7.1. Допускается исследование заявленного интервала глубин за несколько операций. В этом случае записи в отдельных интервалах глубин перекрывают, начинают и заканчивают регистрацией нуль- и стандарт- сигналов, полученные данные записывают в отдельные рабочие файлы.
14.1.7.2. Скорость каротажа регламентируется эксплуатационной документацией на отдельные типы приборов. Она не должна превышать 2000 м/ч для ПС, БКЗ, БК, ИК, ВИКИЗ и 1000 м/ч - для микрометодов.
Дискретность регистрации по глубине - 0,1 - 0,2 м, для микрометодов - 0,05 - 0,1 м.
14.1.8.1. Общие критерии предусматривают контроль полноты выполнения заявленного комплекса исследований, соблюдения технологии производства работ, соответствия выполненных калибровок, основного, повторного и контрольного измерений нормативным требованиям (см. раздел 6).
14.1.8.2. Частные критерии основаны на наличии в интервале измерений опорных объектов, обладающих априорно известными геоэлектрическими характеристиками, и сопоставлении измеренных значений сопротивлений и проводимостей с этими характеристиками. Основными опорными объектами для отдельных видов ЭК и ЭМК являются: металлическая обсадная колонна - для МК, БМК, БКЗ, БК; глубокие каверны - МК, БМК; пласты с высоким (более 100 Ом · м) электрическим сопротивлением - ИК, ВИКИЗ; пласты большой толщины - для всех видов ЭК и ЭМК.
Опорными пластами большой толщины служат: изотропные пласты без проникновения для раздельной или совместной обработки данных БКЗ, ИКЗ, ВИКИЗ, а также комплексов БКЗ + БК + ИК, БК + ИК, БМК + БК; анизотропные пласты без проникновения для тех же комплексов при условии, что в интерпретационной модели учитывается электрическая анизотропия; пласты с неглубоким (D/d < 8) проникновением для БКЗ, БКЗ + БК.
14.1.8.3. Для выявления погрешностей измерений используется методическое обеспечение (программы, палетки), удовлетворяющие совокупности следующих условий:
- обработка данных различных зондов проводится совместно в рамках единой интерпретационной модели; интерпретационная модель соответствует опорному пласту;
- количество результатов измерений различными зондами против пласта достаточно как для определения его характеристик, так и для выявления и оценки погрешностей измерений (принцип избыточности информации);
- для выявления погрешностей сравнивают фактические и расчетные данные для каждого зонда в рамках выбранной модели.
14.1.9. Первичную обработку результатов измерений ЭК и ЭМК проводят на основе общих процедур, единых для всех методов ГИС, и частных, устанавливаемых только для ЭК и ЭМК.
14.1.9.1. Описание общих процедур (устранение технических погрешностей записи, увязка кривых по глубине с другими методами и др.) приведено в разделе 6.
14.1.9.2. Частные процедуры предусматривают учет влияния условий измерений и переход от измеренных значений параметров - кажущихся сопротивлений (проводимостей) к истинным удельным электрическим сопротивлениям пласта, зоны проникновения и промытой зоны, а также определение размеров зоны проникновения.
14.2.1. Каротаж потенциалов самопроизвольной поляризации (ПС) предусматривает измерение потенциала или градиента потенциала естественного электрического поля, вызванного самопроизвольной поляризацией горных пород, относительно потенциала на дневной поверхности. Единица измерения - милливольт (мВ).
14.2.2. Измерительный зонд состоит из электрода М, расположенного на изолированном основании (например, среди электродов БКЗ), и удаленного неподвижного электрода (заземления) N, опущенного в емкость с промывочной жидкостью на дневной поверхности. Точка записи ПС совпадает с положением электрода М.
14.2.2.1. Регистрацию потенциалов ПС выполняют одновременно с любыми другими измерениями без ограничений.
14.2.2.2. Электроды M и N изготавливают из свинца для исключения влияния на измеряемую величину нестабильной электродной разности потенциалов.
14.2.2.3. В случае невоспроизводимого смещения кривой ПС, свидетельствующего о нестабильности электродных потенциалов, применяют неполяризующийся электрод М, который представляет собой свинцовый электрод, помещенный в брезентовый мешочек с насыщенным раствором хлористого натрия.
14.2.2.5. При очень высоком уровне блуждающих токов вместо потенциала измеряют градиент потенциала ПС по скважине. Для этого используют зонд с двумя обычными свинцовыми электродами, расположенными на расстоянии 0,2 - 1 м друг от друга.
14.2.2.6. Требования к методическому обеспечению метода заключаются в наличии интерпретационных зависимостей, отражающих влияние на амплитуду ПС условий измерений: толщин и удельных электрических сопротивлений исследуемых пластов, удельных сопротивлений вмещающих пород, удельных сопротивлений и температуры промывочной жидкости.
14.2.3. Первичная и периодические калибровки регламентируются только для цифровых приборов, а полевая - для аналоговых с оцифровкой данных в наземном регистраторе. Калибровка включает запись нуль-сигнала при закороченных электродах М и N и стандарт-сигнала, когда в цепь электродов М и N включен градуированный компенсатор поляризации (ГКП) с напряжением 25, 50, 100 мВ (в зависимости от амплитуд ПС, наблюдаемых в исследуемом разрезе).
14.2.4. Исследования в скважинах выполняют согласно общим требованиям (см. раздел 6).
14.2.5. При записи кривой ПС возможны следующие помехи и искажения:
14.2.5.1. Искажения из-за влияния блуждающих токов и неустойчивости поляризации электродов, которые обнаруживают по изменениям показаний при неподвижном зонде, изменениям кривой ПС при повторном замере, по волнистой форме кривой и наличию на ней не согласующихся с разрезом значений.
Для устранения этих искажений необходимо последовательно:
- изменить положение электрода N в емкости с промывочной жидкостью, погрузить его в скважину или использовать в качестве заземления обсадную колонну;
- выбрать время измерений, когда помехи от блуждающих токов минимальны;
- приостанавливать бурение или эксплуатацию соседних скважин, если помехи вызваны работающими там промышленными установками;
- применить стабильный зонд (пп. 14.2.2.4).
14.2.5.2. Искажения кривой ПС гальванокоррозией груза или кожуха скважинного прибора, возникающие в разрезах, представленных породами с высокими удельными электрическими сопротивлениями. Эти искажения обнаруживают по различиям в кривых ПС, записанных с электродами, находящимися на одинаковом расстоянии от скважинного прибора, а также по сходству отдельных участков кривой ПС с кривой КС.
Влияние гальванокоррозии устраняют удалением электрода М на 5 - 20 м от металлических деталей, являющихся ее источником, или изоляцией этих металлических деталей.
14.2.5.3. Искажения кривой ПС, вызванные ЭДС, индуцируемой в геофизическом кабеле при вращении барабана лебедки с намагниченными стальными деталями. Эта ЭДС накладывается на кривую ПС в виде синусоиды с периодом, соответствующим одному обороту барабана.
Помеху от влияния намагниченности лебедки устраняют размагничиванием или заменой барабана лебедки.
14.2.6. Контроль качества регистрации ПС предусматривает:
14.2.6.1. Сопоставление основной и повторной записей. Относительные расхождения зарегистрированных амплитуд ПС не должны превышать ± 5 %.
14.2.6.2. Определение искажений кривой ПС, вызванных сползанием «линии глин», поляризацией электродов, намагниченностью лебедки, гальванокоррозией, блуждающими токами, которые не должны превышать ± 20 % от максимально возможной амплитуды ПС для пород изучаемого интервала.
14.2.6.3. Подсчет количества сбоев цифровой записи в интервале исследований, которое не должно превышать двух на 100 точек записи данных.
14.2.7. Твердые копии результатов измерений представляют в линейном масштабе в треке Т1 стандарта API (рис. 1). Масштаб кривой выбирают из ряда 25; 12,5; 5 и 2,5 мВ/см таким образом, чтобы она занимала центральную часть трека Т1 в пределах 80 % его ширины.
14.2.7.1. При выполнении полного комплекса ГИС трек Т1 содержит также данные ПС, ГК, ДС.
14.3.1. Боковое каротажное зондирование (БКЗ) - электрический каротаж с использованием нескольких однотипных нефокусированных зондов различной длины, обеспечивающих радиальное электрическое зондирование пород. Измеряемая величина - кажущееся удельное электрическое сопротивление. Единица измерения - ом-метр (Ом · м).
Боковое каротажное зондирование применяют для исследований всех типов разрезов с целью определения:
- радиального градиента электрического сопротивления пород и выделения на этой основе пород-коллекторов, в которые происходит проникновение промывочной жидкости;
- удельных электрических сопротивлений (УЭС) неизмененной части пластов и зон проникновения;
- оценки глубины проникновения.
14.3.2. Стандартная технология БКЗ предусматривает регистрацию за одну спускоподъемную операцию показаний пяти последовательных градиент-зондов - A0,4M0,1N; A1,0M0,1N; A2,4M0,5N; A4,0M0,5N; A8,0M1,0N, - одного обращенного градиент-зонда (обычно M0,5N2,0A), одного потенциал-зонда (обычно N6,0M0,5A или N11,0M0,5A), а также ПС и токовой резистивиметрии.
Длины градиент-зондов определяются как расстояние от непарного электрода А до средней точки между парными электродами М и N, последняя является точкой записи градиент-зонда. Длина потенциал-зонда - расстояние между непарными сближенными электродами, точка записи соответствует средней точке между ними.
Допускается реализация БКЗ нефокусированными зондами других размеров и типов (например, потенциал-зондами) при условии, что для такой технологии имеется метрологическое и методическое обеспечение, удовлетворяющее требованиям п. 14.1.6.
14.3.2.1. Модуль БКЗ может комплексироваться с любыми другими модулями. Техническим ограничением для комплексирования является длина скважинного прибора, включающего «косу» с измерительными электродами.
14.3.2.2. Требования к скважинному прибору БКЗ:
- диапазон измерений - 0,2 - 5000 Ом · м;
- предел допускаемой основной погрешности измерений УЭС - не более ± [2,5 + 0,004(ρв/ρ - 1)] %, где ρв - верхнее значение диапазона измерений, ρ - измеренное значение УЭС;
- допускаемая дополнительная погрешность измерений УЭС, вызванная изменением температуры в скважине, не должна превышать 0,1 от основной погрешности на каждые 10 °C относительно стандартного значения, равного 20 °C.
14.3.2.3. Минимальные требования к методическому обеспечению заключаются в наличии интерпретационных зависимостей, позволяющих определить УЭС пластов:
- неограниченной толщины без проникновения в диапазоне изменений ρп/ρс = 0,25 - 2000 - зависимости ρк/ρс(ρп/ρс, L/d);
- неограниченной толщины с проникновением в диапазонах ρп/ρс = 0,25 - 2000; ρэп/ρс = 4 - 500; D/d = 1 - 16 - зависимости ρк/ρс(ρп/ρс, ρэп/ρс, D/d, L/d).
14.3.3. Первичную, периодические и полевые калибровки, а также исследования скважин ведут согласно общим требованиям раздела 6.
14.3.3.1. Перечень контролируемых параметров общий для скважинных приборов ЭК (пп. 14.1.5.1). Дополнительно контролируется сопротивление изоляции электродов между собой и броней «косы».
Основным средством периодических калибровок является имитатор УЭС в виде магазина сопротивлений, обеспечивающий имитацию УЭС в динамическом диапазоне измерений данного прибора. Помимо магазина сопротивлений, используют также реостат сопротивлений, цифровой вольтметр, рулетку и штангенциркуль (для контроля геометрических размеров элементов зондов), мост постоянного тока (для контроля имитаторов УЭС), мегаомметр (для проверки сопротивления изоляции электродов между собой и броней «косы»).
14.3.3.2. Результатами полевой калибровки являются значения нуль- и стандарт-сигналов и их соответствие значениям, установленным для данного прибора при первичной и последней периодической калибровках.
14.3.4. Исследования выполняют согласно п. 14.1.7 в начальный период геофизических работ, чтобы исключить влияние эффектов, связанных с образованием глубоких зон проникновения.
14.3.5. Основные положения контроля качества измерений регламентируются п. 6.6.3 и п. 14.1.8. Кроме того:
14.3.5.1. Расхождения значений стандарт-сигналов, зарегистрированных до и после измерений и в процессе последней периодической калибровки, не должны превышать допускаемое значение основной погрешности измерений.
14.3.5.2. Относительные расхождения между основным и повторным измерениями в интервалах с номинальным диаметром скважины должны находиться в пределах ± 20 %.
14.3.5.3. При обработке данных БКЗ для опорных пластов большой толщины фактические значения кажущегося сопротивления для всех зондов не должны отличаться от расчетных в рамках выбранной интерпретационной модели более чем на ± 10 % (для зонда A0,4M0,1N - не более ± 20 %).
Результаты измерений каким-либо зондом, не удовлетворяющим этому критерию, допускается использовать для дальнейшей обработки при условии:
- погрешность носит систематический характер, что устанавливают по результатам обработки для нескольких пластов большой толщины и различного УЭС;
- тип (смещение нуля или искажение масштаба записи) и величина погрешности могут быть установлены сопоставлением фактических и расчетных данных, при этом величина погрешности должна быть одинаковой для всех опорных пластов.
14.3.5.4. Измерения зондами БКЗ должны быть повторены, если на кривых наблюдаются следующие искажения:
- отсутствует повторяемость основной и повторной записей;
- наблюдаются незакономерные колебания и скачки измеряемых сигналов при движении кабеля и его остановке, иззубренность кривых длинных зондов, заходы кривых за нуль;
- показания зондов на контрольной записи в металлической колонне отличаются от нуля;
- значения ρк против опорных пластов заметно отличаются от найденных в соседних скважинах.
14.3.6. На твердых копиях результаты измерений представляют в треках T1, Т2, Т3 (рис. 1).
14.4.1. Микрокаротаж (МК) - электрические исследования двумя микрозондами (градиент-микрозондом и потенциал-микрозондом) существенно малой длины, установленными на прижимном изоляционном башмаке. Измеряемая величина - кажущееся удельное электрическое сопротивление прискважинной зоны в пределах радиуса исследования каждого зонда. Единица измерения - ом-метр (Ом · м).
14.4.1.1. Данные МК применяют:
- для выделения коллекторов и определения их эффективных толщин по радиальному градиенту электрического сопротивления;
- определения УЭС промытой зоны (ограниченно);
- приближенной оценки УЭС промывочной жидкости в интервалах каверн.
14.4.1.2. Благоприятные для МК условия измерений выполняются в вертикальных и слабонаклонных скважинах номинального диаметра, заполненных пресной промывочной жидкостью, при небольших значениях отношений УЭС пород и промывочной жидкости (ρп/ρс < 500), а для выделения коллекторов - ρп/ρс < 5.
14.4.1.3. Информативность исследований снижается:
- при неудовлетворительном состоянии ствола скважины для проведения измерений приборами с прижимными зондовыми установками (существенные изменения диаметра и формы сечения ствола скважины, препятствующие плотному прилеганию башмака микрозонда к стенке скважины);
- при отсутствии глинистых корок, когда бурение ведут на технической воде;
- при очень толстых глинистых или шламовых корках;
- при больших значениях ρп/ρс.
14.4.2. Прибор МК обычно содержит градиент-микрозонд A0,025M0,025N и потенциал-микрозонд А0,05М, размещенные на выносном электроизоляционном башмаке. Корпус прибора служит вторым (обратным) токовым электродом (В) для обоих зондов и измерительным электродом N для потенциал-микрозонда. Комплексный скважинный прибор микрометодов содержит также второй изоляционный башмак, на котором расположен измерительный зонд бокового микрокаротажа. Расстояние между башмаками соответствует показаниям микрокаверномера. Длина градиент-микрозонда - расстояние от непарного электрода А до средней точки между парными электродами М и N; последняя является точкой записи. Длина потенциал-микрозонда - расстояние между непарными электродами; за точку записи принимают середину между токовым и измерительным электродами. Для применяемых размеров зондов МК точки записи считают совпадающими.
14.4.2.1. Модуль МК комплексируется с модулями других методов ГИС без ограничений.
Исследования микрометодами выполняют отдельной спуско-подъемной операцией, одновременно регистрируя при подъеме прибора кривые МК, БМК и микрокаверномера.
14.4.2.2. Для скважин диаметром более 190 мм башмак микрозондов имеет размеры 100´200 мм и радиус кривизны лицевой поверхности 100 мм, для скважин меньшего диаметра - 70´190 мм и 75 мм соответственно.
14.4.2.3. Требования к скважинному прибору:
- диапазон измерений УЭС для микрозондов должен быть от 0,05 до 40 Ом · м;
- предел допускаемой основной погрешности измерений УЭС - ± [4 + 0,1(ρв/ρ - 1)] %, где ρв - верхнее значение диапазона измерений, ρ - измеренное значение УЭС;
- допускаемая дополнительная погрешность измерений УЭС, вызванная изменением температуры в скважине, не должна превышать 0,1 значения основной погрешности на каждые 10 °C относительно стандартного значения, равного 20 °C.
14.4.2.4. Методическое обеспечение составляют зависимости показаний (значений кажущегося электрического сопротивления) градиент- и потенциал-микрозондов от диаметра скважины, удельного электрического сопротивления промывочной жидкости и промытой зоны пород, удельного электрического сопротивления и толщины глинистой корки.
14.4.3. Первичную, периодические и полевые калибровки проводят согласно общим требованиям раздела 6. Дополнительные требования следующие:
14.4.3.1. Обязательные контролируемые параметры и показатели включают:
- сопротивление изоляции электродов между собой и корпусом зонда, которое должно быть не менее 2 МОм;
- коэффициенты преобразования каналов;
- фактические коэффициенты зондов МК;
- основную относительную погрешность при измерении кажущегося сопротивления в динамическом диапазоне измерений каждого зонда;
- стабильность стандарт- и нуль-сигналов.
14.4.3.2. Основными средствами калибровки являются стандартный образец и имитаторы УЭС. Стандартным образцом УЭС является слабоминерализованный водный раствор хлористого натрия (ρс = 1 - 20 Ом · м), помещенный в металлический бак с размерами не менее 1´1´2 м; имитатором - магазин сопротивлений, обеспечивающий имитацию УЭС в динамическом диапазоне измерений.
Для проведения калибровки используют также образцовые средства измерений: мегаомметр (для проверки сопротивления изоляции зондовой установки); рулетку и штангенциркуль (для контроля геометрических размеров элементов скважинного прибора); резистивиметр (для определения УЭС стандартного образца); мост постоянного тока (для контроля имитаторов УЭС).
14.4.3.3. Прибор считается исправным, если коэффициенты зондов отличаются от номинальных не более чем на ± 5 %, а фактические значения относительных погрешностей измерений и погрешности установки стандарт- и нуль-сигналов укладываются в допуски, указанные в эксплуатационной документации на прибор.
14.4.4. Исследования проводят согласно требованиям п. 14.1.7 после выполнения других видов ЭК и ЭМК.
14.4.5. Основные положения контроля качества измерений регламентируются п. 6.6.3 и п. 14.1.8. Дополнительные критерии заключаются в следующем:
14.4.5.1. Расхождения значений стандарт-сигналов, зарегистрированных до и после измерений и в процессе последней периодической калибровки, не должны превышать значение допускаемой основной погрешности измерений. Расхождение значений ρк, измеренных в колонне, и значений нуль-сигнала должны находиться в пределах ± 10 %.
14.4.5.2. Относительные расхождения показаний основного и повторного измерений не должны превышать ± 20 % в интервалах с номинальным диаметром скважины.
14.4.5.3. Показания потенциал- и градиент-микрозонда в интервале глубоких каверн (dc > 0,35 м) не должны отличаться друг от друга и от УЭС промывочной жидкости более чем на ± 20 %.
14.4.5.4. Показания потенциал- и градиент-микрозонда против плотных пластов с номинальным диаметром скважины должны быть не менее (10 - 15)ρс и различаться между собой не более чем на ± 30 %.
14.4.6. На твердых копиях результаты измерений представляют в треке Т2 стандарта API (рис. 1).
14.5.1. Каротаж потенциалов вызванной поляризации в варианте электрического каротажа (ВП) - это электрические исследования, основанные на измерении разности потенциалов, вызванных электрической поляризацией горных пород под действием первичного поляризующего поля.
Исследования применяют для выявления пород, содержащих вкрапленные минералы с электронной проводимостью (участки пиритизации и др.), и связанных с ними специфичных интервалов разреза - битуминозных отложений, зон окисленной нефти, контактов «вода-углеводороды», в том числе палеоконтактов, поверхностей несогласий и др.; выделения пластов с различным содержанием углистого материала.
Данные ВП могут быть использованы для литологического расчленения разреза (иногда более детального, чем по ПС), в том числе для выделения: тонких алевритовых прослоев в песчаных толщах; коллекторов, включая трещинные, в низкопроницаемых объектах; интервалов разреза с различной минерализацией пластовых вод, включая участки обводнения коллекторов пресными нагнетаемыми водами.
14.5.2. В приборах для измерения потенциалов ВП используются обычные трехэлектродные зонды с расстояниями AM = 0,04 - 0,1 м и MN (AB) = 2 - 5 м.
Эффективность исследований повышается при использовании специальных четырехэлектродных потенциал-зондов (например, A10,04M0,04A25,0B), конструкции которых (симметричное и близкое расположение измерительного электрода М относительно раздвоенного токового электрода А) позволяют исключить поляризационное влияние электрода A на электрод M.
14.5.2.1. Допускается регистрация как потенциалов, так и градиента потенциалов ВП. Рекомендуется первый подход, при котором для каждой точки глубины измеряют: I - силу поляризующего тока; DU - разность потенциалов внешнего поляризующего поля; DUкс - разность потенциалов, необходимую для оценки кажущегося сопротивления; DUвп(t) - разность потенциалов ВП через промежуток времени t, прошедший после выключения поляризующего тока.
Допускается измерение одного значения DUвп (желательно для t = 0,5 с), но рекомендуется регистрация для каждого кванта глубин пакета значений DUвп(ti) (0 £ ti £ tmax, тi+1 - ti = Dt, где tmax определяется шагом квантования по глубине и скоростью каротажа, а значение Dt - подбирается в процессе опытно-методических работ и имеет порядок первых десятков мкс).
14.5.3. Калибровки скважинного прибора выполняют согласно общим требованиям раздела 6.
14.5.4. Исследования скважин проводят согласно требованиям п. 14.1.7. Дополнительные требования заключаются в следующем:
14.5.4.1. Для получения оптимальных результатов силу тока подбирают опытным путем в диапазоне от 10 до 500 мА.
14.5.4.2. Скорость каротажа рассчитывают исходя из принятого шага квантования по глубине и максимального времени измерения DUвп.
14.5.5. Контроль качества материалов сводится к проверке информации о поляризующем токе (сила тока, частота). Значение DUвп против чистых глин должно быть близким к нулю.
14.5.6. Первичная обработка состоит в расчете значений DUвп и расчете вызванной электрохимической активности Aв пород как отношения DUвп/DU. Выполнение других процедур, в том числе обработка спектральных данных, не регламентируется.
14.5.7. Форма представления данных на твердых копиях не регламентируется. Обязательно представление кривых DUвп(t) или DUвп и Ав(t) или Ав при единичном измерении.
14.6.1. Резистивиметрия - вид исследования, предназначенный для определения удельного электрического сопротивления жидкости, заполняющей скважину.
В открытом стволе данные резистивиметрии предоставляют информацию об УЭС промывочной жидкости, необходимую для количественной обработки данных ЭК и ЭМК. Метод применяют также для определения интервалов поглощения промывочной жидкости в скважине.
14.6.2. Простейший измерительный зонд токовой резистивиметрии представляет собой обычный четырехэлектродный зонд сопротивления малого размера, полностью погруженный в жидкость и расположенный в верхней части изоляционной «косы» скважинных приборов БКЗ, стандартного каротажа, БК.
Для уменьшения влияния горных пород и обсадной колонны на измеряемые значения удельного электрического сопротивления промывочной жидкости один из измерительных электродов (N) выполнен в виде выпуклых ребер, не позволяющих приближаться двум другим электродам (центральному измерительному M и кольцевому токовому A) к стенке скважины. Вторым токовым электродом B служит заземление на дневной поверхности.
14.6.2.1. Зонд токовой резистивиметрии (и измерения) комплексируют с приборами БКЗ, БК и комплексных приборов, объединяющих измерительные зонды стандартного каротажа, БК, ИК.
14.6.2.2. Требования к измерительному зонду заключаются: в измерении значений удельного электрического сопротивления жидкости в диапазоне не менее 0,1 - 30 Ом · м; исключении влияния горных пород и колонны на величину измеряемого УЭС.
14.6.3. Калибровки резистивиметра проводят согласно общим требованиям раздела 6, размещая измерительный зонд в баке с водой, удельное электрическое сопротивление которой находится в диапазоне измерения УЭС токовым резистивиметром.
14.6.4. Измерения в скважине удельного сопротивления промывочной жидкости проводят согласно требованиям п. 14.1.7. Дополнительные требования заключаются в следующем:
14.6.4.1. Измерения ведут одновременно с исследованиями скважины зондами БКЗ, БК.
14.6.4.2. Повторное и контрольное измерения не проводят.
14.6.4.3. Одновременно с измерениями в скважине выполняют отбор и измерение УЭС проб промывочной жидкости поверхностным резистивиметром.
14.6.5. Основные положения контроля качества измерений регламентируются требованиями раздела 6. Дополнительные требования следующие:
14.6.5.1. На записанной кривой, как правило, должно наблюдаться монотонное уменьшение УЭС промывочной жидкости с глубиной вследствие повышения температуры.
14.6.5.2. Значения УЭС промывочной жидкости, измеренные скважинным и поверхностным резистивиметром и исправленные за влияние температуры, должны отличаться не более чем на ± 20 %.
14.6.5.3. Значения УЭС промывочной жидкости, измеренные резистивиметром, и значения УЭС, найденные по результатам обработки данных БКЗ, БК, ИК против непроницаемых пластов большой толщины и высокого сопротивления, а также по данным МК в интервалах каверн, должны отличаться между собой не более чем на ± 20 %.
14.6.6. На твердых копиях кривую резистивиметрии отображают в линейном масштабе в треке глубин TD (рис. 1).
14.7.1. Боковой каротаж (БК) - электрические исследования фокусированными зондами с фокусировкой тока в радиальном направлении с помощью экранных электродов. Измеряемая величина - кажущееся удельное электрическое сопротивление. Единица измерения - ом-метр (Ом · м).
Значения кажущихся сопротивлений ρк, измеряемые при боковом каротаже, слабо искажаются влиянием скважины и вмещающих пород. Поэтому БК эффективен для изучения разрезов с частым чередованием пластов, характерным, например, для карбонатных пород, а также в условиях высоких отношений удельных сопротивлений пород ρп и промывочной жидкости ρс.
Благодаря высокому вертикальному разрешению БК целесообразно применять также для исследования терригенных разрезов, разбуренных на пресных и минерализованных промывочных жидкостях.
14.7.2. Для проведения БК применяют одно- и многозондовые приборы, а также комплексные приборы, содержащие зонды БК и других методов ЭК и ЭМК. Техническим ограничением комплексирования является длина скважинного прибора. Целесообразно комплексирование БК с БКЗ с использованием единой изоляционной «косы».
14.7.2.1. В приборах БК применяют трех- и многоэлектродные (пяти-, семи-, девятиэлектродные) измерительные зонды.
За точку записи зондов БК принимается середина центрального электрода.
14.7.2.2. В многозондовых приборах БК применяют комбинации трех- и пяти, семи- и девятиэлектродного измерительных зондов с различными радиусами исследования для изучения распределения электрического сопротивления пород в радиальном направлении.
14.7.2.3. Фокусировку тока в измерительных зондах БК осуществляют аппаратно непосредственным регулированием потенциалов электродов зонда либо расчетным (программным) путем по результатам измерения составляющих поля от токов через основной и экранный электроды зонда.
14.7.2.4. Требования к скважинному прибору (модулю) БК:
- диапазон измерений УЭС - от 0,2 до 10000 Ом · м;
- предел допускаемой основной погрешности измерений УЭС - не более ± 5 %;
- допускаемая дополнительная погрешность измерений УЭС, вызванная изменением температуры в скважине, не должна превышать 0,1 от значения основной погрешности на каждые 10 °C относительно стандартного значения, равного 20 °C.
14.7.2.5. Минимальные требования к методическому обеспечению заключаются в наличии интерпретационных зависимостей, отражающих влияние на измеренные значения ρк условий измерений: диаметра скважины (dc) и удельного сопротивления ρс промывочной жидкости для пласта неограниченной толщины без проникновения; ограниченной толщины пласта без проникновения; параметров зоны проникновения для пласта неограниченной толщины с проникновением.
14.7.3. Первичную, периодические и полевые калибровки выполняют согласно общим требованиям раздела 6.
14.7.3.1. Перечень контролируемых параметров общий для приборов ЭК (пп. 14.1.5.1).
14.7.3.2. Основным средством калибровки является имитатор УЭС в виде магазина сопротивлений, обеспечивающий имитацию УЭС в динамическом диапазоне измерений. Для проведения калибровки, помимо магазина сопротивлений, используют реостат сопротивлений, цифровой вольтметр, рулетку и штангенциркуль (для контроля геометрических размеров элементов прибора), мост постоянного тока (для контроля имитаторов УЭС).
14.7.3.3. При наличии полевых калибраторов или встроенных в прибор источников стандартных сигналов результатами полевой калибровки являются значения нуль- и стандарт-сигналов и их соответствие значениям, установленным для данного типа прибора при первичной и последней периодической калибровках.
14.7.4. Исследования выполняют согласно требованиям п. 14.1.7 в начальный период геофизических работ, чтобы исключить влияние эффектов, связанных с формированием глубоких зон проникновения.
14.7.5. Основные положения контроля качества первичных данных регламентируются разделом 6. Специальные критерии заключаются в следующем:
14.7.5.1. Расхождения значений стандарт-сигналов, зарегистрированных до и после измерений и в процессе последней периодической калибровки, не должны превышать значение допустимой основной погрешности измерений.
14.7.5.2. Относительные расхождения между основным и повторным измерениями не должны превышать ± 20 % в интервалах с номинальным диаметром скважины.
14.7.5.3. Для однородных изотропных пластов без проникновения значения УЭС пород, измеренные зондами БК, должны отличаться не более чем на ± 20 %, от значений ρп, найденных другими методами, если обработка проводится в рамках единой интерпретационной модели, а искомые значения удельных сопротивлений находятся в диапазонах: 5 < ρп/ρс < 500 при толщине пласта h > 5 м, если сравнивают результаты определений БК и БКЗ; 5 < ρп/ρс < 50 при h > 4 м и ρс > 0,5 Ом · м, если сравнивают результаты БК и ИК.
14.7.6. На твердых копиях результаты измерений БК представляют в логарифмическом масштабе в треке Т2 (рис. 1).
14.8.1. Боковой микрокаротаж (БМК) - электрические исследования фокусированным микрозондом, установленном на прижимном изоляционном башмаке. Измеряемая величина - кажущееся удельное электрическое сопротивление прискважинной зоны в пределах радиуса исследования зонда. Единица измерения - ом-метр (Ом · м).
14.8.1.1. Данные БМК применяют для выделения коллекторов и определения их эффективных толщин по радиальному градиенту электрического сопротивления, если используются многозондовые приборы БМК или комплекс данных БМК и других методов ЭК; для определения УЭС промытой части пластов и оценки остаточной нефтегазонасыщенности.
14.8.1.2. Благоприятные для БМК условия измерений выполняются в вертикальных и слабонаклонных скважинах номинального диаметра, заполненных пресной или минерализованной промывочной жидкостью.
14.8.1.3. Качество материалов снижается при неудовлетворительном для проведения измерений приборами с прижимными зондами состоянии ствола скважины вследствие существенных изменений диаметра и формы сечения ствола скважины, препятствующих плотному прилеганию башмака к стенке скважины.
14.8.2. В приборах БМК применяют боковые микрозонды с трубчатой или радиально-сферической фокусировкой тока.
Наибольшее распространение получили двух- и трехэлектродные микрозонды с трубчатой фокусировкой тока. Двухэлектродный боковой микрозонд содержит на лицевой поверхности башмака центральный электрод Ао и охватывающий его экранный электрод Аэ одновременно являющийся измерительным электродом М. У трехэлектродного зонда имеется дополнительный контрольный измерительный электрод M, расположенный между электродами Aо и Аэ. Обратным токовым электродом В и измерительным электродом N служит корпус прижимного устройства.
За точку записи зонда БМК принимают середину центрального электрода Ао.
14.8.2.1. Модуль бокового микрокаротажа комплексируется с модулями других методов ГИС без ограничений. Исследования выполняют отдельной спускоподъемной операцией, одновременно регистрируя при подъеме прибора кривые БМК, МК и микрокаверномера.
14.8.2.2. Существуют одно- и многозондовые варианты приборов БМК. В многозондовых приборах БМК используют зонды с различным радиусом исследования для изучения распределения электрического сопротивления в радиальном направлении или зонды с одинаковым радиусом исследования для изучения распределения электрического сопротивления в азимутальной плоскости.
14.8.2.3. Для размещения электродов БМК применяют изоляционные башмаки тех же размеров, что и для МК: площадью 100´200 мм и радиусом кривизны лицевой поверхности 100 мм для скважин диаметром 190 мм и более; для скважин меньшего диаметра - 70´190 мм и 75 мм соответственно.
14.8.2.4. Требования к скважинным приборам БМК:
- диапазон измерений УЭС - от 0,2 до 500 Ом · м;
- предел допускаемой основной погрешности измерений УЭС - ± 5 %;
- предел допускаемой дополнительной погрешности измерений УЭС, вызванной изменением температуры в скважине, не должен превышать ± 0,5 % на каждые 10 °C относительно стандартного значения, равного 20 °C.
14.8.2.5. Методическое обеспечение БМК составляют зависимости показаний измерительного зонда (значений кажущегося электрического сопротивления) от диаметра скважины, удельного электрического сопротивления промывочной жидкости и промытой зоны пород, удельного электрического сопротивления и толщины глинистой корки.
14.8.3. Первичную, периодические и полевые калибровки проводят согласно общим требованиям раздела 6. Дополнительные для метода требования следующие:
14.8.3.1. Обязательные контролируемые параметры и показатели включают:
- сопротивление изоляции электродов между собой и корпусом зонда, которое должно быть не менее 2 МОм;
- фактический коэффициент зонда БМК;
- основную относительную погрешность при измерении кажущегося сопротивления во всем динамическом диапазоне измерений зонда;
- стабильность стандарт- и нуль-сигналов.
14.8.3.2. Основными средствами калибровки являются стандартный образец и имитаторы УЭС. Стандартным образцом служит слабоминерализованный водный раствор (ρс - 1 - 20 Ом · м), помещенный в металлический бак с размерами не менее 1´1´2 м; имитатором - магазин сопротивлений, обеспечивающий имитацию УЭС в динамическом диапазоне измерений.
Для проведения калибровки используют также образцовые средства измерений: мегаомметр (для проверки сопротивления изоляции зондовой установки); рулетку и штангенциркуль (для контроля геометрических размеров элементов скважинного прибора); резистивиметр (для определения УЭС стандартного образца); мост постоянного тока (для контроля имитаторов УЭС).
14.8.3.3. Прибор считается исправным, если коэффициент бокового микрозонда отличается от номинального значения не более чем на ± 5 %, а фактические значения относительных погрешностей измерений и погрешности установки стандарт- и нуль-сигналов укладываются в допуски, указанные в эксплуатационной документации на прибор.
14.8.4. Исследования проводят согласно требованиям п. 14.1.7 после выполнения других видов ЭК и ЭМК.
14.8.5. Основные положения контроля качества измерений регламентируются п. 6.6.3 и п. 14.1.8. Дополнительные критерии заключаются в следующем:
14.8.5.1. Расхождения значений стандарт-сигналов, зарегистрированных до и после измерений и в процессе последней периодической калибровки, не должны превышать значение допускаемой основной погрешности измерений; расхождения значений ρк, измеренных в колонне, и значений нуль-сигнала должны находиться в пределах ± 0,5 Ом · м.
14.8.5.2. Относительные расхождения между основными и повторными измерениями не должны превышать ± 20 % в интервалах с номинальным диаметром скважины.
14.8.5.3. Минимальные значения кажущегося сопротивления в интервалах глубоких каверн (dс > 0,35 м), где башмак не прижимается к стенке скважины, отличаются от УЭС промывочной жидкости не более чем на ± 20 %.
14.8.5.4. Значения кажущихся УЭС однородных изотропных пластов без глинистой корки и проникновения не должны отличаться от значений УЭС, найденных по данным БКЗ или БК более чем на ± 30 %.
14.8.6. На твердых копиях результаты измерений представляют в логарифмическом масштабе в треке ТЗ стандарта API (рис. 1).
При выполнении измерений комплексным прибором трек Т1 содержит также данные микрокаверномера, трек Т2 - данные микрокаротажа.
14.9.1. Индукционный каротаж (ИК) основан на измерении кажущейся удельной электрической проводимости sк пород в переменном электромагнитном поле в частотном диапазоне от десятков до сотен килогерц.
Реализованы варианты измерения как активной компоненты кажущейся удельной электрической проводимости sка, которая пропорциональна ЭДС, синфазной току генераторной цепи зонда, так и реактивной компоненты sкр, пропорциональной ЭДС, сдвинутой по фазе относительно тока генераторной цепи зонда на величину p/2. Единица измерения - сименс на метр (См/м), дробная - миллисименс на метр (мСм/м).
14.9.1.1. Основное назначение ИК, выполненного с помощью многозондовых приборов, состоит в определении геоэлектрических характеристик разреза - УЭС неизмененной части пласта и зоны проникновения, а также глубины зоны проникновения. При использовании однозондовых приборов решение этих задач может достигаться комплексированием данных ИК с данными БКЗ и БК.
14.9.1.2. Типовые условия применения метода - скважины, заполненные любой промывочной жидкостью и вскрывшие породы с удельным электрическим сопротивлением менее 500 Ом · м.
14.9.1.3. Применение метода ограничивается: при высоком содержании в промывочной жидкости компонент с сильными магнитными свойствами; если значения удельного электрического сопротивления пород превышают 500 Ом · м, для малоглубинных зондов ИК и зондов со слабым исключением влияния скважины - на высокоминерализованных промывочных жидкостях.
14.9.2. Простейший измерительный зонд ИК состоит из генераторной и измерительной цепей, содержащих, по крайней мере, по одной катушке - генераторной и измерительной. Реально общее число катушек зонда ИК, как правило, не меньше 3 и не больше 8. При построении многозондовых приборов ИК одну из цепей (генераторную или измерительную) выбирают общей для всех зондов.
Длина зонда ИК - расстояние между основными генераторной и измерительной катушками. Точку на оси зонда, для которой проходящая через нее и перпендикулярная оси зонда плоскость делит все пространство на два полупространства с равными геометрическими факторами, принимают за точку записи.
14.9.2.1. Прибор (модуль) ИК комплексируют с модулями других методов ГИС без ограничений.
14.9.2.2. Требования к скважинному прибору (модулю) ИК:
- диапазон измерений удельной электрической проводимости - 2 - 2500 мСм/м;
- коэффициент фазовой отстройки активной компоненты от реактивной - не менее 20;
- предел допускаемой основной погрешности измерений - не более (0,03sк ± 1) мСм/м, где sк - измеренное значение кажущейся проводимости;
- допускаемая дополнительная погрешность измерений, вызванная изменением температуры среды, не более 0,2 от основной погрешности на каждые 10 °C относительно стандартного значения температуры, равного 20 °C;
- допускаемая дополнительная погрешность, вызванная изменением тока питания на ± 10 % от номинального, - не более 0,5 от основной погрешности;
- стабильность нулевого уровня в нормальных условиях - не хуже ± 2 мСм/м для активной компоненты сигнала и ± 4 мСм/м для реактивной компоненты;
- тест-кольцо (полевой калибратор) должно воспроизводить значения эквивалентных проводимостей в диапазоне 2 - 2500 мСм/м с погрешностью по активной и реактивной компонентам сигнала не более ± 2 % по модулю сигнала и ± 0,02 рад по его фазе.
14.9.2.3. Минимальные требования к методическому обеспечению заключаются в наличии зависимостей, отражающих влияние на показания зонда: диаметра скважины и удельного сопротивления промывочной жидкости; скин-эффекта; ограниченной толщины пласта без проникновения; параметров зоны проникновения для пласта неограниченной толщины с проникновением.
14.9.3. Первичную, периодическую и полевую калибровки выполняют согласно общим требованиям раздела 6.
14.9.3.1. Перечень контролируемых параметров общий для скважинных приборов ЭК и ЭМК (пп. 14.1.5.1).
14.9.3.2. Основным средством калибровки является тест-кольцо с набором тест-вставок, имитирующих фиксированные значения показаний зонда в диапазоне измеряемых величин.
14.9.3.3. При использовании наземных панелей и оцифровке сигнала с помощью регистратора полевую калибровку прибора на скважине проводят измерением до и после каротажа нуль- и стандарт-сигналов в воздухе на достаточном удалении от металлических предметов. Допускается проведение полевой калибровки с помощью тест-кольца.
14.9.4. Исследования в скважинах прибором ИК проводят согласно требованиям п. 14.1.7 непосредственно после проведения БКЗ, БК или одновременно с ними.
14.9.5. Контроль качества первичных данных осуществляется согласно требованиям п. 6.6.3 и п. 14.1.8. Кроме того:
14.9.5.1. Смещение нуля, определяемое как разность нуль-сигналов при полевых калибровках до и после каротажа, не должно превышать ± 6 мСм/м для активного и ± 10 мСм/м для реактивного каналов каждого из зондов.
14.9.5.2. Относительные расхождения значений стандарт-сигналов, зарегистрированные до и после проведения каротажа и при последней периодической калибровке, должны отличаться не более чем на ± 5 %.
14.9.5.3. Расхождения между основным и повторным замерами не должны превышать ± 3 мСм/м плюс 5 % от текущего значения для активной компоненты сигнала и ± 5 мСм/м плюс 5 % от текущего значения для реактивной компоненты сигнала.
14.9.5.4. В непроницаемых пластах большой толщины после введения поправок за скин-эффект значения кажущегося сопротивления, вычисленные по активной и реактивной компонентам для различных зондов ИК, не должны различаться более чем на ± 10 % при сопротивлении пород менее 20 Ом · м. В таких пластах значения сопротивлений, найденные по данным ИК, не должны различаться от сопротивлений, определенных по другим методам электрического каротажа (БКЗ, БК), более чем на ± 20 %. Возможны несколько меньшие значения сопротивления по ИК вследствие влияния анизотропии на показания зондов БКЗ и БК.
14.9.5.5. Активные компоненты кажущихся проводимостей могут иметь отрицательные аномалии только в экстраординарных случаях: в интервалах протяженностью не более 1 м на границах пластов с высокой контрастностью УЭС; при сильной кавернозности ствола скважины, заполненной высокоминерализованной промывочной жидкостью; для некоторых зондов в пластах с низкими значениями УЭС в результате инверсии кривой скин-эффекта.
Отрицательные значения на кривых активных компонент в других случаях обусловлены «сдвигом нуля» прибора, что должно быть скорректировано при первичной обработке данных.
14.9.5.6. При высоком УЭС однородной среды (ρв > 200 Ом · м) активная компонента кажущейся проводимости практически равна удельной электрической проводимости среды (sка < sп); реактивная компонента кажущейся проводимости практически равна нулю при ρп > 40 - 100 Ом · м. Эти факты можно использовать при оценке «сдвига нуля» измеряемых сигналов.
14.9.5.7. Количество сбоев цифровой записи первичных данных в интервале исследований не должно превышать двух на 100 точек записи.
14.9.6. На твердых копиях результаты измерений проводимости представляют в линейном масштабе в треке Т2 стандарта API, а при их выводе как кривых сопротивлений - в логарифмическом масштабе в том же треке (рис. 1).
14.10.1. Высокочастотное индукционное каротажное изопараметрическое зондирование (ВИКИЗ) представляет собой измерение параметров магнитного поля трехкатушечными индукционными зондами, обладающими геометрическим и электродинамическим подобием.
Измеряемой величиной в методе ВИКИЗ является разность фаз Dj гармонического магнитного поля, распространяющегося в проводящей среде от источника излучения до приемников, удаленных от источника на различные расстояния (база измерения). Разность фаз характеризует удельное электрическое сопротивление пород и электрические неоднородности прискважинной зоны, которые учитывают итерационным подбором интерпретационных моделей. Выходные расчетные величины после обработки первичных данных - удельные сопротивления зоны проникновения, окаймляющей зоны и удаленной от скважины части пласта, незатронутого проникновением, а также глубина зоны проникновения.
14.10.1.1. ВИКИЗ выполняют с целью определения:
- радиального градиента электрического сопротивления и выделения на этой основе пород-коллекторов, в которые происходит проникновение промывочной жидкости;
- удельного электрического сопротивления частей пластов, незатронутых проникновением, зон проникновения и окаймляющих их зон с одновременной оценкой глубины измененной части пласта;
- характера насыщенности пород;
- положений контактов углеводородов с водой и протяженности переходных зон;
- а также мониторинга эксплуатационных скважин, обсаженных диэлектрическими трубами.
14.10.1.2. Благоприятные условия для ВИКИЗ выполняются в вертикальных, наклонных и горизонтальных скважинах, заполненных пресной либо минерализованной промывочной жидкостью, удельное сопротивление которой более 0,02 Ом · м, и промывочной жидкостью на нефтяной основе. Диапазон измерения удельных сопротивлений пород от 1 до 200 Ом · м.
14.10.1.3. Исследования не проводят в скважинах, заполненных сильно минерализованной промывочной жидкостью, удельное сопротивление которой менее 0,02 Ом · м.
Качество материалов снижается в скважинах диаметром более 0,4 м. Последнее ограничение ослабляется при центрировании скважинного прибора.
14.10.2. Стандартная технология ВИКИЗ (см. подраздел 2.8) предусматривает регистрацию за одну спускоподъемную операцию показаний пяти разноглубинных зондов индукционного каротажа и потенциала самопроизвольной поляризации (ПС) пород.
В измерительном зонде все излучающие и приемные катушки коротких зондов размещены между излучающей и приемной катушками двухметрового зонда. Длины зондов уменьшаются последовательно, начиная с зонда двухметровой длины; коэффициент уменьшения - корень квадратный из двух. Самый короткий зонд имеет длину 0,5 м. База измерения равна расстоянию между приемниками и составляет пятую часть от длины зонда. Для двухметрового зонда база равна 0,4 м, а для наименьшего зонда - 0,1 м.
Точка записи - середина базы измерения. Электрод ПС размещен в нижней части защитного контейнера.
14.10.2.1. Модуль ВИКИЗ комплексируется с другими модулями ГИС без ограничений в качестве непроходного модуля, размещенного в нижней части комбинированного прибора.
14.10.2.2. Требования к скважинному прибору ВИКИЗ:
- нормируемой метрологической характеристикой является кажущееся удельное сопротивление, однозначно связанное с измеряемой разностью фаз, диапазон определения кажущегося удельного сопротивления - 1 - 200 Ом · м;
- предел допускаемой основной погрешности определений - не более ± (5 + 20ρ/ρв) %, где ρ - рассчитанное значение кажущегося УЭС, ρв - верхнее значение определяемого УЭС для данного диапазона измерения разности фаз;
- допускаемая дополнительная погрешность определения УЭС, вызванная изменением температуры в скважине, не должна превышать 0,2 от значения основной погрешности на каждые 10 °C относительно стандартного значения, равного 20 °C;
- допускаемая дополнительная погрешность измерения, вызванная изменением напряжения питания в диапазоне ± 10 %, не должна превышать 0,2 от значения основной погрешности.
14.10.2.3. Минимальные требования к методическому обеспечению заключаются в наличии интерпретационных зависимостей, позволяющих определить: УЭС пластов ограниченной толщины с учетом влияния скин-эффекта, диаметра скважины, удельного сопротивления промывочной жидкости и вмещающих пород при отсутствии проникновения; параметры (диаметр и удельное электрическое сопротивление) зоны проникновения и окаймляющей зоны в пластах неограниченной толщины.
14.10.3. Первичную и периодические калибровки выполняют согласно общим требованиям раздела 6.
Полевая калибровка выполняется, если при исследованиях используется наземная панель управления. Дополнительные для метода требования заключаются в следующем:
14.10.3.1. Периодические калибровки выполняют с помощью образцового имитатора (тест-кольца) в соответствии с эксплуатационной документацией на скважинный прибор и наземную панель управления.
14.10.3.2. Значения стандарт- и нуль-сигналов до и после исследования скважины устанавливают с помощью наземной панели управления. Если работу ведут с программно-управляемой каротажной лабораторией без применения панели управления, то используют значения стандарт- и нуль-сигналов, записанные при последней периодической калибровке.
14.10.4. Исследования скважин выполняют согласно требованиям п. 14.1.7 в начальный период геофизических работ, чтобы исключить влияние эффектов, связанных с образованием глубоких зон проникновения.
14.10.4.1. Скорость каротажа не более 1800 м/ч.
14.10.5. Основные положения контроля качества первичных материалов ВИКИЗ регламентируются п. 6.6.3. Дополнительные критерии заключаются в следующем:
14.10.3.1. При использовании наземной панели управления расхождения значений нуль- и стандарт-сигналов в начале и конце исследований и при последней периодической калибровке не должны превышать ± 5 % от значений стандарт-сигнала.
14.10.5.2. Расхождения между основным и повторным измерениями не должны превышать ± 10 % в интервалах с номинальным диаметром скважины.
14.10.5.3. Количество сбоев цифровой регистрации в интервале исследований должно быть не более двух на 100 точек записи данных.
14.10.6. На твердых копиях результаты измерений представляют в логарифмическом масштабе в треке ТЗ стандарта API (рис. 1).
14.11.1. Электромагнитный каротаж по затуханию (ЭМКЗ) основан на измерении затухания высокочастотного электромагнитного поля, возбуждаемого генераторными катушками.
ЭМКЗ применяют для определения электрической проводимости пород, с которой связано затухание электромагнитного поля. Его данные используют:
- для определения удельной электрической проводимости (удельного электрического сопротивления) части пласта, незатронутой глубоким проникновением;
- для выделения коллекторов в случае глубоких (диаметр более 0,8 м) зон проникновения;
- в комплексе с данными ИК - для выделения низкоомных окаймляющих зон в нефтенасыщенных пластах.
14.11.1.1. Благоприятные условия применения ЭМКЗ существуют в скважинах, заполненных пресной или слабо минерализованной промывочной жидкостью, удельное электрическое сопротивление которой превышает 0,2 Ом · м.
14.11.2. Стандартная технология ЭМКЗ предусматривает проведение измерений, по крайней мере, двумя разноглубинными зондами на частотах 400 кГц (большой зонд длиной 5,8 м) и 2500 кГц (зонд средней глубинности длиной 2,3 м), точки записи которых совмещены.
14.11.2.1. Требования к скважинному прибору и наземной панели определяют:
- нормируемой метрологической характеристикой является кажущееся удельное электрическое сопротивление (кажущаяся удельная проводимость), связанное с измеряемым затуханием электромагнитного поля;
- диапазон определения кажущегося удельного сопротивления - 0,5 - 200 Ом · м;
- предел допускаемой основной погрешности определений -± [5 + 0,05(ρ/ρн - 1)] %, где ρ - рассчитанное сопротивление, ρн - нижнее значение определяемого УЭС для данного диапазона измерения затухания электромагнитного поля;
- допускаемая погрешность, вызванная изменением температуры на каждые 10 °C относительно стандартного значения, равного 20 °C, равна ± (2+3ρ/ρв) %, где ρв - верхнее значение определения УЭС для данного диапазона измерения затухания.
14.11.2.2. Минимальные требования к методическому обеспечению заключаются в наличии интерпретационных зависимостей, позволяющих определять по данным ЭМКЗ и псевдобокового каротажа УЭС пластов и наличие зоны проникновения.
14.11.3. Первичную, периодические и полевые калибровки проводят согласно общим требованиям раздела 6.
14.11.3.1. Периодические калибровки выполняют посредством поверочного стола при расположении вспомогательной генераторной катушки в точках с известными значениями регистрируемого параметра.
14.11.3.2. Полевую калибровку осуществляют по двум стандарт-сигналам, которые соответствуют значениям удельных электрических сопротивлений пород, равных 1 и 200 Ом · м.
14.11.4. Исследования в скважинах выполняют согласно требованиям п. 14.1.7. Скорость каротажа - не более 1500 м/ч.
14.11.5. Основные положения контроля качества измерений регламентируются разделом 6.
14.11.6. На твердых копиях результаты измерений представляют в логарифмическом масштабе в треке Т2 стандарта API (рис. 1).
14.12.1. Диэлектрический каротаж (ДК) основан на измерении амплитудных и/или фазовых характеристик высокочастотного магнитного поля, возбуждаемого генераторной катушкой зонда в частотном диапазоне выше первых десятков мегагерц.
Диэлектрический каротаж выполняют с целью измерения относительной диэлектрической проницаемости пород и оценки по ее значениям характера насыщенности пластов при низкой минерализации пластовых вод, когда дифференциация продуктивных и водоносных пластов по УЭС незначительна. К вспомогательным задачам относят определение эффективных нефтегазонасыщенных толщин и положений контактов углеводородов с водой, оценку объемной влажности W = kп · kв коллекторов, если диаметр проникновения не превышает 0,6 - 0,8 м.
14.12.1.1. Благоприятные условия применения ДК существуют в скважинах, заполненных пресной промывочной жидкостью и жидкостью на нефтяной основе. Оптимальной для ДК является область выполнения соотношения мер ω · e · ρ ³ 0,2, где ω - круговая частота возбуждаемого электромагнитного поля (характеристика скважинного прибора), e, ρ - относительная диэлектрическая проницаемость и УЭС пород (характеристики разреза) соответственно. Эффективность метода возрастает в разрезах с высокими УЭС пластов (ρп > 6 Ом · м) и неглубокими зонами проникновения пресной промывочной жидкости (ρс > 0,5 Ом · м).
14.12.1.2. Ограничения применения метода связаны с влиянием факторов, осложняющих определение диэлектрической проницаемости: минерализованная промывочная жидкость; добавки утяжелителей на основе гематита, магнетита и других веществ с высокими магнитными свойствами; кавернозность ствола скважины; низкие УЭС пластов в разрезе, особенно в сочетании с низкими значениями диэлектрической проницаемости (конкретные значения устанавливают для района работ); глубокое (более 3 - 4 диаметров скважин) проникновение в пласты, особенно повышающее.
14.12.2. Прибор ДК содержит трехэлементные измерительные зонды, состоящие из двух сближенных генераторных и одной приемной катушек или, наоборот, из генераторной и двух сближенных приемных катушек, которыми измеряют разность фаз Dj (или cosDj, sinDj/2) напряженности магнитного поля, амплитуды (HZ1 и HZ2) напряженности магнитного поля и величины, производные от амплитуд, - разность или отношение амплитуд. Длина зонда - расстояние между генераторной и приемной катушками; измерительная база зонда - расстояние между парными генераторными или приемными катушками. Точку записи при регистрации разности фаз или напряженности магнитного поля относят к середине базы.
Рекомендуется использование приборов, позволяющих: определять относительные фазовые (Dj, cosDj, sinDj/2) и относительные амплитудные характеристики HZ1/HZ2, что обеспечивает автономность обработки и ослабление влияния геолого-технических условий измерений (скважины, вмещающих пород); реализовать не менее двух длин зондов или двух частот для обеспечения радиальных исследований. Диапазон применяемых частот - 15 - 60 МГц.
Вид исследований не вышел из стадии опытно-методического применения, поэтому задачи комплексирования прибора с другими модулями ГИС не актуальны.
14.12.3. Первичную, периодические и полевые калибровки проводят согласно общим требованиям раздела 6. Дополнительные требования заключаются в следующем:
14.12.3.1. Первичную и периодические калибровки выполняют в заполненной водой емкости размером не менее 4´4´4 м для получения зависимостей разности фаз Dj и отношения амплитуд HZ1/HZ2 при удалении от границы «вода-воздух». Полученные зависимости сравнивают с рассчитанными теоретическими.
14.12.3.2. Полевые калибровки выполняют в воздухе с помощью портативного имитатора среды при расположении скважинного прибора не менее чем в 1,7 м от земли, и не ближе 2 м от металлических предметов. Имитируемые значения Dj и HZ1/HZ2 указаны в паспорте теста.
14.12.3.3. Перед началом и по окончании исследований в скважинах прописывают значения нуль- и стандарт-сигналов, подаваемых из скважинного прибора или встроенного наземного генератора сигналов.
14.12.4. Исследования в скважинах проводят согласно требованиям п. 14.1.7 после выполнения других видов ЭК и ЭМК. Их выполняют также в скважинах «старого фонда», обсаженных неметаллической обсадной колонной.
14.12.4.1. Скорость каротажа - не более 1200 м/ч.
14.12.5. Основные положения контроля качества измерений регламентируются разделом 6. Дополнительные требования для данного вида исследований следующие:
14.12.5.1. Значения стандарт-сигналов, зарегистрированные до начала и по окончании исследований, не должны различаться более чем на ± 10 %.
14.12.5.2. Значения диэлектрической проницаемости e, рассчитанные для непроницаемых пластов ангидритов, каменной соли, карбонатных пород большой толщины, должны соответствовать их табличным значениям с погрешностью не более ± 1 отн. ед. e.
14.12.5.3. Интервалы разреза, характеризующиеся удельным сопротивлением пород менее 5 Ом · м, не обрабатываются.
14.12.6. На твердых копиях представляют измеренные значения относительных фазовых и амплитудных характеристик, а также расчетную кривую e. Форма представления не регламентируется.
15.1.1. Радиоактивный каротаж (РК) - исследования, основанные на измерении параметров полей ионизирующих частиц (нейтронов и гамма-квантов) с целью определения ядерно-физических свойств и элементного состава горных пород.
15.1.2. Радиоактивный каротаж нефтяных и газовых скважин включает следующие основные группы измерений: гамма-каротаж - ГК, гамма-гамма-каротаж - ГГК, нейтронный каротаж - НК, нейтронный активационный каротаж. Каждая группа подразделяется на несколько модификаций, различающиеся типом и/или энергетическим спектром регистрируемого излучения, конструкцией измерительных зондов, методиками измерений и обработки первичных данных.
Переход от скорости счета к геофизическим характеристикам пород (плотность пород, эффективный атомный номер элементов, макросечение захвата нейтронов и др.) и их геологическим параметрам (пористость, насыщенность, вещественный состав пород) осуществляют с использованием зависимостей между показаниями скважинных приборов и указанными характеристиками или параметрами, установленными на моделях пород, пересеченных скважиной, или методами математического моделирования.
15.1.4. Наиболее важными эксплуатационными и метрологическими характеристиками приборов РК являются:
- диапазоны измерения геофизических характеристик;
- предел допускаемой основной погрешности измерений,
- допускаемые максимальные скорости счета;
- нестабильность скорости счета при непрерывной работе прибора;
- максимальные значения температуры и давления в скважине;
- максимальное и минимальное значения внутреннего диаметра исследуемых скважин (обсадных колонн, НКТ);
- вертикальное разрешение метода и глубинность исследований.
Значения этих характеристик и допускаемые отклонения от них регламентируются требованиями эксплуатационной документации на конкретные приборы.
Стандартные условия для большинства видов РК заключаются в следующем:
- породы представлены чистым известняком (минералогическая плотность 2,71 г/см3) с гранулярной (межзерновой) пористостью;
- поры породы и ствол скважины заполнены пресной водой, минерализация которой меньше 0,2 г/л;
- диаметр скважины равен 200 мм, каверны и глинистая корка отсутствуют;
- прибор прижат к стенке скважины;
- температура окружающей среды 20 °C, давление атмосферное.
15.1.6. В зависимости от решаемой задачи выделяют общие и детальные исследования методами РК (см. раздел 7). Отличия между ними заключаются в требованиях получения неискаженной информации для пластов с минимальной толщиной (hmin), параметры которых подлежат количественной оценке, и заданной статистической (случайной) sсл погрешности, приведенной к пласту толщиной h = 1 м, значение которой определяется выражением:
![]()
где J - средняя скорость счета (имп/мин), v - скорость подъема прибора (м/ч).
Выполнение этих требований (таблица 5) достигается выбором максимально допустимой скорости vmax каротажа, которая, при отсутствии каких-либо других, специальных для конкретного типа приборов требований, определяется выражением:
vmax = 6 · 10-3 · s2сл · J · (hmin - lз),
где lз - эффективная длина зонда, м.
Таблица 5 - Требования к минимальным толщинам hmin и значениям случайных погрешностей sсл для общих и детальных измерений РК
|
hmin, м |
sсл, % |
|
|
Общие |
3 ÷ 5 |
4 ÷ 7 |
|
Детальные |
1,5 ÷ 2,0 |
3 ÷ 5 |
При использовании нескольких каналов регистрации выбирается значение vmax, минимальное для одного из каналов.
Уменьшение случайной погрешности sсл достигается снижением скорости каротажа. В случае если подъемник не обеспечивает необходимую (низкую) скорость каротажа, измерения выполняют за несколько спускоподъемных операций. Их количество определяется делением минимально возможной скорости каротажа, которую обеспечивает подъемник, на требуемую скорость измерений.
15.1.7. Повышение детальности исследований достигается уменьшением шага дискретизации по глубине при одновременном снижении скорости каротажа. Шаг дискретизации по глубине выбирают из ряда 0,2; 0,1; 0,05 м.
15.1.8. Процедуры калибровки скважинных приборов, проведения измерений, контроля качества первичных данных, редактирования и первичной обработки данных, выдачи твердых копий регламентируются требованиями раздела 6.
15.1.9. Калибровку, техническое обслуживание, исследования скважин приборами радиоактивного каротажа проводят, строго соблюдая требования документов: СП 2.6.1.758-99 «Нормы радиационной безопасности НРБ-99». М.: Минздрав России, 1999; СП 2.6.1.799-99 «Основные санитарные правила обеспечения радиационной безопасности ОСПОРБ-99», М.: Минздрав России, 2000; отраслевых нормативно-технических и руководящих документов по обеспечению радиационной безопасности.
15.1.10. Все работы с источниками ионизирующих излучений и радиоактивными веществами проводит персонал, обученный и допущенный к соответствующим видам работ в соответствии с требованиями, нормами и правилами НРБ-99 и ОСПОРБ-99.
15.1.11. Работы на метрологических стендах по поверке скважинных приборов, в которых установлены источники радиоактивного излучения, выполняют в специально выделенных помещениях (площадках), исключающих доступ лиц, не допущенных к работе с ионизирующими излучениями и непосредственно не занятых работами по поверке.
Поверку источников Cs-137 на герметичность упаковки активной компоненты выполняют, располагая один раз зондовую часть прибора ГГК-П коллимационными отверстиями вниз на стандартном образце плотности, выполненном из алюминия, второй раз - располагая тот же образец плотности на зондовой части, повернутой коллимационными отверстиями вверх. Допустимая разность показаний при указанных положениях прибора не должна превышать ± 3 %.
15.1.12. Предприятия и организации, выполняющие работы с источниками ионизирующего и радиоактивного излучения, должны быть оснащены переносными приборами для измерения мощности дозы гамма- и нейтронного излучения и радиометрами альфа- и бета-излучения для контроля загрязнения кожных покровов людей, средств индивидуальной защиты, поверхностей промыслового оборудования и грунта.
15.2.1. Интегральный гамма-каротаж (ГК) основан на измерении естественного гамма-излучения горных пород. Измеряемая величина - скорость счета в импульсах в минуту (имп/мин). Основная расчетная величина - мощность экспозиционной дозы в микрорентгенах в час (МЭД, мкР/ч).
Гамма-каротаж применяют для решения задач: выделения в разрезах скважин местоположения полезных ископаемых, отличающихся пониженной или повышенной гамма-активностью; литологического расчленения и корреляции разрезов осадочных пород; выделения коллекторов; оценки глинистости пород; массовых поисков радиоактивного сырья. В обсаженных скважинах ГК применяют для выявления радиогеохимических аномалий, образующихся в процессе вытеснения нефти водой. С использованием ГК решают технологическую задачу - увязку по глубине данных всех видов ГИС в открытом и обсаженном стволе.
Гамма-каротаж выполняют во всех без исключения необсаженных и обсаженных скважинах, заполненных любой промывочной жидкостью или газом.
15.2.2. Измерительная установка ГК состоит из детектора(ов) гамма-квантов и электронной схемы. Точкой записи является середина детектора.
Зонд (модуль) применяют в качестве самостоятельного прибора или включают в состав комплексных приборов, реализующих несколько методов ГИС. Модуль ГК комплексируется с другими модулями без ограничений.
15.2.2.1. Требования к измерительной установке ГК:
- нормируемыми метрологическими характеристиками являются мощность экспозиционной дозы (МЭД) или эквивалентная массовая доля урана (ЭМДУ), которые рассчитывают по измеренной скорости счета импульсов (см. п. 15.1.3);
- диапазоны определения МЭД - 0 - 250 мкР/ч, ЭМДУ - 0 - 200 ppmU;
- пределы допускаемых основных относительных погрешностей определения МЭД - ±15 %; ЭМДУ - ±[4,3 + 0,7(200/Uэ - 1)] %, где Uэ - эквивалентная массовая доля урана, ppmU;
- допускаемая дополнительная погрешность определения, вызванная изменением напряжения питания в диапазоне ±10 %, не должна превышать 0,2 значения основной погрешности;
- допускаемая дополнительная погрешность определения, вызванная изменением температуры в скважине, не должна превышать 0,1 значения основной погрешности на каждые 10 °C относительно стандартного значения, равного 20 °C.
15.2.2.2. Минимальные требования к методическому обеспечению заключаются в наличии зависимостей: калибровочных, позволяющих перейти от скорости счета (в имп/мин) к мощности экспозиционной дозы, выраженной в микрорентгенах в час, или к эквивалентной массовой доле урана, выраженной в промилле урана (ppmU); поправочных, учитывающих влияние на МЭД и ЭМДУ геолого-технических условий измерения - диаметра скважины, глинистой корки, типа и свойств промывочной жидкости, плотностей и толщин обсадной колонны и цементного камня.
15.2.3. Первичную, периодические и полевые калибровки, а также исследования в скважинах ведут согласно общим требованиям раздела 6.
15.2.3.1. Основным средством первичной и периодических калибровок является дозиметрическая установка УП-ГК, представляющая собой закрепленный на подвижной тележке коллиматор, диаметр цилиндрического канала которого равен 90 мм. Для создания требуемой мощности экспозиционной дозы применяют источник гамма-излучения радий-226 в платино-иридиевой капсуле типа ЕР.
15.2.3.2. Скорость каротажа определяется значением допускаемой основной относительной погрешности. Для измеряемых величин (скорости счета) ее значение не должно превышать ±6 % для общих и ±5 % для детальных исследований. Рекомендуемая скорость исследований не должна превышать 600 м/ч в терригенном и 400 м/ч в карбонатном разрезах.
При использовании модуля ГК в составе комбинированных сборок скорость каротажа определяется скоростью исследований другими модулями ГИС, если для них установлены более низкие скорости проведения исследований.
15.2.4. Основные положения контроля качества измерений регламентируются разделом 6. Дополнительные критерии:
15.2.4.1. Расхождения между основным, повторным и контрольным измерениями по интервалам не менее 10 м не должны превышать ±6 % для общих и ±5 % для детальных исследований.
15.2.4.2. В интервале контрольных измерений толщины и конфигурации опорных пластов должны соответствовать установленным по данным исследований, выполненных ранее.
15.2.5. На твердых копиях результаты измерений представляют в линейном масштабе в треке Т1 (рис. 1).
15.3.1. Спектрометрический гамма-каротаж (СГК) основан на измерении спектрального состава естественного гамма-излучения горных пород с целью определения массовой концентрации в породах урана, тория и калия. Измеряемые величины - скорости счета в энергетических окнах в имп/мин, расчетные величины - массовые содержания в породе урана и тория, в промилле (ppm), калия - в процентах (%).
Спектрометрический гамма-каротаж применяют для решения задач детальной стратиграфической корреляции разрезов, выделения отдельных литотипов пород в различных фациях, количественной оценки глинистости пород, типа и содержания глинистых минералов и органогенного углерода, выделения при благоприятных условиях высокопроницаемых и трещиноватых зон и обводненных интервалов.
Выполняют в необсаженных и обсаженных скважинах, заполненных любой промывочной жидкостью или газом.
15.3.2. Измерительная установка СГК состоит из сцинтилляционного детектора гамма-излучения и электронной схемы. Точкой записи является середина детектора.
Скважинный прибор, изготовленный в виде модуля, комплексируют с другими модулями без ограничений.
15.3.2.1. Требования к измерительной установке:
- нормируемыми метрологическими характеристиками являются эквивалентные массовые доли урана, тория и калия, которые рассчитывают по измеренному (в импульсах в минуту) спектру естественного гамма-излучения;
- диапазоны определения эквивалентных массовых долей урана и тория - 0 - 200 ppm, калия - 0,1 - 20 %;
- предел допускаемой основной относительной погрешности определения эквивалентной массовой доли Uэ урана - ± [4,3 + 0,7(200/Uэ - 1)] %;
- допускаемая дополнительная погрешность определения, вызванная изменением температуры в скважине, не должна превышать 0,1 значения основной погрешности на каждые 10 °C относительно стандартного значения, равного 20 °C;
- пределы допускаемых основных погрешностей измерений каналов урана и тория не более ± (1,5 - 2,0) ppm и канала калия не более ± 0,5 %.
15.3.2.2. Минимальные требования к методическому обеспечению заключаются в наличии алгоритмов и зависимостей: калибровочных, позволяющих перейти от скоростей счета (в имп/мин) к эквивалентным массовым долям урана, тория и калия, выраженных в промилле и процентах; поправочных, учитывающих влияние на расчетные величины геолого-технических условий измерения - диаметра скважины, толщины глинистой корки, типа и свойств промывочной жидкости, плотностей и толщин обсадной колонны и цементного камня.
15.3.3. Первичную, периодические и полевые калибровки, а также исследования в скважинах ведут согласно требованиям раздела 6 и эксплуатационной документации на прибор.
15.3.3.1. Основным средством калибровок являются образцы эквивалентной массовой доли урана с известными содержаниями урана, тория и калия и три имитатора ЭМДУ.
15.3.3.2. В процессе исследований регистрируют также суммарную скорость счета и рассчитывают МЭД естественного гамма-излучения.
15.3.3.3. Скорость каротажа регламентируется технической документацией на конкретную аппаратуру, при этом погрешность определения массовых содержаний урана, тория и калия в пластах минимальной толщины (таблица 5) не должна превышать пределы допускаемых основных относительных погрешностей измерений.
15.3.4. Основные положения контроля качества измерений регламентируются разделом 6. Дополнительные критерии:
15.3.4.1. Расхождения между основным, повторным и контрольным измерениями для интегрального канала в интервале не менее 10 м не должны превышать ± 6 % для общих и ± 5 % для детальных исследований; для каналов урана, тория и калия расхождения не должны превышать пределы основных погрешностей.
15.3.5. На твердых копиях кривые массовых содержаний урана, тория и калия представляют в линейном масштабе в треке Т2, интегральную кривую ПС - в треке Т1 (рис. 1).
15.4.1. Нейтронный каротаж (НК) основан на облучении скважины и пород нейтронами от стационарного ампульного источника и измерении плотностей потоков надтепловых и тепловых нейтронов и (или) гамма-квантов, образующихся в результате ядерных реакций рассеяния и захвата нейтронов. Измеряемая величина - скорость счета в импульсах в минуту (имп/мин); расчетная величина - водородосодержание пород в стандартных условиях (см. п. 15.1.5) в процентах.
В зависимости от регистрируемого излучения различают: нейтронный каротаж по надтепловым нейтронам - ННК-НТ; нейтронный каротаж по тепловым нейтронам - ННК-Т; нейтронный гамма-каротаж - НГК. Первые два вида исследований выполняют, как правило, с помощью компенсированных измерительных зондов, содержащих два детектора нейтронов; НГК - однозондовыми приборами, содержащими источник нейтронов и один детектор гамма-излучения.
Нейтронный каротаж применяют в необсаженных и обсаженных скважинах с целью литологического расчленения разрезов, определения емкостных параметров пород (объемов минеральных компонент скелета и порового пространства), выделения газожидкостного и водонефтяного контактов, определения коэффициентов газонасыщенности в прискважинной части коллектора.
15.4.2. Областями эффективного применения НК при определении пористости и литологическом расчленении разреза являются:
- для ННК-НТ - породы с любым водородосодержанием, любыми минерализациями пластовых вод Cпл и промывочной жидкости Cпж (в том числе с любой контрастностью Cпл и Cпж в зоне исследования метода), при невысокой кавернозности ствола скважины;
- для ННК-Т - породы с любым водородосодержанием, невысокими Cпл и Cпж (меньше 50 - 70 г/л NaCl) и слабой контрастностью Cпл и Cпж;
- для НГК - породы с низким (меньше 8 - 12 %) водородосодержанием и любыми Cпл и Cпж, а также породы со средним (8 - 20 %) водородосодержанием, если Cпл и Cпж не превышают 100 г/л.
Областями эффективного применения НК при выделении газоносных пластов, газожидкостного контакта, определении коэффициента газонасыщенности являются:
- для ННК-НТ - породы с любым водородосодержанием при диаметре скважины, не превышающем 200 мм;
- для ННК-Т - породы с водородосодержанием более 10 % при диаметре скважины, не превышающем 250 мм;
- для НГК - породы с водородосодержанием менее 20 %.
15.4.3. Измерительный зонд НК содержит ампульный источник нейтронов и один или два (и более) детектора нейтронов (надтепловых или тепловых) или гамма-излучения. Точка записи - середина расстояния между источником и детектором для однозондовых приборов и середина между двумя детекторами для компенсированных (двухзондовых) приборов.
Модуль НК комплексируется с другими модулями без ограничений.
15.4.3.1. Требования к измерительным зондам НК:
- нормируемой метрологической характеристикой служит водонасыщенная пористость горных пород, которую рассчитывают по измеренным скоростям счета импульсов;
- диапазон определения водонасыщенной пористости - 1 - 40 %;
- предел допускаемой основной относительной погрешности определений за время набора 10000 импульсов - не более ± [4,2 + 2,3(40/kп - 1)] %;
- предел допускаемой основной относительной погрешности определений для режима исследования (скорость 400 м/ч, толщина пласта 1 м) за время 10 с - не более ± [6,3 + 2,3(40/kп - 1)] %;
- допускаемая дополнительная погрешность определения, вызванная изменением температуры в скважине, не должна превышать 0,1 значения основной погрешности на каждые 10 °C относительно стандартного значения, равного 20 °C;
- дополнительная погрешность определения, вызванная изменением напряжения питания на ± 10 %, - не более 0,2 значения основной погрешности.
15.4.3.2. Минимальные требования к методическому обеспечению заключаются в наличии зависимостей: калибровочных, устанавливающих связь между пористостью и скоростями счета каждого зонда в стандартных условиях измерений (см. п. 15.1.5); поправочных, учитывающих отклонение условий измерений от стандартных и влияние фона естественного гамма-излучения пород (последнее - только для НГК).
15.4.4. Первичную, периодические и полевые калибровки, а также исследования в скважинах ведут согласно общим требованиям раздела 6.
15.4.4.1. Основным образцовым средством первичной и периодической калибровок является поверочная установка УП-НК, содержащая три имитатора пористого пласта (ИПП), и емкость с пресной водой.
15.4.4.2. Скорость каротажа регламентируется эксплуатационной документацией на конкретный прибор (аппаратуру), при этом зонды, аттестованные как средства измерения водонасыщенной пористости пород, должны обеспечивать определение последней (в расчете на толщину пласта 1 м) с погрешностью не более ± (6,3 + 2,3(40/kп - 1)] %.
Рекомендуемая скорость каротажа в терригенном разрезе - до 250 м/ч, в карбонатном - до 450 м/ч.
15.4.5. Основные положения контроля качества измерений регламентируются разделом 6. Дополнительные критерии:
15.4.5.1. Расхождения между основным, повторным и контрольным измерениями для регистрируемых параметров в интервалах длиной не менее 10 м (при отсутствии заметного желобо-образования ствола скважины) не должны превышать ± 4 % для общих и ± 3 % для детальных исследований.
15.4.5.2. Для компенсированных зондов в пластах с известным литотипом пород и толщиной более 3 - 5 м значения пористости, рассчитанные по показаниям короткого и длинного зондов и по отношению этих показаний, должны воспроизводиться с абсолютной погрешностью ± 1 % (единицах пористости).
15.4.6. На твердых копиях кривую водородосодержания отображают в линейном масштабе в треке Т2 (рис. 1).
15.5.1. Импульсный нейтронный каротаж (ИНК) в интегральной модификации основан на облучении скважины и породы быстрыми нейтронами от импульсного источника и измерении распределения во времени интегральной плотности тепловых нейтронов или гамма-квантов, образующихся в результате ядерных реакций рассеяния и захвата нейтронов. В зависимости от регистрируемого излучения различают: импульсный нейтрон-нейтронный каротаж по тепловым нейтронам (ИННК) и импульсный нейтронный гамма-каротаж (ИНГК). Для обоих видов каротажа измеряемыми величинами являются скорости счета во временных окнах, основными расчетными - макросечение Σа захвата тепловых нейтронов в единицах захвата (е.з.), равных 10-3 см-1, и водонасыщенная пористость пород, в процентах.
Импульсный нейтронный каротаж применяют в обсаженных скважинах для литологического расчленения разрезов и выделения коллекторов, выявления водо- и нефтегазонасыщенных пластов, определения положений водонефтяного контакта на месторождениях нефти с минерализованными (более 20 г/л) пластовыми водами, определения газожидкостных контактов, оценки пористости пород, количественной оценки начальной, текущей и остаточной нефтенасыщенности, контроля за процессом испытания и освоения скважин.
Наиболее эффективный способ применения ИНК - выполнение повторных измерений во времени в процессе изменения насыщенности коллекторов. Такие изменения могут быть вызваны естественным расформированием зоны проникновения, обводнением пластов в ходе их выработки, целенаправленными технологическими операциями, включающими в себя закачку в породы растворов веществ с аномальными нейтронно-поглощающими свойствами.
15.5.2. Измерительный зонд (ИНК) содержит излучатель быстрых (14 МэВ) нейтронов, один или два детектора тепловых нейтронов или гамма-излучения. Точка записи - середина расстояния между излучателем и детектором, для двухзондовых приборов - середина расстояния между детекторами.
Модуль ИНК обычно комплексируют с модулями ГК и ЛМ.
15.5.2.1. Требования к измерительным зондам ИНК:
- нормируемыми метрологическими характеристиками являются макросечение захвата тепловых нейтронов (Σа) и коэффициент водонасыщенной пористости (kп), которые рассчитывают по измеренным скоростям счета импульсов;
- диапазоны определения Σа и kп - 7,4 - 22,2 е.з. и 1 - 40 % соответственно;
- среднеквадратические случайные погрешности определения Σа не более ± 2,5 %, kп - не более ± 2,0 % (абс.);
- систематические погрешности определений Σа не более ± 2,5 %, kп - не более ± 1,5 % (абс.);
- дополнительные погрешности определений макросечения захвата, вызванные изменением нейтронного выхода излучателя, температуры окружающей среды и напряжения питания - не более ± 2 % для каждой изменяющейся величины;
- дополнительные погрешности определений пористости при изменениях тех же величин - не более ± 1 % (абс.).
15.5.2.2. Минимальные требования к методическому и программному обеспечению заключаются в наличии алгоритмов и зависимостей: калибровочных, устанавливающих связь между макросечением захвата и пористостью, с одной стороны, и скоростью счета, с другой; поправочных, учитывающих отклонение условий измерений от стандартных (см. п. 15.1.5); программное обеспечение должно сопровождать регистрацию и обработку данных до получения конечных характеристик - Σа и kп.
15.5.3. Первичную, периодические и полевые калибровки проводят согласно требованиям эксплуатационной документации.
15.5.3.1. Периодические калибровки проводят через каждые 3 месяца эксплуатации и после ремонта прибора, включающего замену излучателя быстрых нейтронов и детекторов, с использованием трех стандартных образцов, воспроизводящих значения макроскопического сечения захвата и водонасыщенной пористости в диапазонах измерений.
В качестве одного из стандартных образцов используют емкость с пресной водой (минерализация менее 0,5 г/л), размеры которой исключают влияние среды за ее стенками и составляют не менее 1,5 м в диаметре и 2 м по высоте.
15.5.3.2. Полевые калибровки выполняют в емкости, заполненной пресной водой, перед выездом на скважину и по возвращении со скважины.
15.5.4. Скважинные исследования включают два этапа: оценочный и основной.
15.5.4.1. Оценочные измерения проводят в нижней части разреза в водонасыщенном пласте с целью проверки работоспособности прибора и наземной панели, определения скорости проведения основных измерений в зависимости от статистической погрешности измерения. Время накопления одного кванта по глубине подбирают скоростью проведения каротажа таким образом, чтобы статистические погрешности измерения Σа и kп не превышали заданный уровень, регламентируемый эксплуатационной документацией на конкретную аппаратуру.
В случае, если подъемник не обеспечивает требуемую скорость подъема прибора, определяют количество необходимых рейсов основных измерений. При однократном измерении скорость каротажа не должна превышать 150 м/ч.
15.5.4.2. Основное, повторное и контрольные измерения выполняют согласно требованиям раздела 6.
15.5.5. Основные положения контроля качества измерений регламентируются разделом 6. Дополнительный критерий:
15.5.5.1. Основные, повторные и контрольные кривые должны повторяться по конфигурации, а систематические погрешности не должны превышать ± 2,5 % (отн.) для макросечения захвата нейтронов и ± 1,5 % (абс.) для пористости.
15.5.6. На твердых копиях результирующие кривые Σа и kп отображают в линейном масштабе в треке Т2 (рис. 1).
15.6.1. Импульсный спектрометрический нейтронный гамма-каротаж (ИНГК-С) основан на измерении энергетического и временного распределения плотности потока гамма-излучения, возникающего в результате нейтронных реакций, с целью определения элементного состава горных пород и пространственно-временных характеристик регистрируемого излучения.
Измеряемыми величинами являются скорости счета в энергетических и временных окнах. Расчетными величинами являются скорости счета в энергетических окнах, соответствующих энергиям гамма-квантов неупругого рассеяния быстрых нейтронов и радиационного захвата тепловых нейтронов для основных породообразующих элементов (С, О, Н, Са, Si, Fe, Cl и др.). Интерпретационными параметрами служат макросечение Σа (10-3 см-1) захвата тепловых нейтронов и коэффициент kп (%) водонасыщенной пористости, а также отношения счета С/О и Ca/Si в окнах, характеризующих элементы, определяющие, прежде всего, литологическую принадлежность и насыщенность пород.
15.6.2. ИНГК-С применяют в обсаженных скважинах для оценки текущей и остаточной нефтенасыщенности, определения интервалов обводнения продуктивных коллекторов независимо от минерализации пластовых вод и для сопровождения процесса интенсификации нефтеотдачи коллекторов.
15.6.3. Измерительный зонд содержит излучатель быстрых (14 МэВ) нейтронов и один - два детектора гамма-излучения. Длина зонда 0,4 - 0,6 м, точка записи - середина зонда.
Модуль ИНГК-С комплексируют с модулями ГК и ЛМ.
15.6.3.1. Требования к измерительным зондам: относительная погрешность определения скоростей счета в энергетических окнах для основных породообразующих элементов в пластах толщиной не менее 1 м не должна превышать ± 3 %.
15.6.3.2. Минимальные требования к методическому и программному обеспечению заключаются в наличии зависимостей, позволяющих корректировать результаты измерений за «мертвое» время измерительного тракта, нестабильность энергетической шкалы, влияние фона, а также зависимостей, учитывающих отклонение условий измерений от стандартных.
15.6.4. Первичную, периодические и полевые калибровки проводят согласно требованиям эксплуатационной документации.
15.6.4.1. Периодические калибровки выполняют через каждые 3 месяца эксплуатации прибора и после его ремонта, включающего замену детекторов и импульсного излучателя быстрых нейтронов. Их проводят на трех стандартных образцах, воспроизводящих значения насыщенности пласта. Одним из стандартных образцов является емкость с пресной водой (минерализация не более 0,5 г/л), размеры которой исключают влияние среды за ее стенками и составляют не менее 1,5 м в диаметре и 2 м по высоте.
15.6.4.2. Полевые калибровки выполняют в емкости, заполненной пресной водой, перед выездом на скважину и по возвращении со скважины.
15.6.5. Скважинные исследования включают два этапа:
15.6.5.1. Оценочные измерения проводят в нижней части разреза в водоносном пласте с целью проверки работоспособности аппаратуры, определения скорости проведения основных измерений в зависимости от статистической погрешности измерений.
Время накопления одного кванта по глубине подбирают выбором скорости проведения каротажа таким образом, чтобы статистическая погрешность измерения (в энергетических окнах для основных породообразующих элементов) не превышала заданный уровень, регламентируемый эксплуатационной документацией на конкретную аппаратуру.
Рекомендуемая скорость каротажа - 40 - 50 м/ч.
В случае, если подъемник не обеспечивает требуемую скорость подъема прибора, определяют количество необходимых рейсов основных измерений.
15.6.5.2. Основное, повторное и контрольное измерения выполняют согласно требованиям раздела 6. Контрольное измерение проводят в интервале залегания заведомо водонасыщенных песчаников.
15.6.6. Основные положения контроля качества измерений регламентируются разделом 6. Дополнительные критерии:
15.6.6.1. Основные и повторные кривые С/О и Ca/Si должны повторяться по конфигурации и расхождение между ними (систематическая погрешность) не должно превышать ±5 %.
15.6.7. На твердых копиях результирующие кривые С/О, Ca/Si, Σа и kп отображают в линейном масштабе в треке Т2 (рис. 1).
15.7.1. Гамма-гамма-каротаж (ГГК) - исследования, основанные на регистрации плотности потока гамма-излучения, рассеянного горной породой при ее облучении стационарным ампульным источником гамма-квантов. В зависимости от энергетического спектра регистрируемого гамма-излучения различают плотностной гамма-гамма-каротаж (ГГК-П), показания которого обусловлены в основном плотностью пород, и литоплотностной гамма-гамма-каротаж (ГГК-ЛП), предназначенный для определения плотности и индекса фотоэлектрического поглощения, связанного с эффективным атомным номером пород.
Измеряемая величина - скорость счета (интегральная или в энергетических окнах). Основные расчетные величины - объемная плотность s пород, в г/см3; поправка Ds за влияние промежуточной среды между прибором и породой, г/см3; индекс Ре фотоэлектрического поглощения.
Плотностной и литоплотностной гамма-гамма-каротаж применяют для литологического расчленения разрезов и определения емкостных параметров породы (объемов минеральных компонент скелета и порового пространства).
Благоприятные условия применения метода: вертикальные и наклонные скважины; промывочные жидкости любого состава для прижимных измерительных зондов и неутяжеленные жидкости для центрированных приборов; незначительная кавернозность ствола скважины; тонкие глинистые корки или их отсутствие.
15.7.2. Компенсированный измерительный зонд ГГК содержит ампульный источник и два детектора гамма-излучения. Зонд располагают на выносном башмаке, который в процессе исследований прижимают к стенке скважины рабочей поверхностью, или в защитном кожухе скважинного прибора, когда к стенке скважины прижимают весь прибор.
Точка записи - середина расстояния между детекторами измерительного зонда.
15.7.2.1. Требования к измерительному зонду:
- нормируемыми метрологическими характеристиками служат объемная плотность и индекс фотоэлектрического поглощения горных пород, которые рассчитывают по измеренным скоростям счета импульсов;
- диапазон определения объемной плотности - 1,7 - 3,0 г/см3;
- диапазон определения индекса фотоэлектрического эффекта - 1,3 - 7,0;
- предел допускаемой основной относительной погрешности измерения плотности в диапазонах 1,7 - 2,0 г/см3 и 2,0 - 3,0 г/см3 - не более ±1,5 % и ±1,2 % соответственно;
- предел допускаемой основной относительной погрешности измерения индекса фотоэлектрического поглощения - не более ±0,2 (в единицах Ре);
- допускаемые дополнительные погрешности, вызванные изменением напряжения питания на ±10 % и изменением температуры в скважине на 10 °C относительно стандартного значения, равного 20 °C, - не должны превышать 0,2 и 0,1 значений основной погрешности соответственно.
15.7.2.2. Минимальные требования к методическому обеспечению заключаются в наличии зависимостей: калибровочных, устанавливающих связь между объемной плотностью и индексом фотоэлектрического поглощения пород и показаниями (скоростями счета) короткого и длинного зондов в стандартных условиях измерений (см. п. 15.1.5); поправочных, учитывающих отклонение условий измерений от стандартных и влияние фона естественного гамма-излучения.
15.7.3. Первичную, периодические и полевые калибровки, а также исследования в скважинах ведут согласно общим требованиям раздела 6.
15.7.3.1. Стандартными образцами для первичной и периодических калибровок служат три стандартных образца плотности и от одного до трех имитаторов глинистой корки, аттестованные в установленном порядке.
Образцы должны соответствовать известным значениям плотности и эффективного атомного номера. Сами стандартные образцы аттестуются с помощью государственных стандартных образцов ГСО-ПНС. Имитаторы глинистой корки должны воспроизводить влияние корок толщиной 1 - 2 см, плотностью 1,26 - 2,00 г/см3. Эффективный атомный номер материала одного из имитаторов корки должен достигать 30, что соответствует корке, обогащенной баритом.
15.7.3.3. Скорость каротажа регламентируется эксплуатационной документацией на конкретную аппаратуру, обеспечивая измерение плотности породы (в расчете на толщину пласта 1 м) с погрешностью не более ±3 %, индекса фотоэлектрического поглощения - не более ±0,3 (в единицах Ре).
Рекомендуемая скорость каротажа - не более 350 м/ч.
15.7.4. Основные положения контроля качества измерений регламентируются разделом 6. Дополнительные критерии:
15.7.4.1. Расхождения между основным, повторным и контрольным измерениями в интервалах толщиной не менее 10 м (при постоянном диаметре ствола скважины) не должны превышать ± 4 % для общих и ± 3 % для детальных исследований.
15.7.4.2. Усредненные значения объемной плотности и индекса фотоэлектрического поглощения, рассчитанные по результатам измерений на образцах плотности до и после каротажа, должны воспроизводиться с погрешностями, не превышающими соответственно ± 0,03 г/см3 и ± 0,2 (в единицах Ре), и с такими же погрешностями соответствовать аттестованным значениям плотности образцов.
15.7.4.3. Среднее значение поправки за влияние промежуточной среды в интервалах с номинальным диаметром скважины при отсутствии глинистой корки не должно превышать ± (0,02 - 0,03) г/см3.
15.7.5. На твердых копиях кривые плотности и индекса фотоэлектрического эффекта отображают в линейном масштабе в треке Т2, а кривую поправки за влияние промежуточной среды - в треке TD (рис. 1).
16.1.1. Акустический каротаж (АК) предназначен для измерения интервальных времен Dt (Dt = l/v, где v - скорость распространения волны, м/с), амплитуд A и коэффициентов эффективного затухания a преломленных продольной, поперечной, Лэмба и Стоунли упругих волн, распространяющихся в горных породах, обсадной колонне и по границе жидкости, заполняющей скважину, с горными породами или обсадной колонной. Единицы измерения - микросекунда на метр (мкс/м), безразмерная (для A) и децибел на метр (дБ/м) соответственно.
Данные АК применяют:
- для литологического расчленения разрезов и расчета упругих свойств пород;
- локализации трещиноватых пород, трещин гидроразрывов и интервалов напряженного состояния пород;
- определения коэффициентов межзерновой и вторичной (трещинно-каверновой) пористости коллекторов и характера их насыщенности;
- выделения проницаемых интервалов в чистых и глинистых породах;
- расчета синтетических сейсмограмм и интеграции результатов скважинных измерений с наземными и скважинными сейсмическими данными.
Измерения выполняют в необсаженных и, при определенных ограничениях, обсаженных скважинах, заполненных любой негазирующей промывочной жидкостью.
16.1.2. Простейший измерительный зонд АК содержит излучатель И упругих волн звукового (2 - 20 кГц) или ультразвукового (20 - 60 кГц) диапазонов частот и широкополосный приемник П, собственная частота колебаний которого превышает частоту излучателя в 3 - 5 раз.
Для проведения АК применяют более сложные трехэлементные (ИПП, ИИП), компенсированные (ИППИ, ИИПП) и многоэлементные (ИПП...П) измерительные зонды, состоящие из нескольких двухэлементных зондов и позволяющие учесть влияние на результаты измерений характеристик промывочной жидкости и положение зонда в стволе скважины. Точка измерения такими зондами - середина расстояния между приемниками.
Для исследования низкоскоростных разрезов приборы дополнительно оснащают измерительными зондами с дипольными излучателями и приемниками, позволяющими регистрировать значения интервального времени поперечной волны большие, чем интервальное время упругой волны в жидкости.
Скважинные приборы центрируют.
16.1.2.1. Требования к измерительным зондам АК:
- диапазоны измерения Dt преломленных продольной и Лэмба волн - 120 - 660 мкс/м, поперечной - 170 - 660 мкс/м, Стоунли - 600 - 1550 мкс/м;
- диапазон измерения коэффициента эффективного затухания по длине измерительного зонда - 0 - 30 (40) дБ/м;
- диапазон измерения амплитуд при эффективном затухании 0 - 40 дБ/м - 0 - 78 дБ/м в статическом положении прибора и 0 - 66 дБ/м при движении прибора в скважине;
- пределы допускаемых основных относительных погрешностей измерения Dt и a - ± 1 - 3 и ± 12,5 % соответственно;
- дополнительные погрешности измерения Dt, A, a, вызванные изменениями напряжения на ± 10 %, давления на 1 МПа, температуры на 10 °С относительно стандартного значения, равного 20 °С, не должны превышать 0,3; 0,01 и 0,1 значений основных погрешностей соответственно.
16.1.2.2. Длительность оцифровки сигналов от приемников прибора - до 8 мс; шаг дискретизации - 2 - 5 мкс.
16.1.2.3. Модуль АК комплексируют с любыми другими модулями при условии, что механическое соединение модулей не нарушает центрирование измерительного зонда.
16.1.3. Специфичное для АК требование к методическому и программному обеспечению заключается в наличии не менее двух, реализующих различные принципы обработки, программ выделения в общем волновом пакете колебаний продольной, поперечной, Лэмба и Стоунли волн и определения их интервальных времен, амплитуд и эффективного затухания.
16.1.4. Первичную и периодические калибровки выполняют согласно требованиям раздела 6 и эксплуатационной документации на прибор.
16.1.4.1. Основным средством калибровок является поверочная базовая установка, содержащая аттестованный волновод акустических колебаний (отрезок или несколько отрезков стальных труб, разрезанных вдоль образующей).
16.1.4.2. Полевые калибровки не выполняют. Их заменяет контрольное измерение, которое выполняют в интервале незацементированной обсадной колонны протяженностью не менее 50 м.
16.1.5. Исследования в скважинах проводят согласно требованиям раздела 6. Дополнительные требования:
16.1.5.1. Коэффициент усиления электронной схемы скважинного прибора выбирают таким образом, чтобы в диапазоне оцифровки акустических сигналов сохранялся минимальный уровень шумов, вызванных движением прибора, а сигналы регистрируемых волн (либо одной выбранной волны) не ограничивались. Правильность выбора контролируется по экрану монитора, на котором отображаются волновые пакеты всех двухэлементных зондов, фазокорреляционные диаграммы (ФКД) одного или двух зондов и значения Dt в текущей точке исследования.
16.1.5.2. Необходимость выполнения нескольких записей с разными коэффициентами усиления для неискаженной регистрации амплитуд и затухания упругих волн разных типов определяется эксплуатационной документацией на скважинный прибор.
16.1.5.3. Контрольную запись выполняют в интервале незацементированной колонны протяженностью не менее 50 м.
16.1.5.4. Скорость каротажа - не более 800 м/ч.
16.1.6. Качество материалов оценивают согласно требованиям раздела 6. Критерии, специфичные для АК, следующие:
16.1.6.1. Значение интервального времени продольной волны в незацементированной обсадной колонне должно находиться в пределах 185 - 187 мкс/м, затухания - в пределах 1 - 5 дБ/м. В интервале между муфтами кривая интервального времени и фазовые линии на ФКД должны представлять собой устойчивые прямые линии, параллельные оси глубин.
16.1.6.2. Значения интервальных времен продольной волны против опорных пластов (пласты ангидрита, каменной соли, плотных известняков и доломитов) не должны отличаться от известных значений более чем на ± 3 %.
16.1.6.3. Расхождения интервальных времен основного и повторного измерений не должны превышать ± 3 %, а эффективного затухания - ± 5 дБ/м в интервалах глубин протяженностью не менее 10 м.
16.1.7. На твердых копиях кривые Dt, А, a размещают в треке Т2, ФКД двух зондов - в треке Т3 (рис. 1). При подготовке единого планшета с данными комплекса ГИС их размещают соответственно в треке T2L и T2R (ФКД одного зонда).
16.2.1. Акустический каротаж на отраженных волнах («акустический телевизор», АК - сканер) предназначен для растрового отображения стенки скважины или обсадной колонны по интенсивности отраженных от нее высокочастотных упругих импульсов. Измеряемые величины - времена и амплитуды (интенсивность) отраженной волны. Единицы измерения - микросекунда (мкс) и безразмерная единица соответственно.
В необсаженных скважинах применяют (ограниченно) для измерения диаметра скважины (по времени прихода отраженной волны) и определения литологического состава пород, выделения трещиновато-кавернозных зон, определения положения границ пластов с различной акустической жесткостью. В обсаженных скважинах определяют положение муфт, перфорационных отверстий, дефектов колонны, выходящих на ее внутреннюю поверхность.
Исследования проводят в скважинах, заполненных любой нетяжелой (плотностью не более 1,2 г/см3), негазирующей промывочной жидкостью.
16.2.2. Измерительный преобразователь АК-сканера представляет собой совмещенный излучатель-приемник упругих колебаний, вращающийся вокруг оси скважинного прибора.
16.2.2.1. Требования к преобразователю:
- частота собственных колебаний в диапазоне 250 - 1000 кГц;
- форма внешней (излучающей) поверхности должна обеспечивать фокусировку упругого сигнала на поверхности стенки скважины в круге диаметром не более 3 мм;
- наличие устройства определения азимутальной ориентации или привязки положения к апсидальной плоскости ствола скважины с азимутальной погрешностью не более ± 0,5° в открытом стволе и ± 2° в обсаженной скважине. После обработки первичных данных начало развертки должно определяться направлением на север;
- количество оборотов - не менее трех в секунду;
- количество точек сканирования - не менее 512 за один оборот;
- погрешность измерения диаметра скважины - не более ± 0,5 мм;
- наличие дополнительного короткого зонда И-П для определения скорости упругой волны в жидкости, заполняющей скважину, с погрешностью измерения не более ± 40 м/с.
16.2.3. Требования к методическому и программному обеспечению не регламентируются.
16.2.4. Выполнение калибровок определяется эксплуатационной документацией на прибор. Диаметр скважины определяют как произведение времени распространения отраженной волны на скорость ее распространения в промывочной жидкости (с учетом диаметра скважинного прибора).
16.2.5. Исследования в скважинах проводят согласно требованиям раздела 6 с изменениями:
16.2.5.1. Повторное измерение не выполняют.
16.2.5.2. Контрольное измерение проводят в любом участке обсадной колонны протяженностью не менее 50 м.
16.2.5.3. Скорость каротажа - не более 250 м/ч.
16.2.6. Контроль качества первичных данных определяется эксплуатационной документацией на прибор.
16.2.7. На твердых копиях значения диаметра скважины и растровое изображение поверхности стенки скважины отображают в треках T2L и T2R (рис. 1).
17.1. Ядерно-магнитный каротаж (ЯМК) в земном магнитном поле основан на измерении параметров свободной ядерной прецессии (СП) протонов, возникающей после выключения поляризующего поля.
Измеряемые величины - несколько (как правило, три) значений U1, U2, U3 огибающей сигнала СП, которые регистрируют через фиксированные промежутки времени после выключения поля, а также время Т1 продольной релаксации протонов. Определяемыми параметрами являются индекс свободного флюида (ИСФ), в процентах, и время Т1, в секундах.
ЯМК применяют в необсаженных скважинах для выделения коллекторов, приблизительной оценки их эффективной пористости, определения характера (нефть, вода) насыщенности коллекторов.
Условия применения: вертикальные и слабонаклонные скважины, заполненные глинистой промывочной жидкостью плотностью не менее 1,2 г/см3, вязкостью более 25 с, водоотдачей не более 9 см3/30 мин без добавок углеводородов; содержание магнитных примесей в породах должно быть менее 50 мг/см3, в промывочной жидкости - не более 1 мг/см3; уровень фонового сигнала в промывочной жидкости - на уровне собственных шумов прибора; вязкость пластовой нефти - менее 0,3 Па · с.
17.2. Требования к измерительным зондам ЯМК:
- диапазон определения индекса свободного флюида - 3 - 100 %;
- предел допускаемой основной погрешности определения ИСФ - ± 3 % в диапазоне ИСФ от 3 до 50 % и ± 5 % в диапазоне ИСФ от 50 до 100 %;
- допускаемая дополнительная погрешность, вызванная изменением напряжения питания на ± 10 %, - не более 0,2 основной погрешности;
- допускаемая дополнительная погрешность, вызванная изменением температуры окружающей среды, - не более 0,1 основной погрешности на каждые 10 °C относительно стандартного значения, равного 20 °C.
17.3. Первичную и периодические калибровки выполняют, поместив скважинный прибор в стандартный образец ИСФ 3264-84, который устанавливают вертикально на расстоянии не менее 50 м от силовой, осветительной и радиотрансляционной сетей, убрав в радиусе 50 м мелкие ферромагнитные предметы (железный лом). Полевую калибровку проводят с помощью контрольного датчика.
17.3.1. Требования к прибору, который находится в калибровочном устройстве: отношение сигнала СП к помехе - не менее 100; время спада сигнала СП - не менее 200 мс; отклонение частотной настройки от частоты прецессии - меньше 5 Гц.
17.3.2. Контролируемые параметры: время поляризации - больше 2 с; «мертвое» время - меньше 35 мс; время первой задержки (для измерения U1) - меньше 100 мс; различие в частотах настройки и прецессии - больше 5 Гц.
17.3.3. Параметры, подлежащие калибровке: нуль-сигналы каналов измерения U1, U2, U3; отклонения U1, U2, U3 при калибровке канала постоянным напряжением (стандарт-сигналы); отклонения U1, U2, U3 в стандартном образце ИСФ; отклонения U1, U2, U3, соответствующие сигналу СП от контрольного датчика.
17.4. Подготовку к исследованиям, оформление заголовка и сами исследования выполняют согласно требованиям раздела 6. Дополнительные требования:
17.4.1. При помещении прибора в скважину регистрируют сигналы контрольного датчика, нуль- и стандарт-сигналы U1, U2, U3.
17.4.2. После спуска прибора в интервал исследований с помощью контрольного датчика проверяют соответствие частотной настройки частоте прецессии и регистрируют уровень помех при выключенном токе поляризации (фоновая запись).
17.4.3. Контрольную запись выполняют в интервале пород, в которых ИСФ больше 4 %.
17.4.4. Скорость каротажа - не более 250 м/ч.
17.4.5. Для расчета времени продольной релаксации данные ЯМК регистрируют одним из следующих способов: 5 кривых U1 с изменяющимися временами поляризации; 15 значений U1 на фиксированной глубине при различных временах поляризации; 15 значений U1 на фиксированной глубине при различных временах действия остаточного тока.
17.5. Основные положения контроля качества измерений регламентируются разделом 6. Дополнительные требования:
17.5.1. Уровень фоновых помех не должен превышать 2 % ИСФ.
17.5.2. Отношение уровня помех при включенной поляризации к уровню помех при выключенной поляризации в интервалах пород без коллекторов (аргиллиты, ангидриты и т.п.) - не должно превышать 3.
17.5.3. Расхождение повторных замеров против пластов, для которых ИСФ больше 4 %, не должно превышать ± 10 %.
17.6. На твердых копиях результаты измерений представляют в арифметическом масштабе в треке Т2 (рис. 1).
18.1. Магнитный каротаж основан на изучении магнитных характеристик горных пород и напряженности геомагнитного поля в породах, вскрытых скважиной. Он включает:
- каротаж естественного магнитного поля, основанный на изучении: вектора (модуля вектора) T напряженности геомагнитного поля или его составляющих X, Y, Z; приращений полного вектора или его составляющих (DT, DZ); компонент нормального (Tн, Zн) и аномального (Tа, Za) поля. Единица измерения в системе СИ - тесла (Тл), дробная единица - нанотесла (1 нТл = 10-9 Тл). Радиус исследований при каротаже естественного магнитного поля изменяется от нескольких метров до 100 - 150 м в зависимости от геометрии и магнитных свойств влияющего объекта;
- каротаж магнитной восприимчивости (КМВ), основанный на изучении искусственного переменного электромагнитного поля, величина ЭДС которого определяется магнитной восприимчивостью с горных пород. Допускается выражение результатов измерений в единицах СИ или СГС, связанных между собой соотношением χ (СИ) = 4pχ (СГС). Радиус исследований составляет 10 - 60 см.
В нефтегазовых скважинах магнитный каротаж применяют для:
- определения магнитной восприимчивости и намагниченности пород в разрезах параметрических скважин;
- литологического расчленения и корреляции геологических разрезов;
- выделения интервалов разреза, содержащих магнитные минералы и зоны оруденения;
- определения элементов залегания пород, которые дифференцируются по магнитным свойствам;
- обеспечения интерпретации наземных магниторазведочных работ.
Магнитный каротаж выполняют в необсаженных скважинах. Дополнительными ограничениями являются присутствие в промывочной жидкости добавок ферромагнитных минералов (гематита) и влияние металлических конструкций скважины в радиусе исследования зондов.
18.2. Для проведения магнитного каротажа применяют: скважинные каппаметры - для исследования магнитной восприимчивости среды; скважинные магнитометры для измерения напряженности магнитного поля. Рекомендуется использовать приборы, сочетающие оба модуля.
18.2.1. Основные требования к приборам для магнитного каротажа: определение магнитной восприимчивости χ и модуля вектора T напряженности геомагнитного поля и его составляющих; возможность исследования слабомагнитных разрезов с χ < 10-4 ед. СИ и аномалиями магнитного поля менее 10000 нТл.
18.2.2. Минимальные требования к методическому обеспечению: для каротажа магнитной восприимчивости - программы учета влияния скважины; для каротажа естественного магнитного поля - учет влияния кривизны скважины; расчет модуля вектора T напряженности геомагнитного поля.
18.3. Калибровки выполняют согласно общим требованиям раздела 6. Как частность:
18.3.1. Калибровку каппаметров на скважине выполняют до и после каротажа с использованием рабочих мер магнитной восприимчивости, тестов или стандарт-сигналов. Прибор должен располагаться на расстоянии не менее 5 длин зонда от металлических предметов.
18.3.2. Калибровку магнитометров выполняют при помощи меры магнитной индукции или градуировочного комплекта на контрольных пунктах: района (статус периодической калибровки) и скважины (полевая калибровка). Измерения на контрольных пунктах выполняют приборами и оборудованием (геофизический кабель, регистратор и др.), которые используются при проведении скважинных исследований.
18.3.2.1. Контрольный пункт района должен быть расположен в условиях нормального магнитного поля; целесообразно использовать для этого контрольные пункты наземной магниторазведки. На контрольном пункте района выполняют: периодическую калибровку магнитометров; измерение компонент нормального поля; оценку основной погрешности измерений по воспроизводимости результатов.
18.3.2.2. Контрольный пункт скважины выбирают по карте изодинам магнитного поля в области наименьшего градиента на удалении не менее 50 м от металлических предметов (каротажная станция, обсадка скважины и др.). Расстояние до устья скважины и азимут направления документируются в файлах измерений. На контрольном пункте скважины проводят: полевую калибровку магнитометров; измерение компонент магнитного поля для привязки результатов измерений в скважине к наблюдениям на поверхности.
18.4. Исследования в скважинах выполняют согласно требованиям эксплуатационной документации. При этом:
18.4.1. До начала и после измерений (не позднее 2 - 3 мин после извлечения прибора из скважины) проводят регистрацию нуль- и стандарт-сигналов.
18.4.2. Скорость каротажа и шаг дискретизации по глубине не должны превышать 1000 м/ч и 0,2 м соответственно.
18.4.3. Во время проведения каротажа методом естественного магнитного поля рекомендуется параллельное измерение вариаций магнитного поля на контрольном пункте скважины вторым скважинным или наземным магнитометром. Такие измерения являются обязательными в следующих случаях: интервал магнитного каротажа превышает 1000 м; по результатам магниторазведочных работ установлено, что амплитуды короткопериодных вариаций превосходят погрешности измерений.
Исследования магнитным каротажом не проводят во время магнитных бурь.
18.4.4. В интервалах проведения каротажа магнитной восприимчивости обязательно выполнение кавернометрии, а каротажа магнитного поля - инклинометрии.
18.5. Первичная обработка данных магнитного каротажа должна обеспечивать решение качественных задач (расчленение разреза по магнитным свойствам и др.).
18.5.1. Для каротажа магнитной восприимчивости регламентируется установка нулевых линий по уровню сигнала в воздухе до и после наблюдений и введение поправок в результаты измерений за влияние скважины (при необходимости).
18.5.2. Для каротажа естественного магнитного поля выполняются: учет влияния кривизны скважины; расчет модуля вектора Т напряженности геомагнитного поля (при измерении его составляющих); расчет показателей аномального магнитного поля. Переход от измеренных компонент полного магнитного поля к компонентам аномального поля осуществляют вычитанием уровня нормального поля, установленного на контрольном пункте скважины (при необходимости, с учетом измеренных вариаций). В случае измерения приращений поля (DT, DZ) уровень поля, найденный на контрольном пункте скважины, принимают за нулевой.
18.6. На твердых копиях при совместном выполнении каротажа магнитной восприимчивости и каротажа естественного магнитного поля результаты представляют в треках Т2, Т3 (рис. 1).
19.1. Изучение геометрии ствола скважины проводят по результатам измерения нескольких диаметров (не менее двух) во взаимно перпендикулярных плоскостях - профилеметрия ствола, а также и среднего диаметра скважины - кавернометрия (ДС). Измеряемая величина - диаметр скважины в миллиметрах (мм).
Различают - вертикальную профилеметрию, при которой проводят регистрацию изменения формы и размера поперечного сечения скважины по стволу, и горизонтальную профилеметрию (профилографию), при которой фиксируют данные о форме и размерах одного поперечного сечения скважины.
Данные о фактическом диаметре скважины необходимы для решения следующих задач:
- оценки прихватоопасности желобов, сальников, глинистых и шламовых корок, интервалов выкрашивания и вывала пород;
- учета геометрии ствола при аварийных работах, связанных с извлечением из открытого ствола посторонних предметов;
- выбора интервалов установки пакеров испытателя пластов, испытателей на кабеле и сверлящего керноотборника на кабеле;
- выбора интервалов для установки башмака, центраторов и турбулизаторов обсадной колонны;
- определения объема затрубного пространства для расчета количества тампонажной смеси; уточнения геологического разреза, в том числе выделения коллекторов по появлению глинистых корок;
- учета диаметра ствола при интерпретации данных БКЗ, БК, ГК, НК и др. методов.
Исследованию кавернометрией-профилеметрией подлежат все скважины без исключения.
19.2. Требования к каверномерам и профилемерам:
- диапазон измерения диаметров скважины каверномером - от 100 до 800 мм;
- диапазон измерения радиусов профилемером - от 25 до 400 мм;
- предел допускаемой основной погрешности каверномера - не более ± 3 мм в диапазоне до 400 мм и не более ± 5 мм в диапазоне от 400 до 800 мм;
- предел допускаемой основной погрешности профилемера - не более ± 2 мм;
- дополнительная погрешность, вызванная изменением напряжения питания, - не более 0,2 значения основной погрешности;
- дополнительная погрешность, вызванная изменением температуры окружающей среды, - не более 0,1 значения основной погрешности на каждые 10 °C относительно стандартного значения, равного 20 °C;
- дополнительная погрешность, вызванная отклонением скважины от вертикали, не должна превышать 0,5 значения основной погрешности.
19.2.1. Приборы комплексируют с другими приборами (модулями) без ограничений.
19.2.2. Минимальные требования к методическому и программному обеспечению заключаются в наличии методик и программ расчета площади, формы и объема скважины по данным профилеметрии.
19.3. Первичную, периодические и полевые калибровки ведут согласно общим требованиям раздела 6.
19.3.1. Основным средством периодических калибровок является набор из пяти образцовых колец или калибровочная установка типа УП-Кв, которые воспроизводят значения диаметров в диапазоне от 100 до 800 мм с погрешностью не более ± 1,0 мм. Допускается использование также калибровочных устройств, поставляемых заводом-изготовителем (так называемые, «гребенки»), если погрешность воспроизведения ими диаметров не превышает ± 1,0 мм.
19.3.2. В качестве средства полевой калибровки используют образцовые кольца (не менее двух) или «гребенку».
19.4. Исследования в скважинах ведут согласно требованиям раздела 6.
19.4.1. Интервал контрольной записи должен включать участок протяженностью не менее 50 м перед входом в обсадную колонну и не менее 20 м в колонне.
19.4.2. Для приборов однократного раскрытия повторную запись не проводят; контрольную запись выполняют согласно предыдущему разделу.
19.5. Основные положения контроля качества измерений регламентируются разделом 6. Дополнительные требования:
19.5.1. Расхождения кривых основной и повторной записей не должны превышать ± 5 мм.
19.5.2. Расхождения измеренных и проектных диаметров колонны и скважины в интервалах с номинальным диаметром ствола не должны превышать ± 3 мм.
19.6. Первичная обработка включает придание кавернограммам и профилеграммам физических масштабов, построение поперечных сечений скважины по результатам горизонтальной профилеметрии.
19.7. На твердых копиях результаты измерений представляют в арифметическом масштабе в треке Т1 (рис. 1).
20.1. Инклинометрические исследования - это измерения зенитного угла и азимута скважины в функции ее глубины. Единица измерения - градус. Сокращение - Инкл.
Инклинометрические исследования проводят при подъеме скважинного прибора в вертикальных скважинах глубиной свыше 300 м и в наклонных скважинах глубиной свыше 100 м для решения задач:
- контроля заданного направления оси ствола скважины в пространстве проектному в процессе бурения;
- выделения участков перегибов оси ствола скважины, которые могут вызывать осложнения при бурении;
- получения исходных данных для геологических построений, в том числе определения истинных глубин залегания продуктивных пластов, для интерпретации данных магнитного каротажа и пластовой наклонометрии.
Исследования выполняют магнитными (точечными и непрерывными) в необсаженных скважинах и гироскопическими инклинометрами в необсаженных и обсаженных скважинах.
20.2. Требования к инклинометрам для исследования необсаженных скважин:
- диапазон измерения азимута - от 0 до 360°;
- границы диапазонов измерения зенитного угла - от 0 до 45, 90, 135, 180°;
- диапазон измерения апсидального угла - от 0 до 360°;
- допускаемая основная погрешность измерения азимута для зенитных углов более 3° - не более ± 2°;
- допускаемая основная погрешность измерения зенитного угла - не более ± 0,5°;
- дополнительная погрешность, вызванная изменением напряжения питания, - не более 0,2 значения основной погрешности;
- дополнительная погрешность, вызванная изменением температуры окружающей среды, не должна превышать 0,1 значения основной погрешности на каждые 10 °C относительно стандартного значения температуры, равного 20 °C.
20.2.1. Требования к методическому обеспечению заключаются в наличии программ расчета:
- координат оси скважины;
- абсолютных отметок глубин;
- приращений (удлинений) длины ствола;
- величины и направления смешения забоя скважины относительно устья;
- характеристик рассеяния (неопределенности) координат.
20.3. Первичную, периодические и полевые калибровки проводят согласно общим требованиям раздела 6.
20.3.1. Периодические калибровки выполняют соответственно требованиям МУ 41-17-1373-87 «Отраслевая система обеспечения единства измерений. Инклинометры и ориентаторы. Методика поверки». Основным средством калибровки служат установки УКИ-2, УПИ-1, УПИ-3.
20.3.2. При использовании инклинометров, не подпадающих под действие МУ 41-17-1373-87, их периодическую калибровку проводят в соответствии с методическими указаниями, регламентированными эксплуатационной документацией.
20.3.3. Полевую калибровку инклинометров проводят непосредственно перед скважинными измерениями и после них, используя угломер-квадрант УК-2 и буссоль БГ-1 (или БШ).
20.4. Общие требования к проведению измерений определены в разделе 6. Дополнительные требования различны для инклинометров разных типов.
Измерения точечными магнитными инклинометрами проводят в открытом стволе или в легкосплавных бурильных трубах (ЛБТ) при подъеме скважинного прибора. Как исключение, допускаются измерения зенитных углов в стальных бурильных трубах или в обсадной колонне.
20.4.1. Измерения в точках проводят через 10 с после полной остановки прибора.
20.4.2. Если интервал исследований находится существенно выше забоя скважины, то первое измерение выполняют на глубине пяти метров ниже заданного интервала, последующие - через 2 - 3 м, затем переходят к измерениям с принятым шагом.
Если исследования начинают от забоя скважины, то первое измерение выполняют на глубине 5 м выше него, после чего переходят к измерениям в точках глубин, кратных шагу измерений.
20.4.3. Шаг измерений в открытом стволе должен быть равен 25 м в вертикальных скважинах с зенитными углами до 5°; 10 м - в скважинах с углами выше 5°; 5 м - в скважинах с интенсивностью искривления до 0,5°/м; 2 м - на участках с интенсивностью искривления 0,5 °/м и более.
Шаг измерений в ЛБТ (зенитных углов в стальной обсадной колонне) должен быть равен 40 м для зенитных углов до 5°; 20 м - при зенитных углах свыше 5° и 10 м - на участках с принудительным искривлением.
20.4.4. Измерения в ЛБТ проводят на расстоянии не менее 15 м от стальной колонны и турбобура и более 3 м от стальных замковых соединений.
20.4.5. Повторные измерения выполняют в каждой пятой точке.
20.4.6. Измерения, выполняемые после углубления скважины, необходимо проводить другим инклинометром с перекрытием интервала предыдущих измерений не менее чем в трех точках подряд, если зенитные углы меньше 5°, и в пяти точках при больших значениях зенитных углов.
В наклонно направленных скважинах со спущенными ЛБТ в интервале набора кривизны повторными измерениями перекрывают не менее трех точек подряд, из которых хотя бы в одной должен быть измерен азимут.
20.5. Спуск в интервал измерений приборов непрерывной инклинометрии осуществляют со скоростью согласно п. 6.3.6. Не менее чем за 20 - 30 м до глубины начала скважинных измерений скорость спуска снижают до 800 м/ч. После остановки прибора его выдерживают неподвижным в течение 30 с.
20.5.1. Перед началом измерений осуществляют привязку инклинометра к глубине.
20.5.2. Измерения начинают, плавно увеличивая скорость подъема прибора до 800 м/ч без рывков и резких торможений.
20.5.3. Регистрацию глубин осуществляют с разрешающей способностью не хуже ± 0,1 м, скорости движения - не хуже ± 1 м/ч.
20.5.4. При использовании магнитных инклинометров регистрацию азимута необходимо отключить за 20 м до входа в обсадную колонну.
20.6. Технология проведения скважинных исследований гироскопическим инклинометром выполняется в соответствии с эксплуатационной документацией на конкретный тип инклинометpa и делится на два этапа - определение географического меридиана и замер траектории ствола скважины.
20.6.1. Скважинный прибор, соединенный геофизическим кабелем с наземным блоком, фиксируют на устье с помощью специального фланца, который обеспечивает установку инклинометра в вертикальном положении с точностью не хуже ± 0,3° и возможностью его разворота по апсидальному углу.
Проводят предварительную выставку (определение географического меридиана), после окончания которой производят разворот корпуса инклинометра по апсидальному углу и добиваются установки вертикального положения до требуемой величины.
Затем повторяют процедуру начальной выставки до получения стабильного результата. Данная процедура продолжается 40 - 60 минут.
20.6.2. После окончания операции «выставки гироскопического инклинометра», инклинометр освобождают и останавливают на нулевой отметке глубины скважины и начинают автономную работу согласно эксплуатационной документации.
Измерение траектории ствола осуществляется при спуске и подъеме прибора непрерывно или точках. Скорость записи - до 5000 м/ч (при условии предварительного шаблонирования скважины перед измерениями). Основной замер траектории осуществляется на спуске; на подъеме - осуществляют контроль проведенных измерений.
Рекомендуется прохождение интервалов перфорации со скоростью 750 - 1500 м/ч. В целях снижения вероятности удара инклинометра об забой рекомендуется не доходить до него на 5 - 10 м. Стоянка на забое не более 20 с. Отрыв от забоя должен проводиться с минимально возможной скоростью.
В процессе замера траектории ствола скважины для компенсации дрейфа гироскопа необходимо проводить во время спуска и подъема технологические остановки. Методика и условия выполнения остановок регламентируется требованиями эксплуатационной документации.
20.6.3. При последующем измерении, выполняемом после углубления скважины, интервал предыдущих измерений перекрывают согласно требованиям п. 20.4.5.
20.7. Основные положения контроля качества измерений регламентируются разделом 6.
20.7.1. Критерием точности инклинометрических измерений является значение средней квадратической погрешности, вычисляемое по разностям двойных измерений, которое не должно превышать значения основной погрешности инклинометра:

где δ - средняя квадратическая погрешность измерений углов; di - разность двойных измерений угла в i-ой точке; п - число двойных измерений.
20.7.2. В процессе измерений точечным магнитным инклинометром текущий контроль осуществляют определением абсолютной разности между результатами основного и повторного измерений, которые не должны превышать удвоенное значение основной погрешности инклинометра.
Если значения разности превышают значение основной погрешности не более чем в двух точках, то число точек перекрытия увеличивают на две. Если после этого общее число точек с увеличенными значениями разности составляет три и более, то перекрытию подлежат все точки предыдущего интервала измерений.
20.7.3. Для непрерывной инклинометрии получают результирующий протокол замера кривизны, проекции скважины на три ортогональные плоскости или изометрическую проекцию, графики функциональных зависимостей азимута, зенитного угла и угла поворота (установки отклонителя) с помощью программного обеспечения обработки результатов, разработанного для конкретного типа инклинометра.
20.7.4. Для получения достоверных координат траектории ствола скважины, которая имеет протяженный (более 200 м) вертикальный участок (зенитные углы не более 3°) рекомендуется проверять гироскопическим инклинометром данные, полученные с помощью магнитных инклинометров.
20.8. Обработка и оформление результатов измерений различны для точечных и непрерывных магнитных и гироскопических инклинометров. Алгоритмы обработки определяются программным обеспечением. Регламентируемыми документами являются:
- сводная таблица результатов инклинометрических измерений (значения зенитных и азимутальных углов) с заданным шагом по глубине. Для точек с многократными измерениями принимают средние значения из результатов всех измерений;
- координаты X, Y и Z точек оси ствола скважины в системе координат с началом в центре ротора и осями, параллельными осям геодезической сети, план и профиль ствола скважины. Положительные направления координатных осей принимают следующими: ось X - северное; ось Y - восточное; ось Z - вниз.
Координаты точек вычисляют по дирекционным углам, для чего в измеренные магнитные азимуты вводят поправки на магнитное склонение и сближение меридианов. При вычислении координат используют формулы (или формулы, учитывающие изменения углов и азимутов по глубине):
![]()
![]()
![]()
где Xn, Yn, Zn - координаты определяемой точки; li - шаг измерений между точками i - 1 и i; θi-1, θi - зенитные углы в точках i - 1 и i; ai-1, a, - дирекционные углы точек i - 1 и i, n - количество точек.
20.9. Материалы, передаваемые недропользователю, должны содержать: сводную таблицу результатов инклинометрических измерений, а для наклонно направленных скважин - дополнительно план и профиль ствола скважины.
На плане скважины показывают: направление координатных осей; масштаб; положение устья скважины; проектное и фактическое положение забоя; смещение забоя; дирекционный угол или азимут направления «устье-забой»; расстояние в плане между фактическим и проектным положениями забоя. На профиле скважины показывают: направление координатной оси Z; масштаб; дирекционный угол или азимут вертикальной плоскости, на которую проецируется ось скважины.
21.1. Пластовая наклонометрия - вид каротажа, предназначенный для определения элементов залегания пород в разрезе скважины.
Результаты пластовой наклонометрии применяют для выделения и определения толщин и элементов залегания (углов и азимутов падения) пластов горных пород с различными литологическими и фильтрационно-емкостными характеристиками, фациального анализа и прогнозирования на этой основе структурных и комбинированных ловушек, оценки достоверности результатов сейсморазведки и выбора мест заложения скважин.
21.1.1. Пластовая наклонометрия может быть реализована в двух модификациях: на основе измерения направления геофизических полей, например электромагнитных (определенными возможностями располагает метод индукционной наклонометрии); на основе реализации метода координат.
Пластовая наклонометрия по методу координат основана на определении ориентации тонкого прослоя по координатам трех или большего числа точек, соответствующих сечению прослоя скважиной, и реализуется путем измерений прижимными датчиками, перемещающимися по нескольким различным образующим стенки скважины в плоскости, перпендикулярной оси скважины. В качестве датчиков используют микрозонды или боковые микрозонды, как наиболее эффективные по простоте, надежности, разрешающей способности, диапазону измеряемых характеристик и скорости измерения.
21.1.2. Радиусы скважины, измеряемые одновременно с электрическими характеристиками пород, также используют для определения элементов залегания пород (способ механической наклонометрии) при условиях: погрешность изменения радиусов - не более первых долей мм; по результатам опробования конкретного прибора установлена сходимость результатов электрической и механической наклонометрии.
21.1.3. Ограничения метода - общие для прижимных скважинных приборов. Скорость проведения исследований - не более 800 м/ч.
21.2. Аппаратура (наземная панель и скважинный прибор) пластовой наклонометрии должна удовлетворять общим требованиям к приборам для исследования открытого ствола скважин и обеспечивать возможность измерения (или расчета по результатам измерений) параметров, характеризующих пространственное положение пластов.
21.2.1. Комплекс измеряемых и расчетных параметров пластовой наклонометрии должен включать характеристики пород и ствола скважины по глубине:
- электрические характеристики пород в прискважинной зоне - значения кажущегося удельного электрического сопротивления ρк, вычисленные по измеренным потенциалу или току каждого датчика; азимутальное распределение кажущегося УЭС прискважинной зоны; интегральное значение кажущегося УЭС на данной глубине;
- элементы залегания пластов - угол и азимут падения, которые рассчитывают с учетом данных о кривизне скважины;
- элементы кривизны скважины - угол и азимут наклона, рассчитанные по ортогональным составляющим угла наклона и вектора магнитного поля Земли;
- характеристики ствола скважины - радиусы по каждому направлению;
- ориентированную форму сечения скважины на данной глубине.
21.2.2. Обязательные требования к скважинному прибору:
- наличие не менее четырех прижимных датчиков;
- измерение каждым датчиком не менее двух характеристик - электрической (кажущееся сопротивление, потенциал или сила тока) и механической (радиус скважины);
- наличие инклинометрического блока (датчики угла и азимута);
- согласованные по текущему времени измерения всеми датчиками;
- конструкция датчиков должна обеспечивать измерения кажущихся удельных сопротивлений в диапазоне от 0,5 до 150 Ом · м при изменении УЭС промывочной жидкости от 0,05 до 5 Ом · м;
- требования к датчикам МК, БМК, инклинометрии такие же, как для отдельно применяющихся приборов (модулей) этих методов (подразделы 14.4, 14.8, и раздел 20).
21.2.3. Дополнительные рекомендуемые требования: наличие акселерометрического блока с датчиком линейного ускорения для введения поправок за неравномерность движения скважинного прибора; чувствительность датчиков к изменению радиуса - не более первых долей мм.
21.2.4. Минимальные требования к методическому обеспечению: программная реализация построения корреляций между кривыми микрозондов; расчет элементов залегания пород по методу координат.
21.2.5. Целесообразно аппаратурное или методическое комплексирование пластовой наклонометрии с электрическими сканерами.
21.3. Калибровки аппаратуры, скважинные измерения и контроль качества материалов проводятся в соответствии с требованиями эксплуатационной документации на конкретный тип аппаратуры.
21.4. Форма представления данных на твердых копиях не регламентируется. Обязательно представление следующих результатов:
- кривых измерений всеми электрическими микрозондами с нанесенными линиями основных корреляций;
- кривых профилей скважины по данным измерения радиусов;
- инклинограммы (угол и азимут кривизны скважины);
- наклонограммы (углы и азимуты падения поверхностей раздела пластов по выделенным корреляциям);
- обобщенных углов и азимутов падения для отдельных пластов.
На твердых копиях могут быть представлены другие результаты (ориентированные формы сечения скважины, схемы ориентированного положения микрозондов при измерениях, гистограммы, розы-диаграммы и др.).
22.1. Метод заключается в изучении естественных и искусственных тепловых полей в скважине в установившемся и неустановившемся режимах. Измеряемая величина - температура (разность температур) - в градусах Цельсия (°C). Сокращение - Т или Терм.
Измерение естественных полей выполняют:
- в установившемся режиме с целью определения естественной температуры пород, геотермического градиента, геотермической ступени;
- в неустановившемся режиме для сопровождения бурения и каротажа - определения температурного режима работы бурового инструмента и скважинных приборов;
- получения информации для учета температуры при интерпретации данных каротажа.
Разница полей, измеренных на этих режимах, зависит от времени пребывания скважины в покое. Она тем больше, чем меньший промежуток времени прошел после прекращения циркуляции промывочной жидкости в стволе скважины и других тепловых воздействий - заколонных перетоков, дросселирования нефти, газа и воды, прохождения фронта вод, закачиваемых в пласт, и т.д.
Измерения искусственных полей ведут для:
- оценки технического состояния обсаженных скважин - определения высоты подъема цемента; выделения интервалов затрубных перетоков; контроля интервалов перфорации; исследований герметичности обсадных колонн и фонтанных труб;
- сопровождения процесса эксплуатации скважин в комплексе с другими методами определения «притока-состава» - выделения интервалов и профилей притоков и приемистости; установления обводненных интервалов в добывающих скважинах; прослеживания температурного фронта закачиваемых вод; исследования нагнетательных скважин; определения интервалов внутриколонных перетоков; контроля за внутрипластовым горением, паротепловым воздействием и термозаводнением.
Результаты измерений, в том числе естественных полей, полученные в установившемся режиме, используют при этом в качестве фоновых наблюдений.
22.2. В зависимости от измеряемой величины различают модификации метода: обычную термометрию («термометрия»), при которой измеряют температуру, и дифференциальную термометрию, когда измеряют разность температур.
Дифференциальную термометрию подразделяют на аномалий-термометрию (измерение отклонений температуры DT от некоторого среднего значения) и градиент-термометрию (измерение разности температур двух датчиков, разнесенных на фиксированное расстояние).
22.3. Для измерения температуры применяют термометр сопротивления, спускаемый на геофизическом кабеле, максимальный ртутный термометр и глубинный самопишущий термометр, опускаемые на бурильных трубах в составе ИПТ.
Термометр сопротивления комплексируют с приборами остальных методов ГИС. Он является частью технологического блока в сборках модулей.
22.4. Термометр сопротивления должен удовлетворять следующим требованиям:
- разрешающая способность - не хуже 0,01 °C (для отдельных модификаций приборов - 0,1 - 0,3 °C);
- основная погрешность измерения температур в заданном диапазоне измерений - не более ± 2 %;
- постоянная времени - не более 2 с;
- сопротивление чувствительного элемента мостикового термометра - не более 2000 Ом;
- дополнительная погрешность измерения за счет нагревания чувствительного элемента проходящим через него током - не более половины допустимой погрешности;
- сопротивление изоляции жил кабеля при работе с термометром - не менее 2 МОм.
22.5. Первичную, периодические и полевые калибровки ведут согласно общим требованиям раздела 6. Калибровки выполняют, руководствуясь эксплуатационной документацией для конкретного типа скважинного прибора.
22.5.1. Контролируемыми параметрами являются постоянная времени и постоянная термометра, соответствующая изменению выходного напряжения на 1 °C.
22.5.2. Основным средством периодических калибровок являются баки с водой различной температуры; температуру воды устанавливают с помощью образцовых термометров.
22.6. Исследования в скважинах ведут, руководствуясь следующими требованиями:
22.6.1. Перед спуском прибора в скважину измеряют температуру окружающей среды (допускается измерение температуры воздуха в станции) одновременно скважинным термометром и ртутным. Разница в показаниях обоих термометров не должна превышать ± 0,5 °C.
22.6.2. Примерная скорость каротажа должна составлять 1000; 800; 600 и 400 м/ч, если постоянная времени равна 0,5; 1; 2 и 4 с соответственно.
Для регистрации аномалий температур, имеющих небольшую протяженность по глубине, скорость каротажа рассчитывают как
v = 3600То/Gtд,
где То - порог чувствительности термометра, G - градиент температуры в скважине (для естественного поля - геотермический градиент Г), tд - динамическая тепловая инерция, которая в 1,5 - 2,5 раза больше паспортного значения постоянной времени t.
Минимальная толщина hmin прослоя в метрах, для которой аномалия температуры максимально близка к истинной, определяется выражением
hmin = n · v · tд/3600.
Если значение аномалии устанавливают с точностью 99,9; 99,5; 99; 95 и 90 %, то коэффициент n равен соответственно 6,9; 5,3; 4,6; 3 и 2,3.
22.6.3. Геотермические исследования проводят только на спуске прибора после пребывания скважины в покое не менее 10 суток. Более точный промежуток времени устанавливают для района опытным путем; реально он может составлять от нескольких месяцев до нескольких лет. В скважине не должно быть перелива, газопроявлений, затрубного движения.
При определении естественной температуры необходимо: провести на ряде глубин измерения при неподвижном термометре; выполнить не менее двух повторных измерений по всему стволу с интервалом времени между ними не менее суток; в обоих вариантах разница показаний не должна превышать ± 1 °C.
22.6.4. Измерения текущей температуры в скважине для определения температурного режима работы бурильного инструмента и скважинных приборов проводят при спуске и подъеме термометра.
При определении мест поглощения в открытом стволе выполняют серию разновременных измерений. Локализацию интервалов интенсивных поглощений проводят по характерным аномалиям температуры.
22.6.5. Измерения температуры для оценки технического состояния обсаженных скважин выполняют при спуске скважинного прибора, повторное измерение - при его подъеме.
22.6.5.1. Для определения высоты подъема цемента за обсадной колонной измерения проводят от устья до забоя скважины после затвердевания цемента, но не позже чем через двое суток после цементирования колонны для нормально схватывающихся цементов и через 15 - 20 ч для быстросхватывающихся цементов. Оптимальное время исследований для нормально схватывающихся цементов - через 15 - 30 ч после окончания заливки.
Запрещается проведение любых работ в скважине перед измерениями во избежание нарушения температурного режима.
При применении нестандартных цементных растворов, а также в случае выполнения работ по специальным программам рекомендуется проводить временные измерения термометром в период схватывания и затвердевания цементной смеси через каждые 2 - 3 ч в течение 1 - 2 суток после окончания заливки.
Эффективность определения высоты подъема цемента по температурной аномалии снижается в высокотемпературных скважинах, при использовании низкосортных цементов (глино- и гельцементы), в случае загрязнения цементного раствора или односторонней заливки.
22.6.5.2. Для определения интервалов перфорации измерения проводят на спуске и подъеме прибора непосредственно после перфорации, захватывая выше интервала перфорации участок глубин протяженностью не менее 50 м. Температурная аномалия, образованная горением зарядов перфоратора, расплывается в течение 1 - 2 суток. Эффективность выделения максимальна для бескорпусных перфораторов.
22.6.5.3. При определении мест негерметичности обсадных колонн и лифтовых труб термометрию комплексируют с другими видами измерений комплекса «приток-состав» (ПГИ, ГИС-контроль).
В случае хорошей приемистости скважины регистрируют термограммы в процессе закачки в нее воды под давлением, в случае низкой приемистости - после снижения уровня жидкости в скважине. Выполняют не менее двух измерений: в остановленной скважине (контрольное); после закачки воды в скважину или снижения в ней уровня.
22.6.6. Измерения в эксплуатационных скважинах ведут одновременно с измерениями данных другими методами ПГИ. Последовательность операций определяется требованиями раздела 12. Дополнительные требования следующие:
22.6.6.1. Применение термометров с порогом чувствительности не хуже 0,01 °C обязательно при решении задач:
- выделения интервалов притоков и приемистости;
- определения местоположений отдающих пластов и установления обводненных интервалов в добывающих скважинах;
- прослеживания температурного фронта закачиваемых вод.
22.6.6.2. Применение термометров с порогом чувствительности 0,1 - 0,3 °C допускается при решении задач:
- исследования нагнетательных скважин;
- определения интервалов интенсивных перетоков;
- выделения мест нарушения эксплуатационных колонн и лифтовых труб;
- контроля за внутрипластовым горением, паротепловым воздействием и термозаводнением.
22.6.6.3. Обязательна выдержка скважины перед выполнением фонового замера не менее одних суток после приостановления работ, связанных с промывкой скважины.
22.6.6.4. В режиме притока регистрируют несколько термограмм (не менее трех), первую - непосредственно после вызова притока, вторую - через 1,5 ч после первой, затем через 2 - 3 ч проводят следующие замеры. Общее время наблюдений за формированием температурной аномалии дроссельного эффекта зависит от дебита скважины и должно быть не менее 10 ч при дебите более 10 м3/сут и не менее 20 ч при меньших дебитах.
22.7. Основные положения контроля качества измерений, оформления данных, формирования файлов недропользователя регламентируются разделом 6.
22.8. На твердых копиях результаты измерений представляют в треках Т2 - Т3 (рис. 1), в масштабе, выбранном в зависимости от решаемой задачи и диапазона изменения температуры. Увеличению температуры должно соответствовать смещение кривой вправо.
23.1.1. Испытания пластов приборами на кабеле включают две операции:
- измерение пластовых и гидростатических давлений и последующий расчет коэффициентов гидропроводности пород в точках измерения - гидродинамический каротаж (ГДК);
- отбор и подъем на дневную поверхность герметизированных проб пластовых флюидов - опробование пластов (ОПК).
Испытания выполняют с помощью одной и той же аппаратуры, содержащей скважинный прибор и наземный пульт питания и управления. Функции скважинного прибора заключаются в изоляции исследуемого участка ствола скважины путем прижатия к стенке герметизирующего резинового башмака, вызова притока жидкости и газа из коллектора за счет перепада давления между пластом и емкостью прибора, измерении давления в полости стока прибора, герметизации и подъеме на поверхность отобранной пробы. Прибор включает взаимозаменяемые узлы опробования и испытания и 1 - 3 баллона по 6 л каждый для утилизации пробы (пробосборник). Сменными являются датчик давления, который подбирают на предельную величину ожидаемого давления в скважине, и герметизирующий башмак двух типоразмеров (в зависимости от диаметра скважины).
23.1.2. Благоприятные условия для проведения испытаний существуют в вертикальных и слабонаклонных скважинах диаметром от 146 до 280 мм при температуре до 120 °C и давлении от 8,5 до 80 МПа против пластов с тонкой глинистой коркой и постоянным диаметром скважины.
Испытания не проводят в горизонтальных и сильнонаклонных (больше 40°) скважинах, а также в интервалах ствола, препятствующих плотному прилеганию башмака к стенке скважины вследствие образования толстых глинистых или шламовых корок, волнистой поверхности и трещиноватости стенок скважины.
23.1.3. Основная контролируемая величина, подлежащая калибровке, - погрешность измерения давлений.
23.1.3.1. Первичную калибровку мембранных тензометрических преобразователей давления проводит изготовитель аппаратуры с помощью аттестованных грузопоршневых манометров или измерительных прессов в термобарокамере при заданных термобарических режимах.
Основная погрешность измерения составляет не более ± (0,5 - 1,5) %, если пределы измерения давления равны 10, 25, 40, 60 и 80 МПа.
23.1.3.2. Периодические калибровки проводят каждые два года с помощью тех же технических средств.
23.1.3.3. Полевые калибровки датчика давления не проводят. Ориентировочно работоспособность датчика проверяют по измеренным в скважине значениям гидростатического давления.
23.1.4. Подготовительные работы к исследованиям проводят в стационарных условиях в закрытом помещении, приспособленном для работ с маслами и керосином.
23.1.4.1. Перед выездом на скважину проводят разборку прибора и проверку его узлов и деталей для контроля отсутствия механических повреждений и свободного перемещения подвижных деталей.
23.1.4.2. Перед сборкой детали промывают соляром или керосином; соединительные каналы, золотниковые распределители и трубки продувают сжатым воздухом. Пробосборник и каналы поступления жидкости и газа промывают горячей водой и протирают.
23.1.4.3. При сборке применяют комплекты сменных деталей, соответствующие глубине и диаметру скважины, где будут производиться работы: для скважин диаметром более 190 мм резиновый башмак прибора имеет радиус кривизны лицевой поверхности 100 мм, для скважин меньшего диаметра - 75 мм.
23.1.4.4. Проводят проверку работы прибора на стенде путем включения электродвигателя на открытие прижимной лапы до срабатывания концевого выключателя. Так как в скважине прижимная лапа открывается за счет гидростатического давления, то на стенде ее необходимо открыть вручную с помощью ломика. Закрытие прижимной лапы проводят подачей тока обратной полярности.
23.1.5. Регламентные работы в скважине, перечисленные ниже, проводят в обязательном порядке для обеспечения достоверности и качества материалов испытаний.
23.1.5.1. Регистрацию нуль- и стандарт-сигналов проводят, используя эталонный резистор пульта питания и измерения, при каждом спуске прибора в скважину при расположении кабельного наконечника на уровне стола ротора. Продолжительность регистрации каждого сигнала 5 с.
23.1.5.2. Контроль полярности сигнала с датчика давления проводят только при первом спуске прибора.
Если показания датчика увеличиваются с глубиной, то спуск прибора в скважину продолжают. При уменьшении показаний прибор поднимают до уровня стола ротора, меняют местами входы измерительных жил датчика давления на пульте, регистрируют нуль- и стандарт-сигналы, после чего проводят спуск прибора в интервал испытаний.
23.1.5.3. Выбор исследуемых точек, очередность проведения исследований и технологию перестановки прибора с одной точки на другую выполняют согласно требованиям подраздела 10.1. Диаграммы давления на каждой точке исследования регистрируют отдельными файлами.
23.1.5.4. Непосредственно после подъема прибора на поверхность проводят отбор и измерение проб флюидов:
- объем газовоздушной смеси, не превышающий нескольких литров, определяют вытеснением воды из мерной емкости специального газосборника; при больших количествах - методом снижения давления;
- если газа отобрано много и давление за один замер снижается незначительно (в пределах ошибки измерения), то замер давления повторяют 2 - 3 раза, объем выпущенного газа суммируют, беря для расчета начальное (до выпуска газа) и конечное (после 2 - 3-кратного выпуска газа) значения давлений;
- пробы газовоздушной смеси отбирают в перевернутые бутылки с водяным затвором или в специальные пробосборники. Отбирают три пробы газа объемом 0,3 - 0,5 л каждая: первую - сразу после продувки газом системы соединительных шлангов, вторую - при снижении давления в пробосборнике на 30 - 50 % по сравнению с начальным, третью - при снижении давления до атмосферного;
- количество отобранной жидкости замеряют с помощью мерной емкости, количество нефти - после ее отстаивания;
- необходимо учитывать количество жидкости, увлеченной газом и остающейся на стенках пробосборника и в каналах прибора. Пробы жидкости для анализа отбирают в бутылки объемом не менее 1 л.
23.1.5.5. Исследования физических параметров проб жидкости (плотности, вязкости и удельного электрического сопротивления) проводят непосредственно на скважине и повторно в стационарной лаборатории. Химический анализ отобранной воды и исследования свойств отобранной нефти осуществляют в специализированных лабораториях.
Экспресс-анализ газовоздушных смесей (определение суммарного содержания горючих газов и их компонентного состава) осуществляют на скважине с помощью оборудования станции ГТИ. Детальный анализ газов (определение неуглеводородных газов, нормальных и изомерных соединений) проводят в стационарных лабораториях.
23.1.5.6. Экспресс-обработку кривых давления, на которых регистрируются все процессы, происходящие в полости стока прибора, начинают с выявления на кривых участков, соответствующих притоку и заполнению конкретных камер прибора и восстановлению давления до пластового.
Обработка информативных участков включает:
- определение давления, отвечающего участку стабилизации на кривой восстановления давления (давление в конце отбора); в первом приближении его принимают за пластовое давление рпл, если продолжительность участка стабилизации показаний во времени составляет не менее 15 с;
- определение скоростей притока флюида Qi и депрессии Dpi для каждой измерительной камеры прибора проводят по формулам:
Qi = vi/ti; Dpi = pпл - pi,
где vi - объем i-й камеры прибора, см3; ti - время заполнения i-й камеры, снимаемое с диаграммы давления, с; Qi - скорость притока в i-ю камеру, см3/с; i - номер камеры прибора; рi - давление притока в i-ю камеру, МПа;
- расчет проницаемости пласта в точке исследования при заполнении различных камер прибора проводят по формуле:
kпрi = Qi · µф/A · Dpi,
где µф - вязкость фильтрующегося флюида, сПуаз; A - геометрический коэффициент стока, равный 0,13 м; kпрi - проницаемость пласта в исследуемой точке при депрессии Dpi, мД. При отсутствии сведений о вязкости флюида рассчитывают коэффициент подвижности kпр/µф.
23.1.6. Качество кривых давления признается удовлетворительным, если оно отвечает следующим требованиям:
- измерения выполнены с датчиком давления с непросроченной датой калибровки;
- в пределах одного спуска-подъема имеется хотя бы одна запись нуль- и стандарт-сигналов;
- расхождения измеренных значений гидростатического давления в начале и в конце исследования не превышают погрешность измерений;
- в приточной точке длительность участка стабилизации давления при восстановлении до пластового не менее 15 с.
23.1.7. Файл недропользователя включает LIS-файлы давления по всем точкам исследований и необходимые сведения об объекте исследования.
23.1.8. На твердых копиях результаты измерений представляют согласно приложения М.
23.2.1. Аппаратура сверлящего керноотборника состоит из скважинного прибора, пульта управления и разделительно-повышающего трансформатора. В свою очередь скважинный прибор содержит силовой электродвигатель, гидравлические и механические системы, предназначенные для привода исполнительных механизмов, осуществляющих прижатие прибора к стенке скважины, выбуривание образца, отделение его от массива пород и возврат механизмов в исходное положение.
23.2.2. Подготовку прибора к работе в стационарных условиях выполняют согласно требованиям эксплуатационной документации.
23.2.3. Производят разборку, чистку и смазку деталей прибора, проверяют отсутствие деформации и повреждений деталей, потертостей резиновых уплотнительных колец, их твердость и эластичность, сопротивление изоляции токоведущих цепей, сопротивление изоляции двигателя керноотборника. На стенде, позволяющем закрепить прибор в вертикальном положении, проверяют работоспособность керноотборника (выход и возврат в транспортное положение бура и прижимного устройства) и регулируют скорость подачи бура.
23.2.3.1. Отбирают буровые коронки, соответствующие прочностным и абразивным свойствам пород, из которых будут отбираться образцы (пп. 10.2.3.1).
23.2.3.2. Ремонтно-профилактические работы проводят в специальных помещениях площадью не менее 25 м2, отвечающих всем требованиям техники безопасности при работах с напряжением до 1000 В. Помещение должно иметь трехфазную сеть напряжением 380 В, принудительную вентиляцию и тельфер грузоподъемностью 200 кг. Для работы с прибором необходим специальный верстак с поворотным механизмом, обеспечивающим установку керноотборника в вертикальное положение для прокачки рабочей жидкости в полости прибора.
23.2.4. Работы на скважине выполняются согласно технологической схеме, описанной в п. 10.2.4.
23.2.4.1. Контроль за процессом выбуривания образца ведут по току нагрузки силового электродвигателя, величине и скорости проходки, которые отображаются приборами, расположенными на панели пульта управления.
23.2.4.2. После литологического описания отобранных образцов их упаковывают в полиэтиленовые мешочки, соответствующие габаритам образцов. В каждый мешочек укладывается этикетка, на которой указаны номер скважины и глубина отбора.
23.2.5. Контроль работ по отбору образцов включает проверку представителями геофизического предприятия и недропользователя правильности привязки глубин отбора, представительности и последовательности выбуренных образцов, правильности упаковки и раскладки образцов и заполнения этикеток.
23.2.6. Результаты работ оформляют актом, форма которого приведена в приложении Н.
24.1.1. Метод электромагнитной локации муфт (ЛМ) основан на регистрации изменения магнитной проводимости металла бурильных труб, обсадной колонны и насосно-компрессорных труб вследствие нарушения их сплошности.
Применяют для:
- установления положения замковых соединений прихваченных бурильных труб;
- определения положений муфтовых соединений обсадной колонны;
- точной привязки показаний других приборов к положению муфт;
- взаимной привязки показаний нескольких приборов;
- уточнения глубины спуска насосно-компрессорных труб;
- определения текущего забоя скважины;
- в благоприятных условиях - для определения интервала перфорации и выявления мест нарушения (разрывы, трещины) обсадных колонн.
Контроль вскрытия пластов бескорпусными кумулятивными перфораторами более эффективен, чем для корпусных перфораторов. Интервал перфорации невозможно установить в намагниченных трубах обсадной колонны и при изменении толщины стенки колонны за счет коррозии.
24.1.2. Детектор (датчик) локатора муфт представляет собой дифференциальную магнитную систему, которая состоит из многослойной катушки с сердечником и двух постоянных магнитов, создающих в катушке и вокруг нее постоянное магнитное поле. При перемещении локатора вдоль колонны в местах нарушения сплошности труб происходит перераспределение магнитного потока и индуцирование ЭДС в измерительной катушке.
Активный локатор муфт содержит две катушки, каждая из которых имеет возбуждающую и приемную обмотки. Под воздействием переменного магнитного поля, генерируемого подачей переменного напряжения на возбуждающие обмотки, в приемных обмотках возникает переменное напряжение, которое зависит от магнитных свойств окружающей среды. Информативным параметром служит разность напряжений на приемных обмотках, которая зависит от сплошности среды.
24.1.3. Калибровку, проведение измерений и контроль качества данных выполняют в соответствии с требованиями эксплуатационной документации на конкретный прибор.
24.1.3.1. Для учета влияния скважинных условий при выделении интервала перфорации выполняют измерения до и после проведения перфорации.
24.1.3.2. Скорость подъема прибора при отбивке муфт - 1000 - 2000 м/ч, а в случае одновременной регистрации данных другим видом ГИС - определяется требованиями, предъявляемыми к этому виду.
24.1.3.3. Скорость перемещения прибора при контроле интервала перфорации - 200 - 300 м/ч.
24.1.3.4. При определении глубины прихвата бурильных труб, а также при выделении интервалов перфорации с предварительным намагничиванием труб, измерения локатором муфт проводят трижды: до намагничивания труб (локация муфт); после намагничивания до перфорации; после перфорации или растягивания (натяжения) колонны.
24.1.4. Процедуры контроля качества и первичной обработки данных не регламентируются.
24.1.5. На твердых копиях кривую локатора муфт отображают в треке T1R (рис. 1).
24.2.1. Трубная профилеметрия основана на непрерывной одновременной регистрации нескольких (не менее 8) радиусов (диаметров) обсадных колонн. Измеряемая величина - внутренний радиус (диаметр) трубы. Единица измерения - миллиметр (мм).
Применяют для определения внутреннего диаметра, овальности и смятий обсадных труб, обрывов и рассоединения их по муфтам.
Ограничения измерений связаны с влиянием загрязнения внутренней поверхности труб и эксцентричным положением скважинного прибора в наклонных скважинах.
24.2.2. Трубные профилемеры представляют собой электромеханические системы для независимых измерений нескольких радиусов.
24.2.2.1. Требования к трубным профилемерам:
- диапазон измерения радиусов - 55 - 170 мм;
- количество измерительных рычагов - не менее 8;
- основная абсолютная погрешность измерения - не более ± 1 мм;
- дополнительные ошибки измерения, вызванные изменениями параметров напряжения питания на ± 10 % и температуры окружающей среды на 10 °C относительно стандартного значения, равного 20 °C, - 0,1 и 0,2 значения основной ошибки соответственно.
24.2.2.2. Минимальные требования к методическому и программному обеспечению заключаются в наличии методик и программ расчета площади и формы (эллипсность, эксцентриситет) сечения скважины, определения величины смещения прибора с оси скважины.
24.2.2.3. Модуль профилеметрии комплексируют с модулями ЛМ, ГК.
24.2.3. Первичную, периодические и полевые калибровки проводят согласно общим требованиям раздела 6.
24.2.3.1. Основным средством периодических калибровок является набор из пяти образцовых колец или калибровочная установка типа УП-Кв, которые воспроизводят значения радиусов (диаметров) с погрешностью не более ± 1,0 мм. Допускается использование калибровочных устройств, поставляемых заводом-изготовителем (так называемые «гребенки»), если погрешность воспроизведения ими диаметров не превышает ± 1,0 мм.
24.2.3.2. Полевую калибровку выполняют с помощью не менее чем двух образцовых колец или «гребенки».
24.2.4. Исследования обсадных колон проводят согласно требованиям раздела 6. Их делят на общие и детальные:
24.2.4.1. Общие исследования проводят со скоростью 500 - 1000 м/ч и шагом записи по глубине 0,1 - 0,2 м по всей колонне с целью выбора участков детальных работ.
24.2.4.2. Интервалы детальных исследований выбирают:
- по признаку существенного различия радиусов, измеренных при общих исследованиях;
- в местах повышенной интенсивности искривления скважин;
- в интервалах затяжек и посадок бурильного инструмента;
- в участках разреза, сложенных высокопластичными породами (солями, глинами и др.).
Скорость каротажа - не более 400 м/ч, шаг записи по глубине - не более 0,05 м.
24.2.4.3. Повторное измерение выполняют в интервалах детальных исследований.
24.2.5. Основные положения контроля качества измерений регламентируются разделом 6. Дополнительные требования:
24.2.5.1. Несовпадение результатов калибровок до начала и после каротажа - не более ± 5 %.
24.2.5.2. По результатам основного и повторного исследований измеренные значения радиусов трубы должны отличаться не более чем на ± 0,5 мм при отклонении прибора от оси скважины менее 2 мм.
24.2.6. На твердых копиях должны быть представлены кривые профилей трубы по данным измерения радиусов с выделенными участками дефектов. Дополнительно могут представляться формы сечения трубы (площадь, эксцентриситет и др.), а также отклонение прибора от оси колонны в процессе измерений. Формат представления данных не регламентируется.
24.3.1. Электромагнитная дефектоскопия и толщинометрия основаны на изучении характеристик вихревого электромагнитного поля, возбуждаемого в обсадной колонне генераторной катушкой прибора.
Задачами исследований являются:
- выявление местоположения башмака и муфт обсадной колонны (кондуктора, технической), размещенной за колонной, в которой ведут исследования;
- определение толщины стенок обсадных труб;
- выявление положения и размеров продольных и поперечных дефектов, смятий и разрывов отдельных труб;
- оценка положения муфтовых соединений и качества свинчивания труб в муфтах.
Ограничением метода является сильное влияние на чувствительность прибора зазора между электромагнитным датчиком и внутренней поверхностью трубы, что требует применения сменных зондов для труб различного диаметра.
24.3.2. Основные требования к прибору электромагнитной дефектоскопии и толщинометрии:
- минимальный внутренний диаметр исследуемых труб - не менее 52 мм;
- максимальный внешний диаметр исследуемых труб - не более 245 мм;
- диапазон измеряемых толщин колонн - 3 - 20 мм;
- максимально измеряемая суммарная толщина двух труб - до 19 мм;
- основная абсолютная погрешность измерения - не более ± 0,5 мм;
- дополнительные погрешности, вызванные изменениями магнитной проницаемости материала трубы и температуры среды на 10 °C относительно стандартного значения, равного 20 °C, - не более ± 0,5 и ± 0,1 мм соответственно;
- минимальная протяженность обнаруживаемого дефекта вдоль оси трубы - 75 мм, поперек оси - 0,5 периметра трубы при ширине зазора не менее 0,1 мм;
- определение характеристик внешней из двух соосных труб - на качественном уровне.
Скважинный прибор центрируется.
24.3.3. Методическое и программное обеспечение заключается в наличии методик и программ расчета изменений толщин стенок труб и выделения дефектов на основе сопоставления с данными модельных измерений в трубах с искусственно созданными дефектами различных типов.
24.3.4. Первичную, периодические и полевые калибровки проводят согласно общим требованиям раздела 6.
24.3.4.1. Основным средством первичной и периодической калибровок является набор из 5 аттестованных стальных труб различного диаметра с разной толщиной стенок и искусственно созданными дефектами типа трещин.
24.3.4.2. Полевую калибровку выполняют не менее чем в 2 точках с помощью аттестованного отрезка стальной трубы, внутренний диаметр которой равен диаметру исследуемой колонны.
24.3.5. Исследования колонн выполняют согласно требованиям раздела 6.
Скорость проведения измерений - не более 300 м/ч.
Для обеспечения контроля изменения состояния обсадных труб во времени рекомендуется проводить электромагнитную дефектоскопию и толщинометрию периодически, начиная сразу после спуска колонны.
24.3.6. Контроль качества материалов выполняют по результатам калибровки до и после каротажа; дополнительно - по сходимости основного и повторного измерений, которые должны совпадать с погрешностью ± 0,5 мм.
24.3.7. На твердых копиях представляют зарегистрированные кривые с выделенными участками дефектов. Формат представления данных не регламентируется.
24.4.1. Метод гамма-гамма-толщинометрии основан на регистрации интенсивности рассеянного гамма-излучения с помощью центрированного в колонне зонда малой длины, содержащего стационарный (ампульный) источник среднеэнергетического гамма-излучения и детектор рассеянного гамма-гамма-излучения, неколлимированные по радиальному углу и строго коллимированные по вертикальному углу в пределах 40 - 50° относительно оси зонда. При длине зонда 9 - 12 см практически исключается влияние на результаты измерений плотности среды за обсадной колонной и обеспечивается высокая чувствительность метода к изменению толщины стенки колонны.
Применяют для определения средней по периметру толщины стенки обсадной колонны, местоположения муфт, центрирующих фонарей, пакеров, выделения интервалов с механическим и коррозионным износом труб, изучения влияния перфорации на обсадную колонну.
24.4.2. Основные требования к измерительному зонду:
- диапазон измерения толщины стенок колонны - 5 - 12 мм;
- основная абсолютная погрешность измерений толщины колонны - не более ± 0,5 мм;
- дополнительные погрешности за счет изменения напряжения питания прибора на ± 10 % и температуры окружающей среды на 10 °C относительного стандартного значения, равного 20 °C, - не более 0,2 значения основной погрешности для каждой характеристики;
- центрирование прибора в скважине.
Рекомендуется комплексирование измерительного зонда в одном модуле с зондом гамма-гамма-цементометрии, в сборке с модулями ЛМ, ГК, компенсированного НК и АКЦ.
24.4.3. Требования к методическому и программному обеспечению заключаются в наличии калибровочных зависимостей, устанавливающих связь между скоростью счета (в импульсах в минуту) и толщиной стальной колонны, и вспомогательных зависимостей, учитывающих влияние на результаты измерения фона естественного гамма-излучения, плотностей жидкости в скважине и цементной смеси в затрубном пространстве.
24.4.4. Первичную, периодические и полевые калибровки выполняют согласно требованиям раздела 6 и эксплуатационной документации.
24.4.4.1. Основным средством первичной и периодических калибровок служит набор аттестованных стальных труб различного диаметра и разной толщины стенок. Для расчета толщинограмм используются данные калибровки для трубы, соразмерной номинальному диаметру и толщине стенки исследуемой колонны.
24.4.5. Измерения в скважинах ведут в режиме общих и детальных исследований.
Скорость каротажа - до 800 и 300 м/ч соответственно.
24.4.5.1. Детальные исследования выполняют в интервалах локальных изменений толщин обсадных труб, не отраженных в «мере труб» или при предыдущем исследовании. Для получения опорных данных рекомендуется проводить первое измерение непосредственно после спуска и цементирования обсадной колонны и разбуривания стоп-кольца.
24.4.5.2. Повторное измерение выполняют в интервале детальных исследований.
24.4.6. Контроль качества первичных данных ведут согласно требованиям раздела 6. Повторяемость данных основного и повторного измерений должна быть не хуже ± 5 %.
24.4.7. На твердых копиях кривую толщинометрии с выделенными участками установленных дефектов колонны отображают в треке Т2 (рис. 1). Трек Т1 должен содержать данные ДС, ПС, ГК, ЛМ, необходимые для привязки толщинограммы к разрезу.
24.5.1. Метод гамма-гамма-цементометрии обсаженных скважин основан на измерении плотности среды в затрубном пространстве непрерывно по периметру колонны либо по ее образующим через 60, 90 или 120°.
Применяют для:
- установления высоты подъема цемента за колонной;
- определения границ сплошного цементного камня, зоны смешивания цемента и промывочной жидкости и чистой промывочной жидкости;
- выделения в цементном камне каналов и каверн, при условиях, что они захватывают не менее 10 % от площади сечения затрубного пространства, различие плотностей промывочной жидкости и цементного камня составляет более 0,5 - 0,7 г/см3, диаметр колонны меньше диаметра скважины не менее чем на 50 мм;
- оценки эксцентриситета обсадной колонны относительно оси скважины.
Результаты измерений не подлежат количественной интерпретации, если толщина зазора между стенкой скважины и колонной составляет менее 30 мм или различия в плотностях цементной смеси и промывочной жидкости не превышают 0,3 г/см3 при отсутствии диаграмм плотности породы и кавернометрии по открытому стволу.
24.5.2. Простейший измерительный зонд гамма-гамма-цементометрии содержит источник (ампульный) среднеэнергетического гамма-излучения и детектор рассеянного гамма-гамма-излучения, разнесенные на расстояние нескольких десятков сантиметров.
В скважинных приборах гамма-гамма-цементометрии и дефектометрии применяют несколько более сложные измерительные зонды: многоканальные центрированные с несколькими (не менее трех) детекторами, расположенными симметрично относительно оси зонда и взаимно экранированными; одноканальные центрированные с вращающимся во время измерения с заданной угловой скоростью экраном, обеспечивающим коллимацию гамма-излучения в радиальном направлении в пределах 30 - 50°.
24.5.2.1. Основные требования к измерительным зондам:
- диапазон измерения плотности среды в затрубном пространстве - 1,0 - 2,0 г/см3;
- основная абсолютная погрешность измерений - не более ± 0,15 г/см3;
- дополнительные погрешности за счет изменения напряжения питания прибора на ± 10 % и температуры окружающей среды на 10 °C относительно стандартного значения, равного 20 °C, - не более 0,2 значения основной погрешности для каждой характеристики;
- скорость вращения измерительного зонда - не менее 5 оборотов в минуту;
- взаимное влияние каналов - не более ± 3 %.
Рекомендуется комплексирование измерительного зонда в одном модуле с зондом гамма-гамма-толщинометрии, в сборке с модулями ЛМ, ГК, АКЦ, компенсированного НК, устройствами определения пространственной ориентации прибора и привязки полученной информации к апсидальной плоскости скважины.
24.5.3. Требования к методическому и программному обеспечению заключаются в наличии калибровочных зависимостей, устанавливающих связь между скоростью счета в каналах (в импульсах в минуту) и плотностью среды в затрубном пространстве, и интерпретационных зависимостей, предназначенных для решения обратных задач - определения плотности цементного камня и степени заполнения цементом затрубного пространства, выделения в цементном камне дефектов с угловым раскрытием более 30°, оценки эксцентричного положения обсадной колонны, определения мест установки центраторов колонны, турбулизаторов, пакеров.
24.5.4. Калибровки скважинного прибора выполняют согласно требованиям раздела 6 и эксплуатационной документации.
24.5.4.1. Основным средством первичной и периодических калибровок являются отрезки стальных труб разного диаметра и толщин стенок, установленные в емкости с водой и зацементированные в нижней части.
24.5.5. Измерения в скважинах ведут в режимах общих и детальных исследований.
Скорость каротажа - не более 800 м/ч и 300 м/ч соответственно.
24.5.5.1. Общие исследования проводят от забоя до отметки, которая находится на 200 м выше уровня (головы) подъема цемента.
24.5.5.2. Детальные исследования проводят в продуктивных отложениях и в интервалах детальных исследований гамма-гамма-толщинометрией.
24.5.5.3. Повторные исследования выполняют в интервале детальных исследований.
24.5.6. Контроль качества первичных данных ведут согласно требованиям раздела 6. Разница данных основного и повторного измерений не должна превышать ± 5 %.
24.5.7. На твердых копиях результаты интерпретации данных цементометрии и дефектометрии отображают в треке T3L, первичные данные - в треке T3R (рис. 1).
24.6.1. Акустическая цементометрия (АКЦ) основана на измерении характеристик волновых пакетов, создаваемых источником с частотой излучения 20 - 30 кГц, распространяющихся в колонне, цементном камне и горных породах. В качестве информативных характеристик используют:
- амплитуды Aк или коэффициент эффективного затухания aк волны по колонне в фиксированном временном окне, положение которого определяется значением интервального времени Dtк распространения волны в колонне, равного 185 - 187 мкс/м;
- интервальное время Dtп и амплитуды Aп или затухание aп первых вступлений волн, распространяющихся в горных породах;
- фазокорреляционные диаграммы.
Применяют для установления высоты подъема цемента, определения степени заполнения затрубного пространства цементом, количественной оценки сцепления цемента с обсадной колонной, качественной оценки сцепления цемента с горными породами.
Методические ограничения применения связаны с исследованиями высокоскоростных разрезов (v > 5300 м/с), в которых первые вступления при хорошем и удовлетворительном цементировании относятся к волне, распространяющейся в породе; при скользящем контакте цементного камня с колонной, когда волна распространяется преимущественно по колонне; низкой чувствительностью к отдельным дефектам цементного кольца.
24.6.2. В приборах акустической цементометрии используются короткие трехэлементные измерительные зонды с расстоянием между ближайшими излучателем и приемником от 0,7 до 1,5 м и базой зондов (расстояние между приемниками) - в пределах 0,3 - 0,6 м.
24.6.2.1. Требования к измерительным зондам:
- диапазон измерения интервального времени - 120 - 600 мкс/м;
- диапазон измерения коэффициента затухания - 0,5 - 40 дБ/м;
- основная относительная погрешность измерения интервального времени - не более ± 1 - 3 % (в зависимости от типа прибора);
- основные абсолютные погрешности измерения амплитуд и эффективного затухания - не более ± 0,1 А и ± 3 дБ/м соответственно;
- дополнительные погрешности измерений, вызванные изменениями напряжения питания на ± 10 %, давления на 1 МПа и температуры на 10 °C относительно стандартного значения, равного 20 °C, не должны превышать 0,3; 0,01 и 0,1 значений основных погрешностей.
24.6.2.2. Длительность оцифровки сигналов - до 4 мс; шаг дискретизации - 2 - 5 мкс.
24.6.2.3. Скважинный прибор центрируется.
24.6.2.4. Модуль цементометрии комплексируют с модулями ГК, ЛМ, термометрии, компенсированного НК и гамма-гамма-цементометрии и толщинометрии.
24.6.3. Требование к методическому и программному обеспечению заключается в наличии не менее двух, реализующих различные принципы обработки, программ выделения в общем волновом пакете колебаний волны, распространяющейся в колонне (окно регистрации Dtк, Aк), и упругой волны, распространяющейся в горных породах (Dtп, Ап).
24.6.4. Первичную и периодические калибровки выполняют согласно требованиям раздела 6.
24.6.4.1. Основным средством калибровки является поверочная базовая установка УПАК-2, содержащая аттестованный волновод акустических колебаний (отрезок или несколько отрезков стальных труб, разрезанных вдоль).
24.6.4.2. Полевые калибровки не выполняют. Их заменяет контрольное измерение на участке незацементированной колонны протяженностью не менее 50 м.
24.6.5. Исследования в скважинах проводят согласно требованиям раздела 6. Дополнительные требования:
24.6.5.1. Время проведения измерений определяется длительностью формирования цементного камня. Для нормальных цементов оно составляет не менее 16 - 24 ч.
24.6.5.2. Коэффициент усиления электронной схемы скважинного прибора выбирают таким образом, чтобы в диапазоне оцифровки акустических сигналов сохранялся минимальный уровень шумов, вызванных движением прибора, а сигналы регистрируемых волн не ограничивались.
Правильность выбора контролируют по экрану монитора, на котором отображаются волновые пакеты двухэлементных измерительных зондов, фазокорреляционные диаграммы (ФКД) и значения Dtк и Dtп в точке исследования.
24.6.5.3. Скорость каротажа - не более 1200 м/ч.
24.6.6. Качество материалов оценивают согласно требованиям раздела 6. Критерии, специфичные для АК, следующие:
24.6.6.1. Значение интервального времени (Dtк) продольной волны в незацементированной обсадной колонне должно находиться в пределах 185 - 187 мкс/м, затухания - в пределах 1 - 5 дБ/м. В интервале между муфтами кривая интервального времени и фазовые линии на ФКД должны представлять собой устойчивые прямые линии, параллельные оси глубин.
24.6.6.2. Повторяемость на основной и повторной записях значений величин Dtк и Dtп, осредненных на участках длиной в 3 м и более, должна быть не хуже ± 5 % в зацементированных интервалах и ± 3 % - на незацементированных участках обсадной колонны, кривых амплитуд и затухания - не хуже ± 10 %.
24.6.7. На твердых копиях кривые Dtк, aк, Dtп, aп отображают в треке Т2, а ФКД - в треке Т3 (рис. 1).
24.7.1. Акустическая цементометрия на отраженных волнах предназначена для сканирования и растрового отображения стенки обсадной колонны и дефектов колонны и цементного камня по интенсивности волн, отраженных от внутренней стенки колонны, стенки скважины и дефектов колонны и камня. Измеряемые величины - времена и амплитуды (интенсивность) отраженных волн. Единицы измерения - микросекунда (мкс) и безразмерная единица соответственно.
Применяют для определения внутреннего диаметра и эксцентриситета колонны, выделения положения муфт и дефектов, нарушающих целостность колонны и герметичность затрубного пространства, - порывов, трещин, смятий и коррозии обсадных труб, вертикальных каналов в цементном камне.
Исследования выполняют в скважинах, заполненных любой негазирующей жидкостью плотностью не более 1,3 г/см3.
24.7.2. Измерительный преобразователь сканера АК-цементометрии представляет собой совмещенный излучатель-приемник упругих колебаний.
Конструкция прибора может содержать один преобразователь, вращающийся вокруг оси прибора, или несколько (обычно 6 - 8) преобразователей, установленных в корпусе прибора по винтовой линии через равные углы в проекции на азимутальную плоскость.
Сканеры АК-цементометрии оснащают дополнительным преобразователем «излучатель-приемник» для определения скорости упругой волны в жидкости, заполняющей скважину, и устройствами определения азимутального ориентирования преобразователя в скважине или привязки положения преобразователя к апсидальной плоскости ствола скважины.
24.7.2.1. Требования к преобразователю:
- частота собственных колебаний в диапазоне 250 - 1000 кГц;
- форма внешней (излучающей) поверхности должна обеспечивать фокусировку упругого сигнала на поверхности обсадной колонны диаметром 140 - 168 мм в круге диаметром не более 3 мм;
- погрешность азимутального ориентирования преобразователя в скважине или его привязки к апсидальной плоскости ствола скважины - не более 2°;
- начало развертки определяется направлением на север;
- количество оборотов вокруг оси (для приборов с несколькими преобразователями - количество опросов) - не менее 3 в секунду; количество точек сканирования - не менее 512 за один оборот;
- погрешность измерения диаметра колонны - не более ± 0,5 мм.
24.7.2.2. Модуль сканера АК-цементометрии комплексируют с модулями ЛМ, ГК, АКЦ и компенсированного НК.
24.7.3. Требования к методическому и программному обеспечению и калибровкам определяются эксплуатационной документацией.
24.7.4. Исследования в скважинах проводят согласно требованиям раздела 6 с изменениями:
24.7.4.1. Повторное измерение не выполняют.
24.7.4.2. Контрольное измерение проводят в любом участке обсадной колонны протяженностью не менее 50 м.
24.7.4.3. Скорость каротажа - не более 250 м/ч.
24.7.5. Контроль качества данных определяется эксплуатационной документацией на прибор.
24.7.6. На твердых копиях значение внутреннего диаметра колонны отображают в треке Т2, растровые изображения поверхности колонны и дефектов в цементном камне - в треке T3L и T3R (рис. 1).
25.1.1. Механическая расходометрия предусматривает определение скорости движения (расхода) жидкости или газа, поступающих в ствол скважины из пластов или закачиваемых в пласты.
Применяют как основной метод для:
- выделения интервалов притоков в добывающих и интервалов приемистости в нагнетательных скважинах;
- оценки профилей притока и приемистости в перфорированных интервалах;
- определения поинтервальных и суммарных дебитов;
- выявления внутриколонных перетоков после остановки скважины.
Выполняют в обсаженных перфорированных и неперфорированных скважинах.
Ограничения заключаются в недостаточной чувствительности в области малых скоростей потока, зависимости пороговой чувствительности от условий проведения измерений, влиянии на результаты измерений механических примесей, снижении точности измерений при многофазном притоке и многокомпонентном заполнении ствола, ограничений по проходимости прибора в скважине из-за наличия пакера или сужений.
25.1.2. Чувствительным элементом механических расходомеров является многолопастная турбинка или заторможенная турбинка на струне. Обороты вращения первой и угол поворота второй преобразуются в регистрируемые электрические сигналы.
25.1.2.1. Используют беспакерные и пакерные расходомеры, последние - только для измерения потоков жидкости. Пакер служит для перекрытия сечения скважины и направления потока жидкости через измерительную камеру, в которую помещена турбинка. При использовании пакера невозможен непрерывный режим записи.
25.1.2.2. Механические расходомеры должны удовлетворять следующим требованиям:
- динамический диапазон (отношение максимального измеряемого дебита к минимальному) для пакерных приборов - не менее 10, для беспакерных - не менее 50;
- коэффициент нелинейности - не более ± 3 %;
- нижний предел измерений для пакерных приборов - не более 5 м3/сут, беспакерных - 20 м3/сут;
- погрешность измерения скорости вращения турбинки - не более ± 3 %;
- коэффициент пакеровки прибора при неизменном диаметре колонны - не менее 0,9;
- превышение амплитуды полезного сигнала над уровнем помех - не менее чем в 5 раз.
25.1.2.3. Комплексируют с термокондуктивной расходометрией, барометрией и другими методами изучения «притока-состава».
25.1.3. Калибровку механического расходомера проводят в единицах скорости потока или массы потока. Градуировочная зависимость связывает частоту f вращения турбинки (Гц, имп/мин) или угол поворота турбинки со скоростью v потока жидкости (газа) в скважине: v = k · f + b, где k - аппаратурный коэффициент, b - пороговая чувствительность. По скорости потока v рассчитывают объемный расход жидкости, в м3/сут, или газа, в тыс. н. м3/сут.
25.1.3.1. Калибровку выполняют на специальном гидродинамическом стенде.
Контролируемые параметры: аппаратурный коэффициент, пороговая чувствительность, коэффициент пакеровки прибора и его стабильность. Очередность первичной и периодической калибровок такая же, как для других геофизических приборов.
25.1.3.2. Реальная градуировочная характеристика расходомера в скважине может сильно отличаться от стендовой вследствие: неустановившегося или периодически фонтанирующего режима работы пласта, вихревого движения флюидов в колонне; наличия во флюиде механических примесей; непостоянства вязкости и плотности потока; различия фазовых скоростей составляющих потока и средней скорости; наличия порогового значения скорости потока, при которой начинает вращаться турбинка; неравномерного движения скважинного прибора.
25.1.3.3. Значения аппаратурного коэффициента для исключения неоднозначности уточняют по результатам скважинных измерений. Применяют два способа:
- сопоставление значений дебитов, полученных в отдельных точках с помощью расходомера, с суммарным дебитом скважины;
- регистрацию в зоне постоянного потока в НКТ серии расходограмм, отличающихся скоростью и направлением записи.
Первый способ применяют для фонтанирующих скважин со стабильным высоким расходом (скорости потока более 0,5 - 1 м/с).
Второй способ приемлем для малодебитных скважин, в которых скорости потока менее 0,5 м/с. Измерения выполняют при движении прибора навстречу потоку флюида со скоростями 150, 300, 500, 800, 1000 м/ч и при движении прибора вдоль потока со скоростями 800, 1000, 1200, 1500 м/ч. Решением системы уравнений находят аппаратурный коэффициент и скорость потока в абсолютных единицах.
25.1.4. Подготовку и проведение измерений выполняют в соответствии с требованиями раздела 12 настоящего РД и эксплуатационной документации. Регистрацию данных проводят в непрерывном («на протяжке») и в поточечном («по точкам») режимах.
25.1.4.1. Для проверки стационарного режима работы скважины и определения суммарного дебита (для скважины в целом, групп и отдельных пластов) точечные измерения выполняют с полностью открытым пакером: выше всех работающих пластов; в перемычках между исследуемыми пластами; ниже интервалов перфорации. Число точек в каждом интервале исследований должно быть не менее 5, расстояние между ними - 0,2 - 2 м. Контрольные измерения проводят не менее чем в одной точке в каждом интервале.
25.1.4.2. Для определения профиля притока или приемистости точечные измерения выполняют в интервалах исследуемых пластов через 0,2 - 0,4 м, а на участках малого изменения дебита (менее 20 %) - через 1 - 2 м. Контрольные измерения в пределах пласта проводят в отдельных точках по всей эффективной толщине коллектора; целесообразно их проводить в интервалах небольших изменений дебитов.
25.1.4.3. Измерения в непрерывном режиме проводят для определения отдающих или принимающих интервалов перфорированного пласта в интервале, длина которого на 10 - 20 м вверх и вниз больше интервала перфорации.
Для определения нарушения герметичности колонны непрерывную регистрацию данных проводят в неперфорированных интервалах. На участках изменений дебитов производят измерения в точках.
25.1.4.4. Опорный профиль притоков или приемистости, с которым сопоставляют профили, полученные в процессе последующей эксплуатации скважины, получают непосредственно после пуска скважины в эксплуатацию и выхода ее на установившийся режим. Опорный профиль должен быть снят повторно после проведения любых работ в скважине, связанных с изменением вскрытой толщины коллектора.
25.1.5. Основные положения контроля качества измерений перечислены в разделе 6. Дополнительно регламентируются:
25.1.5.1. Расхождения в суммарных дебитах (расходах) скважины, найденные по данным расходометрии и измеренные на поверхности, не должны превышать ± 20 %.
25.1.5.2. Расхождения между основным и контрольным измерениями в одной точке на перфорированном участке не должны превышать ± 5 - 10 %.
25.1.6. Помимо обычных операций редактирования первичных данных, придания им физических масштабов и увязки данных по глубине в процессе первичной обработки проводят построения интегральной расходограммы, характеризующей изменение дебита или расхода по всему интервалу притока (приемистости), и дифференциальной расходограммы, характеризующей величину притока (приемистости) на единицу толщины пласта.
Увязку по глубине проводят по непрерывным измерениям. Корректировка расходограмм по результатам точечных измерений существенно повышает достоверность количественной интерпретации.
25.1.7. Форма представления расходограмм не регламентируется.
25.2.1. Термокондуктивная расходометрия основана на применении в качестве индикатора движения и состава флюида термоанемометра с прямым или косвенным подогревом.
Применяют для выявления:
- интервалов притоков или приемистости флюидов;
- установления негерметичности обсадных колонн в работающих скважинах и перетоков между перфорированными пластами в остановленных скважинах;
- для оценки разделов фаз в стволе скважины.
Недостатки метода связаны с ненадежностью количественной оценки скорости потока флюида в скважине вследствие сильной зависимости показаний от состава флюидов, направления их движения (повышенная чувствительность к радиальной составляющей потока), температуры среды и мощности нагревателя, а также недостаточной чувствительности в области высоких скоростей потока.
25.2.2. Чувствительным элементом термокондуктивных расходомеров является датчик-резистор, нагреваемый электрическим током до температуры, превышающей температуру среды. Набегающий поток флюида охлаждает датчик, изменяя его активное сопротивление. Непрерывная кривая расходометрии представляет собой изменение этого сопротивления. Характеристика преобразования термоанемометра нелинейна и близка к экспоненциальной, поэтому его чувствительность падает с увеличением скорости потока.
25.2.2.1. Термокондуктивные расходомеры должны удовлетворять следующим требованиям:
- верхний предел измерений дебита осевого потока - не менее 150 м 3/сут;
- допустимая погрешность определения приращения температуры - не более ± 0,2 °C;
- тепловая инерционность датчика - не более 10 с.
25.2.2.2. Комплексируют с другими методами оценки «притока-состава».
25.2.2.3. Измеряемая величина - электрическое сопротивление (температура, частота), единица измерения - Ом (°C, Гц).
25.2.3. Калибровку выполняют согласно эксплуатационной документации на конкретный прибор.
25.2.4. Подготовку и проведение измерений выполняют в соответствии с требованиями эксплуатационной документации. Основным видом измерений является непрерывная регистрация, дополнительным (выполнение не регламентируется) - измерение в точках.
25.2.4.1. Основное и контрольное измерения выполняют по всему исследуемому интервалу со скоростью не более 200 м/ч. При этом:
- для выделения интервалов притоков или приемистости перфорированных пластов в исследуемый интервал включают эти и прилегающие пласты;
- негерметичность обсадной колонны устанавливают в неперфорированных интервалах ниже НКТ;
- для выявления перетоков по стволу скважины между перфорированными пластами измерения проводят в остановленной скважине в процессе и после восстановления давления.
25.2.4.2. В точках измерения ведут в двух вариантах: на нескольких различных глубинах при стабильном режиме работы скважины или регистрируя на фиксированной глубине непрерывную кривую изменения показаний в процессе целенаправленного воздействия на скважину.
Измерения в точках начинают через 5 мин после включения тока питания датчика; количество и местоположение точек не регламентируется.
25.2.5. Основные положения контроля качества измерений перечислены в разделе 6.
Дополнительные критерии:
- воспроизводимость основного и контрольного измерений в зоне отдающих интервалов должна сохраняться по конфигурации и абсолютным значениям приращений в начале и конце записи на одних и тех же глубинах;
- вне интервалов перфорации и при нестабильной работе скважины допускается превышение погрешностей до 2 раз;
- расходограммы могут не повторяться в нестабильно фонтанирующих или поглощающих скважинах, особенно в скважинах с глубинно-насосной эксплуатацией.
25.2.6. Процедуры первичной обработки данных, кроме увязки по глубине, не регламентируются.
25.2.7. Форма представления диаграмм и результатов их обработки не регламентируется.
25.3.1. Гамма-гамма-плотнометрия (плотностеметрия) основана на измерении детектором потока «мягкого» гамма-излучения, распространяющегося через слой флюида от ампульного источника и связанного при неизменной базе измерения (расстояние между источником и детектором гамма-излучения) с плотностью флюида.
Применяют для определения состава жидкости в стволе скважины; выявления интервалов и источников обводнения; выявления интервалов притоков в скважину нефти, газа и воды при оценке эксплуатационных характеристик пласта (в комплексе с методами расходометрии и термометрии).
Ограничения заключаются в сильной зависимости показаний от состава многофазной продукции и структуры потока флюида в стволе скважины.
25.3.2. Чувствительным элементом скважинного прибора является сцинтилляционный или разрядный детектор гамма-излучения.
25.3.2.1. Плотномер должен удовлетворять следующим требованиям:
- диапазон измерения плотности - 0,7 - 1,2 г/см3 с погрешностью не более ± 0,01 г/см3;
- обладать пакером для исследования низкодебитных нефтяных скважин.
25.3.2.2. Комплексируют в одном приборе с ГК, в сборке - с другими методами оценки «притока-состава».
25.3.3. Первичную и периодические калибровки выполняют на моделях скважин, заполненных флюидом с разной плотностью, построением градуировочной зависимости Jx/Jв = f(sx, sв), где Jx, Jв - показания в флюиде с плотностью sх и в пресной воде sв, плотность которой равна 1 г/см3.
25.3.4. Подготовку и проведение измерений выполняют в соответствии с требованиями раздела 6 и эксплуатационной документации.
Скорость каротажа при общих исследованиях 400 - 600 м/ч, при детальных - 50 - 100 м/ч.
25.3.5. Основные положения контроля качества измерений регламентированы разделом 6. Дополнительный критерий - расхождения основного и повторного измерений не должны превышать ± 3 %.
При неустойчивом режиме работы скважины (пульсирующий, с разделенными структурами многофазного потока) воспроизводимость измерений проверяют по записи в зумпфе скважины.
25.3.6. При первичной обработке привязку результатов измерений по глубине и учет естественного гамма-излучения пород проводят по кривой ГК, которую регистрируют отдельным каналом плотномера или сборки, включающей плотномер.
25.3.6.1. В случае значительного искажения показаний радиогеохимическими аномалиями результаты измерений плотности используют для качественной интерпретации.
25.3.6.2. Содержание нефти и воды в смеси определяют, исходя из соотношения sсм = sв · kв + sн · (1 - kв), где sсм, sв, sн - плотность смеси, воды и нефти соответственно, kв - относительное содержание воды в жидкости.
25.3.6.3. При неизвестной или непостоянной минерализации воды, поступающей из пласта, интерпретацию проводят на качественном уровне.
25.3.7. Форма представления первичных данных и результатов интерпретации не регламентируется.
25.4.1. Диэлькометрическая влагометрия (влагометрия) основана на изучении относительной диэлектрической проницаемости флюидов в стволе скважины.
Применяют для: определения состава флюидов в стволе скважины; выявления интервалов притоков в скважину воды, нефти, газа и их смесей; установления мест негерметичности обсадной колонны; при благоприятных условиях - для определения обводненности (объемного содержания воды) продукции в нефтяной и газовой скважинах.
Ограничения метода связаны с влиянием на показания влагометрии структуры многофазного потока (существенные погрешности при разделенных структурах - кольцевой, пробковой) и с экспоненциальной формой градуировочной зависимости датчиков. При объемном содержании воды в продукции свыше 40 - 60 % метод практически не реагирует на дальнейшие изменения влагосодержания. В наклонных скважинах при отсутствии центраторов и пакера датчик прибора реагирует на влагосодержание только у нижней стенки колонны.
25.4.2. Скважинные влагомеры представляют собой LC или RC-генераторы, в колебательный контур которых включен измерительный конденсатор проточного типа. Между обкладками конденсатора протекает водонефтяная, газоводяная или многокомпонентная смесь, изменяющая емкость датчика с последующим преобразованием изменения емкости в сигналы разной частоты.
25.4.2.1. В нефтяных скважинах используют беспакерные приборы для качественной оценки состава флюида и пакерные - для количественных определений. В газовых скважинах все применяемые влагомеры - беспакерные.
25.4.2.2. Пакерный влагомер должен удовлетворять следующим требованиям:
- фиксировать притоки нефти в гидрофильную водонефтяную смесь и обнаруживать обводненность нефти в скважинах с дебитом менее 100 м3/сут;
- нестабильность работы в течение 6 ч не должна превышать ± 1 %;
- погрешность определения содержания воды в равномерно смешанной гидрофобной водонефтяной смеси не должна превышать ± 3 %.
25.4.2.3. Комплексируется с другими методами в рамках комплекса для оценки «притока-состава».
25.4.3. Первичную и периодические калибровки выполняют в эталонировочном устройстве, содержащем дисперсные водонефтяные смеси (эмульсии) с объемным содержанием воды от 0 до 100 %, через каждые 10 %. Результатом калибровки является градуировочная зависимость относительного разностного параметра f = (fв - fсм)/(fв - fн) от процентного содержания воды в дисперсной смеси, где fсм, fв, fн - показания прибора в водонефтяной смеси, в воде и нефти. Калибровку в газоводяных смесях не проводят из-за сложности эталонировочного устройства.
Полевую калибровку проводят с помощью генератора стандартных сигналов.
25.4.3.1. Не допускается линейная аппроксимация градуировочной зависимости влагомера в полном динамическом диапазоне (0 - 100 %).
25.4.3.2. При калибровке учитывают изменения показаний прибора в зависимости от температуры среды, так как при изменении температуры от 20 до 100 °C относительная диэлектрическая проницаемость воды изменяется от 81 до 55.
25.4.4. Подготовку и проведение измерений выполняют в соответствии с требованиями раздела 6 и эксплуатационной документации.
25.4.4.1. Исследование интервала включает непрерывные и точечные измерения.
Для пакерных влагомеров непрерывные измерения выполняют с закрытым пакером при спуске прибора, точечные - при подъеме прибора, полностью открывая пакер. При перемещении прибора с точки на точку пакер прикрывают.
25.4.4.2. Непрерывные измерения выполняют в интервалах перфорированных пластов или предполагаемой негерметичности обсадной колонны, распространяя их на 20 м вниз и вверх исследуемого интервала.
Повторное измерение выполняют в том же интервале.
Скорость каротажа при общих исследованиях - не более 1000 м/ч, при детальных - 300 м/ч, дискретность записи данных по глубине 0,2; 0,1 и 0,05 м.
25.4.4.3. Точечные измерения выполняют в тех же точках, что и измерения расходомером, включая также аномальные участки, выделенные по результатам непрерывных измерений влагомером. На каждой точке проводят не менее трех измерений с последующим расчетом среднего значения.
25.4.5. Основные положения контроля качества измерений регламентируются разделом 6.
25.4.6. Первичная обработка включает расчет по данным непрерывных и точечных измерений профиля объемного содержания воды в стволе скважины с использованием градуировочной зависимости без учета температурной поправки и поправок за структуру потока.
25.4.7. Результаты измерений представляют в виде исходных кривых (точечных показаний), а результаты первичной обработки - в виде отредактированных влагограмм.
25.5.1. Барометрия основана на изучении поведения давления или градиента давления по стволу скважины или во времени.
Применяют для определения абсолютных значений забойного и пластового давлений, оценки депрессии (репрессии) на пласты, определения гидростатического градиента давления, а также плотности и состава неподвижной смеси флюидов по значениям гидростатического давления, оценки безвозвратных потерь давления в сужениях ствола, гидравлических потерь движущегося потока и определения плотности и состава движущейся смеси (совместно с другими методами «притока-состава»).
Ограничения применения обусловлены влиянием на показания манометров нестационарных процессов в скважине, температуры среды, структуры газожидкостного потока.
25.5.2. Измерения выполняют глубинными манометрами, которые подразделяют на измеряющие абсолютное давление и дифференциальные. Их подразделяют также на манометры с автономной регистрацией, которые опускают на скребковой проволоке, геофизическом кабеле (с последующим оставлением на якоре в заданном интервале) или в составе пластоиспытателей, и дистанционные, работающие на геофизическом кабеле.
Преобразователи давления могут быть: пьезокристаллические (кварцевые, сапфировые), струнные и мембранные.
25.5.2.1. Конструкция глубинных манометров должна обеспечивать измерение статической составляющей полного давления (за исключением интервалов интенсивного притока флюидов в ствол, где возможно влияние радиальных струй).
25.5.2.2. Приборы барометрии должны удовлетворять следующим требованиям:
- предельные значения диапазонов измерения - 10, 25, 40, 60 и 100 МПа;
- чувствительность преобразователей давления - 0,001 - 0,05 МПа;
- основная относительная погрешность измерения - ± 0,25 % или ± 0,5 %.
25.5.2.3. Прибор (модуль) барометрии применяют в сборке приборов, «притока-состава».
25.5.3. Первичную и периодические калибровки выполняют на поверочной установке высокого давления, использующей аттестованные грузопоршневые манометры. Вследствие сильного влияния температуры на показания глубинных манометров калибровку выполняют не менее чем при трех фиксированных температурах, термостатируя при этом преобразователь и сам прибор. Градуировочная зависимость имеет вид p = f(F, T), где р, Т - значения давления, МПа, и температуры, °C, F - показания прибора.
25.5.4. Подготовку и проведение измерений выполняют в соответствии с требованиями раздела 6 и эксплуатационной документации. Полевую калибровку выполняют с помощью генератора стандарт-сигналов.
25.5.4.1. Измерения абсолютных давлений и их изменений проводят тремя способами, регистрируя: изменение давления в функции времени на фиксированных точках глубины; стационарное поле давления по стволу скважины как функцию глубины; нестационарное поле давления по стволу как функции глубины и времени:
- регистрацию изменения давления как функции времени проводят при флуктуационных измерениях либо при гидродинамических исследованиях пластов (регистрация кривой притока, кривых изменения давления - КВД, КСД, КВУ). Для этого прибор устанавливают в кровле или несколько выше испытываемого объекта. Снятие отсчетов представляет собой регистрацию непрерывной кривой (для КВД период снятия отсчетов должен быть не менее 10 с в первые 5 мин замера и 30 с в последующем);
- при регистрации распределения давления как функции глубины основным информационным параметром является вертикальный градиент давления (Dр/DH · cosθ), который определяют по наклону диаграммы с учетом угла наклона скважины (θ);
- регистрацию давления по стволу скважины проводят при спуске или подъеме прибора со скоростью не более 1000 м/ч.
25.5.4.2. Дискретность записи данных по глубине при непрерывных наблюдениях равна 0,2 м.
25.5.4.3. Дифференциальные манометры, измеряющие разность гидростатических давлений на базе порядка 1 м, применяют для количественных определений плотности флюида в стволе простаивающей скважины.
Поскольку измеряемая разность давлений пропорциональна средней плотности смеси флюидов в стволе скважины, то находимые значения плотности усреднены как по сечению потока, так и по интервалу замера. Аналогичная оценка плотности смеси допустима также при низких скоростях потока, когда влияние гидравлических потерь не существенно.
25.5.5. Основные положения контроля качества измерений регламентируются разделом 6.
25.5.6. Первичная обработка заключается в расчетах давления в точках, кривых давления или градиента давления в стволе скважины с использованием градуировочной зависимости (с учетом температурной поправки).
25.5.7. Форма представления первичных данных и результатов измерений не регламентируется.
25.6.1. Индукционная резистивиметрия основана на измерении удельной электрической проводимости жидкостной смеси в стволе скважины методом вихревых токов.
Применяют для: определения состава флюидов в стволе скважины; выявления в гидрофильной среде интервалов притоков воды, включая притоки слабой интенсивности; оценки минерализации воды на забое; установления мест негерметичности колонны; разделения гидрофильного и гидрофобного типов водонефтяных эмульсий; определения капельной и четочной структур течения для гидрофильной смеси.
Ограничения связаны с одновременным влиянием на показания индукционного резистивиметра водосодержания, минерализации воды, гидрофильного и гидрофобного типов водонефтяной смеси, температуры среды. Для гидрофобной смеси показания близки к нулевым значениям удельной электрической проводимости.
25.6.2. Скважинный индукционный резистивиметр представляет собой датчик проточно-погружного типа, состоящий из двух - возбуждающей и приемной - тороидальных катушек. Объемный виток индукционной связи образуется через жидкость, находящуюся вокруг датчика.
25.6.2.1. Требования, предъявляемые к индукционным резистивиметрам:
- диапазон измерения удельной электрической проводимости - 0,1 - 30 См/м;
- основная относительная погрешность - не более ± 5 %;
- допустимый коэффициент нелинейности зависимости показаний от удельной электрической проводимости - не более ± 5 %;
- погрешность от изменений температуры - не более ± 0,5 % на 10 °C.
25.6.2.1. Прибор (модуль) комплексируют с другими модулями ГИС-контроля в единой сборке «притока-состава».
25.6.3. Первичную и периодические калибровки выполняют с помощью эталонировочного устройства, изготовленного в виде цилиндрического сосуда диаметром более 150 мм. Измерения выполняют в трех водных растворах хлористого натрия, проводимость которых находится в диапазонах 0,1 - 0,3; 1 - 3; 20 - 30 См/м. Сами растворы аттестуют прямыми измерениями электрической проводимости лабораторным кондуктомером с погрешностью не более ± 0,5 %. Результатом калибровки являются градуировочные зависимости показаний прибора от удельной электрической проводимости (См/м) и минерализации воды (г/л).
25.6.3.1. Источником погрешностей измерений удельной электрической проводимости является нелинейность чувствительности резистивиметра к температуре и напряжению питания.
25.6.3.2. Учет температурной поправки проводят с помощью палеточных зависимостей.
25.6.4. Подготовка и проведение измерений должны выполняться в соответствии с требованиями раздела 6 и эксплуатационной документации.
25.6.4.1. Непрерывные измерения выполняют на спуске в интервалах перфорированных пластов с перекрытием на 20 м прилегающих к ним участков, повторное измерение - по всей длине исследуемого интервала.
Скорость проведения каротажа - 400 - 600 м/ч.
25.6.4.2. Дискретность записи данных по глубине - 0,2 м.
25.6.5. Основные положения контроля качества измерений регламентируются разделом 6.
25.6.6. Первичная обработка заключается в расчетах удельной электрической проводимости в отдельных точках или по стволу скважины с использованием градуировочной зависимости (с учетом температурной поправки).
25.6.7. Форма представления первичных данных и результатов расчетов не регламентируется.
25.7.1. Акустическая шумометрия основана на регистрации интенсивности шумов, возникающих в пластах, в стволе скважины и в заколонном пространстве при движении газа, нефти и воды.
Применяют для: выделения интервалов притоков газа и жидкости в ствол скважины, включая случаи перекрытия интервалов притока лифтовыми трубами; интервалов заколонных перетоков газа; выявления типа флюидов, поступающих из пласта.
Ограничения связаны с шумами, возникающими при движении самого прибора, существованием сложной зависимости чувствительности датчика от частоты, одновременным влиянием на частоту шумов скорости потока, диаметра канала, вязкости флюида.
25.7.2. Чувствительным элементом акустической шумометрии является пьезоэлектрический преобразователь (гидрофон), расположенный в отдельном модуле сборки «притока-состава» или конструктивно совмещенный с одним из приемников акустической цементометрии (в последнем случае измерения проводят отдельной спускоподъемной операцией при выключенном излучателе).
25.7.2.1. Акустический шумомер является индикаторным прибором и не подлежит строгой калибровке. Его данные не пригодны для количественных определений.
25.7.2.2. Программное обеспечение шумомера должно обеспечивать измерение интенсивности шумов не менее чем в четырех частотных диапазонах в полосе от 100 Гц до 6 кГц.
25.7.3. Измерения акустическим шумомером выполняют дважды: в непрерывном режиме и в точках, в которых установлена аномальная интенсивность шумов.
25.7.3.1. Непрерывные измерения ведут со скоростью 300 - 600 м/ч несколько раз при спуске и подъеме прибора. Полученные данные используют для выделения интервалов поступления в скважину пластовых флюидов и заколонных перетоков.
25.7.3.2. Дискретные измерения выполняют в течение 2 - 3 мин в точках, характеризующихся аномальной интенсивностью шумов, регистрируя их не менее чем в четырех спектральных каналах. Данные используют для идентификации типа флюида.
25.7.4. Форма представления первичных данных и результатов интерпретации не регламентируется.
26.1. Типы каротажных лабораторий
26.1.1. В зависимости от выполняемых функций и используемых программных и технических средств компьютеризированные каротажные лаборатории подразделяют на:
- программно-управляемые, работающие с цифровыми программно-управляемыми скважинными приборами и комбинированными сборками этих приборов, а также, при необходимости, с аналоговыми скважинными приборами;
- лаборатории с программно-управляемыми средствами демодуляции и декодирования информационных сигналов скважинных приборов, коммутации жил кабеля, источников питания и управления опросом приборов, работающие с аналоговыми приборами без их наземных панелей;
- аналоговые с цифровым или компьютеризированным регистратором, осуществляющие цифровую регистрацию данных от всех типов скважинных приборов через аналоговые (импульсные) выходы наземных панелей этих приборов.
26.1.2. Компьютеризированные каротажные лаборатории совместно с каротажным подъемником, оснащенным геофизическим кабелем необходимой длины, должны обеспечивать:
- проведение всех известных геофизических исследований и работ;
- питание скважинных приборов постоянным и переменным током необходимого напряжения и частоты;
- управление работой приборов, в том числе их исполнительных механизмов;
- коммутацию жил кабеля, необходимую для разных видов каротажа;
- контроль за спускоподъемными операциями;
- работоспособность компьютеризированного регистратора и системы контроля за спускоподъемными операциями в течение не менее 15 мин после аварийного отключения питания лаборатории.
26.1.3. Непременными узлами компьютеризированной каротажной лаборатории являются: компьютеризированный регистратор, монитор, универсальный блок питания скважинных приборов, принтер-плоттер, источник бесперебойного питания, панель контроля каротажа с необходимыми датчиками перемещения и натяжения кабеля, магнитных меток глубин, если только функции этой панели не выполняет регистратор, а для аналоговой лаборатории - также наземные панели для проведения отдельных видов исследований (ИПЧМ, ИПРК, АНК, Б1 - Б7 и др.)
26.1.4. Компьютеризированный регистратор должен обеспечивать:
- прием информации от технологических датчиков;
- регистрацию данных ГИС, привязанных ко времени и глубине получения данных, на долговременные магнитные носители;
- визуализацию в реальном масштабе времени геофизической информации и оперативной обстановки в процессе регистрации;
- сохранение или восстановление результатов регистрации в случае аварийного выключения питания или несанкционированного завершения работы программы регистрации;
- выдачу результатов измерений в виде диаграмм на графические устройства. На диаграмме должна отображаться также сопутствующая информация по скважине, оборудованию, скважинным приборам и их метрологическим характеристикам в заголовке диаграммы; на диаграммном поле в графическом виде - данные калибровок результатов измерений в физических единицах, основного и контрольного замеров. В случае вывода каротажных кривых без коррекции глубин по магнитным меткам, диаграмма должна содержать также эти метки;
- оперативную обработку (редактирование) данных в процессе реального времени и после регистрации с документированием результатов обработки на бумажном и магнитном носителях. Увязка по глубине должна проводиться с учетом смещения точек записи зондов и магнитных меток. Приведение результатов измерений к физическим единицам должно проводиться с учетом полевой калибровки;
- представление геофизической информации в соответствии с принятыми стандартами для межмашинного обмена;
- тестирование самого регистратора, скважинных приборов (модулей) и периферийного оборудования;
- документирование полученных данных;
- обмен данными с другими системами в соответствии с российскими и/или международными стандартами обмена геофизическими данными.
26.1.5. При регистрации результатов исследования на магнитные носители регистратор должен обеспечивать возможность записи:
- первичных данных измерений в скважине в функции глубины и времени;
- отредактированных результатов в физических единицах измерения;
- сопутствующей информации о скважине, оборудовании, скважинных приборах и их метрологических характеристиках;
- данных полевых калибровок;
- информации о сбоях в процессе каротажа и времени их возникновения.
26.1.6. В реальном режиме времени на экране монитора должна отображаться информация о текущей скорости каротажа, текущей глубине местоположения скважинного прибора, дате и времени исследований, сообщения о сбоях и несоблюдении технологии проведения исследований, графическая и цифровая индикация показаний скважинного прибора.
По вызову - подсказки о дальнейших действиях оператора при использовании конкретных программ.
26.1.7. Базовое программное обеспечение регистратора должно включать операционную систему и пакеты программ:
- управления конкретными типами скважинных приборов (модулей) и опроса их сборок;
- визуализации на экране монитора и принтере результатов регистрации;
- редактирования и обработки зарегистрированных данных;
- конвертирования данных в стандартный формат для межмашинного обмена;
- тестирования регистратора и скважинных приборов и технологических датчиков.
26.1.8. Шаг квантования (дискретизации) по глубине - 1, 2, 5, 10, 20 и 50 см.
26.1.9. Разрешающая способность модуля формирования меток - не хуже 1 см.
26.1.10. Разрешающая способность счетчика интервалов времени - не более 1 мс.
27.1. Каротажный подъемник должен обеспечивать: спуск в скважину на заданную глубину и подъем скважинных приборов, работающих на геофизическом кабеле; питание и непрерывную связь приборов с каротажной лабораторией; автоматическую укладку геофизического кабеля на барабане лебедки без разрежения и перехлестывания витков.
В зависимости от способа перемещения подъемники подразделяют на самоходные и стационарные, по способу привода лебедки - на механические и с гидро- или электроприводом. На барабане лебедки размещают от 300 до 15000 м кабеля в зависимости от типа подъемника.
27.2. Технические требования к подъемнику:
- лебедка подъемника должна иметь тормозную систему, обеспечивающую плавное торможение при спуске кабеля в скважину и его удержание при остановках, исключать несанкционированный спуск или подъем кабеля, барабан лебедки должен быть выполнен из немагнитного материала. Емкость барабана должна быть такой, чтобы при достижении прибором забоя скважины на барабане оставалось не менее половины последнего ряда витков кабеля;
- пульт контроля каротажа должен быть оснащен индикаторами глубины, натяжения и скорости движения геофизического кабеля;
- переговорное устройство должно обеспечивать надежную двухстороннюю звуковую связь с персоналом каротажной лаборатории; подъемник должен быть оснащен громкоговорящим устройством для передачи информации персоналу на устье скважины, светильником (фарами, прожекторами) для освещения пути движения кабеля между подъемником и устьем скважины;
- система автоматической блокировки должна обеспечивать подачу звукового и светового сигналов при превышении натяжения кабеля выше допустимых значений, при приближении скважинного прибора в процессе подъема на расстояние 50 м от устья скважины и при стоянке прибора в одной точке более 5 мин;
- комплектация подъемника должна предусматривать наличие устройства для рубки геофизического кабеля, «жимков» для его фиксации на устье скважины, и грузоподъемных механизмов грузоподъемностью до 300 кг для погрузки скважинных приборов и устьевого оборудования;
- подъемник должен оснащаться устройством для очистки геофизического кабеля от промывочной жидкости;
- подъемник должен оснащаться необходимым количеством контейнеров, оборудованных амортизирующими подвесами для транспортировки скважинных приборов, а также контейнером для радиоактивных источников;
- в самоходном подъемнике контрольные приборы и системы управления работой двигателя и коробки передач автомобиля должны быть продублированы в кабине управления подъемником.
27.3. К устройствам подвесного и направляющего роликов (блоков) предъявляются требования:
- радиус ручья (направляющей канавки на кольцевой поверхности ролика) любого из роликов не должен превышать радиус геофизического кабеля на величину более чем ± 5 %;
- прочность узлов крепления роликов должна превышать номинальное разрывное усилие применяемого геофизического кабеля не менее чем в 3 раза для направляющего ролика и не менее чем в 4 раза для подвесного.
27.4. Для работы на скважине подъемник располагают на рабочей площадке таким образом, чтобы:
- движение геофизического кабеля осуществлялось по возможности перпендикулярно к трассе высоковольтной линии электропередачи, подведенной к скважине;
- из кабины управления обеспечивалась постоянная видимость стола ротора буровой установки (планшайбы или фонтанной арматуры действующей скважины), подвесного и направляющего роликов и пути движения кабеля между подъемником и направляющим роликом;
- уровень освещения устья скважины, стола ротора и превенторов был не менее 75 лк, пути движения кабеля и барабана лебедки - 40 лк.
28.1. Грузонесущие геофизические бронированные кабели (в дальнейшем - кабели) применяют для спуска и подъема скважинных приборов (сборок) и измерения глубины их нахождения в скважине, питания приборов электроэнергией, в качестве каналов информационной связи между наземным регистратором и приборами, для выполнения различных работ в скважинах.
28.2. Для ГИС применяют кабели, отвечающие требованиям отраслевого стандарта ОСТ 153-39.1-005-00 «Кабели грузонесущие геофизические бронированные. Общие технические условия». М.: Минтопэнерго РФ, 2000 и РД «Техническое описание и инструкция по эксплуатации грузонесущих геофизических бронированных кабелей». М.: Минтопэнерго РФ и МПР РФ, 1998. В зависимости от типа кабеля его характеристики должны находиться в пределах:
- разрывное усилие - 10 - 130 кН, по отдельному заказу - 180 кН;
- термостойкость - 90 - 200 °C, по отдельному заказу - до 250 °С;
- электрическое сопротивление токопроводящей жилы постоянному току при 20 °C - не более 6 - 40 Ом/км;
- емкость - 0,06 - 0,09 мкФ/км между жилой и броней, 0,10 - 0,14 мкФ/км между двумя жилами;
- индуктивность на частоте 1 кГц - 0,8 - 2,5 мГн/км при использовании жилы и брони и 2,5 - 3,5 мГн/км - при использовании двух жил;
- электрическое сопротивление изоляции жил при 20 °C - не менее 15000 МОм в пересчете на 1 км при измерении непосредственно после изготовления и 0,5 - 20 МОм в процессе эксплуатации;
- коэффициент затухания на частоте 50 кГц - не более 7,5 - 9,9 дБ/км;
- волновое сопротивление - не менее 63 - 100 Ом/км;
- максимальное рабочее напряжение - 600 В;
- гарантийный срок эксплуатации - 12 месяцев при наработке до первого отказа не менее 200 км пробега через мерный ролик;
- минимальный пробег до списания - 1800 - 2200 км;
- минимальное электрическое сопротивление изоляции жил кабеля, при котором производится его списание, - 0,5 МОм.
28.3. Выбор кабеля проводят с учетом: характера работ (ГИС, ПВР, свабирование); типов применяемых скважинных приборов (рассчитанных на работу с одно-, трех-, семижильным кабелем); глубин исследуемых скважин и забойной температуры (разрывное усилие, термостойкость); свойств промывочной жидкости (вид изоляции жил).
28.4. Ввод кабеля в эксплуатацию проводит персонал каротажной партии (отряда).
28.4.1. Перед вводом в эксплуатацию кабель перематывают с транспортного барабана на лебедку каротажного подъемника. Конец кабеля пропускают через отверстие в обечайке барабана и подсоединяют к коллектору. Крепление кабеля на внешней поверхности обечайки не допускается во избежание повреждения изоляции жил. Кабель на барабане не крепят: он удерживается за счет сил трения между барабаном и витками кабеля, для чего не менее половины витков кабеля последнего ряда не сматывают с барабана при спускоподъемных операциях. Кабель наматывают на барабан под натяжением, соответствующем натяжению в скважине и обеспечивающем плотную без перехлестывания укладку витков; натяжение не может быть меньшим 5 кН.
28.4.2. В случае, когда кабель был смотан с заводского барабана на лебедку подъемника при недостаточном натяжении, производят его вытяжку в полевых условиях (растянув кабель на земной поверхности с подвешенным к нему через вращающееся соединение грузом и наматывая на барабан со скоростью около 1000 м/ч) или в процессе не менее двух спусков и подъемов кабеля с грузом в скважине.
28.4.3. Крепление кабельного наконечника к геофизическому кабелю производят проволоками внешнего повива брони, ослабляя место крепления по сравнению с разрывным усилием кабеля. Ориентировочное число заделываемых проволок приведено в таблице 6.
При использовании кабеля в качестве гибких элементов (вставок) скважинных приборов разрывное усилие его крепления к узлам прибора должно быть равным разрывному усилию заделки кабельного наконечника.
Таблица 6 - Число проволок геофизического кабеля, заделываемых в кабельный наконечник
|
Глубина спуска, м |
Количество проволок |
|||
|
Новый кабель |
Износ 15 - 20 % |
Износ 30 - 40 % |
||
|
6,3 - 8,4 |
3000 - 5000 |
10 - 12 |
8 - 10 |
7 - 8 |
|
5000 - 6000 |
7 |
6 |
- |
|
|
9,4 - 10,3 |
3000 - 4000 |
12 - 14 |
10 - 13 |
8 - 11 |
|
5000 - 6000 |
7 - 8 |
6 |
5 |
|
|
12,3 |
3000 - 4000 |
18 |
17 |
15 |
|
5000 - 7000 |
8 - 11 |
7 - 9 |
7 |
|
28.4.4. Сращивание геофизического кабеля рекомендуется как крайняя мера. Длина наращиваемого снизу отрезка должна составлять не более 20 % длины кабеля, находящегося на лебедке, и не превышать 2000 м.
Ремонт геофизического кабеля выполняют в случае, если обрыв брони или другое механическое повреждение произошли на концевом отрезке длиной не менее 300 м, в противном случае отрезок кабеля с поврежденным участком необходимо отрубить.
28.4.5. Разметку геофизического кабеля в стационарных условиях выполняют на разметочной установке, например, типа УРС-10-10, обеспечивающей разметку кабеля под натяжением. Натяжение должно изменяться плавно или ступенчато через 500 - 1000 м, первый участок кабеля длиной 2000 м может быть размечен при постоянной нагрузке.
Для разметки кабеля в полевых условиях используют переносные установки, например УАРК2-0,5, а при малых глубинах скважин (менее 300 м) допускается ручная разметка с использованием мерной ленты. В процессе разметки и после нее контролируют наличие выставляемых магнитных меток.
Новый кабель в течение первого месяца эксплуатации рекомендуется размечать перед каждым выездом на скважину. В дальнейшем разметку проводят с периодичностью, указанной в таблице 7 в днях и километрах пробега кабеля через мерный ролик, в зависимости от того, что раньше наступит. Эти сроки уточняют в каждом районе работ.
Таблица 7 - Максимальные интервалы между периодическими разметками кабеля
|
Периодичность разметки (дней, км пробега) |
||||
|
Срок эксплуатации менее 3 мес. |
Срок эксплуатации более 3 мес. |
|||
|
Дни |
Пробег, км |
Дни |
Пробег, км |
|
|
до 3000 |
22 |
300 |
70 |
1000 |
|
3000 - 4000 |
16 |
290 |
55 |
900 |
|
4000 - 5000 |
12 |
270 |
45 |
800 |
|
5000 - 6000 |
10 |
250 |
35 |
700 |
|
6000 - 7000 |
8 |
230 |
25 |
600 |
|
более 7000 |
6 |
200 |
18 |
500 |
Кабель подлежит обязательной повторной разметке:
- после освобождения от прихвата кабеля или прибора;
- после нахождения на каротажном подъемнике без использования более 1 месяца со сроком эксплуатации до 3 месяцев и более 2 месяцев со сроком эксплуатации 3 месяца и более.
28.5. Геофизический кабель или его отрезок считается непригодным к дальнейшей эксплуатации, если имеет место:
- обрыв жил;
- сопротивление изоляции составляет менее 0,5 МОм;
- количество обрывов проволок брони превышает 3 на 1 км;
- абразивный износ проволок наружного повива превышает 40 % по диаметру;
- разрывное усилие при чистом растяжении меньше номинального на 30 % (быстрое уменьшение разрывного усилия для новых кабелей, не имеющих существенного абразивного износа брони, что может наблюдаться при эксплуатации в скважинах с сероводородом);
- овальность кабеля достигает значений 3,5 % при работе через лубрикатор и 25 % для других кабелей.
28.6. Спускоподъемные операции с применением геофизического кабеля относятся к работам с высокой потенциальной аварийностью, поэтому их выполняют, соблюдая требования, выработанные долголетней практикой ГИС.
28.6.1. Перед подсоединением скважинного прибора проверяют сопротивление изоляции жил кабеля и отсутствие обрывов жил. Сопротивление изоляции должно быть в пределах 0,5 - 20 МОм на всю длину кабеля в зависимости от вида выполняемых исследований и работ.
28.6.2. На расстояниях 10 и 50 м от кабельного наконечника на кабеле устанавливают хорошо видимые предохранительные метки из изоляционной ленты, информирующие о приближении скважинного прибора к устью скважины.
28.6.3. Спуск геофизического кабеля в скважину осуществляют со скоростью, не превышающей 8000 м/ч, а при спуске длинных сборок - не превышающей 5000 м/ч.
При подходе к забою скорость снижают до 350 м/ч, перепуск кабеля не должен превышать 2 - 5 м. Стоянка прибора на забое не должна превышать 5 мин. Иное значение допустимого времени стоянки определяется техническим состоянием ствола скважины и заблаговременно устанавливается соглашением между геофизическим предприятием и недропользователем.
Резкое торможение барабана лебедки во время спуска недопустимо во избежание соскальзывания кабеля с роликов и его дальнейшего обрыва.
28.6.4. Начинать подъем кабеля следует плавно, без рывков, медленно увеличивая скорость движения до значения, принятого для выполнения соответствующих видов ГИС. При приближении скважинного прибора на 50 м к башмаку обсадной колонны или к устью скважины скорость должна быть снижена до 250 м/ч.
Выше интервала запланированных исследований, где не ведут регистрацию данных, скорость подъема увеличивают до 5000 м/ч.
На выходе из скважины кабель очищают всеми возможными способами - струей воды, в зимнее время - горячей водой с паром, обдувом воздухом, механическими скребками, но не вручную.
28.6.5. Спуск и подъем кабеля контролируют по показаниям датчиков натяжения и глубин. В неподвижном состоянии в открытом стволе кабель должен находиться не более 5 мин.
В случае более длительных (более 5 мин) технологических остановок скважинного прибора, необходимых для проведения исследований неподвижными приборами (например, произвести отбор проб пластовых флюидов или образцов пород), кабель необходимо «расхаживать». Для этого на кабеле у барабана лебедки устанавливают контрольную метку и периодически спускают, а затем поднимают до метки несколько метров кабеля. Длительность технологических остановок определяется техническим состоянием ствола скважины и заблаговременно устанавливается соглашением между геофизическим предприятием и недропользователем.
28.6.6. Геофизические исследования и работы в скважинах должны быть прекращены, а кабель и скважинный прибор извлечены из скважины при:
- появлении нефтегазопроявлений и переливов промывочной жидкости;
- поглощении промывочной жидкости с понижением уровня более 15 м/ч;
- возникновении затяжек кабеля при подъеме;
- неоднократных остановках скважинного прибора при спуске, кроме как на известных уступах и в кавернах;
- производстве на буровой работ, не связанных с геофизическими исследованиями и мешающих проведению последних;
- возникновении неисправности лаборатории, подъемника, скважинного прибора, кабеля;
- ухудшении метеоусловий: при видимости менее 20 м, скорости ветра более 20 м/с, обледенении кабеля.
Для освобождения кабеля от прихвата проводят многократные «расхаживания» кабеля с изменением нагрузки от значения массы кабеля до половины фактического разрывного усилия в точке заделки его в кабельном наконечнике. Переменные нагрузки создают с помощью подъемника, натягивая кабель и резко снимая натяжение отключением привода лебедки.
Иногда кабель удается освободить, оставив его на некоторое время под сильным натяжением. Если такая мера не дает положительных результатов, то вновь повторяют многократные «расхаживания». Их прекращают при явной безрезультативности выполняемых действий, но в любом случае при образовании «жучка», «фонаря» или порывах пяти и более проволок брони наружного повива.
28.7.1. После неудачных попыток освобождения кабеля «расхаживанием» его оставляют под натяжением и оповещают руководство геофизического предприятия и недропользователя о возникшей аварийной ситуации. Последующие мероприятия по ликвидации аварии выполняют согласно плану, разработанному обеими сторонами.
28.7.2. Обрыв геофизического кабеля при прихвате осуществляют буровой лебедкой или лебедкой подъемника, если работы выполнялись в обсаженной скважине без грузоподъемного механизма.
Оборванный в скважине конец кабеля захватывают с помощью спущенного на бурильных трубах (или НКТ в обсаженных скважинах) «ерша», представляющего собой стальной конус с приваренными к нему под углом крюками.
28.7.3. Другой вариант освобождения кабеля, прибора и груза, которые не имеют ловильной «гребенки» на головке, реализуют с помощью овершота или патрубка, выполняющего роль овершота для захвата скважинного прибора. Для этого:
- кабель обрубают у лебедки подъемника;
- пропускают конец кабеля через отверстие в овершоте;
- обрубленный кусок кабеля сращивают с кабелем, оставшимся на лебедке, и натягивают с помощью лебедки подъемника;
- опускают овершот на бурильных трубах или НКТ без их вращения, оставляя кабель за внешней поверхностью труб;
- опустив трубы на глубину, на несколько метров превышающую глубину прихвата, восстанавливают циркуляцию и медленно опуская трубы (и стравливая кабель с лебедки подъемника при увеличении натяжения) промывают скважину до ликвидации прихвата, которую определяют по резкому уменьшению натяжения кабеля;
- если прихвачен также скважинный прибор, то спуск труб продолжают до входа головки прибора в овершот;
- подъем кабеля и труб после ликвидации прихвата производят синхронно на малой скорости.
28.7.4. Особые меры предосторожности предпринимают при ликвидации радиационных аварии.
28.7.4.1. Радиационными авариями при проведении ГИС и работ приборами на кабеле в нефтяных и газовых скважинах являются события, обусловленные неисправностями технических средств, неправильными действиями работников, стихийными природными воздействиями или иными причинами, вызывающие потерю источника ионизирующего излучения, которая может привести или приводит к облучению людей выше установленных норм или радиоактивному загрязнению окружающей среды.
К наиболее радиационно опасным авариям относят:
- обрыв прибора и оставление источника ионизирующего излучения в скважине;
- повреждение источника, аварийно оставленного в скважине;
- потерю источника в пути следования к месту проведения работ или при временном хранении на скважине;
- разрушение (разгерметизация) содержащих радиоактивные изотопы транспортируемой активационной установки, емкости с меченой жидкостью или линий обвязки устья скважины, с использованием которых производится их закачка в скважину.
28.7.4.2. Перечень возможных радиационных аварий для конкретных условий работы с ионизирующими источниками и радиоактивными веществами заблоговременно согласовывается с органами государственного санитарно-эпидемиологического надзора.
28.7.4.3. Ликвидация радиационных аварий осуществляется силами нефтяной, газовой и геофизической организаций по индивидуальному плану, согласованному с региональными органами государственного санитарно-эпидемиологического надзора, Госатомнадзора России, МПР России, при участии, в случае необходимости, сил и средств МЧС России.
Обеспечение радиационной безопасности при ликвидации аварии должна регламентироваться отраслевой инструкцией, разработанной на основе требований СП 2.6.1.799-99 «Основные санитарные правила обеспечения радиационной безопасности ОСПОРБ-99», М.: Минздрав России, 2000.
28.7.4.4. При ликвидации аварии обязательны:
- постоянный радиационный контроль промывочной жидкости и бурильного инструмента, извлекаемых их скважины;
- подтверждение факта нахождения скважинного прибора с источником на забое и отсутствие разгерметизации источника;
- как крайнее средство, применяют тампонаж скважинного прибора цементным раствором с дальнейшим контролем головы цементного камня.
При аварии с разгерметизацией источника работы по ликвидации ведут с обязательным дозиметрическим и радиометрическим контролем, комплексом мер по дезактивации и защите персонала.
28.7.5. О каждой радиационной аварии составляют акт с указанием причин и мер по их предупреждению. В случае разногласий при определении причин аварии должна быть проведена техническая экспертиза третьей стороной.
29.1. Лубрикаторы предназначены для обеспечения спуска и подъема скважинных приборов на кабеле или проволоке без разгерметизации устья скважины. Их устанавливают на буферной задвижке фонтанной арматуры действующих скважин.
29.2. Лубрикатор должен содержать снизу-вверх следующие основные функциональные элементы:
- переходник для соединения с буферной задвижкой;
- превентор для аварийного перекрытия скважины с кабелем;
- сигнализирующее устройство (ловушку) для индикации входа прибора в лубрикатор при подъеме и предотвращения падения прибора в скважину в случае его аварийного отрыва от кабеля в лубрикаторе;
- камеру для размещения прибора с грузами;
- уплотнительное устройство для герметизации кабеля (проволоки).
29.3. Переходник должен быть оборудован фланцем, параметры и размеры которого соответствуют размерам фланца буферной задвижки фонтанной арматуры скважины.
29.4. Превентор представляет собой цилиндр с размещенной в нем парой цилиндрических плашек с торцевыми уплотнениями для герметизации скважины. Перемещение плашек при закрытии или открытии превентора осуществляется вручную при помощи резьбовой пары винт-гайка или дистанционно при помощи гидроцилиндра с гидравлическим приводом. В зависимости от условий применяют одинарные превенторы с одной парой плашек и многорядные - с двумя и более рядами плашек, размещенных в разных корпусах или в одном корпусе.
29.5. Сигнализирующее устройство (ловушка) снабжено поворотной заслонкой с ручным или гидравлическим приводом для обеспечения пропуска прибора в скважину при выходе его из лубрикатора. Заслонка автоматически пропускает прибор в лубрикатор при подъеме и затем перекрывает входное отверстие.
29.6. Камера для размещения прибора с грузами состоит из секционных труб, свинчиваемых между собой с помощью накидных гаек с трапецеидальной резьбой. Длина набора секционных труб должна быть на 1 м больше длины спускаемого прибора и набора грузов, которые устанавливают над кабельным наконечником для преодоления выталкивающей силы, пропорциональной давлению в скважине и площади поперечного сечения кабеля.
29.7. Уплотнительное устройство при работе с геофизическим кабелем представляет собой комбинацию уплотнителей нескольких типов. По принципу действия различают уплотнители: контактные - действующие за счет обжатия кабеля резиновой втулкой при помощи гидравлического цилиндра с гидроприводом; гидродинамические (газодинамические), в которых герметизация кабеля создается за счет гидродинамических (газодинамических) потерь и снижения давления на выходе из уплотнителя при протекании отводимого в дренажную систему флюида, заполняющего скважину, через зазоры между кабелем и калиброванным отверстием; гидростатические, в которых герметизация осуществляется подачей в зазор между кабелем и калиброванным отверстием уплотняющей смазки под давлением, превышающим устьевое, специальной станцией подачи смазки.
При работе с проволокой применяют только контактный уплотнитель.
29.8. Типоразмеры лубрикаторов определяются набором основных параметров, главными из которых являются давление на устье скважины и условное проходное сечение камеры для размещения приборов. Оптимальный параметрический ряд главных значений устьевого давления - 2, 10, 14, 35, 70, 105 МПа; а параметрический ряд числовых значений условного проходного сечения - 50, 65, 80, 100 мм.
29.9. Лубрикаторы эксплуатируют в комплекте с верхним и нижним направляющими роликами для пропуска кабеля (проволоки).
Верхний ролик устанавливают на уплотнительном устройстве лубрикатора при помощи поворотного кронштейна или закрепляют на автономном грузоподъемном устройстве.
Нижний ролик закрепляют на фонтанной арматуре скважины либо на автономном грузоподъемном устройстве.
29.10. Монтаж и демонтаж лубрикатора на устье скважины осуществляют, пользуясь грузоподъемной лебедкой, которую устанавливают на фонтанной арматуре или на мачте (стойке) лубрикатора, либо с помощью специального грузоподъемного устройства (например, геофизической вышки).
29.11. После установки лубрикатора на фланец буферной задвижки фонтанной арматуры проверяют его на герметичность путем постепенного повышения давления скважинного флюида.
29.12. Эксплуатацию лубрикаторов, в том числе их гидравлические испытания и опрессовку, осуществляют в соответствии с требованиями действующих нормативных документов и эксплуатационной документации.
Скважинные приборы ГИС являются измерительными средствами, которые работают в агрессивной среде в экстремальных условиях и нуждаются в тщательном уходе в период эксплуатации.
30.1. Подготовка скважинных приборов в стационарных условиях перед выездом на скважину включает:
- получение, осмотр и проверку работоспособности скважинных приборов;
- получение расходных деталей, материалов и источников радиоактивных излучений;
- запись в базу данных регистратора заголовка сведений о типах и номерах полученных приборов (см. п. 6.4.3), результатов последних периодических калибровок приборов (п. 6.2.2) и данных предыдущих исследований, если это необходимо для выполнения задания.
30.1.1. Осмотр и проверку работоспособности скважинных приборов проводят в специально подготовленных для этих работ помещениях, которые отвечают требованиям техники безопасности и эргономики, регламентируемыми нормативными документами.
Проверке подлежит:
- комплектность приборов, включая полевые калибровочные устройства, специализированное вспомогательное оборудование, ключи и пр.;
- состояние охранных кожухов приборов (отсутствие трещин, деформаций);
- наличие защитных колпаков и пробок-заглушек;
- состояние резьб и наличие смазки на приборных головках приборов;
- состояние резиновых уплотнительных колец и защитных фторопластовых прокладок стыковочных узлов, в том числе камер источников радиоактивных излучений и держателей источников;
- чистота поверхностей розеток и вилок разъемов приборов и стыковочных узлов модулей комбинированных приборов;
- чистота и наличие смазки в рычажных системах прижимных устройств, отсутствие их механических повреждений;
- отсутствие повреждений резиновых компенсаторов, их герметичность;
- наличие и уровень масла в компенсаторах;
- сопротивление изоляции жил геофизического кабеля (должно находиться в пределах 0,5 - 20 МОм);
- работоспособность приборов в комплекте с полевым калибровочным устройством с данными экземплярами лаборатории (станции) и каротажного подъемника.
30.1.2. В приборах, в которых используются источники радиоактивных излучений, проверяют:
- сохранность узла крепления источника;
- наличие отметки на наружной поверхности кожуха в месте расположения источника;
- отсутствие на наружной поверхности кожуха участков (щелей, каверн и т.п.), на которых могут скапливаться загрязнения, трудноудаляемые средствами очистки или дезактивации.
30.1.3. Подготовка приборов с управляемыми прижимными и/или центрирующими устройствами должна обеспечить их надежное раскрытие и закрытие по команде с поверхности.
30.1.4. Приборы, предназначенные для проведения исследований, должны иметь не просроченные даты калибровки, соответствовать по эксплуатационным параметрам максимальным давлениям и температуре в интервале исследований и минимальному проходному сечению скважины - диаметр прибора должен быть меньше диаметра открытого ствола не менее чем на 25 мм, и диаметра колонны - не менее чем на 10 мм.
30.1.5. Перед транспортировкой приборов на скважину производят их разборку на части, предназначенные к транспортировке, и устанавливают штатные колпаки и пробки. В приборах, требующих при транспортировании арретирования механических узлов (например, в инклинометрах), выполняют требуемые операции в соответствии с эксплуатационной документацией. Приборы укладывают в приспособления транспортных средств, предназначенные для их перевозки (контейнеры, деревянные ложементы с фиксирующими зажимами и т.п.), и закрепляют для исключения перемещений и соударений, а также для ослабления воздействия вибраций и ударов. Приборы, предназначенные для перевозки в вертикальном положении (например, инклинометры), должны быть зафиксированы в соответствующих приспособлениях, низ прибора должен опираться на резиновый амортизатор.
30.2. Подготовка скважинных приборов к скважинным исследованиям:
30.2.1. По прибытию на скважину проводят разгрузку приборов на подготовленные места рабочей площадки - стояки и мостки буровой - с учетом очередности проведения исследований. Разгрузку и переноску приборов осуществляют с использованием штатных приспособлений (специальных ручек, тележек, клещевых захватов и т.п.).
30.2.2. Заземляют (сопротивление заземления не должно превышать 4 Ом) и подключают лабораторию (станцию) и каротажный подъемник к электрической сети питания буровой, производят стыковку частей прибора (модулей комбинированных приборов), запланированного к проведению исследований первым. Сборку проводят на мостках с использованием подставок. В процессе сборки принимают меры, исключающие попадание влаги в разъемы стыковочных узлов. При необходимости проводят разарретирование механических узлов прибора.
30.2.3. Подключают к лаборатории (станции) прибор через геофизический кабель подъемника, пропущенный через подвесной и направляющий ролики. Подают питание и выполняют тестирование регистратора скважинного прибора и необходимые калибровки.
30.2.4. Приборы, работающие с источниками радиоактивных излучений, размещают на подставках коллимационными отверстиями вверх; проверяют работоспособность их электронных схем и электромеханических приводов прижимных узлов; доставляют к измерительному зонду защитный контейнер с источником, помещенным в хранилище изотопов в держатель источника, и с помощью дистанционного инструмента (захват, манипулятор) переносят источник в камеру зонда; устанавливают на измерительный зонд полевое калибровочное устройство. На охранном кожухе модуля в непосредственной близости от камеры устанавливают, используя дистанционный инструмент, флажок со знаком радиационной опасности. После калибровки удаляют флажок со знаком радиационной безопасности и полевое калибровочное устройство.
В случае использования в сборке модулей с источниками разных видов излучения, первым калибруют модуль, работающий с источником гамма-излучения (например, модуль гамма-гамма-каротажа).
Во время перемещения прибора, содержащего источник радиоактивного излучения, прибор поддерживают с помощью дистанционного инструмента (например, крючьев, захватов), располагаясь на участках прибора, максимально удаленных от источников излучения. Направление прибора, поднятого над устьем скважины, в устье колонны выполняют с использованием крюка с длиной ручки не менее 1 м.
30.2.6. После поднятия прибора выше уровня устья, плавно осуществляют его спуск в скважину, следя за тем чтобы прибор (каждый модуль комбинированного прибора) свободно входил в колонну. При положении головки прибора (сборки) на уровне стола ротора или планшайбы выставляют положение нулей на датчиках глубин.
30.3. После окончания исследований и выхода прибора на устье скважины, необходимо:
30.3.1. Извлечь прибор из скважины; очистить его от загрязнения, используя щетку, ветошь и техническую воду (в холодное время года - горячую воду или пар); не выключая питания перенести прибор на мостки, сматывая для этого на минимальной скорости геофизический кабель с барабана лебедки подъемника; уложить прибор на подставки и выполнить полевую калибровку измерительного зонда. После этого снимают с прибора питание и расстыковывают его с кабельным наконечником.
Питание приборов, для которых полевую калибровку после извлечения из скважины не проводят, отключают до их извлечения из скважины.
30.3.2. Приборы радиоактивного каротажа с ионизирующими источниками очищают на устье от грязи, используя щетку с длиной рукоятки не менее 1 м, доставляют и укладывают на подставки с предосторожностями, перечисленными в п. 30.2.5.
В сборках, в которых используются нейтронный и гамма-источники радиоактивного излучения, первым калибруют модуль с источником нейтронов, предварительно изъяв источник гамма-излучения из другого модуля, после чего изымают и размещают в защитном контейнере источник нейтронов и приступают к калибровке модуля, использующего источник гамма-излучения.
30.3.3. После расстыковки прибора с кабельным наконечником протирают насухо чистой ветошью освободившиеся разъемы, уплотнительные кольца, посадочные места и резьбы, проверяют состояние уплотнительных колец и при необходимости заменяют их, наносят смазку на резьбы и уплотнительные кольца, центраторы, закрывают стыковочные узлы штатными колпаками и пробками и доставляют прибор на место временного хранения.
А.1. Общие положения
А.1.1. Геофизические работы в скважинах должны проводиться с учетом требований «Правил геофизических исследований и работ в нефтяных и газовых скважинах». М., 1999 г., настоящего РД «Техническая инструкция...» и действующих нормативных документов по охране труда на эти виды работ.
А.1.2. Требования к технологии проведения геофизических работ должны учитываться при составлении проектов на строительство и ремонт нефтяных и газовых скважин, а также планов по контролю за состоянием окружающей среды.
А.1.3. Подготовленность скважины к проведению геофизических работ подтверждается актом, который подписывают представители недропользователя и производителя работ (геофизического предприятия).
А.1.4. Все работы с источниками ионизирующих излучений и радиоактивными веществами должны проводиться в соответствии с требованиями СП 2.6.1.758-99 «Нормы радиационной безопасности НРБ-99». М.: Минздрав России, 1999 г., СП 2.6.1.799-99 «Основные санитарные правила обеспечения радиационной безопасности ОСПОРБ-99». М.: Минздрав России, 2000 г., и отраслевых нормативно-технических документов по обеспечению радиационной безопасности.
А.2. Подготовка буровой
А.2.1. Буровая должна иметь подъездные пути, обеспечивающие подъезд транспорта с геофизическим оборудованием к рабочей площадке и его удаление в случае аварийной эвакуации. Перед буровой установкой со стороны приемных мостков на расстоянии от устья, не меньшем высоты буровой вышки, должна быть оборудована рабочая площадка размером 10´10 м, пригодная для установки транспорта и геофизического оборудования с шириной прохода между ними не менее 3 м.
Примечание. На искусственных сооружениях (эстакадах, морских буровых установках - МБУ) геофизическое оборудование, аппаратура и материалы размещаются согласно схемам, разработанным и утвержденным совместно недропользователем и геофизическим предприятием с учетом размеров и конструктивных особенностей МБУ.
А.2.2. Рабочая площадка и места (зоны) работы со скважинной аппаратурой должны удовлетворять следующим требованиям:
- обеспечивать из кабины подъемника постоянную видимость стола ротора, подвесного и направляющего роликов и пути движения геофизического кабеля;
- обеспечивать возможность расположения транспорта таким образом, чтобы исключить скопление отработанных газов при работе двигателей внутреннего сгорания;
- ось барабана лебедки подъемника должна быть горизонтальной и перпендикулярной к направлению движения кабеля к устью скважины;
- направляющий и подвесной ролики и кабель во время спуско-подъема должны находиться в одной плоскости; освещенность в темное время суток должна быть не менее 75 лк - для зон, где выполняются работы с геофизическим оборудованием, на устье скважины и в районе превенторов, а участков его транспортировки приборов к устью скважины, и трассы движения геофизического кабеля - не менее 40 лк. При освещении буровой ниже нормы проведение геофизических работ в ночное время запрещается;
- размещение бурильного инструмента и инвентаря не должно мешать работе каротажной партии;
- буровая лебедка и оборудование должны быть исправными для обеспечения возможности использования во время проведения геофизических работ;
- пол буровой и приемные мостки очищены от промывочной жидкости, смазочных материалов, снега, льда и т.п., при необходимости посыпаны песком; сходни приемных мостков должны иметь ребристую поверхность и поперечные рейки, предотвращающие скольжение обслуживающего персонала; к устью скважин, бурящихся на глинистом растворе, с помощью гибкого шланга должна быть подведена техническая вода (горячая вода или пар при работе в условиях отрицательных температур и при бурении на промывочных жидкостях с нефтяной основой);
- в процессе выполнения работ на скважине должна находиться вахта буровой бригады, которая по согласованию может привлекаться к выполнению вспомогательных работ.
А.2.3. Перед проведением геофизических работ электрооборудование буровой установки должно быть проверено на соответствие ПУЭ, ПТЭ и ПТБ и отвечать следующим дополнительным требованиям:
- для подключения геофизического оборудования и аппаратуры к сети у края площадки-стоянки (или не более чем в 40 м от нее) установлен электрощит с отключающим устройством и унифицированной четырехполюсной розеткой на напряжение 380 В и трехполюсной - на 220 В с заземляющими контактами;
- обозначено место для подсоединения к контуру заземления буровой установки отдельных заземляющих проводников наземного геофизического оборудования; их подсоединение должно выполняться болтами или струбцинами.
А.2.4. На буровой должно быть оборудовано помещение для хранения источников ионизирующих излучений и радиоактивных веществ, обеспечивающее их физическую защиту и обозначенное знаками радиационной опасности, освещенными в ночное время.
Помещение (площадка) для работ с радиоактивными веществами при использовании метода меченых веществ должно иметь легко съемное и дезактивируемое покрытие и обустроено стоками дезактивационных отходов в специальные емкости или грунтовые приемники для жидких отходов.
А.2.5. При проведении геофизических работ на буровой запрещается без разрешения руководителя работ по ГИС: производить ремонт бурового оборудования; включать буровую лебедку и различные силовые агрегаты; переносить и передвигать по полу буровое оборудование; проводить электросварочные работы в радиусе 400 м.
А.3. Подготовка скважины
А.3.1. Подготовка скважины должна обеспечивать беспрепятственный спуск (подъем) скважинных приборов и прострелочно-взрывной аппаратуры, для чего необходимо: проработать ствол скважины во всем незакрепленном интервале долотом номинального диаметра с целью ликвидации уступов, резких переходов от одного диаметра к другому, мест сужения и пробок; привести параметры промывочной жидкости в соответствие с требованиями геолого-технического наряда; обеспечить однородность жидкости по всему стволу скважины, что достигается циркуляцией жидкости после бурения (при промывке) в течение не менее 2 ч на каждые 1000 м глубины скважины.
Требования к промывочной жидкости:
- плотность жидкости должна соответствовать минимально допустимому перепаду давления в системе «скважина-пласт», утвержденному технологическим регламентом;
- водоотдача - не более 10 см3/30 мин;
- удельное сопротивление не должно изменяться от момента вскрытия пласта до завершения электрометрических работ более чем на 25 %, и должно удовлетворять требованиям проведения утвержденного комплекса геофизических работ.
В скважинах, в которых выявлены нарушения колонн, проводилось разбуривание цементного камня или наблюдались другие осложнения, перед началом работ необходимо выполнить контрольный спуск шаблона на геофизическом кабеле.
А.3.2. Запрещается проведение геофизических исследований в скважинах, заполненных промывочной жидкостью с вязкостью более 120 с по СПВ-5, и жидкостью, содержащей больше 5 % песка или обломков твердых пород, в поглощающих (с понижением уровня более 15 м/ч), переливающих или газирующих скважинах.
Работы в скважинах, в которых указанные условия не выполняются, а также в скважинах заполненных нефтью или промывочной жидкостью с примесью нефти больше 10 %, а также при наличии других осложнений, могут проводиться лишь по особому согласованному решению руководства геофизического предприятия и недропользователя.
А.3.3. При выполнении геофизических исследований и работ методами радиоактивного каротажа скважину подготавливают в соответствии с требованиями по установлению режима радиационной безопасности, регламентированными ОСПОРБ-99.
Б.1. Геофизические работы в действующих скважинах проводят с учетом требований «Правил геофизических исследований и работ в нефтяных и газовых скважинах». М., 1999 г., настоящей «Технической инструкции» и действующих нормативных документов по охране труда на эти виды работ.
Б.2. ПГИ (ГИС-контроль) проводят в скважинах в режиме их функционирования при спущенном технологическом оборудовании и в остановленных на ремонт скважинах при наличии в них технологического оборудования или без него. Для исследований применяют скважинные приборы диаметром 28, 36 и 42 мм.
Б.3. Исследования скважин при спущенном технологическом оборудовании проводят при спуске (подъеме) скважинных приборов через НКТ или серповидный зазор, образующийся в межтрубном пространстве при эксцентричной подвеске технологического оборудования.
Б.4. В добывающих скважинах, эксплуатирующихся с применением штанговых глубинных насосов, НКТ должны быть подвешены на эксцентричной планшайбе. Штанговый насос должен быть оборудован хвостовиком в виде диска с эксцентричными отверстиями для прохождения скважинного прибора под корпус насоса. Эксцентричная планшайба и хвостовик должны быть установлены так, чтобы прижатие НКТ к обсадной колонне обеспечивало создание в межтрубном пространстве максимального зазора. Эксцентричная планшайба должна иметь отверстие, предназначенное для спуска в скважину приборов, закрываемое во время работы скважины герметичной пробкой; обвязка устья скважины должна обеспечить «разрядку» межтрубного пространства до атмосферного.
Б.5. Добывающие скважины, эксплуатируемые с применением электроцентробежных насосов, должны быть оборудованы приспособлениями, обеспечивающими беспрепятственное прохождение прибора под насос. Ниже глубины подвески насоса могут применяться приспособления, обеспечивающие прижатие насоса к обсадной колонне.
Б.6. Скважину для проведения геофизических исследований и работ готовит недропользователь. Подготовленность (неподготовленность) скважины подтверждается двусторонним актом, который подписывают начальник партии (отряда) и представитель недропользователя.
Б.7. К скважине должны вести подъездные пути, обеспечивающие беспрепятственное передвижение транспорта. Вокруг скважины должен быть объездной путь.
Б.8. Около скважины на расстоянии 20 - 30 м от устья должна быть подготовлена площадка размером 10´10 м, удобная для установки на ней каротажной лаборатории и подъемника с шириной прохода между ними не менее 3 м и монтажа устьевого оборудования для спуска приборов в скважину. Посторонние предметы между подъемником и устьем скважины, затрудняющие обзор нижнего и верхнего роликов и пути движения геофизического кабеля, а также свободное передвижение работников партии (отряда), должны быть убраны.
При проведении геофизических исследований и работ в добывающих и нагнетательных скважинах с давлением на буфере запорной арматуры более 7 МПа, при применении приборов массой более 50 кг или при их длине более 4 м, а также при выполнении работ по свабированию на скважине должен быть установлен агрегат с грузоподъемной вышкой или мачтой, для чего оборудуется дополнительная площадка размером 5´10 м.
Б.9. Для сбора флюида, отводимого из сальникового устройства лубрикатора, в 5 м от устья скважины должна быть установлена емкость объемом не менее 0,2 м3.
Для выполнения работ по свабированию на устье скважины должна быть смонтирована выкидная линия, соединенная с открытой мерной емкостью объемом не менее 20 м3, установленной на расстоянии 20 - 30 м от устья скважины, каротажной лаборатории и подъемника.
Б.10. Около устья нагнетательных и контрольных скважин, не оборудованных стационарными площадками, должны быть подготовлены подмостки для установки нижнего и верхнего роликов. Подмостки высота которых более 0,5 м от земли, должны иметь лестницу (сходни с поперечными рейками), а если их высота превышает 1,5 м, они и ведущая к ним лестница должны быть оборудованы перилами.
Б.11. Для подключения геофизического оборудования к силовой электрической цепи должна быть установлена розетка с заземляющим контактом в исполнении, пригодном для наружного подключения, рассчитанном на силу тока 25 А и напряжение 380 В. Розетка устанавливается на расстоянии не более 40 м от площадки установки геофизического оборудования.
Перед проведением геофизических работ электрооборудование буровой установки должно быть проверено на соответствие ПУЭ, ПТЭ и ПТБ.
Б.12. Скважины под давлением должны быть оборудованы фонтанной арматурой и превентором, опрессованы и подключены к сборному коллектору и выкидной линии. Для измерения буферного давления и давления в затрубном пространстве на арматуре устанавливают манометры с трехходовыми кранами. Уплотнительные соединения фонтанной арматуры и задвижек не должны иметь пропусков нефти, газа и воды и монтироваться полным комплектом шпилек. Все задвижки фонтанной арматуры, применяемые при проведении работ, должны быть исправны, свободно открываться и закрываться от руки.
Б.13. Над фонтанной арматурой должна быть оборудована площадка размером не менее 1,5´1,5 м, имеющая настил, выполненный из металлических листов с ребристой поверхностью, исключающей возможность скольжения, или из досок толщиной не менее 40 мм, с перилами высотой 1,25 м с продольными планками, расположенными на расстоянии не более 400 мм друг от друга. Настил площадки должен иметь борт высотой не менее 150 мм, образующий с настилом зазор высотой не более 10 мм для стока жидкости. В настиле площадки вокруг фонтанной арматуры должно быть проделано отверстие диаметром 600 мм для установки лубрикатора и разгрузочной штанги. Для подъема на площадку оборудуется лестница с уклоном не более 60°, шириной не менее 650 мм с двухсторонними перилами высотой 1 м. Расстояние между ступенями лестницы по высоте не более 250 мм, уклон ступеней во внутрь - 2 - 5°, боковые планки ступеней или бортовая обшивка - высотой 150 мм.
Б.14. В скважинах с открытым устьем ГИС могут проводиться без лубрикатора. Мерный (нижний) ролик крепят к колонному фланцу, пользуясь мостками, а верхний ролик над устьем скважины или пользуются подвесным роликом, который подвешивается к талевому блоку грузоподъемного устройства.
Б.15. До проведения ГИС насосно-компрессорные трубы должны быть прошаблонированы контрольным шаблоном. Диаметр шаблона должен быть на 10 мм больше диаметра применяемого прибора. Длина шаблона должна быть не менее длины геофизического прибора.
Б.16. Низ НКТ должен быть оборудован воронкой, обеспечивающей беспрепятственный вход скважинного прибора в НКТ. При спуске НКТ на забой их низ должен быть оборудован крестовиной.
Б.17. Элементы технологического оборудования должны обеспечивать плавное изменение внутреннего диаметра НКТ.
Б.18. Для проведения работ при отрицательной температуре в водонагнетательных скважинах и в добывающих скважинах с высоким процентным содержанием воды недропользователь обязан организовать постоянный обогрев устьевого оборудования и лубрикатора. При температуре ниже минус 20 °C геофизические исследования и работы в водонагнетательных скважинах проводить запрещается.
Б.19. При геофизических исследованиях и работах проведение на скважине других работ, не связанных с ГИС, запрещается. Разрешается совместное проведение работ бригады ремонта скважин и геофизической партии (партий) на одном кусте скважин, если при этом они не создают помехи друг другу.
Б.20. В темное время суток работы должны проводиться при искусственном освещении, которое соответствует нормам освещенности при геофизических работах: места подготовки скважинных приборов - не менее 75 лк; путь прохождения геофизического кабеля, места переноски приборов, прокладки соединительных проводов, нахождения мерной и приемной емкостей - не менее 40 лк.
Акт
|
Акт
|
|
ПРОИЗВОДИТЕЛЬ РАБОТ |
||||
|
Недропользователь: Площадь: Скважина: Куст: Категория: |
НЕДРОПОЛЬЗОВАТЕЛЬ |
|||
|
Месторождение |
||||
|
Площадь |
||||
|
Скважина |
Куст |
|||
|
Категория |
||||
|
Назначение исследований |
||||
|
Дата каротажа |
||||
|
Альтитуда стола ротора (план - шайбы): ______________________ м |
||||
|
Вид исследований |
Шаг квантования |
|||
|
Тип прибора |
Номер прибора |
|||
|
Измерительные зонды |
||||
|
Источник радиоактивного излучения |
Тип |
Мощность |
||
|
Частота излучателей (для АК) |
||||
|
Время бурения интервала каротажа |
Начало: |
Окончание: |
||
|
Интервал каротажа (м) |
Кровля: |
Подошва: |
||
|
Максимальная температура (°C) |
||||
|
Промывочная жидкость |
Тип промывочной жидкости |
|||
|
Сопротивление (Ом · м) при 20 °С |
||||
|
Добавки в ПЖ (%): |
||||
|
Плотность (г/см3) |
Нефть |
|||
|
Вязкость (с) |
Барит |
|||
|
Водоотдача (см3/30 мин) |
Гематит |
|||
|
Уровень |
КМЦ |
|||
|
Разгазирование ПЖ (да, нет) |
||||
|
Наземное оборудование |
Подъемник: |
Лаборатория. |
|
|
Кабель |
Тип: |
Длина (м): |
|
|
Цена метки |
Последней: |
Контрольной: |
|
|
Скорость записи |
|||
|
Запись провел |
|||
|
В присутствии |
|||
|
Конструкция |
КОНСТРУКЦИЯ СКВАЖИНЫ |
Последняя колонна |
НКТ |
|
Диаметр долота (мм) |
|||
|
Глубина бурения (м) |
|||
|
Искусственный забой (м) |
|||
|
Диаметр колонны (мм) |
|||
|
Толщина колонны (мм) |
|||
|
Башмак колонны (м) |
|||
|
Дата цементажа |
|||
|
Тип, количество (т) и плотность цемента |
|||
|
Интервалы перфорации (м) |
|||
|
Скважинные приборы |
||
|
Сборка ГК-П + АК-П + ИК-П |
||
|
|
||
|
Конструкция скважины |
|
|
|
A |
Амплитуда волны (в акустическом каротаже), геометрический коэффициент стока (ГДК), токовый электрод зонда (в приборах АК) |
|
Aв |
Электрохимическая активность пород |
|
Aда |
Диффузионно-адсорбционный потенциал |
|
Aк, Aп |
Амплитуды упругих волн, распространяющихся в колонне, горных породах соответственно |
|
И |
Излучатель упругих волн |
|
П |
Приемник упругих волн |
|
Aо |
Центральный электрод |
|
Aэ |
Экранный электрод |
|
В |
Токовый (обратный) электрод в приборах ЭК |
|
b |
Пороговая чувствительность механического расходомера |
|
Cгл |
Коэффициент весовой глинистости |
|
Cпл, Cпж |
Минерализация пластовых вод, промывочной жидкости |
|
D |
Диаметр зоны проникновения |
|
d, dc |
Диаметр скважины |
|
di |
Разность двойных измерений угла в i точке |
|
Dpi |
Депрессия для каждой измерительной камеры прибора |
|
F |
Показания приборов при барометрии |
|
f |
Частота вращения турбинки (расходометрия), показания приборов влагометрии |
|
G |
Градиент температуры (температурный градиент) в скважине |
|
H |
Глубина скважины |
|
HZ |
Амплитуда напряженности магнитного поля |
|
h |
Толщина пласта |
|
hmin |
Минимальная толщина пласта, прослоя |
|
hэф |
Эффективная толщина коллектора |
|
I |
Сила тока |
|
J |
Средняя скорость счета |
|
kв |
Коэффициент водонасыщенности пород |
|
k* |
Коэффициент критической водонасыщенности |
|
kво |
Коэффициент остаточной водонасыщенности |
|
kгл |
Коэффициент объемной глинистости |
|
kн |
Коэффициент нефтенасыщенности |
|
kнг |
Коэффициент нефтегазонасыщенности |
|
kно |
Коэффициент остаточной нефтенасыщенности |
|
kп |
Коэффициент общей пористости пород |
|
kп дин |
Коэффициент динамической пористости |
|
kпэф |
Коэффициент эффективной пористости |
|
kпр |
Коэффициент абсолютной проницаемости |
|
kпр эф |
Коэффициент эффективной проницаемости |
|
L |
Длина зонда |
|
li |
Шаг измерений между точками |
|
lэ |
Эффективная длина зонда |
|
M, N |
Измерительные электроды в приборах электрического каротажа |
|
n |
Количество измерений |
|
Рн |
Коэффициент увеличения сопротивления (параметр насыщения) |
|
ρ |
Относительное электрическое сопротивление |
|
p |
Давление |
|
pпл |
Пластовое давление |
|
pi |
Давление притока флюида в i-ую камеру прибора ГДК |
|
pе |
Индекс фотоэлектрического поглощения |
|
pг |
Гидростатическое давление |
|
Q |
Скорость притока флюида |
|
q1 |
Дебит при ГДК в первом цикле измерений |
|
qi |
Дебит при ГДК в i-цикле измерений |
|
T |
Температура (Терм.), вектор (модуль вектора) напряженности геомагнитного поля (магнитный каротаж) |
|
T1 |
Время продольной релаксации протонов |
|
ti |
Время заполнения i-й камеры (в приборах ГДК) |
|
Tо |
Порог чувствительности термометра |
|
U |
Значение потенциала (напряжения) в точке измерения |
|
Uпс |
Потенциал самопроизвольной поляризации |
|
Uэ |
Эквивалентная массовая доля урана |
|
v |
Скорость распространения акустических волн (в разделе АК), скорость каротажа, скорость потока флюида в скважине (расходометрия) |
|
vi |
Объем i-ой камеры прибора ГДК |
|
Wв |
Объемная влажность |
|
X, Y, Z |
Составляющие вектора геомагнитного поля (магнитный каротаж), координаты точки оси ствола скважины (Инкл.) |
|
Xn, Yn, Zn |
Координаты определяемой точки n (Инкл.) |
|
a |
Эффективное затухание упругой волны (АК). дирекционный угол (Инкл.) |
|
aк |
Эффективное затухание упругой волны, распространяющейся по колонне |
|
aпс |
Относительная амплитуда потенциала самопроизвольной поляризации |
|
aр |
Затухание продольной волны, распространяющейся в породе |
|
b |
Полный угол искривления оси ствола скважины |
|
χ |
Магнитная восприимчивость среды |
|
δ |
Относительная систематическая погрешность (РК), средняя квадратическая погрешность измерений углов (инклинометрия) |
|
Dj |
Разность фаз напряженности магнитного поля |
|
DJg |
Относительные показания гамма-каротажа |
|
Dp |
Депрессия в исследуемой точке |
|
Ds |
Поправка за влияние промежуточной среды между прибором и породой |
|
DP/DHcosθ |
Вертикальный градиент давления при барометрии |
|
DT |
Разность температур (отклонение температуры) |
|
DT, DZ |
Приращения полного вектора магнитного поля |
|
Dt |
Интервальное время распространения акустической волны |
|
Dtк, Dtп |
Интервальное время первых вступлений волн, распространяющихся в колонне, в горных породах (АКЦ) |
|
DU |
Разность потенциалов поля |
|
e |
Диэлектрическая проницаемость |
|
η |
Коэффициент относительной глинистости |
|
µ |
Вязкость флюида |
|
θ |
Зенитный угол наклона оси скважины |
|
ρ |
Удельное электрическое сопротивление (УЭС) |
|
ρв |
Верхнее значение диапазона измерения УЭС в выбранном диапазоне |
|
ρзп |
Удельное электрическое сопротивление зоны проникновения |
|
ρк |
Кажущееся удельное электрическое сопротивление |
|
ρн |
Нижнее значение диапазона измерения УЭС в выбранном диапазоне |
|
ρп |
Удельное электрическое сопротивление пород |
|
ρпв |
Удельное электрическое сопротивление пластовой воды |
|
ρпз |
Удельное электрическое сопротивление (УЭС) промытой зоны |
|
ρс |
Удельное электрическое сопротивление промывочной жидкости |
|
Σа |
Макросечение захвата тепловых нейтронов |
|
s |
Объемная плотность пород или флюида, среднеквадратическая погрешность измерения |
|
sсл |
Случайная погрешность измерений |
|
sк |
Измеренное значение кажущейся проводимости |
|
sк, gк |
Кажущаяся удельная электрическая проводимость |
|
sка, gкр |
Кажущаяся удельная электрическая проводимость - активная и реактивная компоненты соответственно |
|
sп |
Удельная электрическая проводимость среды |
|
tд |
Динамическая тепловая инерция |
|
ω |
Круговая частота тока |
(приложение к оперативному заключению)
|
Недропользователь ____________ |
Утверждаю |
||||||||||||||||||||||||||||||||||||||||||||||||||
|
Производитель работ __________ |
Руководитель |
||||||||||||||||||||||||||||||||||||||||||||||||||
|
Интерпретационная служба _____ |
интерпретационной службы |
||||||||||||||||||||||||||||||||||||||||||||||||||
|
________________ Ф. И. О. |
|||||||||||||||||||||||||||||||||||||||||||||||||||
|
«____» _________ 200___ г. |
|||||||||||||||||||||||||||||||||||||||||||||||||||
|
Результаты оперативной интерпретации данных ГИС по скважине _________________ площади ____________________________________ (промежуточный или заключительный каротаж) Номинальный диаметр _________ мм Интервал исследований ______ м УЭС промывочной жидкости ______ Ом · м при 20 °C ___ Интервал обработки ___ м
Дата ___________________ Интерпретатор ________________ |
|||||||||||||||||||||||||||||||||||||||||||||||||||
(приложение к оперативному заключению)
|
Скважина _____________________ Месторождение ________________________ _____________________________________________________________________ (предварительное или окончательное) Дата ________________ Производитель работ _____________________________ Недропользователь ____________________________________________________ Интерпретационная служба ____________________________________________ Сведения по скважине: ________________________________________________ (индекс пласта, интервал исследования, _____________________________________________________________________ номинальный диаметр скважины, _____________________________________________________________________ сопротивление промывочной жидкости и т.д.) |

Акт
|
||||||||||||||||||||||||||||||||||||||||||||||||||
|
№ точки |
Глубина отбора, м |
Режим работы |
К-во циклов |
Время притока, с |
Объем флюида, л |
Номер пробы |
Хар-ка пробы |
Режим работы: ОПК - разовый отбор пробы флюида; ОПКМ - многоразовый отбор проб флюида в одной точке; ГДК - одноразовое измерение в режиме ГДК; ГДКМ - многократные измерения в режиме ГДК.
Количество циклов: при ОПК и ГДК - 1, при ОПКМ и ГДКМ - фактическое.
Время притока: при отсутствии герметизации - 0, в остальных случаях - фактическое.
Объем флюида: на точке без притока - 0, в остальных случаях - равный фактическому объему, поступившему в пробоприемник или пробосборник на точке.
Характеристика пробы: состав, цвет, запах, горючесть и т.д., оцененные визуально.
Л.6. Результаты анализа проб жидкости (таблица Л.2)
Пробы отобраны (дата) _____________________________________________________
Пробы анализированы (дата) ________________________________________________
Таблица Л.2
|
Глубина отбора, м |
Жидкость |
Фильтрат |
|||||
|
Объем, л |
Свойства |
Плотность, г/см3 |
УЭС, Ом · м |
||||
|
Всего |
Нефти |
Плотность, г/см3 |
Вязкость, с |
||||
Л.7. Результаты анализа проб газовоздушной смеси (таблица Л.3)
Пробы отобраны (дата) ____________________________________________________
Пробы анализированы (дата) ________________________________________________
Таблица Л.3
|
Глубина отбора, м |
Объем газовоз. смеси, л |
Сумма углеводородов, абс. % |
H2, % |
Углеводороды, отн. % |
|||||
|
СН4 |
С2Н6 |
С3Н8 |
С4Н10 |
Выше |
|||||
Производитель работ _______________ Недропользователь ____________________
(приложение к заключению)

Акт
|
|
№ спуска |
№ образца |
Глубина отбора, м |
Длина образца, мм |
Время отбора образца, мин. |
Характеристика образца |
Примечание |
|
1 |
2 |
3 |
4 |
5 |
6 |
7 |
Начальник партии ____________________________________
Представитель недропользователя _______________________
|
Ключевые слова: нефтяные и газовые скважины, геофизические исследования, требования к измерительным зондам, комплекс исследований, технология, калибровка, контроль качества, формат регистрации, каротажная лаборатория, подъемник, кабель, лубрикатор. |