ООО «Главербель Восток»

СОГЛАСОВАНО

УТВЕРЖДАЮ

Директор по развитию научных направлений

Генеральный директор

ОАО «Институт стекла», д.т.п., профессор.

«Главербель Восток»

______________________ В.Г. Маневич

______________________ В.Д. Шигаев

______________________ 2004

«20» _____04______ 2004

СТЕКЛО НИЗКОЭМИССИОННОЕ
С МЯГКИМ ПОКРЫТИЕМ

Технические условия

ТУ 5913-001-58455567-2004

первые)

ООО «Главербель Восток» разрешает
ООО «Главербель Клин» использовать
настоящие ТУ для производства, сертификации
и рассмотрения претензии по низкоэмиссионному
стеклу производства «Главербель Клин»

Срок действия с 01.05.04

Начальник отдела качества

ООО «Главербель Восток»

_______________ M.И. Смирнов

«__» ________________ 2004

начальник отдела качества ООО

«Главербель Восток»

__________________ Смирнов М.И.

2004

Настоящие технические условия распространяются на стекло низкоэмиссионное с мягким покрытием Planibel Top NT и Planibel Top N (далее стекло), предназначенное для остекления светопрозрачных конструкций в жилых, общественных и производственных зданиях и сооружениях для снижения потерь тепла через светопрозрачную конструкцию.

Условное обозначение стекла должно состоять из: буквенного обозначения названия стекла низкоэмиссионного с мягким покрытием (И), толщины, длины, ширины стекла, обозначения настоящих технических условий.

Пример условного обозначения стекла низкоэмиссионного с мягким покрытием, толщиной 4 мм, длиной 1500 мм, шириной 900 мм

И-4-1500×900-ТУ 5913-001-58455567-2004

Технические условия могут быть применены для сертификации продукции.

1. ТЕХНИЧЕСКИЕ ТРЕБОВАНИЯ

1.1 Стекло должно соответствовать требованиям настоящих технических условий и технологической документации, утвержденной в установленном порядке.

1.2 Покрытие наносят на стекло листовое марок М0, М1 ГОСТ 111.

Допускается по согласованию с потребителем применять другие виды стекол при условии, что стекло с покрытием, изготовленное с их применением, отвечают требованиям настоящих технических условий.

1.3 Основные размеры

1.3.1 Максимальный номинальный размер стекла прямоугольной формы по длине и ширине (6000×3210) мм.

Номинальные размеры стекла устанавливают в договоре (заказе) между изготовителем и потребителем.

1.3.2 Предельные отклонения размеров стекла прямоугольной формы по длине и ширине должны соответствовать требованиям, указанным в таблице 1 или нормативной документации, утвержденной в установленном порядке, если используют другой вид стекла, кроме листового.

Таблица 1

В миллиметрах

Длина и ширина листа стекла

Предельные отклонения по длине и ширине листов стекла

До 1000

±1,0

Св. 1000 до 3500

±2,0

Св. 3500

±4,0

1.3.3 Разность длин диагоналей листов стекла не должна превышать значений, указанных в таблице 2.

Таблица 2

В миллиметрах

Длина диагоналей листа стекла

Разность длин диагоналей листа стекла, не более

До 1000

2

Св. 1000 до 3500

3

Св. 3500

5

1.3.4 Отклонение от прямолинейности кромок стекла не должно превышать 1 мм на 1 м длины кромки.

1.3.5 Номинальная толщина и предельные отклонения по толщине листа стекла должны соответствовать указанным в таблице 3.

Таблица 3

В миллиметрах

Номинальная толщина

Предельные отклонения по толщине

4,0

±0,2

5,0

±0,3

6,0

±0,3

1.4 Характеристики

1.4.1 Покрытие на стекле должно быть сплошным и однотонным.

1.4.2 Цвет стекла с покрытием должен соответствовать образцам-эталонам, утвержденным в установленном порядке.

1.4.3 По показателям внешнего вида стекло должно соответствовать требованиям, указанным в таблице 4 и требованиям по количеству и размерам допускаемых пороков на исходное стекло. Если исходным стеклом является стекло листовое по ГОСТ 111, то показатели внешнего вида стекла низкоэмиссионного должны соответствовать марке М1.

Таблица 4

Наименование порока

Норма ограничения

Трещины

не допускаются

Инородные разрушающие включения

не допускается

Следы от зажимов, размером не более, мм

10×20

Отслоение покрытия

не допускается

Цветные пятна, разводы

не допускается

Царапины грубые

не допускаются

Царапины(1) волосные

допускаются длиной не более 15 мм и общей длиной не более 45 мм

Точечные просветы размером 0, 1 - 0,2 мм

допускаются, невидимые на отражение

Примечание. (1) Допускаются только в краевой зоне (не более 15 мм от края стекла по периметру).

1.4.4 Стекло должно иметь ровные кромки и целые углы.

Дефекты края (щербление, сколы) не должны проникать более чем на половину толщины листа стекла. Повреждение углов (по биссектрисе) не должны превышать предельных отклонений по длине и ширине.

1.4.5 Коэффициент направленного пропускания света стекла должен соответствовать требованиям, указанным в таблице 5.

Таблица 5

Номинальная толщина, мм

Коэффициент направленного пропускания света, не менее

4,0

0,87

5,0

0,87

6,0

0,86

1.4.6 Коэффициент тепловой эмиссии должен быть не более 0,07.

1.4.7 Оптические искажения стекла не должны превышать требований, указанных в таблице 6.

Таблица 6

Номинальная толщина, мм

Не допускается искажение полос экрана «зебра», под углом менее или равным:

4,0

45°

5,0 - 6,0

50°

1.4.8 Стекло «Planibel Top NT» можно подвергать закалке. После проведения процесса закалки стекло подвергают испытаниям по следующим показателям: коэффициент эмиссии, показатели внешнего вида. Отбор образцов и испытания проводят в соответствии с 4.3.2, 4.4.1, 5.4, 5.10 настоящих технических условий.

1.5 Маркировка и упаковка

1.5.1 Маркировку на стекло, как правило, не наносят. В случае необходимости правила маркировки устанавливают в договоре (заказе) между изготовителем и потребителем.

1.5.2 Упаковку стекла производят в соответствии с требованиями, изложенными в договоре поставки. Стекло при упаковке должно быть переложено бумагой по ГОСТ 16711, ГОСТ 1908, ГОСТ 8273 (кроме марок Ж и Е), пересыпают специальным материалом сепарол по НД или другим упаковочным материалом, не содержащим царапающих включений. Стекло располагают поверхностью с низкоэмиссионным покрытием внутрь стопы стекол. Стопа стекла должна быть по периметру герметично обтянута клейкой лентой по НД. Между кромками стекла и клейкой лентой должен быть проложен силикагель.

Допускается по согласованию изготовителя с потребителем силикагель не прокладывать.

1.5.3 Если в договоре поставки не оговорены требования к упаковке стекла, то листы стекла упаковывают в дощатые ящики по ГОСТ 4295, ящичные специализированные поддоны или другой вид тары по нормативной документации, утвержденной в установленном порядке. Для защиты стекла с покрытием от воздействия окружающей среды крайний лист со стороны покрытия в ящике или любом другом виде тары устанавливают обычное листовое стекло (защитное стекло).

1.5.4 В каждую стопу ящика или любого другого вида тары устанавливают листы стекла одного размера и толщины.

Листы стекла устанавливают так, чтобы исключалась возможность смещения отдельных листов стекла относительно стопы.

1.5.5 Пространство между стопами стекла и стенками ящиков должно быть заполнено уплотняющим материалом.

В качестве уплотняющего прокладочного материала в ящиках используется древесная стружка по ГОСТ 5244 или мягкие древесно-волокнистые плиты по ГОСТ 4598, или гофрированный картон по ГОСТ 7376.

1.5.6 В каждый ящик или другой вид тары вкладывают или наклеивают ярлык, в котором указывают:

- инвентаризационный номер ящика или другого вида тары;

- наименование и/или товарный знак предприятия изготовителя;

- условное обозначение стекла;

- количество листов стекла в шт., м2;

- вес ящика, кг.

Допускается по согласованию изготовителя с потребителем в ярлыке указывать дополнительную информацию.

1.5.7 Маркировка на ящиках должна содержать манипуляционные знаки означающие: «Хрупкое. Осторожно», «Верх», «Беречь от влаги» по ГОСТ 14192.

1.5.8 При экспортно-импортных операциях требования к маркировке и упаковке стекла уточняют в договорах (контрактах) на поставку.

2. ТРЕБОВАНИЯ БЕЗОПАСНОСТИ

2.1 Требования безопасности при производстве стекла устанавливают в соответствии с санитарно-гигиеническими правилами, правилами по электробезопасности, правилами противопожарной безопасности в соответствии с применяемым технологическим оборудованием и технологии производства.

2.2 Пожарная безопасность производства стекла должна обеспечиваться системами предотвращения пожара, противопожарной защиты, организационно-техническими мероприятиями по ГОСТ 12.1.004. Не допускается в помещениях, где изготавливают и хранят стекло, использовать открытый огонь.

2.3 Лица, занятые на производстве стекла, должны быть обеспечены спецодеждой по НД и средствами индивидуальной защиты по ГОСТ 12.4.11. В помещении, где изготавливают стекло, должна быть вода и аптечка с медикаментами для оказания первой помощи при ушибах и порезах.

2.4 Все лица, занятые на производстве стекла, при приеме на работу и периодически должны проходить медицинский осмотр в соответствии с действующими правилами органов здравоохранения, инструктаж по технике безопасности и быть обучены согласно ГОСТ 12.0.004. К изготовлению стекла не допускаются лица моложе 18 лет.

2.5 При выполнении погрузочно-разгрузочных работ должны соблюдаться привила безопасности согласно ГОСТ 12.3.009.

2.6 На все рабочие операции (включая погрузочно-разгрузочные, упаковочные и транспортные) должны быть разработаны и утверждены в установленном порядке Инструкции по технике безопасности выполнения работ.

3. ТРЕБОВАНИЯ ОХРАНЫ ОКРУЖАЮЩЕЙ СРЕДЫ

3.1 Стекло является экологически безопасной продукцией и в процессе производства, транспортирования, хранения и эксплуатации не выделяет токсичных веществ в окружающую среду.

4 ПРАВИЛА ПРИЕМКИ

4.1 Приемку стекла на соответствие требованиям настоящих технических условий производят партиями. Партией считают количество стекла, оформленное одним документом о качестве.

4.2 Стекло подвергают приемосдаточным испытаниям по 1.3.1 - 1.3.5, 1.4.1 - 1.4.4, 1.4.7 и периодическим испытаниям по 1.4.5 - 1.4.6 настоящих технических условий.

4.3 Приемосдаточные испытания

4.3.1 При проверке стекла на соответствие требованиям настоящих технических условий по 1.4.1 - 1.4.3 применяют сплошной (100 %) контроль.

Партию считают принятой, если все листы стекла соответствуют требованиям 1.4.1 - 1.4.3.

4.3.2 Проверка партии листов стекла на соответствие требованиям 1.3.1 - 1.3.5, 1.4.4 должна производиться по двухступенчатому плану контроля по ГОСТ Р 50779.71.

4.3.3 Объем выборки в зависимости от объема партии для первой и второй ступеней плана контроля, а также приемочные и браковочные числа приведены в таблице 7.

Таблица 7

Объем партии изделий, шт.

Ступень плана контроля

Объем выборки, шт.

Общий объем выборки, шт.

Приемочное число

Браковочное число

От 6      до  90     вкл.

1

3

3

0

2

2

3

6

1

2

Св. 90     "    150      "

1

5

5

0

2

2

5

10

1

2

   "   150   "    280      "

1

8

8

0

2

2

8

16

1

2

   "   280   "    500      "

1

13

13

0

3

2

13

26

3

4

   "   500   "    1200   "

1

20

20

1

4

2

20

40

4

5

   "   1200 "    3200   "

1

32

32

2

5

2

32

64

6

7

4.3.4 Партию стекла считают принятой, если число дефектных листов в выборке меньше или равно приемочному числу, указанному в таблице 7 для первой ступени плана контроля, и бракуют, если число дефектных листов больше или равно браковочному числу.

Если число дефектных листов в первой выборке больше приемочного, но меньше браковочного числа, следует отобрать от той же партии выборку объемом, указанным в таблице 7 для второй ступени плана контроля и повторить испытания по всем контролируемым показателям, указанным в 4.3.2.

После повторной проверки показателей партию листов стекла считают принятой, если суммарное число дефектных листов в выборках для первой и второй ступеней плана контроля меньше или равно приемочному числу, указанному для второй ступени и считают не принятой, если суммарное число дефектных листов равно или больше браковочного числа указанного в таблице 7 для второй ступени контроля.

4.3.5 Для проверки оптических искажений (1.4.7) из партии составляют выборку из числа листов, принятых по 4.3.2 - 4.3.4 объемом, указанным в таблице 8.

Таблица 8

Объем партии, шт.

Объем выборки, шт.

До 90 включ.

3

Св. 90 до 500 -"-

4

-"- 500 до 3200 -"-

5

4.4 Периодические испытания

4.4.1 Периодические испытания по определению коэффициента направленного пропускания света стекла (1.4.5), коэффициента тепловой эмиссии (1.4.6) проводят на трех образцах, принятых по 4.3.2 - 4.3.4 не реже одного раза в шесть месяцев.

При получении неудовлетворительных результатов, если хотя бы один образец не соответствует заданным требованиям, проводят повторные испытания на удвоенном количестве образцов.

Результаты повторных испытаний распространяются на всю партию.

При получении неудовлетворительных результатов повторных испытаний партию бракуют и переводят испытания по данному показателю в приемо-сдаточные до получения положительных результатов не менее, чем на двух партиях подряд.

5. МЕТОДЫ ИСПЫТАНИЙ

5.1 Определение длины и ширины

5.1.1 Сущность метода

Метод основан на измерении линейных размеров и вычислении величины отклонений от заданных значений.

5.1.2 Отбор образцов

Испытания проводят на готовых изделиях, отобранных в соответствии с 4.3.3.

5.1.3 Средства контроля (измерений)

- металлическая рулетка по ГОСТ 7502 или другие средства измерений с ценой деления не более 1 мм;

5.1.4 Проведение испытания

Для определения длины проводят два измерения параллельно кромкам листа стекла на расстоянии от края не менее толщины стекла. Погрешность измерения 1 мм. Ширину стекла измеряют аналогично.

5.1.5 Обработка результатов

5.1.5.1 Длину (ширину) стекла определяют как среднее арифметическое значение результатов измерений, округленное до 1 мм.

5.1.5.2 Отклонение размеров по длине (ширине) определяют как разность между каждым значением длины (ширины), измеренным по 5.1.4, и номинальным значением длины (ширины) стекла.

5.1.6 Оценка результатов

Стекло считают выдержавшим испытание, если отклонение размеров по длине и ширине соответствует 1.3.2.

5.2 Определение разности длин диагоналей

5.2.1 Сущность метода

Метод основан на измерении линейных размеров и вычислении величины отклонений от заданных значений.

5.2.2 Отбор образцов

Испытания проводят на готовых изделиях, отобранных в соответствии с 4.3.3.

5.2.3 Средства контроля (измерений)

- металлическая рулетка по ГОСТ 7502 или другие средства измерения с ценой деления не более 1 мм.

5.2.4 Проведение испытания

Измеряют длину каждой диагонали. Погрешность измерения 1 мм.

5.2.5 Обработка результатов

Разность длин диагоналей определяют как разность между измеренными длинами диагоналей листа стекла.

5.2.6 Оценка результатов

Стекло считают выдержавшим испытание, если разность длин диагоналей соответствует требованиям 1.3.3.

5.3 Определение толщины

5.3.1 Сущность метода

Метод основан на измерении линейных размеров и вычислении величины отклонений от заданных значений.

5.3.2 Отбор образцов

Испытания проводят на готовых изделиях, отобранных в соответствии с 4.3.3.

5.3.3 Средство контроля (измерений)

Микрометр с ценой деления не более 0,01 мм по ГОСТ 6507

5.3.4 Проведение испытания

Толщину стекла измеряют в четырех точках, расположенных в середине каждой стороны листа стекла на расстоянии от края не менее толщины стекла. Погрешность измерения - 0,01 мм.

5.3.5 Обработка результатов

5.3.5.1 Толщину стекла определяют как среднеарифметическое значение результатов измерений, округленное до 0,01 мм

5.3.5.2 Отклонение по толщине Dd, мм, определяют по формуле

Dd = max|di - d0|,                                                    (1)

где di - толщина, измеренная по 5.3.4, мм

d0 - номинальная толщина, мм.

5.4 Показатели внешнего вида (пороки), однотонность, непрерывность покрытия стекла определяют визуально в проходящем свете при рассеянном освещении или подобном ему искусственном (без прямого освещения). Освещенность поверхности стекла должна быть не менее 300 лк.

Стекло устанавливают вертикально на расстоянии 0,6 - 0,8 м от наблюдателя. Пороки размером более 1 мм измеряют металлической линейкой ГОСТ 427 с ценой деления не более 1 мм или другим измерительным инструментом с ценой деления не более 1 мм. Пороки размером менее 1 мм измеряют лупой с ценой деления не более 0,25 мм по ГОСТ 25706.

Размеры пороков определяют по наиболее четко выраженным видимым очертаниям.

5.5 Коэффициент направленного пропускания света определяют по ГОСТ 26302.

5.6 Определение оптических искажений, видимых в проходящем свете

5.6.1 Сущность метода состоит в просмотре сквозь стекло экрана типа «зебра», представляющего собой систему равноотстоящих черно-белых полос, наклоненных под углом 45° к горизонту.

Оптические искажения характеризуют максимальным углом между направлением наблюдения и перпендикуляром к плоскости образца стекла, при котором не наблюдается изменения формы полос экрана и их «размытие».

5.6.2 Отбор образцов

Испытания проводят на образцах размерами не менее (300×400) мм.

5.6.3 Аппаратура

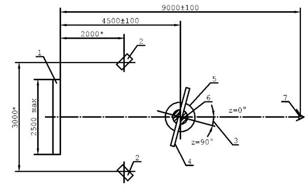
Установка для определения оптических искажений (рисунок 1), состоящая из:

- плоского экрана, на который нанесены под углом (45 ± 1)° черные и белые полосы шириной (25 ± 1) мм;

- держателя с рамкой для установки образцов, снабженной лимбом с ценой деления 1°; и способной вращаться вокруг вертикальной оси.

Осветительные приборы (лампы), мощность и расположение которых должны обеспечивать освещенность экрана не менее 1000 лк.

_________________

* Уточняются при наладке оборудования.

1 - экран «зебра»; 2 - осветители; 3 - угол просмотра (Z); 4 - образец стекла; 5 - поворотный стол; 6 - лимб; 7 - наблюдатель

Рисунок 1

5.6.4 Проведение испытания

Испытания проводят в затемненном помещении. Образец стекла закрепляют в рамке держателя. При этом направление вытягивания стекла должно быть вертикальным. На лимбе держателя устанавливают нормируемый угол в соответствии с 1.4.7.

Наблюдатель занимает место наблюдения (см. рисунок 1) и просматривает экран сквозь образец стекла. Перемещение наблюдателя, образца и экрана друг относительно друга в момент наблюдения не допускается.

5.6.5 Оценка результатов

Образец считают выдержавшим испытание, если при просмотре не наблюдается изменения формы полос экрана и их «размытия». Единичные нитевидные искажения с углом ниже нормируемого, если их не более двух на 1 м длины образца, не учитывают.

Погрешность определения 5°.

5.7 Соответствие цвета стекла образцу-эталону проверяют при освещенности не менее 300 лк визуально на расстоянии 1,5 - 2,0 м от наблюдателя, наложением стекла и образца-эталона на лист белой бумаги. Цвет стекла должен соответствовать цвету образца-эталона.

5.8 Щербины и сколы измеряют металлической линейкой по ГОСТ 427 или другим измерительным инструментом с ценой деления не более 1 мм.

Повреждение углов измеряют с помощью угольника по ГОСТ 3749 и металлической линейкой по ГОСТ 427 с ценой деления не более 1 мм.

5.9 Отклонение от прямолинейности кромок сторон стекла определяют, прикладыванием ребра металлической линейки по ГОСТ 427 или строительного уровня по ГОСТ 9416 вдоль измеряемой кромки стороны стекла и измерением максимального зазора между линейкой или уровнем и кромкой стекла щупом по НД. Максимальный зазор (толщина щупа) должен находиться в поле допуска на размер.

5.10 Определение коэффициента тепловой эмиссии

5.10.1 Сущность метода состоит в определении спектральной кривой отражения, измеренной при нормальном падении пучка излучения и вычислении нормальной излучательной способности en поверхности.

5.10.2 Отбор образцов

Испытания проводят на образцах размером 40×40 мм из испытываемой партии, не имеющих пороков внешнего вида.

5.10.3 Аппаратура

Спектрофотометр с диапазоном измерения 0 - 100 % отражения с погрешностью измерения не более 1 % в диапазоне длин волн 5 - 50 мкм и углом падения света в пределах 0 - 30 градусов.

5.10.4 Проведение испытания

Испытания проводят в соответствии с Инструкцией по эксплуатации спектрофотометра, путем измерения коэффициента отражения стороны образца с покрытием на длинах волн, указанных в таблице 9 при комнатной температуре (20 ± 5) °С. Нормальное отражение Rn определяется из кривой взятием математического среднего спектрального отражения Rn(li), измеренного при тридцати значениях длины волны l, указанных в таблице 9

Примечание - Если применяемый спектрофотометр имеет диапазон длин волн до 25 мкм, то значениям свыше коэффициента спектрального отражения на длинах волн свыше 25 мкм приравнивается значение, полученное на длине волны 25 мкм. Такая аппроксимация обязательно указывается в протоколе испытаний.

Таблица 9 - Длины волн для определения нормального отражения Rn

Длина волны в микрометрах

Длина волны в микрометрах

1

5,5

16

14,8

2

6,7

17

15,6

3

7,4

18

16,3

4

8,1

19

17,2

5

8,6

20

18,1

6

9,2

21

19,2

7

9,7

22

20,3

8

10,2

23

21,7

9

10,7

24

23,3

10

11,3

25

25,2

11

11,8

26

27,7

12

12,4

27

30,9

13

12,9

28

35,7

14

13,5

29

43,9

15

14,2

30

50

Нормальная излучательная способность en для средней температуры остекления 293 К определяется выражением:

en = 1 - Rn.                                                             (2)

Коэффициент тепловой эмиссии e определяется умножением нормальной излучательной способности en на коэффициент e/en, указанный в таблице 10.

Таблица 10 - Отношение коэффициента тепловой эмиссии e и нормальной излучательной способности en.

Нормальная излучательная способность en

Коэффициент, e/en

0,03

1,22

0,05

1,18

0,1

1,14

0,2

1,10

0,3

1,06

0,4

1,03

0,5

1,00

0,6

0,98

0,7

0,96

0,8

0,95

0,89

0,94

Другие значения могут быть получены с достаточной точностью при помощи линейной интерполяции или экстраполяции.

6 ТРАНСПОРТИРОВАНИЕ И ХРАНЕНИЕ

6.1 Упакованное стекло транспортируют всеми видами транспорта в соответствии с Правилами перевозки грузов, действующими на данном виде транспорта, а размещение и крепление в транспортных средствах - в соответствии с Техническими условиями погрузки и крепления грузов.

Ящики с листами стекла или другой вид тары транспортируют в железнодорожных вагонах, автомобилях, в трюмах судов, обеспечивая защиту стекла от атмосферных осадков.

Ящики с листами стекла или другой вид тары при длине, кромки свыше 1800 мм, транспортируют на открытом подвижном железнодорожном транспорте (полувагонах) и специальных автомобилях, обеспечивая защиту стекла от атмосферных осадков.

6.2 При транспортировании ящиков или другого вида тары их устанавливают так, чтобы торцы листов стекла были расположены в них по направлению движения.

6.3 При транспортировании, погрузке и выгрузке стекла должны быть приняты меры, обеспечивающие его сохранность от механических повреждений.

6.4 Ящики с листами стекла должны храниться в сухих закрытых помещениях.

6.5 Срок хранения стекла не более 3-х месяцев после поставки в условиях закрытого склада при температуре не ниже +5 °С и влажности не более 65 % в ящиках без нарушения упаковки. После вскрытия упаковки (удаление защитной ленты по периметру блока) срок хранения данного стекла составляет не более 2-х недель.

Если была использована только часть стекла в блоке, то защитная лента должна быть приклеена на место.

После резки стекло должно быть установлено в стеклопакет или многослойное стекло в течение 24 часов.

6.6 При хранении и транспортировании стекло не должно подвергаться воздействию влаги, агрессивной среды, механическим повреждениям.

6.7 При хранении ящики со стеклом должны устанавливаться в один ярус под углом 10 - 15° к вертикали и должны прислоняться только к предусмотренным для этого опорам. Прислонять их к стенам здания или колоннам запрещается.

7. УКАЗАНИЯ ПО ЭКСПЛУАТАЦИИ

7.1 Стекло с низкоэмиссионным покрытием предназначено для использования только в стеклопакетах и многослойных стеклах покрытием внутрь.

7.2 При распаковывании транспортной тары, хранении стекла и в период его эксплуатации не допускается:

- взаимное касание стекол без прокладки между ними бумаги или другого прокладывающего материала, а также касание о твердые предметы;

- протирание стекла жесткой тканью и тканью, содержащей царапающие примеси;

- удары жесткими предметами;

- очистка сухого стекла жесткими щетками без подачи смывающей жидкости;

- длительное присутствие влаги на поверхности стекла.

7.3 Стекло можно мыть легкими стекломоющими средствами, типа «Секунда», не содержащими абразивных частиц, мягкой ветошью, фланелью и протирают сухой ветошью, фланелью.

7.4 При мойке, резке стекла с покрытием необходимо использовать матерчатые перчатки во избежание загрязнения жировыми пятнами от пальцев рук.

7.5 Резку стекла производят по поверхности стекла с покрытием.

8 ГАРАНТИИ ИЗГОТОВИТЕЛЯ

8.1 Изготовитель гарантирует соответствие стекла требованиям настоящих технических условий при соблюдении потребителем условий транспортирования, хранения и указаний по эксплуатации.

8.2 Гарантийный срок хранения стекла - 3 месяца со дня отгрузки со склада изготовителя.

ССЫЛОЧНЫЕ НОРМАТИВНЫЕ ДОКУМЕНТЫ

Обозначение документа, на который дана ссылка

Номер пункта, подпункта, раздела, подраздела разрабатываемого документа, в котором дана ссылка

ГОСТ 12.0.004-90 ССБТ. Организация обучения безопасности труда. Общие положения

2.4

ГОСТ 12.1.004-91 ССБТ. Пожарная безопасность. Общие положения

2.2

ГОСТ 12.3.009-76 ССБТ. Работы погрузочно-разгрузочные. Общие требования безопасности

2.5

ГОСТ 12.4.011-89 ССБТ. Средства защиты работающих. Общие требования и классификация

2.3

ГОСТ 12.4.064-84 ССБТ. Костюмы изолирующие. Общие технические требования и методы испытаний

2.3

ГОСТ 111-2001 Стекло листовое. Технические условия

1.2

ГОСТ 427-75 Линейки измерительные металлические. Технические условия

5.3, 5.7, 5.8

ГОСТ 1908-88 Бумага конденсаторная. Общие технические условия

1.5.2

ГОСТ 3749-77 Угольники поверочные 90°. Технические условия

5.7

ГОСТ 4295-80 Ящики дощатые для листового стекла. Технические условия

1.5.3

ГОСТ 4598-86 Плиты древесноволокнистые. Технические условия

1.5.5

ГОСТ 5244-79 Стружка древесная. Технические условия

1.5.5

ГОСТ 6507-90 Микрометры. Технические условия

5.3.3

ГОСТ 7376-89 Картон гофрированный. Общие технические условия

1.5.5

ГОСТ 7502-98 Рулетки измерительные металлические. Технические условия

5.1.3, 5.2.3, 5.4

ГОСТ 8273-75 Бумага оберточная. Технические условия

1.5.2

ГОСТ 9416-83 Уровни строительные. Технические условия

5.9

ГОСТ 14192-96 Маркировка грузов

1.5.7

ГОСТ 16711-84 Основа парафинированной бумаги. Технические условия

1.5.2

ГОСТ 25706-83 Лупы. Типы, основные параметры. Общие технические требования

5.4

ГОСТ 26302-93 Стекло. Методы определения коэффициентов направленного пропускания и отражения света.

5.5

ГОСТ Р 50779.71-99 Статистические методы. Процедуры выборочного контроля по альтернативному признаку. Часть 1. Планы выборочного контроля последовательных партий на основе приемлемого уровня качества AQL

4.3.2

СОДЕРЖАНИЕ

1. Технические требования. 1

2. Требования безопасности. 4

3. Требования охраны окружающей среды.. 4

4. правила приемки. 4

5. Методы испытаний. 6

6. транспортирование и хранение. 10

7. Указания по эксплуатации. 10

8. гарантии изготовителя. 11

Ссылочные нормативные документы.. 11