Safety of household and similar electrical appliances. Part 2.35. Particular requirements for instantaneous water heaters

ФЕДЕРАЛЬНОЕ АГЕНТСТВО
ПО ТЕХНИЧЕСКОМУ РЕГУЛИРОВАНИЮ И МЕТРОЛОГИИ

НАЦИОНАЛЬНЫЙ
СТАНДАРТ
РОССИЙСКОЙ
ФЕДЕРАЦИИ

ГОСТ Р
52161.2.35-2008

(МЭК 60335-2-35:2006)

Безопасность бытовых и аналогичных
электрических приборов

Часть 2.35

ЧАСТНЫЕ ТРЕБОВАНИЯ К ПРОТОЧНЫМ
ВОДОНАГРЕВАТЕЛЯМ

IEC 60335-2-35:2006

Household and similar electrical appliances -

Safety - Part 2-35: Particular requirements
for instantaneous water heaters

(MOD)

Москва

Стандартинформ

2009

Предисловие

Цели и принципы стандартизации в Российской Федерации установлены Федеральным законом от 27 декабря 2002 г. № 184-ФЗ «О техническом регулировании», а правила применения национальных стандартов Российской Федерации - ГОСТ Р 1.0-2004 «Стандартизация в Российской Федерации. Основные положения»

Сведения о стандарте

1 ПОДГОТОВЛЕН ООО «ТЕСТБЭТ» на основе собственного аутентичного перевода стандарта, указанного в пункте 4

2 ВНЕСЕН Техническим комитетом по стандартизации ТК 19 «Электрические приборы бытового назначения»

3 УТВЕРЖДЕН И ВВЕДЕН В ДЕЙСТВИЕ Приказом Федерального агентства по техническому регулированию и метрологии от 15 декабря 2008 г. № 397-ст

4 Настоящий стандарт является модифицированным по отношению к международному стандарту МЭК 60335-2-35:2006 «Бытовые и аналогичные электрические приборы. Безопасность. Часть 2-35. Частные требования для проточных водонагревателей» (IEC 60335-2-35:2006 «Household and similar electrical appliances - Safety - Part 2-35: Particular requirements for instantaneous water heaters», издание 4.1) путем внесения дополнительных требований, объяснение которых приведено во введении к настоящему стандарту.

Наименование настоящего стандарта изменено относительно наименования указанного международного стандарта для приведения в соответствие с ГОСТ Р 1.5-2004 (подраздел 3.5)

5 ВЗАМЕН ГОСТ Р МЭК 60335-2-35-2000

Информация об изменениях к настоящему стандарту публикуется в ежегодно издаваемом информационном указателе «Национальные стандарты», а текст изменений и поправок - в ежемесячно издаваемых информационных указателях «Национальные стандарты». В случае пересмотра (замены) или отмены настоящего стандарта соответствующее уведомление будет опубликовано в ежемесячно издаваемом информационном указателе «Национальные стандарты». Соответствующая информация, уведомление и тексты размещаются также в информационной системе общего пользования - на официальном сайте Федерального агентства по техническому регулированию и метрологии в сети Интернет

СОДЕРЖАНИЕ

1 Область применения. 2

2 Нормативные ссылки. 3

3 Термины и определения. 3

4 Общие требования. 3

5 Общие условия испытаний. 3

6 Классификация. 3

7 Маркировка и инструкции. 4

8 Защита от доступа к токоведущим частям.. 4

9 Пуск электромеханических приборов. 4

10 Потребляемая мощность и ток. 5

11 Нагрев. 5

12 Свободен. 5

13 Ток утечки и электрическая прочность при рабочей температуре. 5

14 Динамические перегрузки по напряжению.. 6

15 Влагостойкость. 6

16 Ток утечки и электрическая прочность. 6

17 Защита от перегрузки трансформаторов и соединенных с ними цепей. 6

18 Износостойкость. 6

19 Ненормальная работа. 6

20 Устойчивость и механические опасности. 7

21 Механическая прочность. 7

22 Конструкция. 7

23 Внутренняя проводка. 8

24 Комплектующие изделия. 8

25 Присоединение к источнику питания и внешние гибкие шнуры.. 9

26 Зажимы для внешних проводов. 9

27 Заземление. 9

28 Винты и соединения. 9

29 Воздушные зазоры, пути утечки и непрерывная изоляция. 9

30 Теплостойкость и огнестойкость. 10

31 Стойкость к коррозии. 10

32 Радиация, токсичность и подобные опасности. 10

Приложение А. Приемо-сдаточные испытания. 10

Приложение 2. Сведения о соответствии ссылочных международных стандартов национальным стандартам Российской Федерации, использованным в настоящем стандарте в качестве нормативных ссылок. 10

Библиография. 10

Введение

Настоящий стандарт относится к группе стандартов, регламентирующих требования безопасности бытовых и аналогичных электрических приборов, состоящей из части 1 (ГОСТ Р 52161.1) - общие требования безопасности приборов, а также частей, устанавливающих частные требования к конкретным видам приборов.

Настоящий стандарт содержит нормы, правила и методы испытаний, которые дополняют, изменяют или исключают соответствующие разделы и (или) пункты ГОСТ Р 52161.1.

Стандарт применяют совместно с ГОСТ Р 52161.1.

Методы испытаний выделены курсивом.

Термины, применяемые в настоящем стандарте, выделены полужирным шрифтом.

Номера пунктов настоящего стандарта, которые дополняют разделы ГОСТ Р 52161.1, начинаются со 101.

Изменение наименования раздела 3 вызвано необходимостью приведения в соответствие с ГОСТ Р 1.5-2004.

Текст Изменения № 1 (2006) к международному стандарту МЭК 60335-2-35:2006 выделен сплошной вертикальной линией, расположенной справа от приведенного текста изменения.

В настоящем стандарте раздел «Нормативные ссылки» изложен в соответствии с ГОСТ Р 1.5-2004 и выделен сплошной вертикальной линией, расположенной слева от приведенного текста. В тексте стандарта соответствующие ссылки выделены подчеркиванием сплошной горизонтальной линией.

Сведения о соответствии ссылочных международных стандартов национальным стандартам Российской Федерации, использованным в настоящем стандарте в качестве нормативных ссылок, приведены в дополнительном приложении 2.

ГОСТ Р 52161.2.35-2008

(МЭК 60335-2-35:2006)

НАЦИОНАЛЬНЫЙ СТАНДАРТ РОССИЙСКОЙ ФЕДЕРАЦИИ

Безопасность бытовых и аналогичных электрических приборов

Часть 2.35

ЧАСТНЫЕ ТРЕБОВАНИЯ К ПРОТОЧНЫМ ВОДОНАГРЕВАТЕЛЯМ

Safety of household and similar electrical appliances.
Part 2.35. Particular requirements for instantaneous water heaters

Дата введения - 2010-01-01

1 Область применения

Этот раздел части 1 заменен следующим.

Настоящий стандарт устанавливает требования безопасности электрических проточных водонагревателей для бытового и аналогичного применения, предназначенных для нагревания воды до температуры ниже точки кипения номинальным напряжением не более: 250 В - для однофазных приборов и 480 В - для других приборов.

Примечание 101 - Проточные водонагреватели, содержащие открытые нагревательные элементы, входят в область распространения настоящего стандарта.

Приборы, не предназначенные для бытового использования, но которые, тем не менее, могут быть источником опасности для людей, например приборы, используемые неспециалистами в магазинах, легкой промышленности и на фермах, входят в область распространения настоящего стандарта.

Настоящий стандарт устанавливает основные виды опасностей при использовании приборов, с которыми люди сталкиваются внутри и вне дома. Стандарт не учитывает опасности, возникающие при:

- использовании приборов без надзора и инструкций людьми (включая детей) с физическими, нервными или психическими отклонениями или без специальных знаний и квалификации;

- использовании приборов детьми для игр.

Примечания

102 Следует учитывать, что:

- для приборов, предназначенных для использования в транспортных средствах, на борту кораблей, самолетов, могут быть необходимы дополнительные требования;

- во многих странах национальные органы здравоохранения, охраны труда и др. предъявляют к приборам дополнительные требования;

- во многих странах существуют правила для изоляции оборудования, подсоединяемого к водопроводным сетям.

103 Настоящий стандарт не распространяется на:

- приборы для кипячения воды (ГОСТ Р 52161.2.15);

- аккумуляционные водонагреватели (ГОСТ Р 52161.2.21);

- приборы, предназначенные исключительно для промышленных целей;

- приборы, предназначенные для применения в местах, где преобладают особые условия, например коррозионная или взрывоопасная среда (пыль, пар или газ);

- торговые дозирующие устройства и автоматы [1].

2 Нормативные ссылки

Этот раздел части 1 применяют, за исключением следующего.

Дополнение

ГОСТ Р 52161.1-2004 (МЭК 60335-1:2001) Безопасность бытовых и аналогичных электрических приборов. Часть 1. Общие требования

ГОСТ Р 52161.2.15-2006 (МЭК 60335-2-15:2005) Безопасность бытовых и аналогичных электрических приборов. Часть 2.15. Частные требования для приборов для нагревания жидкостей

ГОСТ Р 52161.2.21-2006 (МЭК 60335-2-21:2005) Безопасность бытовых и аналогичных электрических приборов. Часть 2.21. Частные требования для аккумуляционных водонагревателей

ГОСТ Р МЭК 60730-1-2002 Автоматические электрические управляющие устройства бытового и аналогичного назначения. Общие требования и методы испытаний

ГОСТ 14254-96 (МЭК 529-89) Степени защиты, обеспечиваемые оболочками (Код IP)

ГОСТ 30331.1-95 (МЭК 364-1-72, МЭК 364-2-70) Электроустановки зданий. Основные положения

Примечание - При пользовании настоящим стандартом целесообразно проверить действие ссылочных стандартов в информационной системе общего пользования - на официальном сайте Федерального агентства по техническому регулированию и метрологии в сети Интернет или по ежегодно издаваемому информационному указателю «Национальные стандарты», который опубликован по состоянию на 1 января текущего года, и по соответствующим ежемесячно издаваемым информационным указателям, опубликованным в текущем году. Если ссылочный стандарт заменен (изменен), то при пользовании настоящим стандартом следует руководствоваться заменяющим (измененным) стандартом. Если ссылочный стандарт отменен без замены, то положение, в котором дана ссылка на него, применяется в части, не затрагивающей эту ссылку.

3 Термины и определения

Этот раздел части 1 применяют, за исключением следующего.

3.1.9 Замена

нормальная работа (normal operation): Работа прибора, постоянно подключенного к воде, поток которой отрегулирован таким образом, чтобы температура на выходе достигала максимального значения без срабатывания термовыключателя.

3.101 проточный водонагреватель (instantaneous water heater): Стационарный прибор, предназначенный для нагревания воды во время протекания через него.

Примечание - Проточный водонагреватель считают нагревателем воды.

3.102 закрытый водонагреватель (closed water heater): Проточный водонагреватель, предназначенный для работы под давлением воды водопроводной системы, причем поток воды регулируется с помощью одного или более вентилей, установленных в выходной системе.

Примечание - Рабочим давлением может быть выходное давление устройства, понижающего или повышающего давление.

3.103 водонагреватель с открытым выходом (open-outlet water heater): Проточный водонагреватель, в котором поток воды регулируется вентилем, расположенным на входной трубе, при этом отсутствуют какие-либо вентили на выходной трубе.

3.104 водонагреватель с открытым элементом (bare-element water heater): Проточный водонагреватель, в котором неизолированные нагревательные элементы погружены в воду.

3.105 номинальное давление (rated pressure): Давление воды, указанное для прибора изготовителем.

3.106 поточный выключатель (flow switch): Выключатель, срабатывающий под воздействием потока воды.

3.107 реле давления (pressure switch): Выключатель, срабатывающий под воздействием изменений давления.

4 Общие требования

Этот раздел части 1 применяют.

5 Общие условия испытаний

Этот раздел части 1 применяют, за исключением следующего.

5.2 Дополнение

Примечание 101 - Дополнительные образцы могут потребоваться для испытаний по 22.109.

5.3 Дополнение

Если испытания проводят на одном приборе, то испытания по 22.102, 22.107, 22.108 и 24.102 проводят перед испытаниями по разделу 19.

5.7 Дополнение

Для испытаний используют воду температурой (15 ± 5) °С.

6 Классификация

Этот раздел части 1 применяют, за исключением следующего.

6.1 Изменение

Водонагреватели с открытым элементом должны быть класса I или III. Другие водонагреватели должны быть классов I, II или III.

6.2 Дополнение

Водонагреватели должны иметь степень защиты IPX1 по ГОСТ 14254.

Примечание 101 - В зависимости от места установки водонагревателя в соответствии с ГОСТ 30331.1 могут потребоваться более высокие степени защиты.

7 Маркировка и инструкции

Этот раздел части 1 применяют, за исключением следующего.

7.1 Дополнение

Примечание 101 - Минимальная номинальная частота для водонагревателей с открытым элементом - 50 Гц.

Приборы должны иметь маркировку номинального давления в паскалях.

Водонагреватели с открытым элементом должны быть маркированы надписью следующего содержания:

«Удельное сопротивление воды должно быть не менее ... Ом×см».

Примечание 102 - Значение удельного сопротивления воды не должно превышать 1300 Ом×см при температуре 15 °С.

7.12 Дополнение

В инструкции для водонагревателей с открытым выходом, предназначенных для работы с душевой насадкой, должна быть установлена необходимость регулярной очистки душевой насадки.

В инструкции должно содержаться следующее предупреждение:

«ВНИМАНИЕ! Не включать, если существует возможность замерзания воды в водонагревателе».

Примечание 101 -Это предупреждение не требуется, если прибор оснащен поточным выключателем.

7.12.1 Дополнение

В инструкции по установке для водонагревателей с открытым выходом должно быть указано, что выход водонагревателя может быть подсоединен только к крану или арматуре, указанным в инструкции.

Если для закрытого водонагревателя требуется устройство ограничения давления, то в инструкции должно быть указано, что это устройство должно быть смонтировано во время установки прибора, если оно не входит в состав прибора.

В инструкции по установке для водонагревателей с открытым элементом должно быть установлено следующее:

- удельное сопротивление воды источника водоснабжения не должно быть менее ... Ом×см;

- прибор должен быть постоянно подсоединен к стационарной проводке (это необязательно, если он соответствует требованиям для присоединения шнуром питания с вилкой, как установлено в 13.2 и 24.101);

- прибор должен быть заземлен (только для приборов класса I).

Если водонагреватели с открытым элементом не могут быть опорожнены, инструкция по установке должна содержать указание о том, что прибор не может устанавливаться в местах, где возможно замерзание воды.

7.15 Дополнение

Дополнительная маркировка водонагревателей с открытым элементом должна быть ясно различима при установке прибора.

7.101 Входное и выходное отверстия для воды должны быть четко обозначены. Если для этого используют цветную маркировку, то для обозначения входа следует использовать синий цвет, для обозначения выхода - красный.

Примечание - Обозначения могут быть выполнены в виде стрелок, указывающих направление потока воды.

Соответствие требованию проверяют осмотром.

7.102 Водонагреватели с открытым элементом класса I должны быть снабжены маркировкой, содержащей указание о том, что прибор должен быть заземлен.

Соответствие требованию проверяют осмотром.

Примечание - Маркировка может быть нанесена на съемную этикетку или ярлык, прикрепленный к прибору.

8 Защита от доступа к токоведущим частям

Этот раздел части 1 применяют, за исключением следующего.

8.1.5 Дополнение

Примечание - Предполагается, что во время испытаний подсоединения к магистралям водоснабжения и электропитания выполнены.

Требование не применяют к приборам, монтируемым на стене и предназначенным для постоянного подсоединения к стационарной проводке с помощью кабелей номинальной площадью поперечного сечения более 2,5 мм2. Однако площадь поперечного сечения кабельного ввода не должна превышать 25 см2 и не должно быть токоведущих частей, доступных через отверстие ввода.

9 Пуск электромеханических приборов

Этот раздел части 1 не применяют.

10 Потребляемая мощность и ток

Этот раздел части 1 применяют.

11 Нагрев

Этот раздел части 1 применяют, за исключением следующего.

11.7 Замена

Прибор работает до достижения установившегося состояния.

12 Свободен

13 Ток утечки и электрическая прочность при рабочей температуре

Этот раздел части 1 применяют, за исключением следующего.

13.2 Дополнение

Водонагреватели с открытым элементом испытывают с использованием воды, имеющей удельное сопротивление, указанное в маркировке на приборе.

Примечание - Соответствующее удельное сопротивление воды может быть получено добавлением фосфата аммония.

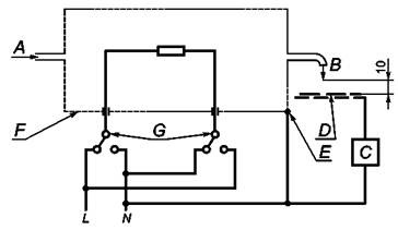
Для водонагревателей с открытым элементом класса I ток утечки измеряют между металлической сеткой, установленной в потоке воды на расстоянии 10 мм от выходного отверстия, и зажимом заземления. Для однофазных приборов зажимы нагревательного элемента подсоединяют через селективный переключатель к каждому полюсу питания поочередно, как показано на рисунке 101. Для трехфазных приборов зажим заземления присоединяют к нейтральному проводнику, как показано на рисунке 102.

Ток утечки не должен превышать 0,25 мА.

А - входное отверстие для воды; В - выходное отверстие для воды;
С - схема цепи для измерения тока утечки по ГОСТ Р 52161.1 (рисунок 1а);
D - металлическая сетка; Е - зажим заземления; F - корпус водонагревателя;
G - селективный переключатель

Рисунок 101 - Схема измерения тока утечки для однофазных водонагревателей с открытым элементом

А - входное отверстие для воды; В - выходное отверстие для воды;
С - схема цепи для измерения тока утечки по ГОСТ Р 52161.1 (рисунок 1а);
D - металлическая сетка; Е - зажим заземления; F - корпус водонагревателя

Рисунок 102 - Схема измерения тока утечки для трехфазных водонагревателей с открытым элементом

Для водонагревателей с открытым элементом, предназначенных для подсоединения к сети питания посредством шнура с вилкой, испытание на ток утечки повторяют. В течение этого испытания ток утечки измеряют между зажимом заземления прибора и нейтральным проводником, как показано на рисунке 103. Ток утечки, измеренный с селективным переключателем в каждой позиции, не должен превышать 2,75 мА.

А - входное отверстие для воды; В - выходное отверстие для воды;
С - зажим заземления;
D - миллиомметр с низким импедансом;
Е - селективный переключатель;
F - корпус водонагревателя

Рисунок 103 - Схема измерения тока утечки для однофазных водонагревателей с открытым элементом,
подключаемых посредством шнура питания с вилкой

14 Динамические перегрузки по напряжению

Этот раздел части 1 применяют.

15 Влагостойкость

Этот раздел части 1 применяют, за исключением следующего.

15.1.2 Дополнение

Настенные приборы устанавливают на расстоянии 3 мм от поверхности монтажа, если в инструкциях по установке не указано большего значения.

16 Ток утечки и электрическая прочность

Этот раздел части 1 применяют, за исключением следующего.

16.2 Дополнение

Водонагреватели с открытым элементом испытывают с использованием воды, имеющей удельное сопротивление, указанное в маркировке на приборе.

17 Защита от перегрузки трансформаторов и соединенных с ними цепей

Этот раздел части 1 применяют.

18 Износостойкость

Этот раздел части 1 не применяют.

19 Ненормальная работа

Этот раздел части 1 применяют, за исключением следующего.

19.2 Не применяют.

19.3 Не применяют.

19.4 Дополнение

Для водонагревателей с открытым выходом поточные выключатели и выключатели давления, которые работают при испытании по разделу 11, замыкают накоротко, вентиль регулирования потока воды устанавливают в наиболее неблагоприятное положение.

Примечание 101 - Закрытое положение вентиля может быть наиболее неблагоприятным.

Поточные выключатели закрытых водонагревателей замыкают накоротко, любые устройства ограничения давления приводят в нерабочее состояние, выходной вентиль закрывают. Однако если в приборе нет поточного выключателя и происходит обратный сифонный эффект, то водонагреватель заполняют водой в количестве, достаточном только для покрытия нагревательного элемента; прибор работает с открытым выходным вентилем.

Примечание 102 - Считается, что обратный сифонный эффект не возникает, если прибор оснащен обратным клапаном или прерывателем трубы или если в инструкциях указано, что при установке прибора необходимо подключить обратный клапан.

19.13 Дополнение

Примечание 101 - Водяной резервуар считают кожухом.

В течение испытания по 19.4 резервуар не должен разрываться и температура воды не должна превышать:

- 99 °С - для водонагревателей с открытым выходом вместимостью свыше 1 л;

- 140 °С - для закрытых водонагревателей вместимостью свыше 1 л.

20 Устойчивость и механические опасности

Этот раздел части 1 применяют.

21 Механическая прочность

Этот раздел части 1 применяют.

22 Конструкция

Этот раздел части 1 применяют, за исключением следующего.

22.6 Дополнение

Кожух прибора должен иметь дренажное отверстие, расположенное так, чтобы вода могла вытекать, не повреждая электрическую изоляцию, за исключением случаев, когда конденсированная вода не может накапливаться внутри кожуха при нормальной эксплуатации. Отверстие должно быть не менее 5 мм в диаметре или площадью 20 мм2 при ширине не менее 3 мм.

Соответствие требованию проверяют осмотром и измерением.

22.23 Дополнение

Требование не применяется для водонагревателей с открытым элементом.

22.101 Номинальное давление в закрытых водонагревателях должно быть не менее 0,6 МПа.

Номинальное давление в закрытых водонагревателях, предназначенных для подключения к источнику водоснабжения через клапан понижения давления, должно быть не менее 0,1 МПа.

Примечание - Номинальное давление в водонагревателях с открытым выходом равно 0 Па.

Соответствие требованию проверяют осмотром.

22.102 Приборы должны выдерживать давление воды, которому они подвергаются при нормальной эксплуатации.

Соответствие требованию проверяют, подвергая прибор воздействию давления воды:

- двукратному номинальному давлению - для закрытых водонагревателей;

- 0,15 МПа - для водонагревателей с открытым выходом.

Устройства ограничения давления приводят в нерабочее состояние. Давление повышают со скоростью 0,13 МПа/с до указанного значения и поддерживают в течение 5 мин.

Не должна наблюдаться утечка воды из прибора, и не должно быть остаточной деформации в соответствии с требованиями настоящего стандарта.

22.103 Закрытые водонагреватели вместимостью более 3 л должны быть снабжены устройством ограничения давления, предотвращающим повышение давления.

Соответствие требованию проверяют осмотром и воздействием на прибор медленно повышающимся давлением воды.

Примечание - Устройства ограничения давления могут быть установлены во время монтажа.

22.104 Выходное отверстие водонагревателей с открытым выходом должно быть сконструировано таким образом, чтобы поток воды не ограничивался до такой степени, что в условиях нормальной эксплуатации резервуар подвергался бы чрезмерному давлению воды.

Соответствие требованию проверяют осмотром.

Примечание - Требование считается выполненным, если поперечное сечение выходного отверстия для воды из нагревающей части прибора - не менее площади входного отверстия.

22.105 Приборы, оборудованные поточным выключателем, должны быть сконструированы таким образом, чтобы в случае отсутствия потока воды нагревательный элемент не мог бы быть включен и выключался бы при прекращении потока воды.

Соответствие требованию проверяют осмотром и испытанием вручную.

22.106 Закрытые водонагреватели должны быть оборудованы термовыключателем, работающим независимо от терморегулятора или поточного выключателя. Повторное включение термовыключателя должно быть возможно только после удаления несъемной крышки.

Если вместимость прибора не более 1 л и прибор оборудован поточным выключателем, то вместо термовыключателя может быть использовано альтернативное защитное устройство, такое как реле давления.

Соответствие требованию проверяют осмотром.

22.107 При нормальной эксплуатации водонагревателя температура воды не должна достигать чрезмерного значения.

Соответствие требованию проверяют следующим испытанием.

Прибор работает при номинальной потребляемой мощности. Любой регулирующий вентиль полностью открыт, и поток воды устанавливают таким, чтобы поточный выключатель и реле давления находились на пороге срабатывания.

Температура воды на выходе не должна быть выше 95 °С и не должна превышать температуру воды на входе более чем на 75 °С.

Для приборов, предназначенных только для подачи воды в душ, испытание проводят в условиях нормальной работы и с давлением воды на входе 0,2 МПа. Температура воды на выходе не должна быть более 55 °С.

22.108 Температура выходного потока воды в приборах, предназначенных только для подачи воды в душ, не должна достигать чрезмерных значений из-за внезапного снижения давления в источнике водоснабжения.

Соответствие требованию проверяют следующим испытанием.

Прибор подключают к источнику водоснабжения давлением 0,4 МПа. Прибор работает при номинальной потребляемой мощности с установкой регулирующего вентиля таким образом, чтобы температура выходного потока воды была выше температуры входного потока на (25 ± 1) °С. Затем давление воды понижают до 0,2 МПа за 1 с.

Температуру выходного потока воды измеряют тонкопроволочной термопарой, размещенной в центре пластмассового цилиндрического сосуда диаметром 30 мм и высотой 12 мм. Сосуд располагают на 25 мм ниже головки душа.

22.109 Резервуары водонагревателей с открытым выходом, имеющих реле давления, не должны разрушаться от избыточного внутреннего давления.

Соответствие требованию проверяют осмотром, а также:

- для приборов, имеющих преднамеренно ослабленные части, которые выбрасываются или разрушаются при избыточном внутреннем давлении, - испытанием по 22.109.1.

Примечание 1 - Примерами преднамеренно ослабленных частей являются диафрагмы и заглушки;

- для приборов, имеющих другие средства для ограничения давления, - испытаниями по 22.109.1 и 22.109.3;

- для приборов, имеющих нагревательные элементы, которые:

разрушаются до того, как внутреннее давление станет избыточным, или

не могут быть включены при условии избыточного внутреннего давления, - испытаниями по 22.109.2 и 22.109.3.

После испытаний прибор должен соответствовать требованиям раздела 8 и подраздела 16.2.

Примечания

2 Испытания имитируют блокирование слива или замерзание воды в резервуаре.

3 При проведении испытаний следует соблюдать предосторожность от последствий разрыва, сопровождаемого взрывом.

22.109.1 Прибор заполняют водой, выходное отверстие для воды закрывают герметично. Давление воды постепенно повышают.

Ослабленные части должны выброситься или разрушиться, или сработает устройство ограничения давления до того, как внутреннее давление достигнет 1,1 МПа.

После того, как давление будет снижено, проводят слив воды в течение 1 мин.

22.109.2 Прибор заполняют водой, выходное отверстие для воды закрывают герметично и закрывают входной вентиль. Управляющие устройства замыкают накоротко либо размыкают, в зависимости от того, что более неблагоприятно.

Затем прибор работает при номинальной потребляемой мощности.

В случае разрушения нагревательного элемента не должно возникать опасности, если его части не будут обесточены.

Если нагревательный элемент разрушился, входной вентиль открывается и давление воды постепенно повышается, пока не достигнет 1,1 МПа. Давление поддерживают в течение 1 мин.

22.109.3 Прибор заполняют водой, выходное отверстие для воды и входное отверстие закрывают герметично. Управляющие устройства замыкают накоротко либо размыкают, в зависимости от того, что более неблагоприятно.

Прибор помещают в среду, имеющую температуру не выше минус 5 °С до замерзания воды. Затем прибор помещают в нормальную среду и он работает при номинальной потребляемой мощности.

Примечание - Расположение прибора при низкой температуре такое же, как при нормальной эксплуатации.

В случае разрушения нагревательного элемента не должно возникать опасности, или любое избыточное давление должно быть уменьшено устройством ограничения давления, если части нагревательного элемента не будут обесточены.

Прибор выключают и выдерживают его до достижения комнатной температуры.

Если нагревательный элемент остается обесточенным или разрушенным, воду впускают через входное отверстие и давление постепенно повышают до тех пор, пока оно не достигнет 1,1 МПа. Давление поддерживают в течение 1 мин.

Если срабатывает устройство ограничения давления, то прибор подключают на 1 мин к источнику водоснабжения, при этом выходное отверстие по-прежнему герметично закрыто.

22.110 Приборы, предназначенные для крепления к стене, должны быть оборудованы надежными средствами крепления, независимыми от средств присоединения к магистрали водоснабжения.

Соответствие требованию проверяют осмотром.

23 Внутренняя проводка

Этот раздел части 1 применяют.

24 Комплектующие изделия

Этот раздел части 1 применяют, за исключением следующего.

24.1.3 Дополнение

Поточные выключатели испытывают в течение 50000 циклов работы.

Реле давления для водонагревателей с открытым выходом и реле давления для приборов, предназначенных только для подачи воды в душ, испытывают в течение 20000 циклов работы.

Реле давления для других водонагревателей испытывают в течение 50000 циклов работы.

24.1.4 Дополнение

Термовыключатели, входящие в состав закрытых водонагревателей, должны соответствовать требованиям для устройств управления типа по ГОСТ Р МЭК 60730-1 (разделы 13, 15, 16, 17 и 20) несмотря на то, что их испытывают с прибором.

Если термовыключатели с самовозвратом работают в течение испытания по 22.107, число циклов работы увеличивают до следующих значений:

- 3000 - для приборов, предназначенных только для подачи воды в душ;

- 1000 - для других приборов.

24.101 Термовыключатель или другое защитное устройство, входящие в состав прибора для обеспечения соответствия требованиям 22.106, должны быть без самовозврата и для многофазных приборов обеспечивать отключение всех полюсов.

Для водонагревателей с открытым элементом, предназначенным для присоединения к сети питания посредством шнура питания, снабженным неполярной вилкой, термовыключатель или другое защитное устройство, содержащиеся в приборе, должны обеспечивать отключение всех полюсов.

Соответствие требованию проверяют осмотром.

24.102 Термовыключатель или другое защитное устройство, входящие в состав прибора для обеспечения соответствия требованиям 22.106, в закрытых водонагревателях вместимостью не более 1 л должны сохранять свои характеристики.

Соответствие требованию проверяют следующим испытанием.

Прибор питается номинальным напряжением и работает в условиях нормальной работы, но с любым короткозамкнутым управляющим устройством, которое работает при испытании по разделу 11. Поток воды отрегулирован таким образом, чтобы температура воды возрастала приблизительно на 1 °С в минуту.

В течение пяти срабатываний термовыключателя измеряют температуру, при которой происходит срабатывание, и определяют ее среднее значение. Термовыключатель подвергают воздействию 50000 циклов изменения температуры. Каждый цикл состоит из изменения температуры между максимальным значением, измеренным в течение испытания по 22.107, и половиной этого значения.

Затем проводят 20 срабатываний термовыключателя, и среднее значение температуры, при котором происходит срабатывание, не должно отличаться более чем на 20 % от ранее определенного среднего значения.

Если защитное устройство чувствительно к давлению, прибор не подключают к источнику питания, а подвергают его воздействию медленно возрастающего давления воды. Определяют среднее значение давления срабатывания защитного устройства по пяти циклам работы. Защитное устройство подвергают воздействию 50000 циклов изменения давления. Каждый цикл состоит из изменения давления между номинальным давлением прибора и половиной этого значения.

Затем проводят 20 срабатываний защитного устройства, при этом среднее значение давления, при котором происходит срабатывание, не должно отличаться более чем на 20 % от ранее определенного среднего значения.

25 Присоединение к источнику питания и внешние гибкие шнуры

Этот раздел части 1 применяют.

26 Зажимы для внешних проводов

Этот раздел части 1 применяют.

27 Заземление

Этот раздел части 1 применяют, за исключением следующего.

27.1 Дополнение

Для приборов класса I оболочка нагревательных элементов должна быть постоянно и надежно присоединена к зажиму заземления, за исключением, если:

- резервуар снабжен входной и выходной трубами из металла, которые постоянно и надежно присоединены к зажиму заземления, и

- другие доступные металлические части, находящиеся в контакте с водой, постоянно и надежно присоединены к зажиму заземления.

Для водонагревателей с открытым элементом класса I вода должна входить и выходить через металлические трубы, которые постоянно и надежно присоединены к зажиму заземления, или протекать через металлические части, заземленные подобным образом.

Примечание 101 - Примерами таких металлических частей являются сетки или кольца.

28 Винты и соединения

Этот раздел части 1 применяют.

29 Воздушные зазоры, пути утечки и непрерывная изоляция

Этот раздел части 1 применяют.

30 Теплостойкость и огнестойкость

Этот раздел части 1 применяют, за исключением следующего.

30.2.2 Не применяют.

30.2.3.1 Изменение

Это испытание не применяют к частям изоляционного материала, поддерживающим нагревательные элементы и их соединения, в водонагревателях с открытым элементом.

30.2.3.2 Изменение

Для водонагревателей с открытым элементом испытание раскаленной проволокой проводят на частях изоляционного материала, поддерживающих нагревательные элементы и их соединения, как установлено для других соединений.

31 Стойкость к коррозии

Этот раздел части 1 применяют.

32 Радиация, токсичность и подобные опасности

Этот раздел части 1 применяют.

Приложения части 1 применяют, за исключением следующего.

Приложение А

(справочное)

Приемо-сдаточные испытания

Это приложение части 1 применяют, за исключением следующего.

А.101 Испытание на давление

Резервуар для воды подвергают испытанию давлением, используя жидкость.

Когда используют жидкость, давление составляет:

- для закрытых водонагревателей: 0,7 МПа - для имеющих номинальное давление не выше 0,6 МПа, и 1,1 номинального давления - для других;

- для водонагревателей с открытым выходом - 0,05 МПа.

Когда используют газ, значения этих давлений могут быть уменьшены, но они должны быть достаточными для обнаружения утечки.

Примечание - Следует соблюдать осторожность при испытании с газом закрытых водонагревателей.

Не должно происходить утечки жидкости при испытании.

Приложение 2

(справочное)

Сведения о соответствии ссылочных международных стандартов
национальным стандартам Российской Федерации,
использованным в настоящем стандарте в качестве нормативных ссылок

Таблица 2.1

Обозначение ссылочного национального стандарта Российской Федерации

Обозначение и наименование ссылочного международного стандарта и условное обозначение степени его соответствия ссылочному национальному стандарту

ГОСТ 14254-96

(МЭК 529:1989)

МЭК 60529:1989 «Степени защиты, обеспечиваемые оболочками (Код IP)» (MOD)

ГОСТ 30331.1-95

(МЭК 364-1-72, МЭК 364-2-70)

МЭК 60364-1:1972 «Электроустановки зданий. Часть 1. Область, объект и определения» (MOD)

МЭК 60364-2:1970 «Электроустановки зданий. Часть 2. Фундаментальные принципы» (MOD)

ГОСТ Р 52161.1-2004

(МЭК 60335-1:2001)

МЭК 60335-1:2001 «Бытовые и аналогичные электрические приборы. Безопасность. Часть 1. Общие требования» (MOD)

ГОСТ Р 52161.2.15-2006

(МЭК 60335-2-15:2005)

МЭК 60335-2-15:2005 «Бытовые и аналогичные электрические приборы. Безопасность. Часть 2-15. Частные требования к приборам для нагревания жидкостей» (MOD)

ГОСТ Р 52161.2.21-2006

(МЭК 60335-2-21:2004)

МЭК 60335-2-21:2004 «Бытовые и аналогичные электрические приборы. Безопасность. Часть 2-21. Частные требования к аккумуляционным водонагревателям» (MOD)

ГОСТ Р МЭК 60730-1-2002

МЭК 60730-1:1999 «Автоматические электрические управляющие устройства бытового и аналогичного назначения. Общие требования» (IDT)

Примечание - В настоящей таблице использованы следующие условные обозначения степени соответствия стандартов:

- IDT - идентичные стандарты;

- MOD - модифицированные стандарты.

Библиография

[1] IEC 60335-2-75:2005 Household and similar electrical appliances. Safety. Part 2-75. Particular requirements for commercial dispensing appliances and vending machines

 

Ключевые слова: проточные водонагреватели, требования безопасности, методы испытаний