Air quality. Determination of total non-methane organic compounds. Cryogenic preconcentration and direct flame ionization detection method

ФЕДЕРАЛЬНОЕ АГЕНТСТВО
ПО ТЕХНИЧЕСКОМУ РЕГУЛИРОВАНИЮ И МЕТРОЛОГИИ

НАЦИОНАЛЬНЫЙ
стандарт
РОССИИСКОЙ
ФЕДЕРАЦИИ

ГОСТ Р ИСО
14965-2008

Качество воздуха

ОПРЕДЕЛЕНИЕ НЕМЕТАНОВЫХ
ОРГАНИЧЕСКИХ СОЕДИНЕНИЙ

Метод предварительного криогенного
концентрирования и прямого определения
с помощью пламенно-ионизационного детектора

ISO 14965:2000
Air quality - Determination of total non-methane organic compounds - Cryogenic
preconcentration and direct flame ionization detection method
(IDT)

Москва

Стандартинформ

2009

Предисловие

Цели и принципы стандартизации в Российской Федерации установлены Федеральным законом от 27 декабря 2002 г. № 184-ФЗ «О техническом регулировании», а правила применения национальных стандартов Российской Федерации - ГОСТ Р 1.0-2004 «Стандартизация в Российской Федерации. Основные положения»

Сведения о стандарте

1 ПОДГОТОВЛЕН Автономной некоммерческой организацией «Научно-исследовательский центр контроля и диагностики технических систем» (АНО «НИЦ КД») на основе собственного аутентичного перевода стандарта, указанного в пункте 4

2 ВНЕСЕН Техническим комитетом по стандартизации ТК 457 «Качество воздуха»

3 УТВЕРЖДЕН И ВВЕДЕН В ДЕЙСТВИЕ Приказом Федерального агентства по техническому регулированию и метрологии от 18 декабря 2008 г. № 642-ст

4 Настоящий стандарт идентичен международному стандарту ИСО 14965:2000 «Качество воздуха. Определение неметановых органических соединений. Метод предварительного криогенного концентрирования и прямого определения с помощью пламенно-ионизационного детектора» (ISO 14965:2000 «Air quality - Determination of total non-methane organic compounds - Cryogenic preconcentration and direct flame ionization detection method»).

При применении настоящего стандарта рекомендуется использовать вместо ссылочных международных стандартов соответствующие им национальные стандарты Российской Федерации, сведения о которых приведены в дополнительном приложении В

5 ВВЕДЕН ВПЕРВЫЕ

Информация об изменениях к настоящему стандарту публикуется в ежегодно издаваемом информационном указателе «Национальные стандарты», а текст изменений и поправок - в ежемесячно издаваемых информационных указателях «Национальные стандарты». В случае пересмотра (замены) или отмены настоящего стандарта соответствующее уведомление будет опубликовано в ежемесячно издаваемом информационном указателе «Национальные стандарты». Соответствующая информация, уведомление и тексты размещаются также в информационной системе общего пользования - на официальном сайте Федерального агентства по техническому регулированию и метрологии в сети Интернет

СОДЕРЖАНИЕ

1 Область применения. 4

2 Нормативные ссылки. 4

3 Термины и определения. 4

4 Описание методики. 5

4.1 Отбор проб. 5

4.2 Анализ. 5

5 Мешающие влияния. 6

6 Аппаратура. 6

6.1 Система отбора проб (рисунок 1) 6

6.2 Система очистки канистр для отбора проб (рисунок 2) 7

6.3 Аналитическая система (рисунок 3) 8

7 Реактивы и материалы.. 10

8 Очистка и подготовка канистр для отбора проб. 11

9 Отбор проб. 12

9.1 Общие положения. 12

9.2 Процедура. 12

10 Анализ проб. 13

10.1 Сборка аналитической системы.. 13

10.2 Проверка герметичности аналитической системы.. 14

10.3 Определение объема пробы.. 14

10.4 Динамическая градуировка аналитической системы.. 15

10.5 Методика анализа (схема аналитической системы по рисунку 3) 16

11 Критерии и обеспечение качества измерений. 19

11.1 Общие положения. 19

11.2 Методическое руководство к стандартной рабочей процедуре. 19

11.3 Нижний предел определения, точность и прецизионность метода. 19

12 Модификация метода. 20

12.1 Система дозирования пробы.. 20

12.2 Очистка канистр. 20

12.3 Система с использованием пламенно-ионизационного детектора. 20

12.4 Диапазон. 20

12.5 Альтернативные системы улавливания в криогенных ловушках и нагрева. 20

12.6 Отбор проб в канистры при давлении ниже атмосферного. 20

12.7 Альтернативная система отбора проб. 21

13 Прецизионность и точность. 21

13.1 Прецизионность. 21

13.2 Точность. 21

Приложение А (справочное) Пример протокола отбора проб в канистру под давлением.. 22

Приложение В (справочное) Сведения о соответствии национальных стандартов Российской Федерации ссылочным международным стандартам.. 23

Библиография. 23

Введение

Точные измерения общего содержания неметановых летучих органических соединений (НМЛОС) в атмосферном воздухе важны для контроля фотохимического смога, так как эти органические соединения являются первичными предшественниками атмосферного озона и других окислителей.

Объемная доля НМЛОС в пересчете на углерод в воздухе городов может быть от 1 млн-1 до 3 млн-1 или выше. Для определения переноса предшественников озона на некоторую территорию может потребоваться измерение содержания НМЛОС в воздухе в направлении против ветра. В сельской местности объемная доля НМЛОС в пересчете на углерод на территориях, свободных от источников НМЛОС, обычно составляет менее нескольких десятых миллионной доли.

Анализ традиционными методами, основанными на газовой хроматографии, а также качественная и количественная оценки содержания отдельных соединений являются очень трудоемкими и дорогостоящими в применении. Метод, установленный настоящим стандартом, основан на простой методике криогенного концентрирования с последующим прямым определением с помощью пламенно-ионизационного детектора (ПИД). Метод имеет низкий предел определения и обеспечивает точные измерения общего содержания НМЛОС в атмосферном воздухе в том случае, когда не требуется определение содержания отдельных соединений.

Поскольку метод основан на анализе отобранной в канистру пробы воздуха, настоящий стандарт не предназначен для применения при непрерывном контроле атмосферного воздуха.

Настоящий стандарт также применяют для контроля чистоты канистр и отбраковки канистр перед анализом.

Отбор проб атмосферного воздуха в герметизированные канистры имеет следующие преимущества:

- удобное объединение проб атмосферного воздуха, отобранных за определенный период времени;

- возможность отбора проб в отдаленных районах с последующим централизованным анализом в лаборатории;

- возможность транспортирования и хранения проб, при необходимости;

- анализ проб, отобранных во многих местах, с использованием одной аналитической системы;

- отбор параллельных проб для оценки прецизионности измерений;

- возможность проведения анализа на содержание отдельных углеводородов с использованием той же самой системы отбора проб.

ГОСТ Р ИСО 14965-2008

НАЦИОНАЛЬНЫЙ СТАНДАРТ РОССИЙСКОЙ ФЕДЕРАЦИИ

Качество воздуха

ОПРЕДЕЛЕНИЕ НЕМЕТАНОВЫХ ОРГАНИЧЕСКИХ СОЕДИНЕНИЙ

Метод предварительного криогенного концентрирования и прямого определения
с помощью пламенно-ионизационного детектора

Air quality. Determination of total non-methane organic compounds. Cryogenic preconcentration and direct flame
ionization detection method

Дата введения - 2009-12-01

1 Область применения

Настоящий стандарт устанавливает методику отбора проб и определения общего содержания неметановых летучих органических соединений (НМЛОС) в атмосферном воздухе.

В настоящем стандарте описана методика отбора совокупных проб в канистры из нержавеющей стали с пассивирующим покрытием и последующего анализа в лаборатории. В стандарте приведена методика отбора проб в канистры при конечном давлении выше атмосферного (отбор проб под высоким давлением) и описана методика улавливания НМЛОС с помощью криогенной ловушки для концентрирования их перед анализом.

В стандарте описан метод определения содержания НМЛОС с помощью пламенно-ионизационного детектора (ПИД) без использования газохроматографических колонок и сложных методик, необходимых для разделения аналитов.

Настоящий стандарт предназначен для применения при измерении объемной доли неметановых органических соединений в пересчете на углерод в диапазоне от 20 (млрд-1)1) до 10000 млрд-1. Возможность измерения в более низком диапазоне содержания рассмотрена в 12.4.

_________________

1) Обозначение миллиардных долей «млрд-1» соответствует международному обозначению «ppb».

Возможны модификации метода, установленного настоящим стандартом (см. раздел 12).

2 Нормативные ссылки

В настоящем стандарте использованы нормативные ссылки на следующие международные стандарты:

ИСО/ТО 4227:1989 Планирование контроля качества окружающего воздуха

ИСО 6141:2000 Анализ газов. Требование к сертификатам на газы и газовые смеси для градуировки

ИСО 6145-1:1986 Анализ газов. Приготовление градуировочных газовых смесей. Динамические объемные методы. Часть 1. Методы градуировки

ИСО 6145-3:1986 Анализ газов. Приготовление градуировочных газовых смесей. Динамические объемные методы. Часть 3. Периодические введения газовых смесей в текущий газовый поток с помощью шприца

ИСО 6145-4:1986 Анализ газов. Приготовление градуировочных газовых смесей. Динамические объемные методы. Часть 4. Непрерывные методы введения газовых смесей с помощью шприца

ИСО 6145-6:1986 Анализ газов. Приготовление градуировочных газовых смесей. Динамические объемные методы. Часть 6. Критические диафрагмы

3 Термины и определения

В настоящем стандарте применены следующие термины с соответствующими определениями:

3.1 хладагент (cryogen): Вещество, используемое для получения очень низких температур в криогенных ловушках аналитической системы.

Примечание - В соответствии с методом, установленным настоящим стандартом, рекомендуется использовать жидкий аргон (с температурой кипения 87 К при стандартном атмосферном давлении).

3.2 динамическая градуировка (dynamic calibration): Градуировка аналитической системы по градуировочным газовым смесям с известными содержаниями загрязняющего вещества, полученным с помощью газовой динамической установки.

Примечание - Примером такой установки является установка для количественного разбавления нулевым газом исходной газовой смеси более высокой концентрации.

3.3 неметановые летучие органические соединения (total non-methane volatile organic compounds): Извлекаемые из канистр соединения, определяемые количественно с помощью пламенно-ионизационного детектора, за исключением метана, а также соединения с давлением насыщенного пара более 10-2 кПа.

3.4 миллионная (миллиардная) доля в пересчете на органический углерод (parts per million [billion] of organic carbon): Единица измерения содержания, регистрируемого пламенно-ионизационным детектором, равная объемной миллионной (миллиардной) доле определяемого НЛМОС в пробе, умноженной на число атомов углерода в молекулах газа, используемого для градуировки.

Примечание - При градуировке по пропану, например, она равна значению объемной доли: миллионной (млн-1) или миллиардной (млрд-1), умноженной на 3.

4 Описание методики

4.1 Отбор проб

Пробу воздуха отбирают непосредственно из атмосферного воздуха в предварительно очищенную канистру для отбора проб и транспортируют в лабораторию для анализа.

4.2 Анализ

Часть отобранного воздуха известного объема откачивают из канистры при низком расходе через заполненную стеклянными шариками ловушку, охлаждаемую жидким аргоном приблизительно до 87 К. В криогенной ловушке собираются и одновременно концентрируются НМЛОС, тогда как азот, кислород, метан и другие соединения проходят через нее, не задерживаясь. Проводят динамическую градуировку системы таким образом, чтобы объем пробы, проходящей через ловушку, не требовалось количественно определять, но чтобы он был точно воспроизведен при градуировке и анализе.

После того как проба воздуха известного объема прошла через ловушку, направляют поток газа-носителя гелия через ловушку в ПИД против потока пробы воздуха. После вымывания остаточного воздуха и метана из ловушки и стабилизации базовой линии ПИД удаляют хладагент, и температура ловушки повышается до уровня от 353 до 363 К.

При повышении температуры предварительно собранные в ловушке органические соединения вновь испаряются и поступают в ПИД, выходной сигнал которого представляет собой пик или несколько пиков. Пик или пики интегрируют, а полученные результаты переводят в единицы содержания с помощью предварительно полученной градуировочной характеристики, связывающей площади проинтегрированных пиков с известными содержаниями пропана.

Криогенная ловушка одновременно концентрирует НМЛОС и отделяет и удаляет метан из компонентов пробы воздуха. Таким образом, данная методика позволяет непосредственно определить содержание НМЛОС с использованием ПИД и благодаря концентрированию имеет более низкий предел количественного определения по сравнению с традиционной непрерывной регистрацией содержания НМЛОС газоанализаторами.

Пробу вводят в ПИД, где пары органических соединений сгорают в обогащенном водородом пламени с образованием ионизированных фрагментов молекул. Затем эти ионизированные фрагменты собираются и детектируются. Поскольку в качестве газа-носителя используют гелий, выходной сигналдетектора практически один и тот же для всех углеводородных соединений. Таким образом, сводится к минимуму такой недостаток метода в его первоначальном исполнении, как изменение выходного сигнала ПИД в зависимости от класса углеводородов (ароматические, олефиновые, парафиновые). Предел определения ПИД для большинства органических соединений, содержащих карбонильные, спиртовые и галоидные функциональные группы, намного выше.

Использование методики, установленной настоящим стандартом, может привести к получению менее точных результатов измерений содержания некоторых галогенсодержащих или кислородсодержащих углеводородов, выделяемых близлежащими промышленными источниками загрязнения воздуха.

5 Мешающие влияния

При оценке в лаборатории было выяснено, что влажность приводит к положительному смещению базовой линии ПИД. Влияние этого смещения может быть сведено к минимуму путем тщательного выбора конечной точки интегрирования и построения базовой линии, используемой для вычисления площадей пиков НМЛОС.

При использовании гелия в качестве газа-носителя выходной сигнал ПИД является практически одинаковым для большинства углеводородов, но он может значительно изменяться в случае органических соединений других классов.

6 Аппаратура

6.1 Система отбора проб (рисунок 1)

1 - линия ввода пробы; 2 - фильтр для улавливания твердых частиц; 3 - таймер; 4 - манометр;
5 - электромагнитный клапан; 6 - канистра для отбора проб; 7 - насос для отбора проб;
8 - регулятор расхода; 9 - вспомогательный вакуумный насос

Рисунок 1 - Схема системы автоматического отбора объединенных проб воздуха

6.1.1 Канистры для отбора проб

Сосуды из нержавеющей стали с электрополировкой вместимостью от 4 до 6 л, используемые для автоматического отбора объединенных проб воздуха в условиях применения. На корпусе каждой канистры должен быть проставлен штамп с указанием индивидуального идентификационного номера.

6.1.2 Насос для отбора проб

Насос, из нержавеющей стали, сильфонного типа, обеспечивающий максимальное давление не менее 200 кПа. Насос должен быть герметичным и не должен быть загрязнен маслом или органическими веществами. Амортизирующая опора насоса служит для снижения вибрации.

6.1.3 Вакуумметр/манометр, работающий в диапазоне от 0 до 210 кПа.

6.1.4 Электромагнитный клапан, используемый для управления расходом отбираемого в канистру воздуха, чтобы обеспечить незначительное повышение температуры отбираемого воздуха.

6.1.5 Регулятор расхода, например массовый расходомер с критической диафрагмой или короткий капиллярный, используемый для поддержания постоянного расхода отбираемого воздуха в период отбора проб.

6.1.6 Фильтр для улавливания твердых частиц

Фильтр из инертного материала, с размером пор не более 2 мкм, или другой подходящий фильтр, используемый для фильтрования пробы воздуха.

6.1.7 Вспомогательный вакуумный насос или побудитель расхода, обеспечивающий прокачивание отбираемого воздуха через линию ввода проб, сокращающий время удерживания пробы в линии ввода проб до 10 с.

6.1.8 Таймер, программируемый и электрически подсоединенный к электромагнитному клапану и насосам, используемый для их контроля.

6.1.9 Линия ввода проб, представляющая собой трубки из нержавеющей стали, для подачи отбираемого воздуха в систему отбора проб.

6.2 Система очистки канистр для отбора проб (рисунок 2)

1 - запорно-выпускной вентиль; 2 - трехходовой газовый кран; 3 - линия подачи нулевого воздуха;
4 - криогенная ловушка; 5 - вакуумный насос; 6 - запорно-выпускной вентиль вакуумного насоса;
7,8 - запорно-выпускной вентиль; 9 - увлажнитель воздуха; 10 - манометр; 11 - вакуумметр;
12 - запорно-выпускной вентиль линии сброса; 13-запорно-выпускной вентиль вакуумного насоса;
14 - запорно-выпускной вентиль вакуумметра; 15- запорно-выпускной вентиль для подачи нулевого воздуха;
16 - регулятор расхода; 17 - линия сброса; 18 - запорно-выпускной вентиль линии сброса;
19 - коллектор; 20 - канистра для отбора проб; 21 - вентиль канистры

Рисунок 2 - Схема системы очистки канистр

6.2.1 Вакуумный насос, обеспечивающий вакуумирование канистры(р) до абсолютного давления в ней не более 2 Па.

6.2.2 Коллектор из нержавеющей стали со штуцерами для одновременной очистки нескольких канистр.

6.2.3 Запорно-выпускные вентили (девять).

6.2.4 Манометр с диапазоном от 0 до 350 кПа для контроля давления нулевого воздуха.

6.2.5 Криогенная ловушка (две), представляющая собой U-образную открытую трубку, охлаждаемую жидким аргоном, используемая для предотвращения загрязнения из-за обратной диффузии масла из вакуумного насоса и обеспечения соответствующего уровня чистоты нулевого воздуха, поступающего в канистры для отбора проб.

6.2.6 Вакуумметр для измерения вакуума в коллекторе на уровне абсолютного давления не более 15 Па, с ценой деления шкалы 0,1 Па.

6.2.7 Регулятор расхода, используемый для регулирования объемной скорости потока нулевого воздуха в канистры.

6.2.8 Увлажнитель воздуха, например водный барботер, или другая система, обеспечивающая увлажнение нулевого воздуха в устройстве его подачи.

6.2.9 Изотермическая печь, используемая для подогревания канистр до температуры 375 К (не приведена на рисунке 2).

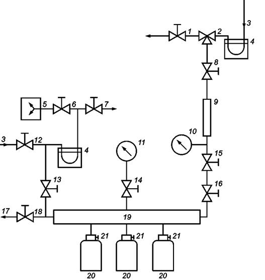
6.3 Аналитическая система (рисунок 3)

6.3.1 Система ПИД, включающая в себя регуляторы расхода горючего вещества для ПИД и воздуха для горения; устройство контроля температуры для ПИД и электронные устройства обработки сигнала.

Расход воздуха для горения, водорода, газа-носителя гелия, подаваемых в ПИД, должен быть установлен согласно инструкции изготовителя для поддержания соответствующего выходного сигнала ПИД и поддержания устойчивого пламени на всех стадиях аналитического цикла.

6.3.2 Устройство регистрации и обработки данных, например компьютер, оборудованный накопительными устройствами для сбора данных с соответствующим программным обеспечением и лазерным принтером, или электронный интегратор с самописцем, обеспечивающий интегрирование одного или несколько пиков ПИД и пересчет площадей пиков с поправкой на дрейф базовой линии.

При использовании интегратора и отдельного самописца обеспечивают, чтобы они не оказывали друг на друга мешающего влияния на электронном или электрическом уровне. Регуляторы настройки диапазона на интеграторе и на ПИД не всегда позволяют получить точное соотношение диапазонов, поэтому градуировочные характеристики определяют отдельно для каждого диапазона. Интегратор должен отмечать начало и конец пиков, строить соответствующую базовую линию между началом и концом периода интегрирования и вычислять площадь пиков.

6.3.3 Криогенная ловушка, изготовленная из цельного куска хроматографической капиллярной трубки из нержавеющей стали, внешним диаметром 3 мм, внутренним диаметром 2 мм (рисунок 4).

Центральную часть ловушки (от 70 до 100 мм) заполняют силанизированными стеклянными шариками (диаметром от 180 до 250 мкм), используя для удерживания шариков в трубке небольшие пробки из силанизированной стекловаты. Колена ловушки должны быть такой длины, чтобы погрузить часть ловушки, заполненную шариками, ниже уровня хладагента в сосуде Дьюара. Для уменьшения длины линии между ловушкой и ПИД ее подсоединяют непосредственно к шестиходовому клапану. Ловушку устанавливают таким образом, чтобы между ней и стенками сосуда Дьюара был зазор, что позволит свободно устанавливать и извлекать ловушку при необходимости ее охлаждения и подогрева.

6.3.4 Шестиходовой клапан

Для сведения к минимуму потерь аналита на стенках соединительных трубок или его адсорбции/десорбции в термостат помещают шестиходовой клапан, захватывая подсоединенные к нему трубки, насколько это практически возможно, или подогревают их другим способом до температуры от 353 до 363 К. Все соединения должны быть максимально короткими.

6.3.5 Многоступенчатые регуляторы давления (три)

Стандартные двухступенчатые диафрагменные регуляторы из нержавеющей стали с манометрами, установленные на баллонах с гелием, воздухом и водородом.

1 - вакуумный насос; 2 - манометр для измерения абсолютного давления;
3 - вентильтонкой регулировки (регулировка потока пробы); 4 - регулятор потока или давления;
5 - рычажный запорный клапан вакуумного насоса; 6 - рычажный запорный клапан манометра;
7 - газоочиститель; 8 - рычажный запорный клапан потока пробы; 9 - вакуумный резервуар;
10 - сосуд Дьюара; 11 - криогенная ловушка;
12 - шестиходовой клапан:------- положение на «улавливание»,---------.-положение на»ввод»;
13 - линия сброса избытка газа; 14 - ротаметр; 15 - трехходовой кран; 16 - вентиль тонкой регулировки;
17 - вентиль канистры; 18 - рычажный запорный клапан потока нулевого воздуха; 19 - манометр;
20 - ПИД система; 21 - газоочиститель; 22 - регулятор потока или давления; 23 - баллон с воздухом;
24 - линия подачи нулевого воздуха; 25 - канистра с пробой под давлением;
26 - устройство регистрации и обработки данных

Рисунок 3 - Схема аналитической системы для определения НМЛОС

6.3.13 Рычажные запорные клапаны (четыре), герметичные, два по обе стороны от вакуумного резервуара, один - на манометре для измерения абсолютного давления и еще один - на баллоне с нулевым воздухом, используемым для проверки герметичности аналитической системы.

6.3.14 Вакуумный насос, общего лабораторного назначения, не масляный, диафрагменный, позволяющий откачивать вакуумный резервуар для того, чтобы через ловушку была пропущена проба необходимого объема.

6.3.15 Линия сброса избытка газа, используемая для поддержания в ловушке атмосферного давления во время улавливания.

6.3.16 Ротаметр, используемый для контроля потока в линии сброса.

6.3.17 Трехходовой кран.

6.3.18 Хроматографические капиллярные трубки и штуцеры из нержавеющей стали для соединительных газовых линий.

Все элементы газовой системы, находящиеся в контакте с пробой, аналитами или вспомогательными газами, должны быть изготовлены из нержавеющей стали или другого инертного металла. Не используют трубки или штуцеры из пластика или политетрафторэтилена.

6.3.19 Манометр для измерения давления до 500 кПа.

7 Реактивы и материалы

7.1 Газовые баллоны, заполненные гелием или водородом ультравысокой чистоты.

7.2 Баллон с воздухом для поддержания горения, содержащим менее 0,02 млн-1 углеводородов, или аналогичный источник воздуха.

7.3 Пропан для градуировки

Баллон со смесью пропана и нулевого воздуха, с объемной долей пропана в смеси от 1 до 100 млн-1 (от 3 до 300 млн-1 в пересчете на углерод), прослеживаемой к национальному исходному эталону, например по соответствующей части ИСО 6145 и ИСО 6141. Эту сертифицированную газовую смесь можно разбавлять по объему нулевым воздухом (см. 7.4) для получения соответствующих содержаний целевого компонента (пропана) в предполагаемом диапазоне измерений.

7.4 Нулевой воздух

Баллон с воздухом, содержание углеводородов в котором не превышает предел обнаружения метода. Нулевой воздух получают из баллона со сжатым воздухом, очищенным пропусканием через безводный сульфит натрия или силикагель и молекулярное сито 5А, или активированный древесный уголь, или каталитической очисткой атмосферного воздуха.

Нулевой воздух, используемый для очистки канистр, пропускают через криогенную ловушку для заключительной очистки, а затем для увлажнения через барботер с водой, свободной от углеводородов (или другое устройство).

7.5 Хладагент (температура кипения 87 К)

В качестве хладагента рекомендуется использовать жидкий аргон.

Если нет возможности поддерживать в ловушке температуру 87 К с помощью жидкого аргона из-за расположения лаборатории высоко над уровнем моря (где нормальное атмосферное давление составляет менее 101,3 кПа), то допускается использовать механическую систему охлаждения (см. 12.5). Не следует использовать хладагенты с более низкими температурами кипения, такие как жидкий азот, из-за возможного попадания в ловушку кислорода из отбираемого воздуха, следствием которого может быть взрыв или возгорание. Кроме того, может быть уловлен метан.

8 Очистка и подготовка канистр для отбора проб

Перед началом отбора проб проверяют герметичность канистр и очищают их от загрязняющих веществ.

Герметичность канистр проверяют путем создания в них давления приблизительно на 200 кПа выше атмосферного с использованием нулевого воздуха и системы очистки канистр (см. рисунок 2).

Фиксируют конечное давление и закрывают вентиль канистры, затем проверяют давление по истечении 24 ч. Если канистра герметична, то при постоянной температуре давление не понизится более чем на 15 кПа за 24 ч.

Результат проверки на герметичность вносят в протокол отбора проб (см. приложение А).

Собирают систему очистки канистр, как показано на рисунке 2.

Закрывают все вентили. Добавляют хладагент в ловушки вакуумного насоса и устройства подачи нулевого воздуха. Канистру(ы) подсоединяют к коллектору.

Открывают запорно-выпускной вентиль линии сброса 18 и вентиль(и) канистр, чтобы сбросить остаточное давление в канистре(ах). Затем закрывают запорно-выпускной вентиль линии сброса 18 и открывают запорно-выпускной вентиль вакууметра 14.

Включают вакуумный насос, открывают запорно-выпускные вентили вакуумного насоса 13 и 6 и вакуумируют канистры до давления не более 2 Па в течение 4-5 ч, при этом подогревая канистры в изотермической печи до температуры не более 375 К.

Ежедневно или, при необходимости, более часто для удаления воды, уловленной в предшествующих циклах очистки, криогенные ловушки продувают нулевым воздухом, открывая вентили 1 и 7.

Закрывают запорно-выпускные вентили вакуумного насоса 6 и вакуумметра 14 и открывают запорно-выпускные вентили для подачи увлажненного нулевого воздуха 8 и 15 для повышения давления в канистре(ах) до уровня приблизительно на 200 кПа выше атмосферного. Если используют генератор нулевого газа, то для сохранения качества нулевого газа ограничивают его расход.

Закрывают запорно-выпускной вентиль для подачи нулевого воздуха 15 и открывают запорно-выпускной вентиль линии сброса 18 для снижения давления в канистре(ах) до атмосферного. Закрывают запорно-выпускной вентиль линии сброса 18.

В качестве «холостого опыта» для проверки канистр(ы) и процедуры очистки сначала определяют содержание нулевого воздуха в каждой канистре, пока не будет доказана приемлемость системы очистки и подтверждена чистота канистр. В дальнейшем число проверяемых канистр может быть уменьшено.

Последние три этапа повторяют один или более раз, пока результат анализа холостой пробы не будет ниже предела обнаружения метода.

Не используют те канистры, чистота которых не была проверена.

С использованием системы очистки канистр вновь вакуумируют из них воздух до давления не более 2 Па. Закрывают вентили(ь) канистр(ы), отсоединяют канистры(у) от системы очистки и закрывают патрубки канистр штуцерами из нержавеющей стали.

Канистры теперь готовы к отбору проб воздуха. К горлышку каждой канистры прикрепляют маркировочную бирку для записей в условиях применения, обеспечивающую идентификацию проб. В протокол отбора проб (см. приложение А) вносят значение давления в канистре и помечают его как «исходное».

Перед использованием в условиях применения проверяют герметичность системы отбора проб и выходной линии насоса для отбора проб путем подсоединения манометра к патрубку канистры с помощью соединительной трубки с Т-образным фитингом, закрывают входную линию насоса и вакуумируют до давления приблизительно 15 Па. Если при включенном насосе в течение 15 мин изменение давления составляет не более ± 0,4 Па, то насос и соединительные трубки считают герметичными.

9 Отбор проб

9.1 Общие положения

Общий подход к отбору проб соответствует ИСО/ТО 4227.

Выбирают устройство регулирования расхода таким образом, чтобы обеспечить постоянный расход для заполнения канистры до давления приблизительно 200 кПа (на 1 атм выше атмосферного давления) в течение заданного периода отбора проб (см. 9.2). При необходимости получения дублированной пробы для контроля качества результатов измерений (см. 11.2) используют вторую канистру.

Следят за тем, чтобы при выборе и очистке канистр и аппаратуры для отбора проб и обращении с ними не происходило потерь аналита или внесения загрязняющих веществ в пробы.

9.2 Процедура

Линию отбора проб собирают в соответствии с рисунком 1 так, чтобы соединяющие насос и канистры трубки для снижения их объема, по возможности, были короткими. Линию отбора проб, для сведения к минимуму времени удерживания в ней пробы, продувают при расходе несколько литров в минуту, используя для этого небольшой вспомогательный вакуумный насос.

Расход gv, мл/мин, требуемый для создания в канистрах давления приблизительно 200 кПа (на 1 атм выше атмосферного давления или абсолютного давления 2 атм) за заданный период отбора проб, вычисляют по формуле

где р - отношение абсолютного конечного давления в канистре к атмосферному, (рq + ра)/ра;

V - объем канистры, мл;

п - число канистр, соединенных вместе (в случае одновременного отбора проб);

t - период отбора проб, мин;

рq - повышение давления в канистре над атмосферным, кПа;

ра - стандартное атмосферное давление, 101,3 кПа.

Например, если в одной канистре вместимостью 6 л требуется за 3 ч создать давление, приблизительно на 100 кПа выше атмосферного, то расход вычисляют следующим образом:

Регулятор расхода настраивают таким образом, чтобы в течение заданного периода отбора проб поддерживать в канистре постоянный расход при вычисленном значении расхода. При этом приблизительно постоянный расход будет сохраняться до того, как давление в канистре составит приблизительно 200 кПа, после чего при дальнейшем повышении давления расход уменьшится. При давлении на 101,3 кПа выше атмосферного расход будет приблизительно на 10 % ниже начального в зависимости от мощности насоса.

Выше по потоку от регулятора расхода устанавливают фильтр для улавливания твердых частиц. Систему отбора проб проверяют на наличие загрязняющих веществ путем заполнения с ее помощью двух вакуумированных очищенных канистр (см. раздел 8) увлажненным нулевым воздухом. Проводят анализ содержимого канистр в соответствии с 10.4. Систему отбора проб считают свободной от загрязняющих веществ, если полученное содержание углерода ниже предела обнаружения метода.

Следят за тем, чтобы расход в системе отбора проб во время ее проверки на наличие загрязняющих веществ оставался относительно постоянным (± 10 %) вплоть до давления приблизительно на 100 кПа выше атмосферного.

Примечание - В конце отбора проб по мере приближения значения давления в канистре к конечному значению может произойти некоторое снижение расхода в зависимости от мощности насоса.

Заново собирают систему отбора проб. Проверяют, чтобы таймер, насосы и электромагнитный клапан были подсоединены и работали правильно.

Проверяют, чтобы таймер был правильно установлен на заданный период отбора проб, а электромагнитный клапан был закрыт. Для отбора проб подсоединяют очищенную(ые) вакуумированную(ые) канистру(ы) через электромагнитный клапан к системе отбора проб, проверенной на наличие загрязняющих веществ.

При закрытом электромагнитном клапане открывают вентили(ь) канистр(ы). Для проверки отсутствия потока временно подсоединяют небольшой ротаметр к входу линии отбора проб.

Примечание - Наличие потока говорит о негерметичности (или открытом состоянии) электромагнитного клапана или о негерметичности соединений.

После проверки герметичности отсоединяют ротаметр. В протокол отбора проб (см. приложение А) вносят необходимую информацию. Программируют автоматический таймер на включение и отключение насоса(ов) и открытие и закрытие электромагнитного клапана в соответствующий момент времени периода отбора проб. Отбор проб начнется автоматически в запрограммированный момент времени.

В конце отбора проб в протокол отбора проб (см. приложение А) вносят значение конечного давления в канистре. Затем закрывают вентили(ь) канистр(ы) и отсоединяют канистры от системы отбора проб. В этот момент давление в канистре должно быть приблизительно на 100 кПа выше атмосферного.

Если разница между атмосферным давлением и давлением в канистре отличается от 100 кПа, то перед отбором следующей пробы причину этого необходимо найти и устранить. Закрывают вентиль канистры крышкой.

Отмечают необходимую информацию на маркировочной бирке канистр(ы) и в протоколе в условиях применения. В протоколе отбора проб указывают любые атмосферные условия или особые виды деятельности в месте отбора проб (например, дождь, дым, строительные и пахотные работы и т. п.), которые могут повлиять на состав проб.

Канистры возвращают в лабораторию для проведения анализа проб.

10 Анализ проб

10.1 Сборка аналитической системы

Аналитическую систему собирают в соответствии с рисунком 3.

10.2 Проверка герметичности аналитической системы

Аналитическую систему проверяют на герметичность во время общей проверки системы, перед началом серии анализов или при подозрениях на утечки. Этот этап включают в методическое руководство к стандартной рабочей процедуре (СРП)1), подготовленное пользователем (см. 11.2). Герметичность аналитической системы (см. рисунок 3) проверяют следующим образом: шестиходовой клапан 12 устанавливают в положение на улавливание, закрывают рычажный запорный клапан манометра 6 для измерения абсолютного давления и устанавливают трехходовой кран 15 в положение на подачу нулевого воздуха. Открывают рычажный запорный клапан для подачи нулевого воздуха 18, создают в системе давление, приблизительно на 350 кПа превышающее атмосферное, и закрывают клапан. Определяют давление по манометру 19.

________________

1) Standard Operating Procedure (SOP). В Российской Федерации СРП эквивалентна методика измерений (МВИ).

По истечении около 3 ч повторно проверяют давление. Если оно понизилось не более чем на 15 кПа, систему считают герметичной. Если система герметична, то сбрасывают в ней давление, проверяют, закрыт ли рычажный запорный клапан для подачи нулевого воздуха 18, открывают рычажный запорный клапан манометра 6 для измерения абсолютного давления и устанавливают трехходовой кран 15 в положение на ввод.

10.3 Определение объема пробы

Несколько раз точно измеряют объем пробы, проходящей через охлаждаемую хладагентом ловушку, с использованием вакуумного резервуара 9 и манометра для измерения абсолютного давления 2 следующим образом (см. рисунок 3).

Закрывают рычажный запорный клапан потока пробы 8, открывают рычажный запорный клапан вакуумного насоса 5 и откачивают вакуумный резервуар 9 с помощью вакуумного насоса до заданного начального давления (например, 15 кПа). Затем закрывают рычажный запорный клапан вакуумного насоса 5 и открывают рычажный запорный клапан потока пробы 8 для пропускания ее через криогенную ловушку 11 в откачанный вакуумный резервуар 9, пока в нем не будет достигнуто заданное давление (например, 40 кПа).

Отобранный (фиксированный) объем воздуха определяют по повышению давления в вакуумном резервуаре по разности конечного и начального давлений, определенных по манометру для измерения абсолютного давления 2.

Значение давления в вакуумном резервуаре регистрируют после установления теплового равновесия.

Приблизительный объем пробы, приведенный кнормальным условиям (273 Ки 101,3 кПа), Vs, мл, вычисляют по формуле

где Dр - разность давлений, измеренных манометром, кПа;

Vr - объем вакуумного резервуара (обычно 1000 мл);

ps - стандартное давление, 101,3 кПа;

Tа - температура окружающей среды, К;

Ts - нормальная температура, 273 К. Например, если объем вакуумного резервуара составляет 1000 мл, температура окружающей среды - 298 К, разность давлений - 25 кПа, то при нормальных условиях объем пробы составит приблизительно 226 мл.

Примечание - Обычно объем пробы, получаемый с использованием данной методики, составляет от 200 до 300 мл.

Определение объема пробы проводят только один раз при проверке системы, а описание методики включают в методическое руководство к СРП (см. 11.2), подготовленное пользователем.

10.4 Динамическая градуировка аналитической системы

Перед анализом проб проводят полную динамическую градуировку аналитической системы, используя не менее пяти градуировочных смесей в каждом диапазоне, для получения градуировочной кривой. Впоследствии периодически проводят градуировку не менее одного раза для каждой серии проб. Описание процедуры включают в методическое руководство к СРП (см. 11.2), подготовленное пользователем. Каждый раз, когда систему используют для анализа, проверяют градуировочную кривую по двум или трем точкам (включая нуль). Для градуировки аналитической системы в качестве целевого компонента используют пропан.

Градуировочные газовые смеси отбирают непосредственно через коллектор или тройник.

Примечание - Следует учесть, что для вычисления содержания углерода в градуировочном газе (пропане) умножают объемную долю пропана в градуировочной смеси, выраженную в млн-1, на 3.

Для обеспечения требуемого диапазона(ов) подбирают комбинацию следующих параметров:

- настройки усилителя сигнала ПИД;

- настройки выходного напряжения;

- разрешения устройства обработки данных (если применимо) и

- объема пробы воздуха.

Градуировку в каждом индивидуальном диапазоне проводят отдельно и для каждого диапазона строят свою градуировочную кривую.

Примечание - Современные газохроматографические интеграторы обеспечивают такую автоматическую разбивку диапазона, что может быть запрограммирован один диапазон, охватывающий несколько порядков содержаний. Изменения, применяемые к конкретным системам, указывают в методическом руководстве к СРП, подготовленном пользователем (см. 12.1).

Каждую градуировочную смесь вводят в аналитическую систему три раза в соответствии с 10.3. Во время градуировки расход, начальное и конечное показания манометра, начальный уровень хладагента в сосуде Дьюара, установки времени, подогрев, устройства регистрации и обработки данных и другие переменные должны быть такими же, как во время анализа реальных проб воздуха. Используют следующие типичные значения расхода:

- водорода - 30 мл/мин;

- газа-носителя гелия - 30 мл/мин;

- воздуха для поддержания горения - 400 мл/мин.

Для каждого уровня содержания целевого компонента в градуировочной смеси усредняют результаты трех измерений и строят градуировочные зависимости средней площади пиков, полученной интегрированием, от содержания компонента, выраженного объемной долей в пересчете на углерод (млн-1). Относительное стандартное отклонение результатов по трем измерениям должно быть не более 3 % (за исключением нулевого содержания).

Если кривая нелинейна, то проводят повторное измерение для точек, которые значительно отклоняются от прямой. Было показано, что в широком диапазоне объемной доли в пересчете на углерод (от 0 до 1000 млн-1) зависимость выходного сигнала от содержания остается линейной. Если нелинейность все же сохраняется, то ее идентифицируют и устраняют причину.

Если причина не может быть устранена, то для корректного построения градуировочной кривой в нелинейной области используют дополнительные градуировочные газовые смеси.

10.5 Методика анализа (схема аналитической системы по рисунку 3)

Необходимо собрать аналитическую систему, проверить ее на герметичность и провести динамическую градуировку системы. Включают ПИД 20 и ожидают, пока не установится его рабочий режим. Для обеспечения требуемого расхода газа-носителя в системе проверяют и настраивают давление гелия регулятором потока 4. Гелий используют для удаления остаточного воздуха и метана из ловушки по окончании отбора проб и переноса НМЛОС, перешедших в летучее состояние, из ловушки в ПИД. Для регулировки расхода или давления гелия лучше использовать регулятор расхода или давления между баллоном и ПИД, чем многоступенчатый регулятор на баллоне. При использовании вспомогательного регулятора давление на второй ступени двухступенчатого регулятора должно быть выше, чем давление, установленное на одноступенчатом регуляторе. Также проверяют расход водорода и воздуха для поддержания горения в ПИД (см. 10.4).

Проверяют, закрыт ли рычажный запорный клапан потока пробы 8 и открывают рычажный запорно-выпускной клапан вакуумного насоса 5, чтобы откачать вакуумный резервуар 9 до заданного значения давления, например 15 кПа. Когда температура ловушки придет в равновесие с комнатной, устанавливают шестиходовой клапан 12 в положение на ввод. Открывают рычажный запорный клапан потока пробы бис помощью вентиля тонкой регулировки 3 настраивают расход пробы через ловушку в диапазоне от 50 до 100 мл/мин.

Примечание - По мере охлаждения ловушки расход будет снижаться.

Проверяют давление в канистре с пробой перед подсоединением ее к аналитической системе и вносят полученное значение в протокол отбора проб (см. приложение А). Соединяют канистру с шестиходовым клапаном как показано на рисунке 3. Используют либо вентиль канистры, либо вентиль тонкой регулировки, установленный между канистрой и линией сброса, для настройки расхода пробы из канистры на значение, немного превышающее значение расхода в ловушке, настроенного с помощью вентиля тонкой регулировки. Избыток воздуха выводят через линию сброса для того, чтобы отбираемый воздух, пропускаемый через ловушку, находился при атмосферном давлении. Для облегчения настройки расхода вентилем тонкой регулировки к линии сброса подсоединяют индикатор расхода, например ротаметр, показывающий скорость потока в линии сброса.

Открывают вентиль канистры 17 и настраивают расход пробы воздуха из канистры вентилем тонкой регулировки 16 или 3 таким образом, чтобы ротаметр 14 показывал средний расход в линии сброса. Закрывают рычажный запорный клапан потока пробы 8 и открывают рычажный запорный клапан вакуумного насоса 5 (если он еще не открыт) для откачивания вакуумного резервуара. С шестиходовым клапаном 12 в положении на ввод и открытым рычажным запорным клапаном вакуумного насоса 5 открывают рычажный запорный клапан потока пробы 8 на 2-3 мин для промывания и кондиционирования линий ввода. Закрывают рычажный запорный клапан потока пробы 8 и откачивают вакуумный резервуар до заранее заданного значения начального давления (обычно 15 кПа), определяемого по манометру для измерения абсолютного давления 2.

Переключают шестиходовой клапан 12 в положение на улавливание. Погружают криогенную ловушку 11 в хладагент. Ожидают несколько минут, чтобы ловушка полностью охладилась (об этом свидетельствует прекращение кипения хладагента).

Добавляют хладагент по мере необходимости, чтобы сохранить первоначальный уровень, используемый при динамической калибровке системы. Поддерживают постоянный уровень жидкого хладагента по отношению к ловушке. Обеспечивают, чтобы в хладагент была погружена часть ловушки, заполненная стеклянными шариками, но не переходник, соединяющий ловушку с клапаном.

Открывают рычажный запорный клапан потока пробы 8 и наблюдают за повышением давления по манометру для измерения абсолютного давления 2. Когда значение давления достигнет заданного (обычно 40 кПа), характерного для требуемого объема пробы воздуха, закрывают рычажный запорный клапан потока пробы 8. Добавляют немного хладагента или приподнимают сосуд Дьюара 10, чтобы уровень жидкости был на 3-15 мм выше, чем в начале улавливания.

Примечание - Благодаря этому органические соединения не улетучиваются из ловушки и их рассчитывают как часть пиков НМЛОС.

Переключают шестиходовой клапан 12 в положение на ввод, оставляя криогенную ловушку в сосуде Дьюара до тех пор (от 10 до 20 с), пока высота пиков по метану и побочным веществам не уменьшится. Затем закрывают вентиль канистры 17 для сохранения в нем оставшейся части пробы. Включают устройство регистрации и обработки данных 26 и снимают сосуд Дьюара 10 с ловушки 11.

Закрывают крышку термостата для газохроматографических колонок и подогревают ловушку с помощью термостата (или другой системы подогрева) до температуры 365 К с заданной скоростью (обычно 30 К/мин). Быстрое нагревание ловушки приводит к улетучиванию сконцентрированных НМЛОС, которые создают однородную зону на входе в ПИД. Постоянная скорость повышения температуры ловушки позволяет улучшить повторяемость выходных сигналов и способствует введению более точной поправки на смещение базовой линии из-за влажности. При использовании термостата для хроматографических колонок для подогрева ловушки приемлемыми являются следующие параметры:

- начальная температура: 300 К;

- начальный пусковой период: 0,20 мин (с последующим запуском устройства регистрации и обработки данных);

- скорость повышения температуры: 30 К/мин;

- конечная температура: 365 К.

В ходе градуировки и анализа проб применяют один и тот же режим нагрева. Слишком быстрое нагревание ловушки может стать причиной начального отрицательного выходного сигнала и затруднить точное интегрирование пиков. Слишком медленное нагревание вызывает уширение пика и, как следствие, приводит к меньшей повторяемости результатов интегрирования пиков. Для определения оптимальных режимов нагревания каждой системы может потребоваться проведение предварительных экспериментов.

Изначально установленную методику анализа включают в методическое руководство к СРП (см. 11.2), подготовленное пользователем.

Интегрирование продолжают до тех пор (обычно от 1 до 2 мин достаточно), пока не будут зарегистрированы пики всех органических соединений и не установится конечная точка базовой линии ПИД, как показано на рисунке 5. Устройство регистрации и обработки данных должно позволять маркировать начальную и конечную точки пиков, построить соответствующую исправленную базовую линию между началом и концом периода интегрирования и вычислить скорректированную площадь пика. Приведенные выше требования к указанному устройству обусловлены присутствием в пробе влаги, которая также концентрируется в ловушке и будет вызывать небольшое положительное смещение базовой линии. Смещение базовой линии начинается при нагреве ловушки и продолжается до тех пор, пока вся влага из ловушки не будет удалена, тогда базовая линия возвращается к обычному уровню. Смещение всегда продолжается дольше, чем выходит пик(и) органических соединений, присутствующих в пробе.

1 - пик НМЛОС; 2 - конечная точка интегрирования; 3 - продолжение нагрева ловушки;
4 - начальная точка интегрирования 5 - смещение базовой линии из-за влажности;
6 - исправленная базовая линия, построенная интегратором для скорректированной площади пиков;
7 - обычная базовая линия

Рисунок 5 - График построения исправленной базовой линии и соответствующей
корректировки площади пика

Устройство регистрации и обработки данных программируют для корректировки смещения базовой линии так, чтобы интегрирование заканчивалось в точке после выхода последнего пика НМЛОС, но до возврата смещенной базовой линии к обычному состоянию (см. рисунок 5), а при учете вычисленной исправленной линии компенсировалось смещение, обусловленное наличием влаги. Электронные устройства регистрации и обработки данных проводят эту операцию автоматически или могут быть запрограммированы на внесение поправки.

В качестве альтернативы перед анализом пробы может быть проведен анализ увлажненного нулевого воздуха для получения выходного сигнала со смещением, обусловленным наличием влаги, и истинного значения холостого показания для введения поправки в значение содержания НМЛОС в окружающем воздухе. Продолжают подогревать и промывать ловушку и по окончании периода интегрирования, чтобы полностью удалить воду и предотвратить ее накопление в ловушке. Поэтому следует обеспечить, чтобы шестиходовой клапан находился в положении на ввод до тех пор, пока вся влага не будет вымыта из ловушки (3 мин и более).

Используют градуировочную кривую (см. 10.4), полученную в результате динамической градуировки, для перевода полученных при интегрировании пиков значений площадей в значения объемной доли в пересчете на углерод (млн-1). Каждую пробу из канистры анализируют не менее двух раз и записывают усредненное содержание НМЛОС. Форма пика НМЛОС может воспроизводиться неточно из-за изменения условий нагревания ловушки, но значение общей площади пиков от НМЛОС должно быть воспроизводимым. Проблемы, возникающие по ходу анализа, могут быть причиной получения неправильных или несогласующихся результатов.

Если результаты первых двух анализов отличаются друг от друга более чем на ± 10 %, то проводят дополнительные анализы для того, чтобы идентифицировать проблему и получить более точный результат измерения (см. также 10.3).

11 Критерии и обеспечение качества измерений

11.1 Общие положения

Настоящий раздел содержит описание мероприятий по обеспечению качества измерений и руководящие указания по удовлетворению критериям, которые должны быть достигнуты в каждой лаборатории.

11.2 Методическое руководство к стандартной рабочей процедуре

В методическом руководстве к СРП должны быть описаны следующие действия:

a) сборка, градуировка, проверка на герметичность и эксплуатация используемых системы отбора проб и аппаратуры;

b) отбор, хранение, транспортирование и подготовка проб;

c) сборка, проверка на герметичность, градуировка и эксплуатация аналитической системы, включающей в себя конкретное используемое оборудование;

d) хранение и очистка канистр;

e) все процедуры регистрации и обработки данных, в том числе ведение перечня используемых технических средств и программного обеспечения.

В руководство к СРП включают конкретные поэтапные инструкции. В ходе аудита проверяют, чтобы руководство к СРП было доступно и понятно персоналу лаборатории, проводящему анализ.

11.3 Нижний предел определения, точность и прецизионность метода

Нижний предел определения и прецизионность метода, установленного настоящим стандартом, пропорциональны объему пробы. Однако если объем пробы превышает 500 мл, то образование льда в ловушке может понизить или остановить поток пробы во время улавливания. При объеме пробы менее 100-150 мл может увеличиться разброс результатов измерений из-за мертвого объема в линиях и вентилях. Для типичных содержаний большинства НМЛОС подходящим является объем пробы от 200 до 300 мл. Если выходной сигнал, полученный для пробы объемом 300 мл, превышает пределы шкалы или диапазон градуировки, то проводят анализ пробы меньшего объема. Нет необходимости точно знать действительный объем анализируемой пробы, если при градуировке и анализе используют пробы одинакового объема. Также нет необходимости точно знать действительный объем вакуумного резервуара. Объем вакуумного резервуара выбирают в соответствии с диапазоном давлений и ценой деления манометра для измерения абсолютного давления так, чтобы результаты измерения давления и, следовательно, объем пробы сходились в пределах 1 %. При использовании вакуумного резервуара вместимостью 1000 мл и изменении давления 30 кПа, измеренном удовлетворяющим требованиям манометром, прецизионность отбора проб составила 1,31 мл. При большем изменении давления берут вакуумный резервуар меньшей вместимости, чтобы можно было использовать манометры для измерения абсолютного давления с большей ценой деления, и наоборот.

В некоторых системах с использованием ПИД в сочетании с лабораторными хроматографами предусмотрено автоматическое переключение диапазонов измерений. Другие системы снабжены усилителем выходного сигнала и внутренними переключателями выходного напряжения по всей шкале. Выбирают соответствующую комбинацию так, чтобы получить уровень выходного напряжения, требуемый для точного интегрирования вплоть до предела обнаружения; однако применение устройства регистрации и обработки данных не должно привести к тому, что вблизи верхней границы диапазона градуировки наступит насыщение. Выход на плато градуировочнои кривой при высоких содержаниях может быть показателем режима насыщения электрометра. Дополнительные настройки диапазона и чувствительности могут быть проведены путем изменения объема пробы, как указано в 12.4.

Примечание - Извлечение некоторых органических соединений, содержащихся в пробе окружающего воздуха, затруднительно, так как они удерживаются в канистре или ловушке, поэтому может потребоваться проведение повторных анализов, прежде чем эти соединения полностью проявятся в виде выходного сигнала ПИД. Кроме того, может потребоваться настройка времени отключения устройства регистрации и обработки данных для введения в аналитический цикл соединений, которые позднее достигают ПИД. Аналогично подобные соединения, содержащиеся в пробах окружающего воздуха или в загрязненных стандартных образцах пропана, могут временно загрязнить аналитическую систему и повлиять на результаты последующих анализов. Подобное временное загрязнение обычно может быть удалено путем нескольких повторных анализов увлажненного нулевого воздуха.

Одновременный отбор параллельных проб уменьшает вероятность потери данных, обусловленной выбраковыванием проб из-за негерметичности или загрязненности одной из канистр. Можно заполнить две (или более) канистры одновременно, соединив их параллельно (см. рисунок 1) и выбрав расход, согласованный с числом канистр. Параллельные (или повторные) пробы также позволяют оценить прецизионность измерений на основе разностей между полученными для параллельных проб значениями содержания (или на основе стандартных отклонений результатов измерений повторных проб).

12 Модификация метода

12.1 Система дозирования пробы

Несмотря на то, что использование вакуумного резервуара и манометра для измерения абсолютного давления является эффективным и удобным для дозирования пробы во время анализа, другие методики также могут оказаться приемлемыми. Постоянный расход пробы может быть установлен с помощью массового расходомера или вакуумного насоса и критической диафрагмы при положении шестиходового клапана на улавливание в течение измеренного периода времени. Для измерения общего объема отобранного воздуха, пропущенного через ловушку, также можно использовать газовый счетчик, например барабанный газовый счетчик с жидкостным затвором. Приведенные альтернативные методики испытывают и оценивают в соответствии с методическим руководством к СРП, подготовленным пользователем (см. 11.2).

12.2 Очистка канистр

Канистры могут быть очищены без нагревания до 375 К, если циклы вакуумирования/создания избыточного давления повторяют не менее четырех раз.

12.3 Система с использованием пламенно-ионизационного детектора

Существует ряд систем с использованием ПИД, которые могут быть пригодны для данного метода. Перед использованием любого альтернативного прибора, оснащенного ПИД, оценивают значения расхода и необходимость корректировок параметров потока гелия, в соответствии с методическим руководством к СРП, подготовленным пользователем (см. 11.2).

12.4 Диапазон

Понизить нижний предел количественного определения, установленный настоящим стандартом, можно путем увеличения объема пробы. Однако могут появиться ограничения, такие как закупорка ловушки льдом. Оценивают действия по снижению предела количественного определения и включают их в методическое руководство к СРП, подготовленное пользователем (см. 11.2).

12.5 Альтернативные системы улавливания в криогенных ловушках и нагрева

Вместо ловушки, погруженной в сосуд Дьюара, и термостата для нагрева допускается использовать другие автоматические системы улавливания в криогенных ловушках в сочетании с альтернативными методами нагрева.

12.6 Отбор проб в канистры при давлении ниже атмосферного

Отбор проб воздуха в канистры при давлении ниже атмосферного и их анализ также возможны с незначительными изменениями методик отбора и анализа проб. Источники, в которых описан отбор проб в канистры при давлении ниже атмосферного, приведены в структурном элементе «Библиография». Любую разработанную процедуру включают в методическое руководство к СРП, подготовленное пользователем (см. 11.2).

12.7 Альтернативная система отбора проб

Вместо системы отбора проб, приведенной на рисунке 1, допускается использовать альтернативную систему отбора проб, описанную в библиографических источниках. В состав этой системы входят насос из нержавеющей стали с инертной пластиковой диафрагмой, вентиль аварийного сброса давления (настроенный приблизительно на 200 кПа), массовый расходомер и электромагнитный вентиль. При такой конфигурации насос продувается большим потоком пробы, что устраняет необходимость дополнительной промывки линии ввода проб. Массовый расходомер будет поддерживать постоянный расход при давлении в канистре до 150 кПа.

Возможно использование других канистр с инертной внутренней поверхностью. Перед использованием оценивают их характеристики.

13 Прецизионность и точность

13.1 Прецизионность

Прецизионность была установлена путем отбора двух проб с последующим анализом каждой пробы дважды. Для этого в 1990 г. было отобрано в общей сложности 37 двойных проб в рамках программы Управления по охране окружающей среды США по НМЛОС. Значения объемной доли НМЛОС в пересчете на углерод составляли от 0,16 до 2,41 млн-1.

Средняя прецизионность результатов измерений составила 0,70 млн-1; среднее арифметическое для абсолютных значений относительных разностей результатов анализа составило 12,7 %.

13.2 Точность

Характеристика точности применительно к настоящему стандарту была установлена путем анализа четырех контрольных баллонов, полученных от департамента обеспечения качества измерений Управления по охране окружающей среды США. Газовая смесь в баллонах была приготовлена путем разбавления смеси пропана в нулевом воздухе, состав которой был прослеживаем к эталонам Национального института стандартов и технологии США. Из каждого контрольного баллона пробы отбирали четыре раза с последующим их анализом.

Среднее смещение составило 0,04 млн-1 в пересчете на углерод; средняя абсолютная систематическая погрешность составила 3,74 %.


Приложение А
(справочное)

Пример протокола отбора проб в канистру под давлением

Общая информация

Проект:_________________________

Оператор__________________________________

Участок:________________________

Канистра №:_______________________________

Местоположение:________________

Расход____________________________________

Контрольный пост №:_____________

Градуировано по:___________________________

Насос, серийный №:______________

Проверка на герметичность:

да

нет

Таблица А.1 -Данные измерений в условиях применения

Дата

Номер
канистры

Номер
пробы

Время отбора проб

Усредненные атмосферные условия

Давление в канистре, кПа

Примечание

Начало

Окончание

Температура, К

Давление,
кПа

Относительная влажность,
%

начальное

конечное

на момент анализа

Дата_________________________________________

Подпись _________________________________

Должность


Приложение В
(справочное)

Сведения о соответствии национальных стандартов Российской Федерации
ссылочным международным стандартам

Таблица В.1

Обозначение ссылочного международного стандарта

Обозначение и наименование соответствующего национального стандарта

ИСО/ТО 4227:1989

*

ИСО 6141:2000

*

ИСО 6145-1:1986

*

ИСО 6145-3:1986

*

ИСО 6145-4:1986

*

ИСО 6145-6:1986

*

* Соответствующий национальный стандарт отсутствует. До его утверждения рекомендуется использовать перевод на русский язык данного международного стандарта. Перевод данного международного стандарта находится в Федеральном информационном фонде технических регламентов и стандартов.

Библиография

[1] Сох, R.D., McDevitt, М.А., Lee, K.W. and Tannahill, G.K. Determination of Low Levels of Total Non-Methane Hydrocarbon Content in Ambient Air, Environ. Sci. Technol.,16 (1), p. 57 (1982).

[2] Jayanty, R.K.M., Blanchard, A., McElroy, F.F. and McClenny, W.A. Laboratory Evaluation - Nonmethane Organic Carbon Determination in Ambient Air by Cryogenic Preconcentration and Flame Ionization Detection, EPA-600/54-82-019, U.S. Environmental Protection Agency, Research Triangle Park, NC, July 1982

[3] McAllister, R.A., O'Hara, P.L., Dayton, D.P., Robbins, J.E., Jongleux, R.F., Merril, R.G., Rice, J. and Bowes, E.G. 1990 Nonmethane Organic Compound and Three-Hour Air Toxics Monitoring Program. Final Report to EPA Contract 68-08-0014, by Radian Corporation, Research Triangle Park, NC, January 1991

[4] McClenny, W.A., Pleil, J.D., Holden, J.W. and Smith, R.N. Automated Cryogenic Preconcentration and Gas Chromatographic Determination of Volatile Organic Compounds, Anal. Chem., 56, p. 2947 (1984)

[5] McClenny, W.A., Pleil, J.D., Oliver, K.D. .Oliver M.W. and Winberry. Canister-Based Method for Monitoring Toxic VOCs in Ambient Air, J. Air Waste Management Assoc, 41, pp. 1308-1318 (1991)

[6] McElroy, F.F., Thomson, V.L., Holland, D.M., Lonneman, W.A. and Seila, R.L. Cryoqenic Preconcentration - Direct FID Method for Measurement of Ambient NMOC: Refinemant and Comparison with GC Speciation; J. Air Pollution Control Assoc, 36 (6), pp. 710-714 (1986)

[7] Oliver, K.D., Pleil, J.D. Automated Cryogenic Sampling and Gas Chromatographic Analysis of Ambient Vapor-Phase Organic Compounds: Procedures and Comparison Tests, EPA Contract No. 68-02-4035, Research Triangle Park, NC, Northrop Services, Inc. - Environmental Sciences (1985)

[8] Oliver, K.D., Pleil, J.D. and McClenny, W.A. Sample Integrity of Trace Level Volatile Organic Compounds in Ambient Air Stored in «Summa» Polished Canisters, Atmos. Environ., 20 (7), pp. 1403-1411 (1986)

[9] Pleil, J.D., Oliver, K.D and McClenny, W.A. Enhanced Performance of Nafion Dryers in Removing Water from Air Samples Prior to Gas Chromatographic Analysis, J. Air Pollution Control Assoc, 37 (3), pp. 244-248 (1987)

[10] Rasmussen, R.A. and Khalil, M.A.K. Atmospheric Halocarbons: Measurements and Analyses of Selected Trace Gases, Proc NATO ASI on Atmospheric Ozone, pp. 209-231 (1980)

[11] RICHTER, H.G. Analysis of Organic Compound Data Gathered During 1980 in Northeast Corridor Cities, EPA-450/4-83-017, U.S. Environmental Protection Agency, Research Triangle Park, NC, April 1983

[12] Sexton, F.W., McElroy, F.F., Michie Jr., R.M. and Thompson, V.L. A Comparative Evaluation of Seven Automated Ambient Non-Methane Organic Compound Analyzers, EPA-600/5482-046, U.S. Environmental Protection Agency, Research Triangle Park, August 1982

[13] Technical Assistance Document for Sampling and Analysis of Toxic Organic Compound in Ambient Air, EPA-600/483-80/008, U.S. Environmental Protection Agency, Research Triangle Park, NC, June 1980

[14] Uses, Limitations, and Technical Basis of Procedures for Quantifying Relationships between Photochemical Oxidants and Precursors, EPA-450/2-77-a, U.S. Environmental Protection Agency, Research Triangle Park, NC, November 1977

Ключевые слова: воздух, качество, летучие неметановые органические соединения, отбор проб, определение, криогенная ловушка, пламенно-ионизационный детектор