|
МЕЖГОСУДАРСТВЕННЫЙ
СОВЕТ ПО СТАНДАРТИЗАЦИИ, МЕТРОЛОГИИ И СЕРТИФИКАЦИИ INTERSTATE
COUNCIL FOR STANDARDIZATION, METROLOGY AND CERTIFICATION |
|
|
МЕЖГОСУДАРСТВЕННЫЙ |
ГОСТ ИСО |
Подшипники скольжения
ВТУЛКИ СВЕРТНЫЕ
Часть 3
Смазочные отверстия, канавки и углубления
ISO
3547-3:1999
Plain
bearings - Wrapped bushes -
Part 3: Lubrication holes, lubrication grooves and lubrication indentations
(IDT)
|
|
Москва Стандартинформ 2009 |
Предисловие
Цели, основные принципы и основной порядок проведения работ по межгосударственной стандартизации установлены ГОСТ 1.0-92 «Межгосударственная система стандартизации. Основные положениям ГОСТ 1.2-97 «Межгосударственная система стандартизации. Стандарты межгосударственные, правила и рекомендации по межгосударственной стандартизации. Порядок разработки, принятия, применения, обновления и отмены»
Сведения о стандарте
1. ПОДГОТОВЛЕН Всероссийским научно-исследовательским институтом стандартизации и сертификации в машиностроении (ВНИИНМАШ) Федерального агентства по техническому регулированию и метрологии на основе собственного аутентичного перевода стандарта, указанного в пункте 4
2. ВНЕСЕН Межгосударственным техническим комитетом по стандартизации МТК 344 «Подшипники скольжения»
3. ПРИНЯТ Межгосударственным советом по стандартизации, метрологии и сертификации (протокол № 29 от 24 июня 2006 г.)
За принятие проголосовали:
|
Краткое наименование страны |
Код страны |
Сокращенное наименование
национального органа |
|
Азербайджан |
AZ |
Азстандарт |
|
Армения |
AM |
Минторгэкономразвития |
|
Беларусь |
BY |
Госстандарт Республики Беларусь |
|
Грузия |
GE |
Грузстандарт |
|
Казахстан |
KZ |
Госстандарт Республики Казахстан |
|
Киргизия |
KG |
Кыргызстандарт |
|
Молдова |
MD |
Молдова-Стандарт |
|
Российская Федерации |
RU |
Федеральное агентство по техническому регулированию и метрологии |
|
Таджикистан |
TJ |
Таджикстандарт |
|
Туркменистан |
TM |
Главгосслужба «Туркменстандартлары» |
|
Узбекистан |
UZ |
Узстандарт |
|
Украина |
UA |
Госпотребстандарт Украины |
4. Настоящий стандарт является модифицированным по отношению к международному стандарту ИСО 3547:1999 «Подшипники скольжения. Втулки свертные. Часть 3. Смазочные отверстия, канавки и углубления» (ISO 3547-3:1999 «Plain bearings - Wrapped bushes - Part 3: Lubrication holes, lubrication, grooves and lubrication indentations, IDT)
5. Приказом Федерального агентства по техническому регулированию и метрологии от 25 декабря 2008 г. № 682-ст межгосударственный стандарт ГОСТ ИСО 3547-3-2006 введен в действие в качестве национального стандарта Российской Федерации с 1 июля 2009 г.
6. ВЗАМЕН ГОСТ 27672-88 в части смазочных отверстий, канавок и углублений
Информация о введении в действие (прекращении действия) настоящего стандарта публикуется в указателе «Национальные стандарты».
Информация об изменениях к настоящему стандарту публикуется в указателе «Национальные стандарты», а текст изменений - в информационных указателях «Национальные стандарты». В случае пересмотра или отмены настоящего стандарта соответствующая информация будет опубликована в информационном указателе «Национальные стандарты»
ГОСТ ИСО 3547-3-2006
МЕЖГОСУДАРСТВЕННЫЙ СТАНДАРТ
|
Подшипники скольжения ВТУЛКИ СВЕРТНЫЕ Часть 3 Смазочные отверстия, канавки и углубления Plain bearings. Wrapped bushes. Part 3. Lubrication holes, lubrication grooves and lubrication indentations |
Дата введения - 2009-07-01
Настоящий стандарт устанавливает размеры смазочных отверстий, канавок и углублений на свертных втулках, изготовленных из сплошного и многослойного подшипникового материала.
Свертные втулки со смазочными отверстиями, канавками и углублениями в соответствии с настоящим стандартом могут быть поставлены размерами согласно ИСО 3547-1 и изготовлены из материалов согласно ИСО 3547-4.
Смазочные отверстия, канавки и углубления могут быть получены на гладкой полосе металла до операции прокатки. Допустимы размерные изменения, вызванные прокаткой полосы металла. На подложке втулки могут проявляться следы смазочных канавок и рельефа отверстия, производимых штамповкой. Допустимы незначительные трещины в подшипниковом материале смазочных канавок и углублений при условии отсутствия отделения небольших частиц.
Втулки серии С в соответствии с ИСО 3547-1 могут быть с утолщением вдоль любой стороны смазочных канавок, вызванное операцией штамповки.
Особенности данных контроля наружного и внутреннего диаметров - по ИСО 3547-2.
Размеры без допусков приведены только для справок и могут быть наряду с размерами, которые не оговорены, выполнены по усмотрению изготовителя.
В настоящем стандарте использованы нормативные ссылки на следующие стандарты:
ИСО 3547-1:1999 Подшипники скольжения. Втулки свертные. Часть 1. Размеры (ГОСТ ИСО 3547-1:2006, IDT)
ИСО 3547-2:1999 Подшипники скольжения. Втулки свертные. Часть 2. Данные для контроля наружного и внутреннего диаметров (ГОСТ ИСО 3547-2-2006, IDT)
ИСО 3547-4:1999 Подшипники скольжения. Втулки свертные. Часть 4. Материалы (ГОСТ ИСО 3547-4-2006, IDT)
ИСО 4378-1:1997 Подшипники скольжения. Термины, определения и классификация. Часть 1. Конструкция, подшипниковые материалы и их свойства (ГОСТ ИСО 4378-1-2006, IDT)
В настоящем стандарте применены термины по ИСО 4378-1.
Расположение и номинальные размеры смазочного отверстия типа L приведены на рисунках 1 и 2 и в таблице 1. Смазочные отверстия не должны располагаться в заштрихованных участках, указанных на рисунке 2.
1 - разъем
Рисунок 1
Рисунок 2
Таблица 1
В миллиметрах
|
Di |
dL1) |
n1 ± 0,5 |
|
|
Серии А, В, D, W по ИСО 3547-1 |
Серия С по ИСО 3547-1 |
||
|
Св. 14 до 22 включ. |
3 |
4 |
5 |
|
» 22 » 40 » |
4 |
5 |
6 |
|
» 40 » 50 » |
5 |
6 |
7 |
|
» 50 » 100 » |
6 |
7 |
8 |
|
» 100 |
7 |
8 |
9 |
|
______________ 1) Минимальный размер после штамповки. |
|||
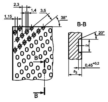
Расположение, форма и размеры смазочных канавок типов М1 и М2, используемых для жидкой смазки, приведены на рисунках 3 - 6 и в таблицах 1 - 3.
Рисунок 3 - Смазочная канавка типа М1

Рисунок 4 - Смазочная канавка типа М2

Рисунок 5 - Смазочная канавка типа М1 (2) А
Рисунок 6 - Смазочная канавка типа М1 (2) В
Таблица 2
В миллиметрах
|
Di |
п2 ± 0,5 |
e |
|
|
Серии А, В, D, W по ИСО 3547-1 |
Серия С по ИСО 3547-1 |
||
|
Св. 18 до 26 включ. |
3 |
4 |
32 |
|
» 26 » 36 » |
3 |
4 |
45 |
|
» 36 » 50 » |
5 |
6 |
70 |
|
» 50 » 70 » |
5 |
6 |
100 |
|
» 70 » 100 » |
6 |
7 |
130 |
|
» 100 |
7 |
8 |
140 |
Таблица 3
В миллиметрах
|
s3 |
0,75 |
1 |
1,5 |
2 |
2,5 |
|
|
|
М1 (2) А |
0,65 |
0,85 |
1,3 |
1,7 |
2,2 |
|
М1 (2) В |
- |
0,7 |
1,1 |
1,6 |
2,1 |
|
|
R |
- |
6 |
8 |
10 |
12 |
|
Допускается расширение смазочных канавок в зонах смазочных отверстий, разъема и на торцевых поверхностях втулок.
Смазочные канавки представлены на металлической полосе.
Примечание - Для облегчения измерения размеры толщины втулки, оставшейся в основании канавки, могут быть указаны на рисунке как контрольный размер.
Расположение, форма и размеры смазочных углублений приведены на рисунках 7 - 9 и в таблицах 4 и 5.
Рисунок 7
Рисунок 8
Рисунок 9
Таблица 4
В миллиметрах
|
db |
t |
|
|
Серии А, В, D, W |
1,5 - 3,0 |
0,40 |
|
Серия С |
0,55 |
Таблица 5
В миллиметрах
|
Di |
с |
t ± 0,2 |
a |
|
До 22 |
1,9 |
0,4 |
20° |
|
Св. 22 |
2,4 |
0,6 |
23° |
Смазочные углубления применяют для втулок при значениях s3 ³ 1 мм (углубления представлены на металлической полосе).
Смазочные углубления применяют отдельно или совместно со смазочными отверстиями и/или канавками.
Примечание - На рисунках 7 - 9 приведены примеры схемы расположения углублений, которая может изменяться по усмотрению изготовителя.
Смазочные углубления типов N1A и N1B используют в случае жидкой или консистентной смазки (см. рисунок 7).
Смазочные углубления типов N2A и N2B используют в случае твердой или консистентной смазки (см. рисунки 8 и 9) для втулок серий А, В, D и W согласно ИСО 3547-1.
Смазочные углубления овальной формы N2A (рисунок 8) или ромбовидной формы N2B (рисунок 2) изготовляют по усмотрению изготовителя.
|
Ключевые слова: подшипники, подшипники скольжения, втулки свертные, отверстия смазочные, канавки и углубления, размеры |
СОДЕРЖАНИЕ