ИНСТРУКЦИЯ
ПО СИГНАЛИЗАЦИИ НА ПРОМЫШЛЕННОМ
ЖЕЛЕЗНОДОРОЖНОМ ТРАНСПОРТЕ
УТВЕРЖДЕНА распоряжением Министерства транспорта Российской Федерации от 30 марта 2001 г. № АН-23-Р
СОДЕРЖАНИЕ
1. Инструкция по сигнализации на промышленном железнодорожном транспорте устанавливает систему видимых и звуковых сигналов для передачи приказов и указаний, относящихся к движению поездов и маневровой работе, а также типы сигнальных приборов, при помощи которых эти сигналы подаются.
2. Положения Инструкции распространяются на все организации, независимо от их организационно-правовых форм и форм собственности (кроме организаций федерального железнодорожного транспорта), осуществляющие деятельность в области промышленного железнодорожного транспорта.
Выполнение требований сигналов, установленных Инструкцией по сигнализации, обеспечивает бесперебойность и безопасность движения поездов и маневровой работы.
Инструкция по сигнализации может быть изменена только распоряжением федерального органа исполнительной власти в области транспорта.
3. Все инструкции и другие указания, относящиеся к сигнализации на промышленном железнодорожном транспорте, должны соответствовать требованиям настоящей Инструкции.
1.1. Сигналы служат для обеспечения безопасности движения, а также для четкой организации движения поездов и маневровой работы.
По способу восприятия сигналы подразделяются на видимые и звуковые.
1.2. Видимые сигналы выражаются цветом, формой, положением и числом сигнальных показаний. Для подачи видимых сигналов служат сигнальные приборы - светофоры, диски, щиты, фонари, флаги, сигнальные указатели и сигнальные знаки.
Видимые сигналы по времени их применения подразделяются на:
дневные, подаваемые в светлое время суток;
для подачи таких сигналов служат диски, щиты, флаги и сигнальные указатели (стрелочные, путевого заграждения);
ночные, подаваемые в темное время суток;
такими служат огни установленных цветов в ручных и поездных фонарях, фонарях на шестах и сигнальных указателях.
Ночные сигналы должны применяться и в дневное время при тумане, метели и других неблагоприятных условиях, когда видимость дневных сигналов остановки менее длины тормозного пути, определенного для данного места при полном служебном торможении, а сигналов уменьшения скорости и маневровых сигналов - менее 200 м;
круглосуточные,подаваемые одинаково в светлое и темное время суток;
такими сигналами служат огни светофоров установленных цветов, маршрутные указатели, квадратные щиты желтого цвета (обратная сторона зеленого цвета), красные диски со светоотражателями для обозначения хвоста поезда, сигнальные указатели и знаки.
1.3. Звуковые сигналы выражаются числом и сочетанием звуков различной продолжительности.
Значение их днем и ночью одно и то же.
Для подачи звуковых сигналов служат свистки локомотивов, специального самоходного подвижного состава, ручные свистки, духовые рожки, сирены, гудки и др.
1.4. При поездной и маневровой работе, ремонтных работах на объектах промышленного железнодорожного транспорта для передачи требований видимых (ручных) и звуковых сигналов могут быть использованы устройства радиосвязи и двухсторонней парковой связи.
2.1. Светофоры по назначению подразделяются на:
входные - разрешающие или запрещающие поезду следовать с перегона на станцию;
выходные - разрешающие или запрещающие поезду отправиться со станции на перегон;
маршрутные - разрешающие или запрещающие поезду проследовать из одного района станции в другой;
проходные - разрешающие или запрещающие поезду проследовать с одного блок-участка на другой;
прикрытия - для ограждения мест пересечений железнодорожных путей в одном уровне, а также с трамвайными путями;
заградительные - требующие остановки при опасности для движения, возникшей на переездах, крупных искусственных сооружениях и обвальных местах, а также при ограждении составов для осмотра, ремонта и очистки вагонов на станциях;
предупредительные - предупреждающие о показании основного светофора (входного, выходного, заградительного, прикрытия);
повторительные - для оповещения о разрешающем показании выходного, маршрутного, въездного (выездного), технологического, горочного или маневрового светофора, когда по местным условиям видимость основного светофора не обеспечивается;
маневровые - разрешающие или запрещающие производство маневров;
горочные - разрешающие или запрещающие роспуск вагонов с сортировочной горки;
въездные (выездные) - разрешающие или запрещающие въезд (выезд) подвижного состава из производственных помещений;
технологические - разрешающие или запрещающие подачу или уборку подвижного состава при обслуживании технологических объектов (вагоноопрокидывателей, приемных устройств, вагонных весов, устройств для восстановления сыпучести грузов, сливо-наливных устройств и др.), где необходимы указания машинисту локомотива, специального самоходного подвижного состава по изменению направления движения для остановки подвижного состава в точно установленном месте.
Один светофор может совмещать несколько назначений: входной и выходной, выходной и маневровый, выходной и маршрутный, входной и маневровый и др.
2.2. Светофоры подразделяются на мачтовые, карликовые и устанавливаемые на мостиках, консолях, стенах производственных помещений и других сооружениях в зависимости от местных условий.
Сигнальные огни на светофорах применяются: нормально горящие, нормально не горящие (на заградительных и предупредительных к ним, а также повторительных), немигающие и мигающие (периодически загорающиеся и гаснущие).
Проходные светофоры автоблокировки обозначаются цифрами, все остальные светофоры - буквами или буквами и цифрами.
2.3. Основные значения сигналов, подаваемых светофорами (независимо от места установки и назначения светофоров), следующие:
один зеленый огонь - "Разрешается движение с установленной скоростью";
один желтый огонь - "Разрешается движение с готовностью остановиться; следующий светофор закрыт";
два желтых огня - "Разрешается проследование светофора с уменьшенной скоростью и готовностью остановиться у следующего светофора; поезд следует с отклонением по стрелочному переводу";
один красный огонь - "Стой! Запрещается проезжать светофор".
Применение перечисленных сигналов на светофорах различного назначения предусматривается в соответствующих пунктах настоящей Инструкции.
Порядок применения этих сигналов в других, не предусмотренных настоящей Инструкцией случаях с соблюдением их сигнального значения устанавливается федеральным органом исполнительной власти в области транспорта.
2.4. На предприятиях, где действует двузначная система сигнализации, показания входных, выходных, маршрутных и проходных светофоров устанавливается руководителем подразделения железнодорожного транспорта предприятия или руководителем организации промышленного железнодорожного транспорта.
2.5. Входными светофорами подаются сигналы:
один зеленый огонь - "Разрешается поезду следовать на станцию с установленной скоростью; следующий светофор (маршрутный или выходной) открыт" (рис. 2.1);
Рис. 2.1
один желтый огонь - "Разрешается поезду следовать на станцию с готовностью остановиться; следующий светофор (маршрутный или выходной) закрыт" (рис. 2.2);
Рис. 2.2
два желтых огня - "Разрешается поезду следовать на станцию с уменьшенной скоростью на боковой путь и готовностью остановиться; следующий светофор закрыт" (рис. 2.3);
Рис. 2.3
один лунно-белый огонь - "Разрешается поезду при погашенных основных огнях светофора следовать на станцию до первого попутного маневрового светофора с дальнейшим движением маневровым порядком на частично занятый путь или к технологическому объекту с особой бдительностью и готовностью остановиться" (рис. 2.4);
Рис. 2.4
один красный огонь - "Стой! Запрещается проезжать светофор" (рис. 2.5).
Рис. 2.5
2.6. Пригласительный сигнал - один лунно-белый мигающий огонь - разрешает поезду проследовать светофор с красным огнем (или погасшим) и продолжать движение до следующего светофора (или до предельного столбика при приеме на путь без выходного светофора) со скоростью не более 15 км/ч с особой бдительностью и готовностью немедленно остановиться, если встретится препятствие для дальнейшего движения (рис. 2.6).
Рис. 2.6
Пригласительный сигнал применяется на входных, а также маршрутных и выходных (кроме групповых) светофорах.
На входных светофорах пригласительный сигнал может применяться лишь на линиях, оборудованных автоблокировкой, при движении по правильному пути двухпутного перегона.
На станциях, где не производится прием поездов на частично занятые пути или к технологическим объектам производства, впредь до переустройства могут применяться на входных светофорах немигающие пригласительные сигналы.
2.7. Выходными светофорами на участках, оборудованных автоблокировкой, подаются сигналы:
один зеленый огонь - "Разрешается поезду отправиться со станции и следовать с установленной скоростью; впереди свободны два и более блок-участка" (рис. 2.7, а);
один желтый огонь - "Разрешается поезду отправиться со станции и следовать с готовностью остановиться; следующий светофор закрыт" (рис. 2.7, б);
два желтых огня - "Разрешается поезду отправиться со станции с уменьшенной скоростью; поезд следует с отклонением по стрелочному переводу; следующий светофор закрыт" (рис. 2.7, д);
один красный огонь - "Стой! Запрещается проезжать светофор" (рис. 2.7, в и г).
Рис. 2.7
При наличии ответвления, оборудованного путевой блокировкой; для указания пути, на который отправляется поезд на многопутных участках, оборудованных путевой блокировкой; на двухпутных участках, оборудованных двусторонней автоблокировкой; на станциях, имеющих выходные светофоры, при наличии ответвления, не оборудованного путевой блокировкой (для указания готовности маршрута отправления на ответвление), - выходные светофоры могут дополняться соответствующими показаниями, значение которых устанавливаются местной инструкцией и указывается в техническо-распорядительном акте станции.
2.8. Выходными светофорами на участках, оборудованных полуавтоматической блокировкой, подаются сигналы:
один зеленый огонь - "Разрешается поезду отправиться со станции и следовать с установленной скоростью; перегон до следующей станции свободен";
один красный огонь - "Стой! Запрещается проезжать светофор".
2.9. Маршрутными светофорами подаются сигналы:
один зеленый огонь - "Разрешается движение с установленной скоростью; следующий светофор (маршрутный или выходной) открыт";
один желтый огонь - "Разрешается движение с готовностью остановиться; следующий светофор (маршрутный или выходной) закрыт";
два желтых огня - "Разрешается проследование светофора с уменьшенной скоростью и готовностью остановиться на станции; поезд следует на боковой путь; следующий светофор закрыт";
один красный огонь - "Стой! Запрещается проезжать светофор".
2.10. Проходными светофорами на участках, оборудованных автоблокировкой, подаются сигналы:
один зеленый огонь - "Разрешается движение с установленной скоростью; следующий светофор открыт" (рис. 2.8);
Рис. 2.8
один желтый огонь - "Разрешается движение с готовностью остановиться; следующий светофор закрыт" (рис. 2.9);
Рис. 2.9
один красный огонь - "Стой! Запрещается проезжать светофор" (рис. 2.10).
Рис. 2.10
2.11. На участках с автоблокировкой условно-разрешающий сигнал проходного светофора, расположенного на затяжном подъеме, подаваемый щитом с отражательным знаком прозрачно-белого цвета в виде буквы "Т" (рис. 2.11), разрешает грузовому поезду проследование светофора с красным огнем со скоростью не более 15 км/ч с особой бдительностью и готовностью немедленно остановиться, если встретится препятствие для дальнейшего движения.
Рис. 2.11
2.12. Светофорами прикрытия подаются сигналы:
один зеленый огонь - "Разрешается движение с установленной скоростью";
один красный огонь - "Стой! Запрещается проезжать светофор".
2.13. Заградительными светофорами подается сигнал:
один красный огонь - "Стой! Запрещается проезжать светофор" (рис. 2.12).
Рис. 2.12
Предупредительными светофорами перед заградительными подается сигнал:
один желтый огонь - "Разрешается движение с готовностью остановиться; основной заградительный светофор закрыт" (рис. 2.13).
Рис. 2.13
Нормально сигнальные огни заградительных светофоров и предупредительных к ним не горят(рис. 2.14), и в этом положении светофоры сигнального значения не имеют.
Рис. 2.14
Мачты заградительных и предупредительных светофоров имеют отличительную окраску - чередующиеся черные и белые наклонные полосы.
2.14. Предупредительными светофорами перед входными, проходными и светофорами прикрытия на участках, не оборудованных автоблокировкой, подаются сигналы:
один зеленый огонь - "Разрешается движение с установленной скоростью; основной светофор открыт" (рис. 2.15);
Рис. 2.15
один желтый огонь - "Разрешается движение с готовностью остановиться; основной светофор закрыт" (рис. 2.16).
Рис. 2.16
2.15. Повторительные светофоры указывают:
один зеленый огонь - "Открыт выходной или маршрутный светофор" (рис. 2.17);
Рис. 2.17
один лунно-белый огонь - "Открыт маневровый светофор" (рис. 2.18);
Рис. 2.18
один желтый огонь - "Открыт технологический, въездной (выездной) светофор" (рис. 2.19).
Рис. 2.19
Нормально огни повторительных светофоров не горят, и в этом положении светофоры сигнального значения не имеют.
2.16. Маневровыми светофорами подаются сигналы:
один лунно-белый огонь - "Разрешается движение маневровому составу" (рис. 2.20);
Рис. 2.20
один синий огонь - "Стой! Запрещается маневровому составу проследовать светофор" (рис. 2.21).
Рис. 2.21
На станциях с электрической централизацией стрелок и сигналов на маневровых светофорах в необходимых случаях может применяться сигнал два лунно-белых огня - "Разрешается движение маневровому составу до следующего светофора; путь, ограждаемый этим светофором, свободен".
Разрешение на маневровые передвижения может подаваться входными, выходными и маршрутными светофорами одним лунно-белым огнем при погашенном красном огне.
На станциях однопутных линий, а также двухпутных, оборудованных автоматической блокировкой для двустороннего движения, на маневровом светофоре, расположенном на мачте входного светофора со стороны станции, может применяться сигнал один лунно-белый огонь - "Разрешается выход маневрового состава за границу станции".
Там, где нет поездного движения, на маневровых светофорах в необходимых случаях вместо синих могут применяться красные огни.
При отсутствии на станции маневровых светофоров проезд выходных и маршрутных светофоров с красным огнем при маневрах разрешается дежурным по станции или по его указанию руководителем маневров лично, по радиосвязи, устройствам двусторонней парковой связи или по сигналу, подаваемому ручным сигнальным прибором.
Приведенный порядок работы указывается в техническо-распорядительном акте станции.
2.17. Горочными светофорами подаются сигналы (рис. 2.22):
Рис. 2.22
один зеленый огонь - "Разрешается роспуск вагонов с установленной скоростью";
один желтый огонь - "Разрешается роспуск вагонов с уменьшенной скоростью";
один красный огонь - "Стой! Запрещается роспуск";
буква "Н" белого цвета на световом указателе, горящая одновременно с красным огнем, - "Осадить вагоны с горки на пути приема или вытяжной путь".
В тех случаях, когда видимость сигналов горочного светофора не обеспечивается, могут устанавливаться повторительные светофоры.
Повторительные светофоры должны сигнализировать теми же огнями, что и основной горочный светофор.
На повторительных светофорах, установленных в середине путей парка приема, вместо красного огня может устанавливаться синий.
Для разрешения подачи составов до горочного светофора на путях парка приема, а также для сигнализации на подгорочных путях могут применяться маневровые светофоры.
Скорость роспуска вагонов на сортировочных горках по одному зеленому огню, одному желтому огню в зависимости от технической оснащенности горок устанавливается местной инструкцией и указывается в техническо-распорядительном акте станции.
2.18. Въездными (выездными) светофорами подаются сигналы:
один желтый огонь - "Разрешается въезд в производственное помещение (или выезд из него)" (рис. 2.23);
Рис. 2.23
красный огонь - "Стой! Въезд в производственное помещение (или выезд из него) запрещен" (рис. 2.24).
Рис. 2.24
Въездные (выездные) светофоры дополняются звуковыми, световыми сигналами для оповещения лиц, работающих в производственных помещениях о въезде или выезде подвижного состава.
Порядок подачи звуковых и световых сигналов и управления въездной (выездной) сигнализацией устанавливается местной инструкцией.
2.19. Технологические светофоры подают сигналы:
один желтый огонь - "Разрешается подача вагонов к технологическому объекту с готовностью остановиться" (рис. 2.25);
Рис. 2.25
один лунно-белый огонь, горящий одновременно с красным огнем - "Убрать вагоны с технологического объекта" (рис. 2.26);
Рис. 2.26
один красный огонь - "Стой!" (рис. 2.27).
Рис. 2.27
Впредь до планового переустройства разрешается эксплуатация действующей технологической сигнализации.
Порядок управления технологической сигнализацией устанавливается местной инструкцией.
2.20. Недействующие светофоры должны быть погашены и закрещены двумя планками (рис. 2.28).
Рис. 2.28
Порядок временного включения огней недействующих светофоров для их проверки устанавливается руководителем подразделения железнодорожного транспорта организации или руководителем организации промышленного железнодорожного транспорта.
3.1. Переносными сигналами являются:
щиты прямоугольной формы красного цвета с обеих сторон или с одной стороны красного, а с другой стороны белого цвета;
квадратные щиты желтого цвета с одной стороны и зеленого цвета с другой стороны;
фонари на шестах с красными огнями;
красные флаги на шестах.
3.2. Переносными сигналами предъявляются требования:
щит прямоугольной формы красного цвета (или красный флаг на шесте) днем и красный огонь фонаря на шесте ночью - "Стой! Запрещается проезжать сигнал" (рис. 3.2, а);
квадратный щит желтого цвета днем и ночью (или желтый флаг на шесте днем) (рис. 3.2, б) - "Разрешается движение с уменьшенной скоростью, впереди опасное место, требующее остановки или проследования с уменьшенной скоростью".
Скорость проследования этих переносных сигналов должна соответствовать указанной в предупреждении, а при отсутствии предупреждения - со скоростью не более 15 км/ч.
Обратная сторона квадратного щита (зеленого цвета) днем и ночью (рис. 3.2, в) указывает на то, что машинист локомотива, специального самоходного подвижного состава имеет право повысить скорость до установленной после проследования опасного места всем составом (поезда или маневрового состава).
3.3. Переносными сигнальными знаками служат:
знак "С" - подача свистка (см. рис. 3.9. и 4.17.);
знак "Начало опасного места", на обратной стороне которого помещается знак "Конец опасного места" (см. рис. 4.23.).
3.4. Всякое препятствие для движения поездов на перегоне должно быть ограждено сигналами остановки независимо от того, ожидается поезд или нет.
Места производства работ на перегоне, требующие остановки поездов, ограждаются так же, как и препятствия.
3.5. Препятствия на перегоне ограждаются с обеих сторон на расстоянии 15 м от границ ограждаемого участка переносными красными сигналами.
От этих сигналов на расстоянии "Т" устанавливаются переносные сигналы уменьшения скорости.*
_____________
* Здесь и далее в тексте Инструкции буквой "Т" обозначается длина тормозного пути, определенного для конкретного перегона при полном служебном торможении.
При постоянном движении вагонами вперед расстояние установки переносных сигналов увеличивается на длину поезда, обращающегося на конкретном участке.
Схемы ограждения мест препятствий и производства работ* на однопутном участке приведены на рис. 3.1; на одном из путей двухпутного перегона - на рис. 3.2; на обоих путях двухпутного перегона - на рис. 3.3. Переносные сигналы уменьшения скорости должны находиться под охраной сигналистов, стоящих с ручными красными сигналами на расстоянии 20 м от сигналов уменьшения скорости в сторону места работы или места препятствия.
_____________
* На всех схемах, помещенных в Инструкции, расстояния приведены в метрах.
Рис. 3.1
Рис. 3.2
Рис. 3.3
Переносные красные сигналы должны находиться под наблюдением руководителя работ.
Если место препятствия или производства работ, требующее остановки поезда, находится на перегоне, длина которого не позволяет оградить это место в установленном порядке, переносные красные сигналы устанавливаются на оси пути против входных светофоров (или сигнальных знаков "Граница станции") станций, ограничивающих перегон. Переносные сигналы уменьшения скорости в этом случае не устанавливаются.
Если место препятствия или производства работ на перегоне, требующее остановки поезда, находится вблизи станции и оградить это место в установленном порядке невозможно, то со стороны перегона оно ограждается так, как указано выше, а со стороны станции переносной красный сигнал устанавливается на оси пути против входного светофора (или сигнального знака "Граница станции").
Схема ограждения препятствия перед входным светофором приведена на рис. 3.4.
Рис. 3.4
Место препятствия или производства работ на перегонах, требующее следования поездов с уменьшенной скоростью, ограждается на расстоянии "Т" от границ ограждаемого участка переносными сигналами уменьшения скорости.
Схема установки сигнала уменьшения скорости на однопутном перегоне приведена на рис. 3.5.; на одном из путей двухпутного перегона - на рис. 3.6.; на обоих путях двухпутного перегона - на рис. 3.7.
Рис. 3.5
Рис. 3.6
Рис. 3.7
Если место препятствия или производства работ на перегоне, требующее уменьшения скорости, находится вблизи станции и оградить это место с обеих сторон в установленном порядке невозможно, то со стороны перегона оно ограждается так, как указано выше, а со стороны станции переносной
сигнал уменьшения скорости устанавливается возле пути против входного светофора (или сигнального знака "Граница станции").
Схема ограждения приведена на рис. 3.8.
Рис. 3.8
3.6. При подходе поезда к переносному желтому сигналу машинист обязан подать оповестительный сигнал, а при подходе к сигналисту с ручным красным сигналом подать сигнал остановки и принять меры, чтобы остановиться, не проезжая переносного красного сигнала.
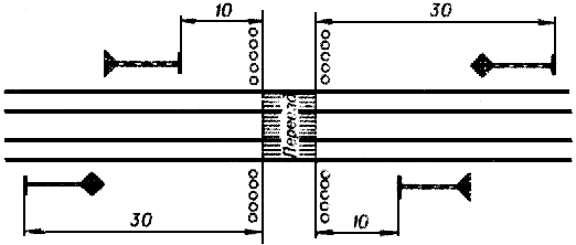
3.7. Места производства работ на пути, не требующие ограждения сигналами остановки или уменьшения скорости, но требующие предупреждения работающих о приближении поезда, ограждаются переносными сигнальными знаками "С" о подаче свистка, которые устанавливаются у пути, где производятся работы, а также у смежного главного пути (рис. 3.9.).
Рис. 3.9
Переносные сигнальные знаки "С" устанавливаются в таком же порядке у смежных главных путей и при производстве работ, огражденных сигналами остановки или сигналами уменьшения скорости (см. рис. 3.2, 3.4).
3.8. При ограждении мест препятствий или производства работ на трехпутных или многопутных участках переносные сигналы и сигнальные знаки, относящиеся к средним путям, устанавливаются с правой стороны по направлению к месту работ, а относящиеся к крайним путям - устанавливаются на ближайшей обочине с правой стороны.
3.9. Места, требующие постоянного уменьшения скорости, ограждаются с обеих сторон на расстоянии 15 м от границ опасного места сигнальными знаками "Начало опасного места" (см. рис. 4.23, а) и "Конец опасного места" (см. рис. 4.23, б).
От этих сигнальных знаков на расстоянии "Т" устанавливаются сигналы уменьшения скорости. Схемы установки сигналов уменьшения скорости и сигнальных знаков "Начало опасного места" и "Конец опасного места" на однопутном участке приведены на рис. 3.10, а; на одном из путей двухпутного участка - на рис. 3.10, б; на обоих путях двухпутного участка - на рис. 3.10, в.
Рис. 3.10
Если место, требующее постоянного уменьшения скорости на перегоне, расположено вблизи станции и оградить его в установленном порядке невозможно, то со стороны перегона и со стороны станции оно ограждается в порядке, указанном на рис. 3.11.
Рис. 3.11
3.10. Всякое препятствие для движения по станционным путям и стрелочным переводам должно быть ограждено сигналами остановки независимо от того, ожидается поезд (маневровый состав) или нет.
При ограждении на станционном пути места препятствия или производства работ сигналами остановки все ведущие к этому месту стрелки устанавливаются в такое положение, чтобы на него не мог выехать подвижной состав, и запираются или зашиваются. На месте препятствия или производства работ на оси пути устанавливается переносной красный сигнал (рис. 3.12).
Рис. 3.12
Если какие-либо из этих стрелок направлены остряками в сторону места препятствия или производства работ и не дают возможности изолировать путь, такое место с обеих сторон ограждается переносными красными сигналами, устанавливаемыми на расстоянии 15 м от границ места препятствия или производства работ (рис. 3.13).
Рис. 3.13
В том случае, когда остряки стрелок расположены ближе чем на 15 м от места препятствия или производства работ, между остряками каждой такой стрелки устанавливается переносной красный сигнал (рис. 3.14).
Рис. 3.14
При ограждении переносными красными сигналами места препятствия или производства работ на стрелочном переводе сигналы устанавливаются:
со стороны крестовины - против предельного столбика на оси каждого из сходящихся путей;
с противоположной стороны - на расстоянии 15 м от остряка стрелки (рис. 3.15).
Рис. 3.15
Если вблизи от стрелочного перевода, подлежащего "ограждению, расположена другая стрелка, которую можно поставить в такое положение, что на стрелочный перевод, где имеется препятствие, не может выехать подвижной состав, то стрелка в таком положении запирается или зашивается. В этом случае переносной красный сигнал со стороны такой изолирующей стрелки не ставится (рис. 3.16).
Рис. 3.16
Когда стрелку в указанное положение поставить нельзя, на расстоянии 15 м от места препятствия или производства работ в направлении к этой стрелке устанавливается переносной красный сигнал (см. рис. 3.15).
Если место препятствия или производства работ находится на входной стрелке, то со стороны перегона оно ограждается закрытым входным сигналом, а со стороны станции - переносными красными сигналами, устанавливаемыми на оси каждого из сходящихся путей против предельного столбика (рис. 3.17).
Рис. 3.17
Когда место препятствия или производства работ находится между входной стрелкой и входным сигналом, то со стороны перегона оно ограждается закрытым входным сигналом, а со стороны станции - переносным красным сигналом, устанавливаемым между остряками входной стрелки (рис. 3.18).
Рис. 3.18
Дежурный стрелочного поста (или другой работник, обслуживающий стрелочный перевод), обнаруживший препятствие на стрелочном переводе, должен немедленно установить один переносной красный сигнал на месте препятствия (до начала работ по ремонту) и доложить об этом дежурному по станции.
3.11. При внезапном возникновении препятствия и отсутствии необходимых переносных сигналов следует немедленно на месте препятствия и со стороны ожидаемого поезда на расстоянии тормозного пути установить сигналы остановки (днем - красный флаг, ночью - фонарь с красным огнем).
На однопутных участках, если неизвестно, с какой стороны ожидается поезд, сигналы устанавливаются в первую очередь со стороны спуска к ограждаемому месту, а на площадке - со стороны кривой или выемки.
3.12. Вагоны, ремонтируемые на станционных путях, и вагоны с опасными грузами, стоящие на отдельных путях, ограждаются переносными красными сигналами, устанавливаемыми на оси пути, на расстоянии не менее 15 м (на сквозных путях - с обеих сторон, а на тупиковых путях - со стороны стрелочного перевода).
Если в этом случае крайний вагон находится от предельного столбика на расстоянии менее чем 15 м, то переносной красный сигнал с этой стороны устанавливается на оси пути против предельного столбика.
3.13. На станциях, оборудованных устройствами электрической централизации, пути, на которых производится очистка вагонов, устранение коммерческого брака, безотцепочный ремонт вагонов, техническое обслуживание и др., оборудуются устройствами ограждения, исключающими въезд подвижного состава на эти пути; при этом может применяться ограждение постоянными сигналами в порядке, установленном техническо-распорядительным актом станции.
При ограждении сигнальными устройствами указанных путей на станциях, не оборудованных устройствами электрической централизации, порядок ограждения и пользования устройствами устанавливается Местной инструкцией.
3.14. На станциях, не оборудованных устройствами электрической централизации, в случае остановки поезда в горловине станции и отсутствия прохода (установленного расстояния между осями станционных путей) по смежным путям, все выходы с этих путей ограждаются сигналами остановки (рис. 3.19).
Рис. 3.19
3.15. При вынужденной остановке поезда на двухпутном или многопутном перегоне вследствие схода с рельсов, столкновения, из-за развалившегося груза и т.д., когда требуется оградить место препятствия для движения поездов, возникшее на смежном пути, машинист немедленно сообщает о случившемся по радиосвязи или другими способами (посылкой нарочного, с ближайшего телефона и т.д.) поездному диспетчеру на станции, ограничивающие перегон, а также машинисту локомотива, следующего по смежному пути (при наличии радиосвязи), и подает сигнал общей тревоги.
При этом если поезд сопровождается составителем, ограждение места препятствия производится со стороны головы - помощником машиниста, а с хвоста - составителем, которые отходят на расстояние тормозного пути, установленного для данного участка, и показывают ручной красный сигнал в сторону перегона соответственно с головы и хвоста поезда.
Если поезд составителем не сопровождается, ограждение места препятствия на смежном пути производится помощником машиниста со стороны ожидаемого поезда на расстоянии тормозного пути, установленного для данного участка. В случае получения машинистом поезда сообщения о том, что по смежному пути отправлен поезд в неправильном направлении, он должен свистком локомотива вызвать помощника машиниста для ограждения препятствия с противоположной стороны.
3.16. При обслуживании поезда одним машинистом к ограждению поезда привлекаются другие работники промышленного железнодорожного транспорта. Порядок ограждения поезда в этом случае устанавливается руководителем подразделения железнодорожного транспорта организации или руководителем организации промышленного железнодорожного транспорта.
Машинист локомотива остановившегося поезда днем при плохой видимости и ночью должен включить прожектор.
3.17. Работники, ограждающие хвост остановившегося на перегоне поезда, возвращаются к составу (на локомотив) только после подхода и остановки следом идущего поезда или по сигналу машиниста, подаваемому свистком локомотива, если миновала необходимость в ограждении.
3.18. Если остановившемуся поезду оказывается помощь с головы, машинист локомотива остановившегося поезда при приближении восстановительного поезда или вспомогательного локомотива должен подавать сигнал общей тревоги; днем при плохой видимости и ночью - включить прожектор.
3.19. В случае вывода поезда с перегона по частям составитель (а если нет составителя - помощник машиниста) перед отправлением первой части на станцию обязан в темное время суток, а при плохой видимости - и днем, навесить на оставшуюся часть поезда (со стороны отправления) ручной фонарь с прозрачно-белым огнем.

Рис. 3.20
4.1. В тех случаях, когда необходимо указать путь приема или направление следования поезда или маневрового состава, применяются маршрутные световые указатели направления белого цвета (цифровые, буквенные или положения), помещаемые на мачтах светофоров (рис. 4.1, а) или на отдельной мачте.
Для указания номера пути, с которого разрешено движение поезду, на групповых выходных и маршрутных светофорах устанавливаются маршрутные световые указатели зеленого цвета (рис. 4.1, б).
Рис. 4.1
4.2. Освещаемые стрелочные указатели одиночных стрелок в обе стороны показывают:
стрелка установлена по прямому пути - днем белый прямоугольник узкой стороны указателя, ночью - молочно-белый огонь (рис. 4.2, а);
стрелка установлена на боковой путь - днем широкая сторона указателя, ночью - желтый огонь (рис. 4.2, б).
Рис. 4.2
4.3. Положение перекрестных стрелок обозначается двумя обычными стрелочными указателями, которые показывают, что стрелки установлены:
по прямому пути - днем на обоих указателях белые прямоугольники узкой стороны указателей, ночью - молочно-белые огни (рис. 4.3, а);
с пересечением прямого пути - днем на обоих указателях широкие стороны указателей, ночью - желтые огни (рис. 4.3, б);
с прямого на боковой путь - днем на ближнем указателе видна широкая сторона указателя, ночью - желтый огонь, а на дальнем - днем виден белый прямоугольник узкой стороны указателя, ночью - молочно-белый огонь (рис. 4.3, в);
с бокового на прямой путь - днем на ближнем указателе виден белый прямоугольник узкой стороны указателя, ночью - молочно-белый огонь, а на дальнем - днем видна широкая сторона указателя, ночью - желтый огонь (рис. 4.3, г).
Рис. 4.3
4.4. Положения стрелок, управляемых с локомотива, определяются указателями светофорного типа, которые в обе стороны показывают:
стрелка установлена для движения по прямому пути - днем и ночью лунно-белый огонь;
стрелка установлена на боковой путь - днем и ночью желтый огонь.
При неплотном прилегании остряков к рамным рельсам указатели показаний не дают.
4.5. Неосвещаемые стрелочные указатели показывают:
стрелка установлена по прямому пути - стреловидный указатель направлен ребром вдоль прямого пути; видно ребро указателя (рис. 4.4, а);
стрелка установлена на боковой путь - стреловидный указатель направлен в сторону бокового пути; на белом фоне указателя видна черная стрелка, направленная в сторону бокового пути (рис. 4.4, б).
Рис. 4.4
4.6. Указатели путевого заграждения показывают:
"Путь загражден" - днем виден белый круг с горизонтальной черной полосой, ночью - молочно-белый огонь с той же черной полосой (рис. 4.5);
Рис. 4.5
"Заграждение с пути снято" - днем виден белый круг или прямоугольник с вертикальной черной полосой (рис. 4.6), ночью - молочно-белый огонь с той же черной полосой.
Рис. 4.6
Указатели путевого заграждения на упорах устанавливаются на правом конце бруса и дают сигнальное показание только в сторону пути (рис. 4.7.).
Рис. 4.7
Эти указатели могут быть освещаемыми и неосвещаемыми, что указывается в техническо-распорядительном акте станции.
В качестве сигнальных приборов путевого заграждения разрешается использовать типовые стрелочные фонари.
4.7. На электрифицированных участках постоянного тока перед воздушными промежутками, где в случае внезапного снятия напряжения в одной из секций контактной сети не допускается проход электроподвижного состава с поднятыми токоприемниками, применяются сигнальные световые указатели "Опустить токоприемник", помещаемые на опорах контактной сети или отдельных мачтах (рис. 4.8).
Рис. 4.8
При появлении на сигнальном указателе мигающей светящейся полосы прозрачно-белого цвета машинист обязан немедленно принять меры к проследованию ограждаемого воздушного промежутка с опущенными токоприемниками.
Нормально сигнальные полосы указателей не горят, и в этом положении указатели сигнального значения не имеют.
4.8. В случае применения сигнального указателя "Опустить токоприемник" перед ним устанавливается постоянный сигнальный знак с отражателями "Внимание! Токораздел" (рис. 4.9, а).
Постоянный сигнальный знак "Поднять токоприемник" с отражателями на нем устанавливается за воздушным промежутком в направлении движения (рис. 4.9, б).
Рис. 4.9
Схема установки сигнальных указателей "Опустить токоприемник" и постоянных сигнальных знаков "Поднять токоприемник" и "Внимание! - Токораздел" приведена на рис. 4.10.
Рис. 4.10
Размещение их не должно ухудшать видимость и восприятие постоянных сигналов.
4.9. Опоры контактной сети, ограничивающие воздушные промежутки, должны иметь отличительный знак - чередующиеся четыре черные и три белые горизонтальные полосы. Первая опора по направлению движения поезда, кроме того, дополнительно обозначается вертикальной черной полосой (рис. 4.11, а).
Знаки могут наноситься непосредственно на опоры или щиты, закрепляемые на опорах (рис. 4.11, б).
Рис. 4.11
На многопутных участках допускается установка указанных знаков на конструкциях контактной сети над осью пути.
Остановка электроподвижного состава с поднятыми токоприемниками между этими опорами (знаками) запрещается.
4.10. Знак "Граница станции" (рис. 4.12) указывает границу станции на двухпутных и многопутных участках. Надпись на знаке должна быть нанесена с обеих сторон.
Рис. 4.12
4.11. Предельные столбики указывают место, далее которого на пути нельзя устанавливать подвижной состав в направлении стрелочного перевода или глухого пересечения. Предельные столбики должны иметь отличительную окраску - наклонные чередующиеся черные и белые полосы (рис. 4.13).
Рис. 4.13
4.12. Предупредительные сигнальные знаки с отражателями, устанавливаются на электрифицированных участках:
"Отключить ток" (рис. 4.14) - перед нейтральной вставкой;
Рис. 4.14
"Включить ток на электровозе (тяговом агрегате)" (рис. 4.15) - за нейтральной вставкой.
Рис. 4.15
Схема установки сигнальных знаков приведена на рис. 4.16.
Рис. 4.16
4.13. Предупредительные сигнальные знаки устанавливаются:
Знак "С" - подача свистка (рис. 4.17) - перед мостами, переездами и т.д.;
Рис. 4.17
"Остановка локомотива" (рис. 4.18) - (в том числе и при движении вагонами вперед);
Рис. 4.18
"Начало толкания" (рис. 4.19, а) и "Конец толкания" (рис. 4.19, б) - в местах, установленных комиссией, назначаемой руководителем подразделения железнодорожного транспорта организации или руководителем организации промышленного железнодорожного транспорта.
Рис. 4.19
4.14. Предупредительные сигнальные знаки:
"Конец контактной подвески" (рис. 4.20) - устанавливается на контактной сети в местах, где оканчивается рабочая зона контактного провода;
Рис. 4.20
"Переход на боковую контактную сеть" (рис. 4.21) и "Переход на центральную контактную сеть" (рис. 4.22) - устанавливаются в местах, установленных комиссией, назначаемой руководителем подразделения железнодорожного транспорта организации или руководством организации промышленного железнодорожного транспорта.
Рис. 4.21
Рис. 4.22
4.15. Сигнальные знаки "Начало опасного места" (рис. 4.23, а) и "Конец опасного места" (рис. 4.23, б) с отражателями на них указывают границы участка, требующего проследования его поездами с уменьшенной скоростью.
Рис. 4.23
Сигнальный знак "Конец опасного места" помещается на обратной стороне знака "Начало опасного места".
4.16. Постоянные сигнальные знаки "Газ" и "Нефть" (рис. 4.24) устанавливаются в местах пересечения железнодорожных путей с нефтегазопроводами на отдельных столбах или опорах контактной сети и указывают на необходимость следования к месту пересечения с повышенным вниманием (бдительностью).
Рис. 4.24
4.17. В местах, не допускающих проследования электроподвижного состава с поднятыми токоприемниками (при неисправности контактной сети, производстве плановых ремонтных и строительных работ, когда при следовании поездов необходимо опускать токоприемники), устанавливают временные сигнальные знаки с отражателями, которые показывают:
"Подготовиться к опускании токоприемника" (рис. 4.25, а);
"Опустить токоприемник" (рис. 4.25, б);
"Поднять токоприемник" (рис. 4.25, в).
Рис. 4.25
Схема установки этих знаков приведена на рис. 4.26.
Рис. 4.26
В случае внезапного обнаружения повреждения контактной сети, не допускающего проследования электроподвижного состава с поднятыми токоприемниками, работник, обнаруживший эту неисправность, обязан отойти в сторону ожидаемого поезда и подавать машинисту приближающегося поезда ручной сигнал "Опустить токоприемник" (рис. 4.27):
днем - повторными движениями правой руки перед собой по горизонтальной линии при поднятой вертикально левой руке;
ночью - повторными вертикальными и горизонтальными движениями фонаря с прозрачно-белым огнем.
Машинист обязан: подать оповестительный сигнал, при обесточенной электрической цепи опустить токоприемники и проследовать место повреждения.
Рис. 4.27
Убедившись в исправности контактной сети, поднять токоприемники и продолжить движение.
4.18. На участках, где работают снегоочистители, устанавливаются временные сигнальные знаки:
"Поднять нож, закрыть крылья" (рис. 4.28) - перед препятствием;
"Опустить нож, открыть крылья" (рис. 4.29) - после препятствия.
Рис. 4.28
Рис. 4.29
На участках, где работают скоростные снегоочистители, перед знаками "Поднять нож, закрыть крылья" устанавливаются, кроме того, временные сигнальные знаки "Подготовиться к поднятию ножа и закрытию крыльев" (рис. 4.30).
Рис. 4.30
При двух близко расположенных препятствиях, когда между ними работа снегоочистителя невозможна, на шесте помещаются два знака один под другим (рис. 4.31).
Рис. 4.31
Схемы установки временных сигнальных знаков на участках, где работают снегоочистители, приведены на рис. 4.32., а где работают скоростные снегоочистители, - на рис. 4.33.
Рис. 4.32
Рис. 4.33
4.19. Все отражатели, устанавливаемые на сигнальных знаках, должны изготовляться из прозрачно-белого стекла.
В необходимых случаях, с учетом местных условий сигнальные знаки могут быть световыми или освещаемыми, что устанавливается местной инструкцией.
5.1. Ручными сигналами предъявляются требования:
5.1.1. красным развернутым флагом днем и красным огнем ручного фонаря ночью - "Стой! Движение запрещено" (рис. 5.1).
Рис. 5.1
При отсутствии днем красного флага, а ночью - ручного фонаря с красным огнем сигналы остановки подаются:
днем - движением по кругу желтого флага, руки или какого-нибудь предмета;
ночью - движением по кругу фонаря с огнем любого цвета (рис. 5.2);
Рис. 5.2
5.1.2. желтым развернутым флагом днем или прозрачно-белым огнем ручного фонаря ночью - медленным движением вверх и вниз по полукругу сбоку - "Тише!" (рис. 5.3).
Рис. 5.3
5.2. При опробовании автотормозов подаются сигналы:
5.2.1. требование машинисту произвести пробное торможение (после устного предупреждения):
днем - поднятой вертикально рукой;
ночью - поднятым ручным фонарем с прозрачно-белым огнем (рис. 5.4).
Рис. 5.4

Рис. 5.5
Машинист отвечает одним коротким свистком локомотива и приступает к торможению;
5.2.2. требование машинисту отпустить тормоза:
днем - движениями руки перед собой по горизонтальной линии; ночью - такими же движениями ручного фонаря с прозрачно-белым огнем
Машинист отвечает двумя короткими свистками локомотива и отпускает тормоза.
5.3. Дежурный по станции, на которой ему вменено в обязанность встречать и провожать поезда при отправлении или проследовании поезда по станции без остановки, показывает в сторону локомотива:
днем - поднятый вертикально в вытянутой руке ручной диск, окрашенный в белый цвет с черным окаймлением, или свернутый желтый флаг;
ночью - поднятый ручной фонарь с прозрачно-белым огнем (рис. 5.6).
Рис. 5.6
Это означает, что поезд может отправиться со станции или следовать безостановочно со скоростью, установленной для прохода по станции.
Указанный сигнал при следовании поезда без остановки показывается до прохода локомотива прибывающего поезда мимо дежурного по станции.
5.4. Сигналисты и дежурные стрелочных постов встречают поезда:
5.4.1. в случае пропуска без остановки на станции:
днем - со свернутым желтым флагом;
ночью - с прозрачно-белым огнем ручного фонаря (рис. 5.7);
Рис. 5.7
5.4.2. в случае приема поезда с остановкой на станции:
днем - с развернутым желтым флагом;
ночью - с прозрачно-белым огнем ручного фонаря, подавая сигнал "Тише!" (рис. 5.8).
Рис. 5.8
5.5. Сигналисты и дежурные стрелочных постов провожают поезда, отправляющиеся со станции, во всех случаях со свернутым желтым флагом днем и прозрачно-белым огнем ручного фонаря ночью.
5.6. На перегонах обходчики железнодорожных путей и искусственных сооружений, а также дежурные по переездам встречают поезда:
днем - со свернутым желтым флагом;
ночью - с прозрачно-белым огнем ручного фонаря (рис. 5.9).
Рис. 5.9
В местах, огражденных сигналами уменьшения скорости или остановки, они встречают поезда днем или ночью с сигналами, соответствующими установленным на пути.
5.7. При маневрах применяются ручные и звуковые сигналы:
5.7.1. "Разрешается локомотиву следовать управлением вперед:
днем - движением поднятой вверх руки с развернутым желтым флагом;
ночью - движением поднятой вверх руки с ручным фонарем с прозрачно-белым огнем (рис. 5.10).
Рис. 5.10
Днем и ночью этот сигнал может подаваться одним длинным звуком.
5.7.2. "Разрешается локомотиву следовать управлением назад":
днем - движением опущенной вниз руки с развернутым желтым флагом;
ночью - движением опущенной вниз руки с ручным фонарем с прозрачно-белым огнем (рис. 5.11).
Рис. 5.11
Днем и ночью этот сигнал может подаваться двумя длинными звуками.
5.8. При эксплуатации локомотивов с центральной кабиной управления и в других случаях с учетом местных условий допускается при маневрах применять ручные и звуковые сигналы:
5.8.1. "Разрешается локомотиву следовать в направлении к подающему сигнал":
днем - движением поднятой вверх руки с развернутым желтым флагом;
ночью - движением поднятой вверх руки с ручным фонарем с прозрачно-белым огнем (см. рис. 5.10).
Днем и ночью этот сигнал может подаваться одним длинным звуком.
5.8.2. "Разрешается локомотиву следовать в направлении от подающего сигнал":
днем - движением опущенной вниз руки с развернутым желтым флагом;
ночью - движение опущенной вниз руки с ручным фонарем с прозрачно-белым огнем (см. рис. 5.11) или двумя длинными звуками;
5.8.3. "Тише!":
днем - медленными движениями вверх и вниз развернутого желтого флага;
ночью - ручного фонаря с прозрачно-белым огнем (рис. 5.12).
Рис. 5.12
Днем и ночью этот сигнал может подаваться двумя короткими звуками.
5.8.4. "Стой!":
днем - движением по кругу развернутого красного или желтого флага;
ночью - ручного фонаря с любым огнем (рис. 5.13).
Рис. 5.13
Днем и ночью этот сигнал может подаваться тремя короткими звуками.
Порядок пользования приведенными выше сигналами устанавливается местной инструкцией.
5.9. Звуковые сигналы при маневрах подаются ручным свистком или духовым рожком.
Сигналы при маневрах должны повторяться свистками локомотива, подтверждающими принятие их к исполнению.
Задания сигналисту или дежурному стрелочного поста установить стрелку на тот или иной путь, а также указания по движению поездов и маневровым передвижениям могут подаваться по радиосвязи, устройствам двусторонней парковой связи, а также звуками различной продолжительности, (свистками локомотивов и свистками руководителей маневров) в порядке, указанном в местной инструкции или техническо-распорядительном акте станции.
Применение на локомотивах сигнальных устройств большой и малой громкости устанавливается местной инструкцией.
6.1. При движении на однопутных, двухпутных и многопутных участках применяются сигналы, обозначающие голову и хвост поезда:
6.1.1. при движении локомотивом вперед:
днем - голова поезда сигналами не обозначается (рис. 6.1), хвост поезда обозначается диском красного цвета со светоотражателем у буферного бруса вагона с правой стороны (рис. 6.1, б);
ночью - голова поезда обозначается двумя прозрачно-белыми огнями фонарей у буферного бруса локомотива (рис. 6.2, а), хвост поезда обозначается диском красного цвета со светоотражателем у буферного бруса вагона с правой стороны (рис. 6.2, б);
Рис. 6.1
Рис. 6.2
6.1.2. при движении вагонами вперед поезда, сопровождаемого составителем:
днем - голова и хвост поезда сигналами не обозначаются;
ночью - голова поезда обозначается прозрачно-белым огнем ручного фонаря составителя (рис. 6.3), хвост поезда обозначается одним красным огнем фонаря у буферного бруса локомотива с правой стороны (рис. 6.4.).
Рис. 6.3
Рис. 6.4
6.1.3. Порядок обозначения сигналами поездов, не сопровождаемых составителем при движении вагонами вперед, устанавливается руководителем подразделения железнодорожного транспорта организации или руководителем организации промышленного железнодорожного транспорта с учетом разработки организационно-технических мероприятий, обеспечивающих безопасность движения и безопасность работников железнодорожного транспорта и указывается в местной инструкции.
6.2. На открытых горных разработках при движении специализированных поездов (вертушек) на однопутных, двухпутных и многопутных участках применяются сигналы, обозначающие голову и хвост поезда:
6.2.1. при движении локомотивом вперед:
днем - голова поезда диском красного цвета у буферного бруса с правой стороны, хвост поезда диском красного цвета у буферного бруса с правой стороны (рис. 6.5);
ночью - голова поезда обозначается двумя прозрачно-белыми огнями фонарей у буферного бруса локомотива (см. рис. 6.2, а), хвост поезда обозначается одним прозрачно-белым огнем фонаря на буферном брусе вагона с правой стороны (рис. 6.6);
Рис. 6.5
Рис. 6.6
6.2.2. при движении вагонами вперед:
днем - голова поезда обозначается диском красного цвета с правой стороны на буферном брусе вагона (рис. 6.7) и головной вагон оборудуется устройствами звуковой сигнализации, хвост поезда сигналами не обозначается;
ночью - голова поезда обозначается прозрачно-белым огнем у буферного бруса с правой стороны вагона (рис. 6.8), и головной вагон оборудуется устройствами звуковой сигнализации, хвост поезда обозначается двумя красными огнями на буферном брусе локомотива (рис. 6.9).
Рис. 6.7
Рис. 6.8
Рис. 6.9
6.3. Локомотив, следующий без вагонов, днем сигналами не обозначается; ночью впереди и сзади должен иметь по одному прозрачно-белому огню на буферных брусах со стороны основного пульта управления.
Подталкивающий локомотив и специальный самоходный подвижной состав обозначаются сигналами так же, как и локомотив без вагонов.
6.4. В случае вывода с перегона поезда по частям хвост части поезда, отправляемый на станцию, обозначается:
днем - развернутым желтым флагом у буферного бруса с правой стороны;
ночью - прозрачно-белым огнем фонаря (рис. 6.10).
Рис. 6.10
Последняя убираемая часть поезда обозначается так же, как и хвост поезда.
6.5. Порядок обозначения сигналами поездов, а также подталкивающих локомотивов и хозяйственных поездов при движении по неправильному пути, устанавливается руководителем подразделения железнодорожного транспорта организации или руководителем организации промышленного железнодорожного транспорта и указывается в местной инструкции.
6.6. Снегоочиститель при движении на однопутных участках и по правильному пути на двухпутных обозначается:
6.6.1. если в голове снегоочиститель:
днем - двумя желтыми развернутыми флагами на боковых крюках;
ночью - двумя желтыми огнями боковых фонарей, а в сторону локомотива - двумя прозрачно-белыми контрольными огнями (рис. 6.11).
Рис. 6.11
6.6.2. если в голове локомотив:
днем - двумя желтыми развернутыми флагами у буферных фонарей;
ночью - двумя желтыми огнями буферных фонарей (рис. 6.12, а); хвост обозначается, как хвост одиночно следующего локомотива.
6.7. Снегоочистители при движении их в голове по неправильному пути на двухпутных участках обозначаются:
днем - двумя желтыми развернутыми флагами и красным развернутым флагом под желтым слева на боковых крюках;
ночью - соответственно двумя желтыми и одним красным огнями фонарей, а в сторону локомотива тремя прозрачно-белыми контрольными огнями (рис. 6.12, б).
Рис. 6.12
Если в голове локомотив, то он обозначается так же, как снегоочиститель при движении в голове (см. рис. 6.12, б).
Порядок обозначения другой снегоочистительной техники, аналогичной указанному, и необходимость его применения определяется руководителем подразделения железнодорожного транспорта предприятия или руководителем организации промышленного железнодорожного транспорта и указывается в местной инструкции.
6.8. Локомотив при маневровых передвижениях ночью должен иметь по одному прозрачно-белому огню впереди и сзади на буферных брусьях со стороны основного пульта управлениялокомотивом.
6.9. Дрезины съемного типа, съемные ремонтные вышки на электрифицированных участках, путевые вагончики и другие съемные подвижные единицы при нахождении на перегоне должны иметь:
днем - прямоугольный щит, окрашенный с обеих сторон в красный цвет, или развернутый красный флаг на шесте;
ночью - спереди и сзади красный огонь фонаря, укрепленного на шесте.
Съемные ремонтные вышки и путевые вагончики на перегоне должны быть, кроме того, ограждены с обеих сторон переносными или ручными красными сигналами, переносимыми одновременно с передвижением ремонтной вышки и вагончика на расстоянии тормозного пути, установленного для данного участка.
При работе на станции съемная ремонтная вышка и путевой вагончик должны иметь:
днем - щит, окрашенный с обеих сторон в красный цвет, или красный флаг на шесте;
ночью - спереди и сзади красный огонь фонаря, укрепленного на шесте.
При движении по станционным путям и стрелочным переводам съемная ремонтная вышка и путевой вагончик, кроме того, с обеих сторон должны быть ограждены на расстоянии не менее 15 м переносными или ручными красными сигналами, переносимыми одновременно с передвижением съемной ремонтной вышки и путевого вагончика.
Если на двухпутном или многопутном участке по смежному пути будет следовать встречный поезд, то красный сигнал, ограждающий съемную ремонтную вышку, путевой вагончик или другую съемную подвижную единицу со стороны следования встречного поезда, до прохода поезда снимается.
Работники, ограждающие с обеих сторон съемные ремонтные вышки, путевые вагончики и другие съемные подвижные единицы, а также работники, руководящие передвижением съемных единиц, должны быть снабжены, кроме переносных щитов, ручных флагов и сигнальных фонарей, приборами для подачи звуковых сигналов о приближении поезда, если это потребуется.
7.1. Звуковые сигналы при движении поездов подаются свистками локомотивов, специального самоходного подвижного состава, духовыми рожками, ручными свистками.
|
Сигнал |
Значение сигнала |
Кто подает |
|
Три коротких
|
"Стой" |
Локомотивная бригада, составитель, станционные и другие работники, участвующие в движении поездов. |
|
Один длинный
|
"Отправиться поезду" |
Дежурный по станции или по его указанию сигналист, дежурный стрелочного поста, составитель; отвечает машинист ведущего локомотива; повторяет сигнал машинист второго локомотива при двойной тяге. Если поезд отправляется с пути, имеющего выходной светофор, этот сигнал подает машинист ведущего локомотива, после открытия выходного светофора; повторяет сигнал машинист второго локомотива при двойной тяге. |
|
Три длинных и один короткий
|
Прибытие поезда на станцию не в полном составе |
Машинист ведущего локомотива |
Следование двойной тягой |
||
|
Один короткий
|
Требование к машинисту второго локомотива уменьшить тягу |
Машинист ведущего локомотива; повторяет сигнал машинист второго локомотива. |
|
Два коротких
|
Требование к машинисту второго локомотива увеличить тягу. |
Машинист ведущего локомотива; повторяет сигнал машинист второго локомотива. |
|
Два длинных и два коротких
|
Требование к машинисту второго локомотива "Опустить токоприемник". |
Машинист ведущего локомотива; повторяет сигнал машинист второго локомотива |
Следование с подталкивающим локомотивом |
||
|
Два коротких
|
Требование начать подталкивание. |
Машинист ведущего локомотива; повторяет сигнал машинист подталкивающего локомотива. |
|
Один короткий, один длинный и один короткий
|
Требование прекратить подталкивание, но не отставать от поезда. |
Машинист ведущего локомотива; повторяет сигнал машинист подталкивающего локомотива. |
|
Четыре длинных
|
Требование прекратить подталкивание и возвратиться обратно. |
Машинист ведущего локомотива; повторяет сигнал машинист подталкивающего локомотива. |
_____________
* Здесь и далее под "локомотивной бригадой" подразумевается также бригада специального самоходного подвижного состава (машинист и помощник машиниста или водитель и помощник водителя дрезины и др. согласно инструкции по эксплуатации соответствующей машины).
Примечание. При следовании поезда двойной тягой с подталкивающим локомотивом машинист второго локомотива повторяет все сигналы вслед за подачей их с подталкивающего локомотива.
При наличии радиосвязи звуковые сигналы при следовании поездов двойной тягой или с подталкивающим локомотивом могут заменяться переговорами между машинистами.
7.2. Оповестительный сигнал - один длинный свисток локомотива (специального самоходного подвижного состава) подается:
при приближении поезда к станциям (постам), вагоноопрокидывателям, бункерам, эстакадам, вагонным весам, устройствам восстанавливания сыпучести смерзшихся грузов, гаражам размораживания грузов, переносным и ручным сигналам, требующим уменьшения скорости, сигнальным знакам "С", выемкам, кривым участкам пути, тоннелям, съемным дрезинам, съемным ремонтным вышкам, путевым вагончикам и другим съемным подвижным единицам;
при приближении поезда к месту работ, начиная с километра, предшествующего указанному в предупреждении, независимо от наличия переносных сигналов;
при встрече поездов на перегонах двухпутных участков: первый сигнал при приближении к встречному поезду, второй - при подходе к хвостовой части встречного поезда;
при приближении к находящимся на пути людям и в других случаях, требующих оповещения о приближении поезда или маневрового состава.
При следовании по неправильному пути, а также во время тумана, метели и при других неблагоприятных условиях, понижающих видимость, этот сигнал повторяется несколько раз.
Работники станций, находящиеся на путях, смежных с приготовленным маршрутом, составители поездов, прекратившие маневры из-за приема поезда, сигналисты и дежурные стрелочного поста по оповестительному сигналу обязаны каждый на своем участке проверить и убедиться в том, что безопасность принимаемого поезда обеспечена.
7.3. Сигнал бдительности подается одним коротким и одним длинным свистком локомотива (специального самоходного подвижного состава) и периодически повторяется:
при проследовании проходного светофора с красным огнем, а также с непонятным показанием или погасшим, после стоянки перед ним и при дальнейшем следовании по блок-участку;
при подходе к входному светофору с лунно-белым мигающим огнем пригласительного сигнала и во всех других случаях приема поезда на станцию при запрещающем показании или погасших основных огнях входного светофора;
при приеме поезда по неправильному пути (при отсутствии входного светофора по этому пути). Этот сигнал должен подаваться и при дальнейшем следовании по горловине станции;
при подходе к проходному светофору с красным огнем, имеющему условно-разрешающий сигнал, и дальнейшем следовании по блок-участку.
7.4. При взаимодействии локомотиво-составительских бригад с работниками, обслуживающими технологические объекты, могут подаваться звуковые сигналы, значение и порядок применения которых устанавливается руководителем организации и указывается в техническо-распорядительном акте станции.
8.1. Сигналы тревоги подаются свистками локомотивов и специального самоходного подвижного состава, сиренами, ударами в подвешенные металлические предметы.
Звуки, обозначенные в схеме звуковых сигналов, в случае подачи их ударами воспроизводятся: длинные - часто следующими один за другим ударами, а короткие - редкими ударами по числу необходимых коротких звуков.
8.2. Сигнал "Общая тревога" подается группами из одного длинного и трех коротких звуков:
![]()
при обнаружении на пути неисправности, угрожающей безопасности движения;
при остановке поезда в снежном заносе, при разрыве поезда, крушении поезда и в других случаях, когда требуется помощь.
8.3. Сигнал "Пожарная тревога" подается группами из одного длинного и двух коротких звуков:
![]()
Сигнал общей и пожарной тревоги подаются при необходимости каждым работником железнодорожного транспорта.
8.4. Сигнал "Воздушная тревога" подается протяжным звучанием сирен, а также рядом коротких звуков непрерывно в течение 2 - 3 мин.;
![]()
Сигнал воздушной тревоги, поданный в городе сиренами или переданный по радиотрансляционной сети, немедленно повторяется сиренами в организациях, расположенных в городах, а также свистками локомотивов и специального самоходного подвижного состава.
На перегонах сигнал воздушной тревоги подается свистками локомотивов и самоходного подвижного состава.
8.5. Сигнал "Радиационная опасность" или "Химическая тревога" подаются в течение 2 - 3 мин;
на перегонах - свистками локомотивов и специального самоходного подвижного состава группами из одного длинного и одного короткого звуков:
![]()
на станциях - частыми ударами в подвешенные металлические предметы.
Сигнал "Радиационная опасность" или "Химическая тревога" на станциях подается по распоряжению начальника станции (руководителя подразделения железнодорожного транспорта предприятия, руководителя организации промышленного железнодорожного транспорта), а на перегонах - машинистом ведущего локомотива и машинистом (водителем) специального самоходного подвижного состава.
При наличии радиотрансляционной сети оповещение о радиоактивной или химической опасности производится также через эту сеть передачей текста указанных сигналов.
8.6. Об окончании воздушной тревоги, а также угрозы поражения радиоактивными или отравляющими веществами работники оповещаются через радиотрансляционную сеть и другие средства связи, включая и посыльных.
8.7. Для предупреждения локомотиво-составительских бригад о следовании поезда на зараженный участок, а также для предотвращения появления людей на нем без индивидуальных средств защиты (противогазов, защитных костюмов и др.) такой участок ограждается специальными указателями "Заражено" (рис. 8.1).
Рис. 8.1
Указатели "Заражено" на станциях и перегонах устанавливаются на расстоянии не более 50 м от границ зараженного участка. Перегоны, кроме того, с обеих сторон зараженного участка с правой стороны по направлению движения на расстоянии тормозного пути, установленного для данного участка, от первых указателей "Заражено" ограждаются вторыми такими же указателями. Указатели "Заражено" устанавливаются на обочине земляного полотна или в междупутье.
Перед первым по ходу поезда указателем "Заражено" или перед местом, указанным в уведомлении, полученном от дежурного по станции о наличии зараженного участка (независимо от того, огражден участок указателями или нет), машинист ведущего локомотива обязан подать сигнал "Радиационная опасность" или "Химическая тревога" и проследовать зараженный участок с установленной скоростью.
Указатели "Заражено" ночью должны освещаться.
8.8. Сигнальные огни светофоров, фонарей, стрелочных указателей, поездных, ручных и других сигналов должны обеспечиваться светомаскировочными устройствами.