Prevailing torque type all-metal hexagon nuts, style 2, with fine pitch thread. Property classes 8, 10 and 12

ФЕДЕРАЛЬНОЕ АГЕНТСТВО
ПО ТЕХНИЧЕСКОМУ РЕГУЛИРОВАНИЮ И МЕТРОЛОГИИ

НАЦИОНАЛЬНЫЙ
СТАНДАРТ
российской
федерации

ГОСТ Р ИСО
10513-2009

ГАЙКИ ШЕСТИГРАННЫЕ
САМОСТОПОРЯЩИЕСЯ
ЦЕЛЬНОМЕТАЛЛИЧЕСКИЕ ТИПА 2 С МЕЛКИМ
ШАГОМ РЕЗЬБЫ

Классы прочности 8, 10 и 12

ISO 10513:1997
Prevailing torque type, (all-metal hexagon nuts), style 2,
with metric fine pitch thread - Property classes 8,10 and 12
(IDT)

Москва

Стандартинформ

2009

Предисловие

Цели и принципы стандартизации в Российской Федерации установлены Федеральным законом от 27 декабря 2002 г. № 184-ФЗ «О техническом регулировании», а правила применения национальных стандартов Российской Федерации - ГОСТ Р 1.0-2004 «Стандартизация в Российской Федерации. Основные положения»

Сведения о стандарте

1 ПОДГОТОВЛЕН Федеральным государственным унитарным предприятием «Центральный Ордена Трудового Красного Знамени научно-исследовательский автомобильный и автомоторный институт» (ФГУП «НАМИ») на основе собственного перевода стандарта, указанного в пункте 4

2 ВНЕСЕН Техническим комитетом по стандартизации ТК 229 «Крепежные изделия»

3 УТВЕРЖДЕН И ВВЕДЕН В ДЕЙСТВИЕ Приказом Федерального агентства по техническому регулированию и метрологии от 18 июня 2009 г. № 200-ст

4 Настоящий стандарт идентичен международному стандарту ИСО 10513:1997 «Гайки шестигранные цельнометаллические самостопорящиеся, тип 2, с метрической мелкой резьбой. Классы качества 8, 10 и 12» (ISO 10513:1997 «Prevailing torque type all-metal hexagon nuts, style 2, with metric fine pitch thread - Property classes 8,10 and 12»).

Наименование настоящего стандарта изменено относительно наименования указанного международного стандарта для приведения в соответствие с ГОСТ Р 1.5-2004 (пункт 3.5).

При применении настоящего стандарта рекомендуется использовать вместо ссылочных международных стандартов соответствующие им национальные стандарты Российской Федерации, сведения о которых приведены в приложении А

5 ВВЕДЕН ВПЕРВЫЕ

Информация об изменениях к настоящему стандарту публикуются в ежегодно издаваемом информационном указателе «Национальные стандарты», а текст изменений и поправок - в ежемесячно издаваемых информационных указателях «Национальные стандарты». В случае пересмотра (замены) или отмены настоящего стандарта соответствующее уведомление будет опубликовано в ежемесячно издаваемом информационном указателе «Национальные стандарты». Соответствующая информация, уведомление и тексты размещаются также в информационной системе общего пользования - на официальном сайте Федерального агентства по техническому регулированию и метрологии в сети Интернет

СОДЕРЖАНИЕ

1 Область применения. 2

2 Нормативные ссылки. 2

3 Размеры.. 3

4 Технические требования. 4

5 Обозначение. 4

Приложение А (справочное) Сведения о соответствии ссылочных международных стандартов национальным стандартам  Российской Федерации. 4

ГОСТ Р ИСО 10513-2009

НАЦИОНАЛЬНЫЙ СТАНДАРТ РОССИЙСКОЙ ФЕДЕРАЦИИ

ГАЙКИ ШЕСТИГРАННЫЕ САМОСТОПОРЯЩИЕСЯ ЦЕЛЬНОМЕТАЛЛИЧЕСКИЕ ТИПА 2 С МЕЛКИМ
ШАГОМ РЕЗЬБЫ

Классы прочности 8,10 и 12

Prevailing torque type all-metal hexagon nuts, style 2, with fine pitch thread. Property classes 8,10 and 12

Дата введения - 2010-01-01

1 Область применения

Настоящий стандарт устанавливает характеристики шестигранных самостопорящихся цельнометаллических гаек типа 2 и мелким шагом резьбы с номинальными диаметрами резьбы d от 8 до 36 мм класса точности A для размеров d до 16 мм и класса точности B для размеров d свыше 16 мм и классов прочности 8, 10 и 12.

Размеры гаек соответствуют размерам, указанным в ИСО 8674, за исключением размеров mw и hmax.

В особых случаях, когда требуются другие требования, чем установленные в данном стандарте, они должны выбираться из действующих международных стандартов, таких как, например, ИСО 261, ИСО 965-2, ИСО 2320 и ИСО 4759-1.

2 Нормативные ссылки

В настоящем стандарте использованы нормативные ссылки на следующие стандарты:

ИСО 225:1983 Изделия крепежные. Болты, винты, шпильки и гайки. Символы и обозначения размеров

ИСО 261:1998 Резьбы метрические ИСО общего назначения. Общий план

ИСО 965-2:1998 Резьбы метрические. ИСО общего применения. Допуски. Часть 2. Предельные размеры для наружной и внутренней резьб общего применения. Средний класс точности

ИСО 2320:2008 Гайки стальные самостопорящиеся. Механические и функциональные свойства

ИСО 3269:2000 Изделия крепежные. Приемочный контроль

ИСО 4042:1999 Изделия крепежные. Электролитические покрытия

ИСО 4759-1:2000 Изделия крепежные. Допуски. Часть 1. Болты, винты, шпильки и гайки. Классы точности A, B и C

ИС06157-2:1995 Изделия крепежные. Дефекты поверхности. Часть 2. Гайки

ИСО 8992:2005 Изделия крепежные. Общие требования для болтов, винтов, шпилек и гаек

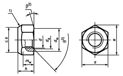
3 Размеры

Размеры шестигранной гайки указаны на рисунке 1 и в таблице 1. Символы и их обозначения установлены в ИСО 225.

1)Форма обжатого участка по выбору изготовителя.

2) b = 15°...30°

3) q = 90°...120°

Рисунок 1 - Гайка шестигранная

Таблица 1

Размеры в миллиметрах

Резьба d ´ P1)

М8´1

М10 ´ 1
М10
´ 1,25

М12 ´ 1,25
М12
´ 1,5

(М14 ´ 1,5)2)

М16 ´ 1,5

М20 ´ 1,5

М24 ´ 2

М30 ´ 2

М36 ´ З

da

не более

8,75

10,8

13

15,1

17,3

21,6

25,9

32,4

38,9

не менее

8,00

10,0

12

14,0

16,0

20,9

24,0

30,0

36,0

dw не менее

11,63

14,63

16,63

19,64

22,49

27,7

33,25

42,75

51,11

е, не менее

14,38

17,77

20,03

23,36

26,75

32,95

39,55

50,85

60,79

h

не более

8,00

10,00

12,00

14,1

16,4

20,3

23,9

30,0

36,0

не менее

7,14

8,94

11,57

13,4

15,7

19,0

22,6

27,3

33,1

mw3), не менее

5,15

6,43

8,3

9,68

11,28

13,52

16,16

19,44

23,52

s

не более

13,00

16,00

18,00

21,00

24,00

30,00

36

46

55,0

не менее

12,73

15,73

17,73

20,67

23,67

29,16

35

45

53,8

1) Р - шаг резьбы.

2) Размеры гаек, заключенные в скобки применять не рекомендуется.

3) Минимальная высота зацепления ключом.

4 Технические требования

Технические требования приведены в таблице 2.

Таблица 2

Материал

Сталь

Общие требования

Обозначение стандарта

ИСО 8992

Резьба

Допуск

Обозначение стандартов

ИСО 261, ИСО 965-2

Механические и функциональные свойства

Класс точности

8

10

12

Тип, соответствующий механическим свойствам1)

d £ 16 мм Тип 2

d £ 16 мм Тип 1

Тип 2

d £ 16 мм2) Тип 2

Обозначение стандарта

ИСО 2320

Предельные размеры. Допуски формы и расположения

Класс точности

d £ 16 мм: А

d > 16 мм: В

Обозначение стандарта

ИСО 4759-1

Поверхность

После изготовления

Требования к гальванической защите поверхности по ИСО 4042.

Иные требования к гальванической или другой защите поверхности должны согласовываться между заказчиком и поставщиком.

Предельные значения для дефектов поверхности установлены в ИСО 6157-2.

Приемочный контроль

По ИСО 3269

1) Гайки по настоящему стандарту (относительно высоты hmin) соответствуют типу 2. Так как ИСО 2320 не устанавливает механические свойства для всех классов прочности и размеров, которые приведены в этом стандарте, в некоторых случаях гайки следует проверять согласно типу 1.

2) Для d > 16 мм применение класса прочности 12 не определено.

5 Обозначение

Пример условного обозначения гайки самостопорящейся цельнометаллической ипа 2 с резьбой М12 ´ 1,5 и классом прочности 8:

Гайка шестигранная М12 ´ 1,5-8 - ГОСТ Р ИС0 10513-2009

Приложение А
(справочное)

Сведения о соответствии ссылочных международных стандартов национальным стандартам
Российской Федерации

Таблица А.1

Обозначение ссылочного международного стандарта

Обозначение и наименование соответствующего национального стандарта

ИСО 225:1983

*

ИСО 261:1998

ГОСТ 8724-2002 Основные нормы взаимозаменяемости. Резьба метрическая. Диаметры и шаги

ИСО 965-2:1998

ГОСТ 16093-2004 Основные нормы взаимозаменяемости. Резьба метрическая. Допуски. Посадки с зазором

ИСО 2320-2008

ГОСТ Р ИСО 2320-2009 Гайки стальные самостопорящиеся. Механические и функциональные свойства

ИСО 3269-2000

ГОСТ Р ИСО 3269-2009 Изделия крепежные. Приемочный контроль

ИСО 4042-1999

ГОСТ Р ИСО 4042-2009 Изделия крепежные. Электролитические покрытия

ИСО 4759-1:2000

ГОСТ Р ИСО 4759-1-2009 Изделия крепежные. Допуски. Часть 1. Болты, винты, шпильки и гайки. Классы точности А, В и С

ИСО 6157-2:1995

ГОСТ Р ИСО 6157-2-2009 Изделия крепежные. Дефекты поверхности. Часть 2. Гайки

ИСО 8992:2005

*

"Соответствующий национальный стандарт отсутствует. До его утверждения рекомендуется использовать перевод на русский язык данного международного стандарта. Перевод данного международного стандарта находится в Федеральном информационном фонде технических регламентов и стандартов.

 

Ключевые слова: гайки самостопорящиеся, технические требования, обозначения