ОТРАСЛЕВОЙ СТАНДАРТ
|
ИЗОБРАЖЕНИЯ УСЛОВНЫЕ ГРАФИЧЕСКИЕ |
ОСТ 1 00159-75 На 3 страницах Введен впервые |
Распоряжением Министерства от 13 марта 1975 г. № 087-16 срок введения установлен с 1 января 1976 г.
Несоблюдение стандарта преследуется по закону
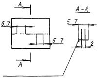
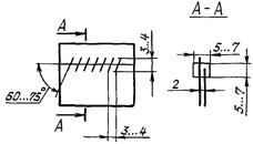
1. Настоящий стандарт устанавливает условные графические изображения строчек и закрепок, получаемых при сшивании текстильных материалов в изделиях парашютной техники.
2. Условные графические изображения строчек и закрепок должны соответствовать указанным в таблице.
|
Наименование строчек и закрепок |
Способ выполнения |
|
|
|
Челночная |
Машинный |
|
|
|
При изображении строчки более 50 мм |
Зигзагообразная |
|
|
|
Зигзагообразная (петельная) |
|
||
|
Челночная |
Ручной |
|
|
|
Подшивочная |
|
||
|
Закрепка без обвивки |
|||
|
Машинный |
|||
|
Закрепка с обвивкой |
|
||
|
Ручной |
|
||
|
Цепная |
Машинный |
|
ЛИСТ РЕГИСТРАЦИИ ИЗМЕНЕНИЙ
|
Номер страниц |
Номер «Изв. об изм.» |
Подпись |
Дата |
Дата введения изменения |
||||
|
измененных |
замененных |
новых |
аннулированных |
|||||
|
1 |
1, 2, 3 |
- |
4 |
- |
8698 |
8.09.82 |
01.01.83 г. |
|