нииосп

ОРДЕНА ТРУДОВОГО КРАСНОГО ЗНАМЕНИ
НАУЧНО-ИССЛЕДОВАТЕЛЬСКИЙ ИНСТИТУТ
ОСНОВАНИЙ И ПОДЗЕМНЫХ СООРУЖЕНИЙ
имени Н.М. ГЕРСЕВАНОВА
ГОССТРОЯ СССР

РЕКОМЕНДАЦИИ
ПО СТРОИТЕЛЬСТВУ
ОПУСКНЫХ СООРУЖЕНИЙ
СПОСОБОМ ЗАДАВЛИВАНИЯ

МОСКВА-1980

АННОТАЦИЯ

В рекомендациях изложена технология строительства опускных сооружений способом задавливания с помощью шарнирных упорных конструкций.

Рекомендации регламентируют технологию и механизацию работ и технику безопасности. Предлагаемая технология позволяет производить строительство опускных сооружений практически без отклонения от вертикали и может быть использована для возведения шахтных стволов, насосных станций, береговых водозаборов, опор мостов и других аналогичных объектов.

Рекомендации могут быть использованы инженерно-техническими работниками строительных и проектных организаций для проектирования и непосредственно для выполнения работ по погружению опускных колодцев.

Рекомендации по строительству опускных сооружений способом задавливания разработаны НИИ оснований и подземных сооружений им. Н.М. Герсеванова (главный инженер Бюро внедрения Ю.С. Смирнов, зав. отделом Ю.А. Березницкий, ст. научный сотрудник, к.т.н. В.Н. Корольков, с участием инж. В.Б. Михайлова, Я.М. Бобровского, В.П. Мушенко).

Рекомендации одобрены Ученым Советом института и рекомендованы к изданию.

1. ОБЩИЕ ПОЛОЖЕНИЯ

1.1. Настоящие рекомендации составлены в развитие главы СНиП III-9-74 «Основания и фундаменты» и в дополнение к «Инструкции по производству работ методом опускных колодцев» МСН 151-67/ММСС СССР и «Рекомендациями по погружению опускных сооружений в тиксотропной рубашке», разработанным НИИОСП Госстроя СССР.

Рекомендации предназначены для экспериментального строительства опускных сооружений, погружаемых способом задавливания.

1.2. Рекомендации распространяются на опускные колодцы, погружаемые способом задавливания, и регламентируют технологию и механизацию работ, приемку работ и технику безопасности.

1.3. Работы выполняются в следующей последовательности (рис. 1). Перед началом работ по погружению опускного колодца изготавливают опорную конструкцию, например, в виде круговой контрфорсной подпорной стенки 1, заглубленной в грунт.

Опорную конструкцию оборудуют устройством для задавливания, например, в виду двухконсольных балок 2 с гидродомкратами 3.

Внутри опорной конструкции монтируют ножевую часть 4 и нагружают ее ярусами стен колодца 5 в сборном или монолитном варианте до уровня убранных штоков гидродомкратов и начинают цикличное задавливание колодца по мере наращивания стен и выдачи грунта.

1.4. Сущность технологии строительства опускных сооружений способом задавливания (авт. свид. №№ 527515, 57182, 19662) заключается в задавливании в грунт системой гидродомкратов колодца, наращиваемого ярусами высотой, кратной величине хода штоков гидродомкратов по мере разработки и выдачи грунта. При этом погружение опускного колодца производится при обязательном опережении режущей кромкой ножа поверхности забоя.

1.5. Способ догружения опускных колодцев задавливанием может применяться как при наращивании стен сборными железобетонными или чугунными элементами, так и монолитным железобетоном.

1.6. Указанный способ строительства применим в различных гидрогеологических условиях, кроме скальных и полускальных пород, а также пород с валунными включениями диаметром более 0,2 м.

Рис. 1. Технологическая схема погружения колодца способом задавливания

1 - опорный воротник; 2 - двух консольная балка; 3 - гидроцилиндры; 4 - ножевая часть; 5 - крепь ствола; 6 - полок.

Рациональная область применения: сооружения глубиной более 20 м, сооружения с повышенными требованиями соблюдения вертикальности и производство работ вблизи зданий и коммуникаций.

1.7. Задание на проектирование конструкций опускных колодцев, погружаемых задавливанием, должно содержать исходные данные, указанные в п. 3.1. «Инструкции по проектированию опускных колодцев». МСН 125-66/ММСС СССР.

Перед началом проектирования следует составить технические задания, в которых совместно со специализированной строительной организацией и генпроектировщиком определить основные положения производства работ, взаимосвязанные с проектированием.

1.8. Инженерные изыскания для сооружений, возводимых погружением опускного колодца задавливанием следует осуществлять в соответствии с главой СНиП II-9-78 «Инженерные изыскания для строительства».

На строительной площадке должно быть пробурено не менее 4 разведочных скважин в пределах контура будущего сооружения. При этом должны быть выявлены и оконтурены все напластования с указанием характеристик пород, мощности слоев и характера их залегания.

Глубина заложения разведочных скважин должна быть ниже проектной отметки сооружения не менее, чем на 10 м.

1.9. Проект опускного колодца, погружаемого задавливанием, должен разрабатываться совместно с проектом производства работ и учитывать особенности технологии производства работ.

1.10. При разработке проекта опускного колодца, погружаемого задавливанием, должны учитываться:

производственные условия строительства;

наиболее экономичные способы производства работ;

экономически оправданная механизация и индустриализация строительства;

экономия строительных материалов.

1.11. Проект производства работ на строительство опускного колодца, погружаемого способом задавливания должен разрабатываться в соответствии с «Инструкцией о порядке составления и утверждения проектов организации строительства и проектов производства работ». (СН 47-74) с использованием принципиальных положений главы СНиП III-9-74 «Основания и фундаменты», а также в соответствии с настоящими рекомендациями.

Помимо общих вопросов, проект производства работ должен включить:

детальные технологические карты на погружение колодца;

рабочие чертежи устройства для задавливания опорной конструкции, гидравлическую и электрическую схемы домкратной системы; порядок работы домкратных установок и рекомендации по устранению кренов и контролю за погружением колодца;

проект глинистого хозяйства;

рецептуру приготовления глинистых суспензий и рекомендации по контролю их качества.

1.12. При погружении опускных колодцев способом задавливания целесообразно осуществлять измерение напряжений, возникающих в стенках и в ножевой части, с целью контроля их состояния в процессе погружения.

1.13. Замеры напряжений следует производить при помощи электрических или акустических датчиков, устанавливаемых на горизонтальной и вертикальной рабочей арматуре.

1.14. Установка датчиков напряжений и регистрация их показаний должна производиться специализированной организацией, имеющей опыт подобных работ.

1.15. Схема расположения датчиков и порядок проведения замеров должны быть разработаны при проектировании с учетом конструктивных особенностей сооружения, его расчетных схем и порядка производства работ по погружению.

1.16. Для измерения напряжений, возникающих в ножевой части колодца от изгиба при задавливании, датчики следует устанавливать в одном поперечном сечении ножевой части равномерно по длине окружности в количестве 8 штук на горизонтальных арматурных стержнях, связывающих наружную и внутреннюю арматурные сетки.

Для измерения напряжений, возникающих в стенках колодца от изгибающих моментов, обусловленных давлением грунта, датчики следует располагать в нескольких поперечных сечениях колодца равномерно по длине окружности по 8 штук на наружной и по 4 на внутренней горизонтальной арматуре.

Для измерения напряжений, возникающих в стенах колодца и ножевой части от действия продольных сил при задавливании, датчики следует устанавливать в поперечном сечении ножевой части и поперечном сечении стен колодца равномерно по окружности по 8 штук на арматурных стержнях, расположенных вертикально между наружной и внутренней арматурой.

2. РАСЧЕТ И КОНСТРУИРОВАНИЕ ОПУСКНЫХ КОЛОДЦЕВ, ПОГРУЖАЕМЫХ ЗАДАВЛИВАНИЕМ

2.1. Принципиальные положения расчета и конструирования опускных колодцев, погружаемых задавливанием, принимаются в соответствии с «Инструкцией по проектированию опускных колодцев» МСН 125-66/MMCC СССР и «Руководством по расчету опускных колодцев, погружаемых в тиксотропной рубашке», разработанным Харьковским ПромстройНИИпроектом и Приднепровским Промстройпроектом.

2.2. Расчет опускного колодца на погружение следует производить с учетом врезания ножа в забой:

в песках - на 1,5 м;

в супесях и суглинках - на 0,75 м;

в глинах - на 0,5 м;

в плывунах - не менее 2 м.

2.3. Суммарную нагрузку задавливания, состоящую из веса колодца, нагрузки, создаваемой домкратами, за вычетом взвешивающей силы при погружении колодца без водоотлива, для обеспечения необходимого врезания ножа в забой следует принимать:

в песках - 400 - 600 кН, в супесях, в суглинках, в глинах - 300 - 400 кН, в плывунах - 400 - 500 кН на 1 п.м. окружности режущей кромки ножа.

2.4. Статический расчет оболочки колодца осуществляется в соответствии с действующими нормативными материалами с учетом вертикальных усилий, вызываемых домкратами.

Проверку прочности и трещиностойкости колодца следует производить для условий исправления кренов колодца, когда вся домкратная нагрузка сосредоточена на 1/3 окружности торца.

2.5. Количество домкратов следует назначать в зависимости от их грузоподъемности и диаметра погружаемого колодца. При погружении колодцев диаметром 3 - 6 м необходимо предусматривать 3 - 4 домкрата; при диаметре 6 - 10 м - 4 - 6 домкратов, при погружении опускных колодцев больших диаметров следует предусматривать установку домкратов не реже, чем через 6 - 7 м окружности торца.

2.6. Нагрузка, создаваемая домкратами, должна назначаться на 20 % больше, чем это необходимо для требуемого зарезания ножа колодца в забой.

2.7. Наружные стены колодцев следует выполнять ярусами, высотой, кратной величине хода штоков домкратов.

2.8. Стены колодцев диаметром 3 - 6 м в сборном варианте следует выполнять из цельных железобетонных колец. Для колодцев диаметром 7 м и более следует применять кольца из блоков, предложенных НИИ оснований и подземных сооружений (рис. 2).

Такие блоки представляют собой сегменты с круговым пазом на верхнем торце и имеют продольные сечения в форме трапеции с меньшим основанием в нижней части, равным основанию паза. Соединение блоков в кольца и колец между собой выполняется посредством электросварки закладных деталей.

2.9. Возможно применение в качестве деталей стен колодца чугунных тюбингов.

2.10. Стены колодцев могут устраиваться из монолитного железобетона (рис. 3). Бетонирование стен таких колодцев производят ярусами, используя опорную конструкцию в качестве наружной опалубки, при этом внутреннюю опалубку монтируют на подвесной полке.

2.11. Ножевую часть выполняют из металла с заполнением полости бетоном (рис. 4). Угол заострения ножа принимают равным 16 - 18°, а ширину режущей кромки 0,05 - 0,07 м.

3. КОНСТРУКЦИИ УСТРОЙСТВ ДЛЯ ЗАДАВЛИВАНИЯ И ОПОРНЫЕ КОНСТРУКЦИИ

3.1. Устройства для задавливания в грунт опускных колодцев включают упоры, анкеры для их защемления и гидравлические домкраты.

3.2. При конструировании устройства для задавливания следует предусматривать их многократную оборачиваемость и пригодность для задавливания опускных колодцев различных размеров и форм в плане и обеспечивать минимальное стеснение сечения колодца залавливающими устройствами.

3.3. Возможно использование устройства для задавливания, включающее комплект двухконсольных балок, закрепленных шарнирно в опорной конструкции (рис. 5 «а»). Одна консоль каждой балки обращена внутрь колодца и взаимодействует с гидравлическим домкратом, а противоположная - жестко оперта на грунт.

Для удобства монтажа стен устройство для задавливания может быть снабжено дополнительным шарниром с возможностью поворота двухконсольных балок вокруг вертикальной оси (рис. 5 «б»).

Для наиболее эффективного исправления перекоса колодца возможно размещение шарнирного крепления балок в желобчатой направляющей, закрепленной на верхнем торце опорной конструкции (рис. 5 «в»).

3.4. Возможно применение устройства для задавливания, состоящее из угловых упоров, закрепленных внутри опорной конструкции посредством шарнира (рис. 6). Горизонтальная плоскость каждого упора взаимодействует с гидравлическим домкратом, а вертикальная жестко оперта на внутреннюю поверхность опорной конструкции.

3.5. При задавливании колодцев со стенами, собираемыми из колец высотой более величины хода штоков домкратов, следует использовать устройство, включающее стойку с консолью, закрепленную шарнирно в анкерном поясе, расположенном в нижней части опорной конструкции (рис. 7). Стойка выполнена с непрерывным по высоте рядом отверстий для крепления съемной консоли. Задавливание колодцев на глубину, равную высоте секции производят за несколько перестановок консоли.

3.6. Опорную конструкцию следует выполнять в виде круговой контрфорсной подпорной стенки, возводимой в открытом котловане, с внутренними размерами в плане, превышающими на 0,5 - 0,75 м наружные размеры опускного колодца.

3.7. Расчет заглубления и определение размеров нижней части опорной конструкции следует производить с учетом ее массы и обратной засыпки, которые должны превышать выдергивающие усилия от действия домкратов не менее, чем на 20 %.

3.8. Опорную конструкцию следует выполнять из монолитного железобетона или из сборных железобетонных уголковых элементов.

3.9. Для уменьшения глубины защемления опорной конструкции необходимо использовать грунтовые анкеры, устраиваемые в ее основной опорной конструкции. Анкеры следует применять, как правило, инъекционные или с камуфлетным уширением (рис. 8).

3.10. Общая длина анкера, длина рабочей части, масса заряда ВВ и другие параметры конструкции и технологии устройства анкеров должны уточняться до начала производства работ при проведении пробных испытаний не менее 3-х анкеров.

3.11. Несущая способность каждого установленного анкера должна быть проверена контрольным испытанием нагрузкой, в 1,2 раза превышающей расчетную.

3.12. Возможен вариант использования свайной опорной конструкции (рис. 9).

Рис. 2. Стеновой железобетонный блок

Рис. 3. Схема бетонирования стен опускного колодца

1 - двух консольная балка; 2 - гидроцилиндр; 3 - опорный воротник; 4 - полок (внутренняя опалубка); 5 - стена колодца

Pиc. 4. Ножевая часть опускного колодца

1 - отверстия для заливки бетона; 2 - полость заполненная бетоном

а) - двухконсольная балка шарнирно закреплена в опорной конструкции

б) - устройство для задавливания снабжено дополнительным шарниром с возможностью поворота двухконсольных балок вокруг вертикальной оси

в) - размещение шарнирного крепления балок в желобчатой направляющей

Рис. 5. Устройства для задавливания опускного колодца

Рис. 6. Задавливание колодца посредством угловых упоров

1 - опорная конструкция; 2 - угловой упор; 3 - домкрат; 4 - сборные стены колодца

Рис. 7. Устройство для задавливания в виде шарнирной стойки

1 - стойка; 2 - консоль; 3 - домкрат; 4 - секция стен колодца

Рис. 8

I Анкер инъекционный с манжетной колонной при наружном расположении тяги.

II Анкер инъекционный с манжетной колонной при внутреннем расположении тяги.

III Анкер инъекционный с резиновым обтюратором.

1 - скважина, 2 - манжетная колонна, 3 - тяга, 4 - пакер, 5 - манжета, 6 - распорная звездочка, 7 - стяжной хомут, 8 - заделка анкера в грунте, 9 - опорная плита, 10 - конусная обойма, 11 - запрессовывающий конус, 12 - упорный патрубок, 13 - конусный патрубок, 14 - резиновый обтюратор, 15 - отводная трубка с заглушкой, 16 - инъекционная трубка с обратным клапаном, 17 - распорная шайба, 18 - стопорная гайка.

Рис. 9. Опорная конструкция свайного типа

1 - консоль; 2 - домкрат, 3 - свая; 4 - сборная стена колодца

3.13. При задавливании опускных колодцев в грунт диаметром до 4 м на глубину не более 16 м следует использовать облегченную опорную конструкцию, устанавливаемую на дневной поверхности (рис. 10).

4. ОБОРУДОВАНИЕ ДЛЯ ПРОИЗВОДСТВА РАБОТ

4.1. Для погружения опускных колодцев способом задавливания в тиксотропной рубашке необходимо иметь оборудование, обеспечивающее выполнение следующих работ:

- погружение колодца задавливанием;

- разработку забоя с выдачей грунта на поверхность;

- бункеризацию выданного грунта;

- монтаж стен колодца или их бетонирование;

- приготовление и транспортирование глинистой суспензии;

- сопутствующие подъемно-транспортные операции.

4.2. Разработка грунта в колодцах производится механизмами, тип которых назначают в зависимости от размеров колодца и принятой схемы производства земляных работ.

Рекомендуется применять:

грейферы «Темп» конструкции института «ЦНИИподземмаш» и грейферы для подвижной разработки грунта, выпускаемые Туапсинским заводом сваебойного оборудования Минэнерго СССР при подводной разработке грунта;

бульдозеры и экскаваторы при осушении забоя водопонижением;

средства гидромеханизации.

4.3. Для задавливания опускных колодцев следует применять гидравлические домкраты грузоподъемностью 50000 - 150000 кг с ходом штока 0,8 - 1,2 м (табл. 1).

Таблица 1

Показатели

Ед. изм.

СЩ-9,5

Д-10

ЛТ-642

СБ-199

ЛТ-640

Д-60

1

2

3

4

5

6

7

8

Максимальное давление рабочей жидкости

мН/м2

14

15

20

20

20

30

Усилие рабочего хода

Н

92×104

73×104

80×104

76×104

130×104

120×104

Усилие обратного хода

Н

15×104

30×104

11,2×104

13,5×104

12×104

50×104

Рабочий ход штока

м

0,810

1,150

1,150

0,900

0,900

1,200

Диаметр штока

²

0,277

0,190

0,205

0,210

0,280

0,205

Внутренний диаметр цилиндра

²

0,303

0,250

0,230

0,230

0,300

0,250

Наружный диаметр цилиндра

²

0,375

0,315

0,315

0,315

0,285

0,345

Длина

²

1,835

2,015

2,475

2,005

2,220

2,060

Масса

Н

17010

11050

15930

13720

21100

10250

4.4. Для создания необходимого давления в гидросистеме рекомендуется применять насос высокого давления Н-403Е (производительность 6×103 м3/cк, максимальное давление 32 мн/м2, мощность двигателя 35 квт).

4.5. Все домкраты следует обслуживать одним насосом высокого давления. При количестве домкратов более 8 возможно использование нескольких насосов, объединяющих по 4 - 6 домкратов.

4.6. Маслостанцию, состоящую из насоса высокого давления, бака для масла, пусковой и контрольной аппаратуры, необходимо устанавливать в непосредственной близости от колодца во временном помещении.

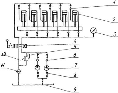
4.7. Гидравлическая схема домкратной системы должна предусматривать независимое включение и отключение каждого отдельного домкрата (рис. 11).

4.8. Для бункеризации выданного грунта и отстоя воды возможно применение накопительного бункера из 2 - 3 тюбинговых колец.

4.9. Для приготовления глинистых суспензий рекомендуется использовать быстродействующие растворомешалки емкостью 0,75 м3 типа РМ-750 конструкции треста «Гидроспецстроя» МЭИЭ СССР.

4.10. Подачу глинопорошков в загрузочное устройство глиномешалки следует производить с помощью скиповых подъемников.

4.11. Для подачи глинистой суспензии в полость тиксотропной рубашки следует применять насосы типа С-264, C-317 или НФ-4.

4.12. Транспортирование глинистой суспензии необходимо производить по напорным рукавам (тип В по ГОСТ 8318-67) с внутренним диаметром 50 мм.

4.13. Для монтажа стен колодцев и сопутствующих перемещений грузов следует использовать автомобильные стреловые или башенные краны.

Рис. 10. Оборудование для задавливания опускных колодцев диаметром до 4-x метров

1 - кольцо нажимное; 2 - тяга; 3 - анкер; 4 - кронштейн; 5 - гидроцилиндр; 6 - ствол погружаемого колодца

5. ПРОИЗВОДСТВО РАБОТ ПО ПОГРУЖЕНИЮ ОПУСКНОГО КОЛОДЦА СПОСОБОМ ЗАДАВЛИВАНИЯ

5.1. В комплекс подготовительных работ, связанных с погружением опускного колодца способом задавливания в тиксотропной рубашке входят:

подготовка строительной площадки;

обеспечение объекта электроэнергией, водой и сжатым воздухом;

устройство водостока для откачиваемой воды;

вынесение в натуру осей колодца;

сооружение опорной конструкции;

монтаж устройства для задавливания в гидросистемы;

монтаж ножевой части колодца и его стен до уровня штоков убранных домкратов.

5.2. Работа по сооружению опорной конструкции включает разработку котлована, установку арматуры и опалубки, монтаж анкеров устройства для задавливания, бетонирование и обратную засыпку (рис. 12).

5.3. Котлован под опорную конструкцию разрабатывают без крепления с откосами. Дно котлована должно быть выровнено под рейку до установки опалубки.

5.4. Укладку бетона в опорную конструкцию рекомендуется производить после установки арматуры, анкеров устройства для задавливания и закладных деталей для подвески трубопроводов и кабелей.

5.5. Засыпку пазух котлована опорной конструкции необходимо выполнять песком с уплотнением, обеспечивающим относительную плотность засыпки, равную 0,95 - 0,98, после снятия наружной опалубки.

5.6. В состав работ по монтажу устройства для задавливания в гидросистемы входят: установка упорных элементов в проушины анкеров, подвеска к ним домкратов, установка маслостанции монтаж гидрокоммуникаций с запорной арматурой и установка контрольно-измерительной аппаратуры.

5.7. Подвеску домкратов к упорным элементам следует выполнять строго вертикально для предотвращения внецентренного приложения нагрузок на торец погружаемого колодца.

5.8. Трубопроводы гидрокоммуникаций рекомендуется располагать в коробах, обеспечивающих их защиту от повреждений при спуско-подъемных операциях.

Рис. 11. Гидравлическая схема домкратной системы

1 - вентиль; 2 - домкрат; 3 - манометр с демпфером; 4 - золотник; 5 - клапан предохранительный;
6 - клапан обратный; 7 - насос; 8 - кран пробковый; 9 - бак; 10 - кран пробковый; 11 - фильтр

5.9. Запорную арматуру следует устанавливать с обеспечением безопасного ее обслуживания.

5.10. Для контроля за работой гидросистемы должны устанавливаться на спиральных трубках манометры в количестве, зависящем от количества домкратов, включенные в сеть через запорные краны.

5.11. Домкраты и запорная арматура к ним на маслостанция должны быть замаркированы одинаковыми номерами.

5.12. Сборку ножевой части колодца, погружаемого задавливанием, можно производить на дневной поверхности или внутри опорной конструкции в зависимости от наличия грузоподъемного оборудования.

5.13. Бетонирование ножевой части, как правило, следует выполнять после ее установки внутрь опорной конструкции.

5.14. После бетонирования ножевой части колодца на ней монтируют стены колодца до уровня убранных штоков домкратов и устанавливают подвесной неподвижный полок.

5.15. Полок следует оборудовать стопорами, фиксирующими его положение при нахождении на нем работающих.

5.16. Над стволом необходимо устройство специального командного мостика, откуда должна обеспечиваться прямая видимость ствола и машиниста крана.

5.17. К погружению колодца следует приступать лишь только после заполнения глинистой суспензией зазора между опорной конструкцией и стенами колодца.

5.18. По мере задавливания колодца в грунт глинистую суспензию необходимо подавать в закрепное пространство с таким расчетом, чтобы уровень раствора постоянно был выше подошвы опорной конструкции на 1 м.

5.19. При опускании колодца без водоотлива грейферную разработку грунта следует производить равномерно по всей площади колодца, начиная от его центра к стенам, при этом поверхность разрабатываемого грунта должна иметь уклон от ножа к центру последнего.

5.20. При подводной грейферной разработке грунта следует создавать искусственную гидравлическую нагрузку воды путем превышения уровня воды в колодце на 1 м над уровнем грунтовых вод.

5.21. Откачку воды из забоя при подводной разработке грунта разрешается производить лишь после заглубления колодца в водоупорный грунт на глубину 1,5 м. При этом должна быть обеспечена возможность срочного затопления ствола в случае прорыва плывунных пород или глинистой суспензии из-под ножевой части.

Рис. 12. Сооружение опорной конструкции

а) - разработка котлована;

б) - бетонирование опорной конструкции

5.22. Разработка грунта при опускании колодца в осушенных грунтах с применением бульдозеров и средств гидромеханизации должна производиться в трех зонах:

в центральной части забоя колодца грунт разрабатывается землесосной установкой. Диаметр этой зоны определяется размерами землесосной установки и диаметром колодца. В центре устраивается забой глубиной 2 - 3 м для забора грунта земснарядом;

во второй зоне на берме располагаются 1 - 2 бульдозерами. Ширина бермы принимается не менее 4 - 6 м и определяется габаритами бульдозера. Превышение ее над площадкой, на которой находится землесосная установка, принимается равным 1,5 - 2 м;

третья зона представляет собой берму, расположенную непосредственно возле ножевой части и имеет ширину 1 - 3 м и высоту до 0,5 м.

Разработку грунта рекомендуется осуществлять бульдозерами с отвалами, оборудованными специальными уширителями. Разработку бермы следует вести наклонными слоями шириной 200 - 300 мм с диаметрально противоположных сторон колодца.

5.23. При разработке грунта средствами гидромеханизации транспортирование пульпы осуществляется гидроэлеваторами или землесосами, а разрыхление грунта ведется гидромониторами.

Гидромониторная разработка грунта ведется в двух зонах:

в приемке под всасом землесоса или гидроэлеватора;

в кольцевой берме, прилегающей к ножевой части.

5.24. Задавливание колодца следует производить по мере разработки и выдачи грунта с соблюдениями опережения режущей кромкой поверхности забоя на величины, указанные в п. 2.2. настоящих рекомендаций.

5.25. Монтаж стен из сборных железобетонных элементов колодцев, погружаемых задавливанием, а также бетонирование их при монолитном варианте должны осуществляться в соответствии с «Инструкцией по производству работ методом опускных колодцев» МСН 151-67 ММСС СССР и главой СНиП III-16-73 «Бетонные и железобетонные конструкции сборные. Правила производства и приемки монтажных работ».

5.26. При возведении стен колодцев из чугунных тюбингов болтовые соединения тюбингов следует выполнять с применением гидроизоляционных шайб.

Пробки, закрывающие отверстия в тюбингах для нагнетания должны оснащаться полиэтиленовыми шайбами.

5.27. После погружения колодца на проектную отметку следует заместить глинистую суспензию в закрепном пространстве цементно-песчаным раствором.

Эту операцию рекомендуется выполнять с помощью труб, погружаемых в полость тиксотропной рубашки и поднимаемых по мере вытеснения глинистой суспензии.

5.28. При использовании сборно-разборных ножевых частей после погружения колодца производят их демонтаж.

5.29. Погрузку грунта из накопительного бункера в автотранспорт следует производить во время монтажа очередного яруса стен колодца.

5.30. В колодцах, опущенных задавливанием с подводной разработкой грунта, днище следует выполнять способами подводного бетонирования.

5.31. В колодцах глубиной более 20 м с площадью поперечного сечения менее 100 м2 следует предусматривать принудительное проветривание выработки.

6. ГЕОДЕЗИЧЕСКИЙ КОНТРОЛЬ ЗА ПОГРУЖЕНИЕМ КОЛОДЦЕВ

6.1. В комплекс геодезических работ входят:

разбивка и закрепление осей колодца;

вынесение центра колодца и опорной конструкции;

контроль за сборкой ножевой части и стен колодца до уровня штоков убранных домкратов;

контроль за погружением опускного колодца при каждом цикле задавливания.

6.2. Разбивку и крепление осей колодца следует производить от пунктов полигометрии с точностью ±0,01 м.

6.3. Оси колодца необходимо закреплять на поверхность вне зоны возможной деформации грунта посредством штырей, заложенных в бетонные тумбы.

6.4. Вынос центра колодца для сооружения опорной конструкции и монтажа стен до начала погружения следует производить от закрепленных осей на дно котлована. В процессе задавливания колодца вынос центра следует производить перед установкой каждого яруса стен после очередного задавливания посредством натяжения струн по взаимно пердендикулярным диаметрам.

6.5. При монтаже ножевой части колодца необходима проверка горизонтальности еe верхней плоскости. Перекос ножевой части по двум взаимно перпендикулярным осям относительно горизонтальной плоскости не должен превышать ±0,005 м.

6.6. Правильность установки в колодцах круглой формы и плане сборных железобетонных элементов стен в пределах опорной конструкции следует производить по четырем параметрам.

6.7. Упорные элементы устройства для задавливания следует устанавливать горизонтально с точностью ±0,005 м. Домкраты следует монтировать вертикально с точностью ±0,005 м. Оси домкратов должны быть привязаны к центру ствола.

6.8. Контроль вертикальности погружения колодца следует производить по визирным рейкам, установленным на опорной конструкции напротив каждого домкрата.

При каждом цикле задавливания следует соблюдать равные величины перемещения торца колодца в точках установки визирных реек. Разница этих величин не должна превышать ±0,005 м.

В случае обнаружения разницы в больших пределах следует отключить часть домкратов и добиться допустимого отклонения.

6.9. При задавливании необходимо ежедневно контролировать положение опорной конструкции.

6.10. Эллиптичность стен колодцев круглых в плане следует определять по четырем взаимно перпендикулярным диаметрам через каждые 5 м по высоте.

7. ТЕХНИКА БЕЗОПАСНОСТИ

7.1. Производство работ по возведению сооружений методом задавливания опускного колодца должно осуществляться в соответствии с требованиями настоящих Рекомендаций и следующих нормативных документов:

гл. СНиП III-А.11-70 «Техника безопасности в строительстве»;

Правила устройства и безопасной эксплуатации грузоподъемных кранов Госгортехнадзора СССР;

Правила технической эксплуатации электроустановок потребителей (ПТЭ и ПТБ) Госгортехнадзора Минэнерго СССР;

Правила пожарной безопасности при производстве строительно-монтажных работ, утвержденные Главным управлением пожарной охраны МОСП СССР 26/03 1968 г.;

Инструкция Госгортехнадзора по эксплуатации сосудов, находящихся под давлением;

соответствующие инструкции по технике безопасности при производстве гидромеханизированных работ.

7.2. При работе кранов вблизи погружаемого колодца должна проверяться исправность крановых путей и дорог после каждой посадки колодца, но не реже, чем 1 раз в сутки. При обнаружении просадок следует немедленно производить исправление путей. На время посадки колодца кран необходимо отводить за пределы призмы обрушения.

7.3. Опорная конструкция, на которой располагаются домкраты, должна быть ограждена перилами. Исправность их периодически должна проверяться.

7.4. Подача грузов в колодец, а также подъем их из колодца краном должны осуществляться при наличии сигнальщика, находящегося на командном мостике.

7.5. Перемещение и установка машин (бульдозеров, экскаваторов) вблизи прудка-приямка разрешается при соблюдении допустимых расстояний от бровки откоса прудка до ближайшей опоры механизма.

7.6. В процессе задавливания колодца запрещается нахождение людей и механизмов ближе 2 м от ножа колодца.

7.7. Карта намыва грунта должна быть огорожена. Вокруг нее и вдоль трассы пульповодов должны быть расставлены предупреждающие знаки.

7.8. Перед началом эксплуатации гидросистемы должны проверяться наличие пломб на манометрах и записи в журнале контрольных проверок о техническом состоянии приборов и дате проверки. Пользоваться манометрами, проверенными ранее, чем за 6 месяцев до начала эксплуатации, запрещается.

7.9. Манометры на домкратах, а также на центральном пункте управления системой должны быть установлены так, чтобы их показания были отчетливо видны обслуживающему персоналу.

7.10. Перед пробным пуском необходимо:

изолировать (укрыть) все трубопроводы высокого давления специальными ограждениями или щитами;

щиты устанавливать при давлении, не превышающем 25 % номинального (рабочего) и выше;

освободить рабочее место от посторонних предметов, инструмента, приспособлений и обтирочного материала;

проверить затяжку болтов, винтов, гаек и регулировку элементов гидросистемы;

проверить наличие масла в баке.

7.11. Металлические части гидросистемы, которые могут оказаться под напряжением должны быть заземлены в соответствии с «Инструкцией по выполнению заземления в электрических установках» (СН 102-60).

7.12. Сварка трубопроводов и других деталей гидросистемы должна производиться только сварщиками, имеющими удостоверение Госгортехнадзора на право проведения подобных работ.

Сварка трубопроводов должна производиться только после очистки их от остатков минерального масла. Сварочные работы на подсоединенных к гидросистеме трубопроводах и других элементах запрещаются.

7.13. Перед соединением трубопроводов необходимо проверить качество резьбовых соединений.

7.14. Трубопроводы перед монтажом их в гидросистеме должны быть испытаны на прочность и герметичность пробным давлением, равным 2,25 - 1,5 Р номинального.

7.15. Во время пробного пуска системы необходимо:

проверить правильность направления вращения вала электродвигателя;

убедиться, что сливная магистраль имеет свободный слив;

удалить воздух из гидросистемы.

Выпуск воздуха из гидросистемы через соединения трубопроводов и через другие элементы системы, не предназначенные для этого, запрещается.

7.16. Давление гидродомкратов следует увеличивать плавно, с постоянным контролем показаний приборов.

7.17. Работа гидросистемы при температуре рабочей жидкости, превышающей установленную технической документацией, запрещается.

7.18. Предохранительные клапаны и манометры должны быть после регулировки запломбированы.

7.19. Обслуживающему персоналу необходимо избегать длительного соприкосновения с минеральным маслом.

7.20. Испытание и эксплуатация гидросистемы должны производиться при строгом соблюдении правил противопожарной безопасности.

7.21. До спуска людей в забой колодца долина быть опущена контрольная бензиновая лампа, с помощью которой в течение всего времени работы людей в забое контролируется состояние воздуха.

7.22. Для предупреждения заполнения колодца плывунными грунтами в случае их прорыва под ножевой частью крепи необходимо иметь у ствола аварийный запас мешков с песком или глиной объемом не менее 10 м3.

СОДЕРЖАНИЕ

1. Общие положения. 1

2. Расчет и конструирование опускных колодцев, погружаемых задавливанием.. 4

3. Конструкции устройств для задавливания и опорные конструкции. 5

4. Оборудование для производства работ. 11

5. Производство работ по погружению опускного колодца способом задавливания. 13

6. Геодезический контроль за погружением колодцев. 16

7. Техника безопасности. 17