РОССИЙСКИЙ РЕЧНОЙ РЕГИСТР
ПРАВИЛА
3
ПРАВИЛА КЛАССИФИКАЦИИ И
ПОСТРОЙКИ
СУДОВ ВНУТРЕННЕГО ПЛАВАНИЯ
(ПСВП)
Часть II «Энергетические установки и системы»
Часть III «Судовые устройства и снабжение»
Часть
IV «Электрическое оборудование,
средства радиосвязи, навигационное оборудование»

МОСКВА 2008
В настоящий том включены Правила классификации и постройки судов внутреннего плавания: ч. II «Энергетические установки и системы», ч. III «Судовые устройства и снабжение», ч. IV «Электрическое оборудование, средства радиосвязи, навигационное оборудование».
Правила классификации и постройки судов внутреннего плавания (ПСВП) утверждены распоряжением Министерства транспорта Российской Федерации от 11.11.2002 № НС-137-р и вступили в силу с 31.03.2003. Бюллетень № 1 дополнений и изменений Правил Российского Речного Регистра утвержден распоряжением Министерства транспорта Российской Федерации от 31.12.2003 № НС-183-р и вступил в силу с 31.03.2004. Изменения в ПСВП утверждены распоряжением Министерства транспорта Российской Федерации от 31.12.2008 № ИЛ-88-р и вступили в силу с 31.12.2008.
Выпущено по заказу ФГУ «Российский Речной Регистр»
СОДЕРЖАНИЕ
В настоящее издание Правил, помимо изменений и дополнений, введенных Бюллетенем № 1 дополнений и изменений Правил Российского Речного Регистра, внесены следующие изменения и дополнения.
Правила классификации и постройки судов внутреннего плавания (ПСВП)
Часть II «Энергетические установки и системы»
Уточнены требования к выполнению и представлению Речному Регистру расчетов крутильных колебаний, измерению их параметров;
введены требования к грузовым системам танкеров для обеспечения гальванической искробезопасности;
дополнены требования к стационарным системам объемного пожаротушения.
Часть III «Судовые устройства и снабжение»
Уточнены требования к коллективным и индивидуальным спасательным средствам, введены требования к гидрокостюмам;
уточнены и дополнены требования к спусковым устройствам коллективных спасательных средств, уточнены требования к испытаниям спасательных средств;
уточнен состав сигнально-отличительных огней;
дополнены требования к сигнальным пиротехническим средствам.
Часть IV «Электрическое оборудование, средства радиосвязи, навигационное оборудование»
Введены требования по гальванической и электростатической безопасности;
переработан раздел 4;
уточнены требования к пожарной сигнализации;
текст главы 16.2 приведен в соответствие с международной классификацией взрывоопасных зон (МЭК 60079-10-95);
уточнены требования к радиолокационным ответчикам и их установке;
дополнены требования к размещению антенн и приемоиндикаторов систем радионавигации и ГНСС;
введены требования к размещению автоматической идентификационной системы (АИС), регистратора данных рейса (РДР), аппаратуры приема внешних звуковых сигналов, радиолокационного отражателя, аппаратуры ночного видения;
введены требования к судовой АИС, приемоиндикаторам ГНСС, РДР, упрощенному РДР, радиолокационному отражателю, аппаратуре ночного видения, аппаратуре приема внешних звуковых сигналов;
дополнен перечень кабелей и проводов, применяемых на судах;
дополнены методики испытания электрооборудования.
Внесены изменения в терминологию ПСВП для приведения в соответствие с Положением о классификации судов внутреннего и смешанного (река - море) плавания, а также редакционные уточнения.
Часть II
ЭНЕРГЕТИЧЕСКИЕ УСТАНОВКИ И СИСТЕМЫ
1.1.1 Настоящая часть Правил распространяется на объекты энергетических установок и систем судов внутреннего плавания, и содержит требования к этим объектам, в том числе к их расположению, установке и противопожарной защите.
1.1.2 Требования настоящей части Правил к энергетическим установкам, за исключением 1.11, 2.15, изложены исходя из условия, что температура вспышки паров жидкого топлива, используемого для двигателей и котлов и определяемая в закрытом тигле, должна быть не ниже 60 °С, а для аварийных дизель-генераторов не ниже 43 °С.
1.2.1 В настоящей части Правил использованы термины, которые нужно понимать следующим образом:
.1 Автоматическое топочное устройство котлов - устройство для сжигания жидкого топлива, работа которого осуществляется автоматически без непосредственного участия обслуживающего персонала.
.2 Вспомогательные двигатели - первичные двигатели судовых генераторов тока, двигатели привода грузовых, пожарных насосов и т.д.
.3 Главные двигатели - двигатели, предназначенные для приведения в действие движителей и/или оборудования, обеспечивающего основное назначение судна.
.4 Двигатели - двигатели внутреннего сгорания.
.5 Двухтопливная система - система, обеспечивающая возможность работы двигателя как на тяжелом, так и на дизельном топливе путем переключения с одного вида топлива на другое; при этом она включает в себя системы топливоподготовки тяжелого и дизельного топлив.
.6 Дистанционное управление - дистанционное изменение частоты и направления вращения, а также дистанционный пуск и остановка главных и вспомогательных двигателей.
.7 Длина судна - конструктивная длина судна.
.8 Жидкости воспламеняющиеся - нефть, нефтепродукты и приравненные к ним жидкости (в дальнейшем нефтепродукты), способные создавать взрыво- и пожароопасные концентрации паров и характеризующиеся температурой вспышки паров, определяемой соответствующими стандартами.
.9 Закрытый способ загрузки - разгрузки нефтепродуктов - способ ведения грузовых работ как береговыми, так и судовыми средствами через герметичную систему трубопроводов, при которой связь наливных отсеков с атмосферой осуществляется только через газоотводную систему.
Закрытым способом следует также считать загрузку - разгрузку нефтепродуктов переносными эжекторами; при этом герметизация обеспечивается с помощью уплотнительных устройств, исключающих пропуск паров нефтепродуктов.
.10 Кратность пены - отношение объема полученной пены к объему поданного водного раствора пенообразователя.
.11 Машинное отделение - помещение или группа помещений, в котором (ых) размещены элементы энергетической установки (главные и вспомогательные), ремонтные площадки и мастерские.
.12 Машинные помещения - помещения, в которых расположены главные и вспомогательные двигатели, котлы, компрессоры, насосы, оборудование, мастерские и другие подобные помещения, а также шахты этих помещений.
.13 Местный пост управления - пост, оборудованный органами управления, контрольно-измерительными приборами и средствами связи, предназначенными для управления объектом судовой техники, и расположенный вблизи управляемого объекта или непосредственно на нем.
.14 Оборудование - фильтры, теплообменные аппараты, цистерны и другие устройства, служащие для обеспечения функций энергетической установки.
.15 Отделения насосные - грузовые насосные отделения на наливных судах.
.16 Помещение защищаемое - помещение, оборудованное одной из систем пожаротушения или автоматической сигнализацией обнаружения пожара.
.17 Помещения жилые - каюты для экипажа, пассажиров и специального персонала, салоны, кают-компании, рестораны, столовые, кинозалы, спортивные залы, канцелярии, парикмахерские, санитарно-гигиенические помещения и т.п., а также коридоры, вестибюли и тамбуры, примыкающие к этим помещениям.
.18 Помещения смежные - помещения, отделенные одно от другого переборкой, палубой или другой подобной разделяющей их постоянной конструкцией без вырезов или с постоянно закрытыми вырезами.
Помещения, отделенные одно от другого съемными конструкциями, или имеющие незакрывающиеся вырезы в разделяющей их переборке или палубе, следует рассматривать как одно общее помещение.
.19 Помещения хозяйственные - камбузы, провизионные кладовые, кладовые для хранения различных судовых запасов, судовые мастерские и подобные им помещения, а также коридоры, примыкающие к этим помещениям.
.20 Пост пожарный (ПП) - место, где сосредоточены пусковые устройства противопожарных систем, предметы противопожарного снабжения или извещатели пожарной сигнализации для определенной части судна (отсека, отдельных помещений).
.21 Пост пожарный центральный (ЦПП) - помещение или часть помещения, где сосредоточены станции сигнализации обнаружения пожара и дистанционные пусковые устройства противопожарных систем (если они предусмотрены), расположенные на мостике или в других постах управления, имеющих непосредственную связь с мостиком или круглосуточную вахту на ходу судна.
.22 Посты управления - помещения, в которых расположены главные навигационные приборы и оборудование для управления судном, судовые радиоустановки и радиотрансляционные узлы, центральные пожарные посты, станции пожаротушения, аккумуляторные и агрегатные для радиостанций или для аварийного освещения, а также помещения для аварийных источников энергии.
.23 Рабочее давление (для котлов, теплообменных аппаратов и сосудов под давлением) - максимально допустимое давление при нормальном протекании рабочего процесса в продолжительном режиме, за исключением допускаемого кратковременного повышения давления во время действия предохранительного клапана или других предохранительных устройств.
.24 Расчетная паропроизводительность котла - наибольшая масса пара расчетных параметров, производимого котлом в единицу времени при продолжительном режиме работы и условии подключения всех возможных потребителей пара.
.25 Расчетная мощность - наибольшая неограниченная по времени мощность, принимаемая в расчетах, регламентируемых Правилами.
.26 Расчетная частота вращения - частота вращения, соответствующая расчетной мощности.
.27 Системы пожаротушения стационарные - системы, предназначенные для подачи огнетушащего вещества к охраняемым помещениям или непосредственно в них и конструктивно связанные с корпусом судна.
.28 Среда горючая - воспламеняющиеся жидкости, воспламеняющиеся сжатые, сжиженные и растворенные под давлением газы, воспламеняющиеся твердые горючие материалы и вещества.
.29 Стенки котлов, теплообменных аппаратов и сосудов под давлением - стенки, ограничивающие объем паровых, жидкостных (водяных) и газовых пространств, в том числе стенки соединительных патрубков и корпусов запорных устройств.
.30 Сырая нефть - любая нефть, которая встречается в естественном виде в недрах земли, независимо от того, обработана она или нет с целью ее транспортировки, включая сырую нефть, из которой могли быть удалены некоторые фракции перегонки или могли быть добавлены некоторые фракции перегонки.
.32 Температура вспышки паров - наименьшая температура, при которой пары, образующиеся на поверхности воспламеняющейся жидкости, образуют с окружающим воздухом смесь, способную воспламениться при поднесении к ней открытого пламени.
Температуру вспышки паров следует определять в закрытом тигле прибором одобренной конструкции.
.32 Тушение объемное - тушение пожара путем заполнения охраняемого помещения парами невоспламеняющихся жидкостей или невоспламеняющимися газами, создающими среду, не поддерживающую горения.
.33 Тушение поверхностное - тушение пожара посредством охлаждения, смачивания или ограничения доступа кислорода к горящим поверхностям, например, водой или пеной.
.34 Тяжелое топливо - топливо, которое должно быть подогрето или смешано с дизельным топливом с целью снижения вязкости до величины, требуемой для подачи к двигателю.
.35 Хранилища топлива и смазочных масел - цистерны основного запаса, расходные, сточные, переливные, отстойные и другие цистерны.
.36 Центральный пост управления - помещение, в котором расположены органы дистанционного управления главными и вспомогательными элементами энергетических установок, а также контрольно-измерительные приборы, приборы аварийно-предупредительной сигнализации и средства связи.
1.3.1 Энергетическая установка должна обеспечивать работу судна при всех нормальных условиях эксплуатации, а также при длительном крене судна до 15° и дифференте до 5° (без учета строительного дифферента).
1.4.1 Конструкция и расположение пусковых и реверсивных устройств должны обеспечивать возможность пуска и реверсирование каждого двигателя, реверсивно-редукторной передачи, муфты одним человеком.
1.4.2 Продолжительность реверсирования (период от момента перекладки органа управления до начала работы движителя с противоположным по направлению упором) не должна превышать:
на полном ходу - 25 с;
на малом ходу - 15 с.
1.4.3 Направление перемещения рукояток и маховиков управления должно быть обозначено стрелками и соответствующими надписями.
1.4.4 Перемещение рукояток управления на местных и дистанционных постах управления главными двигателями, передачами и муфтами от себя и вправо или вращение штурвалов (маховиков) по часовой стрелке должно соответствовать работе перечисленных объектов на передний ход.
1.4.5 Конструкция устройств управления должна исключать возможность самопроизвольного изменения заданного им положения.
1.4.6 Устройства управления главными двигателями должны блокироваться таким образом, чтобы исключить возможность несанкционированного пуска, а также пуска этих двигателей при включенных валоповоротных устройствах.
1.5.1 Судовые технические средства, управляемые дистанционно, должны быть оборудованы местными постами управления.
В обоснованных случаях на судах длиной менее 25 м местные посты управления допускается не предусматривать.
1.6.1 Каждый пост управления главными двигателями должен быть оборудован двумя независимыми друг от друга средствами двусторонней связи с рулевой рубкой. Одним из этих средств должен быть машинный телеграф.
На судах с дистанционным управлением главными двигателями из рулевой рубки допускается одно средство связи между рулевой рубкой и машинным отделением. В этом случае рекомендуется применение машинного телеграфа.
1.6.2 Машинные телеграфы должны быть оборудованы сигнальными приборами.
1.6.3 При установке переговорных аппаратов должны быть приняты меры по обеспечению хорошей слышимости во время работы двигателей и других технических средств.
1.7.1 Контрольно-измерительные приборы должны быть расположены в легкодоступных и хорошо видимых местах.
1.7.2 На шкалах приборов, измеряющих давление и частоту вращения, должны быть нанесены их ограничительные значения в виде ярко окрашенного знака. Запретные зоны частот вращения должны быть отмечены на шкалах тахометров хорошо видимой краской. Допускается наносить отметки на защитных стеклах приборов.
1.7.3 В установках, управляемых из машинного помещения, звуковые сигналы должны быть хорошо слышны в любой части этого помещения при работающих агрегатах. Сигналы машинного телеграфа по звуку должны отличаться от других сигналов в машинном помещении. Допускается возможность временного отключения звуковых сигналов (до устранения неполадок).
Проходы
1.8.1 Главные и вспомогательные двигатели, агрегаты и оборудование должны размещаться в машинных помещениях таким образом, чтобы из их постов управления и мест обслуживания были обеспечены свободные проходы к выходам. Ширина прохода на всей его длине должна быть не менее 600 мм, а высота - не менее 1900 мм. Допускается местное уменьшение ширины прохода в свету до 500 мм.
На судах, на подводных крыльях и воздушной подушке, а также на водоизмещающих судах длиной менее 25 м, в обоснованных случаях допускается уменьшение ширины проходов до 400 мм.
1.8.2 Ширина прохода со стороны поста управления главными двигателями, а также между главными двигателями должна быть не менее 1000 мм.
При дистанционном управлении главными двигателями ширина прохода может быть уменьшена до 800 мм.
Выходные пути
1.8.3 Каждое машинное помещение (за исключением помещений, указанных в 1.8.4), туннели валопроводов, а также каждое помещение, в котором установлены главные распределительные щиты, должны иметь не менее двух выходов, один из которых может вести через непроницаемую дверь в помещение, из которого имеется самостоятельный выходной путь. Второй выход должен вести непосредственно на открытую палубу; в качестве этого выхода может быть использован вертикальный стальной трап. Выходы должны быть расположены как можно дальше друг от друга. Размеры в свету шахт, в которых установлены трапы, должны быть не менее 600´600 мм.
1.8.4 Второй выходной путь не требуется:
.1 из машинных помещений, площадь которых не превышает 25 м2, если имеющийся выход ведет не в смежное машинное или жилое помещение;
.2 на судах, длина которых не превышает 25 м;
.3 из вспомогательных помещений, не представляющих пожарной опасности и выгороженных внутри машинного помещения, имеющего два выходных пути;
.4 из закрытых центральных постов управления, в которых не расположены главные распределительные щиты;
.5 из помещений, в которых нет двигателей, работающих на жидком топливе.
1.8.5 Если два смежных машинных помещения сообщаются при помощи дверей и каждое из этих помещений имеет только по одному выходу на открытую палубу, то эти выходы должны быть расположены по противоположным бортам.
1.8.6 Помещения грузовых насосов на нефтеналивных судах должны иметь, по меньшей мере, один выход, ведущий непосредственно на открытую палубу.
Трапы
1.8.7 Ступени сходных трапов должны иметь глубину не менее 150 мм и ширину не менее 560 мм. Они должны быть изготовлены из безопасных в отношении скольжения листов или решеток. Наклон трапов должен быть не более 60° к горизонтали.
На судах на подводных крыльях и воздушной подушке, а также на водоизмещающих судах длиной менее 25 м допускается уменьшить ширину сходных трапов до 500 мм и использовать вертикальные сходные трапы.
1.8.8 Вертикальные трапы должны иметь ширину не менее 500 мм. Расстояние между отдельными ступенями должно составлять не более 300 мм.
Листы днищевого настила, платформы, решетки и ограждения
1.8.9 Листы днищевого настила (cлани) в машинных помещениях должны быть изготовлены из листового рифленого материала. Они должны быть съемными и иметь надежные приспособления для предотвращения их сдвига. Толщина листов должна быть такой, чтобы исключалось их прогибание в эксплуатационных условиях. Масса и размеры листов должны обеспечивать возможность поднятия их одним человеком (максимальная масса одного листа 25 кг).
В проходах узлы двигателей, агрегатов и арматура не должны выступать над листами днищевого настила. Доступ к таким узлам должен осуществляться через крышки в листах настила. Крышки и приспособления для их поднятия не должны иметь выступающих частей.
1.8.10 Площадки, предназначенные для обслуживания и ремонта двигателей, оборудования, приборов и других устройств, должны быть шириной не менее 450 мм и иметь прочные поручни высотой не менее 900 мм.
Если площадки нарушают правильную циркуляцию воздуха в машинном помещении, вместо них должны предусматриваться жесткие стальные решетки.
Наружные кромки площадок и решеток должны быть обнесены комингсами высотой не менее 40 мм.
1.8.11 Все движущиеся части двигателей, агрегатов, оборудования и приводы, представляющие опасность для обслуживающего персонала, должны быть ограждены поручнями или кожухами.
Двери, крышки сходных и световых люков
1.8.12 Двери, а также крышки сходных и световых люков, через которые возможен выход из машинных помещений, должны открываться наружу, запираться и отпираться как изнутри, так и снаружи.
На крышках сходных люков должна быть четкая надпись, запрещающая укладывание на них каких-либо предметов. Крышки световых люков, не предназначенных для выхода, должны иметь устройства для закрытия их снаружи.
1.8.13 Двери и крышки люков насосных помещений на нефтеналивных судах должны открываться наружу, а запираться как изнутри, так и снаружи. Их конструкция должна исключать возможность искрообразования.
1.8.14 Стекла световых люков должны быть защищены решетками от механических повреждений и установлены так, чтобы в случае пожара исключалась возможность их выпадения.
1.9.1 Объекты энергетической установки, оборудование, трубопроводы и арматура должны быть расположены так, чтобы обеспечивался свободный доступ к ним для обслуживания и ремонта. В случае возможности замены объекта без демонтажа других объектов энергетической установки доступ для их ремонта может не предусматриваться.
1.9.2 Все части энергетической установки и трубопроводов, подвергающиеся нагреву до температуры выше 60 °С и которые представляют опасность для обслуживающего персонала, должны быть оборудованы устройствами, предотвращающими или ограничивающими тепловое излучение (теплоизоляция, экранирование и т.п.).
Нагревающиеся выше 220 °С поверхности объектов энергетической установки, в том числе трубопроводов, должны иметь изоляцию, выполненную из негорючих материалов. Если изоляция является нефтепоглощающей, то в машинных помещениях, в которых хранится или используется топливо или масло, изоляция должна быть обшита металлическими листами или другим эквивалентным нефтенепроницаемым материалом. Должны быть приняты меры для предотвращения разрушения изоляции от вибрации и механических повреждений.
1.9.3 Расстояние от наружной поверхности объектов, указанных в 1.9.2, до стенок цистерн жидкого топлива должно составлять не менее 600 мм.
На судах длиной менее 25 м это расстояние допускается уменьшить до 400 мм при условии, что температура наружной поверхности изоляции не превышает 60 °С.
1.9.4 Котлы, устанавливаемые в одном помещении с двигателями внутреннего сгорания, должны быть ограждены металлической выгородкой в районе топочного устройства. Могут быть предусмотрены другие конструктивные меры, предохраняющие оборудование этого помещения от воздействия пламени в случае его выброса из топочного устройства.
1.9.5 Котлы, работающие на жидком топливе, расположенные на платформах или промежуточных палубах и не выгороженные непроницаемыми перегородками, должны ограждаться непроницаемыми комингсами высотой не менее 200 мм.
Палуба (или платформа) под котлами, огражденная комингсами, также должна быть непроницаемой.
1.9.6 Котлы на нефтеналивных судах должны устанавливаться за коффердамами вне зоны грузовых нефтяных цистерн.
На нефтеналивных судах, предназначенных для перевозки нефтепродуктов с температурой вспышки паров до 45 °С включительно, на судах, обслуживающих их, а также на грузовых судах для перевозки легковоспламеняющихся грузов установка котлов, работающих на твердом топливе, запрещается.
1.9.7 Топливные и масляные цистерны, а также сборные цистерны нефтесодержащих вод не должны размещаться над трапами, двигателями внутреннего сгорания, котлами, газовыпускными трубами, дымоходами, электрическим оборудованием и постами управления главными элементами энергетических установок.
1.9.8 Двигатели для привода грузовых насосов и вентиляторов насосных помещений на нефтеналивных судах, за исключением паровых, гидравлических и электрических двигателей в соответствующем исполнении (см. 16.2 ч. IV ПСВП), не допускается устанавливать в грузовых насосных помещениях. Эти двигатели должны быть размещены:
.1 в помещениях, смежных с насосным, но не сообщающихся с ним непосредственно;
.2 в хорошо вентилируемых и герметичных выгородках, расположенных внутри насосного помещения.
В местах прохода приводных валов через переборки или палубы должны быть установлены сальниковые уплотнения.
1.10.1 Двигатели, у которых из-за особенностей конструкции не обеспечен нормальный доступ ко всем узлам для обслуживания, ревизии и ремонта, разрешается устанавливать при условии возможности их комплектной замены на судне или при условии предусмотренных документацией регулярных ремонтов на судне.
1.10.2 Двигатели, котлы и оборудование должны устанавливаться и закрепляться на прочных и жестких фундаментах.
1.10.3 Установка оборудования на наружной обшивке, непроницаемых переборках, стенках туннелей валопровода и на стенках цистерн жидкого топлива или масла допускается при условии крепления их к ребрам жесткости или на кронштейнах, приваренных к обшивке в районе ребер жесткости.
1.10.4 Прокладки, расположенные между фундаментами и опорными плитами, должны состоять не более чем из двух частей.
1.10.5 При установке двигателей и оборудования на амортизаторах конструкция амортизаторов должна быть одобрена Речным Регистром.
Амплитуда колебаний установленных на амортизаторы двигателей внутреннего сгорания (верх блока цилиндров) не должна превышать:
0,3 мм при f £ 17 Гц;
5/f мм при f > 17 Гц,
где f - частота колебаний.
1.10.6 Главные и вспомогательные двигатели, передачи, упорные подшипники валопроводов и автономные котлы должны крепиться к судовым фундаментам плотно пригнанными болтами или специальными упорами для предотвращения смещения при всех видах нагрузок, возможных при эксплуатации судна.
1.10.7 Болты, крепящие главные и вспомогательные двигатели, котлы, подшипники валопровода к судовым фундаментам, болты, соединяющие части валопроводов, должны быть надежно застопорены для предотвращения самопроизвольного отворачивания.
1.11.1 Бензиновые двигатели допускается применять:
на судах длиной менее 12 м и спасательных шлюпках;
для привода переносных пожарных и осушительных насосов на всех судах, за исключением нефтеналивных и перевозящих легковоспламеняющиеся грузы.
1.11.2 На открытых судах двигатели должны быть накрыты защитными кожухами. Защитные кожухи, выполненные из горючих материалов, изнутри должны быть обшиты кровельной сталью по слою асбеста.
В закрытых судах все деревянные части в моторном отделении должны быть обшиты кровельной сталью по слою асбеста.
1.11.3 Перед двигателем и за ним должны быть установлены флоры непроницаемого исполнения. Должна быть предусмотрена возможность осушения этих отделенных флорами мест установки двигателей закрытых машинных помещений, а также помещений, в которых находятся топливные баки, ручным насосом или насосом, приводимым в действие от двигателя.
1.11.4 Карбюратор и топливные насосы двигателей должны быть установлены так, чтобы исключалась возможность попадания пламени из карбюратора на топливный насос.
1.11.5 Всасывающие трубы карбюраторов должны быть выведены за пределы съемных кожухов и возвышаться над ними не менее чем на 500 мм. На концах всасывающих труб должны быть установлены головки с пламепрерывающей арматурой.
1.11.6 При установке двигателей в закрытых помещениях приемное отверстие всасывающей трубы карбюраторов должно быть расположено на высоте не менее 300 мм над крышками цилиндров и снабжено пламепрерывающей сеткой. При отсутствии всасывающих труб на входе воздуха в карбюратор должна быть установлена пламепрерывающая арматура.
1.11.7 На деревянных судах под двигателями, насосами, топливными баками, арматурой и всеми другими узлами топливной системы, из которых возможна утечка жидкого топлива, должны быть установлены поддоны, исключающие возможность проникновения жидкого топлива в трюм. Кромки поддонов должны иметь буртики.
1.11.8 На судах с непрерывной палубой бензобак должен быть установлен в отсеке (выгородке), изолированном от помещения двигателей внутреннего сгорания. Отсеки (выгородки) должны быть оборудованы естественной вентиляцией для удаления паров бензина.
1.11.9 Защитные кожуха двигателей, машинные помещения, помещения, в которых размещены топливные баки, должны иметь приточно-вытяжную вентиляцию.
Вентиляционные трубы этих помещений не должны быть связаны между собой.
Вентиляционные трубы от кожухов двигателей, а также газоотводные трубы из топливных баков должны быть снабжены пламепрерывающей арматурой.
1.11.10 Воздушные трубы из бензобака и из отсека должны быть раздельными, а выходные отверстия их должны быть, возможно, дальше удалены одно от другого и снабжены эжекторными головками с пламепрерывающей арматурой.
1.11.11 Закрытые моторные помещения должны иметь вентиляцию, обеспечивающую удаление скопившихся бензиновых паров до пуска двигателя.
Рекомендуется электрическая вытяжная вентиляция.
1.11.12 Топливные баки и топливопроводы должны быть изготовлены из металла, не подверженного коррозии под влиянием топливной среды.
1.11.13 Для наполнения топливных баков на палубу должны быть выведены заливочные патрубки, исключающие возможность попадания топлива внутрь корпуса.
На деревянных судах дерево вокруг заливочных патрубков должно иметь соответствующую облицовку.
1.11.14 Установка на топливных баках трубчатых стеклянных указателей уровня топлива не допускается.
1.11.15 Электрический указатель уровня бензина в баке должен быть взрывобезопасного исполнения.
1.11.16 В топливных баках не рекомендуется предусматривать устройства для спуска отстоя. При наличии такого устройства самозапорная арматура должна быть дополнительно снабжена на выходном конце резьбовой пробкой, а под цистерной должен быть установлен поддон.
1.11.17 На топливопроводе непосредственно перед двигателем должно быть установлено запорное устройство, позволяющее закрывать трубопровод из поста управления судном.
Топливопроводы должны быть защищены от механических повреждений и расположены так, чтобы контроль над ними был обеспечен по всей длине трубы. Трубы должны соединяться с помощью твердопаяных ниппелей с накидными гайками.
1.11.18 Соединения бензинового трубопровода должны быть выполнены без прокладок. Бензиновый трубопровод должен быть установлен в легкодоступных местах и защищен от повреждений.
Материал для гибких соединений при установке двигателей на амортизаторах является в каждом случае предметом специального рассмотрения Речным Регистром.
1.11.19 Все узлы топливной системы необходимо размещать на противоположной выпускному коллектору стороне.
1.11.20 На судах, оборудованных бензиновыми двигателями, должно быть предусмотрено не менее двух огнетушителей, расположенных в машинном помещении и помещениях, в которых размещены топливные баки или узлы топливной системы.
1.11.21 В моторных помещениях разрешается устанавливать аккумуляторы только в закрытом ящике на стороне, противоположной карбюратору или топливовпрыскивающей аппаратуре. Должна быть предусмотрена вытяжная вентиляция.
Размещение аккумуляторов под топливными баками запрещается.
2.1.1 Требования настоящего раздела распространяются на двигатели мощностью 55 кВт и выше.
2.1.2 Распространение требований настоящего раздела на двигатели менее 55 кВт в каждом отдельном случае является предметом специального рассмотрения Речным Регистром.
2.1.3 Материалы, предназначенные для изготовления деталей двигателей, должны удовлетворять требованиям, указанным в графе 3 табл. 2.1.3.
Таблица 2.1.3
|
Материал |
Главы ч. V ПСВП |
|
|
1 |
2 |
3 |
|
1. Рама фундаментная, картер, стойка, корпус упорного подшипника, встроенного в двигатель |
Чугун |
3.11 - 3.13 |
|
Сталь литая |
3.7 |
|
|
Сталь катаная |
3.2 |
|
|
Сталь кованая |
3.6 |
|
|
Сплав алюминиевый |
5.2 |
|
|
2. Блок цилиндров, крышки цилиндров, корпус клапана |
Чугун |
3.11 - 3.13 |
|
Сталь литая |
3.7 |
|
|
3. Втулки цилиндров и их детали |
Чугун |
3.11 - 3.13 |
|
Сталь литая |
3.7 |
|
|
Сталь кованая |
3.6 |
|
|
4. Поршень |
Чугун |
3.11 - 3.13 |
|
Сталь литая |
3.7 |
|
|
Сталь кованая |
3.6 |
|
|
Сплав алюминиевый |
5.2 |
|
|
5. Шток, шатун, пальцы головных соединений |
Сталь кованая |
3.6 |
|
6. Коленчатый вал, вал упорный встроенного упорного подшипника |
Сталь кованая |
3.6 |
|
Сталь литая |
3.7 |
|
|
Чугун |
3.11, 3.12 |
|
|
7. Съемные муфты коленчатого вала, противовесы, если они не изготовлены заодно с коленчатым валом |
Сталь кованая |
3.6 |
|
Сталь литая |
3.7 |
|
|
8. Болты и шпильки коренных и шатунных подшипников, цилиндровых крышек |
Сталь кованая |
3.6 |
|
9. Анкерные связи |
Сталь кованая |
3.6 |
|
10. Соединительные болты секций коленчатых валов |
Сталь кованая |
3.6 |
|
11. Вал, ротор турбонагнетателя |
Сталь кованая |
3.6 |
|
12. Распределительный вал, шестерни привода распределительного вала |
Сталь кованая |
3.6 |
2.1.4 В случае применения для деталей двигателей легированной, в том числе жаропрочной, жаростойкой и высокопрочной стали или легированного чугуна Речному Регистру должны быть представлены данные по химическому составу, механическим и специальным свойствам, подтверждающие возможность их применения по назначению.
2.1.5 Чугун с шаровидным графитом допускается применять до температуры 300 °С, серый чугун - до 250 °С.
2.1.6 При изготовлении деталей с применением сварки должны выполняться требования ч. V ПСВП.
2.2.1 Стальные детали двигателей подлежат при изготовлении ультразвуковому контролю в соответствии с требованиями табл. 2.2.1.
Ультразвуковой контроль производят в соответствии с требованиями 2.2.18 ч. V псвп.
Таблица 2.2.1
|
Порядковый номер детали по табл. 2.1.3. |
|
|
До 400 включительно |
1, 2, 4, 6, 7 |
|
Более 400 |
1, 2, 4, 5, 6, 7 |
2.2.2 Перечисленные в табл. 2.2.2 стальные кованые и литые детали, включая их сварные соединения, должны подвергаться в процессе изготовления контролю на отсутствие поверхностных дефектов методом магнитной или цветной дефектоскопии.
Таблица 2.2.2
|
Порядковый номер детали по табл. 2.1.3 |
|
|
До 400 включительно |
1, 5, 6 |
|
Более 400 |
От 1 до 12 |
2.2.3 В обоснованных случаях Речной Регистр может потребовать проведения неразрушающего контроля других деталей двигателей и их сварных соединений.
2.3.1 Детали, трубопроводы и узлы двигателей, работающие при избыточном давлении, после окончательной механической обработки до нанесения защитных покрытий должны быть испытаны пробным давлением в соответствии с требованиями табл. 2.3.1.
2.3.2 Поддоны под элементами топливных систем и систем смазывания должны подвергаться испытаниям на плотность способом, одобренным Речным Регистром.
2.4.1 Двигатели должны допускать возможность работы с перегрузкой, равной 10 % номинальной мощности, в течение не менее 1 ч, при этом периодичность таких режимов работы должна быть не менее 6 ч, если в технической документации организации-изготовителя не указано иное.
Таблица 2.3.1
|
Пробное давление (см. примеч. 1) |
|
|
1 |
2 |
|
Крышка цилиндра - полость охлаждения Втулка цилиндра по всей длине полости охлаждения Головка поршня - полость охлаждения (после сборки со штоком, если он служит уплотнением) |
0,7 МПа |
|
Цилиндровый блок - полость охлаждения Выпускной клапан (корпус) - полость охлаждения Турбонагнетатель - полость охлаждения Газовый коллектор - полость охлаждения Охладители (с обеих сторон (см. примеч. 2) Насосы, навешенные на двигатель, (масляные, водяные, топливные, осушительные) - рабочие полости Компрессоры, навешенные на двигатель, включая цилиндры, крышки и воздухоохладители со стороны воды |
0,4 МПа, но не менее 1,5р |
|
Компрессоры, навешенные на двигатель, включая цилиндры, крышки и воздухоохладители со стороны воздуха |
1,5p |
|
Корпусы топливных насосов высокого давления (со стороны нагнетания), форсунки и топливные трубки (см. примеч. 3) |
1,5p или р + 30 МПа, в зависимости от того, что меньше |
|
Примечания. 1. Для отдельных типов двигателей по согласованию с Речным Регистром указанные выше нормы могут быть изменены. 2. Охладители наддувочного воздуха подлежат гидравлическому испытанию только со стороны воды. 3. Данные нормы гидравлических испытаний не распространяются на топливные насосы с регулирующей кромкой плунжера. 4. р - рабочее давление, МПа. |
|
2.4.2 Реверсивные двигатели, предназначенные для использования в качестве главных в установках с прямой передачей на винт, при работе на задний ход должны развивать не менее 85 % номинальной мощности переднего хода.
2.4.3 Минимальная устойчивая частота вращения главных двигателей с прямой передачей на винт должна быть не более 30 % номинальной частоты вращения.
2.4.4 Должна быть обеспечена возможность безопасного проворачивания коленчатых валов главных двигателей.
2.4.5 Крепежные детали движущихся частей двигателя, а также крепежные детали, находящиеся в труднодоступных местах, должны иметь приспособления или соответствующую конструкцию, не допускающие самопроизвольного их ослабления и отдачи.
Движущиеся части двигателей должны быть закрыты защитными кожухами.
2.4.6 Устройства для смазывания деталей и узлов должны быть легкодоступны и безопасны для обслуживания во время работы двигателей.
2.4.7 Предохранительные и защитные устройства должны быть сконструированы и установлены так, чтобы в результате их срабатывания, они не представляли опасности как в пожарном отношении, так и для обслуживающего персонала.
2.4.8 Системы дистанционного и автоматического управления должны удовлетворять требованиям разд. 12.
2.4.9 Системы и трубопроводы двигателей должны удовлетворять применимым требованиям разд. 10.
2.4.10 Роторы турбонагнетателей должны быть рассчитаны так, чтобы при частоте вращения, равной 1,2 расчетной, приведенные напряжения в любом сечении были не более 0,95 предела текучести материала детали.
2.5.1 Плоскости соединений деталей остова, образующих картер двигателя, должны быть плотными и непроницаемыми для масла и газов, взаимно зафиксированы с помощью калиброванных деталей.
2.5.2 Картер и съемные крышки люков картера должны быть достаточно прочными; при этом крышки люков должны быть закреплены таким образом, чтобы исключалась возможность их смещения при взрыве.
2.5.3 В остове двигателя и сопрягаемых с ним деталях должны быть предусмотрены дренажные устройства (сточные канавки, трубопроводы и т.п.), а также приняты другие меры для исключения возможности попадания топлива и воды в циркуляционное масло.
Зарубашечные пространства блоков должны иметь спускные устройства, обеспечивающие полное их осушение.
2.5.4 Вентиляция картеров двигателей, а также применение устройств, которые могли бы вызвать приток наружного воздуха в картер, как правило, не допускаются. Если предусмотрено принудительное удаление газов из картера (например, для обнаружения в нем дыма), то вакуум в нем не должен превышать 250 Па.
Для двигателей мощностью до 750 кВт допускается осуществлять отсос воздуха из картера с помощью турбонагнетателей или воздуходувок при условии установки надежных маслоотделителей, исключающих попадание в двигатели масла с отсасываемым воздухом.
Объединение воздушных или дренажных масляных труб из картеров двух и более двигателей не допускается.
Диаметр воздушных труб из картера должен быть по возможности минимальным; при этом концы труб должны быть оборудованы пламепрерывающей арматурой и устроены таким образом, чтобы исключалась возможность попадания воды в двигатель.
Воздушные трубы должны выводиться на верхнюю открытую палубу или в места, из которых обеспечена надлежащая вытяжка.
2.5.5 Картеры двигателей должны быть оборудованы предохранительными клапанами в соответствии со следующими требованиями:
.1 у двигателей с диаметром цилиндров 200 мм и более, но не превышающим 250 мм, предохранительные клапаны должны устанавливаться на каждом конце картера, если число цилиндров менее восьми; при числе цилиндров восемь и более дополнительно должен устанавливаться предохранительный клапан в средней части картера;
.2 у двигателей с диаметром цилиндров более 250 мм, но не превышающим 300 мм, предохранительные клапаны должны устанавливаться на картере по одному через один цилиндр, при этом число клапанов на картере во всех случаях должно быть не менее двух;
.3 у двигателей с диаметром цилиндров, превышающим 300 мм, предохранительные клапаны должны устанавливаться на картере по одному против каждого цилиндра;
.4 отдельные пространства картера, такие, как приводной отсек распределительного вала и т.п., полный объем которых превышает 0,6 м3, должны оборудоваться дополнительными предохранительными клапанами;
.5 у двигателей с диаметром цилиндров менее 200 мм или объемом картера, не превышающем 0,6 м3, установка предохранительных клапанов на картере не требуется.
2.5.6 Предохранительные клапаны должны быть одобренного Речным Регистром типа. Конструкция клапанов должна отвечать следующим требованиям:
.1 обеспечивать мгновенное открытие клапанов при превышении давления в картере не более чем на 0,02 МПа и их быстрое закрытие, исключающее проникновение воздуха в картер;
.2 выпускные отверстия клапанов должны быть надлежащим образом экранированы для уменьшения опасности от возможного выброса пламени.
2.5.7 Суммарная площадь проходных сечений предохранительных клапанов картера двигателя должна быть не менее 0,0115 м2 на каждый кубический метр полного объема картера. При расчетах полного объема картера допускается производить вычитание объема движущихся деталей двигателя, расположенных внутри картера.
Каждый предохранительный клапан, который должен быть установлен на картере согласно требованиям 2.5.5, может быть заменен двумя сгруппированными клапанами с соответственно меньшей площадью проходного сечения, при этом площадь проходного сечения каждого из них должна быть не менее 0,0045 м2.
2.5.8 Сточные отверстия картера должны иметь решетки или сетки, предотвращающие попадание в сточный трубопровод посторонних предметов.
Указанное требование распространяется также на двигатели с сухим картером.
2.5.9 Двигатели с диаметром цилиндров 230 мм и более должны иметь на каждом рабочем цилиндре предохранительный клапан, отрегулированный на давление, превышающее максимальное давление сгорания в цилиндре при работе на режиме номинальной мощности не более чем на 40 %.
2.6.1 Требования настоящей главы распространяются на стальные и чугунные валы двигателей с однорядным и V-образным расположением цилиндров, у которых между двумя соседними коренными шейками расположена только одна шатунная шейка; при этом интервалы между вспышками в цилиндрах двигателя равны между собой.
Коленчатые валы двигателей с расположением цилиндров, отличающимся от указанных в настоящем пункте, могут быть допущены по согласованию с Речным Регистром при условии представления обоснований в виде расчетов или экспериментальных данных.
2.6.2 На согласование Речному Регистру вместе с технической документацией должны быть представлены результаты расчета коленчатого вала на прочность, выполненного по методике Речного Регистра или согласованной с ним.
2.6.3 Диаметр осевых отверстий в шейках коленчатых валов не должен превышать 0,4dш, где dш - диаметр шейки коленчатого вала.
2.6.4 Радиус переходной галтели от шейки к щеке у цельнокованых и полусоставных коленчатых валов должен быть не менее 0,05dш.
При наличии фланцев радиус переходной галтели к шейке вала должен быть не менее 0,08dш.
2.6.5 Выходы масляных каналов на поверхность шеек рекомендуется располагать в зонах, воспринимающих минимальную нагрузку.
Кромки выходов масляных каналов на поверхности шеек должны быть закруглены радиусом не менее 0,25 диаметра канала (отверстия) и тщательно зашлифованы.
2.6.6 Поверхностное термическое упрочнение шеек коленчатых валов не должно распространяться на галтели, за исключением случаев, когда упрочнению подвергаются валы в целом.
2.6.7 Конструкция составных коленчатых валов должна быть такой, чтобы концентрация напряжений в месте перехода от шейки к щеке была минимальной.
2.6.8 Натяг при горячей посадке щеки на шейку должен находиться в пределах (0,0014 ¸ 0,0018)dш.
На наружной поверхности щек в местах соединений с коренными и шатунными шейками должны быть нанесены контрольные риски.
2.6.9 При встроенном в раму двигателя упорном подшипнике диаметр упорного вала в районе подшипника должен быть не менее диаметра коренной шейки, а также не менее определенного по формулам разд. 3.
2.7.1 При выходе из строя турбонагнетателя должна обеспечиваться возможность работы главного двигателя на пониженной мощности, которая должна составлять не менее 20 % расчетной.
2.7.2 При охлаждении наддувочного воздуха в продувочных ресиверах после каждого охладителя воздуха должны быть предусмотрены термометры и краники для спуска конденсата.
2.7.3 Должен быть предусмотрен спуск скапливающихся осадков из воздушных ресиверов.
2.7.4 Воздуховсасывающие патрубки двигателей, турбокомпрессоров и продувочных агрегатов должны быть снабжены предохранительными сетками, предотвращающими попадание в патрубки посторонних предметов.
2.7.5 Роторы турбонагнетателей должны быть отбалансированы в сборе в соответствии с 4.3.2.
2.8.1 Топливные насосы высокого давления главных двигателей должны быть оборудованы устройствами для быстрого прекращения подачи топлива в любой цилиндр двигателя. Исключения допускаются для двигателей с диаметром цилиндров не более 180 мм, оборудованных топливными насосами блочного типа.
2.8.2 Топливные трубопроводы высокого давления должны изготавливаться из стальных бесшовных толстостенных труб без сварных или паяных промежуточных соединений.
2.8.3 Топливная система на двигателе должна допускать возможность ручной прокачки трубопроводов высокого давления.
2.8.4 Трубопроводы высокого давления должны быть расположены в местах, доступных для наблюдения и быстрой замены, и надежно закреплены.
2.8.5 Топливные трубопроводы высокого давления судовых двигателей должны быть защищены с целью предотвращения попадания топлива при разрыве трубопровода на двигатель, а также на окружающее его оборудование. При этом на двигателях должны предусматриваться соответствующие устройства для отвода утечек топлива и сигнализации о повреждении топливопровода.
2.8.6 Должны быть предусмотрены трубопроводы слива утечек топлива в специальные емкости. Следует принять меры к тому, чтобы утечное топливо не попадало в систему смазывания.
2.9.1 Система смазывания подшипников турбонагнетателей должна исключать попадание масла в наддувочный воздух.
2.9.2 Конструкцией двигателя должно быть предусмотрено обеспечение надежной смазки подшипников турбонагнетателей на период выбега после выполнения команды на остановку двигателя.
2.9.3 Если в масляной системе имеются отдельные маслосборники каждого двигателя, то объединение дренажных масляных трубопроводов из двух и более двигателей не допускается.
2.9.4 Рекомендуется предусматривать средства контроля за протоком масла в подшипниках турбонагнетателей.
2.10.1 Двигатели должны быть оборудованы системами жидкостного охлаждения.
Применение для главных и вспомогательных двигателей воздушного охлаждения подлежит специальному согласованию с Речным Регистром.
Первичные двигатели аварийных генераторов могут иметь воздушное охлаждение.
2.10.2 В случае применения телескопических устройств с целью подвода охлаждающей жидкости к внутренним полостям охлаждения поршней должна быть предусмотрена защита от гидравлических ударов.
2.11.1 На магистрали подвода воздуха от главного пускового клапана к пусковым клапанам цилиндров должны быть установлены один или несколько предохранительных клапанов и устройство, разгружающее эту магистраль от давления после проведения пуска.
Предохранительные клапаны должны быть отрегулированы на давление не более 1,2 давления воздуха в пусковой магистрали. Разгружающее устройство и предохранительный клапан могут размещаться непосредственно на главном пусковом клапане.
Допускается и другое устройство, предохраняющее пусковую магистраль от разрушения при взрыве в трубопроводе.
2.11.2 На каждом патрубке подвода воздуха к пусковым клапанам в крышках цилиндров реверсивных двигателей должны устанавливаться пламепрерыватели (огнепреградители).
Для нереверсивных двигателей обязательна установка по меньшей мере одного пламепрерывателя на магистрали подвода воздуха от главного пускового клапана к ресиверу (коллектору), от которого осуществляется подвод воздуха к пусковым клапанам в крышках цилиндров двигателя.
Установка пламепрерывателей не обязательна для двигателей с диаметром цилиндра 230 мм и менее.
2.11.3 Двигатели с электростартерным пуском должны быть оборудованы навешенными генераторами для автоматического заряда пусковых аккумуляторных батарей.
2.12.1 Конструкция газовыпускных коллекторов должна допускать их тепловое расширение и обеспечивать герметичность коллекторов при вибрации.
2.12.2 Газовыпускные коллекторы двухтактных двигателей с диаметром цилиндра 180 мм и более должны быть оборудованы спускными кранами, расположенными по концам коллектора, и люками для очистки коллектора и выхлопных окон цилиндровых втулок.
Для четырехтактных двигателей наличие спускных кранов и люков рекомендуется. Газовыпускные коллекторы, имеющие охлаждение, должны быть оборудованы люками для очистки водяных полостей.
2.12.3 При конструировании газовыпускных коллекторов и трубопроводов рекомендуется предусматривать возможность измерения температуры газов перед турбонагнетателями и за ними.
2.12.4 У двухтактных двигателей с импульсивной системой газотурбинного наддува должно быть предусмотрено устройство, препятствующее попаданию обломков поршневых колец в турбонагнетатель.
2.13.1 Пусковые и реверсивные устройства должны исключать возможность:
.1 изменения направления вращения коленчатого вала по сравнению с заданным;
.2 реверсирования двигателя при включенной подаче топлива;
.3 пуска двигателей при незаконченном реверсировании.
2.13.2 Каждый главный двигатель должен иметь регулятор, настроенный таким образом, чтобы частота вращения двигателя не могла превышать расчетную (номинальную) более чем на 15 %.
В дополнение к регулятору каждый главный двигатель мощностью 220 кВт и более, который может быть отключен от валопровода с помощью разобщительной муфты, должен иметь отдельный предельный выключатель, отрегулированный таким образом, чтобы частота вращения двигателя не могла превышать максимальную более чем на 20 %.
2.13.3 Каждый двигатель, приводящий в действие генератор, должен иметь регулятор частоты вращения, характеристики которого удовлетворяют следующим требованиям:
.1 при мгновенном сбросе 100 % нагрузки мгновенное изменение частоты вращения двигателя не должно превышать 10 % номинальной, а установившаяся частота вращения по истечении 5 с не должна отличаться от частоты вращения предшествовавшего режима более, чем на 5 % номинальной частоты вращения;
.2 при мгновенном набросе 70 % нагрузки так же, как и при последующем набросе оставшихся 30 % нагрузки, мгновенное изменение частоты вращения двигателя не должно превышать 10 % номинальной, а установившаяся частота вращения по истечении 5 с после наброса нагрузки не должна отличаться от частоты вращения предшествовавшего режима более, чем на 5 % номинальной частоты вращения; в зависимости от степени наддува двигателя значение мгновенно набрасываемой нагрузки может быть снижено до 50 % по согласованию с Речным Регистром;
.3 в отдельных случаях при отсутствии в электрической установке потребителей, требующих повышенной стабильности частоты, по согласованию с Речным Регистром может быть допущено увеличение времени восстановления установившейся частоты вращения;
.4 регулятор частоты вращения приводного двигателя аварийного генератора должен иметь характеристики, удовлетворяющие указанным выше требованиям в отношении изменения частоты вращения при сбросе и принятии 100 % нагрузки.
В дополнение к регулятору каждый приводной двигатель генератора мощностью 220 кВт и более должен иметь отдельный предельный выключатель, отрегулированный таким образом, чтобы частота вращения двигателя не могла превысить максимальной частоты вращения более чем на 20 %.
Отдельный предельный выключатель, указанный в 2.13.2 и в настоящем пункте, должен являться устройством, не имеющим связи с регулятором, и должен действовать в тех случаях, когда регулятор или его приводной механизм выйдет из строя.
2.13.4 Колебания установившейся частоты вращения (размах) дизель-генератора переменного тока при нагрузках от 25 до 100 % номинальной электрической мощности должны находиться в пределах 1 % номинальной частоты вращения. Регулятор должен иметь устройство для местного и дистанционного изменения частоты вращения в пределах 10 %.
2.14.1 Местные посты управления главными и вспомогательными двигателями должны быть оборудованы приборами для измерения:
.1 частоты вращения коленчатого вала, а при наличии разобщительных муфт - и частоты вращения гребного вала;
.2 давления масла перед двигателем;
.3 давления воды во внутреннем контуре охлаждения;
.4 давления забортной воды в системе охлаждения;
.5 давления пускового воздуха перед главным пусковым клапаном;
.6 давления топлива перед насосами высокого давления (при наличии топливоподкачивающего насоса);
.7 давления в системах охлаждения форсунок и поршней;
.8 давления в системе реверсивного устройства;
.9 давления наддувочного воздуха на входе в двигатель;
.10 температуры выпускных газов у каждого цилиндра (для двигателей с диаметром цилиндра 180 мм и более);
.11 температуры входящих в двигатель и выходящих из каждого цилиндра и поршня охлаждающей воды и масла (для двигателей мощностью 220 кВт и более), температуры охлаждающей воды и масла на выходе из двигателя (для двигателей мощностью менее 220 кВт);
.12 температуры масла перед двигателем;
.13 температуры воздуха после охладителей наддувочного воздуха;
.14 силы тока и напряжения в цепи заряда и напряжения в цепи разряда пусковых аккумуляторных батарей (для двигателей с электростартерным пуском);
.15 температуры топлива перед насосами высокого давления (для топлива, требующего подогрева).
Примечание. Если измерение давлений (.6, .7, .9) и температур (.10, .11, .12, .13) осуществляется местными приборами, установленными непосредственно на двигателе, то по согласованию с Речным Регистром приборы на местном посту управления допускается не устанавливать.
2.14.2 Рекомендуется установка приборов, сигнализирующих о появлении взрывоопасной концентрации масляных паров в картере двигателя.
2.15.1 Изложенные в настоящем разделе требования распространяются и на бензиновые двигатели. Кроме того, должны быть выполнены требования 1.11.
2.15.2 Выхлопной коллектор и присоединительные патрубки должны иметь жидкостное охлаждение.
3.1.1 Материалы, предназначенные для изготовления деталей валопроводов, должны удовлетворять требованиям, указанным в графе 3 табл. 3.1.1. Применение других материалов подлежит согласованию с Речным Регистром при рассмотрении технической документации.
Таблица 3.1.1
|
Материал |
Главы ч. V ПСВП |
|
|
1 |
2 |
3 |
|
1. Валы промежуточные, упорные и гребные |
Сталь кованая |
3.6 |
|
2. Облицовки гребных валов |
Сплав медный |
4.1 |
|
Сталь нержавеющая |
- |
|
|
3. Полумуфты соединительные |
Сталь кованая |
3.6 |
|
Сталь литая |
3.7 |
|
|
4. Болты соединительные |
Сталь кованая |
3.6 |
|
5. Трубы дейдвудные |
Сталь катаная |
3.2 |
|
Сталь литая |
3.7 |
|
|
Чугун |
3.11, 3.12 |
|
|
6. Втулки подшипников дейдвудные и кронштейнов |
Сталь литая |
3.7 |
|
Сплав медный |
4.1 |
|
|
Чугун |
3.11, 3.12 |
|
|
7. Набор и заливка дейдвудных подшипников |
Материалы неметаллические Сплавы металлические |
По согласованию с Речным Регистром |
|
8. Корпусы упорных подшипников |
Сталь катаная |
3.2 |
|
Сталь литая |
3.7 |
|
|
Чугун |
3.11, 3.12 |
3.1.2 При использовании для валопроводов легированной стали, в том числе коррозионностойкой или высокопрочной, Речному Регистру должны быть представлены данные по химическому составу, механическим и специальным свойствам, подтверждающие возможность ее применения по назначению.
3.1.3 Промежуточные, упорные и гребные валы должны изготавливаться из стали с временным сопротивлением от 430 до 690 МПа. Применение сталей с другими характеристиками является в каждом случае предметом специального рассмотрения Речным Регистром.
Перечисленные валы при изготовлении должны подвергаться неразрушающему контролю. Методы, объем и нормы этого контроля подлежат согласованию с Речным Регистром.
3.1.4 Валы промежуточные, упорные, гребные, а также болты (шпильки) соединительные и крепления могут быть изготовлены из стали в соответствии с 3.6.3 ч. V ПСВП.
3.1.5 Облицовки гребных валов, втулки дейдвудных подшипников и опорных подшипников гребного вала в кронштейнах по согласованию с Речным Регистром допускается изготавливать из пластмасс или других неметаллических материалов.
3.1.6 Облицовки гребных валов, дейдвудные трубы после завершения механической обработки должны подвергаться гидравлическим испытаниям давлением 0,2 МПа.
3.1.7 Уплотнения дейдвудных труб при масляной смазке подшипников после монтажа должны подвергаться гидравлическому испытанию давлением не менее 0,1 МПа.
3.1.8 Приведенные в настоящем разделе формулы для вычисления диаметров валов определяют минимальные размеры без учета припуска на последующую проточку рабочих шеек валов в период эксплуатации.
3.1.9 На всех судах должна быть исключена возможность выхода гребного вала из дейдвудного сальника и затопления машинного отделения в случае поломки гребного вала.
3.2.1 Расчеты диаметров валов по формулам, приведенным в настоящей главе, являются предварительными, поскольку размеры всех элементов валопровода после формирования крутильной схемы должны быть уточнены по результатам расчета напряжений от крутильных колебаний, в том числе на режимах, соответствующих частотам вращения, запретным для длительной работы.
В случае, когда вследствие особой геометрии элементов валопровода определение диаметров валов с помощью формулы (3.2.2) невозможно, в Речной Регистр должны быть представлены специальные расчеты прочности.
3.2.2 Диаметр промежуточного, упорного или гребного вала, должен быть не менее определяемого по формуле, мм:
где Rm - временное сопротивление материала вала, МПа. Формула (3.2.2) достоверна при Rm = 400 ¸ 600 МПа, в случае Rm > 600 МПа в формулу следует подставлять Rm = 600 МПа;
k - коэффициент:
для промежуточных валов с коваными фланцами или фланцевыми бесшпоночными муфтами k = 130;
для промежуточных валов со шпоночными муфтами k = 140;
для упорных валов в подшипниках качения k = 142;
для гребных валов на расстоянии не более 4-х диаметров гребного вала от носового торца ступицы гребного винта k = 160;
для гребных валов на расстоянии более 4-х диаметров гребного вала от носового торца ступицы гребного винта k = 150;
CEW - коэффициент усиления:
для судов без ледового усиления CEW = 1,0;
для судов, предназначенных для плавания в битом льду, CEW = 1,05;
для ледоколов и судов ледокольного типа CEW = 1,07;
Р - расчетная мощность, передаваемая валом, кВт;
п - расчетная частота вращения, мин-1;
di - диаметр осевого отверстия вала, мм, если этот диаметр меньше или равен 0,4di, то можно принять di = 0;
dr - действительный диаметр вала, мм.
Диаметр носовой части гребного вала на участке от дейдвудного сальника до фланца или муфты может быть постепенно уменьшен до значения, равного 1,05 диаметра промежуточного вала. Участки гребного вала, имеющие контакт с водой, в случае, когда вал не имеет сплошной облицовки или другой эффективной антикоррозионной защиты, должны иметь наружный диаметр, который на 5 % больше определенного с помощью формулы (3.2.2).
3.3.1 Гребные валы должны быть защищены от коррозии способом, одобренным Речным Регистром.
3.3.2 При установке облицовок материал для их изготовления должен отвечать требованиям табл. 3.1.1.
3.3.3 Толщина бронзовой облицовки вала s должна быть не менее определяемой по формуле, мм:
(3.3.3)
где
- действительный диаметр гребного вала,
мм.
Толщина облицовки между подшипниками может быть уменьшена до 0,75s.
3.3.4 Рекомендуется применение сплошных облицовок. Облицовки, состоящие из отдельных частей, должны соединяться при помощи сварки или иным одобренным Речным Регистром способом. Стыки сварных швов рекомендуется располагать вне рабочих мест облицовки.
3.3.5 Во избежание попадания воды на конус гребного вала должно быть установлено уплотнение.
На судах длиной менее 25 м уплотнение допускается не предусматривать.
3.4.1 В случае выполнения на валу радиального отверстия диаметр вала должен быть увеличен на 10 % на длине не менее семи диаметров отверстия. Отверстие должно находиться в середине длины утолщенной части вала, а его диаметр не должен превышать 0,2 увеличенного диаметра вала.
Кромки отверстия должны быть закруглены радиусом не менее 0,35 диаметра отверстия, а поверхность отверстия должна быть тщательно отшлифована.
3.4.2 Диаметр d вала, в котором выполнен продольный вырез, должен быть не менее определяемого по формуле, мм:
d = l,2d0 + 0,114(1,5l + b), (3.4.2)
где d0 - диаметр вала, определяемый по формуле (3.2.2), мм;
l - полная длина выреза, мм;
b - ширина выреза, мм.
Утолщенная часть вала должна быть такой длины, чтобы с каждой стороны она выступала за пределы выреза на значение, равное не менее 0,25 расчетного диаметра d0 вала. Переход от увеличенного до расчетного диаметра должен быть постепенным.
Ширина выреза должна составлять не менее 0,1, но не более 0,25 расчетного диаметра d0 вала. Концы выреза должны быть закруглены радиусом, равным половине ширины выреза.
Кромки должны закругляться радиусом не менее 0,35 ширины выреза. Поверхность выреза должна быть тщательно отшлифована.
3.4.3 При наличии шпоночного паза на цилиндрической части вала необходимо увеличить диаметр вала на 5 % по сравнению с определяемым по формуле (3.2.2) на участке, перекрывающем длину шпоночного паза.
Увеличение диаметра вала не обязательно, если паз выполнен на конусе вала.
Конусы валов
3.5.1 Конус гребного вала под гребной винт должен выполняться с конусностью не более 1:12.
3.5.2 У гребных валов диаметром 100 мм и более окончание шпоночного паза на конусе гребного вала должно быть ложкообразной формы и находиться на расстоянии не менее 0,2 диаметра гребного вала от большего основания конуса.
При диаметрах гребных валов менее 100 мм допускается окончание шпоночного паза лыжеобразной формы.
Размеры шпоночных пазов, форма и соотношение размеров ложкообразной разделки носового окончания конуса гребного вала должны соответствовать требованиям стандартов.
3.5.3 Конус вала под гребной винт и муфты при бесшпоночных соединениях должны выполняться с конусностью:
для соединений с концевой гайкой не более 1:15;
для соединений без концевой гайки не более 1:50.
Резьбовые цапфы
3.5.4 Наружный диаметр резьбовой цапфы для гайки крепления винта должен составлять не менее 60 % от большего диаметра конуса.
Соединительные муфты
3.5.5 Соединительные болты, муфты и полумуфты должны быть выполнены из стали, временное сопротивление которой не ниже временного сопротивления стали, применяемой для валопровода.
3.5.6 Диаметр dб болтов соединительных фланцев должен быть не менее определяемого по формуле, мм:
где dпр - диаметр промежуточного вала, мм, определяемый по формуле (3.2.2) с учетом усилений; если диаметр вала увеличен вследствие опасных напряжений от крутильных колебаний, то dпр следует принимать равным действительному диаметру промежуточного вала;
i - число болтов в соединении;
r - радиус окружности центров расположения болтов, мм.
3.5.7 Как правило, 50 % общего числа цилиндрических болтов фланцевых соединений валопровода, но не менее трех, должны быть плотно пригнанными.
Применение только проходных болтов является предметом специального рассмотрения Речным Регистром.
3.5.8 Толщина соединительных фланцев промежуточных валов, измеряемая на центровой окружности соединительных болтов, должна быть не менее диаметра соединительных болтов, определенного по формуле (3.5.6).
Толщина фланца гребного вала должна быть не менее 0,25 диаметра промежуточного вала, определенного по формуле (3.2.2).
3.5.9 Радиус закругления перехода от фланцев к валу должен быть не менее 0,08 диаметра вала.
3.5.10 Применение карданных валов подлежит специальному согласованию с Речным Регистром.
Подшипники
3.5.11 Длина подшипников в кронштейне должна быть не менее 2,5 диаметров вала.
3.5.12 Клапан, отсекающий подачу воды для смазки дейдвудного подшипника, должен устанавливаться непосредственно на дейдвудной трубе или на переборке ахтерпика.
На трубопроводе, подающем воду для смазки дейдвудного подшипника, должен устанавливаться указатель потока жидкости.
3.5.13 Рекомендуется предусматривать устройство для измерения температуры масла в дейдвудной трубе.
3.5.14 При гидростатической смазке дейдвудных подшипников масляная цистерна должна располагаться выше ватерлинии максимальной осадки судна и должна быть снабжена указателем уровня.
Если цистерна расположена в труднодоступном месте или вне помещения, в котором установлены главные двигатели или гребные электродвигатели, необходимо предусматривать сигнализацию, предупреждающую о снижении уровня масла ниже допускаемого и устроенную таким образом, чтобы она была видна или слышна из поста управления главными двигателями или гребной установкой.
3.5.15 При частотах вращения гребного вала п £ 350 мин-1 ориентировочные значения максимально допустимых расстояний lmax между смежными подшипниками валопровода можно определить по следующей формуле, мм:
(3.5.15-1)
где dr - действительный диаметр вала, мм (см. 3.2.2);
k1 - коэффициент:
для подшипников скольжения, смазываемых маслом, k1 = 450;
для дейдвудных подшипников качения из серого чугуна с консистентной смазкой k1 = 405;
для дейдвудных резиновых подшипников с водяной смазкой k1 = 414.
При n > 350 мин-1:
(3.5.15-2)
где k2 - коэффициент:
для подшипников скольжения, смазываемых маслом, k2 = 11455 - 1063732,5/n;
для дейдвудных подшипников качения из серого чугуна с
консистентной смазкой и резиновых или пластмассовых подшипников скольжения с
водяной смазкой k2 =
133,378n - 16907,881 - 0,224n2 + 0,000126n3. Минимальное расстояние lmin между смежными опорными
подшипниками валопровода должно быть не менее ![]()
3.5.16 Как правило, в дейдвудной трубе гребной вал должен опираться на два подшипника. В дейдвудных трубах длиной менее 4,5 диаметров вала в случае применения подшипников скольжения из резины или пластмассы с водяной смазкой, и 3-х диаметров вала в случае применения подшипников скольжения, смазываемых маслом, допускается установка одного кормового подшипника.
3.5.17 Длина подшипников дейдвудного устройства и окружная скорость гребных валов должны соответствовать требованиям табл. 3.5.17.
Таблица 3.5.17
|
Отношение длины подшипника дейдвуда к диаметру вала для |
Окружная скорость гребных валов, м/с |
||
|
носового подшипника |
кормового подшипника |
||
|
Резина, пластмасса, работающие в забортной воде |
1,0 - 1,5 |
3,0 - 4,0 |
£ 6,0 |
|
Мягкий сплав, работающий в масляной смазке |
³ 0,8 |
³ 2,0 |
- |
|
Серый чугун, консистентная смазка |
³ 1,0 |
³ 2,5 |
£ 2,5 - 3,0 |
3.5.18 Гребные валы, опирающиеся на подшипники качения, а также гребные валы, проходящие в дейдвудных трубах с подшипниками скольжения, смазываемыми маслом или водой под давлением по замкнутому контуру, должны иметь на концах дейдвудной трубы уплотнения, одобренные Речным Регистром.
3.5.19 Смазка должна подводиться к дейдвудной трубе таким образом, чтобы обеспечивался ее подвод как к кормовому, так и носовому подшипнику дейдвудной трубы. В случае применения консистентной смазки ее подача должна осуществляться через носовой и кормовой подшипники.
3.5.20 На дейдвудной трубе с масляной смазкой подшипников должны быть установлены соединения для наполнения трубы маслом, испытания и дренажа, кроме того присоединена вентиляционная труба. Эти соединения и дейдвудная труба должны быть выполнены так, чтобы можно было полностью удалить масло и попавшие в трубу воду и воздух.
3.6.1 Бесшпоночное соединение гребного винта с гребным валом необходимо выполнять без промежуточной втулки между ступицей и гребным валом. Конструкции соединений с применением промежуточной втулки являются предметом специального рассмотрения Речным Регистром.
3.6.2 При монтаже бесшпоночного соединения осевое перемещение Dh ступицы относительно вала или промежуточной втулки с момента получения металлического контакта на конусной поверхности после устранения зазора должно быть не менее определяемого по формуле, м:
![]()
(3.6.2)
где В - коэффициент материала и формы соединения, МПа-1:

у - средний коэффициент внешнего диаметра ступицы;
y = (Dz1 + Dz2 + Dz3)/(Dy1 + Dy2 + Dy3)
w - средний коэффициент диаметра отверстия на валу;
w = (Do1 + Do2 + Do3)/(Dw1 + Dw2 + Dw3)
vy - число Пуассона для материала ступицы;
vw - число Пуассона для материала вала, для стали vw = 0,3;
Еу - модуль упругости при растяжении материала ступицы, МПа;
Ew - модуль упругости при растяжении материала вала, МПа;
Р - мощность, передаваемая соединением, кВт;
Т - упор гребного винта на переднем ходу, кН;
Dw - средний внешний диаметр вала в месте контакта со ступицей или промежуточной втулкой (рис. 3.6.2), м: Dw = (Dw1 + Dw2 + Dw3)/3;
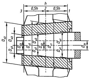
Рис. 3.6.2
Dy - средний внутренний диаметр ступицы в месте контакта с валом или промежуточной ступицей, м; Dy = (Dy1 + Dy2 + Dy3)/3;
без промежуточной втулки: Dw1 = Dy1; Dw2 = Dy2; Dw3 = Dy3; Dw = Dy;
с промежуточной втулкой: Dw1 ¹ Dy1; Dw2 ¹ Dy2; Dw3 ¹ Dy3;
aу - коэффициент линейного расширения материала ступицы, 1/°С;
aw - коэффициент линейного расширения материала вала, 1/°С;
tc - температура соединения в условиях эксплуатации, °С;
tm - температура соединения при монтаже, °С;
k = 1 - для соединения без промежуточной втулки;
k = 1,1 - для соединения с промежуточной втулкой;
h - рабочая (контактная) длина конуса вала или промежуточной втулки со ступицей, м;
z - конусность ступицы:
z = (dкон max - dкон min)/Lкон,
dкон max - максимальный диаметр конуса, мм;
dкон min - минимальный диаметр конуса, мм;
Lкон - длина конуса гребного вала, мм;
п - частота вращения соединения, мин-1.
Для соединения со стальным валом без осевого сверления коэффициент В можно принимать по табл. 3.6.2 с применением линейной интерполяции.
3.6.3 Натяг DD при монтаже стальных муфт и валов с цилиндрическими сопрягаемыми поверхностями, м.
(3.6.3)
Обозначения приведены в 3.6.2.
3.6.4 Для ступиц винтов и полумуфт при бесшпоночном их соединении с валами должно быть выполнено соотношение
![]()
где А - коэффициент формы ступицы:
![]()
Коэффициент А можно рассчитать по формуле А-1 = 0,5756 - 0,5937/y2, справедливой в диапазоне у = 1,2 - 2,4;
Таблица 3.6.2
Коэффициент B×105 МПа-1
|
Стальной вал w = 0; Еw = 2,059×105 МПа, vw = 0,3 |
||||||||
|
Ступица на основе медных сплавов vy = 0,34 при Еy, МПа |
Стальная ступица vy = 0,3; Еу = 2,059×105 МПа |
|||||||
|
0,98×105 |
1,078×105 |
1,176×105 |
1,274×105 |
1,373×105 |
1,471×105 |
1,569×105 |
||
|
1 |
2 |
3 |
4 |
5 |
6 |
7 |
8 |
9 |
|
1,2 |
6,34 |
5,80 |
5,34 |
4,96 |
4,63 |
4,34 |
4,09 |
3,20 |
|
1,3 |
4,66 |
4,27 |
3,94 |
3,66 |
3,43 |
3,22 |
3,04 |
2,40 |
|
1,4 |
3,83 |
3,52 |
3,25 |
3,03 |
2,83 |
2,67 |
2,52 |
2,00 |
|
1,5 |
3,34 |
3,07 |
2,84 |
2,65 |
2,48 |
2,34 |
2,21 |
1,77 |
|
1,6 |
3,02 |
2,77 |
2,57 |
2,40 |
2,25 |
2,12 |
2,01 |
1,61 |
|
1,7 |
2,79 |
2,56 |
2,38 |
2,22 |
2,09 |
1,97 |
1,87 |
1,50 |
|
1,8 |
2,62 |
2,41 |
2,24 |
2,09 |
1,97 |
1,86 |
1,76 |
1,41 |
|
1,9 |
2,49 |
2,29 |
2,13 |
1,99 |
1,87 |
1,77 |
1,68 |
1,36 |
|
2,0 |
2,39 |
2,20 |
2,05 |
1,91 |
1,80 |
1,70 |
1,62 |
1,31 |
|
2,1 |
2,31 |
2,13 |
1,98 |
1,85 |
1,74 |
1,65 |
1,57 |
1,27 |
|
2,2 |
2,24 |
2,07 |
1,92 |
1,80 |
1,69 |
1,60 |
1,53 |
1,24 |
|
2,3 |
2,18 |
2,01 |
1,88 |
1,76 |
1,65 |
1,57 |
1,49 |
1,22 |
|
2,4 |
2,14 |
1,97 |
1,84 |
1,72 |
1,62 |
1,54 |
1,46 |
1,19 |
С = Dhrz - для соединений с коническими сопрягаемыми поверхностями, м;
С = DDr - для соединений с цилиндрическими сопрягаемыми поверхностями, м;
Dhr - фактическое перемещение при монтаже ступицы при температуре tm, м, Dhr ³ Dh;
DDr - фактический натяг при монтаже соединения с цилиндрическими сопрягаемыми поверхностями, м, DDr ³ DD;
Dy - средний внутренний диаметр ступицы в месте контакта с валом или промежуточной ступицей, м;
Dy = (Dy1 + Dy2 + Dy3)/3;
ReH - верхний предел текучести материала ступицы, МПа.
Остальные обозначения приведены в 3.6.2.
В составе каждого валопровода должно быть тормозное или стопорящее устройство, предотвращающее вращение валов в случае выхода из строя, ремонта главного двигателя.
4.1.1 Требования настоящего раздела распространяются на реверс-редукторные зубчатые передачи с цилиндрическими колесами с наружным и внутренним зацеплением, планетарные и конические передачи, разобщительные и упругие муфты, которые устанавливаются в составе элементов энергетической установки. На разобщительные электромагнитные и гидравлические муфты эти требования распространяются в той мере, в какой они применимы.
4.2.1 Материалы, предназначенные для изготовления деталей передач и муфт, должны удовлетворять требованиям, указанным в графе 3 табл. 4.2.1. Материалы деталей, указанных в п.п. 4, 5, 6 табл. 4.2.1, могут быть также выбраны по стандартам. Применение материалов в этом случае подлежит согласованию с Речным Регистром при рассмотрении технической документации.
4.2.2 Валы передач и муфт следует изготавливать из стальных поковок или стального литья. Валы передач и муфт, не имеющие фланцев, допускается изготавливать из катаной круглой стали.
Валы шестерен, отдельно откованные, и валы зубчатых колес должны изготавливаться из стали с временным сопротивлением не менее 430 МПа. Временное сопротивление валов передач должно быть не менее временного сопротивления материала промежуточных валов валопровода.
Таблица 4.2.1
|
Материал |
Главы ч. V ПСВП |
|
|
1 |
2 |
3 |
|
1. Корпус |
Чугун |
3.11 - 3.13 |
|
Сталь катаная |
3.2 |
|
|
Сталь литая |
3.7 |
|
|
Сплав алюминиевый |
5.2 |
|
|
2. Валы |
Сталь кованая |
3.6 |
|
Сталь литая |
3.7 |
|
|
3. Шестерни, колеса, ободы зубчатых колес |
Сталь кованая |
3.6 |
|
Сталь литая |
3.7 |
|
|
4. Съемные полумуфты жестких соединений валов |
Сталь кованая |
3.6 |
|
Сталь литая |
3.7 |
|
|
5. Ведущие и ведомые детали гидромуфт |
Сталь литая |
3.7 |
|
6. Болты соединительные |
Сталь кованая |
3.6 |
4.2.3 Шестерни зубчатых передач, предназначенных для передачи крутящего момента на винт (главных), должны изготавливаться из легированной стали с временным сопротивлением от 620 до 980 МПа.
4.2.4 Корпуса передач и муфт допускается изготавливать из чугуна с шаровидным графитом или стальными сварной конструкции из полосовой стали с втулками из кованой стали или стального литья. Если окружная скорость шестерен не превышает 60 м/с, а кожуха муфты - 40 м/с, то допускается изготовление корпусов передач и кожухов муфт из серого чугуна, чугуна с шаровидным графитом или стальными сварной конструкции из полосовой стали с втулками из кованой стали или стального литья.
4.2.5 Ответственные детали муфт, предназначенные для передачи крутящего момента на винт, должны быть изготовлены из кованой стали, стального литья или из чугуна с шаровидным графитом, имеющим преимущественно ферритную структуру. Для умеренно нагруженных наружных частей муфт допускается применение алюминиевых сплавов с соответствующими механическими свойствами. Шестерни гидравлических муфт скольжения допускается изготавливать из серого чугуна, а кожухи - из сплава алюминия, при условии обеспечения требуемых показателей механических свойств.
4.2.6 Корпуса упругих муфт, передающих крутящий момент генераторам, должны быть выполнены из чугуна с шаровидным графитом с ферритной структурой, кованой стали или стального литья, что необходимо для того, чтобы муфты выдерживали скачки крутящего момента, возникающие при коротком замыкании.
4.2.7 В случае применения для деталей передач и муфт легированной стали или легированного чугуна Речному Регистру должны быть представлены данные по химическому составу, механическим и специальным свойствам, подтверждающие возможность применения их по назначению.
4.2.8 Валы, шестерни и зубчатые колеса главных передач подлежат контролю неразрушающим методом в соответствии с требованиями 2.2.18 ч. V ПСВП.
4.2.9 В обоснованных случаях Речной Регистр может потребовать проведения неразрушающего контроля других деталей передач, муфт и их сварных соединений.
4.2.10 При изготовлении деталей передач и муфт с применением сварки должны выполняться требования ч. V ПСВП.
4.3.1 Реверсивно-редукторные зубчатые передачи при работе на задний ход в установившемся режиме должны обеспечивать не менее 70 % расчетной мощности переднего хода.
4.3.2 Детали с окружной скоростью от 5 до 20 м/с должны подвергаться статической, а с окружной скоростью более 20 м/с - также и динамической балансировке. Точность динамической балансировки должна определяться с помощью формулы
v £ (65,786 - 0,139V)103/n, (4.3.2)
где v - расстояние между центром тяжести и геометрической осью вращения детали, мкм;
п - частота вращения, мин-1;
V - окружная скорость, м/с.
Формула (4.3.2) применима в диапазоне V = 20 - 300 м/с.
В случае выхода значения V за пределы указанного диапазона при расчете следует принимать окружную скорость равной 300 м/с.
Части соединительных муфт должны быть отбалансированы совместно с деталями, с которыми они жестко соединены.
4.3.3 Конструкция главных зубчатых передач должна обеспечивать удобный доступ ко всем подшипникам.
На корпусах передач должно быть достаточное количество горловин с легкосъемными крышками.
Расположение горловин должно обеспечивать возможность осмотра зубьев по всей длине и подшипников, находящихся внутри передачи.
Применение настоящего требования к планетарным передачам является предметом специального рассмотрения Речным Регистром.
4.3.4 Корпуса передач должны быть оборудованы вентиляционными устройствами.
Вентиляционные трубы корпусов передач объемом 0,5 м3 и более должны быть выведены на открытую палубу или в места, из которых обеспечена вытяжка. Концы вентиляционных труб должны быть оборудованы пламепрерывающей арматурой и устроены таким образом, чтобы исключалась возможность попадания воды внутрь передачи.
4.3.5 Если упорный подшипник помещен в корпусе передачи, то нижняя часть корпуса должна иметь надлежащие подкрепления.
4.3.6 Подшипники скольжения главных передач должны иметь устройства для измерения осевого и радиального положения валов без разборки корпуса. Каждый подшипник скольжения и каждый упорный подшипник должны быть снабжены устройством для измерения температуры.
4.3.7 В конструкциях передач судов на воздушной подушке должны быть предусмотрены предохранительные устройства, срабатывающие при крутящем моменте, равном 1,35 номинального.
4.3.8 Планетарные передачи должны иметь уравнительные устройства. В передачах с числом сателлитов более трех обод венца эпициклического колеса должен выполняться податливым в радиальном направлении.
4.4.1 При изготовлении зубчатых колес должно проверяться соответствие шага и общей погрешности профиля на делительной окружности, углового отклонения линии зуба, шероховатости боковой поверхности зубьев и радиуса скругления ножки зуба требованиям стандартов.
4.4.2 Шероховатость боковой поверхности зубьев перед обкаткой, как правило, не должна быть больше 10 мкм в том случае, когда зубья выполняют фрезерованием или долблением. Если требуемая форма зубьев достигается посредством шлифования или притирки, шероховатость не должна превышать 4 мкм.
Радиус скругления ножки зуба на профиле эталонного инструмента должен составлять не менее 0,25 нормального модуля.
4.4.3 Зубья шестерен и зубчатых колес при отношении B/d1 ³ 0,3 (рис. 4.4.3) должны быть скошены по торцам под углом 45° £ j £ 60° на глубину не менее 1,5 модуля, где В - ширина зубчатого колеса (шестерни), d1 - диаметр начальной окружности.
Рис. 4.4.3
4.4.4 Твердость материала зубьев шестерен должна быть выше твердости зубьев колеса не менее чем на 15 %. Это требование не распространяется на шестерни и зубчатые колеса с закаленной поверхностью (цементированной, азотированной, поверхностно-закаленной и т.п.).
4.4.5 Прочность зубьев и других элементов шестерен и колес должна быть подтверждена расчетом. При этом должны учитываться дополнительные нагрузки, обусловленные крутильными колебаниями, штормовой погодой, маневрами судна, буксировкой, различной загрузкой судна, зависимостью неравномерности сопротивления винта от количества лопастей.
4.4.6 На согласование Речному Регистру вместе с технической документацией должны быть представлены результаты расчета главной зубчатой передачи на прочность, выполненного по методике Речного Регистра или согласованной с ним.
Смазывание
4.4.7 Если подача масла к зубчатым зацеплениям и подшипникам скольжения осуществляется под давлением, то должна быть обеспечена возможность фильтрации масла и регулирования его давления, установлены манометр и термометр, а также предохранительное устройство, исключающее повышение давления масла сверх допустимого.
При смазке погружением должна быть предусмотрена возможность контроля уровня масла.
4.4.8 Смазка зубчатых зацеплений и подшипников должна осуществляться таким образом, чтобы не происходило вспенивание и образование эмульсии масла.
4.4.9 Если в передачах применены подшипники качения, то на трубопроводе выхода масла из передачи (редуктора) рекомендуется устанавливать дополнительный термометр.
4.5.1 Проверка несущей способности р боковой поверхности зубьев прямозубых муфт осуществляется с помощью соотношения, МПа:
р = 9,9×108 PkA/(Bhdzn) £ pzul (4.5.1-1)
(значения
возможны только при
высокой точности изготовления и незначительном остаточном дисбалансе).
В уравнениях (4.5.1-1) и (4.5.1-2):
Р - мощность привода, кВт;
kА - коэффициент, учитывающий тип привода и муфты:
для турбинных, электрических и дизельных двигателей с гидравлической муфтой или электромагнитной муфтой скольжения между двигателем и передачей kА = 1,0;
для дизельных двигателей с высокоупругой муфтой между двигателем и передачей kА = 1,25.
Значение kА может быть увеличено по требованию Речного Регистра, если значения напряжений от крутильных колебаний приближаются к допускаемым.
В - минимальная ширина зуба, несущая нагрузку, мм;
h - рабочая высота зубьев, мм;
d - диаметр делительной окружности, мм;
z - число зубьев;
п - частота вращения, мин-1;
dm - диаметр рукава муфты, мм;
М - масса рукава муфты, кг;
pzul - допускаемая несущая способность боковой поверхности зубьев, МПа:
для сталей, прошедших улучшение, pzul = 400 ¸ 600 МПа, причем верхние значения относятся к сталям повышенной прочности, высокоточного изготовления зубьев и обработки их поверхности;
для закаленных и при необходимости шлифованных зубьев pzul = 800 ¸ 1000 МПа, причем верхние значения характерны для азотированных поверхностей зубьев, изготовленных и обработанных с высокой точностью.
4.5.2 Смазывание зубьев муфт при dn2 £ 6×109 мм/мин2 может быть осуществлено способом погружения с контролем за постоянным уровнем масла в муфте. При dn2 £ 6×109 мм/мин2 должна быть предусмотрена циркуляционная система смазывания.
4.5.3 При определении размеров втулок, фланцев и болтов зубчатых муфт должны быть учтены требования 3.5.5 - 3.5.9.
4.6.1 Размеры упругих муфт между главными двигателями и передачей должны быть определены с учетом требования о том, что они в течение определенного времени могли бы выдерживать нагрузку при выходе из строя любого цилиндра с учетом возникающих при этом дополнительных напряжений от крутильных колебаний.
4.6.2 При среднем крутящем моменте приводного двигателя напряжения в нагруженных элементах муфт, воспринимающих усилия на срез и выполненных из неусиленной резины или пластика, не должны превышать 0,25 - 0,45 МПа в зависимости от качества резины или от конструкции пружинных элементов. Это необходимо для обеспечения благоприятного распределения напряжений в пределах этих пружинных элементов. Качество резины рекомендуется признать достаточным, если помимо других приемлемых свойств эластичное сжатие находится в пределах 35 - 65 %, а эластичное удлинение - в пределах 250 - 550 %.
С целью снижения отрицательного влияния надреза концевые части с заделанным концом должны быть усилены.
4.6.3 При определении размеров корпусов, фланцев и болтов упругих муфт должны быть учтены требования 3.5.5 - 3.5.9.
4.6.4 Если конструкция упругой муфты такова, что при работе под нагрузкой она создает осевые усилия на соединяемые с ней части приводного двигателя, то должны быть приняты меры по нейтрализации этих усилий.
4.6.5 Упругие муфты дизель-генераторов должны поглощать ударные нагрузки, вызванные коротким замыканием. В случае отсутствия таких данных, максимальный крутящий момент должен быть не менее 4,5 номинального крутящего момента муфты.
4.7.1 Разобщительные муфты главных двигателей должны иметь устройства, предотвращающие длительное скольжение.
4.7.2 Управление разобщительными муфтами должно производиться с поста, с которого осуществляется управление главными двигателями. Непосредственно на самих муфтах должно быть предусмотрено устройство резервного управления.
4.7.3 При работе двух и более двигателей на один гребной вал через разобщительные муфты устройство управления ими должно исключать возможность их одновременного включения при работе двигателей в различных направлениях вращения.
4.7.4 Должна быть предусмотрена блокировка, исключающая возможность включения разобщительной муфты при включении валоповоротного устройства с приводом от источника энергии.
5.1.1 Требования настоящего раздела распространяются на гребные винты судов, в том числе и судов с ледовым усилением.
5.1.2 Конструкция и размеры гребных винтов ледоколов, а также движителей специальной конструкции (крыльчатых, водометных, гребных колес и т.д.) подлежат специальному согласованию с Речным Регистром.
5.2.1 Материалы, предназначенные для изготовления гребных винтов должны удовлетворять требованиям, указанным в графе 3 табл. 5.2.1.
Таблица 5.2.1
|
Материал |
Главы ч. V ПСВП |
|
|
1 |
2 |
3 |
|
1. Цельнолитые винты |
Сталь литая |
3.7 |
|
Сплав медный |
4.2 |
|
|
2. Сборные винты |
||
|
2.1. Лопасти |
Сталь литая |
3.7 |
|
Сплав медный |
4.2 |
|
|
2.2. Ступицы |
Сталь литая |
3.7 |
|
Сплав медный |
4.2 |
|
|
2.3. Болты (шпильки) крепления лопастей, обтекателей и уплотнений |
Сплав медный |
4.1 |
|
Сталь кованая |
3.6 |
|
|
3. Обтекатели |
Сталь литая |
3.7 |
|
Сплав медный |
4.1 |
Материалы деталей гребных винтов, указанных в 2.3 табл. 5.2.1, могут быть выбраны по стандартам. Применение материалов в этом случае подлежит согласованию с Речным Регистром при рассмотрении технической документации.
5.2.2 Для деталей, указанных в 1, 2.1, 2.2 и 3 табл. 5.2.1, по согласованию с Речным Регистром допускается применение пластмасс и других неметаллических материалов.
5.2.3 Для судов без ледовых усилений допускается изготовление гребных винтов из чугуна с пластинчатым графитом, соответствующего требованиям 3.12 ч. V ПСВП.
5.2.4 Лопасти винтов при изготовлении должны подвергаться неразрушающему контролю. Методы, объем, и нормы этого контроля подлежат согласованию с Речным Регистром.
5.2.5 Сварка и контроль сварных соединений должны выполняться в соответствии с требованиями ч. V ПСВП.
Толщина лопасти
5.3.1 Толщина s лопасти спрямленного цилиндрического сечения (рис. 5.3.1-1) цельнолитых, сборных гребных винтов должна быть не менее определяемой по формуле, мм:
(5.3.1)
где А - коэффициент, определяемый по номограмме на рис. 5.3.1-2 в зависимости от радиуса r расчетного поперечного сечения и шагового отношения H/D на данном радиусе;
Рис. 5.3.1-1
Рис. 5.3.1-2
k - коэффициент, определяемый по табл. 5.3.1-1;
Р - мощность на гребном валу при расчетной мощности главного двигателя, кВт;
Таблица 5.3.1-1
|
Суда |
||
|
без ледового усиления |
с ледовым усилением |
|
|
Специальная латунь или бронза |
7,8 |
8,5 |
|
Литая сталь |
8,6 |
9,4 |
|
Чугун |
8,8 |
- |
|
Примечания. 1. Если на судне установлены двигатели с числом цилиндров менее четырех, значения коэффициента k должны быть увеличены на 7 %. 2. Для валовых линий, оборудованных гидравлическими или электромагнитными муфтами, допускается уменьшение значения коэффициента k на 5 %. 3. Для двухвинтовых судов без ледовых усилений значения коэффициента k могут быть уменьшены на 7 %. |
||
т - уклон лопасти, м;
D - диаметр гребного винта, м;
п - частота вращения гребного винта, мин-1;
zл - число лопастей;
b - ширина спрямленного цилиндрического сечения лопасти, м;
sм = 0,6Rm + 175 МПа, но не более: 570 МПа для сталей, 610 МПа для цветных сплавов, 290 МПа для чугуна;
Rm - временное сопротивление на растяжение материала лопастей, МПа.
с - коэффициент центробежных напряжений, определяемый по табл. 5.3.1-2 в зависимости от радиуса поперечного сечения.
Таблица 5.3.1-2
|
r/R |
0,20 |
0,25 |
0,35 |
0,60 |
|
с |
0,50 |
0,45 |
0,30 |
0 |
Толщины лопастей проверяются в двух поперечных сечениях: в корневом и на радиусе r = 0,6R (см. рис. 5.3.1-1).
Расчетное корневое сечение лопасти следует принимать:
для цельнолитых гребных винтов - на радиусе 0,2R, если радиус ступицы менее 0,2R, и на радиусе 0,25R, если радиус ступицы более или равен 0,2R;
для винтов со съемными лопастями на радиусе 0,3R, при этом значения коэффициентов А и с принимаются для r = 0,25R.
Примечание. Толщина лопасти в расчетном сечении определяется без учета радиусов галтелей перехода лопасти в ступицу (см. рис. 5.3.1-1). При этом отверстия для деталей крепления съемных лопастей гребных винтов не должны приводить к уменьшению расчетного сечения.
5.3.2 Толщины Sk концевых кромок лопастей должны быть не менее, м:
0,0035D - для судов без ледовых усилений;
0,005D - для судов с ледовыми усилениями.
5.3.3 Толщины лопастей, определенные согласно 5.3.1 и 5.3.2, в обоснованных случаях (например, при применении специального профиля лопасти) могут быть уменьшены при условии представления Речному Регистру подробных расчетов прочности.
Ступица и детали крепления лопасти
5.3.4 Радиусы галтелей перехода лопасти в ступицу должны составлять не менее:
0,04D - по всасывающей стороне;
0,03D - по нагнетательной стороне;
0,03D - по обеим сторонам, если нет уклона лопасти.
5.3.5 В ступице гребного винта должны быть выполнены отверстия для заполнения густым смазочным материалом свободных полостей между ступицей и конусом вала, а также полости под обтекателем.
5.3.6 Внутренний диаметр резьбы шпилек dш, крепящих съемные лопасти к ступице, должен быть не менее определяемого по формуле, мм:
(5.3.6)
где k = 0,33 при трех шпильках со стороны нагнетательной поверхности;
k = 0,30 при четырех шпильках со стороны нагнетательной поверхности;
k = 0,28 при пяти шпильках со стороны нагнетательной поверхности;
s - наибольшая толщина лопасти в расчетном корневом сечении (см. рис. 5.3.1-1), мм;
b - спрямленная ширина лопасти в расчетном корневом сечении (см. рис. 5.3.1-1), м;
Rmл - временное сопротивление материала лопастей, МПа;
Rmш - временное сопротивление материала шпилек, МПа;
d - диаметр окружности центров расположения шпилек, м, при расположении шпилек не по окружности, d = 0,85l (l - расстояние между наиболее удаленными шпильками, м).
5.3.7 Болты и гайки, крепящие лопасти к ступице, должны быть надежно застопорены.
5.3.8 Внутренний диаметр резьбы крепежных болтов лопастей должен определяться по формуле, мм,
(5.3.8-1)
где Fм - усилие, действующее на болт, Н:
(5.3.8-2)
aА - коэффициент затяжки крепежных болтов: aА = 1,2 ¸ 1,6;
ReH - предел текучести материала, МПа;
Rp0,2 - условный предел текучести, при котором пластическая деформация достигает 0,2 % от начальной расчетной длины, МПа;
Р - мощность на гребном валу при расчетной мощности главного двигателя, кВт;
п - частота вращения гребного винта, мин-1;
CEW - коэффициент усиления, для судов без усиления CEW = 1,0; для судов, предназначенных для плавания в битом льду CEW = 1,05; для ледоколов и судов ледокольного типа CEW = 1,07;
CG - коэффициент, учитывающий диаметр D винта:
, (5.3.8-3)
значения СG принимаются в пределах 0,85 ¸ 1,1;
fCG - коэффициент, для винтов фиксированного шага fCG = 7,2; для сборных гребных винтов fCG = 6,2; в случае выхода CG за границы диапазона 0,85 - 1,1 следует принимать СG равным соответствующему граничному значению;
zл - число лопастей;
Z - число крепежных болтов лопастей;
Cw - коэффициент материала гребного винта, принимается равным временному сопротивлению Rm материала на растяжение;
dц - диаметр окружности центров расположения болтов, мм.
5.3.9 Болты для крепления лопастей должны завинчиваться с применением устройств для контроля затяга так, чтобы предварительное натяжение болтов составляло примерно 60 - 70 % предела текучести.
Должны быть предусмотрены меры, предотвращающие непреднамеренную отдачу крепежа.
5.4.1 Окончательно обработанные гребные винты должны быть статически отбалансированы. Степень балансировки должна быть проверена с помощью контрольного груза, при подвешивании которого на конец каждой горизонтально расположенной лопасти винт должен начать вращение.
Масса контрольного груза т должна определяться по формуле, кг:
m = kmв/R, (5.4.1)
где k = 0,75 для п £ 200;
k = 0,5 для 200 < п £ 500;
k = 0,25 для п > 500;
п - номинальная частота вращения гребного винта, мин-1;
тв - масса гребного винта, т;
R - радиус гребного винта, м.
6.1.1 Расчеты крутильных колебаний судовых движительных установок, дизельных двигателей, испытываемых на стендах организаций-изготовителей, дизель-генераторных, дизель-редукторных, дизель-компрессорных и дизель-насосных агрегатов (далее агрегаты) с двигателями мощностью 110 кВт и более представляются Речному Регистру при согласовании:
.1 технического проекта нового судна;
.2 технического проекта нового двигателя или агрегата;
.3 технической документации переоборудуемого, модернизируемого, восстанавливаемого, обновляемого или переклассифицируемого судна (см. 6.1.2).
6.1.2. При разработке технической документации, указанной в 6.1.3, расчеты крутильных колебаний выполняются:
.1 при установке на судно главного двигателя, марка которого отличается от марки спецификационного двигателя судна;
.2 при установке на судно двигателя той же марки, что и спецификационный, но с повышенным наддувом, либо с измененной конструкцией, а также другим материалом коленчатого вала или поршней;
.3 в случае установки другого маховика или выполнения проточки существующего, если момент инерции нового маховика отличается от прежнего на 10 % и более;
.4 в случае установки дополнительного маховика;
.5 при установке демпфера крутильных колебаний (динамического виброгасителя), его изъятия или замены на демпфер (динамический виброгаситель) с другими техническими характеристиками; ремонте демпфера (динамического виброгасителя) с изменением демпфирующих или упругих характеристик (изменение марки силиконовой жидкости, зазоров в силиконовом демпфере, материала или размеров маховика, пружинных пакетов, диаметра пальцев динамического виброгасителя и т.п.);
.6 в случае установки упругой муфты, ее изъятия или замены на муфту с другими техническими характеристиками;
.7 при установке гребного винта (движителя) других размеров или изготовленного из другого материала, или обрезке лопастей существующего винта, причем момент инерции нового винта или винта с обрезанными лопастями с учетом присоединенных масс воды отличается от прежнего на 10 % и более;
.8 при установке дополнительного приемника мощности (валогенератора, насоса и т.п.), его изъятии или замене на приемник мощности другой марки, если момент инерции приемника соизмерим с моментом инерции кривошипно-шатунного механизма рабочего цилиндра;
.9 в случае изменения диаметра валов на 2 % и более или изменения их податливости более чем на 5 %. Полный расчёт крутильных колебаний в случае изменения диаметра валов допускается не представлять, если будет показано, что изменение размеров отдельных участков вала не приведёт к изменению податливости вала более чем на 5 %, а в случае изменения их податливости - к развитию опасных крутильных колебаний;
.10 при модернизации агрегата с заменой двигателя (генератора, редуктора, компрессора, насоса) на двигатель (генератор, редуктор, компрессор, насос) другой марки.
6.1.3 Расчеты крутильных колебаний должны быть представлены как для основного варианта, так и для следующих вариантов работы судовых движительных установок, дизельных двигателей, испытываемых на стендах организаций-изготовителей, агрегатов:
.1 максимального отбора мощности и холостого хода (при флюгерном положении лопастей) установок с ВРШ и крыльчатыми движителями;
.2 с включенным дополнительным приемником мощности, если момент инерции последнего соизмерим с моментом инерции кривошипно-шатунного механизма рабочего цилиндра;
.3 заднего хода в установках с реверс-редуктором и различной редукцией при работе на передний и задний ход;
.4 с запасным (сменным) винтом, если он отличается от основного.
6.1.4 Расчет крутильных колебаний должен содержать:
.1 приведенную крутильную схему системы и сводную таблицу данных, характеризующих эту схему, в том числе номинальную мощность, расчетную и номинальную частоту вращения коленчатого вала двигателя, расположение его цилиндров (рядное, V-образное), число и порядок работы цилиндров, диаметр цилиндра, ход поршня, наименования масс и соединений, диаметры, длины всех валов системы, податливость соединений, моменты инерции масс, а также использованные в расчетах данные о редукторе, муфтах, демпфере (антивибраторе), гребном винте или потребителе мощности;
.2 таблицы расчета частот свободных колебаний всех форм, имеющих существенные резонансы в диапазоне от 0,2 до 1,2 номинальной частоты вращения;
.3 таблицы расчета значений возмущающего момента в зависимости от частоты вращения вала и порядков гармоник возмущающего момента;
.4 значения геометрических сумм векторных диаграмм для всех рассматриваемых порядков гармоник возмущающего момента;
.5 результаты расчета параметров резонансных крутильных колебаний, в том числе данные о расчетных напряжениях в наиболее слабых сечениях от всех существенных резонансов. Если резонанс главного порядка расположен вблизи диапазона 0,85 - 1,05 номинальной частоты вращения, то для этого диапазона должны быть вычислены напряжения от нерезонансных вынужденных колебаний, возникающие от действия резонанса главного порядка. При наличии упругой муфты должны быть определены и сопоставлены с допускаемыми значениями амплитуды эластических моментов или напряжений в ее элементах, а при наличии редуктора - определены и сопоставлены со средним крутящим моментом амплитуды эластических моментов;
.6 выводы по результатам расчета.
6.2.1 Допускаемые напряжения от резонансных, околорезонансных и нерезонансных вынужденных колебаний при длительной работе не должны превышать значений, определяемых по формулам:
для коленчатых валов главных двигателей и гребных валов
для промежуточных и упорных валов
для коленчатых валов двигателей, приводящих в действие генераторы и другие судовые технические средства ответственного назначения, а также для валов генераторов в диапазоне частоты вращения (0,85 - 1,05)nном
где tдоп - допускаемые напряжения, МПа;
d - диаметр вала в наиболее слабом сечении, мм;
п - исследуемая частота вращения, мин-1;
nном - номинальная частота вращения, мин-1.
Для судов, главные двигатели которых эксплуатируются длительное время при частоте вращения ниже номинальной (например, буксиров, траулеров и т.п.), во всех случаях необходимо принимать n = nном.
Следует избегать резонанса в диапазонах частот вращения, в которых главные двигатели работают длительное время.
В случае, когда резонансы имеют место в диапазоне частоты вращения (0,85 - 1,05)nном, напряжения от них не должны превышать 70 % от допускаемых напряжений, определяемых по формулам (6.2.1-1) и (6.2.1-2).
6.2.2 Допускаемые напряжения от крутильных колебаний (см. 6.2.1) даны применительно к валам, изготовленным из стали с временным сопротивлением от 430 до 510 МПа.
Для валов, изготовленных из стали с временным сопротивлением более 510 МПа, допускаемые напряжения могут быть определены по формуле
(6.2.2)
где tдоп - допускаемые напряжения, МПа, определяемые по формулам (6.2.1-1), (6.2.1-2) или (6.2.1-3);
Rm - временное сопротивление материала при растяжении, МПа.
Для материала с временным сопротивлением более 780 МПа в расчетах следует принимать Rm = 780 МПа.
6.2.3 Напряжения для зон частоты вращения, запретных для длительной работы, но через которые допускается быстрое прохождение, не должны превышать значений, определяемых по формулам:
для коленчатых валов главных двигателей и гребных валов
t¢доп = 2tдоп; (6.2.3-1)
для промежуточных валов и упорных валов
t¢доп = 1,7tдоп; (6.2.3-2)
для коленчатых валов вспомогательных двигателей и валов генераторов
t¢доп = 5tдоп, (6.2.3-3)
где t¢доп - допускаемые напряжения для зон частот вращения, запретных для длительной работы, МПа;
tдоп - допускаемые напряжения, МПа, определяемые соответственно по формулам (6.2.1-1) - (6.2.1-3). Формулы (6.2.3-1) - (6.2.3-3) не распространяются на диапазоны 0,3 - 0,4 и 0,85 - 1,05 номинальной частоты вращения, в которых запретные зоны не допускаются.
6.3.1 Результаты расчета крутильных колебаний судовых движительных установок, дизельных двигателей, испытываемых на стендах организаций-изготовителей, агрегатов должны быть подтверждены результатами измерения амплитуд крутильных колебаний и/или напряжений в элементах крутильно-колеблющейся системы и термометрирования упругих муфт.
Измерения параметров крутильных колебаний производят:
.1 на движительной установке головного судна серии, головном двигателе серии, испытуемом на стенде организации-изготовителя, головном агрегате серии;
.2 на серийных или ремонтируемых движительных установках, двигателях, агрегатах при их модернизации или ремонте, вызвавших изменения в крутильно-колеблющейся системе в случаях, указанных в 6.1.2.
Если после изменения конструкции или технических характеристик отдельных элементов системы расчеты крутильных колебаний не выявляют существенных отклонений параметров крутильных колебаний в опасную сторону1 по сравнению с результатами расчетов и измерений, полученными до внесения этих изменений, то по согласованию с Речным Регистром измерение параметров крутильных колебаний можно не производить;
______________
1 Существенными отклонениями параметров крутильных колебаний в опасную сторону считаются такие отклонения, при которых их значения достигают 80 % значений, допускаемых для длительной работы.
.3 на эксплуатируемых движительных установках, двигателях, агрегатах при периодических контрольных испытаниях для проверки эффективности работы демпферов крутильных колебаний или специальных устройств для снижения амплитуд крутильных колебаний после определенного срока их эксплуатации, предусмотренного техническими условиями или рекомендациями организации-изготовителя;
.4 при проведении контрольных испытаний после ремонта демпферов крутильных колебаний или специальных устройств для снижения амплитуд крутильных колебаний, если в процессе ремонта выполнены изменения, меняющие их демпфирующие или упругие характеристики.
Испытания с целью определения параметров крутильных колебаний должны быть проведены на наиболее характерных режимах работы установки, для которых согласно 6.1.1 - 6.1.3 выполнены расчеты.
6.3.2 Измеренные частоты свободных колебаний не должны отличаться от расчетных более чем на 5 %, в противном случае расчет должен быть подвергнут соответствующей корректировке.
6.3.3 Подсчет напряжений по данным торсиографирования (измерения амплитуд колебаний) должен выполняться по наибольшим амплитудам колебаний соответствующей части торсиограммы, а при оценке нерезонансных вынужденных колебаний необходимо проводить гармонический анализ торсиограммы.
6.4.1 В случае, когда действующие напряжения и температуры превышают допускаемые для длительной работы, назначаются запретные зоны частот вращения. Запретная зона частот вращения охватывает диапазон между частотой вращения, характеризуемой равенством действующих и допускаемых напряжений с увеличением в обе стороны на значение 0,03 номинальной частоты вращения.
6.4.2 При наличии запретных зон частот вращения точность измерения тахометра должна быть в пределах ±2,5 %.
6.4.3 Запретные зоны частот вращения должны быть четко выделены на тахометрах хорошо видимой краской или обозначены другим способом на всех постах управления установкой.
7.1.1 Требования настоящего раздела Правил распространяются на:
.1 компрессоры воздушные с приводом от источника энергии;
.2 насосы, входящие в состав систем, регламентируемых разд. 10 и 13, за исключением насосов с ручным приводом;
.3 вентиляторы, входящие в состав систем, регламентируемых разд. 10.
7.2.1 Валы и рабочие колеса (ободы) компрессоров, насосов, вентиляторов подлежат при изготовлении ультразвуковому контролю в соответствии с требованиями 8.2 ч. V ПСВП.
7.2.2 Стальные кованые и литые детали, включая их сварные соединения, должны подвергаться в процессе изготовления контролю на отсутствие поверхностных дефектов. В случае сомнений относительно наличия дефектов должен быть произведен неразрушающий контроль деталей и их сварных соединений.
7.3.1 Материалы, предназначенные для изготовления деталей компрессоров, насосов, вентиляторов должны удовлетворять требованиям, указанным в табл. 7.3.1. Материал корпусов насосов и вентиляторов может быть также выбран по рекомендациям стандартов. Применение материалов в этих случаях подлежит согласованию с Речным Регистром при рассмотрении технической документации.
Таблица 7.3.1
|
Материал |
Главы ч. V ПСВП |
|
|
1 |
2 |
3 |
|
1. Компрессоры и насосы поршневые |
||
|
1.1. Коленчатый вал |
Сталь кованая |
3.6 |
|
Сталь литая |
3.7 |
|
|
Чугун |
3.11 |
|
|
1.2. Шатун, шток поршневой |
Сталь кованая |
3.6 |
|
1.3. Поршень |
Чугун |
3.11, 3.12 |
|
Сталь литая |
3.7 |
|
|
Сталь кованая |
3.6 |
|
|
Сплав медный |
4.1 |
|
|
Сплав алюминиевый |
5.2 |
|
|
1.4. Блок цилиндров, крышки цилиндров |
Чугун |
3.11, 3.12 |
|
Сталь литая |
3.7 |
|
|
1.5. Втулка цилиндровая |
Чугун |
3.11, 3.12 |
|
2. Насосы центробежные, вентиляторы и воздуходувки |
||
|
2.1. Вал |
Сталь кованая |
3.6 |
|
Сталь катаная |
3.2 |
|
|
2.3. Рабочее колесо, крылатка |
Сталь литая |
3.7 |
|
Сплав медный |
4.1 |
|
|
Сплав алюминиевый |
5.2 |
|
|
2.4. Корпус |
Чугун |
3.11, 3.12 |
|
Сталь литая |
3.7 |
|
|
Сталь катаная |
3.2 |
|
|
Сплав медный |
4.1 |
|
|
Сплав алюминиевый |
5.2 |
|
7.3.2 В случае использования легированных стали и чугуна, чугуна с шаровидным и пластинчатым графитом, а также применения сварки должны быть учтены требования 2.1.4 - 2.1.6.
7.4.1 Конструкция и исполнение компрессоров, насосов, вентиляторов должны удовлетворять требованиям 1.3 и 1.5.
7.4.2 Крепежные детали движущихся частей компрессоров, насосов, вентиляторов, а также крепежные детали, находящиеся в труднодоступных местах, должны иметь приспособления или соответствующую конструкцию, не допускающие самопроизвольного их ослабления и отдачи.
Движущиеся части приводов должны быть закрыты защитными кожухами.
7.4.3 Устройства для смазывания узлов и деталей должны быть легкодоступными и безопасными для обслуживающего персонала во время работы агрегатов.
7.4.4 Предохранительные и защитные устройства должны быть сконструированы и установлены так, чтобы при их срабатывании исключалась возможность возникновения пожара и они не представляли опасности для обслуживающего персонала.
7.4.5 Детали, соприкасающиеся со средой, вызывающей коррозию, должны быть изготовлены из антикоррозионного материала, если это необходимо для обеспечения безопасности при эксплуатации, или иметь покрытия, стойкие против коррозии.
Узлы и детали, которые изготовлены из материалов с разным электрическим потенциалом и которые могут соприкасаться с агрессивными средами, должны быть защищены от электролитической коррозии.
7.4.6 Нагревающиеся поверхности компрессоров, насосов, вентиляторов, представляющие опасность в пожарном отношении, должны иметь теплоогнестойкую изоляцию или должны предусматриваться конструктивные мероприятия, предотвращающие попадание топлива и масла на указанные поверхности перечисленных технических средств.
Теплоизоляция должна быть покрыта металлическим кожухом или топливо- и маслонепроницаемым составом.
7.4.7 Системы и трубопроводы компрессоров, насосов, вентиляторов должны удовлетворять требованиям разд. 10.
7.5.1 Детали компрессоров, насосов, вентиляторов, работающие при избыточном давлении, после окончательной механической обработки до нанесения защитных покрытий должны быть испытаны пробным гидравлическим давлением pnf, определяемым по формуле, МПа:
рпр = (1,5 + 0,1k)р, (7.5.1)
где k - коэффициент, принимаемый по табл. 7.5.1;
р - рабочее давление, МПа.
Во всех случаях значение пробного давления должно приниматься не ниже давления, соответствующего полному открытию предохранительного клапана, но не ниже 0,4 МПа для охлаждаемых полостей деталей и различного рода уплотнений и не ниже 0,2 МПа в других случаях.
Если температура или рабочее давление превышают значения, предусмотренные в табл. 7.5.1, значение пробного давления должно быть в каждом отдельном случае одобрено Речным Регистром.
Таблица 7.5.1
|
Рабочая температура, °С, до |
|||||||||||
|
120 |
200 |
250 |
300 |
350 |
400 |
430 |
450 |
475 |
500 |
||
|
Сталь углеродистая |
р, МПа, до |
- |
20 |
20 |
20 |
20 |
10 |
101 |
107 |
- |
- |
|
k |
0 |
0 |
1 |
3 |
5 |
8 |
11 |
17 |
- |
- |
|
|
Сталь молибденовая и молибденохромистая с содержанием молибдена не менее 0,4 % |
р, МПа, до |
- |
- |
- |
- |
20 |
20 |
20 |
20 |
20 |
20 |
|
k |
0 |
0 |
0 |
0 |
0 |
1 |
2 |
3,5 |
6 |
11 |
|
|
Чугун |
р, МПа, до |
6 |
6 |
6 |
6 |
- |
- |
- |
- |
- |
- |
|
k |
0 |
2 |
3 |
4 |
- |
- |
- |
- |
- |
- |
|
|
Бронза, латунь, медь |
р, МПа, до |
2 |
3 |
3 |
- |
- |
- |
- |
- |
- |
- |
|
k |
0 |
3,5 |
7 |
- |
- |
- |
- |
- |
- |
- |
|
7.5.2 Допускается производить испытание деталей и узлов раздельно по полостям пробным давлением, назначенным в соответствии с рабочим давлением и температурой в каждой полости.
7.5.3 Детали и узлы насосов, вентиляторов, заполняемые нефтепродуктами или их парами под гидростатическим или атмосферным давлением, должны подвергаться испытаниям на плотность наливом керосина или другим способом, одобренным Речным Регистром. В сварных конструкциях испытанию на плотность достаточно подвергать только сварные швы.
7.5.4 Компрессоры, насосы, вентиляторы по окончании сборки, регулировки и обкатки до установки на судно должны быть испытаны на стенде под нагрузкой по согласованной с Речным Регистром программе.
В отдельных случаях по согласованию с Речным Регистром допускается заменять стендовые испытания испытаниями на судне.
7.6.1 Конструкция компрессоров и их приводов должна обеспечивать возможность длительной работы при полной нагрузке.
7.6.2 Приемные патрубки компрессоров должны быть снабжены сетками.
7.6.3 Очистка и охлаждение воздуха должны быть обеспечены в соответствии с требованиями 10.16.15, 10.16.16.
7.6.4 Охлаждающие полости компрессоров должны быть оборудованы спускными устройствами.
7.6.5 На каждой ступени компрессора или непосредственно после нее должен быть установлен предохранительный клапан, не допускающий повышения давления в ступени более 1,1 расчетного при закрытом клапане на нагнетательном трубопроводе.
7.6.6 На нагнетательном патрубке непосредственно за компрессором должен быть установлен плавкий предохранитель или сигнальное устройство, срабатывающие при температуре воздуха, не превышающей 125 °С.
7.6.7 Корпуса охладителей воздуха должны быть снабжены предохранительными устройствами, обеспечивающими свободный выход воздуха в случае разрыва труб.
7.6.8 За каждой ступенью компрессора должен быть установлен манометр.
7.6.9 Должна быть предусмотрена возможность измерения температуры воздуха на напорном патрубке непосредственно за компрессором.
7.6.10 Оборудование навешенных компрессоров контрольно-измерительными приборами является в каждом отдельном случае предметом специального рассмотрения Речным Регистром.
7.7.1 Изложенный в 7.7.3 и 7.7.4 способ проверочного расчета распространяется на стальные коленчатые валы судовых компрессоров с рядным, V-образным и W-образным расположением цилиндров, с одно- и многоступенчатым сжатием.
Чугунные коленчатые валы, а также отступления от размеров стальных коленчатых валов, рассчитанных по приведенным ниже формулам, могут быть допущены по согласованию с Речным Регистром при условии представления обоснованных расчетов или экспериментальных данных.
7.7.2 Коленчатые валы должны изготавливаться из стали с временным сопротивлением от 410 до 780 МПа.
Применение стали с временным сопротивлением выше 780 МПа является в каждом отдельном случае предметом специального рассмотрения Речным Регистром.
Чугунные коленчатые валы должны изготавливаться из чугуна с шаровидным графитом согласно табл. 3.11.6 ч. V ПСВП.
7.7.3 Диаметр dк шеек коленчатого вала компрессора должен быть не менее определяемого по формуле, мм:
(7.7.3)
где k, f, j1 - коэффициенты, принимаемые по табл. 7.7.3-1, 7.7.3-2 и 7.7.3-3;
Таблица 7.7.3-1
|
Временное сопротивление Rm, МПа |
390 |
490 |
590 |
690 |
780 |
880 |
|
k |
1,43 |
1,35 |
1,23 |
1,23 |
1,20 |
1,18 |
Таблица 7.7.3-2
|
0° (рядный) |
45° |
60° |
90° |
|
|
f |
1,0 |
2,9 |
1,96 |
1,21 |
Таблица 7.7.3-3
|
1 |
2 |
4 |
6 |
8 |
|
|
j1 |
1,0 |
1,1 |
1,2 |
1,3 |
1,4 |
Dp - расчетный диаметр цилиндра, мм;
Dp = Dц при одноступенчатом сжатии;
Dp = Dв при двух- и многоступенчатом сжатии в отдельных цилиндрах;
Dp = 1,4Dв при двухступенчатом сжатии в одном ступенчатом поршне;
при двухступенчатом сжатии в одном дифференциальном поршне;
Dц - диаметр цилиндра, мм;
Dв - диаметр цилиндра высокого давления, мм;
Dн - диаметр цилиндра низкого давления, мм;
рk - давление нагнетания цилиндра высокого давления; для воздушных компрессоров холодильных машин значение рk должно приниматься по 9.3.2.
Lp - расчетное расстояние между коренными подшипниками, мм, равное:
Lp = L¢ при расположении одного кривошипа между двумя коренными подшипниками, мм;
Lp = 1,1L¢ при размещении двух смещенных кривошипов между двумя коренными подшипниками, мм;
L¢ - фактическое расстояние между серединами коренных подшипников, мм;
s - ход поршня, мм.
7.7.4 Толщина щеки вала hk, (рис. 7.7.4) должна быть не менее определяемой по формуле, мм:
(7.7.4-1)
где k1 - коэффициент:
, (7.7.4-2)
Рис. 7.7.4
а - коэффициент, равный:
а = 0,9 - для валов с азотированием всей поверхности либо подвергнутых другому виду упрочнения, одобренному Речным Регистром;
а = 0,95 - для валов кованных в штампах или в направлении волокон;
а = 1 - для валов, не подвергнутых упрочнению;
Rm - временное сопротивление материала при растяжении, МПа; при использовании материала с временным сопротивлением более 780 МПа для расчета следует принимать Rm = 780 МПа;
Dp - расчетный диаметр цилиндра (см. 7.7.3), мм;
y1, y2 - коэффициенты, принимаемые по табл. 7.7.4-1, 7.7.4-2; при определении коэффициента y2 принимается во внимание наименьший радиус галтели;
Таблица 7.7.4-1
|
b/dk |
1,2 |
1,4 |
1,5 |
1,8 |
2,0 |
2,2 |
|
y1 |
0,92 |
0,95 |
1,0 |
1,08 |
1,15 |
1,27 |
Таблица 7.7.4-2
|
r/h |
e/h |
||||||
|
0 |
0,2 |
0,4 |
0,6 |
0,8 |
1,0 |
1,2 |
|
|
0,07 |
4,5 |
4,5 |
4,28 |
4,1 |
3,7 |
3,3 |
2,75 |
|
0,10 |
3,5 |
3,5 |
3,34 |
3,18 |
2,88 |
2,57 |
2,18 |
|
0,15 |
2,9 |
2,9 |
2,82 |
2,65 |
2,4 |
2,07 |
1,83 |
|
0,20 |
2,5 |
2,5 |
2,41 |
2,32 |
2,06 |
1,79 |
1,61 |
|
0,25 |
2,3 |
2,3 |
2,2 |
2,1 |
1,9 |
1,7 |
1,4 |
|
Примечания: 1. r - радиус галтели, мм (см. рис. 7.7.4). 2. e - абсолютное значение перекрытия, мм (см. рис. 7.7.4). |
|||||||
pk - давление нагнетания, принимаемое согласно указаниям 7.7.3, МПа;
с1 - расстояние от середины коренного подшипника до средней плоскости щеки, при смещенных кривошипах, расположенных между двумя коренными подшипниками, принимается расстояние до средней плоскости щеки, наиболее удаленной от опоры, мм;
f1 - коэффициент, принимаемый по табл. 7.7.4-3;
Таблица 7.7.4-3
|
0° (рядный) |
45° |
60° |
90° |
|
|
f1 |
1,0 |
1,7 |
1,4 |
1,1 |
b - ширина щеки, мм.
7.7.5 При проектировании и изготовлении валов должны выполняться требования 2.6.3 - 2.6.6.
7.8.1 Должны быть предусмотрены меры против попадания перекачиваемой жидкости в подшипники. Исключение допускается для насосов, у которых перекачиваемая жидкость используется для смазывания подшипников.
7.8.2 Сальники насосов, расположенные на стороне всасывания, рекомендуется оборудовать гидравлическими затворами.
7.8.3 Конструкция насосов должна допускать возможность контроля их параметров, осушения внутренних полостей и подключения манометра.
7.8.4 Если конструкция насосов не исключает возможности повышения давления сверх расчетного, то должен быть предусмотрен предохранительный клапан на корпусе насоса или на трубопроводе до первого запорного клапана.
7.8.5 У насосов, предназначенных для перекачивания горючих жидкостей, перепуск жидкости от предохранительных клапанов должен осуществляться во всасывающую полость насоса.
7.8.6 Должны быть предусмотрены меры, исключающие возникновение гидравлических ударов; применение для этих целей перепускных клапанов не рекомендуется.
7.8.7 Детали насоса должны быть проверены на прочность при нагрузках, соответствующих расчетным параметрам насоса. При этом напряжения в деталях не должны превышать 40 % предела текучести материала детали.
7.8.8 Критическая частота вращения ротора насоса должна быть не менее 1,3 расчетной частоты вращения.
7.8.9 Насосы, снабженные самовсасывающими устройствами, должны обеспечивать работу в условиях «сухого всасывания» и иметь устройства (фильтры грубой и тонкой очистки), исключающие работу самовсасывающего устройства на загрязненной воде.
7.8.10 Уплотнения вала насосов для перекачивания горючих жидкостей должны быть такими, чтобы возможные утечки не приводили к образованию паров в таком количестве, которое могло бы привести к образованию воспламеняющейся смеси паров жидкости и воздуха.
7.8.11 Конструкция уплотнений вращающихся деталей насосов для перекачивания горючих жидкостей должна исключать их нагрев свыше 50 °С.
7.8.12 При применении в конструкции насоса для перекачивания горючих жидкостей материала с низкой электрической проводимостью (пластмасса, резина и т.п.) должны быть приняты меры для снятия с них электрических зарядов путем включения в их состав присадок или применения устройств снятия зарядов и отвода их на корпус.
7.9.1 Вентиляторы, предназначенные для комплектации систем, указанных в разд. 10, должны удовлетворять следующим требованиям:
.1 роторы вентиляторов совместно с соединительными муфтами должны быть динамически отбалансированы в соответствии с 4.3.2.
.2 всасывающие патрубки вентиляторов должны быть защищены от попадания в них посторонних предметов.
7.9.2 Рабочее колесо должно быть рассчитано так, чтобы при частоте вращения, равной 1,3 расчетной, эквивалентные напряжения в любом сечении были не более 0,95 предела текучести материала детали.
7.9.3 Рабочее колесо должно быть испытано на механическую прочность на разгонной установке при частоте вращения, равной L,2 расчетной, не менее 3 мин. Прочность считается достаточной, если после испытаний нет следов деформаций.
7.10.1 Воздушный зазор между крылаткой и корпусом вентилятора должен быть не менее 0,1 диаметра шейки вала крылатки в районе подшипника, но во всех случаях он должен быть не менее 2 мм. Зазор более 13 мм можно считать чрезмерным.
7.10.2 Для предотвращения попадания в корпус вентилятора посторонних предметов на входе и выходе вентиляционных каналов должны устанавливаться защитные сетки с квадратными ячейками с размером стороны не более 13 мм.
7.10.3 Для предотвращения накопления электрических зарядов на вращающихся деталях и корпусе они должны изготавливаться из материалов, не вызывающих возникновения зарядов статического электричества. Кроме того, монтаж вентиляторов на судне должен предусматривать их надежное заземление на корпус судна в соответствии с требованиями ч. IV ПСВП.
7.10.4 Крылатка и корпус в районе возможного соприкосновения с крылаткой должны изготавливаться из материалов, которые при взаимодействии не образуют искр.
Признаются не образующими искр следующие сочетания материалов крылаток и корпусов:
.1 из неметаллических материалов, обладающих антистатическими свойствами;
.2 из сплавов на нежелезной основе;
.3 из нержавеющей аустенитной стали;
.4 крылатка изготовлена из алюминиевого или магниевого сплава, а корпус из чугуна или стали (включая нержавеющую аустенитную сталь), если внутри корпуса в районе крылатки установлено кольцо соответствующей толщины, изготовленное из сплавов на нежелезной основе;
.5 любое сочетание чугунных и стальных крылаток и корпусов (включая также тот случай, когда крылатка и корпус изготовлены из нержавеющей аустенитной стали) при условии, что зазор между ними будет не менее 13 мм.
7.10.5 Могут быть допущены сочетания материалов крылаток и корпусов, не предусмотренные в 7.10.4, если при соответствующих испытаниях будет показано, что они не образуют искр.
7.10.6 Не допускается применение следующих сочетаний материалов:
.1 крылатки изготовлены из алюминиевых и магниевых сплавов, а корпуса из сплавов на железной основе;
.2 крылатки изготовлены из сплавов на железной основе, а корпуса из алюминиевых или магниевых сплавов;
.3 крылатки и корпуса изготовлены из сплавов на железной основе при зазоре между ними менее 13 мм.
8.1.1 Настоящий раздел Правил распространяется на:
паровые котлы (в том числе утилизационные) с рабочим давлением пара в котле 0,07 МПа и выше;
водогрейные котлы с температурой нагреваемой воды выше 115 °С;
теплообменные аппараты и сосуды под давлением (кроме находящихся исключительно под давлением жидкости), которые в рабочем состоянии заполнены газом или паром с рабочим давлением 0,07 МПа и выше вместимостью 0,025 м3 и более или с произведением рабочего давления, на вместимость, составляющим 0,03 МПа×м3 и более (испарители котлов, конденсаторы, паровые подогреватели, пневмогидроцистерны общесудовых систем, углекислотные баллоны и резервуары для хранения огнетушащей жидкости в составе систем пожаротушения и т.п.).
8.1.2 Водогрейные котлы с температурой воды выше 115 °С, фильтры и охладители главных и вспомогательных элементов энергетических установок в отношении материалов и прочных размеров элементов должны удовлетворять требованиям, предъявляемым к теплообменным аппаратам и сосудам под давлением согласно указаниям настоящего раздела Правил.
8.1.3 Сосуды, предназначенные для хранения сжатых газов и применяемые при эксплуатации судна в различных системах и устройствах, могут изготавливаться по стандартам под техническим наблюдением компетентного органа, признанного Речным Регистром. При этом должны соблюдаться дополнительные требования согласно 8.18.17 - 8.18.20.
8.1.4 До начала изготовления котлов, теплообменных аппаратов и сосудов под давлением Речному Регистру должна быть представлена на согласование документация, перечень которой приведен в ПТНП.
8.1.5 Требования к системам питательной воды изложены в 10.17.
8.1.6 Объем технического наблюдения за котлами, теплообменными аппаратами и сосудами под давлением в процессе изготовления приведен в ПТНП.
8.2.1 Котлы, теплообменные аппараты и сосуды под давлением в зависимости от параметров и особенностей конструкции настоящими Правилами разделяются на классы в соответствии с табл. 8.2.1.
8.3.1 Материалы, предназначенные для изготовления деталей котлов, теплообменных аппаратов и сосудов под давлением, перечислены в табл. 8.3.1 и должны удовлетворять требованиям соответствующих глав ч. V ПСВП.
Материалы для деталей котлов, теплообменных аппаратов и сосудов под давлением класса III, а также деталей, указанных в 1.5 и 2.5 табл. 8.3.1, могут быть выбраны по стандартам. Применение материалов в этом случае подлежит согласованию с Речным Регистром при рассмотрении технической документации.
Таблица 8.2.1
|
Класс I |
Класс II |
Класс III |
|
|
Котлы, в том числе утилизационные, водогрейные с температурой подогрева воды выше 115 °С, пароперегреватели и паросборники |
р > 0,35 |
р £ 0,35 |
|
|
Обогреваемые паром парогенераторы |
p > 1,6 |
р £ 1,6 |
|
|
Сосуды под давлением и теплообменные аппараты |
p > 4,0 или t > 350 или s > 35 |
1,6 < р £ 4,0 или 120 < t £ 350 или 16 < s £ 35 |
р £ 1,6 и t £ 120 и s £ 16 |
|
Сосуды под давлением и теплообменные аппараты с токсичной, воспламеняющейся рабочей средой |
Любых параметров |
||
|
Условные обозначения: р - рабочее давление, МПа; t - расчетная температура стенки, °С; s - толщина стенки, мм. |
|||
8.3.3 Для теплообменных аппаратов и сосудов под давлением с расчетной температурой менее 250 °С по согласованию с Речным Регистром может применяться судостроительная сталь согласно 3.2 ч. V ПСВП.
Таблица 8.3.1
|
Детали котлов, теплообменных аппаратов и сосудов под давлением |
Материалы |
Глава ч. V псвп |
|
1 Котлы, пароперегреватели и экономайзеры, а также парогенераторы, обогреваемые паром |
||
|
1.1 Обечайки, днища, решетки, барабаны, коллекторы и камеры |
Сталь катаная |
3.3 |
|
1.2 Трубы обогреваемые и необогреваемые |
Стальные бесшовные |
3.4 |
|
1.3 Жаровые трубы и элементы огневых камер |
Сталь катаная |
3.3 |
|
1.4 Балки, длинные и короткие связи |
Сталь кованая |
3.6 |
|
Сталь катаная |
3.3 |
|
|
1.5 Корпуса арматуры на рабочее давление 0,7 МПа и более |
Сталь кованая |
3.6 |
|
Сталь литая |
3.7 |
|
|
Чугун |
3.11, 3.12 |
|
|
Медные сплавы |
4.1 |
|
|
2 Теплообменные аппараты и сосуды под давлением |
||
|
2.1 Корпуса, распределители, днища, коллекторы и крышки |
Сталь кованая |
3.6 |
|
Сталь катаная |
3.3 |
|
|
Сталь литая |
3.7 |
|
|
Медные сплавы |
4.1 |
|
|
Чугун |
3.12 |
|
|
2.2 Трубные решетки |
Сталь катаная |
3.3 |
|
Медные сплавы |
4.1 |
|
|
2.3 Трубы |
Стальные бесшовные |
3.4 |
|
Медные сплавы |
4.1 |
|
|
2.4 Детали укреплений, длинные и короткие связи |
Сталь кованая |
3.6 |
|
Сталь катаная |
3.3 |
|
|
2.5 Корпуса арматуры на рабочее давление 0,7 МПа и более диаметром 50 мм и более |
Сталь кованая |
3.6 |
|
Сталь литая |
3.7 |
|
|
Медные сплавы |
4.1 |
|
|
Чугун |
3.12 |
|
|
Примечание. Выбор материала производится в соответствии с п. 8.3.2 - 8.3.8. |
||
По согласованию с Речным Регистром для некоторых деталей теплообменных аппаратов и сосудов с рабочим давлением менее 0,7 МПа и расчетной температурой менее 120 °С допускается применение стали полуспокойной плавки.
8.3.4 Если в качестве расчетной характеристики принят предел текучести при повышенной температуре, то должны быть проведены испытания материала на растяжение при расчетной температуре, а если принят предел длительной прочности, то Речному Регистру должны быть представлены данные о пределе длительной прочности при расчетной температуре.
8.3.5 Применение легированной стали для котлов, теплообменных аппаратов и сосудов под давлением является предметом специального рассмотрения Речным Регистром.
При этом Речному Регистру должны быть представлены данные о механических свойствах и длительной прочности стали и сварных соединений при расчетной температуре, технологических свойствах, технологии сварки и термической обработке.
8.3.6 Котельная арматура диаметром до 200 мм для рабочих давлений до 1 МПа и температур до 200 °С, за исключением предохранительных и питательных клапанов и клапанов продувания, может изготавливаться из чугуна с шаровидным графитом, отвечающего требованиям ч. V ПСВП.
8.3.7 Детали и арматура теплообменных аппаратов и сосудов под давлением для рабочих давлений до 1 МПа и диаметром до 1000 мм могут изготавливаться из чугуна с шаровидным графитом, имеющим полностью ферритную структуру, согласно ч. V ПСВП.
Применение чугуна для других условий является предметом специального рассмотрения Речным Регистром.
8.3.8 Использование медных сплавов для деталей котлов, теплообменных аппаратов, сосудов под давлением и их арматуры допускается для расчетной температуры до 250 °С и рабочего давления до 1,6 МПа.
Применение медных сплавов для других условий является предметом специального рассмотрения Речным Регистром.
8.3.9 Для деталей, указанных в 1.2 и 2.3 табл. 8.3.1, по согласованию с Речным Регистром допускается использование электросварных труб с продольным швом при доказанной эквивалентности их бесшовным трубам (см. также 8.5.35).
8.3.10 Сварка и контроль сварных соединений должны выполняться в соответствии с требованиями ч. V ПСВП.
8.3.11 Сварные соединения должны быть, как правило, стыковыми. Конструкции, в которых применяются угловые сварные соединения или соединения, подвергающиеся изгибу, являются в каждом случае предметом специального рассмотрения Речным Регистром.
8.3.12 Расположение на одной прямой продольных швов конструкций, состоящих из нескольких секций, является в каждом конкретном случае предметом специального рассмотрения Речным Регистром.
8.3.13 Детали, структура материала которых может нарушаться после сварки или пластической обработки, должны быть подвергнуты соответствующей термической обработке.
При термической обработке сварной конструкции должны выполняться требования ч. V ПСВП.
8.3.14 Термическая обработка должна производиться, если:
.1 элементы котлов, сосудов и теплообменных аппаратов, изготавливаемых из листовой стали, подвергаются холодной штамповке, изгибу и отфланцовке с пластической деформацией наружных волокон более 5 %;
.2 трубные решетки сварены из нескольких частей; в этом случае термическая обработка может производиться до сверления отверстий под трубы;
.3 сварные днища изготовлены холодной штамповкой;
.4 температура деталей по окончании горячей обработки давлением ниже температуры ковки металла;
.5 содержание углерода в стали сварных конструкций более 0,25 %.
8.4.1 Паровые котлы, теплообменные аппараты и сосуды под давлением, а также комплектующие их сборочные единицы и детали должны подвергаться гидравлическим испытаниям на прочность и плотность согласно требованиям ПТНП.
Арматура котлов, теплообменных аппаратов и сосудов под давлением испытывается на прочность с учетом требований 7.5.
8.4.2 Гидравлические испытания должны проводиться после окончания всех сварочных работ, до установки изоляции и нанесения защитных покрытий.
8.4.3 Если после сборки всесторонний осмотр испытываемых поверхностей отдельных узлов и деталей затруднен или невозможен, то эти детали и узлы подлежат испытанию до сборки.
8.4.4 При испытании пробным давлением, более высоким, чем указанное в стандарте, испытываемые элементы должны подвергаться проверочному расчету на прочность. При этом напряжения не должны превышать 0,9 предела текучести материала.
8.4.5 Паровые котлы после установки на судно должны подвергаться паровой пробе при рабочем давлении.
8.4.6 Воздухохранители после гидравлического испытания необходимо подвергнуть воздушному испытанию на рабочее давление в сборе с арматурой для проверки плотности соединения.
8.4.7 Теплообменные аппараты и сосуды под давлением, входящие в состав холодильных установок, подлежат испытанию согласно требованиям 9.21.
8.5.1 Требования настоящей главы распространяются на конструкцию судовых паровых и водогрейных котлов.
8.5.2 Котлы должны быть спроектированы и изготовлены так, чтобы их работоспособность не нарушалась в условиях крена и дифферента в соответствии с 1.3.
8.5.3 Стенки котлов, обогреваемые дымовыми газами, должны быть изолированными от воздействия тепловых потоков. Применение неизолированных обогреваемых дымовыми газами стенок котлов толщиной более 20 мм допускается лишь для температур газов до 800 °С.
8.5.4 В конструкции котла, как правило, длинные и короткие связи, а также связные трубы должны быть расположены таким образом, чтобы на них не действовали изгибающие и срезывающие нагрузки. Связи, прочные стенки, укрепления и т.п. не должны иметь резких изменений поперечных сечений.
По концам коротких связей в них по оси должны предусматриваться контрольные сверления глубиной 25 мм плюс толщина стенки, плюс высота сварного шва.
8.5.5 Для стенок, подкрепленных короткими связями и подвергающихся действию высоких температур пламени и газов, расстояние между центрами связей должно быть не более 200 мм.
8.5.6 В огнетрубных котлах угловые связи должны располагаться на расстоянии не менее 200 мм от жаровых труб. Подкрепление плоских стенок приварными балками следует производить таким образом, чтобы нагрузка, приходящаяся на них, была по возможности перенесена на корпус котла или на наиболее жесткие его элементы.
8.5.7 Расстояние между жаровыми трубами и внутренними элементами корпуса котла должно быть не менее 100 мм. Расстояние между двумя жаровыми трубами должно быть не менее 120 мм.
8.5.8 Патрубки и штуцеры должны быть жесткой конструкции и иметь минимальную длину, достаточную для закрепления и снятия арматуры без удаления изоляции. Патрубки не должны подвергаться действию чрезмерных изгибающих усилий; в необходимых случаях они должны подкрепляться ребрами жесткости.
8.5.9 Приварыши, предназначенные для установки арматуры и трубопроводов, а также патрубки, втулки и штуцеры, проходящие через всю толщину стенки котла, должны, как правило, привариваться двусторонним швом. Патрубки и штуцеры могут привариваться также угловым швом с односторонней разделкой на удаляемой подкладке или другим способом, обеспечивающим провар на всю толщину привариваемой детали.
8.5.10 Защищенными от воздействия теплового потока излучения считаются стенки, которые защищены огнеупорной изоляцией или плотным рядом труб (с максимальным зазором между трубами в ряду до 3 мм) или двумя рядами труб, расположенных в шахматном порядке, с продольным шагом, равным не более двух наружных диаметров труб, или тремя и более рядами труб, расположенных в шахматном порядке, с продольным шагом, равным не более двух с половиной наружных диаметров труб.
8.5.11 Барабаны и коллекторы котлов с толщиной стенок более 20 мм, а также коллекторы пароперегревателей должны быть защищены от непосредственного воздействия теплового потока излучения согласно требованиям 8.5.10. У вертикальных огнетрубных котлов дымовой патрубок, проходящий через паровое пространство котла, рекомендуется защищать от непосредственного воздействия горячих газов.
8.5.12 Для осмотра и очистки всех внутренних поверхностей котлы должны быть оборудованы лазами. Если устройство лазов невозможно, должны быть предусмотрены смотровые лючки.
8.5.13 При использовании неметаллических уплотнительных прокладок конструкция закрытия горловин и лючков должна исключать возможность выдавливания прокладок.
8.5.14 Горловины лазов должны иметь размеры в свету не менее: 300´400 мм - для горловин овальной формы, 400 мм - для горловин круглой формы.
В отдельных случаях по согласованию с Речным Регистром размеры горловин лазов могут быть уменьшены до 280´380 мм и до 380 мм соответственно для горловин овальной и круглой форм. Горловины лазов овальной формы на цилиндрических стенках должны располагаться так, чтобы меньший размер находился в продольном направлении.
8.5.15 Огнетрубные вертикальные котлы в районе рабочего уровня воды должны иметь на корпусе не менее двух смотровых люков, расположенных друг напротив друга.
8.5.16 Все части котлов, препятствующие свободному доступу к внутренним поверхностям или затрудняющие их осмотр, должны быть съемными.
8.5.17 В плоских стенках, днищах и крышках вырезы под лазы и горловины диаметром более 4s, где s - толщина стенки, должны быть укреплены с помощью приварных штуцеров, приварышей или путем увеличения расчетной толщины стенки. Вырезы должны располагаться от контура расчетного диаметра на расстоянии не менее 1/8 его значения.
8.5.18 Вырезы в цилиндрических, сферических и конических стенках и в выпуклых днищах должны быть укреплены путем увеличения толщины стенки с помощью приварных дискообразных накладок (приварышей), приварных трубообразных элементов, штуцеров, втулок, патрубков и т.п. или компенсации ослабления стенки в районе выреза избыточной толщиной стенки по сравнению с расчетной.
Конструкции укреплений вырезов рекомендуется выполнять на удаляемой прокладке или применять другие способы, обеспечивающие надлежащее качество сварки у корня шва.
Дискообразные накладки и трубообразные элементы могут быть использованы совместно для укрепления одних и тех же вырезов в неплоских стенках и днищах.
8.5.19 Материалы укрепляемой стенки и укреплений должны по возможности иметь одинаковые прочностные характеристики. При использовании для укреплений материала, прочностные характеристики которого ниже, чем у материала укрепляемой стенки, площадь укрепляющих сечений должна быть соответственно увеличена.
Должно обеспечиваться надежное соединение укреплений с укрепляемой стенкой.
8.5.20 Вырезы в неплоских стенках должны располагаться на расстоянии не менее 3s от сварных соединений, но не менее 50 мм. Расположение вырезов на расстоянии менее 50 мм от сварных соединений и в районе сварных соединений в каждом случае является предметом специального рассмотрения Речным Регистром.
8.5.21 Наибольший размер укрепляемых вырезов в неплоских стенках не должен превышать 500 мм. Укрепление вырезов более 500 мм является предметом специального рассмотрения Речным Регистром.
8.5.22 Минимальные толщины стенок трубообразных элементов (патрубков, втулок, штуцеров), привариваемых к стенкам котлов, теплообменных аппаратов и сосудов, как правило, должны приниматься не менее 5 мм; толщина менее 5 мм является предметом специального рассмотрения Речным Регистром.
8.5.23 Толщина стенки гладкой жаровой трубы должна быть не менее 7 и не более 20 мм. Толщина волнистой жаровой трубы должна быть не менее 10 и не более 20 мм.
8.5.24 Гладкие жаровые трубы длиной до 1400 мм, как правило, могут выполняться без колец жесткости. При наличии в котле двух жаровых труб и более кольца жесткости смежных труб не должны лежать в одной плоскости.
8.5.25 В районе отбортовки глухих днищ допускаются неукрепляемые вырезы менее толщины днища, но не более 25 мм. Глухими называются днища, не имеющие вырезов, или днища с вырезами, расположенными на расстоянии не менее 0,2 наружного диаметра от наружного контура цилиндрической части, диаметр которых не превышает 4s, но не более 100 мм.
8.5.26 Минимальная толщина стенки стальных выпуклых днищ должна быть не менее 5 мм. Для днищ, изготовленных из цветных сплавов и нержавеющих сталей, по согласованию с Речным Регистром минимальная толщина стенки может быть уменьшена.
8.5.27 Применение выпуклых днищ, сваренных из частей, является предметом специального рассмотрения Речным Регистром.
8.5.28 Тарельчатые днища (рис. 8.5.28) допускается применять диаметром до 500 мм для рабочих давлений не более 1,5 МПа. Радиус кривизны днища Rв должен быть не более 1,2D, а расстояние l - не более 2s.
Рис. 8.5.28
8.5.29 Радиус закругления сторон прямоугольных камер, в стенки которых ввальцовываются трубы, должен быть не менее 1,3 толщины, в любом случае он должен быть не менее 8 мм. Толщина стенок камеры под ввальцовываемые трубы должна быть не менее 14 мм; ширина перемычки между отверстиями - не менее 0,25 шага между центрами отверстий.
8.5.30 Сварные угловые соединения (рис. 8.5.30) допускаются при a2 £ 30° и s £ 20 мм. Соединение должно выполняться двусторонней сваркой. Для конусных обечаек, у которых a1 ³ 70° угловые сварные соединения могут выполняться без разделки кромок при условии выполнения требований прочности для стенок конических элементов, подверженных воздействию наружного давления.
Рис. 8.5.30
8.5.31 Толщина стенок дымогарных труб должна быть не менее толщин, указанных в табл. 8.5.31. Толщина стенок связных труб диаметром более 70 мм должна быть не менее:
.1 6 мм - для периферийных труб;
.2 5 мм - для труб, расположенных внутри трубного пучка.
Таблица 8.5.31
|
Толщина стенки, мм |
||||
|
3,0 |
3,5 |
4,0 |
4,5 |
|
|
Рабочее давление, МПа |
||||
|
50 |
1,1 |
1,85 |
- |
- |
|
57 |
1,0 |
1,65 |
- |
- |
|
63,5 |
0,9 |
1,5 |
2,1 |
- |
|
70 |
0,8 |
1,35 |
1,9 |
- |
|
76 |
0,75 |
1,25 |
1,75 |
2,25 |
|
83 |
- |
1,15 |
1,6 |
2,1 |
|
89 |
- |
1,05 |
1,5 |
1,9 |
8.5.32 Толщины сферических и цилиндрических стенок и труб должны быть не менее:
.1 для цельнотянутых и сварных элементов - 5 мм;
.2 для трубных решеток с ввальцовываемыми трубами и радиальным расположением отверстий - 12 мм;
.3 для трубных решеток с приварными трубами - 6 мм;
.4 указанных в табл. 8.5.32 (для труб).
Таблица 8.5.32
|
Dн, мм |
s, мм |
Dн, мм |
s, мм |
|
До 20 вкл. |
1,75 |
Свыше 94 до 102 вкл. |
3,25 |
|
Свыше 20 до 30 вкл. |
2,0 |
» 102 » 121 » |
3,5 |
|
» 30 » 38 » |
2,2 |
» 121 » 152 » |
4,0 |
|
» 38 » 51 » |
2,4 |
» 152 » 191 » |
5,0 |
|
» 51 » 70 » |
2,6 |
Свыше 191 |
5,4 |
|
» 70 » 94 » |
3,0 |
||
|
Примечания. 1. Dн - внутренний диаметр трубы; s - толщина стенки трубы. 2. Уменьшение толщины стенки, вызванное изгибом или раздачей, следует компенсировать прибавками. |
|||
8.5.33 Допускается использование труб с накатными плавно очерченными кольцевыми или спиральными турбулизаторами на их внутренней поверхности. Толщины стенок труб, получивших в процессе накатки или гибки утонение, должны быть не менее расчетных.
8.5.34 При вальцовочном соединении труб с трубной решеткой длина вальцовочного пояска в трубной решетке должна быть не менее 12 мм и не более 40 мм.
Вальцовочные соединения на рабочее давление выше 1,6 МПа следует выполнять с уплотнительными канавками.
8.5.35 Трубы, закрепленные в коллекторах и трубных решетках вальцеванием, должны быть бесшовными.
8.5.36 Должны быть приняты конструктивные меры, предотвращающие парообразование в экономайзерах котлов.
8.5.37 Котлы с оребренными трубами должны оборудоваться эффективной системой сажеочистки и иметь доступ для осмотра поверхностей нагрева.
8.5.38 Детали крепления котлов, за исключением тех, которые не являются нагруженными, не должны привариваться непосредственно к стенкам котла (обечайкам, днищам, коллекторам, барабанам и т.п.), а должны соединяться с помощью приварных накладок.
8.5.39 На видном месте должна быть установлена фирменная табличка, содержащая основные данные котла.
8.5.40 Котельные помещения должны удовлетворять требованиям 1.8 - 1.10.
8.6.1 Вся котельная арматура должна устанавливаться на специальных приварных патрубках, штуцерах или приварышах и крепиться к ним, как правило, на фланцах шпильками и болтами. Длина полной резьбы шпилек, входящих в тело приварыша, должна быть не менее наружного диаметра резьбы шпильки; отверстия для шпилек в приварыше не должны быть сквозными.
Диаметр прохода штуцерной арматуры допускается не более 15 мм, последняя должна крепиться на котле с помощью приварышей. Конструкция приварышей, патрубков и штуцеров должна удовлетворять требованиям 8.5.18, 8.5.19, 8.5.22.
8.6.2 Крышки клапанов должны крепиться к корпусу шпильками или болтами. Клапаны с диаметром прохода 32 мм и менее могут иметь крышки на резьбе при наличии на них надежных стопоров.
8.6.3 Клапаны и краны должны иметь указатели положения «Открыто - закрыто». Указатели положения не требуются, если конструкция клапанов и кранов позволяет видеть, открыты они или закрыты.
Закрытие клапанов должно производиться при вращении маховиков по часовой стрелке.
8.6.4 Каждый котел класса I должен оборудоваться по меньшей мере двумя питательными клапанами. Котлы класса II, а также утилизационные котлы могут иметь по одному питательному клапану.
8.6.5 Питательные клапаны должны быть обратными. Между питательным клапаном и котлом должен быть установлен разобщительный клапан. Обратный и разобщительный клапаны могут быть в одном корпусе. Разобщительный клапан должен устанавливаться непосредственно на котле.
8.7.1 Каждый котел со свободной поверхностью (поверхностью испарения) должен оборудоваться не менее чем двумя независимыми указателями уровня воды с прозрачной шкалой (см. 8.7.3). По согласованию с Речным Регистром один из двух указателей уровня может не устанавливаться при наличии на котле устройств защиты по нижнему уровню воды и сигнализации по нижнему и верхнему уровню воды (при этом датчики устройств защиты и сигнализации должны быть независимыми с разными точками отбора) либо сниженного или дистанционного указателя уровня одобренного типа с независимыми точками отбора.
Котлы паропроизводительностью 750 кг/ч и менее, а также все обогреваемые паром парогенераторы, утилизационные котлы со свободной поверхностью воды и паросборники утилизационных котлов допускается оборудовать одним указателем уровня с прозрачной шкалой при условии установки клапана отбора проб котловой воды согласно 8.13 на отметке нижнего уровня воды.
8.7.2 Для котлов с принудительной циркуляцией вместо указателей уровня воды должны быть предусмотрены два независимых сигнальных устройства, предупреждающих о недостаточном поступлении воды в котел.
Второе устройство предупредительной сигнализации не требуется, если оно предусмотрено в топочном устройстве согласно требованиям разд. 12.
Указанные требования не распространяются на утилизационные котлы.
8.7.3 Стекла водоуказателей для котлов с рабочим давлением до 3,2 МПа должны быть плоскими рифлеными. Для котлов с рабочим давлением 3,2 МПа и более вместо стекол должны применяться наборы слюдяных пластин, гладкие стекла со слюдяной прокладкой, предохраняющие стекло от воздействия воды и пара, или другие материалы, устойчивые к воздействию котловой воды.
8.7.4 Водоуказатели должны устанавливаться со стороны переднего фронта на одинаковой высоте и по возможности на равном расстоянии от диаметральной плоскости барабана (котла).
8.7.5 Все водоуказатели должны быть снабжены запорными устройствами со стороны водяного и парового пространства.
Запорные устройства должны оборудоваться безопасными приводами для отключения приборов в случае разрушения стекол.
8.7.6 У водоуказателей должна быть предусмотрена возможность раздельного продувания водяной и паровой полостей. Каналы для продувания должны иметь внутренний диаметр не менее 8 мм. Конструкция водоуказателей должна быть такой, чтобы исключалось вдавливание уплотнительного материала в каналы и имелась возможность чистки каналов и смены стекол во время работы котла.
8.7.7 Водоуказатели должны устанавливаться на такой высоте, чтобы середина стекла была выше низшего рабочего уровня воды в котле, а нижний край прорези оправы плоского стекла был выше наивысшей точки поверхности нагрева не менее чем на 50 мм.
8.7.8 Водоуказатели должны быть соединены с котлом независимыми патрубками. Внутри котла не допускается устанавливать трубы, идущие к этим патрубкам. Патрубки должны быть защищены от воздействия горячих газов, теплового потока излучения и интенсивного охлаждения. Если стекла установлены на пустотелых корпусах, пространство такого водоуказателя должно быть разделено перегородками.
На водоуказателях и их сообщительных трубах не допускается установка штуцеров и патрубков для других целей.
8.7.9 Патрубки для соединения водоуказателей с котлом должны иметь внутренний диаметр, не менее:
32 мм - для изогнутых патрубков паровых котлов класса I;
20 мм - для прямых патрубков паровых котлов класса I и изогнутых патрубков остальных котлов;
15 мм - для прямых патрубков котлов класса II.
8.7.10 Конструкция, размеры, количество, расположение и освещенность водоуказателей должны обеспечивать хорошую видимость уровня воды в котле и надежный его контроль.
При недостаточной видимости уровня воды в водоуказателях независимо от высоты их расположения, а также при дистанционном управлении котлами должны быть предусмотрены надежно действующие дистанционные (сниженные) указатели уровня воды или другого вида водоуказательные устройства, одобренные Речным Регистром и устанавливаемые на постах управления котлами.
Это требование не распространяется на утилизационные котлы и их паросборники (сепараторы пара).
8.7.11 Дистанционные указатели уровня воды в котле могут иметь погрешность не более чем на ±20 мм от показателей уровня по стеклам водоуказателей, установленных на котле, а запаздывания в показаниях уровня в них при максимально возможной скорости изменения не должны превышать 10 % разности между верхним и нижним уровнями.
8.8.1 На каждом котле со свободной поверхностью воды (поверхность испарения) низший уровень воды в котле должен быть отмечен на водоуказателе котла путем нанесения на рамке или на корпусе водоуказателя контрольной риски. Кроме того, низший уровень воды должен быть зафиксирован на табличке контрольной риской и надписью «Низший уровень». Табличка должна крепиться к корпусу котла и располагаться около водоуказателей.
Контрольная риска и табличка не должны закрываться изоляцией котла.
8.8.2 Низший уровень воды в котле должен быть выше наивысшей точки поверхности нагрева не менее чем на 150 мм, в том числе в случае крена судна на 5° на каждый борт и при максимально возможных в эксплуатации дифферентах.
У котлов с расчетной паропроизводительностью менее 750 кг/ч расстояние от низшего уровня воды до высшей точки поверхности нагрева может быть уменьшено до 125 мм.
8.8.3 За высшую точку поверхности нагрева водотрубных котлов следует принимать верхние кромки наиболее высоко расположенных опускных труб.
Для вертикальных огнетрубных котлов с дымогарными трубами и дымовыми патрубками, проходящими через паровое пространство котла, положение высшей точки поверхности нагрева является в каждом случае предметом специального рассмотрения Речным Регистром.
8.9.1 Каждый котел должен иметь не менее двух манометров, соединенных с паровым пространством отдельными патрубками с запорными клапанами или кранами.
Между манометром и трубкой должны устанавливаться трехходовые краны или клапаны, позволяющие отключать манометр от котла, сообщать его с атмосферой, продувать присоединительную трубку, а также присоединять контрольный манометр.
8.9.2 Один из манометров должен быть помещен у фронта котла на хорошо видном и освещенном месте, а другой - на пульте в центральном посту управления или на местном посту управления котлом.
8.9.3 Для котлов с расчетной паропроизводительностью менее 750 кг/ч и утилизационных котлов допускается установка одного манометра.
8.9.4 На выходе воды из экономайзера должен быть установлен манометр.
8.9.5 Манометры должны иметь шкалу, протяженность которой достаточна для обеспечения гидравлического испытания котла.
Рабочее давление должно быть отмечено на шкале манометра красной чертой.
8.9.6 Манометры, устанавливаемые на котлах, должны быть надлежащим образом защищены от воздействия на них теплоты от горячих поверхностей котла.
8.9.7 Пароперегреватели и экономайзеры должны снабжаться термометрами. Дистанционный контроль не исключает необходимости установки местных термометров.
8.9.8 Рекомендуется устанавливать термометры на трубопроводах:
.1 входа питательной воды в котел;
.2 всасывания циркуляционного насоса утилизационных котлов;
.3 подвода горячей воды или пароводяной смеси от утилизационных котлов к сепаратору пара (паросборнику) или барабану автономного котла;
.4 горячей воды или пара на выходе из котла.
8.10.1 Каждый котел должен иметь не менее двух пружинных предохранительных клапанов одинаковой конструкции и размера, устанавливаемых на барабане, как правило, на общем патрубке, и один клапан, устанавливаемый на выходном коллекторе пароперегревателя. Предохранительный клапан пароперегревателя должен быть отрегулирован таким образом, чтобы не открывался раньше, чем предохранительный клапан, установленный на барабане.
Для котлов с рабочим давлением 4 МПа и более рекомендуется применять предохранительные клапаны импульсного действия.
Для паровых котлов с расчетной паропроизводительностью менее 750 кг/ч, а также для утилизационных котлов и их паросборников и сепараторов пара достаточно предусматривать один предохранительный клапан.
Предохранительный клапан должен быть отрегулирован и опломбирован. При наличии двух предохранительных клапанов пломбируется один из них.
8.10.2 Суммарная площадь свободного прохода предохранительных клапанов f, мм2, должна быть не менее определяемой по формулам:
для насыщенного пара
для перегретого пара
где k - коэффициент, значения которого приведены в табл. 8.10.2;
Таблица 8.10.2
|
Высота подъема клапана h, мм |
Коэффициент k |
|
d/20 £ h < d/16 |
22 |
|
d/16 £ h < d/12 |
14 |
|
d/12 £ h < d/4 |
10,5 |
|
d/4 £ h < d/3 |
5,25 |
|
d/3 £ h |
3,3 |
|
Примечание. d - минимальный диаметр клапана, мм. |
|
G - расчетная паропроизводительность, кг/ч;
рw - рабочее давление, МПа;
vп - удельный объем перегретого пара при соответствующих рабочем давлении и температуре, м3/кг;
vs - удельный объем насыщенного пара при соответствующем давлении, м3/кг.
Диаметр предохранительных клапанов должен быть не менее 32 мм и не более 100 мм.
Речной Регистр после специального рассмотрения может допустить клапаны с меньшей площадью проходного сечения, чем требуется формулами (8.10.2-1) и (8.10.2-2), если экспериментальным путем будет установлено, что пропускная способность этих клапанов не меньше расчетной паропроизводительности котла.
8.10.3 Площадь проходного сечения предохранительного клапана, установленного на неотключенном пароперегревателе, может быть зачтена в общую площадь проходного сечения клапанов, определяемую по формулам (8.10.2-1) и (8.10.2-2). Эта площадь должна составлять не более 25 % суммарной площади проходного сечения клапанов.
8.10.4 Предохранительные клапаны должны регулироваться таким образом, чтобы максимальное давление при их действии превышало рабочее давление не более чем на 10 %.
Предохранительные клапаны котлов класса I после каждого срабатывания должны полностью закрыться при падении давления в котле не ниже 85 % рабочего.
8.10.5 На экономайзерах должен предусматриваться пружинный предохранительный клапан диаметром не менее 15 мм.
8.10.6. Если предохранительные клапаны расположены на общем патрубке, площадь его сечения должна быть не менее 1,1 суммарной площади свободного прохода клапанов.
8.10.7 Площадь проходного сечения пароотводного патрубка предохранительного клапана, а также присоединяемой к нему трубы должна быть не менее удвоенной площади свободного проходного сечения клапана. Если предохранительный клапан сдвоенный, то в расчет берется суммарная площадь проходного сечения обоих клапанов.
8.10.8 На корпусе клапана или на пароотводящей трубе, если она расположена ниже клапана, должна быть предусмотрена труба для удаления конденсата без запорных устройств.
8.10.9 Предохранительные клапаны должны быть соединены непосредственно с паровым пространством котла без запорных устройств. Установка подводящих труб к предохранительным клапанам внутри котла не допускается. Установка на корпусах предохранительных клапанов или их патрубках устройств отбора пара для других нужд не допускается.
8.10.10 Устройство клапанов должно быть таким, чтобы их можно было подрывать вручную специальным приводом. Управление приводом одного клапана должно находиться в котельном помещении, второго - на верхней палубе или в другом доступном месте вне котельного помещения.
Дистанционный привод к предохранительным клапанам пароперегревателей, утилизационных котлов и их паросборников (сепараторов) может иметь управление только из котельного помещения.
8.10.11 Конструкция предохранительных клапанов должна быть такой, чтобы была исключена возможность их регулирования без снятия пломбы.
Пружины предохранительных клапанов должны быть защищены от непосредственного воздействия на них пара и изготовлены, как и уплотняющие поверхности седел и клапанов, из тепло- и коррозионностойких материалов.
8.11.1 Каждый котел должен быть отделен от всех соединенных с ним трубопроводов разобщительными клапанами, установленными непосредственно на котле.
8.11.2 Разобщительные клапаны паропроводов, кроме местного управления, должны иметь дистанционные приводы для управления с верхней палубы или другого доступного места, расположенного вне котельного помещения.
8.11.3 Если на судне установлен один котел класса I с пароперегревателем или экономайзером, то пароперегреватель и экономайзер должны быть отключаемыми от котла.
8.11.4 Требования к паропроводам и трубопроводам продувания котлов приведены в 10.18.
8.12.1 Котлы, их пароперегреватели, экономайзеры и паросборники должны снабжаться устройствами для продувания и при необходимости клапанами для опорожнения.
Клапаны продувания и опорожнения должны устанавливаться непосредственно на стенках котлов. При рабочем давлении менее 1,6 МПа эти клапаны могут устанавливаться на приварных фасонных патрубках.
8.12.2. Внутренний диаметр клапанов и труб нижнего продувания должен быть не менее 20 и не более 40 мм. Для котлов с расчетной паропроизводительностью менее 750 кг/ч диаметр клапанов и труб может быть уменьшен до 15 мм.
8.12.3 В котлах со свободной поверхностью испарения следует предусматривать устройство верхнего продувания таким образом, чтобы обеспечивалось удаление пены и шлама со всей поверхности испарения.
8.13.1 На каждом котле следует предусматривать не менее одного клапана для отбора проб воды. Установка этих клапанов или кранов на трубах и патрубках, предназначенных для других целей, не допускается.
8.14.1 На котлах, пароперегревателях и экономайзерах должны быть установлены клапаны или краны для удаления воздуха.
Общие требования
8.15.1 Требования настоящей главы распространяются на котлы, требующие постоянного вахтенного обслуживания.
Требования к управлению, регулированию, сигнализации и защите котлов с безвахтенным обслуживанием изложены в разд. 12.
8.15.2 Системы автоматизации и их элементы должны удовлетворять требованиям разд. 12.
Регулирование и защита
8.15.3 Водотрубные котлы класса I должны быть оборудованы автоматическими регуляторами питания и горения. Для других котлов эти регуляторы рекомендуются.
8.15.4 Регуляторы должны устойчиво поддерживать в заданных пределах уровень воды и другие регулируемые параметры во всем диапазоне нагрузок и обеспечивать быстрый переход от одного режима к другому.
8.15.5 Котлы должны оборудоваться не-отключаемой защитой по низшему уровню воды в котле.
8.15.6 Котлы с автоматическими регуляторами горения должны оборудоваться защитой в соответствии с требованиями 8.16.9 - 8.16.11.
Сигнализация
8.15.7 Котлы с автоматическими регуляторами питания и горения должны оборудоваться устройствами звуковой и световой сигнализации, устанавливаемой на посту управления котлом.
8.15.8 Звуковая и световая сигнализация должны действовать:
.1 при понижении уровня воды до нижнего предела;
.2 при повышении уровня воды до верхнего предела;
.3 при неисправностях в системе горения котлов (см. 8.16.10);
.4 при неисправностях в системах автоматического регулирования и устройствах защиты.
8.15.9 Сигнализация по нижнему предельному уровню должна действовать раньше, чем сработает устройство защиты.
8.15.10 В случае применения тяжелого топлива необходимо предусматривать звуковую и световую сигнализацию, которая должна действовать:
.1 при достижении минимальной или максимальной температуры тяжелого топлива перед форсункой;
.2 при достижении минимальной или максимальной температуры тяжелого топлива в расходной цистерне котельного топлива (только для судов, отнесенных по объему автоматизации к I группе).
8.15.11 Должна предусматриваться возможность отключения звукового сигнала вручную после его срабатывания.
Общие требования
8.16.1 Все оборудование, используемое в топочных устройствах: насосы, вентиляторы, быстрозапорные клапаны и электроприводы - должно быть одобренного Речным Регистром типа и изготовлено под техническим наблюдением Речного Регистра или другого признанного компетентным органа.
Устройства регулирования, защиты, блокировки и сигнализации должны удовлетворять требованиям разд. 12.
8.16.2 Электрическое оборудование топочных устройств должно удовлетворять требованиям ч. IV ПСВП.
8.16.3 Жидкое топливо, применяемое для котлов, должно иметь температуру вспышки паров в соответствии с требованиями разд. 1.
Форсунки
8.16.4 Конструкция форсунок должна обеспечивать возможность регулирования размера и формы факела.
8.16.5 Для форсунки с переменной подачей должна быть обеспечена возможность регулирования количества воздуха, необходимого для горения.
8.16.6 Приемные отверстия котельных вентиляторов рекомендуется защищать от попадания в них влаги и посторонних предметов.
8.16.7 Вращающиеся части форсунок и котельных вентиляторов должны быть отгорожены от обслуживающего персонала защитными кожухами.
Топочные устройства
8.16.8 Настоящие требования распространяются на топочные устройства, оборудованные автоматизированными механическими регуляторами горения котлов.
8.16.9 Топочные устройства должны иметь блокировку, допускающую подачу топлива в топку котла только при следующих условиях:
.1 форсунка находится в рабочем положении;
.2 питание подано ко всему электрическому оборудованию;
.3 воздух подан в топку котла;
.4 запальная форсунка работает или включено электрическое зажигание;
.5 уровень воды в котле нормальный;
.6 осуществлена программа вентиляции топки и газоходов перед розжигом.
8.16.10 Топочные устройства должны оборудоваться неотключаемой защитой, срабатывающей в течение не более 1 с (для запальной форсунки не более 10 с) и автоматически прекращающей подачу топлива к форсунке:
.1 в случае прекращения подачи воздуха в топку или недостаточного его напора;
.2 при обрыве факела у форсунки;
.3 при достижении нижнего предельного уровня воды в котле.
Прекращение подачи топлива должно производиться с помощью двух самозакрывающихся последовательно включенных клапанов. Указанное требование не обязательно, если расходная топливная цистерна котла расположена ниже топочного устройства.
8.16.11 Топочные устройства должны иметь средства контроля за наличием факела у форсунки, которые должны реагировать на факел только контролируемой форсунки.
8.16.12 Топочные устройства котлов класса I должны обеспечивать возможность управления ими вручную. Ручное управление должно предусматриваться непосредственно у котла; при этом все автоматические устройства, требуемые в 8.16.9 и 8.16.10, должны функционировать.
8.16.13 Должна предусматриваться возможность отключения топочного устройства с двух мест, одно из которых должно быть расположено вне котельного помещения.
8.16.14 Перед каждым розжигом котла топка и газоходы должны быть хорошо провентилированы. Вентиляция считается достаточной, если обеспечивается трехкратный обмен воздуха во всем объеме топки и газоходов до входа в дымовую трубу, что достигается не менее чем за 15 с.
8.16.15 Резкие повороты и застойные зоны в трубопроводе выпускных газов не допускаются.
Трубопроводы и арматура
8.16.16 Трубопроводы и арматура топочных устройств должны удовлетворять требованиям разд. 10.
8.16.17 На топливном трубопроводе у форсунок допускается применение гибких трубопроводов одобренного Речным Регистром типа.
8.16.18 Должны быть предусмотрены конструктивные меры, исключающие возможность поворота и снятия форсунок с рабочих положений до прекращения подачи топлива к ним.
8.16.19 При использовании паровых или воздушных форсунок должны быть предусмотрены конструктивные меры, исключающие возможность попадания пара или воздуха в жидкое топливо и наоборот.
8.16.20 При подогреве котельного топлива должны быть предусмотрены конструктивные меры, исключающие недопустимый нагрев топлива в подогревателях при снижении паропроизводительности котла или при выключении форсунок.
8.16.21 В местах возможной утечки жидкого топлива должны быть предусмотрены поддоны.
8.16.22 Для наблюдения за процессом горения в топке котлов должны предусматриваться смотровые устройства. Должны быть установлены приспособления, предотвращающие выброс пламени и горячего воздуха из топочного пространства при снятии форсунок.
8.16.23 Для тушения запальников ручного розжига котла должны быть предусмотрены соответствующие устройства.
8.17.1 Элементы теплообменных аппаратов и сосудов под давлением, контактирующие с соленой забортной водой или другими агрессивными средами, должны изготавливаться из коррозионно-стойких материалов. При использовании других материалов защита их от коррозии является предметом специального рассмотрения Речным Регистром.
8.17.2 Теплообменные аппараты и сосуды под давлением должны удовлетворять требованиям 8.4.
8.17.3 На теплообменные аппараты и сосуды под давлением распространяются требования 8.5.4, 8.5.8, 8.5.9, 8.5.12, 8.5.13, 8.5.17 - 8.5.22, 8.5.25, 8.5.32 - 8.5.35.
8.17.4 Конструкция в необходимых случаях должна обеспечить возможность теплового удлинения корпуса и отдельных частей теплообменных аппаратов и сосудов под давлением.
8.17.5 Конструкция теплообменных аппаратов и сосудов под давлением должна предусматривать надежное крепление их к фундаментам. В необходимых случаях должно быть предусмотрено верхнее крепление.
8.17.6 Для возможности осмотра внутренних поверхностей теплообменных аппаратов и сосудов под давлением должны быть предусмотрены лазы. Если устройство лазов невозможно, необходимо в соответствующих местах предусмотреть смотровые лючки. При длине теплообменного аппарата и сосуда под давлением более 2,5 м смотровые лючки должны быть с обоих концов.
Устройство смотровых лазов или лючков не требуется при разборной конструкции, а также если полностью исключены коррозия и загрязнение внутренних стенок.
В теплообменных аппаратах и сосудах, конструкция которых исключает возможность осмотра через лазы и лючки, их устройство не обязательно.
Размеры горловин лазов указаны в 8.5.14.
8.17.7 Требования к установке теплообменных аппаратов и сосудов под давлением приведены в 1.10.
8.17.8 Каждый теплообменный аппарат и сосуд под давлением или их группы должны иметь неотключаемые предохранительные клапаны. При наличии нескольких несообщающихся полостей предохранительные клапаны должны предусматриваться для каждой полости. Гидрофоры должны иметь предохранительные клапаны, устанавливаемые на стороне водяного пространства.
8.17.9 Предохранительные клапаны, как правило, должны быть пружинными. В подогревателях топлива или масла допускается применение мембран одобренного Речным Регистром типа, устанавливаемых со стороны топлива или масла.
8.17.10 Предохранительные клапаны должны иметь такую пропускную способность, чтобы при любых обстоятельствах рабочее давление не могло быть превышено более чем на 15 %.
8.17.11 Конструкция предохранительных клапанов должна допускать их опломбирование или иметь равноценное этому предохранение, исключающее возможность регулирования клапанов без ведома обслуживающего персонала.
Материал пружин и уплотняющих поверхностей клапанов должен быть стойким по отношению к коррозионному воздействию среды.
8.17.12 Установка указателей уровня и смотровых стекол на теплообменных аппаратах и сосудах под давлением разрешается только в тех случаях, когда этого требуют условия контроля и наблюдения. Указатели уровня и смотровые стекла должны быть надежной конструкции и соответствующим образом защищены. В указателях уровня, содержащих пар, топливо, масло и хладагенты, должны применяться плоские стекла.
В деаэраторах допускается применять цилиндрические стекла.
8.17.13 На теплообменных аппаратах и сосудах под давлением для установки арматуры должны предусматриваться приварыши или жесткие короткие патрубки с фланцами. На гидрофорах допускается применение резьбовых соединений.
8.17.14 Сосуды и теплообменные аппараты должны быть оборудованы устройствами продувания и дренажа.
8.17.15 Каждый теплообменный аппарат и сосуд под давлением или неотключаемые друг от друга их группы должны оборудоваться манометрами или мановакуумметрами.
В теплообменных аппаратах, имеющих несколько полостей, манометры должны предусматриваться для каждой полости.
Манометры должны удовлетворять требованиям 8.9.1 и 8.9.5.
8.17.16 На подогревателях топлива, в которых температура топлива может превышать 220 °С, необходимо, кроме регулятора температуры, устанавливать датчик предупредительной сигнализации о повышении температуры или отсутствии движения топлива через подогреватель.
Воздухохранители
8.18.1 Предохранительные клапаны воздухохранителей после подрыва должны полностью прекращать выход воздуха при снижении давления в воздухохранителе до 0,85 рабочего давления.
8.18.2 Если компрессоры, редукционные клапаны или трубопроводы, от которых воздух подается в воздухохранители, имеют предохранительные клапаны, установленные так, что исключается возможность подачи воздуха давлением выше рабочего, то установка предохранительного клапана на воздухохранителе не обязательна. В этом случае на каждом воздухохранителе вместо предохранительного клапана должна устанавливаться легкоплавкая пробка.
8.18.3 Легкоплавкая пробка воздухохранителей должна иметь температуру плавления от 100 до 130 °С. Значение температуры плавления должно быть выбито на пробке.
Для воздухохранителей вместимостью более 700 л диаметр легкоплавкой пробки должен быть не менее 10 мм.
8.18.4 Каждый воздухохранитель должен быть оборудован устройством для удаления влаги. При горизонтальном расположении воздухохранителя устройства для удаления влаги следует предусматривать с обоих его концов.
Конденсаторы
8.18.5 Конструкция конденсатора и его расположение на судне должны обеспечивать возможность замены труб. Корпус конденсатора, как правило, должен быть стальным сварным. Внутри конденсатора в местах подвода пара должны быть предусмотрены отражательные щиты для предохранения труб от непосредственного удара пара.
Конструкция крепления труб должна исключать их провисание и опасную вибрацию.
8.18.6 Крышки водяных камер конденсатора должны иметь горловины, количество и расположение которых должны обеспечивать доступ к трубам любой части трубного пучка для вальцевания, замены, уплотнения или глушения труб.
Для защиты водяных камер, трубных решеток и труб от электрической коррозии должна быть предусмотрена протекторная защита.
8.18.7 Конденсатор турбогенератора должен допускать работу в аварийном режиме при любом отключенном корпусе турбоагрегата.
8.18.8 Конструкция конденсатора должна допускать возможность подключения к нему контрольных и измерительных приборов.
Теплообменные аппараты и сосуды холодильных и противопожарных установок
8.18.9 Теплообменные аппараты и сосуды холодильных и противопожарных установок должны удовлетворять требованиям разд. 9 и 13.
Сосуды под давлением в составе технологического оборудования
8.18.10 Периодически открываемые крышки сосудов под давлением в составе технологического оборудования должны быть оборудованы устройствами, предотвращающими их частичное закрытие или самопроизвольное открытие. При этом должна исключаться возможность открытия крышки при наличии в сосуде избыточного давления или вакуума, а также нагружения сосуда давлением при частичном закрытии крышки.
8.18.11 Внутренние устройства сосудов под давлением в составе технологического оборудования (мешалки, змеевики, тарелки, перегородки и т.п.), препятствующие внутреннему осмотру, должны быть съемными.
8.18.12 Смотровые стекла диаметром не более 150 мм, предназначенные для наблюдения за рабочим пространством смесителей, допускается устанавливать на сосудах, имеющих давление не более 0,25 МПа.
8.18.13 У сосудов в составе технологического оборудования с давлением более 0,25 МПа конструкция закрытий загрузочных отверстий должна быть выполнена таким образом, чтобы при нарушении уплотнения крышки горячая среда отводилась в безопасном для обслуживающего персонала направлении.
8.18.14 Сосуды в составе технологического оборудования, работающие под вакуумом и обогреваемые паром или горячей водой с температурой выше 115 °С, должны быть оборудованы предохранительными клапанами, предотвращающими при нарушении герметичности системы обогрева возникновение в полости, работающей под вакуумом, избыточного давления, превышающего 0,85 испытательного.
Эти сосуды должны быть также рассчитаны на прочность при расчетном давлении, равном давлению открытия предохранительного клапана. При этом расчетные напряжения в стенках сосуда не должны превышать 0,8 предела текучести материала при расчетной температуре.
8.18.15 Прочность фланцев, болтов и шпилек периодически открываемых крышек сосудов под давлением в составе технологического оборудования должна быть подтверждена расчетом. При этом расчетные напряжения в них не должны превышать 0,4 предела текучести материала при расчетной температуре.
Диаметр болтов и шпилек во всех случаях должен быть не менее 16 мм.
8.18.16 Для мешалок, обогреваемых паром или водой, а также для стенок смесительных камер сосудов, соприкасающихся с обрабатываемым сырьем, прибавка с к расчетной толщине стенок должна приниматься не менее 2 мм.
Сосуды для сжатого газа
8.18.17 Расчет прочности сосудов для сжатого газа, которыми считаются переносные сосуды под давлением, специально изготовленные для хранения сжатых газов, хладагента или СО2, используемые при эксплуатации судна и которые нельзя наполнить имеющимися на судне средствами, следует выполнять по методике Речного Регистра или согласованной с ним.
Применение сталей с верхним пределом текучести выше 750 МПа, но не более 850 МПа, допускается только по согласованию с Речным Регистром.
8.18.18 При повышении температуры внутри сосудов для сжатого газа во избежание недопустимого внутреннего давления должны быть предусмотрены неотключаемые предохранительные устройства признанной конструкции. Допустимы предохранительные клапаны и предохранительные мембраны, срабатывающие при давлении, которое выше рабочего давления на 10 %, но ниже 90 % пробного давления.
8.18.19 На сосудах для сжатого газа должна быть нанесена долговечная маркировка.
8.18.20 Сосуды для сжатого газа должны подвергаться гидравлическому испытанию пробным давлением, равным 1,5 рабочего давления.
8.19.1 Расчет на прочность котлов, теплообменных аппаратов и сосудов под давлением должен быть выполнен по методике Речного Регистра или согласованной с ним.
9.1.1 Требования настоящего раздела Правил распространяются на судовые холодильные установки и их оборудование.
9.1.2 Холодильные установки, предназначенные для охлаждения грузовых трюмов, а также грузовых камер переносных холодильных контейнеров, перевозимых на судне, должны удовлетворять всем требованиям настоящего раздела Правил.
9.1.3 Холодильные установки, не перечисленные в 9.1.2, должны удовлетворять требованиям 9.2.2, 9.3.2, 9.7.1, 9.7.3 - 9.7.7, 9.8.1 - 9.8.5, 9.9.4, 9.9.8, 9.9.10, 9.10.3, 9.11, 9.12.2, 9.12.5, 9.13.1, 9.13.2, 9.13.4, 9.14.1, 9.15.2, 9.16.3, 9.16.5, 9.16.6, 9.17.2, 9.18.3, 9.18.4.3, 9.18.8, 9.20.3, 9.20.4, 9.21.1, 9.21.2, 9.21.5 - только для оборудования, работающего под давлением холодильного агента, а также 9.21.3 и 9.22.1.
9.2.1 Элементы холодильной установки должны сохранять работоспособность в условиях качки и дифферента согласно 1.3.
9.2.2 Оборудование, входящее в состав холодильной установки, следует устанавливать на судне в соответствии с 1.10.2, 1.10.3, 1.10.5, 7.4.2.
9.3.1 В настоящих Правилах холодильные агенты подразделяются на следующие три группы:
I - невоспламеняющиеся холодильные агенты (хладоны);
II - токсичные и воспламеняющиеся холодильные агенты, имеющие нижний предел воспламеняемости при объемной концентрации паров холодильного агента в воздухе 3,5 % и более (аммиак и др.);
III - взрывоопасные или воспламеняющиеся холодильные агенты, имеющие нижний предел воспламеняемости при объемной концентрации паров холодильного агента в воздухе менее 3,5 % (пропан, пропилен и др.).
Холодильные агенты группы III Речной Регистр допускает применять только для холодильных систем судов, перевозящих сжиженные газы наливом, с использованием груза в качестве холодильного агента.
9.3.2 При расчетах прочности элементов, работающих под давлением холодильного агента, в качестве расчетного необходимо принимать давление не ниже избыточного давления насыщенных паров холодильного агента при 50 °С согласно указанному в табл. 9.3.2.
Таблица 9.3.2
|
Символ |
Химическая формула |
Расчетное давление |
|
|
I |
R134a* |
C2H2F4 |
1,2 |
|
R22 |
CHF2Cl |
2,0 |
|
|
R125** |
C2HF6 |
2,0 |
|
|
II |
R717 |
NH3 (аммиак) |
2,0 |
|
III |
R290 |
C3H8 (пропан) |
1,6 |
|
R1270 |
С3Н6 (пропилен) |
2,0 |
|
|
* Вместо R12, который не допускается для новых установок. ** При умеренных температурах конденсации вместо R22, который не допускается для новых установок с 01.01.2020 г. |
|||
Для холодильного оборудования, работающего под давлением холодильных агентов с низкими (ниже 50 °С) критическими температурами, расчетное давление является предметом специального рассмотрения Речным Регистром.
Элементы холодильных установок, работающие под давлением, должны подвергаться проверочному расчету на прочность при давлении, равном пробному при гидравлических испытаниях (см. 9.21.2). При этом напряжения не должны превышать 0,9 предела текучести материала.
9.4.1 Холодильная установка должна обеспечивать постоянное поддержание в охлаждаемых помещениях температуры, требующейся по роду перевозимого груза и району плавания при нормальных условиях эксплуатации судна.
9.4.2 Холодильная установка должна обеспечивать поддержание требуемых температур при работе основного оборудования на все потребители холода при температуре наружного воздуха не ниже 40 °С и температуре забортной воды не ниже 30 °С.
9.4.3 Мощность привода, холодопроизводительность, площади поверхностей испарителей, конденсаторов воздухоохладителей, а также площадь поверхности батарей охлаждения с циркулирующим в них хладоносителем должны быть достаточными для поддержания регламентируемых температур в охлаждаемых помещениях при непрерывной работе основного оборудования в течение 24 ч в сутки и обеспечения холодом других потребителей.
В состав основного оборудования должно быть включено не менее двух одинаковых конденсаторов и, в случае применения систем промежуточного хладоносителя или каскадных и ступенчатых циклов, двух одинаковых испарителей, межкаскадных теплообменников и промежуточных сосудов.
9.4.4 Мощность привода, холодопроизводительность и площади поверхностей, перечисленные в 9.4.3, холодильной установки, предназначенной также для охлаждения на судне груза, предварительно неохлажденного, должны быть достаточными для охлаждения груза до регламентируемой температуры за время, в течение которого обеспечивается его сохранность, при непрерывной работе всего оборудования, включая резервное.
9.4.5 Резервное оборудование компрессорной холодильной установки должно состоять из компрессора с приводным двигателем, конденсатора, системы управления и арматуры, необходимой для обеспечения независимой работы всех устройств оборудования.
Холодопроизводительность резервного оборудования должна быть такой, чтобы при выходе из строя одного любого основного компрессора или конденсатора обеспечивались холодом все потребители.
9.4.6 На судах с вместимостью охлаждаемых трюмов не более 300 м3 допускается применять холодильную установку без резервирования ее оборудования. Холодопроизводительность и площадь поверхностей охлаждения установки должны быть достаточными для поддержания регламентируемых температур при работе оборудования в течение 18 ч в сутки.
9.4.7 Соединения системы трубопроводов между элементами холодильной установки должны быть такими, чтобы установка могла работать при любом сочетании оборудования. Теплообменные и другие аппараты необходимо снабжать устройствами для подсоединения всасывающих и нагнетательных трубопроводов, обеспечивающих перекачивание холодильного агента и его удаление из аппарата.
9.4.8 Охлаждающие батареи должны быть расположены так, чтобы обеспечивалось равномерное охлаждение помещения.
Батареи должны состоять не менее чем из двух самостоятельных секций, каждая из которых должна быть отключаемой. Применять охлаждающие батареи с непосредственным испарением холодильного агента группы II не допускается.
9.4.9 При использовании насосной системы циркуляции холодильного агента необходимо предусматривать установку не менее двух циркуляционных насосов холодильного агента, один из которых является резервным.
Если насосная система может работать при отключенном насосе, резервный насос устанавливать не обязательно. В этом случае холодопроизводительность установки должна удовлетворять требованиям 9.4.1, а холодопроизводительность морозильных камер или агентов не должна снижаться более чем на 20 %.
9.4.10 Система жидкого хладоносителя группы потребителей холода должна иметь не менее двух насосов жидкого хладоносителя, один из которых должен быть резервным.
При двух и более группах потребителей холода с самостоятельными системами жидкого хладоносителя (с разными температурами) в каждой группе должно быть не менее одного насоса жидкого хладоносителя; резервным может быть общий для них насос соответствующих подачи и напора.
9.4.11 Холодильная установка должна иметь не менее двух циркуляционных насосов охлаждающей воды, один из которых должен быть резервным. В качестве резервного может быть использован любой судовой насос забортной воды, имеющий достаточные подачу и напор.
9.4.12 Охлаждающая вода должна подводиться не менее чем от двух кингстонов. При использовании кингстонов общесудового назначения должен быть обеспечен достаточный подвод воды от каждого кингстона при нормальных условиях эксплуатации судна.
9.5.1 Качество и основные характеристики материалов, применяемых для изготовления деталей, узлов и крепежа холодильного оборудования, работающих в условиях приложения динамических нагрузок, избыточных давлений, действия переменных и низких температур, должны удовлетворять соответствующим требованиям ч. V ПСВП.
Материалы следует выбирать в зависимости от рабочей температуры и физико-химических свойств холодильного агента:
.1 материалы частей оборудования, контактирующих с холодильными агентами и их растворами, смазочными маслами, охлаждающими и охлаждаемыми средами, должны быть нейтральными по отношению к ним и устойчивыми к агрессивному воздействию перечисленных сред;
.2 материалы частей оборудования, работающих в условиях низких температур, не должны иметь необратимых структурных изменений и должны сохранять достаточную прочность при низких рабочих температурах;
.3 стальные конструкции, работающие при температурах до -50 °С, должны отвечать требованиям 3.3.7 ч. V ПСВП;
.4 материалы частей оборудования, работающих при температурах ниже -50 °С, являются предметом специального рассмотрения Речным Регистром.
9.5.2 Материалы частей оборудования, которые контактируют с коррозионно-активными средами, должны быть изготовлены из материалов, обладающих достаточной коррозионной стойкостью по отношению к этим средам, или должны иметь антикоррозионные покрытия.
Узлы и конструкции технических средств и оборудования, которые изготовлены из материалов, имеющих различный электролитический потенциал, и которые могут контактировать с морской водой, должны быть защищены от электрохимической коррозии.
9.5.3 Стальные трубопроводы холодильного агента, жидкого хладоносителя и соединительные части этих трубопроводов, изготовленные не из нержавеющей стали, должны быть оцинкованы снаружи или иметь снаружи равноценную антикоррозионную защиту. Поверхности, контактирующие с холодильным агентом или жидким хладоносителем, не должны быть оцинкованными.
9.6.1 Электрическое оборудование холодильных установок, автоматических устройств, а также освещение отделений холодильных машин, помещений для хранения запасов холодильного агента и охлаждаемых помещений, должны удовлетворять применимым требованиям ч. IV ПСВП.
9.7.1 Отделение холодильных машин должно удовлетворять требованиям 1.8.1, 1.8.7 и настоящей главы.
Холодильные машины, использующие холодильные агенты II группы, следует устанавливать в отдельных герметичных помещениях.
Осушение отделения холодильных машин должно быть выполнено в соответствии с требованиями 10.7.34.
9.7.2 Насосы, компрессоры, аппараты и трубопроводы должны быть размещены в отделении холодильных машин так, чтобы было обеспечено удобное их обслуживание, а также возможность замены частей без снятия насосов, компрессоров, аппаратов с фундамента. При этом перечисленное и другое оборудование необходимо устанавливать на расстоянии не менее 100 мм от переборок помещений и поверхностей соседних устройств.
9.7.3 Отделение холодильных машин должно иметь два выхода с дверями, открывающимися наружу, и расположенных как можно дальше один от другого. Если отделение холодильных машин расположено выше или ниже открытой палубы, то выходы из него должны быть оборудованы стальными трапами, ведущими к дверям помещений, из которых есть выходы на открытую палубу.
Отделения автоматизированных холодильных машин, в которых постоянная вахта не предусматривается, в случае использования холодильного агента I группы могут не иметь второго выхода.
9.7.4 Выходы из отделения холодильных машин, использующих холодильные агенты II и III групп, не должны вести в жилые и служебные помещения или в помещения, сообщающиеся с ним. Один из выходов должен вести на открытую палубу.
Выходы, имеющие коридоры или шахты, должны быть оборудованы приточной и вытяжной вентиляцией, причем приточная вентиляция должна быть искусственной. Устройство для включения этой вентиляции должно находиться снаружи и внутри отделения холодильных машин в непосредственной близости от выходной двери.
9.7.5 Выходы из отделения холодильных машин, использующих холодильные агенты II и III групп, должны иметь устройство для создания водяных завес. Устройство для включения водяных завес должно находиться снаружи в непосредственной близости от выходной двери.
В отделении холодильных машин необходимо иметь пожарный кран со шлангом от системы водяного пожаротушения.
9.7.6 Отделение холодильных машин должно иметь автономную вентиляцию, обеспечивающую 10-кратный обмен воздуха в час.
9.7.7 Кроме основной вентиляции, удовлетворяющей требованиям 9.7.6, каждое отделение холодильных машин должно быть оборудовано аварийной вентиляцией, обеспечивающей:
30-кратный обмен воздуха в час для отделений холодильных машин, использующих холодильные агенты II и III групп;
20-кратный обмен воздуха в час для отделений холодильных машин, использующих холодильные агенты I группы.
В зависимости от плотности холодильного агента система вентиляции должна обеспечивать удаление воздуха из самых верхних или нижних частей помещения.
При расчете системы аварийной вентиляции допускается учитывать подачу вентиляторов основной вентиляции при условии, что в случае обесточивания распределительного щита холодильных машин основная вентиляция сможет действовать совместно с аварийной.
9.8.1 Помещения для хранения запасов холодильного агента должны быть отделены от других помещений, а их расположение на судне, а также конструкция ограждающих поверхностей должны удовлетворять требованиям разд. 9 ч. I ПСВП.
Помещения для хранения холодильного агента должны быть газонепроницаемыми.
При хранении небольших запасов холодильного агента I группы допускается отступление от изложенных требований по согласованию с Речным Регистром.
9.8.2 Сосуды холодильного агента следует закреплять так, чтобы они не могли сдвинуться при качке.
Между обшивкой помещения кладовой и сосудами, а также между отдельными сосудами должны быть проложены неметаллические прокладки.
9.8.3 Помещения для хранения запасов холодильного агента должны быть снабжены автономной вентиляцией и изолированы таким образом, чтобы температура в них не могла превысить 45 °С.
9.8.4 В помещении, где хранится запас холодильного агента, не допускается хранить сосуды с другими сжатыми газами. Для оборудования помещения не следует применять горючие материалы.
9.8.5 Допускается хранить запасы холодильного агента в стационарных сосудах (ресиверах) при условии, что сосуды и помещения, в которых они расположены, удовлетворяют требованиям 9.7.5, 9.7.7, 9.13.1, 9.13.2, 9.13.4, 9.16.5, 9.16.6.
Должна быть предусмотрена возможность удаления холодильного агента II группы из расходного трубопровода каждого сосуда после окончания заполнения системы или после периодической ее дозарядки.
Расходные трубопроводы от сосудов, предназначенных для хранения холодильного агента, не должны прокладываться через жилые и служебные помещения.
9.9.1 Холодильное оборудование, батареи, приборы, а также трубопроводы и воздуховоды, расположенные в охлаждаемых помещениях, должны быть надежно закреплены и защищены от повреждения грузом.
9.9.2 Воздухоохладители систем воздушного охлаждения можно устанавливать как в отдельных помещениях, так и в грузовых охлаждаемых помещениях. При расположении в грузовых охлаждаемых помещениях воздухоохладители должны быть снабжены сборником конденсата. Для охлаждаемых помещений с минусовыми температурами сборники конденсата рекомендуется выполнять с обогревом.
Не допускается применять воздухоохладители с непосредственным испарением холодильного агента II группы.
9.9.3 Доступ к воздухоохладителям систем воздушного охлаждения должен быть обеспечен при полностью загруженном грузовом помещении. Если выполнить это требование невозможно, должен быть предусмотрен доступ к воздухоохладителям из неохлаждаемых соседних помещений. Отверстие для прохода в помещение воздухоохладителей должно иметь размеры, позволяющие проносить через него крыльчатку вентилятора и электродвигатель.
9.9.4 При проходе воздухопроводов воздушного охлаждения через непроницаемые переборки на последних необходимо устанавливать клинкеты, рассчитанные на то же давление, что и переборка. Управление клинкетами должно быть выведено в доступные места выше палубы надводного борта.
9.9.5 Для перевозки грузов, сохранение которых требует смены воздуха в грузовых охлаждаемых помещениях, должна быть предусмотрена система вентиляции, обеспечивающая подачу в помещения чистого наружного воздуха (охлажденного или подогретого).
9.9.6 Каждое впускное и выпускное отверстие, расположенное в переборках или ограждениях охлаждаемых грузовых помещений, должно иметь воздухонепроницаемое устройство для закрытия.
9.9.7 Воздухопроводы, проходящие через охлаждаемые помещения в другие помещения, должны быть герметичными и тщательно изолированы.
9.9.8 Если для холодильных установок применено воздушное охлаждение грузовых трюмов с непосредственным испарением холодильного агента II группы в воздухоохладителях, для каждого или нескольких таких трюмов необходимо предусмотреть независимую систему вентиляции.
9.9.9 Охлаждаемые помещения должны быть оборудованы телетермометрическими устройствами. При отсутствии их охлаждаемые помещения должны быть оборудованы двумя (или более) термометрическими трубами диаметром не менее 50 мм.
Участки термометрических труб, проходящие через неохлаждаемые помещения, должны быть тщательно изолированы.
9.9.10 Осушение охлаждаемых помещений должно быть выполнено согласно 10.7.40 - 10.7.43.
9.10.1 Размещение воздухоохладителей и вентиляторов в морозильных камерах должно отвечать требованиям 9.9.1 и 9.9.3.
9.10.2 В отделении холодильных машин должны быть установлены приборы для контроля работы морозильных и охлаждающих аппаратов, работающих по системе непосредственного испарения.
9.10.3 Если в морозильной камере применена система непосредственного испарения холодильного агента II группы, необходимо предусмотреть аварийную вытяжную вентиляцию, а камера должна быть герметичной.
9.10.4 Арматура трубопроводов, ведущих внутрь камеры, должна быть расположена вне камеры.
9.11.1 Размещение на судне компрессоров, насосов, аппаратов и сосудов, работающих под давлением холодильного агента, вне отделений холодильных машин является в каждом случае предметом специального рассмотрения Речным Регистром.
9.11.2 В помещениях с технологическим оборудованием, работающим по системе непосредственного испарения холодильного агента II группы, необходимо иметь пожарный кран со шлангом от системы водяного пожаротушения.
9.11.3 Помещения с технологическим оборудованием должны иметь автономную вентиляцию. Кроме основной вентиляции, в помещениях с технологическим оборудованием, работающим по системе непосредственного испарения, следует предусматривать аварийную вентиляцию.
Кратность обмена воздуха систем основной и аварийной вентиляции должна удовлетворять требованиям 9.7.6 и 9.7.7.
9.11.4 В помещениях с технологическим оборудованием, работающем по системе непосредственного испарения холодильного агента II и III групп, должны быть предусмотрены два выхода в соответствии с 9.7.3 и 9.7.4. При использовании холодильного агента II группы выходы должны иметь устройства для создания водяных завес. Устройство для включения водяных завес должно находиться снаружи помещения в непосредственной близости от выходной двери.
9.12.1 Компрессоры должны удовлетворять требованиям 7.6.8, 7.7 и настоящего раздела.
9.12.2 Прочность деталей компрессоров, работающих в условиях приложения динамических нагрузок и избыточных давлений, должна быть рассчитана исходя из расчетных давлений согласно 9.3.2.
9.12.3 Компрессоры на сторонах всасывания и нагнетания холодильного агента должны иметь запорные клапаны независимо от наличия клапанов, управляемых автоматически.
9.12.4 Полости для холодильного агента, масла и охлаждающей воды в необходимых местах должны иметь спускные устройства.
9.12.5 На стороне нагнетания промежуточных и конечной ступеней сжатия компрессора между полостью нагнетания и запорным клапаном должен быть установлен предохранительный клапан или другое самодействующее предохранительное устройство, перепускающее холодильный агент в сторону всасывания компрессора при чрезмерном повышении давления. Пропускная способность предохранительных устройств должна быть не менее максимальной объемной (массовой) подачи защищаемой ступени компрессора.
Увеличение давления после открытия предохранительного клапана не должно превышать его давления открытия более чем на 10 %.
На перепускной линии не должно быть никаких запорных устройств.
Возможность устройства выпуска холодильного агента в атмосферу является в каждом случае предметом специального рассмотрения Речным Регистром.
9.12.6 Насосы должны удовлетворять требованиям 7.8.
9.12.7 Вентиляторы должны удовлетворять применимым требованиям 7.9.
9.13.1 Теплообменные аппараты и сосуды под давлением в отношении материалов и оснащения арматурой должны удовлетворять применимым требованиям 8.17 (кроме 8.17.8, 8.17.10), 8.18 (кроме 8.18.1 - 8.18.4, 8.18.7, 8.18.8) и настоящего раздела Правил. Их расчет на прочность должен быть выполнен по методике Речного Регистра или согласованной с ним.
9.13.2 Кожухотрубные аппараты и сосуды с объемом полости холодильного агента 50 дм3 и более следует снабжать предохранительными устройствами с расчетной пропускной способностью, при которой исключается возможность возникновения давления, превышающего давление открытия более чем на 10 % при полном открытии предохранительного клапана.
Пропускная способность G должна быть не менее определенной по формуле, кг/с,
G = qS/r, (9.13.2)
где q - плотность теплового потока во время пожара, кВт/м2 (во всех случаях принимается равной 10 кВт/м2);
S - площадь наружной поверхности сосуда (аппарата), м2;
r - удельная теплота парообразования холодильного агента при давлении открытия предохранительного клапана, кДж/кг.
Предохранительные устройства должны состоять из двух предохранительных клапанов и переключающего устройства такой конструкции, чтобы в любом случае с аппаратом или сосудом были соединены оба предохранительных клапана или один из них. Каждый клапан должен быть рассчитан на полную пропускную способность.
Речной Регистр может потребовать снабжения предохранительными устройствами также аппаратов иного типа, если это будет признано целесообразным.
Установка запорных клапанов между аппаратами или сосудами и предохранительным устройством не допускается.
Применение предохранительных устройств с одним предохранительным клапаном или иных конструктивных типов является предметом специального рассмотрения Речным Регистром.
9.13.3 Аппараты и сосуды под давлением должны иметь устройства для выпуска воздуха, спуска воды, масла и жидкого хладоносителя.
9.13.4 Аппараты и сосуды, содержащие жидкий холодильный агент II и III групп, должны иметь устройства для аварийного слива холодильного агента.
Расчетное время слива холодильного агента должно быть не более 2 мин. при неизменном избыточном давлении холодильного агента в сосуде или аппарате, численно равном расчетному, принятому в соответствии с 9.3.2.
9.14.1 Испарители воздухоохладителей с непосредственным испарением холодильного агента должны иметь сварную или паяную конструкцию. Фланцевые соединения между секциями и трубопроводами следует применять только в необходимых случаях, при этом все фланцевые соединения должны быть расположены в легкодоступных местах, чтобы можно было проверить плотность соединений.
9.14.2 Если для охлаждения грузовых помещений применяется только один воздухоохладитель, его испаритель должен состоять не менее чем из двух самостоятельных секций, каждая из которых должна быть отключаемой.
9.15.1 В системах холодильных установок должна применяться запорная, регулирующая и предохранительная арматура, рассчитанная на давление не менее 1,25p, где р - расчетное давление, принятое в соответствии с 9.3.2.
Как правило, должна быть установлена стальная арматура. Использование арматуры из других материалов является предметом специального рассмотрения Речным Регистром.
Применять встроенную запорную арматуру из чугуна с пластинчатым графитом для входных и выходных полостей холодильных компрессоров, а также арматуру из чугуна с шаровидным графитом можно для холодильных агентов I и II групп при температурах среды не ниже -40 °С.
9.15.2 Пружинные устройства предохранительных клапанов должны обеспечивать их открытие при давлении, не превышающем более чем на 10 % расчетное давление, принятое в соответствии с 9.3.2.
9.16.1 Трубопроводы систем холодильного агента, жидкого хладоносителя и охлаждающей воды должны удовлетворять применимым требованиям разд. 10 и настоящей главы.
При этом трубопроводы холодильных агентов II и III групп, а также участки трубопроводов, в которых циркулирует жидкий холодильный агент I группы, относятся к трубопроводам I класса в соответствии с табл. 10.1.2.
9.16.2 Трубопроводы холодильного агента и жидкого хладоносителя должны быть изготовлены из бесшовных труб. Трубопроводы жидкого хладоносителя должны быть изготовлены из стальных труб.
9.16.3 На нагнетательных трубопроводах компрессоров и насосов холодильного агента необходимо устанавливать обратные клапаны. Такие клапаны допускается не устанавливать для компрессоров, использующих в качестве рабочего тела холодильные агенты I группы и не имеющих разгрузочных устройств.
9.16.4 На жидкостных трубопроводах холодильных агентов, малорастворимых в воде, должны быть предусмотрены осушительные устройства для поглощения влаги. Их следует устанавливать совместно с фильтрами или конструктивно объединять с ними.
9.16.5 Трубопроводы слива холодильного агента от предохранительных клапанов (за исключением указанных в 9.12.5) необходимо выводить за борт ниже ватерлинии судна при минимальной осадке. Трубопроводы должны снабжаться указателями потока утечек холодильного агента и обратными клапанами, устанавливаемыми непосредственно у борта судна. Холодильные агенты I группы допускается выпускать в атмосферу в безопасном для людей месте.
9.16.6 Трубы аварийного слива холодильного агента из аппаратов и сосудов следует выводить в коллектор аварийного слива, расположенный вне отделения холодильных машин, но вблизи входа в него. На каждой сливной трубе у коллектора должны быть установлены запорные клапаны и указатели потока утечек холодильного агента после каждого клапана. Клапаны должны быть защищены от доступа посторонних лиц и приспособлены для пломбирования в закрытом состоянии.
Общий трубопровод от коллектора аварийного слива за борт должен быть снабжен обратным клапаном и выведен ниже ватерлинии судна при минимальной осадке. Для продувания общего трубопровода должен быть предусмотрен подвод сжатого воздуха или пара.
Внутренний диаметр трубопровода аварийного слива холодильного агента из отдельных аппаратов и сосудов должен быть не менее диаметра предохранительного клапана, определенного по 9.13.2. Площадь сечения общего трубопровода аварийного слива за борт должна быть не менее суммы площадей сечений трех наибольших труб аварийного слива из отдельных аппаратов и сосудов, соединенных с общим трубопроводом.
9.16.7 Для участков трубопроводов, выведенных ниже ватерлинии судна согласно 9.16.5 и 9.16.6, минимальные толщины стенок труб во всех случаях необходимо принимать не менее указанных в графе 3 табл. 10.2.13.
9.17.1 На компрессорах, других агрегатах, трубопроводах холодильной установки следует устанавливать приборы для контроля параметров рабочих тел и параметров режима работы установки. Кроме того, должна быть предусмотрена возможность установки контрольных и измерительных приборов, необходимых для проведения испытаний.
9.17.2 Контрольные и измерительные приборы должны устанавливаться в легкодоступных и хорошо видимых местах. На шкалах должны быть указаны максимальные и минимальные допустимые значения контролируемых параметров.
9.18.1 Системы автоматизации, а также входящие в их состав элементы и узлы, должны удовлетворять применимым требованиям разд. 12.
9.18.2 При использовании автоматического управления холодильной установкой следует также предусмотреть возможность ручного управления.
Ручное управление можно не предусматривать, если имеются два параллельно работающих автоматических устройства.
9.18.3 Компрессоры холодильного агента необходимо снабжать автоматическими устройствами, отключающими их привод в случае:
.1 недопустимого падения давления всасывания;
.2 недопустимого повышения давления нагнетания;
.3 недопустимого понижения давления смазочного масла;
.4 недопустимого повышения температуры нагнетания (для холодильных установок, работающих на холодильных агентах II и III групп, а также автоматизированных установок с безвахтенным обслуживанием);
.5 недопустимого осевого сдвига ротора центробежного компрессора;
.6 недопустимого повышения температуры подшипников скольжения центробежного компрессора.
9.18.4 Отделители жидкости, промежуточные сосуды и циркуляционные ресиверы (при насосной системе циркуляции холодильного агента), а также испарители со свободной поверхностью жидкости (поверхностью испарения) следует снабжать автоматическими устройствами, обеспечивающими:
.1 поддержание постоянного уровня холодильного агента, установленного для нормальной работы испарителя, или постоянной температуры перегрева паров;
.2 прекращение подачи жидкого холодильного агента в испарители и промежуточные сосуды любого типа при остановке компрессора;
.3 отключение компрессора при недопустимом повышении уровня холодильного агента.
9.18.5 Установки с кожухотрубными испарителями должны снабжаться автоматическими устройствами, обеспечивающими:
.1 остановку компрессора при прекращении движения жидкого хладоносителя через испаритель или отключение этого испарителя от системы холодильного агента;
.2 остановку компрессора при недопустимом понижении температуры жидкого хладоносителя.
9.18.6 Холодильные установки должны быть оборудованы устройствами сигнализации, подающими сигнал на пост управления холодильной установкой при срабатывании автоматических устройств защиты, указанных в 9.18.3 - 9.18.5.
На местном посту управления холодильной установкой необходимо предусматривать возможность расшифровки указанных сигналов.
9.18.7 При использовании полностью автоматизированной холодильной установки в рулевой рубке должна быть предусмотрена предупредительная сигнализация об отклонении температуры в охлаждаемых помещениях от допускаемой, требующейся для данного рода перевозимого груза.
9.18.8 Каждое помещение с оборудованием под давлением холодильного агента должно быть оборудовано газоанализаторами и предупредительной сигнализацией об утечке холодильного агента. Сигнализация должна быть выведена на пост управления холодильной установкой
9.18.9 Автоматизированные холодильные установки должны отвечать требованиям разд. 12.
9.19.1 Внутри грузовых охлаждаемых помещений все металлические части корпуса судна должны быть тщательно изолированы.
9.19.2 Изоляцию грузовых охлаждаемых помещений необходимо выполнять из биостойких материалов, не имеющих запаха.
9.19.3 Поверхности переборок и настила двойного дна в районе расположения топливных танков и цистерн должны иметь покрытие из нефтестойкого материала, не выделяющего запаха. Нанесение этого покрытия должно производиться прежде, чем будет выполнена изоляция указанных поверхностей.
9.19.4 Изоляция грузовых охлаждаемых помещений должна быть защищена от проникновения влаги или снабжена надежными средствами осушения ее в период эксплуатации, а также защищена от повреждения грызунами.
9.19.5 Изоляция грузовых охлаждаемых помещений должна иметь обшивку или другое защитное покрытие. Обшивка должна быть надежно защищена в тех местах, в которых она может быть повреждена грузом.
9.19.6 Изоляция морозильных туннелей должна удовлетворять требованиям 9.9.7, 9.19.2, 9.19.4, 9.19.5.
9.20.1 Трубопроводы в местах прохода через переборки и палубы не должны иметь непосредственных контактов с переборками и палубами во избежание образования тепловых мостиков.
9.20.2 Изоляция трубопроводов должна быть защищена от проникновения влаги.
9.20.3 Для изоляции трубопроводов должны применяться негорючие изоляционные материалы в соответствии с требованиями разд. 9 ч. I ПСВП. Это требование не распространяется на изоляцию трубопроводов, расположенных в пределах грузовых охлаждаемых помещений и кладовых.
9.20.4 Антиконденсатные материалы и клеи, применяемые в сочетании с изоляцией, и изоляция арматуры трубопроводов могут не отвечать требованиям разд. 9 ч. I ПСВП при условии, что их количество минимально, а их открытые части медленно распространяют пламя по поверхности.
9.21.1 Элементы, работающие под давлением холодильного агента, должны быть подвергнуты гидравлическим испытаниям на прочность пробным давлением не менее 1,5р, где р - расчетное давление, принятое в соответствии с 9.3.2, за исключением картеров поршневых компрессоров, для которых пробное давление должно быть не менее расчетного.
Элементы, работающие под давлением жидкого хладоносителя или воды, следует подвергать гидравлическим испытаниям давлением, равным 1,5 рабочего давления, но не менее 0,4 МПа.
9.21.2 Элементы, работающие под давлением холодильного агента, должны быть подвергнуты пневматическим испытаниям на плотность пробным давлением не менее расчетного, принятого в соответствии с 9.3.2, за исключением картеров поршневых компрессоров, для которых пробное давление должно быть не менее 0,8 расчетного.
9.21.3 Оборудование, работающее при давлении ниже атмосферного, должно быть испытано на герметичность вакуумированием при остаточном давлении не более 0,8 кПа.
9.21.4 Арматура в сборе и приборы автоматики, имеющие запорные органы, кроме указанных испытаний должны быть подвергнуты пневматическим испытаниям на плотность закрытия пробным давлением, равным расчетному, в соответствии с 9.3.2.
9.21.5 Компрессоры, насосы холодильного агента, жидкого хладоносителя и охлаждающей воды, теплообменные и другие аппараты, сосуды, работающие под давлением холодильного агента, трубы и арматура, предназначенные для давления 1,0 МПа и более, приборы систем автоматического управления, контроля и защиты, а также приборы, измеряющие и регистрирующие температуру в холодильных помещениях после сборки должны быть испытаны в соответствии с требованиями 7.5.1.
9.22.1 После окончания монтажа холодильной установки на судне должны быть проведены пневматические испытания на плотность всей системы холодильного агента пробным давлением, равным р, где р - расчетное давление, принятое в соответствии с 9.3.2.
9.22.2 Пневматические испытания на судне можно проводить сухим воздухом, углекислым газом или азотом.
9.22.3 После испытания на плотность система холодильного агента должна быть осушена и испытана на герметичность вакуумированием при остаточном давлении не более 1 кПа.
9.22.4 После наполнения системы холодильным агентом следует проверить плотность соединений и арматуры.
9.22.5 Трубопроводы систем жидкого хладоносителя и охлаждающей воды должны быть испытаны на плотность при рабочих условиях.
9.22.6 Для проверки выполнения требований 9.4 должны быть проведены теплотехнические испытания холодильной установки.
10.1.1 Требования настоящего раздела Правил распространяются на следующие системы, применяемые на судах:
.1 осушительные;
.2 балластные;
.3 жидких грузов нефтеналивных судов;
.4 воздушных, газоотводных, переливных и измерительных трубопроводов;
.5 газовыпускные;
.6 топливные;
.7 масляные;
.8 водяного охлаждения;
.9 сжатого воздуха;
.10 вентиляции;
.11 паропроводов и трубопроводов продувания котлов;
.12 сжиженных газов;
.13 с токсичными средами;
.14 питательные и конденсатные;
.15 открытых паропроводов от предохранительных клапанов;
.16 очистки и мойки танков;
.17 гидравлических приводов.
Специальные требования к системам и трубопроводам, не указанным выше, приведены в соответствующих разделах настоящей и других частей Правил.
10.1.2 В зависимости от назначения и параметров среды трубопроводы в настоящих Правилах подразделяются на три класса в соответствии с табл. 10.1.2. Для каждого класса трубопроводов устанавливаются определенные типы соединений, виды термической обработки, режимы сварки, необходимые виды и объем испытаний.
Таблица 10.1.2
|
Класс трубопроводов и параметры среды |
||||||
|
I |
II |
III |
||||
|
р |
t |
р |
t |
р |
t |
|
|
Токсичные и воспламеняющиеся среды с рабочей температурой выше температуры вспышки паров или воспламеняющиеся среды, имеющие температуру вспышки паров в закрытом тигле ниже 60 °С, сжиженные газы, агрессивно-коррозионные среды |
Любые значения |
- |
- |
|||
|
Пар |
> 1,6 |
> 300 |
£ 1,6 |
£ 300 |
£ 0,7 |
£ 170 |
|
Топливо |
> 1,6 |
> 150 |
£ 1,6 |
£ 150 |
£ 0,7 |
£ 60 |
|
Воздух, газы, вода, смазочное масло, масло для гидравлических систем |
> 4,0 |
> 300 |
£ 4,0 |
£ 300 |
£ 1,6 |
£ 200 |
|
Примечания. 1. К классу I следует относить трубопроводы с одним из указанных параметров, к классам II и III - трубопроводы с обоими параметрами. 2. Грузовые системы жидких грузов нефтеналивных судов, а также безнапорные трубопроводы (сточные, переливные, газовыпускные, воздушные и пароотводные от клапанов) относятся к классу III. 3. В настоящей таблице: р - расчетное давление, МПа (см. 10.2.12); t - расчетная температура, °С (см. 10.2.12) |
||||||
Материал, изготовление и применение
10.2.1 Материалы, используемые для изготовления труб и арматуры, и их испытания должны удовлетворять требованиям ч. V ПСВП.
Материалы для труб и арматуры, предназначенных для агрессивно-коррозионных сред, подлежат рассмотрению Речным Регистром в каждом случае.
10.2.2 Стальные трубы, предназначенные для изготовления трубопроводов классов I и II, а также для следующих трубопроводов класса III:
.1 приемных осушительных;
.2 напорных питательной воды;
.3 балластных (если их используют как топливные или они проходят через топливные цистерны);
.4 топливных, смазочного масла;
.5 змеевиков подогрева топлива и масла;
.6 свежего пара и циркуляции котлов;
.7 сжатого воздуха;
.8 гидравлических, должны быть бесшовными или сварными, признанными Речным Регистром эквивалентными бесшовным трубам.
Трубы и арматура из углеродистой и углеродисто-марганцевой стали, как правило, должны применяться для сред с температурой не выше 400 °С, низколегированной - не выше 500 °С.
Применение этих сталей для сред с температурой выше указанной может быть допущено при условии, что их механические свойства и предел длительной прочности за 100000 ч отвечают действующим стандартам, и гарантируются изготовителем стали при данной повышенной температуре.
Трубы и арматура для сред с температурой выше 500 °С должны изготавливаться из легированной стали. Это требование не распространяется на газовыпускные трубопроводы.
10.2.3 Медные трубы для трубопроводов классов I и II должны быть бесшовными.
Трубы и арматура из меди и медных сплавов, как правило, должны применяться для сред с температурой не более 200 °С, а из медно-никелевых сплавов - для сред с температурой не более 300 °С. Бронзовая арматура может быть допущена для сред с температурой до 260 °С.
10.2.4 Трубы и арматура из чугуна с шаровидным графитом могут допускаться для трубопроводов осушительных, балластных и жидких грузов, проходящих внутри двойного дна или грузовых цистерн.
Применение таких труб и арматуры в других местах, а также в трубопроводах II и III классов иного назначения является предметом специального рассмотрения Речным Регистром.
Арматура из чугуна с шаровидным графитом может быть допущена для сред с температурой не более 350 °С.
Бортовая арматура и бортовые патрубки, а также арматура, устанавливаемая на таранной переборке, топливных и масляных цистернах, может быть из чугуна с шаровидным графитом, имеющим полностью ферритную структуру согласно ч. V ПСВП.
10.2.5 Трубы из чугуна с пластинчатым графитом допускается применять для грузовых и балластных цистерн на танкерах, за исключением трубопроводов чистого балласта, проходящих через грузовые цистерны.
Трубы и арматуру из чугуна с пластинчатым графитом допускается также применять для грузовых трубопроводов, проходящих по открытой палубе, за исключением концевых участков трубопроводов и их арматуры, присоединяемых к грузовым шлангам.
Применение труб и арматуры из чугуна с пластинчатым графитом для трубопроводов класса III является предметом специального рассмотрения Речным Регистром.
Однако чугун с пластинчатым графитом не должен применяться:
.1 для арматуры с температурой среды выше 220 °С;
.2 для труб, подвергаемых гидравлическим ударам;
.3 для труб, непосредственно связанных с наружной обшивкой корпуса судна;
.4 для арматуры, устанавливаемой на наружной обшивке корпуса судна и таранной переборке;
.5 для арматуры, устанавливаемой непосредственно на топливных и масляных цистернах, находящихся под гидростатическим напором, если она не защищена от механических воздействий способом, одобренным Речным Регистром.
10.2.6 Трубы из алюминиевых сплавов могут применяться для трубопроводов, проводящих среду с температурой не более 150 °С, если при этом предусмотрены мероприятия для предотвращения контактной коррозии.
10.2.7 Трубы и каналы из пластмасс могут применяться:
.1 в трубопроводах осушительных систем небольших отсеков, обслуживаемых ручными насосами;
.2 в водяных трубопроводах, проходящих внутри водяных цистерн (за исключением балластных трубопроводов);
.3 в качестве измерительных труб для измерения уровня воды в льялах (колодцах) и температуры в грузовых трюмах на пассажирских судах;
.4 в качестве переговорных труб, сточных, санитарных, вентиляционных каналов, а также водяных трубопроводов установок кондиционирования воздуха, расположенных внутри непроницаемых отсеков или выше палубы надводного борта.
Применение труб из пластмасс в других случаях является предметом специального рассмотрения Речным Регистром.
10.2.8 Пробки и резьбовая часть палубных втулок измерительных труб на открытых палубах должны быть из бронзы или латуни. Применение других материалов является в каждом случае предметом специального рассмотрения Речным Регистром.
10.2.9 Самозапорная арматура измерительных труб топливных цистерн должна исключать возможность искрообразования.
Радиусы гиба труб
10.2.10 Внутренний радиус гиба стальных медных и алюминиевых труб, внутри которых прокачивается среда с давлением более 0,5 МПа или с температурой свыше 60 °С, а также радиус гиба труб, предназначенных для самокомпенсации, должен быть не менее 2,5d1 (d1 - наружный диаметр трубы).
Если в процессе гибки не происходит утонения стенки трубы, указанный радиус может быть уменьшен.
Внутренний радиус гиба трубопроводов продувания котлов должен быть не менее 3,5d (d - внутренний диаметр трубы).
Радиус гиба труб, работающих в иных условиях, чем указанные выше, в случае применения машинной гибки может быть уменьшен до 1,5d.
Термическая обработка труб
10.2.11 Термической обработке после гибки до гидравлических испытаний должны подвергаться все трубы из легированной стали, а также, как правило, следующие трубы из углеродистой стали:
.1 для пара с рабочим давлением более 1,6 МПа;
.2 для топлива с рабочим давлением более 1 МПа;
.3 для других сред с рабочим давлением более 3 МПа.
При холодной гибке труб с радиусом 4d1 (d1 - наружный диаметр трубы) и более и горячей гибке при температуре 850 - 950 °С термообработка труб из углеродистой стали необязательна.
Толщина стенок труб
10.2.12 Толщина s, мм, стенки металлической трубы, работающей под внутренним давлением, должна быть не менее определяемой по формуле:
s = s0 + b + c, (10.2.12-1)
где s0 = dp/(2slimj + р);
d - наружный диаметр трубы, мм;
р - расчетное давление (максимальное рабочее давление, которое должно приниматься равным наибольшему давлению открытия предохранительных клапанов, а при их отсутствии - давлению гидравлического испытания), МПа.
Для трубопроводов систем углекислотного пожаротушения (от сосудов до пусковых клапанов) р принимается равным расчетному давлению сосудов.
Для трубопроводов, содержащих подогретое топливо, расчетное давление должно приниматься не менее 1,4 МПа.
В особых случаях, не предусмотренных Правилами, расчетное давление подлежит специальному рассмотрению Речным Регистром;
slim - допускаемое напряжение, МПа;
j - коэффициент прочности, принимаемый равным единице для бесшовных труб и сварных труб, признанных эквивалентными бесшовным. Для других сварных труб значение коэффициента прочности является предметом специального рассмотрения Речным Регистром;
b - прибавка, учитывающая фактическое утонение стенки трубы при гибке, мм, назначается таким образом, чтобы напряжения в изогнутой части трубы от внутреннего давления не превышали допускаемые.
При отсутствии значений фактического утонения стенки трубы при гибке прибавка может быть определена по формуле, мм
b = ds0/(2,5R), (10.2.12-2)
R - средний радиус гиба трубы, мм;
с - прибавка на коррозию, мм, принимается по табл. 10.2.12-1 для стальных труб и табл. 10.2.12-2 для труб из цветных металлов.
Для углеродистых и легированных стальных труб допускаемое напряжение slim принимается равным наименьшему из сопоставляемых значений следующих величин:
Rm/2,7; ReL/t/1,8;
/1,8;
/1,0,
где Rm - временное сопротивление материала трубы на растяжение, МПа;
ReL/t - минимальный предел текучести или условный предел текучести при расчетной температуре, МПа;
Таблица 10.2.12-1
|
с, мм |
|
|
Насыщенный пар |
0,8 |
|
Змеевики для подогрева воды и нефтепродуктов в цистернах и грузовых танках |
2,0 |
|
Питательная вода в открытых системах |
1,5 |
|
Питательная вода в закрытых системах |
0,5 |
|
Трубопроводы продувания котлов |
1,5 |
|
Сжатый воздух |
1,0 |
|
Гидравлические системы (масляные) |
0,3 |
|
Смазочное масло |
0,3 |
|
Топливо |
1,0 |
|
Грузовые трубопроводы |
2,0 |
|
Сжиженный газ |
0,3 |
|
Трубопроводы хладагента |
0,3 |
|
Пресная вода |
0,8 |
|
Примечания. 1. Если трубы имеют надежную защиту, то по усмотрению Речного Регистра коррозионная прибавка может быть уменьшена не более чем на 50 %. 2. В случае применения труб из специальных стальных сплавов, обладающих достаточной коррозионной стойкостью, прибавка может быть уменьшена до нуля. 3. Для труб, проходящих в цистернах, табличные значения должны быть увеличены на коррозионную прибавку от влияния наружной среды, значение которой принимается для соответствующей среды по данной таблице. |
|
Таблица 10.2.12-2
|
с, мм |
|
|
Медь, латунь и подобные сплавы, а также медно-оловянистые сплавы, за исключением содержащих свинец |
0,8 |
|
Медно-никелевые сплавы (с содержанием никеля 10 % и более) |
0,5 |
|
Примечание. Если применяются трубы из специальных сплавов, обладающих достаточной коррозионной стойкостью, прибавка может быть уменьшена до нуля. |
|
-
предел длительной прочности за 100000 ч при расчетной температуре, МПа;
-
1 %-ный предел ползучести за 100000 ч при расчетной температуре, МПа.
Возможность снижения запаса прочности является предметом специального рассмотрения Речным Регистром.
В качестве расчетной температуры t при определении допускаемых напряжений принимается максимальная температура среды внутри труб. В особых случаях значение расчетной температуры является предметом специального рассмотрения Речным Регистром.
Определение допускаемых напряжений по пределу длительной прочности и по пределу ползучести не является обязательным.
Допускаемые напряжения для труб из высоколегированных сталей являются предметом специального рассмотрения Речным Регистром.
Для труб из меди и медных сплавов допускаемое напряжение определяется с помощью данных табл. 10.2.12-3.
В случае применения труб, имеющих минусовый допуск на толщину при изготовлении, толщина стенки трубы, должна определяться по формуле, мм:
s1 = s/(1 - 0,01а), (10.2.12-3)
где s - толщина стенки трубы, вычисленная по формуле (10.2.12-1);
а - минусовый допуск на толщину трубы, %.
10.2.13 Толщина стенок труб из стали, меди и медных сплавов в любых случаях должны приниматься не менее значений, указанных в табл. 10.2.13.
10.2.14 При определении толщины стенок пластмассовых труб значения допускаемых напряжений должны быть согласованы с Речным Регистром.
10.2.15 Теплообменные аппараты и сосуды под давлением, применяемые в системах, должны удовлетворять требованиям разд. 8.
Защита трубопроводов от избыточного давления
10.2.16 Трубопроводы, в которых может возникнуть давление, превышающее расчетное, должны быть оборудованы предохранительными устройствами, предотвращающими повышение давления в трубопроводах сверх расчетного.
Открытый отвод топлива и масла от предохранительных клапанов не допускается.
10.2.17 Если на трубопроводе предусматривается редукционный клапан, то за ним должны устанавливаться манометр и предохранительный клапан.
Допускается устройство байпаса редукционного клапана.
Соединения трубопроводов
10.2.18 В зависимости от класса трубопроводов допускаются следующие типы бесфланцевых соединений:
.1 сварные стыковые с полным проваром при принятии специальных мер по обеспечению качества корня шва сварного соединения - для трубопроводов всех классов с любым наружным диаметром труб;
.2 сварные стыковые с полным проваром без принятия специальных мер по обеспечению качества корня шва сварного соединения - для трубопроводов классов II и III с любым наружным диаметром труб;
.3 сварные муфтовые - для трубопроводов класса III с любым наружным диаметром труб;
Таблица 10.2.12-3
|
Термическая обработка |
Временное сопротивление, Rm, МПа |
slim, МПа, при температуре среды, °С |
|||||||||
|
50 |
75 |
100 |
125 |
150 |
175 |
200 |
225 |
250 |
|||
|
Медь |
Отжиг |
220 |
41 |
41 |
40 |
40 |
34 |
27 |
19 |
- |
- |
|
Алюминиевая бронза |
То же |
320 |
78 |
78 |
78 |
78 |
78 |
51 |
25 |
- |
- |
|
Медно-никелевый сплав 95/5 и 90/10 |
» |
270 |
69 |
69 |
68 |
66 |
64 |
62 |
59 |
56 |
52 |
|
Медно-никелевый сплав 70/30 |
» |
360 |
81 |
79 |
77 |
76 |
74 |
72 |
70 |
68 |
66 |
|
Примечания. 1. Допускаемое напряжение для промежуточных значений slim определяется путем линейной интерполяции. 2. Для материалов, не указанных в таблице, допускаемые напряжения являются предметом специального рассмотрения Речным Регистром. |
|||||||||||
Таблица 10.2.13
|
Трубы |
|||||||||
|
Стальные |
Медные |
Из медных сплавов |
|||||||
|
Трубопроводы систем, за исключением указанных в графах 3 - 8 |
Воздушные, переливные, измерительные трубы цистерн |
Трубопроводы забортной воды (осушения, балластные, охлаждения, водопожарные и т.п.) |
Трубопроводы, проходящие через цистерны (см. 10.5.9) |
Змеевики для обогревания нефтепродуктов, зачистные и грузовые нефтепроводы |
Трубопроводы систем углекислотного пожаротушения |
||||
|
от баллонов до пусковых клапанов |
от пусковых клапанов до выпускных сопел |
||||||||
|
l |
2 |
3 |
4 |
5 |
6 |
7 |
8 |
9 |
10 |
|
10 |
1,6 |
- |
- |
- |
- |
- |
- |
1,0 |
0,8 |
|
16,0 |
1,8 |
- |
- |
- |
- |
- |
- |
1,2 |
1,0 |
|
20,0 |
2,0 |
- |
- |
- |
- |
- |
- |
1,2 |
1,0 |
|
25,0 |
2,0 |
- |
2,5 |
- |
- |
3,2 |
2,6 |
1,5 |
1,2 |
|
38,0 |
2,0 |
2,5 |
2,5 |
6,3 |
3,0 |
4,0 |
3,2 |
1,5 |
1,2 |
|
45,0 |
2,0 |
2,5 |
3,0 |
6,3 |
4,0 |
4,0 |
3,2 |
1,5 |
1,2 |
|
57,0 |
2,3 |
2,5 |
3,0 |
6,3 |
4,5 |
4,5 |
3,6 |
2,0 |
1,5 |
|
76,0 |
2,6 |
3,2 |
3,5 |
6,3 |
5,0 |
5,0 |
3,6 |
2,0 |
1,5 |
|
89,0 |
2,9 |
3,2 |
3,5 |
7,1 |
5,0 |
5,6 |
4,0 |
2,5 |
2,0 |
|
108,0 |
2,9 |
4,0 |
4,0 |
7,1 |
5,0 |
7,1 |
4,5 |
2,5 |
2,0 |
|
133,0 |
3,6 |
4,0 |
4,0 |
8,0 |
5,6 |
8,0 |
5,0 |
3,0 |
2,5 |
|
159,0 |
4,0 |
4,5 |
4,5 |
8,8 |
6,0 |
8,8 |
5,6 |
3,0 |
2,5 |
|
219,0 |
4,5 |
5,0 |
5,0 |
8,8 |
7,0 |
- |
- |
3,5 |
3,0 |
|
273,0 |
5,0 |
6,0 |
6,0 |
8,8 |
8,0 |
- |
- |
- |
- |
|
325,0 |
5,6 |
6,3 |
6,3 |
- |
9,0 |
- |
- |
- |
- |
|
370,0 |
5,6 |
6,3 |
6,3 |
- |
10,0 |
- |
- |
- |
- |
|
Примечания. 1. Толщина стенок и диаметр труб могут приниматься равными ближайшим к указанным в таблице значениям, регламентированным стандартами. 2. Указанные в таблице значения толщины стенки трубы не требуют прибавок на минусовый допуск при изготовлении и на утонение стенок при гибке трубы. 3. Таблица не распространяется на трубы из нержавеющих сталей, минимальные толщины которых являются предметом специального рассмотрения Речным Регистром. 4. Если трубы снабжены надежной защитой, то по усмотрению Речного Регистра толщина их стенки, приведенная в графах 3 - 5, может быть уменьшена не более чем на 1 мм. 5. Для измерительных труб, указанных в графах 3 и 5, значения относятся к участкам труб, расположенным вне цистерн, для которых эти трубы предназначены. 6. Для труб с резьбовыми соединениями толщина стенки указана по внутреннему диаметру резьбы в нарезной части трубы. 7. Указанные в графах 7 и 8 значения относятся к трубам, оцинкованным изнутри. 8. Данные таблицы могут быть использованы для газовыпускных трубопроводов. |
|||||||||
.4 резьбовые муфтовые - для трубопроводов класса III с наружным диаметром труб не более 57 мм, за исключением трубопроводов с горючей средой;
.5 штуцерные соединения - для всех классов с внутренним диаметром не более 32 мм.
В случаях, когда не выполняются требования .3 - .5, муфтовые сварные, резьбовые и штуцерные соединения трубопроводов всех классов любого диаметра могут допускаться по особому согласованию с Речным Регистром в зависимости от назначения трубопроводов.
10.2.19 Фланцевые соединения трубопроводов должны соответствовать типам, указанным на рис. 10.2.19.
Примечание. В конусном резьбовом соединении типа D при необходимости следует произвести развальцовку труб после установки фланца.
Размеры фланцев должны соответствовать стандартам.
Рис. 10.2.19
Другие типы фланцевых соединений допускаются по особому согласованию с Речным Регистром.
10.2.20 Выбор типа фланцевого соединения в зависимости от классов трубопроводов должен производиться в соответствии с табл. 10.2.20.
На трубопроводах любого назначения, предназначенных для присоединения трубопроводов с берега или другого судна и расположенных во взрывоопасных зонах и пространствах, должны быть предусмотрены следующие средства гальванической искробезопасности:
.1 электроизолирующие (фланцевые или иные) соединения, электроизолирующие опоры или не проводящие электричество участки трубопровода с суммарным сопротивлением изоляции от корпуса не менее 10 кОм;
.2 электроизолирующие маты, подкладки и ограждения для предотвращения контакта металлических деталей трубопроводов с берега или другого судна с корпусом. Данное требование распространяется также на суда в эксплуатации.
10.2.21 Материал прокладок должен быть стойким против воздействия перекачиваемой среды.
Прокладки в соединениях топливных трубопроводов должны обеспечивать непроницаемость соединений при температуре среды не ниже 120 °С.
10.2.22 Тип и конструкция гибких соединений должны быть одобрены Речным Регистром. Гибкие соединения должны иметь на концах фланцы или штуцеры, применение хомутов является предметом специального рассмотрения Речным Регистром. Гибкие соединения следует располагать в легкодоступных местах. Должна быть предусмотрена возможность отключения этих соединений клапанами в системах топливной, масляной, сжатого воздуха и водяного охлаждения для замены соединения в случае повреждения.
Таблица 10.2.20
|
Токсичные среды, сжиженные газы |
Пар |
Топливо и масло |
Другие среды |
|||||
|
р, МПа |
t, °С |
Тип фланцевого соединения |
t, °С |
Тип фланцевого соединения |
Тип фланцевого соединения |
t, °С |
Тип фланцевого соединения |
|
|
I |
> 1 |
< -50 |
А |
> 400 |
А |
А-В |
> 400 |
А |
|
£ 1 |
< -50 |
А-В* |
£ 400 |
А-В* |
£ 400 |
А-В |
||
|
Любое |
£ -50 |
А-В |
||||||
|
II |
- |
- |
А-В-С |
> 250 |
А-В-С |
А-В-С |
> 250 |
А-В-С |
|
£ 250 |
А-В-C-D-E |
£ 250 |
А-В-С-D-Е |
|||||
|
III |
- |
- |
- |
- |
А-В-C-D-E |
А-В-С-Е |
- |
А-В-C-D-E-F |
|
Примечания. 1. Тип фланцевого соединения см. рис. 10.2.19. 2. Соединение типа В* следует применять только для труб диаметром не более 150 мм. 3. Соединения типа F следует применять только для трубопроводов систем, использующих в качестве рабочей среды воду, и безнапорных трубопроводов. |
||||||||
Гибкие соединения должны быть огнестойкого типа в случае их применения в трубопроводах:
предназначенных для перекачивания топлива или смазочного масла;
предназначенных для перекачивания других воспламеняющихся жидкостей, если повреждение соединений может создать опасность для судна или людей; связанных с приводом водонепроницаемых дверей; связанных с отверстиями в наружной обшивке (включая осушительную систему).
Примечание. Под огнестойким понимается такое соединение, которое, будучи присоединенным к трубопроводу, заполненному водой и имеющему открытый конец, выдерживает температуру 800 °С в течение 30 мин и сохраняет непроницаемость при последующем его испытании расчетным давлением.
Материал гибких соединений должен быть выбран с учетом применяемых жидкостей, давлений, температур и окружающих условий. Разрывное давление гибких соединений должно превышать расчетное давление не менее чем в 4 раза.
Гибкие соединения, предназначенные для использования во взрывоопасных помещениях и пространствах должны быть электропроводны.
Контроль сварных швов
10.2.23 Контроль сварных швов неразрушающими методами должен производиться в соответствии с требованиями ч. V ПСВП.
Контроль электрического сопротивления
10.2.24 Электрическое сопротивление каждого гибкого соединения, предназначенного для использования во взрывоопасных помещениях и пространствах, должно контролироваться до установки соединения. Электрическое сопротивление между любыми двумя точками такого гибкого соединения не должно превышать 106 Ом.
Конструкция
10.3.1 Крышки клапанов диаметром прохода более 32 мм должны крепиться к корпусам болтами или шпильками. Клапаны с диаметром прохода до 32 мм включительно могут иметь крышки с резьбовым креплением при наличии на этих крышках надежных стопоров.
Гайка пробки крана должна быть предохранена от самоотвинчивания при управлении краном.
10.3.2 Дистанционно управляемая арматура должна иметь местное управление.
10.3.3 Энергия сжатого воздуха не должна использоваться в системах дистанционного управления клапанами, расположенными внутри грузовых цистерн.
10.3.4 При применении гидравлической системы дистанционного управления клапанами, расположенными внутри грузовых цистерн, должно быть предусмотрено второе средство управления с помощью ручного насоса, подключаемого отдельным трубопроводом в соответствующем месте к гидравлической системе управления каждого клапана или непосредственно к его исполнительному механизму.
10.3.5 Расходная цистерна для обслуживания гидравлической системы дистанционного управления клапанами, расположенными внутри грузовых цистерн, должна находиться выше верхнего уровня цистерн, насколько это практически возможно, и все трубопроводы гидравлической системы должны входить в грузовые цистерны через верхнюю часть.
Кроме того, расходная цистерна должна быть снабжена воздушной трубой, оборудованной пламепрерывающей арматурой и выведенной в безопасное место на открытой палубе. Эта цистерна должна быть снабжена звуковой и световой сигнализацией, включающейся при снижении уровня жидкости в цистернах до минимально допустимого уровня.
Маркировка арматуры
10.3.6 Запорная арматура должна снабжаться хорошо видимой прикрепленной планкой с четкой надписью, определяющей ее назначение.
10.3.7 Дистанционно управляемая арматура в постах управления должна иметь прикрепленные отличительные планки, определяющие ее назначение, а также указатель положения «Открыто», «Закрыто».
Если дистанционное управление предназначено только для закрытия арматуры, установка указателей положения необязательна.
Расположение и установка арматуры
10.3.8 Арматура, устанавливаемая на непроницаемых переборках, должна крепиться к приварышам на шпильках или устанавливаться на переборных стаканах. Отверстия под крепежные шпильки не должны быть сквозными.
10.3.9 Путевая арматура диаметром более 10 мм, устанавливаемая на трассе пластмассового трубопровода, должна крепиться к корпусным конструкциям.
Конструкция и установка арматуры
10.4.1 Детали бортовой арматуры, устанавливаемой ниже палубы надводного борта, а также донной арматуры не должны изготавливаться из материалов, легко разрушающихся при пожаре.
10.4.2 Штоки и запорные детали донной и бортовой арматуры должны изготавливаться из коррозионно-стойких материалов.
10.4.3 Для приема забортной воды должны, как правило, предусматриваться кингстонные или ледовые ящики. Следует предусматривать возможность доступа внутрь ящиков через горловины, закрываемые крышками (см. 14.4.11 ч. I ПСВП).
10.4.4 На судах с ледовыми усилениями один из кингстонных ящиков должен быть ледовым. Конструкция ледовых ящиков должна обеспечивать эффективное отделение льда и удаление воздуха для обеспечения надежной работы системы забортной воды.
10.4.5 На судах с ледовыми усилениями кингстонные и ледовые ящики, а также бортовая арматура, расположенные над грузовой ватерлинией, должны иметь обогрев.
10.4.6 Все отливные отверстия в наружной обшивке корпуса должны быть снабжены надежно действующими устройствами, исключающими возможность случайного попадания воды внутрь корпуса судна.
10.4.7 Забортные приемные и отливные отверстия систем и трубопроводов главных и вспомогательных двигателей, расположенные в машинных помещениях, должны быть снабжены легко доступными клапанами или клинкетами с местным управлением. Приводы управления должны иметь указатель, показывающий, открыт или закрыт клапан.
Отливные бортовые клапаны должны быть невозвратно-запорного типа. По согласованию с Речным Регистром такой клапан может быть заменен обратным (невозвратным) клапаном или петлей трубопровода, поднятой над самой высокой грузовой ватерлинией.
10.4.8 Приводы управления приемной донной арматуры должны располагаться в легкодоступных местах и снабжаться устройством, показывающим, открыт или закрыт клапан.
На пассажирских судах эти приводы должны располагаться выше настила машинного отделения.
10.4.9 Донная и бортовая арматура, как правило, должна устанавливаться на приварышах.
Допускается установка арматуры на приварных патрубках при условии, что они будут обладать надлежащей жесткостью и иметь минимальную длину. Толщина стенки патрубка должна быть не менее минимальной толщины наружной обшивки корпуса в оконечностях судна, однако не требуется, чтобы она была более 8 мм.
Отверстия под крепежные шпильки не должны проходить сквозь обшивку, а должны заканчиваться в приварыше. Не допускается применять прокладки из свинца и материалов, легко разрушающихся при пожаре.
10.4.10 Бортовая арматура трубопроводов продувания котлов должна устанавливаться на приварышах. На наружной стороне обшивки следует предусматривать приварное защитное кольцо.
Арматура должна иметь на фланце бурт, проходящий через приварыш, обшивку и защитное кольцо. Бурт на фланце не обязателен, если такой бурт имеется на приварыше.
Отверстия в наружной обшивке
10.4.11 Число отверстий в наружной обшивке должно быть минимальным. Отливные трубопроводы должны по возможности присоединяться к общим отверстиям.
10.4.12 Расположение приемных и отливных отверстий в наружной обшивке судна должно отвечать следующим требованиям:
.1 исключать возможность приема сточных вод, фекалий, золы и других нечистот насосами забортной воды;
.2 исключать возможность попадания сточных и отливных вод в помещения судна через иллюминаторы, а также в шлюпки и плоты при их спуске на воду.
Если не представляется возможным выполнить требование 10.4.12.2, отливные отверстия должны быть снабжены соответствующими устройствами, предотвращающими попадание отливных вод в помещения судна, шлюпки и плоты.
10.4.13 Отверстия в наружной обшивке, кингстонных и ледовых ящиках должны оборудоваться защитными решетками. Вместо решеток допускается выполнять отверстия или щели в корпусе судна. Суммарная площадь отверстий или щелей должна быть не менее 2,5-кратной площади сечения установленной приемной арматуры забортной воды.
Диаметр отверстия и ширина щели в решетках или наружной обшивке должны быть не более 20 мм.
Решетки кингстонных ящиков должны быть оборудованы устройством для их продувания паром, сжатым воздухом или водой при наличии на судне соответствующих средств. На трубопроводах продувания должны предусматриваться невозвратно-запорные клапаны. Давление пара или сжатого воздуха в системе продувания не должно превышать 0,3 МПа.
Общие требования
10.5.1 Крепление трубопроводов должно осуществляться таким образом, чтобы оно не являлось причиной возникновения в трубопроводах чрезмерных напряжений от тепловых расширений, деформаций корпуса и вибраций.
10.5.2 Трубопроводы систем и вентиляционные каналы в необходимых случаях должны иметь устройства для спуска или продувания рабочей среды или влаги.
Должны быть предусмотрены конструктивные меры для предотвращения разрушающего воздействия продуктов продувки на конструкции корпуса и оборудование.
10.5.3 Трубопроводы, проводящие горячие среды и имеющие большую протяженность вдоль судна, должны оборудоваться компенсаторами или иметь достаточно изгибов, обеспечивающих самокомпенсацию трубопроводов.
10.5.4 Трубопроводы гидравлических систем не должны прокладываться в междудонном пространстве. Трубопроводы гидравлических систем не должны иметь разъемных соединений в труднодоступных местах.
Прокладка трубопроводов через непроницаемые конструкции
10.5.5 Количество проходов трубопроводов через непроницаемые переборки должно быть минимальным.
10.5.6 Через таранную переборку ниже палубы надводного борта может проходить только один трубопровод для производства операций с жидкостью, находящейся в форпике. При этом если трубопровод проложен вне междудонного пространства, он должен быть снабжен запорным клапаном или клинкетом, установленным на переборке со стороны форпика, с приводом, выведенным выше палубы надводного борта.
10.5.7 Прокладка трубопроводов через непроницаемые переборки, палубы и другие непроницаемые конструкции должна выполняться с применением стаканов, приварышей или других соединений, обеспечивающих непроницаемость конструкций.
Отверстия под крепежные шпильки не должны проходить сквозь эти конструкции, а должны заканчиваться в приварыше.
10.5.8 В местах прохода труб из пластмасс через непроницаемые переборки и палубы, ограничивающие непроницаемые отсеки, должны устанавливаться клапаны с приводом, выведенным выше палубы надводного борта. Клапаны должны быть из стали или другого равноценного по огнестойкости материала.
Прокладка трубопроводов в цистернах
10.5.9 Прокладка трубопроводов питьевой и котельной воды через хранилища топлива и масла, а также прокладка топливных и масляных трубопроводов через цистерны питьевой и котельной воды допускается только в нефтенепроницаемых туннелях, являющихся конструктивной частью цистерн.
Бестуннельная прокладка трубопроводов забортной воды и масла, а также воздушных, переливных и измерительных труб через хранилища топлива допускается при условии применения бесшовных труб, не имеющих разъемных соединений внутри этих хранилищ (см. табл. 10.2.13).
10.5.10 При бестуннельной прокладке трубопроводов через цистерны, если необходима компенсация тепловых расширений, должны предусматриваться изгибы самих труб в пределах цистерн.
10.5.11 Прокладка трубопроводов на нефтеналивных судах должна удовлетворять требованиям 10.9.7 - 10.9.18.
Прокладка трубопроводов в грузовых трюмах и других помещениях
10.5.12 Трубопроводы, проходящие в грузовых трюмах, цепных ящиках и других помещениях, в которых они могут подвергаться механическим повреждениям, должны быть соответствующим образом защищены.
10.5.13 Прокладка топливных, паровых и водяных трубопроводов, а также напорных трубопроводов гидравлических приводов, за исключением осушительных, в грузовых трюмах, как правило, не допускается.
В исключительных случаях, которые являются предметом специального рассмотрения Речным Регистром, прокладка этих трубопроводов может быть допущена в туннелях или при условии применения труб с утолщенными стенками (см. табл. 10.2.13, графа 5) и защиты их стальными кожухами прочной конструкции.
10.5.14 Паропроводы и трубы, проводящие нагретые жидкости, не должны прокладываться в малярных, фонарных и других помещениях, предназначенных для перевозки и хранения легковоспламеняющихся материалов.
10.5.15 Топливные трубопроводы не должны прокладываться через жилые и служебные помещения. Исключение составляет топливный трубопровод аварийного дизель-генератора и трубопроводы приема топлива, которые допускается прокладывать через санитарные помещения при условии применения труб с толщиной стенки не менее 4 мм и отсутствии разъемных соединений.
Прокладка трубопроводов в охлаждаемых помещениях
10.5.16 Через охлаждаемые помещения не рекомендуется прокладывать трубопроводы, не предназначенные для обслуживания данных помещений. Если прокладка таких трубопроводов является необходимой, они должны быть изолированы. Это требование относится в равной степени к воздушным и измерительным трубам. В таких помещениях трубопроводы не должны иметь участков, в которых могла бы собираться и замерзать вода.
Прокладка трубопроводов вблизи электро- и радиооборудования
10.5.17 Над главными и аварийными распределительными щитами, пультами управления главными двигателями и другими ответственными техническими средствами, а также за ними прокладка трубопроводов, находящихся под давлением, не допускается.
С лицевой и боковой стороны этих щитов и пультов такие трубопроводы могут прокладываться на расстоянии не менее 400 мм. Трубопроводы, прокладываемые на расстоянии менее 700 мм от них, как правило, не должны иметь разъемных соединений.
При прокладке в указанной выше зоне трубопроводов с фланцевыми соединениями последние должны быть ограждены защитными кожухами.
10.5.18 Прокладка трубопроводов через специальные электрические помещения (см. 2.1.1.11 ч. IV ПСВП), а также через аккумуляторные помещения не допускается, за исключением трубопроводов углекислотного тушения и трубопроводов, обслуживающих установленное в этих помещениях электрооборудование.
Прокладка трубопроводов в безвахтенных машинных помещениях
10.5.19 Соединения топливных и масляных трубопроводов класса I должны быть сварными. Допускается применение разъемных соединений, однако их количество должно быть минимальным; при этом в местах, в которых они использованы, при необходимости должны быть установлены защитные кожухи.
Гидравлические испытания арматуры
10.6.1 Арматура, предназначенная для расчетного давления более 0,1 МПа, должна испытываться на прочность пробным давлением в соответствии с 7.5.1.
10.6.2 Арматура, предназначенная для расчетного давления 0,1 МПа и менее, а также для работы в условиях вакуума, должна быть испытана давлением не менее 0,2 МПа.
10.6.3 Пробное давление для арматуры, устанавливаемой на кингстонные и ледовые ящики, должно приниматься не менее 0,3 МПа.
10.6.4 Арматура в сборе должна быть подвергнута гидравлическому испытанию на герметичность закрытия давлением, равным расчетному.
Гидравлические испытания трубопроводов
10.6.5 Трубы трубопроводов классов I и II, а также все паровые, питательные, сжатого воздуха и трубопроводы топливной системы независимо от их класса с расчетным давлением более 0,35 МПа после изготовления и окончательной обработки, но до изоляции и нанесения покрытий должны быть подвергнуты гидравлическим испытаниям пробным давлением
pпр = 1,5p, (10.6.5)
где р - расчетное давление (см. 10.2.12), МПа.
Для танкеров, предназначенных для перевозки жидких опасных грузов (не газов под давлением или в охлажденном состоянии), пробное избыточное давление при испытаниях загрузочно-разгрузочных трубопроводов должно составлять не менее 1 МПа.
В любом случае напряжения, возникающие при гидравлических испытаниях, не должны превышать 0,9 предела текучести материала при температуре испытания.
10.6.6 Если по техническим причинам не представляется возможность выполнить полностью гидравлические испытания трубопроводов до установки их на судно, то Речному Регистру должны быть представлены предложения по испытанию отдельных участков, в особенности монтажных соединений.
10.6.7 Испытания пробным давлением труб небольшого диаметра (менее 15 мм) трубопроводов любого класса могут не производиться по усмотрению Речного Регистра с учетом назначения труб.
10.6.8 Все трубопроводы после сборки их на судне должны быть испытаны на плотность в рабочих условиях, за исключением:
.1 змеевиков подогрева и трубопроводов жидкого и газообразного топлива, которые должны быть испытаны давлением 1,5р, но не менее 0,4 МПа;
.2 трубопроводов сжиженного газа, которые должны быть испытаны на плотность (воздухом, галоидами и т.п.) давлением, устанавливаемым в зависимости от применяемого метода контроля.
10.6.9 Если гидравлические испытания трубопроводов в сборе выполняются на судне, испытания на плотность и прочность могут быть совмещены.
10.6.10 Испытания воздушных, переливных и измерительных труб должны производиться вместе с цистернами, к которым они подведены.
Насосы
10.7.1 На каждом самоходном судне с главными двигателями общей мощностью 220 кВт и более должно быть не менее двух осушительных насосов, из которых один с приводом от источника энергии должен быть стационарным и включенным в осушительную систему. В качестве осушительных насосов могут применяться балластные, санитарные или насосы общесудового назначения с приводом от источника энергии и достаточной подачей. В качестве одного из осушительных насосов может быть использован насос, приводимый в действие главным двигателем, водоструйный или пароструйный эжектор (если паровой котел находится постоянно в действии).
10.7.2 На самоходных судах с главными двигателями общей мощностью менее 220 кВт должно быть не менее двух осушительных средств, одним из которых может быть стационарный насос с приводом от источника энергии или эжектор, а другим ручной насос с подачей не менее указанной в таблице 10.7.4. Применение переносного насоса с приводом от источника энергии вместо стационарного или двух ручных насосов подлежит особому согласованию с Речным Регистром.
На судах длиной менее 25 м, не имеющих системы водотушения, допускается установка одного ручного осушительного насоса. При этом осушение отсеков допускается осуществлять с помощью гибкого шланга.
10.7.3 Несамоходные и стоечные суда, оборудованные источниками энергии или получающие энергию с берега, оснащаются средствами осушения так же, как самоходные суда с главными двигателями мощностью менее 220 кВт.
Такие суда, не имеющие паровых котлов, работающих на жидком топливе, за исключением нефтеналивных барж, могут иметь в качестве средств осушения переносные насосы.
Ручной насос должен иметь подачу не менее 3,5 м3/ч.
10.7.4 На несамоходных судах с экипажем, не имеющих собственного источника энергии и не получающих энергию с берега, применение осушительного насоса с приводом от источника энергии не является обязательным, однако ручной насос должен быть переносным поршневого типа с подачей не менее указанной в табл. 10.7.4.
Таблица 10.7.4
|
0,8LBH*, м3 |
Подача насоса, м3/ч |
|
До 50 включительно |
4 |
|
Более 50 до 200 включительно |
6 |
|
Более 200 |
8 |
|
* Определения L, В, H (длины, ширины и высоты борта судна) приведены в ч. I ПСВП. |
|
Если требуемая подача насоса больше, чем подача ручных насосов, выпускаемых промышленностью, то должны быть приняты меры по снабжению судна переносным эжектором и набором шлангов, обеспечивающих работу эжектора от пожарных магистралей судов сопровождения.
10.7.5 На несамоходных судах, эксплуатируемых без экипажа, осушение может производиться средствами буксира-толкача или рейдового судна.
10.7.6 Осушительные центробежные насосы должны быть самовсасывающего типа, или система должна оборудоваться воздухоотсасывающим устройством.
10.7.7 Каждый осушительный насос, за исключением насосов, предназначенных для осушения льял, и ручных насосов несамоходных судов, должен иметь подачу, определяемую из условия, чтобы расчетная скорость воды в приемной осушительной магистрали, диаметр которой вычислен по формуле (10.7.11), в нормальных эксплуатационных условиях была не менее 2 м/с.
10.7.8 Грузовые насосные помещения на нефтеналивных судах должны осушаться отдельными насосами или эжекторами, расположенными в самих насосных помещениях. Допускается использование зачистного насоса при условии установки невозвратно-запорных клапанов на открытых концах приемных отростков и запорного клапана на трубопроводе, соединяющем клапанную коробку осушения с зачистным насосом. По согласованию с Речным Регистром эти помещения могут осушаться ручными насосами. Конструкция насосов должна в максимальной степени исключать возможность искрообразования.
10.7.9 Для осушения носовых отсеков нефтеналивных судов должен быть установлен отдельный насос или эжектор, который может быть использован также для заполнения и опорожнения цистерн, предназначенных исключительно для балластной воды.
10.7.10 На скоростных судах количество осушительных насосов и их подача являются предметом специального рассмотрения Речным Регистром.
Диаметры трубопроводов
10.7.11 Внутренний диаметр осушительной магистрали и приемных отростков D1, мм, непосредственно присоединяемых к насосу, должен определяться по формуле
где L, В, Н - см. табл. 10.7.4.
Для судов технического флота L - сумма длин осушаемых отсеков, м.
10.7.12 Внутренний диаметр приемных отростков d1, мм, присоединяемых к магистрали, а также диаметр приемного трубопровода ручного насоса должны определяться по формуле
l - длина осушаемого отсека, измеряемая по его днищу, м;
b - ширина осушаемого отсека, м;
Н - см. табл. 10.7.4.
10.7.13 Во всех случаях внутренний диаметр осушительных трубопроводов должен быть не менее 40 мм, на судах длиной менее 10 м допускается уменьшение этого диаметра до 20 мм.
Внутренний диаметр труб, присоединяемых непосредственно к осушительному насосу, должен быть равен внутреннему диаметру приемного патрубка насоса.
10.7.14 Площадь поперечного сечения трубопровода, соединяющего распределительную приемную коробку с осушительной магистралью, должна быть не менее суммарной площади поперечного сечения двух наибольших отростков, присоединяемых к этой коробке, но не более площади поперечного сечения магистрального трубопровода.
10.7.15 На нефтеналивных и других судах, на которых осушительные насосы предназначены для осушения только машинного отделения, площадь поперечного сечения осушительной магистрали должна быть не менее удвоенной площади поперечного сечения отростка, внутренний диаметр которого определяется по формуле (10.7.12).
10.7.16 Диаметры отростков для аварийного осушения машинного отделения должны определяться согласно 10.7.24.
Расположение трубопроводов и осушительных приемных отростков
10.7.17 Расположение осушительных трубопроводов, а также их приемных отростков должно быть таким, чтобы обеспечивалась возможность осушения любого непроницаемого отсека любым из насосов, требуемых в 10.7.1 и 10.7.2. Это требование не относится к помещениям и коффердамам нефтеналивных судов, осушаемым отдельными насосами, а также к цистернам, предназначенным для хранения жидкостей.
10.7.18 Система должна быть устроена так, чтобы исключалась возможность поступления забортной воды внутрь судна, а также воды из одного непроницаемого отсека в другой.
Для этого приемные клапаны распределительных коробок осушительных трубопроводов, а также клапаны на приемных отростках, присоединяемых непосредственно к магистрали, должны быть невозвратно-запорного типа.
Допускаются также другие равноценные устройства.
10.7.19 Каждый независимый осушительный насос должен иметь непосредственный отросток из отсека, в котором он находится. Внутренний диаметр этого отростка должен определяться по формуле (10.7.11).
10.7.20 Расположение трубопроводов должно быть таким, чтобы обеспечивалась возможность осушения машинных отделений через приемные отростки, непосредственно присоединенные к насосу, при одновременном осушении остальных отсеков другими насосами.
10.7.21 Расположение осушительных трубопроводов должно обеспечивать возможность работы одного из насосов в случаях, когда остальные насосы неработоспособны или используются для других целей.
10.7.22 Если для осушения предусматривается одна магистраль от насоса, расположенного в машинном отделении, в нос и корму, то управление невозвратно-запорными клапанами, установленными на отростках, идущих в осушаемые отсеки, должно производиться с палубы надводного борта.
10.7.23 Осушительные трубопроводы, как правило, должны прокладываться вне междудонного пространства. При необходимости прокладки этих трубопроводов через хранилища топлива, масла, котельной и питьевой воды они должны удовлетворять требованиям 10.5.9 - 10.5.11.
Если трубопровод прокладывается в междудонном пространстве, на приемных отростках в каждом непроницаемом отсеке должны устанавливаться обратные (невозвратные) клапаны.
10.7.24 На всех самоходных судах с главными двигателями общей мощностью 220 кВт и более рекомендуется предусматривать, помимо приемных отростков, требуемых 10.7.19, аварийное осушение машинных отделений. С этой целью наибольший по подаче насос охлаждающей воды должен иметь непосредственный приемный отросток аварийного осушения с невозвратно-запорным клапаном, расположенным на уровне, обеспечивающем осушение машинного отделения. Диаметр отростка должен быть равен диаметру приемного патрубка насоса.
Если упомянутый выше насос не приспособлен для работы в качестве осушительного, то отросток для аварийного осушения машинного отделения должен быть предусмотрен у наибольшего по подаче насоса, не предназначенного для осушения. Подача такого насоса должна превышать требуемую в 10.7.7 на значение, признанное Речным Регистром достаточным. Диаметр отростка должен быть не менее диаметра приемного патрубка насоса.
10.7.25 На судах, на которых разрешается применение переносных осушительных насосов или осушение с буксира-толкача, осушение отсеков может производиться через палубные горловины с помощью гибкого шланга, если под горловинами исключено нахождение груза, или через постоянные приемные стояки, заканчивающиеся палубной втулкой или патрубком, к которым присоединяется шланг.
10.7.26 Должны применяться устройства для очистки от нефтепродуктов выкачиваемой за борт воды или должны быть установлены емкости для сбора подсланевых вод, загрязненных нефтепродуктами.
Установка и работа устройств для очистки воды не должны препятствовать нормальной работе осушительной и балластной систем.
10.7.27 Расположение и количество приемных отростков должны выбираться в каждом случае в зависимости от формы и расположения отсеков.
В каждом осушаемом отсеке должно быть установлено не менее двух приемных отростков системы осушения.
В коротких и узких отсеках может предусматриваться один приемный отросток, если он обеспечивает надежное осушение отсеков.
10.7.28 Приемные отростки осушения должны устанавливаться в каждом отсеке так, чтобы они обеспечивали наиболее полное осушение отсека при статическом крене судна до 5° на любой борт.
10.7.29 Приемные отростки осушения должны устанавливаться по обоим бортам каждого непроницаемого отсека. В отсеках с уклоном днища более 5° и в оконечностях судна приемные отростки должны устанавливаться вблизи диаметральной плоскости.
10.7.30 По длине судна приемные отростки осушительной системы должны быть расположены следующим образом:
.1 на судах без дифферента - у кормовых переборок носовых отсеков и у носовых переборок кормовых отсеков;
.2 на судах с дифферентом на корму - у кормовых переборок отсеков.
Осушение машинных помещений
10.7.31 Расположение и число приемников системы осушения (системы сбора подсланевых вод) в машинно-котельных отделениях должны приниматься согласно 10.7.27 - 10.7.30, при этом один из приемников осушения должен быть присоединен непосредственно к осушительному насосу с автономным приводом.
На пассажирских судах каждый из осушительных насосов с автономным приводом, расположенных в машинных помещениях, должен иметь два приемных отростка, расположенных по бортам этих помещений.
10.7.32 На приемных отростках осушения машинных отделений должны устанавливаться легко доступные грязевые коробки. Трубы между грязевыми коробками и льялами (колодцами) должны быть по возможности прямыми. На нижних концах этих труб не должны устанавливаться приемники с сетками.
Грязевые коробки должны иметь легко открываемые крышки.
Суммарная площадь сечения отверстий грязевой коробки не должна быть меньше удвоенной площади проходного сечения данного отростка.
На судах длиной до 25 м вместо грязевых коробок могут применяться сетки в тех случаях, когда к ним имеется доступ для очистки (см. 10.7.39).
10.7.33 На отростке для аварийного осушения не должны устанавливаться приемные сетки и фильтры.
10.7.34 Помещение фреоновых холодильных машин может быть подключено к общесудовой системе осушения.
Помещение аммиачных холодильных машин должно иметь автономную систему осушения.
Осушение туннелей
10.7.35 В туннелях гребных валов приемные отростки осушения должны располагаться в кормовой части туннеля.
Отростки для осушения туннеля валопровода должны отвечать требованиям 10.7.32.
Осушение непроницаемых отсеков и грузовых трюмов
10.7.36 Если в пределах непроницаемого отсека или грузового трюма имеется двойное дно, простирающееся по всей его ширине, то по обоим бортам следует предусматривать по одному осушительному колодцу.
10.7.37 При длине непроницаемого отсека или грузового трюма более 35 м следует устанавливать приемные отростки в носовой и кормовой частях этого отсека или трюма.
10.7.38 Отвод воды в льяла непроницаемых отсеков или грузовых трюмов из помещений, расположенных в других непроницаемых отсеках ниже палубы надводного борта, не допускается.
10.7.39 Приемные осушительные отростки должны снабжаться приемными коробками либо сетками. Суммарная площадь сечения отверстий не должна быть меньше удвоенной площади проходного сечения данного отростка.
Коробки и сетки должны быть съемными или должна обеспечиваться возможность их чистки без разборки приемного отростка.
Коробки должны быть защищены от коррозии.
Осушение охлаждаемых помещений
10.7.40 Должно быть предусмотрено осушение всех помещений, поддонов, желобов и других мест, где возможно скопление воды.
10.7.41 Вывод трубопроводов слива воды из неохлаждаемых отсеков в льяла (колодцы) охлаждаемых помещений не допускается.
10.7.42 Каждый трубопровод слива воды из охлаждаемых помещений должен снабжаться гидравлическим затвором или равноценным ему другим устройством.
Высота жидкости в гидравлическом затворе должна обеспечивать безотказность его работы в любых условиях эксплуатации. Гидравлические затворы должны помещаться вне изоляции в доступном месте.
10.7.43 На трубопроводах слива воды из охлаждаемых помещений запорные клапаны не должны устанавливаться.
Осушение коффердамов
10.7.44 Коффердамы, заполняемые водой, должны оборудоваться устройством для осушения. Расположение приемных отростков осушения должно удовлетворять требованиям 10.7.36 - 10.7.39.
10.7.45 Коффердамы нефтеналивных судов должны осушаться специально предназначенными для этого насосами или водоструйными эжекторами.
Осушение пиков и других помещений
10.7.46 Пики, которые не используются в качестве балластных или других цистерн, могут иметь автономное осушение ручными насосами или водоструйными эжекторами. Насосы должны быть расположены выше палубы надводного борта.
10.7.47 Осушение ахтерпика может производиться через сточную трубу в льяла или осушительные колодцы смежного отсека. На сточной трубе должен быть самозапорный клапан, установленный на переборке ахтерпика со стороны смежного отсека.
10.7.48 Осушение пиков на стоечных судах и судах длиной менее 25 м может осуществляться путем перепуска воды из этих отсеков в смежные при условии, что управление клинкетами, установленными на переборках пиков, будет производиться с палубы.
10.7.49 Осушение цепных ящиков может производиться путем стока воды через сточные отверстия в отсек форпика.
10.7.50 На катамаранах каждый корпус должен быть оборудован автономной осушительной системой, соответствующей требованиям настоящей главы.
Насосы
10.8.1 Балластная система должна обслуживаться не менее чем одним насосом.
Подачу балластного насоса рекомендуется определять из условия обеспечения скорости воды не менее 2 м/с при диаметре приемного трубопровода, вычисленном по формуле (10.8.5) для наибольшей балластной цистерны.
10.8.2 В качестве балластных насосов могут быть использованы насосы общесудового назначения достаточной подачи, в том числе осушительный, пожарный или резервный насос охлаждающей воды.
10.8.3 О балластных насосах нефтеналивных судов см. 10.7.9.
10.8.4 Насосы откачки балластной воды из цистерн двойного дна должны быть самовсасывающего типа.
Трубопроводы
10.8.5 Внутренний диаметр отростков балластных трубопроводов dв, мм, для отдельных цистерн должен быть не менее определяемого по формуле
где V - вместимость балластной цистерны, м3.
Диаметр отростка можно принимать равным ближайшему к dв значению, регламентированному стандартами.
10.8.6 Расположение приемных отростков должно быть таким, чтобы обеспечивалась откачка воды из любой балластной цистерны, когда судно находится в прямом положении или имеет крен 5°.
Насосы и их приводы
10.9.1 Грузовая система нефтеналивного судна должна позволять регулировать интенсивность загрузки каждого отдельного танка. Должно обеспечиваться ограничение скорости потока на выходе приемного патрубка в танке до 1 м/с на начальном этапе и до 8 м/с в ходе дальнейшей загрузки.
Регулировка скорости потока должна осуществляться одним из следующих способов либо их совокупностью:
.1 применением приводов насосов, позволяющих плавно изменять частоту вращения;
.2 применением приводов насосов, позволяющих изменять подачу;
.3 применением в системе регулирующей арматуры;
.4 другими способами, одобренными Речным Регистром.
10.9.2 Грузовые и зачистные насосы должны использоваться только по их прямому назначению, за исключением случая, указанного в 10.7.8. Эти насосы не должны иметь приемные или нагнетательные трубопроводы, выведенные в негрузовые отсеки.
Грузовые и зачистные насосы должны размещаться в грузовых насосных отделениях.
По согласованию с Речным Регистром допускается установка грузовых насосов на палубе в районе грузовых цистерн.
10.9.3 Расположение приводных двигателей грузовых насосов должно соответствовать требованиям 1.9.8.
10.9.4 Конструкция насосов, арматуры и их приводов должна в максимальной степени исключать возможность искрообразования.
10.9.5 Должны предусматриваться устройства для остановки каждого грузового и зачистного насоса из легкодоступного места на палубе.
При наличии центрального поста управления грузовыми операциями устройства для остановки насосов могут быть предусмотрены в посту управления грузовыми операциями.
Устройства для остановки грузовых насосов с электроприводом должны соответствовать требованиям 16.2.29 ч. IV ПСВП.
10.9.6 Манометры на напорных магистральных грузовых и зачистных трубопроводах должны устанавливаться у насосов, а также у центрального поста управления грузовой системой.
Расположение трубопроводов
10.9.7 Топливная система, предназначенная для снабжения других судов топливом, должна удовлетворять требованиям разд. 9 ч. I ПСВП.
10.9.8 Грузовые трубопроводы не должны проходить через цистерны, не предназначенные для хранения жидкого груза, и не должны соединяться с другими цистернами или трубопроводами, в том числе с топливными трубопроводами энергетической установки.
Коффердамы не должны иметь никаких соединений с грузовыми цистернами. Установка перепускных клапанов в коффердамах не допускается.
10.9.9 Трубопроводы, не предназначенные для обслуживания грузовых цистерн, не должны проходить через эти цистерны и не должны иметь с ними соединений, за исключением воздушных и измерительных труб топливных цистерн, которые могут проходить через грузовые цистерны при условии, что они не имеют разъемных соединений, надежно закреплены и защищены от механических повреждений. Толщина стенок этих труб не должна быть меньше указанной в графе 5 табл. 10.2.13.
10.9.10 Дистанционно управляемая арматура должна удовлетворять требованиям 10.3.2 - 10.3.5.
Валиковые приводы управления клапанами, расположенными внутри цистерн, должны иметь выводы на открытую палубу через герметичные сальники.
Конструкция приводов должна исключать места скопления в них остатков жидкого груза.
Замена уплотнения сальников должна производиться с открытой палубы. Приводы должны быть оборудованы устройствами, указывающими, открыт или закрыт клапан.
Трубопроводы систем, в которых имеется опасность смешения разных сортов груза или обводнения его, должны снабжаться двойной запорной арматурой.
10.9.11 Устройства для подогрева жидких грузов должны удовлетворять требованиям 10.13.9 - 10.13.15; при этом давление насыщенного пара, применяемого для подогрева, не должно превышать 0,7 МПа.
10.9.12 Фланцы и крепеж на трубопроводах, предназначенных для присоединения шлангов с берега, а также устройства заземления должны выполняться из материалов, исключающих возможность искрообразования.
10.9.13 Трубопроводы на палубах и в грузовых цистернах должны быть надежно закреплены и снабжены компенсаторами.
Если грузовой трубопровод выведен на корму, он не должен иметь разъемных соединений в районе надстройки.
Грузовой трубопровод при проходе через надстройки должен прокладываться в открытом туннеле. Присоединение такого трубопровода к грузовой магистрали должно осуществляться через перекидной фланец-заглушку или съемный патрубок, располагаемый перед носовой переборкой надстройки.
На отливном конце этого трубопровода должен устанавливаться глухой фланец независимо от количества и типа установленных запорных клапанов.
Эти требования распространяются также на случай вывода грузового трубопровода в носовую часть судна.
10.9.14 Все участки грузового трубопровода, соединенные между собой фланцами, должны иметь надежное электрическое соединение между собой, а трубопровод - с корпусом судна (см. 16.2.25 ч. IV ПСВП).
10.9.15 Дистанционно управляемые клапаны, установленные между грузовыми магистралями и насосами, должны иметь местное ручное управление.
10.9.16 Трущиеся части приводов, проходящие внутри грузовых цистерн и коффердамов, а также на грузовой палубе, должны исключать возможность искрообразования.
10.9.17 Концы наполнительных труб грузовых танков должны быть доведены как можно ближе к днищу танка, однако расстояние между концами этих труб и днищем танка не должно быть менее 0,25 внутреннего диаметра наполнительной трубы.
10.9.18 Выходное отверстие трубопровода для поступления воды после мойки в отстойный танк должно располагаться от днища танка на расстоянии не менее 0,25 внутреннего диаметра трубы. Свободное падение жидкости в отстойный танк, содержащий моечную воду и нефтеостаток, должно быть исключено.
Воздушные трубы
10.10.1 Каждая цистерна, предназначенная для хранения жидкости, каждый коффердам, а также ледовые и кингстонные ящики должны быть оборудованы воздушными трубами.
Воздушные трубы ледовых и кингстонных ящиков, которые имеют устройства для их продувания или промывания, должны оборудоваться запорными клапанами, устанавливаемыми непосредственно на ящиках.
Воздушные трубы цистерн второго дна и цистерн, граничащих с наружной обшивкой корпуса, а также ледовых и кингстонных ящиков должны быть выведены на открытую палубу.
10.10.2 Воздушные трубы цистерн должны быть выведены из верхней ее части и, как правило, из места, наиболее удаленного от наполнительного трубопровода.
Количество и расположение воздушных труб должны выбираться в зависимости от формы, размера цистерны, а также из условий, исключающих образование воздушных мешков.
10.10.3 Цистерны, простирающиеся от борта до борта, должны оборудоваться воздушными трубами у обоих бортов. Воздушные трубы не должны использоваться в качестве наполнительных.
Объединение воздушных труб цистерн с неоднородными жидкостями не допускается.
10.10.4 Высота воздушных труб, измеряемая от палубы до уровня жидкости в трубе при ее заполнении, должна составлять не менее:
.1 на судах класса «М» - 400 мм;
.2 на судах класса «О» - 300 мм;
.3 на судах классов «Р» и «Л» - 250 мм.
Воздушные трубы должны располагаться в местах, где исключается возможность их повреждения во время грузовых операций.
10.10.5 Выходной конец каждой воздушной трубы должен выполняться в виде колена, обращенного отверстием вниз, или иметь иную конструкцию, предотвращающую попадание воды, атмосферных осадков и твердых тел в воздушный трубопровод.
10.10.6 Открытые концы воздушных труб топливных и масляных цистерн, а также коффердамов на нефтеналивных судах, отделяющих грузовые или сливные цистерны, должны выводиться на открытую палубу в местах, где выходящие из цистерн и коффердамов пары не представляют пожарной опасности.
Суммарная площадь поперечного сечения всех воздушных труб каждой топливной цистерны, заполняемой судовыми или береговыми насосами, должна быть не менее чем в 1,25 раза больше суммарной площади поперечного сечения всех наполнительных трубопроводов этой цистерны.
10.10.7 Воздушные трубы вкладных масляных цистерн основного запаса и отработанного масла, не оборудованных подогревом, могут выводиться в помещения, в которых установлены цистерны; при этом должна исключаться возможность попадания масла на электрическое оборудование и нагретые поверхности в случае переполнения цистерн.
10.10.8 Каждое выходное отверстие воздушных труб топливных и сточно-циркуляционных масляных цистерн, а также коффердамов на нефтеналивных судах, отделяющих грузовые или сливные цистерны, должно быть защищено пламепрерывающей арматурой одобренного Речным Регистром типа. Площадь проходного сечения этой арматуры должны быть не менее площади сечения воздушной трубы.
10.10.9 Выходные концы воздушных труб, расположенных на открытых палубах, рекомендуется оборудовать постоянно установленными автоматически действующими устройствами, исключающими попадание забортной воды в цистерны.
10.10.10 Суммарная площадь поперечного сечения воздушных труб цистерны, наполнение которой производится гравитационным способом, должна быть не менее суммарной площади сечения наполнительных труб этой цистерны.
10.10.11 Суммарная площадь сечения воздушных труб цистерны, заполняемой судовыми или береговыми насосами, должна составлять не менее 1,25 площади сечения наполнительного трубопровода цистерны. При диаметре наполнительного трубопровода менее 50 мм диаметр воздушной трубы может не превышать диаметр наполнительной трубы.
Площадь сечения общей воздушной трубы от нескольких цистерн должна составлять не менее 1,25 площади сечения общего наполнительного трубопровода этих цистерн.
10.10.12 Если цистерна, заполняемая судовыми или береговыми насосами, оборудована переливной трубой, суммарная площадь сечения воздушных труб цистерны должна быть не менее 1/3 площади сечения наполнительного трубопровода.
При объединении воздушных труб от нескольких цистерн, оборудованных переливными трубами, площадь сечения общей воздушной трубы должна быть не менее 1/3 площади сечения общей наполнительной трубы этих цистерн.
10.10.13 Расположение воздушных труб должно исключать возможность образования гидравлических затворов в трубах при нормальных крене и дифференте судна.
10.10.14 Воздушные трубы топливных цистерн в районе жилых и охлаждаемых помещений не должны иметь разъемных соединений.
Прокладка воздушных труб топливных цистерн через грузовые цистерны должна удовлетворять требованиям 10.9.9.
10.10.15 Выходные концы воздушных труб должны снабжаться планками с отличительной надписью.
10.10.16 Воздушные трубы картеров двигателей внутреннего сгорания должны удовлетворять требованиям 2.5.4.
Газоотводные трубы нефтеналивных судов и нефтерудовозов
10.10.17 Каждая грузовая цистерна должна иметь газоотводную трубу, присоединенную к верхней части этой цистерны.
Газоотводные трубы не должны соединяться с другими трубопроводами.
Конструкция газоотводных труб должна предусматривать возможность измерения давления в грузовых цистернах и перепада давления на огнепреградителях.
10.10.18 Газоотводные трубы могут быть объединены в одну или несколько магистральных труб. Объединение труб допускается только от грузовых цистерн с однородным грузом.
Внутренний диаметр отдельных газоотводных труб должен быть не менее 80 мм, а сборных трубопроводов - не менее 100 мм.
Площадь сечения газоотводных труб должна быть не менее 1,25 сечения наполнительного трубопровода цистерны. Площадь сечения магистральной газоотводной трубы от нескольких цистерн должна составлять не менее 1,25 площади сечения общего наполнительного трубопровода этих цистерн.
10.10.19 Выходные концы газоотводных труб, сообщающихся с атмосферой, должны быть оборудованы пламепрерывающей арматурой, одобренной Речным Регистром. Площадь проходного сечения этой арматуры должна быть не менее площади сечения газоотводной трубы.
Если газоотводные трубы объединены в общую магистраль, то на трубах, идущих от каждой цистерны, должны устанавливаться огнепреградители, одобренные Речным Регистром. Огнепреградители должны располагаться в местах, исключающих возможность попадания в них жидкого груза при любых условиях плавания судна, включая качку.
Огнепреградители должны быть изготовлены из материала, стойкого к коррозии. Конструкция огнепреградителей должна обеспечивать возможность их замены или разборки без демонтажа газоотводных труб.
10.10.20 Газоотводные трубы из грузовых цистерн должны выводиться на открытую палубу с учетом выполнения следующих требований:
.1 на судах, предназначенных для перевозки нефтепродуктов с температурой вспышки паров ниже 45 °С, выходные отверстия труб должны располагаться над главной палубой на высоте не менее 1/3 ширины судна; при этом высота их может не превышать 5 м, но должна быть не менее 3 м;
.2 на судах, предназначенных для перевозки нефтепродуктов с температурой вспышки паров от 45 до 60 °С, выходные отверстия должны располагаться над главной палубой на высоте не менее 2,4 м;
.3 на судах, предназначенных для перевозки нефтепродуктов с температурой вспышки паров 60 °С и выше, выходные отверстия должны располагаться над палубой на высоте не менее 600 мм.
Выходные отверстия газоотводных труб должны отстоять от рубок, надстроек, мест забора воздуха на максимально возможном расстоянии, но не менее 3 м для случаев, указанных в .1 и .2 и не менее 1 м для случая .3.
10.10.21 Дыхательные клапаны на газоотводных трубах должны быть сконструированы и установлены таким образом, чтобы давление в грузовых цистернах не превышало 20 кПа, если цистерны не были специально рассчитаны на более высокое давление, и не снижалось более чем на 2 кПа ниже атмосферного.
10.10.22 Газоотводная труба при наличии дыхательного клапана должна иметь байпасную перемычку с запорной арматурой или должны быть приняты другие конструктивные меры, чтобы во время грузовых операций грузовые цистерны не подвергались повышенному давлению или в них не создавался вакуум.
Переливные трубы
10.10.23 Переливные трубы должны устанавливаться на расходных и отстойных топливных цистернах и выводиться в цистерну основного запаса топлива.
10.10.24 Площадь сечения переливной трубы должна быть не менее площади сечения наливной трубы цистерны при заполнении ее ручным насосом.
При заполнении цистерны насосом с приводом от источника энергии площадь сечения переливной трубы должна быть не менее 1,25 площади сечения наполнительного трубопровода цистерны.
Измерительные устройства
10.10.25 Каждая цистерна, предназначенная для хранения жидкости, а также льяла (колодцы), доступ к которым затруднен, должны оборудоваться измерительными трубами, выводимыми, как правило, на открытую палубу, или другими одобренными Речным Регистром указателями уровня жидкости.
Вывод измерительных труб из вкладных цистерн на открытую палубу не является обязательным.
Измерительные трубы топливных и масляных цистерн не должны выводиться в помещения пассажиров и экипажа.
10.10.26 Указатели уровня жидкости топливных и масляных цистерн, снабженные прозрачными вставками, должны быть защищены от повреждения.
Прозрачные вставки топливных цистерн должны быть выполнены из плоского стекла или из небьющихся пластмасс, не теряющих прозрачности при воздействии на них топлива.
Между указателем и цистерной внизу должен предусматриваться самозапорный кран. Такой кран должен устанавливаться в верхней части указателя, если последний соединен с цистерной ниже максимально возможного уровня в цистерне.
Для масляных цистерн вместимостью менее 0,5 м3 установка самозапорных кранов не обязательна.
10.10.27 Если двойное дно образует бортовые льяла или если судно имеет плоское днище, то измерительные трубы должны устанавливаться на каждом борту. Эти трубы должны быть выведены выше палубы надводного борта в места, всегда доступные для производства измерения. Измерительные трубы должны быть по возможности прямыми и не препятствовать измерению футштоками.
На судах, отсеки которых осушаются переносными насосами, измерительными трубами могут служить стояки, к которым подключаются переносные осушительные насосы.
10.10.28 Измерительные трубы цистерн для топлива и масла допускается выводить над настилом машинного помещения или в туннели валопровода при условии, что будут приняты конструктивные меры или эти трубы будут выведены в места, исключающие попадание топлива или масла при случайном выбросе их через измерительные трубы на нагретые поверхности котлов, двигателей, газовыпускных труб и т.п., а также на электрические машины и распределительные щиты. Такие трубы должны оборудоваться самозапорными кранами, а высота их должна быть не менее 0,5 м от уровня настила. Эти трубы не должны использоваться в качестве воздушных.
Прокладка измерительных труб топливных цистерн через грузовые цистерны должна удовлетворять требованиям 10.9.8.
10.10.29 Измерительные трубы междудонных водяных цистерн допускается выводить в расположенные над ними помещения, к которым имеется постоянный доступ. Такие трубы не должны использоваться в качестве воздушных и должны быть оборудованы самозапорными кранами.
10.10.30 Концы измерительных труб, выведенных на открытые палубы, должны снабжаться плотными пробками, удовлетворяющими требованиям 10.2.8.
Если измерительные трубы возвышаются над открытыми палубами, то они должны располагаться в местах, исключающих возможность их повреждения, или иметь соответствующее ограждение.
10.10.31 Должны быть приняты меры, исключающие повреждение обшивки (днища) под открытыми концами измерительных труб при измерении уровня взлива груза в грузовых танках.
При закрытых нижних концах измерительных труб, имеющих вырезы, подобные меры должны быть предусмотрены по отношению к заглушке измерительной трубы.
10.10.32 Внутренний диаметр измерительных труб должен быть не менее 25 мм.
Внутренний диаметр труб, проходящих через охлаждаемые помещения, в которых возможно понижение температуры до 0 °С и ниже, а также труб цистерн, оборудованных системой подогрева, должен быть не менее 50 мм.
10.10.33 Выходные концы измерительных труб должны снабжаться планками с отличительной надписью.
10.10.34 Футштоки и другие устройства, предназначенные для определения уровня взлива груза на нефтеналивных судах, перевозящих нефтепродукты с температурой вспышки паров ниже 60 °С, должны быть изготовлены из материала, исключающего искрообразование.
Газовыпускные трубопроводы
10.11.1 Газовыпускные трубопроводы должны выводиться, как правило, на открытые палубы.
10.11.2 Вывод газовыпускных трубопроводов через обшивку в корме допускается на судах длиной менее 25 м, на остальных судах такой вывод является в каждом случае предметом специального рассмотрения Речным Регистром. Вывод газовыпускных трубопроводов через бортовую обшивку в атмосферу не допускается.
10.11.3 Каждый главный двигатель должен иметь отдельный газовыпускной трубопровод. В необходимых случаях могут быть допущены отступления, которые являются предметом специального рассмотрения Речным Регистром.
Газовыпускные трубопроводы вспомогательных двигателей могут быть объединены в общий газовыпускной трубопровод при условии наличия надежно действующего предохранительного устройства, предотвращающего:
поток газа из общего трубопровода в трубопроводы неработающих двигателей;
повреждение любого двигателя при его пуске.
10.11.4 При объединении дымоходов котлов допускается установка дымовых заслонок, оборудованных устройством для крепления их в открытом состоянии. Для осмотра и очистки дымоходов, а также воздухопроводов котла в необходимых местах должны предусматриваться лазы и скоб-трапы.
10.11.5 Если конструкция утилизационных и комбинированных котлов не допускает их обогрева выпускными газами в осушенном состоянии (без воды), то должны быть предусмотрены обводные трубопроводы с перепускными заслонками, отключающими котлы от выпускного трубопровода.
Газовыпускные трубопроводы главных и вспомогательных двигателей могут подводиться к одному и тому же утилизационному или комбинированному котлу при условии наличия надежно действующих устройств, предохраняющих газовыпускные трубопроводы неработающих или отключенных двигателей от проникновения в них потока газов от работающих двигателей, а также отключающих утилизационные или комбинированные котлы от газовыпускных трубопроводов того или иного двигателя и направляющих поток газов от этого двигателя в перепускной газопровод. Предохраняющие и отключающие устройства должны быть оборудованы указателями положения запорного органа.
10.11.6 Газовыпускные трубопроводы котлов и двигателей внутреннего сгорания должны быть теплоизолированы с помощью изолирующего материала, двойных стенок или экрана.
Газовыпускные трубопроводы двигателей с «мокрым» выхлопом допускается не изолировать, если температура на поверхности трубопровода не превышает 60 °С.
10.11.7 Газовыпускные трубы двигателей должны снабжаться тепловыми компенсаторами. Там, где это возможно, газовыпускные трубопроводы должны иметь лючки для очистки и в необходимых случаях спускные краны.
10.11.8 Газовыпускные трубы, проходящие через жилые помещения или рулевую рубку, должны быть оборудованы внутри этих помещений газонепроницаемым защитным кожухом. Пространство между газовыпускными трубами и защитным кожухом должно сообщаться с открытой атмосферой.
Глушители и искрогасители
10.11.9 Глушители и искрогасители должны быть расположены таким образом, чтобы обеспечивалась возможность их очистки. Для этой цели они должны оборудоваться лючками и спускными кранами.
10.11.10 При установке утилизационных котлов и искрогасителей «мокрого» типа должны предусматриваться меры против возможного попадания воды в двигатель при появлении течи в трубах котлов или других неисправностей.
Спускные трубы должны направляться в льяла машинного отделения и иметь гидравлические затворы.
Вентиляционные каналы
10.12.1 Прокладка вентиляционных каналов через непроницаемые переборки ниже палубы надводного борта не допускается.
10.12.2 Шахты и вертикальные вентиляционные каналы, проходящие через непроницаемые палубы, в пределах одного непроницаемого отсека ниже палубы надводного борта должны быть непроницаемыми и равнопрочными местным конструкциям корпуса судна.
10.12.3 Вентиляционные каналы, проходящие через огнезадерживающие переборки, должны иметь стальные противопожарные заслонки, устанавливаемые, как правило, на переборках и снабжаемые местными приводами, действующими с обеих сторон переборок.
Места установки заслонок и приводы управления ими должны быть легкодоступными и окрашены красной светоотражающей краской. Должны быть предусмотрены устройства, показывающие, открыта или закрыта заслонка.
Если заслонка устанавливается не на переборке, то канал между переборкой и заслонкой должен изготавливаться из стали или равноценного материала и там, где необходимо, должен иметь изоляцию, равноценную огнестойкости переборки.
10.12.4 Вентиляционные каналы должны быть изолированы в местах возможного отпотевания, а на участках, где возможно скопление воды, снабжаться спускными пробками.
10.12.5 Вентиляционные каналы, предназначенные для удаления взрыво- и пожароопасных паров и газов, должны быть герметичными и не должны соединяться с каналами других помещений.
Закрытия этих каналов должны быть выполнены таким образом, чтобы исключалась возможность искрообразования.
Наружные отверстия каналов, за исключением указанных в 10.12.17, должны иметь пламепрерывающую арматуру.
10.12.6 При применении искусственной вентиляции на пассажирских судах, оборудованных спальными каютами, вентиляторы и вентиляционные каналы рекомендуется располагать в пределах одной главной противопожарной зоны, в которой находятся вентилируемые помещения.
Размещение вентиляционных головок и приемных отверстий
10.12.7 Вентиляционные головки приточной вентиляции, а также приемные отверстия системы вентиляции должны располагаться в таких местах, в которых вероятность забора воздуха, загрязненного газами, парами нефтепродуктов и т.п., была бы сведена до минимума и в которых исключена возможность попадания забортной воды в вентиляционные каналы.
Комингсы вентиляционных раструбов должны иметь высоту в соответствии с применимыми требованиями разд. 12 - 14 ч. I ПСВП.
Вентиляция машинных помещений
10.12.8 Вентиляция машинных помещений должна обеспечивать достаточный приток воздуха, необходимого для обслуживания и работы объектов энергетической установки при любых условиях эксплуатации судна.
Должно обеспечиваться удаление воздуха из нижних зон помещений, а также из мест под настилом, где возможно скопление газов тяжелее воздуха.
О вентиляции помещений холодильных машин см. 9.7.6 и 9.7.7.
10.12.9 Туннели валопроводов должны иметь вентиляцию.
10.12.10 Помещение аварийного дизель-генератора должно быть оборудовано устройством, обеспечивающим достаточный приток воздуха для работы дизель-генератора с полной нагрузкой во всех условиях эксплуатации при закрытых дверях (люках).
Вентиляция закрытых помещений на паромах и трюмов, предназначенных для перевозки автотранспорта и подвижной техники
10.12.11 Закрытые помещения и грузовые трюмы, предназначенные для перевозки автотранспорта и другой подвижной техники с топливом в баках, должны оборудоваться независимой искусственной вытяжной вентиляцией, обеспечивающей, как минимум:
10-кратный обмен воздуха в час на паромах и пассажирских судах;
6-кратный обмен воздуха на всех прочих судах.
10.12.12 Система вентиляции должна быть оборудована приборами для контроля работы вентилятора. Приборы должны устанавливаться в рулевой рубке.
10.12.13 Конструкция вентиляторов в максимальной степени должна исключать возможность искрообразования.
Вентиляция охлаждаемых помещений
10.12.14 Требования к вентиляции охлаждаемых помещений приведены в 9.9.5 - 9.9.8.
Вентиляция аккумуляторных помещений и ящиков
10.12.15 Система вентиляции аккумуляторных помещений и ящиков должна быть независимой и обеспечивать удаление воздуха из верхней зоны вентилируемых помещений.
Каналы вытяжной вентиляции должны быть газонепроницаемыми.
10.12.16 Приточный воздух должен подводиться в нижнюю зону вентилируемого помещения.
10.12.17 Наружные концы вентиляционных каналов должны выполняться таким образом, чтобы исключалась возможность попадания в них воды, атмосферных осадков и твердых тел.
Пламепрерывающая арматура на них не должна устанавливаться.
Отверстия вытяжных вентиляционных каналов должны выводиться в места, где выходящие газы не представляли бы пожарной опасности.
10.12.18 Вентиляция аккумуляторных ящиков зарядной мощностью батарей, не превышающей 0,2 кВт, может осуществляться через отверстия в нижней и верхней частях ящика, обеспечивающие удаление газов. Зарядная мощность батарей определяется согласно 8.5 ч. IV ПСВП.
10.12.19 Расход Q воздуха при естественной вентиляции аккумуляторного помещения или ящика должен быть не менее определяемого по формуле, м3/ч:
Q = 0,11In, (10.12.19)
где I - максимальный зарядный ток во время выделения газов, но не менее 0,25 номинального тока, которым заряжаются батареи, А;
п - число элементов батареи.
10.12.20 Площадь F поперечного сечения канала естественной вытяжной вентиляции аккумуляторных помещений и ящиков должна быть не менее определяемой по формуле, м2:
F = 2,9×10-4Q, (10.12.20)
но не менее 0,008 м2 для кислотных аккумуляторов и 0,012 м2 для щелочных.
Здесь Q - расход воздуха, определяемый по формуле (10.12.19), м3/ч.
10.12.21 Естественная вентиляция помещений может применяться при выполнении следующих условий:
.1 необходимый расход воздуха, определяемый по формуле (10.12.19), составляет менее 85 м3/ч;
.2 угол отклонения вентиляционного канала от вертикали составляет менее 45°;
.3 число колен канала не превышает двух;
.4 длина вентиляционного канала не превышает 5 м;
.5 действие вентиляции не зависит от направления ветра;
.6 площадь сечения вентиляционного канала принимается не менее определяемой по формуле (10.12.20).
10.12.22 Если расход воздуха, вычисленный по формуле (10.12.19), составляет 85 м3/ч и более, аккумуляторное помещение должно оборудоваться системой искусственной вытяжной вентиляции.
10.12.23 Внутренние поверхности вытяжных каналов, а также вентиляторы должны быть защищены от воздействия газов, выделяемых электролитом.
10.12.24 Двигатели вентиляторов не должны размещаться в потоке удаляемых газов.
Конструкция вентиляторов должна в максимальной степени исключать возможность искрообразования.
Вентиляция станций пенотушения, объемного тушения и приготовления питьевой воды (типа «Озон»)
10.12.25 Станции пенотушения и объемного тушения должны быть оборудованы эффективной вентиляцией.
Станции углекислотного тушения должны быть оборудованы независимой системой вытяжной и приточной вентиляции. Приемные отверстия вытяжных каналов должны располагаться в нижних зонах помещений станций.
Станции приготовления питьевой воды (типа «Озон») должны оборудоваться приточно-вытяжной вентиляцией с десятикратным обменом воздуха в час.
Вентиляция грузовых насосных помещений
10.12.26 Помещения грузовых насосов должны быть оборудованы искусственной вытяжной вентиляцией, отдельной для каждого из этих помещений, обеспечивающей, по меньшей мере, двадцатикратный обмен воздуха в час. Приточная вентиляция данных помещений может быть естественной.
10.12.27 Паровые двигатели для привода вентиляторов могут размещаться в насосном помещении.
Электродвигатели для привода вентиляторов должны размещаться согласно 1.9.8.
10.12.28 Приемные отверстия вытяжных каналов должны располагаться в нижних зонах помещений, в местах наиболее вероятного скопления паров жидких грузов.
Эти каналы вне насосного помещения должны быть герметичными и, как правило, не должны соединяться с вентиляционными каналами грузовых цистерн и других помещений.
Если система вентиляции насосного помещения используется для вентиляции грузового трубопровода и через него - грузовых цистерн, то в местах присоединения вентиляционного канала к грузовому трубопроводу должна быть установлена двойная запорная арматура.
10.12.29 Все закрытия вентиляционных каналов должны быть выполнены таким образом, чтобы исключалась возможность искрообразования.
Конструкция вентиляторов должна в максимальной степени исключать возможность искрообразования.
10.12.30 Выходные отверстия вытяжных каналов должны отстоять не менее чем на 2 м от любого отверстия, идущего внутрь судна, в места, в которых может содержаться источник воспламенения паров нефтепродуктов, и должны быть так расположены по отношению к приемным отверстиям приточных каналов вентиляции, чтобы исключалась возможность загрязнения приточного воздуха.
Приемные отверстия приточной вентиляции должны отстоять от главной палубы на расстоянии не менее 2,4 м и от любых отверстий грузовых цистерн и открытых выводов газоотводных труб - на расстоянии не менее 5 м (см. также 10.10.20).
Наружные отверстия вытяжных каналов должны быть снабжены пламепрерывающей арматурой.
Вентиляция грузовых трюмов
10.12.31 Вентиляция грузовых трюмов может быть естественной или искусственной. Кратность вентиляции грузовых трюмов определяется в зависимости от рода перевозимого груза.
Вентиляция камбузов
10.12.32 На пассажирских судах каждый вытяжной канал камбузной плиты должен снабжаться легкоснимаемой коробкой, предназначенной для сбора жира, а также пожарной задвижкой, расположенной в нижнем конце канала.
Вентиляция трюмов, приспособленных для перевозки опасных грузов
10.12.33 Каждый трюм должен вентилироваться при помощи двух независимых друг от друга вытяжных вентиляторов, обеспечивающих, по меньшей мере, шестикратный обмен воздуха в час по объему порожнего трюма.
Приточная вентиляция этих трюмов может быть естественной.
10.12.34 Конструкция вентиляторов должна в максимальной степени исключать возможность искрообразования.
10.12.35 Приемные отверстия вытяжных каналов должны располагаться на противоположных сторонах трюма на разных уровнях по высоте трюма, обеспечивая равномерный воздухообмен в трюме и отсутствие застойных зон.
10.12.36 Приемные и выходные вентиляционные отверстия должны быть снабжены пламепрерывающей арматурой. Площадь проходного сечения этой арматуры должна быть не менее площади сечения вентиляционной трубы.
10.12.37 Конструкция вентиляционной системы должна исключать возможность проникновения опасных газов в жилые помещения, рулевую рубку или машинное отделение.
Насосы
10.13.1 Для перекачивания жидкого топлива из запасных цистерн в расходные должны быть предусмотрены топливоперекачивающий насос с приводом от источника энергии и резервный ручной насос. При наличии сепаратора топлива в качестве резервного может быть использован насос сепаратора.
На судах с суточным расходом топлива менее 1 т допускается устанавливать один ручной насос.
10.13.2 Топливоперекачивающие насосы, а также насосы сепараторов, кроме местного управления, должны иметь средства для их остановки из всегда доступных мест вне помещений, в которых они установлены.
Расположение трубопроводов
10.13.3 Топливные трубопроводы, как правило, должны быть отделены от трубопроводов других систем. Они не должны подвергаться воздействию интенсивных тепловых потоков и должны быть доступными для контроля по всей их протяженности.
10.13.4 Трубопроводы, предназначенные для перекачивания подогретого жидкого топлива под давлением, рекомендуется размещать в хорошо видимых и доступных местах.
10.13.5 Топливные трубопроводы не должны прокладываться над двигателями внутреннего сгорания, турбинами, котлами, вблизи горячих частей и воздуховсасывающих устройств двигателей, компрессоров и электрооборудования, над газовыпускными трубопроводами, паропроводами (за исключением паропроводов для подогрева топлива), паровыми котлами и их дымоходами.
В исключительных случаях допускается прокладка топливных трубопроводов над указанным выше оборудованием при условии, что в этих районах трубопроводы не будут иметь разъемных соединений или будут приняты меры, исключающие попадание топлива на указанное оборудование.
10.13.6 Приемные трубопроводы жидкого топлива, выходящие из цистерн вместимостью более 50 л, расположенных вне междудонного пространства, а также трубопроводы, предназначенные для выравнивания уровня жидкости в цистернах, должны быть снабжены запорными клапанами, установленными непосредственно на цистернах. Эти клапаны должны иметь дистанционное закрытие из всегда доступных мест, расположенных вне того помещения, в котором находятся цистерны.
На расходных цистернах должны быть клапаны быстрозапорного типа.
Приемные трубопроводы жидкого топлива, выходящие из междудонных цистерн должны быть снабжены запорными клапанами, расположенными выше цистерн (см. также 10.13.24).
10.13.7 Если топливные цистерны соединены между собой, то площадь поперечного сечения соединительных трубопроводов (арматуры) должна быть как минимум в 1,25 раза больше площади поперечного сечения наполнительных трубопроводов для приема топлива.
10.13.8 Наполнительные трубопроводы топливных цистерн основного запаса, должны быть выведены на палубу и иметь запорные устройства.
Устройства для подогрева топлива в цистернах
10.13.9 Подогрев жидкого топлива должен осуществляться с помощью паровых или водяных змеевиков. Применение электронагревательных устройств для этой цели является предметом рассмотрения Речного Регистра.
10.13.10 Змеевики подогрева топлива должны быть расположены в нижней части цистерн. В глубоких цистернах, в которых секции змеевиков подогрева установлены в несколько рядов по высоте, следует предусматривать возможность отключения отдельных секций змеевиков по мере снижения уровня топлива в цистернах.
10.13.11 Концы приемных топливных труб, выходящих из расходных и отстойных цистерн, должны располагаться над змеевиками подогрева таким образом, чтобы не происходило оголение последних. Требование не распространяется на концы зачистных труб.
10.13.12 Максимальная температура подогретого топлива в цистернах должна быть не менее чем на 10 °С ниже температуры вспышки паров топлива.
10.13.13 Для контроля температуры подогреваемого топлива в необходимых местах должны быть установлены термометры.
10.13.14 Конденсат греющего пара должен проходить через смотровое устройство, позволяющее контролировать его чистоту.
10.13.15 Давление пара, применяемого для подогрева топлива, не должно превышать 0,5 МПа.
Устройства для удаления воды из топливных цистерн
10.13.16 Для удаления воды в расходных и отстойных цистернах должны предусматриваться клапаны самозапорного типа и трубопроводы к цистернам сбора грязного топлива.
На трубопроводах удаления воды и шлама должны предусматриваться смотровые стекла. При наличии поддонов вместо стекол допускается применение открытых воронок.
Устройства для сбора утечек топлива
10.13.17 Вкладные цистерны, насосы, фильтры и другое оборудование в местах возможной утечки топлива должны снабжаться поддонами.
10.13.18 Сточные трубы от поддонов должны быть отведены в сборные цистерны.
10.13.19 Внутренний диаметр сточных труб должен быть не менее 15 мм.
10.13.20 Сточные трубы должны доводиться до днища сборной цистерны с минимальным зазором.
При расположении сборной цистерны в междудонном пространстве должны быть приняты меры, предотвращающие поступление воды в машинные помещения через открытые концы сточных труб в случае повреждения наружной обшивки. Должна быть предусмотрена предупредительная сигнализация по верхнему предельному уровню в сборных цистернах.
10.13.21 Если сборная цистерна является общей для сточных труб от поддонов, расположенных в разных непроницаемых отсеках, то должны быть предусмотрены конструктивные меры, предотвращающие перелив воды из одного затопленного отсека в другой через открытые концы сточных труб.
Наполнение цистерн запаса топлива
10.13.22 Прием жидкого топлива на судно должен производиться закрытым способом через специально предназначенный для этого трубопровод, снабженный необходимой арматурой, обеспечивающей подачу топлива во все цистерны основного запаса.
Трубопровод наполнения топлива должен доводиться до днища цистерны с минимальным зазором.
10.13.23 На пассажирских судах для приема жидкого топлива должны предусматриваться специальные приемные станции, отделенные от других помещений и оборудованные дренажными трубами, идущими в сборные топливные цистерны.
10.13.24 Наполнительные трубопроводы цистерн, расположенных выше двойного дна, а также наполнительные трубопроводы цистерн междудонного пространства должны присоединяться к верхним частям цистерн, при этом рекомендуется осуществлять ввод наполнительного трубопровода в цистерну выше максимального уровня топлива с гидравлическим разрывом внутри цистерны. Если это осуществить нельзя, то наполнительные трубы должны иметь обратные или невозвратно-запорные клапаны, устанавливаемые непосредственно на цистернах.
В тех случаях, когда наполнительная труба используется в качестве приемной, вместо обратного клапана следует устанавливать запорный клапан с дистанционным закрытием, выведенным в доступное место, расположенное за пределами помещения, в котором находится цистерна.
Топливные цистерны
10.13.25 При конструировании вкладных топливных цистерн должны быть учтены требования ч. I ПСВП.
10.13.26 Расположение топливных цистерн в машинных помещениях должно удовлетворять требованиям 1.9.7.
10.13.27 Топливные цистерны, расположенные на открытых палубах и надстройках, а также в других местах, подверженных влиянию атмосферы, должны быть защищены от воздействия солнечных лучей.
Цистерны жидкого топлива, топливные трубопроводы и путевая арматура должны быть так расположены и обустроены, чтобы ни топливо, ни его пары не могли попасть в каюты для экипажа, пассажиров и специального персонала, салоны, кают-компании, рестораны, столовые, кинозалы, спортивные залы, и т.п.
10.13.28 Расходные топливные цистерны, предназначенные для непосредственного питания главных двигателей в машинных помещениях без постоянной вахты, должны иметь устройство, подающее оптический и звуковой сигнал в рулевую рубку по допускаемому уровню топлива в цистернах, или автоматическое наполнение расходной топливной цистерны.
10.13.29 Отсеки, расположенные в нос от таранной переборки, не должны использоваться для перевозки топлива или других жидких воспламеняющихся веществ.
10.13.30 Цистерны жидкого топлива для осмотра и очистки внутренних полостей должны быть оборудованы лазами, снабженными герметичными крышками.
Подвод топлива к двигателям внутреннего сгорания
10.13.31 Оборудование топливной системы должно обеспечивать подвод топлива, подготовленного надлежащим образом и очищенного в степени, требующейся для данного двигателя.
10.13.32 Фильтры топлива должны допускать их очистку без остановки двигателей.
10.13.33 Энергетические установки, в состав которых входят двигатели, работающие на тяжелом топливе, должны быть оборудованы двухтопливными системами.
10.13.34 Если главные двигатели являются двухтопливными, а вспомогательные - предназначены только для использования дизельного топлива, должны быть приняты меры против попадания тяжелого топлива в топливную систему вспомогательных двигателей.
10.13.35 В системах подготовки тяжелого топлива рекомендуется предусматривать установку фильтров с автоматизированной системой очистки.
10.13.36 В случае установки в напорных топливных трубопроводах расходомеров должны быть приняты меры, исключающие вероятность прекращения подачи топлива к двигателям в случае регулировки или выхода их из строя.
10.13.37 Подвод топлива к дизель-генераторам, предназначенным для использования в качестве аварийных, должен осуществляться от автономной расходной цистерны, расположенной в помещении аварийного дизель-генератора. Не допускается расходование топлива из этой цистерны для других целей. Запас топлива в расходной цистерне должен быть достаточен, чтобы обеспечить работу дизель-генератора в течение времени, указанного в табл. 4.1.1 ч. IV ПСВП.
10.13.38 Подвод топлива к дизель-генераторам должен осуществляться с помощью отдельного трубопровода с установленными на нем фильтрами и запорной арматурой.
Подвод топлива к котлам
10.13.39 На трубопроводе, подающем топливо к форсункам каждого котла, следует предусматривать быстрозапорный клапан с местным управлением. При установке автоматизированного вспомогательного котла быстрозапорный клапан не требуется.
10.13.40 Для контроля температуры и давления тяжелого топлива, подаваемого к форсункам, на соответствующих трубопроводах необходимо предусматривать установку термометров и манометров.
10.13.41 При подаче топлива к котлам под гидростатическим давлением на трубопроводе, подающем топливо к форсункам, должны предусматриваться фильтры.
Масляные насосы двигателей внутреннего сгорания
10.14.1 Для обслуживания одного главного двигателя мощностью 220 кВт и более должно быть не менее двух масляных циркуляционных насосов, один из которых может иметь привод от двигателя. Один насос должен использоваться в качестве основного, а другой - быть в резерве.
Подача резервного насоса должна быть не менее подачи основного насоса.
10.14.2 При наличии двух и более главных двигателей резервный масляный насос не требуется.
10.14.3 Каждый вспомогательный двигатель должен иметь независимую систему смазывания.
Объединение систем смазывания вспомогательных двигателей является в каждом случае предметом специального рассмотрения Речным Регистром.
10.14.4 Если масляный насос не оборудован предохранительным или перепускным клапаном, установка такого клапана должна предусматриваться на напорном трубопроводе.
Подвод смазочного масла к двигателям внутреннего сгорания
10.14.5 Концы сливных труб из картера двигателя в циркуляционно-сточную цистерну должны быть в ней расположены таким образом, чтобы во время работы двигателя они были постоянно погружены в масло.
Сливные трубы от двух или более двигателей не должны соединяться между собой.
10.14.6 Трубопроводы масляной системы не должны соединяться с трубопроводами другого назначения, за исключением присоединения к сепараторам, которые могут использоваться для сепарирования топлива при наличии надежных устройств, предотвращающих смешение топлива и масла.
При сепарировании необходимо предусматривать меры, исключающие возможность смешения отличающихся по свойствам сортов масла, предназначенных, например, для главных и вспомогательных двигателей, если они используют несмешиваемые сорта масла.
10.14.7 На трубопроводах масляных циркуляционных систем должны быть установлены:
.1 на всасывающем трубопроводе насоса зубчатых передач - магнитный фильтр;
.2 на всасывающем трубопроводе насоса - один фильтр грубой очистки (сетка);
.3 на нагнетательном трубопроводе насоса главного двигателя - два параллельных фильтра или один сдвоенный переключаемый фильтр, или один самоочищающийся фильтр.
10.14.8 При общей масляной системе двигателя и турбонагнетателей перед подшипниками турбонагнетателей должны устанавливаться фильтры тонкой очистки, конструкция которых должна допускать их очистку без прекращения циркуляции масла. После фильтров следует устанавливать манометр.
10.14.9 Пропускная способность каждого масляного фильтра должна превышать на 10 % наибольшую подачу насоса.
10.14.10 Масляные трубопроводы должны быть оборудованы необходимыми контрольно-измерительными приборами.
На трубопроводе подвода масла к редуктору должно быть установлено устройство контроля за поступлением масла в редуктор, например, смотровое стекло.
Масляные цистерны
10.14.11 Масляные цистерны не должны иметь общих переборок с жилыми помещениями.
10.14.12 Приемные трубопроводы, выходящие из цистерн, расположенных вне двойного дна, должны быть снабжены запорными клапанами, установленными непосредственно на цистернах.
10.14.13 В случае необходимости подогрева масла в цистернах должны быть выполнены требования 10.13.9 - 10.13.15.
10.14.14 Масляные цистерны для осмотра и очистки внутренних полостей должны быть оборудованы лазами, снабженными герметичными крышками.
10.14.15 В местах возможных утечек рабочей жидкости или масла из систем гидравлического привода и смазочного масла должны быть установлены поддоны.
Насосы
10.15.1 Система охлаждения двигателей должна быть двухконтурной; при этом должна быть предусмотрена возможность охлаждения двигателя забортной водой от насоса внешнего контура. На судах длиной менее 25 м допускается замкнутая одноконтурная система.
На судах классов «М» и «О» с одновальной установкой должен быть предусмотрен дополнительный насос с независимым приводом достаточной подачи для резервирования работы насосов внешнего и внутреннего контуров; при мощности установки менее 220 кВт резервный насос допускается не устанавливать.
10.15.2 Допускается систему охлаждения главных и/или вспомогательных двигателей водой внутреннего контура выполнить объединенной с одним автономным насосом. Подача насоса в этом случае должна быть достаточной для одновременного охлаждения всех двигателей при их работе с максимальной нагрузкой.
На трубопроводе охлаждающей воды в этом случае перед каждым двигателем должен быть предусмотрен клапан для регулирования расхода охлаждающей воды.
10.15.3 Если каждый из вспомогательных двигателей имеет отдельный насос водяного охлаждения, то резервные насосы для этих двигателей не требуются.
Если для группы вспомогательных двигателей предусматривается общая система охлаждения, то достаточно иметь один резервный насос для внутреннего и внешнего контуров.
В объединенной системе охлаждения главных и вспомогательных двигателей резервные насосы для охлаждения вспомогательных двигателей не требуются.
10.15.4 В качестве резервных охлаждающих насосов могут применяться балластные или другие насосы общесудового назначения, используемые для чистой воды.
Расположение трубопроводов
10.15.5 В системе охлаждающей воды должно быть предусмотрено не менее двух приемников, соединенных между собой.
На судах с одним главным двигателем мощностью менее 220 кВт допускается один приемник, расположенный в машинном помещении; при этом должны быть предусмотрены два параллельно соединенных фильтра.
10.15.6 Об обогреве кингстонных ящиков судов с ледовыми усилениями см. 10.4.5.
10.15.7 Расположение отливного трубопровода забортной воды должно обеспечивать заполнение водой наиболее высоко расположенных охлаждаемых полостей двигателей, охладителей наддувочного воздуха, масла и воды, а также исключать образование застойных зон.
Фильтры охлаждающей воды
10.15.8 На приемных магистралях охлаждающей забортной воды главных и вспомогательных двигателей внутреннего сгорания следует устанавливать фильтры.
Должна предусматриваться возможность очистки фильтров без прекращения работы охлаждающих насосов.
Другие устройства системы охлаждения
10.15.9 На судах с ледовыми усилениями рекомендуется предусматривать устройства для прогрева двигателей перед пуском. Прогрев должен осуществляться подогретой охлаждающей водой, прогрев двигателей паром не допускается.
10.15.10 Во внутреннем контуре двухконтурной системы охлаждения двигателя должна быть предусмотрена расширительная цистерна, уровень воды в которой должен быть выше максимального уровня воды в двигателе. Расширительная цистерна должна присоединяться к приемным трубопроводам насосов и может быть общей в системе охлаждения нескольких двигателей.
10.15.11 Расширительные цистерны для осмотра и очистки внутренних полостей должны быть оборудованы лазами, снабженными герметичными крышками.
Число воздухохранителей и запас пускового воздуха
10.16.1 Система сжатого воздуха главных двигателей должна обеспечивать одновременный пуск и реверсирование всех главных двигателей.
10.16.2 Запас сжатого воздуха для пуска главных двигателей и действия системы управления должен храниться не менее чем в двух воздухохранителях или в двух группах воздухохранителей, при этом в каждом из этих двух воздухохранителей или в каждой группе воздухохранителей должен храниться запас пускового воздуха в количестве не менее половины требуемого в 10.16.3 и 10.16.4.
10.16.3 Запас сжатого воздуха во всех воздухохранителях, предназначенный для пуска и реверсирования главных двигателей, должен обеспечивать не менее 12 пусков попеременно на передний и задний ход главного двигателя, подготовленного к действию.
10.16.4 Общий запас сжатого воздуха для пуска главных нереверсивных двигателей, а также главных дизель-генераторов должен быть достаточным для выполнения не менее шести пусков наибольшего по мощности из установленных двигателей, подготовленного к действию, а при наличии более двух двигателей - не менее четырех пусков каждого двигателя, подготовленного к действию.
10.16.5 Для пуска вспомогательных двигателей должен быть предусмотрен как минимум один воздухохранитель вместимостью, достаточной для выполнения шести пусков каждого вспомогательного двигателя, подготовленного к действию, а при наличии более двух вспомогательных двигателей - не менее четырех пусков каждого двигателя, подготовленного к действию.
При установке одного такого воздухохранителя должна предусматриваться возможность пуска вспомогательных двигателей от одного воздухохранителя или от одной группы воздухохранителей главных двигателей.
10.16.6 Запас пускового воздуха из воздухохранителей главных двигателей, указанных в 10.16.2, может быть использован для работы тифона и на хозяйственные нужды при следующих условиях:
.1 один воздухохранитель (группа воздухохранителей) отделен от остальных обратным клапаном и предназначен только для пуска главных двигателей;
.2 предусмотрены автоматическое пополнение запаса воздуха в воздухохранителе и сигнализация, включающаяся при падении давления в воздухохранителе не более чем на 0,5 МПа ниже рабочего.
10.16.7 Воздухохранители вспомогательных двигателей, указанные в 10.16.5, допускается пополнять воздухом из воздухохранителей главных двигателей, указанных в 10.16.6; при этом должна быть исключена возможность перепуска воздуха в обратном направлении.
10.16.8 Воздухохранители должны устанавливаться таким образом, чтобы в любых условиях эксплуатации было возможно полное удаление из них влаги.
Компрессоры
10.16.9 Количество основных компрессоров, как правило, должно быть не менее двух, один из которых может быть навесным. При этом в случае выхода из строя компрессора наибольшей подачи подача остальных компрессоров должна быть достаточной для заполнения воздухохранителей главных двигателей в течение 1 ч, начиная от давления, при котором возможен последний пуск и маневр, до давления, необходимого для выполнения числа пусков и маневров, указанных в 10.16.3 и 10.16.4.
На скоростных судах допускается установка одного автономного компрессора с приводом от вспомогательного дизеля, имеющего электростартерный и ручной пуск, или установка одного навесного компрессора, если предусмотрена возможность заполнения воздухохранителей береговыми средствами.
10.16.10 На судах с нереверсивными главными двигателями заполнение воздухохранителей может производиться автономным компрессором. В качестве второго пускового средства могут быть использованы сжатый газ от газоотборочного устройства, электростартерный пуск или другие пусковые средства.
Подача компрессора или газоотборочных устройств должна удовлетворять требованиям 10.16.9.
Расположение трубопроводов
10.16.11 Трубопроводы, предназначенные для заполнения воздухохранителей, должны быть полностью отделены от пусковых трубопроводов.
10.16.12 Каждый из пусковых воздухохранителей, указанных в 10.16.2 - 10.16.5, должен иметь возможность заполнения от каждого основного компрессора, предусмотренного в 10.16.9 - 10.16.10.
Об условиях перепуска воздуха см. 10.16.7.
10.16.13 На трубопроводе после каждого компрессора должны устанавливаться невозвратно-запорные клапаны.
На трубопроводе, подающем воздух к каждому двигателю, перед его пусковым клапаном должен быть установлен обратный (невозвратный) клапан.
Если в конструкции двигателя предусматриваются устройства, предотвращающие распространение взрыва, установка обратного (невозвратного) клапана необязательна (см. 2.11.1).
10.16.14 Трубопроводы по возможности должны прокладываться по прямой (без гибов) с небольшим уклоном для спуска воды. Трубопроводы не должны иметь уклон в направлении главного пускового клапана двигателя.
10.16.15 Температура воздуха или сжатых газов, поступающих в воздухохранители, не должна превышать 90 °С. В необходимых случаях должны быть предусмотрены соответствующие охладители.
Трубопроводы сжатого газа от газоотборных устройств не должны прокладываться под настилом машинных помещений.
10.16.16 На трубопроводах между компрессорами и воздухохранителями должны быть предусмотрены устройства для удаления воды и масла, если такие устройства отсутствуют на самих компрессорах.
Насосы
10.17.1 Каждый автономный котел класса I или группа объединенных в работе котлов должны иметь не менее двух питательных насосов с автономным приводом.
Для питания автономных котлов класса II достаточно установить один питательный насос и инжектор.
Для питания утилизационных котлов, конструкция которых позволяет им находиться без воды при обогреве выхлопными газами, достаточно предусматривать один питательный насос на котел или группу таких котлов.
Для котлов с ручным регулированием питания подача каждого насоса должна быть не менее 1,5 расчетной паропроизводительности котлов, а для котлов с автоматическим регулированием - не менее 1,15 их расчетной паропроизводительности.
При числе питательных насосов более двух подача их должна выбираться из условия, чтобы при выходе из строя любого насоса суммарная подача оставшихся насосов была бы не менее указанной выше подачи одного насоса.
Подача каждого питательного насоса прямоточного котла должна быть не менее его расчетной паропроизводительности.
10.17.2 Питательные насосы с паровым приводом должны иметь отдельный трубопровод свежего пара, к которому должен подводиться пар от всех обслуживаемых ими котлов.
10.17.3 Автономные котлы класса I с принудительной циркуляцией должны обслуживаться не менее чем двумя циркуляционными насосами, один из которых является резервным.
Рекомендуется предусматривать автоматическое включение резервного насоса.
Расположение трубопроводов
10.17.4 При открытой системе питания питательные насосы и инжекторы должны иметь возможность приема воды из теплого ящика, из-за борта и из запасных цистерн питательной воды.
10.17.5 Система питания каждого автономного котла класса I должна быть выполнена таким образом, чтобы обеспечивалась возможность питания котла или группы котлов каждым из питательных насосов через два независимых друг от друга питательных трубопровода - главный и вспомогательный.
Для автономных котлов класса II достаточно иметь один трубопровод питательной воды.
10.17.6 Должны быть приняты конструктивные меры, исключающие попадание масла и нефтепродуктов в систему питательной воды.
10.18.1 При двух и более котлах, соединенных между собой, на паропроводе каждого котла до соединения с общей магистралью должны быть установлены обратные клапаны. Эти клапаны могут не предусматриваться, если стопорные клапаны, установленные на котлах, невозвратно-запорного типа.
10.18.2 Клапаны нижнего и верхнего продувания двух и более котлов могут иметь общий отводящий трубопровод при условии установки на трубопроводе продувания каждого котла до соединения с общим трубопроводом обратного клапана. В системе продувания котлов должны предусматриваться устройства, исключающие возможность нарушения циркуляции при продувании котлов.
10.18.3 Устройства и оборудование, связанные с паропроводами, должны быть разгружены от напряжений, вызываемых тепловым расширением трубопровода, путем самокомпенсации благодаря специальному изгибу трубопровода или установки в нужных местах компенсаторов.
10.18.4 На паропроводах, подводящих пар к оборудованию и устройствам, рассчитанным на давление меньше котельного, должны быть установлены редукционные клапаны, а также выполнены требования 10.2.17.
10.18.5 На ответвлениях паропроводов, предназначенных для пропаривания и паротушения топливных цистерн и цистерн для жидкого груза, должны устанавливаться обратные (невозвратные) клапаны, а на магистрали этих ответвлений - запорный клапан, расположенный в легкодоступном месте за пределами цистерн.
10.18.6 Паропроводы в машинных и котельных помещениях должны прокладываться по возможности в верхних частях этих помещений, в местах, доступных для наблюдения и обслуживания.
Прокладка паропроводов под настилом машинных и котельных помещений, за исключением трубопроводов обогрева и продувания котлов, не допускается.
Паропроводы не должны прокладываться вблизи топливных цистерн.
10.18.7 На паропроводах свежего пара следует предусматривать устройства для отвода конденсата с целью предохранения оборудования от гидравлических ударов.
10.18.8 Открытые концы труб продувания паропроводов должны выводиться ниже настила машинного помещения (см. также 10.5.2).
11.1.1 Плиты камбузов могут быть электрические, газовые, а также работающие на жидком или твердом топливе, за исключением случаев, предусмотренных 11.3.3. Температура вспышки паров жидкого топлива для камбузов должна быть не ниже 60 °С.
На камбузных плитах, работающих на жидком или твердом топливе, должны быть металлический кожух с футеровкой из огнеупорного кирпича и устройства для удаления сажи.
11.1.2 Под форсунками плит, работающих на жидком топливе, должны быть установлены поддоны для сбора утечек топлива с высотой ограждающих буртиков не менее 75 мм, выступающие за габаритные размеры форсунки не менее чем на 100 мм.
11.1.3 Расходные топливные цистерны нельзя устанавливать в помещении камбуза. По согласованию с Речным Регистром может быть допущена установка в помещении камбуза расходной топливной цистерны в наиболее удаленном месте от плиты и дверей, но не ближе 1 м от них.
Размещение цистерны с топливом над плитой не допускается. Вместимость расходной топливной цистерны, устанавливаемой в помещении камбуза, должна быть рассчитана на суточное потребление топлива, но не более 0,05 м3.
Управление запорным клапаном на расходном трубопроводе должно быть дистанционным из всегда доступного места вне камбуза.
Оборудование цистерны и топливного трубопровода должно быть выполнено в соответствии с разд. 10.
11.1.4 Дымовые трубы камбузных плит, проходящие внутри помещений судна, должны быть покрыты тепловой изоляцией из негорючего материала такой толщины, чтобы наружная поверхность изоляции не нагревалась до температуры выше 60 °С.
11.1.5 Камбузные плиты судов, эксплуатирующихся в бассейнах разрядов «О» и «М», должны быть оборудованы штормовым ограждением. На рабочей стороне плит должны быть предусмотрены поручни высотой 0,8 - 1,2 м.
11.2.1 На судах допускается использовать сжиженный горючий газ, соответствующий требованиям стандартов.
11.2.2 Сжиженный газ допускается использовать в судовых бытовых установках, предназначенных для приготовления пищи, а также для водоподогревателей, потребляющих не более 1,5 кг сжиженного газа в час. Применение сжиженного газа в иных целях должно быть специально согласовано с Речным Регистром.
11.2.3 Бытовые установки сжиженного газа допускается устанавливать на всех судах внутреннего плавания, за исключением судов с бензиновыми двигателями, предназначенных для перевозки пассажиров.
Применение установок сжиженного газа на нефтеналивных судах в каждом случае является предметом специального рассмотрения Речным Регистром.
11.2.4 На судне может быть установлено несколько отдельных установок сжиженного газа.
Газовые приборы в помещениях, разделенных грузовой зоной, обслуживать одной установкой не допускается.
11.2.5 Отверстия в палубе, расположенные на расстоянии до 3 м от дверей или других типов закрытий помещений или пространств, в которых установлены элементы бытовых установок сжиженного газа, должны иметь комингсы высотой не менее 100 мм.
Сосуды сжиженного газа
11.2.6 К установке на судно допускаются только стандартные сосуды с массой наполнения до 35 кг.
По особому согласованию с Речным Регистром допускается применение сосудов с большей массой наполнения.
11.2.7 На устанавливаемых на судно сосудах должно быть клеймо об их исправном техническом состоянии и следующие надписи:
1. дата последнего гидравлического испытания;
2. пробное давление;
3. организация-изготовитель или имя владельца;
4. род наполняемого газа.
11.2.8 Заполнение сосудов сжиженным газом на борту судна не допускается.
Распределительный пост
11.2.9 Распределительный пост должен быть размещен на открытой палубе в специальном шкафу или в выгородке металлической надстройки или рубки. При расположении его на палубе он не должен препятствовать свободному перемещению членов экипажа по судну.
11.2.10 Конструкция распределительного поста должна удовлетворять требованиям 9.7.1 ч. I и, кроме того, следующим требованиям:
.1 должна быть обеспечена эффективная естественная вентиляция через отверстия или щели в верхней и нижней частях шкафа или выгородки. В дополнение к естественной вентиляции допускается искусственная вентиляция, при этом вентиляторы должны быть взрывозащищенного исполнения и исключать возможность искрообразования;
.2 в необходимых случаях должны быть предусмотрены конструктивные меры для того, чтобы температура внутри помещения не превышала 50 °С;
.3 не допускается предусматривать искусственное освещение; лишь в исключительных случаях, когда освещение необходимо, оно должно быть электрическим - с помощью светильников одобренного типа во взрывозащищенном исполнении, при этом выключатель следует устанавливать с внешней стороны поста;
.4 на случай утечки газ должен легко удаляться за пределы поста, без опасения возможности проникновения его во внутренние помещения судна;
.5 на дверях должна быть надпись или условное обозначение, предупреждающие об опасности взрыва и запрещающие применение открытого огня, а также курения.
11.2.11 В одном распределительном посту допускается устанавливать:
.1 сосуд, подключаемый к сети; при этом для присоединения редукционного клапана, находящегося на головке сосуда, к трубопроводу сжиженного газа необходимо применять резинотканевый рукав длиной не более 1 м с металлическими хомутами, обеспечивающими герметичность и надежность крепления. Рукав должен быть стойким к действию на него рабочей среды и рассчитан на рабочее давление не менее 0,6 МПа;
.2 группу сосудов, один из которых подключается к сети, а другие являются резервными; при этом допускается подключать два сосуда к коллектору распределительной сети; между каждым сосудом и коллектором следует устанавливать запорный клапан или кран, но в посту должна быть надпись, запрещающая одновременное использование обоих сосудов.
В распределительном посту нельзя размещать посторонние предметы и оборудование, не имеющие к нему отношение.
11.2.12 Сосуды сжиженного газа следует устанавливать вертикально, клапанами вверх, в специальных гнездах из материалов, исключающих искрообразование, и надежно крепить к стенкам поста быстроразъемными приспособлениями.
Хранение запасных и незаполненных сосудов
11.2.13 В распределительном посту должны находиться только сосуды, указанные в 11.2.11.
11.2.14 Запасные и порожние сосуды, находящиеся вне распределительного поста, следует хранить вне жилых помещений в стальном шкафу или в закрытых выгородках, удовлетворяющих требованиям 11.2.9 - 11.2.12.
11.2.15 Все сосуды, не подключенные к сети, должны быть закрыты, даже если предполагается, что они не заполнены сжиженным газом.
Потребители газа и помещения для их установки
11.2.16 Все потребители газа, устанавливаемые на судно, должны быть одобренного компетентными органами типа.
11.2.17 Потребители газа должны быть оборудованы автоматическим устройством прекращения подачи газа на случай, если пламя горелки погасло. В водоподогревателях это устройство должно иметь контрольное пламя.
Водоподогреватели должны быть оборудованы дымоходами для отвода продуктов сгорания за пределы помещения.
Установка газовых плит без автоматических устройств прекращения подвода газа допускается только в том случае, если предполагается их эксплуатация в присутствии персонала.
11.2.18 Помещения для установки потребителей газа должны быть оборудованы согласно 11.1, а также должны удовлетворять следующим требованиям:
.1 не должны быть размещены ниже главной палубы и должны быть оборудованы эффективной вентиляцией для удаления продуктов сгорания и обмена воздуха;
.2 должны иметь выход на открытую палубу и открывающийся иллюминатор (окно). Допускается не предусматривать в камбузе открывающийся иллюминатор (окно), если есть выход из камбуза в нежилое помещение (коридор) с открывающимися иллюминаторами или дверью, ведущей на открытую палубу;
.3 в нижней части помещения водоподогревателей должна быть предусмотрена вентиляционная решетка с площадью поперечного сечения не менее 0,02 м2 на каждый водоподогреватель;
.4 переборки и палубы должны быть непроницаемыми, комингсы дверных вырезов должны быть высотой не менее 150 мм. Установка трапов и лифтов из помещений для установки потребителей газа в нижерасположенные помещения не допускается;
.5 высота помещения должна быть не менее 2,2 м. При установке легкоснимаемого короба вытяжной вентиляции, выходящего за габаритные размеры плиты, высота помещений может быть уменьшена до 1,9 м;
.6 объем помещений следует определить из расчета 4 м3 на каждую конфорку газовой плиты, 7,5 м3 - на водоподогреватель.
При установке легкоснимаемого короба вытяжной вентиляции над плитой допускается уменьшать объем помещения с плитой на 2 конфорки до 6 м3, на 3 конфорки - до 10 м3, на 4 конфорки - до 12 м3.
11.2.19 Все газовые приборы, в конструкции которых предусмотрен отвод продуктов сгорания за пределы помещений, должны быть оборудованы отдельными дымоходами, отвечающими следующим требованиям:
.1 дымоходы должны иметь уклон горизонтального участка в сторону газового прибора не менее 0,01;
.2 суммарная длина горизонтальных участков дымоходов должна быть не более 3 м;
.3 дымоходы должны иметь не более трех изгибов, радиус закругления которых должен быть не менее диаметра трубы;
.4 вывод дымовых труб должен обеспечивать хорошую тягу в дымоходе;
.5 соединение отдельных звеньев труб должно быть плотным, без зазора;
.6 прокладка дымохода должна соответствовать требованиям 11.3.8 настоящего раздела Правил.
11.2.20 Расстояние от газовых приборов до переборок должно быть не менее 75 мм.
Трубопроводы сжиженного газа и их арматура
11.2.21 Трубопроводы сжиженного газа должны быть изготовлены из бесшовных стальных или медных труб с внутренним диаметром не менее 6 мм.
11.2.22 Толщина стенок трубопроводов должна соответствовать требованиям графы 2 или 9 табл. 10.2.13.
11.2.23 Соединения трубопроводов должны быть сварными. Резьбовые или фланцевые соединения допускаются только в местах присоединения контрольно-измерительных приборов, потребителей газа и арматуры.
11.2.24 У выхода из распределительного поста на трубопроводе должен быть установлен запорный кран или клапан, управляемый извне помещения. Если такое исполнение невозможно, то с наружной стороны поста на выходном участке трубы должен устанавливаться второй запорный кран или клапан.
11.2.25 Трубопроводы от распределительного поста до мест потребления газа должны быть проложены по открытой палубе и защищены от возможных механических повреждений.
Не допускается прокладка трубопроводов сжиженного газа через жилые, хозяйственные и машинные помещения.
11.2.26 Если на судне предусматривается установка нескольких потребителей газа, каждое ответвление от общего трубопровода к потребителю должно быть оборудовано запорной арматурой.
11.2.27 Редукционные клапаны, устанавливаемые в системе, должны обеспечивать избыточное давление газа, подводимого к потребителям, не более 5 кПа.
11.2.28 Краны на трубопроводе должны быть расположены в легкодоступных местах. На пробке крана должен быть ограничитель, допускающий поворот ее на 90°, и указатель положения «Открыто» - «Закрыто».
11.2.29 Вся арматура должна быть изготовлена из бронзы, латуни или другого коррозионно-стойкого материала.
11.2.30 Газопровод следует устанавливать на расстоянии не менее 500 мм от распределительных устройств, предохранителей, рубильников и другой коммутационной и защитной аппаратуры.
Расстояние от труб газопровода до переборок и палуб должно быть не менее 50 мм. В местах пересечения с другими трубопроводами трубы газопровода не должны соприкасаться с ними.
Испытание установки сжиженного газа
11.2.31 Трубопроводы сжиженного газа от сосудов до редукционных клапанов должны быть испытаны: в цехе - гидравлическим давлением 2,5 МПа; на судне - воздухом давлением 1,9 МПа.
Трубопроводы сжиженного газа от редукционных клапанов до потребителей газа следует испытывать на судне после монтажа на плотность воздухом с избыточным давлением 0,2 МПа.
11.2.32 Вся установка сжиженного газа после монтажа ее на судне должна быть проверена на плотность при нормальном рабочем давлении в системе. Проверять соединения на плотность следует путем нанесения на них мыльного раствора, утечка газа не допускается.
11.2.33 Должна быть проверена нормальная работа потребителей газа после включения автоматического устройства прекращения подачи газа к потребителю.
11.3.1 Конструкция и размещение всех грелок не должны быть причиной возникновения пожара. Температура на поверхности грелки не должна превышать 60 °С, в противном случае грелки следует защищать кожухами, при этом температура на поверхности кожуха не должна превышать 60 °С.
11.3.2 Электрическое отопление должно отвечать требованиям разд. 9 ч. IV ПСВП.
11.3.3 Печное отопление допускается на несамоходных и стоечных судах, за исключением пассажирских и нефтеналивных.
Не допускается также установка печей, работающих на твердом топливе, в помещениях, где есть цистерны с топливом или установки, работающие на жидком топливе.
По согласованию с Речным Регистром в обоснованных случаях может быть допущено печное отопление судовых помещений на нефтеналивных баржах.
Кирпичные печи должны быть защищены кожухом из кровельной стали.
11.3.4 Для отопления допускается использовать жидкое топливо с температурой вспышки паров не ниже 60 °С.
Печи, работающие на жидком топливе, должны быть снабжены дозаторами, обеспечивающими надежную работу печи в любых эксплуатационных условиях судна, а также сборниками стекающего топлива.
11.3.5 При установке и размещении отопительных приборов и печей должны быть выполнены следующие требования:
.1 расстояние от ребер грелок водяного отопления до горючих конструкций должно быть не менее 25 мм;
.2 грелки парового отопления и электрические отопительные приборы следует устанавливать на расстоянии не менее 50 мм от бортов и переборок. Участки борта или переборки, обшитые деревом, фанерой или другим горючим материалом и расположенные против нагревательных элементов, должны быть защищены тепловой изоляцией из негорючего материала. При отсутствии тепловой защиты нагревательные элементы должны отстоять от горючей зашивки не менее чем на 150 мм.
В направлении наибольшей интенсивности теплового излучения электрические отопительные приборы должны отстоять от горючих конструкций не менее чем на 1 м;
.3 печи для отопления должны отстоять от горючих конструкций не менее чем на 500 мм, при наличии на них тепловой изоляции из негорючего материала это расстояние должно быть не менее 250 мм. Оно может быть уменьшено в том случае, если между горючей конструкцией и ее тепловой изоляцией возможна свободная циркуляция воздуха.
Минимальное расстояние не регламентируется в том случае, если участки конструкций, примыкающие к печам, изготовлены полностью из негорючих материалов.
Расстояние от топочной дверки до переборки из горючего материала должно быть не менее 1,25 м. Если переборка выполнена из негорючего материала или изолирована кровельной сталью по слою асбеста толщиной 5 мм, это расстояние может быть уменьшено до 1 м. Перед топочными и поддувальными дверками печей должны быть предусмотрены листы из стали.
Печи должны быть надежно закреплены для предотвращения смещения их при качке судна.
11.3.6 Котлы для подогрева воды или выработки пара, а также их форсунки должны быть одобренной конструкции и отвечать требованиям разд. 8 настоящей части Правил.
11.3.7 В местах прохода трубопроводов парового отопления через деревянные переборки или переборки, облицованные горючим материалом, должны быть предусмотрены противопожарные разделки не менее 50 мм на сторону, облицованные кровельной сталью по слою негорючего материала толщиной не менее 2 мм.
Для труб водяного отопления разделка должна быть не менее 25 мм на сторону, при этом негорючая изоляция не требуется.
11.3.8 Дымовые трубы печей должны быть выше самой высокой надстройки на 0,5 м. На нефтеналивных судах отверстия дымовых труб должны отстоять на расстояние не менее 2 м от пределов грузовой зоны.
Места прохода дымовых труб через переборки и палубы должны быть изолированы таким образом, чтобы температура в месте соприкосновения их с переборкой или палубой не превышала 60 °С.
Расстояние от дымовой трубы или дымохода до горючей конструкции должно быть не менее 350 мм.
Трубы должны быть стальными с кожухами, образующими вентиляционную полость, или изолированы теплоизоляционным материалом.
Дымовые трубы должны быть надежно закреплены и снабжены искроуловителями.
11.3.9 Кирпичные печи должны отвечать следующим требованиям:
.1 толщина внешних кирпичных стенок огневых камер, дымоходов должна быть не менее 130 мм;
.2 толщина кирпичной кладки верхнего перекрытия должна быть не менее 200 мм;
.3 подтопок печи должен быть отделен от палубных настилов из горючих материалов кирпичной кладкой толщиной не менее 250 мм;
.4 печи должны быть защищены стальными кожухами.
Устанавливать в судовых помещениях металлические печи для отопления без кирпичной футеровки или без водяной рубашки запрещается.
12.1.1 Настоящий раздел Правил распространяется на системы и устройства автоматизации, применяемые на судах всех типов и назначений.
12.1.2 Требования настоящего раздела Правил должны выполняться, если предусматривается эксплуатация судов без вахты в машинных помещениях, либо с вахтой в центральном посту управления (ЦПУ) при периодическом техническом обслуживании судовой техники.
12.1.3 Энергетическое, электрическое и электронное оборудование, а также конструктивные элементы систем автоматизации и сами двигатели, компрессоры, насосы, механизмы, оборудованные этими системами, кроме соответствия требованиям настоящего раздела, должны отвечать требованиям настоящей части Правил, ч. III и ч. IV ПСВП.
12.1.4 В настоящем разделе приняты следующие определения.
.1 Исполнительная сигнализация - самостоятельный узел или часть системы автоматизации, предназначенные для оповещения персонала о выполнении системами управления заданных команд, наличии питания и т.п.
.2 Обобщенный сигнал АПС - сигнал от объекта или группы объектов, параметры которых контролируются, но сигналы непосредственно от датчиков контроля не поступают на пульт управления и не расшифровываются. Этот сигнал генерирует система АПС в случае выхода хотя бы одного из контролируемых параметров за пределы регламентированного диапазона значений.
.3 Система аварийно-предупредительной сигнализации (система АПС) - система, обеспечивающая подачу световых и звуковых сигналов при достижении контролируемыми параметрами установленных предельных значений и изменении нормальных режимов работы элементов энергетической установки.
.4 Система автоматизации - совокупность элементов, устройств автоматизации и соединений, предназначенных для выполнения заданных функций в области управления и контроля.
.5 Система дистанционного автоматизированного управления (система ДАУ) - система управления, с помощью которой можно задавать с дистанционного поста желаемый режим работы технического средства однократным воздействием на орган управления (например, рукоятку), выполняющая в дальнейшем автоматически все промежуточные действия.
.6 Система дистанционного управления (система ДУ) - система управления, при использовании которой для выполнения промежуточных действий требуется воздействие оператора на органы управления, расположенные на дистанционном посту.
.7 Система защиты - система, предназначенная для определенного автоматического воздействия на управляемую установку с целью предупреждения аварии или ограничения ее последствий.
.8 Система индикации - система, с помощью которой осуществляется визуальный контроль за правильным функционированием систем питания, управления и контроля, а также выявляются ситуации выхода того или иного параметра, обеспечивающего нормальную эксплуатацию энергетической установки и систем судна, за пределы значений, характерных для безопасной работы.
.9 Элемент автоматизации - электрическое или электронное изделие, входящее в состав устройств и/или систем автоматизации (усилитель, датчик, реле, микросхема, логический элемент и т.д.).
12.2.1 Показатели надежности оборудования автоматизации должны отвечать следующим требованиям:
.1 установленный срок службы между операциями подрегулировки и наладки должен соответствовать наработке не менее 3000 ч, установленный межремонтный ресурс должен быть не менее 15000 ч;
.2 если долговечность средств автоматизации определена наработкой в циклах или операциях, то должно быть доказано, что представленные данные по наработке соответствуют установленному ресурсу в часах.
12.2.2 Электрические, пневматические и гидравлические элементы, оборудование и системы автоматизации должны надежно работать при условиях эксплуатации, указанных в 2.2 ч. IV ПСВП.
12.2.3 Степень защиты электрических и электронных элементов и устройств автоматизации в зависимости от места расположения должна соответствовать ч. IV ПСВП.
12.2.4 Гидравлические и пневматические системы автоматизации должны надежно работать при отклонениях давления питания на ±20 % от номинального значения.
12.2.5 Системы автоматизации должны быть выполнены так, чтобы замена тех или иных элементов и устройств их однотипными аналогами не влияла на работоспособность систем автоматизации и не требовала перерегулировки этих систем.
12.2.6 В системах автоматизации должны быть приняты меры против ложных срабатываний, вызываемых кратковременными изменениями параметров, обусловленными качкой судна, включением и отключением судовой техники.
12.2.7 Системы автоматизации должны быть выполнены по принципу «выход из строя в безопасную сторону».
12.2.8 Должны быть приняты меры для защиты системы автоматизации от помех, создаваемых магнитными и электрическими полями, а также от внезапных импульсов напряжения и тока, которые возникают при эксплуатации различного электрического оборудования на судне.
12.2.9 Системы автоматизации должны обеспечивать возможность автоматического или дистанционного включения объектов судовой техники, остановленных в результате срабатывания защиты, только после ручного возврата защиты в исходное положение с местного поста управления.
12.2.10 Конструкция устройств автоматизации должна быть такой, чтобы она позволяла контролировать их исправность во время работы.
12.2.11 Для каждого автоматически регулируемого параметра должна быть предусмотрена возможность регулирования вручную. Повреждение, отказ системы автоматизированного или дистанционного управления не должны приводить к выходу из строя ручного управления.
12.2.12 Для каждого технического средства с дистанционным управлением должна быть предусмотрена возможность управления с местных постов.
12.2.13 При дистанционном управлении техническими средствами должна быть обеспечена возможность контроля исполнения заданных команд.
12.2.14 Трубопроводы гидравлических и пневматических систем управления должны соответствовать требованиям 10.2, в том числе по оборудованию их устройствами защиты.
Защита электрических систем управления должна соответствовать требованиям ч. IV ПСВП.
12.2.15 Все системы и устройства автоматизации, устанавливаемые в машинных помещениях, должны быть приспособлены к работе в условиях безвахтенного обслуживания, по крайней мере в течение периода, когда в машинном отделении нет обслуживающего персонала. Допускается выполнение отдельных кратковременных операций по техническому обслуживанию систем и устройств автоматизации, если эти операции предусмотрены соответствующими инструкциями и если они будут выполняться с определенной периодичностью, но не чаще одного раза за 12 ч.
12.3.1 Питание системы автоматизированного управления резервным элементом энергетической установки должно быть, по возможности, независимым от питания системы автоматизированного управления соответствующего основного элемента энергетической установки.
12.3.2 Включение и отключение питания цепей АПС и защиты должно обеспечиваться автоматически при включениях и отключениях питания системы управления рассматриваемого элемента энергетической установки.
12.3.3 Для питания гидравлических и пневматических систем автоматизации должны предусматриваться два источника. Резервный источник должен автоматически включаться при падении давления питания.
Снабжение систем автоматизации воздухом от системы пускового воздуха допускается, если обеспечивается автоматическое заполнение воздухохранителей.
12.3.4 При необходимости осушки или очистки воздуха для питания пневматических систем автоматизации должны быть предусмотрены два устройства. Допускается предусматривать только одно устройство, если замена фильтрующих элементов возможна без прекращения работы.
12.3.5 Электрические системы автоматизации, получающие питание от аккумуляторов, должны надежно работать при отклонениях напряжения питания +20 ... -25 % от номинального значения. Для аккумуляторных батарей, работающих параллельно с зарядным устройством на нагрузку, отклонение напряжения питания от номинального значения не должно превышать +30 ... -25 %.
12.4.1 Каждая из систем (управления, АПС, защиты, индикации) должна быть независимой и выполнять не более одной из соответствующих функций. Неисправности и повреждения какой-либо из этих систем не должны оказывать влияния на работу остальных систем. Допускается возможность частичного соединения систем управления, АПС и защиты, в том числе использование единых датчиков для систем АПС и защиты, если при этом обеспечивается высокая надежность действия этих систем.
12.4.2 Система АПС должна одновременно подавать звуковые и световые сигналы.
Звуковой сигнал может быть общим для всех систем АПС и должен быть отключаемым при условии сохранения его готовности к работе сразу после отключения для вновь поступающих сигналов о неисправностях.
Световые сигналы должны указывать причину срабатывания системы АПС и подаваться посредством включения хорошо различимых индикаторов, соответствующих данной ситуации или неисправности. При включении индикатора в случае неисправности он должен генерировать мигающий световой сигнал. После квитирования мигающий световой сигнал должен быть преобразован в сигнал с постоянной световой интенсивностью и должен автоматически отключаться только в случае устранения неисправности или отключения неисправного технического средства, устройства, системы или части системы АПС.
12.4.3 Световые сигналы должны соответствовать табл. 6.1.16 ч. IV ПСВП.
12.4.4 Звуковой сигнал системы АПС должен отличаться от других звуковых сигналов.
12.4.5 Должна быть обеспечена возможность проверки системы АПС без изменения режима работы объектов судовой техники.
12.4.6 Срабатывание систем защиты должно сопровождаться световым и звуковым сигналами.
12.4.7 Системы защиты отдельных элементов энергетических установок должны быть независимыми друг от друга.
12.5.1 По объему требований к автоматизации суда подразделяются на три группы:
I группа - суда с главными двигателями суммарной мощностью 1500 кВт и более;
II группа - суда с главными двигателями суммарной мощностью более 400, но менее 1500 кВт;
III группа - суда с главными двигателями суммарной мощностью 400 кВт и менее, а также суда с динамическими принципами поддержания (на подводных крыльях, на воздушной подушке и др.).
12.5.2 Объем систем АПС и защиты для каждой группы судов должен соответствовать табл. 12.5.2.
12.5.3 При наличии ЦПУ с постоянной вахтой расшифровка сигналов АПС согласно табл. 12.5.2 должна обеспечиваться в ЦПУ. В рулевой рубке следует предусматривать дублирование расшифрованных сигналов 1.1, 1.13 табл. 12.5.2. На местных постах управления расшифровка сигналов АПС по каждому контролируемому параметру главных двигателей, дизель-генераторов, котлов, сепараторов, насосов, компрессоров, систем не требуется, но должна быть осуществлена расшифровка тех сигналов АПС, которые не выводятся в ЦПУ. В этом случае процедуры отключения звуковых и световых сигналов согласно 12.4.2 допускается не предусматривать. Допускается расшифровка в машинных помещениях обобщенных сигналов АПС перечисленного в табл. 12.5.2 оборудования и систем.
Таблица 12.5.2
|
Значение контролируемого параметра при срабатывании АПС |
Тип защиты |
АПС и защита для группы судов |
Пояснения |
|||
|
1 |
2 |
3 |
||||
|
1 |
2 |
3 |
4 |
5 |
6 |
7 |
|
1. Главные двигатели, валопроводы, передачи |
||||||
|
1.1. Частота вращения |
Макс. |
Остановка |
Å |
Å |
Å |
|
|
1.2. Давление масла в системе смазывания на входе в двигатель |
Мин. |
Остановка |
Å |
Å |
Å |
|
|
1.3. Температура масла в системе смазывания двигателя |
Макс. |
- |
+ |
+ |
+ |
|
|
1.4. Температура охлаждающей воды во внутреннем контуре на выходе из двигателя |
Макс. |
- |
+ |
+ |
+ |
|
|
1.5. Уровень воды в расширительном баке внутреннего контура охлаждения |
Мин. |
- |
+ |
+ |
- |
|
|
1.6. Давление воды во внутреннем контуре охлаждения |
Мин. |
- |
+ |
- |
- |
Для двигателей с автономными насосами охлаждения |
|
1.7. Уровень масла в циркуляционной цистерне смазочного масла |
Мин. |
- |
+ |
+ |
+ |
Для отдельной сборной цистерны |
|
1.8. Температура выпускных газов перед турбиной |
Макс. |
- |
Р |
- |
- |
|
|
1.9. Давление масла в передаче |
Мин. |
- |
+ |
+ |
- |
|
|
1.10. Температура масла в передаче |
Макс. |
- |
+ |
+ |
- |
|
|
1.11. Температура выносного упорного подшипника валопровода |
Макс. |
- |
+ |
+ |
- |
|
|
1.12. Давление прокачки водой дейдвудного подшипника валопровода |
Мин. |
- |
+ |
+ |
- |
|
|
1.13. Перегрузка двигателя |
Макс. |
- |
+ |
Р |
Р |
|
|
1.14. Питание системы ДАУ двигателя |
Отсутствие |
- |
+ |
+ |
+ |
|
|
2. Первичные двигатели генераторных агрегатов |
||||||
|
2.1. Частота вращения |
Макс. |
Остановка |
Å |
Å |
Å |
|
|
2.2. Давление масла на входе в двигатель |
Мин. |
Остановка |
Å |
Å |
Å |
|
|
2.3. Температура масла в системе смазывания двигателя |
Макс. |
- |
+ |
+ |
- |
|
|
2.4. Температура охлаждающей воды во внутреннем контуре на выходе из двигателя |
Макс. |
- |
+ |
+ |
+ |
|
|
2.5. Уровень воды в расширительном баке внутреннего контура охлаждения |
Мин. |
- |
+ |
+ |
- |
Для бака, установленного отдельно от двигателя |
|
2.6. Давление охлаждающей воды во внутреннем контуре |
Мин. |
- |
+ |
- |
- |
Для двигателей с автономными насосами охлаждения |
|
2.7. Уровень масла в масляной цистерне |
Мин. |
- |
+ |
Р |
- |
Для отдельной сборной цистерны |
|
2.8. Температура газов перед турбиной |
Макс. |
- |
Р |
- |
- |
При мощности дизель-генератора более 400 кВт |
|
3. Топливные системы главных и вспомогательных двигателей |
||||||
|
3.1. Уровень топлива в расходной цистерне |
Мин. Макс. |
- - |
+ + |
+ + |
+ + |
Для цистерн, автоматическое пополнение которых не предусмотрено |
|
3.2. Уровень в цистернах сливного и грязного топлива |
Мин. |
- |
+ |
- |
- |
|
|
3.3. Давление топлива перед ТНВД |
Мин. |
+ |
- |
- |
При использовании топливоподкачивающих насосов с автономным приводом |
|
|
4. Система сжатого воздуха |
||||||
|
4.1. Давление воздуха в пусковых сосудах главных двигателей |
Мин. |
- |
+ |
+ |
- |
|
|
4.2. Температура в системе охлаждения компрессора |
Макс. |
- |
+ |
+ |
- |
Для автономных компрессоров |
|
4.3. Давление масла в системе смазывания компрессора |
Мин. |
Остановка компрессора |
+ |
+ |
+ |
То же |
|
5. Паровые котлы, работающие на жидком топливе |
||||||
|
5.1. Факел |
Погасание |
Отключение |
+ |
+ |
+ |
|
|
5.2. Уровень воды в котле |
Мин. |
Отключение |
+ |
+ |
+ |
|
|
5.3. Подача воздуха в топку |
Прекращение или недостаточный напор |
Отключение |
+ |
+ |
+ |
|
|
5.4. Давление пара |
Макс. |
Отключение |
+ |
+ |
+ |
|
|
6. Водогрейные котлы, работающие на жидком топливе |
||||||
|
6.1. Факел |
Погасание |
Отключение |
+ |
+ |
+ |
|
|
6.2. Давление в котле |
Макс. |
Отключение |
+ |
+ |
+ |
Для котлов, обслуживающих закрытую систему отопления |
|
6.3. Уровень воды в расширительном баке |
Мин. |
Отключение |
+ |
+ |
Для котлов, обслуживающих открытую систему отопления |
|
|
6.4. Подача воздуха в топку |
Прекращение или недостаточная подача |
Отключение |
+ |
+ |
+ |
|
|
7. Система осушения |
||||||
|
7.1. Уровень подсланевых вод в машинных помещениях |
Макс. |
- |
+ |
+ |
+ |
|
|
7.2. Уровень воды в трюмах румпельного отделения, отсеке подруливающего устройства, насосного отделения, пассажирских помещений |
Макс. |
- |
+ |
+ |
+ |
Раздельно по отсекам |
|
8. Система искрогашения |
||||||
|
8.1. Давление воды |
Мин. |
- |
+ |
+ |
+ |
|
|
9. Источники электроэнергии |
||||||
|
9.1. Температура обмотки генератора |
Макс. |
- |
+ |
+ |
- |
Для генераторов мощностью свыше 400 кВт |
|
9.2. Перегрузка генератора |
- |
- |
Р |
- |
- |
|
|
9.3. Короткое замыкание |
Наличие |
+ |
+ |
- |
||
|
Условные обозначения: «+» - сигнал предупредительный; «Å» - сигнал аварийный; «Р» - рекомендуется; «-» - не требуется. |
||||||
12.5.4 При отсутствии ЦПУ расшифрованные обобщенные сигналы АПС элементов энергетической установки и рулевых приводов, перечисленных в табл. 12.5.2, кроме сигналов 7.1, 7.2, 8.1, должны выводиться в рулевую рубку. Расшифровка этих сигналов должна осуществляться в машинном помещении централизованно или у местных постов управления. Расшифровка сигналов АПС главных двигателей, гребной энергетической установки, дизель-генераторов, котлов, компрессоров, сепараторов, насосов, систем сжатого воздуха, противопожарной и осушения по каждому контролируемому параметру должна обеспечиваться в машинном помещении у местных постов управления.
12.5.5 Световые сигналы АПС на посту управления судном должны по возможности обобщаться. Обобщение должно удовлетворять следующим требованиям:
.1 для каждого главного двигателя с его передачей и валопроводом и для каждого вспомогательного двигателя следует предусматривать раздельные предупредительные и аварийные обобщенные сигналы;
.2 для каждой группы вспомогательных элементов энергетической установки одного назначения с их системами может предусматриваться один обобщенный сигнал;
.3 не подлежат обобщению сигналы о потере питания систем управления, пожарной опасности, появление воды в трюмах, неисправности систем противопожарной и искрогашения.
12.5.6 Обобщенная сигнализация от системы АПС на судах I группы должна быть выведена в помещения, где может находиться персонал машинного помещения (столовая, жилые помещения и т.п.), для судов II группы - рекомендуется.
12.5.7 Переключение с местного управления главными элементами энергетической установки на автоматическое или дистанционное или наоборот должно быть возможно только с местных постов с индикацией места управления в рулевой рубке. Должна быть исключена возможность одновременного управления с дистанционного и местного постов.
12.5.8 На судах I группы в машинном помещении должен устанавливаться источник прерывистого света, включающийся в случае прохождения аварийного сигнала системы АПС.
12.6.1 Управление главными двигателями и передачами должно осуществляться из рулевой рубки посредством систем ДАУ, и из машинного помещения.
При ширине судна более 10 м должны быть предусмотрены, кроме основного поста системы ДАУ на пульте управления судном, также бортовые посты системы ДАУ.
Для нереверсивных двигателей с реверс-редукторами допускается применение систем ДАУ, у которых одним органом управления обеспечивается изменение направления и частоты вращения выходного вала реверс-редуктора, а другим - пуск и остановка двигателя.
Для двигателей мощностью 220 кВт и менее допускается применение систем ДУ, для двигателей большей мощности применение систем ДУ является предметом специального рассмотрения Речным Регистром.
12.6.2 Система ДАУ главными двигателями должна обеспечивать:
.1 возможность дистанционного задания одним органом управления требуемых режимов работы;
.2 выполнение последующей заданной команды с отменой предыдущих в случае подачи быстро меняющихся команд;
.3 пуск подготовленного к действию двигателя, изменение режима, остановку, реверсирование и автоматическое выполнение промежуточных операций по заданной программе без перегрузки двигателя и передачи;
.4 бесступенчатое (плавное) изменение частоты вращения на всех режимах работы двигателя;
.5 устойчивую работу двигателя во всем рабочем диапазоне частоты вращения;
.6 прекращение подачи воздуха или отключение электростартера при достижении двигателем режима, обеспечивающего надежный переход к работе на топливе, и при неудавшемся пуске.
12.6.3 Статическая ошибка системы ДАУ не должна превышать +1,5 % номинальной частоты вращения коленчатого вала двигателя или частоты вращения, соответствующей полной мощности.
12.6.4 Любые неисправности или прекращение питания системы ДАУ, а также переключения управления с дистанционного поста на местный и наоборот не должны вызывать остановку, увеличение частоты вращения и изменения направления упора движителей.
12.6.5 Все операции по управлению двигателями должны выполняться с любого дистанционного поста управления в рулевой рубке без каких-либо переключений. Рукоятки управления на дистанционных постах в рулевой рубке должны перемещаться синхронно независимо от того, с какого поста осуществляется управление.
12.6.6 Должна быть предусмотрена возможность отключения дистанционного поста системы ДАУ и перехода на управление с местного поста управления независимо от положения рукоятки дистанционного поста управления, кроме систем ДАУ на судах с дизель-электрической гребной установкой.
Переключение управления с одного поста на другой не должно приводить к изменению режима работы главных двигателей или движителей.
12.6.7 Должны быть предусмотрены устройства для дистанционной экстренной остановки двигателей, независимые от систем управления, АПС и защиты.
12.6.8 В рулевой рубке должны быть предусмотрены устройства для отключения имеющейся на двигателе автоматической защиты, кроме защиты по частоте вращения, и исполнительная сигнализация «Защита отключена».
12.6.9 Регулирование температуры внутреннего контура воды и масла в системах охлаждения и смазывания главных двигателей должно осуществляться автоматически.
12.7.1 Первичные двигатели судовых генераторов должны быть оборудованы системой ДУ или ДАУ из рулевой рубки или ЦПУ.
Должно быть обеспечено автоматическое поддержание первичных двигателей в готовности к немедленному действию.
12.7.2 Время от момента подачи сигнала на пуск до готовности к приему 100 %-ной нагрузки для подготовленного к действию двигателя должно быть не более 30 с.
12.7.3 Должна быть предусмотрена возможность приема нагрузки непрогретым двигателем вспомогательного генераторного агрегата при экстренном пуске с дистанционного поста управления.
12.7.4 Регулирование температуры охлаждающей воды должно осуществляться автоматически.
12.7.5 Системы управления первичными двигателями основных генераторных агрегатов должны обеспечивать следующие виды управления:
.1 дистанционный пуск и остановка дизель-генератора;
.2 автоматический пуск резервного дизель-генератора при выходе из строя работающего основного (на данный момент) дизель-генератора (для судов I и II групп);
.3 дистанционный пуск и автоматическое включение дизель-генераторов на параллельную работу из рулевой рубки или ЦПУ (если судно I или II группы оборудовано ДУ приводами, мощность которых соизмерима с мощностью дизель-генератора);
.4 автоматический пуск резервного дизель-генератора и автоматический ввод на параллельную работу при увеличении нагрузки электростанции до установленного предельного значения (для судов I группы);
.5 дистанционный пуск, остановка, синхронизация, распределение нагрузок из ЦПУ или с ГРЩ, если он находится в помещении ЦПУ (для судов I группы).
12.8.1 Пополнение расходных топливных цистерн двигателей и вспомогательных котлов должно осуществляться автоматически.
12.8.2 В двухтопливных (дизельное - тяжелое топливо) системах питания двигателей судов I группы должно предусматриваться:
.1 дистанционное управление подогревом и прокачкой тяжелого топлива, переключением питания с дизельного на тяжелое топливо и с тяжелого на дизельное топливо;
.2 автоматическое поддержание заданной вязкости (температуры) тяжелого топлива;
.3 автоматическое переключение на дизельное топливо при недопустимом повышении вязкости (падении температуры) тяжелого топлива, а также при потере питания приводов арматуры и насосов двухтопливной системы;
.4 автоматическое поддержание циркуляции топлива через подогреватели после их отключения в течение времени, достаточного для предупреждения перегрева топлива в подогревателях.
12.8.3 В установках для очистки тяжелого топлива должны быть автоматизированы технологические операции процессов пуска, остановки, удаления шлама и отстоя.
12.9.1 На судах I группы следует предусматривать автоматический пуск резервных циркуляционных насосов охлаждения и смазывания двигателей и передач, смазывания и прокачки подшипников валопровода в случае выхода из строя основных насосов.
12.9.2 Для насосов предпусковой прокачки маслом главных двигателей следует предусматривать дистанционный пуск и автоматическую остановку после завершения пуска двигателя.
В случае если подшипники ротора турбокомпрессора не имеют автономной (независимой) системы смазывания, следует предусматривать автоматическое включение насосов предпусковой прокачки маслом в момент прохождения сигнала на останов двигателя и автоматическую остановку их после остановки ротора турбокомпрессора.
12.9.3 Пополнение воздухохранителей пускового воздуха, тифона и для хозяйственных нужд, а также воздуха для питания систем автоматизации должно быть автоматическим.
Для автономных компрессоров необходимо предусматривать также возможность их пуска и остановки из рулевой рубки или ЦПУ.
Должна быть предусмотрена автоматическая продувка сепараторов компрессоров.
12.9.4 Автоматическое включение воздушных компрессоров должно осуществляться при снижении давления в воздухохранителях не более чем на 30 % номинального и выключение - при достижении 97 - 103 % номинального давления.
12.10.1 Система автоматизации паровых котлов, работающих на жидком топливе, должна предусматривать:
.1 автоматическое регулирование давления пара, уровня воды в котле, давления питательной воды, давления топлива перед форсункой;
.2 автоматическое управление насосами котлов;
.3 автоматический пуск резервного питательного насоса по падению давления в контуре питательной воды в системах с поддержанием постоянного давления перед питательным клапаном;
.4 автоматическую блокировку, допускающую подачу топлива в топку котла при соблюдении условий, оговоренных в 8.16.9, а также при достаточной вязкости топлива для нормального распыливания;
.5 автоматическое поддержание температуры топлива в расходной цистерне (для котлов, работающих на тяжелом топливе);
.6 автоматическое поддержание уровня воды в теплом ящике;
.7 блокировку, не допускающую автоматическое включение в работу котла при возникновении неисправностей, для которых табл. 12.5.2 предусматривается защита.
В случае обрыва факела допускается повторное зажигание, если выполняются требования 8.16.9;
.8 автоматическое прекращение подачи топлива при исчезновении питания.
12.10.2 Каждый котел должен иметь не менее двух независимых датчиков уровня воды с разными точками отбора, один из которых должен быть предназначен только для аварийной защиты.
12.10.3 Система автоматизации утилизационных паровых котлов, в которых давление пара регулируется изменением направления потока выпускных газов двигателя через котел, должна предусматривать автоматическое переключение газоперепускного устройства.
При регулировании давления пара отводом в конденсатор необходимо предусматривать автоматическое регулирование перепуска его в конденсатор.
Уровень воды в сепараторе пара должен поддерживаться автоматически.
12.10.4 Система автоматизации водогрейных котлов, работающих на жидком топливе, должна предусматривать:
.1 автоматическое регулирование, гарантирующее бесперебойное снабжение горячей водой потребителей для их работы во всех эксплуатационных режимах;
.2 вентиляцию топочного пространства до подачи топлива с достаточным обменом воздуха;
.3 блокировку, не допускающую автоматическое включение котла в работу при возникновении неисправностей, для которых табл. 12.5.2 предусматривается защита;
.4 автоматическое поддержание уровня воды в расширительном баке (для котлов, обслуживающих открытую систему отопления);
.5 автоматическое поддержание температуры топлива, поступающего к форсунке (для котлов, работающих на тяжелом топливе);
.6 автоматическое прекращение подачи топлива при исчезновении питания.
12.10.5 Система автоматизации утилизационных водогрейных котлов должна предусматривать автоматическое переключение устройства, регулирующее направление потока выпускных газов через котел или непосредственно в атмосферу, в зависимости от температуры в котле.
12.11.1 При наличии дистанционного управления и исполнительной сигнализации открытия и закрытия запорно-разобщительной арматуры балластных трубопроводов, дистанционной индикации или сигнализации уровня воды в балластных отсеках соответствующие органы управления, указатели и сигнализаторы должны устанавливаться у местных постов.
12.11.2 Наливные суда должны быть оборудованы системой дистанционной индикации или сигнализации предельных (95 %) и аварийных (98 %) уровней жидкости в танках с установкой указателей или сигнализаторов в рулевой рубке или на посту управления грузовыми операциями. Обобщенные световой и звуковой сигналы должны быть выведены на открытую палубу.
12.11.3 На судах I группы рекомендуется применение автоматизированной системы осушения машинных помещений путем перекачивания подсланевых вод в специальную цистерну или за борт, если на судне предусмотрена система очистки подсланевых вод от нефтяных фракций до регламентированных ППЗС значений степени очистки.
12.12.1 Органы управления, приборы индикации и сигнализации в рулевой рубке должны быть расположены на пультах, приспособленных для обслуживания одним человеком.
12.12.2 Независимо от наличия ЦПУ из рулевой рубки должно обеспечиваться управление главными двигателями, пожарными насосами, системой искрогашения.
12.12.3 Световая сигнализация должна быть выполнена таким образом, чтобы она не оказывала слепящего действия на судоводителя и была ясно видима в дневное время.
Необходимо предусматривать регулировку яркости свечения ламп исполнительной сигнализации.
12.12.4 Должна быть предусмотрена индикация:
.1 частоты и направления вращения движителей;
.2 давления масла на входе в главные двигатели;
.3 температуры охлаждающей воды внутреннего контура на выходе из главных двигателей;
.4 давления воздуха в пусковых сосудах главных двигателей и в сосуде звукового сигнала;
.5 давления рабочей среды в системах ДАУ главных двигателей, муфт;
.6 напряжения и тока нагрузки генераторов.
При наличии ЦПУ с постоянной вахтой индикацию параметров, указанных в .2, .3 и .6, допускается не предусматривать.
12.12.5 Для нереверсивных главных двигателей и реверсивных главных дизель-редукторных агрегатов необходимо предусматривать индикацию частоты вращения коленчатого вала. При этом для нереверсивных двигателей мощностью до 220 кВт включительно индикацию частоты и направления вращения движителей допускается не предусматривать, однако следует предусмотреть исполнительную сигнализацию реверса.
12.12.6 На судах с валогенераторами должна предусматриваться индикация частоты тока и напряжения.
12.12.7 При наличии бортовых постов ДАУ главных двигателей на указанных бортовых постах должна быть предусмотрена индикация частоты и направления вращения движителей, положения рулей и направления упора подруливающего устройства. С бортовых постов должно обеспечиваться также управление рулевыми приводами и подруливающим устройством.
12.12.8 Световые обобщенные сигналы системы АПС категории «аварийный» должны формироваться по аварийным сигналам АПС (сработала аварийная защита, требуется немедленная остановка технического средства, ввод резерва и т.п.).
Обязательные сигналы системы АПС, выведенные в рулевую рубку, см. 12.5.5.
12.12.9 В рулевой рубке следует предусматривать световую исполнительную сигнализацию:
.1 о работе каждого дизель-генератора;
.2 о сорте подаваемого топлива и готовности к переходу на тяжелое топливо (для судов, оснащенных двухтопливными системами);
.3 о пуске резервных насосов охлаждения и смазывания в соответствии с 12.9.1;
.4 о работе автономных компрессоров;
.5 о работе автономных насосов системы искрогашения;
При наличии ЦПУ с постоянной вахтой световую исполнительную сигнализацию по .2 - .4 допускается не предусматривать.
12.12.10 Независимо от наличия ДАУ или ДУ должна быть предусмотрена возможность остановки главных двигателей из рулевой рубки.
12.13.1 В ЦПУ должны быть предусмотрены органы управления, указатели дистанционной индикации, средства связи, АПС и исполнительная сигнализация для оборудования, устанавливаемого в машинных помещениях.
Допускается не предусматривать в ЦПУ органы управления главными двигателями. Состав предусматриваемых в ЦПУ указателей дистанционной индикации элементов энергетической установки, кроме главных двигателей, определяется в каждом случае в зависимости от назначения судна и типа его энергетической установки.
12.13.2 ГРЩ электростанции рекомендуется располагать в ЦПУ или в непосредственной (зрительной) видимости от него.
Если ГРЩ расположен вне пределов видимости из ЦПУ, в последнем должны устанавливаться сигнальные устройства о положении генераторных автоматов ГРЩ.
12.13.3 Если дистанционное управление главными двигателями из ЦПУ предусматривается при помощи пневматических, гидравлических, электрических связей или их комбинаций, то система ДАУ главными двигателями из рулевой рубки должна быть независимой от системы управления из ЦПУ.
12.13.4 При переводе управления главными двигателями на пост ЦПУ должна срабатывать сигнализация на посту в рулевой рубке, с которого велось управление до этого.
13.1.1 Требования настоящего раздела распространяются на системы пожаротушения и противопожарное оборудование, предназначаемые для противопожарной защиты рассматриваемого судна.
13.1.2 Противопожарное оборудование и системы, кроме удовлетворения требованиям настоящей части, должны удовлетворять применимым требованиям соответствующих частей Правил.
13.1.3 Если на судне предусмотрены дополнительное оборудование и системы пожаротушения сверх указанных настоящим разделом, то они должны отвечать изложенным ниже требованиям в объеме, в каждом случае согласованном с Речным Регистром.
13.1.4 На судах с главными двигателями суммарной мощностью более 220 кВт, а также независимо от мощности двигателей на плавучих мастерских и судах, предназначенных для перевозки, перегрузки и хранения горючих веществ и воспламеняющихся жидкостей, помещения в зависимости от их назначения должны быть оборудованы стационарными системами пожаротушения в соответствии с табл. 13.1.4.
По согласованию с Речным Регистром, кроме и взамен указанных, могут быть применены другие стационарные системы, проверенные на практике.
13.1.5 На судах с экипажем менее трех человек стационарную систему водотушения можно не предусматривать.
13.1.6 Буксиры и толкачи, предназначенные для работы с судами, перевозящими горючие вещества и воспламеняющиеся жидкости, а также автотранспорт с топливом в баках, должны быть оборудованы системами водотушения и пенотушения.
13.1.7 В зависимости от типа и конструктивных особенностей судна судовые помещения должны быть оборудованы системами пожарной сигнализации, указанными в разд. 11.4 ч. IV ПСВП.
13.1.8 На несамоходных судах, эксплуатирующихся без команд, противопожарное оборудование и системы не требуются.
13.1.9 Требования настоящего раздела не распространяются на системы и оборудование пожаротушения, устанавливаемые на специальных пожарных судах.
13.1.10 Если в помещении, защищаемом системой углекислотного или аэрозольного пожаротушения, имеются воздухохранители, вместимость которых по свободному воздуху составляет более 30 % объема этого помещения, количество огнетушащего вещества определяется из необходимости защиты расчетного объема защищаемого помещения и избытка свободного объема сжатого воздуха.
Такое увеличение количества огнетушащего вещества может не предусматриваться, если обеспечен отвод воздуха за пределы защищаемого помещения от предохранительных клапанов и легкоплавких пробок воздухохранителей.
Таблица 13.1.4
|
Системы пожаротушения1 |
||||
|
водотушения |
пенотушения |
углекислотного тушения |
аэрозольного тушения8 |
|
|
1. Посты управления |
О |
- |
- |
- |
|
2. Жилые помещения |
О6 |
- |
- |
- |
|
3. Хозяйственные помещения2: |
||||
|
.1 кладовые для хранения сжатых и сжиженных газов, легковоспламеняющихся жидкостей, материалов и веществ |
О |
+5 |
+ |
+9 |
|
.2 камбузы, буфетные, помещения для кипятильников, киноаппаратные, кладовые для хранения прочих опасных грузов, судовые мастерские |
О |
- |
- |
- |
|
4. Грузовые помещения: |
||||
|
.1 наливные цистерны (танки) для воспламеняющихся жидкостей, грузовые палубы судов для перевозки воспламеняющихся жидкостей в таре или автотранспорта с топливом в баках |
О3 |
О |
- |
- |
|
.2 закрытые помещения для легковоспламеняющихся веществ и материалов |
о |
+ |
+ |
|
|
.3 для перевозки прочих опасных сухих грузов |
о |
- |
- |
- |
|
5. Машинные помещения |
||||
|
.1 для главных, вспомогательных двигателей и аварийных дизель-генераторов и котлов, работающих на жидком топливе, пожарных насосов |
о |
+ |
+ |
+ |
|
.2 для генераторов и аварийных источников энергии, главных и аварийных распределительных щитов, электродвигателей (в том числе гребных) и систем вентиляции этого оборудования |
- |
+7 |
+4 |
+ |
|
.3 для технических средств вспомогательного назначения, не работающих на жидком топливе |
о |
- |
- |
- |
|
6. Помещения, в которых расположены цистерны топлива и масла (основного запаса, расходные, сточные, отстойные), сбора подсланевых вод; коффердамы |
о |
+5 |
+ |
+ |
|
7. Грузовые насосные отделения наливных судов |
о3 |
+ |
+ |
+9 |
|
1 В таблице приняты следующие обозначения: буква «О» - помещения должны быть защищены указанными системами; знак «+» - помещения должны быть защищены одной из указанных систем; знак «-» - защита указанными системами не требуется. 2 Помещения необходимо оборудовать стационарными системами пожаротушения, если вместимость их превышает 3 м3. 3 Водотушение следует применять для охлаждения палуб, переборок и смежных отсеков. 4 Перегружатели и насосные станции, предназначенные для перекачивания пожаробезопасных грузов, необходимо оборудовать указанными системами при суммарной мощности электрических машин более 1500 кВт. 5 При защите указанных помещений вместо стационарной системы пенотушения может быть допущено пенотушение с помощью переносных воздушно-пенных стволов или пеногенераторов. 6 Жилые помещения глиссирующих судов, СПК, СВП по согласованию с Речным Регистром вместо системы водотушения могут быть оборудованы системой пенотушения или переносными воздушно-пенными установками. 7 Следует применять систему тушения пеной кратностью около 1000:1. 8 В обоснованных случаях, может быть допущено устройство местных станций с одним или двумя генераторами и установкой пускового устройства в районе входа в помещение (без оборудования щита управления и сигнализации). 9 В помещениях, предназначенных для хранения или перекачки горючих веществ или воспламеняющихся жидкостей с температурой вспышки паров ниже 60 °С, следует применять генераторы во взрывозащищенном исполнении. |
||||
Общие требования
13.2.1 Конструктивное исполнение противопожарного оборудования и систем, должно быть таким, чтобы во всех случаях эксплуатации была обеспечена их надежность и готовность к немедленному использованию.
13.2.2 При изготовлении систем пожаротушения должны быть выполнены требования, изложенные в разд. 10.
13.2.3 Резервуары для хранения огнетушащего вещества, пневмогидравлические цистерны, сосуды углекислого газа, сжатого воздуха и азота, применяемые в системах пожаротушения, должны удовлетворять требованиям к сосудам под давлением, изложенным в разд. 8.
13.2.4 Должна быть обеспечена герметичность перекрытий, отделяющих охраняемое системой объемного пожаротушения помещение от смежных с ним помещений судна.
13.2.5 Вентиляционные отверстия помещений, защищаемых системами объемного тушения, должны быть оборудованы устройствами для закрытия отверстий снаружи помещений.
13.2.6 Материалы для изготовления систем пожаротушения должны быть негорючими и стойкими к действию огнетушащего вещества.
13.2.7 Конструкция всех систем пожаротушения должна быть приспособленной для периодической проверки их в действии. Для проверки трубопроводов систем углекислотного тушения к распределительному коллектору должен быть подведен сжатый воздух. На трубопроводе сжатого воздуха должен быть установлен невозвратно-запорный клапан.
Для систем аэрозольного пожаротушения должны быть предусмотрены функции контроля исправности пусковых электрических цепей.
13.2.8 Независимо от наличия дистанционного пуска в системе должно быть предусмотрено местное управление непосредственно из станции пожаротушения, а насоса - с места его установки.
Для систем аэрозольного пожаротушения местное управление допускается не предусматривать.
13.2.9 Системы дистанционного пуска (с помощью воздуха, азота, углекислого газа и т.п.) должны иметь два пусковых сосуда, каждый из которых должен обеспечить однократный полный пуск системы пожаротушения.
13.2.10 Управление арматурой дистанционного пуска должно осуществляться маховиками или рычагами, имеющими жесткое соединение со штоками или с валиками.
Трубопроводы и арматура
13.2.11 Трубопроводы систем пожаротушения не допускается прокладывать через хранилища топлива, смазочного масла, охлаждаемые помещения на всех судах и через насосные отделения нефтеналивных судов.
13.2.12 Огнетушащее вещество систем объемного тушения в каждое охраняемое помещение следует вводить по отдельному трубопроводу; запорная арматура должна быть установлена в помещении станции пожаротушения.
Допускается один распределительный трубопровод на группу одноименных небольших по объему помещений (например, фонарную и малярную).
13.2.13 Прокладка трубопроводов систем газотушения через жилые и служебные помещения, за исключением коридоров, может быть допущена только в том случае, если трубопроводы на всем протяжении внутри этих помещений выполнены без разъемных соединений и испытаны на прочность давлением, требуемым для гидравлического испытания коллекторов на станциях пожаротушения.
При прокладке этих трубопроводов через коридоры жилых и служебных помещений могут применяться разъемные соединения. При этом их число должно быть сведено к минимуму.
Станции пожаротушения
13.2.14 Оборудование всех систем пожаротушения, за исключением системы водотушения, следует размещать в помещении станции пожаротушения вне охраняемых помещений.
Если работа этих систем связана с действием пожарного насоса, то на пассажирских судах длиной более 65 м, самоходных сухогрузных и нефтеналивных судах грузоподъемностью более 1500 т пожарный насос, приводной двигатель, а также их органы управления должны быть расположены вне защищаемого помещения.
13.2.15 Станции пенотушения и объемного тушения должны удовлетворять следующим требованиям:
.1 все станции пожаротушения, за исключением станций пожаротушения для машинных помещений, должны быть размещены на открытых палубах или непосредственно под ними с непосредственным выходом на палубы.
Отсутствие у станции пожаротушения для машинных помещений непосредственного выхода на открытую палубу допустимо лишь при наличии устройства дистанционного пуска огнетушащего вещества из рулевой рубки или другого помещения, имеющего непосредственный выход на открытую палубу;
.2 станции следует размещать в герметичных выгородках или шкафах. Конструкция переборок и палуб, отделяющих станцию от защищаемых помещений, должна быть типа А (см. разд. 9 ч. I ПСВП);
.3 в помещении станции должна быть тепловая изоляция из негорючих материалов и отопление, если для нормальной работы станции необходима положительная температура;
.4 для контроля температуры воздуха в помещении станции должен быть установлен термометр, видимый как изнутри станции, так и снаружи через иллюминатор. Температура воздуха в помещении станции не должна превышать 40 °С.
Показания манометров на воздухохранителях должны быть видимы как изнутри станции, так и снаружи через иллюминатор;
.5 освещение станции должно быть естественным и электрическим, причем светильники должны получать питание от основной сети и от аварийного освещения;
.6 станция должна быть постоянно закрыта на замок, имеющий два ключа, один из которых следует хранить в закрытом ящике с остекленной стенкой вблизи замка, а второй - в рулевой рубке;
.7 в помещении станции на видном месте должна быть вывешена схема системы пожаротушения с указанием пусковых устройств и охраняемых помещений, а также краткая инструкция по вводу системы в действие;
.8 на всех клапанах и устройствах станции должны быть отличительные таблички с надписями и указателями: «Открыто», «Закрыто»;
.9 станции должны быть оборудованы автономной вытяжной вентиляцией, обеспечивающей 12 обменов воздуха в час.
13.2.16 В обоснованных случаях для отдельных защищаемых помещений допускается предусматривать местные станции, с числом сосудов не более пяти (не более 125 кг углекислого газа).
Внутри машинного помещения допускается устанавливать сосуды для защиты картеров, глушителей двигателей внутреннего сгорания, дымовых труб и других замкнутых объемов, находящихся внутри машинного помещения.
13.2.17 Станции пожаротушения на нефтеналивных судах должны быть расположены за пределами палубы грузовых наливных отсеков.
13.2.18 В любых условиях эксплуатации судна должен быть исключен самопроизвольный пуск системы; все устройства должны быть защищены от механических повреждений; рукоятки пуска систем пенотушения и объемного тушения должны быть опломбированы администрацией судна.
13.3.1 Системы пожаротушения должны испытываться пробным давлением в соответствии с табл. 13.3.1.
Пожарные насосы
13.4.1 Насосы систем водотушения должны иметь механический привод, а их количество должно соответствовать нормам, приведенным в табл. 13.4.1.
В отдельных случаях допускается привод пожарных насосов от главного двигателя при условии, что конструкция комплекса «двигатель - валопровод - винт» позволяет работать пожарному насосу на стоянке судна и обеспечивает отключение насоса при его движении.
По согласованию с Речным Регистром допускается клиноременная передача от главного двигателя к насосу, обеспечивающая надежную передачу крутящего момента даже в том случае, если один из ремней разорван.
13.4.2 Суммарную подачу основных пожарных насосов следует определять из условия одновременного обеспечения 15 % количества всех установленных на судне пожарных кранов, но не менее трех, а для судов с двигателями суммарной мощностью 220 кВт и менее - не менее двух при подаче струй самыми большими насадками, применяемыми на судне.
Таблица 13.4.1
|
Количество пожарных насосов, шт. |
||
|
основных |
аварийных* |
|
|
1. Пассажирские суда длиной, м: |
||
|
£ 65 |
1 |
- |
|
> 65 - 100 |
1 |
1 |
|
> 100 |
2 |
1 |
|
2. Нефтеналивные суда и суда для перевозки автотранспорта с топливом в баках и воспламеняющимися жидкостями в таре, длиной, м: |
||
|
£ 100 |
1 |
- |
|
> 100 |
1 |
1 |
|
3. Прочие суда |
1 |
- |
|
* Аварийный пожарный насос должен удовлетворять требованиям 13.4.9. |
||
Таблица 13.3.1
|
Пробное гидравлическое давление |
||
|
в цехе |
на судне |
|
|
1. Трубопроводы систем пено- и водотушения (см. также разд. 10) |
- |
В действии |
|
2. Углекислотная система: |
||
|
.1 трубопроводы от сосудов до пусковых клапанов; транзитные трубопроводы, проходящие через помещения (см. 13.2.13) |
- |
1,5р |
|
.2 трубопроводы от пусковых клапанов до сопел |
- |
5 МПа |
|
3. Пневматические трубопроводы |
1,5р |
1р воздухом |
|
4. Сосуды, резервуары, цистерны: |
||
|
. 1 работающие под давлением, в том числе сосуды без клапанов |
1,5р |
1р воздухом |
|
.2 работающие без давления |
Наливом до верха воздушной трубы |
В сборе с системой |
|
.3 сосуды с ввернутыми клапанами |
1р воздухом |
- |
|
5. Арматура |
1,5р, но не менее 0,2 МПа |
- |
|
Примечания. 1. р - наибольшее рабочее давление в системе, для углекислотной системы - расчетное давление в сосуде или резервуаре, МПа. 2. Арматура в сборе должна испытываться на герметичность закрытия давлением не менее 1,25р. Клапаны углекислотных сосудов должны испытываться на плотность наибольшим давлением разрыва предохранительных мембран. 3. Системы на судне следует испытывать в сборе после выполнения всех монтажных работ. 4. Трубопроводы, указанные в 2.1, испытанные в цехе гидравлическим давлением 1,5р, на судне могут испытываться воздухом давлением 1р. |
||
Если на судне предусматриваются системы, потребляющие воду от пожарного насоса, то подача насоса должна быть достаточной для обеспечения работы двух стволов системы водотушения и параллельной работы одной из других систем, потребляющих самое большое количество воды.
13.4.3 Напор в системе должен быть достаточным для обеспечения одновременной работы систем, указанных в 13.4.2; при этом давление у пожарных кранов должно быть не менее 0,25 МПа.
13.4.4 Судовые источники питания должны обеспечивать работу пожарных насосов в любых условиях эксплуатации судна, в том числе на стоянке.
13.4.5 Стационарные пожарные насосы могут быть приспособлены для других судовых нужд, если на судне предусмотрено не менее двух насосов с автономными приводами, один из которых находится в постоянной готовности к немедленному вводу в действие по прямому назначению. Если на судне устанавливается один пожарный насос, допускается его кратковременное использование для других целей (например, для обмыва палубы, клюзов и т.п.).
13.4.6 Насосы и трубопроводы, предназначенные для пожаротушения, нельзя использовать для перекачивания нефтепродуктов, смазочного масла или других воспламеняющихся жидкостей, а также в качестве балластных насосов для цистерн, попеременно заполняемых топливом и балластом.
13.4.7 На напорном трубопроводе до разобщительного клапана должен быть установлен манометр.
Насосы, создающие в пожарном трубопроводе давление выше допустимого, должны быть оборудованы перепускными клапанами для отвода воды из напорного трубопровода в приемный.
Перепускные клапаны должны быть отрегулированы на давление, превышающее рабочее не более чем на 10 %.
13.4.8 Стационарные пожарные насосы и соответствующие им кингстоны должны быть установлены ниже ватерлинии судна порожнем. Если насос установлен выше указанной ватерлинии, должны быть предусмотрены надежные самовсасывающие устройства.
Необходимо предусмотреть возможность приема воды пожарными насосами от двух кингстонов, устанавливаемых на разных бортах судна.
13.4.9 Стационарный аварийный пожарный насос должен удовлетворять следующим требованиям:
.1 насос должен иметь привод от дизельного или электрического двигателя, получающего питание от аварийного дизель-генератора. Если для привода насоса будет установлен дизель, то в помещении аварийного пожарного насоса должна быть предусмотрена расходная топливная цистерна вместимостью, достаточной для работы насоса в течение не менее 3 ч;
.2 насос должен быть подсоединен к системе водотушения судна;
.3 подача насоса должна быть достаточной для одновременной работы двух ручных стволов с наибольшим диаметром насадки, принятым для данного судна, при расчетном давлении. Если насос предполагается использовать также и для других систем водо- или пенотушения, то его подача должна быть соответствующим образом увеличена для обеспечения одновременной работы с одной из этих систем, потребляющих наибольшее количество воды;
.4 насос, источники энергии для его привода и приемные кингстоны должны быть расположены таким образом, чтобы при возникновении пожара в помещении, где расположен основной пожарный насос, они не вышли из строя;
.5 вход в помещение аварийного насоса должен быть независим от входа в помещение основного пожарного насоса. Насос нельзя размещать в нос от переборки форпика;
.6 насос должен удовлетворять требованиям 13.4.7, 13.4.8; при этом вторым кингстоном может быть любой из требуемых 13.4.8, если клинкетная задвижка на приемном трубопроводе от этого кингстона находится в помещении аварийного насоса.
Трубопроводы
13.4.10 Диаметр магистральных трубопроводов системы водотушения и отростков от них должен быть таким, чтобы скорость воды в трубопроводах ни на одном из участков не превышала 4 м/с. Давление в пожарном трубопроводе не должно превышать 1 МПа.
13.4.11 Участки трубопроводов системы водотушения, проходящие через неотапливаемые помещения и на открытых палубах, должны быть оборудованы запорной арматурой для отключения их от трубопроводов, проходящих через отапливаемые помещения, а также приспособлениями для спуска воды.
13.4.12 На приемном и напорном трубопроводах каждого пожарного насоса должны быть установлены запорные клапаны; на приемных трубопроводах допускается установка клинкетов; при двух центробежных насосах и более на напорных трубопроводах каждого из них должны быть установлены невозвратно-запорные клапаны.
13.4.13 Трубопроводы системы водотушения должны быть изготовлены из стальных бесшовных труб с антикоррозийным покрытием с внутренней и внешней сторон.
Арматура должна быть изготовлена из бронзы, латуни, стали или других равноценных им по коррозионной стойкости материалов.
Прокладки соединений должны быть изготовлены из материалов, стойких к воздействию огнетушащего вещества.
13.4.14 На судах длиной 50 м и более на пожарном трубопроводе с линейной магистралью в легкодоступных местах должны быть установлены запорные клапаны не реже чем через 30 м.
Пожарные краны
13.4.15 Каждый пожарный кран должен быть оборудован стандартной соединительной головкой быстросмыкающегося типа. Краны, устанавливаемые на открытых палубах, также должны быть снабжены быстросмыкающейся головкой-заглушкой.
13.4.16 Пожарные краны должны быть расположены на судне таким образом, чтобы была обеспечена одновременная подача двух струй воды в любое место судна.
Пожарные краны следует устанавливать:
.1 на открытых палубах - в районе выхода из надстроек и шахт, а также у грузовых люков;
.2 внутри помещений - в коридорах и вестибюлях, в машинных помещениях.
Пожарные краны следует устанавливать от палуб или настилов на расстоянии не более 1,35 м.
Пожарные краны, установленные во внутренних помещениях, должны быть удалены один от другого не более чем на 20 м.
Наружные пожарные краны должны быть расположены на расстоянии не более 40 м один от другого.
Между двумя соседними запорными клапанами должны быть установлены сдвоенные пожарные краны.
На судах, перевозящих палубные грузы, пожарные краны должны быть защищены от повреждений их грузом и, кроме того, расположены в легкодоступных местах.
13.4.17 В машинных помещениях, в которых установлены двигатели и котлы, работающие на жидком топливе, следует предусматривать не менее двух пожарных кранов, расположенных у противоположных бортов; при этом на судах с главными двигателями суммарной мощностью до 750 кВт допускается использовать кран, установленный непосредственно у пожарного насоса (между насосом и запорным клапаном).
В машинных помещениях судов с главными двигателями суммарной мощностью менее 220 кВт допускается устанавливать один пожарный кран, расположенный у пожарного насоса (между насосом и запорным клапаном).
13.4.18 Буксиры, буксиры-толкачи, ледоколы, спасательные суда и плавучие доки должны быть оборудованы коллекторами с быстросмыкающимися гайками, устанавливаемыми на открытых палубах и предназначенными для подачи воды на другие суда.
13.4.19 Все пожарные краны на судне должны быть окрашены в красный цвет и пронумерованы.
Пожарные рукава и стволы
13.4.20 Пожарные рукава должны удовлетворять следующим требованиям:
.1 длина рукавов для кранов, установленных на открытой палубе, должна быть не менее 10 и не более 20 м, а для кранов, установленных в помещениях судна, - не менее 10 м;
.2 рукава должны быть изготовлены из одобренных Речным Регистром или признанной компетентной организацией материалов.
13.4.21 Количество пожарных рукавов должно быть равно количеству кранов, установленных на судне.
13.4.22 Каждый пожарный рукав в собранном виде с пожарным стволом должен быть размещен рядом с краном, для которого он предназначен.
Рукава следует хранить в отдельных не-запирающихся шкафах или на вьюшках; на шкафах должна быть надпись «ПР» (пожарный рукав).
13.4.23 Стволы должны быть комбинированными, дающими возможность получить как компактную, так и распыленную струи.
13.4.24 Стандартные диаметры насадок следует принимать равными 12, 16 и 19 мм или близкими к этим размерам.
Диаметр насадки ручных стволов на открытых палубах судов грузоподъемностью 1000 т и более, на пассажирских судах длиной 50 м и более, судах технического флота и плавучих доках должен быть не менее 16 мм.
На буксирах и толкачах, имеющих главные двигатели суммарной мощностью менее 900 кВт, допускается применение на открытых палубах ручных пожарных стволов с диаметром насадки 12 мм, если работа системы пенотушения на этих судах обеспечивается пожарным насосом.
Общие указания
13.5.1 В системе пенотушения в качестве огнетушащего вещества может вырабатываться пена кратности:
.1 низкой - около 10:1;
.2 средней - между 50:1 и 150:1;
.3 высокой - около 1000:1. В системе тушения пеной низкой кратности, как правило, должна вырабатываться пена кратностью не более чем 12:1. Если фактическая кратность несколько большая, чем 12:1, количество пенообразователя рассчитывается, как для системы с кратностью 12:1. Если фактическая кратность несколько меньшая, чем 12:1, количество пенообразователя должно быть пропорционально увеличено.
13.5.2 Должны применяться пенообразователи одобренного Речным Регистром типа.
13.5.3 Производительность системы пенотушения и количество пенообразователя должны рассчитываться в зависимости от кратности пенообразования, интенсивности подачи раствора и продолжительности работы системы, указанных в табл. 13.5.3.
13.5.4 Цистерны для пенообразователя должны быть оборудованы устройствами для наполнения и спуска жидкости, устройством для контроля за уровнем жидкости и горловинами для осмотра и очистки. Вместимость цистерн должна быть достаточной для хранения всего запаса пенообразователя.
Таблица 13.5.3
|
Интенсивность подачи раствора, м3/(ч×м2), при кратности пенообразователя |
Расчетное время непрерывной работы, мин. |
|||
|
10:1 |
100:1 |
1000:1 |
||
|
Грузовые цистерны (танки) для воспламеняющихся жидкостей с температурой вспышки паров 60 °С и ниже и палубы этих цистерн (танков) |
(0,36; 0,036; 0,18)1 |
0,363 |
- |
302 |
|
Грузовые цистерны (танки) для воспламеняющихся жидкостей с температурой вспышки паров выше 60 °С и топливные цистерны |
0,363 |
0,273 |
- |
20 |
|
Трюмы для сухих опасных грузов |
- |
0,243 |
- |
45 |
|
Машинные и другие помещения, оборудование которых работает на жидком топливе |
|
0,273 - |
- 0,06 |
20 Продолжительность работы должна быть достаточной для обеспечения пятикратного заполнения объема защищаемого помещения |
|
Кладовые для хранения воспламеняющихся жидкостей, материалов и веществ, сжиженных и сжатых газов |
- |
0,273 |
- |
20 |
|
1 Интенсивность подачи раствора выбирается такой, при которой обеспечивается наибольшая производительность системы, и должна быть не менее следующих значений: 0,36 м3/ч на 1 м2 площади горизонтального сечения цистерны (танка), имеющей наибольшую площадь; 0,036 м3/ч на 1 м2 площади палубы грузовых цистерн (танков), определяемой как произведение максимальной ширины судна на длину палубы, занимаемой цистернами (танками); 0,18 м3/ч на 1 м2 площади, защищаемой лафетным стволом наибольшей производительности и полностью расположенной в нос от него, однако не менее 75 м3/ч. 2 На нефтеналивных судах, оборудованных системой инертного газа, расчетное время работы системы должно быть не менее 20 мин. 3 За расчетную следует принимать площадь горизонтального сечения наибольшего защищаемого помещения. |
||||
Если при работе системы в цистернах не должно создаваться избыточное давление, то между цистернами и магистральным трубопроводом следует предусматривать обратные (невозвратные) клапаны.
Если на судах, предназначенных для эксплуатации с выходом в бассейны с соленой водой, в системе тушения высокократной пеной применен пенообразователь, работающий на пресной воде, то на станции пенотушения в цистерне должен быть предусмотрен ее запас не менее чем для однократного заполнения пеной защищаемого помещения. Остальная вода может подаваться из судовых запасов.
13.5.5 В станции пенотушения на трубопроводе питания системы водой должен быть установлен манометр.
13.5.6 Если судно оборудовано системой тушения пеной низкой и/или средней кратности, должны быть предусмотрены отростки от трубопровода раствора к месту входов в машинные помещения с верхней палубы, а также к районам приема жидкого топлива на судно. На этих отростках должны быть установлены по два крана для подсоединения к ним пожарных рукавов с воздушно-пенными стволами или пеногенераторами.
13.5.7 Система тушения пеной высокой кратности должна отвечать следующим требованиям:
.1 площадь сечения пеноводов должна быть не менее площади сечения выходных отверстий пеногенераторов. Пеноводы должны быть проложены так, чтобы потери напора в них были минимальными, а расположение выходных отверстий должно быть таким, чтобы ничто не препятствовало свободному поступлению пены в защищаемое помещение;
.2 выходное отверстие пеногенератора или пеновода в месте выхода его за пределы станции должны быть оборудованы закрывающим устройством. Это устройство должно открываться автоматически одновременно с пуском системы. Должны быть предусмотрены ручное управление устройством и указатели положения «открыто» и «закрыто»;
.3 должно быть предусмотрено переключающее устройство для выпуска пены на открытую палубу при испытании системы. Устройство должно быть опломбировано в положении, обеспечивающем поступление пены в защищаемое помещение;
.4 оборудование, обеспечивающее работу пеногенераторов, должно получать питание от основного и аварийного источников энергии.
13.5.8 В помещениях, защищаемых системой тушения пеной высокой кратности, в верхней части стороны, противоположной вводу пены, должны быть предусмотрены отверстия для выхода воздуха, удовлетворяющие требованиям 10.12 ч. II и 13.2.1.2 ч. I ПСВП.
13.5.9 Смесители для получения водного раствора пенообразователя необходимой концентрации, пеногенераторы и воздушно-пенные стволы должны быть одобренного Речным Регистром типа. Расчетный расход пенообразователя через смеситель должен быть достаточным для обеспечения действия одновременно работающих стволов и/или пеногенераторов.
13.5.10 Воздушно-пенный ствол, применяемый в судовых помещениях, должен обеспечивать подачу пены не менее 120 м3/ч.
13.5.11 Переносной генератор воздушно-механической пены средней кратности должен удовлетворять следующим требованиям:
.1 расчетный расход по раствору пенообразователя при давлении перед пеногенератором около 0,6 МПа должен быть не менее 21,6 м3/ч;
.2 дальность полета пенной струи не менее 8 м.
.3 расчетное число пеногенераторов или установок комбинированной пены
N = Q/q, (13.5.11.3)
где Q - производительность системы по раствору, м3/ч;
q - производительность пеногенератора или установки комбинированной пены по раствору, м3/ч.
13.5.12 Каждый лафетный ствол должен обеспечивать подачу раствора пенообразователя с интенсивностью не менее 50 %, указанной в сноске 1 табл. 13.5.3.
13.5.13 Лафетный ствол должен быть снабжен переключающимся устройством для обеспечения попеременной подачи воды и пены. К этому устройству должны быть подведены отростки от водопожарной магистрали и магистрали пенного раствора.
Вместо переключающего устройства могут устанавливаться запорные клапаны, если предусматривается их взаимная блокировка.
13.5.14 Расстояние от лафетного ствола до самой отдаленной границы защищаемой площади, расположенной в нос от него, должно быть не более 75 % длины струи лафетного ствола при безветрии.
13.5.15 Стационарная система пенотушения помещений для сухих опасных грузов должна удовлетворять следующим требованиям:
.1 перед выходом магистрального трубопровода системы на открытую палубу должен быть предусмотрен запорный клапан;
.2 на магистральном трубопроводе с каждого борта должны быть предусмотрены клапанные коробки с пожарными кранами. Расстояние между коробками с каждого борта должно быть не более 40 м. Число пожарных кранов в каждой коробке должно быть равным 50 % расчетного числа пеногенераторов.
13.5.16 Система пенотушения буксиров и толкачей, предназначенных для работы с несамоходными судами, перевозящими воспламеняющиеся жидкости или сухие опасные грузы, должна быть рассчитана на тушение пожара на обслуживаемых несамоходных судах. Производительность системы и запас пенообразователя определяются в соответствии с 13.5.3, при этом за грузовые цистерны или трюмы принимают цистерны или трюмы несамоходного судна.
Установка пенотушения должна быть снабжена выкидными рукавами, пенными стволами с пеносливами или пенными генераторами с удлинителями.
Для защиты самих буксиров и толкачей могут применяться другие системы пожаротушения.
Общие указания
13.6.1 Количество углекислого газа (в кг) должно быть определено по формуле
G = 1,79Vj, (13.6.1)
где V - расчетный объем наибольшего защищаемого помещения, м3;
j - коэффициент, равный:
0,3 - для сухогрузных трюмов и прочих помещений, за исключением указанных ниже;
0,35 - для машинных помещений, расчетный объем которых определен с учетом полного объема шахт;
0,4 - для машинных помещений, расчетный объем которых определен без учета объема шахт с уровня, на котором площадь горизонтального сечения шахт равна 40 % площади машинного помещения или меньше ее.
Для машинных помещений берется тот коэффициент j, при котором получается большее значение G.
На судах валовой вместимостью менее 2000, за исключением пассажирских, коэффициенты 0,35 и 0,4 допускается уменьшать до 0,3 и 0,35 соответственно.
13.6.2 Суммарная площадь проходных сечений коллекторов, а также площадь проходного сечения распределительного коллектора должна быть не более суммы площадей проходных сечений клапанов сосудов, одновременно открываемых для наибольшего по объему защищаемого помещения.
13.6.3 Площадь проходных сечений распределительных трубопроводов для отдельных защищаемых помещений должна быть не более суммарной площади проходных сечений клапанов сосудов, одновременно открываемых для данного помещения. При этом суммарная площадь проходных сечений отводящих трубопроводов должна быть не больше площади проходного сечения подводящего трубопровода.
13.6.4 Ввод 85 % расчетного количества углекислого газа должен быть обеспечен в течение не более:
.1 2 мин - для машинных помещений, помещений аварийных дизель-генераторов и пожарных насосов и других помещений, где применяются жидкое топливо или другие воспламеняющиеся жидкости;
.2 10 мин - для помещений, в которых не перевозятся и не применяются жидкое топливо или другие воспламеняющиеся жидкости.
13.6.5 Для подачи углекислого газа в защищаемые помещения в верхней части этих помещений следует устанавливать сопла.
Если настил cланей машинных помещений расположен на высоте более 1 м от днища (второго дна), то часть сопл (около 15 %) должна быть расположена в верхней части пространства под настилом.
13.6.6 Суммарная площадь выпускных отверстий сопл данного помещения должна быть не более 85 % суммарной площади проходного сечения распределительного трубопровода.
13.6.7 В глушителях, утилизационных котлах и дымовых трубах вместо сопл допускаются перфорированные трубы.
Суммарная площадь перфораций трубы должна быть на 10 % меньше площади ее сечения.
Сосуды
13.6.8 Число сосудов для хранения сжиженного углекислого газа определяется в зависимости от степени наполнения (количество углекислого газа на 1 л вместимости), которая должна быть не более 675 кг/м3 при расчетном давлении углекислого газа в сосуде 12,5 МПа и выше или не более 750 кг/м3 при расчетном давлении углекислого газа в сосуде 15 МПа и выше.
При заполнении сосудов допускается отклонение не более чем ±0,5 кг от расчетного количества углекислого газа на сосуд.
В случае, предусмотренном в 13.2.16, степень наполнения следует уменьшить на 75 кг/м3 по сравнению с указанными выше предельными значениями.
13.6.9 Сосуды следует устанавливать в вертикальном положении рядами на прокладках, которые могут быть из дерева. Сосуды должны быть доступны для осмотра и определения количества углекислого газа. Каждый сосуд должен иметь маркировку, в которой должны быть указаны его порядковый номер и масса нетто.
Пусковые сосуды должны располагаться на станции пожаротушения и иметь особую окраску.
13.6.10 На станции углекислотного тушения должно быть устройство для взвешивания сосудов или замера уровня жидкости в них.
Трубопроводы и арматура
13.6.11 Трубопровод, соединяющий сосуд с коллектором, должен быть цельнотянутым и выполнен из красной меди.
Допускается применение специальных гибких рукавов из одобренных материалов.
На трубопроводе должен быть установлен обратный клапан.
13.6.12 На коллекторе станции углекислотного тушения должен быть установлен манометр, имеющий шкалу, верхнее значение которой превышает значение давления гидравлического испытания сосудов не менее чем на 1 МПа. Цена деления шкалы манометра должна быть не более 0,5 МПа.
13.6.13 Клапаны сосудов должны удовлетворять следующим требованиям:
.1 иметь предохранительные устройства.
Разрыв предохранительных мембран должен происходить при повышении давления в сосуде до значения (1,3 ± 0,1)p, МПа, где р - расчетное давление в сосуде. Для клапанов с прорезными мембранами, оборудованными дополнительно предохранительными мембранами, давление разрыва прорезных мембран должно быть больше верхнего предельного значения разрыва предохранительных мембран не менее чем на 1 МПа.
Должно быть предусмотрено контрольное приспособление, указывающее на срабатывание предохранительного устройства;
.2 устройство для открывания клапана должно быть рычажного типа и обеспечивать полное открывание клапана поворотом рычага на угол не более 90°. Устройство должно допускать возможность индивидуального или группового открывания клапанов;
.3 иметь трубки с косым срезом, не доходящие до днища сосудов на 5 - 15 мм. Диаметр прохода указанных трубок, а также трубок, соединяющих клапаны сосудов с коллектором, должен быть не менее 10 мм;
.4 если клапаны пусковых сосудов отличаются по конструкции от клапанов остальных сосудов, они должны быть обозначены краской другого цвета и иметь на корпусе маркировку «пусковой».
13.6.14 Отвод газа от предохранительных устройств клапанов должен осуществляться за пределы станции в атмосферу по отдельному трубопроводу, имеющему на выходном отростке звуковое сигнальное устройство, или в распределительный коллектор, на котором должны быть:
два трубопровода, один из которых с запорным клапаном и открытым концом, а второй - с предохранительной мембраной;
сигнальное устройство о наличии давления в коллекторе, выведенное в помещение с постоянной вахтой.
В этом случае контрольное приспособление, указывающее на срабатывание предохранительного устройства, для клапанов не требуется.
13.6.15 На трубопроводах, подающих углекислый газ от пусковых сосудов в сервомоторы, должны быть предусмотрены запорные клапаны, сблокированные с устройством открывания пусковых сосудов.
Пусковые устройства
13.6.16 Для помещений, перечисленных в 13.6.4.1, рекомендуется предусматривать дистанционный пуск из центрального пожарного поста или с места вблизи входа в них.
Пусковые устройства системы на станции пожаротушения должны обеспечивать одновременное открывание клапанов сосудов, предназначенных для указанных помещений.
13.6.17 Пост дистанционного пуска системы должен быть оборудован устройством, сигнализирующим о поступлении углекислого газа в защищаемое помещение. В зависимости от места расположения поста необходимость наличия такого устройства является в каждом случае предметом специального рассмотрения Речным Регистром.
13.7.1 В системе аэрозольного пожаротушения должны применяться генераторы огнетушащего аэрозоля согласованного Речным Регистром типа.
13.7.2 Система аэрозольного пожаротушения должна включать в себя:
генераторы огнетушащего аэрозоля;
щит управления и сигнализации;
устройства оповещения о запуске системы аэрозольного пожаротушения.
13.7.3 Расчетная масса аэрозолеобразующего состава должна быть определена по формуле, кг:
(13.7.3)
где V - расчетный свободный объем защищаемого помещения, м3;
- объем i-го воздухохранителя, м3;
п - число воздухохранителей в защищаемом помещении;
i - порядковый номер воздухохранителя;
- рабочее
давление в i-ом воздухохранителе, МПа;
Рa - атмосферное давление, МПа;
j - нормативная огнетушащая концентрация аэрозоля, кг/м3;
k - коэффициент запаса, равный 1,5.
13.7.4 Расчетное количество генераторов должно быть определено по формуле:
N = G/m, (13.7.4)
где G - расчетная масса аэрозолеобразующего состава, кг;
m - масса заряда в одном генераторе, кг.
Полученное в результате расчетное дробное число N следует округлять до целого в большую сторону.
13.7.5 При пуске системы должно быть обеспечено:
автоматическое включение оповещения в защищаемом помещении в соответствии с 11.4.1.3 ч. IV ПСВП;
автоматическое отключение вентиляции в защищаемом помещении.
13.7.6 Генераторы должны устанавливаться непосредственно в защищаемом помещении на негорючем основании.
13.7.7 Генераторы должны обладать возможностью автоматического (самопроизвольного) запуска при повышении температуры окружающего воздуха свыше 250 °С.
13.7.8 Расположение генераторов должно обеспечивать равномерное распределение огнетушащего аэрозоля в защищаемом помещении. При наличии в защищаемом помещении застойных зон, образованных оборудованием и ограждающими конструкциями, должна предусматриваться установка дополнительных генераторов для подачи огнетушащего аэрозоля непосредственно в застойные зоны.
13.7.9 Подача расчетной массы аэрозоля должна быть обеспечена в течение не более 2 мин - для машинных помещений, помещений аварийных дизель-генераторов и других помещений, в которых применяются жидкое топливо или другие легковоспламеняющиеся, горючие жидкости.
13.7.10 Аэрозольные струи при работе генераторов не должны оказывать теплового воздействия на пути эвакуации, судовое оборудование, электрические кабели, аварийное освещение, предупредительную сигнализацию, топливные и масляные цистерны и трубопроводы с учетом 13.7.11.
13.7.11 Каждый тип генератора должен иметь данные о расстоянии (по оси аэрозольной струи) от места ее выхода из генератора до границы тепловой зоны с температурой +70 °С.
13.7.12 Щит управления и сигнализации должен соответствовать требованиям гл. 2.3, 2.6, 2.8 ч. IV ПСВП.
13.7.13 Щит управления и сигнализации должен обеспечивать дистанционный запуск всех генераторов в защищаемом помещении одновременно. При количестве генераторов более 5 шт. в защищаемом помещении возможен групповой запуск генераторов при условии выполнения 13.7.9.
13.7.14 При защите нескольких помещений системой аэрозольного пожаротушения щит управления и сигнализации должен обеспечивать раздельный запуск генераторов в каждом помещении.
13.7.15 В случае исчезновения напряжения должно быть предусмотрено автоматическое переключение питания системы объемного аэрозольного пожаротушения на аварийный источник.
13.7.16 Щит управления и сигнализации не должен выдавать электрических импульсов, способных произвести ложный пуск генераторов, в том числе при аварийном отключении и включении питания, коротком замыкании или обрыве провода.
13.7.17 Пусковые цепи должны быть выполнены экранированными кабелями. Кабельная сеть должна соответствовать разд. 12 ч. IV ПСВП.
13.8.1 Система инертного газа должна обеспечивать подачу газа в количестве не менее 125 % максимальной расчетной подачи грузовых насосов и создавать давление в охраняемых отсеках не более 20 кПа.
13.8.2 Система инертных газов должна иметь:
.1 генераторы инертного газа или устройства для отбора газа из дымоходов котлов;
.2 оборудование для охлаждения и очистки газа от твердых частиц и сернистых продуктов сгорания, осушения инертных газов (газоочистители);
.3 вентиляторы (пароэжекторы) для нагнетания газа;
.4 трубопроводы и арматуру для пуска и регулирования подачи газа в охраняемые отсеки;
.5 приборы контроля, показывающие объемную долю кислорода или углекислого газа, температуру и давление газа;
.6 звуковую и световую сигнализацию по предельному значению температуры инертного газа, подаваемого в охраняемые отсеки.
Датчики по температуре должны быть установлены на напорном трубопроводе системы инертного газа до первого ответвления в охраняемый отсек.
13.8.3 Объемная доля кислорода в инертных (дымовых) газах должна быть не более 5 % или объемная доля углекислого газа должна быть не менее 12 %.
13.8.4 Температура инертного газа, поступающего в охраняемые отсеки, должна быть не более 40 °С.
13.8.5 Газоочистители должны устанавливаться со стороны всасывания вентиляторов или со стороны нагнетания пароэжекторов.
13.8.6 Система инертного газа должна обеспечивать продувку отсеков воздухом. Приемное отверстие для воздуха должно быть снабжено запорной арматурой с указаниями «Открыто» и «Закрыто».
13.8.7 Звуковая и световая сигнализация должна срабатывать в зависимости от изменения параметров установки в следующих случаях:
.1 повышение температуры инертного газа выше 40 °С - включается световая и звуковая сигнализация;
.2 повышение температуры инертного газа выше 60 °С - отключаются вентилятор или подача пара на эжектор.
13.8.8 Установка инертного газа должна иметь систему охлаждения. Специальные насосы для этой цели могут не предусматриваться.
Трубопроводы и арматура
13.8.9 Должен быть предусмотрен атмосферный трубопровод для обеспечения устойчивой работы установки инертного газа при подготовке ее к действию, при отключении подачи газа в охраняемые отсеки. Патрубок для сброса газа в атмосферу должен устанавливаться на напорном трубопроводе подачи инертного газа в охраняемые отсеки до первого запорного клапана.
13.8.10 Трубопроводы для подачи газа должны быть снабжены спускными пробками для удаления конденсата, а также устройствами, обеспечивающими возможность пропаривания трубопроводов и очистки от продуктов коррозии и загрязнений.
13.8.11 На трубопроводе системы инертного газа до ответвления на ближайший охраняемый отсек должен быть установлен невозвратно-запорный клапан или устройство аналогичного значения, предотвращающее поступление паров из грузовых отсеков в газоочиститель (теплообменник - охладитель газов) при остановке вентиляторов (пароэжекторов). Если в качестве невозвратного устройства используется водяной затвор, то его питание водой должно осуществляться непрерывно.
13.8.12 Должны быть приняты меры для защиты водяного затвора от замерзания, но таким образом, чтобы его непроницаемость не нарушалась в результате перегрева.
13.8.13 На трубопроводе системы инертного газа, в случае если вентилятор (пароэжектор) может создавать давление выше допустимого, должно быть предусмотрено предохранительное устройство жидкостного или иного эквивалентного типа, предотвращающее создание в охраняемых отсеках давления выше 20 кПа.
13.8.14 Отростки трубопроводов для подачи инертного газа в охраняемые грузовые отсеки должны располагаться в верхней части, выше уровня нефтепродукта, на возможно большем расстоянии от газоотводных труб, в смежные с грузовыми - в нижней части отсеков. На каждом отростке должны быть установлены огнепреградитель и запорная арматура.
13.8.15 Должны быть предусмотрены соответствующие устройства для подключения магистрали инертного газа к внешнему источнику инертного газа.
13.9.1 На дебаркадерах, брандвахтах и других стоечных судах, предназначенных для проживания более 12 человек и не оборудованных двигателями, упомянутыми в 13.1.4, с экипажем 3 чел. и более в качестве пожарного насоса допускается использовать переносной мотонасосный агрегат, удовлетворяющий следующим требованиям:
.1 он должен обеспечивать одновременную работу двух ручных пожарных стволов с диаметром насадки не менее 12 мм при высоте всасывания не менее 5 м и давлении нагнетания 0,4 - 0,6 МПа, иметь надежное самовсасывающие устройство;
.2 двигатель насоса должен легко и быстро запускаться как при положительной, так и при отрицательной (до -5 °С) температурах окружающего воздуха. Вместимость топливного бака двигателя должна быть достаточной для обеспечения работы насоса в течение 1,5 ч; на судне должен быть запас топлива, достаточный для заполнения топливного бака;
.3 размеры и тип соединительной арматуры выкидных рукавов и стволов должны быть одинаковыми с принятыми на судне для стационарной системы водотушения;
.4 мотонасосный агрегат должен быть снабжен приспособлениями и инструментом согласно спецификации организации-изготовителя.
Переносные мотонасосные агрегаты следует хранить на палубе в специальных шкафах или ящиках.
13.9.2 На пассажирских многопалубных судах и на судах, оборудованных в основном спальными каютами, за исключением судов с двигателями мощностью 220 кВт и менее, пожарный трубопровод должен быть выполнен по кольцевой схеме. Для отключения отдельных участков пожарного трубопровода на нем должны быть установлены клапаны в легкодоступных местах.
13.9.3 В жилых помещениях не допускается установка переносных углекислотных или других газовых огнетушителей.
13.9.4 Закрытые помещения (трюмы), предназначенные для перевозки автомобилей и другой техники с топливом в баке, должны быть оборудованы одной из систем объемного пожаротушения и автоматической сигнализацией обнаружения пожара.
13.9.5 На судах, которые имеют двери с дистанционно управляемыми приводами закрытия, в рулевой рубке должна быть предусмотрена исполнительная сигнализация закрытия дверей.
13.10.1 Использовать для двигателей и котлов топливо с температурой вспышки паров ниже 60 °С не разрешается.
13.10.2 Машинные помещения должны быть оборудованы принудительной вентиляцией, создающей избыточное давление воздуха.
13.10.3 Насосные отделения и установленные в них грузовые насосы должны быть оборудованы устройствами для сбора и удаления утечного груза.
13.10.4 В помещениях и пространствах второй категории пожароопасности (см. 16.2 ч. IV ПСВП) применение ременных передач для привода насосов не допускается.
На приводных валах насосов, установленных в насосном отделении и предназначенных для перекачки жидкостей с температурой вспышки паров ниже 60 °С, в местах прохода через палубу или переборку должны быть герметичные уплотнительные сальники с охлаждением.
При отсутствии охлаждения сальников должен быть предусмотрен дистанционный контроль их температуры.
13.10.5 Штоки клинкетов грузовых наливных цистерн (танков) должны быть выведены на грузовую палубу через уплотнительные сальники. Конструкция сальников должна позволять их смену или поджатие с палубы. Штоки не должны быть пустотелыми.
13.10.6 Основным средством измерения уровня жидкости в грузовых цистернах (танках) должен быть закрытый способ, без вскрытия горловин в этих цистернах. Открытый способ измерения уровня жидкости допускается только в качестве резервного средства.
13.10.7 Для отвода статического электричества шланги, предназначенные для погрузки и выгрузки воспламеняющихся жидкостей, должны иметь заземляющий проводник из гибкой проволоки или пластину, припаянную концами к фланцам.
13.10.8 Газовыпускные трубы котлов и двигателей внутреннего сгорания должны быть оборудованы искрогасителями. Дымоходы других технических средств должны быть оборудованы искроуловителями.
Конструкция искрогасителей и искроуловителей должна быть одобрена Речным Регистром.
13.10.9 Конструкция всех участков газоотводной системы должна предусматривать свободный сток и возможность спуска конденсата и зачистки магистрали.
13.10.10 Пламепрерывающая арматура, устанавливаемая на газоотводных трубах, должна быть из коррозионностойкого материала.
Конструкция пламепрерывающей арматуры должна позволять ее замену и разборку без демонтажа газоотводных труб.
13.10.11 Система пенотушения должна обеспечить подачу пены в любую наливную цистерну (танк), палуба которой вскрыта, а также в любой район палубы грузовых цистерн. Пену для этих целей следует подавать лафетными стволами и переносными устройствами (воздушно-пенными стволами или пеногенераторами).
13.10.12 Лафетные стволы должны быть установлены на судах грузоподъемностью 2000 т и более, другие суда могут комплектоваться лишь переносными пеногенераторами или ручными воздушно-пенными стволами. В этом случае интенсивность подачи раствора пенообразователя каждым пеногенератором или воздушно-пенным стволом должна составлять не менее 25 % расчетной.
13.10.13 В случае применения на судах пены средней кратности количество пенообразователя должно быть не менее расчетного и достаточным для работы в течение 10 мин расчетного числа пеногенераторов и одного лафетного ствола.
13.10.14 Лафетный ствол должен быть снабжен переключающим устройством для попеременной подачи воды и пены. К этому устройству должны быть подведены отростки от трубопроводов водо- и пенотушения. Вместо переключающего устройства допускается устанавливать запорные клапаны, если предусматривается их взаимная блокировка.
Подача любого лафетного ствола по раствору должна удовлетворять требованиям табл. 13.5.3.
13.10.15 В легкодоступных местах на палубе грузовых танков на магистральном трубопроводе пенотушения приблизительно через каждые 30 м должны быть установлены отсечные клапаны. Каждый клапан должен быть снабжен табличкой с надписью, извещающей, что в обычных условиях эксплуатации клапан должен быть постоянно открыт.
Перед каждым отсечным клапаном на магистрали должны быть установлены сдвоенные пожарные краны диаметром около 70 мм для подсоединения рукавов с воздушно-пенными стволами на расстоянии, при котором обеспечивается выполнение требования 13.4.16.
Отростки от магистральных трубопроводов систем водо- и пенотушения к лафетным стволам также должны располагаться до отсечных клапанов.
Если применяется пена средней кратности, вместо сдвоенных пожарных кранов должны устанавливаться клапанные коробки с числом пожарных кранов, равным 50 % расчетного числа пеногенераторов.
13.10.16 На магистральном трубопроводе пенотушения в пределах станции пенотушения должен быть установлен запорный клапан.
Перед запорным клапаном должно быть по одному отростку, выведенному на палубу у носовой части кормовой надстройки к лафетным стволам, которые должны быть установлены по левому и правому борту у носовой переборки кормовой надстройки или жилых помещений, обращенных в сторону грузовой палубы, и по сдвоенному пожарному крану диаметром около 70 мм для подсоединения пожарных рукавов с воздушно-пенными стволами.
13.10.17 Трубы-удлинители на нефтеналивных судах должны быть стальными или из легких сплавов в количестве, равном 50 % расчетного числа пеногенераторов; на обоих концах труб должна быть присоединительная арматура для пожарных рукавов и переносных пеногенераторов. Длина труб-удлинителей должна быть от 4 до 5 м; посередине трубы должна быть установлена легкая тренога. Трубы-удлинители следует размещать в кормовой части судна.
13.10.18 Каждый воздушно-пенный ствол, установленный на грузовой палубе, должен обеспечивать подачу пены не менее 4 м3/мин на расстояние не менее 15 м.
13.10.19 Для контроля содержания паров нефтепродуктов на судах, предназначенных для перевозки нефтепродуктов с температурой вспышки паров ниже 60 °С, должно быть два ручных переносных газоанализатора.
13.10.20 Палубные механизмы следует размещать над сухими отсеками, имеющими герметичные закрытия.
13.10.21 Передачи от механических рулевых приводов нефтеналивных судов, предназначенных для перевозки жидкостей с температурой вспышки паров ниже 60 °С, следует прокладывать над палубой в желобах или коробках. Конструкция трущихся деталей этих приводов должна исключать искрообразование при трении и ударах.
13.10.22 Весь рабочий инструмент (кувалды, ручники, гаечные ключи и пр.), используемый для работы во взрывоопасных помещениях и пространствах нефтеналивных судов, должен быть изготовлен из материалов, исключающих искрообразование при ударах.
13.10.23 На грузовом трубопроводе на палубе должны быть герметичные заглушки, изготовленные из материала, исключающего искрообразование при ударах. Конструктивно должна быть обеспечена возможность погрузки и выгрузки воспламеняющихся жидкостей закрытым способом.
13.10.24 Если перекачивающие нефтестанции работают с воспламеняющими жидкостями с температурой вспышки паров ниже 60 °С, пар или электроэнергия должны подаваться на них с берега или другого судна.
Установка двигателей внутреннего сгорания непосредственно на этих станциях может быть допущена по согласованию с Речным Регистром.
13.10.25 Котельные отделения на зачистных станциях, работающие с воспламеняющимися жидкостями с температурой паров ниже 60 °С, должны быть оборудованы двумя системами пожаротушения.
13.10.26 Портовые суда (служебно-разъездные и вспомогательные суда, плавмагазины), обслуживающие нефтеналивные суда для нефтепродуктов с температурой вспышки паров ниже 60 °С, должны быть оборудованы искрогасителями (искроуловителями) одобренного Речным Регистром типа.
13.10.27 Помещения для курения на нефтеналивных судах должны быть оборудованы вытяжной вентиляцией.
13.10.28 На нефтеналивных судах, предназначенных для перевозки, перекачки и хранения жидкостей с температурой вспышки паров ниже 60 °С, должно быть предусмотрено заполнение сухих отсеков, смежных с грузовыми танками, инертными газами или их вентиляция.
Для несамоходных барж толкаемых составов должна быть предусмотрена вентиляция пиковых отсеков при условии заполнения кормовых коффердамов водой под крышку горловин или заполнение этих отсеков инертными газами.
Вентиляция должна обеспечивать в пиковых отсеках не менее чем 6-кратный обмен воздуха в час, а в отсеках, смежных с грузовыми танками - не менее чем трехкратный обмен воздуха в час.
13.10.29 Конструктивные части оборудования, установленного или предназначенного для использования во взрывоопасных помещениях и пространствах, должны изготавливаться из материалов, обеспечивающих электростатическую и гальваническую искробезопасность.
13.11.1 На суда длиной менее 25 м распространяются требования, изложенные в 13.1 - 13.10, если в настоящей главе нет дополнительных указаний.
13.11.2 На открытых беспалубных судах двигатели должны быть покрыты съемными кожухами из негорючего материала.
13.11.3 На съемных кожухах двигателей должны быть установлены вентиляционные трубы диаметром не менее 80 мм, из которых одна не должна доходить до днища корпуса судна на 70 мм, а другая - заканчиваться у крышки кожуха.
13.11.4 На беспалубных судах без отдельного помещения для главных двигателей топливные цистерны должны быть размещены на расстоянии не менее 800 мм от двигателя и газовыпускных трубопроводов. В этом случае топливные цистерны должны быть выгорожены съемными щитами.
Вентиляция пространства в районе топливных цистерн, оборудование трубопроводов и установка поддонов должны быть выполнены, как и для цистерн, расположенных в отдельных отсеках.
13.11.5 Для наполнения топливных цистерн на палубу должны быть выведены патрубки, предотвращающие попадание топлива внутрь корпуса. Пробки патрубков должны быть выполнены из металла, исключающего искрообразование.
13.11.6 В местах прохода дымовых труб через деревянные палубы и переборки должна быть предусмотрена противопожарная разделка размером не менее 150 мм на сторону. Примыкающие к разделке конструкции из горючий материалов должны быть изолированы кровельной сталью по слою асбеста толщиной не менее 10 мм.
13.11.7 Расстояние от камбузной плиты до конструкции из горючих материалов, защищенных негорючей теплоизоляцией (см. 10.7 ч. I ПСВП), должно быть не менее 150 мм, при этом толщина изоляции должна быть не менее 25 мм, а изолированная площадь должна выходить за пределы плиты не менее чем на 250 мм.
13.11.8 Газовый прибор и сосуд вместимостью до 20 л могут быть расположены в одном помещении, при этом их допускается соединять с помощью резинотканевого рукава.
13.11.9 На судах длиной менее 25 м, кроме буксиров и толкачей, стационарную систему водотушения можно не предусматривать. В этом случае для машинного отделения должна быть предусмотрена система углекислотного или аэрозольного тушения, а для прочих помещений - автономные переносные или возимые углекислотные и пенные огнетушители.
13.11.10 В помещениях с двигателями внутреннего сгорания достаточно иметь один пожарный кран, установленный непосредственно у пожарного насоса.
13.11.11 На судах, за исключением пассажирских, буксиров-толкачей и нефтеналивных, вода может подаваться одной струей.
13.11.12 На судах, оборудованных системой пенотушения, допускается подача пенообразователя во всасывающую полость пожарного насоса.
13.11.13 Для пожарного насоса допускается предусматривать прием воды от одного кингстона.
13.11.14 Трубопроводы системы водотушения могут быть изготовлены без антикоррозионного покрытия.
13.11.15 Длина пожарных рукавов должна быть не менее 10 м.
13.11.16 Ручные пожарные стволы допускается применять с насадкой диаметром менее 12 мм.
13.11.17 На судах, указанных в 13.4.18, установка коллектора для подачи воды на другие суда не требуется.
13.11.18 На судах длиной менее 12 м вместо стационарных систем пожаротушения допускается один пенный или порошковый огнетушитель, удовлетворяющий требованию 9.3 ч. III ПСВП.
14.1 Судовые технические средства, устройства и оборудование должны быть снабжены запасными частями, а также инструментом и приспособлениями, необходимыми для разборки, ремонта и регулировки в соответствии с техническими условиями на поставку или другой документацией, поставляемой с техническими средствами, устройствами и оборудованием.
В число обязательных должны входить приспособления:
.1 для точного затяга ответственных болтов и гаек (шатунных, анкерных и др.);
.2 для измерения остаточных деформаций шатунных болтов двигателей;
.3 для измерения расхождения щек коленчатого вала (раскепа) двигателей.
Запасные части должны быть замаркированы и защищены от коррозии, их следует хранить в доступных местах.
На судах класса «М» запасные части должны быть надежно закреплены.