ГОССТРОЙ РОССИИ
Государственное
предприятие Научно-исследовательский
центр «Строительство»
Государственное
унитарное предприятие
ГУП «НИИЖБ»
|
Утверждаю Зам. директора ГУП «НИИЖБ» Мухамедиев Т.А. марта 2003 г. |
РУКОВОДЯЩИЕ ТЕХНИЧЕСКИЕ МАТЕРИАЛЫ
по проектированию и изготовлению
сталефибробетонных конструкций
на фибре, резаной из листа
РТМ-17-02-2003
Москва - 2003 г.
Разработчики:
|
Зав. лабораторией фибробетонов и фибробетонных конструкций ГУП «НИИЖБ», к.т.н. |
Волков И.В. |
|
Старший научный сотрудник, к.т.н. |
Газин Э.М. |
Настоящие Руководящие технические материалы (РТМ-17-02-2003) разработаны ГУП «НИИЖБ» Госстроя России с целью создания возможности проектирования, производства и широкого применения строительных конструкций и сооружений из сталефибробетона на стальной фибре, резанной из тонкого стального листа, выпускаемой в промышленном объеме ООО НПО «МагФибра-Строй» по ТУ 0991-123-53832025-2001.
РТМ-17-02-2003 разработаны на основе и в развитие следующих документов:
СНиП 2.03.01-84* «Бетонные и железобетонные конструкции».
СНиП 2.03.03-85 «Армоцементные конструкции».
«Рекомендации по проектированию и изготовлению сталефибробетонных конструкций» НИИЖБ, Москва, 1987.
ВСН 56-97 «Проектирование и основные положения технологии производства фибробетонных конструкций». Москва, 1997.
ВНП 001-01 Банка России. «Здания территориальных главных управлений национальных банков и расчетно-кассовых центров Центрального Банка Российской Федерации». Москва, 2001.
РТМ-17-02-2003 разработаны: кандидатами технических наук Волковым И.В (руководитель) и Разиным Э.М.
РТМ-17-02-2003 разработаны по заказу ООО НПО «МагФибра-Строй» и предназначены для инженерно-технических работников проектных, научно-исследовательских и производственных организаций.
РТМ-17-02-2003 рекомендованы секцией НТС ГУП «НИИЖБ» и одобрены Госстроем РФ (письмо № 9-26/355 от 06.05.03) к применению в качестве основного документа по проектированию, изготовлению и возведению конструкций из сталефибробетона на фибре, выпускаемой ООО НПО «МагФибра-Строй» по ТУ 0991-123-53832025-2001, а также при лицензировании деятельности предприятий и сертификации выпускаемой продукции.
Материалы, содержащиеся в настоящих РТМ-17-02-2003, по накоплению опыта применения предполагается использовать при разработке нормативных документов по проектированию и изготовлению сталефибробетонных конструкций в развитие СНиП 52-01 «Бетонные и железобетонные конструкции».
СОДЕРЖАНИЕ
Введение
В мировом производстве строительных конструкций все более широко применяется сталефибробетон, т.е. бетон, армированный отрезками стальных волокон (фибрами) и являющийся по сути разновидностью железобетона. Опыт проектирования, производства, применения и эксплуатации сталефибробетонных конструкций в различных областях строительства показал высокую технико-экономическую эффективность их применения.
В настоящее время ООО НПО «МагФибра-Строй» производит в промышленных объемах стальную фибру длиной 30, 35 и 40 мм, резаную из стального холоднокатаного листа, толщиной 0,4; 0,7 и 1,0 мм.
Указанная фибра выпускается по ТУ 0991-123-53832025-2001, и предназначена для армирования бетона. Однако ее применение для производства сталефибробетонных конструкций массового назначения не было возможно, т.к. эта фибра не была предусмотрена «Рекомендациями по проектированию и изготовлению сталефибробетонных конструкций» НИИЖБ, Москва, 1987 - существующим техническим документом в развитие СНиП. Это объясняется тем, что на момент разработки указанного документа не было фибры этого вида с соответствующими техническими свойствами.
По аналогичной причине эта фибра не могла быть применена для ограждающих защитных конструкций банковских хранилищ в соответствии с ВНП-001-95 Центрального Банка России.
В настоящее время накоплен достаточно большой зарубежный и отечественный опыт по исследованиям и применению сталефибробетона на фибре, резаной из стального листа. Это позволило разработать настоящие РТМ, дающие возможность широкого применения фибры для изготовления сталефибробетонных строительных конструкций и сооружений различного назначения.
Настоящие РТМ-17-02-2003, разработанные в развитие действующих норм и рекомендаций, содержат положения и рекомендации по проектированию, изготовлению и применению конструкций из сталефибробетона на основе фибры, выпускаемой ООО НПО «МагФибра-Строй» по ТУ 0991-123-53832025-2001.
Сталефибробетонные строительные конструкции различного назначения следует проектировать, изготавливать и применять, руководствуясь системой действующих нормативных документов в строительстве и настоящими Руководящими техническими материалами - РТМ-17-02-2003.
Настоящие РТМ распространяются на проектирование сталефибробетонных элементов, конструкций, зданий и сооружений, как вновь сооружаемых, так и реконструируемых, а также на производство сталефибробетонных товарных смесей, сборных, сборно-монолитных и монолитных сталефибробетонных конструкций и сооружений.
Положения и рекомендации настоящих РТМ распространяются только на случаи применения стальной фибры, выпускаемой ООО НПО «МагФибра-Строй» по ТУ 0991-123-53832025-2001.
Настоящие РТМ содержат положения по проектированию сталефибробетонных конструкций, предназначенных для работы при систематическом воздействии температуры не выше 50 °С и не ниже -70 °С.
При проектировании сталефибробетонных конструкций, предназначенных для работы в среде с агрессивной степенью воздействия на железобетонные конструкции, необходимо учитывать дополнительные требования, предъявляемые к таким конструкциям соответствующими нормативными документами.
В настоящих РТМ использованы ссылки на следующие документы:
|
«Конструкции бетонные и железобетонные» |
|
|
«Нормативно-техническая документация в строительстве. Буквенные обозначения». |
|
|
«Несущие и ограждающие конструкции». |
|
|
«Производство сборных железобетонных конструкций и изделий». |
|
|
«Бетонные и железобетонные конструкции. Нормы проектирования». |
|
|
«Армоцементные конструкции. |
|
|
«Защита строительных конструкций от коррозии». |
|
|
«Бетоны тяжелые и мелкозернистые. Технические условия». |
|
|
«Бетоны. Правила подбора состава». |
|
|
«Портландцемент и шлакопортландцемент. Технические условия». |
|
|
«Цементы. Методы испытаний. Общие положения». |
|
|
«Цементы. Общие технические условия». |
|
|
«Песок для строительных работ. Технические условия». |
|
|
«Щебень и гравий из плотных горных пород для строительных работ». |
|
|
«Вода для бетонов и растворов. Технические условия». |
|
|
«Песок для строительных работ. Методы испытаний». |
|
|
«Щебень и гравий из горных пород и отходов промышленного производства для строительных работ. Методы физико-механических испытаний». |
|
|
«Добавки для бетонов. Общие технические требования». |
|
|
«Смеси бетонные. Технические условия». |
|
|
«Смеси бетонные. Методы испытаний». |
|
|
«Бетоны. Правила контроля прочности». |
|
|
«Бетоны. Методы определения прочности по контрольным образцам». |
|
|
«Бетоны. Методы определения морозостойкости» |
|
|
«Бетоны. Методы определения водонепроницаемости». |
|
|
«Бетоны. Метод определения плотности». |
|
|
«Бетоны. Методы определения прочности по образцам, отобранным из конструкций». |
|
|
«Бетоны. Методы определения истираемости». |
|
|
«Золы-уноса тепловых электростанций для бетона. Технические условия». |
|
|
«Бетон. Определение прочности механическими методами неразрушающего контроля». |
|
|
«Проектирование и основные положения технологий производства фибробетонных конструкций». Департамент Строительства. Москва, 1997 г. |
|
|
«Банк России. Здания территориальных главных управлений национальных банков и расчетно-кассовых центров Центрального Банка Российской Федерации». Москва, 2001 г. |
«Рекомендации по проектированию и изготовлению сталефибробетонных конструкций». НИИЖБ, ЛенЗНИИЭП, ЦНИИПромзданий. Москва, 1987 г.
«Рекомендации по подбору составов тяжелых и мелкозернистых бетонов» (к ГОСТ 27006-86). М., НИИЖБ, ВНИИЖБ Госстроя СССР, Оргэнергострой, Минэнерго СССР, 1990 г.
«Рекомендации по применению добавок и суперпластификатов в производстве сборного и монолитного железобетона». М., НИИЖБ, ЦНИИ-ОМТП Госстроя СССР, 1987 г.
«Рекомендации по расчету бетонных подстилающих слоев полов производственных зданий с учетом экономической ответственности». М., ЦНИИПромзданий Госстроя РФ, 1987 г.
«Руководство по технологии формования железобетонных изделий». М., Стройиздат, 1977 г.
«Руководство по проектированию железобетонных пространственных конструкций покрытий и перекрытий». М., НИИЖБ Госстроя СССР. 1979 г.
В настоящих Руководящих технических материалах приняты термины в соответствии со СНиП 2.03.01-84*, СНиП 2.03.03-85 и приложением А к настоящим РТМ.
Основные буквенные обозначения и индексы к буквенным обозначениям, принятые в настоящих РТМ согласно СТ СЭВ 1565-79, приведены в Приложении Б. Другие условные обозначения и индексы к ним приняты согласно СНиП 2.03.01-84* и СНиП 2.03.03-85.
4.1. Сталефибробетон является разновидностью дисперсно-армированного железобетона и изготавливается из мелкозернистого или тяжелого бетона (бетон-матрица), в котором в качестве арматуры используются стальные фибры, равномерно распределенные по объему бетона. Совместность работы бетона и стальных фибр обеспечивается за счет сцепления по их поверхности и анкеровки фибры за счет периодического профиля и ее кривизны в продольном и поперечном направлении.
По показателям прочности бетона-матрицы приняты классы бетона в соответствии с СТ СЭВ 1406-78.
4.2. Сталефибробетонные конструкции в зависимости от их армирования подразделяются на конструкции:
с фибровым армированием - при их армировании стальными фибрами, равномерно распределенными по объему элемента;
с комбинированным армированием - при их армировании стальными фибрами, в сочетании со стержневой или проволочной арматурой (как в железобетоне).
5.1.1. Сталефибробетонные конструкции согласно СТ СЭВ 1406-78 и СНиП 03.01-84* должны быть обеспечены с требуемой надежностью от возникновения всех видов предельных состояний расчетом, выбором материалов, назначением размеров и конструированием.
5.1.2. Применение сталефибробетонных конструкций в средах с агрессивным воздействием на конструкции из бетона и железобетона допускается при выполнении требований, установленных СНиП 2.03.11-85, СНиП 2.03.03-85 и настоящих РТМ.
5.1.3. Выбор конструктивных решений сталефибробетонных конструкций следует производить, исходя из технико-экономической целесообразности применения таких конструкций в конкретных условиях строительства с учетом максимального снижения их материало-, трудо-, энергоемкости и стоимости, с учетом повышения долговечности и увеличения межремонтного ресурса.
Сталефибробетон рекомендуется применять в конструкциях зданий и сооружений, для которых существенное значение имеют снижение собственного веса, уменьшение раскрытия трещин, обеспечение водонепроницаемости бетона, повышение: ударной стойкости, сопротивления истиранию, продавливанию и долговечности.
5.1.4. Сталефибробетон рекомендуется для изготовления конструкций, в которых наиболее эффективно могут быть использованы следующие его технические преимущества по сравнению с традиционным железобетоном:
- повышенные трещиностойкость, ударная прочность, вязкость разрушения, износостойкость, морозостойкость, сопротивление кавитации;
- пониженные усадка и ползучесть;
- возможность использования более эффективных конструктивных решений, чем при обычном армировании, например, тонкостенных конструкций, конструкций без стержневой или сетчатой распределительной и поперечной арматуры, тонкостенных конструкций со стержневой растянутой арматурой, не доводящейся до опоры и др.;
- снижение трудозатрат на арматурные работы, повышение степени механизации и автоматизации производства железобетонных конструкций, например, в сборных тонкостенных оболочках, складках, ребристых плитах покрытий и перекрытий, сборных колоннах, балках, монолитных днищах емкостных сооружений, дорожных и аэродромных покрытиях; монолитных и сборных полах промышленных и общественных зданий и др.;
- возможность применения новых, более производительных приемов формования армированных конструкций, например, торкретирование, погиб свежеотформованных листовых изделий, роликовое прессование и др.
5.1.5. При выборе конструктивных решений следует учитывать методы изготовления, монтажа и условия эксплуатации конструкций.
Форму и размеры сечений элементов следует принимать, исходя из наиболее полного учета свойств сталефибробетонных конструкций, возможности заводского механизированного и автоматизированного изготовления, удобства транспортирования и монтажа.
5.1.6. Сталефибробетонные конструкции изготавливаются с учетом рекомендаций настоящих РТМ различными технологическими приемами: предварительным приготовлением смеси в заводских условиях или в бетоносмесителях, уплотнением с помощью вибрирования и вакуумирования, роликовым формованием и прессованием, торкретированием и центрифугированием.
5.1.7. Для изготовления сталефибробетона в качестве бетона-матрицы применяется мелкозернистый или тяжелый бетон по ГОСТ 26633-91.
5.1.8. Для фибрового армирования используются фибры, изготовляемые путем резки холоднокатаного стального листа по ТУ 0991-123-53832025-2001, приведенным в Приложении К и представляющие собой стальные тонкие полосовые элементы искривленной формы с номинальной длиной 30, 35 и 40 мм.
Фибры имеют форму и размеры, указанные в п. 1.2 и в табл. 1 ТУ 0991-123-53832025-2001 (см. Приложение К).
5.1.9. При проектировании сталефибробетонных конструкций следует руководствоваться общими положениями и соблюдать расчетные требования СНиП 2.03.01-84*, СНиП 2.03.03-85 и настоящих РТМ.
5.1.10. Сталефибробетон без комбинированного армирования рекомендуется применять в элементах конструкций:
работающих преимущественно на ударные нагрузки и истирание;
работающих на сжатие при эксцентриситетах приложения продольной силы, не превышающих величин, указанных в п. 3.3 СНиП 2.03.01-84* «Бетонные и железобетонные конструкции»;
работающих на изгиб при соблюдении условий, исключающих их хрупкое разрушение;
указанных в п. 1.7,б СНиП 2.03.01-84*.
5.1.11. Расчет сталефибробетонных конструкций производят по несущей способности (предельные состояния первой группы) и по пригодности к нормальной эксплуатации (предельные состояния второй группы) согласно основным положениям СНиП 2.03.01-84*, СНиП 2.03.03-85 и настоящих РТМ, учитывающих следующие особенности сталефибробетонных конструкций: дисперсность армирования; возможную тонкостенность конструкции; уменьшенный по сравнению с бетонным защитный слой для стержневой или проволочной арматуры при комбинированном армировании.
5.1.12. Расчет сталефибробетонных конструкций по предельным состояниям выполняется, по аналогии с расчетом железобетонных или армоцементных конструкций с учетом расчетных характеристик сталефибробетона Rfbt, Rfb и др. в соответствии с положениями пп. 5.3.1 - 5.3.18 настоящих РТМ.
5.1.13. Трещиностойкость сталефибробетонных конструкций с комбинированным или только фибровым армированием должна отвечать требованиям п. 1.13 СНиП 2.03.03-85 и п. 5.1.14, настоящих РТМ, а категория требований к ней назначаться в соответствии с видом армирования и классом применяемой стержневой или проволочной арматуры.
5.1.14. Категории требований к трещиностойкости сталефибробетонных конструкций в зависимости от условий их работы и вида арматуры, а также величины предельно допустимой ширины раскрытия трещин приведены в табл. 1.
5.1.15. Средняя плотность тяжелого или мелкозернистого бетона-матрицы, учитываемая при расчете сталефибробетонных конструкций, принимается по СНиП 2.03.01-84* с учетом указаний п. 5.2.1 настоящих РТМ.
5.1.16. В рабочих чертежах конструкций из сталефибробетона в случае необходимости кроме требуемого расхода фибры на 1 м3 сталефибробетонной смеси, приводятся требования к ориентации и распределению фибровой арматуры, а также сведения о технологических приемах изготовления, обеспечивающих выполнение этих требований.
5.1.17. Содержание фибр в сталефибробетоне (расход на 1 м3 СФБ смеси) определяется требованиями к его физико-механическим свойствам, назначаемым из условий применения.
В зависимости от области применения сталефибробетона содержание в нем фибры может быть рекомендовано следующим, в кг/м3:
- плиты индустриальных полов - 20 - 40;
- конструкции жилых домов - 25 - 50;
- конструкции и сооружения, эксплуатирующиеся в условиях воздействия окружающей среды - 40 - 70;
- конструкции тоннелей, дорог и т.п. - 50 - 100;
- защитные, морские сооружения и др. особые случаи - 100 - 120.
5.1.18. Определение усилий в сталефибробетонных элементах, работающих как тонкостенные пространственные конструкции, производится в соответствии с «Руководством по проектированию железобетонных пространственных конструкций покрытий и перекрытий» (М., НИИЖБ, 1979).
Таблица 1
Категории требований к трещиностойкости сталефибробетонных конструкций и предельно допустимая ширина непродолжительного (αcrc1) и продолжительного (αcrc2) раскрытия трещин
|
Категории требований к трещиностойкости сталефибробетонных конструкций и предельно допустимая ширина αcrc1 и αcrc2, мм, раскрытия трещин при армировании |
||||
|
Фибровом* |
Комбинированном |
|||
|
Со стержневой арматурой классов А-I, А-II, А-III и проволочной арматурой класса Вр-I |
Со стержневой арматурой классов A-IV, A-V, Ат-IV, Aт-V и проволочной арматурой классов В-II, Вр-II, К-7 при диаметре 4 мм и более |
Со стержневой арматурой класса Ат-VI и проволочной арматурой классов В-II, Вр-II и К-7 при диаметре менее 4 мм |
||
|
1 |
2 |
3 |
4 |
5 |
|
Элементы 1. С полностью растянутым или частично сжатым сечением: воспринимающие давление жидкостей или газов, а также эксплуатируемые в грунте ниже уровня грунтовых вод или при слабо-агрессивной степени воздействия среды на бетон |
1-я |
2-я αcrc1 = 0,05 αcrc2 = 0,03 |
1-я |
1-я |
|
2. Эксплуатируемые в отапливаемых зданиях с относительной влажностью внутреннего воздуха помещений выше 75 %, а также на открытом воздухе и в неотапливаемых зданиях в условиях увлажнения атмосферными осадками, а также эксплуатируемые в грунте выше уровня грунтовых вод |
2-я αcrc1 = 0,05 αcrc2 = 0,03 |
2-я αcrc1 = 0,1 αcrc2 = 0,05 |
1-я |
1-я |
|
3. Эксплуатируемые в отапливаемых зданиях с относительной влажностью внутреннего воздуха помещения от 60 до 75 % на открытом воздухе и в неотапливаемых зданиях яри наличии защиты конструкций от систематического воздействия атмосферных осадков или от выпадения конденсата |
2-я αcrc1 = 0,07 αcrc2 = 0,05 |
2-я αcrc1 = 0,15 αcrc2 = 0,1 |
2-я αcrc1 = 0,07 αcrc2 = 0,05 |
1-я |
|
4 Эксплуатируемые в отапливаемых зданиях с относительной влажностью внутреннего воздуха помещений до 60 % и при отсутствии возможности систематического увлажнения конструкции конденсатом или атмосферными осадками |
2-я αcrc1 = 0,15 αcrc2 = 0,1 |
2-я αcrc1 = 0,2 αcrc2 = 0,15 |
2-я αcrc1 = 0,15 αcrc2 = 0,1 |
2-я αcrc1 = 0,05 αcrc2 = 0,03 |
_____________
* Применение только фибрового армирования допускается при специальном обосновании.
5.1.19. Проектирование индустриальных полов допускается производить по рекомендациям, изложенным в Приложении Ж, с согласованием результатов с ГУП «НИИЖБ» Госстроя РФ.
5.1.20. Примеры возможного применения сталефибробетона в жилищном строительстве приведены в Приложении И.
5.1.21. Проектирование защитных конструкций банковских хранилищ ценностей и других аналогичных сооружений следует выполнять с учетом требований ВНП 001-01, Банк России.
Дополнительные указания по проектированию предварительно напряженных конструкций
5.1.22. Предварительно напряженные сталефибробетонные конструкции с комбинированным армированием следует проектировать в соответствии с требованиями пп. 1.23 - 1.40 СНиП 2.03.01-84*. пп. 1.21, 1.23 и 1.25 СНиП 2.03.03-85 и пп. 5.1.23 и 5.1.24 настоящих РТМ.
5.1.23. Потери предварительного напряжения арматуры для сталефибробетонных конструкций следует определять по указаниям пп. 1.25 - 1.27 СНиП 2.03.01-84*, как для тяжелого или мелкозернистого бетона, соответственно виду применяемого бетона-матрицы.
При этом значения потерь предварительного напряжения от усадки и ползучести бетона принимаются по табл. 5 СНиП 2.03.01-84* с умножением на понижающий коэффициент, учитывающий влияние фибрового армирования и принимаемый равным:
0,95 - при 0,5 ≤ µfv ≤ 0,7;
0,90 - при 0,7 < µfv ≤ 1;
0,85 - при µfv > 1.
5.1.24. Длину зоны передачи напряжений для напрягаемой арматуры без анкеров следует определять по формуле 11, п. 2.29 СНиП 2.03.01 с заменой в ней значения Rbp (для бетона) на значение Rfp (для сталефибробетона).
Бетон (матрица)
5.2.1. Для сталефибробетонных конструкций следует применять тяжелый или мелкозернистый бетон со средней плотностью не менее 2200 кг/м3 в соответствии с ГОСТ 26633-91.
5.2.2. Для сталефибробетонных конструкций в зависимости от их вида и условий работы рекомендуется применять бетоны следующих видов, классов и марок:
а) классов по прочности на сжатие: тяжелый или мелкозернистый бетон группы А (нормального твердения или подвергнутый тепловой обработке, на песке с модулем крупности свыше 2,0) - В20, В25, В30, В35, В40, В45; В50 и В60;
б) классов по прочности на осевое растяжение - Bt1,6; Bt2; Вt2,4; Вt2,8; Вt3,2; и Вt3,6 и Вt4,0;
в) марок по морозостойкости - F50; F75, F100, F150, F200, F250, F300, F400 и F500;
г) марок по водонепроницаемости - W4, W6, W8, W10, W12, W14, W16, W18 и W20.
Допускается применение бетона промежуточных классов по прочности.
5.2.3. Возраст сталефибробетона, отвечающий его классу по прочности на сжатие и осевое растяжение, назначается при проектировании, исходя из возможных реальных сроков фактического загружения конструкций проектными нагрузками, способа возведения и условий твердения бетона. При отсутствии этих данных класс устанавливается в возрасте 28 сут.
Значение отпускной прочности сталефибробетона в элементах сборных конструкций назначается согласно указаниям ГОСТ 13015.0-83 и стандартов или Технических условий на конструкции конкретных видов.
5.2.4. Для предварительно напряженных сталефибробетонных элементов класс бетона по прочности на сжатие, в котором расположена напрягаемая арматура, принимается не ниже указанного в табл. СНиП 2.03.01-84* в зависимости от вида и класса напрягаемой арматуры, ее диаметра и наличия анкерных устройств.
5.2.5. Требования по морозостойкости и водонепроницаемости к сталефибробетону принимаются в зависимости от условий работы сталефибробетонных конструкций в соответствии с указаниями п. 2.9 СНиП 2.03.01-84* по аналогии с железобетонными конструкциями.
5.2.6. Для замоноличивания стыков сталефибробетонных элементов следует принимать бетон класса и марок в зависимости от условий работы соединяемых элементов, но не менее чем класс и марки бетона соединяемых элементов согласно указаниям п. 2.10 СНиП 2.03.01-84*.
Нормативные и расчетные характеристики бетона (матрицы)
5.2.7. Нормативные и расчетные сопротивления тяжелого или мелкозернистого бетона-матрицы, а также коэффициенты условий работы принимаются согласно указаниям пп. 2.11 - 2.13 СНиП 2.03.01-84*.
5.2.8. Значения начального модуля упругости Еb, коэффициента линейной температурной деформации αbt, начального коэффициента поперечной деформации (коэффициента Пуассона) и модуля сдвига принимаются: для мелкозернистого бетона в соответствии с указаниями пп. 2.11 - 2.13 СНиП 2.03.03-85; для тяжелого бетона по СНиП 2.03.01-84*.
Арматура
5.2.9. Для фибрового армирования сталефибробетонных конструкций принимается фибра по ТУ 0991-123-53832025-2001. Технические условия на изготовление фибры приведены в приложении К.
5.2.10. Процент фибрового армирования по объему (содержание фибры в 1 м3 фибробетонной смеси) указывается в проектной документации на изделие, конструкцию или сооружение.
5.2.11. Стержневая или проволочная арматура для комбинированно армированных сталефибробетонных конструкций, а также закладные детали принимаются в соответствии с указаниями СНиП 2.03.01-84*.
Нормативные и расчетные характеристики арматуры
5.2.12. За нормативное сопротивление растяжению фибры Rfn принимается наименьшее контролируемое значение временного сопротивления разрыву, определяемое как отношение разрывного усилия к номинальной площади поперечного сечения фибры.
Указанная контролируемая характеристика фибры принимается в соответствии с ТУ 0991-123-53832025-2001 и гарантируется с вероятностью 0,95.
5.2.13. Расчетное сопротивление фибры растяжению для предельных состояний первой группы Rf определяется путем деления нормативного сопротивления на коэффициент надежности по фибре γf, указанный в табл. 2.
5.2.14. Нормативное сопротивление, коэффициенты надежности и расчетное сопротивление растяжению для предусмотренной настоящими РТМ фибры приведены в табл. 2.
Таблица 2
Нормативные сопротивления, коэффициенты надежности и расчетные сопротивления фибры
|
Нормативные сопротивления растяжению Rfn и расчетные сопротивления растяжению для предельных состояний второй группы Rf,ser, МПа (кгс/см2) |
Коэффициент надежности по фибровой арматуре γf при расчете конструкций по предельным состояниям |
Расчетные сопротивления растяжению фибровой арматуры для предельных состояний первой группы Rf, МПа (кгс/см2) |
||
|
Первой группы |
Второй группы |
|||
|
1 |
2 |
3 |
4 |
5 |
|
Фибра стальная резаная из стального холоднокатанного листа, по ТУ 0991-123-53832025-2001 соответственно из стали марок |
||||
|
Ст.08кп |
460 |
1,05 |
1,0 |
440 |
|
Ст.20 |
640 |
1,10 |
1,0 |
580 |
5.2.15. Модуль упругости фибры Еf, принимается равным 2,1 ∙ 105 МПа.
5.2.16. При комбинированном армировании нормативные и расчетные сопротивления стержневой и проволочной арматуры, коэффициенты условий работы и модули упругости этой арматуры принимаются согласно указаниям СНиП 2.03.01-84*.
5.3.2. Расчет сталефибробетонных конструкций по предельным состояниям первой группы производится по методике СНиП 2.03.03-85 аналогично армоцементным конструкциям и согласно пп. 5.3.3 - 5.3.23 настоящих РТМ.
5.3.4. Расчет элементов сталефибробетонных конструкций на смятие следует производить согласно СНиП 2.03.01-84* с заменой значений: Rb на Rfb и Rbt на Rfbt, а на продавливание - по указаниям п. 5.3.23 настоящих РТМ.
Расчет по прочности сечений, нормальных к продольной оси элемента
5.3.5. При расчете по прочности предельные усилия в сечении, нормальном к продольной оси элемента определяются, исходя из следующих предпосылок и расчетных схем, представленных на рис. 1 (общий случай) и рис. 2 - 7:
сопротивление сталефибробетона сжатию выражается напряжениями, равными Rfb, равномерно распределенными в пределах частей сечения элемента в сжатой зоне;
сопротивление сталефибробетона растяжению выражается напряжениями, равными Rfbt, равномерно распределенными в пределах частей сечения элемента в растянутой зоне;
напряжения в стержневой или проволочной арматуре, расположенной в сжатой зоне сечения, принимаются постоянными и не более Rsc и Rspc;
напряжения в стержневой или проволочной арматуре, расположенной в растянутой зоне сечения, принимаются постоянными и не более Rs и Rsp.
При этом значения сопротивления сталефибробетона сжатию Rfb и растяжению Rfbt могут изменяться в пределах частей сечения элемента, в зависимости от его формы и размеров, что учитывается расчетом в соответствии с п.п. 5.3.6 - 5.3.12 настоящих РТМ.
5.3.6. Расчетное сопротивление растяжению сталефибробетона Rfbt определяется в зависимости от класса бетона, геометрии и размеров сечения элемента в соответствии с указаниями пп. 5.3.7 - 5.3.9 настоящих РТМ.
5.3.7. При определении Rfbt различаются два случая:
1-ый случай: сопротивление растяжению сталефибробетона исчерпывается из-за обрыва некоторого количества фибр и выдергивания остальных, что определяется условием
2-ой случай: сопротивление растяжению сталефибробетона исчерпывается из-за выдергивания из бетона условно всех фибр, что определяется условием
В формулах 1 и 2 lf,on - длина заделки фибры в бетоне, обеспечивающая ее разрыв при выдергивании, определяемая по формуле
где df,red - приведенный диаметр используемой фибры, мм;
Rf,ser - нормативное сопротивление растяжению фибр, МПа;
η - коэффициент, учитывающий анкеровку фибры, принимаемый равным 0,6.
При проектировании df,red принимается равным
![]()
где Sf - площадь номинального поперечного сечения фибры, определяемая, исходя из ее номинальных размеров, принимаемых по табл. 1 Приложения И к настоящим РТМ.
5.3.8. Если имеет место 1-й случай исчерпания сопротивления растяжению сталефибробетона, то величина Rfbt определяется по формуле
где m1 - коэффициент условий работы, принимаемый равным 1,1;
kor - коэффициент, учитывающий ориентацию фибр в объеме элемента в зависимости от соотношения размеров сечения элемента и длины фибры, принимаемый по табл. 3;
µfv - коэффициент фибрового армирования по объему;
KT - коэффициент, приведенный в п. 5.3.9.
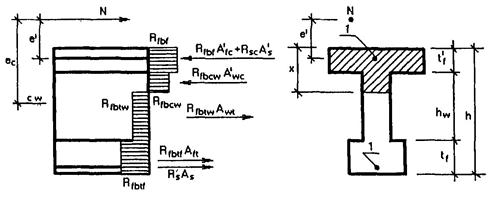
Рис. 1. Схема внутренних усилий и
эпюры напряжений в сечении,
нормальном к продольной оси элемента (общий случай)
1 - сосредоточенная стержневая или проволочная арматура
Рис. 2. Схема
усилий и эпюра напряжений в сечении, нормальном к продольной оси
изгибаемого элемента прямоугольного сечения при фибровом армировании
Рис. 3. Схема
усилий и эпюра напряжений в сечениях, нормальных к продольной оси
изгибаемого железобетонного элемента прямоугольного сечения при комбинированном
армировании
1 - стержневая или проволочная арматура
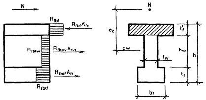
Рис. 4. Схема
распределения усилий и эпюра напряжений в сечениях, нормальных к
продольной оси изгибаемого элемента двутаврового сечения при комбинированном
армировании
а - при
; б - при
; 1 - стержневая или
проволочная арматура.
Рис. 5. Схема
усилий и эпюра напряжений во внецентренно сжатых элементах
двутаврового сечения при фибровом армировании
Рис. 6. Схема
усилий и эпюра напряжений во внецентренно сжатых элементах
двутаврового сечения при комбинированном армировании и ![]()
1 - стержневая или проволочная арматура
Рис. 7. Эпюры
напряжений во внецентренно растянутых элементах
прямоугольного сечения
а - при приложении продольной силы N в пределах ядра
сечения;
б - то же, за пределами; 1 - стержневая или проволочная арматура.
Таблица 3
Значения коэффициентов ориентации фибры в зависимости от размеров сечения растянутого элемента
|
h/lf |
Значение kor при b/lf |
|||||||
|
0,5 |
1 |
2 |
3 |
5 |
10 |
20 |
Более 20 |
|
|
0,2 |
0,98 |
0,93 |
0,78 |
0,732 |
0,695 |
0,665 |
0,651 |
0,637 |
|
0,4 |
0,97 |
0,92 |
0,77 |
0,724 |
0,686 |
0,658 |
0,642 |
0,628 |
|
0,6 |
0,91 |
0,76 |
0,718 |
0,681 |
0,653 |
0,638 |
0,624 |
|
|
0,8 |
0,90 |
0,75 |
0,707 |
0,671 |
0,643 |
0,628 |
0,615 |
|
|
1,0 |
0,73 |
0,687 |
0,652 |
0,624 |
0,610 |
0,597 |
||
|
1,5 |
0,69 |
0,649 |
0,615 |
0,589 |
0,577 |
0,564 |
||
|
2 |
0,67 |
0,630 |
0,597 |
0,573 |
0,559 |
0,548 |
||
|
3 |
0,612 |
0,580 |
0,556 |
0,543 |
0,532 |
|||
|
5 |
0,556 |
0,543 |
0,530 |
0,519 |
||||
|
10 |
0,533 |
0,520 |
0,610 |
|||||
|
20 |
0,516 |
0,505 |
||||||
|
Более 20 |
0,5 |
|||||||
b и h - соответственно больший и меньший размеры сечения элемента (или его части), перпендикулярного к направлению внешнего растягивающего усилия
5.3.9. Если имеет место 2-ой случай исчерпания сопротивления растяжению сталефибробетона, величина Rfbt определяется по формуле
где: ![]()
т2 - коэффициент условий работы, принимаемый равным 1,1.
5.3.10. Значения коэффициентов т1 и m2 в случаях применения прогрессивных технологий могут быть уточнены после экспериментального обоснования в соответствующем порядке по согласованию с ГУП «НИИЖБ».
5.3.11. Для определения величины Rfbt коэффициент kor принимается по табл. 3 различным для отдельных частей сечения рассчитываемого элемента (верхней полки, нижней полки, стенки, ребра и т.п.) в зависимости от их размеров и длины фибры.
5.3.12. Расчетное сопротивление сжатию сталефибробетона Rfb определяется в зависимости от класса бетона, вида и размеров фибры, геометрии и размеров сечения элемента. При этом учитывается только работа фибр, ориентированных нормально к направлению внешнего сжимающего усилия и удовлетворяющих условию (1) п. 5.3.7 настоящих РТМ.
Величина Rfb определяется по формуле
где: kn - коэффициент, учитывающий работу фибр в сечении, перпендикулярном направлению внешнего сжимающего усилия, принимаемый по табл. 4;
φf - коэффициент эффективности косвенного армирования фибрами, вычисляемый по формуле
где
(8)
Таблица 4
Значения коэффициентов ориентации фибры в зависимости от размеров сечения сжатого элемента
|
h/lf |
Значение kn при b/lf |
|||||||
|
0,5 |
1 |
2 |
3 |
5 |
10 |
20 |
Более 20 |
|
|
0,2 |
0,126 |
0,263 |
0,449 |
0,511 |
0,560 |
0,597 |
0,616 |
0,636 |
|
0,4 |
0,122 |
0,259 |
0,444 |
0,506 |
0,555 |
0,591 |
0,610 |
0,629 |
|
0,6 |
0,122 |
0,257 |
0,441 |
0,502 |
0,551 |
0,589 |
0,606 |
0,624 |
|
0,8 |
0,122 |
0,253 |
0,429 |
0,494 |
0,542 |
0,578 |
0,596 |
0,614 |
|
1,0 |
0,118 |
0,247 |
0,422 |
0,480 |
0,527 |
0,563 |
0,580 |
0,597 |
|
1,5 |
0,110 |
0,232 |
0,399 |
0,454 |
0,498 |
0,531 |
0,548 |
0,565 |
|
2,0 |
0,110 |
0,226 |
0,387 |
0,440 |
0,484 |
0,517 |
0,532 |
0,549 |
|
3 |
0,105 |
0,219 |
0,375 |
0,428 |
0,470 |
0,510 |
0,517 |
0,532 |
|
5 |
0,1 |
0,214 |
0,367 |
0,418 |
0,458 |
0,490 |
0,504 |
0,520 |
|
10 |
0,1 |
0,210 |
0,360 |
0,410 |
0,449 |
0,481 |
0,495 |
0,510 |
|
20 |
0,1 |
0,297 |
0,356 |
0,406 |
0,446 |
0,475 |
0,490 |
0,505 |
|
Более 20 |
0,1 |
0,205 |
0,353 |
0,401 |
0,442 |
0,470 |
0,485 |
0,5 |
b и h - соответственно больший и меньший размеры сечения элемента (или его части), перпендикулярного к направлению внешнего сжимающего усилия
5.3.13. Расчет по прочности сечений, нормальных к продольной оси сталефибробетонного элемента, когда сила действует в плоскости оси симметрии, производится согласно основным положениям СНиП 2.03.01-84*, пп. 3.3 - 3.40 СНиП 2.03.03-85 с использованием приведенных в нем формул и с учетом положений пп. 5.3.1 - 5.3.16 настоящих РТМ.
При этом расчет сталефибробетонных элементов при только фибровом армировании ведется как армоцементных элементов с арматурой, приведенной к равномерно распределенной по сечению элемента (см. п. 3.2 СНиП 2.03.03-85).
Расчет элементов при комбинированном армировании ведется как армоцементных элементов с комбинированным армированием (см. п. 3.3 - 3.19 СНиП 2.03.03-85), с учетом изменений в расчетных формулах, приведенных в пп. 5.3.14 - 5.3.18 настоящих РТМ, используя приведенные в них расчетные схемы усилий и эпюр напряжений в сечениях сталефибробетонных элементов.
для растянутой зоны
(9)
для сжатой зоны
(10)
где kor и kn коэффициенты, принимаемые соответственно по табл. 3 и 4.
5.3.15. Расчет прочности нормальных сечений изгибаемых, внецентренно сжатых, центрально и внецентренно растянутых сталефибробетонных элементов производят по формулам (1) - (5), (7) - (23) пп. 3.5 - 3.13 СНиП 2.03.03-85 с заменой в них величин, используемых для армоцемента, на соответствующие величины для сталефибробетона в соответствии с табл. 5.
Таблица 5
Расчетные величины, предусмотренные СНиП 2.03.03-85, заменяемые на соответствующие величины по настоящим РТМ
|
Величины, используемые для сталефибробетона |
|
|
Rm ∙ µml |
Rfbt |
|
Rcl или Rb + Rmc ∙ µтl |
Rfb |
|
Rcfl |
Rfbf |
|
Rcwl |
Rfbw |
|
Rcrl |
Rfbr |
|
Rmµmrl |
Rfbtr |
Другие обозначения и величины в указанных формулах СНиП 2.03.03-85 принимаются без изменений.
Величины Rfbt, Rfb, Rfbf (для полки), Rfbtw, Rfbw (для ребра или стенки) и Rfbtr, Rfbr, (для кольцевого сечения) определяют по пп. 5.3.7 - 5.3.12 настоящих РТМ с использованием в формулах (4) - (6) коэффициентов ориентации соответственно для отдельных частей сечения элемента: knf - для сжатой полки; korf - для растянутой полки; korw - для растянутой зоны сечения ребра или стенки; knw - для сжатой зоны сечения ребра или стенки; korт и knr - для растянутой и сжатой зон кольцевого сечения.
5.3.16. При расчете сталефибробетонных конструкций по пп. 5.3.13 - 5.3.15 настоящих РТМ используются расчетные схемы внутренних усилий и напряжений, приведенные для элементов:
внецентренно сжатых - на рис. 5 и 6;
внецентренно растянутых - на рис. 7.
5.3.17. При расчете по прочности изгибаемых сталефибробетонных элементов складчатого сечения с комбинированным армированием проволочной арматурой класса Вр-II значение величины Rfbt в расчетных формулах (7) - (22) пп. 3.7 - 3.12 СНиП 2.03.03-85 (см. рис. 3, 4) принимается умноженным на коэффициент условий работы m3, равный:
0,85 при Rfbt ∙ Аbt ≥ 0,5Ns;
0,90 « 0,2Ns < Rfbt ∙ Abt < 0,5Ns;
0,95 « Rfbt ∙ Аbt < 0,2Ns,
где Ns - суммарное предельное усилие в растянутой проволочной арматуре
Ns = As ∙ Rs.
В случае, когда площадь сечения растянутой арматуры по конструктивным соображениям или из расчета по предельным состояниям второй группы принята большей, чем это требуется для соблюдения условия х ≤ ζR ∙ h, то для элементов из бетона класса В30 и ниже при комбинированном армировании с ненапрягаемой арматурой классов A-I, A-II, А-III и Вр-I допускается производить расчет по формулам (4), (7), (10), (11), (14) и (15) СНиП 2.03.03-85, принимая х = ζR ∙ h.
Для элементов из бетона классов выше В30 и для стержневой или проволочной арматуры, обычной или преднапряженной, более высоких классов, чем приведенные в настоящем пункте, рекомендуется производить уточненный расчет, пользуясь общими указаниями п. 3.17 формулы (28), (31), (33), (34) и (35) СНиП 2.03.01-84*, с учетом положений пп. 5.3.14 - 5.3.16 настоящих РТМ и расчетных схем, приведенных на рис. 3 и 4б.
Расчет по прочности сечений, наклонных к продольной оси элемента
5.3.19. Расчет сталефибробетонных элементов по наклонным сечениям выполняют на действие: поперечной силы по наклонной полосе между наклонными трещинами; поперечной силы по наклонной трещине и изгибающего момента по наклонной трещине в соответствии с положениями пп. 3.21 - 3.23 СНиП 2.03.03-85 и пп. 5.3.20 - 5.3.22 настоящих РТМ.
5.3.20 Расчет сталефибробетонных элементов прямоугольного сечения на действие поперечной силы для обеспечения прочности по наклонной полосе между наклонными трещинами выполняют с учетом указаний и по формулам (44) и (46) СНиП 2.03.03-85. При этом значение φwl определяют по формуле (87) СНиП 2.03.01-84*
(11)
где
(knw - см. п. 5.3.15 настоящих РТМ).
Значение правой части в формуле (44) СНиП 2.03.0385 принимают не более 1,3.
5.3.21. Расчет сталефибробетонных элементов по прочности на действие поперечной силы по наклонной трещине выполняют с учетом указаний и по формулам (47) - (51) СНиП 2.03.03-85. При этом в формулах (48), (49), (50) и (51) производят замену величин:
Qm на Qfb; qmw на qfb; Rmw ∙ µmwl на Rfbtw,
где Rfbtw определяется по пп. 5.3.7 - 5.3.9, 5.3.15 настоящих РТМ и формулам (4), (5) с заменой в них коэффициента kor на knw (п. 5.3.15).
5.3.22. Расчет сечений, наклонных к продольной оси сталефибробетонных элементов на действие изгибающего момента выполняют в соответствии с положениями п. 3.23 и по формуле (52) СНиП 2.03.03-85. При этом в формуле (52) производят замену величин:
Rm ∙ µmfl - на Rfbtf ; Rm ∙ µтwl - на Rfbtw,
где Rfbtf и Rfbtw - величины, определяемые по пп. 5.3.7 - 5.3.9 и 5.3.15 настоящих РТМ.
Расчет на продавливание
5.3.23. Расчет на продавливание плитных конструкций из сталефибробетона без поперечной арматуры рекомендуется производить, исходя из положений п. 3.42 СНиП 2.03.01-84*, заменяя условие формулы (107) на условие
F ≤ 0,7Rfbt ∙ Um ∙ h, (12)
где: Rfbt - принимается в соответствии с пп. 3.7 - 3.9 и 3.15 настоящих РТМ и по формулам (4), (5) с заменой в них коэффициента kor на kn, h - полная высота сечения элемента; Um - среднеарифметическое значений периметров верхнего и нижнего оснований пирамиды, образующейся при продавливании в пределах рабочей высоты сечения (см. черт. 16 СНиП 2.03.01-84*).
Расчет на отрыв
5.3.24. Расчет сталефибробетонных элементов на отрыв от действия нагрузки, приложенной к его нижней грани или в пределах высоты его сечения производится по указаниям п. 3.43 СНиП 2.03.01-84*.
Расчет закладных деталей
5.3.25. Расчет анкеров закладных деталей для сталефибробетонных конструкций производится в соответствии с указаниями п. 3.44 СНиП 2.03.01-84*.
При расчетах в формуле (116) СНиП 2.03.01-84* величина Rb (прочность бетона) в ней заменяется величиной Rfb (прочность сталефибробетона), а значение коэффициента λ принимается во всех случаях не более 0,75.
Расчет сталефибробетонных конструкций по второй группе предельных состояний производится в соответствии с положениями СНиП 2.03.01-84*, СНиП 2.03.03-85 и указаниями настоящих РТМ.
Расчет по второй группе предельных состояний включает:
- расчет по образованию трещин;
- расчет по раскрытию трещин, нормальных и наклонных к продольной оси элемента;
- расчет по деформациям.
Расчет по закрытию трещин для сталефибробетонных конструкций не производится.
Расчет по образованию трещин
5.4.1. Расчет элементов сталефибробетонных конструкций по образованию трещин, нормальных и наклонных к продольной оси элемента, производят в соответствии с указаниями пп. 4.2 - 4.9, 4.11 СНиП 2.03.01-84* и пп. 4.1 - 4.2, 4.13 СНиП 2.03.03-85, как для армоцементных конструкций из бетона соответствующего вида и класса, а также согласно п. 5.4.2 настоящих РТМ.
5.4.2. Момент трещинообразования Mcrc для сталефибробетонных элементов определяют по формулам (75) и (76) п. 4.13 СНиП 2.03.03-85. При этом величину Wpt определяют по формуле
(13)
где: Jbc, Jfcl и Jftl - моменты инерции сжатой зоны бетона, площадей сечения фибровой или фибровой и стержневой (проволочной) арматуры, расположенной соответственно в сжатой и растянутой зонах сечения, относительно нулевой линии; Sbt - статический момент площади сечения растянутой зоны бетона относительно нулевой линии; αf - отношение модулей упругости фибровой арматуры Еf и бетона Еb.
Положение нулевой линии определяют по формуле
(14)
где: Sbc, Sfcl и Sftl - статистические моменты площадей сечения сжатой зоны бетона, площадей сечения фибровой или фибровой и стержневой (проволочной) арматуры, расположенной в сжатой и растянутой зонах сечения, относительно нулевой линии.
Значения Jfcl, Jftl, Sfcl и Sftl вычисляют с учетом коэффициентов фибрового
армирования по площади
, µfa и µfaw, определяемых по формулам
(16)
Коэффициенты knf, korf и korw учитывающие ориентацию фибр в полках и ребре, принимаются по табл. 4.
Значение коэффициента kan определяется по формуле
где ![]()
Здесь lfan - см. формулу (3); М и Мcrc - см. п. 4.13 СНиП 2.03.03-85; Мlim - расчетный изгибающий момент (из расчета по предельным состояниям первой группы).
5.4.3. Элементы сталефибробетонных конструкций рассчитывают по раскрытию трещин:
нормальных к продольной оси элемента;
наклонных к продольной оси элемента.
Расчет ширины раскрытия трещин, нормальных к продольной оси элемента
5.4.4. Ширину раскрытия трещин, нормальных к продольной оси элемента,
(19)
где: δ - коэффициент, принимаемый равным для элементов:
|
изгибаемых и внецентренно сжатых |
1,0; |
|
растянутых |
1,2; |
φl - коэффициент, принимаемый равным при учете:
|
кратковременных нагрузок и непродолжительного действия постоянных и длительных нагрузок |
1,00; |
многократно повторяющейся нагрузки, а также продолжительного действия постоянных и длительных нагрузок для конструкций из бетона:
|
тяжелого |
1,50; |
|
мелкозернистого группы А |
1,75. |
Значение φl для мелкозернистого бетона в водонасыщенном состоянии умножают на коэффициент 0,8, а при попеременном водонасыщении и высушивании - на коэффициент 1,2;
ηfl - коэффициент, учитывающий влияние фибрового армирования, определяемый по формуле
(20)
Значение коэффициента т определяется по формуле
(21)
где: А - площадь поперечного сечения элемента (мм2), трещиностойкость которого определяется;
µfa,red - приведенный коэффициент армирования, определяемый по формуле
(22)
где
- коэффициент, принимаемый для фибры, резаной из листа равным - 1,2;
µfaw - определяется по формуле (17) п. 5.4.2;
ηs - коэффициент, принимаемый для:
|
стержневой арматуры периодического профиля |
1,0; |
|
стержневой арматуры гладкой |
1,3; |
|
проволочной арматуры периодического профиля и канатов |
1,2; |
|
проволочной арматуры гладкой |
1,4; |
σf - условные напряжения в крайнем растянутом волокне или приращение напряжений от действия внешней нагрузки (при наличии предварительного напряжения), определяемое по п. 5.4.5 настоящих РТМ;
µred - приведенный коэффициент армирования по площади сечения, определяемый по формуле
µred = µfaw + µs, (23)
но не более 0,02;
dred - приведенный диаметр фибровой и стержневой арматуры, определяемый по формуле
(24)
5.4.5. Напряжение σf определяют по формулам (56) - (58) СНиП 2.03.03-85 и с учетом положений пп. 4.5, 4.6 СНиП 2.03.03-85, пп. 5.4.6 и 5.4.7 настоящих РТМ.
5.4.6. При расчете σf, как и для армоцементных конструкций, рассматривают сечение, приведенное к эквивалентному стальному сечению (рис. 8), с единой упругой характеристикой. В растянутой зоне к стальному сечению приводят только фибровую и стержневую (проволочную) арматуру с эквивалентной площадью сечения, а в сжатой зоне - арматуру и бетон с эквивалентными площадями сечения, приведенными к фибровой арматуре при αs = Es/Ef и αb = Eb/Ef.
5.4.7. При определении σf в формулу (56) СНиП 2.03.03-85 вместо значения µm подставляют значение µred.
В формулах (57) и (58) СНиП 2.03.03-85 величину Wsl заменяют на величину Wfl определяемую по формуле
(25)
где Ifl - момент инерции приведенного сечения (см. п. 5.4.6 настоящих РТМ);
ус - расстояние от центра тяжести сечения, приведенного к стальному, до растянутой грани сечения.
Расчет ширины раскрытия трещин, наклонных к продольной оси элемента
5.4.8. Ширину раскрытия трещин, наклонных к продольной оси изгибаемых элементов, при фибровом и комбинированном армировании определяют по формуле
(26)
где φl - см. формулу (18);
kl - коэффициент, принимаемый для фибры резаной из листа, равным (25 - 1400µfaw) ∙ 103;
ηfl - см. формулу (18);
(kn - принимается по табл. 4);
(27)
Здесь Q - наибольшая поперечная сила на рассматриваемом участке длины элемента от действующей нагрузки; Р - усилие предварительного напряжения с учетом всех потерь; Аbc - площадь сечения сжатой зоны бетона.
Расчет элементов сталефибробетонных конструкций по деформациям
5.4.9. Деформации (прогибы, углы поворота) элементов сталефибробетонных конструкций вычисляют по формулам строительной механики, определяя входящие в них значения кривизны согласно пп. 5.4.10 - 5.4.13 настоящих РТМ.
Величина кривизны и деформаций сталефибробетонных элементов отсчитывается от их начального состояния; при наличии предварительного напряжения - от состояния до обжатия.
5.4.10. Кривизна сталефибробетонных элементов определяется:
а) для участков элемента, где в растянутой зоне не образуется трещины, нормальные к продольной оси элемента, - как для сплошного тела;
б) для участков элемента, где в растянутой зоне имеются трещины, нормальные к продольной оси, - как отношение разности средних деформаций крайнего волокна сжатой зоны бетона и крайнего волокна растянутой зоны (или продольной растянутой арматуры при комбинированном армировании к высоте сечения элемента (или рабочей высоте сечения).
Элементы или участки элементов рассматриваются без трещин в растянутой зоне, если трещины не образуются при действии постоянных, длительных и кратковременных нагрузок; при этом нагрузки вводятся в расчет с коэффициентом надежности по нагрузке γf = 1,2 (СНиП 2.03.01-84*).
Определение кривизны сталефибробетонных элементов на участках без трещин в растянутой зоне
5.4.11. Полное значение кривизны изгибаемых, внецентренно сжатых и внецентренно растянутых элементов на участках, где образуются нормальные или наклонные к продольной оси элементы трещины, определяют по формуле
(28)
где
и
- кривизна соответственно от кратковременных (принимаемых
согласно п. 1.12 СНиП 2.03.01-84*) и от
постоянных и длительных временных нагрузок (без учета усилия Р)
где M - момент от соответствующей внешней нагрузки относительно оси, нормальной к плоскости действия момента и проходящей через центр тяжести приведенного сечения;
Вfl - жесткость сталефибробетонного элемента при кратковременном действии нагрузки, определяемая по формуле
где Еb - модуль упругости бетона, принимаемый по СНиП 2.03.01-84*;
Il - момент инерции сечения, приведенного к бетонному и включающего в себя площадь бетона, фибровой или фибровой и стержневой арматуры, приведенной к бетону. При этом коэффициент приведения для фибровой арматуры αfb = Еf/Еb, для стержневой арматуры αsb = Еs/Еb, а приведенные проценты армирования фибровой и стержневой (проволочной) арматурой определяются в соответствии с п. 5.4.2 формулы (15) - (18) настоящих РТМ;
- коэффициент, учитывающий влияние длительной ползучести бетона и
принимаемый по табл. 34 СНиП 2.03.84* в зависимости от вида бетона;
- кривизна, обусловленная
выгибом элемента от непродолжительного действия усилия предварительного обжатия
и определяемая по формуле
где еор - эксцентриситет приложения силы Р относительно центра тяжести элемента.
где εb и
- относительные
деформации сталефибробетона, вызванные его усадкой и ползучестью под действием
усилия предварительного обжатия, определяемые соответственно на уровне
растянутой и сжатой грани сечения по формулам
(34)
(35)
Значение σfb принимается численно равным сумме потерь
предварительного напряжения арматуры от усадки и ползучести бетона согласно
поз. 6, 8 и 9 табл. 5 СНиП 2.03.01-84* и п. 5.1.23 настоящих РТМ для арматуры
растянутой зоны (условно принимается расположенной на растянутой грани
сечения), а
- то же для напрягаемой
арматуры, если бы она имелась на уровне крайнего сжатого волокна бетона.
При этом сумма
принимается не менее 
Значения кривизны
и
для элементов без предварительного напряжения допускается
принимать равными нулю.
5.4.12. При определении кривизны
на участках с начальными трещинами в сжатой зоне бетона (см. п. 1.18 СНиП
2.03.01-84*) значения
,
и
, и определенные по формулам (29), (30) и (32)
принимаются увеличенными на 15 %, а значение
, определенное по формуле (31) - на 25 %.
Определение кривизны сталефибробетонных элементов на участках с трещинами в растянутой зоне
5.4.13. Кривизны изгибаемых, внецентренно сжатых и внецентренно растянутых сталефибробетонных элементов прямоугольного, таврового и двутаврового сечений на участках, где образуются нормальные к продольной оси элемента трещины, определяют по указаниям и с использованием формул, приведенных в пп. 4.12 - 4.15 СНиП 2.03.03-85 с учетом п. 5.4.14 настоящих РТМ.
5.4.14. Полное значение кривизны сталефибробетонных элементов определяют в соответствии с п. 4.12 СНиП 2.03.03-85 со следующими изменениями:
значения ρ в формуле (72) СНиП
2.03.03-85 заменяют на
с соответствующими индексами:
,
и т.д.;
определение величин
,
,
производят по формуле (73) СНиП
2.03.03-85, при этом:
значение Bfl определяют по формуле (29) настоящих РТМ с уменьшением на коэффициент
;
значение
при кратковременном
действии нагрузки принимают равным
(36)
значение
при
длительном действии нагрузки принимают равным
(37)
значение
определяют согласно п. 4.7 настоящих Рекомендаций;
значение
определяют по формуле (33)
настоящих Рекомендаций.
Высоту сжатой зоны определяют по формуле
(38)
где Sb - статический момент приведенной к бетону площади сечения без учета площади бетона растянутых свесов полки относительно растянутой грани;
Ared - площадь приведенного к бетону сечения, включающая в себя площадь бетона сжатой и растянутой зон (без учета площади растянутых уширений), стержневой арматуры, приведенной к бетону при αsb = Еs/Еb, площадь фибровой арматуры, приведенной к бетону при αfb = Еf/Еb;
Аov - площадь уширений растянутой зоны бетона.
Расчет прогибов сталефибробетонных элементов
5.4.15. Прогибы fm сталефибробетонных элементов определяют в соответствии с указаниями п. 14.31 СНиП 2.03.01-84*, п. 4.16 СНиП 2.03.03-85, используя результаты расчетов по пп. 5.4.11 - 5.4.14 настоящих РТМ.
5.5.1. При проектировании сталефибробетонных конструкций для обеспечения условий их изготовления, совместной работы бетона и арматуры и требуемой долговечности рекомендуется руководствоваться следующими положениями.
5.5.2. Размеры сечений элементов конструкций рекомендуется принимать, исходя из следующих условий:
а) толщина плоских плит или полок ребристых плит сборных конструкций рекомендуется не более 30 мм;
б) толщину полок или стенок элементов рекомендуется принимать не менее 15 мм, а для плит междуэтажных перекрытий - не менее 30 мм.
5.5.3. При вертикальном изготовлении конструкций ширину ребра по верху, включая вут, рекомендуется принимать больше ширины ребра по низу на размер не менее 0,5lf.
5.5.4. Сопряжение ребер конструкции с полками рекомендуется принимать по радиусу не менее 0,6lf или с устройством вута с размером проекции не менее 0,75lf.
5.5.5. При проектировании конструкций следует сочетать размер сечений элементов, размеры фибр и коэффициент фибрового армирования таким образом, чтобы минимальная площадь поперечного сечения элемента или его части Аmin отвечала условию
(39)
5.5.6. Коэффициент фибрового армирования по объему рекомендуется принимать в пределах 0,005 ≤ µfv ≤ 0,018 для конструкций, работающих на растяжение, изгиб и сжатие. Допускается при экономическом обосновании принимать µfv > 0,018 для конструкций, подверженных ударным, истирающим, температурным воздействиям, или при предъявлении к конструкциям повышенных требований к трещиностойкости, но не более 0,02.
5.5.7. Минимальные значения коэффициента фибрового армирования рекомендуется принимать, соблюдая следующее условие
(40)
где С - коэффициент, принимаемый равным 1,0 для элементов, работающих при осевом и внецентренном растяжении с малыми эксцентриситетами, и 0,6 - для изгибаемых элементов.
5.5.8. Для несущих конструкций следует применять комбинированное армирование.
5.5.9. Расстояние между отдельными арматурными стержнями или прядями, располагаемыми в верхней зоне поперечных сечений, рекомендуется принимать не менее 30 мм.
5.5.10. Длина зоны анкеровки стержневой или проволочной арматуры при комбинированном армировании может приниматься по указаниям п. 5.15 СНиП 2.03.01-84*, как для случая наличия косвенной арматуры с учетом количества и ориентации фибровой арматуры.
5.5.11. Толщина защитного слоя сталефибробетона до стержневой или проволочной арматуры при условии обеспечения его равномерного фибрового армирования принимается согласно п. 5.4 СНиП 2.03.03-85.
5.5.12. Радиус свободного погиба r свежеотформованного листа при изготовлении сталефибробетонных конструкций во избежание разрывов и сдвигов рекомендуется принимать не меньше 3t и 100df,red. При специальных устройствах листогибочного поддона или последующем (повторном) вибрировании радиус погиба может быть принят меньшим по экспериментальным данным.
5.5.13. Толщину плит или стенок тонкостенных конструкций рекомендуется принимать не менее 1/200 их свободного пролета.
В слоистых элементах, в которых утеплитель может содействовать повышению устойчивости плит, их толщина может быть менее 1/200 их наибольшего размера или расстояния между ребрами. При этом принятая толщина должна быть обоснована в соответствующем порядке.
Технические требования к смеси
6.1.1. Качество сталефибробетонной смеси и материалов для ее приготовления должно удовлетворять требованиям ГОСТ 7473-94, настоящих РТМ и проектной документации на изделие, конструкцию или сооружение.
6.1.2. Для получения сталефибробетонной смеси, готовой к употреблению, должны использоваться следующие компоненты: цемент, заполнители, химические добавки, вода и стальные фибры в оптимальном сочетании для обеспечения проектных свойств и характеристик сталефибробетона и возможности выполнения технологических регламентов на изготовление изделий, конструкций или возведение сооружений.
6.1.3. Условное обозначение сталефибробетонной смеси принимается по аналогии с ГОСТ 7473-94 для бетонной смеси с добавлением в ее обозначение букв «СФ» (в начале обозначения), с указанием под чертой процента фибрового армирования по объему и через тире условного обозначения используемой фибры в соответствии с табл. 1 ТУ 0991-123-53832025-2001.
Пример условного обозначения сталефибробетонной смеси, готовой к употреблению из тяжелого бетона класса по прочности на сжатие В35, процентом фибрового армирования по объему - 1,5, с фиброй модуля 2, первого (1) класса по прочности, толщиной 0,7 мм, шириной 0,8 мм и длиной 40 мм; марок по: морозостойкости F75, водонепроницаемости W6, удобоукладываемости (подвижности) П2:
СФБС ГТ В35/1,5(2ФЛ1-0,7/0,8/40) - F75 W6 П2.
6.1.4. Основными показателями качества сталефибробетонной смеси, готовой к употреблению, являются:
- соответствие вида, технических характеристик и дозировки исходных материалов (компонентов смеси) требованиям, предъявляемым к номинальному составу этой смеси;
- удобоукладываемость (подвижность);
- однородность состава смеси в ее объеме;
- расслаиваемость смеси;
- сохраняемость свойств во времени;
- соответствие проектным требованиям по прочности на сжатие и осевое растяжение (или растяжение при изгибе) сталефибробетона, получаемого из сталефибробетонной смеси.
6.1.5. Оформление технической документации на сталефибробетонные смеси выполняется в соответствии с ГОСТ 7473-94 с дополнительным указанием: содержания фибры в кг на 1 м3 смеси, технических условий на ее производство и марки фибры.
Требования к материалам
Вяжущие
6.1.6. В качестве вяжущих для приготовления сталефибробетона рекомендуется применять портландцементы активностью не ниже марки 400, отвечающие требованиям ГОСТ 10178-85.
6.1.7. Допускается, при экспериментальном обосновании, применение напрягающих цементов и вяжущих с компенсированной усадкой, обеспечивающих коррозионную стойкость фибры в бетоне.
Допускается заменять часть цемента (до 10 - 15 %) золой-уносам тепловых электростанций по ГОСТ 25818-91.
Заполнители
6.1.8. В качестве крупного заполнителя для сталефибробетона рекомендуется применять щебень из плотных горных пород по ГОСТ 8267-93 и ГОСТ 26633-91 как правило с максимальным размером зерен до 10 мм и с содержанием зерен пластинчатой и игловатой формы до 25 %.
6.1.9. Допускается при техническом обосновании применять щебень с максимальной крупностью зерен до 20 мм с ограниченным содержанием фракции 10 - 20 мм в количестве до 25 % по массе.
6.1.10. В качестве мелкого заполнителя для тяжелого и мелкозернистого сталефибробетона следует применять кварцевый песок по ГОСТ 8736-93 и ГОСТ 26633-91 с модулем крупности, как правило, не ниже 2,0.
Фибровая арматура
6.1.11. Фибра должна отвечать требованиям и характеристикам, указанным в ТУ-0991-123-53832025-2001.
Химические добавки
6.1.12. Для регулирования свойств сталефибробетонных смесей, для обеспечения их подвижности и удобоукладываемости, рекомендуется применять химические добавки, пластифицирующие/водоредуцирующие добавки или комплексные модификаторы бетона.
Химические добавки для сталефибробетона должны соответствовать ГОСТ 24211-91.
В качестве модификатора может применяться комплексный модификатор бетона типа МБ-01 различных марок на основе микрокремнезема и суперпластификатора.
6.1.13. Выбор вида добавок и их дозировок следует производить в соответствии с положениями «Рекомендаций по применению добавок и суперпластификаторов в производстве сборного и монолитного железобетона». М., НИИЖБ, ЦНИИОМТП, 1987.
6.1.14. При выборе добавок и определении их количества в бетоне следует учитывать следующие технологические особенности сталефибробетона:
- эффект вытеснения вовлеченного в бетонную смесь воздуха при введении фибровой арматуры (в сталефибробетонных смесях с добавками ПАВ содержится в 1,7 - 2,1 раза меньше вовлеченного воздуха, чем в исходной матрице) позволяет использовать повышение дозы пластифицирующих добавок;
- наличие металлической фибровой арматуры с относительно большой удельной поверхностью требует создания повышенных ингибирующих свойств матрицы.
6.1.15. Рекомендуется использование добавок многофункционального назначения, состоящих из 2 - 5 компонентов, оптимизирующих совместно технологические и эксплуатационные характеристики сталефибробетона.
Вода.
6.2.16. Вода для сталефибробетонных смесей должна соответствовать ГОСТ 23732-79.
Технология приготовления сталефибробетонной смеси
6.1.17. Сталефибробетонные смеси должны приготавливаться, как правило, в стационарных условиях производства на действующих БСУ или специально оборудованных постах, либо на специализированных передвижных установках, в том числе с использованием автобетоносмесителей.
6.1.18. Приготовление сталефибробетонной смеси следует производить с соблюдением требований ГОСТ 7473-94 и СНиП 3.09.01-85.
6.1.19. При приготовлении сталефибробетонной смеси следует руководствоваться требованиями настоящих РТМ, обеспечивающими качество ее основных показателей, технологической картой производства и контроля качества.
6.1.20. Хранение компонентов (исходных материалов) сталефиробетонной смеси должно осуществляться раздельно на специализированном складе, оснащенном технологическим оборудованием для приема и выдачи компонентов и не допускающим их прямого увлажнения.
6.1.21. Дозирование компонентов сталефибробетонной смеси производят по массе. Погрешности при дозировании не должны превышать значений, регламентируемых ГОСТ 7473-94. Точность дозирования компонентов смеси контролируют постоянно при производстве работ.
6.1.22. Для дозирования компонентов бетона (цемент, мелкий и крупный заполнитель, вода затворения, добавки) применяют серийные дозаторы. Дозирование стальных фибр по массе осуществляют на оборудованном для этих целей технологическом посту с учетом установленного их содержания, приходящегося на рабочие замесы приготавливаемой сталефибробетонной смеси.
Отдозированное по массе для каждого рабочего замеса смеси количество фибр размещают в дозировочные емкости (контейнеры), которые подают (транспортируют) к смесительному оборудованию.
Допускается осуществлять дозирование фибр в одном технологическом цикле при приготовлении сухой сталефибробетонной смеси по технологическому регламенту, предусматривающему совмещение (смешивание) получаемых фибр с сухими компонентами (мелким и крупным заполнителем) бетонной смеси.
6.1.23. Перед загрузкой отдозированных порций компонентов смеси в бетоносмеситель проверяют (в течение каждой смены) чистоту и исправность работы оборудования. Для загрузки каждой новой порции компонентов внутренняя полость бетоносмесителя должна быть очищена от остатков предыдущего замеса.
6.1.24. Приготовление сталефибробетонной смеси производят, как правило, в серийных бетоносмесителях принудительного действия. Допускается использование также других видов смесителей, обеспечивающих получение однородной бетонной смеси.
6.1.25. Для обеспечения равномерности распределения фибр в объеме сталефибробетонной смеси и исключения возможности образования в ней комков сцепившихся фибр («ежей») рекомендуется следующее:
- изменение консистенции бетонной смеси при заданной удобоукладываемости за счет введения пластифицирующих добавок;
- равномерная подача фибр в смеситель с использованием для этого специальных устройств (диспергаторов)*; подача полной дозы фибр в смеситель на замес сталефибробетонной смеси в один прием не допускается;
- сокращение продолжительности (в пределах технологического регламента) времени перемешивания смеси.
_____________
* Диспергатор фибры может быть принят и изготавливаться по разработанной ООО НПО «Магнитогорск Фибра-Строй» документации (см. п. 17 приложения Г).
6.1.26. Объем рабочих замесов при приготовлении сталефибробетонной смеси в бетоносмесителях принудительного действия (с целью исключения возможности перегрузки смесителя) рекомендуется снижать на 25 - 30 % по сравнению с объемом аналогичных замесов, назначаемых для обычного (тяжелого) бетона.
6.1.27. Интервал времени перемешивания сталефибробетонной смеси не должен превышать, как правило, 3 минуты. Установление рабочих интервалов времени перемешивания производят опытным путем при освоении технологического процесса.
6.1.28. При организации производства работ приготовление сталефибробетонной смеси осуществляют, как правило, по двум независимым способам, включающим следующие операции:
а) по первому способу:
- введение в смеситель всех компонентов (заполнители, цемент, вода и добавки) бетонной смеси;
- подача равномерным и непрерывным потоком отдозированной на замес порции фибр в работающий смеситель во время перемешивания в нем компонентов бетонной смеси;
- перемешивание компонентов бетонной смеси и фибр до получения однородного состава смеси;
- выгрузка готовой к употреблению смеси из смесителя.
б) по второму способу:
- приготовление сухой смеси компонентов бетона (мелкого и крупного заполнителя без цемента) с фибрами;
- введение в бетоносмеситель отдозированной на замес порции сухой смеси с последующей подачей цемента, воды и добавок;
- перемешивание смеси до получения однородного состава;
- выгрузка готовой к употреблению смеси из бетоносмесителя.
6.1.29. Операцию подачи стальных фибр в работающий смеситель осуществляют с помощью специальных устройств - диспергаторов, например, в виде вращающегося цилиндрического барабана с продольными отверстиями в его стенке («беличьего колеса») или вибросита с направляющим лотком, устанавливаемых над бетоносмесителем. Фибры (навеску на замес) помещают в барабан или на вибросито, с помощью которых обеспечивают за счет действия центробежных (или вибрационных) сил непрерывную и равномерную подачу фибр в бетоносмеситель. Работу указанных устройств синхронизируют с работой бетоносмесителя и осуществляют с одного пульта управления.
6.1.30. При использовании автобетоносмесителя допускаются две схемы получения сталефибробетонной смеси.
По первой схеме автобетоносмеситель загружают отдельно сыпучими составляющими смеси при вращающемся барабане, а смесь приготавливают во время движения или на объекте (на строительной площадке) с введением регламентируемого количества воды и химических добавок из бака автобетоносмесителя, снабженного водомером. Приготовление смеси готовой к употреблению производят не ранее, чем за 5 минут до ее выгрузки.
Загрузку сыпучих компонентов смеси в автобетоносмеситель осуществляют в следующей последовательности: щебень, песок, цемент, фибра. Загрузку фибры производят равномерным и непрерывным потоком в 3 - 4 приема через промежутки времени 1 - 1,5 минуты (при вращающемся барабане смесителя).
По второй схеме автобетоносмеситель загружают готовой бетонной смесью (либо бетонную смесь приготавливают непосредственно в автобетоносмесителе) и перед выгрузкой во вращающийся барабан с готовой бетонной смесью подают равномерным потоком отдозированную порцию фибр с соблюдением условий подачи по п. 6.3.30.
Правила контроля
6.1.31. Сталефибробетонные смеси должны быть приняты техническим контролем предприятия-изготовителя по показателям их качества, указанным в настоящих РТМ. Приемку смеси производят партиями. Составы (объем) партии устанавливают согласно положениям п. 2.1 ГОСТ 18105-86.
6.1.32. Соответствие показателей качества смесей бетонных по нормируемым показателям, указанным в стандартах или технических условиях на смеси бетонные конкретных видов, и требования технологической документации устанавливают по данным входного, операционного и приемочного контроля.
Входной контроль - определение качества материалов, применяемых для приготовления бетона (вяжущее, заполнители, фибра, добавки и др.).
Операционный контроль - определение удобоукладываемости бетонной смеси по методике ГОСТ 10181-2000.
Приемочный контроль, в том числе:
- приемо-сдаточный - определение распалубочной прочности и плотности бетона; средняя прочность в возрасте 28 суток (класс бетона) и плотность бетона в этом возрасте по методике ГОСТ 10180-90;
- периодические испытания - определение водонепроницаемости по ГОСТ 12730.5-84, водопоглощения по ГОСТ 12730.3-78, морозостойкости по ГОСТ 10060-95, истираемости по ГОСТ 13087-81 в случае необходимости.
6.1.33. Фибры, предназначенные для приготовления сталефибробетонной смеси принимают партиями, каждая партия должна состоять из фибр одной марки, изготовленных из исходного материала одного класса прочности. Объем партии устанавливает предприятие-изготовитель по согласованию с заказчиком.
6.1.34. Партия фибр должна сопровождаться документом о, качестве, удостоверяющем соответствие фибры требованиям настоящих РТМ и технических условий на фибру, утвержденных в установленном порядке. В документе о качестве, оформляемом предприятием-изготовителем фибр, указывают данные по результатам всех видов контроля согласно пп. 1.4.1 - 1.4.4; 1.5 и 1.7 ТУ 00991-123-53832025-2001.
6.1.35. При входном контроле качества фибр на предприятии-изготовителе сталефибробетонной смеси для осмотра и обмера от партии отбирают не менее 20 фибр. Объем и периодичность проверки механических свойств фибр на производстве определяется соответствующим ТУ.
Поперечные размеры фибры измеряют микрометром, ее длину - масштабной линейкой.
Временное сопротивление фибр разрыву определяет производитель.
6.1.36. Сведения, представленные в документе о качестве фибр, должны быть занесены в журнал входного контроля и хранения с отражением в нем даты поступления фибр. В журнале отмечают также условия хранения фибр после их поступления и приемки.
6.1.37. Форму регистрации результатов испытаний фибр в журнале при существующем входном контроле потребителем их качества и геометрических параметров принимают согласно данным, получаемым при этих испытаниях по методике технических условий на производство фибр.
6.1.38. При приготовлении сталефибробетонной смеси погрешность дозирования компонентов смеси по массе не должна превышать: ±1 % - для вяжущих, воды, добавок; ±2 % - для заполнителей; ±1 % - для фибр.
6.1.39. Показатели подвижности сталефибробетонной смеси готовой к употреблению следует принимать по маркам в соответствии с требованиями технологии изготовления конструкций или возведения сооружения.
6.1.40. На стадии отработки технологических режимов и в процессе производства работ следует определять показатели однородности (равномерности) распределения фибр в объеме смеси (коэффициент однородности - Ко) и коэффициент расслаиваемости смеси компонентов бетона с фибрами Кр.
Коэффициент Ко в каждой пробе не должен выходить за пределы:
1,1 ≥ Ко ≥ 0,9.
Значение коэффициента Кр должно быть не менее 0,85.
6.1.41. Средняя плотность сталефибробетонной смеси готовой к употреблению должна быть не ниже:
- 2400 кг/м3 в случае тяжелого бетона-матрицы;
- 2250 кг/м3 в случае мелкозернистого бетона-матрицы.
6.1.42. Приемку партии сталефибробетонной смеси по прочности получаемого сталефибробетона с регистрацией результатов приемки в соответствующих журналах производят согласно требованиям ГОСТ 18105-86 и настоящих РТМ.
6.1.43. Периодичность определения изготовителем морозостойкости и водонепроницаемости сталефибробетона устанавливают в соответствии с требованиями ГОСТ 26633-91 и не реже одного раза в шесть месяцев.
6.1.44. Каждая партия сталефибробетонной смеси, принятая техническим контролем изготовителя, должна сопровождаться документом о качестве этой смеси, при этом содержание и форма документа должны соответствовать ГОСТ 7473-94 с дополнительными сведениями о качестве фибры.
Методы контроля
6.1.45. Соответствие вида, качества и дозировки исходных материалов предъявляемым требованиям настоящих РТМ и карты производства и контроля качества проверяется в условиях производства и строительной площадки в соответствии с ГОСТ 7473-94.
6.1.46. Отбор проб сталефибробетонной смеси производят в соответствии с требованиями ГОСТ 10180-90, ГОСТ 10181-2000, ГОСТ 18105-86.
При этом минимальный объем пробы Vnp для контрольных испытаний сталефибробетонной смеси с целью определения однородности распределения фибр в ее объеме и показателя расслаиваемости устанавливают в зависимости от геометрических параметров используемых фибр и объемного их содержания по формулам (3) и (4):
где If, df,red, µfv - длина, приведенный диаметр фибр и коэффициент фибрового армирования по объему в % соответственно. Следует также соблюдать условие:
6.1.47. Для контроля однородности состава смеси (равномерности распределения фибр в ее объеме) на стадии подбора состава смеси, а также на стадии отработки режимов ее приготовления, из различных частей замеса этой смеси на месте ее приготовления отбирают не менее 10 проб с последующей их отмывкой и определением количества фибр в каждой пробе.
Отмывку фибр, их высушивание и взвешивание принимают по аналогии с методикой ГОСТ 10181-2000 (п. 3.1.5).
После отмывания проб водой, извлечения из них фибр, их высушивания и взвешивания следует определить значение коэффициента однородности Ко для этой смеси:
(5)
где Vnp - объем сталефибробетонной смеси в каждой пробе; µfv - заданное (проектное) значение коэффициента фибрового армирования по объему; ρst - плотность стали; mf,p, mf - регламентируемая и выявленная масса фибр в объеме смеси каждой из проб, соответственно.
6.1.48. Контролируемые режимы уплотнения опытных проб сталефибробетонной смеси определяют в соответствии с назначаемыми режимами уплотнения сборных изделий или монолитных конструкций на объекте при производстве работ. Последние задаются строительной организацией, осуществляющей эти работы, и затем уточняются совместно изготовителем смеси и ее потребителем.
6.1.49. Для определения коэффициента расслаиваемости Кр из смеси изготавливают куб со стороной ребра 15 см, удовлетворяющей условию (4). Уплотнение смеси осуществляют с учетом п. 3.1.2 ГОСТ 10181-2000. До момента схватывания уплотненного бетона форма куба раскрывается. С помощью «вилки» шириной равной стороне ребра куба он разделяется на две равные части - верхнюю и нижнюю. Каждая из частей отмывается, из них (например, с помощью магнита) извлекаются фибры и взвешиваются. Коэффициент расслаиваемости определяют по формуле:
(6)
где Робщ - общая масса фибр в образце; Рниж - масса фибр в нижней половине образца.
6.1.50. Для определения, при специальном требовании, соответствия прочности получаемого исходного бетона-матрицы (без фибр) проектному классу по прочности на сжатие из замесов бетонной смеси без фибр, приготовленных в соответствии с режимами приготовления сталефибробетона, отбирают пробы для проведения испытаний.
Испытания на прочность получаемого бетона-матрицы производят согласно ГОСТ 10180-90 и ГОСТ 18105-86.
6.2.1. При подборе состава сталефибробетона (СФБ) с заданными свойствами следует учитывать особенности сталефибробетона как композита, а также сталефибробетонных смесей, обусловленные наличием дополнительного, по сравнению с традиционным бетоном, компонента - стальной фибры.
6.2.2. Необходимым условием подбора состава является обеспечение максимально плотной беспустотной структуры затвердевшего сталефибробетона, с учетом влияния удельной поверхности и агрегатного состояния фибры (размеры, форма и характер поверхности).
6.2.3. Подбор состава сталефибробетона производится на основе положений и по методике ГОСТ 27006-86 с учетом влияния вводимой стальной фибры на свойства сталефибробетонной смеси (в т.ч. реологические), а также свойства сталефибробетона.
6.2.4. Подбор состава сталефибробетонной смеси, как правило, рекомендуется выполнять в два этапа.
На первом этапе подбирается состав смеси для исходного бетона (матрицы) в первую очередь по его классу по прочности на сжатие и другим требуемым проектным показателям.
При подборе номинального состава сталефибробетона из тяжелого бетона-матрицы на первом этапе рекомендуется опытным путем определять относительную величину содержания крупного и мелкого заполнителя, исходя из условия обеспечения оптимальных соотношений, обеспечивающих однородность сталефибробетона, учитывая рекомендации Приложения В.
На втором этапе производится корректирование состава бетона-матрицы с учетом введения фибры и ее влияния на соотношения компонентов смеси и ее свойства. В результате корректирования определяется номинальный состав сталефибробетонной смеси.
6.2.5. При подборе состава сталефибробетона по технологическим свойствам следует в первую очередь учитывать, что введение стальной фибры снижает подвижность получаемой СФБ смеси по сравнению с исходной бетонной смесью.
Влияние фибры и повышение водопотребности СФБ смеси, определяется опытным путем.
Для получения сталефибробетона достаточно высокой удобоукладываемости рекомендуется соблюдать следующие положения при подборе его состава.
Содержание мелкого заполнителя крупностью до 3 мм рекомендуется в пределах 560 - 630 кг/м3.
При расходе фибры не более 40 кг/м3 состав исходного бетона-матрицы для сталефибробетона может приниматься практически идентичным составу традиционного тяжелого бетона.
6.2.6. Выбор оптимальных размеров фракций заполнителей, а также оптимального количественного соотношения содержания крупного и мелкого заполнителя в сталефибробетонной смеси устанавливается опытным путем, руководствуясь указаниями пп. 6.2.4 - 6.2.8 настоящих РТМ.
6.2.7. Для получения однородной СФБ смеси и сталефибробетона оптимального по сочетанию свойств, следует применять химические добавки, а также комплексные модификаторы бетона, отвечающие требованиям ГОСТов, ТУ и других технических документов.
6.2.8. Подбор состава исходного бетона (матрицы) по прочности на сжатие следует производить, учитывая, что прочность сталефибробетона превышает прочность исходного бетона на 5 - 15 % в зависимости от прочности исходного бетона, прочности и содержания фибры. Это превышение может быть предварительно спрогнозировано путем расчета по указаниям пп. 5.3.12 настоящих РТМ.
6.2.9. При подборе состава сталефибробетона, обеспечивающего заданную проектную прочность на осевое растяжение, его величина может быть предварительно спрогнозирована путем расчета Rfbt по указаниям пп. 5.3.6 - 5.3.11 настоящих РТМ и затем проверена опытным путем.
6.2.10. Рекомендуемые практические методики подбора состава сталефибробетона на основе исходного тяжелого или мелкозернистого бетона приведены в приложении В.
6.3.1. Производственный контроль прочности сталефибробетона, как правило, следует осуществлять на предприятии-изготовителе сталефибробетонной смеси и на строительной площадке при возведении сталефибробетонных конструкций и сооружений.
6.3.2. Контролю подлежат следующие показатели сталефибробетона по прочности:
- на сжатие в проектном возрасте;
- на осевое растяжение в проектном возрасте;
- на растяжение при изгибе в проектном возрасте (по согласовании с ГУП «НИИЖБ» Госстроя РФ).
6.3.3. Контроль прочности сталефибробетона, а при обосновании и исходного бетона-матрицы, по контрольным образцам должен осуществляться в соответствии с методиками ГОСТ 18105-86 и ГОСТ 10180-90.
6.3.4. Прочность сталефибробетона на осевое растяжение по согласованию с ГУП «НИИЖБ» Госстроя РФ допускается определять (кроме образцов-призм) также на образцах пластинах-восьмерках, облегчающих центрирование прилагаемой нагрузки при испытаниях.
6.3.5. Контрольные образцы для определения свойств сталефибробетона должны иметь размеры не менее:
кубы - 10×10×10 см;
призмы - 10×10×40 см;
пластины - 10×20×40 см.
6.3.6. Контроль прочности на сжатие сталефибробетона в возведенных конструкциях или сооружениях допускается производить механическими методами неразрушающего контроля согласно требованиям ГОСТ 18105-86 и ГОСТ 22690-88.
6.3.8. На предприятии-изготовителе осуществляется контроль прочности сталефибробетона и исходного бетона-матрицы (см. п. 6.3.7).
На строительной площадке при возведении конструкций и сооружений контролируется только подвижность СФБ смеси и прочность сталефибробетона.
6.3.9. Морозостойкость сталефибробетона определяется по методике ГОСТ 10060.0-95 на контрольных образцах размером не менее 10×10×10 см.
6.3.10. Водонепроницаемость сталефибробетона определяется по методике ГОСТ 12730.5-84*.
6.3.11. Истираемость сталефибробетона определяется по ГОСТ 13087-81.
6.4.1. Транспортирование сталефибробетонной смеси при монолитном строительстве необходимо осуществлять с соблюдением требований СНиП 3.03.01-87.
6.4.2. В целях получения сталефибробетона однородного состава, транспортирование смеси рекомендуется производить в автобетоносмесителях. При этом подвижность сталефибробетонной смеси на портландцементе с минеральными добавками и без них должна быть не менее 5 - 8 см осадки конуса, смесей на напрягающем цементе - не менее 10 - 12 см.
6.4.3. В случае приготовления смеси в стационарных смесителях, транспортирование смеси производят автобетоновозами и автомобилями самосвалами. Кузова самосвалов должны быть водонепроницаемыми, иметь исправные затворы и приспособления для укрытия смеси от высыхания или увлажнения. После каждого рейса кузова должны промываться водой.
6.4.4. При температуре воздуха более 25 °С и в районах с сухим и жарким климатом транспортирование смеси следует производить в автобетоносмесителях; транспортирование в самосвалах разрешается производить только в ночное время.
6.4.5. Транспортирование автосамосвалами допускается только при техническом обосновании с соблюдением соответствующих требований.
6.5.1. Формование сталефибробетонных и комбинированно армированных изделий, выбор технологических операций формования, технологического оборудования, его рабочих параметров и т.д. необходимо осуществлять в соответствии с указаниями пп. 2.8 - 2.14 СНиП 3.03.01-87 и настоящих РТМ.
6.5.2. Формование изделий из сталефибробетонных смесей следует выполнять:
монолитных - по СНиП 3.03.01-87;
сборных - по СНиП 3.09.01-85.
6.5.3. Организация формовочных процессов и отдельных операций должна обеспечивать соответствие распределения фибры в изделии требованиям проекта.
6.5.4. Формовочные свойства сталефибробетонных смесей определяют в соответствии с ГОСТ 10181-2000. По жесткости, подвижности и применяемому формовочному оборудованию сталефибробетонные смеси условно могут быть разделены на пять групп (табл. 9).
6.5.5. Технология производства работ должна обеспечить стабильную и качественную укладку сталефибробетонной смеси в изделия или в вертикальные и горизонтальные конструкции сооружений.
6.5.6. Укладку сталефибробетонной смеси следует производить в соответствии с требованиями п. 2.8 - 2.14 СНиП 3.03.01-87 и настоящего раздела РТМ.
6.5.7. Виды и марки оборудования и механизмов, их производительность и режимы работы в процессе производства монолитных работ устанавливают при разработке ППР, с учетом требований настоящих РТМ, в зависимости от объемов и продолжительности укладки сталефибробетонной смеси при соответствующей их увязке со сроками возведения (или реконструкции) конструктивных элементов здания в целом.
Таблица 9
Рекомендуемое формовочное оборудование для сталефибробетонных смесей
|
Марка по удобоукладываемости, ГОСТ 7473-94 |
Подвижность ОК, см |
Жесткость смеси, с |
Формовочное оборудование |
|
|
Сборный |
П1 - П4 |
1-20 |
≤ 4 |
Прикрепляемые вибраторы, внутренние вибраторы |
|
Ж1 |
- |
5 - 10 |
Обычное вибрационное |
|
|
Монолитный |
Ж2 |
- |
11 - 20 |
Вибрационное с пригрузом |
|
Ж3 |
- |
21 - 30 |
Вибрационное со значительным пригрузом, вибропрессование, силовой прокат |
|
|
Ж4 |
- |
Более 31 |
Специальное оборудование, в том числе виброударная технология, оборудования для роликового формования |
6.5.8. Перед подачей и укладкой сталефибробетонной смеси проверяют качество выполнения арматурных и опалубочных работ.
6.5.9. Подачу сталефибробетонной смеси следует осуществлять техническими средствами, обеспечивающими сохранность свойств этой смеси.
6.5.10. Для подачи сталефибробетонной смеси к месту ее укладки следует применять, как правило, бетононасос с подающим трубопроводом. Допускается осуществлять подачу сталефибробетонной смеси к месту ее укладки бункерами, снабженными устройствами для вибропобуждения смеси, бадьями с нулевым уклоном стенок и другими средствами, обеспечивающими сохранение качества смеси и требования технологического регламента в процессе укладки этой смеси в конструкции.
6.5.11. Запрещается добавлять воду в сталефибробетонную смесь с целью увеличения ее подвижности на месте подачи и укладки в конструкцию.
6.5.12. При использовании бетононасоса стыки трубопроводов, обеспечивающих подачу сталефибробетонной смеси к месту ее укладки, должны быть качественно уплотнены, и исключать возможность зацепления в них фибр с последующим образованием (как следствие при неуплотнениом стыке) пробок смеси.
6.5.13. Внутренний диаметр подающих трубопроводов должен быть не менее чем в 2 раза больше длины фибр, используемых при приготовлении смеси, и не более 2/3 расстояния в свету между арматурными сетками в конструкции.
6.5.14. Подачу сталефибробетонной смеси к месту ее укладки следует осуществлять, как правило, с постоянной скоростью равномерно в направлении фронта укладки.
6.5.15. При укладке и уплотнении сталефибробетонной смеси следует обеспечить сохранение однородности распределения компонентов смеси в конструкции путем соблюдения:
- ограничений высоты сбрасывания сталефибробетонной смеси;
- установленных пределов времени уплотнения;
- толщины уплотняемых слоев.
6.5.16. Сталефибробетонную смесь следует укладывать горизонтальными слоями одной толщины без разрывов с последовательным направлением укладки в одну сторону во всех слоях.
6.5.17. Высота свободного сбрасывания сталефибробетонной смеси в опалубку конструкций рекомендуется не более: для горизонтальных конструкций - 0,3 м, для вертикальных - 0,45 м.
6.5.18. Толщина укладываемых слоев сталефибробетонной смеси рекомендуется: для горизонтальных ограждений - на всю высоту сечения конструкций; для вертикальных - не более, чем толщина возводимого ограждения.
6.5.19. Для разравнивания и уплотнения уложенной сталефибробетонной смеси следует использовать стандартные виброрейки, виброкатки, поверхностные (площадочные) и глубинные вибраторы.
6.5.20. Время вибрирования устанавливают при отработке технологии производства работ с учетом определенных параметров подвижности сталефибробетонной смеси отдельно для горизонтальных и вертикальных конструкций. Во всех случаях вибрирование не должно превышать интервала времени, при котором возможно расслоение смеси.
6.5.21. При уплотнении сталефибробетонной смеси глубинным вибратором (вибробулавой, виброиглой диаметром, обеспечивающим их проход между арматурой) необходимо обеспечить его погружение в ранее уложенный слой (до момента начала схватывания смеси в этом слое) на глубину 3 - 5 см.
6.5.22. Шаг перестановки глубинного вибратора не должен превышать полуторного радиуса его действия. При использовании поверхностного вибратора шаг его перестановки должен обеспечивать перекрытие его площадкой на 100 мм уже провибрированного участка.
6.5.23. При укладке сталефибробетонной смеси в горизонтальные конструкции перекрытий карта рабочего бетонирования должна ограничиваться несущими балками перекрытия (на участке между осями колонн). В пределах указанной карты укладку сталефибробетонной смеси следует осуществлять непрерывно без рабочих швов бетонирования.
6.5.24. При укладке сталефибробетонной смеси в вертикальные конструкции ограждений (стены) рабочие швы бетонирования должны выполняться по осям колонн (в случае примыкания ограждения к колоннам) и на уровне перекрытия помещения. В этом случае бетонирование следует осуществлять непрерывно в пределах рабочих карт бетонирования, ограниченных осями колонн и перекрытием (на всю высоту этажа помещения). Места расположения рабочих швов должны согласовываться с проектной организацией.
6.5.25. В случаях, не предусмотренных пп. 6.3.23 и 6.3.24 (при отсутствии колонн и балок), места расположения рабочих швов бетонирования (карт бетонирования) устанавливаются ППР и согласовываются с проектной организацией.
6.5.26. Поверхности рабочих швов, выполняемых при укладке сталефибробетонной смеси с перерывами при бетонировании, должны располагаться под углом 45° к поверхности ограждения.
6.5.27. Возобновление работ по укладке сталефибробетонной смеси в местах расположения рабочих швов допускается осуществлять при достижении сталефибробетоном в месте шва бетонирования прочности не менее 1,5 МПа.
6.5.28. Операционный контроль качества бетонных работ (подача сталефибробетонной смеси к месту ее укладки, укладка и уплотнение смеси, устройство швов бетонирования) следует производить согласно указаниям пп. 2.8 - 2.14 СНиП 3.03.01-87 и настоящих РТМ. Результаты контроля заносят ежесменно в журнал производства работ.
6.5.29. Выдерживание и уход за уложенным сталефибробетоном следует осуществлять согласно требованиям пп. 2.15 - 2.17 СНиП 3.03.01-87.
Сталефибробетон - исходный бетон (бетон-матрица), армированный равномерно распределенными в его объеме стальными фибрами.
Исходный бетон (бетон-матрица) - тяжелый или мелкозернистый бетон по ГОСТ 26633 на плотных заполнителях.
Фибра - стальные короткие волокна, резанные из листа в агрегатном состоянии по ТУ 0991-123-46854090-2001.
Процент фибрового армирования по объему - объем фибр в единице объема сталефибробетона в процентах.
Процент фибрового армирования по массе - отношение массы фибр, содержащихся в единице объема фибробетона, к массе этой единицы объема, в процентах.
Коэффициент фибрового армирования по объему - относительное содержание объема фибр в единице объема сталефибробетона.
Сталефибробетонные конструкции с комбинированным армированием - конструкции из фибробетона, имеющие также обычную или преднапряженную стержневую или проволочную арматуру.
Самонапряженные сталефибробетонные конструкции - конструкции из сталефибробетона (в том числе комбинированные) бетон-матрица которого выполняется на напрягающем цементе.
ОСНОВНЫЕ БУКВЕННЫЕ ОБОЗНАЧЕНИЯ
Rb, Rbt - расчетное сопротивление бетона соответственно осевому сжатию и растяжению, принимаемое по СНиП 2.03.01-84*;
Rfb, Rfbt - расчетное сопротивление сталефибробетона соответственно при сжатии и растяжении;
Rs - расчетное сопротивление растяжению стальной стержневой или проволочной арматуры;
Rf - расчетное сопротивление растяжению фибровой стальной арматуры;
Rf,ser - нормативное сопротивление растяжению фибровой стальной арматуры;
Eb - начальный модуль упругости бетона при сжатии и растяжении;
Es - модуль упругости стержневой или проволочной арматуры;
Ef - модуль упругости стальной фибры;
µfm - коэффициент фибрового армирования по массе;
µfv - коэффициент фибрового армирования по объему
µfa - коэффициент фибрового армирования по площади сечения;
µs - коэффициент армирования стержневой или проволочной арматуры;
df,red - приведенный диаметр фибры;
ds - диаметр стержневой или проволочной арматуры;
lf - длина фибры
lf,an - минимальная длина заделки фибры в бетоне, соответствующая их разрыву при выдергивании;
kor - коэффициент, учитывающий ориентацию фибр относительно направления главных растягивающих напряжений;
kn - коэффициент, учитывающий влияние на ориентацию фибр размеров сечения, перпендикулярных направлению внешнего усилия;
φf - коэффициент эффективности косвенного армирования фибровой арматурой;
η - характеристика сцепления фибр с бетоном по контактной поверхности;
Jf,red - момент инерции сталефибробетонного сечения, приведенного к бетонному, относительно его центра тяжести;
Wf,red - момент сопротивления сталефибробетонного сечения, приведенного к бетонному.
МЕТОДИКА ПОДБОРА СОСТАВА СТАЛЕФИБРОБЕТОНА БЕЗ ХИМИЧЕСКИХ ДОБАВОК
1. Методика подбора номинального состава сталефибробетона на исходном мелкозернистом бетоне-матрице
1.1. Водоцементное отношение (В/Ц), необходимое для получения средней прочности заданного класса бетона (Rb) определяется по указаниям раздела 9 «Рекомендаций по подбору составов тяжелых и мелкозернистых бетонов (к ГОСТ 27006-86)».
1.2. По графику на рис. 1 в зависимости от заданной удобоукладываемости и В/Ц сталефибробетонной смеси, параметров армирования и размеров фибры определяют необходимую жесткость исходной бетонной смеси.
Затем для нее находят цементно-песчаное отношение при рассчитанном В/Ц.
1.3. По методике ГОСТ 8735-88 определяются характеристики песка: модуль крупности (Мкр), плотность (ρn), пустотность (αn), удельная поверхность (Sn).
1.4. Дисперсная арматура при введении ее в бетонную смесь влияет на пустотность и суммарную удельную поверхность компонентов смеси, как дополнительный заполнитель. При этом изменяется объем цементного теста, по сравнению с исходным бетоном, необходимый для формирования оптимальной структуры сталефибробетона.
В расчете на 1 кг заполнителей, требуемый объем цементного теста вычисляют по формуле
(1)
где Кn - коэффициент, учитывающий изменение пустотности песка при введении дисперсной арматуры;
Sf - удельная поверхность дисперсной арматуры, определяемая по формуле:
(2)
где µfm - процент фибрового армирования по массе;
lf, df,red; ρf - соответственно длина, приведенный диаметр и плотность стальной фибры;
f - толщина пленки цементного теста на поверхности заполнителей, определяемая по графику на рис. 2 в зависимости от рассчитанного В/Ц и Ц/П для исходного мелкозернистого бетона.
1.5. Цементно-песчаное отношение, откорректированное с учетом введения дисперсной арматуры, определяют по формуле
(3)
где VЦТ - объем цементного теста;
ρЦТ - плотность цементного теста, г.
1.6. Расход материалов в кг на 1 м3 номинального состава сталефибробетона рассчитывают последовательно по следующим формулам:
(4)
Ц = П.(Ц:П); (5)
В = Ц.В/Ц; (6)
Ф = µfm(Ц + П). (7)
1.7. На пробных замесах определяют удобоукладываемость номинальной рассчитанной сталефибробетонной смеси и ее соответствие требуемой. При необходимости вносят соответствующие поправки.
2. Методика подбора номинального состава сталефибробетона на исходном тяжелом бетоне-матрице
2.1. Определяют требуемые характеристики мелкого и крупного заполнителей, а также фактическую (или устанавливают предполагаемую) активность цемента.
2.2. Определяется водоцементное отношение (В/Ц) для получения средней прочности заданного класса бетона по прочности на сжатие по формуле:
(8)
где: Аl - 0,65 - для высококачественных материалов;
0,6 - для рядовых материалов;
Rб - проектная прочность бетона при сжатии, кг/см2;
Rц - активность (марка) цемента, кг/см2.
2.3. По графикам, приведенным на рис. 3 определяется расход воды «В» на 1 м3 смеси в зависимости от заданной подвижности сталефибробетонной смеси (на графиках: «ОК» - осадка конуса в см, «Ж» - жесткость в сек).
2.4. Определяется расход цемента на 1 м3 смеси по формуле:
(9)
2.5. Определяется требуемое количество щебня на 1 м3 смеси по формуле:
(10)
где: С - средний расход щебня в тяжелом исходном бетоне, условно принимаемый равным 1200 кг на 1 м3 смеси.
2.6. Определяется требуемое количество песка, в кг на 1 м3 смеси по формуле:
(11)
где: ρц, ρщ, ρn - соответственно плотности цемента, щебня и песка;
µfv - процент фибрового армирования по объему.
2.7. В дополнительных замесах определяют характеристики номинальной расчетной сталефибробетонной смеси с определенной удобоукладываемостью и при необходимости вносятся соответствующие поправки.

Рис. 1. Графики для подбора
отношения Ц:П, обеспечивающего требуемую жесткость
сталефибробетонной смеси в зависимости: а - от жесткости исходного бетона
при µfv: 1 - 1 %; 2 - 1,5 %; 3 -
2,5 %. б - цементно-песчаного отношения Ц:П от
жесткости исходного бетона Жb и водоцементного
отношения Ц:П
равного: 1 - 1:1; 2 - 1:2; 3 - 1:3; 4 - 1:4.
Рис. 2. Графики
для определения оптимальной толщины пленки цементного теста на
поверхности заполнителей исходного бетона-матрицы при цементно-песчаном
отношении: 1 - 1:2; 2 - 1:3; 3 - 1:4; 4 - 1:5.

Рис. 3. График водопотребности пластичной (а) и жесткой (б) бетонной смеси
Таблица 1.В.
Рекомендуемые ориентировочные номинальные составы сталефибробетона для конструкций различного назначения
|
№ п/п |
Конструкции или сооружения |
Класс бетона по прочности на сжатие Ra, МПа |
Содержание компонентов сталефибробетона в кг/м2 |
Прочность на растяжение при изгибе Rfbt, МПа |
||||||||||
|
Портландцемент М кг |
Песок Мк кг |
Щебень фракции, кг |
Всего заполнителей |
Пластификатор |
Поризующая добавка* |
Вода |
Фибра |
|||||||
|
< 18 |
< 16 |
< 20 |
< 32 |
|||||||||||
|
1 |
2 |
3 |
4 |
5 |
6 |
7 |
8 |
9 |
10 |
11 |
12 |
13 |
14 |
15 |
|
1 |
Индустриальные полы, жилые здания |
В35 458 |
М450 360 |
0 - 2 660 |
0 - 8 295 |
8 - 16 433 |
- |
16 - 32 435 |
1817 |
FK99 0,7 |
LP 0,3 |
172 0,48 |
40 |
5,84 |
|
2 |
Дорожные покрытия |
В45 589 |
М350 350 |
- |
0,45 50 % - 16/45 дробленый |
1840 |
- |
- |
140 0,4 |
60 |
6,92 |
|||
|
3 |
Аэродромные покрытия |
В50 655 |
М350 340 |
0 - 2 560 |
2 - 32 520 |
8 - 16 220 |
- |
16 - 32 560 |
1860 |
- |
0,04 |
136 0,4 |
60 |
8,64 |
|
4 |
Подземные тоннели, торкретирование |
В35 42,0 |
М350 380 - 420 т.ч. зола-унос |
- |
- |
0 - 16 |
- |
- |
1850 |
** 2,0 |
- |
190 - 210 0,5 |
40 |
8,61 |
|
5 |
Промышленные полы |
В22,5 28,0 |
М300 300 |
- |
0,32 1960 |
- |
- |
1960 |
** 1,0 |
- |
150 0,5 |
30 |
5,70 |
|
|
6 |
Дорожное покрытие |
В35 46,1 |
М450 350 |
0 - 2 817 |
2 - 8 661 |
8 - 16 231 8 - 16 235 тонкие лещадки |
- |
- |
1944 |
- |
- |
160 0,46 |
60 |
7,30 |
|
7 |
Ограждения банковских хранилищ |
В45 61,8 |
М500 550 |
0-2 940 |
5-20 750 |
1690 |
С-3 3,0 |
- |
170 0,31 |
100 |
7,6 |
|||
|
В45 62,4 |
120 |
8,1 |
||||||||||||
_____________
* - в % от содержания цемента;
** - данных по марке нет.
ПЕРЕЧЕНЬ ПРОЕКТНОЙ ДОКУМЕНТАЦИИ НА СТАЛЕФИБРОБЕТОННЫЕ КОНСТРУКЦИИ
1. Панель покрытия преднапряженная складчатая сталефибробетонная. Рабочие чертежи опытного образца. 20ПК.СП. 2.85КЖИ, 1985 г. КТБ НИИЖБ, НИИЖБ.
2. Кольца круглых колодцев из сталефибробетона. Рабочие чертежи опытно-промышленных образцов. № 2338/15, 1988 г. Союзводоканалпроект, НИИЖБ.
3. Неотапливаемое здание универсального назначения из сталефибробетона (для экспериментального строительства). Рабочие чертежи Э-592-02-84. ЛенЗНИИЭП, СПО «Верево», НИИЖБ.
4. Сборные сталефибробетонные предварительно напряженные плиты размером 6´3 и 6×1,5 м для покрытий производственных зданий. Рабочие чертежи, шифр 161-1.465-81. ЦНИИПромзданий, НИИЖБ, ЛенЗНИИЭП.
5. Отстойники канализационные радиальные первичные диаметром 18, 24, 30 и 40 м с днищем из дисперсно армированного бетона (сталефибробетона). Рабочие чертежи, шифр 26-85. Ростовский Водоканалпроект, ЦНИИПромзданий.
6. Сваи забивные сталефибробетонные ударопрочные сплошного квадратного сечения (цельные и составные). Серия I - III, кл. III, 1983 г. ЛенНИИпроект, ЛИИЖТ.
7. Плита жестких покрытий аэродромов ПАФ-1. Рабочие чертежи, шифр 21/В-17д-5, 1976 г. ЛатНИИстроительства.
8. Плита дорожная напряженная ПДН. Рабочие чертежи, шифр 25/В-231д, 1986 г. ЛатНИИстроительства.
9. Конструкции ненапрягаемых плит для покрытий городских дорог с применением сталефибробетона. Рабочие чертежи опытных образцов. ПС-238. 1989 г. Мосинжпроект, НИИЖБ.
10. Трубы безнапорные сталефибробетонные диаметром 1000 и 1200 мм. Рабочие чертежи опытно-промышленных образцов. № 2338/13. 1988 г. Союзводоканалпроект, НИИЖБ.
11. Анкерная опора трубопроводов свайная АОП-1ф. Рабочие чертежи, шифр 25/В-231Д, 1983 г. ЛатНИИстроительства.
12. Экспериментальные сборные полы для общественных зданий. Рабочие чертежи опытно-промышленных сталефибробетонных плит с покрытием из линолеума, паркета и керамических плиток. 1989 г. ЦНИИЭП учебных зданий, НИИЖБ.
13. Покрытие пространственное складчатое сталефибробетонное. Рабочие чертежи опытного покрытия. 20ПК.ИЗО.2.85КЖ. 1985 г. КТБ НИИЖБ, НИИЖБ.
14. Каналы из сталефибробетонных элементов. Рабочие чертежи опытных образцов. Серия ХТ5-91. 1985 г. Харьковский ПСП.
15. Сваи забивные железобетонные с ненапрягаемой арматурой с применением сталефибробетона. Рабочие чертежи. 1986 г. Фундаментпроект, ЦНИИПромзданий, НИИЖБ.
16. Сталефибробетонные защитные конструкции банковских хранилищ. Сертификат соответствия. НИИЖБ, 1996 г.
СПИСОК РЕКОМЕНДУЕМОЙ НАУЧНО-ТЕХНИЧЕСКОЙ ЛИТЕРАТУРЫ ПО СТАЛЕФИБРОБЕТОНУ
1. Фибробетонные конструкции. Серия «строительные конструкции». Выпуск 2. ВНИИИС, Москва, 1988 г.
2. Сталефибробетонные конструкции зданий и сооружений. Серия «Строительные конструкции». Выпуск 7. ВНИИНТПИ, Москва, 1990 г.
3. Научно-технический реферативный сборник. Серия 7. «Строительные материалы и изделия». Выпуск 4. ЦИНИС, Москва 1979 г.
4. Предварительно напряженная складчатая сталефибробетонная панель: проспект ВДНХ СССР. УДК 624.074.1.012.36. М. ВДНХ СССР, 1985 г.
5. Сталефибробетонные обделки. - Метрострой, 1986 г., № 4, 6. Авт. Цывьян Б.М.
6. Опыт применения сталефибробетона в инженерных сооружениях. Серия «Научно-технический прогресс в строительном производстве». ЛДНТП. Ленинград. 1982 г. Авт. Курбатов Л.Г., Хазанов М.Я., Шустов А.Н.
7. Опыт производства и внедрения сталефибробетонных свай и шпунта. Серия «Научно-технический прогресс в строительном производстве». ЛДНТП, Ленинград, 1985 г. Авт. Родов Г.С., Голубенков В.А., Стерин B.C., Лейкин Б.В.
8. Плиты дорожных и аэродромных покрытий с фибровым армированием. - В сб. Применение фибробетона в строительстве. Материалы семинара, 4 - 5 июля, ЛДНТП, Ленинград, 1995 г. Авт. Соловьев Б.В., Зива А.Г., Анисимов В.Е.
9. Опыт применения сталефибробетона в дорожном строительстве. В сб. Применение фибробетона в строительстве. Материалы семинара, 4 - 5 июля, ЛДНТП, Ленинград, 1995 г. Авт. Талантова К.В., Толстенев С.В., Михеев Н.М.
10. Рекомендации по применению сталефибробетона в конструкциях дорожных одежд и мостов. Алтайский Политехнический институт - объединение «Алтайавтодор», Барнаул, 1988 г.
11. Фибробетон в Японии. Экспресс - информация ВНИИИС, 1983 г., серия № , выпуск 11.
12. Обобщение опыта применения торкрет-покрытий. Обзор инф., в 11, Москва. 1986 г., Минмонтажспецстрой.
13. Химические добавки в монолитном домостроении. ЦМИПКС - МИСИ; Москва, 1992 г. Авт. Анацкий Ф.И.
ОБЛАСТИ ПРИМЕНЕНИЯ СТАЛЕФИБРОБЕТОНА В СТРОИТЕЛЬНЫХ КОНСТРУКЦИЯХ
|
Монолитные конструкции и сооружения |
Сборные элементы и конструкции |
|
1 |
2 |
|
Автомобильные дороги |
Железнодорожные шпалы |
|
Перекладка покрытия |
Элементы труб |
|
Промышленные полы |
Склепы |
|
Выравнивающие полы |
Балки |
|
Мостовые настилы |
Ступени |
|
Ирригационные каналы |
Стеновые панели |
|
Взрыво- и взломоустойчивые сооружения |
Взрыво- и взломоустойчивые конструкции |
|
Водоотбойные дамбы |
Модули плавающих доков |
|
Огнезащитная штукатурка |
Морские сооружения |
|
Емкости для воды и др. жидкостей |
Кровельные панели и черепица |
|
Обделки тоннелей |
Карнизные элементы мостов |
|
Пространственные покрытия и сооружения |
Плиты аэродромных, дорожных, тротуарных покрытий и креплений каналов |
|
Оборонные сооружения |
Сваи, шпунт |
|
Фундаменты под оборудование |
Обогревательные элементы |
|
Конструкции бассейнов |
Уличная фурнитура |
|
Ремонт конструкций торкретированием |
Элементы пространственных покрытий и сооружений |
|
Конструкции гаражей |
|
|
Бордюры |
|
|
Несъемная опалубка |
|
|
Лотки |
РЕКОМЕНДАЦИИ ПО ПРОЕКТИРОВАНИЮ ИНДУСТРИАЛЬНЫХ ПОЛОВ ИЗ СТАЛЕФИБРОБЕТОНА
1. Предварительные замечания
Настоящие рекомендации составлены на основании экспериментальных исследований и промышленного применения сталефибробетонных конструкций фирмой «Вулкан Харекс» («VTJ» Германия).
Рассчитываемые конструкции индустриальных полов применительно к данному документу представляют собой фибробетонные плиты, которые укладываются всей плоскостью на обладающее достаточной несущей способностью и ровное основание. Общие положения расчета и устройства оснований соответствуют аналогичным положениям для обычно применяемых бетонных и железобетонных полов под соответствующие нагрузки.
Сталефибробетон представляет собой бетон-матрицу по стандарту ГОСТ 26633 или DIN 1045 Германии, которая для достижения требуемых свойств армируется стальной фиброй. По сравнению с железобетоном при этом обеспечивается преимущество, заключающееся в отказе от арматурных работ или очень значительном сокращении их объема.
Кроме того, в сопоставлении с соответствующими индустриальными полами без стальной фибры, улучшаются следующие свойства:
- удельная работа деформации разрушения;
- прочность на растяжение;
- трещиностойкость;
- ударная прочность;
- усталостная прочность;
- усадочные деформации;
- долговечность;
- межремонтный ресурс.
2. Обозначения и общие требования
2.1. Применительно к данному документу бетон - это бетон по ГОСТ 26633 России или стандарту DIN 1045 Германии. При наличии специальных требований предписывается дополнительный контроль качества по соответствующим нормам.
2.2. Стальная фибра, применительно к данному документу, это стальная фибра марки «SF 01/32» производства фирмы «Вулкан Харекс» («Vulkan HAREX Stahlfasertechnik GmbH&Co/KG» Германия).
Временное сопротивление растяжению фибры марки SF 01/32 не ниже 980 МПа.
2.3. Сталефибробетон это бетон по п. 2.1, к которому в процессе перемешивания добавляется стальная фибра по п. 2.2. Количество добавляемой фибры при этом выбирается таким образом, чтобы обеспечить значимое, планируемое и длительное улучшение требуемых свойств по сравнению с соответствующим бетоном-матрицей без фибры.
Требуемое количество фибры в сталефибробетоне, среди прочего, зависит от ее геометрии, наибольшей крупности заполнителя, сцепления между фиброй и бетоном, а также от размеров и назначения конструкций или элементов, технологических параметров изготовления сталефибробетона, конструкций или сооружений.
После перемешивания фибра должна быть равномерно распределена в объеме бетона изделия.
3. Расчет плиты пола по программе «Slab ComR 3.42»
Расчет сталефибробетонных конструкций индустриальных полов может быть выполнен по компьютерной программе Slab ComR 3.42 фирмы «VTI» GmbH» (Германия).
Для предварительного назначения толщины несущей плиты пола и требуемого фибрового армирования в зависимости от нагрузок и характеристик основания могут быть использованы рекомендации, приведенные в таблице 1.Ж.
Конструктивная схема решения плиты пола в сопоставлении железобетонного и сталефибробетонного вариантов приведена на рис. 1.
Программа «Slab ComR 3.42» имеется в распоряжении разработчиков настоящих РТМ.
4. Использованные нормативные документы Германии
DIN 1045, DIN 1048, DIN 1084, DIN 4227.
Рис. 1.Ж. Сопоставительные
конструктивные решения
индустриальных полов по грунтам:
а) традиционный железобетонный пол; б) сталефибробетонный пол.
Таблица 1.Ж.
Таблица для выбора фибрового армирования и толщин сталефибробетонных плит индустриальных полов
|
Модуль основания Ev2, МПа |
80 |
100 |
120 |
||||||||
|
Содержание фибры, кг/м3 |
25 |
30 |
35 |
25 |
30 |
35 |
25 |
30 |
35 |
||
|
Комбинация нагрузок |
Толщина фибробетонной плиты, см |
||||||||||
|
|
|
3,5 т |
16 |
15 |
16 |
15 |
15 |
||||
|
7,0 т |
16 |
15 |
16 |
15 |
15 |
||||||
|
13,0 т |
19 |
17 |
15 |
19 |
17 |
15 |
18 |
16 |
15 |
||
|
|
|
3,5 т |
17 |
19 |
17 |
18 |
16 |
||||
|
7,0 т |
19 |
17 |
19 |
17 |
18 |
16 |
|||||
|
13,0 т |
21 |
18 |
17 |
20 |
18 |
16 |
20 |
17 |
|||
|
|
|
3,5 т |
21 |
19 |
18 |
21 |
19 |
17 |
21 |
19 |
17 |
|
7,0 т |
21 |
19 |
18 |
21 |
19 |
17 |
21 |
19 |
17 |
||
|
13,0 т |
22 |
20 |
18 |
22 |
19 |
17 |
21 |
19 |
17 |
||
|
|
|
3,5 т |
|||||||||
|
7,0 т |
15 |
15 |
15 |
||||||||
|
13,0 т |
18 |
16 |
15 |
18 |
16 |
15 |
17 |
15 |
|||
|
|
|
3,5 т |
15 |
||||||||
|
7,0 т |
16 |
15 |
15 |
16 |
15 |
||||||
|
13,0 т |
19 |
17 |
15 |
18 |
15 |
18 |
15 |
||||
|
|
|
3,5 т |
16 |
15 |
15 |
15 |
|||||
|
7,0 т |
19 |
16 |
15 |
18 |
15 |
16 |
15 |
||||
|
13,0 т |
19 |
17 |
16 |
19 |
16 |
15 |
18 |
16 |
15 |
||
Таблица 1.Ж.
Продолжение
|
Коэффициент CBR |
% |
5 |
5 - 7 |
7 - 10 |
10 |
30 |
|||||||||||
|
Модуль основания |
MH/м3 |
35 |
40 |
45 |
54 |
82+ |
|||||||||||
|
Содержание фибры, кг/м3 |
30 |
35 |
40 |
30 |
35 |
40 |
30 |
35 |
40 |
30 |
35 |
40 |
30 |
35 |
40 |
||
|
|
Грузовик 12 т |
||||||||||||||||
|
На колесо 2 т |
14 |
14 |
14 |
14 |
14 |
||||||||||||
|
Грузовик 30 т |
17 |
16 |
15 |
17 |
16 |
15 |
16 |
15 |
16 |
15 |
16 |
15 |
|||||
|
На колесо 5 т |
16 |
||||||||||||||||
|
|
Полный вес 3,5 т |
||||||||||||||||
|
На колесо 1,5 т |
14 |
14 |
14 |
14 |
14 |
||||||||||||
|
Полный вес 7,0 т |
17 |
16 |
15 |
17 |
16 |
15 |
16 |
15 |
|||||||||
|
На колесо 3,25 т |
16 |
15 |
16 |
15 |
|||||||||||||
Наружные полы
|
Коэффициент CBR |
% |
5 |
5 - 7 |
7 - 10 |
10 |
30 |
|||||||||||
|
Модуль основания |
МН/м3 |
35 |
40 |
45 |
54 |
82+ |
|||||||||||
|
Содержание фибры, кг/м3 |
30 |
35 |
40 |
30 |
35 |
40 |
30 |
35 |
40 |
30 |
35 |
40 |
30 |
35 |
40 |
||
|
|
Грузовик 12 т |
||||||||||||||||
|
На колесо 2 т |
15 |
15 |
15 |
15 |
15 |
||||||||||||
|
Грузовик 30 т |
19 |
17 |
16 |
18 |
17 |
15 |
18 |
16 |
15 |
18 |
16 |
15 |
17 |
16 |
15 |
||
|
На колесо 5 т |
|||||||||||||||||
|
|
Полный вес 3,5 т |
||||||||||||||||
|
На колесо 1,5 т |
15 |
15 |
15 |
15 |
15 |
||||||||||||
|
Полный вес 7,0 т |
19 |
17 |
16 |
18 |
17 |
16 |
18 |
17 |
15 |
18 |
16 |
15 |
17 |
16 |
15 |
||
|
На колесо 3,25 т |
|||||||||||||||||
Проектные параметры:
- толщина основания - 20 см;
- коэффициент динамической перегрузки для погрузчиков v = 1,4;
- температурный градиент для наружных полов Δt = 0,9 °К/см при расстоянии 5 м между компенсационными швами.
ПРИМЕРЫ ИСПОЛЬЗОВАНИЯ СТАЛЕФИБРОБЕТОНА В ЖИЛИЩНОМ СТРОИТЕЛЬСТВЕ
Опорная плита в подвале
|
Тип 1. Армирование стальной фиброй а) опорная плита фундамента
e ≥ 1,5 ∙ t б) уложенная на ленточный фундамент
в) уложенная между ленточными фундаментами
|
Тип 2. Армирование стальной фиброй и дополнительным армированием сетками. Конструктивная арматура в случае небольшой избыточной длины опорной плиты.
Сравнительное содержание стальной фибровой арматуры по Отношению к арматуре в виде 2-х сеток. Содержание стальной фибры при сооружении фундаментных плит в жилье из бетона класса прочности В25
|
|||||||||||||||||||||||||||||||||||||||||||||||||||||||||||||||||||||||||||||
Стены подвала
Армирование вокруг окон и дверей

Содержание стальной фибры в жилищном строительстве для конструкций стен из бетона класса прочности В25
|
Толщина, см |
2×Q13l |
2×Q188 |
2×Q221 |
2×Q257 |
2×Q377 |
|
Расход стальной фибры на 1 м3 бетона |
|||||
|
Для внутренних стен |
|||||
|
20 |
20 |
20 |
25 |
30 |
35 |
|
24 |
20 |
20 |
20 |
25 |
30 |
|
Для наружных стен |
|||||
|
24 |
20 |
25 |
25 |
25 |
35 |
|
30 |
20 |
20 |
25 |
25 |
30 |
Значения в таблицах - ориентировочные величины.
|
УТВЕРЖДАЮ Директор ООО «НПО Магфибрастрой» ________ Болтанов М.А. |
ФИБРА СТАЛЬНАЯ
ДЛЯ ДИСПЕРСНОГО АРМИРОВАНИЯ БЕТОНА
Технические условия
ТУ
0991-123-53832025-2001
Срок действия:
с 01.05.2001 г.
|
Разработано: |
|
|
Зам. директора ГУП НИИЖБ Госстроя РФ, д.т.н. |
Мухамедиев Т.А. |
|
Зав. лабораторией, к.т.н. |
Волков И.В. |
|
Зав. отделом, к.т.н. |
Дробященко И.М. |
|
Гл. инженер НПО «Магфибрастрой», к.т.н. |
Евсеев Б.А. |
Москва, 2001
Настоящие Технические Условия распространяются на стальную фибру, получаемую путем резки стального листа и предназначенную для дисперсного армирования бетонов и растворов на гидравлических вяжущих.
1. ТЕХНИЧЕСКИЕ ТРЕБОВАНИЯ
1.1. Стальная фибра изготавливается на станке марки СФЛ-96.00.00 в соответствии с требованиями настоящих ТУ по технологической документации, утвержденной в установленном порядке.
1.2. Фибра представляет собой отрезки стального волокна, и, в зависимости от свойств исходной стали, конструкции рабочего инструмента и заданных технологических режимов, может быть следующей формы в виде:
- призматического бруска с прямолинейной продольной геометрической осью;
- призматического бруска с прямолинейной продольной геометрической осью, скрученного вокруг продольной оси на произвольный угол, при этом число скруток не регламентируется;
- призматического бруска, изогнутого в продольном направлении по пологой винтовой линии; при этом шаг винтовой линии и количество витков по длине не регламентируются.
1.3. Для изготовления фибры используют холоднокатаную сталь марок 08кп, ст.20 по ГОСТ 19904.
1.4. Основные параметры и размеры.
1.4.1. Стальную фибру в зависимости от геометрических параметров сечения изготавливают двух модулей с размерами, указанными в табл. 1.
Таблица 1.
|
Размеры и допускаемые отклонения (мм) |
|||
|
Толщина |
ширина |
Длина |
|
|
1 |
0,4 ± 0,1 |
0,6 ± 0,1 |
20; 30 |
|
2 |
0,7 ± 0,1 |
0,8 ± 0,1 |
35; 40 |
1.4.2. Боковая поверхность фибр должна иметь периодический профиль в виде впадин и выступов, расположенных с шагом 3 - 6 мм.
1.4.3. Фибру изготавливают двух классов по прочности в зависимости от временного сопротивления растяжению:
- первый класс соответствует временному сопротивлению растяжению фибры из стали 08кп;
- второй класс соответствует временному сопротивлению растяжению фибры из стали ст.20.
1.4.4. Временное сопротивление растяжению фибры и начальный модуль упругости должен быть не менее величин, приведенных в табл. 2.
Таблица 2.
|
Временное сопротивление растяжению, МПа, не менее |
Модуль упругости, МПа |
|
|
1 |
460 |
2,1 ∙ 105 |
|
2 |
640 |
2,1 ∙ 105 |
1.4.5. Фибру обозначают марками, которые состоят из буквенно-цифровых групп, разделенных дефисами. Первая группа содержит обозначение модуля геометрических параметров, сокращенное название стальной фибры из листа (ФЛ) и класс фибры по прочности. Во второй группе приводят соответственно номинальную толщину и ширину поперечного сечения фибры и ее длину в мм.
Пример условного обозначения стальной фибры модуля - 2, класса по прочности - 2, толщиной поперечного сечения 0,4 мм, шириной - 0,6 мм и длиной 40 мм.
2ФЛ2 - 0,4/0,6/40 ТУ 0991-123-53832025-2001
1.5. Фибра должна выдерживать не менее двух загибов на 90° вокруг оправки диаметром 3 мм.
1.6. Отклонение размеров фибры по длине не должно превышать ±1 мм. При этом количество фибр, не удовлетворяющих этому требованию, не должно превышать 15 % от общего.
1.7. На поверхности фибр не должно быть смазки и грязи. Допускаются следы технической смазки и налета ржавчины. За налет ржавчины принимают ее слой, удаляемый ветошью.
1.8. Поверхностные дефекты (риски, царапины, заусенцы) не являются браковочными признаками.
1.9. Маркировка.
1.9.1. На каждом упаковочном месте или ярлыке, прикрепленном к упаковке, должны быть указаны товарный знак или наименование и товарный знак предприятия-изготовителя, условное обозначение фибры, масса нетто и брутто, клеймо технического контроля.
2. ПРИЕМКА
2.1. Фибру принимают партиями. Партия должна состоять из фибры одной марки, изготовленной из исходного материала одного класса прочности. Объем партии устанавливает предприятие-изготовитель.
2.2. Для наружного осмотра и обмера геометрических параметров фибры и проверки ее механических свойств от каждых 10 упаковок должны быть отобраны не менее 10 фибр.
2.3. При получении неудовлетворительных результатов контроля хотя бы по одному из показателей проводят повторную проверку на удвоенной выборке той же партии, взятых из числа фибр, не проходивших контроль.
Результаты повторной проверки распространяются на всю партию и являются окончательными.
2.4. Партия фибры должна сопровождаться документом о качестве, удостоверяющим соответствие фибры требованиям настоящих ТУ и содержащем:
- товарный знак или наименование и товарный знак предприятия-изготовителя;
- условное обозначение фибры;
- номер партии и массу фибры нетто;
- результаты проведенных испытаний;
- клеймо ОТК.
3. МЕТОДЫ КОНТРОЛЯ
3.1. Контролируемые характеристики фибры определяют как среднеарифметическое контрольное испытание 10 образцов фибры.
3.2. Контроль поверхности фибр проводят визуально без применения увеличительных приборов.
3.3. Длину фибры, предварительно выпрямленной, определяют масштабной линейкой по ГОСТ 427 с точностью до 1 мм.
3.4. Толщину и ширину фибр определяют штангенциркулем по ГОСТ 166 с ценой деления 0,05 мм.
3.5. Временное сопротивление разрыву фибр определяют по ГОСТ 10446 на разрывной машине, обеспечивающей точность измерения до 1 %.
3.6. Испытания фибр на перегиб проводят по ГОСТ 1579 вокруг оправки диаметром 3 мм.
4. УПАКОВКА. ТРАНСПОРТИРОВАНИЕ И ХРАНЕНИЕ
4.1. Упаковка.
4.1.1. Фибру упаковывают в деревянные ящики по ГОСТ 2991, выстланные внутри битумированной бумагой по ГОСТ 515. Допускаются другие способы упаковки, обеспечивающие сохранность фибры от влаги при ее транспортировании и хранении.
4.1.2. Масса фибры в одной упаковке должна быть в пределах от 20 до 100 кг.
4.2. Транспортная маркировка выполняется по ГОСТ 14192.
4.3. Фибра может транспортироваться любым видом крытого транспорта.
4.4. Условия транспортирования фибры в части воздействия климатических факторов должны соответствовать условиям хранения - 5 лет по ГОСТ 15150.
4.5. Хранение фибры должно соответствовать требованиям условия п. 31 ГОСТ 15150.
ПРИЛОЖЕНИЕ А (обязательное)
СОРТАМЕНТ СТАЛЬНОЙ ФИБРЫ ИЗ ЛИСТА
|
Модуль |
Толщина, мм |
Ширина, мм |
Площадь поперечного сечения, мм2 |
Длина, мм |
Класс по прочности |
Обозначение фибры (марки) |
|
1 |
0,3 |
0,5 |
0,15 |
20; 30 |
1; 2 |
1ФЛ(1; 2)-0,3/0,6/(20; 30) |
|
1 |
0,4 |
0,6 |
0,24 |
1ФЛ(1; 2)-0,4/0,6/(20; 30) |
||
|
1 |
0,5 |
0,7 |
0,35 |
1ФЛ(1; 2)-0,5/0,7/(20; 30) |
||
|
2 |
0,6 |
0,7 |
0,42 |
35; 40 |
2ФЛ(1; 2)-0,6/0,7/(35; 40) |
|
|
2 |
0,7 |
0,8 |
0,56 |
2ФЛ(1; 2)-0,7/0,8/(35; 40) |
||
|
2 |
0,8 |
0,9 |
0,72 |
2ФЛ(1; 2)-0,8/0,9/(35; 40) |
ПРИЛОЖЕНИЕ Б (справочное)
ПЕРЕЧЕНЬ
документов, на которые сделаны ссылки в настоящих ТУ
|
№ пп. |
Обозначение |
Наименование |
|
1 |
Сталь листовая холоднокатаная. |
|
|
2 |
Маркировка грузов. |
|
|
3 |
Ящики дощатые неразборные для грузов массой до 500 кг. Общие технические условия. |
|
|
4 |
Бумага упаковочная битумированная и дегтевая. Технические условия. |
|
|
5 |
Линейки измерительные металлические. |
|
|
6 |
Штангенциркули. Технические условия. |
|
|
7 |
Проволока. Методы испытания на растяжение. |
|
|
8 |
Металлы. Методы испытаний на изгиб. |
|
|
9 |
Машины, приборы и другие технические изделия. Исполнение для различных климатических районов. Категории, условия эксплуатации, хранения и транспортирования в части воздействия климатических факторов внешней среды. |