Нормативные документы в сфере деятельности
Федеральной службы по экологическому,
технологическому и атомному надзору

Серия 05
Документы по безопасности,
надзорной и разрешительной деятельности
в угольной промышленности
Выпуск 2
ПРЕДУПРЕЖДЕНИЕ
ГАЗОДИНАМИЧЕСКИХ ЯВЛЕНИЙ
В УГОЛЬНЫХ ШАХТАХ
4-е издание, исправленное
Москва
ЗАО
НТЦ ПБ
2011
Ответственные составители-разработчики:
А.И. Субботин, В.Д. Чигрин, В.А. Шмелев, И.М. Петухов, О.И. Хмара, B.C. Зыков, В.А. Рудаков, О.В. Смирнов, И.А. Бобров, Е.И. Гусев, С.В. Обидов
В сборник включены нормативные технические документы, регламентирующие ведение горных работ и выполнение мероприятий по предупреждению газодинамических явлений - горных ударов, внезапных выбросов угля (породы) и газа.
Включенные в сборник документы предназначены для работников организаций по подземной добыче угля, научно-исследовательских, учебных, проектно-конструкторских и проектных организаций, работников Ростехнадзора и применяются в части, не противоречащей действующим законодательным и иным нормативным правовым актам.
В разработке включенных в сборник документов принимали участие сотрудники ВостНИИ, МНЦ ВНИМИ, ННЦ ГП ИГД им. А.А. Скочинского, РосНИИГД, Управления по надзору в угольной промышленности Госгортехнадзора России.
СОДЕРЖАНИЕ
|
Утверждена России от 04.04.2000 № 14. Введена в действие с 01.10.2000 г. постановлением Госгортехнадзора России от 22.06.2000 № 36 |
ИНСТРУКЦИЯ
ПО БЕЗОПАСНОМУ ВЕДЕНИЮ ГОРНЫХ РАБОТ
НА ПЛАСТАХ, ОПАСНЫХ ПО ВНЕЗАПНЫМ ВЫБРОСАМ
УГЛЯ (ПОРОДЫ) И ГАЗА
РД 05-350-00
Настоящая Инструкция является приложением к Правилам безопасности в угольных шахтах* и представляет собой нормативный документ, регламентирующий ведение горных работ и выполнение мероприятий по предупреждению внезапных выбросов угля (породы) и газа и защите от их последствий на угольных шахтах. Инструкция предназначена для работников предприятий по подземной добыче угля, органов Госгортехнадзора России**, научно-исследовательских, учебных, проектно-конструкторских и проектных организаций.
_____________
* Правила безопасности в угольных шахтах (РД 05-94-95), утвержденные постановлением Госгортехнадзора России от 30.12.1994 № 67, утратили силу на основании приказа Госгортехнадзора России от 30.07.2003 № 168. Действуют Правила безопасности в угольных шахтах (ПБ 05-618-03), утвержденные постановлением Госгортехнадзора России от 05.06.2003 № 50. (Примеч. изд.)
** Указами Президента Российской Федерации от 09.03.2004 № 314 и от 20.05.2004 № 649 функции Федерального горного и промышленного надзора России (Госгортехнадзора России) переданы Федеральной службе по экологическому, технологическому и атомному надзору (Ростехнадзору). (Примеч. изд.)
Основу нормативных требований, изложенных в Инструкции, составляют результаты научно-исследовательских работ по разработке и совершенствованию методов прогноза выбросоопасности, способов предотвращения выбросов и мероприятий по защите от их последствий.
Требования, изложенные в Инструкции, распространяются на шахты Российской Федерации независимо от форм собственности, разрабатывающие опасные и угрожаемые по внезапным выбросам угля (породы) и газа пласты.
1.1.1. Внезапный выброс (выдавливание) угля и газа или выброс породы и газа представляет собой опасное и сложное газодинамическое явление, возникающее в газоносных угольных пластах и породах и характеризующееся быстроразвивающимся разрушением массива с отбросом (смещением) горной массы и выделением газа в горную выработку1.
_____________
1 Далее для краткости внезапные выбросы угля и газа и внезапные выдавливания угля с попутным газовыделением объединены под термином «внезапные выбросы».
1.1.2. Отличительными признаками внезапного выброса угля и газа являются:
а) отброс угля от забоя на расстояние, превышающее протяженность возможного размещения его под углом естественного откоса;
б) образование в угольном массиве полости;
в) смещение угля в выработку;
г) повышенное по сравнению с обычным выделение газа в горную выработку, при котором относительное газовыделение больше разности между природной газоносностью пласта и остаточной газоносностью выброшенного угля.
Дополнительными признаками внезапных выбросов угля и газа могут быть повреждение и отброс оборудования, наличие тонкой угольной пыли на откосе выброшенного угля и на крепи.
1.1.3. Внезапному выбросу угля и газа могут предшествовать предупредительные признаки: резкое увеличение газовыделения в выработку, шелушение забоя, появление пылевого облака на груди забоя, удары и трески в массиве, выдавливание или высыпание угля из забоя, отслаивание кусочков угля от забоя, зажим, выталкивание или втягивание бурового инструмента в шпур (скважину), вынос газа и штыба при бурении.
При обнаружении признаков, предшествующих внезапным выбросам, все работающие должны быть немедленно выведены из выработки. Дальнейшее ведение работ может быть возобновлено по письменному разрешению технического руководителя шахты.
1.1.4. Отличительными признаками выброса породы и газа являются:
а) образование в массиве полости, оконтуренной породой, расслоившейся на тонкие чешуеобразные пластинки;
б) отброс породы от забоя и дробление значительной ее части до размеров крупнозернистого песка;
в) повышенное выделение газа в выработку.
1.2.1. К шахтопластам, склонным к внезапным выбросам угля (породы) и газа, относятся опасные и угрожаемые по внезапным выбросам шахтопласты. В отдельных случаях выделяют особо выбросо-опасные участки шахтопластов.
К угрожаемым относятся угольные шахтопласты с глубин, определенных в соответствии с п. 2.1.3.
1.2.4. Перечень и порядок отработки особо выбросоопасных участков шахтопластов, выбросоопасных, угрожаемых, защитных шахтопластов, переход створов, необходимость применения методов прогноза или способов предотвращения выбросов, а также места заложения рассечных печей (гезенков) на выбросоопасных незащищенных пластах крутого падения ежегодно при рассмотрении программы развития горных работ определяет комиссия под председательством технического руководителя угольной компании1 в составе представителей территориального управления Госгортехнадзора России*, ВостНИИ, ВНИМИ**, бассейнового технологического института. Указанные перечень и порядок отработки утверждаются совместным приказом компании и территориального управления Госгортехнадзора России.
_____________
1 Здесь и далее для входящих в угольную компанию самостоятельных предприятий следует иметь в виду под словом «компания» слово «предприятие».
* В настоящее время - управления по технологическому и экологическому надзору Ростехнадзора. (Примеч. изд.)
** Организации, упоминаемые в настоящем документе, и (или) их деятельность могли претерпеть изменения. (Примеч. изд.)
1.3.1. Для безопасной разработки выбросоопасных и угрожаемых угольных пластов предусматривают следующие меры:
а) прогноз выбросоопасности;
б) опережающую отработку защитных пластов;
в) способы предотвращения внезапных выбросов угля и газа и контроль их эффективности;
г) систему разработки и технологию в очистных и подготовительных забоях, снижающих вероятность возникновения внезапных выбросов угля и газа;
д) мероприятия по обеспечению безопасности работающих.
1.3.2. Прогноз выбросоопасности пластов применяют в порядке, предусмотренном разделом 2.
1.3.3. Вскрытие пластов, а также ведение очистных и подготовительных работ в пределах защищенных зон производят без применения прогноза выбросоопасности и способов предотвращения внезапных выбросов, а взрывные работы ведут в режиме, предусмотренном для сверхкатегорных по газу шахт.
1.3.4. Незащищенные выбросоопасные угольные шахтопласты или участки должны отрабатываться с применением прогноза и способов предотвращения внезапных выбросов.
1.3.5. Региональные способы предотвращения внезапных выбросов предназначены для заблаговременной обработки угольного массива впереди очистных и подготовительных забоев.
К региональным способам относятся: опережающая отработка защитных пластов, дегазация угольных пластов, увлажнение угольных пластов.
Локальные способы предназначены для приведения призабойной части угольного массива в невыбросоопасное состояние. Их осуществляют со стороны очистных или подготовительных забоев.
К локальным способам относятся: гидрорыхление, низконапорное увлажнение, низконапорная пропитка, гидроотжим с предварительным увлажнением, гидровымывание опережающих полостей, образование разгрузочных пазов и щелей в угольном пласте и вмещающих породах, бурение опережающих скважин, торпедирование угольного массива, образование разгрузочной щели по длине очистного забоя.
Во всех случаях применения региональных и локальных способов предотвращения внезапных выбросов угля и газа необходимо осуществлять контроль их эффективности.
При интенсивном газовыделении и проявлении предупредительных признаков внезапных выбросов угля и газа во время локальной противовыбросной обработки массива (бурении опережающих скважин, гидроотжиме, гидровымывании опережающих полостей) необходимо применение мероприятий по предотвращению загазирований и развязывания газодинамических явлений в процессе выполнения способов предотвращения внезапных выбросов.
1.3.6. При разработке незащищенных выбросоопасных угольных шахтопластов должны применяться следующие мероприятия по обеспечению безопасности работающих:
производство взрывных работ в режиме сотрясательного взрывания;
устойчивое проветривание забоев с подсвежением исходящей из очистного забоя струи воздуха (кроме сплошной системы разработки);
регламентация последовательности выполнения технологических процессов и способов предотвращения внезапных выбросов угля и газа при работе в опасных зонах;
организация телеметрического контроля за содержанием метана в очистных и подготовительных забоях, в том числе при сотрясательном взрывании в угольных и смешанных забоях;
устройство индивидуального и групповых пунктов жизнеобеспечения, переносных спасательных пунктов, телефонной связи; дистанционного включения и выключения машин и механизмов.
1.4.1. Технической политикой и работами по борьбе с внезапными выбросами угля (породы) и газа в угольной компании руководит технический директор. Работы по борьбе с внезапными выбросами в компании организует главный горняк по борьбе с газодинамическими явлениями в соответствии с Типовым положением о главном горняке по борьбе с газодинамическими явлениями, а в шахтостроительных организациях - лица, назначенные приказом по предприятию.
На шахтах ведение прогноза и контроль эффективности способов предотвращения выбросов осуществляются специальными службами (группами) предупреждения газодинамических явлений, которые подчиняются непосредственно начальнику участка вентиляции и техники безопасности.
За службой (группой) прогноза приказом по шахте закрепляется геолог. На должность руководителя службы (группы) назначается лицо с высшим горно-техническим образованием со стажем подземной работы не менее двух лет на шахтах, разрабатывающих выбросоопасные или угрожаемые пласты. Руководители служб, горные мастера по прогнозу и операторы прогноза должны пройти обучение по специальной программе ВостНИИ. Повторное обучение проводится через каждые три года.
1.4.2. Способы предотвращения внезапных выбросов угля (породы) и газа должны выполняться участками профилактических работ по технике безопасности или же эксплуатационными и подготовительными участками согласно приказу по шахте.
Прогноз выбросоопасности угольных пластов, контроль параметров способов предотвращения внезапных выбросов и оценка их эффективности должны осуществляться горными мастерами (операторами) по предупреждению газодинамических явлений. Численность горных мастеров устанавливается на основании хронометражных наблюдений за продолжительностью выполняемых ими работ.
При производстве горно-проходческих работ силами шахтостроительных (шахтопроходческих) организаций на действующих (реконструируемых) шахтах на участках, которые соединены с выработками действующей шахты, прогноз выбросоопасности пластов и контроль эффективности применения способов предотвращения внезапных выбросов осуществляются службой действующих шахт.
Результаты текущего прогноза выбросоопасности и контроля эффективности способов предотвращения внезапных выбросов отмечаются на досках, установленных у забоев выработок, с указанием даты, смены, фамилии горного мастера, данных прогноза (опасно, неопасно) и контроля эффективности (эффективно, неэффективно), безопасной глубины выемки и привязки забоя на момент выполнения прогноза или контроля эффективности к пикетному знаку.
Планшет (эскиз) подвигания очистных и подготовительных работ с привязкой их к маркшейдерскому знаку в масштабе 1:200 с нанесением геометрических параметров прогноза, способов предотвращения внезапных выбросов угля и газа с контролем их эффективности, мест установки сейсмоприемников, зоны сотрясательного взрывания должен вестись на эксплуатационных, подготовительных участках и в службе (группе) предупреждения газодинамических явлений. На планшет (эскиз) наносится положение забоя: на эксплуатационных (подготовительных) участках - на начало каждой смены, на службе (в группе) прогноза - после выполнения прогноза или способов предотвращения выбросов с контролем их эффективности. Служба (группа) предупреждения газодинамических явлений шахты после каждого цикла прогноза или контроля эффективности способов предотвращения выбросов согласовывает в «Книге нарядов участка» безопасную глубину выемки в очистных и подготовительных забоях.
Ответственность за обеспечение безопасных условий труда при разработке выбросоопасных и угрожаемых угольных пластов возлагается на технического руководителя шахты1.
_____________
1 Или шахтостроительного управления (здесь и далее).
1.4.3. Порядок проведения работы по созданию и внедрению новых способов прогноза и предотвращения внезапных выбросов угля (породы) и газа определен в приложении 1.
1.4.4. Ведение горных работ на пластах, опасных и угрожаемых по внезапным выбросам, в случаях, не предусмотренных настоящей Инструкцией, осуществляется по рекомендациям ВостНИИ, согласованным с управлением Госгортехнадзора России и утвержденным техническим руководителем шахты.
1.4.5. Рассмотрение вопросов безопасного ведения горных работ на выбросоопасных пластах в случаях, не предусмотренных настоящей Инструкцией, осуществляется Комиссией по борьбе с внезапными выбросами угля и газа на шахтах России (далее - Комиссия) или региональной секцией Комиссии по представлению технического руководителя угольной компании и заключению ВостНИИ.
1.5.1. Проекты строительства и реконструкции шахт и подготовки новых горизонтов с выбросоопасными и угрожаемыми пластами в части борьбы с внезапными выбросами угля и газа должны разрабатываться в соответствии с требованиями настоящей Инструкции и согласовываться с ВостНИИ и ВНИМИ. Проекты должны содержать специальный раздел, предусматривающий технические решения, направленные на предотвращение внезапных выбросов угля и газа.
1.5.2. Для разработки проектов строительства новых и реконструкции действующих шахт, подготовки новых горизонтов ВостНИИ на основании геолого-геофизических данных проведенных геологоразведочных работ выдает проектным институтам заключение о выбросоопасности угольных пластов и пород.
1.5.3. Вскрытие и подготовка шахтных полей с выбросоопасными и угрожаемыми угольными пластами должны обеспечивать:
а) максимальное использование опережающей разработки защитных пластов и применение региональных способов предотвращения внезапных выбросов;
б) заложение подготовительных выработок в невыбросоопасных и защищенных пластах;
в) наименьшее число пересечений выбросоопасных пластов угля с горными выработками;
г) применение на незащищенных выбросоопасных угольных пластах столбовых систем разработки;
д) рассредоточение вентиляционных потоков в шахтном поле, возможность его секционного проветривания, обособленность проветривания подготовительных забоев и подсвежение исходящих струй выемочных участков;
е) проведение подготовительных выработок, общих для смежных лав пологих пластов, повторное использование выработок, проведение их без оставления целиков между выработкой и выработанным пространством. Порядок отработки пластов принимают в соответствии с «Перспективными схемами использования защитных пластов». Для условий крутых и крутонаклонных пластов на шахтах Ростовской области до сдачи горизонта в эксплуатацию на защитном пласте должно быть подготовлено и отработано первое от главного квершлага выемочное поле на длину не менее 400 м.
1.5.4. При строительстве новых и реконструкции действующих шахт, подготовке новых горизонтов действующих шахт для обеспечения полной защиты выбросоопасных крутых пластов необходимо предусматривать разработку защитных пластов с опережением на один горизонт.
При опережающей на один горизонт отработке защитных пластов допускается одновременная разработка трех этажей (дорабатываемого, основного и опережающего).
Проветривание горных выработок опережающего горизонта должно осуществляться обособленно за счет общешахтной депрессии, а исходящая струя воздуха с горизонта должна направляться непосредственно в исходящую струю шахты.
Выдача угля и породы, спуск и подъем людей, доставка материалов на опережающий горизонт должны осуществляться стационарными подъемными установками. В отдельных случаях по согласованию с территориальным органом Госгортехнадзора России допускаются спуск и подъем людей, а также выдача угля, породы и спуск материалов с помощью клетевых и скиповых подъемных установок слепых стволов.
На опережающем горизонте к началу очистных работ на защитном пласте следует оборудовать постоянную или временную водоотливную установку, построить и ввести в эксплуатацию электровозное депо, установить при необходимости систему кондиционирования воздуха.
Все работы на опережающем горизонте, связанные с разработкой защитных пластов, шахта должна выполнять в соответствии с утвержденным техническим руководителем предприятия проектом.
1.6.1. На вскрытие, проведение подготовительных выработок и ведение очистных работ на выбросоопасных и угрожаемых пластах должен быть составлен комплекс мер по борьбе с внезапными выбросами угля (породы) и газа, отвечающий требованиям подраздела 1.3, и специальный раздел проекта по обеспечению безопасности по выбросам. Комплекс мер должен быть согласован с ВостНИИ и утвержден техническим руководителем компании. Комплекс мер пересматривается не реже одного раза в год. На основании комплекса мер разрабатываются паспорта выемочного участка, проведения и крепления выработок. Для особо выбросоопасных участков техническим руководителем шахты по согласованию с ВостНИИ определяются дополнительные мероприятия (устанавливаются скорость подвигания очистных и подготовительных забоев, технологические перерывы между производственными процессами, максимальная глубина заходки при отбойке угля, минимальная величина ниш).
Горные работы в зонах влияния геологических нарушений на пологих выбросоопасных пластах осуществляют в соответствии с рекомендациями, изложенными в приложении 2.
Паспорта на вскрытие выбросоопасных пластов, а также на отработку особо выбросоопасных участков, изменения и дополнения к ним согласовывает ВостНИИ и утверждает технический руководитель компании. Паспорта на вскрытие угрожаемых пластов согласовывает ВостНИИ и утверждает технический руководитель шахты (шахтостроительного управления).
Зоны ПГД от целиков и краевых частей угольного массива соседних пластов, построенные в соответствии с разделом 3 настоящей Инструкции, и зоны тектонических нарушений указывают на плане горных работ и выкопировке из него, прилагаемой к паспорту выемочного участка и паспорту проведения и крепления выработок.
1.6.2. Технология вскрытия, ведения подготовительных и очистных работ, способы предотвращения внезапных выбросов угля и газа и оборудование, необходимое для этих целей, выбираются на основании «Технологических схем разработки пластов, опасных по внезапным выбросам угля и газа» (М., 1982), «Схем и технологии прогноза и предотвращения внезапных выбросов угля и газа при проведении подготовительных выработок комбайнами на выбросоопасных мощных и средней мощности пластах» (Кемерово: ВостНИИ, 1989) и настоящей Инструкции.
1.6.3. Разработку незащищенных выбросоопасных угольных шахтопластов необходимо производить столбовыми системами. В случаях когда по горно-геологическим условиям не представляется возможным применить столбовую систему разработки, допускается с разрешения территориального управления Госгортехнадзора России применение сплошной или комбинированной системы разработки по рекомендации региональной секции Комиссии.
При применении сплошной системы разработки на незащищенных выбросоопасных крутых и крутонаклонных пластах забой откаточного штрека должен опережать очистной забой (считая от первого уступа лавы или нижнего сопряжения лавы со штреком) не менее чем на 100 м. Просеки (нижние печи) должны опережать очистной забой не менее чем на 20 м.
На пологих и наклонных пластах при сплошной системе разработки допускается проведение откаточного (конвейерного) штрека по углю одним забоем с лавой или с опережением не менее 100 м. В отдельных случаях по заключению ВостНИИ опережение конвейерного штрека может устанавливаться менее 100 м в зависимости от горно-технических условий. При этом отбойка угля в опережающем забое осуществляется сотрясательным взрыванием.
1.6.4. Полевые выработки должны закладываться на расстоянии не менее 5 м от выбросоопасных угольных пластов, считая по нормали.
1.6.5. Подготовительные и очистные работы в установленных прогнозом опасных зонах необходимо проводить с применением способов предотвращения внезапных выбросов угля и газа и контролем их эффективности.
1.6.6. На шахтах, опасных по внезапным выбросам угля (породы) и газа, выделяется специальная смена для выполнения локальных способов предотвращения внезапных выбросов и сотрясательного взрывания. В отдельных случаях по заключению ВостНИИ и по согласованию с территориальным органом Госгортехнадзора России на основании хронометражных наблюдений время на выполнение указанных работ может быть уменьшено или увеличено, о чем указывается в паспорте выемочного участка и паспорте на проведение и крепление выработок.
1.6.7. На выбросоопасных пластах подготовительные выработки с углами наклона более 10° должны проводиться в направлении сверху вниз. На угрожаемых пластах проведение выработок снизу вверх разрешается по согласованию с ВостНИИ при угле наклона выработки до 25°.
В защищенных зонах наклонные выработки можно проводить снизу вверх при условии соблюдения требований безопасности для газовых шахт.
Возможность проведения рассечных гезенков снизу вверх на угрожаемых пластах крутого падения, не склонных к обрушению, определяется по согласованию с ВостНИИ, технологическим институтом и территориальным управлением Госгортехнадзора России.
1.6.8. Выемка угля широкозахватными комбайнами разрешается территориальным управлением Госгортехнадзора России по заключению ВостНИИ и технологического института.
Выемка угля отбойными молотками по всей длине лавы допускается со специальными мероприятиями при неустойчивой, легкообрушаемой кровле. Мероприятия согласовываются с ВостНИИ и технологическим институтом и утверждаются техническим руководителем предприятия.
Выемку угля на крутых выбросоопасных шахтопластах необходимо производить лавами по падению с применением щитовых агрегатов или отбойными молотками.
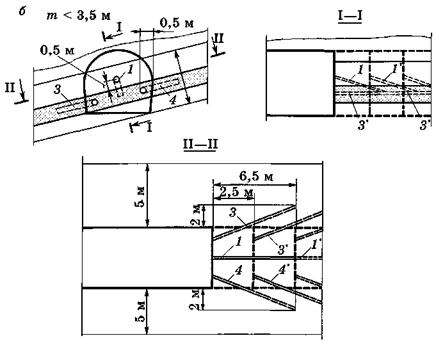
При потолкоуступной форме очистного забоя расстояние между уступами не должно превышать 3 м для пластов мощностью до 1 м и 4 м для пластов мощностью более 1 м. Опережение магазинного уступа определяется расчетом в соответствии с приложением 3.
1.6.9. Управление кровлей в очистных забоях выбросоопасных шахтопластов должно производиться полным обрушением или полной закладкой выработанного пространства. Другие способы управления кровлей допускаются по согласованию с технологическим институтом.
Закладка выработанного пространства на крутых пластах должна осуществляться дробленой породой на всю высоту этажа без оставления пустот. Шаг закладки должен составлять от 1,8 до 3,6 м для сухой и от 4,5 до 7,2 м для гидравлической закладки, максимальное расстояние от закладочного массива до забоя к моменту возведения закладочной полосы не должно превышать 11 м.
1.6.10. Допускается выемка угля струговыми установками на пластах мощностью менее 0,8 м без применения способов предотвращения внезапных выбросов по длине лавы. При этом выемка угля должна осуществляться по всей длине лавы при отсутствии людей в лаве и по ходу исходящей струи воздуха до ее подсвежения или места соединения с групповой выработкой. Разрешается нахождение помощника машиниста на верхней головке конвейера струговой установки (кроме особо выбросоопасных участков). Прямолинейность лавы должна контролироваться маркшейдерской службой шахты инструментально не менее двух раз в месяц.
При неустойчивой кровле выемка угля стругом может осуществляться отдельными последовательными участками длиной не менее 80 м и глубиной не более 0,8 м. В концевых частях лавы длина вынимаемых участков может быть уменьшена до 25 м, при этом переход между участками должен быть плавным на протяжении не менее 16 м.
На особо выбросоопасных участках основной блок управления стругом (БУС) должен находиться: при столбовой системе на откаточном (конвейерном) штреке на расстоянии не менее 15 м от забоя лавы в сторону свежей струи воздуха, при сплошной системе - на расстоянии не менее 25 м от забоя лавы в сторону свежей струи воздуха. У блока управления должен находиться только машинист струговой установки. При выемке угля стругом в нижней концевой части лавы нахождение людей в опережающем откаточном (конвейерном) штреке не допускается.
В лавах со струговой технологией выемки угля на пластах мощностью 0,8 м и более должны применяться текущий прогноз выбросоопасности и способы предотвращения выбросов в опасных зонах.
1.7.1. О каждом случае газодинамического явления директор или технический руководитель шахты (шахтостроительного управления) обязан немедленно сообщить руководству компании, РГТО и ВостНИИ.
1.7.2. Расследование причин несчастных случаев, происшедших в результате газодинамических явлений, проводится в соответствии с Положением о расследовании и учете несчастных случаев на производстве*, утвержденным постановлением Правительства Российской Федерации от 11 марта 1999 г. № 279.
_____________
* Утратило силу на основании постановления Правительства Российской Федерации от 08.01.2003 № 5. Несчастные случаи на производстве должны расследоваться в соответствии с Трудовым кодексом Российской Федерации от 30.12.2001 № 197-ФЗ. (Примеч. изд.)
1.7.3. Техническое расследование причин аварии, происшедшей в результате газодинамического явления, проводится в соответствии с Положением о порядке технического расследования причин аварий на опасных производственных объектах*, утвержденным постановлением Госгортехнадзора России от 8 июня 1999 г. № 40.
_____________
* Не подлежит применению на основании приказа Ростехнадзора от 23.04.2008 № 261. Действует Порядок проведения технического расследования причин аварий и инцидентов на объектах, поднадзорных Федеральной службе по экологическому, технологическому и атомному надзору, утвержденный приказом Минприроды России от 30.06.2009 № 191. (Примеч. изд.)
Газодинамические явления при сотрясательном взрывании, а также внезапные выбросы угля и газа, происшедшие при гидроотжиме и дистанционном управлении механизмами, расследует комиссия в составе технического руководителя шахты (председатель), участкового горно-технического инспектора и представителя ВостНИИ.
1.7.4. На каждое газодинамическое явление комиссия составляет акт (форма 1).
Количество газа, выделившегося при газодинамическом явлении, определяется в соответствии с методикой, изложенной в приложении 4.
На каждый внезапный выброс угля и газа ВостНИИ составляет карточку регистрации.
1.7.5. Шахты, разрабатывающие выбросоопасные пласты, ведут скрепленную печатью «Книгу учета газодинамических явлений» (форма 2).
1.7.6. Акты расследования (форма 1) и книга учета являются официальными документами для учета происшедших газодинамических явлений, определения объемов и стоимости работ по ликвидации их последствий, а также для установления дальнейшего порядка ведения горных работ на шахтопласте.
1.7.7. Акты расследования газодинамического явления составляются в пяти экземплярах и рассылаются: Комиссии, компании, шахте, РГТО, ВостНИИ. Ответственным за подготовку и рассылку актов является технический руководитель шахты.
Место и дата происшедшего внезапного выброса наносятся на планы горных работ, планшеты и рабочие эскизы и обозначаются специальным условным знаком (пример: Е 08.09.97).
1.7.8. На каждой шахте, разрабатывающей пласты ниже критической по внезапным выбросам глубины, должна вестись «Книга выполнения мер по борьбе с внезапными выбросами угля (породы) и газа» (форма 3).
2.1.1. Прогноз выбросоопасности угольных пластов производится на следующих этапах освоения месторождения (шахтного поля):
при ведении геологоразведочных работ;
при вскрытии пластов;
при проведении подготовительных выработок и ведении очистных работ.
Для прогноза выбросоопасности угольных пластов и контроля эффективности применяемых способов борьбы с выбросами должны применяться приборы, приспособления и устройства заводского изготовления, соответствующие требованиям ГОСТов (ОСТов) и ТУ.
2.1.2. Прогноз выбросоопасности пластов при ведении геологоразведочных работ осуществляется ВостНИИ.
В Ростовской области этот прогноз осуществляется геологоразведочными организациями в соответствии с Временным руководством по прогнозу выбросоопасности угольных пластов Донецкого бассейна при геологоразведочных работах и Временным руководством по прогнозу выбросоопасности угольных пластов и вмещающих пород по данным геофизических исследований геологоразведочных скважин в Донецком бассейне.
2.1.3. По результатам прогноза выбросоопасности при ведении геологоразведочных работ устанавливаются критические по внезапным выбросам глубины, начиная с которых осуществляется прогноз выбросоопасности (при вскрытии и текущий). В табл. 2.1 приведены значения критических глубин для некоторых бассейнов, районов, месторождений.
Глубина, с которой осуществляется прогноз выбросоопасности шахтопластов в Ростовской области, принимается в соответствии с табл. 2.2.
Таблица 2.1
|
Критическая глубина, м |
|
|
Прокопьевско-Киселевский |
150 |
|
Ускатский и Томь-Усинский |
200 |
|
Кемеровский |
210 |
|
Бунгуро-Чумышский |
220 |
|
Беловский,Байдаевский, Осинниковский, Кондомский и Терсинский |
300 |
|
Ленинский |
340 |
|
Анжерский |
500 |
|
Араличевский |
190 |
|
Печорский |
400 |
|
Партизанское месторождение и месторождения о. Сахалин |
250 |
Таблица 2.2
|
Выход летучих веществ Vdaf, % |
Комплексный показатель степени метаморфизма угля М, у.е. |
Природная газоносность пласта, м3/т с.б.м |
Глубина, с которой осуществляется прогноз, м |
|
Более 29 |
26,3 - 27,7 |
8 и более |
400 |
|
24,5 - 26,2 |
9 и более |
380 |
|
|
23,7 - 27,6 |
9 и более |
380 |
|
|
9 - 29 |
17,6 - 23,6 |
11 и более |
320 |
|
13,5 - 17,5 |
12 и более |
270 |
|
|
9,0 - 13,4 |
13 и более |
230 |
|
|
Менее 9 (но lg ρ > 3,3) |
- |
15 и более |
150 |
Комплексный показатель M определяется в соответствии с табл. 2.2:
при Vdaf = 9 - 29 % по формуле М = Vdaf - 0,16у, (2.1)
при Vdaf более
29 % по формуле
(2.2)
где у - толщина пластического слоя угля, мм (для углей, не склонных к спеканию, у = 0).
Шахтопласт относится к невыбросоопасным независимо от глубины выработки и природной газоносности, если комплексный показатель степени метаморфизма угля М > 27,7 или логарифм удельного электросопротивления антрацитов lg ρ < 3,2, а также, если для углей конкретной степени метаморфизма природная газоносность или глубина разработки меньше значений, указанных в табл. 2.2.
При сбойке горными работами двух шахт, разрабатывающих один и тот же пласт различной степени выбросоопасности (один шахтопласт является выбросоопасным), шахту в целом относят к категории опасных по выбросам угля и газа.
Для тех бассейнов и месторождений, которые не упоминаются в вышеизложенных положениях, критическая глубина принимается равной 150 м.
2.1.4. По результатам экспертной оценки ВостНИИ указанные выше глубины могут уточняться для отдельных бассейнов, районов, месторождений и устанавливаться критические глубины для конкретных шахтных полей и их участков.
2.1.5. Для условий Кузбасса по заключению ВостНИИ, ННЦ ГП ИГД им. А.А. Скочинского в соответствии с Руководством по определению степени (категории) выбросоопасности угольных пластов и забоев горных выработок с учетом глубины и технологии ведения горных работ возможно выделение неопасных участков на угрожаемых и выбросоопасных шахтопластах.
2.1.6. На планах горных работ, планшетах и рабочих эскизах проводятся изолинии критических по внезапным выбросам глубин для шахтопластов.
2.2.1. Перед вскрытием квершлагами и другими полевыми выработками выбросоопасных или угрожаемых шахтопластов должен осуществляться прогноз их выбросоопасности в месте вскрытия. Результаты прогноза оформляют актом (форма 4).
Проведение выработок, вскрывающих наклонные, крутонаклонные и крутые пласты, опасные (угрожаемые) по внезапным выбросам угля и газа, производится с предварительным бурением разведочных скважин длиной не менее 25 м при неснижаемом опережении не менее 10 м.
Схемы расположения скважин (не менее двух), их глубина и периодичность бурения определяются техническим руководителем и геологом шахты из расчета, что разведанная толща между пластом и выработкой должна составлять не менее 5 м. Фактическое положение скважин должно быть нанесено на рабочий эскиз выработки с привязкой к маркшейдерскому знаку. Контроль за положением забоя относительно пласта по данным разведочного бурения осуществляется под руководством геолога.
2.2.3. При подходе забоя вскрывающей выработки на расстояние не менее 3 м (по нормали) к угольному пласту бурятся контрольные скважины для установления показателей, используемых при прогнозе выбросоопасности пласта в месте вскрытия. Отбор проб угля с разделением их по угольным пачкам производится двойной колонковой трубой или с помощью кернонаборника. Контрольные скважины должны пересекать пласт на расстоянии 1,0 м за контуром выработки, при этом расстояние между ними в плоскости пласта должно быть не менее 2 м. Пробы отбираются с каждого метрового интервала скважин по всей мощности пласта. При вскрытии пологих пластов мощностью более 2 м отбор проб скважинами проводят до глубины, соответствующей входу выработки в пласт на полное сечение или обнажению пласта на всю мощность.
2.2.4. Пересечение пологого угольного пласта при прогнозе «неопасно» и отсутствии выброса при его вскрытии может осуществляться с применением текущего прогноза выбросоопасности.
2.2.5. В Кузнецком бассейне прогноз выбросоопасности пласта в месте вскрытия производится по показателю Пв:
(2.3)
где Рг.max - максимальное давление газа в пласте на данной глубине от поверхности, кгс/см2;
fmin - наименьшее значение коэффициента крепости угля по угольным пачкам, выявленным разведочной скважиной, или по метровым интервалам разведочной скважины, у.е. (условных единиц).
При Пв ≥ 0 зона пласта в месте вскрытия считается опасной.
2.2.6. В месторождениях Печорского бассейна, Приморья и о. Сахалин угольные пласты в месте вскрытия считаются опасными при давлении газа в контрольных скважинах 10 кгс/см2 и более.
2.2.7. При вскрытии квершлагом свиты сближенных крутых пластов осуществляется прогноз их выбросоопасности по двум разведочным скважинам, перебуривающим несколько пластов или все пласты свиты из одного положения забоя квершлага. При этом величину давления газа в пластах принимают одинаковой и равной наибольшему замеренному давлению в разведочных скважинах.
2.2.8. На шахтах Ростовской области прогноз выбросоопасности пластов в месте вскрытия осуществляется по скорости газовыделения g, йодному показателю ΔI и коэффициенту крепости угля f.
При приближении забоя вскрывающей выработки к пласту или пропластку мощностью более 0,2 м на расстояние не менее 3 м по нормали бурятся контрольные скважины (шпуры) на пласт (пропласток) для отбора проб угля и замера скорости газовыделения, а также для определения мощности пласта и количества пачек. Замер скорости газовыделения производится в двух скважинах не позднее чем через 2 мин после перебуривания пласта, причем герметизируемая измерительная камера должна соответствовать мощности пласта. Если при бурении наблюдаются предупредительные признаки выбросов, то бурение прекращается и выдается прогноз «опасно».
Герметизация скважин (шпуров) производится газозатвором ЗГ-1 или ПГШ.
Отбор проб для определения йодного показателя и коэффициента крепости угля производится по каждой пачке мощностью более 0,2 м.
Если отбор проб угля по пачкам невозможен, то f и ΔI определяются по общей пробе.
К учету принимаются максимальные значения g, ΔI и минимальное значение f.
Определение йодного показателя и коэффициента крепости угля по отобранным пробам производится в лаборатории ВостНИИ.
Ситуация перед вскрытием оценивается как невыбросоопасная при одновременном выполнении трех условий:
g ≤ 2 л/мин; (2.4)
ΔI ≤ 3,5 мг/г; (2.5)
f ≥ 0,6 у.е. (2.6)
Если один из трех показателей не соответствует указанному условию, выдается прогноз «опасно».
Общие требования, параметры оценки выбросоопасности
2.3.1. Метод локального прогноза применяется на шахтах Ростовской области для оценки степени выбросоопасности шахтопластов, отнесенных в соответствии с пп. 1.2.2 и 2.1.3 Инструкции к категории угрожаемых, в целях определения необходимости ввода текущего прогноза выбросоопасности в конкретных условиях ведения горных работ.
Прогнозирование по методу локального прогноза не применяется, если на соответствующих горизонтах соседних шахт по данному пласту имели место газодинамические явления.
Перечень шахтопластов, на которых применяется локальный прогноз, определяется комиссией в соответствии с п. 1.2.5 Инструкции.
Локальный прогноз включает:
обследование шахтопласта в полном объеме;
контрольные наблюдения, проводимые на участках пласта между обследованиями в полном объеме;
внеочередные обследования, которые могут вводиться по результатам контрольных наблюдений, а также при изменении технологии выемки угля, способа управления кровлей, при переходе зон ПГД и геологических нарушений.
2.3.2. Локальный прогноз выбросоопасности вводится на шахтопласте по результатам обследования в полном объеме, которое проводится в действующих выработках на расстоянии не ближе 25 м от геологического нарушения.
2.3.3. После вскрытия угольного пласта обследование в полном объеме начинают сразу же при выходе забоя выработки на пласт. При этом в месте вскрытия пласта осуществляется прогноз его выбросоопасности в соответствии с п. 2.2.8 Инструкции. Если прогноз показал «неопасно» и пласт вскрыт без газодинамического явления, обследование выполняют без применения противовыбросных мероприятий, а взрывные работы в забое проводят в режиме для газовых шахт.
2.3.4. На пластах с углом падения свыше 10° проведение подготовительных выработок по падению пласта ниже горизонта, обследуемого локальным прогнозом, осуществляется с применением текущего прогноза.
2.3.5. Обследование шахтопласта в полном объеме включает:
замер давления газа в угольном пласте перед вскрытием его выработкой Рг (кгс/см2);
измерение прочности угля q (у.е.) на поверхности забоя прочностномером П-1 в соответствии с приложением 5;
измерение мощности каждой угольной пачки и общей мощности пласта т (м);
измерение начальной скорости газовыделения из шпуров g (л/мин) на интервалах 1,5; 2,5 и 3,5 м.
Обследование производится через каждые 2 - 3 м подвигания забоя на протяжении 20 - 30 м проведения выработки, при этом должно быть выполнено не менее 10 циклов наблюдений.
Если при обследовании шахтопласта в каком-либо цикле наблюдений прочность q хотя бы одной угольной пачки будет менее 60 у.е., обследование следует прекратить и ввести на участке текущий прогноз выбросоопасности в соответствии с требованиями (пп. 2.4.23 - 2.4.29) Инструкции. Если в каком-либо интервале бурения шпура будет измерена начальная скорость газовыделения gн, равная или больше критической величины gон, обследование прекращается и в забое должны быть применены способы предотвращения выбросов.
2.3.6. Определение показателей локального прогноза производят на крутонаклонных и крутых пластах в следующих пунктах:
отрабатываемых уступными лавами - в забоях откаточного штрека, нижней печи и в трех нижних уступах;
отрабатываемых щитовыми агрегатами - в забое монтажной печи (в интервале на расстоянии 20 - 50 м от вентиляционного ската) и в кутке лавы (в интервалах на расстоянии 30 - 60 и 80 - 110 м от вентиляционного горизонта);
на пологих и наклонных пластах - в забое опережающей выработки и в трех пунктах по длине очистного забоя (на расстоянии 5 - 15 м от сопряжений с откаточной и вентиляционной выработками и в средней части лавы). На пластах, отрабатываемых по системе лава-штрек, вместо опережающей выработки обследование проводится в нижней нише.
При отработке пластов мощностью более 2,0 м обследование проводится только в подготовительных выработках.
Отработка шахтопластов лавами по восстанию при угле наклона свыше 10° производится с применением локального прогноза, а по падению - с применением текущего прогноза выбросоопасности.
2.3.7. В целях получения исходных данных для текущего прогноза выбросоопасности составной частью обследования шахтопласта в полном объеме являются разведочные наблюдения, выполняемые в соответствии с пп. 2.4.23 - 2.4.24 Инструкции. При этом коэффициент крепости угля f не определяется, а для оценки прочностных свойств угольного пласта и отдельных его пачек используются данные прочности угля q. Разведочные наблюдения проводятся только в забоях основных подготовительных выработок, нижней и монтажной печах.
Обработка результатов обследования в полном объеме
2.3.8. На основании обработки результатов обследования должны быть получены:
критерии локального прогноза:
Ра - показатель, характеризующий напряженное состояние пласта, кгс/см2;
Мп - коэффициент устойчивости пласта;
исходные данные для текущего прогноза:
gн max - максимальное значение начальной скорости газовыделения, л/мин;
- среднее
значение прочности угля, у. е.;
-
среднее значение мощности пласта, м;
Vq - коэффициент изменчивости прочности угля, %.
Vm - коэффициент изменчивости мощности пласта, %.
2.3.9. Показатель, характеризующий напряженное состояние пласта (Ра, кгс/см2), зависит от давления газа в угольном пласте (Рг, кгс/см2) и глубины ведения горных работ (Н, м) и определяется из выражения
Рa = Рг + 0,04γH, (2.7)
где γ - средний удельный вес горных пород, принимается равным 2,5 ∙ 10-3 кгс/см3.
Показатель Ра определяется только при первом на данном горизонте обследовании шахтопласта в полном объеме и принимается постоянным для последующих обследований на том же горизонте.
Коэффициент устойчивости пласта Мп зависит от приведенной прочности пласта qпр (у.е.), мощности пласта т (м) и числа угольных пачек nп и определяется из выражения
(2.8)
где М - единичные значения коэффициента устойчивости пласта (определяются в каждом цикле наблюдений в забое);
nц - количество циклов наблюдений в забое.
M = 0,17qпр - m - 0,5nп - 6,8, (2.9)
(2.10)
где q1, q2, ..., qn - прочность угольных пачек, у.е.;
m1, m2, ..., mn - мощность угольных пачек, м.
Кроме того, при выполнении наблюдений в полном объеме определяется
средняя прочность каждой угольной пачки
по формуле
(2.11)
где qi - прочность угольной пачки в отдельных циклах наблюдений.
2.3.10. В качестве максимальной величины начальной скорости газовыделения gн max принимается наибольшее ее значение, измеренное на участке разведочных наблюдений.
Среднее значение приведенной прочности угля
определяется
по формуле
(2.12)
где
- сумма значений прочности
угля qпр в
каждом цикле наблюдений, полученных на участке разведочных наблюдений, у.е.
Коэффициенты изменчивости прочности угля Vq и мощности пласта Vm вычисляются по формулам:
(2.13)
(2.14)
где
- среднее
значение мощности пласта на участке разведочных наблюдений, вычисляемое по
формуле
(2.15)
(здесь
-
сумма отдельных значений мощности пласта, м);
δq, δm
- среднеквадратические отклонения отдельных значений
приведенной прочности угля qпр и
мощности пласта т от их средних значений
и
.
(2.16)
(2.17)
Критерии оценки выбросоопасности пласта на участке обследования в полном объеме
2.3.11. Заключение об отработке пласта с применением локального прогноза производится по номограмме (рис. 2.1) в зависимости от значений показателя, характеризующего напряженное состояние пласта, коэффициента устойчивости пласта Мп и результатов разведочных наблюдений.
2.3.12. Если в каком-либо пункте наблюдений точка с координатами Ра и Мп по номограмме расположена выше кривой, делают заключение, что шахтопласт необходимо разрабатывать с применением текущего прогноза выбросоопасности.
При положении указанной точки ниже кривой и исходных данных для
текущего прогноза Vq ≤ 20 %; Vm ≤ 10 %;
шахтопласт на участке отрабатывают с
применением локального прогноза выбросоопасности.
Это положение распространяется на забой при любых значениях Vm,
если
Vq ≤ 20 %;
a
.
2.3.13. Критические значения начальной скорости газовыделения зависят от марки угля и принимаются:
при Vdaf менее 15 % - 5 л/мин;
при Vdaf от 15 до 20 % - 4,5 л/мин;
при Vdaf от 20 до 30 % - 4,0 л/мин;
при Vdaf свыше 30 % - 4,5 л/мин.
Значение выхода летучих веществ Vdaf определяется как среднее по 10 пробам угля, отобранным в первом цикле наблюдений в подготовительной выработке.
2.3.14. Применение локального прогноза на шахтопласте разрешается после оформления результатов обследования в полном объеме актом по форме 4, утвержденным техническим руководителем шахты. К акту прилагают выкопировку из плана горных работ с нанесенным участком обследования в полном объеме.
Рис. 2.1. Номограмма для оценки выбросоопасности угольных пластов для шахт Донецкого бассейна
Периодичность обследований в полном объеме
2.3.15. Обследование в полном объеме в очистном забое начинают сразу после нарезки лавы и затем повторяют после отхода от разрезной выработки на расстояние 30 - 40 м.
2.3.16. В дальнейшем периодичность обследований в полном объеме устанавливают в зависимости от разности (N - H):
при (N - H) ≤ 100 обследования проводятся через 50 м подвигания;
при (N - H) > 100 через 100 м подвигания,
где N - показатель периодичности обследований, определяемый по формуле
N = H + 10(PAB - Pa), (2.18)
где РAВ - значение Рa по номограмме в точке пересечения перпендикуляра, восстановленного из абсциссы со значением Мп для данного места обследования с кривой;
H - глубина разработки, м.
Контрольные наблюдения
2.3.17. Начальник службы прогноза, получив утвержденный акт обследования пласта по локальному прогнозу выбросоопасности, отдает распоряжение горным мастерам по прогнозу о проведении на данном участке непрерывных контрольных наблюдений по локальному прогнозу.
2.3.18. Контрольные наблюдения проводятся на участках подвигания забоев, заключенных между участками обследования в полном объеме.
2.3.19. В период контрольных наблюдений осуществляются постоянные
измерения мощности и прочности угольных пачек и пласта в целом через каждые 5
или 10 м подвигания забоев. Интервал 5 м принимается в случае, если последнее
обследование в полном объеме выявило хотя бы одну угольную пачку прочностью
В остальных
случаях принимается интервал наблюдений, равный 10 м.
Контрольные наблюдения проводятся в тех же пунктах действующих забоев, что и при обследовании в полном объеме.
2.3.20. Если в каком-либо цикле контрольных наблюдений будет установлено, что прочность отдельной угольной пачки снизилась до величины менее 60 у.е., параллельно с проведением контрольных наблюдений на участке вводят текущий прогноз выбросоопасности в соответствии с подразделом 2.4 Инструкции.
Если при ведении текущего прогноза начальная скорость
газовыделения gн оставалась
менее критического значения
, прочность наименее прочной угольной
пачки по данным контрольных наблюдений увеличилась до 60 у.е. и более, на
участке вводится обследование в полном объеме.
2.3.21. В каждом цикле контрольных наблюдений вычисляются
изменения показателей мощности пласта Kт, прочности
пласта Kq и
отдельных пачек
по формулам:
(2.19)
(2.20)
(2.21)
где mк,
-
значения мощности и приведенной прочности пласта при контрольных наблюдениях;
- значение прочности угольной пачки при
контрольных наблюдениях.
Результаты измерений и вычислений показателей заносят в журнал (форма 5).
2.3.22. Если в каком-либо цикле контрольных наблюдений будет
установлено Km ≥ 15 %; Kq ≥
15 % или
, проводят внеочередное обследование в
полном объеме.
2.3.23. По каждым 10 циклам контрольных наблюдений (50 или 100 м подвигания забоя) начальник службы прогноза рассчитывает Ра и Мп. Если точка с полученными координатами Ра и Мп окажется выше кривой по номограмме рис. 2.1, на участке вводят внеочередное обследование в полном объеме с одновременным ведением текущего прогноза в откаточном штреке и нижней (или монтажной) печи (крутые и крутонаклонные пласты). Результаты определения выбросоопасности пласта по локальному прогнозу оформляются актом по форме 6.
2.3.24. Технологию и организацию работ по локальному прогнозу выбросоопасности следует осуществлять в соответствии с Временным руководством по локальному прогнозу выбросоопасности угольных пластов на шахтах Украины.
Общие положения
2.4.1. Текущий прогноз выбросоопасности предназначен для установления опасных и неопасных зон при проведении подготовительных выработок и ведении очистных работ. При невозможности выполнения текущего прогноза выбросоопасности вводятся локальные способы предотвращения выбросов или сотрясательное взрывание. Текущий прогноз выбросоопасности в подготовительных выработках осуществляется по структуре пласта и по начальной скорости газовыделения из контрольных шпуров. При проведении нисходящих подготовительных выработок на крутых пластах применяется автоматизированный прогноз с применением аппаратуры контроля метана (АКМ). Выбросоопасность в очистных выработках шахт Кузбасса оценивается по результатам комплексного прогноза выбросоопасности в очистных забоях. При оценке выбросоопасности на шахтах Кузбасса как дополнительный метод в сочетании с вышеуказанными может применяться прогноз по амплитудно-частотным характеристикам искусственного сигнала.
2.4.2. На шахтах Ростовской области вместо вышеуказанных методов в подготовительных и очистных выработках могут применяться методы текущего прогноза выбросоопасности по начальной скорости газовыделения из контрольных шпуров, по сейсмоакустической активности и по амплитудно-частотным характеристикам искусственного сигнала.
Допускается сочетание методов сейсмоакустического прогноза и по начальной скорости газовыделения. При этом по начальной скорости газовыделения уточняются наличие и границы опасных зон, установленных сейсмоакустическим методом.
На шахтах области применяется прогноз выбросоопасности пород по результатам кернового бурения.
Текущий прогноз выбросоопасности в подготовительных выработках по структуре пласта и начальной скорости газовыделения из контрольных шпуров
2.4.4. Текущий прогноз выбросоопасности угольных пластов начинается с разведочных наблюдений, включающих визуальный осмотр забоя; выявление слагающих пласт угольных пачек в сечении забоя; измерение их мощности с точностью до 1 см; определение с помощью прочностномера П-1 прочности каждой пачки угля (в соответствии с приложением 5).
2.4.5. В качестве показателя прочности принимается величина
q = 100 - l, (2.22)
где l - глубина внедрения конуса в массив, определенная по шкале прочностномера, мм.
Прочность угольной пачки в целом определяется как среднеарифметическое значение из пяти измерений
(2.23)
2.4.6. Потенциально выбросоопасной считается пачка угля или совокупность смежных пачек угля прочностью q ≤ 75 у.е. и общей максимальной мощностью не менее 0,2 м (на шахтах Печорского бассейна - 0,1 м).
2.4.7. При наличии более чем одной такой пачки или совокупности пачек за потенциально выбросоопасную принимается та из них, которая имеет наименьшую прочность. Прочность совокупности пачек qc принимается равной средневзвешенной по мощности величине из значений прочности слагающих пачек
(2.24)
где n - число угольных пачек в совокупности.
2.4.8. Если по результатам измерения прочности угольных пачек установлено, что потенциально выбросоопасные пачки угля в сечении забоя отсутствуют, контрольные шпуры не бурятся и зона впереди забоя выработки на 4 м считается невыбросоопасной. Выработка может быть пройдена на 4 м без применения способа предотвращения выбросов, после чего вновь определяется наличие потенциально выбросоопасной пачки угля.
2.4.9. При выявлении в сечении забоя потенциально выбросоопасной пачки или совокупности смежных пачек угля производится прогноз выбросоопасности по контрольным шпурам.
2.4.11. Контрольный шпур бурится с остановками после окончания бурения каждого интервала. Длина первого интервала составляет 0,5 м, а всех последующих - 1 м. Продолжительность бурения второго и каждого последующего интервалов должна составлять 2 мин.
Если интервал шпура пробурен за более короткий промежуток времени, то, несмотря на отсутствие признаков зажима бурового инструмента, сверло не выключается и продолжается бурение без подачи указанного интервала до тех пор, пока от начала его бурения не пройдет 2 мин.
После окончания бурения второго и последующих интервалов измеряется начальная максимальная скорость газовыделения gн max, л/мин. За начальную принимают скорость газовыделения, измеренную через 2 мин после окончания бурения интервала. Давление распора манжеты герметизатора должно составлять не менее 2 кгс/см2.
2.4.12. После окончания наблюдений определяется максимальное значение начальной скорости газовыделения, измеренное в контрольных шпурах, gн max.
При значении gн max ≥ 4 л/мин зона относится к выбросоопасной, а при gн max < 4 л/мин - к неопасной.
Учитывается наибольшее значение показателя gн max, полученное по контрольным шпурам, пробуренным из одного положения забоя выработки. Результаты наблюдений заносятся в журнал (форма 7).
Для условий Кузбасса по согласованию с ВостНИИ для уточнения опасности зоны по внезапным выбросам после получения gн max ≥ 4 л/мин может применяться показатель выбросоопасности В в соответствии с Временной методикой текущего прогноза газодинамической опасности при проведении подготовительных выработок по угольным пластам (Кемерово: ВостНИИ, 1996).
Прогноз прекращается, если на одном из этапов бурения контрольных шпуров получено опасное значение gн max.
2.4.14. При проведении штрека по крутому, крутонаклонному или наклонному пласту первый контрольный шпур бурится горизонтально по оси выработки, а второй - под углом в сторону восстания пласта с выходом на 1,5 м выше контура штрека.
При проведении наклонной выработки (уклона, ската, печи и др.) или штрека по пологому пласту контрольные шпуры бурятся в бока за контур выработки с таким расчетом, чтобы концы шпуров располагались на расстоянии 2 м от контура выработки. В наклонной выработке или в штреке по пологому мощному пласту, разрабатываемому в два слоя и более, боковые шпуры бурятся аналогичным образом на 2 м за контур выработки влево и вправо. Кроме того, бурится третий (дополнительный) шпур по пласту с выходом на 1,5 м ниже или выше контура.
Устья шпуров располагаются на расстоянии 0,5 м от стенок выработки.
В случае проведения выработки в зоне геологического нарушения должны предусматриваться дополнительные контрольные шпуры для прогноза выбросоопасности и разведки прилегающего к забою угольного массива впереди и со стороны бортов выработки на глубину контрольных шпуров в соответствии с приложением 2.
2.4.15. При появлении признаков, указывающих на выход забоя выработки за пределы опасной зоны (увеличение прочности угля, снижение газовыделения в выработку при выемке угля и при выполнении способов предотвращения выбросов), по письменному разрешению технического руководителя шахты устанавливается контрольный участок протяженностью 20 м, начиная от места входа в зону неснижаемого опережения после последнего цикла локальной противовыбросной обработки.
В пределах контрольного участка перед каждым циклом выемки угля в забое, но не реже чем через 2 м подвигания производится текущий прогноз выбросоопасности по начальной скорости газовыделения из контрольных шпуров.
Если на всем протяжении контрольного участка не получено выбросоопасных значений показателя или не установлено в соответствии с пп. 2.3.5 - 2.3.9 потенциально выбросоопасных пачек или совокупности смежных пачек, дальнейшее проведение выработки осуществляется с текущим прогнозом выбросоопасности без применения способов предотвращения внезапных выбросов.
При получении на контрольном участке значений показателя выбросоопасности gн max ≥ 4 л/мин применение способа предотвращения выбросов возобновляется.
После каждого цикла выемки угля крепление на контрольном участке возводится вплотную к забою.
2.4.16. Текущий прогноз не осуществляется и зоны считаются неопасными:
в выработках на уровне вентиляционного штрека под выработанным пространством вышележащего этажа;
в нижней спаренной горизонтальной выработке на крутых пластах мощностью более 1,8 м, если ее проводят с отставанием от забоя на 6 м и более и расстояние между выработками по падению пласта не превышает 6 м, а также в сбойках между такими выработками;
при проведении подэтажных штреков под защитой выработанного пространства вышележащего этажа при разработке пластов системой подэтажной гидроотбойки угля с высотой этажа не более 10 м;
в выработках на крутых и крутонаклонных пластах на расстоянии не более 50 м по падению пласта от выработанного пространства вышележащего этажа, после отработки которого прошло 5 лет и более.
Автоматизированный текущий прогноз выбросоопасности при проведении нисходящих подготовительных выработок на крутых пластах.
2.4.17. При проведении нисходящих подготовительных выработок на крутых пластах после обнаружения выбросоопасной пачки или совокупности пачек по письменному указанию технического руководителя шахты выполняется оценка выбросоопасности зоны на основе регистрации изменения концентрации метана и расхода воздуха в призабойной части выработки.
Для выполнения автоматизированного прогноза наблюдаемая выработка должна быть оборудована АКМ. На одинаковом удалении от забоя в пределах от 30 до 50 м должны быть установлены датчик ДМТ-4 аппаратуры АКМ и датчик расхода воздуха ИСВ-1. Датчики ДМТ-4 и ИСВ-1 следует подключить к телеметрической стойке СПИ-1, установленной на поверхности. Показания датчиков должны регистрироваться с помощью самописцев.
2.4.18. При прогнозе используются следующие исходные данные:
Сф - значение фоновой концентрации метана в месте установки используемого для прогноза выбросоопасности датчика контроля метана, %;
Сmax - максимальное значение концентрации метана после взрывной отбойки угля, %;
tp - время значимой реакции пласта на производство в забое взрывания, мин;
n - число равных 15 мин интервалов времени, составляющих в целом время tp;
C1, C2, ..., Сп - фиксируемые в конце каждого интервала времени значения концентрации метана, %;
Q1, Q2, ..., Qn - соответствующие каждому интервалу времени значения расхода воздуха, определяемые по предназначенному для прогноза измерителю скорости воздуха, м3/мин;
Sпр - сечение выработки по углю в проходке, м2;
lп - величина подвигания забоя за один цикл буровзрывных работ, м;
γ - удельный вес угля, т/м3.
fв - коэффициент крепости угля потенциально выбросоопасной пачки или совокупности пачек.
2.4.19. Применяется следующая методика получения исходных данных для прогноза.
При отсутствии в забое нисходящей выработки, где осуществляется текущий прогноз выбросоопасности, работ, связанных с воздействием на угольный пласт, в течение двух часов и более (например, в ремонтную смену) устанавливается фоновое значение концентрации метана Сф по датчику аппаратуры АКМ (рис. 2.2), предназначенному для целей прогноза.
После заряжания шпуров мастер-взрывник звонит оператору АКМ и предупреждает его о предстоящей отладке угля в забое. Оператор следит за диаграммой изменения концентрации метана в забое и по началу характерного всплеска на диаграмме отмечает на ленте самописца момент взрывания и максимальное значение концентрации метана после отпалки Сmax.
Затем устанавливается время значимой реакции пласта на производство в забое взрывания. Оно принимается равным промежутку времени tp от момента взрывания до снижения концентрации метана до фонового значения Сф, увеличенного до величины, кратной 15 мин, но не более 120 мин. Определяется значение п, равное tp/15.
Начиная от момента взрывания через каждый интервал времени, равный 15 мин, по диаграммам датчика ДМТ, предназначенного для прогноза, и измерителя ИСВ фиксируются значения концентрации метана С1, С2, ..., Сп и соответствующие каждому интервалу максимальные значения расхода воздуха Q1, Q2, ..., Qn. Значение концентрации метана определяется с точностью до 0,01 %, расхода воздуха - с точностью до 10 м3/мин.
2.4.20. Оценка выбросоопасности забоя осуществляется следующим образом.
Рассчитывается критическое значение концентрации метана при взрывании
(2.25)
где Qср - среднее значение расхода воздуха в месте установки прогнозных датчиков, определяемое по формуле
(2.26)
Если зарегистрированное значение Сmax < Скр, зона не опасна по внезапным выбросам угля и газа.
Рис. 2.2. Обработка диаграммы АКМ после взрывных работ для определения выбросоопасности забоя
Если Сmax ≥ Скр, то определяется эффективная газоносность зоны пласта по формуле
(2.27)
При Хэф ≥ 4 м3/т зона впереди забоя выработки относится к опасной по внезапным выбросам угля и газа, при Хэф < 4 м3/т - к неопасной.
2.4.21. При установлении выбросоопасной зоны буровзрывные работы по подвиганию забоя выработки производятся в режиме сотрясательного взрывания после выполнения противовыбросной обработки призабойной зоны пласта.
В неопасной зоне взрывные работы выполняются в режиме для сверхкатегорных по газу шахт.
Результаты по автоматизированному методу прогноза выбросоопасности заносятся в журнал по форме 8.
Комплексный прогноз выбросоопасности в очистных забоях
2.4.22. На шахтах Кузбасса до пуска каждого очистного забоя с максимальной глубиной отработки пласта ниже критической по внезапным выбросам глубины ВостНИИ по заявке шахты должен произвести геофизическую разведку тектонической структуры угольного пласта в пределах соответствующего оконтуренного подготовительными выработками выемочного участка согласно Методике установления потенциально выбросоопасных участков угольных пластов в зонах влияния тектонических нарушений (Кемерово: ВостНИИ, 1999) и по ее результатам, а также результатам текущего прогноза выбросоопасности в оконтуривающих подготовительных выработках выдать заключение о наличии в пределах данного участка потенциально выбросоопасных зон с указанием их границ. До входа очистного забоя в потенциально выбросоопасную зону она должна быть приведена в невыбросоопасное состояние или забой должен подвигаться в пределах зоны с невыбросоопасными параметрами выемки угля на основании заключения ВостНИИ.
Текущий прогноз выбросоопасности в подготовительных и очистных выработках шахт Ростовской области
Текущий прогноз по начальной скорости газовыделения из контрольных шпуров
2.4.23. В целях получения исходных данных для текущего прогноза проводятся разведочные наблюдения вне зоны геологического нарушения (не ближе 25 м). В подготовительных выработках эти наблюдения включают измерения начальной скорости газовыделения gн из шпура глубиной 3,5 м, коэффициента крепости угля f и общей мощности пласта т в пяти циклах проходки (через 2 м). В очистных выработках эти измерения проводят в пяти пунктах, расположенных равномерно по длине забоя.
Измерение начальной скорости газовыделения в процессе разведочных наблюдений производится: при длине контрольного шпура 1,5; 2,5 и 3,5 м в забоях, где выемка угля осуществляется взрывным способом, и 3,5 м - в забоях, где применяются способы предотвращения выбросов. Шпуры бурятся диаметром 42 мм. Бурение контрольного шпура при достижении указанных интервалов приостанавливается, вводится газозатвор и герметизируется измерительная камера длиной 0,5 м. Измерительная камера на выбросоопасных пластах должна располагаться вне зоны влияния способов предотвращения внезапных выбросов, для чего:
в подготовительных и нарезных выработках пологих и крутонаклонных пластов схемы противовыбросных мероприятий должны быть изменены таким образом, чтобы ширина обрабатываемого участка пласта за пределами проектного контура выработки составляла 2 м, а шпуры для определения начальной скорости газовыделения бурились под углом 60° к направлению подвигания выработки;
в подготовительных выработках крутых пластов ширина обрабатываемого участка пласта за проектным контуром выработки должна составлять с нижней стороны 1 м, с верхней - 2 м, а нижний шпур для определения начальной скорости газовыделения бурится под углом 35° к направлению подвигания выработки, верхний - под углом 60°.
В очистных выработках измерения начальной скорости газовыделения производятся за зоной влияния способов предотвращения выбросов. В том случае, если применяемые способы имеют неснижаемое опережение более 3,0 м, разведочные наблюдения должны осуществляться по рекомендациям ВостНИИ, разработанным для каждого забоя с учетом горно-геологических условий и параметров способов предотвращения выбросов.
На герметизаторе устанавливается перфорированная насадка. Длина перфорированной насадки должна быть равна длине измерительной камеры.
С помощью расходомера, присоединенного к газозатвору, не позднее чем через 2 мин после окончания бурения измеряется начальная скорость газовыделения.
Коэффициенты крепости угля измеряют прибором ПК-1 в шпуре глубиной 2 м.
Общая мощность пласта в подготовительных выработках замеряется вблизи бортов выработки.
Проведение разведочных наблюдений не требуется в забоях выработок, которые начинают проводить от выработок, пройденных ранее в неопасных зонах, установленных текущим прогнозом. На ведение текущего прогноза в данном случае составляется акт.
На угрожаемых пластах разведочные наблюдения осуществляются без предварительного выполнения противовыбросных мероприятий.
На основании обработки результатов разведочных наблюдений должны быть получены исходные данные для текущего прогноза: максимальное значение начальной скорости газовыделения из шпуров gн max, средне-арифметическое значение коэффициента крепости угля fср и мощности пласта тср, изменчивость коэффициента крепости угля Vf и мощности пласта Vm.
2.4.24. Если Vf ≤ 20 %; Vm ≤ 10 %; fcp ≥ 0,8 у.е., a gн max при этом менее критического значения начальной скорости газовыделения
для каждого конкретного пласта
, то забой подготовительной или очистной
выработки проводился в процессе разведочных наблюдений в неопасной зоне. В
данном случае в забое вводится текущий прогноз, а применяемые в выработке
способы предотвращения внезапных выбросов могут быть отменены. Это положение
распространяется на забой при любых значениях Vm, если
Vf ≤
20 %; fср
> 1 у.е., a gн max
< ![]()
Критические значения начальной скорости газовыделения
зависят
от марки угля и принимаются в соответствии с п. 2.3.13:
при Vdaf менее 15 % - 5 л/мин;
при Vdaf от 15 до 20 % - 4,5 л/мин;
при Vdaf от 20 до 30 % - 4,0 л/мин;
при Vdaf свыше 30 % - 4,5 л/мин.
Выход летучих веществ Vdaf определяется как средний по 10 пробам угля, отобранным в подготовительной выработке или в лаве на стадии разведочных наблюдений, и оформляется актом, утвержденным техническим руководителем шахты.
2.4.25. При текущем прогнозе опасных зон измерения начальной скорости газовыделения проводят в контрольном шпуре диаметром 42 мм на интервалах 1,5; 2,5; 3,5 м при измерительной камере 0,5 м. Шпуры необходимо бурить через каждые 2 м подвигания забоев подготовительных выработок, в комбайновых нишах при работе по схеме лава-штрек и в нижних просеках крутых пластов при полевой подготовке и 2,7 м - в очистных забоях и нишах, примыкающих к ранее отработанному этажу или ранее пройденной выработке. На каждом интервале перед измерением gн проверяется качество герметизации газовой камеры в соответствии с паспортом на комплект приборов для прогноза.
2.4.26. В подготовительных выработках необходимо бурить два шпура на расстоянии 0,5 м от стенки выработки. Шпуры ориентируются в направлении подвигания забоя.
В очистных выработках пологих и наклонных выбросоопасных пластов шпуры бурятся в направлении подвигания выработки и располагаются на расстоянии 0,5 м от кутков ниш, а в остальной части лавы - через 10 м друг от друга.
При потолкоуступном очистном забое выбросоопасных крутых пластов шпуры бурятся в кутках нижней печи и уступов на расстоянии 0,5 м от нависающего массива.
На угрожаемых пластах шпуры бурятся: в лавах крутых и крутонаклонных пластов при потолкоуступном забое - в нижней третьей части этажа, а в лавах пологих и наклонных пластов - в нишах и против бутовых полос и на участках протяженностью 10 м, прилегающих к нишам и бутовым полосам. При подходе к геологическому нарушению на расстояние 25 м, пересечении его и отходе от нарушения за расстояние 25 м шпуры бурятся через 10 м по длине очистного забоя на участке геологического нарушения и на расстоянии 10 м в обе стороны от границ геологического нарушения.
На выбросоопасных шахтопластах при подходе к геологическому нарушению вне зоны ПГД, при пересечении которого вышележащими по пласту выработками не происходили выбросы, не выявлялись опасные по прогнозу зоны, шпуры бурятся через 5 м по длине очистного забоя на участке геологического нарушения и на расстоянии 10 м по обе стороны от границ нарушения. Такая схема расположения шпуров и ведение прогноза вводятся за 25 м до нарушения, при пересечении нарушения и при отходе от него на 25 м.
2.4.27. В зонах тектонических нарушений дизъюнктивного или пликативного характера, при переходе которых вышележащими по пласту выработками происходили выбросы или определялись опасные зоны, а также в зонах повышенного горного давления, осложненных такими нарушениями, за 25 м до и после нарушения, а также при переходе самого нарушения на выбросоопасных пластах применяются способы предотвращения выбросов или сотрясательное взрывание.
2.4.28. Зона относится к опасной, если хотя бы в одном из
интервалов контрольного шпура замеренная начальная скорость газовыделения равна
или превышает критическое значение
. Размер опасной зоны в
лавах ограничивается по падению-восстанию (или простиранию) соседними шпурами,
в которых измеренная скорость газовыделения менее
.
Текущий прогноз по начальной скорости газовыделения прерывается и зона пласта считается опасной при: уменьшении мощности пласта до величины менее 0,2 м; невозможности пробурить шпур на требуемую глубину или загерметизировать его; наличии в процессе бурения ударов и тресков различной силы и частоты в массиве; выбрасывании из шпура газа с буровой мелочью; зажатии или выталкивании бурового инструмента.
В опасной зоне работы по проведению выработки должны быть прекращены. Дальнейшее проведение выработок разрешается с применением способов предотвращения внезапных выбросов угля и газа и выполнением мероприятий по обеспечению безопасности работающих.
2.4.29. Выход из опасной зоны, в которой применяются способы
предотвращения внезапных выбросов, осуществляется после контрольных наблюдений,
которые проводят по методике разведочных наблюдений в границах опасной зоны в
пяти циклах проведения подготовительной выработки или в двух циклах выемки угля
в лаве. Если будет установлено, что в этих циклах проходки (выемки) показатели
изменения мощности пласта Vm ≤ 15 % и коэффициента крепости угля Vf ≤
20 % , a gн max
<
, то делается заключение,
что забой выработки вошел в неопасную зону.
Значения показателей Vf и Vm в процентах вычисляются по формулам:
(2.28)
(2.29)
где fcр,
- средние
значения коэффициента крепости угля соответственно на участках разведочных (в
неопасной зоне) и контрольных наблюдений;
тср,
-
средние значения мощности пласта соответственно на участках разведочных (в
неопасной зоне) и контрольных наблюдений.
Данные разведочных (контрольных) наблюдений и текущего прогноза заносятся в журнал по форме 9.
Текущий прогноз выбросоопасности по акустической эмиссии горного массива
2.4.30. Основным информативным признаком при прогнозе
выбросоопасных зон по акустической эмиссии (АЭ) горного массива является ее
активность
- общее число импульсов АЭ,
зарегистрированных звукоулавливающей аппаратурой за интервал наблюдения,
приведенное к единице времени. Активность АЭ в зависимости от интервала
наблюдения может быть десятиминутной
, часовой
, суточный
, цикловой
.
Величина интервала наблюдения зависит от среднеарифметического
значения активности
.
2.4.31. При расчете прогноза определяют среднеарифметическое значение активности на опорном интервале осреднения, который сдвигают каждые сутки. Прогноз выдается после получения трех значений средней активности, до получения прогноза «неопасно» применяются противовыбросные мероприятия или другой вид прогноза.
Опорным интервалом осреднения называется постоянное количество m регистрации активности АЭ, принятое для данного забоя: m = 30 - для очистных и 10 - для подготовительных забоев.
(2.30)
где
- значения активности
,
,
, в том
числе нулевые.
При использовании
к расчету принимают активность,
зарегистрированную за часы, в которые в забое производилась работа отбойным
молотком или стругом, или комбайном, или бурение по углю вне зависимости от
продолжительности перечисленных работ; при использовании
и
к расчету
принимают активность, зарегистрированную соответственно за технологические
сутки, цикл.
Значение активности после очередного сдвига интервала осреднения вычисляют по формуле
(2.31)
где n - число
значений активности, на которое сдвигается опорный интервал. При использовании
часовой активности n равно числу принятых к расчету активностей в технологических
сутках; при использовании
и
n = 1.
Вычисление
производят в конце каждых
технологических суток (циклов) после очередного сдвига интервала осреднения.
2.4.32. Признаком входа забоя в опасную зону является:
регистрация «критического превышения»;
устойчивое повышение средней активности (критерий «двух точек»);
проявление предупредительных признаков внезапных выбросов или газодинамических явлений.
Критерий «двух точек» - это возрастание средней в двух последовательных интервалах осреднения активности, удовлетворяющей следующим условиям:
где q = 5 %
при
имп./ч (имп./с);
q = 10 % при
имп./ч
(имп./с);
здесь С - уровень активности, ниже которого критерий «двух точек» не применяется (С ³ 2 имп./ч); С - уточняется в ИГД им. А.А. Скочинского.
Критерий «критического превышения» должен удовлетворять следующему условию:
(2.33)
где
- активность, при
регистрации которой выдается прогноз «опасно»;
Р - коэффициент, зависящий от
. Р = 4
при
, Р = 4,5 при
= С
- 3,5 имп./ч (имп./с).
При
имп./ч (имп./с).
Для подготовительных забоев ![]()
Если прогноз «опасно» был получен по критерию «двух точек», то он меняется на прогноз «неопасно» после понижения не менее двух раз подряд средней активности на q и более процентов (или при выполнении условия Nк < С; Nк+1 < С) и подвигания забоя на 6 м после второго понижения Nк (зона запаса, которая, как и опасная, отрабатывается с применением способов предотвращения выбросов).
Если прогноз «опасно» был получен по критерию «критического превышения», то он меняется на прогноз «неопасно» после подвигания забоя на 6 м. Если в зоне запаса зарегистрировано критическое значение активности, начинается отсчет новой шестиметровой зоны запаса со следующих суток.
Если в зоне запаса отмечено возрастание средней активности, удовлетворяющее условию (2.32), то прогноз «опасно» меняется на прогноз «неопасно» так же, как при определении зоны по критерию «двух точек».
Начало опасных зон, зон запаса и их окончание наносят на рабочий эскиз выработки (планшет).
2.4.33. При отсутствии наблюдений за АЭ горного массива в течение
часа и более, если не были прекращены работы по углю в радиусе действия
сейсмоприемника, прогноз получают после набора нового опорного интервала
осреднения и расчета трех значений
. В
этом случае до набора опорного интервала величина
может
быть условно принята равной нулю. До получения прогноза работы по углю в забое
проводят с выполнением способов предотвращения выбросов. После перерыва в
наблюдениях в опасной зоне набирают новый опорный интервал, а прогноз «опасно»
отменяют после понижения не менее двух раз подряд средней активности (на q и более процентов) и
отработки зоны запаса.
2.4.34. Регистрация импульсов АЭ осуществляется по методике, изложенной в приложении 6. Результаты наблюдений заносят в журнал регистрации АЭ (форма 10), расчет прогноза ведут в журнале (форма 11).
2.4.35. Способ и место установки сейсмоприемников, порядок перестановки и определения их радиуса действия указывают в паспорте выемочного участка и паспорте проведения и крепления выработок в разделе «Применение звукоулавливающей аппаратуры (ЗУА)». За радиус действия принимают расстояние, на котором сейсмоприемник воспринимает колебания, вызванные контрольными ударами (или работой отбойного молотка) с амплитудой, превышающей уровень фона более чем в два раза. Радиус действия сейсмоприемников определяют при каждой его установке, не реже одного раза в месяц, результаты определения радиуса действия оформляются актом и графиком изменения амплитуды контрольных сигналов.
Для наблюдений за АЭ горного массива при очистных работах сейсмоприемник устанавливают впереди забоя в шпуре длиной не менее 2 м. Расстояние от забоя до сейсмоприемника должно быть не менее 3 м и не более половины радиуса его действия. При отсутствии опережающих выработок допускается установка сейсмоприемника на элементы крепи.
Для наблюдений за АЭ в подготовительных выработках, проводимых взрывным способом, сейсмоприемник устанавливают в шпуре длиной не менее 2 м, пробуренном в массиве угля, на расстоянии от забоя 5 - 20 м. Если по техническим причинам установка сейсмоприемника в массиве угля не представляется возможной, допускается его установка во вмещающих породах в шпуре глубиной не менее 0,5 м на расстоянии от забоя 5 - 20 м.
Для наблюдений за АЭ в подготовительных выработках, проводимых комбайном, расстояние от шпура до забоя должно быть 20 - 40 м.
Установка сейсмоприемников должна осуществляться электрослесарем группы прогноза. Оператор группы сейсмопрогноза должен ежесменно в журнале регистрации отмечать расстояние от забоя до сейсмоприемника по информации сменного надзора эксплуатационного (подготовительного) участка и участка ВТБ.
Способы и схемы установки сейсмоприемников для конкретных условий разрабатывает и рекомендует ННЦ ГП ИГД им. А.А. Скочинского, они должны быть внесены в паспорт выемочного участка и паспорт проведения и крепления горных выработок в раздел «Применение звукоулавливающей аппаратуры (ЗУА)». Один раз в месяц результаты контрольного определения радиуса действия должны быть зарегистрированы на магнитной ленте и оформлены актом, утвержденным техническим руководителем шахты. Лента с записью сохраняется до следующего контрольного определения радиуса действия, акт и график хранят в течение года.
Область и условия применения прогноза по АЭ, а также параметры алгоритма расчета прогноза m, Р, С для конкретных горно-геологических и технологических условий могут уточняться ННЦ ГП ИГД им. А.А. Скочинского по имеющимся результатам контроля АЭ и должны указываться в паспорте выемочного участка и паспорте проведения и крепления выработок.
На выбросоопасных пластах при комбайновом способе проведения выработок через каждые 30 м подвигания подготовительного забоя должна проводиться контрольная оценка выбросоопасности пласта по методике проведения разведочных наблюдений текущего прогноза в соответствии с пп. 2.4.23 - 2.4.24.
Текущий прогноз выбросоопасности по амплитудно-частотным характеристикам искусственного сигнала (АЧХ)
2.4.37. В основе акустического прогноза лежит зондирование угольного пласта искусственным сигналом и анализ сигнала, зарегистрированного на некотором удалении от источника. В качестве зондирующего сигнала используется шум, генерированный в пласт работающими в забое машинами (комбайн, струг, отбойный молоток, буровой станок и др.).
Методика акустического прогноза предусматривает практические приемы сбора, трансляции и регистрации акустической информации, а также ее обработку с выдачей результатов прогноза.
Акустический прогноз осуществляется с применением специальной аппаратуры (АК-1), которая должна эксплуатироваться в соответствии с инструкцией по эксплуатации.
Аппаратура АК-1 состоит из подземного блока, включающего сейсмоприемник (геофон), линию связи, и поверхностного блока (приемник, спектроанализатор, магнитофон, самописец).
Схема и способ установки сейсмоприемника в конкретных выработках согласовываются с ННЦ ГП ИГД им. А.А. Скочинского и оформляются актом (форма 12).
2.4.38. Исходной информацией для акустического прогноза служит отношение амплитуды высокочастотной составляющей спектра акустического сигнала Ав к амплитуде низкочастотной составляющей Aн, т.е. K = Aв/Aн, где K - безразмерный показатель выбросоопасности.
Процесс деления двух амплитудных уровней сигнала осуществляется специальным делительным устройством в аппаратуре АК-1 с фиксированием результатов деления на ленте самописца. Заключение «опасно» выдается, если K ≥ 3. При этом автоматически включается звуковая сигнализация оповещения.
2.4.39. Применение акустического прогноза в горной выработке начинается с разведочных наблюдений в невыбросоопасной зоне пласта для выбора рабочих частот фильтрации. Невыбросоопасная зона пласта должна подтверждаться отсутствием геологических нарушений, зон ПГД, предупредительных признаков выбросоопасности, а также подтверждаться любым другим (нормативным) методом текущего прогноза. Объем разведочных наблюдений в лавах - 5 полосок угля; в подготовительных (нарезных) выработках - 5 проходческих циклов.
2.4.40. Для каждого пласта выбираются рабочие частоты фильтрации в пределах высоких частот (ФВЧ) и низких частот (ФНЧ). Выбор рабочих частот фильтрации сводится к подбору пары фильтров, обеспечивающих показания стрелочного индикатора, не превышающие единицу.
2.4.41. Аппаратура АК-1 включается на время работы в забое очистных, проходческих или буровых машин. При появлении при включенной аппаратуре АК-1 прерывистого звукового сигнала (автоматическое оповещение об опасности) оператор сообщает о входе забоя в опасную зону сменному инженеру (диспетчеру) шахты и делает соответствующую запись в журнале (форма 13).
Сменный инженер (диспетчер), получив оповещение о входе забоя в опасную зону, сообщает об этом лицу технического надзора в шахте, начальнику добычного (подготовительного) участка и запрещает ведение горных работ.
2.4.42. На шахтах Кузбасса при прогнозе «опасно» забой останавливается и опасность уточняется по структуре пласта и начальной скорости газовыделения из шпуров.
2.4.43. Заключение «опасно» меняется на «неопасно» после получения первого значения «неопасно» и отработки трех циклов (трех полосок) зоны запаса. При отработке зоны запаса акустический контроль не прекращается. Если при отработке трех циклов (трех полосок) зоны запаса будет получено значение «опасно», отработка зоны запаса соответственно сдвигается.
2.4.44. Все работы и операции, связанные с применением акустического прогноза, осуществляются силами шахтной службы (группы) прогноза.
Передача акустической информации из забоев горных выработок должна осуществляться по самостоятельным каналам связи. Параметры каналов связи и их пригодность к эксплуатации определяются ННЦ ГП ИГД им. А.А. Скочинского. Надзор за целостностью линии связи осуществляют электрослесари службы (группы) прогноза.
2.4.45. На поверхности помещением для регистрации служит изолированная комната из расчета не менее 4 м2 на одного оператора. Один оператор имеет право одновременно обслуживать не более 4 трактов регистрации. Число электрослесарей определяется из расчета обслуживания одним электрослесарем не более 4 каналов связи, расположенных на одном рабочем горизонте.
2.4.46. Срок годности магнитных лент составляет 4 месяца. Срок службы аппаратуры АК-1 - 2 года. Операторы службы (группы) прогноза должны проходить ежегодный контроль профессиональной пригодности.
2.4.47. Для осуществления акустического прогноза сейсмоприемник (геофон), находящийся в защитном корпусе (капсуле) диаметром 42 мм, помещается в шпур диаметром 45 мм на глубину 2,0 - 4,0 м. Сначала в шпур досылается металлический клин до упора с забоем (клин имеет сегментальное сечение толщиной от 1,0 до 4,0 мм). Затем в шпур досылается капсула с сейсмоприемником и расклинивается. После установки капсулы шпур на глубину 1,0 м герметизируется ветошью.
2.4.48. В подготовительных выработках капсула с сейсмоприемником помещается в шпур, пробуренный в одну из стенок выработки. Минимальное расстояние от сейсмоприемника до забоя выработки - 10 м, максимальное - 40 м.
При расстоянии от сейсмоприемника до забоя выработки 35 м заблаговременно устанавливается новый сейсмоприемник на расстоянии от забоя выработки, равное 5 м. Прогноз (контроль) осуществляется дальним сейсмоприемником. При отходе забоя выработки от вновь установленного сейсмоприемника на расстояние 10 м он (сейсмоприемник) подключается к линии связи, дальний приемник отключается и извлекается из шпура.
2.4.49. В лавах при столбовой системе разработки и длине лавы до 100 м сейсмоприемник устанавливают впереди лавы на расстоянии 40 м. При длине лавы более 100 м сейсмоприемники устанавливают со стороны откаточного и вентиляционного штреков.
При сплошной системе разработки по схеме лава-штрек с опережением штрека сейсмоприемник устанавливают в опережающем штреке на расстоянии не более 40 м от забоя лавы.
Общие положения
2.5.1. Прогноз выбросоопасности пород осуществляется на стадии геологоразведочных работ и при проведении горных выработок.
2.5.2. Выбросоопасность пород устанавливается по делению кернов на диски, наличию кольцевых трещин.
Характерной особенностью дисков и кольцевых трещин, образующихся при бурении керновых скважин в выбросоопасных пластах песчаника, является перпендикулярность к оси скважин плоскостей, ограничивающих диски или кольцевые трещины.
2.5.3. Степень выбросоопасности пород при проведении горных выработок определяется на основании анализа кернового материала, полученного при бурении скважин диаметром 59 - 76 мм.
Керновые скважины следует бурить:
а) по оси будущей выработки, если выбросоопасный слой песчаника находится во всем сечении выработки;
б) в выбросоопасном слое песчаника в направлении подвигания выработки, если в сечении выработки находятся выбросоопасный и невыбросоопасный слои песчаника, или по каждому слою, если выбросоопасность слоев неизвестна;
в) при проведении подготовительных выработок по песчанику керновые скважины необходимо бурить непрерывно с неснижаемым опережением скважин не менее 2 м.
2.5.4. Признаки степени выбросоопасности пород следующие:
а) наличие более 30 - 40 выпукло-вогнутых дисков в 1 м кернов - высокая степень опасности;
б) наличие в 1 м кернов не более 20 - 30 дисков, перемежающихся породными цилиндрами длиной 50 - 100 мм с характерными кольцевыми трещинами, - средняя степень опасности;
в) выход кернов размером 150 - 200 мм и более, опоясанных трещинами и перемежаемых единичными дисками, - невысокая степень опасности;
г) отсутствие дисков (кольцевых трещин) - отсутствие выбросоопасности.
При прогнозе выбросоопасности из вскрывающей выработки песчаник необходимо перебуривать керновой скважиной за один или несколько приемов на всю мощность пласта.
Заключение о выбросоопасности пород подписывается геологом шахты, начальником службы (группы) прогноза и утверждается техническим руководителем шахты.
2.5.5. Проведение выработок по выбросоопасным породам в незащищенных зонах осуществляют с применением прогноза их выбросоопасности. В неопасных зонах, установленных прогнозом, проведение выработок можно осуществлять без применения противовыбросных мероприятий, а взрывные работы - в режиме, предусмотренном для газовых шахт.
При проведении выработок буровзрывным способом вблизи выбросоопасного песчаника взрывные работы должны вестись в режиме сотрясательного взрывания при расстоянии по нормали от песчаника высокой степени выбросоопасности менее 4 м, средней степени выбросоопасности - менее 3 м и низкой степени выбросоопасности - менее 2 м.
При подходе вскрывающей выработки к выбросоопасному песчанику осуществляют его разведку в соответствии с требованиями подраздела 2.2 для шахт Ростовской области. Керновое бурение производят с расстояния 5 м. Перед вскрытием выбросоопасного песчаника или песчаника, выбросоопасность которого неизвестна, на глубине 600 м и более при подходе к нему с расстояния не менее 4 м необходимо осуществлять прогноз выбросоопасности в соответствии с п. 2.4.3.
Если прогнозом установлено, что пласт песчаника выбросоопасный, то подход к нему с расстояния не менее 4 м, пересечение и отход от него на расстояние не менее 4 м осуществляются в режиме сотрясательного взрывания.
Вскрытие выбросоопасного песчаника мощностью 0,5 м и менее на глубине более 600 м производится сотрясательным взрыванием без предварительного прогнозирования выбросоопасности и без применения способов предотвращения выбросов.
При проходке вертикальных стволов комбайнами управление комбайном при вскрытии и пересечении выбросоопасных песчаников должно осуществляться дистанционно с поверхности при полном отсутствии людей в стволе и на поверхности не ближе 50 м от ствола.
3.1.1. Механизм защитного действия опережающей разработки защитных пластов для предотвращения выбросов угля и газа заключается в снижении горного и газового давлений, увеличении газопроницаемости массива путем разгрузки и дегазации над- и подработанных пластов угля и пород.
Защитным считается такой пласт (пропласток), опережающая разработка которого обеспечивает полную безопасность в отношении внезапных выбросов на защищенном пласте свиты.
Защите подлежат угольные пласты, опасные и угрожаемые по внезапным выбросам угля и газа.
3.1.2. Пласты в свите могут разрабатываться в нисходящем, восходящем и смешанном порядке. Порядок разработки пластов в свите выбирается с таким расчетом, чтобы обеспечить эффективную защиту наибольшего числа пластов, опасных и угрожаемых по внезапным выбросам.
При наличии в свите невыбросоопасных пластов (пропластков) или угрожаемых пластов следует предусматривать их первоочередную разработку в качестве защитных. Если все пласты в свите отнесены к выбросоопасным, то в первую очередь следует разрабатывать менее опасный пласт или пласт, при разработке которого наиболее эффективно применение комплекса мер по предотвращению внезапных выбросов угля и газа и обеспечивается максимальная защита соседних пластов по площади. Защита пластов в пределах всего этажа (полная защита) обеспечивается следующими способами (рис. 3.1):
надработкой при условии, что защитный пласт отработан на вышележащем горизонте (рис. 3.1, а);
двойной защитой (рис. 3.1, б);
подработкой при условии, что защитный пласт отрабатывают с опережением на один этаж и более (рис. 3.1, в);
восходящим порядком отработки этажей и пластов (рис. 3.1, г).
В остальных условиях защита на всю высоту этажа не обеспечивается (рис. 3.1, д, е).
Оставшиеся незащищенными участки характеризуются повышенной опасностью по внезапным выбросам, в особенности в ситуации, показанной на рис. 3.1, д (п. 1.2.3).
На крутых пластах запрещается ведение горных работ в нижней незащищенной части этажа (частичная защита) по схеме рис. 3.1, д, кроме следующих случаев:
выемка угля на опасном участке производится столбами по падению с помощью щитовых агрегатов при полевой подготовке выемочных столбов;
лава работает по безмагазинной схеме, запасные выходы на откаточный штрек оборудуют в выработанном пространстве, а выемку угля комбайном производят без присутствия людей в забое;
выемка угля производится в пределах защищенной зоны через гезенки, проведенные с полевого откаточного штрека или откаточного штрека нижележащего пласта;
3.1.3. Отработку защитного пласта необходимо производить без оставления целиков и участков угольного массива в выработанном пространстве1; оставление целиков, не предусмотренных программой развития горных работ, допускается с разрешения технического директора компании с обязательным нанесением их и зон ПГД от них на планы горных работ. Учету подлежат целики, минимальный размер которых превышает 0,1l.
_____________
1 Под целиком следует понимать часть угольного массива, наименьший размер которой не превышает 2l, где l - ширина зоны опорного давления, определяемая по номограмме (рис. 3.2). Если указанный размер больше 2l, то речь идет о краевой части участков угольного массива.
Рис. 3.1. Основные схемы использования защитных пластов:
А - очистная выработка на защитном пласте; В - выработанное пространство на отработанных горизонтах; С - границы защиты; а1 - незащищенный участок; 1, 2, 3, 4 - порядок отработки пластов и этажей
3.1.4. Минимально допустимая мощность hmin междупластья при подработке с точки зрения технологической возможности последующей разработки опасного по выбросам пласта определяется по формулам:
hmin ≥ Kmcosα при α < 60°; (3.1)
hmin ≥ Ksin(α/2) при α ≥ 60°, (3.2)
где m - мощность защитного пласта (слоя), м;
α - угол падения, град;
K - коэффициент, учитывающий геологические и горно-технические условия разработки защитного пласта;
K = 4 при разработке защитного пласта с закладкой выработанного пространства;
K = 6 при разработке тонких и средней мощности пластов с полным обрушением кровли;
K = 8 при разработке мощного пласта щитовой системой с обрушением кровли при интенсивном перепуске пород с вышележащего горизонта;
K = 10 при разработке мощного пласта длинными столбами по простиранию или щитовой системой с обрушением кровли при затрудненном перепуске пород с вышележащего горизонта.
При hmin < 5 м подработка опасных по внезапным выбросам пластов допускается при наличии положительного заключения ВНИМИ и ВостНИИ.
3.1.5. При разработке защитных пластов следует применять способы управления кровлей полным обрушением или плавным опусканием.
3.1.6. Порядок расчета и построения защищенных, незащищенных зон и зон ПГД, определение параметров локальной выемки защитных пластов (п. 3.1.8) регламентируются приложением 5 Инструкции по безопасному ведению горных работ на шахтах, разрабатывающих угольные пласты, склонные к горным ударам (СПб., 1999). Главным маркшейдером шахты наносятся границы указанных на планы горных работ и на рабочие эскизы участка; представляется соответствующим службам шахты маркшейдерская документация, не обходимая для составления проектов ведения горных работ; разрабатываются мероприятия по маркшейдерскому обеспечению ведения горных работ вблизи и в пределах границ зон ПГД; не позднее чем за месяц до подхода горных выработок к границам незащищенной зоны и зоны ПГД письменно в «Книге указаний и уведомлений маркшейдерской службы» уведомляется об этом технический руководитель шахты и начальник соответствующего участка, а также знакомится с содержанием этого уведомления горно-технический инспектор, закрепленный за шахтой; не позднее чем за трое суток до подхода горных выработок к границе зоны ПГД на расстояние не менее 20 м выдается начальнику участка под расписку эскиз выработок с указанием на нем границ входа и выхода из зон ПГД, а также расстояний до них от маркшейдерских пунктов или от характерных элементов горных выработок. Оценка и учет использования защитного действия пластов ведется согласно приложению 7.
Рис. 3.2. Номограмма для определения ширины зоны опорного давления
3.1.7. Проведение горных выработок на защищаемом пласте осуществляется после обеспечения их защиты.
Локальная выемка защитных пластов может применяться для защиты:
забоев подготовительных выработок, проводимых по выбросоопасным пластам угля;
мест вскрытия выбросоопасных пластов угля квершлагами (рис. 3.1);
участков а1 (рис. 3.1, д) пластов, опасных по выбросам.
Локальную выемку целесообразно применять, когда расстояние между защитным пластом и защищаемым объектом не превышает 30 м.
3.1.9. Размеры защищенных зон в кровлю и почву, а также по падению и восстанию, по заключению ВНИМИ, могут быть расширены на основании анализа опыта разработки пласта и экспериментальной оценки эффективности защитного действия.
3.1.10. Ведение горных работ в зонах ПГД при переходе створов с границами очистных работ соседних пластов (целиков, краевых частей, остановленных очистных забоев и др.) встречными и догоняющими забоями не разрешается. В исключительных случаях (остановка очистного забоя влияющего пласта вследствие его выклинивания или наличия непереходимого геологического нарушения, подход к границе шахтного поля, оставление охранного целика и т.п.) ведение горных работ на опасном пласте в зоне ПГД при переходе створа с границами очистных работ и кромками целиков влияющих пластов допускается с разрешения технического директора компании с выполнением дополнительных мероприятий по безопасности, согласованных с ВостНИИ. Рекомендуется переход створа осуществлять в направлении выработанного пространства влияющего пласта диагонально, как правило, механизированным способом выемки угля.
3.1.11. Выбор порядка применения комплекса мер предотвращения внезапных выбросов в зонах ПГД производится в зависимости от расстояния между пластами, категории опасности разрабатываемого пласта, наличия горных работ на соседних пластах.
Ведение горных работ в зонах ПГД при переходе створов остановленных очистных работ при мощности междупластья менее 10 м допускается при механизированной выемке угля без присутствия людей в забое или в режиме сотрясательного взрывания. В остальных случаях мероприятия по безопасному пересечению зон ПГД определяются комплексом мер (п. 1.6.1).
3.1.12. На угрожаемых пластах при ведении горных работ с локальным прогнозом при переходе створов очистных работ производится внеочередное обследование пласта.
3.2.1. Дегазация угольного пласта применяется для предотвращения внезапных выбросов угля и газа в очистных и подготовительных забоях. Для дегазации угольного массива впереди очистных забоев (и забоев промежуточных штреков) скважины или вееры скважин бурятся из подготовительных выработок параллельно линии очистного забоя (рис. 3.3).
3.2.2. При применении схемы 3.3, а конвейерный или откаточный штрек проводится с бурением барьерных разведочно-дегазационных скважин из боковых ниш (длиной 3 м и шириной 2 м), неснижаемое опережение забоя которыми должно быть не менее 10 м c каждого борта выработки.
По мере проходки конвейерного штрека бурятся восстающие дегазационные скважины, которые не добуриваются на 10 м до вентиляционного штрека. Если проектом предусмотрен промежуточный штрек, то он проводится с пересечением дегазационных скважин после завершения процессов дегазации и увлажнения пласта.
3.2.3. В соответствии со схемой 3.3, б скважины бурятся вниз вначале из вентиляционного, а затем из промежуточного штрека с перебуриванием проектных контуров соответственно промежуточного и конвейерного штреков на 5 м.
Рис. 3.3. Схемы дегазации угольного пласта:
1, 2, 3, 4 - соответственно вентиляционный, конвейерный (откаточный), промежуточный и полевой штреки; 5, 6 - соответственно дегазационные и барьерные (разведочно-дегазационные) скважины
3.2.4. При применении схемы 3.3, б промежуточный штрек проводится с опережением конвейерного или откаточного штрека с бурением барьерных скважин. Из него бурятся дегазационные скважины вверх по наслоению с недобуриванием на 10 м до вентиляционного штрека и вниз по наслоению с перебуриванием на 5 м контуров будущего конвейерного или вентиляционного штрека.
3.2.5. Для предотвращения внезапных выбросов в забоях подготовительных выработок применяются следующие варианты дегазации.
Ограждающая дегазация (рис. 3.4, а). Из ниш, расположенных в шахматном порядке по бокам выработки, бурятся одна или более дегазационных скважин длиной, обеспечивающей неснижаемое опережение забоя с каждой стороны на 10 м.
Дегазация из ранее пройденных выработок (рис. 3.4, б; 3.4, в). Схема бурения дегазационных скважин выбирается в зависимости от схемы развития горных работ. При наличии близко расположенной (до 40 м), пройденной или опережающей параллельной выработки, в том числе и полевой, бурятся скважины или вееры скважин под прямым углом к проектируемой выработке в пределах ее предполагаемого сечения. При отсутствии такой выработки скважины бурят из ниш, сопрягающихся с проектируемой выработкой.
3.2.6. На рис. 3.3 и 3.4 приведены отдельные типовые схемы предварительной дегазации.
На практике могут применяться сочетания различных вариантов дегазации.
Дегазационные скважины, как правило, должны подключаться к дегазационному трубопроводу.
Технология, параметры и оборудование для выполнения предварительной дегазации регламентируются Руководством по дегазации угольных шахт (М., 1990)* и Инженерными методами расчета параметров региональных способов предотвращения внезапных выбросов угля и газа (Кемерово: ВостНИИ, 1986).
_____________
* Руководство по дегазации угольных шахт, утвержденное Минуглепромом СССР 29.05.1990, Госгортехнадзором СССР 15.03.1990, не подлежит применению на основании приказа Ростехнадзора от 24.08.2006 № 797. Действуют Методические рекомендации о порядке дегазации угольных шахт (РД-15-09-2006), утвержденные этим приказом. (Примеч. изд.)
3.2.7. Для интенсификации процесса дегазации может применяться гидроразрыв пласта, осуществляемый в соответствии с Руководством по дегазации угольных шахт.
Рис. 3.4. Основные варианты предварительной дегазации в целях предотвращения загазирований при локальной противовыбросной обработке и проведении выработки:
1, 2 - соответственно пройденные и проектируемые подготовительные выработки; 3, 4 - соответственно пробуренные и проектируемые скважины; 5 - дегазационный газопровод
3.2.8. В журнале буровых работ должны регистрироваться участки аномального бурения, на которых при бурении скважин наблюдались толчки, проскальзывания (провалы) бурового става, выбросы газа и водоугольного шлама, зажимы и выход скважины в породу. В этих местах производится разведка в целях уточнения характера и местоположения возможного тектонического нарушения по схеме, составленной главным геологом шахты.
3.2.9. Технология и мероприятия по обеспечению безопасности работ по дегазации угольных пластов должны соответствовать требованиям Руководства по дегазации угольных шахт.
3.2.10. На дегазированных участках при проведении подготовительных выработок эффективность дегазации контролируется способом текущего прогноза выбросоопасности.
3.3.1. Увлажнение угольного пласта осуществляется через длинные скважины диаметром 42 - 100 мм. Герметизация скважин осуществляется рукавными герметизаторами или цементно-песчаным раствором.
3.3.2. Выбор схемы расположения скважин производится в зависимости от системы разработки, высоты этажа, порядка отработки пластов и участков.
3.3.3. Увлажнение угольного пласта производится при давлении нагнетания Рн, соответствующем условию Рн < 0,75γН, где γ - средний удельный вес пород вышележащей толщи (γ = 2,5 т/м3), Н - глубина выработки от поверхности, м.
3.3.4. Нагнетание воды в угольный пласт осуществляется в режиме 4-часовой работы нагнетательной установки с 2-часовым перерывом.
3.3.5. При плохой смачиваемости угля необходимо производить гидрофилизацию путем добавок к воде поверхностно-активных веществ (ПАВ).
Выбор типа и концентрации ПАВ производится согласно табл. 3.1.
Таблица 3.1
|
Концентрация ПАВ по маркам угля, % |
||||||
|
Г |
Ж |
К |
ОС |
Т |
А |
|
|
Сульфанол |
0,1 - 0,2 |
0,2 - 0,3 |
0,3 - 0,4 |
0,1 - 0,5 |
0,1 - 0,5 |
- |
|
ДБ |
0,2 - 0,3 |
0,2 - 0,4 |
- |
- |
- |
- |
3.3.6. В случаях когда при закачке не обеспечивается подача расчетного количества раствора в пласт, производится увлажнение через дополнительную скважину, пробуренную на расстоянии 4 м от предыдущей. Давление жидкости в этом случае должно быть на 15 - 20 % ниже, чем в основной скважине, которая должна быть закрыта заглушкой.
3.3.7. Технология, параметры и оборудование, применяемые при увлажнении пластов, регламентируются «Схемами и технологией прогноза и предотвращения внезапных выбросов угля и газа при проведении подготовительных выработок комбайнами на выбросоопасных мощных и средней мощности пластах» (Кемерово: ВостНИИ, 1989) и «Инженерными методами расчета параметров региональных способов предотвращения внезапных выбросов угля и газа» (Кемерово: ВостНИИ, 1986).
Работы по вскрытию пласта производятся в такой последовательности:
разведка положения пласта относительно забоя вскрывающей выработки с помощью разведочных скважин;
введение режима сотрясательного взрывания при проведении вскрывающей выработки с помощью буровзрывных работ;
прогноз выбросоопасности в месте вскрытия;
выполнение способов предотвращения выбросов при опасных значениях показателей выбросоопасности, установленных прогнозом;
осуществление контроля эффективности способов предотвращения выбросов;
введение дистанционного управления проходческими комбайнами; обнажение и пересечение пласта;
возведение усиленной крепи в местах сопряжения выработки с пластом;
удаление от пласта.
4.1.2. Вскрытие особо выбросоопасных участков осуществляется путем сбойки с пройденной по пласту выработкой или с обязательным выполнением способов предотвращения выбросов.
4.1.3. При проведении вскрывающей выработки с помощью буровзрывных работ сотрясательное взрывание вводится при приближении забоя выработки к выбросоопасному и угрожаемому пласту на расстояние не менее 4 м и отменяется после удаления забоя выработки от пласта на расстояние не менее 4 м по нормали к пласту.
При сбойке с ранее пройденной по пласту выработкой, а также при приближении забоя выработки к угрожаемому пласту или к пропластку режим сотрясательного взрывания вводится с расстояния 2 м.
При проведении выработки проходческим комбайном дистанционное включение и выключение вводится и отменяется при приближении и удалении забоя выработки на расстояние не менее 2 м по нормали к выбросоопасному пласту.
4.1.4. Если прогнозом в месте вскрытия установлены неопасные значения показателей выбросоопасности, то выбросоопасные пласты могут вскрываться без применения способов предотвращения выбросов с помощью сотрясательного взрывания или комбайном с дистанционным включением и выключением.
Если прогнозом установлены опасные значения показателей выбросоопасности, вскрытие выбросоопасных пластов должно производиться с применением способов предотвращения выбросов. После выполнения способов предотвращения выбросов и контроля их эффективности вскрытие пластов должно производиться сотрясательным взрыванием или комбайнами с дистанционным включением и выключением.
4.1.5. При вскрытии выбросоопасных пластов стволами с помощью буровзрывных работ прогноз в месте вскрытия и способы предотвращения выбросов могут не применяться при условии, что обнажение и пересечение пласта на полную мощность будет произведено за одно взрывание по всему сечению ствола.
4.1.6. При приближении забоя вскрывающей выработки к угрожаемому пласту, а также к пропластку мощностью более 0,3 м, если прогнозом установлены неопасные значения показателей выбросоопасности, вскрытие может осуществляться без применения способов предотвращения выбросов с помощью взрывных работ в режиме, установленном для сверхкатегорных по газу шахт, или комбайнами с дистанционным включением и выключением.
Если прогнозом установлены опасные значения показателей выбросоопасности, вскрытие угрожаемых пластов и пропластков мощностью более 0,3 м производится с применением способов предотвращения выбросов. После выполнения способов предотвращения выбросов и контроля их эффективности вскрытие пластов и пропластков производится сотрясательным взрыванием или комбайнами с дистанционным включением и выключением.
Допускается вскрытие пропластков мощностью 0,1 - 0,3 м сотрясательным взрыванием или комбайнами с дистанционным включением и выключением без применения прогноза выбросоопасности и способов предотвращения выбросов.
4.1.7. Мероприятия по предотвращению выбросов угля и газа перед вскрытием пластов с углом падения более 55° осуществляются с расстояния не менее 3 м по нормали к пласту, а перед вскрытием пластов с углом падения менее 55° - с расстояния не менее 2 м. При этом величина обработанной зоны должна составлять не менее 4 м за контуром выработки.
4.1.8. Обнажение пластов и пересечение пропластков при помощи буровзрывных работ производятся при величине породной пробки между выработкой и крутым пластом (пропластком) не менее 2 м, пологим, наклонным и крутонаклонным - не менее 1 м по нормали к пласту.
4.1.9. При вскрытии пластов (пропластков) в защищенных зонах прогноз выбросоопасности и способы предотвращения выбросов не применяются. Вскрытие может осуществляться взрывными работами в режиме, установленном для сверхкатегорных по газу шахт, или проходческими комбайнами без дистанционного включения и выключения.
4.1.10. В забой вскрывающей выработки с расстояния 4 м по нормали к пласту для работы одновременно допускается не более трех человек.
В забой ствола с расстояния 6 м по нормали к пласту допускается количество рабочих из расчета обеспечения возможности подъема всех людей в один прием.
4.2.1. В углубляемых стволах дополнительная разведка пересекаемой стволом толщи пород производится разведочными скважинами с расстояния 10 м до пласта по нормали в соответствии с п. 2.2.2.
4.2.2. При вскрытии стволами угольных пластов для предотвращения внезапных выбросов производятся бурение дренажных скважин, возведение каркасной крепи, гидрообработка угольного массива, а в сложных горно-геологических условиях допускается сочетание этих способов.
4.2.3. Вскрытие выбросоопасных пластов стволами, проводимыми способом бурения, производится без применения способов предотвращения внезапных выбросов при условии дистанционного управления комплексом с поверхности.
Вскрытие стволами с бурением дренажных скважин
4.2.4. При вскрытии пластов стволами дренажные скважины бурятся таким образом, чтобы точки выхода скважин из пласта были удалены друг от друга не более чем на 2Rэф. Точки выхода скважин из пласта должны быть расположены в пределах необходимой зоны его обработки на расстоянии не более Rэф от контура этой зоны, Rэф принимается равным 0,75 м.
4.2.5. При обнажении пластов скважины бурятся с расстояния 2 м до пласта по нормали. Диаметр скважин должен быть 80 - 100 мм. Величина законтурной обработки должна составлять 2 м. Расстояние между скважинами в плоскости забоя последней заходки, проходимой под защитой этих скважин, должно быть не менее 1,5 м, а до контура зоны обработки - не более 0,75 м. Длина скважины определяется из расчета постоянного опережения забоя ствола скважинами на 2 м.
4.2.6. Дренажные скважины при обнажении пласта необходимо бурить по следующим схемам:
а) при вскрытии пологого и наклонного пласта - по схеме, показанной на рис. 4.1;
Рис. 4.1. Схема расположения дренажных скважин при обнажении пологих и наклонных пластов
б) при вскрытии крутого пласта - по схеме, показанной на рис. 4.2.
4.2.7. Дренажные скважины при вскрытии мощных пологих или крутых пластов любой мощности бурят диаметром 200 - 250 мм по следующим схемам:
Рис. 4.2. Схема расположения дренажных скважин при обнажении крутых пластов
а) для мощного пологого пласта - по схеме, показанной на рис. 4.3;
б) для крутого пласта - по схеме, показанной на рис. 4.4.
Вскрытие стволами с возведением каркасной крепи
4.2.8. Каркасная ограждающая крепь из металлических стержней периодического профиля диаметром 36 - 38 мм или труб диаметром 40 - 50 мм, зацементированных в скважинах диаметром 60 - 80 мм, должна опережать забой ствола не менее чем на 2 м. Свободные концы стержней заделывают в постоянную крепь ствола на длину не менее 2 м.
Рис. 4.3. Схема расположения дренажных скважин при пересечении мощных пологих пластов
4.2.9. Скважины для каркасной крепи необходимо бурить с расстояния 2 м от пласта по нормали и располагать по периметру через 0,3 - 0,5 м, считая по точкам входа скважин в пласт. Угол наклона скважин должен быть таким, чтобы в плоскости забоя любой заходки они располагались на расстоянии не менее 1,5 м от проектного контура ствола при бурении скважин по углю.
Рис. 4.4. Схема расположения дренажных скважин при пересечении крутых пластов
4.2.10. При обнажении пластов, когда забой очередной заходки находится в породах кровли пласта, расстояние скважин от контура ствола в плоскости этой заходки должно быть не менее 1 м.
При выходе скважин в породы лежачего бока концы их должны отстоять от почвы пласта на расстоянии не менее 1 м по нормали.
При вскрытии крутых пластов каркасную крепь можно возводить не по всему периметру ствола, а только в месте его пересечения с пластом.
К выполнению работ по обнажению и пересечению пласта приступают спустя не менее суток после окончания установки каркаса.
Вскрытие стволами с гидрорыхлением угольного массива
4.2.11. Гидрорыхление угольного массива при вскрытии пластов осуществляется через скважины диаметром 42 - 60 мм, пробуренные с расстояния не менее 3 м по нормали к пласту. В середине забоя по оси ствола бурится контрольная скважина диаметром 100 мм (рис. 4.5).
При диаметре ствола 6 м бурятся 5 - 6 скважин для нагнетания воды; при диаметре ствола 8 м бурятся 7 - 8 скважин. Герметизация скважин осуществляется цементным раствором на величину породной пробки.
Нагнетание воды производится под давлением 0,75 - 2,0 γН. Нагнетание можно производить через серии скважин, которые бурятся по мере подвигания забоя. Нагнетание осуществляется последовательно в каждую скважину до тех пор, пока вода не проникнет в соседнюю и центральную контрольную скважины.
Процесс нагнетания воды в скважину должен быть закончен после снижения давления нагнетания не менее чем на 30 % от установившегося, при котором производилось нагнетание.
4.3.1. Вскрытие пластов квершлагами и другими выработками за пределами околоствольного двора осуществляется после проведения вентиляционной сбойки на вышележащий горизонт для обеспечения проветривания нового горизонта за счет общешахтной депрессии. Проветривание тупиковой части вскрывающей выработки производится вентилятором местного проветривания.
4.3.2. При вскрытии угольных пластов квершлагами и другими выработками для предотвращения внезапных выбросов производятся бурение дренажных скважин, возведение каркасной крепи, гидрорыхление или увлажнение угольного массива, гидровымывание угольного пласта, образование разгрузочных полостей во вмещающих породах проходческими комбайнами, а в сложных горно-геологических условиях допускается сочетание этих способов.
4.3.3. При вскрытии тонких и средней мощности выбросоопасных пластов проходческими комбайнами на шахтах Ростовской области приближение, пересечение и удаление от пласта осуществляются после выполнения прогноза выбросоопасности и способов предотвращения выбросов при прогнозе «опасно». Проведение выработки на участке вскрытия можно производить с образованием разгрузочных щелей, гидрорыхлением угольного пласта, гидровымыванием угольного массива в сочетании с ограничением скорости проходки выработки до 1 м в смену и скорости внедрения коронки исполнительного органа комбайна в массив до 0,5 м/мин. При контроле эффективности способов предотвращения выбросов безопасный уровень давления газа в пласте должен быть менее 4 кгс/см2.
Рис. 4.5. Схема расположения скважин для гидрообработки крутого пласта из забоя выработки:
1, 2, 3, 4, 5, 6, 7, 8 - скважины для гидрорыхления угольного массива; 9, 10, 11, 12 - шпуры для замера давления газа; K - контрольная скважина; I, II - циклы обработки пласта
После входа пласта в сечение выработки дальнейшее ее проведение комбайном осуществляется по технологии проведения пластового штрека с выполнением текущего прогноза и способов предотвращения выбросов с контролем их эффективности.
При вскрытии мощных пластов, для которых установлены опасные значения показателей выбросоопасности, удаление породной пробки (обнажение угольного пласта) производится буровзрывным способом в режиме сотрясательного взрывания. Пересечение таких пластов производится проходческими комбайнами с дистанционным включением и выключением после применения способов предотвращения внезапных выбросов и контроля их эффективности или буровзрывным способом в режиме сотрясательного взрывания.
4.3.4. Вскрытие выбросоопасных пластов тонких и средней мощности промежуточными квершлагами и породными скатами (ортами) на шахтах Ростовской области производится путем сбойки их с заранее пройденной по пласту выработкой.
Допускается вскрытие промежуточными квершлагами и другими выработками выбросоопасных пластов на угольный массив при условии выполнения требований, изложенных в п. 4.1.1.
Вскрытие сотрясательным взрыванием с расстояния 2 м до выбросоопасного крутого пласта углеспускными скатами (ортами) можно производить на участке, обработанном способами предотвращения выбросов из забоя нижней печи.
При наличии впереди лавы ранее пройденных с помощью буро-сбоечных машин скатов сбойку с ними следует производить только из забоя нижней печи.
При вскрытии крутых пластов буросбоечными машинами пульт управления машиной должен находиться на расстоянии не менее 30 м на свежей струе воздуха, при этом запрещаются все другие работы в опережении штрека, в нижней печи и на расстоянии 30 м от нижней печи по исходящей струе воздуха. Допускается вскрытие пласта не более чем тремя ортами впереди нижней печи при обеспечении эффективного проветривания ортов. На особо выбросоопасных участках мероприятия по безопасности должны быть согласованы с ВостНИИ.
Вскрытие с бурением дренажных скважин
4.3.5. В зависимости от мощности вскрываемого пласта применяют следующие схемы расположения дренажных скважин:
а) при мощности пласта до 3 м дренажные скважины диаметром 80 - 100 мм бурятся на пласт из вскрывающей выработки таким образом, чтобы точки выхода скважин из пласта в пределах необходимой зоны обработки были удалены не более чем на 2Rэф друг от друга и на расстояние Rэф от контура этой зоны, Rэф принимают равным 0,5 м.
б) при мощности пласта более 3 м бурятся дренажные скважины диаметром 100 - 250 мм. Проектное количество опережающих скважин определяется из условия, что защищаемая (опасная) область вскрываемого пласта должна располагаться в контуре квершлага и на 1,5 - 2 м распространяться в бока и выше него по нормали (1,5 м - для пологого, 2 м - для крутого или наклонного пласта).
Проектное количество скважин n рассчитывают по формулам:
для случаев вскрытия квершлагами пологих пластов
для случаев вскрытия квершлагами крутых или наклонных пластов
где ак - ширина квершлага вчерне, м;
h - высота квершлага вчерне, м;
b - ширина полосы обработанного скважинами массива угля с боков квершлага и выше него по нормали, м;
α - угол падения пласта, град.
4.3.6. При мощности пласта более 3,5 м или угле падения до 18° необходимо бурить скважины сериями по мере подвигания забоя. Очередную серию опережающих скважин следует бурить при неснижаемом опережении 5 м. Проектное количество опережающих скважин в каждой серии рассчитывается по формулам (4.1) и (4.2).
Перед бурением второй и последующих серий опережающих скважин забой выработки должен быть затянут или огражден предохранительным щитом вплотную к забою. При неспокойном поведении пласта следует производить периодические остановки в бурении на 5 - 20 мин.
Вскрытие с нагнетанием воды в пласт
4.3.7. При вскрытии пластов тонких и средней мощности нагнетание воды производится в режиме гидрорыхления при давлении 0,75 - 2,0γН. При вскрытии мощных пластов нагнетание воды производится в режиме низконапорного увлажнения при давлении не более 0,75γH.
Диаметр скважин для нагнетания воды должен составлять 45 - 60 мм.
4.3.8. При вскрытии тонких и средней мощности крутых пластов гидрорыхление производится через каждую из 5 - 6 скважин, расположенных по схеме, показанной на рис. 4.6. В середине забоя по оси квершлага бурится контрольная скважина диаметром 100 мм.
Рис. 4.6. Схема расположения скважин для гилрообработки угольного массива перед вскрытием крутого пласта:
1, 2, 3, 4, 5 - скважины для гидрорыхления массива; 6, 7, 8 - шпуры для замера давления газа; 9 - контрольная скважина, К - контур обработанного массива
При вскрытии тонких и средней мощности пологих, наклонных и крутонаклонных пластов гидрорыхление производится через скважины, расположенные по схеме, показанной на рис. 4.7. Обработка водой угольного массива осуществляется через серии скважин, которые бурятся по мере подвигания забоя. Неснижаемое опережение обработанной части угольного массива должно быть не менее 4 м.
Рис. 4.7. Схема расположения скважин для гидрообработки угольного массива перед вскрытием пологих, наклонных и крутонаклонных пластов:
1, 2 - скважины для гидрорыхления массива; 3, 4 - шпуры для замера давления газа; rскв - радиус эффективного влияния скважины; I, II - циклы обработки пласта
Нагнетание воды производится последовательно в каждую скважину до тех пор, пока вода не проникнет в соседнюю скважину и центральную контрольную скважину (на крутом пласте).
Процесс нагнетания в скважину должен быть закончен после снижения давления нагнетания не менее чем на 30 % от установившегося, при котором производилось нагнетание.
4.3.9. При вскрытии мощного крутого пласта из забоя квершлага бурится одна горизонтальная увлажнительная скважина, пересекающая пласт на всю мощность.
При вскрытии мощных пологих и наклонных пластов для увлажнения угольного массива бурятся две увлажнительные скважины с расположением их у стенок выработки. После вскрытия пласта при дальнейшем проведении квершлага можно применять другие способы предотвращения внезапных выбросов, предусмотренных для пластовых выработок. Количество воды, закачиваемое в скважину, определяется из расчета нормы подачи воды 0,04 м3 на 1 т обрабатываемого угля.
Вскрытие с возведением каркасной крепи
4.3.10. Каркасная крепь применяется в сочетании со способом предотвращения выбросов для предотвращения обрушений при вскрытии тонких и средней мощности крутых и крутонаклонных пластов, представленных мягкими, сыпучими углями и слабыми боковыми породами.
4.3.11. Перед выполнением способа предотвращения выбросов через породную толщу по периметру выработки через 0,3 м друг от друга бурятся скважины с таким расчетом, чтобы они пересекали пласт и выходили в породу кровли (или почвы) пласта не менее чем на 0,5 м. В скважины вводятся металлические трубы диаметром не менее 50 мм или арматурная сталь диаметром не менее 32 мм, под их выступающие концы возводится железобетонная или металлическая арка.
Арка соединяется с трубами каркаса и закрепляется в стенках и кровле выработки пятью-шестью анкерами длиной 1,5 - 2 м.
4.3.12. В пластах со слабыми и сыпучими углями расстояние между устьями скважин должно быть уменьшено до 0,2 м. В слабых сыпучих углях возводится двухрядная каркасная крепь, в углях средней крепости - однорядная крепь.
На пластах с обрушающимися боковыми породами и углем установка металлического каркаса должна вестись с заполнением скважин вяжущими материалами, а выступающие концы арматуры вместе с металлической аркой должны быть забетонированы. При этом толщина бетонного слоя должна быть не менее 0,3 м и ширина не менее 2 - 3 м.
Запрещаются работы по демонтажу металлического каркаса после вскрытия пласта.
На шахтах Ростовской области при вскрытии крутых и крутонаклонных угольных пластов полевыми выработками может применяться донный каркас в соответствии с Руководством по применению донного каркаса при вскрытии крутых и крутонаклонных угольных пластов.
5.1.1. Бурение опережающих скважин применяется в подготовительных и очистных выработках на пластах любой мощности. Опережающие скважины необходимо бурить по наиболее перемятой (выбросоопасной) пачке пласта.
Число скважин и схемы их расположения устанавливаются таким образом, чтобы обеспечить разгрузку и дегазацию пласта в сечении выработки и за ее контуром на 4 м.
Параметры опережающих скважин
5.1.2. Параметрами способа являются: диаметр скважин, длина, радиус эффективного влияния скважин, величина неснижаемого опережения скважинами забоя, расстояние между скважинами.
Длина скважины принимается исходя из условия обеспечения неснижаемого опережения.
Скважины располагаются рядами в виде веера по наслоению пачки тектонически нарушенного угля для ее обработки в сечении выработки и за ее контуром.
5.1.3. В выбросоопасных зонах пластов восточных и северных районов бурят опережающие скважины диаметром 130 мм, длиной 10 - 20 м. На особо выбросоопасных участках диаметр опережающих скважин должен составлять 200 - 250 мм.
Проектное количество скважин определяется из следующих условий:
область эффективного влияния скважины принимается в виде прямоугольника, размер которого по наслоению составляет lн, а вкрест наслоения lк;
величина lн для скважин диаметром 200 - 250 мм принимается равной 2,6 м при проведении штрека по пологому пласту или уклона по пласту любого падения и 2 м для штрека по крутому или наклонному пласту. Для скважин диаметром 130 мм lн составляет соответственно 1,7 и 1,3 м;
величина lк составляет 1,4 м для скважин диаметром 200 - 250 мм и 0,9 м для скважин диаметром 130 мм;
количество вееров скважин принимается равным отношению mн/lн, округленному в большую сторону до целого числа, где mн - средняя мощность пачки тектонически нарушенного угля в сечении забоя и зоне законтурной обработки. Вееры скважин распределяются равномерно по сечению пачки тектонически нарушенного угля в плоскости наслоения. Количество скважин в веере принимается равным (а + 8)/lн, также округленному до целого числа в большую сторону, где а - ширина выработки в плоскости веера, м; lн - величина законтурной обработки, м.
Крайние скважины в каждом веере бурятся таким образом, чтобы на границе зоны неснижаемого опережения расстояние от оси скважины до границы зоны было не более величины радиуса эффективного влияния скважины по наслоению. Остальные скважины в веере располагаются равномерно между этими скважинами.
5.1.4. Перед бурением опережающих скважин забой выработки затягивается или ограждается предохранительным щитом вплотную к забою. Рамы крепи прочно расклиниваются в массиве и между собой для удержания ограждения забоя в случае развязывания внезапного выброса при бурении скважины. С этой целью в неустойчивом массиве раму крепи следует закреплять анкерами в борта выработки.
При проведении штрека с бурением Опережающих скважин на мощных пластах с сыпучим углем необходимо, чтобы крепь отставала от забоя не более чем на 0,5 м.
5.1.5. Применение бурения опережающих скважин для предотвращения выбросов в очистных забоях целесообразно при расположении выбросоопасных зон по длине лавы в пределах до 30 м от верхнего или нижнего сопряжения. Скважины бурятся из оконтуривающих лаву по направлению ее подвигания подготовительных выработок.
Диаметр скважин принимается равным 130 или 200 - 250 мм. Длина опережающих скважин определяется по формуле
lc = lэ + lм + lкн, м, (5.1)
где lэ - протяженность выбросоопасной зоны вдоль очистного забоя, м;
lм - расстояние от выработки, с которой производится бурение, до опасной зоны, м;
lкн - величина законтурной обработки, м.
Скважины располагаются рядами в виде вееров по наслоению пачки тектонически нарушенного угля. Количество скважин в веере принимается равным aоб/lн, также округленному до целого числа в большую сторону, где аоб - ширина обрабатываемой зоны. Неснижаемое опережение забоя обработанной зоной должно быть не менее 10 м.
Выработка, из которой производится бурение скважин, должна быть надежно закреплена в месте бурения и борта должны быть тщательно затянуты.
5.1.6. Бурение опережающих скважин должно осуществляться установками с дистанционным включением и выключением.
5.1.7. Для предотвращения проявлений газодинамической активности в процессе бурения опережающих скважин применяются выбор порядка бурения скважин в плоскости забоя, ограничение скорости бурения и профилактические остановки в процессе бурения, использование защитного действия соседних скважин, поэтапное бурение, предварительное увлажнение в районе бурения скважины.
5.1.8. Порядок бурения скважин определяется результатами текущего прогноза выбросоопасности.
Первая опережающая скважина забуривается непосредственно в месте расположения устья контрольного шпура для текущего прогноза выбросоопасности, по которому установлено наименьшее значение максимальной начальной скорости газовыделения по сравнению с другими шпурами.
Каждая последующая скважина бурится рядом с уже пробуренной.
5.1.9. Максимальная скорость бурения не должна превышать 0,5 м/мин. При появлении выбросов газа, угольного штыба или водоугольного шлама бурение немедленно прекращается и делается профилактическая остановка на 5 - 20 мин, но не менее чем до прекращения газодинамических проявлений.
5.1.10. Для более полного использования защитного действия опережающей скважины в целях снижения интенсивности газовыделения при бурении соседней с ней скважины проектное расстояние между осями соседних скважин может быть уменьшено до критической ширины целика между скважинами, при которой сохраняется его устойчивость, lкр.
Величина lкр рассчитывается по эмпирической формуле
(5.2)
где d - диаметр скважины, м;
4,65 - размерный коэффициент, м2/л05;
Smax - максимальный выход бурового штыба с интервала скважины длиной 1 м, л/м;
Sпр - выход бурового штыба с интервала скважины длиной l = 1 м, соответствующий ее проектному диаметру, без учета деформаций стенки шпура, рассчитываемый по формуле
(5.3)
здесь rс - радиус скважины, м;
kр - коэффициент разрыхления угля (можно принять kр = 1,45).
5.1.11. Поэтапное бурение заключается в бурении скважин малого диаметра с последующим их разбуриванием до проектного диаметра. Начальный диаметр скважин составляет обычно 60 - 80 мм, а затем они разбуриваются до 130 или 250 мм.
В случаях интенсивных газовыделений в выработку начальный диаметр скважины принимается равным 45 мм, а затем скважина разбуривается за один прием или ступенями до проектного диаметра.
5.1.12. Предварительное увлажнение позволяет снизить интенсивность газовыделения при бурении опережающей скважины и, кроме того, устранить возможность развязывания выброса при бурении.
Предварительное увлажнение, как правило, применяется в районе бурения первой опережающей скважины для снижения интенсивности газовыделения в процессе ее бурения. Остальные скважины бурят с использованием защитного действия предыдущей соседней скважины.
Скважина для предварительного увлажнения бурится по проектируемой оси опережающей скважины на ту же длину. Диаметр увлажнительной скважины должен составлять 45 или 60 мм.
Количество нагнетаемой в скважину жидкости определяется по следующей зависимости:
где doc - диаметр опережающей скважины, м;
l - длина увлажнительной (и опережающей) скважины, м;
γ - удельный вес угля, т/м3;
q - норма подачи воды в пласт, м3/т.
Величина q определяется из выражения
(5.5)
где
- необходимая
влажность угля после увлажнения (
= 6 %, а на
больших глубинах
соответствует полному
водонасыщению угля с учетом его пористости), %;
Wн - влажность угля в окрестности выработки до увлажнения, %.
Давление нагнетания воды в пласт не должно превышать 0,75γН.
На высокогазоносных пластах может применяться предварительное увлажнение не только в районе первой скважины, но и перед бурением остальных скважин. Однако в этом случае контрольные шпуры при выполнении контроля эффективности опережающих скважин необходимо бурить в обязательном порядке между каждыми соседними скважинами.
5.2.1. Гидроотжим применяется при проведении подготовительных выработок. К параметрам гидроотжима относятся: длина шпура l, глубина герметизации шпура lг, неснижаемое опережение lн.о, максимальное Рmax и конечное Рк давление нагнетаемой воды, темп нагнетания и продолжительность нагнетания. При мощности пласта до 1 м гидроотжим может осуществляться через один шпур, гидроотжим через два шпура может осуществляться в любых условиях (расположение шпуров в плане показано на рис. 5.1).
Рис. 5.1. Технологические схемы регулируемого гидроотжима:
а - при мощности пачки прочного угля не менее 1 м; б - при любых условиях
5.2.2. Глубина герметизации шпуров гидроотжима lг устанавливается в зависимости от обнажаемой забоем мощности пласта mпл и мощности пачки (или пачек) нарушенного угля mн в сечении выработки согласно табл. 5.1.
Таблица 5.1
|
mпл, м |
lг, м, при тн, м |
||||
|
0,2 |
0,2 - 1 |
1 - 2 |
2 - 3 |
3 - 4 |
|
|
Менее 1 |
3,0 |
3,5 |
- |
- |
- |
|
1 - 1 |
4,0 |
4,5 |
5,0 |
- |
- |
|
2 - 3 |
4,5 |
5,0 |
5,5 |
6,0 |
- |
|
3 - 4 |
4,5 |
5,0 |
5,5 |
6,0 |
6,5 |
Длина шпура l принимается на 0,3 м больше глубины герметизации.
5.2.3. Для расчета неснижаемого опережения lн.о необходимо предварительно определить условную площадь сечения пласта угля в зоне обработки
(5.6)
где тпл - наибольшая мощность пласта в сечении выработки, м;
а - средняя ширина выработки по наслоению пласта вчерне на забое, м;
Ad - пластовая зольность угля, %;
wo - природная влажность угля, %.
Требуемое значение неснижаемого опережения
(5.7)
где Qз.п - расход воздуха, необходимого для проветривания призабойного пространства выработки, м3/мин.
Безопасное подвигание забоя lб после выполнения способа определяется как разность между глубиной герметизации и неснижаемым опережением, т.е.
lб = lг - lн.о, м. (5.8)
Рис. 5.2. Расчетное давление нагнетания Рн без учета потерь напора в гидросети Рс при различных значениях глубин герметизации lг и глубины горных работ Н
5.2.4. Величина Рmax устанавливается в зависимости от глубины горных работ и глубины герметизации с учетом потерь напора в гидросети:
Рmax = Рн + Рс, кгс/см2, (5.9)
где Рн - необходимое давление нагнетания (определяется в соответствии с рис. 5.2), кгс/см2;
Рс - потери напора в гидросети, кгс/см2.
5.2.5. Конечное давление должно составлять не более 30 кгс/см2 плюс потери напора в гидросети:
Рк ≤ 30 + Рс, кгс/см2. (5.10)
5.2.6. Темп нагнетания V определяется в зависимости от мощности пласта тпл по табл. 5.2.
Таблица 5.2
|
тпл, м |
V, л/мин |
|
Менее 1 |
25 |
|
1 - 2 |
35 |
|
2 - 3 |
50 |
|
3 - 4 |
75 |
Насосная установка выбирается в зависимости от необходимого темпа нагнетания.
Технология гидроотжима
Насосные установки, предназначенные для гидроотжима, должны иметь производительность не менее 30 л/мин и располагаться на свежей струе воздуха на расстоянии не менее 120 м от забоя выработки.
5.2.8. Шпуры для гидроотжима должны быть пробурены в пачке пласта, в которой достигается их качественная герметизация. Для обеспечения качественной герметизации шпуры могут быть пробурены через породную пробку. Шпуры должны располагаться в направлении движения забоя. При выполнении гидроотжима концы шпуров должны выходить на 0,5 м за контур выработки.
5.2.9. Пункты замера выдвигания пласта располагаются на расстоянии 0,5 м от левой и правой сторон забоя и в середине между шпурами.
5.2.10. Замер величины выдвигания пласта производится по смещению забивных реперов или реперов в шпурах длиной 0,3 - 0,7 м.
5.2.11. Для герметизации шпуров используются рукавные гидрозатворы, рассчитанные на давление 200 - 400 кгс/см2. Длина уплотнительного участка гидрозатвора должна быть не менее 1,25 м.
При использовании для гидроотжима двух шпуров более эффективным является нагнетание воды одновременно через оба шпура.
5.2.12. Перед началом нагнетания воды в пласт производится опробование высоконапорного водопровода на герметичность, а также определяются полные (с гидрозатвором) потери напора в гидросети Рс.
5.2.13. При снижении давления нагнетания до Рк насосная установка выключается, перекрывается низконапорный водопровод и открывается на слив высоконапорный. Затем замеряется величина выдвигания пачки нарушенного угля по контрольным реперам.
5.2.14. Для предотвращения загазирований в процессе нагнетания воды в 15 - 20 м от забоя устанавливается дополнительный датчик контроля концентрации метана, отключающий электродвигатель насосной установки при достижении заданного порога срабатывания, равного 1 %.
Если этого мероприятия недостаточно для предотвращения загазирований, то применяется предварительное увлажнение массива перед выполнением гидроотжима.
Результаты выполнения гидроотжима заносятся в журнал по форме 14.
Параметры и технология предварительного увлажнения
5.2.15. Количество воды, которое необходимо закачать в низконапорном режиме, определяется с таким расчетом, чтобы максимальная концентрация метана при последующем нагнетании в режиме гидроотжима не превысила допустимую концентрацию Сдоп. Для этого рассчитывается ожидаемый максимальный прирост газовыделения в выработку Jг.о (порядок расчета приведен в приложении 8) и определяется ожидаемая максимальная концентрация метана в выработке в процессе гидроотжима по формуле
(5.11)
где Сф - фоновая концентрация метана в выработке, %.
Qв - расход воздуха для проветривания выработки, м3/мин;
Если величина C°max превышает допустимую концентрацию метана Сдоп, то существует необходимость предварительного увлажнения призабойного массива перед гидравлическим отжимом. В этом случае рассчитывается коэффициент зависимости газоотдачи угля от его влажности, который необходимо получить после предварительного увлажнения:
(5.12)
где kwн - величина коэффициента, соответствующая влажности угля в окрестности забоя выработки до выполнения мероприятия.
Величина kwн определяется из приведенной ниже табл. 5.3 в зависимости от влажности угля до увлажнения.
Таблица 5.3
|
W, % |
1 |
2 |
3 |
4 |
5 |
6 |
7 |
7,5 |
|
kwн |
0,58 |
0,53 |
0,46 |
0,39 |
0,31 |
0,22 |
0,12 |
0,06 |
После расчета kwу по этой же таблице определяется влажность угля Wу, которую необходимо получить после низконапорного увлажнения.
Рассчитывается норма подачи воды q по формуле
q = (Wy - Wн)0,01 + 0,01, м3/т, (5.13)
и определяется количество воды, которое необходимо закачать в скважины в низконапорном режиме:
Qy = (a + 4)lcmγq, м3. (5.14)
5.2.16. Давление нагнетания в режиме низконапорного увлажнения Рн.у не должно превышать 0,75γH.
5.2.17. Предварительное увлажнение осуществляется через шпуры для гидроотжима при той же глубине герметизации, после чего увеличивается давление нагнетания и выполняется гидроотжим.
Меры безопасности при гидроотжиме
5.2.18. Насосные установки для производства гидроотжима должны быть размещены в соответствии с п. 5.2.7.
5.2.19. В период нагнетания воды в пласт в выработках, расположенных на исходящей струе воздуха, запрещается ведение взрывных работ.
5.2.20. Во время нагнетания воды запрещается нахождение людей между насосной установкой и забоем выработки.
5.2.21. Места нахождения людей должны быть оборудованы отводами сжатого воздуха или средствами жизнеобеспечения.
5.2.23. Работы по выемке угля в обработанной части пласта допускаются не раньше чем через 30 мин после завершения гидроотжима.
5.2.24. Перед началом гидроотжима отставание постоянной крепи от забоя не должно превышать 0,4 м. Рамы крепи должны быть прочно расклинены в массиве и между собой. Перетяжка бортов и кровли выработки должна быть сплошной, а забой выработки должен быть затянут или огражден прочным предохранительным щитом вплотную к забою. Рама крепи, удерживающая щит, должна быть закреплена не менее чем четырьмя анкерами в борта выработки.
5.3.1. Гидрорыхление основано на высоко напорном нагнетании воды в угольные пласты через скважины, пробуренные из забоев горных выработок. Сущность способа заключается в разрушении угля внутри массива водой под давлением, сопровождающимся разгрузкой и дегазацией призабойной части пласта.
5.3.2. Область применения гидрорыхления ограничивается угольными пластами, на которых обеспечиваются бурение и герметизация скважин на заданную глубину, поступление воды в угольный пласт или отдельные его пачки.
Параметры гидрорыхления
5.3.3. К параметрам способа относятся: диаметр, длина и глубина герметизации скважин, расстояние между скважинами, величина неснижаемого опережения, количество воды, давление и темп нагнетания.
5.3.4. Диаметр скважин 42 - 45 мм, длина скважин 6 - 9 м, глубина герметизации lг = 4 - 7 м. Величина неснижаемого опережения принимается равной длине фильтрующей части скважин и составляет lн.о = 2 м.
Эффективный радиус нагнетания воды в пласт составляет Rэф ≤ 0,8lг, а расстояние между скважинами не должно превышать 2Rэф.
Выемку угля после гидрорыхления допускается производить не более чем на глубину lг.
Расчетный удельный расход воды q должен составлять не менее 20 л/т, а количество воды Q, нагнетаемой в одну скважину, определяется по формуле
(5.15)
где т - мощность пласта, м;
γу - объемная масса угля, т/м3.
Фактический необходимый удельный расход воды для отдельных шахтопластов может быть уточнен ВостНИИ после проведения специальных экспериментов.
Давление при нагнетании принимается равным Рн = (0,75 - 2,0)γН.
Темп нагнетания должен составлять не менее 3 л/мин.
5.3.5. Число скважин и схемы их расположения принимаются в зависимости от ширины полосы угольного массива, подлежащей гидрорыхлению, и Rэф.
Ширина обрабатываемой полосы С в подготовительных выработках составляет
С = В + 2b, м, (5.16)
где В - ширина угольного забоя, м;
b - ширина обрабатываемой полосы за контуром выработки, принимаемая не менее Rэф - 1 м.
Число скважин в подготовительной выработке должно быть не менее двух. Скважины бурятся на расстоянии 1 м от кутков с наклоном 5 - 7° в сторону массива.
В очистных выработках с прямолинейной формой забоя скважины каждого последующего цикла гидрорыхления необходимо бурить между скважинами предыдущего цикла. В лаве скважины бурятся перпендикулярно забою. В комбайновых нишах на пологих пластах скважины необходимо бурить на расстоянии 1 м от кутков с наклоном 5 - 7° в сторону массива. Если при этом расстояние между устьями скважин превышает 2Rэф, посредине ниши необходимо бурить третью скважину.
В потолкоуступных очистных забоях крутых и крутонаклонных пластов одна скважина располагается на расстоянии 1 м от кутка, остальные - на расстоянии не более 2Rэф. Скважины в кутках уступов необходимо бурить с подъемом 5 - 7° к линии простирания.
В подготовительных забоях крутых и крутонаклонных пластов верхняя скважина бурится на расстоянии 1 м от кутка с подъемом 5 - 7° к линии простирания, нижняя - горизонтально на расстоянии 0,5 м от подошвы выработки.
Если в печи (просеке) лавы крутого и крутонаклонного пласта имеются два кутка, нагнетание воды осуществляется через две скважины, расположенные так же, как в забое подготовительной выработки. При наличии в забое печи одного кутка скважина располагается так же, как и в уступе лавы.
Технология гидрорыхления
5.3.6. На пластах, представленных несколькими пачками угля, скважины следует бурить по наиболее крепкой пачке. При наличии прослоев породы, разделяющих пласт на две угольные пачки, скважины следует бурить по наиболее мощной или по обеим пачкам, а количество воды необходимо определять из расчета на суммарную мощность угольных пачек.
Для нагнетания воды в угольный пласт используются высоконапорные установки, обеспечивающие необходимое давление и производительность. Нагнетание воды производится через одну или две скважины одной насосной установкой, расположенной на расстоянии не ближе 30 м от нагнетательной скважины. Перед началом нагнетания производится проверка высоконапорного водопровода на герметичность.
5.3.8. На высоконапорном трубопроводе у насосной установки, а также не ближе 15 м от гидрозатвора должны быть установлены разгрузочные вентили-тройники. Регулированием первого вентиля-тройника обеспечивается плавное повышение или сброс давления при нагнетании; второй служит для сброса давления в магистрали при отключенной насосной установке.
Нагнетание воды в пласт необходимо начинать плавным в течение 3 - 5 мин повышением давления до его максимального значения.
5.3.10. В случае преждевременного прорыва воды из нагнетательной скважины на забой по трещинам необходимо провести повторное нагнетание через скважину, пробуренную на расстоянии 2 м от первой. При этом соседняя скважина должна быть перекрыта средствами герметизации, а нагнетание в дополнительную скважину - продолжено до появления признаков, приведенных в п. 5.3.9.
Если на отдельных участках пласта не удается бурение и герметизация скважин на глубину, указанную в п. 5.3.7, или не удается выдержать предусмотренные проектом параметры нагнетания воды, то для перехода таких участков главный инженер шахты по согласованию с ВостНИИ может разрешить временное ведение работ при длине скважин 4 - 6 м и глубине герметизации 3 - 4 м.
5.3.11. Для крутых и крутонаклонных пластов, сложенных мягкими сыпучими углями, в паспортах необходимо предусматривать сплошную затяжку забоя в месте расположения скважин и усиленное крепление нависающего массива кутковой части забоя.
Результаты выполнения способа заносятся в журнал по форме 15.
Меры безопасности при гидрорыхлении
5.3.12. Оборудование и приборы, а также режимы и нормы их эксплуатации должны отвечать требованиям заводских инструкций. Состояние и работоспособность оборудования для нагнетания воды в пласт должны проверяться перед каждым циклом нагнетания лицом технического надзора, ответственным за нагнетание, и ежемесячно механиком участка. Результаты проверки отмечаются в «Журнале контроля и учета работ по нагнетанию воды в пласт».
Для предотвращения самопроизвольного выбрасывания гидрозатвора из скважины перед нагнетанием воды он прикрепляется гибкой связью (цепью, тросом) к элементу крепи.
5.3.13. Высоконапорное нагнетание воды через скважины (шпуры) длиной менее 6 м должно производиться с соблюдением мер безопасности, предусмотренных в пп. 5.2.19, 5.2.22.
Люди, занятые нагнетанием воды, должны находиться на расстоянии не менее 30 м от нагнетательной скважины со стороны свежей струи, а в потолкоуступных забоях крутых пластов - в соседних уступах.
В очистных забоях на пологих пластах при выполнении гидрорыхления между местом нахождения людей, занятых нагнетанием, и местом установки насоса должна быть налажена переговорная связь.
соединять, разъединять и ремонтировать высоконапорную арматуру, если высоконапорный трубопровод находится под давлением;
эксплуатировать высоконапорный трубопровод при нарушении его герметичности;
оставлять без присмотра работающую насосную установку во время нагнетания воды.
5.4.1. При применении низконапорной пропитки исключается загазирование выработки в процессе выполнения способа. В увлажненной зоне снижается газовыделение в выработку и концентрация метана, как правило, не превышает допустимого предела.
Технология и параметры способа
5.4.2. Нагнетание воды производится через две расположенные первая - ближе у левого, а вторая - у правого борта выработки (с удалением устьев на 0,5 м от борта выработки) скважины (рис. 5.3, а) или через одну центральную скважину (рис. 5.3, б) длиной 5,5 м на пластах мощностью до 3,5 м и длиной 6,5 м на пластах мощностью более 3,5 м. При длине скважины 5,5 м глубина герметизации должна составлять 2,5 м, при длине скважины 6,5 м - 3,5 м. Величина неснижаемого опережения - 3 м, величина законтурной обработки принимается равной 4 м.
Рис. 5.3. Схема бурения скважин для пропитки (1, 2) и контрольных шпуров (3, 4) при низконапорной пропитке
При наличии в забое ненарушенных пачек угля скважины бурятся по ненарушенной пачке на расстоянии 0,5 м от нарушенной пачки. Если мощность ненарушенной пачки менее 1 м, скважины бурятся равноудаленно от кровли и почвы пачки. Если забой на все сечение находится в зоне нарушенного угля, то скважины бурятся в плоскости наслоения пласта, проходящей через середину выработки.
При бурении двух скважин их концы должны выходить за контур выработки в плоскости пласта на 2 м.
5.4.3. Давление нагнетания при увлажнении не должно превышать 0,75γН, где γ - средний объемный вес пород вышележащей толщи (γ = 2,5 т/м3), Н - глубина выработки от поверхности. Количество нагнетаемой в призабойную часть жидкости определяется по формуле
Q = (a + 8)lcmγq, м3. (5.17)
Величина q определяется по формуле (5.4).
5.4.4. При применении низконапорной пропитки в очистном забое рекомендуются следующие параметры способа:
длина скважин - не менее 6,5 м на пластах мощностью до 2,5 м и не менее 8,5 м на пластах большей мощности;
диаметр скважин - 45 или 60 мм;
глубина герметизации 4,5 м при длине скважин 6,5 м и 6,5 м при длине скважин 8,5 м;
расстояние между скважинами - 5 м при длине скважин 6,5 м и 7 м при длине скважин 8,5 м. Крайние скважины располагаются на границах установленной выбросоопасной зоны;
неснижаемое опережение - 3,5 м на пластах мощностью до 2,5 м и 5,5 м на пластах большей мощности;
Количество воды, закачиваемой в каждую скважину, определяется по формуле
Qc = dlcmγyq, м3/т, (5.18)
где d - расстояние между скважинами, м;
lc - длина скважины, м;
т - мощность пласта, м;
γy - удельный вес угля, т/м3.
q = (Wу - Wн)0,01 + 0,01, м3/т, (5.19)
где Wу - необходимая влажность угля после увлажнения воды, %; Wу = 6 %, а на больших глубинах Wу соответствует полному водонасыщению угля с учетом его пористости;
Wн - влажность угля в окрестности выработки до увлажнения, %.
При наличии в забое ненарушенных пачек угля скважины забуриваются по ненарушенной пачке на расстоянии 0,5 м от нарушенной пачки и бурятся с таким расчетом, чтобы их концы выходили на середину выбросоопасной пачки. Если мощность ненарушенной пачки менее 2 м, скважины забуриваются равноудаленно от кровли и почвы пачек. Если забой на все сечение находится в нарушенном угле или забурить скважины по ненарушенной пачке невозможно из-за ее расположения у почвы или кровли выработки, то они бурятся по поверхности наслоения, проходящей через середину выработки.
Результаты низконапорной пропитки заносятся в журнал по форме 15.
Меры безопасности
5.4.5. Меры безопасности при низконапорной пропитке осуществляются в соответствии с пп. 5.3.12 - 5.3.14.
Параметры низконапорного увлажнения
5.5.1. Способ применяется при проведении подготовительных выработок. К параметрам способа относятся: длина l и диаметр d скважин, глубина герметизации скважин lг, величина неснижаемого опережения lн.о, норма подачи воды на 1 т угля q, давление Рн и продолжительность нагнетания, количество воды Q, которое необходимо закачать в скважину.
5.5.2. Диаметр скважин составляет 45 или 60 мм. Длина скважин не ограничивается.
Глубина герметизации должна составлять не менее 5 м, неснижаемое опережение увлажненной зоны - не менее 5 м.
Объем воды Q, который необходимо закачать в каждую скважину, определяется по формуле
Q = 2Rув l m γy q, м3, (5.20)
где Rув - радиус увлажнения по напластованию, м;
т - мощность увлажняемого скважиной слоя пласта (для одиночной скважины - всего пласта), м;
γу - объемная масса угля, т/м3.
Радиус увлажнения Rув для одиночной скважины определяется с таким расчетом, чтобы расстояние от стенок выработки до границы увлажненной зоны составляло не менее 5 м.
При применении барьерных скважин
(5.21)
где а - ширина выработки по напластованию, м;
b - расстояние от ближайшей стенки выработки до барьерной скважины, м.
Норма подачи воды в пласт на 1 т угля, м3/т, определяется из выражения (5.19).
Давление нагнетания Рн принимается таким же, как и при региональном увлажнении пласта.
Продолжительность нагнетания определяется временем закачки необходимого количества воды, определяемого счетчиком-расходомером.
Технология низконапорного увлажнения
5.5.3. Низконапорное увлажнение угольного пласта производится с применением схем, приведенных на рис. 5.4.
Рис. 5.4. Схемы низконапорного увлажнения пласта:
а - через передовую одиночную скважину 1; б - через парные передовые скважины 2, 3; в - через парные барьерные скважины 4, 5; г - через парные барьерные скважины 6, 7 и 8, 9; 10 - граница увлажнения; 11 - водонепроницаемый породный прослоек; 1' - 9' - скважины предыдущего цикла увлажнения
5.5.4. При увлажнении пласта через барьерные скважины нагнетание воды может производиться через обе скважины одновременно. Для повышения качества увлажнения нагнетание воды необходимо производить с перерывами на 1 - 2 ч в смену. Давление нагнетания и количество закачанной в скважину воды фиксируются каждый час.
5.5.5. Меры безопасности при увлажнении применяются те же, что и при низконапорной пропитке.
Результаты низконапорного увлажнения заносятся в журнал по форме 15.
5.6.1. Гидровымывание опережающих полостей применяется на пластах (отдельных пачках) нарушенного угля с коэффициентом крепости f не более 0,6. Применение гидровымывания на особо выбросоопасных участках пласта и в зонах ПГД согласовывается с ВостНИИ.
5.6.2. При применении гидровымывания опережающих полостей возможно проведение выработок комбайнами или отбойными молотками.
Параметры гидровымывания полостей
5.6.3. Гидровымывание опережающих полостей для создания опережающей щели осуществляется по пачке тектонически нарушенного угля с небольшими изменениями мощности и угла падения. При наличии нескольких таких пачек гидровымывание полостей следует осуществлять по наименее прочной и наименее мощной пачке (минимальная мощность размываемой пачки 5 см). При наличии в забое одной пачки мощностью более 25 см полости следует вымывать у верхней границы этой пачки. На особо выбросоопасных участках с мощностью перемятых пачек угля не менее 0,2 м следует произвести вымывание вначале центральной (по оси выработки) разведочной полости длиной 20 м, а затем остальных щелеобразующих полостей длиной по 15 м в виде веера в последовательности от центральной к крайним. Неснижаемое опережение полостей 10 м. Ширина обработанного полостями массива угля за контуром выработки 4 м (рис. 5.5).
На участках пластов, где применялась предварительная дегазация, и на участках с мощностью перемятой пачки угля менее 0,2 м по согласованию с ВостНИИ принимают следующие глубины полостей: разведочно-профилактических - 15 м, щелеобразующих - 10 м. Неснижаемое опережение полостей - 5 м.
5.6.4. Проектное количество опережающих полостей для штрека на пологом пласте и для уклона на пласте любого падения рассчитывается по формуле
n = 4,3 + 0,5а, (5.22)
где а - ширина выработки по наслоению размываемой пачки, м.
Рис. 5.5. Схема гидровымывания опережающих полостей:
1 - пачка нарушенного угля; 2 - разведочно-профилактическая полость; 3 - щелеобразующие полости; lн.о - неснижаемое опережение полостей
Технология гидровымывания полостей
5.6.5. Для гидровымывания используются составной гидроствол, на конец которого навинчена насадка с отверстием диаметром 3 мм, и насосная установка, создающая напор воды перед гидростволом не менее 100 кгс/см2 и имеющая производительность около 60 л/мин. Скорость гидровымывания полостей за зоной неснижаемого опережения - не более 0,5 м/мин.
На гидрошахтах Кузбасса в подготовительных выработках применяется дистанционное гидровымывание опережающей щели при помощи гидромонитора в соответствии с Руководством по применению способов предотвращения внезапных выбросов угля и газа с использованием технических средств и технологии гидрошахт Кузбасса.
Предотвращение загазирований и газодинамических явлений
5.6.6. При вымывании первой центральной полости сначала производится «прокол» - с использованием насадки гидроствола с одним центральным отверстием вымывается узкая полость на глубину обработки, а затем ее размыв до проектных размеров насадкой с пятью отверстиями. После этого вымываются другие полости в направлении от центральной полости к крайней.
5.6.7. Применяются остановки в гидровымывании опережающих полостей. Гидровымывание приостанавливается при достижении концентрации метана вблизи забоя до 1,5 % , а также при возникновении предупредительных признаков внезапных выбросов: ударов, тресков в массиве, шелушения угля на забое, вывалов угля из забоя, выбросов газа и шлама из полости. Длительность остановок по мере углубления полости изменяется, как правило, от 5 до 20 мин. Гидровымывание возобновляется при снижении концентрации метана до величины менее 1 % и прекращении проявления предупредительных признаков.
5.6.8. Используется предварительное бурение веера из 3 - 5 опережающих скважин. Как правило, гидровымывание производится по потенциально выбросоопасной угольной пачке небольшой мощности. Скважины бурят по прочной пачке угля, расположенной выше или ниже (предпочтительнее выше) выбросоопасной, на глубину полостей. Крайние скважины концами должны выходить за контур выработки на 4 м.
Меры безопасности при гидровымывании полостей
5.6.9. При гидровымывании полостей необходимо выполнение следующих мер безопасности:
а) перед началом работы забой выработки затягивается или перекрывается щитом вплотную к забою с оставлением окна шириной не более 250 мм в месте вымывания очередной полости. Последняя рама, к которой крепится ограждение, должна быть закреплена не менее чем четырьмя анкерами, установленными по контуру выработки. На длине 5 м от забоя рамы крепи по бокам выработки связываются между собой балками из спецпрофиля;
б) насосная установка располагается в выработке на свежей струе;
в) при появлении в процессе гидровымывания признаков выбросоопасности (микровыбросов из полости, «сухой» угольной массы и др.), а также повышении концентрации метана до 2 % вымывание прекращается и работающие удаляются на свежую струю. Гидровымывание возобновляют после прекращения признаков выбросоопасности и снижения концентрации метана в забое выработки до 1,0 % и менее;
г) перед началом гидровымывания отключается электроэнергия на всей длине тупиковой части выработки, запрещается нахождение людей по ходу движения исходящей струи, кроме людей, занятых в забое гидровымыванием.
5.7.1. Разгрузочные пазы образуются с помощью специальных машин с дистанционным управлением и применяются как в подготовительных, так и в очистных выработках.
Разгрузочные пазы должны удовлетворять следующим требованиям:
а) паз должен быть сплошным;
б) плоскость паза должна быть расположена по нормали к почве (кровле) пласта;
в) ширина паза должна быть в пределах 60 - 80 мм;
г) глубина паза должна быть не более 2,5 м;
д) минимальное неснижаемое опережение должно быть равным 1 м.
5.7.2. Разгрузочные пазы в подготовительных выработках пологих пластов располагаются на расстоянии 0,5 м от стенок угольного забоя под углом 5 - 10° к оси выработки в сторону угольного массива.
5.7.3. Разгрузочные пазы в нишах лав на пологих пластах образуются в кутках на расстоянии не более 0,5 м от стенок ниши и ориентируются в направлении подвигания лавы.
Для случаев перехода лавами геологических нарушений необходимое количество разгрузочных пазов и их расположение устанавливаются по согласованию с ВостНИИ.
Выемку угля в нишах между разгрузочными пазами разрешается производить только последовательными полосами шириной не более 0,8 м.
5.7.4. В штреках на крутых и крутонаклонных пластах два разгрузочных паза ориентируются под углом не более 5 - 10° к направлению проведения выработки: первый - в нижнем кутке (у подошвы), а второй - в верхнем кутке выработки.
5.7.5. В очистных забоях с потолкоуступной формой в верхнем кутке каждого уступа образуют один разгрузочный паз, ориентированный под углом не более 20° к направлению подвигания забоя. Паз располагается на расстоянии не менее 0,5 м от кутка уступа и образовывается на суммируемую величину подвигания забоя и неснижаемого опережения. Подвигание забоя при этом должно быть не более 1 м. Расстояние между пазами по длине очистного забоя не должно превышать 12 м.
5.7.6. На крутых пластах нависающий угольный массив по мере образования пазов перекрывается на всю глубину обрезными досками толщиной не менее 40 мм, под свободный конец которых подбивают стойки. По мере выемки угля под перекрытием устанавливаются стойки через 0,3 м. При мощности пласта 1,5 м и более, а также в зонах геологических нарушений крепление нависающего массива необходимо усиливать.
5.7.7. При нарезке пазов запрещается выполнение других работ в данном подготовительном забое, нише или уступе лавы.
5.8.1. Торпедирование угольного массива осуществляется как с предварительным нагнетанием воды в пласт, так и без предварительного нагнетания.
Параметры торпедирования угольного массива
5.8.2. При торпедировании угольного массива без предварительного нагнетания воды в пласт взрывание зарядов ВВ производится в скважинах диаметром 55 - 60 мм. Длина скважин L принимается в зависимости от величины зоны разгрузки lр в необработанном массиве (табл. 5.4).
Таблица 5.4
|
lр, м |
1,0 |
1,5 |
2,0 |
2,5 |
3,0 |
3,5 |
|
L, м |
8,5 |
9,0 |
10,0 |
11,0 |
12,0 |
13,5 |
Величина lр определяется в необработанном локальными способами предотвращения выбросов угля и газа массиве по группе контрольных шпуров (не менее трех), которые располагаются по той же схеме, что и скважины для торпедирования.
Неснижаемое опережение скважин должно составлять в подготовительных забоях не менее 5 м, в очистных забоях - не менее 3 м. Скважины, расположенные в кутках забоя, должны выходить за контур выработки не менее чем на 2 м. Число скважин определяется исходя из ширины обрабатываемой зоны и расстояния между скважинами. Расстояние между скважинами не должно превышать в нишах 2 м, в комбайновой части лавы и в забоях подготовительных выработок 2,5 м.
Масса заряда ВВ а в скважине определяется по формуле
a = q(L - Lз), кг, (5.23)
где Lз - общая длина забойки, м; принимается Lз = 3,5 м при L = 8,5 м; Lз = 4 м при L = 8,5 - 9,5 м; Lз = 5,0 м при L = 10 м;
q - масса одного метра заряда, кг/м.
Для отдельных пластов масса заряда ВВ в скважинах может быть уточнена по согласованию с ВостНИИ.
5.8.3. Торпедирование угольного массива с предварительным нагнетанием воды в режиме гидрорыхления осуществляется через скважины диаметром 45 мм и длиной 8 м.
Величина неснижаемого опережения забоя скважинами должна быть не менее 2 м. Скважины, расположенные в кутках забоя, должны выходить за контур выработки не менее чем на 1 м. Расстояние между скважинами не должно превышать в нишах и забоях подготовительных выработок 2,5 м, в комбайновой части лавы 3 м.
Глубина герметизации скважин при нагнетании воды в пласт принимается равной 5,5 - 6,5 м.
Масса заряда ВВ принимается равной 2,5 - 3 кг. Общая длина забойки должна составлять не менее 3,5 м.
Технология торпедирования угольного массива
5.8.4. Скважины каждой новой серии при наличии неснижаемого опережения бурятся на расстоянии не менее 0,5 м от скважин предыдущей серии (рис. 5.6).
Рис. 5.6. Схема расположения скважин в нижней нише очистного забоя
В наклонных выработках, проводимых сверху вниз, скважины для торпедирования бурятся по падению пласта, а в горизонтальных - с наклоном 4 - 7° (для заполнения водой).
Допускается в забоях горизонтальных подготовительных выработок скважины бурить через породную пробку с выходом их на пласт с таким расчетом, чтобы заряд располагался в угольном массиве (рис. 5.7).
5.8.5. Предварительное нагнетание воды в пласт осуществляется в такой последовательности. Первоначально нагнетается вода в крайние скважины до прорыва воды в соседние скважины или в забой. Затем нагнетается вода в остальные скважины. В скважины, где отмечен прорыв воды, нагнетание не производится.
5.8.6. Применяется сплошной колонковый однородный заряд ВМ. В качестве ВВ используются взрывчатое вещество II класса предохранительности (скальный аммонит № 1), детонирующие шнуры или ленты и электродетонаторы мгновенного действия.
Рис. 5.7. Схема расположения скважин в забое наклонной подготовительной выработки
Заряд для торпедирования изготавливается в специально отведенном месте. Патроны ВВ укладываются в один ряд торец к торцу, вплотную друг к другу. Вдоль патронов по длине всего заряда прокладываются два детонирующих шнура, а при величине заряда более 3 кг - пеньковая веревка. Патроны ВВ вместе со шнуром и веревкой обматываются суровой бязью и обвязываются шпагатом или помещаются в специальный рукав шириной (в сложенном состоянии) 60 мм, сшитый из суровой бязи. При массе заряда более 3 кг на одном конце монозаряда, со стороны торца скважины, из пеньковой веревки и суровой бязи делается петля.
Инициирование заряда прямое осевое производится двумя последовательно расположенными патронами-боевиками. Соединение электродетонаторов в одном заряде ВМ параллельное, а подсоединение заряда ВМ в электровзрывную сеть последовательное. Заряды ВМ взрываются в скважинах большой глубины, вследствие чего необходимо производить наращивание проводов электродетонаторов. Для этой цели у электродетонаторов оставляют концы длиной 15 - 40 см, которые соединяют параллельно, а к местам соединения наращивают соединительные провода. Длина соединительных проводов должна обеспечить подключение каждого заряда в магистральную сеть. Для закрепления электродетонаторов в патроне-боевике они обвязываются петлями из соединительных проводов. Наращивание соединительных проводов к электродетонаторам и проверка их на токопроводимость производятся на складе ВМ.
5.8.7. Заряжание скважин диаметром 55 - 60 мм производится составными свинчивающимися металлическими досыльниками, изготавливаемыми из стального прута диаметром 10 мм, имеющими вилку на конце для захвата петли веревки, на которой монтируется заряд ВМ при досылке его в скважину. Заряд ВМ досылается до забоя скважины. Допускается недосылка заряда ВМ до конца скважины не более чем на 1 м.
Заряжание скважин диаметром 45 мм производится после нагнетания воды в пласт с помощью свинчивающихся деревянных забойников. Заряд ВМ досылается в скважину на глубину герметизации.
После заряжания всех скважин устья их герметизируют на глубину 0,2 м песчано-глинистой забойкой, в которой оставляют отверстие диаметром 10 - 15 мм для заливки скважины водой.
5.8.8. Взрывание скважинных зарядов производится за один прием. В забоях с легкообрушающимися породами кровли, а также при числе скважин более четырех допускается торпедирование массива отдельными участками. При этом в пределах одного участка заряды группы скважин взрываются за один прием. Взрывание осуществляется с использованием обособленной взрывной магистрали.
5.8.9. Взрывание скважинных зарядов ВМ производится в режиме сотрясательного взрывания. Время от заливки скважин водой до инициирования зарядов ВМ не должно превышать 45 мин. Взрывание зарядов ВМ при торпедировании угольного массива осуществляется за один прием не более чем в 10 скважинах.
Обнажение и ликвидация отказавшего заряда ВМ производится в соответствии с требованиями Единых правил безопасности при взрывных работах. Если отказ произошел в результате нарушения целостности внешней взрывной сети, устраняется нарушение взрывной сети и производится повторное взрывание заряда. Если внешняя взрывная сеть исправна, из устья скважины извлекается песчано-глинистая забойка и вплотную к отказавшему заряду досылается такой же дополнительный заряд ВМ массой 2 кг, с помощью которого инициируется отказавший заряд.
5.9.1. Сущность способа заключается в образовании в угольном пласте по всей длине очистного забоя разгрузочной щели, под воздействием которой происходит разгрузка и дегазация призабойной части пласта, достаточная для предотвращения выбросов угля и газа при последующей выемке угля.
5.9.2. Способ применяется на пологих и наклонных выбросоопасных пластах с устойчивыми и средней устойчивости породами кровли.
5.9.3. Образование разгрузочной щели и последующая выемка угля производятся с помощью выемочно-щеленарезной машины, снабженной щеленарезным исполнительным органом бурового типа и выемочным исполнительным органом.
До создания такой машины для образования разгрузочной щели могут использоваться врубовые машины с последующей выемкой угля комбайном.
5.9.4. Применение разгрузочной щели для предотвращения внезапных выбросов угля и газа в конкретных горно-геологических условиях согласовывается с ВостНИИ и технологическим институтом.
Параметры и технология образования разгрузочной щели
5.9.5. К параметрам разгрузочной щели относятся: местоположение щели в сечении пласта, высота щели, глубина ее, неснижаемое опережение, угол в кутковой части щели.
5.9.6. При однопачечном строении пласта местоположение щели в пределах его мощности не ограничивается. На пластах, состоящих из двух и более угольных пачек, предпочтительно образовывать щель по невыбросоопасной пачке или по породному прослойку.
На маломощных пластах, а также в местах утонения, где выемка угля производится с присечкой пород кровли или почвы, допускается образование разгрузочной щели во вмещающих породах у контакта с пластом.
5.9.7. Высота разгрузочной щели должна быть не менее 120 мм.
5.9.8. Глубина щели должна быть равна сумме ширины вынимаемой комбайном полосы угля и иметь неснижаемое опережение щели, равное 0,2 м. При образовании щели врубовой машиной глубина щели должна задаваться на 0,25 м больше указанной суммы.
5.9.9. В первых трех циклах ведения очистных работ с образованием щели должна производиться опытная проверка фактической глубины ее и неснижаемого опережения, для чего с помощью металлического щупа не более чем через 10 м по длине очистного забоя после образования щели измеряют ее глубину, а после выемки угля - неснижаемое опережение.
Требуемая глубина щели подбирается путем изменения угла установки щеленарезного исполнительного органа от 115 до 135° к линии очистного забоя.
Результаты опытной проверки глубины щели и образованного щелью неснижаемого опережения оформляются актом, который утверждается техническим руководителем.
5.9.10. После образования щели перед каждым циклом выемки угля должен осуществляться контроль за ее глубиной через каждые 10 м по длине очистного забоя. Выемка угля комбайном допускается, если измеренная глубина щели превышает ширину вынимаемой полосы не менее чем на 0,2 м.
На участках лавы с недостаточной глубиной щели повторно производится ее нарезка с последующим контролем.
5.9.11. Образование разгрузочной щели и выемка угля производятся раздельно, а совмещение этих операций не допускается.
При образовании разгрузочной щели исполнительный орган выемочно-щеленарезной машины заводится в нишу, устанавливается под углом 115 - 135° к линии очистного забоя и при движении машины производится нарезка щели по всей длине очистного забоя.
При работе выемочно-щеленарезной машины после образования щели щеленарезной исполнительный орган устанавливается в транспортное положение, производится передвижка конвейера и крепи, выемочный исполнительный орган заводится в нишу или зарубается в пласт и при обратном ходе машины производится выемка угля с оставлением упомянутого неснижаемого опережения разгрузочной щели.
При образовании разгрузочной щели с помощью врубовой машины исходное положение машины и комбайна - в нише. После нарезки щели по всей длине очистного забоя врубовая машина остается в нише и при движении комбайна в том же направлении производится выемка угля. При обратном ходе комбайна производятся зачистка лавы, транспортировка врубовой машины в исходное положение, передвижка конвейера и крепи. После этого операции повторяются в той же последовательности.
Проведение ниш в концевых частях лав производится с применением текущего прогноза выбросоопасности, специальных способов предотвращения выбросов или в режиме сотрясательного взрывания.
Меры безопасности
5.9.12. Допускается зарубка в пласт на любом участке лавы при дистанционном управлении разворотом щеленарезного исполнительного органа с расстояния не менее 30 м со стороны свежей струи воздуха.
При отсутствии дистанционного управления зарубка щеленарезного исполнительного органа в пласт допускается, если величина зоны разгрузки, установленная нормативным методом, не менее чем на 1,3 м превышает глубину зарубки или если в этом месте были применены способы предотвращения выбросов.
5.9.13. Управление машиной в процессе образования щели осуществляется машинистом и его помощником дистанционно с расстояния не менее 30 м от машины со стороны свежей струи воздуха. При этом не допускается выполнение других работ и нахождение людей в лаве и по ходу движения исходящей струи до ее подсвежения.
6.1.1. При применении в качестве способа предотвращения внезапных выбросов опережающей разработки защитных пластов контроля эффективности в защищенных зонах не требуется.
6.1.2. Эффективность региональных способов предотвращения внезапных выбросов проверяется результатами прогноза в обработанных зонах. Исключение составляет контроль эффективности увлажнения в очистных забоях. Он осуществляется по значениям влажности угля, которые определяются в лаборатории по отобранным из потенциально выбросоопасных пачек угля пробам. Пробы отбираются через каждые 10 м по длине забоя в пределах наличия выбросоопасной структуры, при этом крайние пробы отбираются на границах ее распространения. Первый отбор производится после первого цикла выемки угля и повторяется не реже чем через расстояние между скважинами для увлажнения. На обработку проб и доведение результатов до главного инженера должно затрачиваться не более 1 сут. Мероприятие считается эффективным, если по всем отобранным в цикле пробам угля влажность составляет не менее 6 %. Если в какой-либо группе точек отбора проб или в одной точке получена величина влажности менее 6 %, то зона в пределах этих точек по длине лавы с запасом по 5 м в обе стороны (на глубину, равную расстоянию между скважинами для увлажнения) считается неэффективно обработанной. В этом случае главный инженер останавливает забой, и с помощью локального способа, основанного на увлажнении пласта, зона приводится в невыбросоопасное состояние.
Результаты работ по нагнетанию воды в пласт заносятся в журнал по форме 15.
6.2.1. Контроль эффективности способов предотвращения внезапных выбросов угля и газа при вскрытии угольных пластов осуществляется по величине давления газа в контрольных скважинах, пробуренных для прогноза опасности. Противовыбросная обработка считается эффективной, если давление газа снизилось до величины Рг.кр (для Кузбасса Рг.кр = 14f2min, для остальных бассейнов и месторождений Рг.кр = 10 кгс/см2).
6.2.2. На шахтах Ростовской области критерием приведения вскрываемой зоны пласта в невыбросоопасное состояние является снижение скорости газовыделения в контрольный шпур до величины менее 2 л/мин.
6.3.1. Выполнение контроля эффективности способов предотвращения внезапных выбросов при проведении подготовительных выработок по угольным пластам осуществляется в два этапа.
6.3.2. Первый этап состоит в оценке эффективности способа непосредственно после его выполнения в остановленном забое и далее через расстояние, равное длине контрольных шпуров, уменьшенной на 1,5 м.
Второй этап контроля эффективности предназначен для контроля за равномерностью локальной противовыбросной обработки, представляет собой непрерывный контроль за состоянием призабойного массива при подвигании забоя в обработанной зоне по газовыделению в выработку, регистрируемому аппаратурой АКМ в соответствии с п. 6.36 или способом текущего прогноза по АЧХ (пп. 2.4.36 - 2.4.41).
6.3.3. На шахтах Ростовской области контроль эффективности способов предотвращения внезапных выбросов в подготовительных выработках осуществляется по динамике газовыделения (пп. 6.5.1 - 6.5.7) или по АЧХ (пп. 2.4.36 - 2.4.41).
Первый этап контроля эффективности
а) при бурении опережающих скважин и образовании разгрузочных пазов
6.3.4. Контроль эффективности бурения опережающих скважин осуществляется по величине максимальной скорости газовыделения gн max и показателю динамики газовыделения из шпура во времени ng. Для определения величины ng измеряется в любом интервале, для которого значение gн max ≥ 4 л/мин, значение скорости газовыделения gt5 спустя 5 мин после измерения gн, и рассчитывается значение ng = gt5/gн. Результаты контроля эффективности отражаются в журнале текущего прогноза выбросоопасности.
Зона впереди забоя выработки приведена в неопасное состояние, если по каждому из шпуров gн max < 4 л/мин или ng > 0,65. В остальных случаях обработка считается неэффективной.
Если обработка неэффективна, то необходимо пробурить в середине между каждыми соседними пробуренными скважинами дополнительные и повторить контроль эффективности, и так до тех пор, пока зона не будет приведена в неопасное состояние.
Кроме бурения дополнительных скважин для достижения необходимого эффекта рекомендуется остановка забоя на время продолжительностью до 1 сут в целях увеличения дегазирующего влияния скважин.
б) при гидроотжиме
6.3.5. Устанавливаются параметры Рк, Δl, ΔС. Гидроотжим считается эффективным при выполнении следующих условий:
давление нагнетания снизилось до Рк;
выдвигание потенциально выбросоопасной пачки Δl забоя достигло 0,2lг;
концентрация метана в выработке по показаниям дополнительного датчика повышалась в процессе выполнения способа не менее чем на ΔС = 0,02 %.
При неэффективном гидроотжиме применяется другой способ или сотрясательное взрывание. Результаты контроля эффективности гидроотжима отражаются в журнале (форма 14).
в) при гидрорыхлении, низконапорной пропитке и низконапорном увлажнении
6.3.6. Непосредственно после гидрообработки массива с помощью двухканального индикатора «Волна-2» измеряются значения электромагнитного излучения (ЭМИ) призабойной части массива одновременно по двум каналам (N1 и N2). Применение других аналогичных приборов (ВОЛНА, «Импульс», «Ангел» и более поздних разработок) для измерения параметров ЭМИ должно быть согласовано с ВостНИИ.
Всего производится 30 пар измерений активности ЭМИ (N1 - по первому каналу, N2 - по второму каналу), каждая пара значений N1 и N2 определяется одновременно за интервал времени, равный 10 с.
Во время измерений уровня активности ЭМИ не должно быть силовых кабелей на расстоянии ближе 1 м от антенны. Силовые установки и пусковые устройства должны находиться не ближе 15 м от места измерения. Если не представляется возможным выполнить эти условия, то указанные источники должны быть обесточены на время выполнения измерений.
Антенна не должна устанавливаться в сыром месте, на исполнительном органе комбайна или другом металлическом оборудовании.
Для измерения активности ЭМИ на расстоянии не ближе 1,5 м от забоя устанавливается антенна (датчик электромагнитной эмиссии) на приборе так, чтобы направление ее максимальной чувствительности было перпендикулярно плоскости забоя оцениваемого участка: рамочная антенна должна быть ориентирована плоскостью параллельно забою, а ферритовая - перпендикулярно.
Регистрация активности ЭМИ проводится на следующих установках:
ослабление - 10;
порог - 8.
Общие указания по эксплуатации, подготовке аппаратуры к работе и порядок работы в шахтных условиях приведены в техническом описании и инструкции по эксплуатации прибора «Волна-2».
Из всех измеренных значений активности ЭМИ выбираются минимальные значения по первому и второму каналам, которые принимаются за фоновые значения и обозначаются соответственно N1ф и N2ф.
Для каждой пары значений активности ЭМИ по первому и второму каналам определяется показатель газодинамической активности по формуле
(6.1)
где Kп - поправочный коэффициент, равный N1ф.
Производится сравнение полученных значений показателя а с его критическим значением акр = 5. За показатель выбросоопасности обработанной зоны Па принимается число значений показателя а, превышающих его критическое значение. Если Па < 4 , зона считается приведенной в результате гидравлической обработки в невыбросоопасное состояние. Если Па ≥ 4, то эффективность гидрообработки уточняется по начальной скорости газовыделения. С этой целью производится бурение контрольных шпуров (шпура) и измерение поинтервальных значений начальной скорости газовыделения. Контрольные шпуры диаметром 43 мм бурятся в плоскости наслоения в середине потенциально выбросоопасной угольной пачки или совокупности смежных пачек по мощности, наблюдаемой в сечении забоя. При наличии двух скважин для гидрообработки бурится один контрольный шпур в середине между скважинами. Если применяется одна нагнетательная скважина, то бурятся два контрольных шпура, устья которых должны располагаться на расстоянии 0,5 м от противоположных стенок выработки, а концы - выходить на 2 м за контур по наслоению.
Длина контрольных шпуров, диаметр, порядок измерения начальной скорости газовыделения принимаются в соответствии с пп. 2.4.10 - 2.4.13.
Если максимальное значение начальной скорости газовыделения в интервале gн max < 4, гидрообработка считается эффективной. При gн max ≥ 4 гидрообработка считается неэффективной и выполнение способа повторяется. Если эффекта достигнуть не удается, то осуществляется переход на другой способ предотвращения внезапных выбросов.
При применении гидрорыхления и низконапорного увлажнения контроль эффективности в остановленном забое повторяется через 4 м подвигания в обработанной зоне на пластах мощностью до 3,5 м и через 5 м подвигания на пластах мощностью более 3,5 м. Результаты контроля эффективности гидрообработки отражаются в журнале по форме 16.
г) при гидровымывании опережающих полостей
6.3.7. Эффективность гидровымывания полостей оценивается по величине активной газоносности пачек нарушенного угля, которая рассчитывается на основании замеров метановыделения при вымывании полостей с использованием аппаратуры АКМ с непрерывной записью концентрации метана.
Показатель эффективности гидровымывания опережающих полостей Nгв (активная газоносность пласта, м3/т) определяется по формуле
(6.2)
где X - природная метаноносность пласта, м3/т;
Хост - остаточная метаноносность угля, м3/т;
Сгв, Со - концентрация метана в исходящей из выработки струе при гидровымывании и до гидровымывания, %;
tп - продолжительность повышенного метановыделения при гидровымывании, мин;
Q - количество воздуха, проходящего по выработке, м3/мин;
γу - объемная масса угля, т/м3;
а - средняя ширина выработки по напластованию пачек нарушенного угля вчерне, м;
b - ширина полосы обработанного полостями угольного массива за контуром выработки, м;
l - длина вновь вымываемых полостей;
lост - остаточная длина полостей предыдущей серии, м;
mп - суммарная мощность пачек нарушенного угля, м.
Количество выделившегося из призабойной части массива газа (Сгв - Co)tп при гидровымывании полостей определяется по диаграммной ленте изменения концентрации метана, полученной с помощью датчика, установленного в проводимой выработке в 10 м от сопряжения на исходящей струе или воздухоотводящей выработке в 10 м от сопряжения по ходу вентиляционной струи. Величина tп = (tк - tн) + 30 мин, где tн, tк - соответственно отметки времени о начале и окончании гидровымывания полостей, мин.
С этой целью дежурный оператор АКМ наносит на диаграммную ленту телеизмерительной стойки пунктирную линию 1 (рис. 6.1), соответствующую времени начала гидровымывания tн. После гидровымывания последней полости оператор наносит пунктирную линию 2, соответствующую времени окончания гидровымывания tк. Затем оператор наносит пунктирную линию 3, соответствующую tк + 30 мин. Продолжает линию 4, соответствующую средней концентрации метана до начала гидровымывания в месте установки датчика, до пересечения с линией 3 и с помощью планиметра или палетки определяет на диаграммной ленте площадь F, см2, заштрихованной фигуры, ограниченной линиями 2, 3, 4 и кривой изменения концентрации метана 5. Умножив на масштаб диаграммы М (мин, %/см2), оператор получает величину (Сгв - Cо)tп и рассчитывает показатель Nгв.
Рис. 6.1. Пример диаграммы автоматической записи во времени концентрации метана в исходящей струе при гидровымывании опережающих полостей:
1, 2 - соответственно фактическое начало и окончание гидровымывания; 3 - принятое для расчетов окончание гидровымывания; 4 - принятая средняя концентрация метана до гидровымывания; 5 - концентрация метана при гидровымывании
При Nгв < 6 м3/т считается, что гидровымывание полостей эффективно, а при Nгв ≥ 6 м3/т необходимо вымыть дополнительные полости или остановить забой до тех пор, пока показатель не снизится до неопасного значения.
Результаты контроля гидровымывания опережающих полостей с использованием аппаратуры АКМ дежурный оператор заносит в журнал по форме 17.
Второй этап контроля эффективности
6.3.8. Для выполнения второго этапа контроля эффективности необходимо наличие двух специальных датчиков контроля концентрации метана ДМТ-4. Первый устанавливается в 8 - 12 м от ДВК по направлению струи на стороне, противоположной вентиляционному трубопроводу, в верхней трети сечения выработки, второй - в 3 - 5 м от ВМП со стороны свежей струи. Показания датчика выводятся через канал связи на телеизмерительную стойку СПИ-1.
До начала проходки рассчитываются следующие необходимые для контроля эффективности параметры:
критическое значение эффективной газоносности угля
Хкр = 192/(0,94 - 0,07W)(0,55 - 0,0058Vdaf)´(100 - W - Ac), м3/т; (6.3)
критическое значение газовыделения из отбитого угля
Jо.у = 0,21Xкр, м3/мин; (6.4)
критическое значение газовыделения из обнаженной поверхности пласта
(6.5)
критическое значение газовыделения в призабойное пространство выработки
Jз.п = Jпов + Jо.у, м3/мин; (6.6)
критическая величина концентрации метана
(6.7)
где Свмп - концентрация метана у ВМП, %;
Qз.п - расход воздуха, замеренный на выходе из корпуса ДКВ, м3/мин.
Дежурный оператор ведет постоянный контроль за концентрацией метана в выработке по диаграмме, соответствующей первому датчику. При получении по диаграмме концентрации метана, превышающей критическую величину Ск (порядок расчета Ск приведен в следующем разделе), оператор устанавливает по диаграмме АКБ, соответствующей первому датчику, следующие параметры для данного цикла выемки:
фоновую концентрацию метана непосредственно перед началом выемки Сф, %;
максимальную концентрацию метана в процессе выемки Сmax, %;
концентрацию метана через 15 мин после окончания выемки С15, %;
концентрацию метана через 30 мин после окончания выемки С30, %.
За величину Сф принимается минимальное значение концентрации метана на 30-минутном интервале диаграммы, предшествующем точке начала ее нарастания при выемке.
За величину Сmax принимается наибольшее значение концентрации, продолжительность существования которого составила не менее 3 мин.
При установлении значений С15 и С30 момент окончания выемки определяется по телефонному сообщению или этим моментом считается точка, соответствующая началу устойчивого снижения концентрации после окончания цикла выемки угля.
При каждом замере расхода воздуха на выходе из корпуса ДКВ, но не реже одного раза в месяц определяется величина Свмп по второму датчику. Если ее значение отличается от предыдущего более чем на 5 %, необходимо пересчитать значение Ск.
Для каждого цикла выемки угля, при котором концентрация метана по показаниям установленного вблизи забоя выработки датчика превышает критическую величину Ск, рассчитываются:
показатель динамики газовыделения во времени
(6.8)
общее газовыделение в процессе выемки угля
J'з.п = 0,008(Сmax - Cвмп)Qз.п, м3/мин; (6.9)
газовыделение из отбитого угля
J'о.у = 0,01Qз.п(Сmax - 2С15 + С30), м3/мин; (6.10)
Газовыделение через поверхность пласта
J'пов = J'з.п - J'о.у, м3/мин. (6.11)
Если для двух последовательных циклов выемки угля получится Jо.у > J'о.у или J'з.п > Jз.п; Rп < 0,65, то дежурный оператор знакомит с полученным результатом под роспись начальника смены или горного диспетчера, который принимает меры по немедленной остановке забоя. После этого выполнение способа предотвращения выбросов повторяется. Результаты второго этапа контроля эффективности заносятся в журнал по форме 18.
6.3.9. Контроль эффективности при проведении нисходящих выработок по крутым пластам выполняется так же, как и текущий прогноз выбросоопасности.
а) при бурении опережающих скважин, образовании разгрузочных пазов, образовании разгрузочной щели по длине забоя
6.4.1. Контроль эффективности бурения опережающих скважин осуществляется по величине максимальной скорости газовыделения из контрольных шпуров gн max и показателю динамики газовыделения из шпура во времени ng (см. подраздел 2.3). Контрольные шпуры для их определения бурятся из очистного забоя. Крайние шпуры бурятся за пределами потенциально выбросоопасного участка забоя на расстоянии 2 м от его границы. Остальные шпуры бурятся между ними на расстоянии не более 5 м от соседних. Все контрольные шпуры бурятся в середине потенциально выбросоопасной пачки или совокупности пачек по ее мощности. Длина шпуров должна составлять 6,5 м на пластах мощностью до 2,5 м и 7,5 м на пластах мощностью 2,5 м и более, неснижаемое опережение забоя шпурами - 2,5 м. Остальные параметры и технология бурения контрольных шпуров принимаются в соответствии с пп. 2.4.11, 2.4.13.
Способ предотвращения внезапных выбросов считается эффективным, если для всех контрольных шпуров получены gн max < 4 л/мин или ng > 0,65.
Контроль эффективности образования щели по длине очистного забоя может осуществляться по пп. 2.4.36 - 2.4.46.
б) при гидроотжиме
6.4.2. Эффективность способа во всех выполненных в забое циклах гидроотжима проверяется по параметрам Рк, Δl, ΔС с теми же критическими значениями, что и для подготовительных выработок (п. 6.3.5). Зона впереди забоя считается приведенной в неопасное состояние, если во всех циклах гидроотжима достигнут положительный результат.
в) при гидрорыхлении и низконапорной пропитке
6.4.3. Контроль эффективности низконапорной пропитки и гидрорыхления производится в соответствии с п. 6.3.6.
При применении в качестве способа противовыбросной обработки гидрорыхления угольного пласта измерения должны быть начаты не ранее чем через 30 мин после окончания выполнения способа. При применении низконапорного увлажнения к контролю эффективности можно приступить непосредственно после окончания гидрообработки.
Измерения выполняются по той же технологии, что и в подготовительной выработке. Если Па < 4, зона считается приведенной в результате гидравлической обработки в невыбросоопасное состояние. Если Па ≥ 4, обработка считается неэффективной. В этом случае может быть проведена дополнительная гидрообработка выбросоопасной зоны через две соседние скважины.
6.5.1. На шахтах Ростовской области контроль эффективности локальных способов предотвращения внезапных выбросов осуществляется по динамике газовыделения (кроме низконапорного увлажнения, контролируемого в соответствии с п. 6.3).
6.5.2. При контроле эффективности способов предотвращения внезапных выбросов угля и газа по динамике газовыделения (по газодинамике) в подготовительных выработках, нижних печах и кутках уступов лав на крутых пластах и в нишах лав на пологих пластах при системе лава-штрек контрольные шпуры располагаются на расстоянии до 0,5 м от кутков по ходу движения забоя или параллельно скважинам, через которые осуществляется способ предотвращения внезапных выбросов. При этом расстояние от контрольных до ближайших шпуров (скважин), пробуренных при выполнении способов предотвращения внезапных выбросов, должно быть не менее 0,4 м по всей их длине. Для этого контрольные шпуры и скважины располагаются по разным угольным пачкам или смещаются по мощности пласта. При применении разгрузочных пазов контрольные шпуры бурятся параллельно пазам на расстоянии 1,0 - 1,5 м от паза.
В очистных выработках на пологих, наклонных, крутых и крутонаклонных пластах шпуры бурятся в направлении подвигания забоя и располагаются между скважинами (нагнетательными или опережающими) на расстоянии не более 10 м один от другого по всей длине лавы.
При контроле эффективности разгрузочных пазов, щелей и гидроотжима контрольные шпуры бурятся на глубину, не превышающую глубину пазов, щелей или шпуров для гидроотжима.
6.5.3. Для контроля эффективности по газодинамике из забоя выработки бурятся контрольные шпуры диаметром 42 мм по наиболее выбросоопасной (нарушенной) пачке угля мощностью не менее 0,2 м. Если в пласте имеется две пачки угля одинакового типа, то шпуры бурятся только по пачке большей мощности.
Измерения начальной скорости газовыделения производятся через каждые 0,5 м по длине контрольного шпура. Бурение контрольного шпура при достижении глубины 1 м, а затем через 0,5 м на интервалах 1,5 м, 2 м и т.д. приостанавливается, буровая штанга извлекается, в контрольный шпур вводится газозатвор и герметизируется измерительная камера длиной 0,2 м.
Надежность герметизации проверяется попыткой извлечения газозатвора. Если он не перемещается по шпуру, герметизация считается надежной.
С помощью расходомера, присоединенного к газозатвору, не позднее чем через 2 мин после окончания бурения данного интервала измеряется начальная скорость газовыделения. Измерение начальной скорости газовыделения прекращается на интервале, на котором она снизилась по сравнению с начальной скоростью газовыделения, измеренной на предыдущем интервале. Если при измерении начальной скорости газовыделения снижение ее не обнаружено, то глубина шпуров не должна превышать 4 м. Если на каком-либо интервале бурения не удалось выполнить измерения в установленное время и обнаружено уменьшение скорости газовыделения по сравнению с предыдущим замером, то должен быть пробурен дополнительный контрольный шпур. Расстояние от него до ранее пробуренного контрольного шпура должно быть не менее 0,3 м.
6.5.4. По результатам поинтервальных измерений газовыделения разгруженной зоной пласта является его призабойная часть до конца интервала, на котором увеличение скорости газовыделения (если она по абсолютной величине не менее 0,8 л/мин) сменяется уменьшением. При максимальной скорости газовыделения до 0,8 л/мин зона разгрузки считается равной длине шпура плюс 1 м. Если скорость газовыделения равна или превышает 0,8 л/мин и нет ее падения, зона разгрузки считается равной длине шпура плюс 0,5 м.
Если пробурить шпур на длину очередного интервала не удается либо герметизатор не досылается на необходимую глубину, либо герметизация ненадежна, величина зоны разгрузки принимается равной глубине предыдущего интервала измерения.
6.5.5. При контроле эффективности по динамике газовыделения способ предотвращения внезапных выбросов угля и газа считается эффективным, если после его выполнения величина зоны разгрузки превышает глубину вынимаемой полосы угля за цикл не менее чем на 1,3 м.
В случае если глубина выемки за цикл больше величины зоны разгрузки или неснижаемое опережение менее 1,3 м, работы по выемке угля в выработке должны быть прекращены.
Возобновление работ в забое возможно после повторного выполнения способа и установления его эффективности, временной остановки работ по углю и повторного контроля величины безопасной зоны разгрузки, полного пересмотра мероприятий по предотвращению выбросов и их выполнения.
6.5.6. Для определения величины зоны разгрузки около подготовительной выработки при сплошных и столбовых системах разработки угольных пластов (за исключением антрацитов) контрольные шпуры необходимо бурить в бока выработки под прямым углом к ее оси через 10 м друг от друга.
В отдельных случаях по согласованию с ВостНИИ при проведении подготовительных выработок допускается вместо прогноза выбросоопасности осуществлять определение зоны разгрузки в соответствии с пп. 6.5.2 - 6.5.7.
7.1.1. При ведении горных работ на выбросоопасных пластах, а также в опасных зонах, выявленных текущим прогнозом на угрожаемых пластах, взрывные работы по углю должны вестись в режиме сотрясательного взрывания. Проведение подготовительных выработок с помощью БВР по выбросоопасным породам также осуществляется в режиме сотрясательного взрывания.
7.1.2. Очистные и подготовительные забои, в которых применяется сотрясательное взрывание, должны быть оснащены аппаратурой АКМ с передачей телеизмерений на самопишущий прибор. Мастер-взрывник, лицо надзора и рабочие, направляемые для производства сотрясательного взрывания, должны иметь метан-сигнализаторы, совмещенные с головными светильниками.
7.2.1. На выбросоопасных и угрожаемых пластах при работе в опасных зонах устанавливаются ограничения по совмещению выполнения технологических процессов во времени в соответствии с приложением 9.
7.2.2. Руководители шахт и участков в паспортах разработки выбросоопасных пластов должны предусматривать и при распределении нарядов направлять одновременно на все виды работ минимальное количество людей.
Во время выполнения работ по углю на каждом рабочем месте могут находиться люди только одной смены.
7.2.3. Изменение отдельных пунктов ограничений по совмещению технологических процессов, предусмотренных приложением 9, допускается по разрешению технического директора компании по согласованию с ВостНИИ и территориальным органом Госгортехнадзора России.
7.3.1. Для очистных комбайнов и буровых станков, не оснащенных средствами дистанционного управления, допускается их дистанционное включение и выключение: очистных - с расстояния 15 м, проходческих и буровых станков - с расстояния 30 м при условии соблюдения требований регламентации последовательности выполнения технологических процессов, приведенных в приложении 9. Вновь создаваемые машины для выемки угля в лавах, проведения подготовительных выработок, нарезки разгрузочных пазов (щелей) и бурения скважин по углю диаметром свыше 80 мм на выбросоопасных пластах должны иметь средства дистанционного управления в соответствии с требованиями, приведенными в приложении 10.
Места дистанционного управления должны быть оборудованы средствами самоспасения людей в соответствии с подразделами 7.5 и 7.6.
7.3.2. На выбросоопасных пластах должны применяться машины и механизмы, имеющие заключение испытательной организации об отсутствии опасности фрикционного искрообразования.
7.3.3. В выработках с исходящей струей воздуха на пологих и наклонных пластах, опасных по внезапным выбросам, допускается размещение отдельных токоприемников (насос, буровая установка, лебедка, закладочный комплекс).
7.4.1. Все рабочие и должностные лица на шахтах, разрабатывающих выбросоопасные и угрожаемые пласты, должны иметь при себе изолирующие самоспасатели.
7.5.1. На не защищенных и не обработанных региональными способами выбросоопасных пластах шахт, использующих пневмоэнергию, очистные участки должны быть оборудованы трубопроводами сжатого воздуха, подведенными со стороны откаточного и вентиляционного горизонтов. На крутых пластах в потолкоуступных забоях эти трубопроводы должны быть соединены (закольцованы).
7.5.2. В опережающей части пластовых и вскрывающих выработок незащищенных выбросоопасных пластов, использующих пневмоэнергию, расположение устройств группового аварийного воздухообеспечения должно соответствовать «Технологическим схемам разработки пластов, опасных по внезапным выбросам угля и газа».
7.5.3. В лавах с уступной формой забоя, отрабатывающих крутые и крутонаклонные выбросоопасные пласты, не защищенные и не обработанные региональными способами, в каждом уступе должны быть оборудованы отводы от магистрали сжатого воздуха с переключателями.
7.5.4. В лавах шахт, отрабатывающих пологие и наклонные выбросоопасные пласты, не защищенные и не обработанные региональными способами, где используется сжатый воздух, должен быть проложен магистральный шланг сжатого воздуха с 3 - 5 отводами с переключателями, расположенными равномерно по длине лавы. Комбайны и другие выемочные машины и механизмы, работающие на сжатом воздухе, должны быть оснащены отводами сжатого воздуха с переключателями. Все устройства аварийного воздухоснабжения должны быть окрашены в оранжевый или красный цвет.
7.6.1. На вентиляционных штреках при отработке выбросоопасных шахтопластов, не защищенных и не обработанных региональными способами, на расстоянии не более 50 м от очистных забоев должны быть установлены передвижные спасательные пункты жизнеобеспечения. В тупиковых выработках протяженностью более 500 м с действующими забоями передвижные спасательные пункты устанавливают в 80 - 100 м от забоя.
7.6.2. На незащищенных выбросоопасных крутых и крутонаклонных пластах места пребывания машинистов и помощников машинистов выемочных комбайнов, а также щитовых агрегатов должны быть оснащены переносными спасательными аппаратами.
ПОРЯДОК ПРОВЕДЕНИЯ РАБОТ ПО СОЗДАНИЮ И ВНЕДРЕНИЮ НОВЫХ СПОСОБОВ ПРОГНОЗА И ПРЕДОТВРАЩЕНИЯ ВНЕЗАПНЫХ ВЫБРОСОВ УГЛЯ (ПОРОДЫ) И ГАЗА
1. Институт, разработавший способ, представляет в Комиссию по борьбе с внезапными выбросами угля и газа на шахтах России* отчет о научно-исследовательской и опытно-конструкторской работе.
_____________
* В первом документе настоящего сборника говорится о комиссии по горным ударам. (Примеч. изд.)
Комиссия дает заключение об обоснованности и перспективности способа, принимает решение о необходимости проведения горно-экспериментальных работ в шахтных условиях, рекомендует шахты для горно-экспериментальных работ.
В соответствии с рекомендациями Комиссии предприятие выделяет для проведения горно-экспериментальных работ очистные или подготовительные забои.
Шахта совместно с институтом, разработавшим способ, составляет паспорта на ведение очистных или подготовительных работ, в которые включают технологию и исходные параметры нового способа и меры обеспечения безопасности при проведении этих работ. Паспорт, согласованный с ВостНИИ, утверждает технический руководитель предприятия. К паспорту прилагают методику проведения горно-экспериментальных работ. Разрешение на проведение экспериментальных работ выдает территориальное управление Госгортехнадзора России.
Горные работы в забоях проводит шахта; наблюдения и замеры, предусмотренные методикой, осуществляет институт, разработавший способ.
2. Институт, разработавший способ, обобщает результаты горноэкспериментальных работ в виде отчета, составляет проект временного руководства по применению способа и методику проведения промышленных испытаний и представляет эти материалы в ВостНИИ для заключения, а затем в Комиссию.
Комиссия принимает решение о целесообразности проведения промышленных испытаний и согласовывает временное руководство по применению способа.
Угольная компания (предприятие) по согласованию с территориальным органом Госгортехнадзора России издает приказ о проведении промышленных испытаний способа, утверждает временное руководство, включающее методику промышленных испытаний, определяет шахты, объемы и сроки проведения испытаний.
Шахта совместно с институтом, разработавшим способ, составляет паспорт на ведение очистных или подготовительных работ, в который включает технологию, исходные параметры способа и меры обеспечения безопасности при проведении этих работ. Паспорт, согласованный с ВостНИИ и с территориальным органом Госгортехнадзора России, утверждает технический руководитель предприятия. К паспорту прилагается временное руководство по применению способа.
Промышленные испытания способа выполняет шахта под руководством комиссии по проведению этих испытаний при авторском контроле института-разработчика.
Акт о результатах промышленных испытаний рассматривают ВостНИИ, Комиссия и утверждает предприятие.
3. Применение способа осуществляют на основании утвержденного документа. Региональные документы утверждаются территориальным органом Госгортехнадзора России и угольными компаниями (предприятиями).
ВЕДЕНИЕ ГОРНЫХ РАБОТ В ЗОНАХ ГЕОЛОГИЧЕСКИХ НАРУШЕНИЙ НИЖЕ КРИТИЧЕСКОЙ ПО ВНЕЗАПНЫМ ВЫБРОСАМ ГЛУБИНЫ
1. О каждом случае предстоящего пересечения зоны геологического нарушения геолого-маркшейдерская служба шахты в письменной форме ставит в известность технического руководителя шахты, когда расстояние до нарушения составляет не менее 50 м при проведении выработки по угольному пласту и 25 м при проведении полевой выработки.
2. Геолого-маркшейдерская служба шахты разрабатывает схему бурения разведочных скважин, которая утверждается техническим руководителем шахты.
Схема должна содержать необходимое количество скважин в пространственном их расположении и позволять получать полную информацию об элементах залегания пласта.
3. Схема бурения разведочных скважин должна предусматривать:
разведочные скважины длиной 30 м, диаметром 80 мм, ориентированные в кровлю и почву пласта по ходу выработки, с расстояния 30 м до нарушения, при этом неснижаемое опережение скважинами забоя должно составлять 10 м при глубине залегания выработки до 500 м и 15 м при глубине более 500 м; на глубоких шахтах при невозможности бурения разведочных скважин необходимой длины из-за сильного зажима инструмента допускается по согласованию с ВостНИИ бурение для уточнения места входа в нарушение разведочных шпуров;
при проведении подготовительной выработки вдоль геологического нарушения дополнительные скважины в борт выработки в направлении геологического нарушения через 4 - 5 м подвигания забоя, длиной не менее 10 м, диаметром 45 - 80 мм;
при проведении подготовительной выработки в зоне утонения - дополнительные скважины в почву и кровлю выработки длиной не менее 10 м, диаметром 45 - 80 мм через каждые 4 - 5 м подвигания забоя;
при приближении к геологическому нарушению полевой выработки - как минимум две разведочные скважины длиной 20 м с неснижаемым опережением 10 м, начиная с расстояния 25 м до нарушения, для исключения неожиданного вскрытия возможных угольных включений.
4. Вне зон геологических нарушений проведение подготовительных выработок по верхнему или нижнему слою мощного пласта (вне защищенных зон) осуществляется с бурением по ходу забоя разведочной скважины диаметром 80 мм, длиной не менее 30 м с неснижаемым опережением 10 м.
5. При составлении геологического прогнозного заключения о характере тектонического нарушения и расположения пластов в пространстве необходимо принимать к учету информацию, полученную при бурении дегазационных, опережающих и предназначенных для других целей скважин.
6. При приближении забоя подготовительной выработки к геологическим нарушениям, начиная с расстояния 25 м до ближайшей границы зоны нарушения, необходимо независимо от наличия (отсутствия) пачек угля нарушенной структуры производить текущий прогноз выбросоопасности по контрольным шпурам. При этом должно предусматриваться бурение дополнительных к предусмотренным в п. 2.3.14 контрольных шпуров для прогноза выбросоопасности и полной разведки прилегающего к забою угольного массива впереди и со стороны кровли, почвы и бортов выработки.
В очистных забоях при проявлении признаков выбросоопасности выемка угля в зоне геологического нарушения и на примыкающих 10-метровых участках должна осуществляться комбайном с дистанционным управлением с расстояния не менее 30 м со стороны свежей струи воздуха по односторонней схеме при отсутствии людей в лаве и на исходящей струе воздуха.
7. При подсечении разведочными скважинами коллекторов газа должно предусматриваться бурение дренажных скважин для дегазирования этих коллекторов.
8. Схемы бурения дренажных скважин и дополнительных контрольных шпуров должны утверждаться техническим руководителем шахты.
9. При раскройке шахтных полей необходимо предусматривать проведение выработок на выбросоопасных пластах на расстоянии не менее 20 м от нарушения, на угрожаемых пластах - не менее 5 м, при невозможности ухода от нарушения пересечение нарушенной зоны должно осуществляться по кратчайшему расстоянию.
10. При составлении программ развития горных работ необходимо исключить возможность вскрытия выбросоопасных пластов в зонах геологических нарушений.
11. Информацию, полученную при бурении разведочных и дегазационных скважин (результаты анализа кернов, проявление повышенных газовыделений, выбросов штыба и газа, зажимов бурового инструмента, выталкиваний бурового инструмента и т.п.), необходимо отражать в журналах ведения буровых работ и в обязательном порядке знакомить с ней технического руководителя и главного геолога шахты.
12. При пересечении подготовительными выработками зон геологических нарушений и вскрытии опасных и угрожаемых по выбросам пластов геологический контроль за состоянием угольного пласта должен осуществляться ежесуточно геологом, закрепленным за данным забоем.
13. В случаях когда при бурении разведочных скважин наблюдаются признаки выбросоопасности или газодинамической активности, бурение приостанавливается до нормализации обстановки в забое. Возобновление буровых работ осуществляется с дополнительными мерами безопасности.
14. После удаления забоя от геологического нарушения дополнительные мероприятия по его доразведке и безопасному ведению работ в зоне нарушения отменяются по письменному указанию технического руководителя шахты на основании заключения геологической службы шахты о выходе выработки из зоны нарушения.
15. На план горных работ наносятся все выявленные геологические нарушения с распространением данных разведки на другие пласты.
МЕТОДИКА РАСЧЕТА ОПТИМАЛЬНЫХ РАЗМЕРОВ МАГАЗИННЫХ УСТУПОВ В ЛАВАХ КРУТЫХ ВЫБРОСООПАСНЫХ ПЛАСТОВ
Размеры магазинных уступов (магазинов) определяются из таблицы. При углах залегания и высоте этажа, отличающихся от приведенных в таблице, размеры магазина определяются интерполяцией.
Конструкция магазина (см. рис.) должна предусматривать наличие одного или нескольких уступов с растяжкой каждого не менее 5,4 м и не более 8,1 м. Принимаемое количество уступов и их параметры должны обеспечивать рекомендуемые (табличные) минимальные размеры магазина.
При отработке выбросоопасных пластов, подрабатывающих охраняемые сооружения, растяжку магазинного уступа выбирают исходя из «Технологических схем возведения закладочных массивов, обеспечивающих эффективную отработку запасов под охраняемыми объектами Центрального района Донбасса».
Рекомендуемые размеры магазина в лавах крутых выбросоопасных пластов
|
Угол падения пласта, град |
Высота этажа 100 м |
Высота этажа 120 м |
||||||||||||
|
Растяжка магазина |
Минимальная высота магазина при управлении кровлей, м |
Растяжка магазина |
Минимальная высота магазина при управлении кровлей, м |
|||||||||||
|
в метрах |
в крепях |
Удержанием на кострах |
полным обрушением |
плавным опусканием |
закладкой полосами по падению |
гидрозакладкой |
в метрах |
в крепях |
удержанием на кострах |
полным обрушением |
плавным опусканием |
закладкой полосами по падению |
гидрозакладкой |
|
|
45 |
11,0 |
12 |
24 |
24 |
24 |
24 |
26 |
12,6 |
14 |
26 |
26 |
26 |
26 |
30 |
|
50 |
12,8 |
14 |
18 |
18 |
18 |
18 |
22 |
14,4 |
16 |
20 |
20 |
20 |
20 |
24 |
|
55 |
13,7 |
15 |
14 |
14 |
16 |
16 |
16 |
15,3 |
17 |
16 |
16 |
18 |
18 |
22 |
|
60 |
14,2 |
16 |
14 |
14 |
14 |
14 |
16 |
15,3 |
17 |
14 |
14 |
16 |
16 |
20 |
|
65 |
14,7 |
16 |
12 |
12 |
12 |
14 |
16 |
15,9 |
18 |
14 |
14 |
14 |
16 |
18 |
|
70 |
14,8 |
17 |
12 |
12 |
12 |
12 |
14 |
16,2 |
18 |
12 |
14 |
14 |
14 |
18 |
|
75 |
14,9 |
17. |
10 |
10 |
12 |
12 |
14 |
16,2 |
18 |
12 |
12 |
14 |
14 |
16 |
Максимальная высота магазина не должна превышать 32 м при высоте этажа 100 м и 36 м при высоте этажа 120 м

Конструкция магазинных уступов:
Вм - высота магазина; Sм - растяжка магазина; b - размер прохода по линии падения, b = 4 м; а - расстояние между крепью, а = 0,9 м; hц - высота целика; hп - высота печи; hш - высота штрека
МЕТОДИКА ОПРЕДЕЛЕНИЯ ОБЪЕМА МЕТАНА, ВЫДЕЛИВШЕГОСЯ ПРИ ВНЕЗАПНОМ ВЫБРОСЕ УГЛЯ И ГАЗА
1. Объем метана, выделившегося при внезапном выбросе угля и газа, рассчитывается на основании замеров концентрации метана и расхода воздуха в исходящих вентиляционных струях тупиковой выработки, выемочного участка, крыла или шахты, где произошел выброс.
2. Концентрация метана определяется по диаграммам самопишущих приборов-датчиков метана аппаратуры АКМ. Установку датчиков метана осуществляют в соответствии с Инструкцией по замеру концентрации газов в шахтах и применению автоматических приборов контроля содержания метана.
Для расчета следует использовать показания ближайшего к месту выброса датчика метана (в исходящей вентиляционной струе тупиковой выработки или выемочного участка) при условии, что концентрация метана у датчика не превышает верхний предел измерения аппаратуры АКМ. В противном случае используется запись от датчика, установленного в исходящей вентиляционной струе крыла или шахты.
3. Расход воздуха в месте установки датчика метана определяют по диаграммам самопишущих приборов телеконтроля расхода воздуха или принимают по данным «Вентиляционного журнала». Если после выброса изменяется режим проветривания, то должен быть выполнен дополнительный замер расхода воздуха после его изменения.
4. Объем метана V, м3, выделившегося при выбросе, определяется по формуле
![]()
где
- средняя концентрация
метана в течение времени tв, мин,
с момента начала роста концентрации, вызванного выбросом, до снижения метановыделения до первоначального уровня, %;
Q - расход воздуха в месте установки датчика метана после выброса, м3/мин;
Q0 - расход воздуха в месте установки датчика метана перед выбросом, м3/мин;
с0 - концентрация метана перед выбросом, %.
Если расход воздуха после выброса не изменялся, расчет ведется в следующем порядке. На диаграмме самописца из точки В (см. рис.), соответствующей началу роста концентрации вследствие выброса, проводят линию, параллельную оси времени, до пересечения с кривой концентрации (точка D), измеряют площадь фигуры ABCDE и длину отрезков АВ и АЕ.
![]()
где SABCDE - площадь фигуры ABCDE, мм2;
lАЕ - длина отрезка АЕ, м;
тс - масштаб концентрации, %/мм;
с0 = lABтc;
lAВ - длина отрезка АВ, мм;
tв = lAEтt;
mt - масштаб времени, мин/мм.
Если расход воздуха после выброса принимает новое значение и далее не меняется, расчет ведется следующим образом. На диаграмме самописца на расстоянии lAF от оси времени и параллельно ей проводится прямая FG:
lAF = lAB (Q0/Q).
Средняя концентрация определяется по формуле
![]()
где SABCGH - площадь фигуры ABCGH, мм2;
lАН - длина отрезка АН, мм;
tв = lАHтt.
В случае переменного расхода воздуха после выброса вычисляют значения дополнительного метановыделения, обусловленного выбросом, Jв, м3/мин, для отдельных моментов времени ti:
Jв = 0,01[Q(ti)c(ti) - Qoco],
где Q(ti) - расход воздуха в момент времени ti, м3/мин;
c(ti) - концентрация метана в момент времени ti, %.
На основании вычисленных значений Jвi строится график изменения дополнительного расхода метана во времени и по площади фигуры, ограниченной линией дополнительного метановыделения и осью абсцисс, определяется объем метана, выделившегося в результате выброса.

К расчету объема метана, выделившегося при выбросе
ОПРЕДЕЛЕНИЕ ПРОЧНОСТИ УГЛЯ В ЗАБОЕ ПРОЧНОСТНОМЕРОМ П-1
Назначение и техническая характеристика прочностномера П-1. Устройство предназначено для определения прочности угля в забое экспресс-методом при прогнозе выбросоопасности и удароопасности угольных пластов. Прочность угля оценивается по величине динамического внедрения в угольный массив стального конуса, получающего определенную (27 Дж) энергию удара от пружинного механизма. Прибор позволяет делать 2 - 3 замера в минуту. Масса прибора 5 кг, габариты 885×200×175 мм. Для удобства переноски прочностномер снабжен наплечным ремнем.
Устройство и принцип действия прочностномера. Устройство (см. рис.) состоит из конуса 1, соединенного со штоком 2, пружины 3, рукоятки рычага взвода пружины 4, натяжного тросика (цепи) 5, спускового механизма 6, пальца 7, шкалы 8 и ствола с прикладом 9. Все металлические детали имеют антикоррозийное покрытие.
Прочностномер действует следующим образом. При вращении рукоятки 4 с помощью тросика 5 и пальца 7 шток 2, снабженный стальным конусом 1, отводится в крайнее заднее положение, где защелкивается спусковым механизмом 6. При этом пружина 3 оказывается сжатой с усилием 67,5 кгс. Палец 7 вынимается из отверстия штока 2. Далее прочностномер прижимают к поверхности угольного забоя в месте, где необходимо определить прочность, и нажимают на спусковой крючок 6. Шток 2 отбрасывается разжимающейся пружиной 3, и конус 1 внедряется в угольный массив. Глубина внедрения конуса в уголь определяется по шкале 8.
Методика определения прочности. Показатель прочности угля определяется в условных единицах: q = 100 - l, где l - глубина внедрения конуса, мм. Для определения прочности угля в месте измерений делается пять замеров на расстоянии 5 - 10 см один от другого. Среднеарифметическое значение из пяти замеров принимается за прочность угля в месте измерений. Выбросоопасные пласты в большей части случаев имеют сложное строение и состоят из нескольких пачек различной прочности. Поэтому при определении прочности угольного пласта сложного строения учитываются все пачки пласта мощностью не менее 0,05 м, которые могут быть выделены визуально по цвету, блеску, трещиноватости, структуре или степени нарушенности. Средняя приведенная прочность пласта определяется как средневзвешенная величина в зависимости от прочности и мощности составляющих его пачек.
Тарировка пружины прочностномера. При эксплуатации прочностномера с периодичностью один раз в год следует заменять конус и делать тарировку пружины. Тарировка пружины, а также ее замена в случае необходимости производится в ННЦ ГП ИГД им. А.А. Скочинского или в ВостНИИ.

Общий вид прочностномера П-1
ОРГАНИЗАЦИЯ НАБЛЮДЕНИЙ ЗА АКУСТИЧЕСКОЙ ЭМИССИЕЙ ГОРНОГО МАССИВА
Передача информации об акустической эмиссии должна осуществляться по самостоятельному каналу связи. Параметры канала связи и его пригодность к эксплуатации определяются ННЦ ГП ИГД им. А.А. Скочинского не реже двух раз в год и при вводе в действие каждого канала. Надзор за целостностью линии связи осуществляют электрослесари группы прогноза, сменный надзор эксплуатационного (подготовительного) участка (участка ВТБ), которые ежесменно при посещении выработки, контролируемой ЗУА, должны постучать по стойкам крепи в районе установки сейсмоприемника. Эти сигналы должны быть записаны дежурным оператором на магнитную ленту и отмечены в журнале регистрации активности АЭ.
На поверхности пункт регистрации информации об активности АЭ состоит из помещений для регистрации, подсобных помещений и комнаты начальника группы прогноза. Помещением для регистрации должна быть одна изолированная комната площадью не менее 15 м2 на каждые три самостоятельных тракта регистрации. Рабочее место оператора выбирают таким образом, чтобы источники звука находились в секторе 120° по отношению к оператору, причем расстояние от источника звука до оператора не должно превышать 2 м.
Обслуживание каналов связи и ЗУА в каждую смену должны осуществлять специально обученные электрослесари. Их число определяется на основании данных хронометражных наблюдений.
Дежурный оператор должен непрерывно регистрировать информацию об акустической эмиссии на магнитную ленту, поддерживая оптимальный уровень записи. В начале и конце каждой дорожки, при пересмене, при продолжении регистрации после непредвиденной остановки магнитофона оператор выполняет маркировку, то есть записывает на магнитную ленту с помощью микрофона следующие сведения: дату, смену, наименование выработки, номер дорожки, свою фамилию и время начала (окончания, продолжения) записи. Зарегистрированная информация должна храниться в группе сейсмопрогноза не менее 24 ч. Кроме того, на магнитную ленту должна быть записана вся информация об изменениях прогноза и команды на остановку и возобновление работ. Ленты с записью газодинамических и динамических явлений всех аварий, происшедших в контролируемой выработке, и предшествующая запись за сутки передаются в ННЦ ГП ИГД им. А.А. Скочинского для экспертизы.
Результаты наблюдений оператор каждые 10 мин записывает в журнал регистрации активности АЭ. Кроме активности оператор в журнале отмечает все звуковые образы, присутствующие в десятиминутном интервале определения активности, сведения о перерывах в регистрации, сообщения горному диспетчеру, команды на остановку и разрешение на возобновление работ по углю, расстояние от сейсмоприемника до забоя. После окончания журнал сдается в ННЦ ГП ИГД им. А.А. Скочинского.
Оператор должен немедленно сообщить горному диспетчеру о прогнозе «опасно», об отсутствии связи или поступлении искаженной информации с качеством, не гарантирующим уверенное распознавание импульсов АЭ, и других нештатных ситуациях, приравниваемых к отсутствию связи. Качество получаемой информации зависит от параметров каналов связи и износа универсальных головок магнитофонов. Универсальные головки подлежат замене после непрерывной эксплуатации в течение 0,5 года или при отклонении сквозной амплитудно-частотной характеристики магнитофона в диапазоне частот 250 - 4000 Гц более чем на 6 дБ. Срок годности магнитных лент составляет четыре месяца. Срок службы подземных блоков аппаратуры и магнитофонов при регулярных профилактических ремонтах составляет 2 года.
Операторы должны проходить специальное обучение по программе ННЦ ГП ИГД им. А.А. Скочинского, ежегодный контроль на профессиональную пригодность. При перерывах в работе более 10 дней операторы проходят внеочередной контроль эффективности распознавания звуковых образов на шахте в группе прогноза.
Один раз в месяц начальник группы прогноза составляет месячный отчет и вместе с таблицей прогноза высылает в ННЦ ГП ИГД им. А.А. Скочинского. Организация работ группы сейсмопрогноза должна вестись в соответствии с Методическими рекомендациями по ведению текущего прогноза выбросоопасности по сейсмоакустической активности пласт.
ОЦЕНКА И УЧЕТ ЗАЩИТНОГО ДЕЙСТВИЯ
В целях анализа создаваемой защиты для пластов, опасных и угрожаемых по внезапным выбросам угля и газа, используется показатель защитного действия K, определяемый из выражения
![]()
где h - мощность междупластья, м (h1 - при подработке и h2 - при надработке);
S - параметр дальности защищенной зоны, м (S1 - при подработке и S2 - при надработке).
При K ≥ 1 пласт располагается в пределах защищенной зоны, имеет полную защиту и может разрабатываться как неопасный.
При значениях 0 < K < 1 пласт располагается за пределами защищенной зоны, но в пределах зоны разгрузки и имеет неполный по степени эффект защиты. В зонах разгрузки горные работы могут выполняться с контролем эффективности защитного действия или в сочетании с дополнительными региональными мероприятиями, например дегазацией.
При K < 0 над- или подрабатываемый пласт располагается за пределами зоны разгрузки и не получается эффекта защитного действия.
Показатель защитного действия K используется при выборе оптимального варианта очередности отработки пластов в свите. При сравнении конкурирующих вариантов вычисляется сумма показателей защитного действия для всех защищаемых пластов по каждому из вариантов (ΣK1, ΣK2, ..., ΣKn) и по наибольшему из этих значений устанавливают наиболее перспективный из них по фактору защитного действия.
РАСЧЕТ ОЖИДАЕМОГО МАКСИМАЛЬНОГО ГАЗОВЫДЕЛЕНИЯ В ВЫРАБОТКУ ПРИ ГИДРООТЖИМЕ
Ожидаемое максимальное газовыделение в выработку определяется по формуле
![]()
где Qy - показатель удельного газовыделения при гидроотжиме угольного пласта, м3/м3;
V - объем деформированного гидроотжимом угля, м3;
Vн - объем
угля в зоне неснижаемого опережения (для расчета величины
при
первом цикле гидроотжима после установления выбросоопасной зоны, когда
неснижаемое опережение еще не создано, величина Vн
принимается равной 0), м3.
Jст - газовыделение с обнаженных выработкой боковых поверхностей угольного массива, м3/мин.
Показатель удельного газовыделения при гидроотжиме угольного пласта находится по формуле
Q = 1,1α ао γ Kp Kw, м3/м3,
где α - коэффициент, учитывающий долю сорбированного газа, который может переходить в свободный газ при разрушении угля и сбросе давления мгновенно (определяется по табл. 1.4 Руководства по проектированию и организации проветривания подготовительных выработок действующих угольных шахт);
ао - постоянная Ленгмюра, м3/т;
γ - плотность угля, т/м3;
Kр - коэффициент, учитывающий изменение фильтрационных свойств пласта в процессе гидроотжима;
Kw - коэффициент, учитывающий зависимость газоотдачи угля от его влажности.
Объем деформированного гидроотжимом угля рассчитывается по формуле
V = Sylг, м3,
где Sу - площадь сечения пласта в зоне обработки, м2;
lг - глубина герметизации, м.
Объем угля в зоне неснижаемого опережения находится по формуле
V = Sуlн.о, м3,
где lн.о - величина неснижаемого опережения, м.
Газовыделение с обнаженных выработкой боковых поверхностей угольного массива определяется по формуле (4.2) Руководства по проектированию и организации проветривания подготовительных выработок действующих угольных шахт.
Постоянная Ленгмюра рассчитывается по формуле

где х - природная газоносность пласта, м3/т;
bо - константа сорбции, 1/МПа;
Ро - давление газа в пласте, МПа.
Коэффициент, учитывающий изменение фильтрационных свойств пласта в процессе гидроотжима, находится по формуле

где Р1 - давление газа в пласте после выполнения гидроотжима, МПа (принимается равным 0,1 МПа).
Коэффициент, учитывающий зависимость газоотдачи угля от его влажности, определяется по формуле
![]()
где Wm - максимальная влагоемкость угля, % (принимается равной 8 %);
W - влажность угля в окрестности выработки до увлажнения, %.
Константа сорбции, входящая в выражения (4.5) и (4.6), рассчитывается по формуле
bo = 3,6 - 0,03 Vdaf, 1/МПа,
где Vdaf - выход летучих веществ, %.
Давление газа в пласте для шахт Кузбасса находится по формулам:
при пологом и крутом падении ниже закрытых тектонических нарушений
Ро = 0,0092(H - 45), МПа;
при крутом падении ниже отработанных горизонтов
Рo = 0,007(H - 100), МПа,
где Н - глубина проведения подготовительной выработки, м.
Площадь сечения пласта в зоне обработки определяется по формуле
Sy = тпл (a + 4), м2,
где mпл - наибольшая мощность пласта в сечении выработки, м;
а - средняя ширина выработки по наслоению пласта вчерне на забое, м.
РЕГЛАМЕНТАЦИЯ ПОСЛЕДОВАТЕЛЬНОСТИ ВЫПОЛНЕНИЯ ТЕХНОЛОГИЧЕСКИХ ПРОЦЕССОВ В ОЧИСТНЫХ И ПОДГОТОВИТЕЛЬНЫХ ЗАБОЯХ
|
№ п/п |
Выполняемая работа |
Технологические процессы, не подлежащие при этом совмещению во времени |
|
1 |
2 |
3 |
|
Пологие пласты |
||
|
1.1 Забои откаточного и конвейерного штреков впереди лавы |
||
|
1.1.1 |
Бурение скважин диаметром 80 мм и более; нагнетание воды в пласт для гидроотжима угля |
Все другие работы в штреке, просеках и в лаве при сплошной системе разработки лава-штрек. При опережении забоем откаточного штрека очистного забоя на 100 м и более разрешается выполнение способов предотвращения выбросов в лаве |
|
1.1.2 |
Нагнетание воды в пласт для рыхления угля; образование разгрузочных пазов |
Все другие работы в тупиковой части штрека на расстоянии менее 30 м от забоя |
|
1.1.3 |
Выбуривание или выемка угля отбойным молотком (обушком) после выполнения способов предотвращения выбросов и установления эффективности их применения |
Все другие работы, кроме работ по проведению и поддержанию штрека |
|
1.1.4 |
Выемка угля проходческим комбайном после выполнения прогноза или способов предотвращения выбросов с контролем их эффективности |
Все другие работы на расстоянии 30 м от комбайна. Разрешается нахождение машиниста комбайна и его двух помощников на расстоянии менее 30 м |
|
1.2 Штрек впереди лавы |
||
|
1.2.1 |
Бурение восстающих скважин диаметром 80 мм и более на первых 20 м их длины на расстоянии более 60 м от скважины до лавы |
Все другие работы в тупиковой части штрека и на расстоянии 30 м от скважины в сторону забоя лавы |
|
1.3 Комбайновая ниша в нижней части лавы |
||
|
1.3.1 |
Бурение скважин по углю диаметром 80 мм и более; нагнетание воды в пласт для гидроотжима угля |
Все другие работы в нише, лаве, вентиляционном штреке до места подсвежения струи воздуха, откаточном штреке впереди лавы и на расстоянии 30 м от ниши по свежей струе. При наличии конвейерного штрека (параллельного просека) - все другие работы в нише, лаве, вентиляционном штреке до места подсвежения струи воздуха и на расстоянии 30 м от ниши по свежей струе |
|
1.3.2 |
Нагнетание воды в пласт для рыхления угля; образование разгрузочных пазов |
Все другие работы в нише, откаточном штреке впереди лавы, на расстоянии 30 м от ниши по лаве и на откаточном штреке со стороны свежей струи воздуха При наличии конвейерного штрека (параллельного просека) - все другие работы в нише, на расстоянии 30 м от ниши по лаве и на конвейерном штреке, кроме нахождения рабочего у кнопок управления конвейером |
|
1.4 Комбайновая ниша в верхней части лавы |
||
|
1.4.1 |
Бурение скважин по углю диаметром 80 мм и более; нагнетание воды в пласт для гидроотжима угля |
Все другие работы на вентиляционном штреке до места подсвежения струи воздуха и на расстоянии 30 м от места проведения мероприятий по свежей струе воздуха |
|
1.4.2 |
Нагнетание воды для рыхления угля; образование разгрузочных пазов |
Все другие работы в лаве и на вентиляционном штреке на расстоянии 30 м от места нагнетания или бурения пазов |
|
1.4.3 |
Выбуривание или выемка угля отбойным молотком (обушком) после выполнения способов предотвращения выбросов и установления эффективности их применения |
Без ограничений |
|
1.5 Лава (кроме ниш) |
||
|
1.5.1 |
Бурение скважин по углю диаметром 80 мм и более; нагнетание воды для гидроотжима угля |
Все другие работы в лаве по ходу движения исходящей струи воздуха и в вентиляционном штреке до места подсвежения и на протяжении 30 м от места бурения или гидроотжима по свежей струе воздуха |
|
1.5.2 |
Нагнетание воды в пласт для рыхления угля |
Все другие работы на протяжении 30 м в обе стороны от места нагнетания воды в пласт |
|
1.5.3 |
Выемка угля широкозахватными (ширина захвата более 1,0 м) комбайнами после выполнения способов предотвращения выбросов и установления эффективности их применения |
Все другие работы и нахождение людей на исходящей струе по лаве, кроме машиниста комбайна и его помощника. Выемка угля комбайном осуществляется только по направлению свежей струи воздуха |
|
1.5.4 |
Выемка угля узкозахватными комбайнами по челноковой схеме после выполнения способов предотвращения выбросов и установления эффективности их применения |
Все другие работы по исходящей струе воздуха в лаве, кроме нагнетания воды в пласт, возведения временной или постоянной крепи и передвижки конвейера, выемки ниш, проведения и поддержания вентиляционного штрека, но не ближе 30 м от комбайна по исходящей струе воздуха |
|
1.5.5 |
Выемка угля узкозахватными комбайнами по односторонней схеме (по ходу свежей струи) после выполнения способов предотвращения выбросов и установления эффективности их применения |
Все другие работы по исходящей струе воздуха в лаве, кроме возведения временной или постоянной крепи, передвижки конвейера, нагнетания воды в пласт, выемки ниш, проведения и поддержания вентиляционного штрека, но не ближе 30 м от комбайна по исходящей струе воздуха. Разрешается нахождение машиниста комбайна и двух ГРОЗ у комбайна |
|
1.5.6 |
Выемка угля стругом без выполнения способов предотвращения выбросов |
Все другие работы по исходящей струе воздуха в лаве и на вентиляционном штреке до подсвежения воздушной струи или места соединения с групповой выработкой. Нахождение помощника машиниста на верхней головке конвейера во время выемки угля стругом допускается при условии его размещения на расстоянии не менее 10 м от окна лавы в выработке со свежей (подсвежающей) струей воздуха и наличии средств жизнеобеспечения |
|
Крутые, крутонаклонные и наклонные пласты при восходящем проветривании |
||
|
2.1 Забой откаточного штрека |
||
|
2.1.1 |
Бурение скважин диаметром 80 мм и более по углю |
Все другие работы в забое штрека, нижней печи, промежуточном гезенке, а также в откаточном штреке впереди лавы по ходу исходящей струи воздуха, кроме нагнетания воды в пласт через восстающие скважины с дистанционным управлением. Разрешается выполнение способов предотвращения выбросов в лаве при опережении забоем откаточного штрека забоя лавы на 100 м и более |
|
2.1.2 |
Нагнетание воды в пласт для рыхления угля; образование разгрузочных пазов |
Все другие работы в откаточном штреке на расстоянии 30 м от забоя штрека |
|
2.1.3 |
Выбуривание или выемка угля отбойным молотком после выполнения способов предотвращения выбросов и установления эффективности их применения |
Все другие работы в забое штрека |
|
2.1.4 |
Нагнетание воды в пласт для гидроотжима угля |
Все другие работы в забое штрека, просеках, в штреке впереди лавы, в лаве и на вентиляционном штреке до места подсвежения струи воздуха или до групповой выработки |
|
2.2 Штрек впереди лавы |
||
|
2.2.1 |
Бурение восстающих скважин диаметром 80 мм и более на первых 20 м длины скважины |
Все другие работы в лаве, тупиковой части штрека, промежуточном гезенке и нижней печи, кроме нагнетания воды в пласт с дистанционным управлением |
|
2.2.2 |
Бурение скважин диаметром 500 мм и более из полевого штрека на расстоянии 2 м до пласта |
Все другие работы в забое, полевом штреке, в забоях нижней печи, в лаве и по ходу исходящей струи воздуха до места подсвежения струи воздуха или до групповой выработки |
|
2.3 Промежуточный гезенк (восстающая печь) |
||
|
2.3.1 |
Бурение на заранее пройденную печь скважин диаметром 250 мм для прохождения по ним гезенков |
Выемка угля в промежуточных гезенках и нижней печи |
|
2.4 Нижняя печь (нижний просек) |
||
|
2.4.1 |
Бурение скважин диаметром 80 мм и более в забое нижней печи и восстающих скважин диаметром 80 мм и более на высоту первых 20 м из нижней печи; нагнетание воды для гидроотжима угля |
Все другие работы в откаточном штреке впереди лавы, в промежуточном гезенке, в лаве и на вентиляционном штреке до места подсвежения струи или до групповой выработки, кроме работ по механизированной закладке из вентиляционного штрека |
|
2.4.2 |
Нагнетание воды в угольный пласт в забое нижней печи для рыхления угля; образование разгрузочных пазов |
Все другие работы в забое нижней печи и промежуточном гезенке |
|
2.4.3 |
Нагнетание воды в пласт через восстающие скважины, пробуренные из нижней печи |
Все другие работы в забое нижней печи и промежуточном гезенке на расстоянии менее 5 м от скважины |
|
2.4.4 |
Выбуривание или выемка угля отбойным молотком (обушком) после выполнения способов предотвращения выбросов и установления эффективности их применения |
Все другие работы в забоях нижней печи и ближайшем промежуточном гезенке |
|
2.5 Уступная лава |
||
|
2.5.1 |
Бурение скважин диаметром 80 мм и более; нагнетание воды в пласт для гидроотжима угля |
Все другие работы в уступах, верхней печи и верхнем гезенке, кроме выполнения способов предотвращения выбросов |
|
2.5.2 |
Нагнетание воды в пласт для рыхления угля; образование разгрузочных пазов |
Все другие работы в обрабатываемом уступе |
|
2.6 Комбайновая и комбайново-молотковая лава |
||
|
2.6.1 |
Бурение скважин диаметром 80 мм и более |
Все другие работы в уступах, комбайновой лаве, верхней нише и верхнем гезенке, кроме выполнения способов предотвращения выбросов |
|
2.6.2 |
Нагнетание воды в пласт для рыхления угля |
Все другие работы в обрабатываемой части лавы или обрабатываемом уступе |
|
2.6.3 |
Выемка угля комбайном или стругом (скреперостругом) в незащищенной зоне без выполнения способов предотвращения выбросов |
Все другие работы в забоях верхнего и нижнего просеков («печей»), промежуточном гезенке, в забоях верхней ниши, верхнего гезенка, вентиляционного штрека, в уступах лавы и на вентиляционном штреке по ходу исходящей струи воздуха до места подсвежения или до групповой выработки Разрешается нахождение машиниста комбайна и двух его помощников в месте, оснащенном отводами сжатого воздуха. При работе комбайна отводы сжатого воздуха должны быть включены постоянно |
|
2.7 Верхняя печь (верхний просек) |
||
|
2.7.1 |
Бурение скважин диаметром 80 мм и более; нагнетание воды в пласт для гидроотжима угля |
Все другие работы в верхней печи, верхнем гезенке и комбайновой лаве, кроме выполнения способов предотвращения выбросов в уступах лавы |
|
2.7.2 |
Нагнетание воды в пласт для рыхления угля; образование разгрузочных пазов |
Все другие работы в верхней печи и комбайновой части лавы |
|
2.8 Верхний гезенк |
||
|
2.8.1 |
Бурение скважин диаметром 250 мм и более из верхней печи на вентиляционный штрек |
Все другие работы в верхней печи и комбайновой части лавы |
|
2.9 Забой вентиляционного штрека |
||
|
2.9.1 |
Бурение скважин диаметром 80 мм и более; нагнетание воды в пласт для гидроотжима угля |
Все другие работы в верхней нише, верхнем гезенке, вентиляционном штреке, комбайновой части лавы |
|
2.9.2 |
Нагнетание воды в пласт для рыхления угля; образование разгрузочных пазов |
Все другие работы в тупиковой части штрека, кроме управления комбайновой лебедкой |
|
2.10 Щитовая и агрегатная выемка угля |
||
|
2.10.1 |
Выемка угля на особо выбросоопасных участках без выполнения способов предотвращения выбросов |
Все другие работы под щитом (агрегатом), в вентиляционном гезенке, вентиляционном штреке и вентиляционном промквершлаге, по проведению монтажной печи, доставке и монтажу секций и по ходу исходящей струи до места подсвежения или групповой выработки, но не далее 100 м. В этом месте должно быть установлено сигнальное устройство (табло), предупреждающее о работе щита (агрегата) по выемке угля Разрешается нахождение машиниста щита (агрегата) у главного пульта управления и помощника машиниста под щитом на свежей струе воздуха не ближе 15 м от группы секций (кроме участка полосы протяженностью 20 м от углеспускного гезенка), в районе которых производится зарубка и выемка угля конвейеростругом. Глубина выемки и технологические перерывы между заходками устанавливаются по согласованию с ВостНИИ |
|
2.10.2 |
Выемка угля на выбросоопасных пластах в незащищенной зоне без выполнения способов предотвращения выбросов |
Все другие работы под щитом (агрегатом), в вентиляционном гезенке и по ходу исходящей струи до места подсвежения или групповой выработки. Разрешается нахождение машиниста щита (агрегата) у главного пульта управления и помощника машиниста под щитом на свежей струе воздуха не ближе 15 м от группы секций (кроме участка полосы протяженностью 20 м от углеспускного гезенка), в районе которых производится зарубка и выемка угля конвейеростругом, а также лиц, занятых на работе по подготовке следующей панели щита (агрегата) при наличии у места работ отводов сжатого воздуха. При этом выполнение работ по подготовке следующей панели разрешается только после отхода забоя действующей щитовой лавы от монтажной ниши по падению пласта на расстояние не менее 25 м. Глубина выемки и технологические перерывы между заходками устанавливаются по согласованию с ВостНИИ |
|
2.10.3 |
Выемка угля на выбросоопасных пластах в незащищенной зоне с выполнением способов предотвращения выбросов |
Все другие работы под щитом (агрегатом), в вентиляционном гезенке. Допускаются работы по подготовке следующей панели, при этом места работы лиц, занятых по подготовке следующей панели, должны быть оборудованы отводами сжатого воздуха. Разрешается нахождение машиниста щита (агрегата) у главного пульта управления и помощника машиниста под щитом на свежей струе воздуха не ближе 15 м от группы секций (кроме участка полосы протяженностью 20 м от углеспускного гезенка), в районе которых производится зарубка и выемка угля конвейеростругом |
|
2.10.4 |
Выемка угля на выбросоопасных пластах в незащищенной зоне на участках, примыкающих к выработанному пространству |
Определяет комиссия в составе согласно п. 1.2.5 |
Примечания: 1. В выработках, которые указаны в графе 3, запрещается нахождение людей, не связанных с выполнением разрешенных работ.
2. При применении новых способов предотвращения выбросов, не предусмотренных настоящей Инструкцией, ограничения по регламентации последовательности выполнения технологических процессов в очистных и подготовительных забоях устанавливаются предприятиями по согласованию с управлением Госгортехнадзора России.
3. Местом подсвежения считать сопряжение выработок, где исходящая струя воздуха соединяется со свежим воздухом или исходящей струей с другого участка.
ТРЕБОВАНИЯ К ДИСТАНЦИОННОМУ УПРАВЛЕНИЮ МАШИНАМИ И МЕХАНИЗМАМИ ПРИ РАБОТЕ НА ВЫБРОСООПАСНЫХ ПЛАСТАХ
|
№ п/п |
При выемке угля машинистами |
Система дистанционного управления должна обеспечить управление с расстояний, м |
|||
|
Пологие пласты |
Крутые пласты |
||||
|
опасные по выбросам, опасные зоны на угрожаемых пластах |
особо опасные участки |
опасные по выбросам, опасные зоны на угрожаемых пластах |
особо опасные участки |
||
|
1 |
2 |
3 |
4 |
5 |
6 |
|
1 |
Проходческие комбайны |
||||
|
роторные |
30 |
100 |
30 |
150 |
|
|
2 |
Нарезные комбайны |
||||
|
переносной пульт расположен в нарезной выработке |
50 |
150 |
- |
- |
|
|
стационарный пульт расположен в основной выработке на расстоянии от сопряжения с нарезкой |
15 |
40 |
- |
- |
|
|
3 |
Буровые станки при бурении скважин диаметром более 80 мм на первых 20 м длины скважины |
15 |
201 |
30 |
301 |
|
4 |
Буровые установки с гидравлическим разрушением угля при бурении первых 20 м скважин, нарезке разгрузочных пазов и вымывании угля без применения способов предотвращения выбросов |
30 |
1001 |
100 |
1001 |
|
5 |
Узкозахватные комбайны: |
||||
|
а) пологое падение |
|||||
|
переносной пульт расположен на свежей струе в лаве |
15 |
30 |
- |
- |
|
|
стационарный пульт расположен на свежей струе на откаточном штреке на расстоянии от лавы: |
|||||
|
при сплошной системе |
0 |
25 |
- |
- |
|
|
при столбовой системе |
0 |
0 |
- |
- |
|
|
б) крутое падение |
|||||
|
переносной пульт расположен на вентиляционном штреке на исходящей струе воздуха на расстоянии от лавы |
- |
- |
15 |
15 |
|
|
6 |
Струговые установки |
||||
|
пульт расположен в основной выработке на свежей струе воздуха на расстоянии от лавы: |
|||||
|
при сплошной системе |
15 |
25 |
- |
- |
|
|
при столбовой системе |
0 |
15 |
- |
- |
|
|
7 |
Щитовые агрегаты: |
||||
|
а) при работе в неопасных зонах, установленных прогнозом, или после выполнения противовыбросных мероприятий и контроля их эффективности |
пульт расположен на свежей струе в людском отделении углеспускного гезенка у сопряжений с лавой |
||||
|
б) при прогнозе «опасно» и отсутствии мероприятий по предотвращению выбросов |
пульт расположен на откаточном штреке на свежей струе у сопряжения с углеспускным гезенком |
||||
_____________
1 При бурении должны применяться средства локализации выбросов угля и газа в начальной стадии их развития.
ФОРМЫ ЖУРНАЛОВ, АКТОВ И ДРУГИХ ДОКУМЕНТОВ, ИСПОЛЬЗУЕМЫХ ПРИ РЕГИСТРАЦИИ И УЧЕТЕ РЕЗУЛЬТАТОВ ПРОГНОЗА ВЫБРОСООПАСНОСТИ ПЛАСТОВ И ВЫПОЛНЕНИЯ СПОСОБОВ ПРЕДОТВРАЩЕНИЯ ВЫБРОСОВ УГЛЯ И ГАЗА
Форма 1
АКТ
расследования газодинамического явления (ГДЯ)
Примечание: пп. 4 и 11 заполняются ВостНИИ.
Настоящий акт является неотъемлемой частью материалов технического расследования причин аварий, происшедших в результате газодинамического явления.
Форма 2
КНИГА
учета газодинамических явлений
|
Шахта _____________________________________________________________________ Предприятие _______________________________________________________________ Начата _____________________________ г. Окончена ___________________________ г. |
|
№ п/п |
Наименование газодинамического явления |
Дата и время газодинамического явления, (ч, мин) |
Название и символ пласта, крыло, горизонт (глубина от поверхности), м |
Наименование выработки, место газодинамического явления |
Интенсивность газодинамического явления (уголь, т, газ, м3) |
Наличие предупредительных признаков перед газодинамическим явлением |
Наличие геологического нарушения и структура пласта в месте возникновения газодинамического явления |
Работы, выполнявшиеся в забое перед газодинамическим явлением |
Принятые проектом мероприятия по борьбе с газодинамическим явлением, отступления от них, установленные комиссией |
|
1 |
2 |
3 |
4 |
5 |
6 |
7 |
8 |
9 |
10 |
Эскиз забоя до и после газодинамического явления
Технический руководитель шахты _____________________________________________
(подпись)
Начальник службы (группы)___________________________________________________
прогноза (подпись)
Форма 3
КНИГА
выполнения мер по борьбе с внезапными выбросами угля (породы) и
газа
|
Шахта __________________________________________________________________ Предприятие ____________________________________________________________ Начало _________________________ г. Окончание __________________________ г. Общие сведения 1. Пласт (геологический символ, название) ___________________________________ 2. Мощность пласта, м ____________________________________________________ 3. Угол падения, град _____________________________________________________ 4. Наименование участка (выработки) _______________________________________ 5. Система разработки (способ проведения) __________________________________ 6. Способ управления кровлей _____________________________________________ 7. Плотность крепи _______________________________________________________ 8. Способ выемки угля ____________________________________________________ 9. Ширина вынимаемой полосы (заходки) ___________________________________ 10. Дата утверждения проекта и мероприятия по борьбе с выбросами ____________ ________________________________________________________________________ 11. Описание мероприятий (с указанием всех параметров) по борьбе с внезапными выбросами _________________________________________________________________ Примечание. Изменения и дополнения к мероприятиям должны вноситься в книгу сразу же после их утверждения на страницы, следующие за записью последнего выполнения наряда по ранее действующим мероприятиям.
|
Форма 4
АКТ
Шахта, предприятие ______________________________________________________ Пласт __________________________________________________________________ Вскрывающая выработка __________________________________________________ Горизонт _______________________________________________________________ Участок ________________________________________________________________
Результаты прогноза: Рг.max = fmin = Пв = Для шахт Ростовской области g = ΔJ = f = Заключение: Пласт ______________ в месте вскрытия относится к опасным (неопасным) по выбросам; вскрывать с применением (без применения) противовыбросных мероприятий. Начальник участка ВТБ (подпись) Руководитель группы предотвращения ГДЯ (подпись) |
Форма 5
Журнал определения признаков выбросоопасности по локальному прогнозу
|
Шахта ____________________ Забой __________________ Пласт __________________ Привязка забоя ___________________________ Горизонт _________________________ Глубина разработки __________ Участок ________ Давление газа в пласте __________ |
|
№ п/п |
Дата наблюдения |
Подвигание, м |
Мощность пласта, пачек т, м |
Номер прочностномера П-1 |
Прочность пачки qi = 100 - l |
Приведенная прочность пласта q |
Число пачек С |
f = aq - b |
b = т + γ(αi + βiС) |
М = f - b |
Схема участка наблюдений, структурная колонка, расчеты |
Фамилия и подпись исполнителя |
|
1 |
2 |
3 |
4 |
5 |
6 |
7 |
8 |
9 |
10 |
11 |
12 |
13 |
Расчет произвел __________________
(подпись)
Руководитель группы
предупреждения ГДЯ __________________
(подпись)
Геолог __________________
(подпись)
Форма 6
АКТ
Шахта, предприятие __________________________ Пласт __________________ Горизонт _______________ Участок ________________ Результаты прогноза: мощность пласта, пачек т, т2, м; приведенная прочность пласта q, у.е.; обобщенный показатель прочности пласта с учетом нарушенности f, у.е.; глубина расположения обследуемой выработки h, м; давление газа в пласте Рг, МПа; показатель действующих на пласт сил Ра, у.е.; показатель устойчивости пласта Мп, у.е. Заключение: Пласт _______________ должен отрабатываться с локальным прогнозом или на пласте вводится текущий прогноз и в опасных зонах применяются противовыбросные мероприятия. Очередное обследование пласта в объеме локального прогноза произвести через _____________ м подвигания выработки. Начальник участка ВТБ _______________________ (подпись) Руководитель группы предупреждения ГДЯ _______________________ (подпись) Геолог шахты _______________________ (подпись) |
Форма 7
ЖУРНАЛ
по текущему прогнозу выбросоопасности в подготовительных
выработках по структуре пласта и начальной скорости газовыделения из
контрольных шпуров
|
Пласт _________ Горизонт ___________ Участок _____________ Выработка _________ Привязка забоя _____________________________________________________________ |
|
Дата, привязка забоя |
Характеристика пачек угля в сечении забоя (от нижней к верхней) |
Прочность выбросоопасной пачки или совокупности пачек q |
Номер контрольного шпура |
Интервал шпура, м |
Начальная скорость газовыделения, л/мин ∙ м |
Заключение и подпись горного мастера по предупреждению ГДЯ об опасности зоны |
Подпись руководителя группы предупреждения ГДЯ |
Примечание |
|||
|
мощность т, м |
прочность q |
мощность выбросоопасной пачки или совокупности пачек тo, м |
с интервала шпура gн |
максимальная по длине шпура gн max |
|||||||
|
1 |
2 |
3 |
4 |
5 |
6 |
7 |
8 |
9 |
10 |
11 |
12 |
Форма 8
Журнал по автоматизированному методу прогноза выбросоопасности в нисходящих подготовительных выработках
|
Пласт __________ Горизонт __________ Участок __________ Выработка __________ Привязка забоя ___________________________________________________________ Исходные данные: площадь сечения забоя в проходке Sпр, м2 ________ удельный вес угля γ, т/м3 _________ Продолжительность значимой газодинамической реакции на выемку угольного пласта (tр ≤ 120 мин)
|
|||||||||||||||||||||||||||||||||||||||||||||||||||||||||||||||||||||||||||||||||||||||||
Форма 9
ЖУРНАЛ
разведочных (контрольных) наблюдений и текущего прогноза в
подготовительных и очистных выработках по начальной скорости газовыделения из
шпуров
|
Шахта ________________________________________________________________ Пласт, геологический символ пласта ______________________________________ Категория выбросоопасности ____________________________________________ Наименование выработки, горизонт _______________________________________ |
|
Дата наблюдений |
Пункты измерений по длине забоя |
Мощность пласта, м |
Начальная скорость газовыделения на интервале, м |
Коэффициент крепости угля, у.е. q |
Структура пласта |
Поведение пласта |
Опасность зоны по прогнозу |
Фамилия наблюдателя |
Подпись |
||||||
|
1,5 |
2,5 |
3,5 |
|||||||||||||
|
Верхняя часть забоя |
Нижняя часть забоя |
№ капилляра и отметка |
gн |
№ капилляра и отметка |
gн |
№ капилляра и отметка |
gн |
||||||||
|
1 |
2 |
3 |
4 |
5 |
6 |
7 |
8 |
9 |
10 |
11 |
12 |
13 |
14 |
15 |
16 |
Форма 10
ЖУРНАЛ
регистрации активности акустической эмиссии
|
Шахта ___________________________ Предприятие ___________________________ Пласт ___________________________ Участок ________________________________ Начат ___________________________ Окончен _______________________________ Ответственный за ведение журнала _________________________________________ (фамилия, и.о.) |
|
Дата, смена, оператор |
Номер ленты, дорожки, время начала и окончания |
Время регистрации (интервал определения активности АЭ) |
Десятиминутная
активность АЭ, |
Часовая активность
АЭ |
Звуковые образы |
Примечание. Расстояние до СП |
Подпись |
|
1 |
2 |
3 |
4 |
5 |
6 |
7 |
8 |
Форма 11
ЖУРНАЛ
расчета прогноза
|
Шахта, предприятие ______________ Пласт ________________ Участок _____________ Начат __________________________ Окончен ___________________________________ |
|
Дата |
Ni, ч (Ni, c; Ni, ц) |
|
|
|
Подвигание забоя |
Прогноз |
Примечание |
Фамилия оператора |
Подпись |
|
1 |
2 |
3 |
4 |
5 |
6 |
7 |
8 |
9 |
10 |
Форма 12
|
СОГЛАСОВАНО ННЦ ГП ИГД им. А.А. Скочинского «__» __________ г. |
УТВЕРЖДАЮ Главный инженер шахты «__» _________ г. |
АКТ
выбора места и способа установки сейсмоприемника и частот
фильтрации
В _________________________ выработке пласта ____________________________ на ___________________________ участке шахты ________________________________ сейсмоприемник (сейсмоприемники) устанавливается следующим образом (эскиз).
Переноска сейсмоприемника осуществляется через ____________________________ метров подвигания выработки.
Частоты фильтрации установлены следующие: ФВЧ ________________________ Гц, ФНЧ _____________________________ Гц. Изменение частот фильтрации выполняется при изменении геологической ситуации в выработке и согласовывается с ННЦ ГП ИГД им. А.А. Скочинского.
|
Начальник группы предупреждения ГДЯ |
_____________________ (подпись) |
|
Начальник участка |
_____________________ (подпись) |
Форма 13
ЖУРНАЛ
наблюдений по текущему прогнозу выбросоопасности по АЧХ
|
Шахта ___________________ Категория выбросоопасности ________________________ Предприятие _____________ Участок, выработка, горизонт ________________________ Пласт ___________________ |
|
Дата |
Смена |
Вид выполняемых работ в забое |
Продолжительность работ |
Заключение об опасности |
Фамилия, имя, отчество оператора |
Подпись |
Примечание |
|
|
Начало |
Окончание |
|||||||
|
1 |
2 |
3 |
4 |
5 |
6 |
7 |
8 |
9 |
Форма 14
ЖУРНАЛ
регистрации и контроля гидроотжима
|
Пласт _______________________________ Горизонт ______________________________ Участок ____________________________ Выработка _____________________________ |
|
Дата, привязка забоя |
Характеристика |
Количество шпуров для гидроотжима |
Длина шпуров, м |
Глубина герметизации, м |
|
|
Максимальная концентрация при увлажнении V, % |
Скорость нагнетания, л/мин |
|||
|
Мощность пласта, м |
Структура и мощность (м) потенциально выбросоопасной пачки или совокупности пачек |
Количество шпуров для гидроотжима |
Длина шпуров, м |
||||||||
|
Расчетное |
Фактическое |
Расчетный |
Фактический |
||||||||
|
1 |
2 |
3 |
4 |
5 |
6 |
7 |
8 |
9 |
10 |
11 |
12 |
|
Потери напора в гидросети, кгс/см2 |
Давление нагнетания, кгс/см2 |
Концентрация метана в выработке, % |
Выдвигание пачки нарушенного угля |
Неснижаемое опережение, м |
Безопасное подвигание, м |
Подпись горного мастера по предупреждению ГДЯ |
Подпись руководителя группы предупреждения ГДЯ |
||||
|
Расчетное |
Максимальное |
Конечное |
До гидроотжима |
Максимальная в процессе нагнетания |
После гидроотжима |
||||||
|
13 |
14 |
15 |
16 |
17 |
18 |
19 |
20 |
21 |
22 |
23 |
24 |
Форма 15
ЖУРНАЛ
контроля и учета работ по нагнетанию воды в пласт
|
Пласт _______________ Выработка __________________ Участок _________________ Начало _________________________________ Окончание ________________________ Параметры нагнетания Длина скважины, м _____________________ Диаметр скважины, мм ______________ Угол наклона скважины, град ____________ Глубина герметизации, м _____________ Количество воды, закачиваемой в одну скважину, м3 ____________________________ Неснижаемое опережение скважин, м _________________________________________ № расходомера _______________________ № манометра _________________________ |
Примечание. При пересмотре параметров нагнетания указываются причина и дата пересмотра и приводятся уточненные параметры.
|
Дата |
Номер скважины |
Длина скважины, м |
Глубина герметизации, м |
Показания водомера, м3 |
Количество закачанной воды, м3 |
Показания манометра, кгс/см2 |
Продолжительность нагнетания, ч |
Безопасная глубина выемки, м |
Поведение пласта при бурении скважин и нагнетании воды |
Фамилии и подписи рабочих, проводивших нагнетание |
Фамилия и подпись горного мастера |
Примечание |
|||
|
Начальное |
Конечное |
Рабочее |
Конечное |
Потери напора в сети |
|||||||||||
|
1 |
2 |
3 |
4 |
5 |
6 |
7 |
8 |
9 |
10 |
11 |
12 |
13 |
14 |
15 |
16 |
Форма 16
ЖУРНАЛ
для контроля эффективности противовыбросной гидрообработки
призабойных зон угольных пластов при проходке
|
Пласт ___________ Горизонт __________ Участок _________ Выработка ____________ Способ гидрообработки ______________________________________________________ |
|
Мощность пласта, м |
Фактические параметры способа |
Соответствие расположения параметров нагнетательных скважин проектным данным (указать имеющиеся отклонения) |
Характеристика пласта в сечении забоя |
|||||
|
Номер скважины |
Длина скважины, м |
Давление нагнетания, кгс/см2 |
Количество закачанной воды в скважины, м3 |
Мощность пласта, м |
Структура и мощность (м) потенциально выбросоопасной угольной пачки |
|||
|
полная |
остаточная на момент контроля эффективности |
|||||||
|
1 |
2 |
3 |
4 |
5 |
6 |
7 |
8 |
9 |
|
Результаты измерений по контролю эффективности |
Подпись горного мастера по предупреждению ГДЯ |
Подпись руководителя группы предупреждения ГДЯ |
||||||
|
по активности ЭМИ |
по начальной скорости газовыделения |
|||||||
|
Номер цикла измерений |
Значения активности ЭМИ по первому и второму каналам N1/N2 (30 пар в каждом цикле) |
Показатели газодинамической опасности, соответствующие каждой паре значений |
Показатель выбросоопасности Пв |
Интервал шпура, м |
Начальная скорость газовыделения, л/мин ∙ м |
Заключение об эффективности |
||
|
10 |
11 |
12 |
13 |
14 |
15 |
16 |
17 |
18 |
Форма 17
ЖУРНАЛ
регистрации и контроля гидровымывания опережающих полостей с
использованием аппаратуры АКМ
|
Пласт ___________ Горизонт _________ Участок ___________ Выработка ___________ |
|
Дата, привязка забоя |
Природная метаноносность пласта X, м3/т |
Характеристика пласта в сечении забоя |
Остаточная метаноносность угля, Хост, м3/т |
Объемная масса угля γу, т/м3 |
Суммарная мощность пачек нарушенного угля тп, м |
Средняя ширина выработки по напластованию пачек нарушенного угля а, м |
Ширина полосы обработанного полостями угольного массива за контуром выработки b, м |
Остаточная длина полостей предыдущей серии lост |
|
|
Мощность пласта, м |
Структура и мощность (м) потенциально выбросоопасной пачки или совокупности пачек |
||||||||
|
1 |
2 |
3 |
4 |
5 |
6 |
7 |
8 |
9 |
10 |
|
Длина вновь вымываемых полостей l, м |
Количество воздуха, проходящего по выработке Q, м3/мин |
Время, ч (мин) |
Контрольная площадь диаграммы F, см2 |
Масштаб диаграммы М, мин ∙ % см2 |
Подпись оператора АКМ |
Подпись руководителя группы предупреждения ГДЯ |
||
|
начала гидровымывания tн |
окончания гидровымывания tк |
принятого для расчетов окончания повышенного метановыделения за счет гидровымывания (tк + 30) |
||||||
|
11 |
12 |
13 |
14 |
15 |
16 |
17 |
18 |
19 |
Форма 18
ЖУРНАЛ
второго этапа контроля эффективности локальных способов
предотвращения внезапных выбросов угля и газа
|
Пласт _______________________ |
Выработка _____________________________ |
|
|
Критические значения газовыделения: из отбитого угля |
Jо.у = м3/мин |
|
|
через обнаженную поверхность пласта |
Jпов = м3/мин |
|
|
в призабойное пространство выработки |
Jз.п = м3/мин |
|
|
Дата, время, привязка забоя |
Количество подаваемого воздуха, Qз.п, м3/мин |
Концентрация метана, % |
Газовыделение, м3/мин |
Показатель газодинамической опасности Rп |
Оценка опасности |
Подпись оператора АКМ |
Подпись руководителя группы предупреждения ГДЯ |
|||||||
|
критическая Ск |
у ВМП Свмп |
перед выемкой Cф |
максимальная Сmax |
после выемки |
из отбитого угля J'о.у |
через обнаженную поверхность пласта J'пов. |
в призабойное пространство J'з.п |
|||||||
|
через 15 мин С15 |
через 30 мин С30 |
|||||||||||||
|
1 |
2 |
3 |
4 |
5 |
6 |
7 |
8 |
9 |
10 |
11 |
12 |
13 |
14 |
15 |