РОССИЙСКОЕ ОТКРЫТОЕ АКЦИОНЕРНОЕ ОБЩЕСТВО
ЭНЕРГЕТИКИ И ЭЛЕКТРИФИКАЦИИ «ЕЭС РОССИИ»
ТИПОВАЯ ИНСТРУКЦИЯ
по
применению и техническому обслуживанию
огнетушителей на энергетических предприятиях
![]()
ЗАО «ЭНЕРГЕТИЧЕСКИЕ
ТЕХНОЛОГИИ»
МОСКВА 2008
Разработана: Департаментом технического аудита и генеральной инспекции Корпоративного центра ОАО РАО «ЕЭС России».
Исполнители: Камышев В.Н., Львов М.Ю., Абабков А.В., Медведев Ю.И., Замыслов Д.А., Иванов А.Н., Никонов Д.С. («Мосэнергопроект»).
Утверждена: Членом Правления, Техническим директором ОАО РАО «ЕЭС России» Б.Ф. Вайнзихером 23.10.2007.
СОДЕРЖАНИЕ
В Типовой инструкции приведена классификация, выбор, основные параметры, требования к размещению, ограничения по температуре эксплуатации переносных и передвижных огнетушителей, порядок приведения огнетушителей в действие, основные тактические приемы работы с огнетушителями при тушении возможного пожара на защищаемом объекте, действия персонала после тушения пожара, объем и периодичность проведения технического обслуживания огнетушителей, меры безопасности при использовании и техническом обслуживании огнетушителей.
Типовая инструкция предназначена для применения энергетическими предприятиями.
1.1. Настоящая инструкция устанавливает требования к выбору, размещению и техническому обслуживанию переносных и передвижных огнетушителей на энергетических предприятиях.
1.2. Помимо требований настоящей инструкции необходимо руководствоваться действующими НТД, технических условий (паспортов) на это оборудование.
1.3. Производственные, административные, вспомогательные и складские здания, сооружения и помещения, а также открытые производственные площадки или участки должны быть обеспечены переносными и передвижными огнетушителями в соответствии с требованиями действующих НТД.
1.4. Огнетушители, находящиеся в зданиях, помещениях, лабораториях, мастерских, складах и других сооружениях и установках, передаются на сохранность руководителям соответствующих структурных подразделений.
1.5. Приобретаемые огнетушители должны соответствовать требованиям, изложенным в ГОСТ Р 51057-2001 [1] и ГОСТ Р 51017-97 [2].
ОТВ - огнетушащее вещество.
ОВ - огнетушитель водный.
ОВ(К) - огнетушитель водный с компактной струей.
ОВ(М) - огнетушитель водный с мелкодисперсной распыленной струей.
ОВП - огнетушитель воздушно-пенный.
ОВП(Н) - огнетушитель воздушно-пенный с пеной низкой кратности.
ОВП(С) - огнетушитель воздушно-пенный с пеной средней кратности.
ОП - огнетушитель порошковый.
ОУ - огнетушитель углекислотный.
ОХ - огнетушитель хладоновый.
3.1. Огнетушители делятся в соответствии с ГОСТ Р 51057-2001 [1] на переносные (массой до 20 кг.) и ГОСТ Р 51017-97 [2] передвижные (массой не менее 20, но не более 400 кг). Передвижные огнетушители могут иметь одну или несколько емкостей для зарядки ОТВ, смонтированных на тележке.
3.2. По виду применяемого огнетушащего вещества в соответствии с НПБ 166-97 [3] огнетушители подразделяют на:
3.2.1. Водные (ОВ).
3.2.2. Воздушно-пенные (ОВП).
3.2.3. Порошковые (ОП).
3.2.4. Газовые, которые подразделяются на:
- углекислотные (ОУ);
- хладоновые (ОХ).
3.2.5. Комбинированные.
3.3. Водные огнетушители по виду выходящей струи подразделяют на:
3.3.1. Огнетушители с компактной струей - ОВ(К).
3.3.2. Огнетушители с распыленной струей (средний диаметр капель более 100 мкм) - ОВ(Р).
3.3.3. Огнетушители с мелкодисперсной распыленной струей (средний диаметр капель менее 100 мкм) - ОВ(М).
3.4. Огнетушители воздушно-пенные по параметрам формируемого ими пенного потока подразделяют на:
3.4.1. Низкой кратности, кратность пены от 5 до 20 включительно - ОВП(Н).
3.4.2. Средней кратности, кратность пены свыше 20 до 200 включительно - ОВП(С).
3.5. По принципу вытеснения огнетушащего вещества огнетушители подразделяют на:
3.5.1. Закачные.
3.5.2. С баллоном сжатого или сжиженного газа.
3.5.3. С газогенерирующим элементом.
3.5.4. С термическим элементом.
3.5.5. С эжектором.
3.6. По значению рабочего давления огнетушители подразделяют на огнетушители низкого давления (рабочее давление ниже или равно 2,5 МПа при температуре окружающей среды (20 ± 2 °С) и огнетушители высокого давления (рабочее давление выше 2,5 МПа при температуре окружающей среды (20 ± 2) °С).
3.7. По возможности и способу восстановления технического ресурса огнетушители подразделяют на:
3.7.1. Перезаряжаемые и ремонтируемые.
3.7.2. Неперезаряжаемые.
3.8. По назначению, в зависимости от вида заряженного ОТВ, огнетушители подразделяют в соответствии с требованиями ГОСТ 27331-87 [4] (Приложение 1):
3.8.1. Для тушения загорания твердых горючих веществ (класс пожара А).
3.8.2. Для тушения загорания жидких горючих веществ (класс пожара В).
3.8.3. Для тушения загорания газообразных горючих веществ (класс пожара С).
3.8.4. Для тушения загорания металлов и металлосодержащих веществ (класс пожара Д).
3.8.5. Для тушения загорания электроустановок, находящихся под напряжением (класс пожара Е).
Огнетушители могут быть предназначены для тушения нескольких классов пожара.
3.9. Огнетушители ранжируют в зависимости от их способности тушить модельные очаги пожара различной мощности. Ранг огнетушителя указывают на его маркировке.
3.10. Огнетушащие порошки в зависимости от классов пожара, которые ими можно потушить, делятся на:
3.10.1. Порошки типа АВСЕ - основной активный компонент - фосфорно-аммонийные соли.
3.10.2. Порошки типа ВСЕ - основным компонентом этих порошков могут быть бикарбонат натрия или калия.
3.10.3. Порошки типа Д - основной компонент - хлорид калия; графит и т.д.
В зависимости от назначения порошковые составы делятся на порошки общего назначения (типа АВСЕ, ВСЕ) и порошки специального назначения (которые тушат, как правило, не только пожар класса Д, но и пожары других классов).
3.11. В качестве поверхностно-активной основы заряда воздушно-пенного огнетушителя применяют пенообразователи общего или целевого назначения. Дополнительно заряд огнетушителя может содержать стабилизирующие добавки (для повышения огнетушащей способности, увеличения срока эксплуатации, снижения коррозионной активности заряда).
3.12. По химическому составу пенообразователи подразделяют на синтетические (углеводородные и фторсодержащие) и протеиновые (фторпротеиновые).
4.1. Количество, тип и ранг огнетушителей, необходимых для защиты конкретного объекта, устанавливают исходя из величины пожарной нагрузки, физико-химических и пожароопасных свойств обращающихся горючих материалов (категории защищаемого помещения, определяемой в соответствии с отраслевым перечнем и по НПБ 105-03 [5]), характера возможного их взаимодействия с ОТВ и размеров защищаемого объекта.
4.2. В зависимости от заряда порошковые огнетушители применяют для тушения пожаров классов АВСЕ, ВСЕ или класса Д.
4.3. Для тушения пожаров класса Д огнетушители должны быть заряжены специальным порошком, который рекомендован для тушения данного горючего вещества, и оснащены специальным успокоителем для снижения скорости и кинетической энергии порошковой струи. Параметры и количество огнетушителей определяют исходя из специфики обращающихся пожароопасных материалов, дисперсности частиц и возможной площади пожара.
4.4. Не следует использовать порошковые огнетушители для защиты оборудования, которое может выйти из строя при попадании порошка (электронно-вычислительные машины, электронное оборудование, электрические машины коллекторного типа).
4.5. Необходимо строго соблюдать рекомендованный режим хранения и периодически проверять эксплуатационные параметры порошкового заряда (влажность, текучесть, дисперсность).
4.6. Запрещается применять углекислотные огнетушители для тушения пожаров электрооборудования, находящегося под напряжением выше 1 (10) кВ., а порошковые - под напряжением выше 1 кВ.
4.7. Углекислотные огнетушители с диффузором, создающим струю ОТВ в виде снежных хлопьев, как правило, применяют для тушения пожаров класса А.
4.8. Углекислотные огнетушители с диффузором, создающим поток ОТВ в виде газовой струи, следует применять для тушения пожаров класса Е.
4.9. Хладоновые огнетушители должны применяться в тех случаях, когда для эффективного тушения пожара необходимы огнетушащие составы, не повреждающие защищаемое оборудование и объекты (вычислительные центры, радиоэлектронная аппаратура, музейные экспонаты, архивы, электрические машины коллекторного типа и т.д.).
4.10. Воздушно-пенные огнетушители применяют для тушения пожаров класса А (как правило, со стволом пены низкой кратности) и пожаров класса В.
4.11. Воздушно-пенные огнетушители не должны применяться для тушения пожаров оборудования, находящегося под электрическим напряжением, для тушения сильно нагретых или расплавленных веществ, а также веществ, вступающих с водой в химическую реакцию, которая сопровождается интенсивным выделением тепла и разбрызгиванием.
4.12. Водные огнетушители следует применять для тушения пожаров класса А.
4.13. Запрещается применять водные огнетушители для ликвидации пожаров оборудования, находящегося под электрическим напряжением, для тушения сильно нагретых или расплавленных веществ, а также веществ, вступающих с водой в химическую реакцию, которая сопровождается интенсивным выделением тепла и разбрызгиванием.
4.14. При возможности возникновения на защищаемом объекте значительного очага пожара (предполагаемый пролив горючей жидкости может произойти на площади более 1 м2) необходимо использовать передвижные огнетушители.
4.15. Допускается помещения, оборудованные автоматическими установками пожаротушения, обеспечивать огнетушителями на 50 % исходя из их расчетного количества.
4.16. Выбирая огнетушитель, необходимо учитывать соответствие его температурного диапазона применения возможным климатическим условиям эксплуатации на защищаемом объекте.
4.17. В вопросах выбора и размещения огнетушителей на автотранспортных средствах следует руководствоваться Приложением 4 НПБ 166-97 [3].
4.18. Огнетушители должны вводиться в эксплуатацию в полностью заряженном и работоспособном состоянии, с опечатанным узлом управления запорно-пускового устройства. Они должны находиться на отведенных им местах в течение всего времени их эксплуатации.
4.19. Выбор необходимого количества огнетушителей следует вести по каждому помещению и объекту отдельно.
4.20. На объекте должно быть определено лицо, ответственное за приобретение, сохранность и контроль состояния огнетушителей.
4.21. На каждый огнетушитель, установленный на объекте, заводят паспорт.
Огнетушителю присваивают порядковый номер, который наносят на огнетушитель, записывают в паспорт огнетушителя и в журнал учета огнетушителей на объекте в соответствии с Приложением 5 и п. 12.4 НПБ 166-97 [3].
Запрещается применять бумажные этикетки без защиты от возможного воздействия ОТВ или факторов окружающей среды.
4.22. Размещение огнетушителей, а также их количество определяется проектной организацией, уточняется и утверждается руководством соответствующего подразделения объекта, на основании норм оснащения и пожарной опасности горючих веществ и материалов.
Предназначены для тушения воспламенений различных горючих веществ, горение которых не может происходить без доступа воздуха.
Огнетушители углекислотные переносные вместимостью 2, 3, 5, 8 и передвижные вместимостью 10, 20, 40, 80 литров допускается использовать для тушения электроустановок до 10000 В (напряжение указывается в паспорте огнетушителя).
Эксплуатируются при температуре -40 - +50 °С. Огнетушащее вещество - двуокись углерода.

Технические характеристики углекислотных огнетушителей
|
Марка огнетушителя |
Вместимость, л |
Масса заряда, кг |
Время выхода заряда, с |
Огнетушащая способность |
Размеры, мм |
Общая масса, кг |
|
ОУ-1 |
2 |
1,4 |
8 |
10В* |
440´220 |
6,0 |
|
ОУ-2 |
3 |
2,0 |
8 |
13В |
500´220 |
7,6 |
|
ОУ-3 |
5 |
3,5 |
10 |
34В |
570´270 |
13,8 |
|
ОУ-5 |
8 |
5,6 |
15 |
55В |
1000´570 |
18,0 |
|
ОУ-10 |
10 |
7 |
15 |
55В |
1200´370 |
30,0 |
|
ОУ-20 |
20 |
14 |
15 |
55В |
1250´415´280 |
60,0 |
|
ОУ-40 |
40 |
28 |
15 |
89В |
700´1650´400 |
120,0 |
|
ОУ-80 |
2 по 40 |
56 |
30 |
144В |
800´1700´760 |
239,0 |
* Ранги модельного очага пожара:
10В - горение 10 литров бензина слоем 3 см, находящегося в противне, имеющем форму круга (13В - соответственно 13 литров, 34В - 34 литра и т.д.).
Заряжены огнетушащим порошком и закачены газом (воздух, азот, углекислый газ) давлением до 16 атм. Предназначены для тушения пожаров класса А, В, С или ВС, в зависимости от типа применяемого порошка, а также электроустановок, находящихся под напряжением до 1000 В (Е).
Снабжены запорными устройствами, обеспечивающими свободное открывание и закрывание простым движением руки. Манометр, установленный в качестве индикатора на головке огнетушителя, показывает степень работоспособности огнетушителя, что является большим преимуществом перед огнетушителями со встроенным источником давления.
Эксплуатируются при температуре -40 - +50 °С.


Технические характеристики порошковых огнетушителей
|
Марка огнетушителя |
Масса заряда, кг |
Длина выброса, м |
Время выхода заряда, с |
Огнетушащая способность |
Размеры, мм |
Общая масса, кг |
|
ОП-1 (3) |
1,0 |
3 |
6 |
13В* |
285´110´110 |
2,2 |
|
ОП-2 (3) |
2,0 |
3 |
6 |
1А**, 21В |
350´170´130 |
3,6 |
|
ОП-3 (3) |
3,0 |
3 |
8 |
2А, 55В |
435´170´130 |
4,7 |
|
ОП-5 (3) |
5,0 |
3,5 |
10 |
4А, 144В |
530´420´440 |
7 |
|
ОП-10 (3) |
10,0 |
4,5 |
13 |
4А, 144В |
590´225´400 |
7 |
|
ОП-50 (3) |
42,5 |
6 |
20 |
10А, 233В |
1020´460´480 |
74,0 |
|
ОП-100 (3) |
85,0 |
6 |
30 |
10А, 233В |
1090´640´630 |
155,0 |
________________
Ранги модельного очага пожара:
* 10В - горение 10 литров бензина слоем 3 см, находящегося в противне, имеющем форму круга (13В - соответственно 13 литров, 34В - 34 литра и т.д.).
** 1А - горение модельного очага в виде деревянных брусков, уложенных в куб объемом 1/8 м3; 2А объем куба в 2 раза больше (1/4 м3), 4А - в 4 раза больше (1/2 м3) и т.д.
Огнетушители со встроенным источником давления (газогенератор, газовый баллон) в режиме ожидания находятся без давления в корпусе огнетушителя. Чтобы привести их в действие, необходимо инициировать источник давления и лишь через 3 сек приступать к тушению.
Эксплуатируются при температуре -40 - +50 °С.

Технические характеристики порошковых огнетушителей
|
Марка огнетушителя |
Масса заряда, кг |
Время выхода заряда, с |
Длина выброса, м |
Размеры, мм |
Общая масса, кг |
|
ОП-5 (Г), (Б) |
5 |
8 |
3,5 |
550´300´320 |
9,5 |
|
ОП-10 (Г), (Б) |
10 |
10 |
4,5 |
650´350´355 |
16 |
Воздушно-пенные огнетушители наиболее удобны для тушения тлеющих материалов, а также горючих жидкостей. Конструкция насадки обеспечивает подачу воздушно-механической пены средней и низкой кратности. Эффективность воздушно-пенных огнетушителей значительно возрастает при использовании в качестве заряда фторированных пленкообразующих пенообразователей. По принципу создания давления в их корпусе воздушно-пенные огнетушители подразделяются на:
- закачные (з);
- с баллоном высокого давления (б).
По способу транспортирования к очагам пожара - на переносные (с полной массой до 20 кг) и передвижные (с полной массой до 400 кг).
Воздушно-пенные огнетушители не должны применяться для тушения оборудования, находящегося под электрическим напряжением, для тушения сильно нагретых или расплавленных веществ, а также веществ, вступающих с водой в химическую реакцию, которая сопровождается интенсивным выделением тепла и разбрызгиванием.
Диапазон рабочих температур: +5 ... +50 °С.
Огнетушители воздушно-пенные предназначены для тушения очагов пожара класса А (горение твердых материалов органического происхождения, горение которых сопровождается тлением - дерево, бумага, ветошь и т.д.) и В (горение жидкостей или твердых тел, превращающихся в жидкости - нефтепродукты, масла, краски и т.п.).
Огнетушитель воздушно-пенный не может быть применен для тушения веществ, горение которых происходит без доступа воздуха (хлопок, пироксилин и т.п.), горящих металлов (щелочных - натрий и т.п. и легких - магний и т.п.).


Технические характеристики воздушно-пенных огнетушителей
|
Марка огнетушителя |
Вместимость, л |
Время выхода заряда, с |
Длина выброса, м |
Размеры, мм |
Общая масса, кг |
|
ОВП-5 (з) |
5 |
30 |
3 |
515´320´152 |
8,2 |
|
ОВП-10 (з) |
10 |
40 |
3 |
670´350´215 |
16 |
|
ОВП-10 (б) |
10 |
40 |
3 |
650´260´170 |
15 |
|
ОВП-50 (з) |
50 |
40 |
4 |
890´545´470 |
80 |
|
ОВП-100 (з) |
100 |
60 |
4 |
1090´820´660 |
155 |
6.1. Огнетушители следует располагать на защищаемом объекте в соответствии с требованиями раздела 2.3 ГОСТ 12.4.009-83* [6] таким образом, чтобы они были защищены от воздействия прямых солнечных лучей, тепловых потоков, механических воздействий и других неблагоприятных факторов (вибрация, агрессивная среда, повышенная влажность и т.д.). Они должны быть хорошо видны и легкодоступны в случае пожара. Предпочтительно размещать огнетушители вблизи мест наиболее вероятного возникновения пожара, вдоль путей прохода, а также около выхода из помещения. Огнетушители не должны препятствовать эвакуации людей во время пожара.
6.2. Для размещения переносных огнетушителей, немеханизированного инструмента и пожарного инвентаря в производственных и складских помещениях, не оборудованных внутренним противопожарным водопроводом и автоматическими установками пожаротушения, а также на территории предприятий (организаций), не имеющих наружного противопожарного водопровода, или при удалении зданий (сооружений), наружных технологических установок этих предприятий на расстояние более 100 м от наружных пожарных водоисточников, должны оборудоваться пожарные щиты. Необходимое количество пожарных щитов и их тип определяются в зависимости от категории помещений, зданий (сооружений) и наружных технологических установок по взрывопожарной и пожарной опасности, предельной защищаемой площади одним пожарным щитом и класса пожара в соответствии с таблицей 3 приложения 3 ППБ 01-03 [7].
6.3. В помещениях, насыщенных производственным или другим оборудованием, заслоняющим огнетушители, должны быть установлены указатели их местоположения. Указатели должны быть выполнены и располагаться на видных местах на высоте 2,0 - 2,5 м от уровня пола, с учетом условий их видимости и соответствовать требованиям НТД.
6.4. Расстояние от возможного очага пожара до ближайшего огнетушителя определяется требованиями правил, оно не должно превышать:
6.4.1. 20 м - для общественных зданий и сооружений.
6.4.2. 30 м - для помещений категорий А, Б и В.
6.4.3. 40 м - для помещений категорий В и Г.
6.4.4. 70 м - для помещений категории Д.
6.5. Рекомендуется переносные огнетушители устанавливать на подвесных кронштейнах или в специальных шкафах. Огнетушители должны располагаться так, чтобы основные надписи и пиктограммы, показывающие порядок приведения их в действие, были хорошо видны и обращены наружу или в сторону наиболее вероятного подхода к ним.
6.6. Запорно-пусковое устройство огнетушителей и дверцы шкафа (в случае их размещения в шкафу) должны быть опломбированы.
6.7. Огнетушители, имеющие полную массу менее 15 кг, должны быть установлены таким образом, чтобы их верх располагался на высоте не более 1,5 м от пола; переносные огнетушители, имеющие полную массу 15 кг и более, должны устанавливаться так, чтобы верх огнетушителя располагался на высоте не более 1,0 м. Они могут устанавливаться на полу, с обязательной фиксацией от возможного падения при случайном воздействии.
6.8. Расстояние от двери до огнетушителя должно быть таким, чтобы не мешать ее полному открыванию.
6.9. Огнетушители не должны устанавливаться в таких местах, где значения температуры выходят за температурный диапазон, указанный на огнетушителях.
6.10. Водные и пенные огнетушители, установленные вне помещений или в неотапливаемых помещениях и не предназначенные для эксплуатации при отрицательных температурах, должны быть сняты на холодное время года (температура воздуха ниже +1 °С). В этом случае на их месте должна быть помещена информация о месте нахождения огнетушителей в течение указанного периода и о месте нахождения ближайшего огнетушителя.
7.1. Для приведения в действие переносных углекислотных огнетушителей ОУ-2, ОУ-5 и ОУ-8 необходимо:
7.1.1. Используя транспортную рукоятку, снять и поднести огнетушитель к месту горения.
7.1.2. Направить раструб на очаг горения и открыть запорно-пусковое устройство (вентиль или рычаг).
Запорно-пусковое устройство позволяет прерывать подачу углекислоты.

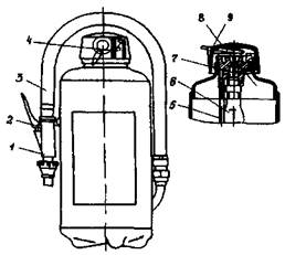
Переносной углекислотный огнетушитель ОУ-2
состоит:
1 -
маховичок; 2 - вентиль; 3 - баллон; 4 -
раструб; 5 - сифонная трубка; 6 - кронштейн.

Переносной углекислотный огнетушитель ОУ-5
(ОУ-8) состоит:
1 -
баллон; 2 - поворотный раструб; 3 - запорная
головка; 4 - сифонная трубка; 5 - хомут;
6 - крюк; 7 - упор; 8 - ручка; 9 -
чека.
7.2. Для приведения в действие передвижных огнетушителей типа ОУ-25 и ОУ-80 необходимо:
7.2.1. Подкатить огнетушитель к месту пожара и установить его в рабочее положение (вертикально для ОУ-25 и наклонно для ОУ-80).
7.2.2. Размотать шланг и открыть запорно-пусковое устройство.
7.2.3. Держа раструб за специальную изолированную ручку, направить снежную массу на очаг пожара.

Передвижной углекислотный огнетушитель
ОУ-25 и ОУ-80 состоит:
1 -
баллон; 2 - запорный вентиль; 3 - шланг;
4 - раструб; 5 - тележка.

Передвижной углекислотный огнетушитель ОУ-80
7.3. Для приведения в действие переносных порошковых огнетушителей ОП-2, ОП-5 и ОП-10 необходимо:
7.3.1. Поднести огнетушитель к очагу пожара.
7.3.2. Выдернуть клин или чеку 9.
7.3.3. Нажать на рычаг 2 и направить струю порошка в огонь.
Для прекращения подачи струи порошка достаточно опустить рычаг.
Допускается многократное пользование и прерывистое действие. В рабочем положении огнетушитель следует держать строго вертикально, не переворачивая его.

Переносной порошковый огнетушитель ОП-5
состоит:
1 -
пистолет; 2 - рычаг; 3 - рукав; 4 - пломба;
5 - сифонная труба; 6 - баллончик; 7 -
игла; 8 - корпус; 9 - чека.
7.4. Передвижные огнетушители ОП-50 и ОП-100 имеют транспортную тележку, рабочий и пусковой баллоны, а также шланг подачи порошка в зону пожара. Для приведения огнетушителя в действие необходимо выполнить следующее:
7.4.1. Подкатить огнетушитель без резкого опрокидывания на расстояние 5 - 10 м от очага пожара и установить строго в вертикальном положении.
7.4.2. Снять и проложить без перегибов и скручиваний шланг подачи порошка.
7.4.3. Сорвать пломбу и повернуть рычаг запорной головки до отказа.
7.4.4. Открыв выпускной клапан, направить струю порошка в зону пожара зигзагообразными движениями для достижения большего охвата пламени порошковым облаком.
Допускается многократное открытие и закрытие выпускного клапана при тушении пожара.
После окончания тушения давление в огнетушителе должно быть снижено за счет открытия выпускного клапана.
Запрещается разбирать огнетушитель, находящийся под давлением, для снижения давления.

Передвижной порошковый огнетушитель ОП-100
состоит:
1 -
корпус для порошка; 2 - баллон для рабочего
газа; 3 - шланг; 4 - выпускной клапан
с насадкой; 5 - регулятор давления; 6 -
8 - трубопроводы; 9 - предохранительный клапан;
10 - манометр; 11 - запорная головка.
7.5. Для приведения в действие переносных хладоновых огнетушителей или их разновидностей следует:
7.5.1. Поднести их за ручку к очагу пожара.
7.5.2. Нажимая на кнопку или рычаг запорно-пускового устройства, вскрыть предохранительную мембрану.
7.5.3. Направить струю на пламя.

Переносной хладоновый огнетушитель ОУБ-ЗА
(ОУБ-7А) состоит:
1 -
пусковой рычаг; 2 - запорная головка; 3 -
рукоятка; 4 - крепление; 5 - баллон; 6 -
кронштейн; 7 - распыливающее устройство; 8 -
предохранительный колпак.
7.6. Для приведения в действие переносного воздушно-пенного огнетушителя ОВП-10 необходимо:
7.6.1. Снять с помощью транспортной рукоятки 6 огнетушитель и поднести его к месту горения.
7.6.2. Сорвать пломбу и нажать на рычаг запорно-пускового устройства 8, при этом игла вскрывает баллончик с рабочим газом, под действием которого повышается давление в корпусе и раствор пенообразователя подается через сифонную трубку и шланг к стволу-распылителю 5, где, смешиваясь с подсасываемым воздухом, образуется воздушно-механическая пена средней кратности.
7.6.3. Направить пену на очаг горения.
При работе огнетушитель необходимо держать в вертикальном положении.

Переносной воздушно-пенный огнетушитель
ОВП-10 состоит:
1 -
рукав; 2 - пломба; 3 - сифонная трубка;
4 - корпус; 5 - ствол-распылитель; 6 -
рукоятка; 7 - кронштейн; 8 - рычаг; 9 -
колпак; 10 - предохранительный клапан; 11 - запорно-пусковое
устройство.
7.7. Для приведения в действие передвижного огнетушителя ОВП-100 необходимо:
7.7.1. Установить огнетушитель в вертикальном положении в 5 - 6 м от очага горения и размотать шланг, не допуская перегибов и скручиваний.
7.7.2. Сорвать пломбу и открыть до отказа запорное устройство (вентиль или рычаг) пускового баллона.
7.7.3. Направить струю пены на очаг горения.

Передвижной воздушно-пенный огнетушитель
ОВП-100 состоит:
1 -
корпус огнетушителя; 2 - тележка; 3 - крышка;
4 - пеногенератор; 5 - предохранительный клапан;
6 - запорное устройство; 7 - баллон высокого
давления; 8 - резиновый шланг.
7.8. Для приведения в действие стационарного огнетушителя ОВПУ-250 (УВП-250) необходимо:
7.8.1. Размотать шланг 1 с пеногенератором 3 и направить на очаг пожара.
7.8.2. Сорвать пломбу и до отказа открыть запорное устройство (вентиль или рычаг) пускового баллона 5.

Стационарный воздушно-пенный огнетушитель
ОВПУ-250 (УВП-250) состоит:
1 -
резиновый шланг с вращающейся катушкой; 2
- предохранительный клапан; 3 - пеногенератор; 4
- корпус; 5 - пусковой баллон.
8.1. Огнетушители, введенные в эксплуатацию, должны подвергаться техническому обслуживанию, которое обеспечивает поддержание огнетушителей в постоянной готовности к использованию и надежную работу всех узлов огнетушителя в течение всего срока эксплуатации. Техническое обслуживание включает в себя периодические проверки, осмотры, ремонт, испытания и перезарядку огнетушителей.
8.2. Периодические проверки необходимы для контроля состояния огнетушителя, контроля места установки огнетушителя и надежности его крепления, возможности свободного подхода к нему, наличия, расположения и читаемости инструкции по работе с огнетушителем.
8.3. Техническое обслуживание и ремонт огнетушителей должен проводиться в соответствии с инструкцией по эксплуатации и использованием необходимых инструментов, материалов лицом, назначенным приказом по предприятию и прошедшим в установленном порядке проверку знаний нормативно-технических документов по устройству и эксплуатации огнетушителей и параметрам ОТВ, способным самостоятельно проводить необходимый объем работ по обслуживанию огнетушителей (при наличии лицензии на данный вид деятельности).
8.4. Огнетушители, выведенные на время ремонта, испытания или перезарядки из эксплуатации, должны быть заменены резервными огнетушителями с аналогичными параметрами.
8.5.1. Наличие вмятин, сколов, глубоких царапин на корпусе, узлах управления, гайках и головке огнетушителя.
8.5.2. Состояние защитных и лакокрасочных покрытий.
8.5.3. Наличие четкой и понятной инструкции.
8.5.4. Наличие опломбированного предохранительного устройства.
8.5.5. Исправность манометра или индикатора давления (если он предусмотрен конструкцией огнетушителя), наличие необходимого клейма и величину давления в огнетушителе закачного типа или в газовом баллоне.
8.5.6. Состояние гибкого шланга (при его наличии) и распылителя ОТВ (наличие механических повреждений, следов коррозии, литейного облоя или других предметов, препятствующих свободному выходу ОТВ из огнетушителя).
8.5.7. Состояние ходовой части и надежность крепления корпуса огнетушителя на тележке (для передвижного огнетушителя), на стене или в пожарном шкафу (для переносного огнетушителя).
По результатам проверки делают необходимые отметки в паспорте огнетушителя, ему присваивают порядковый номер, который наносят на огнетушитель и записывают в журнал учета огнетушителей.
8.6. Ежеквартальная проверка включает в себя осмотр места установки огнетушителя и подходов к нему, а также проведение внешнего осмотра огнетушителя (п. 9.5).
8.7. Ежегодная проверка огнетушителя включает в себя внешний осмотр огнетушителя (п. 8.5), осмотр места его установки и подходов к нему. В процессе ежегодной проверки контролируют величину утечки вытесняющего газа из газового баллона или ОТВ из газового огнетушителя. Производят выборочное вскрытие порошковых огнетушителей, оценку состояния фильтров, проверку параметров ОТВ и, если они не соответствуют требованиям соответствующих нормативных документов, перезарядку огнетушителей.
8.8. Если в ходе проверки обнаружено несоответствие какого-либо параметра огнетушителя требованиям действующих нормативных документов, необходимо устранить причины выявленных отклонений параметров и перезарядить огнетушители.
8.9. В том случае, если величина утечки за год вытесняющего газа или ОТВ из газового огнетушителя превышает предельные значения, определенные действующими нормативными документами, такие огнетушители должны быть выведены из эксплуатации и отправлены в ремонт и на перезарядку.
8.10. Не реже одного раза в 5 (10) лет (указывается в паспорте огнетушителя) каждый углекислотный или порошковый огнетушитель и баллон с вытесняющим газом должен быть перезаряжен. Воздушно-пенные и водные огнетушители перезаряжаются ежегодно.
8.11. О проведенных проверках и испытаниях делается отметка на огнетушителе и в эксплуатационном паспорте.
9.1. На каждый огнетушитель, установленный на объекте, заводят паспорт. Огнетушителю присваивают порядковый номер, который наносят на огнетушитель, записывают в паспорт огнетушителя и в журнал учета огнетушителей на объекте.
9.2. В журнале учета огнетушителей на объекте должна содержаться следующая информация:
9.2.1. Марка огнетушителя, присвоенный ему номер, дата введения его в эксплуатацию, место его установки.
9.2.2. Параметры огнетушителя при первоначальном осмотре (масса, давление, марка заряженного ОТВ, заметки о техническом состоянии огнетушителя).
9.2.3. Дата проведения осмотра, замечания о состоянии огнетушителя.
9.2.4. Дата проведения технического обслуживания со вскрытием огнетушителя.
9.2.5. Дата проведения проверки или замены заряда ОТВ, марка заряженного ОТВ (его концентрация для водных и пенных огнетушителей), наименование организации, проводившей перезарядку.
9.2.6. Дата поверки индикатора и предохранителя давления, кем проверены.
9.2.7. Дата проведения испытания огнетушителя и его узлов на прочность, наименование организации, проводившей испытание; дата следующего планового испытания.
9.2.8. Состояние ходовой части передвижного огнетушителя, дата ее проверки, выявленные недостатки, намеченные мероприятия.
9.2.9. Должность, фамилия, имя, отчество и подпись ответственного лица.
9.3. В эксплуатационном паспорте на огнетушитель должна содержаться следующая информация:
9.3.1. Номер, присвоенный огнетушителю.
9.3.2. Дата введения огнетушителя в эксплуатацию.
9.3.3. Место установки огнетушителя.
9.3.4. Тип и марка огнетушителя.
9.3.5. Завод-изготовитель огнетушителя.
9.3.6. Заводской номер.
9.3.7. Дата изготовления огнетушителя.
9.3.8. Марка (концентрация) заряженного ОТВ:
|
Дата и вид проведенного технического обслуживания |
Результаты технического обслуживания огнетушителя |
Должность, фамилия, инициалы и подпись ответственного лица |
||||
|
Внешний вид и состояние узлов огнетушителя |
Полная масса огнетушителя |
Давление (при наличии индикатора давления)* или масса газового баллона** |
Состояние ходовой части передвижного огнетушителя |
Принятые меры по устранению отмеченных недостатков |
||
Примечания:
* Давление в корпусе закачного огнетушителя или в газовом баллоне (если он расположен снаружи и оснащен манометром или индикатором давления).
** Масса баллона со сжиженным газом для вытеснения ОТВ из огнетушителя. Если баллончик расположен внутри корпуса огнетушителя, то его масса определяется раз в год (для порошковых огнетушителей - выборочно) и сравнивается со значением, указанным в паспорте огнетушителя.
10.1. При техническом обслуживании огнетушителей необходимо соблюдать требования безопасности, изложенные в нормативно-технической документации на данный тип огнетушителя.
10.2. ОТВ, заряжаемое в огнетушитель, и устанавливаемое в него газогенерирующее устройство должны иметь гигиенический сертификат (заключение) Российской Федерации.
10.3. Запрещается:
10.3.1. Эксплуатировать огнетушители при появлении вмятин, вздутий или трещин на корпусе огнетушителя, на запорно-пусковой головке или на накидной гайке, а также при нарушении герметичности соединений узлов огнетушителя или при неисправности индикатора давления.
10.3.2. Производить любые работы, если корпус огнетушителя находится под давлением вытесняющего газа или паров ОТВ.
10.3.3. Заполнять корпус закачного огнетушителя вытесняющим газом вне защитного ограждения и от источника, не имеющего предохранительного клапана, регулятора давления и манометра.
10.3.4. Наносить удары по огнетушителю или по источнику вытесняющего газа.
10.3.5. Производить гидравлические (пневматические) испытания огнетушителя и его узлов вне защитного устройства, предотвращающего разлет осколков и травмирование обслуживающего персонала в случае разрушения огнетушителя.
10.3.6. Использовать открытый огонь или другие источники зажигания при обращении с концентрированными растворами отдельных пенообразователей (ПО-3АИ, ПО-3НП, САМПО, ГТО-6НП и «Морской»), т. к. они могут образовывать с воздухом взрывоопасные смеси.
10.3.7. Производить работы с ОТВ без соответствующих средств защиты органов дыхания, кожи и зрения.
10.3.8. Сбрасывать в атмосферу хладоны или сливать без соответствующей переработки пенообразователи.
10.3.9. Направлять шланг при работе в сторону близко стоящих людей.
10.4. Лица, работающие с огнетушителями при их техническом обслуживании и зарядке, должны соблюдать требования безопасности и личной гигиены, изложенные в нормативно-технической документации на соответствующие огнетушители, огнетушащие вещества и источники вытесняющего газа.
10.5. При тушении пожара в помещении с помощью газовых передвижных огнетушителей (углекислотные или хладоновые) необходимо учитывать возможность снижения содержания кислорода в воздухе помещений ниже предельного значения и использовать изолирующие средства защиты органов дыхания.
10.6. При тушении пожара порошковыми огнетушителями необходимо учитывать возможность образования высокой запыленности и снижения видимости очага пожара (особенно в помещении небольшого объема) в результате образования порошкового облака.
10.7. При тушении электрооборудования при помощи газовых или порошковых огнетушителей необходимо соблюдать безопасное расстояние (не менее 1 м) от распыливающего сопла и корпуса огнетушителя до токоведущих частей.
10.8. При тушении пожара с помощью пенного или водного огнетушителя необходимо обесточить помещение и оборудование.
10.9. Механизм приведения огнетушителя в действие должен быть снабжен устройством блокировки для предотвращения несанкционированного приведения его в действие. Снятие устройства блокировки должно включать операции, отличающиеся от приведения огнетушителя в действие. Устройство блокировки должно пломбироваться, иметь простую конструкцию, чтобы при произвольном воздействии исключалась его деформация или поломка.
10.10. Огнетушитель и его отдельные узлы не должны иметь острых кромок, углов и выступающих элементов, которые могут стать причиной травмирования обслуживающего персонала.
10.11. Раструб углекислотного огнетушителя с гибким шлангом должен иметь ручку для защиты руки оператора от переохлаждения.
10.12. Передвижной огнетушитель должен быть снабжен предохранительным устройством от превышения давления выше допустимого значения (ГОСТ 12.2.085).
10.13. По степени воздействия на организм человека заряды не должны превышать 3-й класс опасности по ГОСТ 12.1.007 [8].
10.14. Заряды для воздушно-пенных огнетушителей не должны оказывать канцерогенных и мутагенных воздействий на организм человека.
10.15. Составы, содержащие фторированные поверхностно-активные вещества, могут обладать слабым кумулятивным и кожно-резорбтивным действием.
10.16. При работе с воздушно-пенными огнетушителями необходимо применять индивидуальные средства защиты по ГОСТ 12.4.011 [9], чтобы исключить возможность попадания состава на кожные покровы, слизистую оболочку глаз и в желудочно-кишечный тракт.
10.17. В процессе эксплуатации и хранения необходимо принимать меры, исключающие пролив жидких компонентов зарядов.
10.18. К введению в эксплуатацию допускается только полностью заряженный и опломбированный передвижной огнетушитель, снабженный биркой с указанием даты (месяц и год) зарядки, даты очередного контроля параметров ОТВ и технического освидетельствования огнетушителя.
10.19. Огнетушащие вещества, с истекшим гарантийным сроком хранения или по своим параметрам не отвечающие требованиям соответствующих нормативно-технических документов, должны подвергаться регенерационной обработке или утилизироваться. Недопустимо сбрасывать или сливать ОТВ без дополнительной обработки и загрязнять окружающую среду.
10.20. Пенообразователи, потерявшие свои первоначальные свойства и не подлежащие регенерации, рекомендуется использовать в виде смачивателей при тушении пожаров класса А или в качестве водных растворов при очистке загрязненных металлических поверхностей.
10.21. Обезвреживание биологически «жестких» пенообразователей рекомендуется производить путем сжигания концентрата в специальных печах либо путем захоронения на специальном полигоне.
10.22. Некондиционные огнетушащие порошковые составы на фосфорно-аммонийной основе (Пирант-А, ПФ, П-2АШ, Вексон-АВС и др.) или на хлоридной основе (ПХК, Вексон-Д) могут быть использованы в качестве сырья для удобрений.
Порошок на бикарбонатной основе (ПСБ-ЗМ) может быть использован в качестве компонента в чистящих средствах или для нейтрализации кислых сточных вод.
10.23. Слив остатков пенообразующих растворов зарядов при промывке огнетушителей, пенных коммуникаций, пеносмесителей, оборудования, емкостей для хранения в водоемы хозяйственно-питьевого водоиспользования не разрешается.
1. ГОСТ Р 51057-2001. Огнетушители переносные. Общие технические требования. Методы испытаний.
2. ГОСТ Р 51017-97. Огнетушители передвижные. Методы испытаний.
3. НПБ 166-97. Пожарная техника. Огнетушители. Требования к эксплуатации.
4. ГОСТ 27331-87. Пожарная техника. Классификация пожаров.
5. НПБ 105-03. Определение категорий помещений, зданий и наружных установок по взрывопожарной и пожарной опасности.
6. ГОСТ 12.4.009-83*. ССБТ. Пожарная техника для защиты объектов. Основные виды. Размещение и обслуживание.
7. ППБ 01-03. Правила пожарной безопасности в Российской Федерации.
8. ГОСТ 12.1.007-76*. ССБТ. Вредные вещества. Классификация и общие требования безопасности.
9. ГОСТ 12.4.011-89. ССБТ. Средства защиты работающих. Общие требования и классификация.
Назначение огнетушителей в зависимости от вида заряженного ОТВ.
|
Класс пожара |
Характеристика класса пожара по ГОСТ 27331 |
|
Твердые горючие вещества |
Горение твердых веществ |
|
Горючие жидкости |
Горение жидких веществ |
|
Горючие газы |
Горение газообразных веществ |
|
Металлы и металлосодержащие вещества |
Горение металлов и металлосодержащих веществ |
|
Электрооборудование под напряжением не более... В |
Объект тушения пожара находится под электрическим напряжением (основной рисунок пиктограммы - знак |
Примеры условных обозначений огнетушителей.
Пример условного обозначения воздушно-пенного огнетушителя, имеющего объем заряда ОТВ - 10 л, закачного, предназначенного для тушения пожаров твердых (пожар класса А) и жидких горючих веществ (пожар класса В), модели 01, с углеводородным зарядом:
ОВП - 10(3) - АВ - 01 (УгПАВ) по ГОСТ Р 51057-2001 [1].
Пример условного обозначения порошкового огнетушителя, заряженного 5 кг ОТВ, оснащенного баллоном высокого давления, используемым для создания избыточного давления вытесняющего газа в корпусе огнетушителя, предназначенного для тушения пожаров твердых (пожар класса А), жидких (пожар класса В) и газообразных горючих веществ (пожар класса С), а также электрооборудования, находящегося под напряжением (пожар класса Е), модели 03, предназначенного для использования в шахтах:
ОП - 5(6) - АВСЕ - 03 (III) по ГОСТ Р 51057-2001 [1].
Пример условного обозначения порошкового огнетушителя, заряженного 2 кг ОТВ, оснащенного газогенерирующим устройством, используемым для создания избыточного давления вытесняющего в корпусе огнетушителя, предназначенного для тушения пожаров жидких (пожар класса В) и газообразных горючих веществ (пожар класса С), а также электрооборудования, находящегося под напряжением (пожар класса Е):
ОП - 2(г) - ВСЕ по ГОСТ 51057-2001 [1].
Пример условного обозначения воздушно-эмульсионного огнетушителя с объемом фторсодержащего заряда - 5 л, с баллоном высокого давления, используемым для создания избыточного давления вытесняющего газа в корпусе огнетушителя, предназначенного для тушения загорания твердых (пожар класса А) и жидких горючих веществ (пожар класса В):
ОВЭ - 5(6) - АВ - 03 (ФторПАВ).
Пример условного обозначения водного огнетушителя с тонкодисперсной струёй, с объемом заряда ОТВ - 5 л, с газовым баллоном высокого давления, используемым для создания избыточного давления вытесняющего газа в корпусе огнетушителя, предназначенного для тушения пожаров твердых (пожар класса А) и жидких горючих веществ (пожар класса В):
0В - 5(6) - АВ «Борей» по ГОСТ Р 51057-2001 [1].
Пример условного обозначения углекислотного огнетушителя, с массой заряда ОТВ - 2 кг, предназначенного для тушения пожаров жидких горючих веществ (пожар класса В), газообразных горючих веществ (пожар класса С) и пожаров электрооборудования, находящегося под напряжением (пожар класса Е):
ОУ - 2 - ВСЕ по ГОСТ Р 51057-2001 [1].