ФЕДЕРАЛЬНОЕ АГЕНТСТВО
ПО ТЕХНИЧЕСКОМУ РЕГУЛИРОВАНИЮ И
МЕТРОЛОГИИ
|
|
НАЦИОНАЛЬНЫЙ
|
ГОСТ
Р |
АНКЕРЫ
ДЛЯ КОНТАКТНОЙ СЕТИ
ЖЕЛЕЗНЫХ ДОРОГ
Технические условия
|
|
Москва Стандартинформ 2011 |
Предисловие
Цели и принципы стандартизации в Российской Федерации установлены Федеральным законом от 27 декабря 2002 г. № 184-ФЗ «О техническом регулировании», а правила применения национальных стандартов Российской Федерации - ГОСТ Р 1.0-2004 «Стандартизация в Российской Федерации. Основные положения»
Сведения о стандарте
1 РАЗРАБОТАН Открытым акционерным обществом «Научно-исследовательский институт транспортного строительства» (ОАО ЦНИИС) при участии Открытого акционерного общества «Всероссийский научно-исследовательский институт железнодорожного транспорта» (ОАО «ВНИИЖТ»)
2 ВНЕСЕН Техническим комитетом по стандартизации ТК 45 «Железнодорожный транспорт»
3 УТВЕРЖДЕН И ВВЕДЕН В ДЕЙСТВИЕ Приказом Федерального агентства по техническому регулированию и метрологии от 27 декабря 2010 г. № 1102-ст
4 В настоящем стандарте реализованы требования технического регламента «О безопасности инфраструктуры железнодорожного транспорта» и технического регламента «О безопасности высокоскоростного железнодорожного транспорта» применительно к объекту технического регулирования - анкерам контактной сети электрифицированных железных дорог:
- 4.2.1.1 - 4.2.1.3, 4.2.1.6, 4.2.1.7 содержат минимально необходимые требования безопасности;
- подраздел 4.4 устанавливает правила отбора образцов для подтверждения соответствия;
- 4.5.5, 4.5.6, 4.5.8 устанавливают методы проверки, минимально необходимые требования безопасности.
5 В настоящем стандарте учтены основные нормативные положения следующих международных стандартов:
- ЕН 197-1:2000 «Цемент. Часть 1. Состав, технические требования и критерии соответствия цемента общего назначения» (EN 197-1:2000 «Cement. Composition, specifications and conforming criteria for common cements»);
- EH 206-1:2000 «Бетон. Часть 1. Технические требования, эксплуатационные характеристики, производство и соответствие требованиям» (EN 206-1:2000 «Concrete. Specification, performance, production and conformity»);
- EH 1992-1-1:2004 «Еврокод 2: Проектирование бетонных конструкций. Часть 1. Основные правила и правила для зданий» (EN 1992-1-1 «Euro code 2: Design of concrete structures. General rules and rules for buildings»);
- EH 10080:2005 «Сталь для армирования бетона. Сварочная арматурная сталь. Общие положения» (EN 10080:2005 «Steel for the reinforcement of concrete. Weldable reinforcing steel. General»)
6 ВВЕДЕН ВПЕРВЫЕ
Информация об изменениях к настоящему стандарту публикуется в ежегодно издаваемом информационном указателе «Национальные стандарты», а текст изменений и поправок - в ежемесячно издаваемых информационных указателях «Национальные стандарты». В случае пересмотра (замены) или отмены настоящего стандарта соответствующее уведомление будет опубликовано в ежемесячно издаваемом информационном указателе «Национальные стандарты». Соответствующая информация, уведомление и тексты размещаются также в информационной системе общего пользования - на официальном сайте Федерального агентства по техническому регулированию и метрологии в сети Интернет
Содержание
ГОСТ Р 54271-2010
НАЦИОНАЛЬНЫЙ СТАНДАРТ РОССИЙСКОЙ ФЕДЕРАЦИИ
АНКЕРЫ ДЛЯ КОНТАКТНОЙ СЕТИ ЖЕЛЕЗНЫХ ДОРОГ
Технические условия
Anchors for overhead contact line supports of railways. Specifications
Дата введения - 2011-09-01
Настоящий стандарт распространяется на железобетонные анкеры для контактной сети железных дорог (далее - анкеры), применяемые для крепления оттяжек анкерных опор для всех типов контактных подвесок.
В настоящем стандарте использованы нормативные ссылки на следующие стандарты:
ГОСТ Р 53231-2008 Бетоны. Правила контроля и оценка прочности
ГОСТ Р 9.316-2006 Единая система защиты от коррозии и старения. Покрытия термодиффузионные цинковые. Общие требования и методы контроля
ГОСТ 12.3.009-76 Система стандартов безопасности труда. Работы погрузочно-разгрузочные. Общие требования безопасности
ГОСТ 535-2005 Прокат сортовой и фасонный из стали углеродистой обыкновенного качества. Общие технические условия
ГОСТ 5781-82 Сталь горячекатаная для армирования железобетонных конструкций. Технические условия
ГОСТ 6727-80 Проволока из низкоуглеродистой стали холоднотянутая для армирования железобетонных конструкций. Технические условия
ГОСТ 8267-93 Щебень и гравий из плотных горных пород для строительных работ. Технические условия
ГОСТ 8735-88 Песок для строительных работ. Методы испытаний
ГОСТ 8829-94 Изделия строительные железобетонные и бетонные заводского изготовления. Методы испытаний нагружением. Правила оценки прочности, жесткости и трещиностойкости
ГОСТ 10060.0-95 Бетоны. Методы контроля морозостойкости. Общие требования
ГОСТ 10060.1-95 Бетоны. Базовый метод определения морозостойкости
ГОСТ 10060.2-95 Бетоны. Ускоренные методы определения морозостойкости при многократном замораживании и оттаивании
ГОСТ 10060.3-95 Бетоны. Дилатометрический метод ускоренного определения морозостойкости
ГОСТ 10178-85 Портландцемент и шлакопортландцемент. Технические условия
ГОСТ 10180-90 Бетоны. Методы определения прочности по контрольным образцам
ГОСТ 10181-2000 Смеси бетонные. Методы испытаний
ГОСТ 10922-90 Арматурные и закладные изделия сварные, соединения сварные арматуры и закладных изделий железобетонных конструкций. Общие технические условия
ГОСТ 12730.0-78 Бетоны. Общие требования к методам определения плотности, влажности, водопоглощения, пористости и водонепроницаемости
ГОСТ 12730.5-84 Бетоны. Методы определения водонепроницаемости
ГОСТ 13015-2003 Изделия железобетонные и бетонные для строительства. Общие технические требования, правила приемки, маркировки, транспортирования и хранения
ГОСТ 13837-79 Динамометры общего назначения. Технические условия
ГОСТ 17624-87 Бетоны. Ультразвуковой метод определения прочности
ГОСТ 17625-83 Конструкции и изделия железобетонные. Радиационный метод определения толщины защитного слоя бетона, размеров и расположения арматуры
ГОСТ 19281-89 (ИСО 4950-2-81, ИСО 4950-3-81, ИСО 4951-79, ИСО 4995-78, ИСО 4996-78, ИСО 5952-83) Прокат из стали повышенной прочности. Общие технические условия
ГОСТ 22266-94 Цементы сульфатостойкие. Технические условия
ГОСТ 22690-88 Бетоны. Определение прочности механическими методами неразрушающего контроля
ГОСТ 22904-93 Конструкции железобетонные. Магнитный метод определения толщины защитного слоя бетона и расположения арматуры
ГОСТ 23009-78 Конструкции и изделия бетонные и железобетонные сборные. Условные обозначения(марки)
ГОСТ 23279-85 Сетки арматурные сварные для железобетонных конструкций и изделий. Общие технические условия
ГОСТ 23732-79 Вода для бетонов и растворов. Технические условия
ГОСТ 24211-2008 Добавки для бетонов и строительных растворов. Общие технические условия
ГОСТ 26134-84 Бетоны. Ультразвуковой метод определения морозостойкости
ГОСТ 26433.0-85 Система обеспечения точности геометрических параметров в строительстве. Правила выполнения измерений. Общие положения
ГОСТ 26433.1-89 Система обеспечения точности геометрических параметров в строительстве. Правила выполнения измерений. Элементы заводского изготовления
ГОСТ 26633-91 Бетоны тяжелые и мелкозернистые. Технические условия
ГОСТ 27772-88 Прокат для строительных стальных конструкций. Общие технические условия
ГОСТ 31108-2003 Цементы общестроительные. Технические условия
Примечание - При пользовании настоящим стандартом целесообразно проверить действие ссылочных стандартов в информационной системе общего пользования - на официальном сайте Федерального агентства по техническому регулированию и метрологии в сети Интернет или по ежегодно издаваемому информационному указателю «Национальные стандарты», который опубликован по состоянию на 1 января текущего года, и по соответствующим ежемесячно издаваемым информационным указателям, опубликованным в текущем году. Если ссылочный стандарт заменен (изменен), то при пользовании настоящим стандартом следует руководствоваться заменяющим (измененным) стандартом. Если ссылочный стандарт отменен без замены, то положение, в котором дана ссылка на него, применяется в части, не затрагивающей эту ссылку.
В настоящем стандарте применены следующие термины с соответствующими определениями:
3.1 анкеры для контактной сети железных дорог: Конструкция, служащая для закрепления оттяжек анкерных опор контактной сети в грунтовом массиве.
3.2 входной контроль: Контроль изготовленных поставщиком анкеров, поступающих к заказчику и предназначенных для использования при электрификации участков железных дорог.
3.3 выборочный контроль: Контроль партии анкеров путем проверки каждого анкера, входящего в одну или несколько специально отобранных выборок из этой партии.
3.4 контрольная нагрузка: Значение нагрузки, служащее одним из критериев для оценки пригодности изделия по результатам испытаний нагружением.
Примечание - В настоящем стандарте контрольные нагрузки установлены для проверки конструкций по ширине раскрытия трещин и прочности.
3.5 контрольная ширина раскрытия трещин: Значение ширины трещины, с которым сопоставляется фактическая ширина раскрытия трещин при контрольной нагрузке для оценки пригодности изделия по трещиностойкости.
3.6 коэффициент безопасности С: Коэффициент, определяющий степень увеличения контрольной нагрузки по отношению к нагрузке на изделие, соответствующей его расчетной несущей способности.
3.7 нормируемая прочность бетона: Заданное в нормативно-технической или проектной документации значение прочности (в проектном и промежуточном возрасте, отпускная, передаточная).
3.8 операционный контроль: Контроль качества анкеров при выполнении и завершении технологических операций.
3.9 приемосдаточный контроль: Контрольные испытания анкеров при приемочном контроле.
3.10 приемочный контроль: Контроль анкеров, по результатам которого принимается решение об их пригодности к поставкам и использованию.
3.11 прочность бетона на сжатие: Среднее значение прочности бетона в партии, определенное по результатам испытаний контрольных образцов или неразрушающими методами непосредственно в конструкции.
3.12 расчетная температура наружного воздуха: Температура наружного воздуха соответствующего района, за которую принимается средняя температура наиболее холодной пятидневки с обеспеченностью 0,92.
3.13 схема загружения: Схематическое изображение силовых факторов, действующих на фундамент при эксплуатации.
3.14 технический контроль: Проверка соответствия анкера установленным техническим требованиям.
3.15 технологическая документация: Документация, относящаяся к технологическим процессам и операциям изготовления анкера.
3.16 толщина защитного слоя бетона: Для круглой гладкой арматуры - расстояние по нормали от поверхности бетона конструкции до ближайшей к ней цилиндрической образующей арматурного стержня. Для арматуры периодического профиля - условное расстояние до образующей цилиндра, диаметр которого равен номинальному диаметру этой арматуры.
3.17 трещиностойкость: Свойство материала сохранять сплошность под действием внутренних напряжений, возникающих от внешних нагрузок.
4.1.1 Анкеры железобетонные подразделяют на типы по исполнению (по форме сечения), по назначению и работы в грунте:
а) 1-й тип - анкеры трехлучевые с заострением подземной части для обычных грунтовых условий:
1) ТАС - анкеры с заострением подземной части;
б) 2-й тип - анкеры для установки в скальных грунтах:
1) АСЦ - анкеры сборные цилиндрические;
2) АБС - анкеры блочные с анкерным основанием.
в) 3-й тип - сваи для сооружения анкеров на слабых основаниях:
1) СА - стоечные анкеры;
2) АС - анкеры свайные.
4.1.2 Анкеры подразделяют на следующие типы по допустимому усилию в оттяжке:
а) 1-й тип - 59 кН (6,0 тс × м);
б) 2-й тип - 79 кН (8,0 тс × м).
Примечание - В случае необходимости возможно дальнейшее расширение типов анкеров по допустимому усилию в оттяжке.
4.1.3 Условные обозначения анкеров должны соответствовать требованиям ГОСТ 23009 и состоять из четырех буквенно-цифровых групп, разделенных дефисом. Пример условного обозначения приведен в приложении А.
4.1.4 Форма и основные размеры анкеров должны соответствовать указанным на рисунках 1-5.
Примечание - Для новых конструкций допускается по согласованию между заказчиком и изготовителем изготовлять анкеры, отличающиеся габаритами и размерами отдельных деталей анкеров от приведенных в 4.1 при соблюдении технических требований 4.2.
Рисунок 1 - Анкеры трехлучевые с заострением подземной части
|
|
|
|||||||||||||
|
|
||||||||||||||
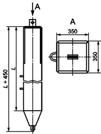
Рисунок 2 -Анкеры сборные цилиндрические
|
|
|
||||||||||||||||
|
|
|||||||||||||||||
Рисунок 3 - Анкеры блочные с анкерным основанием
|
|
|
Рисунок 4 - Анкеры стоечные
Рисунок 5 - Анкеры свайные
4.1.5 В анкерах блочных с анкерным основанием должны быть предусмотрены отверстия для установки анкеров с высаженными головками.
4.2.1.1 Анкеры должны удовлетворять требованиям по допустимому усилию в оттяжке (прочности), установленным в 4.1.2.
Ширина раскрытия трещин при проверке анкеров на трещиностойкость не должна превышать 0,15 мм.
4.2.1.2 Армирование анкеров следует производить арматурными каркасами. Точность размеров арматурных каркасов должна удовлетворять ГОСТ 10922, арматурных сеток - ГОСТ 23279.
Отклонения по длине арматурных стержней, расположению строповочных и монтажных петель не должны превышать ± 5 мм.
4.2.1.3 Защитный слой бетона до арматуры анкеров должен составлять не менее 23 мм.
4.2.1.4 На наружной поверхности анкеров не допускаются:
- раковины диаметром более 10 мм;
- раковины глубиной более 3 мм;
- отколы граней глубиной более 10 мм;
- отколы граней длиной более 50 мм;
- число отколов граней на длине 1000 мм не более 2 шт.;
- местные усадочные трещины с шириной раскрытия более 0,1 мм.
4.2.1.5 На наружной поверхности анкеров не должно быть ржавых, жировых пятен и подтеков.
4.2.1.6 Предельные отклонения геометрических размеров анкеров не должны превышать величин, приведенных в таблице 1.
Таблица 1 - Требования к точности изготовления анкеров
|
Поле допуска |
|
|
Длина |
± 20 мм |
|
Толщина лучей |
± 5 мм |
|
Габаритные размеры в плане |
± 5 мм |
|
Выпуск анкерных болтов из бетона |
± 5 мм |
|
Диаметр анкерных болтов |
± 0,5 мм |
|
Межосевое расстояние между болтами |
± 5 мм |
|
Толщина защитного слоя бетона |
± 5 мм |
|
Угол разворота проушины относительно проектного положения |
± 3° |
|
Диаметр отверстия в проушине |
± 2 мм |
4.2.1.7 Заготовку анкеров с высаженными головками для анкеров с анкерным закреплением в скальном грунте следует производить кузнечным способом. Допускаемое отклонение по диаметру анкера ±1 мм.
4.2.1.8 На наружную поверхность анкеров следует наносить гидроизоляционное покрытие по всей длине на 0,2 м ниже уровня обреза анкера. Толщина покрытия должна составлять не менее 3 мм.
4.2.2.1 Анкеры следует изготовлять из тяжелого бетона класса по прочности на сжатие не ниже В30 по ГОСТ 26633 с коэффициентом вариации прочности бетона не более 5 % и арматурного каркаса.
4.2.2.2 Фактическая прочность бетона (в проектном возрасте, отпускная) должна быть не ниже требуемой в зависимости от нормируемой прочности и фактической однородности бетона по прочности в соответствии с требованиями ГОСТ 18105.
Нормируемая отпускная прочность бетона должна составлять не менее 80 % прочности бетона на сжатие, соответствующей его классу.
При поставке анкеров в холодный период года (при среднесуточной температуре наружного воздуха ниже 0 °С) нормируемая отпускная прочность должна составлять не менее 90 % прочности бетона на сжатие, соответствующей его классу.
4.2.2.3 Поставку анкеров с отпускной прочностью ниже требуемой прочности производят при условии, если изготовитель гарантирует достижение бетоном требуемой прочности в возрасте 28 суток, определяемой по результатам испытаний контрольных образцов, изготовленных из бетонной смеси рабочего состава. Минимальная отпускная прочность бетона должна составлять не менее 32 МПа и в холодный период года - не менее 36 МПа.
4.2.2.4 Для районов с расчетной температурой наружного воздуха минус 40 °С и выше марка по морозостойкости бетона анкеров должна быть не менее F 150, а для районов с расчетной температурой воздуха ниже минус 40 °С до минус 55 °С - не менее F 200 по ГОСТ 26633.
4.2.2.5 Бетон анкеров должен иметь марку по водонепроницаемости не ниже W6 по ГОСТ 26633.
4.2.2.6 Материалы, применяемые для изготовления тяжелого бетона, должны удовлетворять требованиям ГОСТ 26633, при этом следует использовать:
- в качестве вяжущего в неагрессивных грунтах - портландцемент по ГОСТ 10178 или ГОСТ 31108; в агрессивных грунтах - сульфатостойкий цемент по ГОСТ 22266;
- в качестве крупного заполнителя - щебень по ГОСТ 8267 с наибольшим размером зерен не более 20 мм;
- в качестве мелкого заполнителя - песок по ГОСТ 8735.
4.2.2.7 Воду для затворения бетонной смеси необходимо применять в соответствии с требованиями ГОСТ 23732, качество добавок для бетона должно соответствовать ГОСТ 24211.
4.2.2.8 Для армирования анкеров рекомендуется применять сталь класса A-III (А400) марки 25Г2С или 35ГС ГОСТ 5781.
Для анкеров, эксплуатируемых при температуре наружного воздуха до минус 40 °С, следует применять сварные каркасы, при температуре ниже минус 40 °С до минус 55 °С включительно следует применять вязаные каркасы из сеток, соединенных точечной сваркой.
Примечание - Допускается по согласованию с заказчиком применение стержневой арматурной стали других классов с характеристиками не ниже, чем у вышеперечисленных классов арматуры.
В качестве поперечной арматуры - проволоку класса Вр-1 ГОСТ 6727 и стержневую горячекатаную сталь класса A-I(A240) марки Ст3пс5 и Ст3сп5 ГОСТ 5781.
Примечание - При использовании стержневой и проволочной арматуры, произведенной по европейским стандартам, отношение временного сопротивления к пределу текучести должно составлять для арматуры:
- холоднотянутой - не менее 1,05, минимально допустимая деформация при максимальном напряжении - менее 2,5 %;
- термомеханически упрочненной - не менее 1,08, минимально допустимая деформация при максимальном напряжении - не менее 5,0 %;
- горячекатаной - от 1,15 до 1,35, минимально допустимая деформация при максимальном напряжении -не менее 7,5 %.
4.2.2.9 Строповочные и монтажные петли следует изготовлять из арматурной стали класса А-1(А240) при температуре наружного воздуха до минус 40 °С - из стали марки Ст3сп5 ГОСТ 535, при температуре ниже минус 40 °С до минус 55 °С включительно - из стали марки 09Г2С ГОСТ 19281.
Примечание - Допускается применение арматурных сталей других классов, имеющих механические свойства не хуже вышеприведенных.
4.2.2.10 Закладные изделия (проушины) анкеров должны быть выполнены:
- при расчетной температуре воздуха минус 40 °С включительно - из стали класса прочности С245 марки ВСт3пс5 и Ст3сп5 ГОСТ 27772;
- при расчетной температуре воздуха ниже минус 40 °С - из стали класса прочности С345 марки 09Г2С ГОСТ 19281.
4.2.2.11 Болты, гайки и шайбы должны иметь защитное цинковое покрытие, нанесенное методом термодиффузии по ГОСТ Р 9.316 с толщиной покрытия от 18 до 20 мкм - для деталей с резьбой, от 70 до 100 мкм - без резьбы.
4.2.2.12 Материалы, применяемые для антикоррозионных и гидроизоляционных покрытий, должны быть экологически безопасными. Выбор покрытия следует осуществлять в соответствии с [1].
4.2.3.1 Анкеры по требованиям заказчика поставляют в комплекте с метизами. Метизы (детали строительного крепежа) должны быть уложены в деревянные ящики.
4.2.3.2 Изготовитель должен сопровождать каждую принятую техническим контролем партию анкеров документом о качестве по ГОСТ 13015, в котором указывают:
- наименование и адрес изготовителя;
- номер и дату выдачи документа;
- номер партии или порядковый номер изделия;
- наименование и марки изделий с указанием количества изделий каждой марки;
- дату изготовления изделий;
- проектную марку бетона;
- отпускную прочность бетона в процентах от проектной марки;
- марку бетона по морозостойкости;
- марку бетона по водонепроницаемости;
- класс арматуры и диаметр стержней;
- материалы антикоррозионных и гидроизоляционных покрытий;
- обозначение технических условий;
- номер рабочей документации (проекта) на изделие;
4.2.4.1 Маркировка анкеров должна соответствовать ГОСТ 13015.
4.2.4.2 Маркировка анкера должна включать следующие сведения:
- тип по исполнению и назначению;
- длина анкера в метрах;
- тип по допустимому натяжению в оттяжке;
- условия эксплуатации;
- краткое наименование предприятия-изготовителя;
- заводской номер анкера;
- номер партии;
- дату изготовления (число, месяц, год) цифрами (пример: 15.01.2010 г.).
4.2.4.3 Маркировочные надписи следует наносить на боковой поверхности анкера на расстоянии не более 150 мм от верхнего обреза анкера и на торце верхней части анкера несмываемой краской или путем выдавливания бетона маркировочной матрицей.
4.3.1 При погрузоразгрузочных работах анкеры типов ТАС, АСЦ, АБС, АС, СА следует строповать строго за строповочные петли, соблюдая требования безопасности в соответствии с ГОСТ 12.3.009, исключающие падение конструкции.
4.3.2 Во время проведения испытаний необходимо принимать меры по обеспечению безопасности работ согласно ГОСТ 8829.
4.4.1 Для проверки соответствия анкера требованиям 4.2.1 - 4.2.4 проводят приемосдаточные, периодические, типовые испытания и на подтверждение соответствия в объеме, указанном в таблице 2.
Таблица 2 - Виды и объем испытаний анкеров
|
Пункт стандарта, содержащий требования, которые проверяют при испытаниях |
Пункт стандарта, содержащий методы испытаний |
Объем выборки*, %, не менее |
||||
|
приемосдаточных |
периодических |
типовых |
на подтверждение соответствия |
|||
|
Размеры и отклонения |
10 |
|||||
|
Толщина защитного слоя бетона |
10 |
|||||
|
Качество наружной поверхности |
- |
100 |
||||
|
- |
100 |
|||||
|
Прочность бетона на сжатие |
- |
1 |
||||
|
Отпускная прочность бетона на сжатие |
- |
1 |
||||
|
Морозостойкость |
- |
- |
1 |
|||
|
Водонепроницаемость |
- |
- |
1 |
|||
|
Прочность |
- |
2 |
||||
|
Трещиностойкость |
- |
2 |
||||
|
Защитное покрытие |
- |
100 |
||||
|
Комплектность |
- |
100 |
||||
|
Маркировка |
- |
100 |
||||
|
* Объем выборки представляет собой процентное отношение от количества фундаментов в партии, округленное до ближайшего целого. |
||||||
4.4.2 Приемку анкеров должна осуществлять служба технического контроля предприятия-изготовителя партиями в соответствии с 4.4.3 - 4.4.8 с учетом требований ГОСТ 13015.
4.4.3 За партию принимают анкеры, изготовленные из одних исходных материалов, по одной технологии, оформленные одним документом о качестве в соответствии с ГОСТ 13015 и одновременно предъявляемые к приемке. Размер партии - до 100 шт. или выработка за 15 суток.
4.4.4 Соответствие материалов, используемых для изготовления анкеров, требованиям 4.2.2.6 - 4.2.2.9 следует проверять при входном контроле по сертификатам предприятий - поставщиков данных материалов или актами специализированной лаборатории. Сертификаты следует хранить на предприятии - изготовителе анкеров.
4.4.5 Периодические испытания морозостойкости и водонепроницаемости бетона проводят не реже одного раза в шесть месяцев.
4.4.6 Периодические испытания анкеров по прочности и трещиностойкости проводят не реже одного раза в месяц в соответствии с ГОСТ 13015.
4.4.6.1 Для оценки трещиностойкости два анкера из одной партии подвергают испытаниям нагружением; для оценки прочности - один анкер из отобранных при условии, что они выдержали испытания на трещиностойкость.
4.4.6.2 Анкеры признают выдержавшими испытания, если результаты испытаний удовлетворяют следующим требованиям:
- ширина раскрытия поперечных трещин при контрольной нагрузке на трещиностойкость не превысила 0,15 мм;
- разрушение анкера произошло при нагрузке, большей или равной контрольной нагрузке по прочности.
4.4.6.3 При испытаниях на трещиностойкость в случае появления в одном из испытанных анкеров трещин с шириной раскрытия более 0,15 мм при нагрузке меньше контрольной проводят испытания еще двух анкеров из данной партии. Если ни в одном из них не появляются трещины раскрытием более 0,15 мм при контрольной нагрузке, анкеры признают удовлетворяющими требованиям по трещиностойкости. При получении отрицательного результата повторной проверки (в случае образования трещин с шириной раскрытия более 0,15 мм при контрольной нагрузке) партию бракуют.
4.4.7 При контроле заказчиком качества поставленных анкеров должны быть соблюдены правила приемки, установленные настоящим стандартом.
4.4.8 По требованию заказчика предприятие-изготовитель обязано сообщить результаты лабораторных испытаний показателей бетона, проводимых при производстве анкеров.
4.5.1 Прочность бетона анкеров на сжатие следует определять по ГОСТ 10180 на серии образцов, изготовленных из бетонной смеси рабочего состава и хранящихся в условиях, установленных ГОСТ Р 53231.
4.5.1.1 При проверке прочности бетона методами неразрушающего контроля фактическую отпускную прочность бетона на сжатие определяют ультразвуковым методом по ГОСТ 17624 или приборами механического действия по ГОСТ 22690. Допускается применение других стандартизированных методов неразрушающего контроля.
4.5.1.2 При применении ультразвукового метода следует осуществлять поверхностное прозвучивание анкеров по линии, перпендикулярной направлению рабочей арматуры.
4.5.1.3 Проверку отпускной прочности бетона методами неразрушающего контроля осуществляют путем выборочного контроля на не менее чем трех анкерах из партии. Число контролируемых участков должно быть не более 15, расположенных равномерно по поверхности анкера.
4.5.2 Морозостойкость бетона фундаментов следует определять базовым методом по ГОСТ 10060.1 на серии образцов, изготовленных из бетонной смеси рабочего состава. Допускается определять морозостойкость бетона ускоренными методами - по ГОСТ 10060.2, дилатометрическим методом - по ГОСТ 10060.3 или ультразвуковым методом - по ГОСТ 26134.
Общие требования к методам контроля морозостойкости приведены в ГОСТ 10060.0.
4.5.3 Водонепроницаемость бетона анкеров следует определять по ГОСТ 12730.5. Общие требования к методам контроля водонепроницаемости приведены в ГОСТ 12730.0.
4.5.4 Качество бетонной смеси определяют по ГОСТ 10181.
Другие показатели качества бетона (среднюю плотность, влажность, водопоглощение, призменную прочность, деформации усадки и ползучести, тепловыделение) определяют в соответствии с ГОСТ 26633.
4.5.5 Толщину защитного слоя бетона до арматуры следует определять магнитным методом по ГОСТ 22904. Допускается применять радиационный метод по ГОСТ 17625. Контроль толщины защитного слоя бетона методами неразрушающего контроля осуществляют на 15 контролируемых участках, расположенных равномерно по поверхности анкера.
4.5.6 Геометрические размеры анкеров, ширину поверхностных усадочных трещин, размеры раковин, отколов граней следует проверять методами, установленными ГОСТ 26433.0. Общие положения по правилам выполнения измерений приведены в ГОСТ 26433.1. Объем выборок и оценка результатов контроля - по ГОСТ 13015.
Приемочный уровень дефектности по показателям точности геометрических параметров, толщины защитного слоя не должен превышать 4 %. При превышении 4 % партию бракуют.
При контроле параметров анкеров для целей подтверждения соответствия указанный уровень дефектности не допускается.
4.5.7 Внешний вид защитных покрытий контролируют визуально. Качество термодиффузионного покрытия - с помощью магнитного или металлографического метода в соответствии с ГОСТ 9.316.
4.5.8 Испытания анкеров нагружением для определения их прочности и трещиностойкости следует проводить по ГОСТ 8829 с учетом приложений Б - Е.
4.5.8.1 Испытания анкеров на прочность и трещиностойкость проводят при положительной температуре воздуха и испытуемых анкеров.
4.5.8.2 Анкеры, хранившиеся при отрицательной температуре, выдерживают в теплом помещении до приобретения ими положительной температуры. При переносе анкеров со склада в помещение разность между температурой бетона анкера и температурой воздуха внутри помещений не должна превышать 35 °С. Температура в помещении должна быть не ниже 15 °С.
4.5.8.3 Температуру бетона измеряют контактным термометром, помещенным на поверхность конструкции.
4.5.8.4 Допускается испытывать анкеры в зимнее время на открытом воздухе при температуре до минус 10 °С, при этом анкеры до испытания должны быть выдержаны в теплом помещении, прогреты и в начале испытаний иметь температуру не менее 5 °С.
4.5.8.5 Схемы испытаний и нагружения анкеров следует принимать согласно приложениям Б - Е.
4.5.8.6 Величины контрольных нагрузок Р (усилий натяжения троса при испытаниях анкеров), определенные с учетом коэффициентов безопасности С (см. таблицу 3), указаны в приложениях Б - Е.
Таблица 3 - Коэффициенты безопасности
|
Коэффициент безопасности С |
|
|
По проверке трещиностойкости |
1,0 |
|
По проверке прочности |
1,4 |
4.5.8.7 Нагрузку к испытуемому анкеру прикладывают ступенями по 0,2Р до Р и по 0,1 Р после приложения Р до контрольной нагрузки по испытаниям на прочность. До начала испытаний следует произвести предварительное нагружение испытательной системы нагрузкой не более 0,4Р.
4.5.8.8 Анкер выдерживают 5 мин после приложения нагрузки каждой ступени до значения, соответствующего 1,0Р. После приложения контрольной нагрузки по проверке трещиностойкости, соответствующей 1,0Р, анкер выдерживают под нагрузкой в течение 20 мин. При нагрузке 1,1Р и более анкер выдерживают 2 мин после приложения нагрузки каждой ступени до нагрузки 1,4Р.
4.5.8.9 Величину усилия натяжения троса при испытаниях следует устанавливать по динамометру, удовлетворяющему требованиям ГОСТ 13837.
4.5.9 Маркировку следует проверять внешним осмотром в соответствии с 4.2.4, при необходимости с применением увеличительных приборов.
4.5.10 Качество упаковки и комплектность метизов проверяют визуально в соответствии с 4.2.3.
4.6.1 Общие правила транспортирования и хранения анкеров приведены в ГОСТ 13015.
4.6.2 Анкеры следует транспортировать и хранить в горизонтальном положении в штабелях, рассортированных по маркам. Число рядов анкеров в штабеле по высоте должно быть не более пяти.
4.6.3 При хранении анкеров в штабелях и их перевозке между горизонтальными рядами анкеров следует укладывать деревянные прокладки из бруса сечением 100 × 100 мм. Прокладки следует располагать на расстоянии от 0,3 до 0,5 м от каждого торца анкеров.
4.6.4 Трехлучевые анкеры в штабелях должны быть расположены уширенным лучом вверх и опираться на два узких луча и оголовок.
4.6.5 Анкеры следует складировать в помещении, под навесом или на открытом воздухе в условиях, исключающих их повреждение.
4.6.6 Погрузку и разгрузку анкеров производят кранами с помощью специальных захватов с соблюдением техники безопасности при погрузо-разгрузочных работах.
4.6.7 В зимнее время вывоз анкеров на склад готовой продукции следует производить после их остывания, при этом перепад температур наружного воздуха и бетона анкеров должен быть не более 35 °С.
4.6.8 Разрешается транспортирование анкеров автомобильным или железнодорожным транспортом, при этом следует принимать меры по закреплению анкеров и исключению их повреждений.
4.7.1 При эксплуатации анкеров должен быть обеспечен необходимый уровень их несущей способности, установленный в 4.1. Расстояние от поверхности грунта до верхней прямоугольной части анкера не должно превышать 300 мм.
4.7.2 При вибропогружении трехлучевых анкеров в грунт уширенный луч в плане должен быть расположен с противоположной стороны от опоры, а два более узких луча - со стороны анкерной опоры.
4.7.3 Строповочные и монтажные петли перед установкой конструкций в грунт следует срезать или окрашивать полимерной влагостойкой краской на битумной основе в соответствии с [1].
4.7.4 При восстановлении гидроизоляционного покрытия должны быть использованы материалы, не содержащие веществ, которые могут вызвать загрязнение окружающей среды. При нанесении защитных покрытий должны быть приняты меры против разбрызгивания составов, попадания в грунт и грунтовые воды.
4.8.1 Предприятие-изготовитель гарантирует соответствие изделий требованиям 4.2 при соблюдении потребителем правил погрузоразгрузочных операций, транспортирования и условий хранения.
4.8.2 При поставке изделий с отпускной прочностью ниже проектной марки в соответствии с ГОСТ 13015 предприятие-изготовитель обязано гарантировать достижение бетоном проектной марки в течение 28 суток со дня изготовления.
Условное обозначение (марка) анкера

Условия эксплуатации анкеров железобетонных:
а) М - район с грунтами и грунтовыми водами с неагрессивными, слабоагрессивными и среднеагрессивными степенями воздействия, с температурой воздуха от минус 40 °С до минус 55 °С;
б) К - район с грунтами и грунтовыми водами с сильноагрессивными степенями воздействия, с температурой воздуха до минус 40 °С включительно.
Примечание - В условном обозначении (марке) анкера допускается не указывать условия эксплуатации для районов с грунтами и грунтовыми водами с неагрессивными, слабоагрессивными и среднеагрессивными степенями воздействия, с температурой воздуха до минус 40 °С включительно.
Примеры условного обозначения анкеров:
ТАС-4,5 - анкер трехлучевой с заострением подземной части длиной 4,5 м, с усилием в оттяжке не более 59 кН, для районов с грунтами и грунтовыми водами с неагрессивными, слабоагрессивными и среднеагрессивными степенями воздействия, с температурой воздуха до минус 40 °С включительно.
АСЦ-3 - анкер сборный цилиндрический длиной 3,0 м, с усилием в оттяжке не более 59 кН, для районов с грунтами и грунтовыми водами с неагрессивными, слабоагрессивными и среднеагрессивными степенями воздействия, с температурой воздуха до минус 40 °С включительно.
АБС-1-1 - анкер сборный с анкерным основанием, одноблочный, с усилием в оттяжке не более 59 кН, для районов с грунтами и грунтовыми водами с неагрессивными, слабоагрессивными и среднеагрессивными степенями воздействия, с температурой воздуха до минус 40 °С включительно.
АБС-2-2 - анкер сборный с анкерным основанием, двухблочный, с усилием в оттяжке не более 79 кН, для районов с грунтами и грунтовыми водами с неагрессивными, слабоагрессивными и среднеагрессивными степенями воздействия, с температурой воздуха до минус 40 °С включительно.
АС-6,5-2-М - анкер свайный длиной 6,5 м, с усилием в оттяжке не более 79 кН, для районов с грунтами и грунтовыми водами с неагрессивными, слабоагрессивными и среднеагрессивными степенями воздействия, с температурой воздуха от минус 40 °С до минус 55 °С.
СА-4,5-1-К - стоечный анкер длиной 4,5 м, с усилием в оттяжке не более 59 кН, для районов с грунтами и грунтовыми водами с сильноагрессивной степенью воздействия, с температурой воздуха до минус 40 °С включительно.
Схема испытаний и нагружения анкеров ТАС
|
|
Ступень нагрузки |
Нагрузка в долях от контрольной нагрузки |
Контрольная нагрузка Р, кН (кгс) |
|
|
59(6117) |
79(8155) |
|||
|
0 |
0,00 |
0(0) |
0(0) |
|
|
1 |
0,10 |
6(612) |
8(816) |
|
|
2 |
0,20 |
12(1223) |
16(1632) |
|
|
3 |
0,40 |
24 (2447) |
32 (3264) |
|
|
4 |
0,60 |
36 (3670) |
48 (4896) |
|
|
5 |
0,80 |
48 (4894) |
64 (6528) |
|
|
6 |
0,90 |
54 (5505) |
72(7344) |
|
|
7 |
0,95 |
57(5811) |
76 (7752) |
|
|
8 |
1,00 |
59(6117) |
79(8155) |
|
|
9 |
1,05 |
63 (6423) |
84 (8563) |
|
|
10 |
1,10 |
66 (6729) |
88(8971) |
|
|
11 |
1,20 |
72 (7340) |
96 (9787) |
|
|
12 |
1,30 |
78 (7952) |
104(10603) |
|
|
13 |
1,40 |
84 (8264) |
112(11417) |
|
1 - неподвижная опора, препятствующая проскальзыванию анкера; 2 - неподвижные шарнирные опоры; 3 - место закрепления тяги или троса.
Примечание - Уровни контрольной нагрузки соответствуют коэффициенту безопасности С, приведенному в таблице 3 настоящего стандарта, с учетом типа анкера по допустимому усилию в оттяжке (1-й тип - 59 кН, 2-й тип - 79 кН).
Схема испытаний и нагружения анкеров АСЦ
|
|
Ступень нагрузки |
Нагрузка в долях от контрольной нагрузки |
Контрольная
нагрузка |
|
0 |
0,00 |
0(0) |
|
|
1 |
0,10 |
6(612) |
|
|
2 |
0,20 |
12(1223) |
|
|
3 |
0,40 |
24 (2447) |
|
|
4 |
0,60 |
36 (3670) |
|
|
5 |
0,80 |
48 (4894) |
|
|
6 |
0,90 |
54 (5505) |
|
|
7 |
0,95 |
57(5811) |
|
|
8 |
1,00 |
59(6117) |
|
|
9 |
1,05 |
63 (6423) |
|
|
10 |
1,10 |
66 (6729) |
|
|
11 |
1,20 |
72 (7340) |
|
|
12 |
1,30 |
78 (7952) |
|
|
13 |
1,40 |
84 (8264) |
1 - неподвижная опора, препятствующая проскальзыванию анкера; 2 - неподвижные шарнирные опоры; 3 - место закрепления тяги или троса.
Примечание - Уровни контрольной нагрузки соответствуют коэффициенту безопасности С в таблице 3 настоящего стандарта.
Схема испытаний и нагружения анкеров АБС
|
|
Ступень нагрузки |
Нагрузка в долях от контрольной нагрузки |
Контрольная
нагрузка |
|
0 |
0,00 |
0(0) |
|
|
1 |
0,10 |
6(612) |
|
|
2 |
0,20 |
12(1223) |
|
|
3 |
0,40 |
24 (2447) |
|
|
4 |
0,60 |
36 (3670) |
|
|
5 |
0,80 |
48 (4894) |
|
|
6 |
0,90 |
54 (5505) |
|
|
7 |
0,95 |
57(5811) |
|
|
8 |
1,00 |
59(6117) |
|
|
9 |
1,05 |
63 (6423) |
|
|
10 |
1,10 |
66 (6729) |
|
|
11 |
1,20 |
72 (7340) |
|
|
12 |
1,30 |
78 (7952) |
|
|
13 |
1,40 |
84 (8264) |
1 - неподвижная опора, препятствующая проскальзыванию анкера; 2 - место закрепления тяги или троса.
Примечание - Уровни контрольной нагрузки соответствуют коэффициенту безопасности С в таблице 3 настоящего стандарта.
Схема испытаний и нагружения анкеров СА
|
|
Ступень нагрузки |
Нагрузка в долях от контрольной нагрузки |
Контрольная нагрузка Р, кН (кгс) |
|
|
59(6117) |
79(8155) |
|||
|
0 |
0,00 |
0(0) |
0(0) |
|
|
1 |
0,10 |
6(612) |
8(816) |
|
|
2 |
0,20 |
12(1223) |
16(1632) |
|
|
3 |
0,40 |
24 (2447) |
32 (3264) |
|
|
4 |
0,60 |
36 (3670) |
48 (4896) |
|
|
5 |
0,80 |
48 (4894) |
64 (6528) |
|
|
6 |
0,90 |
54 (5505) |
72 (7344) |
|
|
7 |
0,95 |
57(5811) |
76 (7752) |
|
|
8 |
1,00 |
59(6117) |
79(8155) |
|
|
9 |
1,05 |
63 (6423) |
84 (8563) |
|
|
10 |
1,10 |
66 (6729) |
88(8971) |
|
|
11 |
1,20 |
72 (7340) |
96 (9787) |
|
|
12 |
1,30 |
78 (7952) |
104(10603) |
|
|
13 |
1,40 |
84 (8264) |
112(11417) |
|
1 - неподвижная опора, препятствующая проскальзыванию анкера; 2 - место закрепления тяги или троса.
Примечание - Уровни контрольной нагрузки соответствуют коэффициенту безопасности С, приведенному в таблице 3 настоящего стандарта, с учетом типа анкера по допустимому усилию в оттяжке (1-й тип - 59 кН, 2-й тип - 79 кН).
Схема испытаний и нагружения анкеров АС
|
|
Ступень |
Нагрузка
в долях от |
Контрольная
нагрузка |
|
0 |
0,00 |
0(0) |
|
|
1 |
0,10 |
6(612) |
|
|
2 |
0,20 |
12(1223) |
|
|
3 |
0,40 |
24 (2447) |
|
|
4 |
0,60 |
36 (3670) |
|
|
5 |
0,80 |
48 (4894) |
|
|
6 |
0,90 |
54 (5505) |
|
|
7 |
0,95 |
57(5811) |
|
|
8 |
1,00 |
59(6117) |
|
|
9 |
1,05 |
63 (6423) |
|
|
10 |
1,10 |
66 (6729) |
|
|
11 |
1,20 |
72 (7340) |
|
|
12 |
1,30 |
78 (7952) |
|
|
13 |
1,40 |
84 (8264) |
1 - неподвижная опора, препятствующая проскальзыванию анкера; 2 - неподвижные шарнирные опоры; 3- место закрепления тяги или троса.
Примечание - Уровни контрольной нагрузки соответствуют коэффициенту безопасности С, приведенному в таблице 3 настоящего стандарта, с учетом типа анкера по допустимому усилию в оттяжке (1-й тип - 59 кН, 2-й тип - 79 кН).
|
Строительные нормы и правила |
Защита строительных конструкций от коррозии |
Ключевые слова: анкеры, технические условия, прочность, трещиностойкость, защитный слой, арматура, бетон, материалы, технические требования, размеры, испытания