ЦНИИЭП
инженерного оборудования
Госгражданстроя
|
Рекомендации |
![]()
МОСКВА 1985
3. Зусманович Л.М. Полный теплообмен в смесительных контактных аппаратах при понижении энтальпии воздуха. В сб. научных трудов: Системы вентиляции, отопления и теплоснабжения. М.: ЦНИИЭП инженерного оборудования, 1983, с. 54 - 57.
ОГЛАВЛЕНИЕ
Рекомендованы к изданию решением Секции отопления, вентиляции и кондиционирования воздуха Научно-технического совета ЦНИИЭП инженерного оборудования Госгражданстроя и одобрены Управлением инженерного оборудования населенных мест Госгражданстроя.
Содержится методика теплотехнического расчета управляемых процессов адиабатного увлажнения воздуха и процессов с понижением энтальпии воздуха в различных контактных аппаратах. Для расчета камер орошения, устанавливаемых в системах вентиляции и кондиционирования для тепловлажностной обработки воздуха, приводятся конкретные расчетные зависимости. Приведены схемы автоматического регулирования управляемых процессов адиабатного увлажнения воздуха и указаны области их преимущественного применения. Даны примеры расчета установок, показан теплотехнический и экономический эффект от их применения по сравнению с традиционными решениями.
Для инженерно-технических работников, занимающихся проектированием, расчетом и эксплуатацией установок кондиционирования и вентиляции.
Применение управляемых процессов тепловлажностной обработки воздуха в системах кондиционирования воздуха и вентиляции является новым и эффективным средством их совершенствования. Исследования, проводимые ЦНИИЭП инженерного оборудования, базируются на новом принципе управления процессами тепло- и влагообмена при адиабатном увлажнении воздуха, что дает возможность получить непосредственно после смесительных контактных аппаратов (например, оросительных камер), воздух с различной температурой по сухому термометру при постоянном значении температуры мокрого термометра.
Применение управляемых процессов в системах кондиционирования воздуха и вентиляции потребовало решения комплекса различных задач.
1. Создания оборудования для управляемых процессов тепловлажностной обработки воздуха. В настоящее время Харьковским заводом «Кондиционер» в составе типовых центральных кондиционеров КТЦ и КТЦ 2 серийно выпускаются оросительные камеры ОКФ с широкофакельными форсунками, разработанные ЦНИИЭП инженерного оборудования совместно с заводом-изготовителем.
Широкофакельными форсунками оснащают также блоки тепломассообмена БТМ-2, адиабатные оросительные системы в камерах ОКС и секции орошения приточных вентиляционных камер 2ПК.
2. Разработки новых схем автоматического регулирования управляемых процессов адиабатной обработки воздуха, собираемых из серийно выпускаемых промышленностью приборов автоматического регулирования. Новые схемы не требуют разработки новых и применения дорогостоящих приборов автоматического регулирования (датчиков влагосодержания, энтальпии и т.п.).
3. Проведения термодинамического анализа работы систем вентиляции и кондиционирования воздуха с управляемыми процессами с целью выявления их теплотехнических преимуществ; проверки в натурных условиях работоспособности систем с новыми схемами автоматического регулирования и разработки конструктивных решений при их проектировании.
4. Разработки методики расчета управляемых процессов тепловлагообмена в смесительных контактных аппаратах. Новый метод расчета базируется на теоретических исследованиях и подтвержден большим экспериментальным материалом, полученным при испытаниях серийно выпускаемых оросительных камер и лабораторных установок.
Приводимые в настоящих Рекомендациях материалы для выбора теплотехнических схем и схем автоматического регулирования установок кондиционирования воздуха и вентиляции с управляемыми процессами адиабатного увлажнения воздуха и методика теплотехнического расчета оросительных камер иллюстрируются подробными примерами.
Расчет и подбор стандартных элементов установок, таких, как теплообменники первого подогрева (калориферы), воздушные фильтры, вентиляторы, поверхностные воздухоохладители и др., следует производить по соответствующим рекомендуемым материалам.
При применении управляемых процессов в системах кондиционирования воздуха и вентиляции рекомендуется пользоваться методом термодинамического анализа работы систем проф. А.А. Рымкевича [1].
Схемы УПА являются новыми техническими решениями и защищены авторскими свидетельствами (№ 342016, 352093, 827893, 846930).
Рекомендации разработаны лабораторией кондиционирования воздуха ЦНИИЭП инженерного оборудования (авторы: канд. техн. наук Л.М. Зусманович, инженеры М.И. Брук, З.П. Добрынина, Л.И. Стеганцева, Л.А. Стулова).
Методика теплотехнического расчета управляемых процессов адиабатного увлажнения воздуха в различных контактных аппаратах разработана канд. техн. наук Л.М. Зусмановичем, номограммы по расчету управляемых процессов составлены инж. З.П. Добрыниной.
Замечания и предложения о содержании и оформлении Рекомендаций просим направлять по адресу: Москва, Профсоюзная, ул., 93а, ЦНИИЭП инженерного оборудования.
1.1. Настоящие Рекомендации распространяются на проектирование установок кондиционирования воздуха и вентиляции гражданских и промышленных зданий, предназначенных для обеспечения в обслуживаемых помещениях в холодный и переходный периоды года оптимальных или промежуточных между оптимальными и допустимыми параметров воздуха, а также параметров, по технологическим требованиям соответствующих главам СНиП по проектированию отопления, вентиляции и кондиционирования воздуха. К числу этих систем относятся установки кондиционирования воздуха и вентиляции, рассчитываемые в холодный период на параметры Б, в теплый - на параметры А.
1.2. Рекомендации предназначены для расчета и проектирования установок кондиционирования воздуха и вентиляции с управляемыми процессами адиабатного увлажнения воздуха, в которых в качестве основного тепло- и влагообменного аппарата применяются оросительные камеры с широкофакельными форсунками.
Управляемые процессы предназначены для применения в системах вентиляции и кондиционирования при тепловлажностной обработке воздуха без теплообменников второго подогрева и байпасных воздуховодов у камер орошения.
1.3. Рекомендации следует использовать при расчете новых и реконструируемых установок кондиционирования воздуха и вентиляции с оборудованием, перечисленным во введении, а также с ранее выпускавшимися камерами Кт или Кд по схемам с управляемыми процессами. При этом типовые форсунки следует заменять широкофакельными.
1.4. Рекомендации можно использовать при проектировании круглогодично работающих установок кондиционирования воздуха для гражданских и промышленных зданий, рассчитываемых на параметры Б для холодного и теплого периодов. Для охлаждения воздуха в теплый период можно применять оросительные камеры или поверхностные воздухоохладители, а для увлажнения воздуха в холодный и переходный периоды года - оросительные камеры или блоки тепломассообмена.
1.5. Вместо традиционных схем установок с теплообменниками первого и второго подогрева и оросительными камерами, регулируемыми по точке росы (рис. 1), следует применять схемы установок кондиционирования воздуха и вентиляции с управляемыми процессами обработки воздуха в холодный и переходный периоды года как для прямоточных систем и систем с рециркуляцией внутреннего воздуха, так для однозональных и многозональных.
Рис. 1. Технологические схемы центральных однозональных кондиционеров
а - традиционная схема; б - схема кондиционера, регулируемого по методу «оптимальных режимов»; в - схема с управляемыми процессами обработки воздуха; 1, 3 - клапан воздушный; 2 - камера воздушная; 4 - фильтр; 5 - камера обслуживания; 6 - воздухонагреватель; 7 - камера орошения; 8 - блок присоединительный; 9 - вентиляторный агрегат
2.1. Управляемыми процессами адиабатного охлаждения и увлажнения воздуха названы процессы тепло- и влагообмена, в результате которых непосредственно после смесительных контактных аппаратов получают воздух с переменной температурой по сухому термометру при постоянной, фиксированной температуре по мокрому термометру (рис. 2, а).
Управляемые процессы адиабатной обработки воздуха (УПА) осуществляются в смесительных контактных аппаратах изменением расхода (давления) распыляемой рециркуляционной воды при постоянной ее температуре, которая соответствует температуре воздуха по мокрому термометру. Изменение давления рециркуляционной воды позволяет проводить процессы при переменной поверхности теплообмена между воздухом и водой.
2.2. Реализация УПА в смесительных контактных аппаратах (оросительных камерах) предусматривает применение специальных схем регулирования.
Температуру воздуха после смесительных контактных аппаратов регулируют путем воздействия датчика температуры воздуха в помещении (или в приточном воздуховоде) на клапаны, изменяющие расход воды в оросительной системе. В качестве регулирующих устройств могут быть также использованы гидромуфты или другие приспособления, изменяющие число оборотов электродвигателя насоса и т.п.
Рис. 2. Конечные параметры воздуха после смесительных контактных аппаратов
а - при применении управляемых процессов адиабатной обработки воздуха; б - в традиционных системах; 1, 3 - начальные параметры воздуха; 2 - конечные параметры при регулировании по методу «точки росы»; 4 - конечные параметры в системах с байпасом у камер орошения по методу «оптимальных режимов»; 5 - параметры смеси воздуха после камеры орошения и воздуха с начальными параметрами 3
Постоянную температуру воздуха по мокрому термометру поддерживают датчики температуры, устанавливаемые в поддоне (см. п. 3.4), воздействующие на устройства, изменяющие расход теплоносителя в теплообменнике первого подогрева или соотношение в смеси наружного и рециркуляционного воздуха.
2.3. Принцип УПА качественно отличается от традиционных методов регулирования систем вентиляции и кондиционирования воздуха (точки росы и оптимальных режимов).
Традиционные методы заключаются в получении и поддержании непосредственно после смесительных контактных аппаратов воздуха с постоянной, а не переменной температурой по сухому термометру при фиксированных значениях температуры по мокрому термометру, в том числе и при применении байпасных воздуховодов (рис. 2, б).
Параметры воздуха после смесительных контактных аппаратов при традиционных методах поддерживают, пользуясь одним датчиком, измеряющим температуру воздуха по сухому термометру. Это вызывает необходимость обязательного доведения воздуха в процессе орошения до состояния, близкого к параметрам насыщения, когда значения температур по сухому и мокрому термометрам близки друг другу или совпадают.
В большинстве случаев это приводит к охлаждению обрабатываемого воздуха ниже температуры притока, что и обусловливает перерасход тепла, холода, электроэнергии и распыляемой воды.
Установки кондиционирования воздуха и вентиляции с управляемыми процессами обладают существенными преимуществами по сравнению с традиционными решениями.
2.4. Применение управляемых процессов позволяет отказаться в большинстве случаев в однозональных системах от установки теплообменников второго подогрева и одной промежуточной секции (см. рис 1, в). При этом отпадает необходимость в устройстве: автономных систем теплоснабжения с бойлерами или смесительными насосами для теплообменников второго подогрева и систем автоматического регулирования работы теплообменников второго подогрева.
2.5. Применение управляемых процессов позволяет исключить устройство байпасных воздуховодов у камер орошения (см. рис. 1, б) и, следовательно, установку двух промежуточных секций в центральных кондиционерах (до и после оросительных камер) и одной с регулирующими клапанами, а также систему автоматического регулирования расхода воздуха по байпасной линии.
2.6. Исключение теплообменника второго подогрева и промежуточной секции позволит экономить в среднем 800 кг металла на одной установке. (Цифра приведена с учетом удельного количества кондиционеров каждой производительности по воздуху, выпускаемых Харьковским заводом «Кондиционер» в год.) При этом на 10 - 12 % уменьшается длина каждой установки кондиционирования воздуха или вентиляции (см. рис 1, в) и, следовательно, площади машинных залов, отводимые под эти установки.
2.7. Важным преимуществом управляемых процессов в системах вентиляции и кондиционирования воздуха, как показал термодинамический анализ, является экономия тепловой энергии, в холодный и переходный периоды года достигаемая как в прямоточных установках, так и системах, работающих с рециркуляцией.
Экономия тепла при работе прямоточных систем с управляемыми процессами достигается благодаря поддержанию в обслуживаемых помещениях оптимальных (или допустимых) параметров воздуха при минимальных значениях энтальпии и относительной влажности (j = 30 %).
Поддержание этих параметров обеспечивают управляемые процессы, позволяющие получить непосредственно после смесительных контактных аппаратов воздух с параметрами притока при различных значениях углового коэффициента е луча процесса в помещении.
Традиционные прямоточные системы вентиляции или кондиционирования воздуха (см. рис. 1, а), работающие с теплообменниками первого и второго подогрева и регулируемые по методу точки росы, не могут обеспечить в обслуживаемых помещениях оптимальной или допустимой температуры при минимальных значениях относительной влажности воздуха (30 %) и энтальпии.
Рис. 3. Процесс обработки воздуха в традиционной системе на I-d-диаграмме
Для получения этих параметров температура точки росы воздуха после оросительной камеры должна быть около 0 °С или ниже, что при адиабатном режиме работы смесительного контактного аппарата приведет к замерзанию циркуляционной воды. Поэтому энтальпия и относительная влажность воздуха в обслуживаемом помещении всегда будут больше минимально допустимых значений (рис. 3).
Разность энтальпий в точках а (минимальное значение) и l обусловливает перерасход тепла на 1 кг обрабатываемого воздуха. Как показывают расчеты в зависимости от процесса в помещении эта разность колеблется в среднем от 3,35 до 5,4 кДж/кг (0,8 до 1,3 ккал/кг). Средняя продолжительность стояния наружных температур воздуха до +5 °С (когда требуется увлажнение воздуха) составляет, как правило, не менее 3200 ч.
Экономия расхода тепла в прямоточных системах вентиляции и кондиционирования воздуха за холодный и переходный периоды составляет в среднем примерно 12570 кДж/кг (3000 ккал на 1 кг обрабатываемого воздуха).
При применении прямоточных систем с УПА (без теплообменников второго подогрева) определенная экономия достигается и на поверхностях нагрева. За счет повышения средней разности температур поверхность нагрева теплообменника первого подогрева должна быть меньше суммарной поверхности нагрева теплообменника первого и второго подогрева в традиционных системах при одинаковой температуре приточного воздуха.
Экономия тепла при применении рециркуляции в системах с управляемыми процессами достигается в результате следующего.
При обеспечении одинаковых параметров приточного воздуха исключается расход тепла в теплообменнике второго подогрева в течение холодного и переходного периодов и компенсируется этот расход естественными источниками тепла за счет использования повышения энтальпии наружного воздуха и более длительного периода использования тепла рециркуляционного воздуха.
В расчетный период, продолжительность которого невелика (7 - 8 % отопительного периода), тепловая нагрузка теплообменника второго подогрева должна компенсироваться первым подогревом в системе с управляемыми процессами.
Таблица 1
|
Зоны с расходом тепла |
Продолжительность периода при 10-часовой работе в день, ч |
Расход тепла, кДж/кг (ккал/кг) |
Экономия Тепла |
||||
|
ТР |
УПА |
ТР |
УПА |
кДж/кг (ккал/кг) |
% |
||
|
До Iтр |
А |
А |
280 |
3100 (740) |
3100 (740) |
0 |
0 |
|
От Iтр до Iуп |
Б |
Б |
1320 |
10590 (2530) |
3936 (940) |
6654 (1590) |
63 |
|
От Iуп |
В |
- |
210 |
1633 (390) |
(0) |
1633 (390) |
100 |
|
до |
Д |
Д |
130 |
1005 (240) |
84 (20) |
921 (220) |
92 |
|
От |
Е |
- |
130 |
670 (160) |
(0) |
670 (160) |
100 |
|
до |
З |
З |
350 |
1758 (420) |
482 (115) |
1276 (305) |
73 |
|
Всего до |
А + Б + В + Д + Е + З |
А + Б + Д + З |
2420 |
18758 (4480) |
7600 (1815) |
11158 (2665) |
59 |
Рис. 4. Сравнение на I-d-диаграмме режимов работы систем кондиционирования воздуха с рециркуляцией: УПА и традиционной:
(линия 23-24) - отключение
теплообменника первого подогрева в традиционных системах;
(линия 1-10)
- отключение теплообменника первого подогрева в системах с УПА;
(линия 12-13)
- традиционный процесс адиабатного увлажнения воздуха в оросительных камерах;
(линия 18-19)
- управляемый процесс адиабатного увлажнения воздуха
Рис. 5. Распыление воды типовыми форсунками с диаметром сопла 3,5 и 5 мм и широкофакельной форсункой ШФ 5/9, работающими при давлении 9,8 кПа
Рис. 6. Распыление воды типовыми форсунками с диаметром сопла 3,5 и 5 мм и широкофакельной форсункой ШФ 5/9, работающими при давлении 98 кПа
Применение управляемых процессов адиабатной обработки воздуха в системах с рециркуляцией приводит к сокращению годового расхода тепла более чем на 50 %. Результаты расчета экономии расхода тепла в системах с рециркуляцией УПА и традиционных (применительно к климатическим условиям гор. Москвы) приведены в табл. 1. Зоны нахождения наружных параметров обозначены на рис. 4.
2.8. Немаловажным преимуществам применения систем с УПА является использование в них широкофакельных форсунок ШФ 5/9, разработанных ЦНИИЭП инженерного оборудования.
Такие форсунки устойчиво работают в широком диапазоне давления воды перед ними, в том числе и в области малых давлений (от 15 кПа, или 0,15 ати) в отличие от типовых. Благодаря этому они позволяют в зависимости от расхода распыляемой воды плавно изменять площадь поверхности контакта между воздухом и водой и обеспечивать проведение управляемых процессов тепло- и влагообмена.
В широкофакельных форсунках отсутствует металлический вкладыш, который имеется у типовых форсунок, в связи с чем сокращается расход цветного металла.
Рис. 7. Расходная характеристика широкофакельных форсунок ШФ 5/9
кг/ч, где k = 415 - расходный коэффициент, Р - давление перед
форсунками, ати
Широкофакельные форсунки имеют диаметр выходного сопла 9 мм (при диаметре входа 5 мм), что позволило резко увеличить значения геометрической характеристики форсунок А до 4,26 вместо примерно 0,8 у ранее выпускавшихся. В связи с этим увеличился угол раскрытия факела широкофакельных форсунок до 140° вместо 70° у типовых (рис. 5 и 6) и существенно снизилась их дальнобойность, что положительно сказалось на работе выходного сепаратора оросительных камер ОКФ.
Кроме того, увеличение выходного диаметра сопла до 9 мм существенно снизило вероятность засоров.
В типовых центробежных форсунках, как правило, засоряются выходные сопла в результате падения в них до нуля осевой скорости.
Широкофакельные форсунки создают в среднем более мелкие капли, что дает возможность на 20 % увеличивать поверхность контакта, приходящуюся на 1 кг распыляемой воды.
Расходная характеристика широкофакельных форсунок приведена на рис. 7.
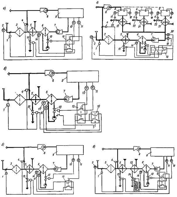
3.1. Установки кондиционирования воздуха и вентиляции с управляемыми процессами адиабатного увлажнения следует проектировать в соответствии с принципиальными схемами технологической обработки воздуха и схемами регулирования УПА-1, 2, 3, 4, 5.
3.2. Схема регулирования УПА-1 (рис. 8, а) с двумя датчиками температуры в помещении (регулирующим и контрольным) рекомендуется для наиболее широкого применения. Она обеспечивает поддержание требуемой температуры внутреннего воздуха при допускаемых нормами колебаниях его относительной влажности.
Схема регулирования УПА-2 (рис. 8, б) с двумя датчиками температуры (по мокрому термометру) в поддоне оросительных камер и двумя датчиками в помещении рекомендуется для помещений с резкими колебаниями внутренних тепло- и влаговыделений.
Схема регулирования УПА-3 (рис. 8, в) с двумя датчиками температуры (по мокрому термометру) в поддоне и корректировкой температуры мокрого термометра по величине относительной влажности воздуха в помещении рекомендуется в случае предъявления жестких требований к поддержанию относительной влажности воздуха.
Схема регулирования УПА-4 (рис. 8, г) рекомендуется для многозональных систем преимущественно в производственных зданиях. Датчики температуры (регулирующий и контрольный) следует при этом устанавливать в приточном воздуховоде, а точное регулирование температуры в каждой зоне производить с помощью зональных подогревателей.
Схема регулирования УПА-5 (рис. 8, д) рекомендуется для установок круглогодичного кондиционирования воздуха, в которых охлаждение воздуха в летнее время осуществляется в поверхностных воздухоохладителях или в БТМ. В зависимости от назначения круглогодичной установки регулирование в зимний и переходный периоды должно осуществляться по схемам УПА-1, 2 или 3.
Схема регулирования работы поверхностных воздухоохладителей должна приниматься в соответствии с традиционными решениями.
3.3. Технологические схемы установок кондиционирования воздуха и вентиляции и схемы автоматического регулирования управляемых процессов при адиабатном увлажнении воздуха в зависимости от характеристики тепловлажностных режимов в обслуживаемых помещениях и требований к поддержанию внутренних параметров должны приниматься в соответствии с данными, приведенными в табл. 2.
Рис. 8. Схемы автоматического регулирования
а - УПА-1; б - УПА-2; в - УПА-3; г - УПА-4; д - УПА-5; 1 - воздушный клапан с приводом; 2 - датчик температуры наружного воздуха; 3 - фильтр; 4 - воздушный клапан с приводом на рециркуляционном воздуховоде; 5 - калорифер первого подогрева; 6 - камера орошения; 7 - приточный вентилятор; 8 - вытяжной вентилятор; 9 - обслуживаемое помещение; 10 - датчики минимально допустимой температуры в помещении; 11 - датчик температуры в помещении; 12 - переключатель; 13 - клапан, регулирующий расход воды через форсунки камеры орошения; 14 - датчик температуры мокрого термометра приточного воздуха; 15 - клапан, регулирующий расход теплоносителя через калорифер первого подогрева; 16 - переключатель датчиков температуры мокрого термометра; 17 - датчик температуры мокрого термометра; 18 - датчик относительной влажности в помещении; 19, 20 - датчики температуры в приточном воздуховоде; 21 - зональный подогреватель; 22 - клапан, регулирующий расход теплоносителя через зональный подогреватель; 23 - поверхностный воздухоохладитель; 24 - клапан, регулирующий расход холодоносителя через поверхностный воздухоохладитель
Таблица 2
|
Характеристики тепловлажностного режима помещений |
Рекомендуемые схемы регулирования |
Примечания |
|
|
Общественные здания |
|||
|
Административные помещения, бюро, залы заседаний, помещения для ЭВМ, рестораны, больницы, магазины, театры, библиотеки и т.д. |
Постоянные теплопоступления с преобладанием их над теплопотерями (имеется система отопления) |
УПА-1 |
Наиболее предпочтительная схема для обычных установок кондиционирования и вентиляции (а.с. 846930, 827893) |
|
Школы, спортивные залы, выставочные павильоны, кинотеатры |
Переменные теплопоступления, при знакопеременном тепло-влажностном отношении |
УПА-2 |
Преимущественно в установках производительностью более 30 тыс. м3/ч воздуха (а.с. 342016, 827893) (а.с. 352093, 827893). |
|
Музеи, книгохранилища, кинофотохранилища и т.д. |
При нормировании и обосновании требований к поддержанию пределов изменения относительной влажности в помещениях |
УПА-3 |
|
|
Промышленные здания |
|||
|
Производственные помещения, в которых нормируется в холодный и переходный периоды минимальная относительная влажность |
Постоянные теплопоступления |
УПА-1 |
Наиболее предпочтительная схема. В переходный и теплый периоды года рекомендуется применение двухрядных оросительных камер для адиабатного охлаждения приточного воздуха |
|
Переменные теплопоступления |
УПА-2 |
В теплый период установки рассчитываются на параметры А |
|
|
Производственные помещения легкой и текстильной промышленности |
При нормировании и обосновании строгих требований к поддержанию относительной влажности |
УПА-1 совместно с системой доувлажнения УПА-3 |
_____________
* Рабочую документацию на все схемы регулирования (шифр Э-1467) можно заказать в ЦНИИЭП инженерного оборудования.
Рис. 9. Варианты установки датчика температуры мокрого термометра
а - выше уровня жидкости; б - ниже уровня жидкости
3.4. Схемы регулирования УПА следует собирать из выпускаемых отечественной промышленностью серийных приборов автоматического регулирования и управления.
В качестве датчика температуры мокрого термометра (ТМТ) используют стандартный погружной датчик температуры, устанавливаемый либо ниже уровня воды в стенке поддона, либо выше уровня воды в поддоне камеры орошения в смачиваемом тканевом чехле, конец которого опущен в воду (рис. 9).
3.5. В рекомендуемых схемах регулирования УПА при комфортном кондиционировании следует предусматривать отключение оросительных камер при температуре наружного воздуха более 3 - 5 °С. В этом случае влагосодержание наружного воздуха, как правило, достаточно для обеспечения в обслуживаемых помещениях требуемой минимальной относительной влажности равной 30 %.
Для обеспечения минимально допустимой относительной влажности в помещении (30 %) увлажнение наружного воздуха необходимо в период зимних температур (до +5 °С) в течение 3000 - 3500 ч, т.е. 2/3 отопительного периода.
3.6. В холодный и переходный периоды (в диапазоне температур наружного воздуха до 3 - 5 °С) допускается применять однорядные противоточные камеры, работающие при малых коэффициентах орошения (0,15 - 0,7) для обеспечения незначительного (до 1,5 - 2 г/кг сухого воздуха) увлажнения воздуха.
Для адиабатного охлаждения воздуха в теплый период (в диапазоне наружных температур от 15 °С до расчетных по параметрам А) рекомендуется в установленных оросительных камерах включать второй ряд форсунок.
При работе камеры на двух рядах необходимо открыть запорную арматуру (задвижки), установленную на оросительных камерах перед рядом, распыляющим воду по потоку воздуха.
описание работы схем автоматического регулирования
3.7. Схема УПА-1 автоматизации адиабатных управляемых процессов в холодный и переходный периоды года применяется при работе однозональных систем с рециркуляцией воздуха (для прямоточных систем в схеме исключается узел регулирования смеси). Схема применима в различных помещениях, в том числе с резким изменением тепловыделений. Она пригодна и в теплый период года для адиабатного охлаждения воздуха в системах рассчитываемых на параметры А.
Основная особенность схемы УПА-1 заключается в том, что температура воздуха в помещении поддерживается постоянной посредством регулирования величины охлаждения приточного воздуха в оросительной камере, при изменении расхода (давления) воды, распыляемой форсунками, по импульсу датчика температуры в помещении, который воздействует на исполнительный механизм (привод) клапана, установленного на нагнетательном трубопроводе перед оросительной системой с форсунками. При повышении температуры воздуха в помещении клапан открывается, а при ее понижении закрывается.
По датчику температуры в поддоне оросительной камеры (или мокрого термометра ТМТ) регулируют подогрев приточного воздуха: вначале воздействием на исполнительный механизм клапана, меняющего расход теплоносителя в теплообменнике первого подогрева, а затем на исполнительный механизм смесительных клапанов наружного и рециркуляционного воздуха.
Особенность работы датчика (ТМТ), установленного в поддоне оросительной камеры, заключается в его настройке на температуру воздуха по мокрому термометру, характеризующую энтальпию приточного воздуха. Дополнительный датчик температуры, реагирующий на резкое снижение температуры в помещении, через переключающее устройство переводит систему на новый режим работы, при котором по основному датчику температуры в помещении регулируются узлы, увеличивающие подогрев приточного воздуха, т.е. устройства, изменяющие расход воды в теплообменнике первого подогрева или соотношение в смеси наружного и рециркуляцинного воздуха. При этом датчик ТМТ отключается от передачи сигналов на узлы, регулирующие подогрев воздуха.
На аналогичный режим регулирования система переключается по сигналу датчика температуры наружного воздуха в момент отключения защиты от замораживания теплообменника первого подогрева. Это связано с тем, что при температуре наружного воздуха выше 3 ... 5 °С число часов стояния наружного воздуха с низкой абсолютной влажностью маловероятно (2 - 6 % общего числа часов за холодный и переходный периоды) и необходимость в увлажнении воздуха отпадает.
При достижении наружным воздухом температуры +10 °С система переключается на летний режим работы вручную. Одновременно, если в зимнем режиме использовалась однорядная камера, включается второй ряд форсунок. Работает только узел регулирования расхода воды в камере орошения по командам датчика температуры.
Система работает следующим образом.
В холодный период года смесительные клапаны обеспечивают подачу наружного воздуха и рециркуляционного воздуха.
Процесс подогрева смеси наружного и рециркуляционного воздуха в калорифере первого подогрева регулируют с помощью клапана по командам датчика температуры мокрого термометра, установленного в поддоне оросительной камеры. В оросительной камере воздух, подогретый до заданной температуры мокрого термометра, адиабатно увлажняется водой, расход которой регулируют клапаном. Изменяя расход воды по командам датчика температуры в помещении, поддерживают необходимую температуру воздуха после камеры орошения, соответствующую температуре приточного воздуха при заданной температуре мокрого термометра.
При повышении температуры наружного воздуха по команде датчика ТМТ уменьшается расход теплоносителя через теплообменники первого подогрева. После полного закрытия клапана на теплоносителе по сигналу концевого выключателя включается новая связь и по сигналу датчика ТМТ регулированием смесительных клапанов поддерживают заданную температуру мокрого термометра. При снижении температуры в помещении датчик этой температуры посредством смесительных клапанов повышает температуру смеси, а затем при недостаточном количестве тепла включает калорифер первого подогрева. Глубину адиабатного охлаждения воздуха регулируют, изменяя расход воды клапаном по сигналу датчика температуры в рабочей зоне помещения.
Режим работы системы изменяется, когда параметры наружного воздуха находятся в зоне, где температура ниже заданной температуры притока, но при этом его теплосодержание выше линии теплосодержания, заданного для адиабатного увлажнения воздуха в оросительной камере, т.е. выше настройки датчика температуры мокрого термометра. В этом случае температура в помещении будет ниже минимальной допустимой. Переключатель сработает по команде датчика минимальной температуры в помещении и температура смеси после первого подогрева будет регулироваться по команде датчика температуры в помещении.
Аналогичный режим работы устанавливается, когда по каким-либо причинам тепловыделения в помещении резко уменьшаются и температура воздуха снижается.
При повышении параметров наружного воздуха в переходный и теплый периоды в помещение поступает только наружный воздух, который при необходимости адиабатно увлажняется. В этом случае расход воды через клапан также регулируется по сигналам датчика.
Схема УПА-1 позволяет поддерживать в зимний и переходный периоды температуру воздуха в рабочей зоне без теплообменника второго подогрева.
3.8. Схема УПА-2 автоматизации управляемых процессов в холодный и переходный периоды года при работе однозональных систем с рециркуляцией воздуха (для прямоточных систем схема упрощается) применима в различных помещениях, в том числе с резкими изменениями тепловыделений. Она может быть пригодна в теплый период года, если по нормам приняты параметры А и по расчету адиабатного увлажнения воздуха достаточна для поддержания требуемых параметров.
Схему рекомендуется применять в помещениях с системами кондиционирования воздуха высокой производительности по воздуху и большим потреблением тепла. Эта схема из всех приведенных в настоящих Рекомендациях наиболее экономична, так как предусматривает не только минимальный расход тепла в расчетных режимах, но и сокращает его потребление при существенном увеличении внутренних тепловыделений.
В холодный период года схема работает аналогично УПА-1.
С повышением температуры воздуха в обслуживаемом помещении клапан, регулирующий расход воды в оросительной системе будет открываться. При определенном его положении сработает концевой выключатель, затем переключатель и подогрев воздуха будет осуществляться по командам второго датчика (ТМТ) до более низкой температуры мокрого термометра. Расход тепла сократится.
При резком снижении тепловыделений в помещении по команде датчика минимальной температуры сработает переключатель и регулирование калорифера первого подогрева или смесительных клапанов будет осуществляться непосредственно по командам основного датчика температуры в помещении.
Такой же режим регулирования будет, если температура наружного воздуха окажется выше заданной температуры мокрого термометра, но ниже необходимой температуры притока. В этом случае увлажнения воздуха не требуется.
3.9. Схема УПА-3 автоматизации управляемых процессов с поддержанием температуры и относительной влажности в помещении в холодный период года имеет два датчика температуры мокрого термометра, устанавливаемых в поддоне камеры орошения и настраиваемых на разные температуры. При отклонении относительной влажности в помещении от заданного значения она включается на новый режим подогрева воздуха. По команде датчика относительной влажности (см. М на рис. 8в) переключателем подключается второй датчик температуры мокрого термометра, воздействующий также как первый, на узлы регулирования подогрева воздуха перед камерой орошения. В результате обеспечивается требуемая относительная влажность в помещении при заданной температуре.
В остальном работа схемы УПА-3 аналогична режимам работы УПА-1.
РАСЧЕТ УПРАВЛЯЕМЫХ ПРОЦЕССОВ АДИАБАТНОГО УВЛАЖНЕНИЯ ВОЗДУХА
4.1. Управляемые процессы адиабатного увлажнения воздуха, в том числе и процессы, заканчивающиеся при высокой относительной влажности (j = 85 - 95 %), протекают в оросительных камерах при рециркуляции распыляемой воды tвн, которая при этом приобретает температуру воздуха, близкую к мокрому термометру tм, т.е. tвн = tм (рис. 10).
4.2. Расчет управляемых процессов адиабатного увлажнения и охлаждения воздуха в различных смесительных контактных аппаратах (оросительных камерах) следует проводить по аналитическим зависимостям [2]
![]()
или

где Zа - величина (параметр), характеризующая изменение температуры точки росы воздуха в процессе орошения его водой; tp1, tp2, tм1 - соответственно температуры точек росы воздуха до и после орошения и по мокрому термометру воздуха до орошения, °С; В - коэффициент орошения; W - количество распыляемой воды, кг/ч; G - количество обрабатываемого воздуха, кг/ч. Величина N определяется по формуле
![]()
где n - коэффициент пропорциональности, равный
![]()
где tc1, tc2 - температура воздуха по сухому термометру до и после орошения, °С; R - критерий, учитывающий влияние влагообмена на теплообмен.
Рис 10. Схема обработки и обозначения параметров воздуха на I-d-диаграмме для расчета управляемого адиабатного процесса
Критерий R определяется как
![]()
Здесь
производная
Лагранжа, где Рп, Рвн - парциональное
давление водяного пара в состоянии насыщения при tp1 и tвн = tм; a/bр -
отношение коэффициентов тепло- и влагообмена, для обычных условий работы оросительных
камер и градирен, равное 0,34; r -
скрытая теплота парообразования, для средних условий равная 2450 кДж/кг (585
ккал/кг).
При определении R можно также использовать приближенную формулу для Р¢(t)рo
![]()
Для облегчения расчетов при определении R следует использовать диаграмму, приведенную на рис. 11.
4.3. Формулы для расчета управляемых процессов адиабатного увлажнения воздуха, а также традиционных процессов в камерах производительностью 10 ... 250 тыс. м3/ч приведены в табл. 3.
Конструктивные характеристики камер орошения и увлажнительных систем с широкофакельными форсунками ШФ 5/9, для которых следует использовать эти формулы, приведены в табл. 4.
4.4. При применении оросительных камер для адиабатного увлажнения и охлаждения воздуха в холодный и переходный периоды не следует использовать технические решения, при которых требуется получать воздух после камер орошения с большой относительной влажностью (около 95 %). Это приведет к существенному перерасходу энергии. Кроме того, увеличение конечной относительной влажности воздуха после орошения (например, с 90 до 95 %) требует также неоправданно высоких коэффициентов орошения.
Рис. 11. Диаграмма для определения критерия R и пример расчета tp = -28 °C, tвн = 6 °С, tp - tвн = -34 °С, составит 1,45
Таблица 3
|
Расчетные уравнения для определения |
||
|
Za |
B |
|
|
Двухрядные камеры орошения ОКФ (исполнение 2) |
||
|
Однорядные противоточные камеры ОКФ (исполнение 2), ОКС; блоки тепломассообмена БТМ-2 |
||
|
Однорядные противоточные камеры ОКФ (исполнение 1) |
||
|
Двухрядные камеры орошения ОКФ (исполнение 1) |
||
|
Двухрядные секции орошения 2ПК |
||
|
Однорядные противоточные секции 2ПК |
||
Для получения после орошения воздуха с малыми значениями конечной относительной влажности (значения Za составляют 0,2 - 0,9) рекомендуется применять однорядные оросительные камеры, для получения воздуха с большими значениями j2 (не более 0,93, Zа равно 0,4 - 0,98) - двухрядные оросительные камеры.
Таблица 4
|
Число рядов форсунок |
Направление распыления воды |
Средняя плотность расположения форсунок в ряду, шт/м2×ряд |
Способ реализации конструктивного варианта |
Номера расчетных уравнений (табл. 3) |
|
|
Камеры орошения ОКФ (исполнение 2) |
2 |
Взаимовстречное |
~22,5 |
Типовое решение завода-изготовителя |
|
|
Камеры орошения ОКФ (исполнение 2) |
1 |
Против потока воздуха |
~20 |
Первый ряд форсунок, распыляющих воду по потоку воздуха, отключается |
|
|
Камеры орошения ОКС |
1 |
~20 |
Политропическая система орошения отключается |
||
|
Блоки тепломассообмена БТМ-2 |
1 |
~20 |
Типовое решение завода-изготовителя |
||
|
Камеры орошения ОКФ (исполнение 1) |
1 |
~15 |
Первый ряд форсунок, распыляющих воду по потоку воздуха, отключается |
||
|
Камеры орошения ОКФ (исполнение 1) |
2 |
Взаимовстречное |
~18 |
Типовые решения завода-изготовителя |
|
|
Секции орошения 2ПК |
2 |
То же |
18 |
Типовые решения |
|
|
1 |
Против потока воздуха |
Первый ряд форсунок отключается |
Примечание. Производительность камер орошения и блоков тепломассообмена БТМ-2 для кондиционеров КТЦ 2 составляет 10 - 250 тыс. м3/ч, секций орошения для систем вентиляции 10 - 150 тыс. м3/ч.
4.5. По формулам, приведенным в табл. 3, может быть определен коэффициент орошения В при предельном значении Za = l, соответствующем относительной влажности воздуха после орошения, равной 100 %. При реальных расчетах величина Zа не должна превышать 0,98, а также значений, указанных в п. 4.4.
4.6. Для обеспечения надежной работы оросительных камер в холодный переходный периоды года температура мокрого термометра после орошения, так же как и для настройки датчиков температур в поддоне оросительных камер, должна выбираться, как правило, в диапазоне 5 - 28 °С.
Минимальное давление воды перед форсунками в оросительных камерах рекомендуется поддерживать не менее 15 кПа (0,15 ати), максимальное, как правило, не должно превышать 295 кПа (3,0 ати).
4.7. Расчет двухрядных оросительных камер ОКФ на режим с понижением энтальпии воздуха следует проводить по методике, приведенной в пп. 4.11 - 4.13.
4.8. В качестве установки кондиционирования воздуха, работающей круглогодично с управляемыми процессами, в настоящее время может быть рекомендована схема с применением камер ОКФ или схема на основе БТМ-2. В последней охлаждение и осушение воздуха осуществляется в теплый период года в поверхностных воздухоохладителях, а в холодный - подогрев происходит в теплообменнике первого подогрева и увлажнение по схеме УПА в оросительной системе БТМ-2. При этом отпадает необходимость в установке теплообменника второго подогрева.
4.9. Для облегчения расчетов управляемых адиабатных процессов увлажнения и охлаждения воздуха по формулам, приведенным в табл. 3, следует использовать номограммы (рис. 12).
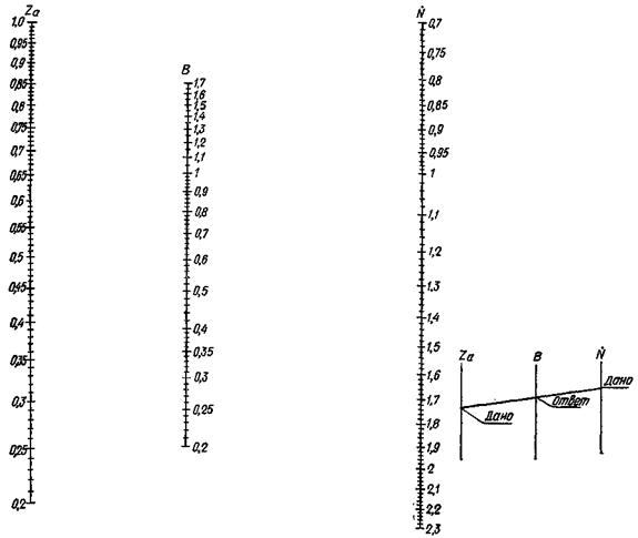
Номограмма 1 составлена по формуле
![]()
![]()
Номограмма 2 составлена по формулам (3) - (6), приведенным в табл. 3. На номограмме 2 правая шкала Za - для однорядных противоточных оросительных камер ОКФ (исполнение 1) средней плотностью расположения форсунок 15 шт./м2 в ряду, левая шкала Za - для однорядных камер ОКФ (исполнение 2) и для увлажнительных систем в камерах ОКС и блоках БТМ-2 при средней плотности расположения форсунок 20 шт/м2 в ряду.
Рис. 12. Номограмма 1 для расчета управляемых процессов адиабатного увлажнения воздуха в двухрядных оросительных камерах ОКФ (исп. 2)

Рис. 12. Номограмма 2 для расчета управляемых процессов адиабатного увлажнения воздуха в однорядных противоточных камерах
4.10. Методика расчета прямых задач заключается в следующем.
При известных tc1, tp1, tм, tс2, tр2 вначале вычисляют значения Za и коэффициент п. По значениям разности (tр1 - tм1) и tм1 по диаграмме (см. рис. 11) определяют критерий R и величину R - 1.
Затем вычисляют значение ![]()
По номограммам 1 или 2 (см. рис. 12) при известных Za и N вычисляют расчетный коэффициент орошения (В). Аналогичные расчеты выполняются по формулам, приведенным в табл. 3.
Применение методики иллюстрируется примерами расчета 1 - 5.
РАСЧЕТ УПРАВЛЯЕМЫХ ПОЛИТРОПИЧЕСКИХ ПРОЦЕССОВ ОБРАБОТКИ ВОЗДУХА С ПОНИЖЕНИЕМ ЕГО ТЕПЛОСОДЕРЖАНИЯ
4.11. Управляемые политропические процессы обработки воздуха с понижением его теплосодержания, в том числе и процессы, заканчивающиеся при высокой относительной влажности (86 - 95 %), протекают в оросительных камерах при подаче охлажденной воды в систему орошения.
4.12. Расчет управляемых политропических процессов с понижением теплосодержания воздуха следует проводить по аналитическим зависимостям [3]
(11)
Рис. 13. Номограмма для расчета политропических процессов с понижением энтальпии воздуха
(12)
где
- параметр, характеризующий
изменение теплосодержания воздуха в процессе тепломассообмена*;
____________
* Из [3] известно,
что ![]()
Zt - параметр, характеризующий изменение температур в процессе тепломассообмена;
- производная Лагранжа;
- коэффициент
пропорциональности;
I1, I2 - теплосодержание воздуха до и после орошения, кДж/кг (ккал/кг);
Iвн - теплосодержание воздуха в состоянии насыщения при начальной температуре воды, кДж/кг (ккал/кг);
tвн; tвк - начальная и конечная температура распыляемой воды, град;
C1 ... С6 - эмпирические коэффициенты.
4.13. Формулы для расчета процессов обработки воздуха с понижением его теплосодержания приведены в табл. 5. Они справедливы для расчета двухрядных камер орошения ОКФ (исполнение 2). При расчете по указанным формулам двухрядных камер ОКФ (исполнение 1) и двухрядных секций орошения 2ПК следует учитывать повышение их теплотехнической эффективности в среднем на 2 - 4 %.
Для облегчения расчетов рекомендуется пользоваться номограммой на рис 13, составленной по формулам табл. 5.
4.14. Методика расчета управляемых, а также и традиционных процессов обработки воздуха с понижением его теплосодержания при решении прямых задач сводится к следующему.
При заданных I1, I2, Iвн вычисляют
значение
.
По значениям разности tр - tвн при tвн по диаграмме на рис. 11 определяют критерий R и значение коэффициента P¢(t)po.
Затем вычисляют по формуле (14) в табл. 5 значение В.
Воспользовавшись уравнением теплового баланса I1 - I2 = B(tвк - tвн), находят значение tвк.
По известным параметрам воздуха и воды I1, Iвн, tc1 и tвн вычисляют величину P¢(t)Io.
Подставив в формулу (15) в табл. 5 значения величин P¢(t)Io и В, получают значение величины Zt. Зная Zt, определяют температуру воздуха после его обработки (tc2). Аналогичные результаты расчетов получают при использовании номограммы на рис. 13.
Применение методики иллюстрируется примерами 6 и 7.
Таблица 5
|
Расчетные уравнения для определения |
||
|
|
Zt |
|
|
Двухрядные камеры орошения ОКФ (исполнение 2) |
|
|
Пределы: 1,8 > В > Впр; Bпр = [1,5P¢(t)Io - 0,163]/0,91; 6° £ tвн < tм1.
5.1. Расход воды, распыляемой в оросительных камерах с широкофакельными форсунками, следует изменять посредством регулирующих клапанов, устанавливаемых в циркуляционной сети в соответствии со схемами, приведенными на рис. 14.
5.2. Регулирующие клапаны следует располагать на нагнетательной линии циркуляционных насосов перед стояками с форсунками в тех случаях, когда установки вентиляции и кондиционирования воздуха работают в холодный и переходной периоды при небольших коэффициентах орошения, которые обеспечивают комфортные или допустимые параметры при минимальных значениях энтальпии и относительной влажности воздуха в обслуживаемых помещениях.
При этом рекомендуется применять однорядные противоточные оросительные камеры (в двухрядных типовых камерах отключается один ряд с форсунками, распыляющими воду по потоку воздуха).
Для камер орошения большой производительности допускается установка параллельно двух клапанов на нагнетательной линии.
5.3. Регулирующие клапаны следует располагать на обводной линии циркуляционных насосов, если установки вентиляции и кондиционирования должны работать при больших коэффициентах орошения, которые обеспечивают минимальные перепады температуры между приточным воздухом и воздухом в помещениях.
В этих случаях рекомендуется применять в холодный, переходный, а также в теплый периоды года двухрядные оросительные камеры.
5.4. Расчет и выбор регулирующих клапанов следует производить в соответствии с ГОСТ 14691-69 (прил. 1). При этом следует иметь в виду, что для нормальной работы регулирующего клапана потери напора должны составлять не менее 30 - 50 % потерь напора на нагнетательной линии циркуляционного насоса.
5.5. Циркуляционные насосы для управляемых процессов адиабатной обработки воздуха следует подбирать исходя из условия обеспечения максимального коэффициента орошения (максимального расчетного количества распыляемой воды).
Рис. 14. Обвязка камеры орошения
а - вариант 1; б - вариант 2; в - вариант 3; 1 - камера орошения; 2 - регулирующий клапан; 3 - насос; 4 - обратный клапан
Рис. 15. Процессы обработки воздуха в системе с УПА на I-d-диаграмме (к примеру 1)
Пример 1. Расчет прямоточной системы кондиционирования воздуха для помещений с постоянными тепловлаговыделениями
Исходные данные
Расчетные параметры наружного воздуха Б для холодного периода (г. Москва): tн = -25 °С, Iн = -24,4 кДж/кг (-5,8 ккал/кг); барометрическое давление 96,2 кПа (745 мм рт.ст.).
Производительность системы по воздуху - 30000 м3/ч.
Угловой коэффициент луча процесса в помещении (e) - 10920 кДж/кг влаги (2600 ккал/кг влаги); ассимиляционная способность приточного воздуха 1 г/кг; перепад температур между приточным воздухом и воздухом в помещении 7 °С.
Теплопотери помещения компенсируются работой системы отопления.
Параметры воздуха в помещении должны поддерживаться в пределах комфортной зоны: tc = 20 - 22 °С; j = 30 - 45 %.
Требуется
Выбрать технологическую схему системы, обеспечивающую в обслуживаемом помещении оптимальные условия в холодный и переходный периоды года при минимальном расходе тепла.
Построить процессы обработки воздуха на I-d-диаграмме.
Рассчитать оросительную камеру.
Выбрать систему автоматизации.
Произвести сравнение теплотехнических параметров системы с управляемыми процессами с традиционным решением.
Решение
Система с управляемыми процессами
1. Для поддержания в обслуживаемом помещении в холодный и переходный периоды оптимальных параметров воздуха принимаем прямоточную однозональную установку кондиционирования воздуха с теплообменником первого подогрева и оросительной камерой, обеспечивающей адиабатный процесс увлажнения обрабатываемого воздуха. Теплообменник второго подогрева (см. рис 1, в) не устанавливаем.
Установка комплектуется типовыми секциями центральных кондиционеров КТЦ 2-31,5. Принимается базовая схема 1.1 или 1.2 в зависимости от требуемой поверхности нагрева теплообменника.
2. Для определения параметров воздуха на I-d-диаграмме (рис. 15) строим четырехугольник нормируемых внутренних параметров воздуха в соответствии с исходными данными, а затем четырехугольник параметров приточного воздуха. Для этого через вершины углов четырехугольника внутренних параметров под заданным e (e = 10920 кДж/кг (2600 ккал/кг) и Dd = 1 г/кг сух. воздуха) проводим четыре луча процесса. На каждом луче откладываем величину рабочего перепада температур, равную 7 °С. Через полученные точки проводим вниз вертикальные линии, характеризующие подогрев воздуха в вентиляторе и воздуховодах на 1 °С, и строим четырехугольник параметров приточного воздуха до вентилятора.
После этого строим изоэнтальпу процесса адиабатного увлажнения воздуха в оросительной камере. Для этого проводим линию I = const через точку С, соответствующую левому нижнему углу многоугольника притока (tc = 12 °С и I = 20,9 кДж/кг (5,0 ккал/кг). Линию I = const продолжаем до точки Е (j = 100 %) и до пересечения с линией подогрева воздуха в теплообменнике первого подогрева (точка В).
В результате построений на I-d-диаграмме определяем:
параметры воздуха после теплообменника первого подогрева и до оросительной камеры (точка В): tс = 19,8 °С, tм = 6 °C, I = 20,9 кДж/кг (5,0 ккал/кг), tp = -28 °С;
параметры воздуха после оросительной камеры (точка С) tс2 = 12 °С; tм = 6 °С; I = 20,9 кДж/кг (5 ккал/кг); tp2 = -1,3 °С;
температуру циркулирующей в оросительной камере воды (точка Е); tвн = tм = 6 °С.
Полученные параметры отвечают требованиям п. 4.6 настоящих Рекомендаций (tм > 5 °С).
При отсутствии ограничений, например температуры приточного воздуха и т.п., допускается обратная последовательность построения процессов обработки воздуха.
Для определения минимального расхода тепла на обработку (подогрев и увлажнение) наружного воздуха вначале строится изоэнтальпа I = 20,9 кДж/кг (5,0 ккал/кг) при tм = 6 °С через точку Е (см. п. 4.6 Рекомендаций). Затем через точку D, соответствующую внутренним параметрам воздуха в помещении при минимальных температуре, относительной влажности и энтальпии, проводится луч процесса с угловым коэффициентом e.
Принимая подогрев воздуха в вентиляторе и воздуховодах равным 1 °С, определяют параметры воздуха (точка С) после оросительной камеры. Рабочий перепад температур между приточным воздухом и в обслуживаемом помещении, а также производительность установки по воздуху в этом случае устанавливают на основании данных построений.
3. С учетом производительности системы принимаем оросительную камеру ОКФ-30 (03.01300) с широкофакельными форсунками (прил. 2).
В соответствии с требованиями п. 3.9 разд. 3 настоящих Рекомендаций и незначительной величиной увлажнения приточного воздуха в холодный и переходный периоды (см. на рис. 15 величину Dd между точками С и В) принимаем однорядную противоточную камеру. Первый ряд форсунок по ходу воздуха в двухрядной камере ОКФ в холодный и переходный периоды должен быть отключен.
Для увеличения диапазона регулирования коэффициента орошения выбираем камеру ОКФ с большей плотностью установленных форсунок - исполнение 2. Общее число форсунок в противоточном ряду i составляет 55.
Определяем величину Za относительного изменения температуры обрабатываемого воздуха
При tp1 = -28 °С и tр2 = -1,3 °C, tм = 6 °C
![]()
Затем определяем значение критерия R.
При tм = tвн = 6 °С, tp = -28 °С
и (tp - tвн)
= -34 °С по диаграмме (см.
рис. 11) R составит 1,45, соответственно ![]()
Коэффициент орошения (В) рассчитываем по формуле (4), приведенной в табл. 3.
Вначале определяем коэффициент
При значениях tc1, tc2, tp1, tp2 приведенных в исходных данных
![]()
Вычисляем
При известных R - 1 и ![]()
Тогда, 
Аналогичный результат (0,58) получается при определении В по номограмме 2 (см. рис. 12, б).
Определяем расход распыляемой воды
W = BG = BLg = 0,585×30000×1,2 = 21060 кг/ч.
Определяем давление воды перед форсунками. По графику (см. рис. 7) при производительности одной форсунки
q = W/i = 21060/55 = 383 кг/ч оно составит 83 кПа (0,85 ати).
Аналогичный результат получается при определении Рф по формуле, приведенной на рис. 7:

4. Схему установки регулирующего клапана выбирают в соответствии с требованиями п. 5.2 Рекомендаций. Учитывая малую величину расчетного коэффициента орошения, регулирующий клапан для изменения расхода воды, распыляемой в оросительной камере, устанавливают на нагнетательном трубопроводе после насоса по схеме (см. рис. 14, а).
5. При выборе циркуляционного насоса определяем напор насоса с учетом потерь давления в циркуляционной сети, в форсунках и регулирующем клапане.
Суммарную величину потерь давления в циркуляционной сети DН ати принимаем условно равной 98 кПа (10 м вод.ст.) в связи с тем, что ее следует рассчитывать в зависимости от конкретной циркуляционной сети, потерь напора в обратном клапане, устанавливаемом, как правило, до насоса, геометрической высоты подъема воды от уровня в поддоне до оси трубопровода верхнего распределительного коллектора и потерь давления в различных местных сопротивлениях, водяном фильтре, запорной арматуре и т.д.
Потери напора в регулирующем клапане определяют (см. п. 5.4) как
DНкл = (Рф + DНсети)k = (0,85 + 1,0) 0,3 = 54,4 кПа (0,555 ати).
Напор воды, развиваемый циркуляционным насосом, должен составлять
Н = DНкл + Рф + DНсети = 0,555 + 0,85 + 1,0 = 236 кПа (2,41 ати).
При известных расходе циркуляционной воды, равном 21060 кг/ч, и напоре 24,05 м по каталогу подбираем насос: К 20/30 (D2 = 162 мм) при кпд = 0,63. Фактический напор составит 245 кПа (2,5 ати). Потребляемая мощность при коэффициенте запаса 1,3 составит
![]()
По каталогу выбираем электродвигатель А02-31-2 с установочной мощностью 3 кВт.
6. В соответствии с характеристиками (см. прил. 1) подбираем регулирующий клапан.
При определенных потерях в клапане, равных 5,55 м и W = 21060 кг/ч, принимаем двухседельный клапан Dу = 50, kvу = 40.
7. Схему автоматического регулирования выбираем в соответствии с рекомендациями п. 2.5 и данными табл. 1.
Для помещений с избытком тепла, в которых отсутствуют резкие колебания внутренних тепло- и влаговыделений, принимаем схему автоматического регулирования УПА-1 см. (рис. 8, а).
Принятая к установке система кондиционирования воздуха прямоточная, поэтому узел регулирования смеси наружного воздуха с рециркуляционным исключается.
Традиционная система
1. Для поддержания в обслуживаемом помещении в холодный и переходный периоды оптимальных параметров воздуха принимаем прямоточную однозональную установку кондиционирования воздуха с теплообменниками первого и второго подогрева и оросительной камерой, обеспечивающей адиабатный процесс увлажнения обрабатываемого воздуха (см. рис. 1, а).
Производительность кондиционера по воздуху 30000 м3/ч.
Установка компонуется типовыми секциями центральных кондиционеров КТЦ 2-31,5. Принимается одна из базовых схем 1.3 ... 1.8 в зависимости от требуемой поверхности нагрева теплообменников.
2. Для определения параметров воздуха на I-d-диаграмме (см. рис. 3) строим четырехугольник нормируемых внутренних параметров воздуха в соответствии с исходными данными, а затем, четырехугольник параметров приточного воздуха. Для этого через вершины углов четырехугольника внутренних параметров под заданным e (e = 2600 и Dd = l г/кг сухого воздуха) проводим четыре луча процесса. На каждом луче откладываем величину рабочего перепада температур, равную 7 °С. Через полученные точки проводим вниз вертикальные линии, характеризующие подогрев воздуха в вентиляторе и воздуховодах на 1 °С, и строим четырехугольник параметров приточного воздуха до вентилятора.
Опускаем из левого нижнего угла многоугольника притока вертикаль до пересечения с кривой j = 90 % (процесс обработки воздуха в калорифере второго подогрева). Координаты полученной точки g: tм = -0,8 °С, tс = -0,1 °С.
При этих параметрах работа камеры орошения невозможна.
Необходимо выбрать температуру воздуха по мокрому термометру не ниже +5 °С (см. п. 4.6 Рекомендаций).
Выбираем точку j с координатами tм = +6 °С; tc = 6,7 °С (параметры воздуха после камеры орошения) и переносим линию второго подогрева правее. Новые параметры приточного воздуха до вентилятора (точка K) и соответственно воздуха в помещении (точка l) будут следующими: tc1 = 12 °C и tc2 = 20 °С; j = 44 %.
Таким образом, традиционная система в связи с ее технологическими особенностями не может работать с минимальным расходом тепла, поддерживая минимальную относительную влажность в помещении (в данном случае - минимальное теплосодержание).
Проводим вертикаль через точку е, характеризующую расчетные параметры наружного воздуха (tc = -25 °С, I = -24,4 кДж/кг, (-5,8 ккал/кг) до пересечения с изоэнтальпой (адиабатой), которая проходит через точку j начала второго подогрева. Получаем точку состояния воздуха после калорифера первого подогрева в начале процесса адиабатного увлажнения воздуха (точка i) с координатами: tc = 19,8 °C; tм = 6 °С.
В результате построений на I-d-диаграмме определяем:
параметры воздуха после теплообменника первого подогрева и до оросительной камеры (точка i): tc1 = 19,8 °С, tм = 6 °С, I = 20,9 кДж/кг (5 ккал/кг), tp1 = -28 °С;
параметры воздуха после оросительной камеры (точка j) tc2 = 6,7 °С, tм = 6 °С, I = 20,9 кДж/кг (5 ккал/кг), tp2 = 4,9 °С;
параметры воздуха (приточного) после теплообменника второго подогрева (точка k) tc = 12 °С; I = 26,2 кДж/кг (6,25 ккал/кг), tм = 8,5 °С.
Температура циркулирующей в оросительной камере воды составит tвн = tм = 6 °С.
Полученные параметры отвечают требованиям п. 4.6 настоящих Рекомендаций (tм > 5 °С).
3. С учетом производительности системы к установке принимаем оросительную камеру ОКФ-30 (03.01300) с широкофакельными форсунками (см. прил. 2) и с большей плотностью установки форсунок - исполнение 2.
Общее количество i установленных в камере форсунок ШФ 5/9 составляет 135.
Определяем по формуле (16) величину Za. При tм = 6 °С; tр1 = -28 °С и tp2 = 4,9 °C,
![]()
Затем определяем значения критерия R при tм = tвн = 6 °С, tp = -28 °С и (tр - tвн) = -34 °С. На диаграмме (см. рис. 11) находим R = 1,45, соответственно R - 1 = 0,45.
Рассчитываем коэффициент
орошения (73) по формуле (2),
приведенной в табл. 3. Вначале
находим n по формуле (17) и
по формуле (18):
![]()
Тогда, 
По номограмме 2 на рис. 12, б при тех же исходных данных получим аналогичный результат В = 1,45.
Определяем расход распыляемой воды
W = BG = BLg = 1,45 × 30000 × 1,2 = 52200 кг/ч.
Определяем давление воды перед форсунками. По графику (см. рис. 7) при q = 52200/135 = 387 кг/ч оно составляет 85 кПа (0,87 ати).
Аналогичный результат получим и по формуле

4. При выборе циркуляционного насоса определяем необходимый напор воды. Принимаем потери в сети условно равными 78 кПа (0,8 ати). Тогда Рн = 0,87 + 0,8 = 163 кПа (1,67 ати).
По каталогу для данных
параметров подбираем насос К45/30 (D2 = 143 мм). При подаче 52,2 м3/ч
напор воды составит 167 кПа (1,7 ати), КПД = 0,74. Потребляемая мощность с
учетом коэффициента запаса, равного 1,25, составит ![]()
По каталогу выбираем электродвигатель А02-41-2 с установочной мощностью 5,5 кВт.
5. Для традиционной системы (см. рис. 1, а) применяется схема автоматического регулирования с поддержанием постоянного значения температуры точки росы воздуха, обрабатываемого в камере орошения.
Результаты расчетов, приведенных в Рекомендациях примеров, даны в табл. 6. Следующие примеры расчета даны в сокращенном варианте.
Исходные данные
Расчетные параметры наружного воздуха Б для холодного периода (г. Москва): tн = -25 °С; Iн = -24,4 кДж/кг (-5,8 ккал/кг); барометрическое давление 96,2 кПа (745 мм рт.ст.).
Производительность системы по воздуху - 30000 м3/ч, рециркуляция до 50 %.
Угловой коэффициент луча процесса в помещении e = 10920 кДж/кг влаги (2600 ккал/кг влаги); ассимиляционная способность приточного воздуха 1 г/кг; перепад температур между приточным воздухом и воздухом в помещении 7 °С.
Теплопотери помещения компенсируются работой системы отопления.
Параметры воздуха в помещении должны поддерживаться в пределах комфортной зоны: tв = 20 - 22 °С; j = 30 - 45 %.
Таблица 6
|
W, кг/ч |
Рф, кПа (ати) |
Ркл, кПа (ати) |
kvy |
Dy |
Тип насоса (диаметр, мм) |
Nпотр, кВт |
Nуст, кВт |
||
|
1 |
УП* |
21060 |
83 (0,85) |
54 (0,56) |
40 |
50 |
К20/30 (148) |
2,96 |
3 |
|
ТР** |
52200 |
85 (0,87) |
- |
- |
- |
К45/30 (143) |
4,08 |
5,5 |
|
|
2 |
УП |
9800 |
18 (0,18) |
35 (0,35) |
16 |
32 |
К8/18 (105) |
0,56 |
1,1 |
|
ТР |
45940 |
66 (0,67) |
- |
- |
- |
К45/30 (143) |
3,8 |
5,5 |
|
|
3 |
УП |
13100 |
32 (0,33) |
40 (0,41) |
25 |
50 |
К8/18 (115) |
1,12 |
1.5 |
|
ТР |
57420 |
100 (1,02) |
- |
- |
- |
К90/20 (136) |
5,2 |
5,5 |
|
|
4 |
УП |
180000 |
52 (0,53) |
80 (0,81) |
100 |
80 |
К160/30 (310) |
21 |
22 |
|
ТР |
219000 |
77 (0,79) |
- |
- |
- |
К290/30 (300) |
25,8 |
30 |
|
|
5 |
УП |
52400 |
59 (0,6) |
29 (0,3) |
40 |
80 |
К90/20 (136) |
5,45 |
5,5 |
_____________
* УП - управляемые процессы.
** ТР - традиционные системы.
Требуется
Выбрать технологическую схему системы, обеспечивающую в обслуживаемом помещении оптимальные условия в холодный и переходный периоды года при минимальном расходе тепла.
Построить процессы обработки воздуха на I-d-диаграмме.
Рассчитать оросительную камеру.
Выбрать систему автоматизации.
Произвести сравнение теплотехнических параметров системы с управляемыми процессами с традиционным решением.
Решение
Система с управляемыми процессами
1. Для поддержания в обслуживаемом помещении в холодный и переходный периоды оптимальных параметров воздуха принимаем рециркуляционную однозональную установку кондиционирования воздуха с теплообменником первого подогрева и оросительной камерой, обеспечивающей адиабатный процесс увлажнения обрабатываемого воздуха. Теплообменник второго подогрева не устанавливаем.
Установка комплектуется типовыми секциями центральных кондиционеров КТЦ 2-31,5. Принимается базовая схема 2.1 или 2.2 в зависимости от требуемой поверхности нагрева теплообменника.
2. Построение процессов обработки воздуха на I-d-диаграмме показано на рис. 16 (см. также п. 2 в примере 1).
Параметры наружного воздуха (точка А) tн = -25 °С; Iн = -24,4 кДж/кг (-5,8 ккал/кг).
Параметры рециркуляционного воздуха (точка В):
t = 20 °С; I = 31,5 кДж/кг (7,5 ккал/кг).
Параметры смеси (точка С):
tсм = 0,5 × 20 + 0,5(-25) = -2,5 °С;
Iсм = 0,5 × 7,5 + 0,5(-5,8) = 3,6 кДж/кг (0,85 ккал/кг).
В результате построений на I-d-диаграмме определяем параметры воздуха:
после теплообменника первого подогрева и до оросительной камеры (точка D): tc1 = 14,3 °C; tм = 6 °С; I = 20,9 кДж/кг (5 ккал/кг) tp1 = -5,5 °С.
После оросительной камеры (точка Е): tc2 = 12 °C; tм2 = 6 °С; I = 20,9 кДж/кг (5 ккал/кг) tp = -1,3 °С.
Температура циркулирующей в оросительной камере воды: tвн = tм = 6 °С.
Полученные параметры отвечают требованиям п. 4.6 настоящих Рекомендаций (tм > 5 °С).
3. К установке принимаем блок БТМ-2 (03.02120) с широкофакельными форсунками (см. прил. 2).
Определяем величину Za по формуле (16).
При tм1 = 6 °C, tp1 = -5,5 °С, tс2 = 12 °С, tр2 = -1,3 °С
![]()
Затем определяем значение критерия R.
При tр = -5,5 °С, tм = tвн = 6 °С и (tр - tвн) = 11,5° (см. рис. 11) находим R = 1,8 и соответственно R - 1 = 0,8.
Коэффициент орошения (В) рассчитываем по формуле (4), приведенной в табл. 3, или по номограмме 2 (см. рис. 12, б).
Рис. 16. Процессы обработки воздуха в системе с УПА на I-d-диаграмме (к примеру 2)
Для этого вычисляем
![]()
Тогда

Данные по подбору насоса и регулирующего клапана приведены в табл. 6.
4. Схему установки регулирующего клапана выбирают в соответствии с требованиями п. 5.2 настоящих Рекомендаций. Учитывая малую величину расчетного коэффициента орошения, регулирующий клапан для изменения расхода воды, распыляемой в оросительной камере, устанавливают на нагнетательном трубопроводе после насоса (см. рис. 14, а).
5. Схему автоматического регулирования выбирают в соответствии с рекомендациями п. 3.1 и данными табл. 1.
Для помещений с избытком тепла, в которых отсутствуют резкие колебания внутренних тепло- и влаговыделений, выбираем схему автоматического регулирования УПА-1 см. рис. 8, а).
Традиционная система
1. Для поддержания в обслуживаемом помещении в холодный и переходный периоды оптимальных параметров воздуха принимаем рециркуляционную однозональную установку кондиционирования воздуха с теплообменниками первого и второго подогрева и оросительной камерой, обеспечивающей адиабатный процесс увлажнения обрабатываемого воздуха (см. рис. 1, а). Производительность кондиционера по воздуху - 30000 м3/ч.
Установка компонуется типовыми секциями центральных кондиционеров КТЦ 2-31,5. Принимается одна из базовых схем 2,5 ... 2,8 в зависимости от требуемой поверхности нагрева теплообменников.
2. Произведем построение процессов обработки воздуха на I-d-диаграмме (рис. 17).
Параметры в точке G после оросительной камеры, обусловливающие минимальный расход тепла (процесс изображен пунктирной линией), составят: tм = -0,5 °С, tc = 0 °С. При этих параметрах работа камеры орошения невозможна. Необходимо выбрать другую температуру воздуха по мокрому термометру не ниже +5 °С в соответствии с требованиями п. 4.6 настоящих Рекомендаций.
Выбираем точку Е с параметрами воздуха после камеры орошения tм = 6 °С, tc = 6,7 °С и переносим линию второго подогрева правее.
Новые параметры приточного воздуха до вентилятора (точка F) и соответственно воздуха в помещении (точка В) будут: tc = 12 °С; tм = 8,5 °С; tс2 = 20 °С; j = 44 % (см. также пример 1).
Находим параметры смеси рециркуляционного и наружного воздуха при 48 %-ной рециркуляции и наносим эту точку на I-d-диаграмму.
Параметры наружного воздуха (точка A): tн = -25 °С; Iн = -24,4 кДж/кг (-5,8 ккал/кг).
Параметры рециркуляционного воздуха (точка В): t = 20 °С; I = 36,7 кДж/кг (8,75 ккал/кг).
Тогда Icм = 8,75 × 0,48 + (-5,8) × 0,52 = 5,2 кДж/кг (1,25 ккал/кг) (точка С).
Из полученной точки смеси проводим вертикальную линию (процесс в калорифере первого подогрева) до пересечения с изоэнтальпой (адиабатой) tм = 6 °С, (точка D). Точка пересечения соответствует параметрам воздуха после калорифера первого подогрева перед камерой орошения.
В результате построений на I-d-диаграмме определяем параметры воздуха:
после теплообменника первого подогрева и до оросительной камеры, (точка D): tc = 13 °C, tм1 = 6 °С, I = 20,9 кДж/кг (5,0 ккал/кг), tp1 = -3,4 °С;
Рис. 17. Процессы обработки воздуха в традиционной системе на I-d-диаграмме (к примеру 2)
после оросительной камеры (точка Е): tc2 = 6,7 °С; tм = 6 °С; I = 20,9 кДж/кг (5 ккал/кг); tр2 = 4,9 °С;
после теплообменника второго подогрева (приточного воздуха до вентилятора) (точка F): t = 12 °C, I = 25,6 кДж/кг (6,1 ккал/кг).
Температура циркулирующей в оросительной камере воды составит: tвн = tм = 6 °С.
Полученные параметры отвечают требованиям п. 4.6 настоящих Рекомендаций (tм > 5 °С).
3. С учетом производительности системы к установке принимаем оросительную камеру ОКФ-30 (03.01300) с широкофакельными форсунками (см. прил. 2) - исполнение 2.
Общее количество установленных в камере форсунок ШФ 5/9 составляет 135.
Определяем величину Zа по формуле (16).
При tм = 6 °С; tp1 = -3,4 °С; tс2 = 6,7 °С; tр2 = 4,9 °С
![]()
Затем определяем значение критерия R.
При tвн = tм = 6 °С и tр = -3,4 °С и (tр - tвн) = -9,4 по диаграмме R (см. рис. 11) находим R = 1,86; соответственно R - 1 = 0,86.
Рассчитываем коэффициент орошения (В) по формуле (2), приведенной в табл. 3, или по номограмме 1 (рис. 12).
Для этого вычисляем
![]()
![]()
Тогда

Результаты дальнейшего расчета приведены в табл. 6.
Пример 3. Расчет системы воздушного отопления для выставочного павильона
Исходные данные
Расчетные параметры наружного воздуха Б для холодного периода (г. Москва): tн = -25 °С; Iн = -24,4 кДж/кг (-5,8 ккал/кг); барометрическое давление 96,2 кПа (745 мм рт.ст.).
Производительность системы по воздуху - 33000 м3/ч.
Угловой коэффициент луча процесса в помещении e = -8400 кДж/кг влаги (-2000 ккал/кг влаги); перепад температур между приточным воздухом и воздухом в помещении 10 °С.
Параметры воздуха в помещении должны поддерживаться в пределах комфортной зоны: t = 20 - 22 °С; j = 30 - 45 %.
Требуется
Выбрать технологическую схему системы, обеспечивающую поддержание в обслуживаемом помещении комфортных условий в холодный и переходный периоды года при минимальном расходе тепла.
Построить процессы обработки воздуха на I-d-диаграмме.
Рассчитать оросительную камеру.
Выбрать систему автоматизации. Произвести сравнение теплотехнических параметров системы с управляемыми процессами с традиционным решением.
Решение
Система с управляемыми процессами
1. Для поддержания в обслуживаемом помещении в холодный и переходный периоды оптимальных параметров воздуха принимаем прямоточную однозональную установку кондиционирования воздуха с теплообменником первого подогрева и оросительной камерой, обеспечивающей адиабатный процесс увлажнения обрабатываемого воздуха.
Теплообменник второго подогрева не устанавливаем. Установка комплектуется типовыми секциями центральных кондиционеров КТЦ 2-31,5. Принимается одна из базовых схем 1.1 или 1.2 в зависимости от требуемой поверхности нагрева теплообменника.
Рис. 18. Процессы обработки воздуха в системе с УПА на I-d-диаграмме (к примеру 3)
В результате построения процессов обработки воздуха на I-d-диаграмме (рис. 18) определяем параметры воздуха:
после теплообменника первого подогрева и до оросительной камеры: tc1 = 38 °C; tм = 14 °С; tр = -28 °С; I = 39,5 кДж/кг (9,4 ккал/кг), после оросительной камеры: tс2 = 30 °С, tм = 14 °С, I = 39,5 кДж/кг (9,4 ккал/кг), tр2 = -0,95 °С.
Температура циркулирующей в оросительной камере воды tвн = tм = 14 °С.
Полученные параметры отвечают требованиям п. 4.6 настоящих Рекомендаций (tм > 5 °С).
3. С учетом производительности системы принимаем оросительную камеру ОКФ-30 (03.01300) исполнение 2 с широкофакельными форсунками (см. прил. 2).
В соответствии с требованиями п. 3.9 настоящих Рекомендаций, а также в связи с незначительной величиной увлажнения приточного воздуха в холодный и переходный периоды (см. рис. 18) принимаем однорядную противоточную камеру. Первый ряд форсунок по ходу воздуха в двухрядной камере ОКФ в холодный и переходный периоды должен быть отключен. Общее число форсунок в противоточном ряду составляет 55.
Определяем величину Za по формуле (16).
При tм1 = 14 °C, tp1 = -28 °С, tс2 = 30 °С; tр2 = -0,92 °С
![]()
Затем определяем значение критерия R. При tp = -28 °С, tм = tвн = 14 °С и (tр - tвн) = -42 по диаграмме (см. рис. 11) находим R = 1,65 и R - 1 = 0,65.
Коэффициент орошения (В) рассчитываем по формуле (4), приведенной в табл. 3, или по номограмме 2 (см. рис 12).
Для этого вычисляем
![]()
и
![]()
Тогда

Результаты дальнейшего расчета приведены в табл. 6.
4. В соответствии с требованиями п. 5.2 настоящих Рекомендаций и с учетом небольшой величины расчетного коэффициента орошения регулирующий клапан для изменения расхода воды, распыляемой в оросительной камере, устанавливают на нагнетательном трубопроводе после насоса (см. рис. 14, а).
5. Схему автоматического регулирования выбираем в соответствии с п. 3.1 и данными табл. 1.
Для помещения выставочного павильона с системой воздушного отопления следует принимать схему автоматического регулирования УПА-2 (см. рис. 8, б). Принятая к установке система прямоточная, поэтому узел регулирования смеси наружного воздуха исключается.
Традиционная система
1. Для поддержания в обслуживаемом помещении в холодный и переходный периоды оптимальных параметров воздуха принимаем прямоточную однозональную установку кондиционирования воздуха с теплообменниками первого и второго подогрева и оросительной камерой, обеспечивающей адиабатный процесс увлажнения обрабатываемого воздуха (см. рис. 1, а). Производительность кондиционера по воздуху - 33000 м3/ч.
Установка компонуется типовыми секциями центральных кондиционеров КТЦ 2-31,5. Принимается одна из базовых схем 1.3 ... 1.8 в зависимости от требуемой поверхности нагрева теплообменников.
2. Произведем построение процессов обработки воздуха на I-d-диаграмме (рис. 19).
В результате построений на I-d-диаграмме определяем параметры воздуха:
после теплообменника первого подогрева и до оросительной камеры: tc1 = 19,8 °C, I = 20,9 кДж/кг (5 ккал/кг), tм = 6 °С, tp1 = -28 °С;
Рис. 19. Процессы обработки воздуха в традиционной системе на I-d-диаграмме (к примеру 3)
после оросительной камеры: t2 = 6,7 °С, tм = 6 °С, I = 20,9 кДж/кг (5 ккал/кг); tр2 = 4,9 °С;
после теплообменника второго подогрева (приточного воздуха); tc2 = 30 °C, I = 44,5 кДж/кг (10,6 ккал/кг).
Температура циркулирующей в оросительной камере воды составит: tвн = tм = 6 °C.
Полученные параметры отвечают требованиям п. 4.6 настоящих Рекомендаций (tм > 5 °С).
3. С учетом производительности системы принимаем оросительную камеру ОКФ-30 (03.01300) с широкофакельными форсунками (см. прил. 2) - исполнение 2.
Общее количество установленных в камере форсунок ШФ 5/9 составляет 135.
Определяем величину Za по формуле (16).
При tм = 6 °С, tp = -28 °C, tc2 = 6,7 °C; tp2 = 4,9 °C
![]()
Затем определим значение критерия R.
При tм = tвн = 6 °С и tр = -28 °С по диаграмме (см. рис. 11) находим R = 1,45; R - 1 = 0,45.
Рассчитываем коэффициент орошения (В) по формуле (2), приведенной в табл. 3, или по номограмме 1 (см. рис. 12).
Для этого вычисляем
и ![]()
Тогда

Результаты дальнейших расчетов приведены в табл. 6.
Исходные данные
Расчетные параметры наружного воздуха Б для холодного периода (г. Горький): tн = -30 °С; Iн = -29,8 кДж/кг (-7,1 ккал/кг), барометрическое давление 96,2 кПа (745 мм рт.ст).
Производительность системы по воздуху - 125000 м3/ч.
Влаговыделения в помещении весьма незначительны (e = ¥); перепад температур между приточным воздухом в помещении -5 °С (количество воздуха определяется из условия удаления технологических вредностей).
Параметры воздуха в помещении должны поддерживаться в пределах комфортной зоны: t = 20 - 22 °С; j = 40 - 60 %.
Требуется
Выбрать технологическую схему системы, обеспечивающую поддержание в обслуживаемом помещении комфортных условий в холодный и переходный периоды года при минимальном расходе тепла.
Построить процессы обработки воздуха на I-d-диаграмме.
Рассчитать оросительную камеру.
Выбрать систему автоматизации. Произвести сравнение теплотехнических параметров системы с управляемыми процессами с традиционным решением.
Решение
Система с управляемыми процессами
1. Для поддержания в обслуживаемом помещении в холодный и переходный периоды оптимальных параметров воздуха принимаем прямоточную однозональную установку кондиционирования воздуха с теплообменником первого подогрева и оросительной камерой, обеспечивающей адиабатный процесс увлажнения обрабатываемого воздуха. Теплообменник второго подогрева не устанавливаем.
Производительность кондиционера по воздуху - 125000 м3/ч.
Установка комплектуется типовыми секциями центральных кондиционеров КТЦ 2-125. Принимается базовая схема 1.1 или 1.2 в зависимости от требуемой поверхности нагрева теплообменника.
2. Построение процессов обработки воздуха на I-d-диаграмме показано на рис. 20 (см. также пример 1).
В результате построений на I-d-диаграмме определяем параметры воздуха:
после теплообменника первого подогрева и до оросительной камеры: tc1 = 28,8 °C, tм = 9,8 °C, tр1 = -31 °С, I = 29,2 кДж/кг (6,95 ккал/кг);
после оросительной камеры: tc2 = 14 °С, tм = 9,8 °С, I = 29,2 кДж/кг (6,95 ккал/кг), tp2 = 6,25 °C.
Температура циркулирующей воды в оросительной камере tвн = tм = 9,8 °С.
Полученные параметры отвечают требованиям п. 4.6 настоящих Рекомендаций (tм > 5 °С).
3. С учетом производительности системы принимаем оросительную камеру ОКФ-125 (12.01300) с широкофакельными форсунками (см. прил. 2).
В соответствии с требованиями п. 3.9 настоящих Рекомендаций выбираем двухрядную камеру с большей плотностью установки форсунок - исполнение 2.
Общее число установленных в камере форсунок ШФ 5/9 составляет 594.
Определяем величину Za по формуле (16).
При tс2 = 14 °С; tр = -31 °С; tм = 9,8 °С; tр2 = 6,25 °С
![]()
Затем определяем значение критерия R.
При tp1 = -31 °С и tм = tвн = 9,8 °С по диаграмме (см. рис. 11) находим R, равное 1,5, и R - 1 = 0,5.
Рассчитываем коэффициент орошения (В) по формуле (2), приведенной в табл. 3, или по номограмме 1 (см. рис. 12).
Для этого вычисляем
и ![]()
Тогда

Результаты последующих расчетов приведены в табл. 6.
4. Схему установки регулирующего клапана выбираем в соответствии с требованиями п. 5.2. Учитывая, что расход воды достаточно велик, устанавливаем параллельно два регулирующих клапана (см. рис. 14, б).
Рис. 20. Процессы обработки воздуха в системе с УПА на I-d-диаграмме (к примеру 4)
Условно принимаем потери напора воды в циркуляционной сети, в том числе и на подъем воды, равными 148 кПа (1,5 ати).
Определяем потери напора в регулирующих клапанах.
Согласно п. 5.4 эти потери оцениваются, как DHкл = (DРф + DНсети)k = (0,533 + 1,5)0,4 = 80 кПа (0,813 ати).
Подбираем регулирующие клапаны в соответствии с данными прил. 1, считая, что при вычисленном перепаде через каждый клапан проходит 1/2 общего количества воды.
Принимаем два параллельно установленных двухседельных клапана с показателями: Dу = 80; kvу = 63 или 100 (kvу уточняется в зависимости от запаса напора выбранного насоса, инерционности и других характеристик системы).
5. Схему автоматического регулирования выбираем в соответствии п. 3.1 и данными табл. 1.
В соответствии с заданными характеристиками помещения выбираем схему УПА-1 (см. рис. 8, а).
Принятая к установке система прямоточная, поэтому узел регулирования смеси наружного воздуха с рециркуляционным исключается.
При работе системы на одну зону большого объема и постоянных тепловлаговыделениях допускается установка основного и дополнительного датчиков температуры в приточном воздуховоде перед воздухораспределительным устройством. Датчики при этом настраиваются на соответствующие температуры приточного воздуха.
Традиционная система
1. Для поддержания в обслуживаемом помещении в холодный и переходный периоды оптимальных параметров воздуха принимаем прямоточную однозональную установку кондиционирования воздуха с теплообменниками первого и второго подогрева и оросительной камерой, обеспечивающей адиабатный процесс увлажнения обрабатываемого воздуха (см. рис. 1, а).
Производительность кондиционера по воздуху - 125000 м3/ч.
Установка компонуется типовыми секциями центральных кондиционеров КПД 2-125. Принимается одна из базовых схем 1.3 ... 1.8 в зависимости от требуемой поверхности нагрева теплообменников.
2. Производим построение процессов обработки воздуха на I-d-диаграмме (рис. 21), в результате которых определяем параметры:
после теплообменника первого подогрева и до оросительной камеры: tc = 22,5 °С, I = 22,7 кДж/кг (5,4 ккал/кг), tм = 6,9 °С, tp = -31 °С;
после оросительной камеры: tс2 = 7,8 °С, tм = 6,9 °С, I = 22,7 кДж/кг (5,4 ккал/кг), tр2 = 6,1 °С;
после теплообменника второго подогрева (приточного воздуха до вентилятора): t = 14 °С; j = 59 %.
Температура циркулирующей в оросительной камере воды: tвн = tм = 6,9 °С.
Полученные параметры отвечают требованиям п. 4.6 настоящих Рекомендаций (tм > 5 °С).
3. С учетом производительности системы принимаем оросительную камеру ОКФ-125 (12.01300) с широкофакельными форсунками (см. прил. 2).
В соответствии с требованиями п. 3.9 настоящих Рекомендаций выбираем камеру с большей плотностью установки форсунок - исполнение 2.
Число установленных в камере форсунок ШФ 5/9 составляет 594.
Определяем величину Za по формуле (16).
При tc2 = 7,8 °С, tм = 6,9 °С, tр1 = -31 °С, tр2 = 6,1 °С
![]()
Затем определим значение критерия R.
При tр = -31 °С и tм = tвн = 6,9 °С по диаграмме (см. рис. 11) находим R, равный 1,45, и соответственно R - 1 = 0,45.
Рис. 21. Процессы обработки воздуха в традиционной системе на I-d-диаграмме (к примеру 4)
Рассчитываем коэффициент орошения (В) по формуле (2), приведенной в табл. 3, или по номограмме 1 (см. рис. 12).
Для этого вычисляем
![]()
![]()
Тогда

Результаты дальнейших расчетов приведены в табл. 6.
Исходные данные
Расчетные параметры наружного воздуха Б для холодного периода (г. Усть-Каменогорск): tн = -33 °С, Iн = -33,2 кДж/кг (-7,9 ккал/кг); для переходного периода tн = 10 °С, j = 70 %. Барометрическое давление 92,3 кПа (730 мм рт.ст.).
Производительность системы по воздуху - 80000 м3/ч.
Предусматривается система до увлажнения.
В помещении требуется поддерживать tc = 25 °С; j = 65 %
Требуется
Выбрать технологическую схему системы, обеспечивающую поддержание в обслуживаемом помещении заданных условий в холодный и переходный периоды года при минимальном расходе тепла.
Построить процессы обработки воздуха на I-d-диаграмме.
Рассчитать оросительную камеру.
Выбрать систему автоматизации.
Решение
1. Для поддержания в обслуживаемом помещении в холодный и переходный периоды оптимальных параметров воздуха принимаем рециркуляционную многозональную установку кондиционирования воздуха с оросительной камерой, обеспечивающей адиабатный процесс увлажнения обрабатываемого воздуха (см. рис. 1, в). Из схемы установки следует исключить теплообменник первого подогрева. Установка комплектуется типовыми секциями центральных кондиционеров КТЦ 2-80 (базовая схема 2).
2. Производим построение процессов обработки воздуха на I-d-диаграмме (рис. 22).
Из построений следует, что для холодного периода в расчетном режиме не требуется увлажнения смеси воздуха (точка 3). Однако в переходный период в связи с тем, что смесь (см. точку 7) имеет меньшее влагосодержание, необходимо включать камеру орошения.
3. С учетом производительности системы принимаем оросительную камеру ОКФ-80 (08.01300) с широкофакельными форсунками (см. прил. 2).
В соответствии с требованиями п. 3.9 настоящих Рекомендаций выбираем однорядную камеру с большей плотностью установки форсунок - исполнение 2.
Число установленных в камере форсунок ШФ 5/9 составляет 165. Вычисляем величину Za по формуле (16).
При tc1 = 20 °C; tс2 = 17,8 °С; tм = 16,6 °С; tр1 = 14,6 °С; tp2 = 15,7 °С
![]()
Затем определим значение критерия R.
Рис. 22. Процессы обработки воздуха в системе с УПА на I-d-диаграмме (к примеру 5)
При tp = 14,6 °С и tм = tвн = 16,6 °С по диаграмме (см. рис. 11) находим R, равный 3,22, и соответственно R - 1 = 2,22.
Рассчитываем коэффициент орошения (В) по формуле (2), приведенной в табл. 3, и по номограмме 2 (см. рис. 12).
Для этого вычисляем
![]()
![]()
Тогда

4. Схему установки регулирующего клапана выбираем в соответствии с требованиями п. 5.2.
Учитывая необходимость работы при большом расходе воды для достижения достаточно высокой относительной влажности, устанавливаем регулирующий клапан на обводе у насоса в соответствии со схемой (см. рис. 13, в).
При подборе регулирующего клапана (см. прил. 1), устанавливаемого на обводе у насоса, следует учитывать давление, равное потерям давления на нагнетательной части оросительной сети, включая форсунки, и расход, равный 1/2 всего расхода воды (26,2 м3/ч). При этом регулирование расхода будет осуществляться от 50 до 100 %.
Суммарные потери напора воды на камере орошения при 50 %-ном расходе состоят из потерь на форсунках, вычисляемых по формуле

и в сети, принимаемых условно равными (при 50 %-ном расходе), 24,5 кПа. Итак, ∑Р = 0,15 + 0,25 = 39,2 кПа (0,4 ати).
Таким образом выбираем двухседельный клапан Dу = 80, kvy = 40.
По известному напору (см. пример 1) и 100 %-ной подаче подбираем насос, определяем потребляемую мощность и выбираем электродвигатель (см. табл. 6). В соответствии с п. 3.1 и данными табл. 1 принимаем схему УПА-1, работающую совместно с системой доувлажнения.
Для многозональной системы, работающей в аналогичных режимах, рекомендуется схема УПА-4 (см. рис. 8, г). При необходимости работы в летний период с холодильными машинами следует применять схему УПА-5, в составе которой есть поверхностный воздухоохладитель.
Исходные данные
Расчетные параметры наружного воздуха Б для теплого периода (г. Москва): tн = +28,5 °C; Ia = 54 кДж/кг (12,9 ккал/кг); барометрическое давление 96,2 кПа (745 мм рт.ст.).
Производительность системы по воздуху - 30000 м3/ч.
Угловой коэффициент луча процесса в помещении e = 2400.
Перепад температур между приточным воздухом и воздухом в помещении 7 °С.
Параметры воздуха в помещении должны поддерживаться в пределах комфортной зоны: tc = 22 - 25 °С; j = 40 % - 50 %
Требуется
Выбрать технологическую схему системы, обеспечивающую поддержание в обслуживаемом помещении комфортных условий в теплый период года.
Произвести построение процессов обработки воздуха на I-d-диаграмме.
Рассчитать оросительную камеру.
РЕШЕНИЕ
Система с управляемыми процессами
1. Для поддержания в обслуживаемом помещении в теплый период заданных параметров воздуха принимаем прямоточную однозональную установку кондиционирования воздуха с теплообменником первого подогрева для холодного и переходного периодов года и оросительной камерой, обеспечивающей процессы охлаждения и осушения обрабатываемого воздуха. Теплообменник второго подогрева (см. рис. 1, в) не устанавливаем. Производительность кондиционера по воздуху - 30000 м3/ч. Установка комплектуется типовыми секциями центральных кондиционеров КТЦ 2-31,5. Принимается базовая схема 1.1 или 1.2 в зависимости от требуемой для холодного периода года поверхности нагрева теплообменника первого подогрева.
2. Производим построения процессов обработки воздуха на I-d-диаграмме (рис. 23), в результате которых определяем:
параметры воздуха до оросительной камеры: tc1 = 28,5 °С, tр = 13,7 °С, I1 = 54, кДж/кг (12,9 ккал/кг);
после оросительной камеры: tc2 = 17 °С, Iа = 39,8 кДж/кг (9,5 ккал/кг).
Температуру воды, подаваемой в оросительную камеру, принимаем (tвн) = 6 °С, теплосодержание насыщенного воздуха (Iвн) при этой температуре составляет 25,1 кДж/кг (5 ккал/кг).
3. С учетом производительности системы принимаем оросительную камеру ОКФ-30 (03.01300) исполнение 2 с широкофакельными форсунками (см. прил. 1).
Определяем величину
относительного
изменения теплосодержания обрабатываемого воздуха. По значениям: I1, I2 и Iвн вычисляем
![]()
Определяем значение критерия R и величину P¢(t)pо. При tp = 13,7 °С и tp - tвн = 13,7 - 6 = 7,7 °С по диаграмме (см. рис. 11) находим R = 2,45. При этом
![]()
Рассчитываем коэффициент орошения по формуле (14), приведенной в табл. 5:

Аналогичный результат получаем по номограмме (см. рис. 13).
Определяем конечную температуру воды по уравнению теплового баланса
![]()
Вычисляем значение величины P¢(t)Io:
![]()
Величину Zt определяем по формуле (15), приведенной в табл. 5, подставляя в нее расчетное значение коэффициента орошения В = 1,045 и Р¢(t)Io = 0,351:
Рис. 23. Процессы обработки воздуха с понижением теплосодержания на I-d-диаграмме (к примеру 6)
Zt = 0,85ехр[1,5Р¢(t)Io - 0,91В] = 0,85ехр[1,5×0,351 - 0,91×1,045] = 0,556.
Аналогичный результат получаем по номограмме (см. рис. 13).
Находим температуру воздуха, обработанного в камере орошения:
tc2 = tвн + Zt(tc1 - tвн) = 6 + 0,556(28,5 - 9,25) = 16,7 °С.
Температура, заданная в начале расчета, была 17 °С.
В данном случае считаем точность расчета удовлетворительной.
При значительном отличии рассчитанного значения tc2 от заданного следует задать новую температуру воды и повторить расчет.
В соответствии с требованиями п. 5.2 настоящих Рекомендаций и с учетом относительно небольшой величины расчетного коэффициента орошения регулирующий клапан для изменения расхода воды, распыляемой в оросительной камере, устанавливаем на нагнетательном трубопроводе после насоса (см. рис. 14).
Исходные данные
Расчетные параметры наружного воздуха Б для теплого периода (г. Москва): tн = +28,5 °С, Iн = 54 кДж/кг (12,9 ккал/кг); барометрическое давление 96,2 кПа (745 мм рт.ст.).
Производительность системы по воздуху - 60000 м3/ч.
Угловой коэффициент угла процесса в помещении e = 1500; перепад температур между приточным воздухом и воздухом в помещении 6,2°.
Параметры воздуха в помещении должны поддерживаться в пределах комфортной зоны: tс = 22 ¸ 25 °С; j = 30 % ¸ 60 %.
Требуется
Выбрать технологическую схему системы, обеспечивающую поддержание в обслуживаемом помещении комфортных условий в теплый период года.
Провести построение процессов обработки воздуха на I-d-диаграмме.
Рассчитать оросительную камеру.
РЕШЕНИЕ
Система с управляемыми процессами
1. Для поддержания в обслуживаемом помещении в теплый период заданных параметров воздуха принимаем прямоточную однозональную установку кондиционирования воздуха с теплообменником первого подогрева для холодного и переходного года и оросительной камерой, обеспечивающей процессы с понижением энтальпии обрабатываемого воздуха. Теплообменник второго подогрева (см. рис. 1, в) не устанавливаем. Производительность кондиционера по воздуху - 60000 м3/ч. Установка комплектуется типовыми секциями центральных кондиционеров КТЦ 2-60. Принимается базовая схема 1.1 или 1.2 в зависимости от требуемой для холодного периода года поверхности нагрева теплообменника первого подогрева.
2. Производим построение процессов обработки воздуха на I-d-диаграмме (рис. 24), в результате которых определяем:
параметры воздуха до оросительной камеры: tc1 = 28,5 °С; tp1 = 13,7 °С; I1 = 54,0 кДж/кг (12,9 ккал/кг);
после оросительной камеры: tс2 = 17,6 °С; I2 = 44,4 кДж/кг (10,6 ккал/кг).
Температуру воды, подаваемой в оросительную камеру, принимаем равной 13 °С.
Теплосодержание насыщенного воздуха (Iвн) при этой температуре составляет 44,2 кДж/кг (8,8 ккал/кг).
3. С учетом производительности системы принимаем оросительную камеру ОКФ-63 (06.01300) исполнение 2 с широкофакельными форсунками (см. прил. 1).
Определяем величину
относительного
изменения теплосодержания обрабатываемого воздуха. По значениям: I1, I2 и Iвн вычисляем:
![]()
Определяем значение критерия R и величину Р¢(t)po. При tр = 13,7 °С и tp1 - tвн = 13,7 - 13 = 0,7 °С по диаграмме (см. рис. 11) находим R = 2,77. При этом
![]()
Рис. 24. Процессы обработки воздуха с понижением теплосодержания на I-d-диаграмме (к примеру 7)
Рассчитываем коэффициент орошения по формуле (14), приведенной в табл. 5:

Аналогичный результат получаем по номограмме (см. рис. 13).
Определяем конечную температуру воды по уравнению теплового баланса
![]()
Вычисляем значение величины P¢(t)Io:
![]()
Величину Zt определяем по формуле (15), приведенной в табл. 5, подставляя в нее расчетное значение коэффициента орошения (В) и P¢(t)Io = 0,265:
Zt = 0,85exp[1,5×0,265 - 0,91×1,42] = 0,347.
Находим температуру воздуха, обработанного в камере орошения: tc2 = tвн + Zt(tc1 - tвк) = 13 + 0,347(28,5 - 14,6) = 17,8 °С.
Температура, заданная в начале расчета, составляла 17,6 °С. В данном случае считаем точность расчета удовлетворительной.
В соответствии с требованиями п. 5.2 настоящих Рекомендаций и с учетом относительно небольшой величины расчетного коэффициента орошения регулирующий клапан для изменения расхода воды, распыляемой в оросительной камере, устанавливаем на нагнетательном трубопроводе после насоса (см. рис. 14).
Характеристика двухседельных регулирующих клапанов
|
Диаметр условного прохода клапанов Dу, мм |
Коэффициент условной пропускной способности kvy |
Диаметр условного прохода клапанов Dу, мм |
Коэффициент условной пропускной способности kvy |
|
25 |
4; 6,3; 10 |
80 |
40; 63; 100 |
|
(32) |
6,3; 10; 16 |
100 |
63; 100; 160 |
|
(40) |
10; 16; 25 |
(125) |
100; 160; 250 |
|
50 |
16; 25; 40 |
150 |
160; 250; 400 |
|
(65) |
25; 40; 63 0 |
200 |
250; 400; 630 |
Техническая характеристика камер орошения ОКФ и блоков тепломассообмена БТМ-2
Таблица 1
|
Индекc камеры |
Марка кондиционера |
Исполнение ОКФ |
Количество форсунок, шт. |
||||
|
в одном стояке первого ряда |
в первом ряду |
в одном стояке второго ряда |
во втором ряду |
всего |
|||
|
01.01300 |
КТЦ 2-10 |
1 |
8 |
24 |
6 |
18 |
42 |
|
2 |
10 |
30 |
8 |
24 |
54 |
||
|
02.01300 |
КТЦ 2-20 |
1 |
8 |
40 |
6 |
30 |
70 |
|
2 |
10 |
50 |
8 |
40 |
90 |
||
|
03.01300 |
КТЦ 2-31,5 |
1 |
11 |
55 |
8 |
40 |
95 |
|
2 |
16 |
80 |
11 |
55 |
135 |
||
|
04.01300 |
КТЦ 2-40 |
1 |
15 |
75 |
11 |
55 |
130 |
|
2 |
21 |
105 |
15 |
75 |
180 |
||
|
06.01300 |
КТЦ 2-63 |
1 |
11 |
121 |
8 |
88 |
209 |
|
2 |
16 |
176 |
11 |
121 |
297 |
||
|
08.01300 |
КТЦ 2-80 |
1 |
15 |
165 |
11 |
121 |
286 |
|
2 |
21 |
231 |
15 |
165 |
396 |
||
|
12.01300 |
КТЦ 2-125 |
1 |
11 |
242 |
8 |
176 |
418 |
|
2 |
16 |
352 |
11 |
242 |
594 |
||
|
16.01300 |
КТЦ 2-160 |
1 |
15 |
330 |
11 |
241 |
572 |
|
2 |
21 |
462 |
15 |
330 |
792 |
||
|
20.01300 |
КТЦ 2-200 |
1 |
11 |
352 |
8 |
256 |
608 |
|
2 |
16 |
512 |
11 |
352 |
864 |
||
|
25.01300 |
КТЦ 2-250 |
1 |
15 |
480 |
11 |
352 |
832 |
|
2 |
21 |
672 |
15 |
480 |
1152 |
||
Таблица 2
|
Индекс блока |
Марка кондиционера |
Марка насоса |
Количество форсунок, шт. |
Электродвигатель |
Индекс блока |
Марка кондиционера |
Марка насоса |
Количество форсунок, шт. |
Электродвигатель |
||
|
мощность, кВт |
частота вращения, об/мин |
мощность, кВт |
частота вращения, об/мин |
||||||||
|
01.02120 |
КТЦ 2-10 |
К20/30 |
24 |
4 |
08.02120 |
КТЦ 2-80 |
К90/35 |
165 |
15 |
2900 |
|
|
02.02120 |
КТЦ 2-20 |
К45/30 |
40 |
7,5 |
12.02120 |
КТЦ 2-125 |
К160/30 |
242 |
30 |
1450 |
|
|
03.02120 |
КТЦ 2-31,5 |
К45/55 |
55 |
16.02120 |
КТЦ 2-160 |
330 |
|||||
|
04.02120 |
КТЦ 2-40 |
75 |
15 |
2900 |
20.02120 |
КТЦ 2-200 |
К290/30 |
352 |
40 |
||
|
06.02120 |
КТЦ 2-63 |
К90/35 |
121 |
25.02120 |
КТЦ 2-250 |
480 |
|||||
___________
* Данные заимствованы из материалов Харьковского завода «Кондиционер».
Количество форсунок в камерах орошения ОКС такое же, как и в блоках теплообмена БТМ-2 соответствующей производительности.