НАУЧНО-ИССЛЕДОВАТЕЛЬСКИЙ ИНСТИТУТ
СТРОИТЕЛЬНОЙ ФИЗИКИ
(НИИСФ) ГОССТРОЯ СССР

Рекомендации
по проектированию
измерительно-вычислительных комплексов
с использованием мини-ЭВМ
для управления системами отопления зданий

Москва Стройиздат 1985

Содержат материалы по разработке, проектированию и эксплуатации автоматизированной системы управления с помощью ЭВМ тепловым режимом производственных зданий; по определению задач создания автоматизированной системы. Приведены особенности управления тепловым режимом, принципы разработки математической модели и программного обеспечения, требования к ЭВМ, основы системы связи ЭВМ с датчиками и исполнительными механизмами, а также принципы ввода в эксплуатацию системы.

Для инженерно-технических работников проектных и научно-исследовательских организаций.

Разработаны НИИСФ Госстроя СССР (д-р техн. наук Ю.А. Табунщиков, канд. техн. наук Ю.А. Матросов, инж. В.Д. Патокин).

1. ОБЩИЕ ПОЛОЖЕНИЯ

1.1. Рекомендации предназначены для проектирования и реализации автоматизированной системы управления тепловым режимом производственных зданий.

1.2. Проектирование автоматизированной системы управления тепловым режимом производственных зданий можно осуществлять как для вновь строящихся, так и для существующих производственных зданий.

1.3. Автоматизированную систему управления тепловым режимом рекомендуется проектировать комплексно для всего здания на основе анализа процессов обработки воздуха для зимнего, летнего и переходного периодов с учетом графиков температур теплоносителей и тепловоздушных балансов в помещениях с целью обеспечения экономической эксплуатации с минимальным расходованием тепловой и электрической энергии.

1.4. Проектирование системы необходимо выполнять с обязательным учетом конкретных объемно-планировочных решений производственных зданий, технологии производства, типа станочного оборудования его расположения.

1.5. Автоматизированную систему можно проектировать для производственных зданий, оснащенных системами:

а) приточной вентиляции производительностью 10 тыс. м3/ч и более (а также, если регулирование требуется по условиям производства);

б) приточной вентиляции с переменным количеством наружного и рециркуляционного воздуха;

в) приточной вентиляции, совмещенными с воздушным отоплением;

г) вытяжной общеобменной вентиляции (при необходимости количественного регулирования);

д) кондиционирования воздуха;

е) центрального отопления, разделенными на зоны с учетом влияния ветра, солнечной радиации помещений;

ж) воздушного отопления и душирования.

1.6. Настоящие рекомендации могут быть распространены на другие типы зданий (кинотеатры, спортивные комплексы, торговые залы, административные здания и т.д.).

1.7. Автоматизированные системы управления тепловым режимом производственных зданий могут эффективно применяться во всех строительно-климатических районах.

1.8. Эффективность и надежность работы систем зависит от успешного решения следующих вопросов:

определения основной задачи управления - критериев оптимизации;

разработки алгоритма управления, т.е. последовательности операций обработки вводимой в ЭВМ измерительной информации для определения величин управляющих воздействий, обеспечивающих выполнение задачи системы;

выявления тепловых особенностей здания и зон установки датчиков для определения параметров микроклимата помещения;

математического описания теплового режима здания;

выбора ЭВМ и математического обеспечения;

выбора устройств связи ЭВМ с объектом управления;

программного обеспечения системы;

установление особенностей отопления и вентиляции здания и привязка системы к существующим устройствам отопления и вентиляции.

2. ОПРЕДЕЛЕНИЕ ЗАДАЧИ АВТОМАТИЗИРОВАННОЙ СИСТЕМЫ УПРАВЛЕНИЯ ТЕПЛОВЫМ РЕЖИМОМ ПРОИЗВОДСТВЕННОГО ЗДАНИЯ

2.1. Проектируемая автоматизированная система управления тепловым режимом производственного здания должна обеспечивать: а) поддержание требуемых параметров воздушной среды в помещениях, повышение надежности работы систем отопления, вентиляции и кондиционирования воздуха; б) экономию тепла, холода и электроэнергии при сокращении обслуживающего персонала.

2.2. Метеорологические условия в рабочей зоне (на постоянных рабочих местах и вне их) устанавливают по главе СНиП по проектированию отопления, вентиляции и кондиционирования воздуха. Рабочей зоной считают пространство высотой до 2 м от уровня пола или площадки, на которых находятся люди или имеются рабочие места.

2.3. Температура tв, относительная влажность jв и скорость движения воздуха V в различных помещениях должны соответствовать их допустимым значениям в зависимости от характеристики помещений (их назначения и удельных избытков явного тепла), категории работы, приведенных для холодного и переходного периодов года в табл. 1, для теплого периода - в табл. 2.

Таблица 1

Категория работы

Температура воздуха, °С

Относительная влажность воздуха, %, не более

Скорость движения воздуха, м/с, не более

Легкая

17 - 22

75

0,3

Средней тяжести

15 - 20

75

0,5

Тяжелая

13 - 18

75

0,5

Таблица 2

Категория работы

Температура воздуха, °С

Относительная влажность воздуха, %, не более, при температуре воздуха, °С

Скорость движения воздуха, м/с

28

27

26

25

24

Легкая

Не более чем на 3 °С выше tм, но не выше 28 °С

55

60

65

70

75

0,3 - 0,5

Средней тяжести

То же

55

60

65

70

75

0,3 - 0,7

Тяжелая

То же, но не выше 26 °С

-

-

65

70

75

0,5 - 1

В тех случаях, когда в табл. 1 приведены пределы скорости движения воздуха, следует считать большую скорость с более высокой температурой внутреннего воздуха, а меньшую - с более низкой.

2.4. Категорию работы принимают по Санитарным нормам проектирования промышленных предприятий (СН 245-71) в зависимости от затрат энергии, которые устанавливают по ведомственным нормативным документам исходя из категории работ, выполняемых 50 % и более работающих в помещении.

2.5. В производственных помещениях, где площадь пола на одного работающего превышает 100 м2, а поддержание допустимых значений температуры, относительной влажности и скорости движения воздуха по всей площади рабочей зоны невозможно по техническим причинам или нецелесообразно по экономическим соображениям, требуемые параметры воздуха следует обеспечивать только на постоянных рабочих местах. Вне постоянных рабочих мест допускаются в холодный и переходный периоды года более низкие температуры воздуха: до 12 °С при легкой работе, до 10 °С при работе средней тяжести и до 8 °С при тяжелой работе.

2.6. Для соблюдения комфортных условий в помещениях следует поддерживать оптимальные параметры воздуха, приведенные в табл. 3.

Таблица 3

Категория работы

Температура воздуха, °С

Относительная влажность воздуха, %

Скорость движения воздуха, м/с

Легкая

20 - 22

22 - 25

60 - 30

0,2

0,2 - 0,5

Средней тяжести

17 - 19

20 - 23

60 - 30

0,3

0,2 - 0,5

Тяжелая

16 - 18

18 - 21

60 - 30

0,3

0,3 - 0,7

Примечание. Над чертой даны значения параметров для холодного и переходного периодов года, под чертой - для теплого.

Поддержание оптимальных параметров воздушной среды, соответствующих легкой работе, обязательно в комнатах отдыха и местах, вблизи рабочего места, предназначенных для отдыха. Применение оптимальных или близких к ним параметров воздуха рекомендуется, если поддержание их не вызывает дополнительных затрат или научно-экспериментально обоснована технико-экономическая целесообразность капитальных затрат и эксплуатационных расходов, связанных с обеспечением таких параметров в помещениях.

2.7. С целью экономии тепловой энергии в холодный и переходный периоды года целесообразно снижать температуру воздуха в рабочей зоне во внерабочее время, если это не противоречит требованиям технологического процесса.

2.8. Для помещений, обслуживаемых системами кондиционирования воздуха, при отсутствии специальных технологических условий в соответствии с главой СНиП по проектированию отопления, вентиляции и кондиционирования воздуха следует принимать точность поддержания температуры воздуха Dtдоп = ±1 °С, а при использовании местных кондиционеров-доводчиков или смесителей с индивидуальными регуляторами температуры прямого действия - Dtдоп = ±2 °С в точке установки датчика. Технологические условия в некоторых случаях определяют повышенные требования к точности поддержания температуры, например, Dtдоп = ±0,1 °С и даже ±0,01 °С.

2.9. Содержание в воздухе рабочей зоны помещений вредных газов, паров и пыли не должно превышать предельно допустимых концентраций, приведенных в Санитарных нормах проектирования промышленных предприятий (СН 245-71) и Дополнениях к перечню вредных веществ, периодически публикуемых Министерством здравоохранения СССР и Госстроем СССР.

3. ОСОБЕННОСТИ УПРАВЛЕНИЯ ТЕПЛОВЫМ РЕЖИМОМ ПРОИЗВОДСТВЕННОГО ЗДАНИЯ

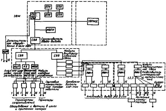
3.1. Основой для проектирования автоматизированной системы управления тепловым режимом производственного здания является структурно-информационная схема (см. рисунок), определяющая совокупность объектов управления, датчиков, устройств управления, в том числе - вычислительных и других, управляющей вычислительной машины, исполнительных и регулирующих устройств, устанавливающих необходимые информационные связи между ними.

3.2. При проектировании системы следует исходить из общих требований автоматизированных систем управления технологическими процессами к точности и скорости выполнения операций ввода с объекта управления измерительной информации, к структуре устройств связи управляющей вычислительной машины с объектом управления, к параметрам аппаратуры нормализации, коммутации, передачи и преобразования сигналов, к методам борьбы с помехами, к алгоритмам и программам процедур передачи и преобразования информации.

3.3. Для управления тепловым режимом производственного здания наиболее целесообразной является структура управления, при которой отдельные параметры теплового режима регулируются соответствующими автоматическими устройствами, а управляющая вычислительная машина, обрабатывая измерительную информацию, рассчитывает и оптимизирует установки. При такой структуре управления обеспечивается достаточная надежность системы в целом, так как работоспособность системы сохраняется и при отказах управляющей вычислительной машины. Кроме того, при такой структуре может быть использована более простая управляющая вычислительная машина, снижаются требования к ее быстродействию и другим характеристикам, появляется возможность практической реализации более эффективных алгоритмов оптимизации процесса, требующих большего объема вычислений.

3.4. Измеряемыми нерегулируемыми параметрами окружающей среды являются температура и влажность наружного воздуха, скорость и направление ветра, атмосферное давление, солнечная радиация, температура и давление воды в подающем трубопроводе тепловой сети, температура и давление пара в тепловой сети, температура холодной воды, подводимой к оросительным камерам, поверхностным воздухоохладителям систем кондиционирования воздуха.

3.5. Измеряемыми выходными параметрами, характеризующими тепловой режим, являются температура воздуха, относительные влажность воздуха, скорость движения воздуха в рабочих зонах.

3.6. Измеряемые выходные параметры, по которым непосредственно или расчетом можно определить эффективность управления, - температура и давление воды в обратных трубопроводах, температура и давление пара в обратных трубопроводах, расход теплофикационной воды, холодной воды и пара, расход электроэнергии.

3.7. В качестве регулируемых параметров, которые измеряются соответствующими исполнительными механизмами, рассматриваются температура приточного воздуха, температура горячей воды после подмешивающих насосов, количество приточного воздуха.

Структурно-информационная схема автоматизированной системы управления

3.8. С целью повышения надежности работы установок, формирующих тепловой режим производственных зданий, следует предусматривать их автоматическую защиту и блокировки. Автоматическую защиту калориферов от замерзания следует предусматривать для случаев, если при выключенной системе возможно проникание в калорифер воздуха с отрицательной температурой, а также для случаев, если при работающей системе возможно падение давления или температуры сетевой воды при отрицательной температуре воздуха, поступающего в калорифер. Автоматическую защиту калориферов от замерзания необходимо проектировать для районов с расчетными наружными температурами холодного периода года -5 °С и ниже.

Для систем кондиционирования воздуха и приточной вентиляции, работающих с переменным количеством наружного и рециркуляционного воздуха, рекомендуется установка блокировочных устройств, обеспечивающих подачу минимального количества наружного воздуха в холодный период года, а для систем кондиционирования - в теплый период года.

Электродвигатель вентилятора, создающего воздушную или воздушно-тепловую завесу, следует блокировать с механизмом открывания ворот, дверей и технологических проемов, обслуживаемых завесами. Кроме того, необходимо предусматривать отключение вентилятора воздушно-тепловой завесы и сокращение до минимума подачи теплоносителя в калориферы после закрытия ворот, дверей и технологических проемов, на период времени, достаточный для восстановления нормируемой температуры воздуха в помещении.

3.9. Для помещений, в которых могут выделяться аварийные количества взрывоопасных газов и паров, образующих взрывоопасные смеси, должны устанавливаться газоанализаторы, сблокированные с устройствами световой сигнализации, оповещающей о наличии в воздухе помещения концентрации вещества, достигающей 20 % нижнего предела взрываемости, или автоматические газоанализаторы, сблокированные с устройством для пуска систем, используемых для аварийной вентиляции при наличии такой концентрации.

4. РАЗРАБОТКА МАТЕМАТИЧЕСКОЙ МОДЕЛИ ФОРМИРОВАНИЯ ТЕПЛОВОГО РЕЖИМА В ПРОИЗВОДСТВЕННОМ ЗДАНИИ

4.1. Математическая модель формирования теплового режима в производственном здании представляет собой систему уравнений теплового баланса внутреннего воздуха и ограждающих конструкций.

Уравнение теплового баланса внутреннего воздуха включает в себя:

теплопотери через ограждающие конструкции за счет разности температур внутреннего и наружного воздуха;

теплопотери за счет инфильтрации наружного воздуха;

теплопотери на нагревание материалов и транспорта, поступающих в помещение;

теплопоступления технологические;

поглощение тепла массой внутреннего оборудования.

4.2. Теплопотери через ограждающие конструкции зданий определяют по формуле

Q = Fkn(tв - tн),

где F - площадь ограждения; k - коэффициент теплопередачи ограждающих конструкций при (k = 1/R0), R0 - сопротивление теплопередаче ограждающих конструкции; tв - расчетная температура воздуха помещения; tн - температура наружного воздуха; п - коэффициент на разность температур;

R0 = Rв + ∑R + Rв.п + Rм

где Rв и Rм - сопротивление тепловосприятию и теплоотдаче у внутренней и наружной поверхностей; ∑R - сумма термических сопротивлений отдельных слоев ограждения; Rв.п - термическое сопротивление замкнутой воздушной прослойки.

Для внутренних поверхностей стен, полов, а также потолков, гладких или со слабо выступающими, редко расположенными ребрами, отношение высоты которых h к расстоянию а между гранями соседних ребер составляет h/а < 0,2R0 следует принимать равным 0,133. Для потолков с h/а = 0,5 - R0 = 0,143, а для h/а > 0,3 - R0 = 0,154.

Для определения сопротивления наружных стен Rн нужно пользоваться формулой

а для бесчердачных покрытий -

где l - наименьший размер покрытия в плане, м; v - скорость ветра, м/с.

За расчетную температуру воздуха помещения следует принимать:

а) температуру воздуха в рабочей зоне tр.з при расчете ограждений на высоту 2 м от пола;

б) температуру воздуха для покрытий непосредственно перед покрытием tв.з;

в) среднюю температуру для стен (tр.з + tв.з)/2.

Температура верхней зоны tв.з при обогреве помещений сосредоточенным потоком воздуха определяется по выражению

tв.з = tр.з +3 °С.

В других случаях tв.з нужно рассчитывать по формуле

tв.з = tр.з +D(h - 2),

где D - температурный градиент, принимаемый для промышленных зданий в пределах от 0,5 до 1,2; h - полная высота помещения.

В помещениях высотой до 4 м повышение температуры по высоте можно не учитывать.

Коэффициент на расчетную разность температур п следует принимать равным:

для наружных стен - 2;

для чердачных перекрытий - 0,9;

для ограждений, отделяющих отапливаемые помещения от неотапливаемых и сообщающихся с наружным воздухом - 0,7;

для ограждений, отделяющих отапливаемые помещения от неотапливаемых и не сообщающихся с наружным воздухом - 0,4.

4.3. Количество тепла, необходимое для нагрева наружного воздуха, поступающего в помещение, следует определять по формуле

Q = (tyx - tн)cвG,

где tуx - температура воздуха, уходящего из помещения, с учетом зоны, из которой он удаляется (tр.з или tв.з); tн - температура наружного воздуха; св - теплоемкость воздуха; G - количество воздуха, поступающего в помещение.

Количество воздуха, поступающего через щели притворов, можно найти по формуле

G = ∑(qla),

где q - количество воздуха, поступающего через 1 м длины щели в зависимости от ее ширины и средней скорости ветра (табл. 4); l - длина щелей притворов, м; а - коэффициент на инфильтрацию воздуха в зависимости от характера притвора (табл. 5).

Таблица 4

Конструкция переплета

Ширина щели, мм

Количество воздуха, кг/ч, при скорости ветра, м/с

1

2

3

4

5

Металлическая

1

3,8

6

7,4

8,4

11,8

Деревянная

1,5

5,6

9,1

11,2

12,6

17,5

Таблица 5

Характер притвора

a

Фрамуги окон и фонарей:

с одинаковыми деревянными переплетами

1

с двойными                  ²                          ²

0,5

с одинаковыми металлическими      "

0,65

с двойными                  ²                          ²

0,33

Двери и ворота

2

Количество наружного воздуха, поступающего через ворота при кратковременном открывании их, определяют по формуле

G = A + (a - KV)F, кг/с,

где А и а - величины, определяемые в зависимости от температуры наружного воздуха (табл. 6); K - условный коэффициент, равный 0,25 - для ворот размером 3´3 м и 0,2 - для ворот размером 4´4 м; V - скорость ветра, м/с; F - площадь поперечного сечения шахт и открываемых фрамуг в фонарях, м2.

4.4. Расход тепла на нагрев материалов и транспорта следует определять по формуле

Q = GмсВ(tв - tм),

где Gм - масса материала или транспорта; с - средняя удельная теплоемкость материала или транспорта; В - коэффициент, учитывающий интенсивность поглощения тепла, равный для первого часа 0,5, для второго - 0,3, для третьего - 0,2; tв - температура внутреннего воздуха помещения; tм - температура ввозимого материала или транспорта.

Температуру материала, поступающего в помещение снаружи, следует принимать по данным непосредственных измерений. При отсутствии их она принимается равной:

температуре наружного воздуха - для металла, металлических изделий и транспорта;

на 10 °С выше температуры наружного воздуха - для других материалов.

Таблица 6

Температура наружного воздуха, °С

а, кг/см2

А, кг/с

для ворот размером, м

3´3

4´4

3´3

4´4

Температура воздуха помещения, °С

5

15

5

15

5

15

-10

-

-

-

6

10

12,7

-15

-

1,27

5

6,5

11,6

13,9

-20

1,27

1,4

5,8

7,3

13

15

-25

1,38

1,5

6,6

8

14,5

16,3

-30

1,46

1,55

7,4

8,8

16

17,6

-35

1,51

1,58

8,1

9,4

17,5

18,8

-40

1,55

1,6

8,9

10

19

20

4.5. Для производственных зданий суммарную величину технологических теплопоступлений можно принимать исходя из предположения, что в переходный период года при неработающей системе отопления превышение среднесуточной температуры внутреннего воздуха над среднесуточной температурой наружного воздуха определяется технологическими теплопоступлениями. Тогда суммарную величину технологических теплопоступлений можно определить по формуле

Qтех = свG(tв - tн),

где св - теплоемкость воздуха; G - количество удаляемого из помещения воздуха; tв, tн - среднесуточные значения температуры соответственно внутреннего и наружного воздуха.

Использование формулы оправдано, если технология производства в зимний и переходный периоды года отличается несущественно.

4.6. В тепловой баланс помещений с большим объемом оборудования существенный вклад вносит количество тепла, выделяемого или поглощаемого массой этого оборудования при изменении температуры внутреннего воздуха. Вследствие относительно малой длительности переходных процессов при регулировании температуры воздуха в помещении и относительно небольших периодов температуры между поверхностью оборудования и воздухом в помещении изменение температуры оборудования происходит, в основном, в слое, близком от поверхности. Уравнение для расчета глубины проникания на основе решения задачи о проникании тепла в полуограниченное тепло при изменении температуры окружающего воздуха имеет вид

где sт - глубина проникания тепла, м; а - коэффициент температуропроводности, м/ч; t - время, ч.

Температура оборудования tоб определяется уравнением

tоб = (tоб.о - tв)l-кt + tв,

где tоб.о - начальное значение температуры оборудования; tв - температура воздуха; к - постоянная времени температуры оборудования;

к = aF/cGoб,

где a - коэффициент теплоотдачи поверхности оборудования; F - площадь поверхности оборудования участвующая в теплообмене с воздухом; с - удельная теплоемкость оборудования; Gоб - масса оборудования.

5. ОРГАНИЗАЦИЯ СВЯЗИ ОПЕРАТОРА С АВТОМАТИЗИРОВАННОЙ СИСТЕМОЙ УПРАВЛЕНИЯ ТЕПЛОВЫМ РЕЖИМОМ ПРОИЗВОДСТВЕННОГО ЗДАНИЯ

5.1. В автоматизированной системе управления тепловым режимом производственного здания оператор должен получать информацию, характеризующую процесс формирования теплового режима, и иметь возможность воздействовать на него через систему управления. Управляющая вычислительная машина, контролируя ход процесса, должна выдавать результаты контроля оператору, а в ряде случаев и «советовать», как вести процесс дальше в той или иной ситуации. Управляющая вычислительная машина должна иметь пульт управления системой, представляющий информацию в наглядной форме позволяющий оператору вмешиваться в случае необходимости в ход процесса формирования теплового режима здания или отдельных его частей.

5.2. При помощи пульта управления реализуются следующие основные функции:

централизованный контроль за параметрами объекта;

контроль за исправностью системы и передачи информации;

приведение в действие предупредительной и аварийной сигнализации при соответствующих ситуациях на объекте;

документирование процесса управления объектом;

изменение работы системы и воздействие на ход протекающих в объекте процессов.

При централизованном контроле с определенной периодичностью должна производиться регистрация:

параметров по установленному списку;

группы параметров или одного параметра по вызову оператора;

отклонений параметров;

всех действий оператора на пульте (протокол управления).

Протокол управления должен регистрировать вызываемые оператором параметры, вносимые им изменения уставок и коэффициентов, действия оператора по квитированию сигналов отклонений и аварий, нажатию кнопок, снятию управляющих сигналов от управляющей вычислительной машины, включению и выключению пульта оператора.

5.3. Для удобства работы оператора вся информация, вводимая в систему с пульта и выводимая на пульт или печать, должна представляться в десятичной форме. Язык взаимодействия оператора с системой должен содержать номера операций или команд, выполняемых управляющей вычислительной машиной по указанию оператора, и номера (адреса) вводимых в управляющую вычислительную машину или выводимых на пульт параметров, показателей или коэффициентов. Этот язык должен предусматривать представление значений параметров объекта и других данных в единицах, соответствующих физическому смыслу данного параметра.

5.4. На панели сигнализации пульта управления следует предусматривать ряд индикаторов, каждый из которых должен быть предназначен для сигнализации об аварии в отдельном узле системы. Каждому узлу должны соответствовать еще два индикатора для предупредительной сигнализации с указанием отклонения параметра относительно установки для данного параметра. При разработке алгоритма централизованного управления контролируемые параметры объекта должны быть объединены в группы. Каждый сигнализатор аварии и относящиеся к нему два сигнализатора отклонения предназначаются для отдельной группы параметров, и при наличии отклонений одного или нескольких из них за допустимые пределы они сигнализируют об этом факте. При выходе любого из контролируемых параметров за пределы как предупредительных, так и аварийных установок, а также при авариях узлов системы световая индикация должна сопровождаться звуковой сигнализацией. При этом в аварийных ситуациях звуковой сигнал должен звучать непрерывно, а в остальных случаях прерывисто.

Оператору должна быть представлена возможность квитирования (подтверждения) замеченного индикатора, для чего все сигнализаторы должны выполняться в виде кнопок с подсветкой. Нажатие оператором кнопки сигнализатора служит сигналом квитирования. По этому сигналу отключается звуковая сигнализация и на цифровую индикацию пульта выводится информация о значении и адресе отклонившегося параметра.

5.5. Совместная работа оператора и управляющей вычислительной машины должна происходить в режиме «запрос - ответ». Это означает, что после выдачи задания оператор должен дождаться ответа от управляющей вычислительной машины и лишь после этого может давать ей новое задание. Управляющая вычислительная машина после принятия с пульта сигнала о вводе данных должна автоматически передавать принятую информацию обратно на пульт для сравнения с информацией, набранной на переключателях. При совпадении информации, вводимой в управляющую вычислительную машину, с установленной на пульте, аппаратура контроля пульта вырабатывает обратный сигнал в управляющую ЭВМ. Оператору выдается сигнал «выполнение операции», сохраняющийся в течение всего времени выполнения заданной операции. Если нет этого совпадения, должен загораться индикатор «неправильный ввод». При наборе на пульте неправильной операции или адреса после нажатия кнопки «исполнение» должен зажигаться специальный индикатор.

5.6. Документирование процесса управления и всех операций, выполняемых на пульте, должно производиться при помощи печатающего устройства. На этом устройстве производится периодическая печать совокупности регистрируемых параметров; регистрация возникающих отклонений параметров за допустимые пределы и аварийных ситуаций; печать всех уставок, показателей и коэффициентов, которые были изменены оператором или управляющей вычислительной машиной в процессе работы системы; регистрация всех действий оператора на пульте, в том числе названий и значений вызываемых оператором параметров, по квитированию сигналов отклонений и аварий, отключению управления управляющей вычислительной машины, включению пульта и т.д. При периодической печати группы параметров, а также при начале ввода на регистрацию других данных следует отмечать время поступления этих данных. Значения параметров в случае аварийных отклонений и ошибки в действиях оператора следует печатать красным цветом. Документирование отклонений особо важных параметров должно сопровождаться печатью данных о величинах установок данного параметра.

5.7. Для нормального функционирования пульта оператора, а также для облегчения взаимодействия оператора с управляющей вычислительной машиной должно быть предусмотрено надлежащее математическое обеспечение пульта оператора, состоящее из набора программ (см. п. 6.7 настоящих Рекомендаций), необходимых для выполнения предусмотренных функций, рассмотренных выше. Математическое обеспечение должно иметь также программы тестового контроля оборудования пульта оператора, позволяющие по командам автоматически проверять работоспособность аппаратуры, используемой в пульте. Эти проверки должны разделяться на самостоятельные стадии, которые оператор может задавать управляющей вычислительной машине с пульта вводом соответствующих операций. Тестовые проверки аппаратуры пульта должны быть циклическими и проводятся до тех пор, пока от оператора не поступит команда на выполнение новой операции, которая будет воспринята управляющей вычислительной машиной как команда на окончание выполнения предыдущей операции контроля. Все программы, входящие в состав математического обеспечения пульта оператора, должны содержать подпрограммы, предназначенные для реализации того или иного вида контроля информации, вводимой оператором, и проверки логичности действия оператора при выдаче им заданий управляющей вычислительной машине. Благодаря этим подпрограммам не происходит искажение оператором программ и других данных, хранящихся в запоминающих устройствах управляющей вычислительной машины.

6. СОЗДАНИЕ ПРОГРАММНОГО ОБЕСПЕЧЕНИЯ

6.1. Программное обеспечение системы должно состоять из операционной системы ЭВМ, предусматривающей возможность работы в реальном времени, в диалоговом режиме, и программного пакета системы. Программами системы должна быть обеспечена также возможность их трансляции, редактирования, компоновки и отладки. В операционную систему должны быть включены средства, связанные со службой времени, т.е. ожидание заданного момента времени для запуска процесса и управление работой устройств связи с объектом, а также средства работы с файлами, хранящимися во внешней памяти ЭВМ.

6.2. Основная часть программного пакета должна быть написана на международном языке Фортран-IV. Программы управления устройствами связи с объектом целесообразно написать на Ассемблере с использованием макросредств и драйверов.

6.3. Программный пакет должен быть представлен в виде отдельных взаимосвязанных подпрограмм. Большие подпрограммы следует сегментировать с целью вмещения их в заданный объем оперативной памяти ЭВМ.

6.4. Внешняя память подпрограммы пакета используется для накопления данных во времени о состоянии процесса. Во внешнюю память записывают результаты работы каждого цикла. Возможность продолжения работы необходимо предусмотреть на другой ЭВМ путем перестановки магнитного носителя с вышедшей из строя ЭВМ.

6.5. Программный пакет предназначен для управления работой всей системы. Он делится на оптимизирующие программы, основные рабочие программы и вспомогательные программы обслуживания системы.

6.6. Программы вычисления и оптимизации расхода тепла на отопление должны выполнять две основные функции: а) периодически вычислять расходы тепла, необходимого для поддержания заданного микроклимата в отдельных местах здания в часы работы людей, и определять количество включенных устройств отопления и температуру теплоносителя; б) определять режим понижения температуры до минимально допустимой с учетом указаний п. 2.6 настоящих Рекомендаций во внерабочие часы и режим повышения ее до заданного значения в рабочие часы.

6.7. Основные рабочие программы должны включать следующие подпрограммы:

«диспетчер», организующей весь процесс функционирования системы;

сбора первичной измерительной информации и оценки ее разумности;

основной обработки информации измерений;

документирования процесса управления, в том числе программы отчетов о состоянии системы;

контроля за параметрами теплового режима, в том числе программы режимов;

службы времени, обеспечивающие в соответствующий момент времени вызов требуемых подпрограмм;

следящие за развитием процесса;

осуществляющие контроль за исправностью функционирования системы;

расчета фактического энергопотребления;

приводящие в действие предупредительную и аварийную сигнализацию.

6.8. Подпрограмма «диспетчер» должна управлять работой всей измерительно-управляющей системы. В нерабочем положении она находится в режиме ожидания сигнала от службы времени ЭВМ. В соответствующий момент времени, например каждые 10 - 15 мин реального времени, она активизируется и выполняет в требуемой последовательности вызов соответствующих подпрограмм. По завершении одного цикла процесса от начала измерений до выдачи управляющих сигналов на исполнительные механизмы подпрограмма «диспетчер» вновь оказывается в режиме ожидания. Подпрограмма может активизироваться и при поступлении сигнала об аварийной ситуации с целью диагностики причины. «Диспетчер» выполняет также функции проверки в начале активизации на исправность системы с выдачей соответствующей диагностики и функции завершения цикла процесса с выполнением необходимых действий для повторения процесса, включая возможность продолжения на другой ЭВМ в случае отказа основной ЭВМ или после устранения неисправности.

6.9. Подпрограммы сбора первичной измерительной информации должны обеспечивать опрос датчиков измерений, компенсацию и линеаризацию их в случае необходимости и проверку на разумность. Под проверкой на разумность понимается выявление данных, либо резко отклоняющихся по своим значениям от остальных данных, либо недопустимо резко изменившихся по сравнению с предыдущим циклом. В этом случае организуется повторное (до 3 раз) считывание. Если повторное считывание не дало положительного результата, выдается сообщение оператору для принятия решения. Система ожидает ответ около 2 мин, при отсутствии его игнорирует эти данные и продолжает дальнейшую работу.

6.10. Подпрограммы основной обработки информации измерений должны осуществлять пересчет показаний датчиков в единицы измерений физических величин, систематизировать, отбирать и накапливать полученную информацию. При пересчете показаний датчиков используют табличные значения с линейной интерполяцией.

6.11. Подпрограммы документирования процесса управления осуществляют запись на бумаге всего процесса, а также действий оператора. Они производят также статистическую оценку данных измерений и вычислений, состояния оборудования отопления и вентиляции. Эти подпрограммы выдают сводку за день, за неделю, за месяц о средних, минимальных и максимальных значениях показателей, об аварийных ситуациях, расходах энергии, оценочной экономии, состоянии оборудования и командах оператора. Результаты обработки передаются подпрограммам вывода на печать (см. п. 6.21).

6.12. Подпрограммы контроля за параметрами исполняются совместно с программами оптимизации (см. п. 6.6) и предназначены для выработки команд управления отопительно-вентиляционным оборудованием. В этих программах хранятся данные о сменности работы, о выходных и праздничных днях, а также данные об устройствах отопления и вентиляции и об их управлении. Работа подпрограммы основывается на сравнении фактического режима с заданным на определенный момент времени. В случае отклонения фактического режима от заданного выдаются команды на соответствующие устройства управления (см. п. 6.22).

6.13. Подпрограммы службы времени должны производить наблюдение за реальным временем и в соответствующий момент вызывать требуемые подпрограммы реального времени. Кроме того, подпрограммы службы времени рассредоточивают время пуска отдельных устройств для выравнивания пикового потребления энергии. Для этого в программе должна быть предусмотрена возможность установления заданного интервала времени и реагирования на его завершение, отсчитывать текущее время суток, календарные числа, определять дни недели и иметь соответствующие расписания режимов (см. п. 6.12). Предполагается, что точность, с которой служба времени отслеживает интервалы времени, текущее время суток и дату, зависит от правильной установки оператором даты и времени.

6.14. Подпрограммы, следящие за развитием процесса, обеспечивают наблюдение за процессом в течение длительного промежутка времени с целью контроля и оценки работы системы. Подпрограммы должны осуществлять выборку отдельных параметров по заданию оператора. При завершении процесса на печать выдается соответствующая таблица.

6.15. Подпрограммы контроля за исправностью функционирования системы должны представлять собой ряд подпрограмм, имитирующих процесс работы системы с заранее заданными параметрами и результатами. Эти подпрограммы должны активизироваться в промежутках времени, когда система находится в состоянии ожидания, или по специальному запросу оператора. Они должны проверять работу основных подпрограмм системы путем получения эталонных входных данных и сравнения полученных результатов с заранее известными. При выявлении отклонений подпрограммы определяют степень серьезности ошибки, производят диагностику и выдают соответствующую информацию оператору. Кроме того, эти подпрограммы должны осуществлять проверку правильности передачи информации между отдельными устройствами путем использования имитаторов сигналов.

6.16. Подпрограммы расчета фактического энергопотребления должны подсчитывать общий расход энергии в здании и производить накопление сведений об изменении этого расхода во времени по данным, полученным от программ оптимизации теплового режима (см. п. 6.6). Подпрограмма накапливает такие сведения за сутки, неделю, месяц и год; она сообщает данные о средней за сутки температуре наружного воздуха внутри помещений; вся информация наносится в виде таблиц.

6.17. Подпрограммы предупредительной и аварийной сигнализации регистрируют и диагностируют различные аварийные ситуации при работе системы отопления и вентиляции. Различают два типа ситуаций: истинно аварийные (например, падение давления в магистральном трубопроводе или опасность замерзания отдельных элементов системы) и ситуации, приближающиеся к аварийным, например, падение температуры из-за разбитого стекла, выход из строя отдельных элементов отопительно-вентиляционной системы, при которых сохраняется работоспособность системы отопления в целом. На первый тип ситуаций подпрограммы тревоги реагируют немедленно - не позднее чем через 10 с после получения сигнала прерывания от соответствующих устройств. Ситуации второго типа подпрограммы обнаруживают после обработки результатов измерений и установления выхода измеряемых параметров за предельные значения, сообщение о таких ситуациях подпрограмма должна выдавать не позднее 1 мин после обнаружения.

6.18. Вспомогательные программы обслуживания системы должны состоять из следующих подпрограмм:

связи оператора с системой;

размещения и перемещения информации во внешней памяти ЭВМ;

вывода;

осуществляющих обмен информацией с отдельными устройствами связи с объектом.

6.19. Подпрограммы связи оператора с системой должны состоять из нескольких подпрограмм. Главная особенность этих подпрограмм состоит из возможности их исполнения в любой момент времени по запросу оператора. Так как характер поступления этих запросов различен, а интервалы времени между выполненными операциями могут взаимно перекрываться, то операции должны выполняться в разное время. Это разделение должно быть реализовано специальной управляющей программой с использованием механизма программного и внешнего прерывания ЭВМ с учетом приоритета операций и возможности прерывания до завершения процесса. В состав подпрограмм должна входить программа проверки информации, вводимой оператором, на логичность его действий при выдаче заданий системе и при защите от неправильных действий.

Подпрограмму целесообразно составлять на упрощенном языке символов, понятном, с одной стороны, человеку, и с другой - машине через специальную программу. Команды с помощью этого языка набираются на экране видеотерминала в строгой последовательности. Сначала набирается основная функция, затем вспомогательная и, наконец, более подробные данные. В ответах на видеотерминале высвечиваются дата (день, месяц, год), время (часы, минуты), расшифровка символического обозначения приказа, вспомогательная функция и подробные данные и далее - текстовой ответ, подтверждающий исполнение приказа.

6.20. Подпрограммы размещения и перемещения информации во внешней памяти ЭВМ должны осуществлять работу с файлами. Под файлами понимаются организованные наборы данных, хранящихся во внешней памяти ЭВМ. Эти подпрограммы производят запись данных, их поиск и изменение. Физическое представление данных зависит от запоминающего устройства, в котором они хранятся, но в любом случае они представляются в виде блоков фиксированной длины. Оперативные данные, например за текущие сутки или неделю, следует размещать в быстродействующем устройстве, например на магнитном диске, а данные, накопленные за сутки или неделю, следует записывать на медленно действующее устройство, например на магнитную ленту для долговременного хранения. При этом диск будет освобожден для очередной порции оперативных данных. Эти же программы должны обеспечивать сохранность файлов, т.е. возможность их восстановления в случае их порчи из-за сбоя аппаратуры.

6.21. Подпрограммы вывода используются для организации вывода на экран терминала разнообразной информации, необходимой обслуживающему персоналу. Эти же программы осуществляют печать на бумажную ленту таблиц различных отчетов. При этом могут быть представлены данные за какой-либо отрезок времени как по группам избранных точек, так и по всем точкам. Кроме того, эта подпрограмма информирует о расходе электрической и тепловой энергии, указывает оптимальное время запуска и остановки отопительно-вентиляционного оборудования, сообщает климатические данные о наружном воздухе и солнечной радиации (средние за сутки) для характеристики микроклимата.

6.22. Подпрограммы, осуществляющие обмен информацией с отдельными устройствами связи с объектом, должны быть написаны с использованием макросредств операционной системы и драйверов. В них должны быть отражены все особенности обмена и реакции ЭВМ на различные ситуации о готовности или отказе оборудования, а также достоверности переданной информации. Кроме того, эти программы должны быть обеспечены защитой от неправильных действий оператора, в результате которых устройства отопления и вентиляции могли бы выйти из строя.

7. РАЗРАБОТКА СИСТЕМЫ СВЯЗИ ЭВМ С ДАТЧИКАМИ И ИСПОЛНИТЕЛЬНЫМИ УСТРОЙСТВАМИ

7.1. Система связи ЭВМ с датчиками и исполнительными устройствами предназначена для сбора и обработки данных измерений и подачи команд на исполнительные механизмы регулирования. Она включает в себя коммутатор входных сигналов с линией связи, мини-ЭВМ, коммутатор выходных сигналов с линией связи и пульт управления. Коммутатор должен осуществлять прием данных из измерительно-опознавательной части, выбор информации и передачу ее в ЭВМ через линию связи. Мини-ЭВМ с набором специально созданных программ (см. разд. 6) должна обеспечивать функционирование всей системы и оптимальное управление. Коммутатор выходных сигналов должен производить передачу сигналов управления, поступающих через линию связи на исполнительные механизмы регулирования системы отопления и вентиляции. Система связи должна содержать также преобразователи сигналов из аналоговой формы в цифровую и наоборот.

7.2. Система связи функционирует следующим образом. Данные измерений от датчиков температуры и индикаторы предельных значений параметров внутреннего микроклимата и положений исполнительных механизмов, установленных в различных частях здания и соединенных с помощью кабелей с коммутатором, поступают на ЭВМ. При этом должен происходить процесс преобразования в цифровую форму. В результате обработки данных измерений ЭВМ вырабатывает сигналы управления. Эти сигналы через коммутатор, линию связи и цифро-аналоговые преобразователи должны поступать на исполнительные механизмы регулирования отоплением и вентиляцией.

7.3. ЭВМ должна удовлетворять следующим требованиям:

а) по типу быть управляющей. Рекомендуется выбирать серийно выпускаемую ЭВМ;

б) содержать серийно выпускаемые устройства ввода - вывода для связи с объектом;

в) быть автономной, иметь малые габариты, низкую стоимость и возможность обслуживания небольшим штатом (1 - 2 чел.);

г) вследствие медленного в целом изменения теплового процесса в здании, быстродействие ЭВМ должно быть относительно невысоким (50 - 80 тыс. операций/с), оперативная память должна быть не ниже 32К слов, должна иметь устройства внешней памяти на дисках и магнитной ленте;

д) иметь видеотерминал и печатающее устройство;

е) быть полноценной в отношении программного обеспечения, т.е. содержать операционную систему, позволяющую работать в режиме реального времени и в диалоговом режиме, иметь транслятор с Фортрана и Ассемблера, библиотеку программ, возможность редактирования, компоновки, сегментирования, работы с файлами.

7.4. Датчики измерений предназначены для преобразования температур в электрические величины. Для измерения температуры воздуха внутри помещения и поверхностей конструкций используются датчики с диапазоном измерения от -50 °С до +50 °С с погрешностью преобразования 0,5 %, для измерения температуры воды в системе отопления датчики с диапазоном от 0 °С до 130 °С и с погрешностью 0,5 - 1 %. Эти датчики должны иметь щуп для измерения температуры воды. В качестве датчиков используются термопреобразователи сопротивления с сигнальными проводами длиной до 0,5 км. Они должны быть защищены от внешних механических воздействий и иметь элементы крепления.

7.5. В качестве индикаторов предельных значений параметров микроклимата могут быть использованы микроэлектронные регуляторы, работающие совместно с термопреобразователями сопротивлений в диапазоне температур от -50 °С до +50 °С и от 50 °С до +150 °С. Индикаторы должны иметь устройства для установки требуемой температуры и вырабатывать сигналы в случае повышения или понижения от заданного уровня. Погрешность задания температуры ±1 °С, предел чувствительности 0,5 °С. Индикаторы должны допускать использование сигнальных проводов длиной до 0,25 км.

7.6. Управляющие органы исполнительных механизмов регулирования предназначены для дистанционного управления вентилями, заслонками, шиберами в системах отопления и вентиляции. С этой целью следует использовать электрические сервоприводы, работающие по принципу «старт - стоп» и обладающие способностью к реверсированию, или сервоприводы, работающие по шаговому принципу.

7.7. Устройство ввода должно иметь модуль аналого-цифрового преобразования, бесконтактный коммутатор и групповой преобразователь (концентратор). В системе ввода следует предусмотреть n´16 каналов. К части каналов, кратной 16, следует подключить датчики измерений температур (см. п. 7.4) и к части каналов - индикаторы предельных значений (см. п. 7.5).

7.8. Модуль аналого-цифрового преобразования предназначен для пропорционального преобразования аналогового сигнала в двоичный код и выдачи результатов для ввода в ЭВМ. Прием аналогового сигнала может производиться либо от коммутатора (см. п. 7.9), либо непосредственно от датчика. Погрешность преобразования должна быть не более 0,1 %.

7.9. Бесконтактный коммутатор предназначен для вторичной коммутации входных сигналов, поступающих по сигнальным проводам от группового преобразователя (см. п. 7.10). На входе он имеет 16 каналов, на выходе - 1. Погрешность преобразования должна быть не более 0,05 %.

7.10. Групповой преобразователь выполняет пропорциональное преобразование аналоговых сигналов, идущих непосредственно от датчиков, в унифицированный нормализованный сигнал постоянного напряжения 0 - 5 В и первичную коммутацию. К одному преобразователю должно быть подключено до 16 датчиков, выход осуществляется на один канал. Выходной сигнал - аналоговый. Управление осуществляется от ЭВМ. Наибольшее удаление от ЭВМ не должно превышать 0,5 км. Погрешность преобразования - 0,5 %. Прибор должен быть защищен от механических повреждений и иметь автономное питание от сети.

7.11. Устройство вывода должно иметь бесконтактный коммутатор и цифроаналоговый и цифро-контактный преобразователи. В системе вывода следует предусмотреть п´16 каналов вывода.

7.12. Коммутатор осуществляет соединение управляющего сигнала ЭВМ с нужным адресом устройства управления. Коммутатор следует размещать вблизи объектов управления. Коммутатор должен иметь блоки по 16 каналов. На входе и выходе коммутатора используются двоичные сигналы.

7.13. Цифроаналоговый преобразователь предназначен для выработки унифицированных сигналов постоянного тока, поступающих на управление части исполнительных механизмов. При этом аналоговые сигналы, формируемые из двоичного управляющего сигнала, принимают одно из численных значений, определяемых двоичным кодом, задаваемым ЭВМ. Осуществляется прием и преобразование сигналов, идущих по одному каналу. На выходе должны получать изменяемый выходной сигнал постоянного тока от 0 до 5 мА с постоянным напряжением 24 В. Погрешность преобразования должна быть не более 0,5 %. Преобразователь может быть удален от ЭВМ до 0,5 км. Связь с управляющими устройствами исполнительных механизмов осуществляется проводами длиной не более 10 м. Устройство должно допускать автономную установку.

7.14. Групповой цифро-контактный преобразователь предназначен для создания замыкающего контакта, находящегося в замкнутом состоянии в течение определенного интервала времени в зависимости от кода входного сигнала, поступающего от ЭВМ, или замыкающего контакт определенное число раз. Время удержания или число замыканий должно быть согласовано с временем работы исполнительных механизмов (см. п. 7.6). Преобразователь должен иметь один входной канал и 16 выходных коммутированных каналов. Выходной сигнал должен иметь ток 200 мА при напряжении 24 В. Сигналы длительного замыкания используют для управления исполнительными механизмами, работающими по принципу «старт-стоп», а многократно замыкаемые сигналы - для управления механизмами, работающими по шаговому принципу. Для усиления мощности контактов следует использовать релейный коммутатор, имеющий 16 каналов.

8. ВНЕДРЕНИЕ АВТОМАТИЗИРОВАННОЙ СИСТЕМЫ УПРАВЛЕНИЯ ТЕПЛОВЫМ РЕЖИМОМ ПРОИЗВОДСТВЕННОГО ЗДАНИЯ

8.1. Автоматизированную систему управления тепловым режимом производственного здания нужно строить таким образом, чтобы она могла функционировать, начиная с возможно малой степени автоматизации и упрощенного математического обеспечения. Затем систему можно постепенно наращивать и усложнять как по степени автоматизации, так и путем более полного учета в математической модели теплового процесса здания.

8.2. На первом этапе ввода системы в эксплуатацию она должна работать по разомкнутой схеме управления. В этом режиме управляющая вычислительная машина обрабатывает всю измерительную информацию, поступающую с управляемого объекта, по специальным программам осуществляется оптимизация и выдаются рекомендации по выбору управляющих воздействий на механизмы отопления и вентиляции, обеспечивающих достижение заданного режима. Обслуживающий персонал, следуя этим рекомендациям, выполняет те или иные действия.

8.3. Перед внедрением автоматизированной системы управления тепловым режимом должна быть проведена экспериментальная проверка эффективности принятых в проекте мер защиты линии связи от помех. Для проверки правильности выполнения линий связи и оценки целесообразности использования в них технических средств от помех следует проводить специальные исследования. До установки оборудования на объекте надлежит определить местные специфические источники помех, а также наивыгоднейшие места прокладки кабелей. Затем, после установки управляющей вычислительной машины и монтажа системы связи, нужно уточнить максимальные уровни помех в каждом канале передачи сигналов и определить необходимость дополнительных мер по борьбе с помехами для обеспечения нормальной работы этих каналов.

8.4. Испытания устройств связи с объектом на помехоустойчивость следует выполнять в два этапа: без управляющей вычислительной машины (статический режим измерения параметров) и с управляющей вычислительной машиной (динамический режим с передачей информации). При этом проверяют: правильность выполнения сопряжения различных устройств, включая соединительные линии связи; эффективность их экранирования; влияние различных способов заземления экранов на коэффициенты подавления помех в каналах передачи сигналов; варианты сочетания заземления экранов и цепей каналов с целью выбора оптимального. Следует также провести испытания каналов передачи сигналов на наличие перекрестных помех в линиях связи и кабеля, соединяющих устройства управляющей вычислительной машины, и устранить помехи, связанные с наличием электрических и магнитных полей в помещении, где установлена управляющая вычислительная машина.

Динамические испытания нужно проводить в режиме управления работой оборудования системы формирования теплового режима помещений производственного здания. В этом режиме проверяется взаимодействие в реальном масштабе времени устройств управляющей вычислительной машины с датчиками, исполнительными устройствами и пультом оператора, помехоустойчивость каналов передачи сигналов и работоспособность системы при изменении питающих напряжений, а также исследуется эффективность технических средств подавления помех в динамическом режиме работы системы при измерении в каналах передачи сигналов. Эти испытания позволяют усовершенствовать математическое обеспечение внедряемой системы управления, внести в него необходимые корректировки.

В результате статических и динамических испытаний определяют окончательный вариант выполнения каналов в системе и разрабатывают дополнительные меры защиты от помех.

8.5. Рабочие места оператора и пульт должны быть размещены с учетом особенностей объекта управления и роли оператора в системе. Все органы управления и индикаторы отображения информации, соответствующие главным функциям алгоритма работы автоматизированной системы управления тепловым режимом, должны быть размещены в главной рабочей зоне оператора таким образом, чтобы по возможности были исключены ошибочные действия оператора и обеспечены максимальные удобства при его работе. Органы, осуществляющие противоположные действия, должны быть пространственно разделены и отличаться формой или цветом. Индикаторы отображения информации следует размещать так, чтобы оператору требовалось возможно реже переключать внимание при переходе от одного индикатора к другому. Кодирование информации на однотипных индикаторах должно быть одинаковым. Органы управления и индикаторы отображения информации для одной задачи должны быть сконцентрированы в одном месте.

8.6. При проектировании мнемосхемы, на которой изображается структура всего объекта, высвечиваются состояния ее элементов и основных характеристик процесса формирования теплового режима, важно правильно определить размеры помещаемых на ней приборов. Особенно важно при проектировании мнемосхемы правильно выбрать форму индикаторов. Каждый символ мнемосхемы должен однозначно ориентировать оператора на определенный элемент структуры объекта, причем нормальный знак должен отличаться от аварийного. Для отображения информации об аварии предпочтительно применять индикаторы красного цвета, для информации готовности - белого, для информации о нормальном протекании процесса формирования теплового режима - зеленого.

СОДЕРЖАНИЕ

1. Общие положения. 1

2. Определение задачи автоматизированной системы управления тепловым режимом производственного здания. 2

3. Особенности управления тепловым режимом производственного здания. 4

4. Разработка математической модели формирования теплового режима в производственном здании. 6

5. Организация связи оператора с автоматизированной системой управления тепловым режимом производственного здания. 9

6. Создание программного обеспечения. 11

7. Разработка системы связи эвм с датчиками и исполнительными устройствами. 14

8. Внедрение автоматизированной системы управления тепловым режимом производственного здания. 16