ОРДЕНА ТРУДОВОГО КРАСНОГО ЗНАМЕНИ
НАУЧНО-ИССЛЕДОВАТЕЛЬСКИЙ ИНСТИТУТ
БЕТОНА И ЖЕЛЕЗОБЕТОНА (НИИЖБ)
ГОССТРОЯ СССР
___________________________________________________________________________
Рекомендации
по определению геометрических параметров
кубов и поверке форм для контрольных
образцов бетона
![]()
Москва Стройиздат 1987
Содержат методику определения отклонений от плоскостности и перпендикулярности граней кубов бетона, позволяющую установить соответствие образцов требованиям ГОСТ 10180-78, а также форм для их изготовления - ГОСТ 22685-77. Способствуют решению задач по экономному расходованию цемента при производстве сборных железобетонных изделий и конструкций.
Для инженерно-технических работников лабораторий строительных организаций и предприятий сборного железобетона, а также заводов-изготовителей форм для контрольных образцов бетона.
Разработаны НИИЖБ Госстроя СССР (кандидаты техн. наук Г.С. Митник, М.И. Бруссер), при участии КТБ Мосоргстройматериалов (инженеры А.П. Иванов, Е.М. Балашов) и ЖБИ-5 Главмоспромстройматериалов (инж. И.Л. Цветков).
1.1. Рекомендации содержат основные положения по определению отклонений от плоскостности и перпендикулярности* граней контрольных кубов бетона и поверке форм, в которых изготавливают контрольные образцы бетона.
Определение линейных размеров кубов в Рекомендациях не рассматривается, соответствующие указания приведены в ГОСТ 10180-78.
_______________
* Понятия «отклонения от плоскостности» и «отклонения от перпендикулярности» соответствуют ГОСТ 24642-81 (СТ СЭВ 301-76).
1.2. Определение отклонений от плоскостности и перпендикулярности по предлагаемой в Рекомендациях методике проводится с целью выявления соответствия опорных граней кубов, соприкасающихся при испытании куба с плитами пресса, требованиям ГОСТ 10180-78.
1.3. По принятой в Рекомендациях методике можно определять геометрические характеристики (см. п. 1.1) цилиндров и призм, испытываемых для установления фактических значений модуля деформации и призменной прочности.
1.4. Методика определения геометрических параметров кубов предусматривает использование одного стационарного прибора для измерения кубов с ребрами 100 и 150 мм или двух переносных приборов для измерения кубов с ребрами 100 - 300 мм.
1.5. По результатам измерения геометрических параметров кубов можно вывести заключение о соответствии формы для изготовления контрольных образцов бетона требованиям ГОСТ 22685-77 или необходимости передавать форму в ремонт или на списание.
1.6. Определение соответствия формы требованиям ГОСТ 22685-77 возможно непосредственным измерением ее рабочих граней с помощью специально разработанных приборов (см. прил. 8, 9). При их наличии рекомендуется использовать метод прямого измерения формы.
1.7. Периодичность измерения форм для контрольных образцов бетона зависит от конкретных условий производства и, в первую очередь, от конструкции форм, состояния их парка и характера эксплуатации форм. Общие положения по поверке форм для контрольных образцов бетона приведены в разд. 6.
1.8. При отсутствии переносных приборов, показанных в приложениях 6 и 7, можно изготовить приборы по типу представленных в приложениях 4 и 5 «Рекомендаций по определению неплоскостности и неперпендикулярности граней контрольных образцов» (НИИЖБ, 1978)
1.9. Переносные приборы для измерения кубов с ребрами 200 и 300 мм и форм для их изготовления следует выполнять аналогично приборам, приведенным в приложениях 6 - 9, с соответствующим изменением размеров.
2.1. Для определения отклонений от плоскостности и перпендикулярности кубов с ребрами 100 и 150 мм применяется стационарный прибор.
2.2. Прибор состоит из нижней плиты, стойки и кронштейна (рис. 1). Он оснащается двумя индикаторами часового типа с ценой деления 0,01 мм, один из которых закреплен на кронштейне и второй - непосредственно на стойке. Прибор комплектуется двумя подставками под кубы с ребрами 100 и 150 мм и клиньями для их фиксации в этих подставках. Конструкция прибора дана в прил. 2. На стойке прибора можно закреплять кронштейн универсального штатива с индикатором.
Рис. 1. Общий вид прибора для определения отклонений
от плоскостности и перпендикулярности граней куба
2.3. Положение кронштейна любого типа по высоте стойки регулируется в зависимости от размера куба таким образом, чтобы шток индикатора опирался на верхнюю грань куба. Нижний индикатор ставится в положение, при котором рабочий ход штока пересекает вертикальную плоскость, совмещенную с ребром стойки.
2.4. Куб для измерения устанавливается так, чтобы его боковые (при формовании) грани с меньшим числом и размерами пор располагались сверху и снизу.
2.5. Куб в подставке закрепляется по граням, которые при формовании занимали верхнее и нижнее положение. Вертикальная грань, по которой измеряется отклонение от перпендикулярности, должна совмещаться с кромкой плиты подставки.
2.6. При измерении отклонений от плоскостности и перпендикулярности граней куба образец, закрепленный в подставке прибора, устанавливают под индикаторы, показания которых фиксируют.
Благодаря тому, что в приборе принято трехточечное опирание плиты и подставки, а также параллельное расположение нижних и верхних опор подставки, исключается влияние отметок опор на измеряемые параметры.
2.7. Для измерения отклонения от плоскостности опорной грани куб устанавливают под верхний индикатор (рис. 2) и последовательно снимают отметки четырех точек по углам (эти точки должны отстоять от вертикальных граней куба на расстоянии примерно 5 мм) и точки в середине грани. Точки должны располагаться на участке без дефекта поверхности.
Рис. 2. Измерение отклонений от плоскостности грани куба с ребром 100 мм
2.8. Точки могут быть нанесены на измеряемые грани мягким карандашом. Точку в середине грани следует определять пересечением двух диагоналей.
2.9. Отклонение грани от плоскостности оценивают по двум частным показателям: отклонению от плоскостности относительно угловых точек А и вогнутости (выпуклости) В.
2.10. По отметкам четырех точек оценивают отклонение от плоскостности относительно угловых точек А по формуле
|
(1) |
где О1 и О3 - отметки угловых точек по одной диагонали;
О2 и О4 - то же, по другой диагонали.
2.11. По отметкам всех пяти точек определяют вогнутость (выпуклость) В грани. Этот параметр подсчитывают по формуле
где О5 - отметка центральной точки грани.
Отрицательное значение В показывает, что грань вогнута, а положительное - свидетельствует о ее выпуклости.
2.12. Отклонение от перпендикулярности опорных граней определяется показаниями нижнего индикатора при измерении расстояний до трех точек боковой грани. Из этих точек две - крайние (они находятся на расстоянии примерно 5 мм от вертикальных ребер) и одна - средняя. Положение этих точек по высоте определяет база прибора.
В момент отсчета по индикатору куб боковой гранью должен быть прижат к выступающему ребру стойки (рис. 3).
Рис. 3. Измерение отклонений от перпендикулярности грани куба с ребром 100 мм
2.13. Отклонение от перпендикулярности боковой грани к основанию С устанавливают по трем показаниям индикатора.
Его подсчитывают по формуле
|
С = М[(О6 + О7 + О8)/3 - Т], |
(3) |
где М = 100/h - постоянная прибора;
h - база прибора (расстояние между осью нижнего индикатора и серединой выступающей части ребра стойки), мм;
О6 ... О8 - показания индикатора для точек на боковой грани куба;
Т - начальное показание индикатора.
При Т = 0 формула (3) преобразуется к виду
|
С = М (О6 + О7 + О8)/3, |
(3') |
Если значение С положительно, боковая грань образует с основанием куба угол, больший 90°; отрицательное значение показывает, что этот угол острый.
2.14. Начальное показание индикатора Т определяют с помощью поверочного угольника, устанавливаемого на нижнюю плиту до упора в ребро стойки. Отсчет по индикатору, шток которого касается вертикальной полки угольника, соответствует показанию Т, которое определяют после каждой установки нижнего индикатора и для контроля перед очередным циклом измерений.
Начальное показание индикатора рекомендуется принимать нулевым.
2.15. При удовлетворительных результатах вычисления А, В и С куб переворачивают на 180° (верхней гранью вниз) и измерения повторяют. При второй установке куба определение отклонения от перпендикулярности и вычисление С ведут не по одной, а по двум боковым граням.
2.16. При отклонении от перпендикулярности грани, превышающем допускаемую, дальнейшее измерение не производят и куб бракуют на любом этапе измерения.
2.17. При неудовлетворительном результате по отклонению от плоскостности грани, полученном при первой установке куба, его переворачивают на 90° и определяют отклонение от плоскостности верхней грани куба в новом его положении. Все последующие измерения аналогичны описанным в пп. 2.15 и 2.16. По результатам этих измерений принимают решение об использовании куба по назначению или его отбраковке.
2.18. На измеренном кубе грани, отклонение от плоскостности которых оценено положительно, должны быть отмечены, чтобы обеспечить правильную установку куба на плиту пресса.
2.19. Обработку результатов измерений рекомендуется проводить, руководствуясь примерами, которые приведены в прил. 2.
3.1. Для измерения отклонения от плоскостности граней кубов с ребрами 100 - 300 мм используют соответствующий переносной прибор.
3.2. Переносной прибор представляет собой плиту или крестовину с размерами, соответствующими размеру грани куба (рис. 4). Плита (крестовина) в трех углах имеет постоянные опоры, которыми ее устанавливают на грань куба. В четвертом углу и середине закреплены индикаторы часового типа с ценой деления 0,01 мм. Конструкция прибора для кубов с ребрами 100 и 150 мм дана в прил. 6.
Рис. 4. Измерение отклонений от плоскостности грани куба с ребром 200 мм
3.3. Прибор комплектуется поверочной плитой, в качестве которой допускается применять лист зеркального стекла с размерами, превышающими расстояние между угловыми опорами прибора не менее чем на 5 - 10 мм.
3.4. Прибор должен храниться в специальном ящике, размеры и конструкция которого исключает повреждение индикаторов или сжатие их штоков и на дне которого помещают стекло (см. п. 3.3). Под стекло укладывают слой пористого материала или 2 - 3 слоя мягкой ткани, чтобы исключить поломку стекла при установке на него прибора.
3.5. Перед очередным циклом измерений и при необходимости в процессе их проведения прибор ставится на стекло, и снимаются начальные показания углового и среднего индикаторов, которые рекомендуется принимать нулевыми.
3.6. Для определения отклонения от плоскостности куб устанавливают измеряемой гранью вверх. На нее опускают прибор и снимают показания двух индикаторов. При этом ни одна из опор, а также штоки индикаторов не должны располагаться над порами. Для этого прибор необходимо сместить по грани куба от принятого положения в пределах 2 - 3 мм. Отсутствие резких скачков в показаниях индикаторов будет свидетельствовать о выполнении поставленного условия.
Если смешением прибора по грани куба обеспечить требуемое опирание не удается, поры на поверхности образца под опорами должны быть зашпаклеваны (цементом, гипсом, пластилином и др.).
3.7. Отклонение от плоскостности относительно угловых точек А (п. 2.9) определяют по формуле
|
(4) |
где O1 - показание углового индикатора;
Т1 - начальное показание того же индикатора, соответствующее опиранию прибора на стекло.
При нулевом начальном показании индикатора формула (4) преобразуется к виду
|
А = O1/2, |
(4') |
3.8. Вогнутость (выпуклость) грани В (п. 2.9) определяют по формуле
где О2 - показание индикатора, установленного в середине;
T2 - начальное показание того же индикатора, соответствующее опиранию прибора на стекло.
При нулевом начальном показании индикатора формула (5) преобразуется к виду
|
(5') |
Значение отклонения от плоскостности А, определенное по п. 3.7, вводится в формулы (5) и (5') со своим знаком.
Отрицательное значение В показывает, что грань вогнута, а положительное - свидетельствует о ее выпуклости.
3.9. При положительном результате измерения куб переворачивают на 180° и производят измерения второй грани. Если обе параллельные грани удовлетворяют требованию стандарта по отклонению от плоскостности, на них делают отметки, и образец одной из этих граней устанавливают на плиту пресса (при условии, конечно, что последующие измерения показали соответствие куба требованиям по допускаемому отклонению от перпендикулярности).
3.10. При отклонении от плоскостности первой или второй из измеренных граней, превышающем допускаемое, куб переворачивают на 90° и определяют отклонение от плоскостности верхней грани куба в новом положении. Все последующие измерения аналогичны описанным в пп. 2.15 и 2.16.
3.11. Обработку результатов измерений рекомендуется проводить, руководствуясь примерами, которые приведены в прил. 3.
4.1. Отклонение от перпендикулярности граней куба измеряется с помощью переносного прибора с тремя фиксирующими его положение опорами и индикатором часового типа с ценой деления 0,01 мм в торце одной из полок (рис. 5). Прибором можно измерять кубы с ребрами 100 и 150 мм, аналогичным прибором с большими размерами можно измерять кубы с ребрами 200 и 300 мм.
Конструкция прибора для кубов с ребрами 100 и 150 мм дана в прил. 7.
Рис. 5. Измерение отклонения от перпендикулярности грани куба с ребром 200 мм
4.2. Для определения отклонения от перпендикулярности прибор устанавливается двумя выступами на верхнюю грань куба, а третьим выступом он прижимается к боковой грани. При таком положении снимают показание индикатора.
4.3. Отклонение от перпендикулярности смежных граней определяют в трех сечениях: на расстоянии 10 мм от края и в середине. При наличии в измеряемых сечениях дефектов поверхности под верхними и боковыми выступами допускается соответствующее смещение прибора (п. 3.6).
4.4. Отклонение от перпендикулярности смежных граней С определяют по формуле
|
С = М (∑О3/3 - Т3), |
(6) |
где М = 100/h - постоянная прибора;
h - база прибора (расстояние между осью выступа вертикальной полки угольника и осью индикатора), мм;
О3 - показание индикатора прибора;
Т3 - начальное показание индикатора.
При Т3 = 0 формула (6) преобразуется к виду
|
С = М ∑О3/3, |
(6') |
Если значение С положительно, угол между верхней и боковой гранями больше 90°; отрицательное значение показывает, что этот угол острый.
4.5. Начальное показание индикатора Т3 определяют с помощью поверочного угольника, который для этой цели устанавливают внутри прибора, предназначенного для определения отклонения от плоскостности, опираясь на все три его выступа. Отсчет по индикатору, соответствующий такому положению прибора и угольника, принимается за начальное показание, которое рекомендуется принимать нулевым.
4.6. Измерение отклонения от перпендикулярности проводится параллельно с определением с помощью переносного прибора отклонения от плоскостности двух параллельных граней, при этом для каждой из них отклонение от перпендикулярности определяется к двум боковым граням. При отклонениях, превышающих нормативные, куб бракуется.
4.7. Обработку результатов измерений рекомендуется проводить, руководствуясь примерами, которые приведены в прил. 3.
5.1. Отклонения от плоскостности и перпендикулярности внутренних рабочих граней формы можно определять двумя способами: измерением бетонных кубов с помощью приборов, описание которых приведены в разделах 2 - 4; непосредственным измерением внутренних рабочих граней формы с помощью специальных приборов.
5.2. Измерения бетонного куба с целью оценки состояния формы, в которой он изготовлен, включает определение отклонений от плоскостности и перпендикулярности по методике, описанной в разд. 2 - 4.
Дополнительное требование при измерении куба с целью оценки состояния формы - определение его геометрических параметров по всем боковым граням.
5.3. Определение геометрических параметров внутренних рабочих граней формы для кубов с ребрами 100 и 150 мм производится с помощью приборов конструкции КТБ Мосоргстройматериалов.
Для измерения отклонений от плоскостности рабочих граней формы используют прибор НПЛ-1 (рис. 6), а отклонений от перпендикулярности - прибор НПР-1 (рис. 7). Конструкция приборов дана соответственно в приложениях 8 и 9.
Рис. 6. Прибор НПЛ-1 для измерения отклонений
от плоскостности граней формы
Рис. 7. Прибор НПР-1 для измерения отклонения от
перпендикулярности граней формы
5.4. Для измерения внутренних рабочих граней формы для кубов с ребрами 200 и 300 мм следует изготовить приборы по типу НПЛ-1 и НПР-1.
5.5. Измерения с помощью приборов НПЛ-1 и НПР-1 показана на рис. 8 и 9. Обработку результатов измерений производят также, как и с переносными приборами, описанными в разделах 3 и 4 по той же методике с учетом указаний в п. 5.2.
Рис. 8. Измерение с помощью прибора НПЛ-1 формы из алюминиевого сплава
Рис. 9. Измерение с помощью прибора НПР-1 стальной формы
6.1. Формы для контрольных образцов бетона в соответствии с ГОСТ 8.002-71 с изм. должны подвергаться первичной, периодической, внеочередной и инспекционной поверкам.
6.2. Первичная контрольная поверка должна проводиться перед пуском партии форм в работу и после ремонта. Для этого от партии отбирают 5 % форм, но не менее 3 шт.
Если при поверке отобранных форм хотя бы одна не будет соответствовать требованиям ГОСТ 22685-77, следует проводить повторную поверку удвоенного числа форм, отобранных из поверяемой партии.
При неудовлетворительных результатах повторной поверки формы поверяются поштучно.
6.3. Периодичность поверки форм находящихся в эксплуатации, устанавливается министерством (ведомством) в зависимости от конструктивного решения форм, их жесткости и материала, из которого они изготовлены, но не реже одного раза в 6 мес.
Периодической поверке подвергаются все формы партии, одновременно запущенной в эксплуатацию, по разработанному предприятием (строительной организацией) графику.
6.4. Внеочередная поверка производится в тех случаях, когда изготовленные в форме образцы не отвечают требованиям ГОСТ 10180-78, а также если форма была загружена по нерасчетной схеме или подверглась динамическому воздействию (например, при падении).
6.5. Инспекционная поверка может предусматриваться метрологической ревизией и проводится органами Госстандарта для выявления соответствия форм требованиям ГОСТ 22685-77.
6.6. Организации, осуществляющие контроль за своевременной и квалифицированной поверкой форм, определяет министерство (ведомство).
6.7. Подготовка форм к поверке и организация поверки возлагается на заводскую (строительную) лабораторию.
6.8. Методика выполнения работ по поверке формы и используемые для этой цели приборы содержатся в разд. 5.
Определение отклонений от плоскостности и перпендикулярности граней цилиндров и призм
1. Измерения цилиндров, по которым определяется прочность бетона, и призм, используемых для определения модуля деформации бетона, проводят по методике, описанной в разделах 3 и 4 с учетом указаний, которые приведены ниже.
2. Для измерения цилиндров диаметром 200 мм и призм с ребром 200 мм применяют приборы, предназначенные для измерения кубов с ребром того же размера. При измерении цилиндров и призм меньших размеров принимают аналогичные приборы, но с соответственно уменьшенной базой.
Для определения отклонения от перпендикулярности можно использовать прибор, конструкция которого приведена в прил. 7, при уменьшенном расстоянии между двумя опорами его горизонтальной полки.
3. Определение отклонения от плоскостности опорной грани цилиндра и призмы проводится так же, как и опорной грани куба (разд. 3). Отклонения от плоскостности по показаниям прибора вычисляют по формулам (4) - (5').
4. Отклонение от перпендикулярности образующих цилиндра к основанию измеряют так же, как и отклонение от перпендикулярности граней у куба (разд. 4), только предварительно на основании отмечают два взаимно перпендикулярных диаметра. Измеряемый параметр вычисляют по формулам (6) или (6').
5. При измерениях, проводимых с целью оценки формы, в которой изготовлен цилиндр, отклонение от перпендикулярности определяют по восьми образующим, отмечаемым через каждые 45°.
6. Определение отклонения от перпендикулярности основания призмы проводят последовательно по всем четырем ее боковым граням. В каждой грани отклонения от перпендикулярности измеряют по трем сечениям, а их среднее значение подсчитывают по формуле (6) или (6').
7. При удовлетворительных результатах измерений основания образца по отклонениям от плоскостности и перпендикулярности цилиндр или призму переворачивают основанием вниз, и все измерения повторяют.
8. Образец (цилиндр, призма) считают пригодным для испытания, если и по второму основанию отклонения от плоскостности и перпендикулярности соответственно х образующим и боковым граням не превышают допускаемых величин.
9. При отклонении от плоскостности основания, превышающей допускаемую, возможно исправление образца (обработкой на станке, выравниванием основания шпаклевкой, раствором и др.). При неудовлетворительных результатах измерения отклонения от перпендикулярности образец бракуется.
Примеры обработки результатов измерений кубов с помощью стационарного прибора
Пример 1. Измерение граней куба с ребром 100 мм проведено в соответствии с указаниями разд. 2. Для грани 1 отметки точек 1 - 5 (рис. 10) приведены в первой строке табл. 1. По ним подсчитывают отклонение от плоскостности грани: А - по формуле (1) и В - по формуле (2). Результаты подсчета даны в той же таблице.
Показания индикатора для точек 6 - 8 грани IV (см. рис. 10) записаны во 2-ю строку табл. 1. По этим показаниям подсчитывают отклонение от перпендикулярности С, но предварительно определяют начальное показание нижнего индикатора Т = 3,38 мм. Постоянная прибора М = 1,38 (база прибора h = 72,5 мм). По формуле (3) определяют величину С, значение которой также заносят во 2-ю строку табл. 1.
Рис. 10. Схема расположения точек измерения на
гранях куба при работе со стационарным прибором
Подсчитанные значения А, В и С удовлетворяют требованиям ГОСТ 10180-78, что позволяет перейти ко второму этапу измерений. На этом этапе определяют отклонение от плоскостности грани III и отклонения от перпендикулярности двух граней I - II и I - IV. Показания индикаторов для соответствующих точек и результаты подсчета по ним приведены в строках 3 - 5 таб. 1.
Таблица 1. Результаты измерений куба с ребром 100 мм
|
№ грани |
Показания индикаторов в точках |
Параметры, мм |
|||||||||
|
1 |
2 |
3 |
4 |
5 |
6 |
7 |
8 |
А |
В |
С |
|
|
I |
2,92 |
3,34 |
2,735 |
2,37 |
2,87 |
- |
- |
- |
-0,0275 |
0,029 |
- |
|
III - IV |
- |
- |
- |
- |
- |
3,6 |
3,72 |
3,69 |
- |
- |
0,4 |
|
III |
2 |
1,61 |
2,1 |
2,46 |
2,04 |
- |
- |
- |
0,015 |
-0,0025 |
- |
|
I - II |
- |
- |
- |
- |
- |
3,505 |
5,15 |
3,485 |
- |
- |
0,168 |
|
I - IV |
- |
- |
- |
- |
- |
3,37 |
3,505 |
3,5 |
- |
- |
0,108 |
Как видно из табл. 1, значения А, В и С, подсчитанные по результатам второго этапа измерений, удовлетворяют требованиям ГОСТ 10180-78. Отсюда следует, что измеренный куб можно испытывать, устанавливая на плиту гранями I или III.
Пример 2. Измерение граней куба с ребром 150 мм проведено в соответствии с указаниями разд. 2. Последовательность результатов измерений такая же, как и в примере 1.
Показания индикатора в точках 1 - 5 грани I и 6 - 8 грани IV (см. рис. 10), а также подсчитанные по ним величины А, В и С приведены в первых двух строках табл. 2. В связи с тем, что значение А и В меньше допускаемого отклонения от плоскостности, равного для куба с ребром 150 мм 0,075 мм, а значение С меньше допускаемого отклонения от перпендикулярности, которая не должна превышать 1,5 мм, проводится второй этап измерений.
Таблица 2. Результаты измерений куба с ребром 150 мм
|
№ грани |
Показания индикаторов в точках |
Параметры, мм |
|||||||||
|
1 |
2 |
3 |
4 |
5 |
6 |
7 |
8 |
А |
В |
С |
|
|
I |
3,1 |
2,77 |
2,69 |
3 |
2,84 |
|
|
|
0,01 |
-0,05 |
- |
|
III - IV |
- |
- |
- |
- |
- |
3,12 |
3,37 |
3,3 |
- |
- |
-0,161 |
|
III |
2,72 |
2,44 |
2,94 |
3,07 |
2,7 |
- |
- |
- |
0,075 |
-0,0925 |
- |
|
II |
3,49 |
3,15 |
3,41 |
3,785 |
3,14 |
- |
- |
- |
0,0175 |
0,3187 |
- |
Показания индикаторов в точках 1 - 5 грани III приведены в третьей строке табл. 2. Подсчитанная по ним величина В превышает допускаемую, поэтому измерения отклонения от перпендикулярности углов не проводят.
Третий этап измерений включает в себя обработку показаний индикатора в точках 1 - 5 грани II. Подсчитанное значение отклонения от плоскостности В превышает допускаемую величину, и по причине больших отклонений от плоскостности граней II и III куб бракуется.
Пример 3. Измерение граней куба с ребром 150 мм проведено для оценки состояния формы. Показания индикатора в точках 1 - 5 грани I и в точках 6 - 8 граней II и IV (см. рис. 10), определенные в соответствии с указаниями разд. 2 записывают в таблицу, и по ним подсчитывают значения А, В и С. Аналогичным образом обрабатывают показания индикатора для точек 1 - 5 грани III и для точек 6 - 8 граней I и II. Затем оценивают отклонения от плоскостности граней II и IV.
Результаты измерений по всем граням приведены в табл. 3. Значения А, В и С для всех опорных граней куба находится в пределах величин, допускаемых ГОСТ 10180-78. Следовательно, эксплуатацию формы, в которой изготовлен измеренный образец, можно продолжать.
Таблица 3. Результаты измерений куба с ребром 150 мм
|
№ грани |
Показания индикаторов в точках |
Параметры, мм |
|||||||||
|
1 |
2 |
3 |
4 |
5 |
6 |
7 |
8 |
А |
В |
С |
|
|
I |
1,66 |
1,71 |
1,83 |
1,75 |
1,74 |
- |
- |
- |
0,015 |
0,0025 |
- |
|
III - II |
- |
- |
- |
- |
- |
3,47 |
3,38 |
3,52 |
- |
- |
0,106 |
|
III - IV |
- |
- |
- |
- |
- |
3,06 |
3,075 |
2,875 |
- |
- |
-0,5 |
|
III |
1,615 |
1,845 |
1,23 |
1,06 |
1,445 |
- |
- |
- |
-0,03 |
0,0075 |
- |
|
I - II |
- |
- |
- |
- |
- |
2,83 |
2,89 |
2,885 |
- |
- |
-0,706 |
|
I -IV |
- |
- |
- |
- |
- |
2,47 |
2,63 |
2,51 |
- |
- |
0,353 |
|
II |
2,715 |
2,39 |
2,37 |
2,655 |
2,545 |
- |
- |
- |
0,02 |
0,015 |
- |
|
IV |
3,07 |
3,725 |
4,08 |
3,35 |
3,515 |
- |
- |
- |
0,0375 |
-0,041 |
- |
Примеры обработки результатов измерений с помощью переносных приборов
Пример 1. Измерение граней куба с ребром 200 мм проведено в соответствии с указаниями разд. 3. Начальные показания индикаторов Т1 и Т2 зафиксированные при установке прибора на стекло, а также в точках 1 и 2 (рис. 11) приведены в первой строке табл. 4. По формулам (4) и (5) подсчитывают отклонения от плоскостности А и В.
Рис. 11. Схема расположения точек измерения на гранях
куба при работе с переносными приборами
Таблица 4. Результаты измерений отклонения от плоскостности граней куба
|
№ грани |
Показания индикаторов в точках |
Параметры, мы |
||||
|
1 |
2 |
А |
В |
|||
|
Т1 |
О1 |
Т2 |
О2 |
|||
|
I |
3,58 |
3,615 |
3,53 |
3,56 |
0,0175 |
0,021 |
|
III |
3,58 |
3,66 |
3,53 |
3,6 |
0,04 |
0,05 |
Обе параллельные грани удовлетворяют требованию ГОСТ 10180-78 по отклонению от плоскостности.
Показания индикатора, закрепленного на приборе, с помощью которого проводят оценку отклонения от перпендикулярности граней, занесены в табл. 5. По средним значениям показаний для точек 3 - 5, а также по начальному показанию индикатора Т3 = 3,5 мм и постоянной прибора М = 1,5 (база прибора h = 67 мм) подсчитывают по формуле (6) значение С. Измерение и подсчеты величины С проведены для трех углов.
Таблица 5. Результаты измерение отклонении от перпендикулярности граней куба
|
№ грани |
Показания индикатора в точках |
Среднее значение |
Параметр С, мм |
||
|
3 |
4 |
5 |
|||
|
I - II |
3,68 |
3,65 |
3,62 |
3,65 |
0,225 |
|
I - IV |
3,7 |
3,78 |
3,92 |
3,8 |
0,45 |
|
II - III |
3,91 |
3,83 |
3,99 |
3,91 |
0,615 |
Так как все значения С меньше допускаемых, куб может быть испытан при установке на плиту пресса гранью I и III.
Пример 2. Как и в примере 1, начальные показания индикаторов T1 и Т2, а также в точках 1, и 2 двух параллельных граней заносят в табл. 6. Подсчитанные по ним значения А и В для одной из граней превышают допускаемые (см. табл. 6), равные для кубов с ребром 200 мм 0,1 мм. В связи с этим измеряют отклонения от плоскостности двух других граней; для них параметры А и В ниже допускаемых.
Таблица 6. Результаты измерений отклонения от плоскостности граней куба
|
№ грани |
Показания индикаторов в точках |
Параметры, мм |
||||
|
1 |
2 |
А |
В |
|||
|
Т1 |
О1 |
Т2 |
О2 |
|||
|
I |
2,43 |
2,51 |
3,45 |
3,51 |
0,04 |
0,04 |
|
III |
2,43 |
2,57 |
3,45 |
3,51 |
0,7 |
-0,29 |
|
II |
2,43 |
2,46 |
3,45 |
3,42 |
0,015 |
-0,0375 |
|
IV |
2,43 |
2,52 |
3,45 |
3,46 |
0,045 |
-0,035 |
Показания индикатора, закрепленного на приборе, занесены в табл. 7. По средним значениям показаний для точек 3 - 5, а также начальному показанию индикатора Т3 = 3 мм и постоянной прибора М = 1,5 подсчитывают по формуле (6) значение С.
Таблица 7. Результаты измерений отклонения от перпендикулярности граней куба
|
№ грани |
Показания индикатора в точках |
Среднее значение |
Параметр С, мм |
||
|
3 |
4 |
5 |
|||
|
I - II |
3,5 |
3,48 |
3,55 |
3,51 |
0,765 |
|
I - IV |
2,56 |
2,38 |
2,38 |
2,44 |
-0,84 |
|
II - III |
4,9 |
4,83 |
5,03 |
4,92 |
2,88 |
Из табл. 7 видно, что отклонение от перпендикулярности граней II - III превышает допускаемую по ГОСТ 10180-78 равную для кубов с ребром 200 мм 2 мм, следовательно, куб бракуется.
Пример обработки результатов измерений формы для кубов
Измерение стенок формы 2ФК-100 проведено в соответствии с указаниями разд. 5. Начальные показания индикаторов Т1 и Т2, зафиксированные при установке прибора НПЛ-1 на стекло, а также показания индикаторов при установке прибора внутри формы приведены в табл. 8.
Таблица 8. Результаты измерений отклонения от плоскостности стенок формы
|
№ места |
№ стенки |
Показания индикаторов в точках |
Параметры, мм |
||||
|
1 |
2 |
А |
В |
||||
|
Т1 |
О1 |
Т2 |
О2 |
||||
|
1 |
I |
0,25 |
0,28 |
0,31 |
0,23 |
0,015 |
-0,088 |
|
II |
0,25 |
0,2 |
0,31 |
0,3 |
0,025 |
0,002 |
|
|
III |
0,25 |
0,23 |
0,31 |
0,3 |
0,01 |
-0,005 |
|
|
IV |
0,25 |
0,25 |
0,31 |
0,31 |
0 |
0 |
|
|
2 |
I |
0,25 |
0,16 |
0,31 |
0,11 |
0,045 |
-0,18 |
|
II |
0,25 |
0,23 |
0,31 |
0,32 |
0,01 |
0,015 |
|
|
III |
0,25 |
0,24 |
0,31 |
0,3 |
0,005 |
0,0015 |
|
|
IV |
0,25 |
0,21 |
0,31 |
0,29 |
0,02 |
-0,01 |
|
Примечание. Показания с индексом «I» относятся к индикатору, установленному в центре прибора. В форме все стенки, кроме стенок I, соответствуют требованиям ГОСТ 22685-77. Форму можно эксплуатировать при условии, что в кубах, изготовленных в ней, опорными будут грани, примыкающие к стенкам II и IV.
Показания, индикатора, закрепленного на приборе НПР-1, занесены в табл. 9. По средним значениям показаний для точек 3 - 5, а также по начальному показанию индикатора Т3 = 0 и постоянной прибора М = 1,35 (база прибора h = 74 мм) подсчитывают по формуле (6') значение С. Измерения и подсчеты величины С приведены для трех углов.
Таблица 9. Результаты измерений отклонения от перпендикулярности стенок формы
|
№ места |
№ стенки |
Показания индикатора в точках |
Среднее значение |
Параметр С, мм |
||
|
3 |
4 |
5 |
||||
|
1 |
I - II |
-0,26 |
-0,37 |
-0,26 |
-0,3 |
-0,405 |
|
I - IV |
-0,13 |
0 |
-0,04 |
-0,06 |
-0,08 |
|
|
II - IV |
-0,21 |
-0,25 |
-0,26 |
-0,24 |
-0,32 |
|
|
2 |
I - II |
-0,22 |
-0,24 |
-0,16 |
-0,21 |
-0,28 |
|
I - IV |
0,05 |
0,16 |
0,20 |
0,14 |
0,19 |
|
|
II - IV |
0,28 |
0,3 |
0,21 |
0,26 |
0,35 |
|
В форме отклонения от перпендикулярности в пределах допускаемого по ГОСТ 22685-77, форму можно использовать для изготовления контрольных кубов.
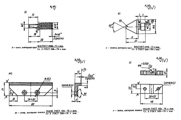
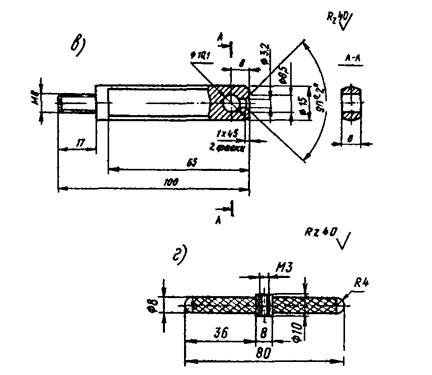
Стационарный прибор для измерения геометрических параметров опорных граней кубов
Рис. 12. Общий вид прибора (а), размеры в скобках
относятся к подставке для куба с ребром 150 мм
1 - подставка; 2 - опора; 3 -
плита; 4 - винт прижимной; 5 - упор; 6 - ножка; 7 - щека;
8 - хомут; 9 - кронштейн; 10 - винт специальный; 11 - винт М6×10 ГОСТ
17475-80 с изм.;
12 - винт М5×12 ГОСТ
17475-80 с изм.; 13 - винт М4×8 ГОСТ
1478-84;
14 - индикатор часового типа ИЧ 10 ГОСТ
577-68;
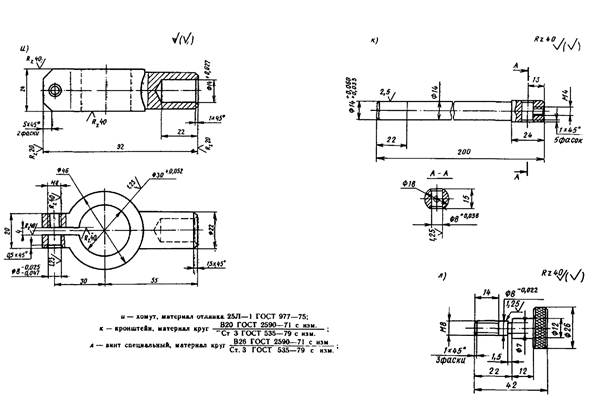
6 - подставка: 1 - опора; 2 -
упор; 3 - щека; 4 - клин; 5 - держатель;
6 - ножка; 7 - винт М4×20 ГОСТ
17475-80 с изм.






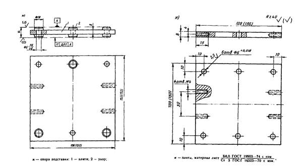
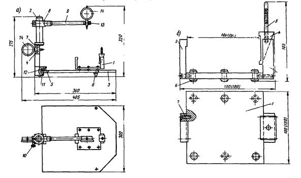
Переносной прибор
для определении отклонений от плоскостности опорных граней куба (НПЛ-4)

Рис. 13. Общий вид прибора (а), размеры в скобках
относятся
к прибору для измерения кубов с ребром 150 мм
1 - корпус, 2 - стойка; 3 -
ручка; 4 - шарик Ø8 ГОСТ 3722-81 (3
шт.);
5 - винт М5×8 ГОСТ
1477-84 (2 шт.); 6 - винт М3×10 ГОСТ
17475-80 с изм.;
7 - индикатор часового типа ИЧ 02 ГОСТ
577-68 (2 шт.);
б - корпус, материал полоса
В18 ГОСТ 13616-78
Д16 ГОСТ 4784-74 с изм.
в - стойка, материал пруток
Д16Т КР 17HX90
ГОСТ 21488-75 с изм.
г - ручка, материал см. рис. 13, в
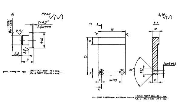
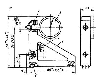
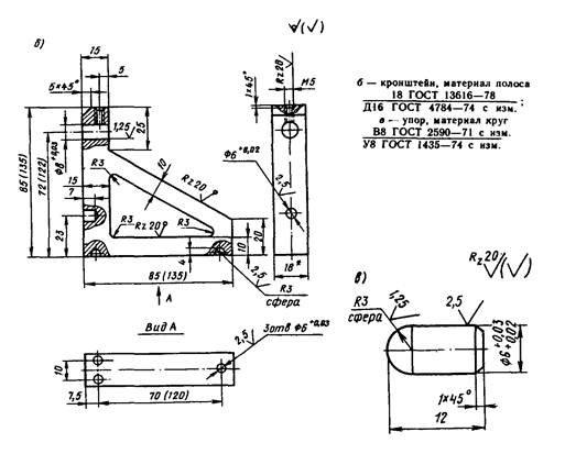
Переносной прибор для определения отклонений от перпендикулярности опорных граней куба (НПР-2)


Рис. 14. Общий вид прибора (а), размеры а скобках
относятся к прибору
для измерения кубов с ребром 150 мм
1 - корпус; 2 - упор; 3 -
индикатор часового типа ИЧ 10 ГОСТ
577-68;
4 - винт М5×8 ГОСТ
1477-75; 5 - шарик Ø6 ГОСТ 3722-81 (3
шт.);
б - корпус,
материал полоса
;
в - упор, материал круг ![]()
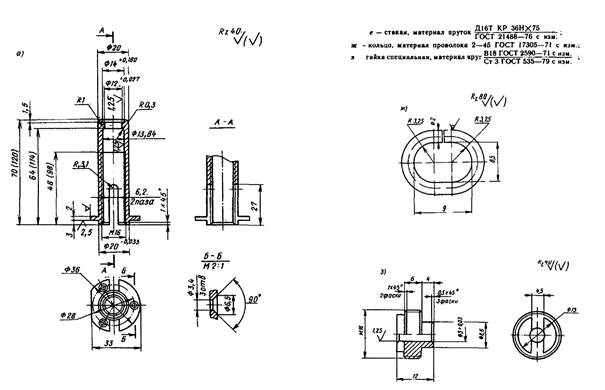
Переносной прибор для определения отклонений от плоскостности граней формы (НПЛ-1)

Рис. 15. Общий вид прибора (а), размеры в скобках
относятся
к прибору для измерения форм для кубов с ребром 150 мм
1 - корпус; 2 - стакан; 3 -
кольцо; 4 - гайка специальная; 5 - пружина; 6 - втулка;
7 - втулка; 8 - шток; 9 - наконечник; 10 - тяга; 11 - ручка; 12 - ось; 13 -
вилка;
14 - шарик Ø6 ГОСТ 3722-81 (3
шт.);
б - вид А




и - пружина, материал проволока ![]()
к - втулка, материал пруток
;
л - втулка, материал пруток
;
м - шток, материал круг ![]()



п - ручка, материал пруток
;
р - ось, материал круг ![]()
с - вилка, материал круг ![]()
Переносной прибор
для определения отклонений от перпендикулярности граней формы (НПР-1)


Рис. 16. Общий вид прибора (а), размеры а скобках
относятся к прибору
для измерения форм для кубов с ребром 150 мм
1 - кронштейн; 2 - упор; 3 - индикатор часового типа
ИЧ 02 ГОСТ
577-68;
4 - винт М5×8 ГОСТ
1477-75 с изм.; 5 - шарик Ø6 ГОСТ 3722-81 (3
шт.);
СОДЕРЖАНИЕ