Occupation safety standards system. Personal hearing protective equipment. General technical requirements. Mechanical test methods

ФЕДЕРАЛЬНОЕ АГЕНТСТВО
ПО ТЕХНИЧЕСКОМУ РЕГУЛИРОВАНИЮ И МЕТРОЛОГИИ

НАЦИОНАЛЬНЫЙ
СТАНДАРТ
РОССИЙСКОЙ
ФЕДЕРАЦИИ

ГОСТ Р
12.4.255-
2011

(ЕН 13819-1:2002)

Система стандартов безопасности труда

СРЕДСТВА ИНДИВИДУАЛЬНОЙ ЗАЩИТЫ
ОРГАНА СЛУХА

Общие технические требования.
Механические методы испытаний

EN 13819-1:2002
Hearing protectors - Testing - Part 1: Mechanical test methods
(MOD)

Москва
Стандартинформ
2012

Предисловие

Цели и принципы стандартизации в Российской Федерации установлены Федеральным законом от 27 декабря 2002 г. № 184-ФЗ «О техническом регулировании», а правила применения национальных стандартов Российской Федерации - ГОСТ Р 1.0-2004 «Стандартизация в Российской Федерации. Основные положения»

Сведения о стандарте

1. ПОДГОТОВЛЕН Техническим комитетом средств индивидуальной защиты ТК 320 «СИЗ» на основе собственного аутентичного перевода на русский язык европейского регионального стандарта, указанного в пункте 4

2. ВНЕСЕН Техническим комитетом по стандартизации средств индивидуальной защиты ТК 320 «СИЗ»

3. УТВЕРЖДЕН И ВВЕДЕН В ДЕЙСТВИЕ Приказом Федерального агентства по техническому регулированию и метрологии от 30 июня 2011 г. № 163-ст

4. Настоящий стандарт является модифицированным по отношению к европейскому региональному стандарту ЕН 13819-1:2002 «Средства индивидуальной защиты органа слуха. Испытания. Часть 1. Механические методы испытаний» (EN 13819-1:2002 «Hearing protectors - Testing - Part 1: Mechanical test method»).

При этом потребности национальной экономики Российской Федерации и особенности национальной стандартизации учтены в дополнительных пунктах (подпунктах, терминологических статьях), которые выделены вертикальной линией, расположенной на полях, соответственно, слева (четные страницы) и справа (нечетные страницы) от текста.

Наименование настоящего стандарта изменено относительно наименования указанного международного стандарта для приведения в соответствие с ГОСТ Р 1.5-2004 (пункт 3.5)

5. ВЗАМЕН ГОСТ Р 12.4.208-99; ГОСТ Р 12.4.209-99; ГОСТ Р 12.4.210-99

Информация об изменениях к настоящему стандарту публикуется в ежегодно издаваемом информационном указателе «Национальные стандарты», а текст изменений и поправок - в ежемесячно издаваемых информационных указателях «Национальные стандарты». В случае пересмотра (замены) или отмены настоящего стандарта соответствующее уведомление будет опубликовано в ежемесячно издаваемом информационном указателе «Национальные стандарты». Соответствующая информация, уведомление и тексты размещаются также в информационной системе общего пользования - на официальном сайте Федерального агентства по техническому регулированию и метрологии в сети Интернет

СОДЕРЖАНИЕ

1. Область применения. 2

2. Нормативные ссылки. 2

3. Термины и определения. 3

4. Общие технические требования. 4

4.1. Наушники и наушники, смонтированные с защитной каской. 4

4.2. Противошумные вкладыши. 10

5. Механические методы испытаний. 13

5.1. Наушники и наушники, смонтированные с защитной каской. 13

5.2. Противошумные вкладыши. 26

Приложение А (обязательное) Испытательные приспособления. 29

Приложение В (обязательное) Блок-схемы испытаний. 35

Приложение С (рекомендуемое) Погрешность измерения и интерпретация результатов испытаний. 38

НАЦИОНАЛЬНЫЙ СТАНДАРТ РОССИЙСКОЙ ФЕДЕРАЦИИ

Система стандартов безопасности труда

СРЕДСТВА ИНДИВИДУАЛЬНОЙ ЗАЩИТЫ ОРГАНА СЛУХА

Общие технические требования. Механические методы испытаний

Occupational safety standards system. Personal hearing protective equipment. General technical requirements. Mechanical test methods

Дата введения - 2012-07-01

1. Область применения

Настоящий стандарт распространяется на средства индивидуальной защиты органа слуха - противошумные наушники, противошумные наушники, смонтированные с защитной каской, противошумные вкладыши.

Настоящий стандарт устанавливает общие технические требования и механические методы испытаний для средств индивидуальной защиты органа слуха.

2. Нормативные ссылки

В настоящем стандарте использованы нормативные ссылки на следующие стандарты:

ГОСТ Р 12.4.211-99 Система стандартов безопасности труда. Средства индивидуальной защиты органа слуха. Противошумы. Субъективный метод измерения поглощения шума (ИСО 4869-1:1990)

ГОСТ Р 12.4.212-99 Система стандартов безопасности труда. Средства индивидуальной защиты органа слуха. Противошумы. Оценка результирующего значения А-корректированных уровней звукового давления при использовании средств индивидуальной защиты от шума (ИСО 4869-2:1994)

ГОСТ Р EH 397/A1-2010 Система стандартов безопасности труда. Средства индивидуальной защиты от падения с высоты. Каски защитные. Общие технические требования. Методы испытаний

ГОСТ Р ЕН 13819-2-2011 Средства индивидуальной защиты органа слуха. Акустические методы испытаний

Примечание - При пользовании настоящим стандартом целесообразно проверить действие ссылочных стандартов в информационной системе общего пользования - на официальном сайте Федерального агентства по техническому регулированию и метрологии в сети Интернет или по ежегодно издаваемому информационному указателю «Национальные стандарты», который опубликован по состоянию на 1 января текущего года, и по соответствующим ежемесячно издаваемым информационным указателям, опубликованным в текущем году. Если ссылочный стандарт заменен (изменен), то при пользовании настоящим стандартом следует руководствоваться заменяющим (измененным) стандартом. Если ссылочный стандарт отменен без замены, то положение, в котором дана ссылка на него, применяется в части, не затрагивающей эту ссылку.

3. Термины и определения

В настоящем стандарте применены следующие термины с соответствующими определениями:

3.1 наушники с оголовьем: Противошум, состоящий из двух звукоизолирующих чашек, прикрывающих ушные раковины и соединенных между собой жестким или мягким прижимным устройством (оголовьем).

3.2 наушники, смонтированные с защитной каской: Противошум, состоящий из двух звукоизолирующих чашек, прикрывающих ушные раковины, и прикрепленный с помощью специального приспособления к защитной каске.

3.3 защитная каска: Головной убор (каска), предназначенный(ая) для защиты верхней части головы работника от повреждения падающими предметами (по ГОСТ Р 12.4.207).

3.4 эквивалент оголовья: Элемент комплексной конструкции наушники/каска, несущей чашку. Элемент включает участок корпуса каски и участок держателей чашки.

3.5 наружное вертикальное расстояние: Расстояние по вертикали между верхушкой макета головы, на который надета каска, и верхней точкой наружной поверхности корпуса каски.

3.6 чашка наушника: Полый корпус, укрепленный на прижимном устройстве, который обычно имеет звукопоглощающий вкладыш и амортизатор (уплотнительную прокладку) по периметру.

3.7 амортизатор: Упругая кольцеобразная конструкция, обычно заполненная пенопластом или вязкой жидкостью и обеспечивающая удобное и плотное прилегание наушника к голове.

3.8 шумопоглотитель: Звукопоглощающий материал, располагающийся в чашке наушника, предназначенный для поглощения звука.

3.9 рабочее положение: Положение наушников, при котором чашки находятся ниже уровня нижнего края корпуса каски и амортизаторы контактируют с околоушной поверхностью или ушными раковинами.

3.10 нейтральное положение: Положение наушников, при котором чашки находятся ниже уровня нижнего края корпуса каски и амортизаторы не контактируют с околоушной поверхностью или ушными раковинами.

3.11 нерабочее положение: Положение наушников, при котором чашки находятся выше уровня нижнего края каркаса каски.

3.12 основная комбинация: Комбинация наушники/маска, включающая первую из испытуемых или единственную испытуемую модель (или размер) каски, на которой крепится конкретная модель наушников; на этой комбинации проводится полный набор испытаний, предусматриваемый настоящим стандартом.

3.13 дополнительная комбинация: Комбинация наушники/каска, включающая модель (или размер) каски, которая отличается по параметрам от основной каски. На «дополнительной» каске крепятся наушники той же модели, что и в основной комбинации, и проводится сокращенный набор испытаний.

3.14 противошумный вкладыш: Вкладыш, который носят во внутренней части слухового канала (ушного) или в ушной раковине.

Различают:

- одноразовые вкладыши;

- вкладыши для многоразового применения;

- вкладыши, сделанные на заказ, для индивидуальной ушной раковины и слухового канала потребителя;

- вкладыши, соединенные оголовьем.

3.15 оголовье: Элемент противошума, предназначенный для его крепления на голове за счет усилия прижатия.

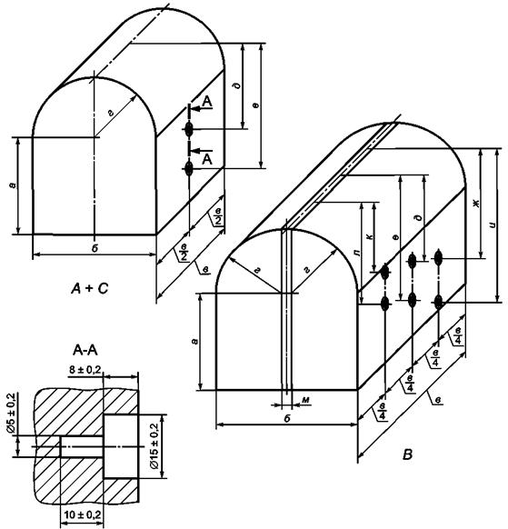
3.16 тестовая высота: Вертикальное расстояние между осью, проведенной через центры отверстий моделей уха в монтажном приспособлении или в макете головы, и верхом опоры оголовья или верхом макета головы (см. рисунки А.1, А.2 и А.8, приложение А).

3.17 тестовая ширина: Горизонтальное расстояние между вертикальными осями через центры отверстий моделей уха в монтажном приспособлении или макете головы (см. рисунки А.1, А.2 и А.8, приложение А).

3.18 тестовая глубина: Вертикальное расстояние между осью через центры монтажных отверстий моделей уха и верхом опоры оголовья; модели уха закреплены так, что их короткая ось направлена вертикально (см. рисунок А.1, приложение А).

3.19 высота одевания: Расстояние по вертикали между нижним краем оголовья каски и верхней точкой макета головы, на который одевается каска.

Примечание - Оголовье каски - по ГОСТ Р EH 397/A1.

4. Общие технические требования

4.1. Наушники и наушники, смонтированные с защитной каской

4.1.1. Размеры

Наушники классифицируют на три типа размеров: малого размера (S), среднего размера (М) и большого размера (L).

4.1.2. Требования к материалам

4.1.2.1. Все части наушника, которые соприкасаются с кожей, должны быть мягкими, неметаллическими, гибкими и не должны вызывать раздражение, аллергические реакции и другие отрицательные реакции, влияющие на здоровье.

4.1.2.2. Материалы противошумов должны допускать гигиеническую обработку.

4.1.3. Требования к конструкции

4.1.3.1. Все части наушников, которые открыты во время эксплуатации и хранения, должны быть скруглены, гладко обработаны и не должны иметь колющих, острых краев.

4.1.3.2. Наушники со сменными шумопоглотителями и амортизаторами, которые могут быть заменены потребителем, не должны требовать применения специальных инструментов для замены.

4.1.3.3. Все универсальные наушники должны быть снабжены оголовьем.

Модели наушников, предназначенные для ношения на затылке или под подбородком и имеющие массу, превышающую 150 г, должны быть снабжены жестким оголовьем.

4.1.3.4. Конструкцией противошумов должно быть предусмотрено допущение гигиенической обработки.

4.1.4. Регулируемость

Для каждой комбинации тестовых размеров, указанных в таблицах 1 - 3, регулирование чашек, оголовья, держателей чашек и ширины между амортизаторами должно позволять крепить наушники или наушники, смонтированные с защитной каской, на монтажном приспособлении или на макете головы соответственно.

Таблица 1 - Тестовые размеры - регулируемость (наушники с оголовьем поверх головы)

Диапазон размера

Тестовая

высота, мм

ширина, мм

S

115

125, 145

130

125, 145

M

115

145

130

125, 145, 155

140

145

L

130

145, 155

140

145, 155

S - наушники малого размера;

М - наушники среднего размера;

L - наушники большого размера.

Таблица 2 - Тестовые размеры - регулируемость (наушники с оголовьем на затылке и под подбородком)

Диапазон размера

Тестовая

высота, мм

ширина, мм

S

75

125, 145

90

125, 145

М

75

145

90

125, 145, 155

105

145

L

90

145, 155

105

145, 155

S - наушники малого размера;

М - наушники среднего размера;

L - наушники большого размера.

Примечания

1. Размеры, указанные в таблицах 1 и 2, выбраны, чтобы покрыть соответствующие комбинации: ширины головы, высоты головы и глубины головы 5-й, 50-й и 95-й процентилей взрослого населения.

2. Если неплоские адаптеры амортизаторов установлены на монтажное приспособление, то тестовая ширина - расстояние между двумя наиболее удаленными точками адаптеров амортизаторов, измеренное вдоль горизонтальной оси через центр измерения силы.

Таблица 3 - Тестовые размеры

Диапазон размера

Тестовая высота, мм

Тестовая ширина для макета головы, мм

В

J

N

S

115

125

145

-

130

125

145

M

115

-

145

-

130

125

145, 155

140

-

145

L

130

-

145

155

140

-

145

155

S - наушники малого размера;

М - наушники среднего размера;

L - наушники большого размера.

Примечание - Прочерк «-» означает, что требования не установлены.

4.1.5. Вращение чашек

При испытаниях в соответствии с 5.1.5 контакт между уплотнителями и пластинами монтажного приспособления должен быть непрерывным, так чтобы обеспечивался ненарушаемый барьер между внутренним и внешним периметрами амортизаторов.

4.1.6. Усилие прижатия оголовья

4.1.6.1. Для наушников, с оголовьем при испытаниях в соответствии с 5.1.6 усилие прижатия не должно превышать 14 Н.

4.1.6.2. Для наушников, смонтированных с защитной каской, при испытаниях в соответствии с 5.1.6 усилие прижатия не должно превышать 14 Н. Если комбинация наушники/каска снабжена устройством для регулирования этой силы, то ее устанавливают на уровне не более 14 Н.

4.1.6.3. Каждую дополнительную комбинацию дополнительно испытывают на поглощение шума согласно ГОСТ Р ЕН 13819-2 (подпункт 4.2.3.6), если:

а) среднее значение усилия прижатия эквивалента оголовья в дополнительной комбинации наушники/каска по 5.1.6.4 больше 8 Н или

б) соблюдается условие уравнения (1)

-L £ T £ L,                                                               (1)

где для каждой дополнительной комбинации T и L, %, вычисляют по формулам (2) и (3) соответственно:

                                                    (2)

где Fcp.осн - среднее значение усилия прижатия, Н, эквивалента оголовья наушников в основной комбинации, как указано в 5.1.6.4;

Fcp.доп - среднее значение усилия прижатия, Н, эквивалента оголовья наушников в дополнительной комбинации, как указано в 5.1.6.4.

Примечание - T - отклонение Fcp.доп:

- для Fcp.осн < 8H, L = 10 %;

- для 8Н < Fcp.осн < 11Н,                                                                   (3)

- для Fcp.осн > 11H, L = 20 %.

Примечание - L - максимальное отклонение Fср.доп, %.

4.1.7. Давление амортизаторов

При испытании согласно 5.1.7 давление амортизатора не должно превышать 4500 Па.

4.1.8. Устойчивость к повреждению при падении

При испытании наушников с оголовьем или комбинации наушники/каска согласно 5.1.8 на них не должны появляться трещины, а также не должны отделяться никакие части (кроме сменных амортизаторов), так чтобы правильная повторная сборка потребовала специальных инструментов или замены деталей.

4.1.9. Устойчивость к повреждению при падении в условиях низкой температуры (необязательно)

При испытании наушников с оголовьем или комбинации наушники/каска согласно 5.1.9 на них не должны появляться трещины, а также не должны отделяться никакие части (кроме сменных амортизаторов), так чтобы правильная повторная сборка потребовала специальных инструментов или замены деталей.

4.1.10. Изменение усилия прижатия оголовья

Усилие прижатия оголовья каждого образца, измеренное в 5.1.6, не должно измениться более чем на ± 20 % после выполнения испытаний по перечислениям б) - к) 5.1.3.7; наушники, каркас каски, чашки и держатели не должны иметь трещин и других повреждений.

4.1.11. Акустическая эффективность

Значения акустической эффективности определяются по ГОСТ Р ЕН 13819-2. Стандартные отклонения не должны превышать 4 дБ в четырех или более смежных третьоктавных полосах частот и 7 дБ - в любой отдельной третьоктавной полосе частот.

4.1.12. Устойчивость к протечкам (для амортизаторов, заполненных жидкостью)

Если амортизаторы заполнены жидкостью, то не должно произойти ее утечки при испытании наушников согласно 5.1.14.

4.1.13. Воспламеняемость

При испытании в соответствии с 5.1.15 никакая из частей наушника не должна гореть или тлеть после удаления нагретого стержня.

4.1.14. Минимальное поглощение шума

При испытании в соответствии с ГОСТ Р ЕН 13819-2 значения (Mf - sf) для наушников не должны быть меньше приведенных в таблице 4.

Таблица 4 - Минимальное поглощение шума наушниками

Группа наушников

Значение минимального поглощения шума (Mf - sf)1), дБ, при частоте, Гц

125

250

500

1000

2000

4000

8000

А

5

8

10

12

12

12

12

Б

-

5

7

9

9

9

9

1) Mf - среднее значение поглощения шума.

sf - стандартные отклонения в соответствии с ГОСТ Р 12.4.211.

4.1.15. Информация изготовителя

4.1.15.1. Для наушников с оголовьем инструкции по 4.1.15.1.1 и 4.1.15.1.2 должны быть предоставлены на официальном языке (языках) страны-заказчика.

4.1.15.1.1. Инструкция для пользователя

К наушникам должна быть приложена инструкция для пользователя, содержащая:

а) номер настоящего стандарта;

б) торговую марку либо другие средства идентификации изготовителя, импортера или дистрибьютора;

в) наименование модели;

г) указания (выбрать нужные):

- данная модель наушников отвечает требованиям устойчивости к температуре плюс 50 °C.

- данная модель наушников отвечает требованиям устойчивости к температуре минус 20 °C.

Примечание - Возможно сочетание этих указаний;

д) описание типа оголовья и амортизаторов;

е) метод подгонки, регулирования;

ж) для наушников малых/больших размеров указание (выбрать нужное):

на упаковочной коробке:

предупреждение - «Наушники малых/больших размеров, смотри инструкцию для пользователя»;

в инструкции для пользователя:

предупреждение: «Наушники малых/больших размеров. Наушники бывают средних размеров либо малых/больших размеров. Наушники среднего размера подходят для большинства пользователей. Наушники малых/больших размеров предназначены для тех потребителей, которым не подходят наушники среднего размера»;

и) для каждого способа ношения наушников следующие показатели ослабления звука:

1) среднее значение и стандартное отклонение для каждой частоты испытания,

2) показатель APV для каждой частоты испытания согласно ГОСТ Р 12.4.212 при a, равном 1,

3) показатели Н, М и L согласно ГОСТ Р 12.4.212 при a, равном 1.

4) показатель SNR согласно ГОСТ Р 12.4.212 при a, равном 1.

Все показатели одинаково важны;

к) рекомендации для потребителя:

1) соответствие подгонки, регулировки и условий хранения наушников инструкциям изготовителя,

2) обязательное ношение наушников в условиях шума,

3) регулярную проверку эксплуатационной надежности наушников;

л) предупреждение, что в случае несоблюдения требований перечисления к) защитные свойства наушников существенно ухудшатся;

м) метод очистки и дезинфекции наушников, который предусматривает конкретные чистящие средства и требует использования средств, известных в качестве безвредных для человека;

н) предупреждение: «На данный продукт могут неблагоприятно влиять определенные химические вещества. Подробную информацию следует запросить у изготовителя»;

п) предупреждение: «Наушники, в особенности амортизаторы, могут изнашиваться в процессе использования; их нужно регулярно проверять на появление трещин или протечек»;

р) рекомендуемые условия хранения до и после использования;

с) информацию, необходимую при заказе сменных амортизаторов;

т) метод замены амортизаторов (при необходимости);

у) массу наушников;

ф) адрес для обращения за дополнительной информацией.

4.1.15.1.2. Дополнительная информация

Изготовитель предоставляет по требованию следующую информацию:

а) диапазон размеров головы, для которых подходят наушники;

б) информацию, указанную в 4.1.15.1.1;

в) результаты испытаний, выполненных в соответствии с настоящим стандартом;

г) наименование лаборатории, проводившей испытания, страну, где проводили испытания, и дату испытаний.

4.1.15.2. Для наушников, смонтированных с защитной каской, инструкции по 4.1.15.2.1 и 4.1.15.2.2 должны быть предоставлены на официальном языке (языках) страны-заказчика.

4.1.15.2.1. Инструкция для пользователя

К наушникам должна быть приложена инструкция для пользователя, содержащая:

а) номер настоящего стандарта;

б) торговую марку либо другие средства идентификации изготовителя, импортера или дистрибьютора;

в) наименование модели - наушники и держатели чашек;

г) указания (выбрать нужные):

- данная модель комбинации наушники/защитная каска отвечает требованиям устойчивости к температуре плюс 50 °C,

- данная модель комбинации наушники/защитная каска отвечает требованиям устойчивости к температуре минус 20 °C.

Примечание - Возможно сочетание этих указаний;

д) описание типа амортизаторов;

е) изготовителя(ей) и наименование модели защитной каски, в комбинации с которой наушники отвечают настоящему стандарту. Такая информация должна быть предоставлена в следующем виде: «Данные наушники должны устанавливаться только на следующих моделях защитной каски и использоваться только в комбинации с ними»;

ж) метод крепления наушников на каску (если нужно);

и) метод регулирования, включая инструкции по регулированию усилия прижатия эквивалента оголовья, инструкцию по установке нерабочего положения согласно 3.11 или нейтрального положения согласно 3.10;

к) информацию для наушников малых или больших размеров:

на упаковочной коробке:

«Предупреждение: наушники малых/больших размеров смотри инструкцию для пользователя», в инструкции для пользователя:

«Предупреждение: наушники малых/больших размеров. Наушники бывают средних размеров либо малых/больших размеров. Наушники среднего размера подходят для большинства пользователей. Наушники малых/больших размеров предназначены для тех потребителей, которым не подходят наушники среднего размера;

При креплении наушников на данный тип защитной каски получаемая комбинация обозначается как «малый размер» или «большой размер» (выбрать нужное);

л) следующие данные о значениях поглощения шума наушниками, закрепленными на защитной каске и испытанными согласно ГОСТ Р ЕН 13819-2 (если комбинация наушники/каска снабжена устройством для регулирования усилия прижатия эквивалента оголовья, то значения поглощения шума должны быть представлены как при минимальной, так и при максимальной силе):

1) среднее значение и стандартное отклонение для каждой частоты испытания,

2) показатель APV для каждой частоты испытания согласно ГОСТ Р 12.4.212 при α, равном 1,

3) показатели Н, М и L согласно ГОСТ Р 12.4.212 при a, равном 1.

4) показатель SNR согласно ГОСТ Р 12.4.212 при a, равном 1.

Все показатели одинаково важны;

м) рекомендации для потребителя:

1) убедитесь, что комбинация наушники/каска собрана, отрегулирована и используется в соответствии с инструкцией изготовителя,

2) носите комбинацию наушники/каска в течение всего времени пребывания в шумном помещении,

3) регулярно проверяйте состояние комбинации наушники/каска;

н) предупреждение: «В случае несоблюдения требований перечисления м) защитные свойства комбинации наушники/каска значительно ухудшатся»;

п) информация о том, что способ очистки и дезинфекции комбинации должен быть таким, как указывает изготовитель; чистящие средства не должны быть опасными для пользователя или повреждающими наушники;

р) предупреждение: «Продукт может повреждаться определенными химическими веществами. За дополнительной информацией обращайтесь к изготовителю»;

с) предупреждение: «Наушники, в особенности амортизаторы, могут изнашиваться в процессе использования; их нужно регулярно проверять на появление трещин или протечек»;

т) рекомендации по хранению до и после использования;

у) информацию, необходимую для заказа сменных амортизаторов;

ф) метод замены амортизаторов (при необходимости);

х) адрес для обращения за дополнительной информацией.

4.1.15.2.2. Дополнительная информация

По запросу потребителя изготовитель должен предоставить следующую информацию:

а) диапазон размеров головы, подходящих для данной комбинации;

б) информацию согласно 4.1.15.2.1;

в) результаты испытаний, выполненных в соответствии с настоящим стандартом;

г) наименование лаборатории, проводившей испытания, страну, где проводили испытания, и дату испытаний.

4.1.16. Требования к маркировке

Наушники должны быть маркированы устойчивым при эксплуатации методом. Маркировка должна содержать:

а) наименование, торговую марку или другие идентификационные признаки изготовителя;

б) наименование модели;

в) указания на чашках «ПЕРЕД» и/или «ВЕРХ», а также «ЛЕВАЯ» и «ПРАВАЯ», если изготовитель предусматривает ношение модели конкретно ориентированным образом.

г) номер настоящего стандарта.

4.2. Противошумные вкладыши

4.2.1. Размеры

Размер или размеры вкладышей измеряют в соответствии с 5.2.4 и указывают в протоколе. Вкладыши, сделанные на заказ, или полувкладыши не подлежат этому испытанию.

4.2.2. Требования к материалам

Материалы, используемые в деталях вкладыша и находящиеся в контакте с кожей пользователя, должны соответствовать следующим требованиям:

4.2.2.1. Материалы не должны раздражать кожу, повреждать ее, вызывать аллергические реакции или оказывать какой-либо отрицательный эффект на здоровье пользователя в период срока службы вкладышей.

4.2.2.2. Если вкладыши предназначены для повторного использования, то после чистки вкладыш не должен иметь изменений, существенно влияющих на его свойства.

4.2.2.3. Когда вкладыши находятся в контакте с потом, ушной серой или другими веществами, которые могут быть в ушном канале, материал, из которого сделан вкладыш, не должен претерпевать изменений в течение всего срока службы вкладыша, существенно влияющих на его свойства.

4.2.3. Требования к конструкции

4.2.3.1. Все части вкладыша не должны причинять физического ущерба пользователю при использовании в соответствии с инструкциями изготовителя.

4.2.3.2. Конструкцией любой детали вкладыша, которая может выступать из ушного канала, при использовании в соответствии с инструкциями изготовителя, должно быть предусмотрено исключение нанесения ущерба пользователю при механическом контакте с ней.

4.2.3.3. Вкладыш должен быть сделан так, чтобы при использовании в соответствии с инструкциями изготовителя его было легко полностью удалить из ушного канала без применения каких-либо инструментов при испытаниях с 16 испытателями.

Примечание - Проверка выполнения требований этого пункта может быть проведена при испытаниях, проводимых по ГОСТ Р 12.4.211.

4.2.3.4. В случаях, когда вкладыши предназначены для повторного использования, применяют подходящую упаковку, обеспечивающую гигиеническое хранение вкладышей в промежутках между применениями.

4.2.4. Устойчивость к повреждению при падении

При испытании противошумных вкладышей согласно 5.2.6 на них не должны появляться трещины, а также не должны отделяться никакие части, так чтобы правильная повторная сборка потребовала специальных инструментов или замены деталей.

4.2.5. Устойчивость к повреждению при падении в условиях низкой температуры (необязательно)

При испытании противошумных вкладышей согласно 5.2.7 на них не должны появляться трещины, а также не должны отделяться никакие части, так чтобы правильная повторная сборка потребовала специальных инструментов или замены деталей.

4.2.6. Воспламеняемость

При испытаниях в соответствии с 5.2.8 вкладыши не должны ни воспламеняться, ни продолжать тлеть после удаления нагретого стержня.

4.2.7. Диапазон примерки вкладышей, соединенных оголовьем

4.2.7.1. При испытаниях в соответствии с 5.2.5 для каждого диапазона примерки вкладышей, соединенных оголовьем поверх головы, должна подходить соответствующая комбинация тестовых размеров, указанных в таблице 5.

Таблица 5 - Тестовые размеры (вкладыши, соединенные оголовьем поверх головы)

Диапазон размера

Тестовая

высота, мм

ширина, мм

S

115

125, 145

130

125, 145

M

115

145

130

125, 145, 155

140

145

L

130

145, 155

140

145, 155

S - вкладыши, соединенные оголовьем малого диапазона примерки;

М - вкладыши, соединенные оголовьем среднего диапазона примерки;

L - вкладыши, соединенные оголовьем большого диапазона примерки.

Примечание - Размеры, указанные в таблице, выбраны, чтобы покрыть соответствующие комбинации, ширины головы, высоты головы и глубины головы 5-й, 50-й и 95-й процентилей взрослого населения.

4.2.7.2. При испытаниях в соответствии с 5.2.5 для каждого диапазона примерки вкладышей, соединенных оголовьем на затылке или под подбородком, должна подходить соответствующая комбинация тестовых размеров, указанных в таблице 6.

Таблица 6 - Тестовые размеры

Диапазон размера

Тестовая

высота, мм

ширина, мм

S

75

125, 145

90

125, 145

M

75

145

90

125, 145, 155

105

145

L

90

145, 155

105

145, 155

S - вкладыши, соединенные оголовьем малого диапазона примерки;

М - вкладыши, соединенные оголовьем среднего диапазона примерки;

L - вкладыши, соединенные оголовьем большого диапазона примерки.

Примечание - Размеры, указанные в таблице, выбраны, чтобы покрыть соответствующие комбинации, ширины головы, высоты головы и глубины головы 5-й, 50-й и 95-й процентилей взрослого населения.

 

4.2.8. Минимальное поглощение шума

При испытании в соответствии с ГОСТ Р ЕН 13819-2 значения (Mf - sf) для вкладышей не должны быть меньше приведенных в таблице 7.

Таблица 7 - Минимальное поглощение шума вкладышами

Группа
вкладышей

Значение минимального поглощения шума (Mf - sf)1), дБ, при частоте, Гц

 

125

250

500

1000

2000

4000

8000

А

5

8

10

12

12

12

12

Б

-

5

7

9

9

9

9

1) Mf - среднее значение поглощения шума.

sf - стандартные отклонения в соответствии с ГОСТ Р 12.4.211.

4.2.9. Информация изготовителя

Инструкции по 4.2.9.1 и 4.2.9.2 должны быть предоставлены на официальном языке (языках) страны-заказчика.

4.2.9.1. Инструкция для пользователя

К вкладышам должна быть приложена инструкция для пользователя, содержащая:

а) номер настоящего стандарта;

б) торговую марку либо другие средства идентификации изготовителя, импортера или дистрибьютора;

в) наименование модели;

г) описание типа оголовья, если это необходимо;

д) метод подгонки, регулирования;

е) номинальный размер или диапазон размеров для вкладышей иных, чем сделанные на заказ или вставляющиеся в ушную раковину.

ж) информацию о диапазоне примерки вкладышей, соединенных оголовьем, если это необходимо;

и) следующие показатели ослабления звука для каждой модели вкладышей:

1) среднее значение и стандартное отклонение для каждой частоты испытания,

2) показатель APV для каждой частоты испытания согласно ГОСТ Р 12.4.212 при a, равном 1,

3) показатели Н, М и L согласно ГОСТ Р 12.4.212 при a, равном 1,

4) показатель SNR согласно ГОСТ Р 12.4.212 при a, равном 1.

Все показатели одинаково важны;

к) рекомендации для потребителя:

1) соответствие подгонки и условий хранения вкладышей инструкциям изготовителя,

2) обязательное ношение вкладышей в условиях шума,

3) регулярный осмотр вкладышей и проверка их пригодности;

л) предупреждение, что в случае несоблюдения требований перечисления к) защитные свойства вкладышей существенно ухудшатся;

м) если вкладыши повторного применения, указание о способе их очистки и дезинфекции и рекомендации о чистящих растворах, которые не причиняют вреда пользователю;

н) предупреждение: «Продукт может повреждаться определенными химическими веществами. За дополнительной информацией обращайтесь к изготовителю»;

п) рекомендуемые условия хранения до и после применения;

р) массу вкладышей;

с) адрес для обращения за дополнительной информацией.

4.2.9.2. Дополнительная информация

Изготовитель по требованию предоставляет:

а) информацию, указанную в 4.2.9.1;

б) результаты испытаний, выполненных в соответствии с настоящим стандартом;

в) наименование лаборатории, проводившей испытания, страну, где проводили испытания, и дату испытаний.

4.2.10. Требования к маркировке

На вкладыши или их упаковку должны быть нанесены:

а) наименование, торговая марка или другие идентификационные признаки изготовителя;

б) наименование модели;

в) номер настоящего стандарта;

г) одноразовые вкладыши или вкладыши повторного применения;

д) информация по подгонке и применению;

е) номинальные размеры вкладышей (кроме вкладышей, сделанных на заказ или вставляющихся в ушную раковину).

5. Механические методы испытаний

5.1. Наушники и наушники, смонтированные с защитной каской

5.1.1. Подготовка образцов для испытания

Наушники с оголовьем и смонтированные с защитной каской, взятые для испытаний, должны соответствовать предложенным для продажи.

Предоставляют десять образцов наушников с оголовьем и их нумеруют от 1 до 10.

Для наушников, смонтированных с защитной каской, предоставляют десять образцов основной комбинации (наушники и каски) и их нумеруют как 1 (основной) - 10 (основной).

Если одну и ту же модель наушников испытывают с другими моделями или размерами защитных касок (т.е. в дополнительной комбинации), то испытывают еще по шесть образцов каждой модели или каждого размера каски; их обозначают как первый (дополнительный) - шестой (дополнительный).

5.1.2. Условия проведения испытаний

Все образцы выдерживают и испытывают при температуре (22 ± 5) °C и относительной влажности не более 85 %, если испытания не требуют иных условий.

5.1.3. Схема испытаний

5.1.3.1. Десять наушников с оголовьем готовят и испытывают в соответствии с 5.1.3.2 - 5.1.3.9 и рисунком В.1, приложение В.

Для наушников, смонтированных с каской, за исключением указанного в следующем абзаце, схема испытания для десяти основных образцов комбинаций и, если требуется, шести дополнительных образцов комбинаций приведена в 5.1.3.2 - 5.1.3.9 (см. рисунок В.2, приложение В).

Если модель каски имеет несколько размеров, то при испытании основной комбинации используют один выбранный размер (кроме испытания поглощения шума). Все другие размеры каски испытывают в дополнительной комбинации (кроме испытания поглощения шума). Испытание поглощения шума выполняют, используя полный спектр доступных размеров каски (ГОСТ Р ЕН 13819-2). Если наушники, смонтированные с каской, имеют механизм регулировки усилия прижатия, то его устанавливают в положение минимального усилия прижатия для всех этапов подготовки и испытаний, если не указано иное.

Примечание - Испытание прерывают, если образец не удовлетворяет необходимым требованиям.

5.1.3.2. Полностью распаковывают все наушники.

5.1.3.3. Для наушников, смонтированных с каской, каждый образец взвешивают и среднюю массу этих десяти образцов округляют с точностью до грамма.

5.1.3.4. Наушники, смонтированные с каской, присоединяют к каске в соответствии с инструкциями производителя наушников. Держатели чашек устанавливают в среднюю точку диапазона регулировки и в полученном от изготовителя положении (рабочее, нейтральное, нерабочее и т.д.).

5.1.3.5. Все образцы выдерживают при условиях 5.1.2 не менее 4 ч.

5.1.3.6. Для наушников с оголовьем каждый образец взвешивают и среднюю массу этих десяти образцов округляют с точностью до грамма.

5.1.3.7. Схема испытаний для образцов 1 - 6 (наушники с оголовьем и наушники, смонтированные с каской, основные и дополнительные наборы) должна быть следующей:

а) испытывают каждый образец в соответствии с 5.1.4 - 5.1.7;

б) если не предполагается испытывать наушники при низких температурах согласно 5.1.9, то проверяют наушники в соответствии с 5.1.8 на устойчивость к повреждению при падении;

в) проверяют каждый образец на устойчивость к повреждению при падении в условиях низкой температуры согласно 5.1.9 (необязательно);

г) испытывают каждый образец в соответствии с 5.1.10 или, если образец - наушники, смонтированные с каской, которые имеют нейтральное положение, в соответствии с 5.1.11;

д) удаляют чашки (если возможно) или снимают амортизаторы (уплотняющие прокладки) и шумопоглотитель с каждой чашки каждого образца и метят их для последующей идентичной повторной сборки. Если чашки несъемные и амортизаторы или шумопоглотитель несъемные и/или заменяемые, то амортизаторы и шумопоглотитель должны быть защищены от водного погружения во время испытаний;

е) если для образца не предусмотрено испытание погружением в воду в напряженном состоянии (необязательный 5.1.13), то проводят испытание на погружение каждого образца наушники/каска в соответствии с 5.1.12;

ж) испытывают каждый образец погружением в воду в напряженном состоянии в соответствии с 5.1.13 (необязательно);

и) вынимают каждый образец из емкости с водой, отметив время извлечения, и устанавливают чашки (если были сняты). Просушивают от воды. Вкладывают шумопоглотитель (если он был снят) и, если амортизаторы сменные, устанавливают новые амортизаторы на каждую чашку в соответствии с инструкцией изготовителя;

к) выдерживают каждый образец в течение 24 ч ± 10 мин (измеряют от момента извлечения из воды согласно перечислению и) 5.1.3.7 в условиях, указанных в 5.1.2, и затем измеряют усилие прижатия оголовья в соответствии с 5.1.6.

Примечание - Для моделей с регулировкой размера устанавливают такое сочетание ширины и высоты, которое дает самое высокое усилие прижатия наушников при испытании согласно 5.1.6;

л) для наушников, смонтированных с каской, устанавливают держатели чашек в средней точке диапазона регулирования и в полученном от изготовителя положении (рабочее, нейтральное, нерабочее).

5.1.3.8. Испытания всех 10 образцов наушников с оголовьем или наушников, смонтированных с каской, всех 10 основных образцов, продолжают следующим образом:

а) измеряют акустическую эффективность каждой чашки каждого образца в соответствии с ГОСТ Р ЕН 13819-2;

б) вычисляют стандартное отклонение акустической эффективности для всех 20 чашек, используя метод N-1 для полученных значений.

5.1.3.9. Испытания образцов 5 и 6 или наушников, смонтированных с каской, основных и дополнительных образцов 5 и 6 продолжают следующим образом:

а) если амортизаторы заполнены жидкостью, то испытывают оба образца или, если наушники смонтированы с каской, испытывают оба основных образца в соответствии с 5.1.14;

б) оценивают оба образца на соответствие требованиям 4.1.2 и 4.1.3;

в) испытывают оба образца или в случае наушников, смонтированных с каской, основные и, если требуется, дополнительные образцы в соответствии с 5.1.15.

5.1.3.10. Испытания образцов 1 - 4 или в случае наушников, смонтированных с каской, основных и дополнительных образцов 1 - 4 продолжают измерением поглощения шума образцами в соответствии с ГОСТ Р ЕН 13819-2.

5.1.4 Регулируемость

Возможность отрегулировать наушники для соответствия определенным тестовым размерам оценивают с помощью специального монтажного приспособления (для наушников с оголовьем) или испытательной модели головы (для наушников, смонтированных с каской).

5.1.4.1. Аппаратура

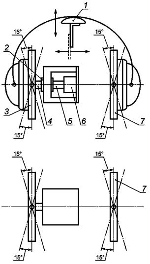
5.1.4.1.1. Монтажное приспособление

Схема приспособления - согласно рисунку А.1 (приложение А).

5.1.4.1.2. Испытательный макет головы

Макет головы должен соответствовать размерам В, J и N на рисунке А.2, приложение А.

5.1.4.1.3. Модель уха

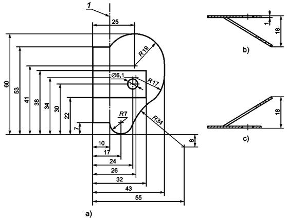
Необходимые размеры - согласно рисунку А.4 (приложение А).

5.1.4.1.4. Адаптер для неплоских амортизаторов

Для наушников с неплоскими амортизаторами производитель предоставляет специальные адаптеры, которые крепятся к монтажному приспособлению так, что, когда наушники будут одеты на монтажное приспособление, они будут параллельны его пластинам. Центры отверстий амортизаторов наушников лежат на горизонтальной оси через центр датчика силы.

5.1.4.2. Испытания наушников с оголовьем

5.1.4.2.1. Устанавливают модели уха на пластины монтажного приспособления так, чтобы их более длинные оси были расположены вертикально (для наушников с оголовьем поверх головы и наушников с оголовьем под подбородком), или так, чтобы их более короткие оси были расположены вертикально (для наушников с оголовьем на затылке).

5.1.4.2.2. Устанавливают держатели чашек в их самой длинной позиции и, если у наушников есть механизм регулировки усилия прижатия, устанавливают его в самое высокое значение.

5.1.4.2.3. Одевают наушники на приспособление так, чтобы оголовье было вертикально и модели уха были закрыты амортизаторами.

5.1.4.2.4. Устанавливают расстояние между пластинами и высоту опоры оголовья поочередно, соответственно каждой из комбинаций размеров ширины и высоты, приведенных в таблице 1 или таблице 2, соответственно.

5.1.4.2.5. Для каждой из комбинаций размеров ширины и высоты соответственно проверяют, позволяет ли диапазон регулирования чашек/оголовья и расстояния между амортизаторами наушников удовлетворять следующим условиям:

а) для наушников с оголовьем поверх головы: внутренняя вершина оголовья касается опоры оголовья; для наушников под подбородком или позади головы: внутренняя вершина оголовья касается или лежит за пределами опоры оголовья.

Примечание - Для наушников, конструкция которых не позволяет правильно применить этот метод (например, те наушники с оголовьем на затылке, у которых оголовье огибает только заднюю часть шеи), это испытание выполняют с использованием приведенного в приложении А соответствующего макета головы (полного макета головы, включая подбородок и шею), оснащенного моделями уха на высотах согласно рисунку А.2 (приложение А) соответственно размеру наушников;

б) контакт между уплотнителями и пластинами монтажного приспособления должен быть непрерывным, так чтобы обеспечивался сплошной барьер между внутренним и внешним периметрами амортизаторов.

Примечание - Нарушение контакта между амортизаторами и пластинами является допустимым там, где монтажная зона модели уха (46´10 мм) находится на пластинах.

5.1.4.2.6. Если наушники с устройством для регулирования усилия прижатия, устанавливают минимальное значение усилия и повторяют испытания по 5.1.4.2.4 и 5.1.4.2.5.

5.1.4.3. Испытания наушников, смонтированных с каской

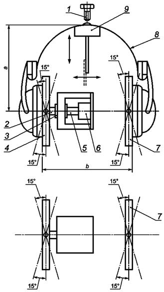
5.1.4.3.1. Закрепляют модель уха к пластинам макета головы так, чтобы их более длинные оси были вертикальны и совпадали с поперечной вертикальной осью макета головы. Регулируют их вертикальную позицию, чтобы получить соответствующие тестовые высоты, приведенные в таблице 3.

5.1.4.3.2. Регулируют мягкое крепление защитной каски так, чтобы получить минимальную высоту одевания и максимальное наружное вертикальное расстояние в соответствии с инструкциями производителя.

Примечание - Такое регулирование означает соответствие этих параметров требованиям ГОСТ Р 12.4.207.

5.1.4.3.3. Если наушники, смонтированные с каской, снабжены устройством для регулирования усилия прижатия, устанавливают максимальное значение усилия.

5.1.4.3.4. Помещают наушники, смонтированные с каской, на каждый макет головы поочередно, в рабочей позиции и так, чтобы модели уха были накрыты амортизаторами. Каска удерживается в правильном положении с помощью силы 50 Н, прилагаемой вдоль вертикальной оси.

5.1.4.3.5. Для каждой комбинации размеров ширины и высоты, указанных в таблице 3, проверяют, позволяет ли регулирование держателей чашек и расстояние между амортизаторами установить наушники, смонтированные с каской, на конструкции для испытания таким образом, чтобы:

а) контакт между амортизаторами и пластинами макета головы был непрерывным, поскольку это обеспечивает сплошной барьер между внутренним и внешним периметрами амортизаторов.

Примечание - Нарушение контакта между амортизаторами и пластинами является допустимым в области, где монтажная зона модели уха (46´10 мм) находится на пластинах, а также где оголовье каски находится под амортизаторами;

б) наушники не переключались в нейтральное положение.

5.1.4.3.6. Если наушники, смонтированные с каской, снабжены устройством для регулирования усилия прижатия, устанавливают минимальное значение усилия и повторяют испытания по 5.1.4.3.4 и 5.1.4.3.5.

5.1.4.4. Протокол испытаний

В протокол вносят результаты испытаний, полученные по 5.1.4.2.5 или 5.1.4.3.5.

5.1.5. Вращение чашек

После установления определенного режима регулирования наушников на соответствующей испытательной установке проверяют возможность выполнения необходимых угловых поворотов чашек наушников.

5.1.5.1. Аппаратура

5.1.5.1.1. Монтажное приспособление

Схемы приспособлений - согласно рисункам А.1 и А.4 (приложение А).

5.1.5.1.2. Модели уха

Необходимые размеры - согласно рисунку А.4 (приложение А).

5.1.5.1.3. Адаптер для неплоских амортизаторов

Для наушников с неплоскими амортизаторами производитель предоставляет специальные адаптеры, которые крепятся к монтажному приспособлению так, что, когда наушники будут одеты на монтажное приспособление, они будут параллельны его пластинам. Центры отверстий амортизаторов наушников лежат на горизонтальной оси через центр датчика силы.

5.1.5.2. Испытания наушников с оголовьем

5.1.5.2.1. Устанавливают макеты ушных раковин на пластинах установки таким образом, чтобы длинная ось ушной раковины была вертикальна для позиции наушников с оголовьем над головой и с оголовьем под подбородком или же короткая ось была вертикальна для позиции наушников с оголовьем на затылке.

5.1.5.2.2. Регулируют положение пластин так, чтобы их верхний край находился под углом 5°, а расстояние между ними по горизонтальной средней линии соответствовало тестовой ширине, указанной в таблице 8.

Таблица 8 - Тестовые размеры - вращение чашек, усилие прижатия оголовья, давление амортизаторов

Диапазон размера

Тестовая высота, мм

Тестовая ширина, мм

Наушники с оголовьем поверх головы, наушники, смонтированные с каской

Наушники с оголовьем на затылке и под подбородком1)

S

122

82

135

M

130

90

145

L

135

98

150

1) Если образцы не могут быть отрегулированы к этим высотам, устанавливают наименьшее значение высоты.

5.1.5.2.3. Если наушники снабжены устройством для регулирования усилия прижатия, устанавливают максимальное значение усилия.

5.1.5.2.4. Помещают наушники на монтажное приспособление так, чтобы оголовье было вертикально и модели уха накрыты амортизаторами. Регулируют держатели чашек в соответствии с тестовой высотой, данной в таблице 8.

5.1.5.2.5. Поворачивают пластину на ± 5° вокруг горизонтальной оси через центр и в плоскости пластин и на ± 5° - вокруг второй оси в плоскости пластин, но перпендикулярной к горизонтальной оси, чтобы сохранять симметрию расположения к вертикальной оси монтажного приспособления.

5.1.5.2.6. Проверяют, непрерывен ли контакт между амортизаторами и пластинами во всем диапазоне углов.

Примечание - Нарушение контакта между амортизаторами и пластинами является допустимым в области, где на пластинах находится монтажная зона модели уха (46´10 мм).

5.1.5.2.7. Если наушники снабжены устройством для регулирования усилия прижатия, устанавливают минимальное значение усилия и повторяют испытания по 5.1.5.2.4 - 5.1.5.2.6.

5.1.5.2.8. В случае нескольких размеров образцов повторяют шаги 5.1.5.2.2 - 5.1.5.2.7 в других соответствующих тестовых ширинах и высотах.

5.1.5.3. Испытания наушников, смонтированных с каской:

5.1.5.3.1. Устанавливают модель уха центрально на пластинах монтажного приспособления так, чтобы их более длинные оси были вертикалью.

5.1.5.3.2. Устанавливают две пластины под углом 5° верхним краем наружу, так чтобы расстояние между ними, измеренное по серединной горизонтальной линии, соответствовало тестовой ширине, значения которой приведены в таблице 8.

5.1.5.3.3. Вынимают из каски мягкое крепление и сверлят небольшое отверстие в каркасе по центральной вертикальной оси. В это отверстие должен пройти болт, прикрепляющий корпус к опорной площадке монтажного приспособления.

5.1.5.3.4. Помещают наушники, смонтированные с каской, на монтажное приспособление и закрепляют с помощью болта.

5.1.5.3.5. Если наушники, смонтированные с каской, снабжены устройством для регулирования усилия прижатия, устанавливают максимальное значение усилия.

5.1.5.3.6. Регулируют держатели чашек соответственно тестовой высоте, указанной в таблице 8, и корректируют высоту опорной площадки поддержки каски (к которой оболочка каски крепится болтом) так, чтобы модели уха были закрыты амортизаторами.

5.1.5.3.7. Поворачивают пластины на угол ± 5° вокруг горизонтальной оси через центр и в плоскости пластин и на угол ± 5° - вокруг второй оси в плоскости пластин, но перпендикулярной к горизонтальной оси, чтобы сохранить симметрию расположения к вертикальной оси монтажного приспособления.

Примечание - Допускается подрегулирование высоты опорной площадки так, чтобы пластины поворачивались.

5.1.5.3.8. Проверяют, непрерывен ли контакт между амортизаторами и пластинами во всем диапазоне углов.

Примечание - Нарушение контакта между амортизаторами и пластинами является допустимым, где монтажная зона модели уха (46 - 10 мм) находится на пластинах.

5.1.5.3.9. Если наушники, смонтированные с каской, снабжены устройством для регулирования усилия прижатия, устанавливают минимальное значение усилия и повторяют испытания по 5.1.5.3.6 - 5.1.5.3.8.

5.1.5.3.10. Если образцы нескольких размеров, испытания повторяют по 5.1.5.3.2 - 5.1.5.3.9 для других соответствующих тестовых ширины и высоты.

5.1.5.4. Протокол испытаний

В протокол записывают результаты испытаний, полученные в 5.1.5.2.6 или 5.1.5.3.8.

5.1.6. Усилие прижатия оголовья

После установки необходимых регулировок наушников проводят измерение усилия прижатия оголовья через амортизаторы на пластины, причем во время этого процесса расстояние между пластинами должно сохраняться практически постоянным.

5.1.6.1. Аппаратура

5.1.6.1.1. Монтажное приспособление

Примерная схема испытательной установки - согласно рисунку А.1 (приложение А). Для измерения силы используют электронный датчик. Модели уха для этого испытания не нужны.

5.1.6.1.2. Адаптер для неплоских амортизаторов

Для наушников с неплоскими амортизаторами производитель должен предоставить специальные адаптеры, которые крепятся к монтажному приспособлению так, что, когда наушники будут одеты на монтажное приспособление, они будут параллельны его пластинам. Центры отверстий амортизаторов наушников лежат на горизонтальной оси через центр датчика силы.

5.1.6.2. Испытания наушников с оголовьем

Примечание - Рекомендуется для наушников без средств регулирования усилия прижатия это испытание проводить одновременно с измерением давления амортизаторов согласно 5.1.7.

5.1.6.2.1. Регулируют обе пластины так, чтобы они были параллельны и расстояние между их наружными поверхностями соответствовало тестовой ширине, указанной в таблице 8.

Если испытание проводят после создания условий согласно перечислению к), 5.1.3.7, используют настройки ширины и высоты, которые дают самое высокое усилие прижатия.

5.1.6.2.2. Помещают наушники на испытательную установку так, чтобы оголовье располагалось вертикально. Амортизаторы накладывают их открытой частью на пластину так, чтобы центр открытой части амортизатора совпадал с монтажным отверстием, для модели уха - согласно рисунку А.1 (приложение А).

Регулируют держатели чашек соответственно тестовой высоте, указанной в таблице 8.

Оголовье нигде не должно соприкасаться с испытательной установкой.

5.1.6.2.3. Если наушники снабжены устройством для регулирования усилия прижатия, устанавливают минимальное значение усилия.

5.1.6.2.4. Считывают показания датчика силы через (120 ± 5) с после первой установки наушников в 5.1.6.2.2 и снимают наушники с приспособления.

5.1.6.2.5. Если образцы нескольких размеров, повторяют измерение для других соответствующих значений тестовых ширины и высоты через интервалы не менее чем 4 ч.

5.1.6.3. Испытания наушников, смонтированных с каской

Примечание - Если в каске имеется мягкое крепление, его перед испытанием удаляют.

5.1.6.3.1. Регулируют обе пластины конструкции так, чтобы они располагались параллельно и расстояние между их наружными поверхностями соответствовало тестовой ширине, указанной в таблице 8.

Если испытания проводят после создания условий согласно перечислению к), 5.1.3.7, используют настройки ширины и высоты, дающие самое высокое усилие прижатия, указанное в перечисление а), 5.1.3.7.

5.1.6.3.2. Помещают наушники, смонтированные с каской, на приспособление таким образом, чтобы центры отверстий амортизаторов примерно совпадали с отверстиями в пластинах для крепления моделей уха (см. рисунок А.5, приложение А).

Регулируют держатели чашек соответственно тестовой высоте, указанной в таблице 8.

Следует убедиться, что никакая часть каски с наушниками не касается любой части приспособления так, что это может повлиять на измерение силы.

Примечание - Для некоторых типов касок могут понадобиться дополнительные приспособления, препятствующие поворачиванию каски на установке.

5.1.6.3.3. Если комбинация наушники/каска снабжена устройством для регулирования усилия прижатия эквивалента оголовья, устанавливают минимальное значение силы.

5.1.6.3.4. Считывают показания датчика силы через (120 ± 5) с после первой установки каски с наушниками согласно 5.1.6.3.2 и снимают каску с наушниками с приспособления.

5.1.6.3.5. Если образцы нескольких размеров, повторяют измерение для других соответствующих значений тестовых ширины и высоты через интервалы не менее чем 4 ч.

5.1.6.4. Протокол испытания

Значения усилия прижатия в ньютонах каждого образца по результатам 5.1.6.2.4 или 5.1.6.3.4 и среднее значение усилия прижатия для образцов 1 - 6, для каждого протестированного размера записывают в протокол испытаний.

5.1.7. Давление амортизаторов

Регулируют наушники и измеряют силу давления амортизаторов на поддерживающие пластины, используя способ, не требующий значительных изменений расстояния между пластинами. Измеряют также площадь контакта между одним из амортизаторов и пластиной.

Примечание - Усилие прижатия распределяется по поверхности амортизатора неравномерно, а область реального контакта всегда меньше поверхности амортизаторов. Это требование позволяет не применять специальных устройств или креплений для отдельных чашек, их можно просто прижать к пластине рукой.

5.1.7.1. Аппаратура

5.1.7.1.1. Монтажное приспособление

Примерная схема испытательной установки - согласно рисунку А.1 (приложение А). Для измерения силы используют электронной датчик. Модели уха для этого испытания не нужны.

5.1.7.1.2. Маркировочное средство

Например, разбавленные литографические чернила, белый технический вазелин или эмульсионная краска.

5.1.7.1.3. Средство измерения площади контакта

Например, планиметр.

5.1.7.1.4. Адаптер для неплоских амортизаторов

Для наушников с неплоскими амортизаторами производитель предоставляет специальные адаптеры, которые крепятся к монтажному приспособлению так, что, когда наушники будут одеты на монтажное приспособление, они будут параллельны его пластинам. Центры отверстий амортизаторов наушников лежат на горизонтальной оси через центр датчика силы.

5.1.7.2. Испытания наушников с оголовьем

Примечание - Рекомендуется для наушников без средств регулирования усилия прижатия испытания проводить одновременно с измерением усилия прижатия согласно 5.1.6.

5.1.7.2.1. Регулируют обе пластины так, чтобы они были параллельны и расстояние между их наружными поверхностями соответствовало тестовой ширине, указанной в таблице 8.

5.1.7.2.2. На внешнюю поверхность одной из пластин крепят лист бумаги размером немного больше наружной поверхности амортизатора.

5.1.7.2.3. Наносят на один из амортизаторов маркировочное средство.

5.1.7.2.4. Помещают наушники на испытательную установку так, чтобы оголовье располагалось вертикально. Центр открытой части амортизаторов должен совпадать с монтажным отверстием пластин, для модели уха - согласно рисунку А.1 (приложение А).

Регулируют держатели чашек соответственно тестовой высоте, указанной в таблице 8.

Необходимо убедиться, что отпечаток от окрашенного амортизатора получается на бумаге.

Необходимо убедиться, что чашки, оголовье или любая часть наушников не касаются никакой частью приспособления так, что могут повлиять на измерение силы.

5.1.7.2.5. Если наушники снабжены устройством для регулирования усилия прижатия, устанавливают значение усилия 14 Н. Если механизм регулирования усилия не позволяет установить значение 14 Н, то используют самую высокую возможную силу, не превышающую 14 Н.

5.1.7.2.6. Считывают показания датчика силы через (120 ± 5) с после первой установки наушников в 5.1.7.2.4 и снимают наушники с приспособления.

5.1.7.2.7. Снимают с конструкции листок бумаги и убеждаются, что на бумаге остался полный отпечаток амортизатора; при необходимости обводят отпечаток карандашом. Измеряют площадь контакта амортизатора. Включают в расчет все пробелы на отпечатке.

5.1.7.2.8. Вычисляют давление амортизатора в паскалях.

5.1.7.2.9. Если образцы нескольких размеров, повторяют измерение для других соответствующих значений тестовых ширины и высоты через интервалы не менее чем 4 ч.

5.1.7.3. Испытания наушников, смонтированных с каской

Примечание - Если в каске имеется мягкое крепление, его перед испытанием удаляют.

5.1.7.3.1. Регулируют обе пластины так, чтобы они были параллельны и расстояние между их наружными поверхностями соответствовало тестовой ширине, указанной в таблице 8. Если испытания проводят после создания условий согласно перечислению к), 5.1.3.7, используют настройки ширины и высоты, дающие самое высокое усилие прижатия (см. перечисление а), 5.1.3.7).

5.1.7.3.2. На внешнюю поверхность одной из пластин крепят лист бумаги размером немного больше наружной поверхности амортизатора.

5.1.7.3.3. Наносят на один из амортизаторов маркировочное средство.

5.1.7.3.4. Если наушники снабжены устройством для регулирования усилия прижатия, устанавливают минимальное значение усилия согласно 5.1.4.3.6.

5.1.7.3.5. Помещают наушники на испытательную установку так, чтобы оголовье располагалось вертикально. Центр открытой части амортизаторов должен совпадать с монтажным отверстием пластин, для модели уха - согласно рисунку А.5 (приложение А). Регулируют держатели чашек соответственно тестовой высоте, указанной в таблице 8. Необходимо убедиться, что никакая часть каски с наушниками не касается любой части приспособления так, что это может повлиять на измерение силы.

Примечание - Для некоторых типов касок могут понадобиться дополнительные приспособления, препятствующие поворачиванию каски на установке.

5.1.7.3.6. Если наушники, смонтированные с каской, снабжены устройством для регулирования усилия прижатия, устанавливают значение усилия 14 Н. Если механизм регулирования усилия не позволяет установить значение 14 Н, то используют самую высокую возможную силу, не превышающую 14 Н.

5.1.7.3.7. Считывают показания датчика силы через (120 ± 5) с после первой установки наушников согласно 5.1.7.3.5 и снимают наушники с приспособления.

5.1.7.3.8. Снимают с конструкции листок бумаги и убеждаются, что на бумаге остался полный отпечаток амортизатора; при необходимости обводят отпечаток карандашом. Измеряют площадь контакта амортизатора. Включают в расчет все пробелы на отпечатке.

5.1.7.3.9. Вычисляют давление амортизатора в паскалях.

5.1.7.3.10. Если образцы нескольких размеров, повторяют измерение для других соответствующих значений тестовых ширины и высоты через интервалы не менее чем 4 ч.

5.1.7.4. Протокол испытания

Значение давления амортизаторов в паскалях (см. 5.1.7.2.8 или 5.1.7.3.9) для каждого из испытанных размеров записывают в протокол испытания.

5.1.8. Устойчивость к повреждению при падении

Наушники роняют с определенной высоты на стальную пластину.

5.1.8.1. Аппаратура

5.1.8.1.1. Гладкая стальная пластина толщиной не менее 1 см, размерами 50´50 см.

5.1.8.1.2. Приспособление для подвешивания наушников с оголовьем над пластиной на высоте примерно 1,5 м.

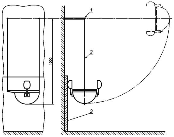
Для наушников, смонтированных с каской, это должен быть бифилярный подвес с эффективной длиной 1,0 м, расстояние между нитками должно быть приблизительно равным длине каски (см. рисунок А.6, приложение А).

5.1.8.2. Испытания наушников с оголовьем

5.1.8.2.1. Стальную пластину кладут на ровный пол.

5.1.8.2.2. Устанавливают держатели чашек в среднюю точку их диапазона регулирования.

5.1.8.2.3. Крепят наушники за центр оголовья, длинные оси чашек располагают вертикально, самая нижняя точка наушников должна быть на расстоянии (1500 ± 10) мм над стальной пластиной.

5.1.8.2.4. Роняют наушники на пластину и проверяют, не появились ли на них трещины, не отделились ли какие-то части (не считая сменных амортизаторов).

Примечания

1. Может потребоваться снять амортизаторы и/или звукопоглотитель, чтобы осмотреть наушники, с последующей обратной установкой.

2. Если какая-либо часть наушников отделилась, она должна быть повторно установлена, и испытания продолжают при условии, что правильная повторная сборка может быть выполнена без использования или инструмента, или запчастей.

5.1.8.3. Испытания наушников, смонтированных с каской

5.1.8.3.1. Крепят стальную пластину к вертикальной стене и располагают бифилярный подвес согласно рисунку А.6 (приложение А).

5.1.8.3.2. Устанавливают наушники на каске в рабочее положение и максимальную длину держателей чашек.

5.1.8.3.3. Крепят бифилярный подвес к передней и задней вершинам корпуса каски, корректируя плоскость симметрии закрепленной каски с наушниками, параллельно стальной пластине. Подвешивают комбинацию так, чтобы каска была опрокинута в горизонтальном положении, а нижняя точка купола каски находилась на 1,0 м ± 10 мм ниже линии подвешивания согласно рисунку А.6 (приложение А).

5.1.8.3.4. Приподнимают комбинацию наушники/каска так, чтобы подвес был туго натянут в горизонтальной плоскости.

5.1.8.3.5. Роняют комбинацию на стальную пластину и смотрят, не треснула ли она и не отвалилась ли какая-нибудь деталь (кроме сменных амортизаторов).

Примечания

1. Может потребоваться снять амортизаторы и/или звукопоглотитель, чтобы осмотреть наушники, с последующей обратной установкой.

2. Если какая-либо часть наушников, смонтированных с каской, отделилась, она должна быть повторно установлена, и испытания продолжают при условии, что правильная повторная сборка может быть выполнена без использования или инструмента, или запчастей.

5.1.8.4. Протокол испытаний

В протоколе испытаний отмечают, треснула ли или отсоединилась ли какая-либо часть наушников.

5.1.9. Устойчивость к повреждению при падении в условиях низкой температуры (необязательно)

Наушники выдерживают при температуре минус 20 °C и роняют с определенной высоты на стальную пластину.

5.1.9.1. Аппаратура

5.1.9.1.1. Холодильная камера, в которой поддерживается постоянная температура минус (20 ± 3) °C.

5.1.9.1.2. Гладкая стальная пластина толщиной не менее 1 см, размерами 50´50 см.

5.1.9.1.3. Приспособление для подвешивания наушников с оголовьем над пластиной на высоте примерно 1,5 м.

Для наушников, смонтированных с каской, это должен быть бифилярный подвес с эффективной длиной 1,0 м, расстояние между нитками должно быть приблизительно равным длине каски (см. рисунок А.6, приложение А).

5.1.9.2. Испытания наушников с оголовьем

5.1.9.2.1. Стальную пластину кладут на ровный пол.

5.1.9.2.2. Устанавливают держатели чашек в среднюю точку их диапазона регулирования.

5.1.9.2.3. Выдерживают наушники в холодильной камере по крайней мере 4 ч.

5.1.9.2.4. Вынимают наушники из холодильной камеры и в течение 10 с выполняют испытания согласно 5.1.9.2.5 и 5.1.9.2.6.

5.1.9.2.5. Крепят наушники за центр оголовья, длинные оси чашек располагают вертикально, самая нижняя точка наушников должна быть на расстоянии (1500 ± 10) мм над стальной пластиной.

5.1.9.2.6. Роняют наушники на пластину и проверяют, не появились ли на них трещины, не отделились ли какие-то части (не считая сменных амортизаторов).

Примечания

1. Может потребоваться снять амортизаторы и/или звукопоглотитель, чтобы осмотреть наушники, с последующей обратной установкой.

2. Если какая-либо часть наушников отделилась, она должна быть повторно установлена, испытания продолжают при условии, что правильная повторная сборка может быть выполнена без использования или инструмента, или запчастей.

5.1.9.3. Испытания наушников, смонтированных с каской

5.1.9.3.1. Стальную пластину крепят к вертикальной стене и располагают бифилярный подвес согласно рисунку А.6 (приложение А).

5.1.9.3.2. Устанавливают наушники на каске в рабочее положение и максимальную длину держателей чашек.

5.1.9.3.3. Выдерживают наушники, смонтированные с каской, в холодильной камере по крайней мере 4 ч.

5.1.9.3.4. Вынимают наушники, смонтированные с каской, из холодильной камеры и в течение 10 с выполняют испытания в соответствии с 5.1.9.3.5 - 5.1.9.3.7.

5.1.9.3.5. Бифилярный подвес крепят к передней и задней вершинам корпуса каски, корректируя плоскость симметрии закрепленной каски с наушниками, параллельно стальной пластине. Подвешивают комбинацию так, чтобы каска была опрокинута в горизонтальном положении, а нижняя точка купола каски находилась на расстоянии 1,0 м ± 10 мм ниже линии подвешивания согласно рисунку А.6 (приложение А).

5.1.9.3.6. Приподнимают комбинацию наушники/каска так, чтобы подвес был туго натянут в горизонтальной плоскости.

5.1.9.3.7. Роняют комбинацию на стальную пластину и проверяют, не треснула ли она и не отвалилась ли какая-нибудь деталь (кроме сменных амортизаторов).

Примечания

1. Может потребоваться снять амортизаторы и/или звукопоглотитель, чтобы осмотреть наушники, с последующей обратной установкой.

2. Если какая-либо часть наушников, смонтированных с каской, отделилась, она должна быть повторно установлена, и испытания продолжают при условии, что правильная повторная сборка может быть выполнена без использования или инструмента, или запчастей.

5.1.9.4. Протокол испытаний

В протоколе испытаний отмечают, треснула ли или отсоединилась ли какая-либо часть наушников.

5.1.10. Гибкость оголовья

Выполняют необходимое регулирование наушников и оголовья или держателей чашек (для наушников, смонтированных с каской) и выполняют определенное число стандартных сгибаний.

Для наушников, смонтированных с каской, имеющих нейтральное положение, вместо этого испытания выполняют испытание по 5.1.11.

5.1.10.1. Аппаратура

Сгибающее устройство, обеспечивающее точное синусоидальное относительное перемещение между двумя пластинами.

Примерная схема испытательной установки для наушников с оголовьем - согласно рисунку А.7 (приложение А), для наушников, смонтированных с каской, - согласно рисунку А.8 (приложение А).

5.1.10.2. Испытания

5.1.10.2.1. Устанавливают держатели чашек в среднюю точку их диапазона регулирования. Если положение соединения чашки/оголовье неустойчиво, закрепляют постоянное положение, например с помощью клейкой ленты. Это не должно мешать нормальному вращению чашек на оголовье.

5.1.10.2.2. Помещают наушники на сгибающее устройство и крепят чашки к пластинам, например с помощью эластичного бинта.

Примечание - Для наушников, смонтированных с каской, может потребоваться закрепить корпус каски.

5.1.10.2.3. Устанавливают минимальное расстояние между пластинами, равное расстоянию между амортизаторами наушников при их свободном положении либо равное 25 мм (выбирают большее расстояние из двух).

5.1.10.2.4. Устанавливают максимальное расстояние между пластинами, равное (200 ± 5) мм.

5.1.10.2.5. Совершают циклические движения наушников, так чтобы расстояние попеременно было то минимальным, то максимальным; скорость - 10 - 12 циклов в минуту, всего - 1000 циклов. Убеждаются, что оголовье не касается никакой частью никакого объекта, мешающего его движению.

5.1.10.3. Протокол испытания

Отмечают в протоколе изменения или повреждения наушников или оголовья после завершения 1000 циклов.

5.1.11. Испытание надежности механизма нейтрального положения (только для наушников, смонтированных с защитной каской)

Наушники, смонтированные с каской, имеющие нейтральное положение, устанавливают в это положение и его механизм приводят в действие определенное число раз.

5.1.11.1. Аппаратура

Сгибающее устройство, обеспечивающее точное синусоидальное относительное перемещение между двумя пластинами, на которые опираются чашки наушников.

Примерная схема испытательной установки - согласно рисунку А.8 (приложение А).

5.1.11.2. Испытания

Испытания проводят в следующей последовательности:

5.1.11.2.1. Устанавливают держатели чашек в среднюю точку диапазона их регулирования. Если положение чашки на держателе неустойчиво, закрепляют постоянное положение, например с помощью клейкой ленты. Это не должно мешать нормальному вращению чашек на держателе.

5.1.11.2.2. Помещают наушники, смонтированные с каской, на сгибающее устройство и крепят чашки к пластинам, например с помощью эластичного бинта.

Примечание - Может потребоваться закрепить корпус каски.

5.1.11.2.3. Устанавливают минимальное расстояние между пластинами, равное расстоянию между амортизаторами наушников при их свободном положении либо равное 25 мм (выбирают большее расстояние из двух).

5.1.11.2.4. Устанавливают максимальное расстояние между пластинами, достаточное, чтобы вызвать нейтральное положение.

5.1.11.2.5. Совершают циклические движения наушников, так чтобы расстояние попеременно было то минимальным, то максимальным; скорость 4 - 6 циклов в минуту, всего - 1000 циклов.

Следует убедиться, что держатель чашки не касается никакого объекта, мешающего его движению.

5.1.11.3. Протокол испытания

В протоколе испытания отмечают изменения или повреждения наушников или держателя чашки после завершения 1000 циклов.

5.1.12. Погружение в воду

После удаления всех сменных деталей наушники выдерживают в воде.

5.1.12.1. Аппаратура

5.1.12.1.1. Водяная баня

Устройство с водой, температура которой поддерживается на постоянном уровне (50 ± 2) °C.

5.1.12.1.2. Приспособление для удержания наушников под водой.

5.1.12.2. Испытания

После снятия чашек (если это возможно) или удаления из них амортизаторов и шумопоглотителя погружают оставшиеся компоненты наушников в водяную баню на (24 ± 1) ч. В случае наушников, смонтированных с каской, также погружают держатели чашек, установив в среднюю точку диапазона регулирования в позиции (рабочее, нейтральное, нерабочее и т.д.), указанной производителем. Если чашки не являются съемными и амортизаторы или шумопоглотители не являются съемными или заменимыми, то во время испытания их предохраняют от воды.

Это испытание не проводят для наушников, не имеющих пластмассовых частей, сообщающих прижимное усилие.

5.1.13. Погружение в воду - оголовье в напряженном состоянии (необязательно)

После удаления шумопоглотителей наушники выдерживают в воде, поставив между амортизаторами горизонтальную распорку.

5.1.13.1. Аппаратура

5.1.13.1.1. Водяная баня

Устройство с водой, температура которой поддерживается на постоянном уровне (50 ± 2) °C.

5.1.13.1.2. Приспособление для удержания наушников под водой.

5.1.13.1.3. Горизонтальная распорка, обеспечивающая между наушниками расстояние, равное (145,0 ± 1,5) мм.

5.1.13.2. Испытания

После удаления шумопоглотителей (но без удаления амортизаторов) помещают наушники на распорке (наушники с оголовьем) или держатели чашек (для наушников, смонтированных с каской), установив в позицию, указанную в 5.1.6.2 или 5.1.6.3. Погружают наушники с распоркой в водяную баню на (24 ± 1) ч. Если амортизаторы незаменяемые, то во время испытаний их защищают от воздействия воды.

Это испытание не проводят для наушников, не имеющих пластмассовых частей, сообщающих прижимное усилие.

5.1.14. Устойчивость к протечкам (для амортизаторов, заполненных жидкостью)

К амортизаторам, заполненным жидкостью, прикладывают усилие и проверяют их на протечку.

5.1.14.1. Аппаратура

5.1.14.1.1. Гладкая стальная пластина толщиной не менее 10 мм и площадью, достаточной для расположения деформированного амортизатора.

5.1.14.1.2. Приспособление для создания нагрузки на амортизатор.

5.1.14.2. Испытания

5.1.14.2.1. Пластину кладут горизонтально на твердую поверхность.

5.1.14.2.2. Помещают одну из чашек на пластину так, чтобы амортизатор по всему его периметру был в контакте с пластиной.

5.1.14.2.3. Прикладывают к чашке вертикальную нагрузку (28 ± 1) Н в течение (15 ± 1) мин.

5.1.14.2.4. Снимают нагрузку и исследуют амортизатор на любой разрыв или утечку жидкости.

5.1.14.2.5. Повторяют испытания по 5.1.14.2.2 - 5.1.14.2.4 для другой(го) чашки/амортизатора.

5.1.14.3. Протокол испытаний

В протоколе указывают о любом разрыве или об утечке из амортизаторов.

5.1.15. Воспламеняемость

К наушникам прикладывают стальной стержень, нагретый до определенной температуры.

5.1.15.1. Аппаратура

5.1.15.1.1. Стальной стержень длинной (300 ± 3) мм и с номинальным диаметром 6 мм, с плоскими торцевыми поверхностями, перпендикулярными к его продольной оси.

5.1.15.1.2. Источник тепла.

5.1.15.1.3. Измеритель температуры с термопарой.

5.1.15.2. Испытания

5.1.15.2.1. Нагревают один конец стержня на длину по крайней мере 50 мм до температуры (650 ± 20) °C.

5.1.15.2.2. Располагают стержень вертикально, проверив, что его температура в 20 мм от нагретого конца (650 ± 20) °C, и прикладывают его нагретым торцом к поверхности наушников с силой его собственной массы на (5,0 ± 0,5) с.

5.1.15.2.3. Повторно нагревают стержень и повторяют испытание столько раз, сколько необходимо, чтобы оценить поведение всех материалов, входящих в состав эксплуатируемых наушников. Для наушников, смонтированных с каской, также испытывают держатели чашек.

5.1.15.3. Протокол испытания

Если какая-либо часть наушников и (для наушников, смонтированных с каской) держателя чашки, загорается от приложения стержня или продолжает тлеть после удаления стержня, то данную информацию записывают в протоколе.

5.2. Противошумные вкладыши

5.2.1. Подготовка образцов

Вкладыши, взятые для испытаний, должны соответствовать предложенным для продажи. Предоставляют достаточное количество образцов каждого размера (если выпускается несколько размеров), чтобы выполнить испытания 5.2.4 - 5.2.8.

5.2.2. Условия проведения испытаний

Все образцы выдерживают и испытывают при температуре (22 ± 5) °C и относительной влажности не более 85 %, если испытания не требуют иных условий.

5.2.3. Схема испытаний

5.2.3.1. Вкладыши выдерживают и испытывают в соответствии с требованиями 5.2.3.2 - 5.2.3.11 (см. рисунок В.3, приложение В).

Примечание - Испытание может быть прервано, если образец не удовлетворяет необходимым требованиям.

5.2.3.2. Полностью распаковывают все вкладыши.

5.2.3.3. Все образцы выдерживают при условиях 5.2.2 не менее 4 ч.

5.2.3.4. Каждый образец вкладышей взвешивают и среднюю массу образцов округляют с точностью до 1 г.

5.2.3.5. Определяют диаметр (диапазон диаметров) вкладышей в соответствии с 5.2.4, за исключением вкладышей, формируемых пользователем.

5.2.3.6. Для вкладышей, соединенных оголовьем, проверяют диапазон примерки в соответствии с 5.2.5.

5.2.3.7. Если вкладыши не испытывают при низких температурах согласно 5.2.7, то испытывают вкладыши в соответствии с 5.2.6 на устойчивость к повреждению при падении.

5.2.3.8. Проверяют образцы на устойчивость к повреждению при падении в условиях низкой температуры согласно 5.2.7 (необязательно).

5.2.3.9. Испытывают вкладыши в соответствии с 5.2.8.

5.2.3.10. Если вкладыши, допускающие повторное применение, испытывают в соответствии с 5.2.3.11, один раз очищают и дезинфицируют в соответствии с информацией для пользователя, предоставленной производителем.

5.2.3.11. Поглощение шума образцами испытывают в соответствии с ГОСТ Р ЕН 13819-2.

5.2.4. Оценка номинальных размеров

Чтобы оценить номинальный размер каждого вкладыша, измеряют ту часть (те части) вкладыша, которая предназначена для закрытия наружного слухового прохода, используя измеритель, включающий ряд круглых отверстий. Если вкладыш доступен в диапазоне размеров, это испытание выполняют для каждого номинального размера диапазона. Вкладыши, формируемые пользователем, исключают из этого испытания.

5.2.4.1. Аппаратура

Измеритель, представляющий собой твердую плоскую пластину толщиной (5,0 ± 0,5) мм, с 10 круглыми отверстиями, соответствующие диаметры которых указаны в таблице 9.

Таблица 9 - Номинальные размеры вкладышей

В миллиметрах

Номинальный размер вкладышей

5

6

7

8

9

10

11

12

13

14

Диаметр круглых отверстий в приборе, мм (отклонение ± 0,1 мм)

5,0

6,0

7,0

8,0

9,0

10,0

11,0

12,0

13,0

14,0

5.2.4.2. Испытания

5.2.4.2.1. Если инструкция производителя указывает на то, что форму или размеры вкладышей устанавливает пользователь, формируют вкладыш в соответствии с инструкциями производителя таким образом, чтобы облегчить процедуру согласно 5.2.4.2.2.

5.2.4.2.2. Находят самое малое отверстие в измерителе, в которое войдут соответствующие части вкладыша, и устанавливают периферический контакт без деформации геометрической конфигурации вкладыша, нарушающей его изоляционную функцию;

5.2.4.2.3. Если инструкция производителя указывает на то, что форму или размеры вкладышей устанавливает пользователь, формируют вкладыш в соответствии с инструкциями производителя таким образом, чтобы облегчить процедуру согласно 5.2.4.2.4.

5.2.4.2.4. Находят самое большое отверстие в измерителе, в которое войдут соответствующие части вкладыша, и устанавливают непрерывный периферический контакт.

5.2.4.3. Протокол испытания

В протокол вносят номинальные размеры вкладышей, соответствующие отверстиям по 5.2.4.2.2 и 5.2.4.2.4 соответственно.

5.2.5. Диапазон примерки вкладышей, соединенных оголовьем

Соответствие вкладышей, соединенных оголовьем, определенным размерам головы испытывают с помощью испытательного приспособления.

5.2.5.1. Аппаратура

Испытательные приспособления - в трех размерах, см. рисунок А.8 (приложение А).

5.2.5.2. Испытания

5.2.5.2.1. Помещают вкладыши, соединенные оголовьем, на приспособления поочередно так, чтобы оголовье было вертикально и вкладыши входили в отверстия.

5.2.5.2.2. Для каждой комбинации ширины и высоты/глубины, указанной в таблице 5 или 6 соответственно, проверяют, что диапазон примерки оголовья такой, что:

а) внутренняя вершина оголовья касается или лежит за пределами вершины приспособлений,

б) вкладыши не сдвигаются по вертикали.

5.2.5.3. Протокол испытания

Фиксируют результаты испытаний, проведенных согласно 5.2.5.2.

5.2.6. Устойчивость к повреждению при падении

Вкладыши роняют с определенной высоты на стальную пластину.

5.2.6.1. Аппаратура

5.2.6.1.1. Гладкая стальная пластина толщиной не менее 1 см, размером 50´50 см.

5.2.6.1.2. Приспособление для подвешивания вкладышей над пластиной на высоте приблизительно 1,5 м.

5.2.6.2. Испытания

5.2.6.2.1. Стальную пластину кладут на ровный пол.

5.2.6.2.2. Крепят вкладыши так, чтобы высота самой нижней точки вкладышей была на расстоянии (1500 ± 10) мм над стальной пластиной.

5.2.6.2.3. Роняют вкладыши на пластину и проверяют, не появились ли на них трещины, не отделились ли какие-то части.

Примечание - Если какая-либо часть вкладышей отделилась, она должна быть повторно установлена, испытания продолжают при условии, что правильная повторная сборка может быть выполнена без использования или инструмента, или запчастей.

5.2.6.3. Протокол испытания

В протоколе отмечают, треснула ли или отсоединилась ли какая-либо часть вкладышей.

5.2.7. Устойчивость к повреждению при падении в условиях низкой температуры (необязательно)

Вкладыши выдерживают при температуре минус 20 °C и роняют с определенной высоты на стальную пластину.

5.2.7.1. Аппаратура

5.2.7.1.1. Холодильная камера с постоянной температурой минус (20 ± 3) °C.

5.2.7.1.2. Гладкая стальная пластина толщиной не менее 1 см, размером 50´50 см.

5.2.7.1.3. Приспособление для подвешивания вкладышей над пластиной на высоте приблизительно 1,5 м.

5.2.7.2. Испытания

5.2.7.2.1. Стальную пластину кладут на ровный пол.

5.2.7.2.2. Выдерживают вкладыши в холодильной камере по крайней мере 4 ч.

5.2.7.2.3. Вынимают вкладыши из холодильной камеры и в течение 10 с проводят испытания в соответствии с 5.2.7.2.4 и 5.2.7.2.5.

5.2.7.2.4. Крепят вкладыши так, чтобы высота самой нижней точки вкладышей была на расстоянии (1500 ± 10) мм над стальной пластиной.

5.2.7.2.5. Роняют вкладыши на пластину и проверяют, не появились ли на них трещины, не отделились ли какие-то части.

Примечание - Если какая-либо часть вкладышей отделилась, она должна быть повторно установлена, испытания продолжают при условии, что правильная повторная сборка может быть выполнена без использования или инструмента, или запчастей.

5.2.7.3. Протокол испытания

В протоколе отмечают, треснула ли или отсоединилась ли какая-либо часть вкладышей.

5.2.8. Воспламеняемость

К вкладышам прикладывают стальной стержень, нагретый до определенной температуры.

5.2.8.1. Аппаратура

5.2.8.1.1. Стальной стержень длиной (300 ± 3) мм и с номинальным диаметром 6 мм, с плоскими торцовыми поверхностями, перпендикулярными к его продольной оси.

5.2.8.1.2. Источник тепла.

5.2.8.1.3. Измеритель температуры с термопарой.

5.2.8.2. Испытания

5.2.8.2.1. Нагревают один конец стержня на длину по крайней мере 50 мм до температуры (650 ± 20) °C.

5.2.8.2.2. Располагают стержень вертикально, убеждаются в том, что его температура на расстоянии 20 мм от нагретого конца (650 ± 20) °C, и прикладывают его нагретым торцом к поверхности вкладыша с силой его собственной массы на (5,0 ± 0,5) с.

5.2.8.2.3. Повторно нагревают стержень и повторяют испытание столько раз, сколько необходимо, чтобы оценить поведение всех материалов вкладышей, видимых в процессе ношения.

5.2.8.3. Протокол

Если вкладыш загорается от приложения стержня или продолжает тлеть после удаления стержня, то данную информацию записывают в протоколе.

Приложение А
(обязательное)

Испытательные приспособления

1 - опорная площадка оголовья; 2 - линейный подшипник; 3 - опорная пластина;
4 - ось; 5 - соединительный штифт; 6 - датчик силы; 7 - регулируемая пластина

Примечание - Модели уха (см. рисунок А.3) крепятся к пластинам так, чтобы отверстия в центре моделей находились на горизонтальной оси, проходящей через датчик силы.

Рисунок А.1 - Монтажное приспособление для измерения вращения чашек, усилия
прижатия оголовья, давления амортизаторов и оценки регулируемости (только наушники с оголовьем)

a - тестовая ширина (см. таблицу 1); b - тестовая высота 115; c - тестовая высота 130; d - тестовая высота 140;
e - монтажные отверстия для моделей уха; f - прозрачные пластмассовые пластины

Примечание - Предельные отклонения - ± 1 мм.

Рисунок А.2 - Макет головы В, J или N - по размерам выше базовой плоскости и измененный по ширине

Все размеры отверстий одинаковы.

Испытательное приспособление А:

а = (100 ± 2,0) мм;

б = (125 ± 0,5) мм;

в = (100 ± 2,0) мм;

г = (62,5 ± 0,5) мм;

д = (90 ± 1,0) мм;

е = (130 ± 1,0) мм.

Испытательное приспособление C:

a = (100 ± 2,0) мм;

б = (145 ± 0,5) мм;

в = (155 ± 2,0) мм;

г = (67,5 ± 0,5) мм;

д = (90 ± 1) мм;

е = (130 ± 1) мм.

Испытательное приспособление В:

а = (100 ± 2,0) мм;

б = (145 ± 0,5) мм;

в = (155 ± 2,0) мм;

г = (67,5 ± 0,5) м;

д = (90 ± 1) мм;

е = (130 ± 1) мм;

ж = (115 ± 1) мм;

и = (140 ± 1) мм;

к = (75 ± 1) мм;

л = (105 ± 1) мм;

м = (10 ± 1) мм.

Рисунок А.3 - Размеры испытательных приспособлений для вкладышей, соединенных с оголовьем

a - формирование макета уха; b - формирование макета левого уха; с - формирование макета правого уха; 1 - линия сгиба

Примечание - Максимальное отклонение - ± 0,2 мм.

Рисунок А.4 - Модель уха для оценки размеров

1 - монтажный болт; 2 - ось; 3 - линейный подшипник; 4 - опорная пластина; 5 - соединительный штифт;
6 - датчик силы; 7 - регулируемая пластина; 8 - корпус каски со снятым мягким креплением; 9 - опорная площадка для каски сферическим радиусом 95 мм; а - тестовая высота;
b - тестовая ширина

Примечание - Модели уха (см. рисунок А.4), крепятся к пластинам так, чтобы отверстия в центре моделей находились на горизонтальной оси, проходящей через датчик силы.

Рисунок А.5 - Монтажное приспособление для измерения вращения чашек, усилия
прижатия оголовья, давления амортизаторов (только наушники, смонтированные с каской)

1 - ось подвеса; 2 - бифилярный подвес; 3 - стальная пластина

Рисунок А.6 - Испытание устойчивости к повреждению при падении для наушников, смонтированных с каской

1 - основание; 2 - фиксированные опорные рычаги; 3 - фиксированная опорная пластина; 4 - зажим чашки наушника (показан только один); 5 - качающиеся опорные рычаги, движущиеся параллельно;
6 - подвижная пластина; 7 - фиксирующая скоба для свободного наушника; 8 - двигатель с редуктором (расположение на основании регулируется); 9 - коленчатый кривошип на низкоскоростном вале;
10 - регулируемый шатун; 11 - счетчик

Примечание - Этот рисунок не в масштабе.

 

Рисунок А.7 - Пример сгибающего устройства для наушников с оголовьем

Примечание - Две пластины приводят в движение таким образом, чтобы держатели чашек совершали циклические перемещения с определенной амплитудой.

Рисунок А.8 - Примерная схема сгибающего устройства для наушников, смонтированных с каской

Приложение В
(обязательное)

Блок-схемы испытаний

Рисунок В.1 - Блок-схема испытаний наушников с оголовьем

Рисунок В.2 - Блок-схема испытаний для наушников, смонтированных с каской

Рисунок В.3 - Блок-схема испытания вкладышей

Приложение С
(рекомендуемое)

Погрешность измерения и интерпретация результатов испытаний

Для каждого из необходимых измерений, выполняемых в соответствии с настоящим стандартом, проводят соответствующую оценку погрешности измерения.

Оценку погрешности выполняют и фиксируют в результатах испытания, чтобы получатель протокола мог оценивать достоверность данных.

Следующий протокол оценки погрешности измерения применяют к результатам испытаний.

Если предельное значение для некоторого испытания, данного в стандарте, выходит за пределы диапазона значений, полученных по данным испытаний, плюс/минус расчетная погрешность измерения U, то результат считают или прошедшим проверку, или неудачным (см. рисунки С.1 и С.2).

1 - результат измерения; 2 - верхний допустимый предел (USL);
3 - диапазон спецификации; 4 - нижний допустимый предел (LSL)

Рисунок С.1 - Результат прошел проверку

1 - результат измерения; 2 - верхний допустимый предел (USL);
3 - диапазон спецификации; 4 - нижний допустимый предел (LSL)

Рисунок С.2 - Результат неудачный

Если предельное значение для некоторого теста, данного в стандарте, выходит за пределы диапазона значений, полученных по данным испытаний, плюс/минус предполагаемая неопределенность в измерении U, то оценка результата теста должна быть определена исходя из безопасности, то есть выбирая самые безопасные условия для пользователя СИЗ (см. рисунок С.3).

Если предельное значение для отдельного теста, данного в стандарте, выходит за пределы диапазона значений, полученных по данным испытаний, плюс/минус расчетная погрешность измерения (U), то результат должен считаться или прошедшим проверку, или неудачным (см. рисунки В.1 и В.2).

1 - результат измерения; 2 - верхний допустимый предел (USL);
3 - диапазон спецификации; 4 - нижний допустимый предел (LSL)

Рисунок С.3 - Результат неудачный

Ключевые слова: средства индивидуальной защиты органа слуха; средства защиты от шума; наушники, вкладыши; механические испытания; наушники, смонтированные с защитной каской