Tool receiver for type T hollow taper shanks (HSK). Connecting dimensions

ФЕДЕРАЛЬНОЕ АГЕНТСТВО
ПО ТЕХНИЧЕСКОМУ РЕГУЛИРОВАНИЮ И МЕТРОЛОГИИ

НАЦИОНАЛЬНЫЙ
стандарт
РОССИЙСКОЙ
ФЕДЕРАЦИИ

ГОСТ Р ИСО
12164-4-
2011

КРЕПЛЕНИЕ ИНСТРУМЕНТОВ С ПОЛЫМ
КОНИЧЕСКИМ ХВОСТОВИКОМ (HSK) ТИПА Т

Присоединительные размеры

ISO 12164-4:2008
Hollow taper interface with flange contact surface - Part 4:
Dimensions of receivers for stationary tools
(IDT)

Москва

Стандартинформ

2012

Предисловие

Цели и принципы стандартизации в Российской Федерации установлены Федеральным законом от 27 декабря 2002 г. № 184-ФЗ «О техническом регулировании», а правила применения национальных стандартов Российской Федерации - ГОСТ Р 1.0-2004 «Стандартизация в Российской Федерации. Основные положения»

Сведения о стандарте

1 ПОДГОТОВЛЕН Открытым акционерным обществом «ВНИИИНСТРУМЕНТ» (ОАО «ВНИИ-ИНСТРУМЕНТ») на основе собственного аутентичного перевода на русский язык стандарта, указанного в пункте 4

2 ВНЕСЕН Техническим комитетом по стандартизации ТК 95 «Инструмент»

3 УТВЕРЖДЕН И ВВЕДЕН В ДЕЙСТВИЕ Приказом Федерального агентства по техническому регулированию и метрологии от 2 июня 2011 г. № 508-ст

4 Настоящий стандарт идентичен международному стандарту ИСО 12164-4:2008 «Детали сопряжения с плоской контактной поверхностью полые конусные. Часть 4. Размеры ресиверов для стационарных инструментов» (ISO 12164-4:2008 «Hollow taper interface with flange contact surface - Part 4: Dimensions of receivers for stationary tools»).

Наименование настоящего стандарта изменено относительно наименования указанного международного стандарта для приведения в соответствие с ГОСТ Р 1.5-2004 (пункт 3.5).

При применении настоящего стандарта рекомендуется использовать вместо ссылочных международных стандартов соответствующие им национальные стандарты Российской Федерации и межгосударственные стандарты, сведения о которых приведены в дополнительном приложении ДА

5 ВВЕДЕН ВПЕРВЫЕ

Информация об изменениях к настоящему стандарту публикуется в ежегодно издаваемом информационном указателе «Национальные стандарты», а текст изменений и поправок - в ежемесячно издаваемых информационных указателях «Национальные стандарты». В случае пересмотра (замены) или отмены настоящего стандарта соответствующее уведомление будет опубликовано в ежемесячно издаваемом информационном указателе «Национальные стандарты». Соответствующая информация, уведомление и тексты размещаются также в информационной системе общего пользования - на официальном сайте Федерального агентства по техническому регулированию и метрологии в сети Интернет

Содержание

1 Область применения. 2

2 Нормативные ссылки. 2

3 Размеры.. 3

4 Отверстие для ручной смены инструмента. 4

5 Обозначение. 4

Приложение А (справочное) Рекомендации для применения. 5

Приложение ДА (справочное) Сведения о соответствии ссылочных международных стандартов ссылочным национальным стандартам Российской Федерации и действующим в этом качестве межгосударственным стандартам.. 5

 

ГОСТ Р ИСО 12164-4-2011

НАЦИОНАЛЬНЫЙ СТАНДАРТ РОССИЙСКОЙ ФЕДЕРАЦИИ

КРЕПЛЕНИЕ ИНСТРУМЕНТОВ С ПОЛЫМ КОНИЧЕСКИМ ХВОСТОВИКОМ (HSK) ТИПА Т

Присоединительные размеры

Tool receiver for type T hollow taper shanks (HSK).
Connecting dimensions

Дата введения - 2013-01-01

1 Область применения

Настоящий стандарт распространяется на присоединительные размеры посадочного гнезда для крепления полых конических хвостовиков (HSK) с прилеганием по плоскости к торцу шпинделя токарных и обрабатывающих (фрезерно-расточных) центров.

Настоящий стандарт устанавливает присоединительные размеры посадочного гнезда хвостовиков типа Т по ИСО 12164-3 для автоматической смены инструмента через паз на фланце и для ручной смены инструмента через отверстие в конической части хвостовика.

Крутящий момент передается посредством торцовой шпонки на конце хвостовика, а также - силой трения.

2 Нормативные ссылки

В настоящем стандарте использованы нормативные ссылки на следующие международные стандарты:

ИСО 1101 Геометрические характеристики изделий (GPS). Установление геометрических допусков. Допуски на форму, ориентацию, расположение и биение (ISO 1101, Geometrical Product Specifications (GPS) - Geometrical tolerancing - Tolerances of form, orientation, location and run-out)

ИСО 2768-1 Допуски общие. Часть 1. Допуски на линейные и угловые размеры без указания допусков на отдельные размеры (ISO 2768-1, General tolerances - Part 1: Tolerances for linear and angular dimensions without individual tolerance indications)

ИСО 3040 Геометрические характеристики изделий (GPS). Задание размеров и установление допусков. Конусы (ISO 3040, Geometrical product specifications (GPS) - Dimensioning and tolerencing - Cones)

3 Размеры

3.1 Основные размеры

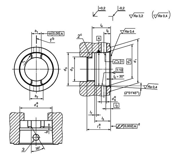
3.1.1 Размеры посадочного гнезда для полых конических хвостовиков с прилеганием по плоскости к торцу шпинделя станка типа Т для стационарных инструментов приведены на рисунке 1, в таблице 1 и приложении А.

Допуски формы, ориентации, расположения и биения - в соответствии с ИСО 1101. Размеры и допуски конусов - в соответствии с ИСО 3040. Не указанные предельные отклонения - по классу допуска «т» в соответствии с ИСО 2768-1.

3.2 Посадочное гнездо для полого конического хвостовика типа Т

Размеры посадочного гнезда для полого конического хвостовика типа Т приведены на рисунке 1 и в таблице 1.

а При съемном поводке крепежное отверстие может быть коническим по всей длине l1.

b Расположение режущей кромки для праворежущих инструментов с одной режущей кромкой.

с Поводок выполняется вместе с посадочным гнездом или отдельно.

d Невыпуклый.

е Внутренняя фаска не менее 0,5´45°.

1 - плоскость расположения вершины режущей кромки; 2 - поводок; 3 - отверстие для ручного зажима

Рисунок 1

Таблица 1

В миллиметрах

Номинальный размер конуса хвостовика

32

40

50

63

80

100

125

160

b1 ± 0,05

6,8

7,8

10,3

12,3

15,8

19,78

24,78

29,78

b2

Номин.

6,92

7,92

10,41

12,41

15,91

19,89

24,89

29,89

Пред. откл.

-0,025

-0,03

d1не более

32

40

50

63

80

100

125

160

d2

23,998

29,998

37,998

47,998

59,997

74,997

94,996

119,995

d3a

17

21

26

34

42

53

67

85

d4b

+0,1

23,28

29,06

36,85

46,53

58,1

72,6

92,05

116,1

d5

+0,2

23,8

29,6

37,5

47,2

58,8

73,4

93

118

d6

Диаметр отверстия выбирает изготовитель

l1b

+0,2

16,5

20,5

25,5

33

41

51

64

81

l2

3,2

4

5

6,3

8

10

12,5

16

l3

+0,2

11,4

14,4

17,9

22,4

28,4

35,4

44,4

57,4

l4

+0,2

13,4

16,9

20,9

26,4

32,4

40,4

51,4

64,4

l5

0,8

0,8

1

1

1,5

1,5

2

2

l6

+0,1

1

1

1,5

1,5

2

2

2,5

2,5

l7

± 0,1

2

2

2

2,5

3

3

4

4

l8

± 0,1

5

6

7,5

9

12

15

-

-

r1c)

-0,05

1,5

2

2,5

3

4

5

6

8

t

0,0015

0,0015

0,002

0,002

0,0025

0,003

0,0035

0,0035

а Зависит от применяемой системы зажима.

b См. сноску «а» к рисунку 1.

с r1 - по касательной к b1 или b2 и d4.

4 Отверстие для ручной смены инструмента

Конструкция без отверстия для ручной смены инструмента - стандартная. Конструкция с отверстием для ручной смены инструмента - по заказу.

5 Обозначение

Посадочное гнездо для полого конического хвостовика (HSK) для стационарных инструментов в соответствии с настоящим стандартом следует обозначать:

a) посадочное гнездо для полого конического хвостовика;

b) HSK;

c) тип: Т для стационарных инструментов;

d) номинальный размер конуса хвостовика в миллиметрах;

e) обозначение ГОСТ Р ИСО 12164-4-2011.

Пример условного обозначения посадочного гнезда для полого конического хвостовика с прилеганием по плоскости кторцу шпинделя (HSK) для стационарных инструментов (тип Т) с номинальным размером конуса хвостовика 50:

Посадочное гнездо для полого конического хвостовика HSK-T 50 ГОСТ Р ИСО 12164-4-2011

Приложение А
(справочное)

Рекомендации для применения

А.1 Система зажима

Систему зажима в посадочном гнезде шпинделя станка определяет производитель станка. Система зажима должна обеспечивать достаточное усилие зажима полого конического хвостовика, а также - прилегание по конусу и по плоскости фланца полого конического хвостовика с торцом посадочного гнезда шпинделя станка. Передаваемый крутящий момент существенно зависит от значения усилия зажима.

А.2 Усилие зажима

Рекомендуемые значения усилия зажима приведены в таблице А.1.

Значения усилия зажима приведены только для полых конических хвостовиков для стационарных инструментов (тип Т).

Таблица А.1

Номинальный размер конуса хвостовика, мм

32

40

50

63

80

100

125

160

Усилие зажима, кН

5

8

14

24

37

55

86

150

Усилие зажима может быть меньше при незначительных нагрузках при чистовой обработке. Усилие зажима может быть больше при более высоких нагрузках при черновой обработке.

А.3 Информация о скоростях и крутящем моменте

Изготовитель должен предоставить информацию о допустимых скоростях и значении крутящего момента.

Приложение ДА
(справочное)

Сведения о соответствии ссылочных международных стандартов
ссылочным национальным стандартам Российской Федерации
и действующим в этом качестве межгосударственным стандартам

Таблица ДА.1

Обозначение ссылочного международного стандарта

Степень соответствия

Обозначение и наименование соответствующего национального стандарта

ИСО 1101:2004

MOD

ГОСТ Р 53442-2009 «Основные нормы взаимозаменяемости. Характеристики изделий геометрические. Допуски формы, ориентации, месторасположения и биения»

ИСО 2768-1:1989

MOD

ГОСТ 30893.1-2002 «Основные нормы взаимозаменяемости. Общие допуски. Предельные отклонения линейных и угловых размеров с неуказанными допусками»

ИСО 3040:2009

-

*

* Соответствующий национальный стандарт отсутствует. До его утверждения рекомендуется использовать перевод на русский язык данного международного стандарта. Перевод данного международного стандарта находится в Федеральном информационном фонде технических регламентов и стандартов.

Примечание - В настоящей таблице использовано условное обозначение степени соответствия стандартов:

- MOD - модифицированные стандарты.

 

Ключевые слова: крепление инструментов, хвостовики НЭК тип Т, конические хвостовики