ООО «Строительные Технологии» СПб, 22
Линия, д. 3 корп. 1
Типовая технологическая карта на монтаж
светильников на жилдомах, объектах
соцкультбыта и промышленных предприятиях.
Типовая технологическая карта
(ТТК)
Шифр проекта: 1012-07/46.ТТК
Пояснительная записка
|
Исполнено: |
|
|
Главный инженер проекта |
Соболев А.В. |
|
Инженер-проектировщик |
Копко В.В. |
|
Н.Контроль |
Васильев В.М. |
2012 г.
СОДЕРЖАНИЕ
|
2. Организация и технология выполнения работ. 31 3. Требования к качеству выполнения работ. 35 4. Материально-технические ресурсы.. 44 5. Охрана окружающей среды и правила техники безопасности. 45 |
Типовая технологическая карта разработана на монтаж светильников на жилдомах, объектах соцкультбыта и промышленных предприятиях.
Технологическая карта составлена с учетом требований следующих нормативных документов:
· СНиП 03.05.06-85 «Электротехнические устройства. Правила производства и приемки работ»;
· ПУЭ-2003 (7 изд.);
· СНиП 12-03-2001 «Безопасность труда в строительстве. Часть 1. Общие требования»;
· СНиП 12-04-2002 «Безопасность труда в строительстве. Часть 2. Строительное производство»;
· СП 12-136-2002 «Решения по охране труда и промышленной безопасности в проектах организации строительства и проектах производства работ»;
· СП 12-135-2003 «Безопасность труда в строительстве. Отраслевые типовые инструкции по охране труда»;
· СП 31-110-2003 «Проектирование и монтаж электроустановок жилых и общественных зданий»;
· РД-11-06-2007 «Методические рекомендации о порядке разработки проектов производства работ грузоподъемными машинами и технологических карт погрузочно-разгрузочных работ»;
· МДС 12-81.2007 «Методические рекомендации по разработке и оформлению проекта организации строительства и проекта производства работ;
· МДС 12-29.2006 «Методические рекомендации по разработке и оформлению технологической карты».
ОБЛАСТЬ ПРИМЕНЕНИЯ
Указания по освещению административных зданий и промышленных предприятий
Освещение кабинетов
Для освещения кабинетов применяют общую равномерную и локализованную систему, используя светильники с люминесцентными лампами, встроенными в подвесной потолок или в сочетании с отраженным светом, подвесными светильниками, с частичной локализацией света на отдельные рабочие места (рабочий стол, стол для совещаний, настенная экспозиция). Иногда используют многоламповые люстры.
В качестве примера приведена система освещения кабинета (рис. 1) квадратными потолочными светильниками (УСП-5-6´20) 1 в сочетании с освещением отраженным светом светильников 2 с люминесцентными лампами (каждая по 40 Вт).
Коэффициенты отражения света составляют: от потолка - 0,7, стен - 0,5 и пола - 0,1 при высоте помещения 3 м, его освещенности 500 лк и удельной мощности 41,6 Вт/м2. При частичном включении светильников не обходимо сохранять определенный световой рисунок.
Рис. 1
Освещение приемных
При освещении приемных необходимо учитывать интерьер самого помещения, а также освещение и интерьер кабинета. Для этого используют светильники общего освещения - потолочные или в сочетании их с настенными.
Освещение рабочих комнат
Освещение выполняется преимущественно светильниками с люминесцентными лампами ЛСО04, ЛСО02, ТОД, Л2010М, ЛПО01, ЛПО02, ЛПО21, ЛПО30 с рассеивателями УСП, ЛВО01, ЛВО03, ЛВО05, ЛВО31. Наиболее распространены способы расположения светильников общего освещения в рабочих комнатах (рис. 2) с коэффициентом отражения света потолка - 0,7, стен - 0,5 и пола - 0,1 при высоте помещения 3 м, где предусмотрена освещенность 400 лк при удельной мощности 32,8 Вт/м2 (I), 300 лк при удельной мощности 25,4 Вт/м2 (II), 500 лк при удельной мощности 31,0 Вт/м2 (III, V), 300 лк при удельной мощности 22,9 Вт/м2 (IV, VI). Отношение расстояния между рядами светильников к высоте их установки над освещаемой поверхностью составляет 0,8 - 1,2 (для светильников с экранирующими решетками) и 1,2 - 1,4 (для других светильников). Расстояние от крайних рядов светильников до стен не должно превышать 0,25 - 0,3 расстояния между соседними рядами.
Рис. 2
Освещение зала совещаний
Выполняется в основном светильниками общего освещения с люминесцентными лампами с локализацией освещения на стол президиума. Размещение светильников (рис. 3) зависит от планировки помещения, наличия подвесных потолков, расположения различного оборудования зала и требований к оформлению интерьера.
Рис. 3
Освещение холла и коридора
Для холлов и коридоров служат светильники с люминесцентными лампами, расположенными на потолке. Нормы освещения зависят от ширины коридора и его высоты. Светильники с лампами 2´40, 1´40, 2´20, 4´20 Вт устанавливают длинной стороной как вдоль, так и поперек коридора, причем последние создают впечатление уменьшения его длины (рис. 4). Кроме того, светильники можно монтировать на одной стороне коридора или асимметрично на потолке около стены. При освещении холла и коридора учитывают общий световой рисунок и композиционную связь с другими прилегающими помещениями.
Рис. 4
Освещение холла
Если на стенах холла размещены иллюстративные материалы, а помещение используется для деловых разговоров, освещение выполняется так (рис. 5): над столом в центре холла к потолку крепят светильники в форме светящегося четырехугольника в сочетании со световыми боковыми полосами для освещения экспозиции на стенах. Коэффициент отражения света потолка - 0,7, стен - 0,5 и пола - 0,1 при высоте помещения 3 м, его освещенности 200 лк и удельной мощности 12,3 Вт/м2.
Рис. 5
Освещение вестибюлей, фойе, кулуаров
Освещение выполняется светильниками с лампами накаливания и люминесцентными. В вестибюлях допускается локальное освещение, в том числе и люстрами, подвесными, напольными или другими светильниками, гармонирующими с общим решением интерьера.
Освещение конференц-залов
Освещение осуществляется светильниками с лампами накаливания и люминесцентными. На эстраде применяют верхнее и боковое выносное освещение площадки, прожекторы, светильники для создания световых акцентов, а также устройства для подключения электрических соединителей.
Освещение лифтовых кабин, шахт, машинных помещений
Освещение выполняется светильниками с люминесцентными лампами, входящими в комплекс кабины лифта. Лифтовые шахты и машинные помещения рекомендуется освещать люминесцентными светильниками с одной лампой 40 Вт. Размещение светильников зависит от расположения оборудования лифтов в машинном помещении.
Освещение обеденных залов
Освещение осуществляется равномерно потолочными люминесцентными плафонами или светильниками, встроенными в подвесные потолки. В отдельных зонах (буфет-стойка, место продажи полуфабрикатов, мороженого, соков) предусмотрено локальное освещение. Размещение светильников общего освещения в обеденном зале может быть различным.
Освещение разных помещений
Освещение выполняется лампами накаливания и люминесцентными лампами в зависимости от архитектурно-планировочных решении, оборудования и функционального назначения помещений. В каждом случае необходимо учитывать и возможность подсветки растений, аквариумов, их жизнеобеспечения.
Резервирование питания освещения
Для административных зданий используют электрические схемы рабочего, аварийного и освещения безопасности. Рабочее освещение обеспечивает освещенность на рабочих поверхностях в соответствии с установленными нормами, аварийное (в ответственных помещениях) - 5 % от рабочего освещения (но не ниже 2 лк) и продолжение работы при аварии в сети. Последнее используют в гардеробах на 300 мест и более, в помещениях узлов связи, диспетчерских и др.
Рис. 6
Для аварийного освещения безопасности выбирают схему питания с учетом минимальной затраты средств резервирования (рис. 6). Резервирование питания магистрального или группового осветительного щита 2 осуществляется по схеме питания групповых аппаратов защиты 1 и 3, шин группового или вводного щитка 4, линий от распределительного щита трансформаторной подстанции с ее защитой 5, трансформатора 7 и высоковольтной линии 6, а также секции распределительного устройства 8.
Схемы питания
Для освещения административных зданий применяют различные схемы питания. При нагрузках III категории надежности рекомендуются схемы (I) и (II), в которых рабочее и аварийное освещение получает питание от одного трансформатора, при нагрузках II категории надежности - схемы (III) и (IV), в которых эти виды освещения получают питание от разных трансформаторов. При питании каждого трансформатора от независимых источников, например, от разных секций распределительного устройства, такие схемы обеспечивают электроснабжение осветительных нагрузок I категории надежности.
При исчезновении напряжения на основном источнике используют схему автоматического переключения питания освещения с основного источника на резервный (аварийный), которое осуществляется специальными станциями, состоящими из магнитных пускателей или контакторов, реле и других аппаратов.
Схемы главных цепей станций аварийного переключения (V) состоят из источников рабочего РП и аварийного АП питания, а также магнитного пускателя МП. Аккумуляторные батареи в качестве второго источника питания в этих схемах применяют редко и только для особых потребителей. В ряде случаев питание источников освещения возможно от силовых вводов.

Рис. 7
Распределительную сеть рабочего и аварийного освещения можно размещать в основных проходах помещений (VI), в коридорах и на лестницах, служащих для эвакуации людей из зданий, где работает или пребывает одновременно более 50 чел., здравпунктов, книги и архивохранилищ независимо от количества пребывающих в них лиц, в актовых залах, гардеробных и помещениям в которых одновременно могут находиться более 100 чел. При этом освещенность на полу основных проходов и на ступеньках лестниц должна быть не менее 0,5 лк.

Рис. 8
Встроенные люминесцентные светильники
Люминесцентные светильники устанавливают заподлицо (I) или выступом на 20 - 65 мм (II) за плоскость подвесного потолка 3. Чаще всего их крепят к подвесным потолкам, которые, в свою очередь, прикрепляют к перекрытиям 1 с помощью различных подвесов 2.

Рис. 9
Встроенные светильники с лампами накаливания
Светильники с металлическим отражателем устанавливают заподлицо с темным подвесным потолком и закрывают кольцевой экранирующей решеткой 2 с защитным углом 30 - 45°. Такая конструкция создает иллюзию звездного неба благодаря ярко светящимся точкам ламп накаливания.

Рис. 10
Крепление светильника СВП на подвесном потолке
Светильник 5устанавливают в подвесном потолке 3 через проем 7 под перекрытием 8. Ответвительную коробку 2, к которой подсоединяется светильник, монтируют на расстоянии 10 - 15 мм от края проема. Доступ к коробке открывается после выемки корпуса светильника 4, для чего предварительно отводят пружинную защелку 6 в крайнее положение.

Рис. 11
Для подсоединения светильника к групповой сети используют гибкий медный провод, размещенный в металлорукаве 1, который соединяет корпус светильника с ответвительной коробкой. Длина металлорукава для светильников с лампами обычно 600 - 700 мм, а для светильников с люминесцентными лампами - 800 - 1000 мм.
Светящиеся потолки
Для создания хорошего архитектурно-светового эффекта равномерного освещения с иллюзией невесомости потолка, увеличения высоты и размеров помещения применяют светящиеся потолки - устройства, используемые при небольшой освещенности (свыше 1000 лк). Светильники 1 крепятся к перекрытию 2 на расстоянии 200 - 500 мм от него до нижней поверхности светящегося потолка. Подвесной потолок выполняют со светорассеивающим стеклом 3 в одной плоскости (I) или с опаловым (молочным) стеклом 4, выходящим из плоскости потолка (II) с системой экранирующих решеток 5, непосредственно подвешенных к перекрытию (III). Равномерность яркости светящегося потолка определяется отношением расстояния от ламп до рассеивателя к расстоянию между лампами и зависит от качества отражателей и светорассеивающего материала.

Рис. 12
Светильники, расположенные за светящимися потолками, соединяют в отдельные группы, которые включают в таком порядке, чтобы получить необходимую освещенность, соответствующую архитектурно-художественной и функциональной композиции помещения.
Светящиеся панели
Эти панели, представляющие собой частично светящиеся потолки, обычно расположены в единой системе, образующей при мягком контрасте между светящимися и глухими панелями выразительное световое пространство в интерьере помещения. Равномерность яркости освещения светящейся поверхности, например из молочного стекла, определяется отношением расстояния между лампами к их высоте над остеклением панелей (0,9 - при зеркальных лампах, 1,8 - при лампах накаливания и 2,4 - при люминесцентных).

Рис. 13
Отраженное освещение
Для создания различных художественно-световых эффектов (связь с композицией интерьера, смягчение освещения, исключение бликов, создание эффекта увеличения высоты помещений) применяют отраженное освещение, которое устраивают, например, при размещении светильника за карнизом (I), в коробе (II) или по схеме светящегося потолка, выполненного на основе принципа светящегося карниза (III).

Рис. 14
При устройстве такого освещения повышается расход электроэнергии (кпд 10 - 30 %), поэтому его применение требует серьезного обоснования.
Люминесцентные лампы с экранирующими плоскостями
Для создания высокой освещенности рабочей поверхности при равномерном, спокойном освещении всего помещения применяют люминесцентные лампы с экранирующими плоскостями Размещение между светильниками этих плоскостей, расположенных обычно перпендикулярно оси ламп и изготовленных из металла, пластмассы, деревостружечных (древесноволокнистых) плит светлых тонов, позволяет преобразовать всю осветительную установку в единый светильник.

Рис. 15
Освещение подвесными и потолочными светильниками
Если подвесной потолок не требуется, то для освещения помещений применяют подвесные и потолочные светильники, которые можно использовать вместе со светильниками, встроенными в подвесные потолки.
Освещение металлорежущих станков
Зона освещения на малых и средних металлорежущих станках составляет всего 150 - 300 мм в диаметре, поэтому применяют светильники НКС01 или СГС-1 направленного света с легкой головкой и кронштейном, имеющим много степеней свободы. Длина кронштейнов (300, 400 или 600 мм) зависит от того, где закрепляется основание светильников. Для больших металлообрабатывающих станков используют обычно два таких светильника справа и слева от рабочей зоны.
При необходимости второй (или третий) светильник размещают в зоне пульта управления для повышения концентрации светового потока и получения направленного освещения в светильниках используют лампы с внутренним отражающим слоем (МОЗ или МОД), что позволяет сохранять стабильную освещенность станка в рабочей зоне, где на его отражатель могут попадать водоэмульсионные брызги. Для освещения небольших металлорежущих, а также шлифовальных и копировальных станков удобны малогабаритные светильники ЛКС01.

Рис. 16
Локализованное освещение деревообрабатывающих и точильных станков
Местное освещение деревообрабатывающих (I) и точильных (II) станков выполняют с помощью одного или двух светильников НКП01. При необходимости их удаления от объекта освещение осуществляют светильником ЛСП14 либо ПВЛП.

Рис. 17
Таким же образом организуют локализованное освещение большого точила. Станок 1 освещается светильником (ЛСП14 или ПВЛП) 2, лицевую продольную грань рассеивателя которого покрывают непрозрачной краской. Выключатель 3 монтируют на легкодоступном месте.

Рис. 18
Локализованное освещение слесарных верстаков
Для освещения на слесарных верстаках трех рабочих зон (горизонтальной поверхности для разметки деталей и других операций, плоскости чертежа, закрепленного вертикально на стене, специальной подставке или заградительной сетке и поверхности обрабатываемой детали, зажатой в тиски) применяют два светильника. Один из них равномерно освещает рабочую плоскость верстака и чертеж, а другой - в определенном направлении детали в тисках, при необходимости меняет направление светового потока. Первый светильник должен быть жестко закреплен и иметь мощные люминесцентные лампы.
В помещениях с нормальной средой используют светильники местного МЛ или общего ЛД освещения либо ЛСП02 с дополнительными козырьками. В помещениях с тяжелыми условиями среды применяют светильники общего назначения ПВЛМ-Д с дополнительным козырьком и ЛБР с люминесцентными лампами.

Рис. 19
Отдельные верстаки или их цепь часто сдваивают (I). Светильники местного освещения 1 направленного света с лампами накаливания устанавливают на верстаке, а светильники с люминесцентными лампами общего назначения 3 - над защитной сеткой и прикрывают козырьком 2. При расположении верстака у стены люминесцентный светильник с козырьком подвешивают на высоте H к кронштейну 4, закрепленному на стене, а светильник местного освещения - к верстаку (II).

Рис. 20
Освещение разметочных плит
Для освещения разметочных плит 4 (I) используют светильники с большой площадью и малой яркостью выходного отверстия (светильники с люминесцентными лампами).

Рис. 21
Их освещение может быть местным, локализованным или комбинированным. Для повышения освещенности рабочей поверхности в этих светильниках иногда применяют отражающий экран 5 (II). При ручной подаче небольших изделий светильник местного освещения размещают низко над рабочей поверхностью и жестко прикрепляют к столу на раме 3.

Рис. 22
При использовании сдвоенных люминесцентных светильников (I) освещенность улучшается. Для работы с неблестящими изделиями служат светильники МЛ-2´80, два светильника ЛСП02-2´80 или ЛД-2´80 с дополнительным козырьком 2, а для работы с блестящими изделиями светильники ЛСП 14-2´40 либо ПВЛП-2´40, перекрытые светорассеивающим стеклом, которые используют в помещениях с тяжелыми условиями среды. При подаче изделий с помощью подъемно-транспортных механизмов оборудование местного освещения технически затрудняется. При разметке на плите невысоких изделий применяют светильники локализованного освещения 1, подвешенные на передвижном штативе (II), что позволяет в нужный момент перемещать их из зоны работы крана или другого механизма. Если разметочная плита небольших размеров, достаточно одного такого штатива, устанавливаемого слева от работающего у задней ее кромки. При больших плитах используют два передвижных штатива, размещаемых справа и слева от разметчика. В случаях разметки на больших плитах крупных деталей, перемещаемых краном, выполняют локальное освещение с помощью светильников-кососветов 6, располагаемых в линию за спиной у работающего (III).

Рис. 23
Освещение рабочих мест на конвейерах
Применяют на сборочных конвейерах для освещения рабочих мест при выполнении однотипных для зрения работ. Изделия малых размеров собирают обычно на технологических линиях или конвейерах, когда линия зрения работающих ориентирована перпендикулярно (I) или параллельно (II) линии движения транспортера.

Рис. 24
При выполнении работ высокой точности местное освещение может быть организовано по определенной схеме (I) и обеспечиваться, групповой осветительной установкой, выполненной двумя сплошными линиями светильников (III), высота установки которых над рабочей поверхностью сборки зависит от уровня нормируемой освещенности (400 мм при освещенности 3000 лк и до 800 мм - при освещенности 1000 лк).
При сборке объектов средних размеров и необходимости освещения их вертикальной плоскости преимущество имеют зеркальные светильники полуширокого светораспределения с люминесцентными лампами (IV), расположение которых позволяет хорошо освещать рабочие места сборочных конвейеров. Такое устройство дает возможность осветить одним светильником три-четыре рабочих места.

Рис. 25
На линиях, где собирают изделия крупных и средних размеров (V), рабочие места целесообразно освещать по общей локализованной схеме сплошными линиями светильников-кососветов с люминесцентными лампами 1, размещаемых параллельно сборочной линии за спиной работающих на высоте 2600 - 2800 мм. При двусторонних конвейерах выходные отверстия светильников-кососветов при средних размерах изделия 3 могут создавать слепящий поток по другую сторону, конвейера, во избежание чего по его оси устанавливают непрозрачный экран 2. Крупные изделия сами экранируют слепящий свет, поэтому в дополнительных - экранах не нуждаются.

Рис. 26
При расположении рабочих мест параллельно линии движения транспортера их обычно освещают индивидуальными установками местного освещения (VI и VIII).

Рис. 27
При изготовлении электромонтажных изделий на монтажном столе или внутри щитов, шкафов, пунктов (VII) применяют светильники НКС01Х 120/ПТ2001-У4 с лампами накаливания, МОД-36´100 или СГС-1 с лампами МОЗ-36´60.

Рис. 28
Освещение пультов
Для освещения небольших пультов с вертикально расположенными защитными стенками приборов (I) применяют люминесцентные светильники 3 типа ПУЗЗА-2´80 с лампами ЛБ-цветности. Если пульты больших размеров и на них размещаются приборы 2 с разноориентированными стеклами, создаются сложные условия, при которых невозможно избежать бликов, поэтому необходимо снижение яркости. Лучше всего для этого подходят светильники ЛСП14 или ПВЛП с пониженной яркостью выходного отверстия, перекрытого светорассеивающим стеклом (II). Небольшие стенды с малым количеством приборов освещают малогабаритными и легкоподвижными светильниками с лампами накаливания НКС01 или СГС (III).

Рис. 29
Кронштейн с гибкой стенкой и двумя шарнирами обеспечивает нужное направление светового потока. Выключатели 1 местного освещения устанавливают на высоте 1200 мм от уровня пола в удобном месте на пульте.
Монтаж светильников
При размещении и установке светильников особое внимание обращают на удобство и безопасность их обслуживания. Во всех случаях светильники подвешивают так, чтобы они были доступны для обслуживания с лестниц-стремянок, с телескопических подъемников, со специальных светотехнических мостиков или мостовых кранов с соблюдением всех правил техники безопасности.
Светильники, обслуживаемые с лестниц-стремянок, не рекомендуется располагать над громоздким оборудованием, открытыми лентами транспортеров, а также в других местах, где затруднена установка стремянок и лестниц. В целях безопасности эксплуатации светильники, обслуживаемые с лестниц-стремянок, должны располагаться не выше 5 м от пола, а с мостовых кранов - не менее 1,8 м над настилом крана.
В зависимости от конструкции светильника и способа прокладки групповой сети монтаж светильников может выполняться разными способами, основными из которых являются: подвеска на крюк или шпильку; установка на кронштейне, трубчатом подвесе или стойке; установка на коробе КЛ и осветительных шинопроводах; подвеска на тросе или тросовом проводе; встраивание в отверстие подвесного потолка; закрепление на подрозетнике.
Подвеска на крюк или шпильку
Этот вид крепления светильников применяют в основном в жилых, административных и общественных зданиях. При открытой и скрытой проводках в зданиях с пустотными железобетонными плитами перекрытия для подвески светильников массой до 15 кг применяют крюки У623Б и шпильки У632А, а для подвески блоков светильников массой до 30 кг - шпильки ШБП. Отверстия для установки крюков, шпилек и выхода проводов к светильникам пробивают пиротехнической колонкой УК-6 или электромолотками.
Рис. 30. Установка крюка приваркой к арматуре перекрытия
1 - перекрытие; 2 - арматура металлическая; 3 - крюк; 4 - светильник
Крепление светильников массой до 5 кг к сплошным плитам перекрытия осуществляют с помощью крюков У625 или шпилек У626, закладываемых в готовые отверстия в период строительства здания до устройства чернового пола вышерасположенного этажа. Если в панелях перекрытий отсутствуют отверстия для установки сквозных крюков или шпилек, то вместо них могут использоваться серьги с крюком (изделие МЭЗ), которые привариваются к арматуре железобетонных плит (рис. 30). В крупнопанельных жилых домах с электропроводкой в замоноличенных пластмассовых трубах для крепления и подключения светильников массой до 15 кг используют замоноличенные потолочные коробки Л254 с крюком Л249.
После подвески светильника и присоединения к проводам групповой сети с использованием люстрового зажима отверстие закрывают потолочной розеткой, входящей в комплект светильника, а при отсутствии последней - потолочной розеткой РП, закрепляемой на крюке или шпильке. Замоноличенные потолочные коробки Л253 после подключения светильников закрывают декоративными крышками.
В помещениях без повышенной опасности (квартиры, жилые комнаты общежитии, небольшие общественные здания и т.п.) светильники не заземляются, в связи с чем крюки, устанавливаемые в железобетонных перекрытиях, должны быть изолированы, а приспособление для подвеса светильников должно иметь изолирующее кольцо. Выполнение этих требований предотвращает случайное соединение металлических нетоковедущих частей светильника с заземленными металлической арматурой плитами перекрытия.
Рис. 31. Установка светильника на перекрытии
а - на конструкциях из полосовой стали; б - на дюбель - винтах; 1 - светильник люминесцентный; 2 - болт с гайкой и увеличенной шайбой; 3 - дюбель-гвоздь; 4 - конструкция из полосовой стали; 5 - перекрытие; 6 - дюбель-винт ДВ-М8; 7 - конструкция для безметизного крепления
Одним из распространенных способов непосредственного крепления светильников с люминесцентными лампами к стенам и потолку является применение конструкций из полосовой стали (изделие МЭЗ) с впрессованными или приваренными болтами с расположением, соответствующим крепежным отверстиям светильника (рис. 31, а). В последнее время получил распространение способ крепления люминесцентных светильников на дюбель-винтах ДВ-М8 с применением вместо увеличенных шайб и гаек конструкций для безметизного крепления (рис. 31, б). Конструкции и дюбель-винты к сплошным плитам перекрытия и стенам крепятся пристрелкой строительно-монтажным пистолетом.
Подвеску сложных многоламповых люстр в высоких помещениях общественных зданий производят к несущим конструкциям перекрытия или к строительным конструкциям чердака. Дополнительная страховка осуществляется с помощью стального троса, надежно прикрепленного к штанге или корпусу люстры. В дальнейшем при обслуживании трос используется для подъема и опускания люстры до уровня пола лебедкой, устанавливаемой, как правило, на чердаке. Приспособления (конструкции) для крепления многоламповых светильников массой свыше 100 кг подлежат обязательному испытанию.
Установка светильников на кронштейнах, стойках, подвесах
Крепление светильников на стенах, колоннах и фермах, площадках осуществляют с помощью различных видов кронштейнов и стоек. Для установки на стенах и колоннах применяют кронштейны У116 для светильников с лампами накаливания и ДРЛ массой до 10 кг. Крепление основания кронштейна к строительным конструкциям выполняют болтами, приваркой или пристрелкой.
Крепление светильников с лампами ДРЛ массой до 6 кг на специальных электротехнических мостиках в цехах промышленных предприятий выполняют на поворотных кронштейнах К290, К291 и К292 (рис. 32). Кронштейны крепятся к перилам мостика специальным держателем и скобой.
Рис. 32. Установка светильника с лампой ДРЛ на кронштейне К2ЭО на мостике
1 - коробка ответвительная У257, 2 - штепсельный разъем, 3 - ПРА, 4 - настил мостика
Для крепления светильников с резьбовым соединением массой до 6 кг к перилам или ограждениям мостиков, площадок, переходов применяют стойки К987 из стальной трубы высотой 2320 мм.
На рис. 33 показан вариант крепления люминесцентных светильников на кронштейне (изделие МЭЗ) на стене, колонне, площадке и т.п. Кронштейн, выполненный из трубы, может быть и поворотным. Это важно, например, при установке светильников на площадках или в проездах, когда при необходимости их временно можно развернуть вдоль стен и тем самым предотвратить возможные повреждения светильников при эксплуатации или ремонте технологического оборудования.
Рис. 33. Крепление светильника с люминесцентной лампой на кронштейне:
1 - строительное основание; 2 - кронштейн; 3 - трубный держатель; 4 - хомут крепления кронштейна; 5 - светильник; 6 - подвес для крепления светильника на кронштейне; 7 - провод (кабель) для подключения светильника; 8 - перфорированная лента с кнопкой
Крепление светильников на тросе и коробах
При выполнении электропроводок специальными проводами марки APT со встроенным несущим тросом светильники массой до 5 кг крепят на ответвительных тросовых коробках У230 и У231 (рис. 34, а), а при электропроводках кабелем на отдельном несущем тросе (проволоке) - на ответвительных коробках У245 и У246 в комплекте с крюком У247.
Рис. 34. Крепление светильников на несущем тросе
а - с использованием коробки У230; б - с использованием подвеса К354; 1 - светильник; 2 - коробка У230; 3 - провод для подключения светильника; 4 - коробка КОР-73; 5 - подвес К354
В случае выполнения тросовых электропроводок в производственных помещениях кабелем с использованием ответвительных коробок КОР-73 или У409 крепление светильников массой до 15 кг выполняют на подвесах К354 (рис. 34, б). Подвес К354 снабжен двумя выштампованными лапками, предназначенными для закрепления подвеса с установленной ответвительной коробкой на тросе диаметром 6 - 8 мм. Для крепления на подвесе коробки КОР-73 используют два отверстия, расположенные под углом 45° на расстоянии 92 мм друг от друга, коробки У409 - два отверстия, расположенные по вертикали с расстоянием 120 мм друг от друга. Замена коробок и светильников производится без снятия подвесов с троса.
Присоединение светильников к групповой сети выполняют: в коробках У230, У231, КОС2 с помощью встроенных специальных наборных зажимов; в коробках У245, У246 с помощью ответвительных сжимов в пластмассовом корпусе У739; в коробках У257, КОС1 с помощью вилки и встроенного штепсельного разъема; в пластмассовых коробках КОР-73, У409 сваркой или опрессовкой в гильзах ГАО с последующей изоляцией мест соединения.
В местах закрепления ответвительных тросовых коробок и подвесов для обеспечения надежного электрического контакта при устройстве защитного заземления со встроенного троса удаляют изолирующую оболочку, а с несущей проволоки (катанки) поливинилхлоридную или окрасочную пленку, нанесенную в МЭЗ до заготовки тросовых линий. Оголенные участки троса или проволоки и зажимное устройство на корпусе металлических коробок зачищают до блеска, покрывают противокоррозионной смазкой и закрепляют зажимными винтами.
При выполнении освещения в сухих и влажных помещениях с нормальной средой с массовым использованием светильников с люминесцентными лампами для крепления их широко применяют стальные короба КЛ-1 для однорядной подвески (рис. 35) и КЛ-2 для двухрядной подвески светильников.
Рис. 35. Установка светильников на коробах КЛ
1 - светильник; 2 - короб КЛ-1; 3 - кабель рабочего освещения; 4 - подвес; 5 - закладная деталь; 6 - перекрытие; 7 - кабель аварийного освещения; 8 - подвес тросовый КП-ПТ
К осветительной сети светильники присоединяют с помощью ответвительных сжимов У739 без разрезания магистральных проводов, которые прокладывают внутри короба. Короба, собранные в линию длиной 20 м из 10 двухметровых секций, обеспечивают подвеску на них 15 светильников при однорядном и 30 светильников при двух рядном расположении.
Монтаж светильников на подвесном потолке
Устройство подвесных потолков обычно диктуется архитектурными соображениями, например необходимостью встраивания в них светильников, в основном в помещениях, к интерьеру которых предъявляются повышенные требования.
При наличии за подвесным потолком технического этажа, предназначенного для размещения санитарно-технических устройств и коммуникаций и имеющего высоту, достаточную для прохода людей, монтаж светильников производят с учетом обслуживания их при эксплуатации сверху. При отсутствии технического этажа и при наличии над подвесным потолком лишь полости, достаточной для прокладки сетей и встраивания светильников, последние устанавливают так, чтобы их можно было обслуживать снизу.
Рис. 36. Установка светильника СВП
1 - провод в металлорукаве; 2 - коробка ответвительная; 3 - подвесной потолок; 4 - корпус светильника; 5 - основание светильника; 6 - лампа накаливания; 7 - пружинная защелка; 8 - проем; 9 - уголок; 10 - скоба с продольным пазом; 11 - перекрытие
Для размещения встраиваемых светильников с люминесцентными лампами в подвесных потолках предусматривают отверстия (проемы) необходимой формы, обрамленные по периметру металлическим профилем из уголка или других конструкций. Проверенный светильник устанавливают на обрамление проема и фиксируют его на потолке с помощью четырех регулируемых по высоте светильника крепежных скоб. Зазор между корпусом светильника и кромкой проема перекрывается рамкой из четырех уголков, входящих в комплект светильника. На рис. 36 показано крепление на подвесном потолке светильника СВП с лампой накаливания. Для доступа к ответвительной коробке, которую следует устанавливать на расстоянии не более 10 - 15 мм от края отверстия, достаточно отвести в крайнее положение пружинные защелки и вынуть корпус светильника через стационарно установленное основание.
Присоединение светильников к групповой сети осуществляют гибким медным проводом, заключенным в металлорукав, соединяющий корпус светильника с ответвительной коробкой. Длину металлорукава выбирают в пределах 600 - 700 мм для светильников с лампами накаливания и 800 - 1000 мм для светильников с люминесцентными лампами. Если потолки выполнены из несгораемых материалов, по согласованию с пожарной инспекцией на участке от коробки до светильника возможно применение кабеля КРПТ без металлорукава.
В случае выполнения подвесного потолка из тонких декоративных металлических листов встроенные светильники крепят к несущим конструкциям потолка. В этом случае доступ к ответвительным коробкам и обслуживание светильников осуществляют через дополнительные отверстия в потолке, которые после закрепления и подключения светильников закрываются съемными крышками из материала подвесного потолка.
Установка светильников на осветительном шинопроводе
К осветительному шинопроводу ШОС-67 светильники подвешивают с помощью хомута с крючком К470. Число и масса светильников, устанавливаемых на ШОС-67, ограничиваются предельной нагрузкой 12 кг на метр шинопровода при расстоянии между точками его крепления не более 3 м.
При прокладке ШОС-67 по стенам и нижнему поясу ферм светильники следует крепить к этим строительным основаниям на кронштейнах. Присоединение светильников к шинопроводу выполняют с помощью штепселей на 10 А типа У1634-1 и У1634-2, заряженных гибким шнуром ПВС 3´0,75 мм2 длиной соответственно 1 и 2 м. Подключение штепселей к светильникам следует выполнять в МЭЗ, при этом необходимо строго соблюдать маркировку на концах шнура (фаза, нуль, земля).
К осветительному шинопроводу ШОС-80 светильники максимальной массой до 2,5 кг могут крепиться как непосредственно на коробе с помощью закладного крюка У1922, так и на специальном штепселе У1919, предназначенном для крепления и подключения установленного на нем светильника. Подключение светильников, которые устанавливают на крюках У1922 или отдельно, выполняют с помощью штепселей У1918 или У1926, заряженных шнуром ПВС 3´0,75 мм2 длиной 0,5 м.
Монтаж светильников в помещениях со взрыво- и пожароопасными зонами
Во взрывоопасных зонах применяют светильники с уровнем взрывозащиты или степенью защиты не ниже указанных в табл. 1.1.
Область применения взрывозащищенных светильников
Таблица 1.1
|
Класс взрывоопасной зоны |
Категория и группа взрывоопасной зоны |
|
|
ВЗГ-200АМС, ВЗГ/В4А-200МС, ВЗГ-100 |
B-I, В-Iа, В-II, B-Iг под навесом |
ПА, ПВ; Т1 - Т3 |
|
В4А-60 |
В-I, В-Iа, В-II, В-Iг под навесом |
ПА, ПВ, ПС; Т1 |
|
Н4БН-150 |
В-Iа, В-Iг, В-II, В-IIа, |
ПА, ПВ, ПС; Т1, Т2 |
|
Н4БН-300МЛ |
В-Iа, В-II, В-IIа, В-Iг под навесом |
ПА, ПВ, ПС; Т1, Т2 |
|
Н4Т4Л 1´80 Н4Т4Л 2´80 |
В-Iа, В-IIа |
ПА, ПВ, ПС; Т1 - Т4 |
|
Н4Т5Л 1´65 Н4Т5Л 2´65 |
В-Iа, В-IIа |
ПА, ПВ, ПС; Т1 - Т5 |
|
ГСП 25, РСП 25 ОМР-125/ВЗГ-ДРЛ-125/ПРА, ОМР-250/ВЗГ-ДРЛ-250/ПРА |
В-I, В-Iа, В-II, В-Iг В-I, В-Iа, В-II |
ПА, ПВ; Т1 - Т3 ПА, ПВ; Т1 - Т3 |
Монтажу не подлежат светильники, у которых имеются трещины на стеклянных защитных колпаках, в литых корпусах или сальниковых гайках вводных устройств, имеются раковины или углубления на сопрягаемых поверхностях. При приемке светильников в монтаж необходимо иметь в виду, что на каждую полную (25 шт.) и неполную партию светильников заводом-изготовителем прилагаются два ключа для разборки и сборки светильников.
У всех светильников внутри вводного устройства имеются изоляционная колодка с двумя контактными зажимами для подключения фазного и рабочего нулевого проводов и неизолированный заземляющий зажим, расположенный на приливе корпуса для подключения нулевого защитного и заземляющего проводников. От колодки до патрона все светильники заряжены термостойким проводом ПРКА.
Установку светильников рекомендуется выполнять одновременно с прокладкой питающей сети. Светильники вместе с подвесами, кронштейнами, трубными и другими крепежными конструкциями закрепляют неподвижно на поддерживающих опорах к строительным элементам зданий. Применять штампованные кронштейны, например У116, для крепления взрывозащищенных светильников не допускается. При прокладке проводов в трубах кронштейны и трубные спуски вворачивают в светильники на короткой резьбе до конца без применения контргаек и закрепляют стопорным винтом.
Ввод в светильники должен выполняться небронированным трехжильным кабелем (рис. 37) или тремя проводами в водогазопроводных трубах тех же марок, которые применяются в групповых сетях. В люминесцентные светильники, устанавливаемые в линию, ввод осуществляется гибким трехжильным кабелем с медными жилами с резиновой изоляцией и оболочкой, например КПГН. Для уплотнения ввода кабеля светильники укомплектовываются резиновыми уплотнительными кольцами с одним отверстием и кольцевыми надрезами. При выполнении монтажа проводами в трубах проектные организации должны оговаривать поставку светильников с резиновыми кольцами, имеющими три отверстия для уплотнения проводов. В этом случае светильники целесообразно поставлять на монтаж со спусками и предварительно заряженными в МЭЗ. Длина проводов определяется расстоянием от светильника до ближайшей ответвительной коробки плюс 100 мм, необходимые для соединения в коробке.
Рис. 37. Ввод кабеля в светильник Н4БН-150:
1 - болт крепления светильника; 2 - жилы кабеля; 3 - резиновое кольцо; 4 - монтажный профиль
В помещениях со взрывоопасными зонами любого класса со средой, для которой нет светильников необходимого уровня взрывозащиты, допускается выполнять освещение светильниками общего назначения одним из следующих способов:
через неоткрывающиеся окна без фрамуг и форточек снаружи здания (рис. 38), причем при однорядном остеклении окон светильники должны иметь защитные стекла. В случае установки светильников над полом или площадкой обслуживания менее 2,5 м необходимо применять светильники, конструкция которых исключает возможность доступа к лампе без применения инструмента (отвертки, плоскогубцев, специального ключа и др.);
через вентилируемые фонари специального типа со светильниками, установленными в потолке с двойным остеклением;
с помощью комплектных осветительных устройств со щелевыми световодами (КОУ).
Рис. 38. Установка светильника под козырьком перед оконным проемом:
1 - скоба; 2 - светильник; 3 - поддерживающая конструкция; 4 - кронштейн; 5 - козырек; 6 - муфта трубная; 7 - шпилька; 8 - планка; 9 - коробка ответвительная; 10 - оконный проем; 11 - стена
Применение КОУ, заменяющих многочисленные одиночные светильники, сокращает протяженность осветительных сетей и значительно снижает трудозатраты в зоне монтажа.
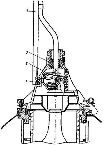
Комплектное осветительное устройство типа КОУ1-М275-1´700УЗ (рис. 39) состоит из камеры, вводной кассеты с источником света, щелевого световода и торцевого устройства. Внутренний объем канала световода отделен от источника света прозрачным термостойким стеклом.
Рис. 39. Комплектное осветительное устройство КОУ1-М275-1Х700-УЗ:
1 - камера; 2- вводная кассета с источником света; 3 - щелевой световод; 4 - торцевое устройство; 5 - металлизированная пленка; 6 - светорассеивающая пленка
Камера 1 предназначена для установки вводных кассет, а также их предохранения от механических воздействий. Вводная кассета 2 состоит из кожуха и узла ввода и обеспечивает необходимую степень защиты 1Р54 и установку источника света с лампой ДРИ-700. Канал световода 3 предназначен для перераспределения светового потока ламп и ввода света в помещение. Он изготовлен из металлизированной 5 и светорассеивающей 6 полиэтилентерефталатной пленок.
Один конец канала крепится к вводной кассете, а другой - к торцевому устройству 4, предназначенному для крепления и натяжения с помощью шпилек канала световода, а также отражения попадающего на него светового потока. На торцевом устройстве имеется технологическое отверстие для подкачки воздуха в канал во время его монтажа. Зануление и заземление КОУ выполняются в соответствии с указаниями завода-изготовителя.
1. Условия начала работ
1.1. Размеры отверстий в панелях перекрытий должны обеспечивать возможность установки крюков и шпилек для подвески осветительной арматура.
1.2. В строительных конструкциях зданий должны быть проложены провода групповой осветительной сети в соответствии с планом электроосвещения помещений, нулевые провода должны быть промаркированы.
1.3. Светильники, прошедшие проверку в МЭЗ, с вспомогательными материалами, изделиями ГЭМ и МЭЗ должны быть уложены в инвентарные контейнеры и доставлены в монтажную зону в приобъектном контейнере.
2. Исполнители:
электромонтажник 4 разряд - 1
электромонтажник 2 разряд - 1
3. Технология выполнения работ
В зависимости от конструкции светильника и способа прокладка групповой сети монтаж светильников может выполняться разными способами, основными из которых являются:
подвеска на крюк или шпильку;
установка на дюбель-винтах с использованием унифицированных узлов крепления;
установка на металлоконструкции;
установка на коробах КЛ.
3.1. Подвеска светильников на крюк или шпильку
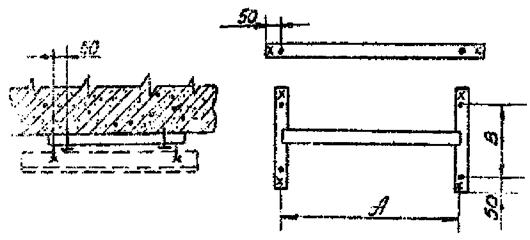
В зданиях с пустотными железобетонными плитами перекрытия для подвески светильников массой до 15 кг применяют крюки У623Б и шпильки У632А, а для подвески блоков светильников массой до 30 кг - шпильки ШБЛ.
3.1.1. Для монтажа светильников необходимо:
отрегулировав длину крюков или шпилек и закрепив их в отверстиях пустотных плит перекрытия, выполнить подвеску светильников; выполнив разделку концов проводов групповой сети присоединить к ним светильники с помощью люстровых зажимов КЛ-2,5 УЗ. Провода должны быть аккуратно, уложены, иметь запас по длине и закрыть потолочной розеткой, входящей в комплект светильника, а при отсутствии последней - потолочной розеткой РП УХЛЗ, закрепленной на крюке или шпильке (см. рис. 40).
Рис. 40. Потолочная розетка закрепленная на крюке:
1 - крюк У623; 2 - потолочная розетка РП
3.1.2. Для подвески и светильников к монолитным плитам перекрытий может быть использована металлоконструкция с крюком (изделие МЭЗ) прикрепляемая к перекрытию пластмассовыми дюбелями (см. рис. 41).
Рис. 41. Металлическая конструкция с крюком:
1 - пластмассовый дюбель; 2 - лента 3´30, l = 100; 3 - сталь круглая Ш8, l = 100
При установке светильников в помещениях с возможностью вибрации потолка, в процессе эксплуатации, подвеску светильников выполнить на крюках или шпильках закрепленных в сквозных отверстиях перекрытий.
3.1.3. БРА и настенные патроны устанавливать на деревянных или пластмассовых подрозетниках, закрепляемых к строительному основанию пластмассовыми дюбелями. К подрозетникам БРА и настенные патроны крепить шурупами (см. рис. 42).
Рис. 42. Установка бра на деревянных пли пластмассовых подрозетниках
3.1.4. Замоноличенные потолочные коробки Л253 - Л254 УЗ после проведения электромонтажных работ закрывают потолочными розетками РП УХЛЗ (см. рис. 43).
Рис. 43. Замоноличенная потолочная коробка
1 - коробка Л253 - Л254; 2 - потолочная розетка РП; 3 - зажим люстровый КЛ-2,5; 4 - крюк Л249; 4а - планка для подвески крюка; 5 - потолочная розетка подвесного светильника; 6 - штанга светильника; 7 - замоноличенная труба
3.2. Установка светильников на дюбель-винтах
Крепление люминесцентных светильников непосредственно к строительному основанию выполняется на дюбель-винтах с применением конструкций для безметизного крепления (см. рис. 44) или унифицированных узлов крепления.
Рис. 44. Установка светильников на дюбель-винтах:
1 - светильник; 2 - дюбель-винт; 3 - конструкция для безметизного крепления
3.2.1. Для монтажа светильников с применением УУК необходимо: по установочным размерам приведенным в табл. 2.1 выполнить пристрелку дюбель-винтов, в плиты перекрытия (габаритные размеры, см. рис. 44). При пристрелке дюбель-винтов использовать кондуктор со штангой.
Таблица 2.1
Установочные размеры для пристрелки дюбель-винтов
|
Тип светильника |
Количество мощность ламп |
Размер А, мм |
Размер В, мм |
|
|
1 |
ЛПО02, ЛПО03, ЛПО30 |
1´20 |
450 |
|
|
2 |
ЛПО02, ЛПО03, ЛПО30, УСП |
2´20 |
||
|
3 |
ЛПО02 |
4´20 |
450 |
|
|
4 |
УСП |
4´20 |
212 |
|
|
5 |
УСП, |
6´20 |
424 |
|
|
ЛПО02, ЛПО03, ЛПО30, ЛПН, ПВЛМ, ЛСП18 |
1´40 |
600 |
- |
|
|
6 |
ЛПО02, ЛПО13, ЛПО21, ЛПО25М, ЛПП01, ЛПР, ПВЛМ, УСП, ПВЛМ, ЛСП16, ЛСП30, ЛСП31, ЛПО31 |
2´40 |
- |
|
|
ПВЛМ |
1´80 |
- |
||
|
ЛПО13, ПВЛМ |
2´80 |
- |
||
|
7 |
ЛПО25М |
2´80 |
200 |
|
|
8 |
ЛПО02, ЛПО21 |
4´40 |
206 |
|
|
9 |
ЛПО13 |
4´80 |
380 |
|
|
10 |
УСП |
6´40 |
424 |
- со светильников снять рассеиватели и отражатели и в монтажных отверстиях оснований светильников закрепить унифицированные узлы крепления (УУК);
- для установки светильников необходимо, осуществив упор пальцами в УУК, резко надвинуть основание светильника и УУК на резьбу дюбель-винта до упора в перекрытие;
- выполнить разделку концов проводов и подключить светильники к сети с помощью клеммых зажимов;
- установить лампы и стартера и выполнить опробование светильников на зажигание;
- установить рассеиватели и отражатели.
3.3. Установка на металлоконструкции (см. рис. 45).
Рис. 45. Установка светильника на перекрытии на конструкции
Конструкции из полосовой стали (изделие МЭЗ), с впрессованными или приваренными болтами, к сплошным плитам перекрытий и стенам крепить пластмассовыми дюбелями.
Расположение болтов на конструкции должно соответствовать крепежным отверстиям (установочным размерам) светильников, приведенных в таблице 2.1.
Светильники к конструкции крепить пластинами (шайбами) поставляемыми, в комплекте со светильниками.
Подключение к осветительной сети выполнить согласно п. 3.2.1.
3.4. Установка на коробах КЛ
Для монтажа светильников на коробах необходимо:
- по размеченной трассе выполнить сверление отверстий под распорные дюбели и закрепить потолочные скобы КЛ-СП или выполнить пристрелку конструкций для крепления тросовых подвесов КЛ-ПТ;
- секции коробов собрать на полу (подставках) в блоки необходимой длины поднять на проектную отметку и закрепить к потолку скобами, (см. рис. 46, а) или тросовыми (см. рис. 46, б).
Рис. 46. Установка коробов с люминесцентными светильниками
- секции и блоки коробов соединять между собой накладками и стационарными резьбовыми крепежными болтами. Смонтированная магистраль из коробов должна представлять собой непрерывную эл. сеть;
- выполнив укладку проводов в короба, производят однорядную или двухрядную подвеску светильников;
- к осветительной сети светильники присоединять с помощью ответвительных сжимов У739 без разрезания магистрали проводов;
- зануление коробов КЛ выполнить путем присоединения их к нулевому проводу внутри короба (к нулевому зажиму короба) не менее чем в двух секциях на концах линии коробов;
- зануление нескольких светильников одной группы может быть выполнено нулевым проводом, проложенным вдоль ряда светильников, который вводится без разрыва в каждый светильник или от нулевого провода делается ответвление в каждый светильник отдельным проводом, подсоединенным к нулевому проводу болтовым зажимом. Последовательное зануление группы светильников не допускается.
Контроль качества монтажа электроустановок зданий различного назначения
Общие сведения
1. Работы по монтажу электроустановок жилых и общественных зданий должны организовываться и проводиться в соответствии с требованиями СНиП 3.05.06-85, ПУЭ, СП 31-110-2003, ГОСТ 30331.1-95, ГОСТ Р 50571.2-94, ГОСТ Р 50571.3-94, ГОСТ Р 50571.7-94, ГОСТ Р 50571.9-94, ГОСТ Р 50571.10-96, ГОСТ Р 50571.11-96, ГОСТ Р 50571.12-96, ГОСТ Р 50571.13-96, ГОСТ Р 50571.14-96, ГОСТ Р 50571.15-97, ГОСТ Р 50571.16-99*, ГОСТ Р 50571.17-2000, ГОСТ Р 50571.18-2000, ГОСТ Р 50571.19-2000, ГОСТ Р 50571.20-2000, ГОСТ Р 50571.21-2000, ГОСТ Р 50571.22-2000, ГОСТ Р 50571.23-2000.
______________
* Взамен действует ГОСТ Р 50571.16-2007. - Примечание изготовителя базы данных.
2. Объем и содержание рабочего проекта, в общем случае, должны соответствовать требованиям ГОСТ 21.608-84, ГОСТ 21.613-88, ГОСТ 21.611-85.
3. Способы прокладки электропроводок указываются в проекте. В помещениях жилых и общественных зданий, как правило, применяется скрытая электропроводка. Открытую проводку выполняют в технических этажах и подпольях, в неотапливаемых подвалах, тепловых пунктах, вентиляционных камерах, насосных, в сырых и особо сырых помещениях.
Вертикальные участки («стояки») питающих линий должны прокладываться в трубах, коробах, каналах строительных конструкций.
В таблице 3.1 приведены указания ГОСТ Р 50571.15-97 по выбору электропроводки.
Таблица 3.1
Выбор электропроводки (ГОСТ Р 50571.15-97 таблица 52 F)
|
Способ монтажа |
|||||||||
|
без крепления |
с непосредственным креплением |
в трубах |
в коробах |
в спецкоробах |
на лотках и кронштейнах |
на изоляторах |
на тросе (струне) |
||
|
Не изолированные провода |
- |
- |
- |
- |
- |
- |
- |
- |
|
|
Изолированные провода |
- |
- |
+ |
+ |
+ |
- |
+ |
- |
|
|
Изолированные провода в защитной оболочке, кабели в оболочках (в т.ч. бронированные с минеральной изоляцией) |
многожильные |
+ |
+ |
+ |
+ |
+ |
+ |
0 |
+ |
|
одножильные |
0 |
+ |
+ |
+ |
+ |
+ |
0 |
+ |
|
|
Обозначения: «+» - разрешается; «-» - не разрешается; «0» - не применяется или обычно в практике не используется. Примечание: специальный короб - это короб прямоугольного сечения, предназначенный для прокладки проводов и кабелей, и не имеющий съемных или открывающихся крышек. |
|||||||||
4. Электропроводка должна соответствовать условиям окружающей среды, назначению и ценности сооружений, их конструкции и архитектурным особенностям. Электропроводка должна обеспечивать возможность легкого распознания по всей длине проводников по цветам.
Должны применяться следующие расцветки проводов:
- голубого цвета - для обозначения нулевого рабочего или среднего проводника электрической сети;
- двухцветной комбинации зелено-желтого цвета - для обозначения защитного или нулевого защитного РЕ проводника;
- двухцветной комбинации зелено-желтого цвета по всей длине с голубыми метками на концах линии, которые наносятся при монтаже - для обозначения совмещенного нулевого рабочего и нулевого защитного РЕМ проводника;
- черного, коричневого, красного, фиолетового, серого, розового, белого, оранжевого, бирюзового цвета - для обозначения фазных проводников.
5. В зданиях должны применяться кабели и провода с медными жилами. Питающие и распределительные сети, как правило, должны выполняться кабелями и проводами с алюминиевыми жилами, если их расчетное сечение равно 16 мм2 и более.
Питание отдельных электроприемников, относящихся к инженерному оборудованию зданий (насосы, вентиляторы, калориферы, установки кондиционирования воздуха и т.п.) может выполняться проводами и кабелями с алюминиевыми жилами сечением не менее 2,5 мм2.
В жилых зданиях сечение медных проводников должны быть не менее:
1,5 мм2 - для линий групповых сетей;
2,5 мм2 - от этажных до квартирных щитков и к расчетному счетчику;
4 мм2 - для линий распределительной сети (стояки) для питания квартир.
6. Контроль качества работ по монтажу электрооборудования жилых зданий включает проверки:
- качества электротехнических материалов и изделий, их соответствие условиям окружающей среды и уровню напряжения; (входной контроль)
- соблюдения технологии и последовательности выполнения операций;
- соответствия размещения электрооборудования в помещениях здания требованиям проекта, СНиП, ПУЭ и СП 31-110-2003;
- выполнения требований по защите материалов и электрооборудования от воздействий окружающей среды и механических повреждений;
- выполнения требований пожарной безопасности;
- выполнения мер защиты от поражения электрическим током;
- состояния электрической изоляции электрооборудования и электропроводок.
7. Электромонтажные работы выполняют в две стадии:
- на первой стадии производят установку закладных деталей и конструкций для крепления оборудования, подготовку участков трасс для прокладки линий электропроводки. Одновременно, за пределами монтажной зоны, проверяют качество материалов и изделий, проводят укрупнительную сборку отдельных узлов. При монтаже скрытых электропроводок в состав работ первой стадии входят прокладка кабелей (трубопроводов), установка распаечных коробок, прозвонка жил кабелей и соединение их в коробах. Выполнение работ первой стадии должно обеспечить возможность производства отделочных строительных работ;
- на второй стадии (после окончания отделочных работ), выполняют установку аппаратов, светильников. При монтаже открытых проводок - открытую прокладку кабелей по подготовленным трассам;
8. При производстве работ по монтажу электрооборудования выполняются следующие операции:
- контроль качества электротехнических материалов и электрооборудования (входной контроль);
- проверка качества работ, выполняемых строительной организацией и связанных с последующими электромонтажными работами. Эти работы предусмотрены в архитектурно-строительных чертежах (установка закладных деталей и конструкций, подготовка фундаментов под электрооборудование, каналов, ниш, плинтусов и наличников с каналами для электропроводок). Кроме того, проверяется качество электропроводок замоноличиваемых в строительные элементы при их изготовлении;
- разметка мест установки электрооборудования (светильников, розеток, выключателей и др. аппаратов);
- разметка трассы электропроводки и мест расположения распаечных коробок;
- подготовка мест крепления кабелей (трубопроводов) и электрооборудования;
- прокладка кабелей (трубопроводов), затягивание кабелей в проложенные трубопроводы, короба;
- прозвонка жил проводов и кабелей, сборка схемы электропроводки, соединение жил в коробках;
- установка и присоединение светильников, розеток, выключателей и другого электрооборудования;
- измерение сопротивления изоляции электрооборудования и электропроводок;
- сдача электрооборудования в эксплуатацию;
9. Качество выполнения перечисленных операций проверяется в процессе производственного контроля. При осуществлении государственного, технического и авторского надзоров инспектирующий персонал руководствуется действующими инструкциями. При этом проверяется, как правило, законченные крупные этапы работ, однако он имеет право контролировать качество выполнения любых операций электромонтажных работ.
Производственный контроль
10. Контроль качества электрических материалов и электрооборудования осуществляют службы производственно-технической комплектации на базах и центральных складах электромонтажных организаций. Линейный персонал обязан проверить внешним осмотром соответствие электроматериалов, конструкций и изделий требованиям проекта и нормативным документам, а также проверить наличие и содержание паспортов, сертификатов и других сопроводительных документов.
Проверку качества строительных работ, выполняемых в интересах электромонтажников, линейный персонал производит внешним осмотром и измерением основных размеров в натуре.
11. При контроле качества разметки мест установки аппаратов необходимо руководствоваться следующими требованиями нормативных документов:
- расположение светильников зависит от их количества в помещении. Если в помещении предусматривается установка одного светильника, его размещают в центре потолка, в точке пересечения диагоналей, (рис. 20, а) Если необходимо установить два светильника, их размещают на большей средней линии помещения, (рис. 20, б). При установке четырех светильников их размещают, как показано на рис. 20, в. В служебных помещениях большой площади светильники, как правило, размещают в шахматном порядке (рис. 20, г). При наличии в проекте указаний по размещению светильников необходимо строго ими руководствоваться;
Рис. 20. Разметка мест установки светильников в помещениях
- розетки в квартирах и общежитиях должны устанавливаться в местах, удобных для их использования и с учетом проектируемой расстановки бытовой и кухонной мебели. Не допускается размещать розетки под и над мойками, а также в других неудобных для эксплуатации местах (например, в кухонных шкафах);
- в школах и детских школьных учреждениях в помещениях для пребывания детей выключатели и розетки должны устанавливаться на высоте 1,8 м от пола. Высота установки осветительных и силовых розеток в других общественных зданиях и помещениях принимается удобной для присоединения к ним электрических приборов в зависимости от назначения помещений и оформления интерьеров, но не выше чем 1 м от пола;
- выключатели для светильников общего освещения устанавливаются на высоте от 0,8 до 1,7 м от пола, в помещениях для пребывания детей - на высоте 1,8 м и размещаются таким образом, чтобы они не закрывались открывающимися дверями. Рекомендуемые места установки выключателей показаны на рис. 21;
Рис. 21. Места установки выключателей в помещениях
- выключатели для туалетов и ванных комнат размещают вне этих помещений;
- электрощитовые, а также ВРУ и ГРЩ не допускается располагать непосредственно под уборными, ванными комнатами, душевыми, кухнями пищеблоков, моечными и другими помещениями, связанными с мокрыми технологическими процессами. Прокладка через электрощитовые трубопроводов систем водоснабжения, отопления (за исключением трубопроводов отопления щитовой), а также вентиляционных и других коробов разрешается как исключение, если они не имеют в пределах щитовых помещений ответвлений, а также люков, задвижек, фланцев, ревизий, вентилей. При этом холодные трубопроводы должны иметь защиту от отпотевания, а горячие - тепловую несгораемую изоляцию. Прокладка через электрощитовые газопроводов и трубопроводов с горючими жидкостями не допускается;
- распределительные пункты и групповые щитки следует, как правило, устанавливать в нишах стен в запирающихся шкафах. Открыто установленные щитки и пункты должны размещаться на высоте не менее 2,2 м от пола;
- в учебных кабинетах и лабораториях школ и средних специальных учебных заведений распределительные щитки для питания учебных приборов следует устанавливать вблизи стола преподавателя, но не далее 1,5 м от него.
12. Выбирая трассу питающих линий и внутренних сетей необходимо руководствоваться следующим:
- кабельные вводы в здания следует выполнять в трубах на глубине не менее 0,5 м и не более 2 м от поверхности земли. При этом в одну трубу следует затягивать один силовой кабель. Прокладку труб следует выполнять с уклоном в сторону улицы. Трубы для ввода кабеля следует закладывать, как правило, непосредственно до помещения вводно-распределительного устройства. По подвалу и техническому подполью здания, при отсутствии возможности доступа посторонних лиц (кроме эксплуатирующего персонала), допускается прокладка транзитных силовых кабелей напряжением до 1000 В, питающих электроэнергией другие здания;
- трассу внутренних электрических сетей при скрытой прокладке намечают параллельно линиям пересечения стен и потолков на расстоянии 100 - 200 мм от потолка или 50 - 100 мм от карниза или балки. Трасса не должна совпадать с дымоходами, боровами и другими горячими поверхностями или пересекать их; при пересечении с трубопроводами провода и кабели должны располагаться на расстоянии не менее 50 мм от трубопровода, при пересечении с трубопроводами с горючими газами и жидкостями - не менее 100 мм;
- трасса проводки по перекрытиям (в штукатурке, щелях, в пустотах плит) должна выбираться по кратчайшему расстоянию;
- спуски и подъемы к светильникам, выключателям и штепсельным розеткам должны выполняться по вертикальным линиям во избежание повреждения провода гвоздями, вбиваемыми в стены при эксплуатации помещения;
- при выборе трассы следует избегать пересечений проводов между собой;
- открытая прокладка проводов на роликах или изоляторах, на тросах и лотках должна выполняться на высоте не менее 2 м. В помещениях с повышенной опасностью - на высоте не менее 2,5 м;
13. В жилых комнатах квартир и общежитии площадью 10 м2 и более должна быть предусмотрена возможность установки многоламповых светильников с лампами накаливания с включением ламп двумя частями. При установке в жилых комнатах общежитии нескольких люминесцентных светильников следует предусматривать возможность их раздельного включения. Крюк в потолке для подвешивания светильника должен быть изолирован с помощью полихлорвиниловой трубки. Это требование не относится к случаям крепления крюков к деревянным перекрытиям.
Размеры крюков для подвеса бытовых светильников должны быть, мм: внешний диаметр полукольца - 35; расстояние от перекрытия до начала изгиба - 12. При изготовлении крюков из круглой стали диаметр прутка должен быть 6 мм.
14. Приспособления для подвешивания светильников массой до 25 кг должны выдерживать в течении 10 мин без повреждения и остаточных деформаций приложенную к ним нагрузку, равную пятикратной массе светильника. В проектах масса светильника для жилых комнат, кухонь и передних квартир принимается 10 кг.
Приспособления для крепления светильников (люстр) массой 25 кг и более должны быть испытаны грузом массой равной двукратной массе светильника плюс 80 кг. Груз подвешивается к приспособлению и выдерживается 10 минут. По результатам испытаний составляются протоколы.
15. Во внутренних сетях жилых и общественных зданий запрещается устанавливать автоматические выключатели, имеющие только электромагнитный расцепитель мгновенного действия (отсечку).
|
АКТ технической готовности электромонтажных работ |
|
Комиссия в составе: представителя строительной организации ____________________ |
|
___________________________________________________________________________ |
|
(должность, фамилия, и., о.) |
|
представителя заказчика _____________________________________________________ |
|
(должность, фамилия, и., о.) |
|
представителя электромонтажной организации |
|
___________________________________________________________________________ |
|
(должность, фамилия, и., о.) |
|
произвела осмотр смонтированного электрооборудования. |
|
1. Электромонтажной организацией выполнены следующие работы: ________________ |
|
___________________________________________________________________________ |
|
(перечень, основные технические характеристики, физические объемы) |
|
2. Электромонтажные работы выполнены в соответствии с проектом, разработанным |
|
___________________________________________________________________________ |
|
(проектная организация) |
|
3. Отступления от проекта перечислены в Приложении 1 к акту. |
|
4. Комиссия проверила техническую документацию (Приложение 2), предъявленную в объеме требований ПУЭ, СНиП 3.05.06-85. |
|
5. Индивидуальные испытания электрооборудования |
|
________________________________________ |
|
(проведены/не проведены) |
|
6. Остающиеся недоделки, не препятствующие комплексному опробованию, и сроки их устранения перечислены в Приложении 3. |
|
7. Ведомость смонтированного электрооборудования приведена в Приложении 4. |
|
8. Заключение. |
|
8.1. Электромонтажные работы выполнены по проектной документации согласно требованиям СНиП 3.05.06-85 и ПУЭ. |
|
8.2. Настоящий акт является основанием для: |
|
а) организации работы комиссии о приемке оборудования после индивидуальных испытаний; |
|
б) непосредственной передачи электроустановки заказчику (генподрядчику) в эксплуатацию. |
|
Представитель заказчика ______________________ |
|
(подпись) |
|
Представитель генерального подрядчика ______________________ |
|
(подпись) |
|
Представитель электромонтажной организации ___________________ |
|
(подпись) |
|
Сдали* Приняли |
|
___________________ ______________________ |
|
(подпись) (подпись) |
|
Электромонтажная организация Предприятие |
|
Адрес |
|
_____________________________ ____________________ |
|
Тел. Объект |
|
_____________________________ ____________________ |
|
«___» ________________ 2000__ г. |
|
Лист № ______________ |
_____________
* Заполняется в случае, указанном в п. 8.2б настоящего акта.
АКТ
проверки надежности крепления закладных деталей (крюков) для подвески светильников
Закладные детали крюков для подвешивания светильников массой до 25 кг испытаны пятикратной нагрузкой по отношению к расчетной массе светильников в течение 10 мин.
Повреждений, остаточных деформаций не обнаружено.
Крюки соответствуют требованиям СП 31-110-2003.
|
Представитель эл.-монтажной организации |
________________________ |
___________________ |
|
(подпись) |
(фамилия) |
|
|
Представитель заказчика |
_________________________ |
___________________ |
|
(подпись) |
(фамилия) |
|
|
Электромонтажная организация Предприятие |
||
|
Адрес |
||
|
_____________________________ ____________________ |
||
|
Тел. Объект |
||
|
_____________________________ ____________________ |
||
|
«___» ________________ 2000__ г. |
||
|
Лист № ______________ |
||
|
АКТ проверки осветительной сети на функционирование и правильность монтажа установочных аппаратов |
|
Комиссия в составе: представителя строительной организации ____________________ |
|
___________________________________________________________________________ |
|
(должность, фамилия, и., о.) |
|
представителя заказчика _____________________________________________________ |
|
(должность, фамилия, и., о.) |
|
представителя электромонтажной организации __________________________________ |
|
___________________________________________________________________________ |
|
(должность, фамилия, и., о.) |
|
произвела осмотр смонтированной осветительной сети. В результате установлено: |
|
1. Расключение квартир по фазам в ___ этажных щитках (ЩЭ) и токоприемников в квартирных щитках |
|
(ЩК) выполнены согласно проекта ____________________________________________ |
|
(проект, №№ листов) |
|
с равномерной загрузкой фаз и групп. |
|
2. Выключатели установлены в фазных проводах. |
|
3. Подключение розеток и остальных стационарных токоприемников с металлическими корпусами выполнено по 3-х-5 проводной схеме с учетом требований глав 1.7 и 7.1 ПУЭ. |
|
Все розетки, стационарные токоприемники функционируют нормально. |
|
Представитель заказчика |
_______________________ |
_________________ |
|
(фамилия) |
(подпись) |
|
|
Представитель генерального подрядчика |
_______________________ |
_________________ |
|
(фамилия) |
(подпись) |
|
|
Представитель электромонтажной организации |
_______________________ |
_________________ |
|
(фамилия) |
(подпись) |
|
АКТ освидетельствования скрытых работ |
|
____________________________ |
|
(наименование работ) |
|
выполненных в ___________________________________________ |
|
(наименование и место расположения объекта) |
|
«___»___________200_г. |
|
Комиссия в составе: представителя строительной организации ____________________ |
|
___________________________________________________________________________ |
|
(должность, фамилия, и., о.) |
|
представителя технического надзора заказчика __________________________________ |
|
___________________________________________________________________________ |
|
(должность, фамилия, и., о.) |
|
представителя проектной организации (в случаях осуществления авторского надзора |
|
проектной организацией в соответствии с требованиями СП 11-110-99) _____________ |
|
___________________________________________________________________________ |
|
(должность, фамилия, и., о.) |
|
произвела осмотр работ, выполненных |
|
___________________________________________________________________________ |
|
(наименование строительно-монтажной организации) |
|
и составила настоящий акт о нижеследующем: |
|
1. К освидетельствованию предъявлены следующие работы _______________________ |
|
___________________________________________________________________________ |
|
(наименование скрытых работ) |
|
2. Работы выполнены по проектно-сметной документации ________________________ |
|
___________________________________________________________________________ |
|
(наименование проектной организации, |
|
___________________________________________________________________________ |
|
№ чертежей и дата их составления) |
|
3. При выполнении работ применены __________________________________________ |
|
___________________________________________________________________________ |
|
(наименование материалов, конструкций, |
|
___________________________________________________________________________ |
|
изделий со ссылкой на сертификаты или другие документы, |
|
___________________________________________________________________________ |
|
подтверждающие качество) |
|
4. При выполнении работ отсутствуют (или допущены) отклонения от проектно-сметной документации ______________________________________________________ |
|
___________________________________________________________________________ |
|
(при наличии отклонений указывается кем согласованы, |
|
___________________________________________________________________________ |
|
№ чертежей и дата согласования) |
|
5. Дата: начала работ ________________________________________________________ |
|
окончания работ ____________________________________________________________ |
|
Решение комиссии |
|
Работы выполнены в соответствии с проектно-сметной документацией, стандартами, строительными нормами и правилами и отвечают требованиям их приемки. |
|
На основании изложенного разрешается производство последующих работ по устройству(монтажу) |
|
_____________________________________________ |
|
(наименование работ и конструкций) |
|
Представитель строительно-монтажной организации |
|
|
(подпись) |
|
|
Представитель технического надзора заказчика |
|
|
(подпись) |
|
|
Представитель проектной организации |
|
|
(подпись) |
Механизмы, инструменты и приспособления
|
№ п/п |
Наименование |
Тип, марка |
Единица измерения |
Количество |
|
1 |
Нормокомплект |
НК-ПИМУ |
комплект |
1 |
|
2 |
Площадка монтажная |
ПМ-600 |
шт. |
2 |
Техника безопасности
5.1. При подготовке болтовых отверстий ВРУ необходимо пользоваться шпильками или специальными ломиками. Проверять совпадение отверстий пальцами не разрешается.
5.2. Установка и крепление подъемного приспособления допускается только в местах указанных в проекте производства работ или по указанию мастера.
5.3. Перед началом механизированных работ ответственный за перемещение грузов обязан объяснить рабочим последовательность выполнения операций и обязанности каждого рабочего; проверить исправность всех механизмов, такелажа, приспособлений, и подмостей, а также напомнить рабочим и машинистам значение подаваемых сигналов.
5.4. Место расположения лебедки и зону подъема груза необходимо оградить. При подъеме груз должен быть предварительно приподнят на высоту не более 200 - 300 мм для проверки правильности строповки и надежности действия тормозов грузовой лебедки.
5.5. Во время работы лебедки запрещается:
а) поправлять канат на роликах и блоках, а трос на барабане лебедки руками;
б) производить во время спуска груза: торможение барабана лебедки при помощи деревянных лаг;
в) стоять рядом с натянутым канатом;
г) производить смазку и чистку.
Правила и инструкции по ТБ
1. Межотраслевые правила по охране труда при эксплуатации электроустановок ПОТ Р М-016-2001.
2. Межотраслевые правила по охране труда при работе на высоте ПОТ Р М-012-2000.
3. Инструкция по применению и испытанию средств защиты, используемых в электроустановках.
4. Правила устройства электроустановок.
5. Правила устройства и безопасной эксплуатации грузоподъемных кранов. ПБ 10-382-00.
6. Межотраслевые правила по охране труда при погрузочно-разгрузочных работах и размещении грузов ПОТ Р М-007-98.
7. Межотраслевые правила по охране труда при эксплуатации промышленного транспорта ПОТ Р М-008-99.
8. Правила пользования инструментом и приспособлениями, при ремонте и монтаже энергетического оборудования.
Меры, обеспечивающие электробезопасность
Электрические установки и устройства должны быть в полной исправности, для чего в соответствии с правилами эксплуатации их нужно периодически проверять. Нетокопроводящие части, могущие оказаться под напряжением в результате пробоя изоляции, должны быть надежно заземлены.
Запрещается проводить работы или испытания электрического оборудования и аппаратуры, находящихся под напряжением, при отсутствии или неисправности защитных средств, блокировки ограждений или заземляющих цепей. Для местного переносного освещения должны применяться специальные светильники с лампами на напряжение 12В. Пользоваться неисправным или непроверенным электроинструментом (электросверлилками, паяльниками, сварочным и другими трансформаторами) запрещается. В помещениях с повышенной опасностью поражения электрическим током (сырые, с токопроводящими полами, пыльные) работы должны выполняться с особыми предосторожностями. Большое значение уделяется защитным средствам.
Руководящими материалами по безопасным приемам работы должны служить ПТЭ и ПТБ, а также местные или ведомственные инструкции.
Меры безопасности при производстве слесарных и станочных работ
При работах с молотком и зубилом, при заточке инструмента на наждачном круге нужно пользоваться только исправным инструментом. Запрещается удлинять гаечные ключи, ударять по ключу, а также отвинчивать гайки и болты с помощью зубила и молотка. Зубило должно быть длиной не менее 150 мм и ударная часть его не должна быть разбитой. Заточку инструмента нужно производить в защитных очках.
Ручки молотков, кувалд, напильников, отверток должны быть определенной длины, надежно закреплены, гладко обработаны и сделаны из сухого дерева твердых пород (береза, бук). Гаечные ключи разрешается применять только по размеру гаек и головок болтов; при затягивании гаек и болтов нельзя устанавливать подкладки между гранями ключа и гайки, последняя может вырваться, поранить.
К самостоятельной работе на станках допускаются только квалифицированные рабочие, прошедшие специальный инструктаж. Для обеспечения безопасности все вращающиеся части станка (зубчатые колеса, шкивы) должны быть ограждены специальными щитками, кожухами или сетками. Рукава, работающие должны плотно завязывать у кисти рук во избежание попадания их во вращающиеся части станка. При работе на металлорежущих станках следует пользоваться защитными очками.
При изготовлении обмоток или бандажей надо следить, чтобы пальцы не попали под наматываемую проволоку. Запрещается выравнивать провода на шаблонах обмоточных станков во время работы последних. При установке ротора в центрах станка, бандажировке, балансировке или для того, чтобы срезать лобовую часть обмотки, надо надежно закрепить заднюю бабку станка, с тем, чтобы при вращении ротор не вырвался бы из центров и не упал на ноги работающего.
Меры безопасности на заготовительных участках
На обмоточно-изолировочном участке особое внимание следует обратить на работу с изоляцией, содержащей стекло. При этом есть опасность попадания на кожу мелких частичек стекла, вызывающих сильное раздражение кожи. Во избежание этого провода со стекловолокнистой изоляцией предварительно пропитывают в жидкоразведенном лаке, а затем подсушивают до полувлажного состояния. В таком состоянии провод используют для намотки секций катушек.
Сварку или пайку концов обмоток можно производить только в защитных очках, так как случайные капли припоя могут попасть в глаза.
На пропиточно-сушильных участках уделяется особое внимание работе с лакокрасочными материалами и их растворителями. Они горючи, легко воспламеняются, а пары их взрывоопасны! Хранить эти вещества надо отдельно от остальных материалов в помещениях с надежной вентиляцией и хорошо закрывающимися металлическими дверями. Небольшое количество лакокрасочных материалов можно хранить в запирающемся железном ящике при температуре не ниже +8 и не выше +25 °С. Тара для хранения лаков и красок должна плотно закрываться, иметь маркировку и быть исправной. Открытой тару оставлять нельзя. Освободившуюся тару сразу же сдают на склад.
На рабочих местах легковоспламеняющиеся и горючие материалы могут находиться в количествах однодневного расхода при условии соблюдения пожарной безопасности.
При длительном хранении лаков, эмалей и особенно растворителей пробки бутылей, бачков и крышек банок рекомендуется заливать кабельной массой МБ-70, МБ-90 или же битумом с добавкой 10 % трансформаторного масла.
Запрещается вскрывать тару с лакокрасочными материалами стальными инструментами во избежание искрения и воспламенения!
Некоторые растворители вредно действуют на кожу человека. При работе с ними на руки надевают тонкие резиновые (медицинские) перчатки. Если растворитель попал на кожу, то надо сразу же вымыть руки с мылом.
При погружении изделий в пропиточную ванну не следует допускать их падения во избежание разбрызгивания пропиточного раствора. При закатывании тележки с деталями в сушильную печь тележку надо толкать от себя. Запрещается вести тележку за собой! Включение сушильной камеры разрешается только после плотного закрытия створок камеры. Сушку обмоток индукционным способом разрешается выполнять только двум работающим на огражденных участках с вывешенными предупредительными плакатами. Соединение схемы должно производиться при видимом разрыве контактов рубильника.
В сушильно-пропиточных отделениях все оборудование должно быть выполнено во взрывозащищенном исполнении.
Все работники, имеющие дело с лакокрасочными материалами, должны пройти специальный инструктаж по безопасности труда.
Меры безопасности при такелажных работах
Все операции по перемещению и подъему грузов, начиная с разгрузки в местах складирования и кончая установкой на места монтажа, относятся к такелажным работам. Такелажные работы требуют особой осторожности и выполняются специально подготовленными рабочими-такелажниками, знающими правила обращения с грузами.
Совершенно недопустимо пренебрегать любым требованием правил безопасности, даже малосущественным! Нельзя приступать к такелажным работам в плохо пригнанной, незастегнутой одежде. Она может зацепиться за трос, крючок или выступающие части груза и явиться причиной несчастного случая.
Для предохранения рук от ранений работать нужно в рукавицах. Рабочее место должно быть свободным от каких-либо посторонних предметов и мусора, полы должны быть сухими, чтобы исключить падение работающих. Проходы к грузам нужно освободить.
Размещение оборудования в монтажной зоне должно соответствовать последовательности его поступления к месту установки. Настилы должны быть оборудованы ограждением высотой не менее 1 м. Грузы массой более 20 кг разрешается поднимать только подъемными механизмами. Подъем груза должен производиться только вертикально и в два приема: сначала следует поднять груз на высоту не более 0,5 м, убедиться в надежности его крепления, а затем производить его дальнейший подъем или перемещение. Для подъема грузов широко применяют стальные и пеньковые канаты. Стальные канаты должны быть снабжены паспортом завода-изготовителя, в котором указано разрывное усилие. Канаты должны храниться на барабанах в исправном состоянии. При размотке и намотке канатов не допускается образование петель и спиралей.
Изготовление стропов и сплетка концов каната разрешается только квалифицированным рабочим. Все стропы должны быть снабжены бирками с указанием грузоподъемности, даты испытания и пригодности к работе.
При подъёме электрического оборудования (например, статор машин, обмотки, активная часть трансформатора, щиты или пульты) в целях предохранения его от повреждения стропами применяют специальные приспособления. Эти приспособления исключают надавливание строп на поднимаемое оборудование.
Работами по подъему и перемещению грузов должен руководить рабочий-бригадир. Под поднятым грузом и вблизи него не должно быть людей. Нельзя оставлять на поднимаемом оборудовании инструмент.
При выполнении такелажных работ особое внимание должно быть обращено на исправность строп и подъемных механизмов, к которым относятся: блоки, полиспасты, тали, тельферы, домкраты, лебедки, всякого рода козлы и треноги. Не допускается работа этих механизмов и приспособлений, если они не прошли периодической проверки, не имеют соответствующих паспортов, разрешающих их эксплуатацию, или если они сделаны непрочно, без соответствующего расчета.
Меры безопасности при работе на высоте
Работами, выполняемыми на высоте, называются такие, при которых рабочий находится выше 1 и до 5 м от поверхности грунта, перекрытия или на столе. Работы, выполняемые на высоте более 5 м, называются верхолазными. К таким работам могут быть отнесены работы по ремонту светильников, тросовых проводок, воздушных линий и др. К этим работам допускаются лица не моложе 18 лет и прошедшие специальный медицинский осмотр на годность к работам на высоте или верхолазным.
Работы с использованием лестниц и стремянок, специально приспособленных и имеющих упоры, должны производиться двумя рабочими, один из которых находится на полу и придерживает лестницу. Запрещается работа со случайных предметов, например с ящиков, табуретов, непроверенных или непригодных подмостей. Установка и съем осветительной арматуры, щитов и аппаратов массой более 10 кг выполняется двумя лицами или одним, ею с применением специальных механизмов или приспособлений.
Противопожарные мероприятия
Причинами пожара, как правило, являются: работа с открытым огнем, неисправности электрических устройств и проводок, курение и несоблюдение правил пожарной безопасности.
При работе с паяльной лампой необходимо выполнять следующие требования:
· резервуар лампы нужно заполнять горючим не более чем 3/4 его емкости;
· наливную пробку плотно завертывать;
· не работать с лампой вблизи огня;
· не разжигать лампу путем подачи горючего на горелку;
· не перекачивать лампу во избежание взрыва;
· не снимать горелки до снижения давления;
· пользоваться только тем горючим, для которого лампа предназначена;
· не снижать давления воздуха из резервуара лампы через наливную пробку;
· работать только с исправной лампой.
Все цехи и участки должны быть обеспечены противопожарным инвентарем и огнетушителями. Рабочие должны уметь ими пользоваться. Курить разрешается только в специально отведенных местах. Запрещается стирать спецодежду бензином, ацетоном и другими легковоспламеняющимися жидкостями. Пролитую горючую жидкость следует немедленно убирать. Использованные обтирочные материалы нужно хранить в специальных металлических ящиках с плотно закрывающимися крышками.
В случае возникновения пожара или возгорания принимаются немедленные меры по его ликвидации и одновременно сообщается в пожарную часть.
Первая доврачебная помощь пострадавшим при несчастных случаях
Последовательность оказания первой доврачебной помощи
Первая доврачебная помощь - это комплекс простейших, срочных и целесообразных мер для спасения жизни человека и предупреждения осложнений при несчастном случае. Эти мероприятия проводятся до прибытия медицинского работника или доставки пострадавшего в лечебное учреждение. Первая помощь, оказываемая самим пострадавшим, называется самопомощью (например, самостоятельное наложение повязки при ранении). Первая помощь, оказываемая другими людьми, называется взаимопомощью.
К первой доврачебной помощи, наряду с обработкой ран, относятся: экстренный вызов скорой медицинской помощи, принятие мер по остановке кровотечения и восстановлению работоспособности сердца и легких (реанимация), а также мероприятия по эвакуации пострадавшего из опасной зоны или его транспортировка к месту, доступному для прибытия машины скорой помощи.
Одним из важнейших положений оказания первой доврачебной помощи является ее срочность (чем быстрее она оказана, тем больше надежды на благоприятный исход), поэтому такую помощь может и должен своевременно оказать тот, кто находится рядом с пострадавшим.
При оказании первой доврачебной помощи пострадавшему необходимо:
· немедленно устранить воздействие на организм повреждающих факторов, угрожающих здоровью и жизни пострадавшего (освободить его от действия электрического тока, вынести из зараженной атмосферы, погасить горящую одежду и т.д.) и оценить состояние пострадавшего;
· определить характер и тяжесть травмы, наибольшую угрозу для жизни пострадавшего и последовательность мероприятий по его спасению;
· выполнить необходимые мероприятия по спасению пострадавшего в порядке срочности: восстановить проходимость дыхательных путей, произвести искусственное дыхание, наружный массаж сердца, остановить кровотечение, иммобилизовать (создать неподвижность) место перелома, наложить повязку и т.п.;
· поддерживать основные жизненные функции пострадавшего до прибытия медицинского работника;
· вызвать скорую медицинскую помощь (врача) либо принять меры для транспортировки пострадавшего в ближайшее лечебное учреждение.
Освобождение пострадавшего от действия электрического тока При поражении электрическим током необходимо как можно скорее освободить пострадавшего от действия электрического тока, так как от продолжительности этого действия зависит тяжесть электротравмы.
Прикосновение к токоведущим частям, находящимся под напряжением (пороговой неотпускающий ток при 50 Гц составляет 5 ... 25 мА), вызывает в большинстве случаев непроизвольное судорожное сокращение мышц и общее возбуждение, которое может привести к нарушению и даже полному прекращению деятельности органов дыхания и кровообращения. Если пострадавший держит провод руками, то его пальцы так сильно сжимаются, что высвободить провод из его рук становится невозможным. Поэтому первым действием человека, оказывающего помощь, должно быть немедленное отключение той части электроустановки, которой касается пострадавший. Отключение производится при помощи выключателя, рубильника или другого отключающего аппарата, а также путем снятия или вывертывания предохранителя (пробок), разъема штепсельного соединения.
Рис. 46. Способы освобождения пострадавшего от действия электрического тока
Оказывающий помощь не должен прикасаться к пострадавшему без надлежащих мер предосторожности, так как это опасно для жизни. Он должен следить и за тем, чтобы самому не оказаться в контакте с токоведущей частью и под шаговым напряжением.
Если быстро отключить установку нельзя, то необходимо принять другие меры к освобождению пострадавшего от действия электрического тока (рис. 46).
Для отделения пострадавшего от токоведущих частей или провода напряжением до 1000 В следует воспользоваться веревкой, палкой, доской или каким-либо другим сухим предметом, не проводящим электрический ток. Можно также оттянуть его за одежду (если она сухая и не плотно прилегает к телу), например за полы пиджака или пальто, за воротник, избегая при этом прикосновения к окружающим металлическим предметам и частям тела пострадавшего, не прикрытым одеждой.
Если пострадавший находится на высоте, то отключение установки и тем самым освобождение его от действия электрического тока может вызвать его падение. В этом случае необходимо принять меры, предупреждающие падение пострадавшего или обеспечивающие его безопасность.
После освобождения пострадавшего от действия электрического тока необходимо вынести его из опасной зоны. При этом следует помнить об опасности шагового напряжения, если токоведущий элемент (провод и т.п.) лежит на земле.
Если нельзя быстро отключить линию электропередачи, электроэнергию, а пострадавший касается проводов, то для его освобождения следует соединить провода накоротко, набросив на них изолированный провод.
Первая доврачебная помощь пострадавшим от действия электрического тока
После освобождения пострадавшего от действия электрического тока необходимо оценить его состояние.
Признаки, по которым можно быстро определить состояние пострадавшего, следующее:
сознание - ясное, отсутствует, нарушено (пострадавший заторможен, возбужден);
цвет кожных покровов и видимых слизистых оболочек (губ, глаз) - розовые, синюшные, бледные;
дыхание - нормальное, отсутствует, нарушено (неправильное, поверхностное, хрипящее);
пульс на сонных артериях - хорошо определяется (ритм правильный или неправильный), плохо определяется, отсутствует;
зрачки - узкие, широкие.
Пульс на сонной артерии прощупывают подушечками указательного, среднего и безымянного пальцев, располагая их вдоль шеи и слегка прижимая к позвоночнику. Приемы определения пульса на сонной артерии очень легко отработать на себе или своих близких.
Если у пострадавшего отсутствуют сознание, дыхание, пульс, кожные покровы синюшные, а зрачки широкие (0,5 см в диаметре), можно считать, что он находится в состоянии клинической смерти, и немедленно приступить к его оживлению при помощи искусственного дыхания способом «изо рта в рот» или «изо рта в нос» и непрямого массажа сердца.
Если пострадавший дышит очень редко и судорожно, но у него прощупывается пульс, то необходимо сразу же начать делать искусственное дыхание. Не обязательно, чтобы при проведении искусственного дыхания пострадавший находился в горизонтальном положении.
Приступив к оживлению, следует позаботиться о том, чтобы другой человек вызвал врача или скорую медицинскую помощь.
Если пострадавший в сознании, но до этого был в обмороке или находился в бессознательном состоянии с сохранившимися устойчивым дыханием и пульсом, то нужно уложить его на подстилку; расстегнуть одежду, стесняющую дыхание; создать приток свежего воздуха; согреть тело, если оно холодное; обеспечить прохладу, если жарко; создать полный покой, непрерывно наблюдая за пульсом и дыханием.
Если пострадавший находится в бессознательном состоянии, то необходимо наблюдать за его дыханием. В случае нарушения дыхания из-за западения языка нужно выдвинуть нижнюю челюсть вперед, взявшись пальцами за ее углы, и поддерживать ее в таком положении, пока не прекратится западение языка.
При рвоте следует повернуть голову и плечи пострадавшего налево для удаления рвотных масс.
Ни в коем случае нельзя позволять пострадавшему двигаться, а тем более продолжать работу, так как отсутствие видимых тяжелых повреждений от действия электрического тока или других причин (падения и т.п.) еще не исключает возможности последующего ухудшения его состояния. Только врач может решить вопрос о состоянии здоровья пострадавшего.
Переносить пострадавшего в другое место следует только в тех случаях, когда ему или лицу, оказывающему помощь, продолжает угрожать опасность или оказание помощи на месте невозможно.
Пострадавшим от молнии оказывается та же помощь, что и пострадавшим от действия электрического тока.
Если вызвать врача на место происшествия невозможно, то необходимо обеспечить транспортировку пострадавшего в ближайшее лечебное учреждение. Перевозить пострадавшего можно только при удовлетворительном дыхании и устойчивом пульсе. Если состояние пострадавшего не позволяет его транспортировать, то необходимо продолжать оказывать помощь.
Способы оживления организма при клинической смерти
Оживление организма (реанимация) - восстановление жизненно важных функций организма (прежде всего дыхания и кровообращения). Оживление организма проводят, если отсутствует дыхание и прекратилась сердечная деятельность или обе эти функции угнетены настолько, что не обеспечивают потребности организма.
Основными методами оживления организма являются искусственное дыхание и массаж сердца.
Искусственное дыхание проводится, если пострадавший не дышит или дышит очень плохо (редко, судорожно, как бы со всхлипыванием), а также если его дыхание постоянно ухудшается, независимо от того, чем это вызвано (поражением электрическим током, отравлением и т.д.).
Наиболее эффективным способом искусственного дыхания является способ «изо рта в рот» или «изо рта в нос», так как при этом обеспечивается поступление достаточного объема воздуха в легкие пострадавшего (рис. 47). Воздух, выдыхаемый человеком, оказывающим помощь, насильно подается в дыхательные пути пострадавшего. Установлено, что выдыхаемый человеком воздух физиологически пригоден для поддержания дыхания у пострадавшего в течение длительного времени. Вдувать воздух можно через марлю, платок или специальное приспособление - воздуховод.
Этот способ искусственного дыхания позволяет легко контролировать поступление воздуха в легкие пострадавшего по расширению грудной клетки после вдувания и последующему ее сжатию в результате пассивного выдоха.
Для проведения искусственного дыхания следует уложить пострадавшего на спину и расстегнуть одежду.
Прежде чем начать искусственное дыхание, необходимо в первую очередь обеспечить проходимость верхних дыхательных путей, которые в положении лежа на спине при бессознательном состоянии всегда закрыты запавшим языком. Кроме того, в полости рта могут находиться рвотные массы, которые необходимо удалить пальцем, обернутым платком (тканью) или бинтом. Человек, оказывающий помощь, должен находиться сбоку от пострадавшего. Одну руку он должен подложить под шею пострадавшего, а ладонью другой руки - надавить на его лоб, максимально запрокинув голову. При этом корень языка поднимется и освободит вход в гортань, а рот пострадавшего откроется. Человек, оказывающий помощь, должен наклониться к лицу пострадавшего, сделать глубокий вдох открытым ртом, полностью охватить губами открытый рот пострадавшего и сделать энергичный выдох, с некоторым усилием вдув воздух в его рот. Одновременно он должен закрыть нос пострадавшего щекой или пальцами руки, находящейся на лбу. При этом обязательно следует наблюдать за грудной клеткой пострадавшего. Как только грудная клетка расширится, нагнетание воздуха следует приостановить. У пострадавшего происходит пассивный выдох.
Рис. 47. Проведение искусственного дыхания способом «изо рта в рот» и непрямого массажа сердца
Если у пострадавшего хорошо определяется пульс и необходимо только искусственное дыхание, то интервал между искусственными вдохами должен составлять 5 с (12 дыхательных циклов в минуту).
Кроме расширения грудной клетки хорошим показателем эффективности искусственного дыхания могут служить порозовение кожных покровов и слизистых оболочек у пострадавшего, а также выход его из бессознательного состояния, самостоятельное дыхание.
При проведении искусственного дыхания оказывающий помощь должен следить за тем, чтобы воздух не попадал в желудок пострадавшего. При попадании воздуха в желудок (об этом свидетельствует вздутие живота «под ложечкой») нужно осторожно надавить ладонью на живот между грудиной и пупком. Если при этом может возникнуть рвота, то необходимо повернуть голову и плечи пострадавшего набок, чтобы очистить его рот и глотку.
Если после вдувания воздуха грудная клетка не расширится, то необходимо выдвинуть нижнюю челюсть пострадавшего вперед.
Если челюсти пострадавшего плотно стиснуты и открыть рот не удается, то следует проводить искусственное дыхание способом «изо рта в нос».
При отсутствии самостоятельного дыхания и наличии пульса искусственное дыхание можно выполнять и в положении сидя или стоя, если несчастный случай произошел в люльке, на опоре или на мачте. При этом следует как можно дальше запрокинуть голову пострадавшего назад или выдвинуть вперед нижнюю челюсть. Остальные приемы те же, что и при горизонтальном положении пострадавшего.
Искусственное дыхание прекращают после восстановления у пострадавшего достаточно глубокого и ритмичного самостоятельного дыхания.
В случае отсутствия и дыхания, и пульса на сонной артерии делают подряд два искусственных вдоха и приступают к непрямому массажу сердца (см. рис. 47).
При остановке сердца необходимо, не теряя ни секунды, уложить пострадавшего на ровное жесткое основание (скамью, пол), в крайнем случае можно подложить ему под спину доску (никаких валиков под шею и плечи подкладывать нельзя).
Если помощь оказывает один человек, то он должен, находясь сбоку от пострадавшего, наклониться, сделать два быстрых энергичных вдувания (способом «изо рта в рот» или «изо рта в нос»), затем подняться, ладонь одной руки положить на нижнюю половину грудины (отступив на два пальца выше от ее нижнего края), а пальцы приподнять. Ладонь другой руки нужно положить поверх первой поперек или вдоль и надавить, помогая себе наклоном корпуса. Руки при надавливании должны быть выпрямлены в локтевых суставах.
Надавливать следует быстрыми толчками, так чтобы смещать грудину на 4 ... 5 см. Продолжительность надавливания - не более 0,5 с; интервал между отдельными надавливаниями - 5 с. В паузах руки с грудины не снимать, пальцы должны оставаться прямыми, руки должны быть полностью выпрямлены в локтевых суставах.
Если оживление проводит один человек, то на каждые 2 вдувания он производит 15 надавливаний на грудину. За минуту необходимо сделать не менее 60 надавливаний и 12 вдуваний, поэтому темп реанимационных мероприятий должен быть высоким. Опыт показывает, что наибольшее количество времени теряется при выполнении искусственного дыхания. Нельзя затягивать вдувание: как только грудная клетка пострадавшего расширилась, вдувание прекращают.
При участии в реанимации двух человек соотношение дыхание-массаж составляет 1:5. Во время искусственного вдоха пострадавшего тот, кто делает массаж сердца, надавливание не производит, так как усилия, развиваемые при надавливании, значительно больше, чем при вдувании (надавливание при вдувании приводит к тому, что искусственное дыхание, а следовательно, и реанимационные мероприятия не дают результата).
Если реанимационные мероприятия проводятся правильно, то кожные покровы розовеют, зрачки сужаются, самостоятельное дыхание восстанавливается. Пульс на сонных артериях во время массажа должен хорошо прощупываться, если его определяет другой человек. После того как восстановится сердечная деятельность и будет хорошо определяться пульс, массаж сердца немедленно прекращают, продолжая искусственной дыхание при слабом дыхании пострадавшего, стараясь, чтобы естественный и искусственный вдохи совпадали. При восстановлении полноценного самостоятельного дыхания искусственное дыхание также прекращают. Если сердечная деятельность или самостоятельное дыхание еще не восстановилось, но реанимационные мероприятия эффективны, то их можно прекратить только при передаче пострадавшего в руки медицинского работника. При неэффективности искусственного дыхания и непрямого массажа сердца (кожные покровы синюшно-фиолетовые, зрачки широкие, пульс на артериях во время массажа не определяется) реанимацию прекращают через 30 мин.
Первая доврачебная помощь при ранении
Ранение - механическое повреждение тканей с нарушением целости кожи и слизистых оболочек. При ранениях обязательно возникают кровотечения, боль и расхождение краев раны. Первая помощь при ранениях заключается в защите раны от загрязнения и временной остановке кровотечения.
Всякая рана может легко загрязнится микробами, находящимися на ранящем предмете, на коже пострадавшего, а также в пыли, земле, на руках человека, оказывающего помощь, в не стерильном перевязочном материале.
При оказании первой доврачебной помощи необходимо строго соблюдать следующие правила:
нельзя промывать рану водой или каким-либо лекарственным веществом, засыпать порошком или смазывать мазями, так как это препятствует ее заживлению, способствует занесению в нее грязи с поверхности кожи и вызывает нагноение;
нельзя удалять из раны песок, землю, камешки, так как удалить таким образом все, что загрязняет рану, невозможно. Следует осторожно очистить кожу вокруг раны по направлению от ее краев наружу, чтобы не загрязнять рану. Очищенный участок вокруг раны перед наложением повязки нужно смазать йодом;
нельзя удалять из раны сгустки крови, инородные тела, так как это может вызвать сильное кровотечение;
нельзя заматывать рану изоляционной лентой или накладывать на рану ткань, так как это может привести к заражению столбняком.
Для остановки кровотечения необходимо (рис. 48):
поднять раненую конечность;
закрыть кровоточащую рану перевязочным материалом (из индивидуального перевязочного пакета), сложенным в комочек, и придавить сверху, не касаясь пальцами самой раны. В таком положении, не отпуская пальцев, держать перевязочный материал в течение 4 ... 5 мин. Если кровотечение остановится, то, не снимая перевязочного материала, поверх него следует наложить еще одну подушечку из другого пакета или кусок ваты и забинтовать раненое место с небольшим нажимом, чтобы не нарушить кровообращение поврежденной конечности. При бинтовании руки или ноги витки бинта должны идти снизу вверх -от пальцев к туловищу;
при сильном кровотечении, если его невозможно остановить давящей повязкой, следует сдавить кровеносные сосуды, питающие раненую область, пальцами, жгутом (закруткой) либо согнуть конечности в суставах. Во всех случаях при сильном кровотечении необходимо срочно вызвать врача и указать ему точное время наложения жгута (закрутки).
На место травмы следует положить холод (резиновый пузырь со льдом, снегом или холодной водой, холодные примочки и т.п.).
Рис. 48. Способы временной остановки кровотечения:
а, б - прижатие пальцем кровоточащего сосуда к кости; в - с помощью носового платка; г - с помощью табельного резинового жгута; д - с помощью ремня
Первая доврачебная помощь при ожогах
По глубине поражения выделяют четыре степени ожогов:
I степень - покраснение кожи и появление отека;
II степень - появление водяных пузырей;
III степень - омертвение поверхностных и глубоких слоев кожи;
IV степень - обугливание кожи, поражение мышц, сухожилий и костей.
Ожоги бывают:
термические - от воздействия огня, пара, горячих предметов и веществ;
химические - от воздействия кислот и щелочей;
электрические - от воздействия электрического тока или вольтовой дуги.
Термические и электрические ожоги. Если на пострадавшем загорелась одежда, то необходимо быстро набросить на него пальто, любую плотную ткань или сбить пламя водой. Нельзя бежать в горящей одежде, так как ветер, раздувая пламя, усилит ожог.
При оказании помощи пострадавшему во избежание заражения нельзя касаться руками обожженных участков кожи или смазывать их мазями, жирами, маслами, вазелином, присыпать питьевой содой, крахмалом и т.п. Нельзя вскрывать пузыри, удалять приставшие к обожженному месту мастику, канифоль или другие смолистые вещества, так как, удаляя их, легко можно содрать обожженную кожу и тем самым создать благоприятные условия для инфицирования раны.
При небольших по площади ожогах I и II степени следует наложить на обожженный участок кожи стерильную повязку.
Одежду и обувь с обожженного места нельзя срывать, их необходимо разрезать ножницами и осторожно снять. Если куски одежды прилипли к обожженному участку тела, то необходимо поверх них наложить стерильную повязку и направить пострадавшего в лечебное учреждение.
При тяжелых и обширных ожогах пострадавшего следует завернуть в чистую простыню или ткань, не раздевая его, укрыть потеплее, напоить теплым чаем и создать покой до прибытия врача.
Обожженное лицо необходимо закрыть стерильной марлей.
При ожогах глаз следует сделать холодные примочки из раствора борной кислоты (половина чайной ложки борной кислоты на 1 стакан воды) и немедленно направить пострадавшего к врачу.
Химические ожоги. При химических ожогах глубина повреждения тканей зависит от длительности воздействия химического вещества. Важно как можно скорее уменьшить концентрацию химического вещества и время его воздействия.
Для этого пораженное место необходимо сразу же промыть большим количеством проточной холодной воды из-под крана, из резинового шланга или ведра в течение 15 ... 20 мин.
Если кислота или щелочь попала на кожу через одежду, то следует ее сначала смыть водой с одежды, потом осторожно разрезать мокрую одежду и снять ее с пострадавшего, после чего промыть кожу.
При попадании на тело человека серной кислоты или щелочи в виде твердого вещества необходимо удалить ее сухой ватой или кусочком ткани, а затем тщательно промыть пораженное место водой.
При химическом ожоге полностью смыть химические вещества водой не удается, поэтому после промывания необходимо обработать пораженное место соответствующими нейтрализующими растворами, используемыми в виде примочек (повязок).
Дальнейшая помощь при химических ожогах оказывается так же, как и при термических.
Первая доврачебная помощь при отморожении
Отморожение - повреждение тканей тела под влиянием холода. Отморожение может произойти не только в морозную погоду, но и при температуре около 0 °С, особенно когда сыро и ветренно. Основная причина повреждения тканей - стойкие изменения кровеносных сосудов, вызванные их длительным спазмом.
Первая доврачебная помощь при отморожении заключается в немедленном согревании пострадавшего, особенно отмороженной части тела, для чего пострадавшего следует как можно быстрее перевести в теплое помещение. Прежде всего необходимо согреть отмороженную часть тела, восстановить в ней кровообращение.
Наиболее эффективно и безопасно это достигается, если отмороженную конечность поместить в ванну с водой температурой 20 °С. В течение 20 ... 30 мин температуру воды постепенно повышают до 40 °С; при этом конечность тщательно
После ванны (согревания) поврежденные участки тела следует высушить (протереть), обмотать стерильной повязкой и тепло укутать.
Нельзя смазывать их жиром и мазями, так как это значительно затруднит последующую обработку.
Отмороженные участки тела нельзя растирать снегом, так как при растирании усиливается охлаждение, а льдинки ранят кожу, что способствует инфицированию (заражению) зоны отморожения.
Нельзя также растирать отмороженные места варежкой, суконкой, носовым платком. Можно производить массаж чистыми руками по направлению от периферии к туловищу.
При отморожении ограниченных участков тела (нос, уши) их можно согреть руками.
Большое значение при оказании первой доврачебной помощи имеют мероприятия по общему согреванию пострадавшего. Быстрейшая транспортировка пострадавшего в медицинское учреждение также является первой помощью.
Первая доврачебная помощь при переломах, вывихах и растяжении связок
При переломе, как открытом (после остановки кровотечения и наложения стерильной повязки), так и закрытом, необходимо провести иммобилизацию (создать неподвижность) поврежденной конечности. Это значительно уменьшит боль и предотвратит дальнейшее смещение костных обломков.
Рис. 49. Способы иммобилизации конечностей при переломах:
а - шинирование нижней конечности; б - прибинтовывание поврежденной нижней конечности к здоровой при отсутствии шины; в - прибинтовывание верхней конечности
Для иммобилизации можно использовать готовую шину, а также палку, доску, линейку, кусок фанеры и т.п. (рис. 49).
При закрытом переломе не следует снимать с пострадавшего одежду, шину нужно накладывать поверх нее.
Для уменьшения боли на место травмы необходимо положить холод (резиновый пузырь со льдом, снегом или холодной водой, холодные примочки и т.п.).
Если не оказалось подручного материала для шины, то можно прибинтовать поврежденную ногу к здоровой, а руку к туловищу. Шину нужно наложить так, чтобы она захватила суставы ниже и выше места перелома кости.
При открытом переломе необходимо обнажить конечность, остановить наружное кровотечение, обработать края раны и наложить на нее стерильную повязку. Касаться раны, вправлять отломки кости, удалять осколки и инородные тела нельзя!
В холодное время суток нужно утеплить пострадавшего, особенно его конечности. Для обезболивания следует положить под язык размельченные таблетки анальгина.
Перелом любого типа требует доставки пострадавшего в больницу. Этому должна предшествовать транспортная иммобилизация, т.е. обездвижение поврежденного участка тела.
Цели транспортной иммобилизации:
создать покой для поврежденной части тела;
обездвижить обломки кости;
исключить вторичные повреждения суставов, нервов, мягких тканей.
Первая доврачебная помощь при обмороке, тепловом и солнечном ударе, отравлениях
При обмороке происходит кратковременная потеря сознания вследствие недостаточного кровоснабжения мозга. Обморок может возникнуть по разным причинам (волнение, испуг, страх, сильная боль, тепловой или солнечный удар). В предобморочном состоянии (жалобы на головокружение, тошноту, стеснение в груди, недостаток воздуха, потемнение в глазах) пострадавшего следует уложить, опустив голову несколько ниже туловища, так как при обмороке происходит внезапный отлив крови от мозга. Необходимо расстегнуть одежду, стесняющую дыхание, обеспечить приток свежего воздуха, дать выпить холодной воды, периодически давать нюхать нашатырный спирт. Класть на голову холодные примочки и лед не следует. Лицо и грудь можно смочить холодной водой. Так же следует поступать, если обморок уже наступил.
При тепловом и солнечном ударе происходит прилив крови к мозгу, в результате чего пострадавший чувствует внезапную слабость, головную боль, появляется рвота, дыхание становится поверхностным.
Пострадавшего необходимо вывести или вынести из жаркого помещения или с солнцепека и поместить в прохладное помещение, в тень, обеспечив приток свежего воздуха. Пострадавшего следует уложить так, чтобы голова была выше туловища. Затем нужно расстегнуть ему одежду, стесняющую дыхание, положить на голову лед или сделать холодные примочки, смочить грудь холодной водой, периодически давать нюхать нашатырный спирт. Если пострадавший в сознании, то нужно дать ему выпить настойку валерианы (15 ... 20 капель на треть стакана воды).
Если дыхание прекратилось или оно очень слабое, а пульс не прощупывается, то необходимо сразу же начать делать искусственное дыхание и массаж сердца и срочно вызвать врача.
При отравлении газами, в том числе угарным газом, ацетиленом, природным газом, парами бензина, появляются головная боль, стук в висках, звон в ушах, общая слабость, головокружение, усиленное сердцебиение, тошнота и рвота. При сильном отравлении наступают сонливость, апатия, безразличие, а при тяжелом отравлении - возбужденное состояние с беспорядочными движениями, потеря или задержка дыхания, расширение зрачков.
При всех отравлениях пострадавшего следует немедленно вывести или вынести из отравленной зоны, расстегнуть одежду, стесняющую дыхание, обеспечить приток свежего воздуха, уложить его, приподнять ноги, укрыть потеплее, периодически давать нюхать нашатырный спирт.
У пострадавшего в бессознательном состоянии может появиться рвота, поэтому необходимо повернуть его голову на бок.
При остановке дыхания следует сразу же начать делать искусственное дыхание.
Пожарная безопасность и средства тушения пожаров
Пожарная профилактика основывается на исключении условий, необходимых для горения, и использовании принципов обеспечения безопасности. При обеспечении пожарной безопасности решаются четыре задачи:
· предотвращение пожаров и загорании;
· локализация возникших пожаров;
· защита людей и материальных ценностей;
· тушение пожаров.
Предотвращение образования источников зажигания достигается следующими мероприятиями:
соответствующие исполнение, применение и режим эксплуатации машин и механизмов;
устройство молниезащиты зданий и сооружений;
ликвидация условий для самовозгорания;
регламентация допустимой температуры и энергии искрового разряда и др.
Пожарная защита реализуется следующими мероприятиями:
применение негорючих и трудногорючих веществ и материалов;
ограничение количества горючих веществ;
ограничение распространения пожара;
применение средств пожаротушения;
регламентация пределов огнестойкости;
создание условий для эвакуации людей, а также применение противодымной защиты;
применение пожарной сигнализации и др. Процесс горения прекращается, если:
очаг горения изолируется от воздуха;
концентрация кислорода снижается до предельного значения (для большинства веществ - до 12 ... 15 %);
горящие вещества охлаждаются ниже температур самовоспламенения, воспламенения;
осуществляется интенсивное ингибирование (торможение скорости химической реакции в пламени).
Вещества, которые способствуют созданию перечисленных выше условий, называются огнетушащими.
К огнетушащим веществам относятся вода, водные растворы, водяной пар, пена, углекислота, инертные газы, сжатый воздух, порошки, песок, земля и т.д.
Инженерно-технические работники и рабочие должны знать правила ведения огневых работ, а также они должны знать, где располагаются:
· особо пожароопасные участки, места для курения;
· пожарная сигнализация и телефоны пожарной части;
· средства тушения пожара и правила пользования ими;
· места хранения отходов, ветоши и мусора.
Чем быстрее пожарная команда получит извещение о месте пожара и его масштабах, тем больше возможность своевременной ликвидации пожара.
Сигнализации и связь может быть:
· электрической (разбить стекло и нажать на кнопку);
· автоматической (тепловые и фотоэлектрические);
· телефонной (указать место возникновения пожара, сообщить, что горит, а также свою фамилию).
Причины пожаров:
· небрежное хранение воспламеняющихся материалов;
· искрение электрического оборудования и электроустановок, короткое замыкание;
· небрежное обращение с огнем.
При возникновении пожара работники должны:
· вызвать пожарную команду;
· сообщить руководству о пожаре;
· принять меры по спасению людей, имущества и тушению пожара.
Необходимо оценить обстановку, свои возможности и принять правильное решение.
Средства тушения пожаров. К первичным средствам пожаротушения относятся все виды переносных и передвижных огнетушителей, оборудование пожарных кранов, ящики с порошковыми составами (песок, перлит и т.д.), а также огнестойкие ткани (асбестовое полотно, кошма, войлок и т.д.), пожарный щит. Для размещения первичных средств пожаротушения образуют инвентарный пожарный щит. Огнетушители бывают углекислотные, хладоновые, порошковые.
Рис. 50. Ручной углекислотный огнетушитель ОУ-5 (ОУ-8):
1 - баллон; 2 - поворотный раструб; 3 - запорная головка; 4 - сифонная трубка; 5 - крюк; 6 - чека; 7 - ручка; 8 - хомут; 9 - упор
Углекислотные огнетушители (ОУ-2, ОУ-5 и ОУ-10) (рис. 50) предназначены для тушения возгораний различных веществ и материалов, электроустановок, кабелей и проводов, находящихся под напряжением 1000 В.
Для приведения их в действие нужно сорвать пломбу, выдернуть чеку, повернуть рычаг на себя, направить струю заряда на огонь.
Углекислотный огнетушитель нужно держать в рукавицах, чтобы исключить обморожение рук.
Хладоновые огнетушители (рис. 51) предназначены для тушения возгораний горючих жидкостей и тушения электроустановок, находящихся под напряжением до 400 В.
Рис. 51. Хладоновый огнетушитель ОУБ-3А (ОУБ-7А):
1 - пусковой рычаг; 2 - запорная головка; 3 - рукоятка; 4 - крепление; 5 - баллон; 6 - кронштейн; 7 - распыливаюшее устройство; 8 - предохранительный колпак
Запрещается применять хладоновые огнетушители для тушения щелочных металлов.
Порошковые огнетушители (рис. 52) предназначены для тушения возгорания твердых, жидких и газообразных веществ, а также электроустановок, находящихся под напряжением до 1000 В.
Рис. 52. Ручной порошковый огнетушитель ОП-5:
1 - пистолет; 2 - рычаг; 3 - рукав; 4 - пломба; 5 - сифонная труба; 6 - баллончик; 7 - игла; 8 - корпус; 9 - чека
Для приведения их в действие нужно выдернуть клин или чеку, нажать на рычаг, направить струю порошка на огонь.