Lifts. General safety requirements for the construction and installation. Lifts for the transport of goods

ФЕДЕРАЛЬНОЕ АГЕНТСТВО
ПО ТЕХНИЧЕСКОМУ РЕГУЛИРОВАНИЮ И МЕТРОЛОГИИ

НАЦИОНАЛЬНЫЙ
СТАНДАРТ
РОССИЙСКОЙ
ФЕДЕРАЦИИ

ГОСТ Р
56943-
2016

ЛИФТЫ.

ОБЩИЕ ТРЕБОВАНИЯ БЕЗОПАСНОСТИ
К УСТРОЙСТВУ И УСТАНОВКЕ.
ЛИФТЫ ДЛЯ ТРАНСПОРТИРОВАНИЯ ГРУЗОВ

Москва
Стандартинформ
2017

Предисловие

1 РАЗРАБОТАН Некоммерческим партнерством «Российское лифтовое объединение», Публичным акционерным обществом «Карачаровский механический завод»

2 ВНЕСЕН Техническим комитетом по стандартизации ТК 209 «Лифты, эскалаторы, пассажирские конвейеры и подъемные платформы для инвалидов»

3 УТВЕРЖДЕН И ВВЕДЕН В ДЕЙСТВИЕ Приказом Федерального агентства по техническому регулированию и метрологии от 1 июня 2016 г. № 462-ст

4 ВЗАМЕН ГОСТ Р 53780-2010 (ЕН 81-1:1998, ЕН 81-2:1998) в части общих требований безопасности к устройству и установке лифтов для транспортирования грузов без сопровождения людьми

5 ПЕРЕИЗДАНИЕ. Февраль 2017 г.

Правила применения настоящего стандарта установлены в статье 26 Федерального закона от 29 июня 2015 г. № 162-ФЗ «О стандартизации в Российской Федерации». Информация об изменениях к настоящему стандарту публикуется в ежегодном (по состоянию на 1 января текущего года) информационном указателе «Национальные стандарты», а официальный текст изменений и поправок - в ежемесячном информационном указателе «Национальные стандарты». В случае пересмотра (замены) или отмены настоящего стандарта соответствующее уведомление будет опубликовано в ближайшем выпуске ежемесячного информационного указателя «Национальные стандарты». Соответствующая информация, уведомление и тексты размещаются также в информационной системе общего пользования - на официальном сайте Федерального агентства по техническому регулированию и метрологии в сети Интернет (www.gost.ru)

Содержание

1 Область применения. 3

2 Нормативные ссылки. 3

3 Термины и определения. 4

4 Общие положения. 6

5 Требования безопасности и/или защитные меры к электрическим лифтам.. 7

5.1 Общие требования к строительной части лифтов. 7

5.2 Шахта. 8

5.3 Размещение оборудования. 14

5.4 Механическое оборудование лифтов. 18

5.5 Электрическое оборудование лифтов. 31

6 Требования безопасности и/или защитные меры к гидравлическим лифтам.. 48

6.1 Общие требования к строительной части. 48

6.2 Шахта. 48

6.3 Размещение оборудования. 49

6.4 Механическое оборудование лифтов. 50

6.5 Защитные меры, препятствующие свободному падению, опусканию на повышенной скорости и сползанию кабины.. 51

6.6 Ловители. 53

6.7 Упоры.. 54

6.8 Привод гидравлического лифта. 55

6.9 Электрическое оборудование гидравлического лифта. 60

7 Требования безопасности и/или защитные меры к малым грузовым лифтам.. 61

7.1 Общие требования к строительной части лифтов. 61

7.2 Шахта. 61

7.3 Размещение оборудования. 61

7.4 Механическое оборудование лифтов. 62

7.5 Электрическое оборудование лифтов. 63

8 Документация. 65

Приложение А (обязательное) Ключевина устройства отпирания замка. 67

Приложение Б (обязательное) Требования к размерам отверстий в ограждении движущихся частей механизмов в зависимости от расстояния между ограждением и движущимися частями. 67

Приложение В (справочное) Паспорт электрического лифта. 68

Приложение Г (справочное) Паспорт гидравлического лифта. 73

Библиография. 78

Введение

Настоящий стандарт устанавливает общие требования безопасности к конструкции и установке в зданиях и сооружениях лифтов, предназначенных для транспортирования грузов без сопровождения людьми.

Настоящий стандарт разработан на основе ГОСТ Р 53780-2010 (ЕН 81-1:1998, ЕН 81-2:1998) «Лифты. Общие требования безопасности к устройству и установке», в который требования к грузовым лифтам и малым грузовым лифтам были включены дополнительно для учета потребностей национальной экономики Российской Федерации.

Настоящий стандарт конкретизирует требования безопасности к устройству и установке грузовых лифтов, предназначенных для транспортирования грузов без сопровождения людьми.

С этой целью в стандарт не включены или откорректированы положения ГОСТ Р 53780-2010, которые связаны с обеспечением безопасности при транспортировании людей или людей и грузов в кабине лифта.

Стандарт заменяет ГОСТ Р 53780-2010 в части общих требований безопасности к устройству и установке грузовых лифтов, предназначенных для транспортирования грузов без сопровождения людьми.

НАЦИОНАЛЬНЫЙ СТАНДАРТ РОССИЙСКОЙ ФЕДЕРАЦИИ

ЛИФТЫ.
ОБЩИЕ ТРЕБОВАНИЯ БЕЗОПАСНОСТИ К УСТРОЙСТВУ И УСТАНОВКЕ.
ЛИФТЫ ДЛЯ ТРАНСПОРТИРОВАНИЯ ГРУЗОВ

Lifts. General safety requirements for the construction and installation. Lifts for the transportation of goods

Дата введения - 2017-01-01

1 Область применения

1.1 Настоящий стандарт устанавливает общие требования безопасности к конструкции и установке в зданиях, сооружениях электрических лифтов с приводом трения, приводом с барабаном или звездочкой и гидравлических лифтов, предназначенных для транспортирования грузов без сопровождения людьми.

1.2 В тех же случаях, когда лифты предназначены для работы в специальных условиях (взрывоопасной среде, особых климатических условиях, при сейсмическом воздействии, транспортировании опасных грузов и т.д.), в дополнение к требованиям настоящего стандарта должны быть выполнены специальные требования, обеспечивающие безопасность. Требования к условиям работы лифтов определяют при заключении договора на поставку лифта.

1.3 Настоящий стандарт не распространяется на:

- лифты с приводом, отличающимся от указанных в 1.1;

- гидравлические лифты со скоростью более 1,0 м/с;

- тротуарные лифты;

- лифты, устанавливаемые и используемые:

1) в шахтах горной и угольной промышленности,

2) на судах и иных плавучих средствах,

3) на платформах для разведки и бурения на море,

4) на самолетах и летательных аппаратах;

- установку лифтов в существующие здания, где размеры и другие особенности строительной части не позволяют обеспечить выполнение требований настоящего стандарта.

1.4 Настоящий стандарт допускается использовать при оценке соответствия лифтов и устройств безопасности лифтов.

2 Нормативные ссылки

В настоящем стандарте использованы нормативные ссылки на следующие стандарты:

ГОСТ Р 53387 Лифты, эскалаторы, пассажирские конвейеры. Методология анализа риска

ГОСТ Р 53781 Лифты. Правила и методы исследований (испытаний) и измерений при сертификации лифтов. Правила отбора образцов

Примечание - При пользовании настоящим стандартом целесообразно проверить действие ссылочных стандартов в информационной системе общего пользования - на официальном сайте Федерального агентства по техническому регулированию и метрологии в сети Интернет или по ежегодному информационному указателю «Национальные стандарты», который опубликован по состоянию на 1 января текущего года, и по выпускам ежемесячного информационного указателя «Национальные стандарты» за текущий год. Если заменен ссылочный стандарт, на который дана недатированная ссылка, то рекомендуется использовать действующую версию этого стандарта с учетом всех внесенных в данную версию изменений. Если заменен ссылочный стандарт, на который дана датированная ссылка, то рекомендуется использовать версию этого стандарта с указанным выше годом утверждения (принятия). Если после утверждения настоящего стандарта в ссылочный стандарт, на который дана датированная ссылка, внесено изменение, затрагивающее положение, на которое дана ссылка, то это положение рекомендуется применять без учета данного изменения. Если ссылочный стандарт отменен без замены, то положение, в котором дана ссылка на него, рекомендуется принять в части, не затрагивающей эту ссылку.

3 Термины и определения

В настоящем стандарте применены термины по Техническому регламенту Таможенного союза «Безопасность лифтов» (ТР ТС 011/2011) [1], а также следующие термины с соответствующими определениями:

3.1

безопасность продукции и связанных с ней процессов производства, эксплуатации, хранения, перевозки, реализации и утилизации: Состояние, при котором отсутствует недопустимый риск, связанный с причинением вреда жизни или здоровью граждан, имуществу физических или юридических лиц, государственному или муниципальному имуществу, окружающей среде, жизни или здоровью животных и растений.

[Федеральный закон от 27 декабря 2002 г. № 184-ФЗ], [2]

3.2 блокировка кабины: Фиксация и удержание в неподвижном положении кабины с помощью механических средств.

3.3 блочное помещение: Специальное помещение для размещения отводных блоков.

3.4 гидравлический лифт непрямого действия: Гидравлический лифт, у которого плунжер или цилиндр соединен с кабиной или с каркасом кабины с помощью тяговых элементов.

3.5 гидравлический лифт прямого действия: Гидравлический лифт, у которого плунжер или цилиндр непосредственно соединен с кабиной или ее каркасом.

3.6 обратный гидроклапан: Клапан, который пропускает жидкость только в одном направлении.

3.7 номинальная грузоподъемность: Масса груза, на перевозку которого рассчитан лифт.

3.8 давление при полной нагрузке: Статическое давление, возникающее в трубопроводе, непосредственно присоединенном к гидроцилиндру, при неподвижной кабине с номинальным грузом, находящимся на уровне верхней посадочной площадки.

3.9 дроссель: Клапан, в котором вход и выход соединены посредством канала установленного сечения.

3.10 «запорный» клапан: Управляемый вручную двухходовой клапан, который пропускает или перекрывает поток жидкости.

3.11 зона отпирания дверей шахты: Зона шахты, располагающаяся выше и ниже этажной площадки, при нахождении в которой кабина соответствующими своими элементами может отпереть автоматический замок дверей шахты.

3.12 клапан движения вниз: Электрический управляемый клапан в гидравлической схеме для контроля опускания кабины.

3.13 лебедка: Электромеханическое устройство с электродвигателем, предназначенное для создания тяговой силы, обеспечивающей движение кабины лифта.

3.14 барабанная лебедка: Лебедка, у которой тяговая сила создается за счет жесткого крепления тяговых элементов к барабану и их трения с барабаном.

3.15 лебедка со шкивом или барабаном трения: Лебедка, у которой тяговая сила создается за счет трения тяговых элементов со шкивом или барабаном.

3.16 лебедка со звездочкой: Лебедка, у которой тяговая сила создается за счет зацепления звездочки стяговой цепью.

3.17 электрический лифт: Лифт с электроприводом.

3.18 гидравлический лифт: Лифт, в котором подъемная сила создается насосом с электроприводом, передающим гидравлическую жидкость в гидроцилиндр, действующий непосредственно или косвенно на кабину.

3.19 грузовой лифт: Лифт, предназначенный только для подъема и спуска грузов при наружном управлении.

3.20 грузовой малый лифт: Лифт, предназначенный только для подъема и спуска грузов, у которого размеры кабины и дверей шахты предотвращают свободный доступ в нее человека.

3.21 ловители плавного торможения: Ловители, содержащие упругий элемент (пружину и т.п.), деформация которого определяет силу, передаваемую на тормозной элемент (клин, колодку и т.д.).

3.22 ловители резкого торможения: Ловители, не содержащие упругого элемента.

3.23 машинное помещение: Специальное помещение для размещения одного или нескольких приводов лифта и/или связанного с ним оборудования.

3.24 многослойное стекло: Пакет из двух и более слоев стекла, скрепленных посредством пленки.

3.25 монтажный чертеж: Чертеж, согласно которому устанавливают и монтируют оборудование лифта.

3.26 наружное управление: Вид управления, при котором команда управления на пуск лифта в режиме нормальной работы подается только с этажных площадок.

3.27 назначенный срок службы лифта: Календарная продолжительность эксплуатации, при достижении которой эксплуатация лифта должна быть прекращена независимо от его технического состояния.

3.28 недопустимое использование лифта: Использование лифта не по назначению.

3.29 общие требования безопасности: Требования безопасности, выполнение которых обеспечивает устранение или уменьшение до приемлемого уровня рисков при эксплуатации лифта в обычных условиях.

3.30 односторонний дроссель: Клапан, который пропускает жидкость в одном направлении и ограничивает его в другом направлении.

3.31 перепускной (предохранительный) клапан: Клапан, предотвращающий превышение установленного давления в гидравлической системе.

3.32 полезная площадь кабины: Площадь кабины, измеренная на высоте 1 м от уровня пола кабины без учета поручней.

3.33 привод гидравлического лифта: Агрегат, приводящий в движение и останавливающий лифт, содержащий насос, двигатель и управляющие клапаны.

3.34 приямок: Часть шахты лифта, расположенная ниже уровня нижней этажной (погрузочной) площадки.

3.35 разрывной клапан: Клапан, автоматически перекрывающий или ограничивающий поток жидкости при снижении давления, вызванного увеличенным, относительно ранее установленного количества, расходом жидкости.

3.36 режим «ревизия»: Режим управления движением кабины персоналом, находящимся на крыше кабины.

3.37 режим «нормальная работа»: Режим, при котором управление осуществляется пользователем.

3.38 режим «управление из машинного помещения»: Режим управления движением кабины персоналом, находящимся в машинном помещении.

3.39 номинальная скорость: Скорость движения кабины, на которую рассчитан лифт.

3.40 специальные требования безопасности: Требования безопасности, дополняющие общие требования безопасности, выполнение которых обеспечивает устранение или уменьшение до приемлемого уровня рисков при эксплуатации лифта в условиях, отличающихся от обычных условий (пожар, вандализм, сейсмические воздействия и т.д.).

3.41 точность остановки кабины (точность остановки): Расстояние по вертикали между уровнем порога дверей кабины и уровнем порога дверей шахты после автоматической остановки кабины.

3.42 тротуарные лифты: Грузоподъемное устройство, платформа которого выходит из шахты через люк, расположенный в ее верхней части.

3.43 упор: Механическое устройство для фиксации кабины и удержания ее в стационарном положении.

3.44 цепь безопасности: Электрическая цепь, состоящая из последовательно включенных в нее электрических устройств безопасности.

3.45 шахта: Пространство, в котором перемещается кабина, а также противовес и/или уравновешивающий груз (при их наличии).

3.46 электрическая система препятствия сползанию гидравлического лифта: Комбинация электрических устройств, ограничивающая сползание кабины лифта сверх установленного значения.

3.47 электрическое устройство безопасности: Электрическое устройство, предназначенное для предотвращения непреднамеренного пуска лифта или его остановки, обеспечения безопасного пользования и технического обслуживания лифта.

3.48 экстренное торможение: Торможение кабины лифта в режиме нормальной работы при срабатывании электрических устройств безопасности или отключении питания.

4 Общие положения

4.1 Настоящий стандарт устанавливает требования по обеспечению безопасности:

а) пользователей лифтов;

б) лиц, осуществляющих техническое обслуживание, осмотры, экспертизу, инспекционный контроль и оценку соответствия лифтов;

в) лиц, находящихся вне шахты лифта, машинного и блочного помещений (при их наличии) от получения травм в результате соприкосновения с частями оборудования лифта.

4.2 Настоящий стандарт устанавливает требования по предотвращению причинения вреда:

а) грузам в кабине лифта;

б) лифтовому оборудованию;

в) зданию, в котором установлен лифт.

4.3 Требования безопасности настоящего стандарта установлены для следующих исходных условий:

а) техническое обслуживание и, при необходимости, замена или ремонт обеспечивают поддержание лифтового оборудования в безопасном и работоспособном состоянии;

б) применяемое лифтовое оборудование обеспечивает безопасную эксплуатацию лифтов в предусмотренных условиях эксплуатации, включая влияние окружающей среды. Шум и вибрация не рассматриваются в качестве опасных факторов работы лифта;

в) требования настоящего стандарта к электрическим устройствам безопасности таковы, что отказ электрического устройства безопасности, выполненного в соответствии со всеми требованиями настоящего стандарта, считается маловероятным и не учитывается;

г) лифт используют по назначению и в соответствии с руководством по эксплуатации. При использовании лифта по назначению и в соответствии с руководством по эксплуатации пользователи защищены от опасностей, связанных с их непреднамеренно неосторожными действиями. Использование лифта не по назначению и не в соответствии с руководством по эксплуатации считается недопустимым;

д) обеспечение безопасности предусматривается для случаев выхода из строя или отказа следующего лифтового оборудования:

- обрыва подвески, тяговых элементов,

- неконтролируемого проскальзывания тяговых элементов на канатоведущем шкиве,

- обрыва или ослабления любых соединений посредством вспомогательных канатов, цепей и ремней,

- отказа одного из механических компонентов электромеханического тормоза, участвующего в приложении тормозного усилия на тормозной барабан или диск,

- отказа компонента, связанного с элементами главного привода и канатоведущего шкива,

- разрыва в гидравлической системе (исключая гидроцилиндр),

- небольших утечек в гидравлической системе (включая гидроцилиндр);

е) обслуживание лифта в здании организовано таким образом, что обеспечивается безотлагательное прибытие персонала на вызов с лифта;

ж) техническое обслуживание лифта и лифтового оборудования осуществляется квалифицированным и обученным персоналом.

4.4 При заключении договора на поставку лифта заказчик и поставщик устанавливают:

- назначение лифта;

- специальные требования к лифту;

- условия окружающей среды;

- особенности установки лифта в здании;

- другие особенности, характеризующие объект, на котором устанавливают лифт.

4.5 Допускается применять настоящий стандарт на добровольной основе для соблюдения общих требований безопасности, установленных в [1].

4.6 При применении технических решений, отличающихся от регламентируемых или не предусмотренных настоящим стандартом, должен быть выполнен анализ риска этих технических решений в соответствии с ГОСТ Р 53387, дополненный в необходимых случаях расчетами, чертежами и результатами испытаний, подтверждающими безопасность этого технического решения и его соответствие требованиям [1].

4.7 Точность автоматической остановки кабины лифта, при эксплуатационных режимах работы, должна быть в пределах ± 35 мм.

Точность автоматической остановки кабины лифта, загружаемой с применением напольного транспорта, при эксплуатационных режимах работы должна быть в пределах ± 10 мм.

4.8 Величина среднего замедления кабины лифта при экстренном торможении должна быть не более 9,81 м/с2.

5 Требования безопасности и/или защитные меры к электрическим лифтам

5.1 Общие требования к строительной части лифтов*)

___________

*)Требования не относятся к области ответственности специализированных лифтовых организаций.

При проектировании и строительстве здания (сооружения) в соответствии с требованиями изготовителя лифта устанавливают:

- размеры строительной части, необходимые для размещения оборудования лифта;

- прочность строительной части с учетом нагрузок, возникающих при эксплуатации и испытаниях лифта;

- необходимость устройства отопления, кондиционирования и вентиляции помещений, предназначенных для размещения оборудования лифта;

- мероприятия по защите приямка от попадания в него грунтовых и сточных вод.

5.2 Шахта

5.2.1 Шахта лифта должна быть отделена от примыкающих к ней площадок и лестниц, на которых могут находиться люди или оборудование:

а) стенами, полом и перекрытием или

б) расстоянием, достаточным для обеспечения безопасности.

5.2.2 Кабина, противовес лифта и уравновешивающее устройство кабины должны находиться в одной шахте.

5.2.3 Полностью огражденная шахта

Шахта лифта, расположенная в той секции здания, где шахта должна способствовать защите этого здания от распространения огня, должна быть полностью огорожена сплошными стенами, полом и перекрытием. В ограждении шахты лифта допускаются:

а) проемы дверей шахты лифта на этажных площадках;

б) проемы дверей для обслуживания оборудования и аварийных дверей, а также отверстия для смотровых люков;

в) выпускные отверстия для удаления газов и дыма в случае пожара;

г) необходимые для работы лифта отверстия между шахтой лифта и оборудованием, расположенным вне шахты лифта;

д) отверстия в перегородке между лифтами в шахте.

5.2.4 Частично огражденная шахта и шахта, имеющая частично несплошное (сетчатое и т.д.) ограждение

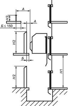
Если шахта лифта не должна способствовать защите здания от распространения огня, то эта шахта может быть огорожена неполностью. Высота сплошного ограждения (см. рисунок 1) в местах, доступных для людей (этажные площадки, ступени лестниц, примыкающие к шахте балконы и т.д.), должна быть:

- H1 не менее 3500 мм со стороны двери шахты лифта на этажной площадке или до потолочного перекрытия;

- H2 не менее 2500 мм с других сторон, если расстояние до движущихся частей лифта А не превышает 500 мм.

Если расстояние до движущихся частей лифта А превышает 500 мм, то H можно последовательно уменьшать до высоты не менее 1100 мм на расстоянии 2000 мм (см. рисунок 2).

Расстояние Б между ограждением и краем межэтажных перекрытий, ступеней и площадок должно быть не более 150 мм.

А - расстояние до движущихся элементов лифта; Б -  рас-
стояние между ограждением и краем межэтажных пере-
крытий, ступеней и площадок;
H1 - высота ограждения
со стороны этажной площадки;
H2 - высота ограждения с
остальных сторон

А - расстояние от движущихся элементов лифта;
H - высота ограждения

Рисунок 1 - Расстояние до движущихся элементов
лифта

Рисунок 2 - Высота ограждения шахты в зависимости
от расстояния от движущихся элементов лифта

5.2.5 Ограждение шахты

5.2.5.1 Сплошное ограждение шахты лифта должно выдерживать нагрузку, равную 300 Н, равномерно распределенную по круглой или квадратной площадке площадью 5 см2 и приложенную под прямым углом в любой ее точке с упругой деформацией, не превышающей 15 мм, при этом остаточная деформация не допускается.

5.2.5.2 Стеклянные панели, применяемые для ограждения шахты в доступных для людей местах, должны быть выполнены из многослойного стекла и иметь высоту в соответствии с требованиями 5.2.4.

5.2.5.3 Пол приямка под каждой из направляющих лифта, за исключением случая подвесных направляющих, должен быть рассчитан на нагрузку, создаваемую массой направляющих в сумме с усилием, возникающим при срабатывании ловителей.

5.2.5.4 Пол приямка под опорами буфера кабины должен быть рассчитан на статическую нагрузку, равномерно распределенную на все буфера, вычисляемую по формуле:

, Н,

 

где  - масса кабины и конструктивных элементов, которые подвешиваются к кабине (часть подвесного кабеля, уравновешивающих канатов и цепей и т.д.), кг;

 - номинальная грузоподъемность (масса), кг;

 - ускорение свободного падения, равное 9,81 м/с2.

5.2.5.5 Пол приямка под опорами буфера противовеса или в зоне под перемещающимся уравновешивающим грузом должен быть рассчитан на статическую нагрузку, распределенную на все буфера, вычисляемую по формулам:

для противовеса: , Н,

для уравновешивающего устройства кабины: , Н,

где  - коэффициент уравновешивания номинальной грузоподъемности противовесом или коэффициент уравновешивания массы кабины уравновешивающим устройством кабины.

5.2.5.6 При наличии под приямком лифта пространства (помещения), доступного для людей, основание приямка должно быть рассчитано на восприятие нагрузки не менее 5000 Н/м2 и:

а) противовес или уравновешивающее устройство кабины должны быть оборудованы ловителями или

б) под буфером противовеса или под зоной движения уравновешивающего устройства должна быть установлена опора, которая доходит до монолитного основания и способна выдержать удар противовеса или уравновешивающего устройства, падающего с наибольшей возможной высоты.

5.2.5.7 Места крепления подвесных направляющих должны быть рассчитаны на нагрузку, создаваемую массой направляющих в сумме с усилием, возникающим при срабатывании ловителей.

5.2.6 Внутренняя поверхность шахты лифта ниже порога двери шахты на этажной площадке:

а) должна образовывать вертикальную, непосредственно соединенную с порогом двери шахты лифта сплошную гладкую поверхность, высота которой должна составлять не менее половины высоты зоны отпирания дверей плюс 50 мм, а ширина - не менее ширины в свету входного проема кабины плюс по 25 мм с каждой стороны;

б) не должна иметь выступов более 5 мм. Выступы, превышающие 2 мм, должны иметь скос под углом не менее 75° к горизонтали;

в) должна соединяться с перемычкой над проемом следующей двери или продолжаться вниз жестким гладким скосом под углом не менее 60° к горизонтальной плоскости, длина проекции этого скоса на горизонтальную плоскость должна быть не менее 20 мм.

5.2.7 В шахте может находиться несколько лифтов. В этом случае между движущимися частями различных лифтов должны быть установлены перегородки:

а) перегородка должна начинаться от пола приямка и заканчиваться не ниже чем 2500 мм над уровнем пола нижней этажной площадки.

Ширина перегородки должна препятствовать доступу из одного приямка в другой;

б) перегородку следует устанавливать на всю высоту шахты, если расстояние от края крыши кабины одного лифта до подвижных частей кабины, противовеса или уравновешивающего устройства смежного лифта менее 500 мм.

Ширина перегородки, установленной на всю высоту шахты, должна быть не менее ширины подвижной части или тех ее элементов, которые должны быть ограждены, плюс 100 мм с каждой стороны;

в) при наличии в перегородках отверстий следует выполнять требования приложения Б.

5.2.8 Высота шахты лифта

5.2.8.1 Высота шахты лифта, оборудованного лебедкой с канатоведущим шкивом или барабаном трения, должна быть такой, чтобы при противовесе, находящемся на полностью сжатых буферах, обеспечивались:

а) возможность перемещения кабины по направляющим на расстояние не менее (0,1 + 0,035 v2) м;

б) расстояние между нижней частью перекрытия шахты и частями направляющих башмаков или роликов, крепления канатов, перемычки или частей вертикально-раздвижных дверей - не менее (0,1 +0,035 v2) м.

Для обеспечения безопасности обслуживающего персонала, находящегося на крыше кабины, следует выполнять как минимум одно из следующих требований:

1) высота шахты должна быть такой, чтобы при противовесе, находящемся на полностью сжатых буферах:

- расстояние между уровнем предназначенной для размещения обслуживающего персонала площадки на крыше кабины и расположенной в проекции кабины нижней частью перекрытия шахты (включая балки и размещенные под перекрытием конструктивные элементы) - не менее (1,0 + 0,035 v2) м,

- над кабиной оставалось свободное пространство, достаточное для размещения параллелепипеда размером не менее 500×600×800 мм, лежащего на одной из своих граней. У лифтов с прямой подвеской тяговые канаты и их крепления могут находиться в этом пространстве при условии расположения канатов на расстоянии, не превышающем 150 мм от одной из вертикальных поверхностей параллелепипеда;

2) наличие механического устройства, обеспечивающего остановку кабины в верхней части шахты. После остановки кабины расстояние между уровнем предназначенной для размещения обслуживающего персонала площадки на крыше кабины и расположенной в проекции кабины нижней частью перекрытия шахты (включая балки и размещенные под перекрытием конструктивные элементы) должно быть не менее 1600 мм. Приведение в действие устройства следует контролировать электрическим устройством безопасности по 5.5.4.34.

5.2.8.2 При находящейся на полностью сжатых буферах кабине лифта, оборудованного лебедкой с канатоведущим шкивом или барабаном трения, должна обеспечиваться возможность перемещения противовеса по направляющим на расстояние не менее (0,1 + 0,035 v2) м.

Для лифтов, оснащенных уравновешивающими канатами с натяжным блоком, который оборудован устройством против подскока (тормозящим или запорным устройством), значение 0,035 v2 при расчете зазоров допускается заменить на значение возможного перемещения блока (в зависимости от применяемой запасовки) плюс 1/500 высоты подъема кабины, но не менее 200 мм, учитывая упругость канатов.

5.2.8.3 Высота направляющих лифта, оборудованного лебедкой с барабаном или звездочкой, должна обеспечивать возможность перемещения кабины от уровня верхнего этажа до верхнего буфера на расстояние не менее 500 мм.

5.2.8.4 При нахождении кабины лифта, оборудованного лебедкой с барабаном или звездочкой, на полностью сжатых верхних буферах должны обеспечиваться зазоры между нижней частью перекрытия шахты и установленными на крыше кабины деталями оборудования не менее 300 мм, между частями направляющих башмаков или роликов, креплений канатов, перемычки или частей вертикально-раздвижных дверей - не менее 100 мм.

Для обеспечения безопасности обслуживающего персонала, находящегося на крыше лифта, следует выполнять как минимум одно из следующих требований:

а) высота шахты должна быть такой, чтобы при кабине, находящейся на полностью сжатых верхних буферах, обеспечивались:

- зазор между уровнем предназначенной для размещения обслуживающего персонала площадки на крыше кабины и расположенной в проекции кабины нижней частью перекрытия шахты (включая балки и размещенные под перекрытием конструктивные элементы) - не менее (1,0 + 0,035 v2) м,

- над кабиной оставалось свободное пространство, достаточное для размещения параллелепипеда размером не менее 500×600×800 мм, лежащего на одной из своих граней. У лифтов с прямой подвеской тяговые канаты и их крепления могут находиться в этом пространстве при условии расположения канатов на расстоянии, не превышающем 150 мм от одной из вертикальных поверхностей параллелепипеда;

б) наличие механического устройства, обеспечивающего остановку кабины в верхней части шахты. После остановки кабины расстояние между уровнем предназначенной для размещения обслуживающего персонала площадки на крыше кабины и расположенной в проекции кабины нижней частью перекрытия шахты (включая балки и размещенные под перекрытием конструктивные элементы) должно быть не менее 1600 мм. Приведение в действие устройства следует контролировать электрическим устройством безопасности по 5.5.4.28.

5.2.8.5 При нахождении кабины лифта, оборудованного лебедкой с барабаном или звездочкой, на полностью сжатых буферах высота направляющих уравновешивающего устройства кабины должна обеспечивать возможность его дальнейшего перемещения не менее чем на 300 мм.

5.2.8.6 Под верхним перекрытием шахты допускается установка направляющих блоков, ограничителя скорости, элементов подвески канатов и т.д. при условии обеспечения возможности их технического обслуживания и выполнения требований 5.2.8.1 - 5.2.8.2.

5.2.9 Приямок

5.2.9.1 В нижней части шахты лифта должен быть предусмотрен приямок.

Приямок должен быть защищен строительными мероприятиями от попадания в него грунтовых и сточных вод.

5.2.9.2 Должен быть обеспечен безопасный доступ обслуживающего персонала в приямок. Приямок глубиной более 2500 мм оборудуется дверью, соответствующей требованиям 5.4.1.3.

5.2.9.3 Приямок глубиной более 900 мм от порога дверного проема для входа в приямок оборудуют стационарным устройством (лестницей, скобами и т.д.), расположенным в пределах досягаемости из дверного проема.

5.2.9.4 Для обеспечения безопасности обслуживающего персонала, находящегося в приямке лифта, следует выполнять как минимум одно из следующих требований:

а) при нахождении кабины на полностью сжатых буферах:

- зазор от пола приямка до нижних частей кабины - не менее 500 мм,

- свободное пространство в приямке, достаточное для размещения прямоугольного параллелепипеда размером не менее 500×600×1000 мм, лежащего на одной из своих граней, для всех лифтов, кроме малого грузового;

б) наличие механического устройства, обеспечивающего остановку кабины в нижней части шахты. При этом после остановки кабины расстояние между выступающими элементами кабины и полом приямка должно быть не менее 2000 мм. Приведение в действие устройства следует контролировать электрическим устройством безопасности по 5.5.4.34.

5.2.9.5 При нахождении кабины на полностью сжатых буферах зазор между полом приямка и башмаками, щитами под порогами кабины, элементами вертикально-раздвижных дверей кабины, деталями ловителей и каркаса кабины, расположенными в пределах 200 мм от направляющих, должен быть не менее 50 мм.

5.2.9.6 В шахте лифта должно быть установлено электрическое устройство безопасности, соответствующее требованиям 5.5.4.30.

Расположение электрического устройства безопасности должно обеспечивать его доступность при открытии двери для входа в приямок и с пола приямка. В зависимости от глубины приямка следует устанавливать одно или два устройства:

а) если расстояние от пола приямка до порога двери для входа в него не более 1550 мм, то приямок должен быть оборудован одним электрическим устройством безопасности:

- расстояние от пола приямка до управляющего элемента электрического устройства безопасности должно быть не более 2000 мм,

- расстояние над уровнем порога двери для входа в приямок до управляющего элемента электрического устройства безопасности должно быть не менее 450 мм,

- горизонтальное расстояние от крайних точек порога в зоне проема двери до управляющего элемента электрического устройства безопасности должно быть не более 750 мм;

б) если расстояние от пола приямка до порога двери для входа в него более 1550 мм, то приямок должен быть оборудован двумя электрическими устройствами безопасности:

- расстояние над уровнем порога двери для входа в приямок до управляющего элемента верхнего электрического устройства безопасности должно быть не менее 1000 мм,

- горизонтальное расстояние от крайних точек порога в зоне проема двери до управляющего элемента верхнего электрического устройства безопасности должно быть не более 750 мм,

- расстояние от пола приямка до управляющего элемента нижнего электрического устройства безопасности должно быть не более 1200 мм.

5.2.10 В шахте лифта не допускается устанавливать оборудование и прокладывать коммуникации, не относящиеся к лифту, за исключением систем пожарной и охранной сигнализации, диспетчерского контроля и систем, предназначенных для отопления и вентиляции шахты. При этом любые устройства управления и регулировки отопительной аппаратуры должны размещаться вне шахты лифта. Не допускается использовать лифтовые коммуникации для других целей.

5.2.11 Освещение шахты лифта должно отвечать требованиям 5.5.6.6. Включение освещения шахты осуществляют из шахты и(или) машинного помещения. Установленный в шахте выключатель освещения должен быть доступен при открывании двери шахты, горизонтальное расстояние от крайних точек порога в зоне проема двери до управляющего элемента выключателя должно быть не более 750 мм.

5.2.12 В приямке лифта должна быть предусмотрена электрическая розетка, отвечающая требованиям 5.5.6.5.

5.2.13 Расстояние между кабиной, противовесом или уравновешивающим устройством и элементами шахты

Расстояния между элементами кабины и шахты, указанные на рисунке 3, должны обеспечиваться на всем протяжении срока службы лифта.

Рисунок 3 - Расстояние между элементами кабины и шахты

5.2.13.1 Горизонтальное расстояние между внутренней поверхностью шахты лифта и порогом кабины, обрамлением дверного проема шахты и ближней створкой раздвижных дверей кабины должно быть не более 150 мм.

а) Допускается увеличение этого расстояния до:

- 200 мм на участке шахты, высота которого не превышает 500 мм;

- 200 мм по всей высоте подъема грузового лифта, оборудованного вертикально-раздвижными дверями.

б) Для кабин, у которых исключена возможность открытия изнутри дверей кабины вне зоны отпирания дверей шахты, указанное расстояние не ограничивается. Движение кабины должно осуществляться только при запертой двери кабины, за исключением случаев, предусмотренных в 5.4.1.13.1.

5.2.13.2 Горизонтальное расстояние между порогом кабины и дверями шахты лифта должно быть не более 50 мм.

5.2.13.3 Горизонтальное расстояние между створками двери кабины и створками двери шахты лифта должно быть не более 120 мм.

5.2.13.4 При сочетании распашной двери шахты и складчатой двери кабины в закрытом состоянии в любой из зазоров между этими дверями не должен проходить шар (цилиндр) диаметром 150 мм (см. рисунок 4).

Рисунок 4

5.2.13.5 Горизонтальное расстояние между элементами кабины, противовеса или уравновешивающего устройства кабины должно быть не менее 50 мм.

5.3 Размещение оборудования

5.3.1 Оборудование лифта - лебедка, а также связанные с ней механические и электрические устройства и блоки должны быть недоступны непосредственно для пользователей и посторонних лиц. Оборудование лифта может размещаться в специальном помещении, защищенном от воздействия внешних факторов.

5.3.2 Доступ к помещениям

5.3.2.1 Освещение площадки перед входом в помещение, в котором размещено оборудование лифта, должно соответствовать требованиям 5.5.6.8.

5.3.2.2 Перед дверью, закрывающей проем для доступа в помещение для размещения оборудования, должна быть устроена горизонтальная площадка.

Между линией открывания двери и краем площадки должно оставаться расстояние не менее 500 мм. Размеры площадки должны позволять распашной двери полностью открываться.

При разнице в уровнях между площадкой и подходом к площадке более 500 мм площадка должна быть оснащена перилами высотой не менее 900 мм.

При разнице в уровнях между площадкой и подходом к площадке более 350 мм следует применять стационарные лестницы, удовлетворяющие следующим условиям:

а) лестницу высотой более 1500 мм следует устанавливать под углом не более 60° к горизонтали;

б) ширина марша лестницы в свету должна быть не менее 350 мм, ширина ступенек - не менее 25 мм. В случае устройства вертикальной лестницы расстояние между ступенями и стеной, расположенной за лестницей, - не менее 150 мм. Ступени должны быть рассчитаны на нагрузку 1500 Н;

в) лестницу высотой более 500 мм следует оснащать перилами высотой не менее 900 мм или поручнем;

г) высота лестницы должна быть не более 4000 мм.

5.3.2.3 В помещениях с размещенным оборудованием лифта установка оборудования и прокладывание коммуникаций, не относящихся к лифту, не допускаются.

Допускается размещение в этих помещениях следующего оборудования:

а) механизмов и приспособлений для обслуживания лифтов;

б) оборудования для вентиляции, кондиционирования или обогрева воздуха, за исключением парового отопления, этих помещений и шахты лифта;

в) охранной и пожарной сигнализаций;

г) оборудования пожаротушения.

5.3.2.4 В помещениях могут быть установлены устройства для подвески грузоподъемных средств.

Место установки и грузоподъемность этих устройств определяет изготовитель лифта. На этом устройстве или рядом с ним должна быть указана его грузоподъемность или допустимая нагрузка.

Допускается применение иных грузоподъемных средств, обеспечивающих безопасность проведения ремонтных работ.

5.3.3 Машинное и блочное помещения

5.3.3.1 Машинное и блочное помещения должны иметь сплошное ограждение со всех сторон и на всю высоту, перекрытие и пол.

В ограждении машинного и блочного помещений допускаются:

а) проемы дверей и люков для доступа персонала;

б) оконные проемы;

в) вентиляционные отверстия;

г) отверстия, необходимые для работы лифта.

5.3.3.2 Ограждение машинного и блочного помещений должно отвечать требованиям 5.2.5.1. Пол машинного и блочного помещений должен иметь нескользкое и не образующее пыли покрытие.

5.3.3.3 Двери для доступа в машинное и блочное помещения вместе с замками должны выдерживать в запертом положении нагрузку 300 Н, равномерно распределенную по круглой или квадратной площадке площадью 5 см2 и приложенную к дверной панели под прямым углом в любой ее точке и с любой стороны супругой деформацией, не превышающей 15 мм, при этом остаточная деформация не допускается.

5.3.3.4 Дверь для доступа в машинное помещение должна быть сплошной и не должна открываться вовнутрь. Дверной проем должен иметь размеры в свету:

- ширина - не менее 800 мм;

- высота - не менее 1800 мм.

Вход в машинное помещение через люк не допускается.

5.3.3.5 Дверь для доступа в блочное помещение должна быть сплошной и не должна открываться вовнутрь.

Дверной проем должен иметь размеры в свету:

- ширина - не менее 600 мм;

- высота - не менее 1400 мм.

Допускается вход в блочное помещение из машинного помещения через люк.

5.3.3.6 Люк для доступа людей в блочное помещение должен иметь размер в свету не менее 800×800 мм. Крышка люка должна быть сплошной. Усилие открывания крышки люка - не более 150 Н.

В закрытом положении крышка люка должна выдерживать без остаточной деформации нагрузку 2000 Н, приложенную на площади 200×400 мм в любом месте крышки люка.

Крышка люка не должна открываться вниз, за исключением случая, когда она связана с выдвижной лестницей.

5.3.3.7 Сплошная крышка люка для подачи материалов и оборудования в машинное или блочное помещение не должна открываться вниз. Усилие, требуемое для открывания крышки люка, не должно превышать 150 Н.

Прочность крышки люка должна отвечать требованиям 5.3.3.6.

5.3.3.8 Двери и крышки люков для доступа в машинное и блочное помещения должны быть оборудованы замками, отпираемыми снаружи ключом, а изнутри помещения - без ключа.

Крышку люка для доступа в блочное помещение из машинного помещения допускается не оборудовать замком.

Крышки люков, используемых только для подачи материалов, допускается запирать только изнутри.

5.3.3.9 Размеры машинного и блочного помещений:

а) высота в свету зон обслуживания оборудования в машинном помещении должна быть не менее 2000 мм, высота в свету прохода к зонам обслуживания должна быть не менее 1800 мм. Высоту в свету измеряют от пола прохода или зоны обслуживания до элементов перекрытия.

Над вращающимися частями лебедки должно быть свободное пространство высотой не менее 300 мм.

При нахождении лебедки в машинном помещении в шахте лифта допускается расположение канатоведущего шкива при условии возможности его проверок, испытаний и обслуживания из машинного помещения;

б) высота в свету блочного помещения, измеренная от пола до элементов перекрытия, должна быть не менее 1500 мм.

Над блоками должно быть свободное пространство высотой не менее 300 мм;

в) перед расположенными в машинном помещении устройствами управления должна быть предусмотрена зона обслуживания (свободная площадка) с размерами:

- глубина, измеренная от наружной поверхности шкафов или панелей, не менее 750 мм,

- ширина равна полной ширине шкафа или панели, но не менее 500 мм;

г) в машинном помещении для обслуживания подвижных частей механического оборудования и ручного перемещения кабины должна быть предусмотрена, по крайней мере с одной из сторон, зона обслуживания (свободная площадка) размером не менее 500×600 мм;

д) ширина проходов к зонам обслуживания по 5.3.3.9, перечисления в), г), должна быть не менее 500 мм. При отсутствии движущихся частей это расстояние допускается уменьшить до 400 мм;

е) при размещении в блочном помещении устройств управления эти помещения должны соответствовать требованиям 5.3.3.9, перечисления а), в), д).

5.3.3.10 В машинном или блочном помещении, пол которого имеет несколько уровней, для перехода с одного уровня на другой должны быть устроены стационарная лестница (ступени) под углом к горизонтали не более 60° или пандус с углом наклона не более 20° при разнице уровней более 350 мм.

При разнице уровней пола машинного или блочного помещения более 500 мм лестница (ступени), пандус, предназначенные для перехода на верхнюю площадку, должны быть оборудованы перилами высотой не менее 900 мм. Верхняя площадка оборудуется такими перилами в зоне перепада уровней.

5.3.3.11 Вокруг отверстий над шахтой лифта должны быть устроены бортики, выступающие не менее чем на 50 мм над уровнем плиты перекрытия или пола. Минимальное расстояние от края отверстия до проходящих через него подвижных элементов должно быть не менее 10 мм.

5.3.3.12 Освещение машинного помещения должно соответствовать требованиям 5.5.6.9. Выключатель освещения устанавливают в машинном помещении на расстоянии не более 750 мм от входа в машинное помещение и на высоте не более 1600 мм от уровня пола.

В машинном помещении должна быть установлена розетка питания согласно 5.5.6.5.

5.3.3.13 Освещение блочного помещения должно соответствовать требованиям 5.5.6.10. Выключатель освещения блочного помещения устанавливают в блочном помещении на расстоянии не более 750 мм от входа и на высоте не более 1600 мм от уровня пола.

В блочном помещении должна быть установлена одна розетка питания согласно 5.5.6.5. При нахождении в блочном помещении устройств управления следует выполнять требования 5.3.3.12.

5.3.3.14 В блочном помещении рядом с входом (входами) на расстоянии не более 750 мм от входа и на высоте не более 1600 мм от уровня пола должно находиться электрическое устройство безопасности, отвечающее требованиям 5.5.4.3.1.

5.3.3.15 Использование машинного или блочного помещения для прохода через них на крышу или другие помещения здания (сооружения), не относящиеся к лифту, не допускается.

5.3.4 Размещение оборудования лифтов без машинного помещения

5.3.4.1 Элементы шахты, на которых размещено оборудование, должны быть рассчитаны на нагрузки, возникающие в процессе эксплуатации и испытаний лифта.

5.3.4.2 Высота в свету зон обслуживания оборудования в шахте должна быть не менее 2000 мм, высота в свету прохода к зонам обслуживания оборудования должна быть не менее 1800 мм.

Высоту в свету измеряют от выступающих конструкций в шахте до пола прохода или пола зоны обслуживания.

Над вращающимися частями привода должно быть свободное пространство высотой не менее 300 мм. Это требование не распространяется на привод, расположенный под перекрытием шахты.

5.3.4.3 Для обслуживания устройств управления, расположенных в шахте, перед ними должна быть предусмотрена зона обслуживания (свободная площадка) с размерами:

а) глубина от наружной поверхности шкафов или панелей не менее 750 мм;

б) ширина равна полной ширине шкафа или панели, но не менее 500 мм.

5.3.4.4 Для обслуживания подвижных частей механического оборудования, расположенного в шахте, должна быть предусмотрена зона обслуживания (свободная площадка) размером не менее 500×600 мм.

5.3.4.5 Управление устройствами для проведения динамических испытаний в соответствии с требованиями 5.3.4.7 следует осуществлять снаружи шахты. Эти устройства должны быть защищены от несанкционированного доступа.

5.3.4.6 Обслуживание и проверки оборудования (лебедки, связанные с ней механические и электрические устройства и блоки), размещенного в шахте, допускается проводить с крыши неподвижной кабины. При этом если, как результат технического обслуживания или проверки, возможно опасное для людей неконтролируемое передвижение кабины, то:

а) при проведении работ любое опасное передвижение кабины следует блокировать механическим устройством. Допускается с этой целью блокировать кабину с помощью ловителей;

б) приведение в действие устройства для блокировки кабины следует контролировать электрическим устройством безопасности по 5.5.4.33;

в) должна быть предусмотрена возможность обслуживающему персоналу самостоятельно покинуть зону обслуживания при заблокированной кабине.

5.3.4.7 Работы в приямке по техническому обслуживанию и проверке оборудования (лебедки, связанные с ней механические и электрические устройства и блоки), требующие передвижения кабины или которые могут привести к неконтролируемому передвижению кабины, допускается выполнять при соблюдении следующих условий:

а) должно быть предусмотрено устройство для остановки кабины. После остановки кабины расстояние между выступающими элементами кабины и полом приямка должно быть не менее 2000 мм;

б) приведение в действие устройства для остановки кабины контролируют электрическим устройством безопасности по 5.5.4.33.

5.3.4.8 При невозможности обслуживания оборудования по 5.3.4.6 и 5.3.4.7 следует применять стационарную площадку в шахте лифта.

Площадка должна выдерживать без остаточной деформации нагрузку 2000 Н на площади 200×400 мм в любом месте.

Площадка должна иметь перила, отвечающие требованиям 5.4.4.3.3.1.

Положение площадки в исходном (нерабочем) состоянии следует контролировать электрическим устройством безопасности по 5.5.4.32.

Площадка должна быть оборудована устройством для перевода ее в рабочее положение. Приведение в действие этого устройства следует осуществлять снаружи шахты.

5.3.4.9 Освещение зон размещения оборудования должно соответствовать требованию 5.5.6.11.

Внутри шахты в зоне обслуживания устанавливают выключатель освещения и розетку питания по 5.5.6.5.

5.3.4.10 Оборудование лифта (лебедка, связанные с ней механические и электрические устройства и блоки), расположенное снаружи шахты, должно быть размещено в шкафу, оборудованном дверью (дверями). Дверь не должна открываться внутрь шкафа и должна иметь отпираемый ключом замок. Запирание двери допускается выполнять без ключа.

Для обслуживания оборудования перед шкафом должна быть предусмотрена зона обслуживания, соответствующая требованиям 5.3.4.3 и 5.3.4.4.

Освещение шкафа должно соответствовать требованиям 5.5.6.12, выключатель освещения должен быть установлен внутри шкафа.

5.3.4.11 Устройства управления по 5.3.4.5 должны обеспечивать:

а) режим «управление из машинного помещения» по 5.5.3.12;

б) информацию о достижении зоны отпирания дверей;

в) возможность наблюдения за работой привода или информацию о направлении движения кабины.

Освещение устройств управления должно соответствовать требованиям 5.5.6.13.

Перед устройствами управления должна быть свободная площадка размером не менее 500×600 мм и высотой в свету не менее 2000 мм.

5.4 Механическое оборудование лифтов

5.4.1 Дверь шахты

5.4.1.1 Проемы в стенах шахты лифта должны быть оборудованы сплошными дверями.

5.4.1.2 Двери шахты лифта должны отвечать требованиям норм, относящимся к пожарной безопасности соответствующего здания или сооружения.

5.4.1.3 Двери шахты лифта вместе с замками должны выдерживать в запертом положении нагрузку 300 Н, равномерно распределенную по круглой или квадратной площадке площадью 5 см2 и приложенную к дверной панели под прямым углом в любой ее точке с упругой деформацией, не превышающей 15 мм, при этом остаточная деформация и изменение функционирования после снятия нагрузки не допускаются.

5.4.1.4 Высота в свету проема двери шахты на этажной площадке должна быть не менее 2000 мм.

5.4.1.5 Ширина в свету проема дверей шахты лифта не должна превышать ширину в свету проема дверей кабины более чем на 50 мм с каждой стороны.

5.4.1.6 Проем двери шахты должен быть оборудован порогом, рассчитанным на нагрузки, возникающие при загрузке кабины.

5.4.1.7 Наружная поверхность автоматических раздвижных дверей не должна иметь впадин или выступов более 3 мм, за исключением треугольной замочной скважины (см. приложение А). Кромки впадин должны быть скошены в направлении открывания дверей или закруглены.

5.4.1.8 Двери с механическим приводом

5.4.1.8.1 Автоматические двери с механическим приводом

Усилие, необходимое для предотвращения закрывания двери, не должно превышать 150 Н, за исключением первой трети перемещения двери. Кинетическая энергия двери шахты и механических деталей, с которыми эта дверь жестко связана, при средней скорости закрывания должна быть не более 10 Дж.

Среднюю скорость закрывания раздвижной двери вычисляют для всего пути ее перемещения за вычетом:

а) 25 мм от крайних положений створок в случае дверей центрального открывания;

б) 50 мм от крайних положений створки в случае дверей бокового открывания.

Для реверсирования закрывающихся дверей при воздействии или перед воздействием створок на препятствие, находящееся в дверном проеме, предусматривают автоматическое устройство реверсирования.

Устройство реверсирования устанавливают на кабине. Допускается устанавливать это устройство на двери шахты. Последние 50 мм перемещения каждой ведущей створки двери могут находиться вне воздействия этого устройства.

В случае одновременного действия соединенных между собой дверей кабины и шахты требования настоящего пункта остаются в силе для их объединенного дверного механизма.

При наличии режима закрывания дверей с отключенным реверсом кинетическая энергия дверей должна быть не более 4 Дж.

Усилие, необходимое для предотвращения открывания складчатой двери, не должно превышать 150 Н. Измерение этого усилия следует проводить на открытой двери, при этом расстояние между соседними наружными краями панелей или между наружным краем панели и порталом двери должно быть (100 ± 10) мм.

5.4.1.8.2 Вертикально-раздвижные двери

Вертикально-раздвижные двери могут быть применены у грузового лифта.

При этом:

а) створки должны быть подвешены не менее чем на двух независимых несущих элементах;

б) коэффициент запаса прочности несущих элементов должен быть не менее 8;

в) створки двери, закрываемой (открываемой) вручную, должны быть уравновешены;

г) несущие элементы должны быть защищены от схода с канавок шкивов или звездочек.

5.4.1.8.3 Усилие закрытия автоматической распашной двери шахты должно быть не более 150 Н. Измерение этого усилия следует проводить на расстоянии (50 ± 10) мм от вертикального края створок со стороны линии притвора.

5.4.1.9 Для открывающейся вручную двери шахты должна быть предусмотрена информация о наличии кабины на этаже:

а) одно или несколько прозрачных смотровых окон в дверях шахты, одновременно удовлетворяющих следующим условиям:

1) механическая прочность - в соответствии с требованием 5.4.1.3,

2) толщина прозрачной части - не менее 6,0 мм,

3) остекленная площадь одной двери шахты - не менее 0,015 м2, но не менее 0,01 м2 на каждую смотровую панель,

4) ширина прозрачной части окна - не менее 60 мм и не более 150 мм. Нижний край смотровых окон шириной более 80 мм должен находиться на высоте не менее 1000 мм над уровнем этажной площадки или

б) световой сигнал - о наличии кабины на данном этаже.

5.4.1.10 Зазоры между сомкнутыми створками, а также между створками и обвязкой проема, между створками и порогом не должны превышать 8 мм. При приложении в любой точке нагрузки, равной 150 Н, в направлении открывания ведущей дверной панели (панелей) горизонтально-раздвижных или складчатых дверей указанные зазоры не должны превышать:

а) 30 мм - для дверей бокового открывания;

б) 45 мм - для дверей центрального открывания.

5.4.1.11 Горизонтально-раздвижная и вертикально-раздвижная двери шахты в закрытом положении должны удовлетворять следующим требованиям:

а) створки должны перекрывать обвязку дверного проема сверху и с боковых сторон у горизонтально-раздвижной двери и со всех сторон - у вертикально-раздвижной двери; при односторонне-раздвижной двери со стороны притвора створки допускается не перекрывать створкой обвязку дверного проема;

б) у горизонтально-раздвижной двери при односторонне закрывающихся створках перекрытие одной створки другой, а зазор между этими створками не должен быть более 8 мм.

5.4.1.12 Дверь шахты на этажной площадке должна быть оборудована автоматическим замком, запирающим ее прежде чем кабина отойдет от уровня этажной площадки на расстояние 200 мм.

Автоматический замок должен исключать отпирание двери снаружи шахты, за исключением случая, предусмотренного в 5.4.1.13.6.

5.4.1.12.1 У лифта с автоматическими дверями шахты и кабины допускается их открывание при приближении кабины к этажной площадке, когда расстояние от уровня пола кабины до уровня пола этажной площадки не превышает 200 мм, при этом скорость движения кабины должна быть не более 0,63 м/с.

5.4.1.12.2 У грузового лифта допускается доведение кабины до уровня этажной площадки при проведении погрузочно-разгрузочных работ при открытых дверях шахты и кабины при нахождении уровня пола кабины в пределах 200 мм от уровня пола этажной площадки, при этом скорость движения кабины должна быть не более 0,3 м/с.

5.4.1.12.3 Движение кабины должно быть возможным после перемещения запирающего элемента автоматического замка двери шахты не менее чем на 7 мм в ответную часть замка (см. рисунок 5).

Рисунок 5

Запирающее устройство автоматического замка дверей шахты должно непосредственно воздействовать на электрическое устройство безопасности по 5.5.4.15.

5.4.1.12.4 При приложении к запертой двери шахты усилия 300 Н в направлении ее открывания не должно происходить отпирание двери.

5.4.1.12.5 На замке должна быть установлена табличка с указанием фирмы-изготовителя и идентификационного номера.

5.4.1.12.6 Двери шахты на этажной площадке должны отпираться снаружи специальным ключом, который соответствует ключевине по приложению А.

После отпирания автоматическая дверь шахты должна закрываться и запираться автоматически при отсутствии кабины в зоне отпирания дверей шахты.

5.4.1.12.7 Дверь шахты на этажной площадке, закрываемая вручную, кроме автоматического замка, должна быть оборудована неавтоматическим замком или устройством, удерживающим дверь в закрытом положении.

5.4.1.13 Каждая дверь шахты на этажной площадке должна быть оборудована электрическим устройством безопасности по 5.5.4.12, контролирующим закрытие двери.

Допускается объединение указанного устройства автоматической горизонтально-раздвижной двери шахты с устройством, контролирующим запирание двери, при условии, что его срабатывание зависит от закрытия двери шахты.

Закрытие створок раздвижной двери, не запираемых замком, следует контролировать электрическим устройством безопасности по 5.5.4.16. Указанное требование не распространяется на двери, створки которых в закрытом положении соединены неразмыкаемой кинематической связью.

У многостворчатой раздвижной двери, состоящей из нескольких соединенных гибкой кинематической связью створок (например, посредством каната, ремня или цепи), допускается запирать только одну створку при условии, что такое однократное запирание предотвращает открывание других створок и что они не снабжены ручкой.

5.4.1.14 Конструкцией дверей шахты должна быть предусмотрена возможность предотвращения выхода створок из направляющих.

Горизонтально-раздвижные двери шахты лифта должны иметь направляющие сверху и снизу. Вертикально-раздвижные двери шахты лифта должны иметь направляющие с обеих сторон.

5.4.1.15 Двери для технического обслуживания оборудования, аварийные двери, смотровые люки шахты

5.4.1.15.1 Двери для технического обслуживания оборудования, предназначенные для прохода персонала, должны иметь размеры в свету:

- высота - не менее 1800 мм;

- ширина - не менее 600 мм.

Аварийные двери должны иметь размеры в свету:

- высота - не менее 1800 мм;

- ширина - не менее 350 мм.

Смотровые люки должны иметь размеры в свету:

- высота - не более 500 мм;

- ширина - не более 500 мм.

5.4.1.15.2 Аварийные двери, а также смотровые люки не должны открываться внутрь шахты.

5.4.1.15.3 Двери для технического обслуживания оборудования, аварийные двери и смотровые люки должны быть оборудованы отпираемым замком с ключевиной по приложению А; закрытие и запирание этих дверей и люков допускаются без применения ключа.

Двери для технического обслуживания оборудования и аварийные двери должны открываться изнутри шахты лифта без ключа, даже если они заперты.

5.4.1.15.4 Двери для технического обслуживания оборудования и аварийные двери, а также смотровые люки должны быть сплошными, удовлетворять тем же требованиям к механической прочности, что и двери шахты лифта на этажной площадке.

5.4.1.15.5 Закрытие дверей и люков следует контролировать электрическим устройством безопасности по 5.5.4.17.

5.4.2 Направляющие

5.4.2.1 Движение кабины, противовеса или уравновешивающего устройства кабины должно осуществляться по жестким направляющим.

5.4.2.2 Направляющие, их крепления и соединения должны быть рассчитаны на нагрузки, возникающие при рабочем режиме лифта и при его испытаниях.

Прогиб направляющих под действием указанных нагрузок не должен вызывать:

а) выход башмаков кабины, противовеса или уравновешивающего устройства кабины из направляющих;

б) самопроизвольное отпирание дверей шахты;

в) нарушений условий работы устройств безопасности.

5.4.2.3 Расчетное значение прогиба направляющих должно быть не более:

а) 5 мм по обеим осям для направляющих кабины, противовеса или уравновешивающего устройства кабины, оборудованных ловителями;

б) 10 мм по обеим осям для направляющих противовеса или уравновешивающего устройства кабины, не оборудованных ловителями.

5.4.2.4 Высота направляющих кабины, противовеса или уравновешивающего устройства кабины должна быть такой, чтобы при возможных перемещениях кабины, противовеса или уравновешивающего устройства кабины за пределы крайних рабочих положений башмаки не сходили с направляющих.

5.4.2.5 Концы смежных отрезков направляющих в месте стыка должны быть предохранены от взаимного смещения.

5.4.2.6 Крепление направляющих должно обеспечивать возможность регулирования направляющих при осадке здания или сжатии бетона и температурных деформациях.

5.4.3 Лебедка

5.4.3.1 На лифтах допускается применять лебедки:

а) со шкивом или барабаном трения с использованием канатов или ремней;

б) барабанные с канатами;

в) со звездочкой и цепью (цепями).

5.4.3.2 Лебедка и элементы ее крепления должны быть рассчитаны на нагрузки, возникающие в процессе эксплуатации и при испытании лифта. Барабанная лебедка или лебедка со звездочкой дополнительно должна быть рассчитана на нагрузки, возникающие при посадке кабины на буфер, расположенный в верхней части шахты.

5.4.3.3 Барабанную лебедку или лебедку со звездочкой допускается применять на лифтах с номинальной скоростью не более 0,63 м/с.

5.4.3.4 На лифтах, оборудованных барабанной лебедкой или лебедкой со звездочкой, использование противовеса не допускается; допускается применение уравновешивающего устройства кабины.

5.4.3.5 У лебедки со шкивом или барабаном трения должно быть обеспечено сцепление тяговых элементов (канатов или ремней) со шкивом или барабаном при рабочем режиме и испытаниях.

5.4.3.6 У лебедки со шкивом или барабаном трения должна быть исключена возможность подъема пустой кабины при противовесе, находящемся на буфере и работающем на подъем приводе.

5.4.3.7 Между приводными элементами канатов, ремней или цепей (шкивом, барабаном, звездочкой) и тормозным барабаном (диском) должна быть неразмыкаемая кинематическая связь (например, валы, шестерни, многорядные цепи).

Для передачи крутящего момента от электродвигателя допускается применение ременной передачи. Количество ремней должно быть не менее двух, и их натяжение следует контролировать электрическим устройством безопасности по 5.5.4.14.

5.4.3.8 Доступные вращающиеся элементы лебедки, которые могут быть источником опасности, должны быть ограждены от случайного прикасания:

а) шпонки и болты на валах;

б) ленты, цепи, ремни;

в) шестерни, звездочки;

г) выступающие валы двигателя.

Допускается не ограждать канатоведущие шкивы, защищенные согласно 5.4.9.10, штурвалы, приводимые в действие вручную, тормозные барабаны и любые подобные гладкие, круглые части. Такие части должны быть, хотя бы частично, выкрашены в желтый цвет.

5.4.3.9 Должны быть предусмотрены меры по предотвращению спадания канатов, ремней или цепей с приводных и направляющих элементов согласно 5.4.9.10.

5.4.3.10 Должна быть предусмотрена возможность перемещения кабины при отключении основного источника электропитания лифта одним из следующих способов:

а) ручное перемещение кабины с помощью специального устройства:

- прилагаемое усилие, необходимое для перемещения кабины с номинальной нагрузкой, не должно превышать 400 Н. Применение в устройстве штурвала со спицами или кривошипной рукоятки не допускается, если это может привести к травмированию обслуживающего персонала в случае неконтролируемого движения кабины.

Если указанное усилие превышает 400 Н, то необходимо предусмотреть средства для электрического аварийного управления из машинного помещения, отвечающие требованиям 5.4.3.10, перечисление б).

Съемный штурвал следует хранить в машинном помещении. При нахождении в машинном помещении нескольких лебедок съемные штурвалы должны иметь соответствующую маркировку (окраску) лебедки соответствующего лифта. Электрическое устройство безопасности, отвечающее требованиям 5.5.4.28 должно размыкать цепь безопасности не позднее установки штурвала на лебедку.

При наличии промежуточного устройства (редуктора или аналогичного) между штурвалом и шкивом (барабаном, звездочкой) электрическое устройство безопасности, отвечающее требованиям 5.5.4.28 должно размыкать цепь безопасности не позднее установки устройства на лебедку.

Направление движения кабины при вращении штурвала должно быть указано на лебедке или непосредственно на штурвале.

При перемещении кабины штурвалом должна быть предусмотрена возможность контроля из машинного помещения нахождения кабины в зоне отпирания дверей;

б) перемещение кабины за счет дополнительного (резервного) источника электропитания.

Энергии источника должно быть достаточно для перемещения кабины до ближайшей этажной площадки, открытия дверей;

в) перемещение кабины за счет разницы фактических масс кабины и противовеса (уравновешивающего груза):

- устройство для ручного или электрического растормаживания тормоза лебедки должно быть расположено в машинном помещении, а при его отсутствии - в запираемом шкафу согласно 5.3.4.10. При воздействии на устройство должны быть приняты конструктивные и/или организационные меры по предотвращению движения кабины со скоростью больше скорости, предусмотренной для срабатывания ограничителя скорости, как вверх, так и вниз,

- отсутствие движения кабины при воздействии на устройство растормаживания при размещении в кабине груза, равного половине номинальной грузоподъемности ± 10 %, не является браковочным фактором. Конструкцией и/или руководством по эксплуатации лифта должны быть предусмотрены меры по изменению баланса кабина/противовес (уравновешивающий груз) и/или перемещение уравновешенной кабины без изменения баланса,

- устройство для электрического растормаживания должно иметь дополнительный (резервный) источник питания (аккумулятор). Запас энергии этого источника должен обеспечивать число и время циклов растормаживания, необходимые для однократного перемещения кабины лифта до ближайшей этажной площадки в сторону неуравновешенности при самом неблагоприятном варианте загрузки лифта в течение 1 ч с момента исчезновения основного электропитания.

5.4.3.11 При применении барабанной лебедки должны быть выполнены следующие требования:

а) барабан должен иметь нарезанные по винтовой линии канавки, соответствующие диаметру каната;

б) при нахождении кабины (противовеса) на полностью сжатых буферах на барабане должно оставаться не менее полутора запасных витков каждого закрепленного на барабане каната, не считая витков, находящихся под зажимным устройством;

в) на барабане должен быть намотан только один слой каната;

г) угол отклонения канатов относительно оси канавок должен быть не более 4°;

д) барабан должен иметь реборды, возвышающиеся над навитым канатом на высоту не менее одного диаметра каната. Со стороны (сторон) крепления каната реборду допускается не выполнять.

5.4.3.12 Лебедка должна быть оборудована автоматически действующим механическим тормозом нормально-замкнутого типа:

а) тормозной момент должен создаваться с помощью пружины сжатия или груза;

б) тормоз должен состоять из двух систем торможения, все механические элементы тормоза, задействованные в процессе приложения усилия к тормозному барабану или диску, должны дублироваться, в том числе толкатель электромагнита;

в) каждая из систем торможения должна создавать усилие торможения, достаточное для остановки и удержания кабины с грузом, масса которого равна номинальной грузоподъемности лифта;

г) применение ленточных тормозов не допускается;

д) лебедка, для которой предусмотрено ручное перемещение кабины по 5.4.3.10, должна быть оборудована устройством для ручного растормаживания. При прекращении воздействия на это устройство действие тормоза должно автоматически восстанавливаться.

5.4.4 Кабина

5.4.4.1 Кабина лифта должна быть рассчитана на нагрузки, возникающие при рабочем режиме и испытаниях лифта.

5.4.4.2 Ограждение кабины

5.4.4.2.1 Кабина лифта должна иметь сплошные стены, пол, потолочное перекрытие (крышу) и входные проемы для доступа грузов.

5.4.4.2.2 Стены кабины должны выдерживать нагрузку 300 Н, равномерно распределенную по круглой или квадратной площадке площадью 5 см2 и приложенную под прямым углом в любой ее точке изнутри кабины с упругой деформацией, не превышающей 15 мм, при этом остаточная деформация не допускается.

5.4.4.3 Потолочное перекрытие (крыша кабины), на которое возможен выход персонала

5.4.4.3.1 Зона на крыше кабины в любом месте должна выдерживать без остаточной деформации нагрузку 2000 Н, приложенную на площадке размером 200×400 мм.

5.4.4.3.2 На крыше кабины должна быть предусмотрена свободная площадка для персонала площадью не менее 0,12 м2. Размер меньшей стороны площадки должен быть не менее 250 мм.

5.4.4.3.3 Если зазор, измеренный в горизонтальной плоскости, перпендикулярной к внешнему краю крыши кабины, до ограждения шахты превышает 300 мм, то крыша кабины со стороны этого зазора должна быть оборудована ограждением.

При измерении зазора имеющиеся в ограждении шахты ниши размером менее 300×300 мм (ширина × высота) не учитывают.

5.4.4.3.3.1 В конструкцию ограждения должны входить поручень, обшивка понизу высотой 0,1 м и поперечина, расположенная на половине высоты ограждений. Ограждение должно выдерживать горизонтальную нагрузку 300 Н, приложенную к поручню.

Высота ограждения должна составлять не менее:

а) 700 мм - при зазоре не более 850 мм;

б) 900 мм - при зазоре более 850 мм.

Допускается использовать складные ограждения, положение которых должно контролироваться электрическим устройством безопасности согласно 5.5.4.35.

Вместо обшивки ограждения понизу допускается использовать отбортовку края крыши кабины высотой не менее 30 мм.

5.4.4.3.3.2 Зазор, измеренный в горизонтальной плоскости, между наружным краем поручня и оборудованием, расположенным в шахте (противовес, выключатели, направляющие, кронштейны и т.п.), должен быть не менее 100 мм.

5.4.4.4 На крыше кабины должны быть предусмотрены:

а) аппараты управления по 5.5.3.14;

б) устройство остановки лифта по 5.5.4.22;

в) электрические розетки по 5.5.6.4 и 5.5.6.5.

5.4.4.5 Под порогом кабины на всю ширину дверного проема должен быть установлен вертикальный щит заподлицо с передней кромкой порога.

Вертикальная часть щита должна заканчиваться скосом, угол которого с горизонтальной плоскостью должен быть не менее 60°. Проекция этого скоса на горизонтальную плоскость должна составлять не менее 20 мм.

Высота вертикальной части щита, включая высоту порога кабины, должна быть не менее 250 мм.

У кабины лифта, перемещающейся по наклонно установленным направляющим (в пределах 15°), указанный щит должен быть установлен параллельно внутренней поверхности стены шахты со стороны входа в кабину.

Допускается применение складного щита, положение которого следует контролировать электрическим устройством безопасности согласно 5.5.4.36.

Вертикальный щит должен выдерживать нагрузку, равную 300 Н, равномерно распределенную по круглой или квадратной площадке площадью 5 см2 и приложенную под прямым углом в точке, отстоящей от края щита не менее чем на 200 мм, с деформацией, не превышающей 75 мм.

5.4.4.6 Высота кабины, измеренная от пола до потолочного перекрытия, должна быть не менее 2000 мм. При определении высоты кабины находящиеся на потолочном перекрытии и выступающие не более чем на 50 мм элементы (плафоны, решетки, багеты и т.д.) не учитываются.

5.4.4.7 Высота в свету входного проема кабины лифтов должна быть не менее 2000 мм и не менее высоты двери шахты.

5.4.4.8 Входной проем кабины должен быть оборудован дверью или другим устройством, предотвращающим смещение транспортируемого груза.

Для ограждения дверного проема допускается применение сетки или перфорированного листа. Размеры ячеек сетки или отверстий перфорированного листа должны быть не более 10 мм по горизонтали и 60 мм по вертикали.

Для раздвижных решетчатых дверей просвет между полосами должен быть не более 120 мм при закрытых дверях кабины.

5.4.4.8.1 Зазор между створками, между обвязкой дверного проема и створками или между створками и порогом при закрытой двери должен быть не более 8 мм.

5.4.4.8.2 Распашные двери кабины не должны открываться наружу.

5.4.4.8.3 Если двери шахты оборудованы смотровыми окнами в соответствии с 5.4.1.9, дверь кабины также должна быть оборудована смотровыми окнами, за исключением автоматических дверей кабины, которые остаются в открытом положении, когда кабина стоит на уровне этажной площадки.

Смотровое окно должно соответствовать требованиям 5.4.1.9 и быть расположено на двери кабины так, чтобы визуально совмещаться со смотровым окном (окнами) двери шахты, когда кабина находится на уровне этажной площадки.

5.4.4.8.4 Двери кабины в закрытом положении должны выдерживать нагрузку 300 Н, равномерно распределенную по круглой или квадратной площадке площадью 5 см2 и приложенную изнутри кабины перпендикулярно к плоскости двери в любой ее точке с упругой деформацией, не превышающей 15 мм, при этом остаточная деформация и изменение функционирования после снятия нагрузки не допускаются.

5.4.4.8.5 Горизонтально-раздвижные двери с автоматическим приводом и складчатые двери должны соответствовать требованиям 5.4.1.9.1.

5.4.4.8.6 Вертикально-раздвижные двери должны соответствовать требованиям 5.4.1.8.1.

5.4.4.8.7 Дверь кабины должна быть оборудована электрическим устройством безопасности по 5.5.4.18, контролирующим закрытие двери и предотвращающим движение кабины при открытых дверях, за исключением случая, оговоренного в 5.4.1.12.1 и 5.4.1.12.2.

Если горизонтально-раздвижная дверь кабины состоит из нескольких соединенных прямой кинематической связью створок (например, система рычагов), указанное электрическое устройство безопасности допускается устанавливать:

а) только на одну створку (быструю створку в случае многостворчатых дверей);

б) на привод дверей, имеющий прямую кинематическую связь со створками.

У горизонтально-раздвижной двери кабины, состоящей из нескольких имеющих косвенную кинематическую связь створок (посредством каната, ремня или цепи), указанное электрическое устройство безопасности допускается устанавливать только на ведомую створку при условии, что ведущая створка имеет прямую кинематическую связь с приводом дверей.

5.4.4.8.8 Пороги и направляющие дверей должны соответствовать требованиям 5.4.1.6 и 5.4.1.15.

5.4.4.9 Кабина должна быть оборудована ловителями, соответствующими требованиям 5.4.6.

5.4.4.10 Кабина должна быть оборудована башмаками. Конструкцией башмаков должны быть предусмотрены исключение выхода кабины из направляющих, самопроизвольной посадки кабины на ловители, а также ограничение горизонтального перемещения кабины относительно направляющих.

5.4.4.11 В кабине лифта должны быть указаны:

а) грузоподъемность в кг;

б) фирма - изготовитель лифта;

в) заводской номер.

Допускается указывать заводской номер на кабине в любом доступном для персонала месте.

5.4.5 Противовес и уравновешивающее устройство кабины

5.4.5.1 Противовес и уравновешивающее устройство кабины должны быть рассчитаны на нагрузки, возникающие при:

а) рабочем режиме лифта;

б) посадке противовеса на ловители (при оборудовании противовеса ловителями) и буфера;

в) посадке уравновешивающего устройства кабины на ловители (при оборудовании уравновешивающего устройства кабины ловителями);

г) посадке кабины на буфера и ловители.

Нагрузки, действующие на противовес или уравновешивающее устройство кабины при посадке их на ловители, следует определять при скоростях движения противовеса или уравновешивающего устройства кабины, указанной в 5.4.7.2.

Нагрузки, действующие на противовес при посадке его на буфера, следует определять при скоростях движения противовеса, указанных в 5.4.8.2.

Нагрузки, действующие на противовес или уравновешивающее устройство кабины при посадке кабины на ловители или буфера, следует определять при скоростях движения кабины, указанных в 5.4.7.1 и 5.4.8.2.

5.4.5.2 Конструкцией противовеса или уравновешивающего устройства кабины, в состав которых входят грузы, должно быть предусмотрено исключение их самопроизвольного смещения как в горизонтальной, так и в вертикальной плоскостях.

5.4.5.3 Противовес или уравновешивающее устройство кабины должны быть оборудованы башмаками. Конструкцией башмаков должно быть предусмотрено исключение выхода противовеса (уравновешивающего устройства) из направляющих, самопроизвольной посадки противовеса (уравновешивающего устройства) на ловители, а также ограничение горизонтального перемещения противовеса (уравновешивающего устройства) относительно направляющих.

5.4.5.4 Противовес и уравновешивающее устройство кабины должны быть оборудованы ловителями в случае, предусмотренном 5.2.5.6.

5.4.6 Ловители

5.4.6.1 Ловители должны останавливать и удерживать на направляющих (даже в случае обрыва подвески) движущуюся вниз кабину с грузом, масса которого равна номинальной грузородъемности (противовес или уравновешивающее устройство кабины) при их включении от действия ограничителя скорости на скорости его срабатывания или от действия устройства, срабатывающего при обрыве или ослаблении тяговых элементов.

Кабину гидравлического лифта прямого действия допускается не оборудовать ловителями.

Допускается использование ловителей для торможения и/или остановки движущейся вверх кабины на скорости по 5.4.7.1.

5.4.6.2 Ловители должны быть испытаны в соответствии с ГОСТ Р 53781.

5.4.6.3 Ловители противовеса или уравновешивающего устройства кабины лифта с номинальной скоростью не более 1,0 м/с допускается приводить в действие устройством, срабатывающим от обрыва или слабины тяговых элементов.

5.4.6.4 Кабина лифта должна быть оборудована ловителями:

а) при номинальной скорости более 1 м/с должны применяться ловители плавного торможения;

б) при оборудовании кабины более чем одним ловителем на каждую из направляющих все ловители должны быть плавного торможения.

5.4.6.5 Противовес или уравновешивающее устройство кабины по 5.2.5.6 лифта с номинальной скоростью более 1 м/с следует оборудовать ловителями плавного торможения.

5.4.6.6 Ловители должны автоматически принимать исходное положение и быть готовы к работе после перемещения кабины, противовеса или уравновешивающего устройства кабины, остановленных ловителями.

5.4.6.7 Замедление кабины при посадке на ловители - не более 25 м/с2.

Допускается превышение этого значения на время не более 0,04 с.

Средняя величина замедления кабины с номинальным грузом (противовеса или уравновешивающего устройства) при посадке на ловители плавного торможения - не более 9,81 м/с2.

5.4.6.8 Срабатывание ловителей кабины следует контролировать электрическим устройством безопасности по 5.5.4.23, размыкающим цепь безопасности до или при срабатывании ловителей.

5.4.6.9 Ловители с регулируемым усилием торможения должны быть опломбированы изготовителем.

5.4.6.10 Ловитель должен быть снабжен табличкой с указанием:

а) изготовителя ловителя;

б) идентификационного номера ловителя.

5.4.7 Ограничитель скорости

5.4.7.1 Ограничитель скорости, приводящий в действие ловители кабины, должен срабатывать, если скорость движения кабины вниз превысит номинальную не менее чем на 15 % и не более чем на:

а) 40 % - для ловителей резкого торможения;

б) 50 % - для ловителей плавного торможения при номинальных скоростях не более 1 м/с;

в) 1,25 v + 0,25 v м/с для ловителей плавного торможения при номинальных скоростях более 1,0 м/с,

где v- номинальная скорость кабины, м/с.

5.4.7.2 Ограничитель скорости, приводящий в действие ловители противовеса или уравновешивающее устройство кабины, должен срабатывать, если скорость движения противовеса или уравновешивающего устройства кабины вниз превысит номинальную не менее чем на 15 % и не более чем на значение, превышающее на 10 % верхний предел скорости, установленный для срабатывания ограничителя скорости кабины.

5.4.7.3 Для проведения проверок и испытаний должна быть предусмотрена возможность приведения в действие ловителей от ограничителя скорости при движении кабины со скоростью менее указанной в 5.4.7.1.

5.4.7.4 Должна быть предусмотрена возможность проверки срабатывания ограничителя скорости при частоте вращения, соответствующей скоростям движения кабины, противовеса или уравновешивающего устройства кабины, указанным в 5.4.7.1 и 5.4.7.2.

5.4.7.5 Диаметр каната, приводящего в действие ограничитель скорости, - не менее 6 мм.

5.4.7.5.1 Коэффициент запаса прочности каната ограничителя скорости, определенный как отношение разрывного усилия каната в целом к усилию, возникающему в нем при срабатывании ловителей, должен быть не менее 8.

5.4.7.5.2 Отношение диаметра шкива или блока к диаметру огибаемого каната, приводящего в действие ограничитель скорости, должно быть не менее 30. Для лифтов со скоростью движения до 1,6 м/с включительно отношение диаметра шкива или блока к диаметру огибаемого каната, приводящего в действие ограничитель скорости, допускается не менее 25.

5.4.7.5.3 Канат, приводящий в действие ограничитель скорости, должен натягиваться натяжным устройством.

5.4.7.5.4 Обрыв или превышающая регламентированная вытяжка каната, приводящего в действие ограничитель скорости, должны вызывать остановку привода электрическим устройством безопасности, отвечающим требованиям 5.5.4.25.

5.4.7.5.5 Для ограничителя скорости, у которого усилие для приведения в действие ловителей создается только за счет трения между канатом и рабочим шкивом, должна быть предусмотрена возможность проверки достаточности силы трения между ними для приведения в действие ловителей при движении кабины со скоростью менее указанной в 5.4.7.1.

5.4.7.6 На ограничителе скорости должно быть указано направление вращения, соответствующее включению ловителей.

5.4.7.7 Допускается не оборудовать ограничитель скорости электрическим устройством безопасности по 5.5.4.20, если лифт оборудован электрическим устройством безопасности, контролирующим срабатывание ловителей по 5.5.4.23.

5.4.7.8 Если после снятия с ловителей ограничитель скорости автоматически не возвращается в исходное состояние, то электрическое устройство безопасности по 5.5.4.21 должно предотвращать пуск лифта до приведения ограничителя скорости в исходное состояние.

5.4.7.9 При установке ограничителя скорости в шахту лифта:

а) обслуживающий персонал должен приводить в действие ограничитель скорости для его испытания снаружи шахты лифта с помощью механического или электрического дистанционного средства, за исключением бескабельного;

б) он после срабатывания должен автоматически вернуться в исходное положение после перемещения кабины, противовеса или уравновешивающего устройства кабины.

5.4.7.10 Ограничитель скорости должен быть снабжен табличкой с указанием:

а) изготовителя ограничителя скорости;

б) идентификационного номера ограничителя скорости;

в) скорости срабатывания ограничителя скорости.

5.4.8 Буфера

5.4.8.1 Лифт должен быть оборудован буферами, ограничивающими перемещение кабины и противовеса вниз.

Лифт, оборудованный барабанной лебедкой или лебедкой со звездочкой, дополнительно должен быть оборудован буферами, ограничивающими перемещение кабины вверх.

5.4.8.2 Лифт с номинальной скоростью, не превышающей 0,3 м/с, допускается оборудовать буферами в виде жестких упоров.

5.4.8.3 Применение буферов энергонакопительного типа допускается при номинальных скоростях не более 1,0 м/с.

5.4.8.4 Применение буферов энергорассеивающего типа допускается при любых номинальных скоростях лифта.

5.4.8.5 Буфера должны быть рассчитаны на посадку кабины с грузом, масса которого на 25 % превышает номинальную грузоподъемность лифта или противовеса, движущихся со скоростью, превышающей на 15 % номинальную скорость лифта.

5.4.8.6 Буфера должны удовлетворять следующим требованиям:

а) при посадке на буфер среднее значение замедления кабины с номинальным грузом, при свободном падении со скоростью, составляющей 115 % номинальной, не должна превышать 9,81 м/с2;

б) время действия замедления, превышающего 25 м/с2, должно быть не более 0,04 с.

5.4.8.7 Буфера должны быть снабжены табличкой с указанием:

а) изготовителя буфера;

б) идентификационного номера буфера.

5.4.9 Тяговые элементы и подвеска

5.4.9.1 Кабина, противовес или уравновешивающее устройство кабины должны быть подвешены на стальных проволочных канатах или тяговых пластинчатых или на приводных роликовых (втулочных) цепях. Допускается применение других тяговых элементов при условии, что они обеспечивают уровень безопасности не ниже, чем при использовании стальных канатов или цепей, в том числе коэффициент запаса прочности, установленный для стальных канатов.

5.4.9.2 Тяговые элементы, соединяющие кабину с противовесом, должны быть одинаковой конструкции, иметь одинаковые размеры и характеристики.

5.4.9.3 Тяговые элементы, применяемые в лифте, должны иметь документ, подтверждающий их качество. Не допускается сращивание тяговых элементов.

5.4.9.4 Число тяговых элементов должно быть не менее двух.

5.4.9.5 При полиспастной подвеске все ветви одного тягового элемента считают как один тяговый элемент.

5.4.9.6 Канаты

5.4.9.6.1 Номинальный диаметр стальных проволочных тяговых канатов должен быть не менее 6 мм.

5.4.9.6.2 Отношение между диаметром шкивов, блоков и барабанов и номинальным диаметром тяговых канатов должно быть не менее 40.

5.4.9.6.3 Коэффициент запаса прочности тяговых канатов должен быть не менее:

а) 12 - для лебедки с канатоведущим шкивом или барабаном трения и тремя и более канатами;

б) 16 - для лебедки с канатоведущим шкивом или барабаном трения и двумя канатами;

в) 12 - для барабанной лебедки.

Коэффициент запаса прочности К вычисляют по формуле

,

 

где Р - разрывное усилие каната;

S - максимальная нагрузка, действующая на канат при нахождении кабины с номинальной нагрузкой на уровне нижней этажной площадки.

5.4.9.6.4 Заделка концов канатов при креплении их к кабине, противовесу или уравновешивающему устройству кабины или точкам подвески неподвижной ветви полиспаста должна выдерживать не менее 80 % разрывного усилия каната.

5.4.9.6.5 Крепление каната к барабану следует выполнять или посредством заклинивания, или с использованием не менее двух прижимных планок, или любым другим способом, обеспечивающим эквивалентный уровень безопасности. При нахождении кабины на полностью сжатом буфере или упоре на барабане должно оставаться не менее полутора запасных витков каждого каната, не считая витков, находящихся под прижимными планками.

5.4.9.7 Коэффициент запаса прочности тяговых цепей должен быть не менее 10. Коэффициент запаса прочности определяют по 5.4.9.6.3.

5.4.9.8 Распределение нагрузки между тяговыми элементами.

5.4.9.8.1 Для уменьшения разности натяжения в отдельных тяговых элементах должно быть предусмотрено автоматическое устройство.

Для уменьшения разности натяжения в отдельных тяговых цепях указанное устройство должно быть установлено как со стороны кабины, так и со стороны уравновешивающего груза.

5.4.9.8.2 В качестве автоматического устройства для уменьшения разности натяжения тяговых элементов допускается применять пружины сжатия.

5.4.9.8.3 При двух тяговых элементах электрическое устройство безопасности по 5.5.4.24 должно размыкать цепь безопасности при относительном перемещении (ослаблении) тяговых элементов сверх значения, допустимого устройством по 5.4.9.8.1, и обрыве одного или всех тяговых элементов.

5.4.9.9 При применении уравновешивающих канатов:

а) следует применять натяжное устройство с блоком (блоками);

б) отношение диаметра блока натяжного устройства к диаметру уравновешивающего каната должно быть не менее 30;

в) натяжение должно быть обеспечено силой тяжести и контролироваться электрическим устройством безопасности по 5.5.4.26.

Лифты, номинальная скорость которых превышает 3,5 м/с, в дополнение к перечисленным требованиям должны быть оборудованы устройством, ограничивающим подскок натяжного устройства. Срабатывание этого устройства должно вызывать размыкание цепи безопасности электрическим устройством безопасности по 5.5.4.27.

5.4.9.10 Для канатоведущих шкивов, блоков и звездочек должны быть приняты меры в соответствии с таблицей 3 во избежание:

а) телесных повреждений;

б) спадания канатов и цепей при их ослаблении с блоков и звездочек;

в) попадания предметов между канатами (или цепями) и блоками (или звездочками).

Таблица 3

Местоположение канатоведущих шкивов, блоков и звездочек

Перечисления

а

б

в

В кабине

на крыше

×

×

×

под полом

 

×

×

На противовесе/уравновешивающем грузе

 

×

×

В машинном помещении

×*

×

×**

В блочном помещении

 

×

 

В шахте

верх шахты

над кабиной

×

×

 

рядом с кабиной

 

×

 

между приямком и верхом шахты

 

×

×**

приямок

×

×

×

На ограничителе скорости и его натяжном блоке

 

×

×**

* Как минимум, должны быть огорожены выступающие за площадь рамы части.

** Требуется только в случае, когда канаты (цепи) заходят на канатоведущие шкивы (блоки, звездочки) горизонтально или под любым углом к горизонтали, не превышающим 90°.

Примечание - Знак «×» означает, что должны быть приняты меры.

Конструкцией ограждения должна быть предусмотрена возможность проведения работ по осмотру блоков и звездочек без его разборки. Если в ограждении имеются отверстия, они должны соответствовать требованиям приложения В.

5.5 Электрическое оборудование лифтов

5.5.1 Общие требования

5.5.1.1 Техническая характеристика электрического оборудования и его исполнение должны соответствовать параметрам лифта по напряжению и частоте питающей сети, токовым нагрузкам, а также условиям его эксплуатации, хранения и транспортирования.

Характеристики внешней питающей сети должны отвечать назначению лифта и быть не ниже 2-й категории электроснабжения.

5.5.1.2 Лифт должен быть оборудован устройством с ручным приводом - главным выключателем, прерывающим электропитание всех электрических цепей, за исключением электрических цепей по 5.5.1.4. Таким устройством могут быть вводное устройство, автоматический выключатель и аналогичные устройства с ручным приводом.

Должна быть предусмотрена возможность блокировки устройства в отключенном положении посредством запираемого замка или аналогичного средства во избежание непреднамеренного включения.

5.5.1.3 Устройство по 5.5.1.2 устанавливают в машинном помещении, а при отсутствии машинного помещения:

а) в шкафу для аппаратов управления, за исключением случая установки шкафа в шахте;

б) рядом с устройствами для управления лифтом при проведении динамических испытаний по 5.3.4.5 - при установке шкафа для аппаратов управления в шахте.

5.5.1.4 Устройство по 5.5.1.2 не должно отключать цепи:

а) освещения помещений для размещения оборудования;

б) освещения шахты;

в) освещения кабины;

г) розеток на крыше кабины, под кабиной, в приямке, машинном и блочном помещениях по 5.5.6.5.

При этом для отключения указанных в перечислениях а) - г) цепей должны быть предусмотрены отдельные выключатели.

В общем машинном помещении для нескольких лифтов на каждый лифт должен быть свой выключатель цепи освещения кабины.

Выключатели цепи освещения шахты должны находиться в шахте и/или рядом с устройством по 5.5.1.2.

Цепи освещения кабины и ее вентиляции, ремонтной связи, а также цепи питания розеток и аварийной сигнализации допускается включать после устройства по 5.5.1.2, если предусмотрены дополнительные выключатели для отключения силовой цепи и цепи управления. При этом устройство по 5.5.1.2 не должно быть оборудовано приводом для дистанционного отключения.

5.5.1.5. Если в общем машинном помещении размещено оборудование нескольких лифтов, то в это помещение должен быть осуществлен ввод не менее двух питающих линий.

5.5.1.6 При размещении электрооборудования лифта в разных помещениях должны быть предусмотрены несамовозвратные устройства для отключения лифта в каждом из этих помещений.

5.5.1.7 На одной из этажных площадок допускается установка выключателя для дистанционного отключения силовой питающей цепи и (или) включения и отключения цепей управления при включенном устройстве по 5.5.1.2, при этом должна быть исключена возможность отключения при наличии в кабине людей. Кабина лифта должна находиться на основном посадочном этаже, доступ посторонних лиц к устройству должен быть исключен.

5.5.1.8 Напряжение силовых электрических цепей должно быть:

а) не более 660 В - в машинном помещении;

б) не более 415 В переменного тока частоты 50 Гц, 440 В переменного тока частоты 60 Гц и 460 В постоянного (выпрямленного) тока - в кабине, шахте и на этажных площадках, а также на площадках, где установлено электрооборудование при отсутствии машинного помещения.

Напряжение питания цепей управления, подключения ремонтного инструмента, освещения и сигнализации должно быть не более 254 В.

5.5.1.9 При применении переносных ламп напряжение цепи их питания должно быть не более 42 В.

Применение автотрансформаторов с целью понижения напряжения для этой цели не допускается.

5.5.1.10 Для питания цепей управления, освещения и сигнализации допускается использование фазы и нулевого провода сети (включение на фазное напряжение).

При использовании фазы и нулевого провода напряжение между ними должно быть не более 254 В.

5.5.1.11 При включении на фазное напряжение цепей, в состав которых входят электрические устройства безопасности, между выводом обмоток электромагнитных аппаратов (контакторов, пускателей, реле и т.д.) в этих цепях и нулевым проводом не должно быть контактов электрических устройств безопасности.

5.5.1.12 При питании переменным током от понижающего трансформатора цепей, в состав которых входят электрические устройства безопасности, один вывод вторичной обмотки трансформатора должен быть заземлен. Между выводом обмотки электромагнитных аппаратов в этих цепях и заземленным выводом трансформатора не должно быть контактов электрических устройств безопасности.

5.5.1.13 При питании от понижающего трансформатора через выпрямительное устройство цепей, в состав которых входят электрические устройства безопасности, один из полюсов выпрямительного устройства на стороне выпрямленного напряжения должен быть заземлен. При этом между выводом обмотки электромагнитных аппаратов в цепи управления и заземленным полюсом не должно быть контактов электрических устройств безопасности. Вторичную обмотку понижающего трансформатора в этом случае заземлять не допускается.

5.5.1.14 Установка в заземляющих проводниках предохранителей, контактов и других размыкающих элементов, в том числе бесконтактных, не допускается.

5.5.1.15 Токоведущие части выключателей с ручным приводом, устройства по 5.5.1.2, выключателей, устанавливаемых в шахте, помещении для размещения оборудования, выключателей дистанционного отключения электрических цепей должны быть защищены от случайного прикосновения, если напряжение на них более 42 В переменного тока или более 60 В постоянного тока. Положение этих выключателей должно быть обозначено соответствующими символами или надписями: «Вкл.», «Откл.».

5.5.1.16 Замыкание электрической цепи, в которой имеются электрические устройства безопасности, на землю или на металлические конструкции должно вызывать остановку лифта и предотвращать пуск лифта после его остановки до устранения замыкания. Возврат к нормальному режиму эксплуатации должен проводить обслуживающий персонал.

5.5.2 Электропривод лифта

5.5.2.1 Электропривод должен удовлетворять следующим требованиям:

а) замыкание токоведущих частей электрического привода тормоза (электромагнита и т.д.) на корпус не должно вызывать включение этого привода и снятие механического тормоза при остановленном лифте и не должно препятствовать наложению механического тормоза после отключения электродвигателя;

б) у лифта с номинальной скоростью более 0,63 м/с должна быть предусмотрена возможность движения кабины с пониженной скоростью не более 0,63 м/с с учетом требования 5.5.3.13.

5.5.2.2 Электропривод переменного тока при питании электродвигателя непосредственно от сети должен удовлетворять следующим требованиям:

а) снятие механического тормоза должно происходить одновременно с включением электродвигателя или после его включения;

б) отключение электродвигателя должно сопровождаться наложением механического тормоза;

в) цепь главного тока электродвигателя должна прерываться не менее чем двумя последовательно включенными электромагнитными аппаратами. Вместо одного из электромагнитных аппаратов допускается использовать бесконтактный ключ;

г) если при неподвижном лифте один из электромагнитных аппаратов не разомкнул контакты в цепи главного тока, то возможность дальнейшего движения должна быть предотвращена не позднее следующего изменения направления движения лифта.

5.5.2.3 Электропривод лифта при питании электродвигателя лебедки от управляемого преобразователя должен удовлетворять следующим требованиям:

а) прерывание электропитания тормоза должно осуществляться не менее чем двумя электрическими устройствами, объединенными или функционально связанными с последовательно включенными электрическими устройствами, вызывающими прерывание питания электродвигателя лебедки;

б) снятие механического тормоза должно происходить только при величине тока электродвигателя лебедки, обеспечивающей необходимый момент для удержания кабины;

в) отключение электродвигателя лебедки должно сопровождаться наложением механического тормоза;

г) каждая остановка кабины лифта должна сопровождаться наложением механического тормоза.

Допускается не накладывать механический тормоз при остановке на уровне этажной площадки при условии, что кабина будет удерживаться на этом уровне моментом электродвигателя;

д) цепь главного тока электродвигателя лебедки должна прерываться двумя последовательно включенными электромагнитными аппаратами. Допускается иметь одинарный разрыв контактами одного электромагнитного аппарата при условии, что при его отключении одновременно полностью блокируется (прекращается) поток энергии от преобразователя к электродвигателю;

е) при размыкании цепи возбуждения электродвигателя постоянного тока должно быть обеспечено автоматическое снятие напряжения с якоря электродвигателя и наложение механического тормоза;

ж) отключение электродвигателя лебедки должно осуществляться, если преобразователь не пропускает поток энергии к электродвигателю при пуске, установившейся скорости и(или) торможении или если поток энергии к электродвигателю не прекращается при остановке лифта и наложении механического тормоза;

и) дистанционное отключение преобразователя, питающего электродвигатель лебедки (если оно предусмотрено системой управления), должно быть возможно после наложения механического тормоза.

5.5.2.4 Отклонение рабочей скорости движения кабины от номинальной скорости не должно быть более ± 15 %.

5.5.3 Виды и системы управления

5.5.3.1 Лифты имеют наружный вид управления.

5.5.3.2 Система управления лифтом должна удовлетворять следующим требованиям:

а) при исчезновении электроснабжения лифта одновременно с отключением электродвигателя лебедки должна автоматически отключаться цепь управления.

После восстановления электроснабжения пуск кабины должен быть возможен только после подачи новой команды управления. Допускается автоматическое движение кабины на одну из этажных площадок для восстановления соответствия ее положения в шахте и состояния системы управления - «корректирующий рейс»;

б) электрические контакты аппаратов, предназначенные непосредственно для отключения электродвигателя и обеспечения наложения механического тормоза, а также электрические контакты электрических устройств безопасности должны работать на размыкание электрической цепи;

в) индуктивные или емкостные помехи, возникающие при работе лифта или поступающие извне, не должны вызывать отказы электрических устройств безопасности.

5.5.3.3 Пуск и движение кабины должны быть невозможны при открытой двери кабины (или какой-либо створки в случае многостворчатой двери), за исключением случая, предусмотренного в 5.4.1.12.1 и 5.4.1.12.2.

5.5.3.4 Система управления лифтом должна исключать возможность выполнения новой команды управления, кроме команды «Стоп», подаваемой из машинного помещения или устройства управления по 5.3.4.5, до выполнения ранее поданной команды.

5.5.3.5 Электродвигатели должны быть защищены от перегрузок посредством устройств, прекращающих подачу питания на двигатель и возвращаемых в исходное положение вручную.

5.5.3.6 Остановка кабины, наложение механического тормоза и отключение электродвигателя должны происходить:

а) при достижении электродвигателем температуры, превышающей допустимую. Остановку кабины и наложение механического тормоза следует осуществлять на ближайшей по направлению движения этажной площадке или после выполнения лифтом команды управления (приказа). Допускается автоматический возврат к нормальному режиму эксплуатации только после снижения температуры до ее рабочего значения;

б) при коротком замыкании в силовых цепях и цепях безопасности;

в) при исчезновении возбуждения двигателя постоянного тока;

г) при срабатывании электрических устройств безопасности, за исключением случаев, указанных в 5.5.3.10, 5.5.3.13, 5.5.4.13, 5.5.4.14, 5.5.4.19, 5.5.4.21, а также за исключением концевого выключателя, установленного в лифте с регулируемым приводом по 5.5.4.9.

Если питание обмоток в двигателе осуществляется от разных электрических цепей, то требования 5.5.3.9, перечисления а) и б), должны относиться к каждой из таких обмоток.

Двигатели лифтов с питанием от генераторов постоянного тока должны иметь защиту от перегрузок.

5.5.3.7 Допускается движение кабины с помощью электродвигателя после срабатывания концевого выключателя, электрических устройств безопасности, контролирующих:

- ловители;

- обрыв и относительное перемещение (ослабление) тяговых элементов;

- буфера;

- ограничитель скорости;

- шунтирование контактов этих устройств безопасности контактом (контактами) специального коммутирующего устройства, при этом управление следует осуществлять только из машинного помещения или с устройства управления по 5.3.4.5. Должно быть исключено действие команд управления от аппаратов, установленных вне машинного помещения или устройства по 5.3.4.5.

Перемещение кабины следует осуществлять только при постоянном воздействии на самовозвратные аппараты управления (кнопки, тумблеры) движением «Вверх» или «Вниз». Допускается движение кабины с номинальной скоростью.

5.5.3.8 Должна быть предусмотрена возможность управления лифтом из машинного помещения - режим «Управление из машинного помещения». При отсутствии машинного помещения управление лифтом в этом режиме следует осуществлять с устройства по 5.3.4.5, расположенного снаружи шахты.

При этом:

а) должно быть исключено действие команд управления от аппаратов, установленных вне машинного помещения или устройства по 5.3.4.5;

б) должно быть предотвращено воздействие подвижной отводки на автоматические замки дверей шахты у лифта, оборудованного такой отводкой;

в) должно быть исключено автоматическое открытие дверей шахты и кабины;

г) должна быть обеспечена автоматическая остановка кабины на уровне нижней и верхней этажных площадок;

д) должен включиться сигнал «Занято» у лифта, оборудованного таким сигналом.

При управлении из машинного помещения или с устройства по 5.3.4.5 пуск кабины и ее движение должны быть возможны только при замкнутых контактах электрических устройств безопасности, за исключением случаев, указанных в 5.5.3.9.

Движение кабины вверх или вниз при управлении из машинного помещения или с устройства по 5.3.4.5 должно осуществляться при воздействии на соответствующий самовозвратный аппарат управления. Направление движения кабины должно быть обозначено рядом или на аппарате управления. Рядом с аппаратами управления должно быть устройство для остановки лифта. На этом устройстве (выключатель, кнопка и т.п.) или рядом с ним должна быть надпись «Стоп». Элемент управления устройством остановки лифта должен быть красного цвета. Устройство должно быть несамовозвратным. Положения элементов управления устройством должны быть обозначены (за исключением кнопки «Стоп»). Допускается элемент управления для остановки лифта выполнять самовозвратным, если предусмотрен несамовозвратный выключатель для отключения силовой цепи.

В качестве устройства для экстренной остановки лифта допускается использовать автоматический выключатель по 5.5.1.2, если он располагается рядом с аппаратами управления.

В режиме «управление из машинного помещения» должна быть предусмотрена возможность:

а) наблюдения за работой привода или получения информации о направлении движения кабины;

б) получения информации о нахождении кабины в зоне отпирания дверей.

После каждой остановки пуск кабины должен быть возможен только после вновь поданной команды управления.

При проведении испытаний допускается при работе лифта в режиме «нормальная работа» имитировать из машинного помещения или с устройства по 5.3.4.5 задание вызовов и приказов.

5.5.3.9 При необходимости перемещения персонала на крыше кабины должна быть предусмотрена возможность управления лифтом с крыши кабины в режиме «ревизия», при этом скорость движения кабины должна быть не более 0,63 м/с.

Управление лифтом должно осуществляться с поста управления аппаратами, предназначенными для пуска кабины вверх и вниз. Направление движения должно быть обозначено на аппарате управления или рядом с ним. Перевод из режима «нормальная работа» в режим «ревизия» должен осуществляться или из машинного помещения, или с устройства по 5.3.4.5, или с крыши кабины.

На крыше кабины на расстоянии не более 700 мм от места доступа персонала на крышу кабины должно быть расположено устройство для остановки лифта. Это устройство также может быть расположено на посту управления с крыши кабины в режиме «ревизия». На устройстве (выключателе, кнопке и т.д.) или рядом с ним должна быть надпись «Стоп». Элемент управления устройством остановки лифта должен быть красного цвета. Устройство должно быть несамовозвратным. Положения элемента управления устройством должны быть обозначены.

Допускается не устанавливать устройство для остановки лифта с крыши кабины, если менее чем в 700 мм от места доступа на крышу кабины имеется несамовозвратное электрическое устройство безопасности.

Движение при управлении с крыши кабины должно осуществляться при:

а) постоянном воздействии на аппарат управления;

б) замкнутых контактах электрических устройств безопасности, за исключением случая, предусмотренного 5.5.3.13;

в) исключении действия команд управления от аппаратов, установленных в кабине, машинном помещении, на устройстве по 5.3.4.5 и на этажных площадках;

г) предотвращении воздействия подвижной отводки на автоматические замки дверей шахты у лифта, оборудованного такой отводкой;

д) исключении автоматического открытия дверей шахты и кабины;

е) включенном сигнале «занято» у лифта, оборудованного таким сигналом.

Допускается управление работой привода дверей с крыши кабины: перевод данного режима в режиме «ревизия» и обратно может осуществляться только путем воздействия на соответствующие устройства на крыше кабины.

Возврат из режима «ревизия» в режим «нормальная работа» допускается после отключения выключателя режима «ревизия» или в машинном помещении, или на устройстве по 5.3.4.5, или на крыше кабины и после закрытия дверей шахты.

При движении кабины вверх системой управления лифтом должна быть предусмотрена автоматическая остановка кабины при расстоянии от площадки обслуживания на крыше кабины до перекрытия шахты не менее 1800 мм.

5.5.3.10 В режиме «ревизия» допускается движение кабины лифта, оборудованного автоматически открывающимися дверями шахты, с помощью электродвигателя при шунтировании контактов электрических устройств безопасности, контролирующих закрытие и запирание дверей шахты, контактом (контактами) устройства (кнопки, выключателя и т.д.).

В режиме «ревизия» у лифта с ручным открыванием дверей шахты допускается движение кабины лифта с помощью электродвигателя при шунтировании контактов электрических устройств безопасности, контролирующих закрытие дверей шахты, или электрических устройств безопасности, контролирующих автоматические замки дверей шахты, контактом (контактами) устройства (кнопки, выключателя и т.д.).

Включение устройства должно осуществляться с крыши кабины и/или из машинного помещения или с устройства по 5.3.4.5.

5.5.3.11 Лифт должен быть оборудован устройством, контролирующим перегрузку кабины и предотвращающим движение кабины при размещении в ней груза массой, превышающей номинальную грузоподъемность лифта на 10 % во всех режимах работы. В режиме «нормальная работа» автоматические двери лифта при перегрузке должны оставаться открытыми.

Сигнализация о перегрузке должна быть выполнена в виде звукового и/или светового сигнального устройства.

5.5.3.12 Крыша кабины должна быть обеспечена средствами для подключения к двусторонней переговорной связи с помещением для обслуживающего персонала.

5.5.3.13 При верхнем расположении машинного помещения между машинным помещением и кабиной и(или) крышей кабины, машинным помещением и нижней этажной площадкой или приямком, а при нижнем расположении машинного помещения между машинным помещением и кабиной, машинным и блочным помещениями должна быть предусмотрена ремонтная телефонная или другая двусторонняя связь. При отсутствии машинного помещения такая связь предусматривается между местом установки устройства управления и кабиной, приямком (нижней этажной площадкой) и блочным помещением.

5.5.3.14 Система управления лифта, оборудованного лебедкой с канатоведущим шкивом или барабаном трения, должна отключать привод:

а) если кабина, находящаяся на уровне этажной площадки, не приходит в движение после подачи команды на пуск;

б) если кабина или противовес во время движения вниз были остановлены препятствием, что вызвало проскальзывание канатов на канатоведущем шкиве или барабане трения в течение времени прохождения кабиной лифта наибольшего межэтажного расстояния на номинальной скорости плюс 10 с.

Ограничение времени работы главного привода должно срабатывать за время, не превышающее меньшее из двух следующих значений:

1) 45 с;

2) время, необходимое для прохождения всего пути перемещения лифта, плюс 10 с, но не менее 20 с, если все время перемещения составляет менее 10 с.

Возврат в режим нормальной эксплуатации должен осуществлять обслуживающий персонал.

5.5.3.15 Система управления лифта, предназначенная для подключения к устройству диспетчерского контроля, должна предусматривать возможность снятия сигнала с целью передачи от лифта к устройству диспетчерского контроля информации:

а) о срабатывании электрических цепей безопасности;

б) о несанкционированном открывании дверей шахты в режиме «нормальной работы»;

в) об открытии дверей (крышки), закрывающих устройства, предназначенные для проведения эвакуации людей из кабины, а также проведения динамических испытаний на лифте без машинного помещения.

5.5.4 Электрические устройства и цепи безопасности

5.5.4.1 Срабатывание электрического устройства безопасности должно предотвращать пуск электродвигателя главного привода или вызывать его остановку.

Электрические устройства безопасности должны быть включены в цепь безопасности, за исключением концевого выключателя, действующего в цепи главного тока электродвигателя.

5.5.4.2 В состав электрического устройства безопасности могут входить:

а) один или несколько контактов безопасности, соответствующих требованиям 5.5.4.5 и отключающих питание контакторов включения электродвигателя главного привода и тормоза лифта по 5.5.4.1;

б) электрические цепи безопасности, состоящие из следующих деталей или их сочетаний:

- одного или нескольких контактов безопасности по 5.5.4.5, напрямую не отключающих питание контакторов включения электродвигателя главного привода и тормоза лифта;

- иные контакты, не предусмотренные 5.5.4.5;

- электронные компоненты.

Выходной сигнал, поступающий от электрического устройства безопасности, не должен изменяться при воздействии внешнего сигнала, поступающего от другого электрического устройства, размещенного в этой же цепи.

Электрические цепи, предназначенные для регистрации или задержки сигналов, искрогашения, даже в случае неисправности не должны препятствовать или задерживать размыкание цепи безопасности при срабатывании электрических устройств безопасности.

Для контактов безопасности должна быть предусмотрена изоляция на напряжение:

- 250 В - при степени защиты корпуса не менее IP4X;

- 500 В - при степени защиты корпуса менее IP4X.

5.5.4.3 Совмещение в электрическом устройстве безопасности функций устройства безопасности и рабочего устройства с использованием гальванически связанных контактов не допускается.

5.5.4.4 Для передачи выходного сигнала в электрических устройствах безопасности должны быть применены аппараты с контактным разрывом электрической цепи. Применение магнитоуправляемых контактов (герконов) не допускается.

5.5.4.5 Срабатывание контакта безопасности должно происходить за счет его принудительного размыкания.

5.5.4.6 Допускается подключение к электрической цепи безопасности устройств для сбора информации. Применяемые для сбора информации устройства должны отвечать требованиям к электрическим цепям безопасности 5.5.4.2. Не допускается включение параллельно электрическим контактам устройств безопасности каких-либо других электротехнических устройств или их шунтирование, за исключением случаев, приведенных в 5.5.3.10, 5.5.3.13, 5.5.4.13, 5.5.4.14, 5.5.4.19, 5.5.4.21.

После переключения лифта в режим «нормальная работа» из режимов, указанных в 5.5.3.11, 5.5.3.12, 5.5.4.19, движение кабины должно быть возможно только после размыкания цепей, шунтирующих контакты электрических устройств безопасности, и восстановления их действия в системе управления.

Допускается параллельно контактам выключателей безопасности включать элементы для искрогашения или улучшения коммутации. Такие элементы должны соответствовать требованиям 5.5.4.2 к электрическим цепям безопасности.

5.5.4.7 К электрическим устройствам безопасности в лифтах относят устройства:

- контроля перехода кабиной лифта крайних этажных площадок (концевые выключатели) (см. 5.5.4.9);

- контроля закрытия двери шахты (см. 5.5.4.12);

- контроля натяжения ремней (см. 5.5.4.14);

- контроля запирания автоматического замка двери шахты (см. 5.5.4.15);

- контроля закрытия створки двери шахты, не оборудованной замком (см. 5.5.4.16);

- контроля закрытия двери шахты для технического обслуживания оборудования, аварийной двери или смотрового люка в шахте (см. 5.5.4.17);

- контроля закрытия двери кабины (см. 5.5.4.18);

- контроля запирания замка аварийной двери или люка кабины (см. 5.5.4.19);

- срабатывания ограничителя скорости кабины (см. 5.5.4.20);

- контроля возврата ограничителя скорости кабины в исходное положение (см. 5.5.4.21);

- для остановки лифта (выключатель, кнопка «Стоп») (см. 5.5.4.22);

- контроля срабатывания ловителей (см. 5.5.4.23);

- контроля обрыва или относительного перемещения тяговых элементов (см. 5.5.4.24);

- контроля обрыва или вытяжки каната ограничителя скорости (см. 5.5.4.25);

- контроля натяжения уравновешивающих канатов (см. 5.5.4.26);

- контроля срабатывания устройства, ограничивающего подскок натяжного устройства уравновешивающих канатов (см. 5.5.4.2);

- контроля положения съемного устройства для ручного перемещения кабины (положения съемного штурвала) (см. 5.5.4.28);

- отключения цепей управления из шахты (см. 5.5.4.30);

- отключения цепей управления из блочного помещения (см. 5.5.4.31);

- контроля положения площадки обслуживания (см. 5.5.4.32);

- контроля положения блокировочного устройства (см. 5.5.4.33);

- контроля положения механических устройств для остановки кабины (см. 5.5.4.34)

- контроля положения складного ограждения на крыше кабины (см. 5.5.4.35);

- контроля положения складного щита под порогом кабины (см. 5.5.4.36);

- контроля положения механизма, блокирующего канат безопасности (см. 5.5.4.37);

- контроля положения рычага, соединенного с ловителями (см. 5.5.4.38);

- контроля положения упора, предотвращающего опускание кабины (см. 5.5.4.39).

5.5.4.8 Срабатывание концевого выключателя должно происходить при переходе:

а) кабиной лифта уровня крайней нижней этажной площадки, но до соприкосновения кабины с ее буферами (упорами);

б) кабиной лифта, оборудованного в нижней части шахты буфером (упором) для взаимодействия с противовесом, уровня крайней верхней этажной площадки, но до соприкосновения противовеса с этим буфером (упором);

в) кабиной лифта, оборудованного уравновешивающим грузом, уровня крайней верхней этажной площадки не более чем на 200 мм. При размещении буфера на кабине концевой выключатель должен сработать до соприкосновения буфера с соответствующим упором в шахте.

При нахождении кабины (противовеса) на сжатых буферах контакты концевого выключателя должны быть разомкнуты. После срабатывания концевого выключателя лифт не должен автоматически возвращаться в режим «нормальная работа».

5.5.4.9 Концевые выключатели должны размыкать цепи питания двигателя и тормоза согласно 5.5.4.5. Допускается включение концевых выключателей в цепь безопасности в случаях, указанных в 5.5.4.11.

В лифтах с лебедкой с канатоведущим шкивом или барабаном трения допускается отключать электрическую цепь питания катушек контакторов, включенных в цепь питания электродвигателя главного привода и тормоза, электрическим устройством безопасности по 5.5.4.5.

Срабатывание концевого выключателя в лифтах с регулируемым приводом постоянного или переменного тока должно вызывать остановку лифта за минимальное для данной системы управления время.

5.5.4.10 При установке концевого выключателя в цепи управления лифта, оборудованного лебедкой с канатоведущим шкивом или барабаном трения, должно быть предусмотрено двойное прерывание электрической цепи главного тока электродвигателя двумя независимыми электромагнитными аппаратами. Контакты этих электромагнитных аппаратов должны быть включены последовательно в цепь главного тока электродвигателя; при этом допускается одно прерывание цепи главного тока осуществлять бесконтактным устройством [при соблюдении требований 5.5.2.3, перечислений в), г)].

Если при остановке привода один из электромагнитных аппаратов или бесконтактное устройство не прервали цепь главного тока электродвигателя, возможность дальнейшего перемещения кабины лифта должна быть предотвращена не позднее следующего изменения направления движения.

5.5.4.11 Допускается установка концевых выключателей в цепь безопасности лифта, оборудованного барабанной лебедкой или лебедкой со звездочкой. В этом случае следует устанавливать не менее двух концевых выключателей, действующих в каждом из направлений движения кабины и приводимых в действие независимыми элементами.

Концевые выключатели должны действовать на отдельные электромагнитные аппараты цепи управления, обеспечивающие двойное прерывание электрической цепи главного тока электродвигателя. Если при остановившейся кабине один из электромагнитных аппаратов не прервал цепь главного тока, возможность дальнейшего перемещения кабины лифта должна быть предотвращена не позднее следующего изменения направления движения.

5.5.4.12 Электрическое устройство безопасности, контролирующее по 5.4.1.14 закрытие дверей шахты, должно размыкать по 5.5.4.5 цепь безопасности; движение кабины должно быть исключено, если хотя бы одна из створок дверей шахты не закрыта, за исключением случаев, указанных в 5.4.1.13.1, 5.5.3.14.

5.5.4.13 Для обеспечения трогания кабины с уровня этажной площадки при незапертом автоматическом замке двери шахты по 5.4.1.13.1 допускается шунтирование контактов электрического устройства безопасности, контролирующего запирание автоматического замка при нахождении кабины в пределах ± 200 мм от уровня этажной площадки.

5.5.4.14 Электрическое устройство безопасности, контролирующее натяжение ремней по 5.4.3.7, должно размыкать цепь безопасности при ослаблении натяжения ремней.

5.5.4.15 Электрические устройства безопасности, контролирующие по 5.4.1.13.3 запирание автоматических замков дверей шахты, должны размыкать цепь безопасности при незапертых дверях.

5.5.4.16 Электрическое устройство безопасности, контролирующее по 5.4.1.14 закрытие непосредственно не связанных и не запираемых створок двери шахты, должно размыкать цепь безопасности при открытой любой одной створки двери шахты.

5.5.4.17 Электрическое устройство безопасности по 5.4.1.16.5, контролирующее закрытие двери для технического обслуживания оборудования, аварийной двери или смотрового люка, должно размыкать цепь безопасности при их открытии.

5.5.4.18 Электрическое устройство безопасности по 5.4.4.8.10, контролирующее закрытие двери кабины, должно размыкать цепь безопасности при ее открытии.

5.5.4.19 Электрическое устройство безопасности по 5.4.4.11, контролирующее запирание аварийной двери или люка кабины, должно размыкать цепь безопасности при их отпирании.

Возврат в режим нормальной эксплуатации должен осуществлять обслуживающий персонал.

5.5.4.20 Электрическое устройство безопасности по 5.4.7.8 должно размыкать цепь безопасности до достижения движущейся вниз кабиной скорости, при которой происходит срабатывание ограничителя скорости. У лифта с номинальной скоростью не более 1,0 м/с допускается размыкание цепи управления на скорости срабатывания.

5.5.4.21 Электрическое устройство безопасности, контролирующее по 5.4.7.9 возврат ограничителя скорости в исходное состояние, должно размыкать цепь безопасности при невозвращении ограничителя скорости в исходное состояние. Допускается шунтировать указанное устройство при управлении лифтом из машинного помещения или с устройства по 5.3.4.5 для снятия кабины (противовеса) с ловителей.

5.5.4.22 Устройства на крыше кабины, в машинном помещении или на устройстве по 5.3.4.5 для остановки лифта должны размыкать цепь безопасности при ручном воздействии на них.

5.5.4.23 Электрическое устройство безопасности, контролирующее по 5.4.6.8 срабатывание ловителей, должно размыкать цепь безопасности при срабатывании ловителей.

5.5.4.24 Электрическое устройство безопасности, контролирующее по 5.4.9.8.3 обрыв или относительное перемещение (ослабление) тяговых элементов, должно размыкать цепь безопасности при обрыве или относительном перемещении (ослаблении) тяговых элементов.

5.5.4.25 Электрическое устройство безопасности, контролирующее по 5.4.7.6.4 обрыв или вытяжку каната ограничителя скорости, должно размыкать цепь безопасности при обрыве или вытяжке каната более регламентированного значения.

5.5.4.26 Электрическое устройство безопасности, контролирующее по 5.4.9.9 натяжение уравновешивающих канатов, должно размыкать цепь безопасности при ослаблении натяжения.

5.5.4.27 Электрическое устройство безопасности, контролирующее по 5.4.9.9 подскок натяжного устройства уравновешивающих канатов, должно размыкать цепь безопасности при срабатывании устройства, ограничивающего подскок натяжного устройства.

5.5.4.28 Электрическое устройство безопасности, контролирующее положение съемного штурвала по 5.4.3.10, перечисление б), должно размыкать цепь безопасности не позднее установки штурвала на лебедку.

5.5.4.29 Электрическое устройство безопасности, контролирующее возврат в исходное положение буфера энергорассеивающего типа по 5.4.8.4.3, должно размыкать цепь безопасности, если буфер не возвращается в исходное положение более чем на 50 мм.

5.5.4.30 Электрическое устройство(а) безопасности, устанавливаемое(ые) в шахте по 5.2.11.5, должно(ы) быть несамовозвратным(ыми) и размыкать цепь безопасности от ручного воздействия.

5.5.4.31 Электрическое устройство безопасности, устанавливаемое в блочном помещении по 5.3.4.8 должно быть несамовозвратным и размыкать цепь безопасности от ручного воздействия.

5.5.4.32 Электрическое устройство безопасности, контролирующее положение площадки по 5.3.4.8 должно размыкать цепь безопасности при выводе ее из исходного (нерабочего) состояния.

5.5.4.33 Электрическое устройство безопасности, контролирующее положение блокировочного устройства по 5.3.4.6, должно размыкать цепь безопасности при приведении в действие устройства.

5.5.4.34 Электрическое устройство безопасности, контролирующее положение механических устройств для остановки кабины по 5.2.10.1, 5.2.10.4, 5.2.11.4, 6.2.3 и 6.2.7, должно размыкать цепь безопасности при установке устройства.

5.5.4.35 Электрическое устройство безопасности, контролирующее положение складного ограждения на крыше кабины по 5.4.4.3.3.1, должно размыкать цепь безопасности при установке ограждения.

5.5.4.36 Электрическое устройство безопасности, контролирующее положение складного щита под порогом кабины по 5.4.4.5, должно размыкать цепь безопасности при невозврате щита в рабочее состояние.

5.5.4.37 Электрическое устройство безопасности, контролирующее положение механизма, блокирующего канат безопасности по 6.6.4.3.1, должно размыкать цепь безопасности не позднее момента блокирования каната.

5.5.4.38 Электрическое устройство безопасности, контролирующее положение рычага по 6.6.4.4, должно размыкать цепь безопасности не позднее момента выхода рычага.

5.5.4.39 Электрическое устройство безопасности, контролирующее положение упоров по 6.7.9, должно размыкать цепь безопасности, если упоры не во втянутом состоянии.

5.5.5 Электропроводка и электрооборудование

5.5.5.1 Изолированные проводники цепей управления, освещения, сигнализации, силовых и др. напряжением не более 460 В, относящиеся к одному лифту, допускается прокладывать совместно (в одном пучке, одной трубе, одном коробе, одном кабеле и т.д.) при условии, что изоляция каждого из этих проводников рассчитана на самое высокое напряжение.

5.5.5.2 Присоединительные зажимы электрических машин, аппаратов и клеммных наборов должны соответствовать типу и сечению применяемого провода (кабеля).

Если после размыкания одного или нескольких главных выключателей некоторые клеммы остаются под напряжением, то они должны быть отделены от клемм, не находящихся под напряжением, а при напряжении на них более 50 В они должны быть промаркированы.

5.5.5.3 Электрическое оборудование лифта должно иметь необходимые символы и/или обозначения, облегчающие его наладку и обслуживание в соответствии со стандартами. Контакторы, реле, плавкие предохранители и клеммные наборы цепей, идущих к панелям управления, должны быть промаркированы в соответствии с электрической схемой. Необходимые данные предохранителя, такие как его номинал и тип, должны быть указаны или на самом предохранителе, или на его патроне.

Провода, подходящие к зажимам клеммных наборов, а также к зажимам электрооборудования, должны иметь маркировку. Допускается осуществлять маркировку проводов цветом.

5.5.5.4 Для защиты от механических повреждений защитная оболочка кабелей и проводов должна полностью заходить в корпус выключателей или других устройств или заканчиваться соответствующим уплотнением.

Закрытые каркасы дверей кабины и шахты лифта могут рассматриваться в качестве кожухов электрических устройств; однако при наличии опасности механического повреждения вследствие перемещения деталей или острых кромок самого каркаса провода, подключаемые к устройствам безопасности, должны иметь механическую защиту.

5.5.5.5 Конструкция и размещение электрических разъемов и других съемных электрических устройств, устанавливаемых в электрические цепи безопасности, должны исключать возможность их неправильной установки, если неправильное подключение таких устройств может привести к опасным сбоям в работе лифта.

5.5.5.6 Кабели и шланги токоподвода должны быть размещены и укреплены таким образом, чтобы при движении кабины исключалась возможность их зацепления за находящиеся в шахте конструкции и их механического повреждения.

При применении для токоподвода нескольких кабелей или шлангов они должны быть скреплены между собой.

5.5.5.7 Заземление электроустановок переменного и постоянного токов напряжением до 1 кВ в лифтах может быть выполнено по одной из следующих систем исполнений: TN-C, TN-S, TN-C-S, IT (система TN - система, в которой нейтраль источника питания глухо заземлена, а открытые проводящие части электрооборудования лифта присоединены к глухозаземленной нейтрали источника посредством нулевых защитных проводников).

Первая буква - состояние нейтрали источника питания относительно земли:

I - изолированная нейтраль, Т - заземленная нейтраль.

Вторая буква - состояние открытых проводящих частей относительно земли:

Т - открытые проводящие части заземлены независимо от отношения к земле нейтрали источника питания или какой-либо точки питающей сети;

N- открытые проводящие части присоединены к глухозаземленной нейтрали источника питания.

Последующие (после N) буквы - совмещение в одном проводнике или разделение функций нулевого рабочего и нулевого защитного проводников.

S - нулевой рабочий (N) и нулевой защитный (РЕ) проводники разделены; система TN-C - система TN, в которой нулевой защитный и нулевой рабочий проводники совмещены в одном проводнике на всем ее протяжении (см. рисунок 6);

1 - заземлитель нейтрали (средней точки) источника питания; 2 - открытые проводящие части; 3 - источник питания
постоянного тока

Рисунок 6 - Система TN-C переменного (а) и постоянного (б) тока. Нулевой защитный
и нулевой рабочий проводники совмещены в одном проводнике

система TN-S - система TN, в которой нулевой защитный и нулевой рабочий проводники разделены на всем ее протяжении (см. рисунок 7);

1 - заземлитель нейтрали источника переменного тока; 1-1 - заземлитель вывода источника постоянного тока; 1-2 – заземли-
тель средней точки источника постоянного тока; 2 - открытые проводящие части; 3 - источник питания

Рисунок 7 - Система TN-S переменного (а) и постоянного (б) тока. Нулевой защитный
и нулевой рабочий проводники разделены

система TN-C-S - система TN, в которой функции нулевого защитного и нулевого рабочего проводников совмещены в одном проводнике в какой-то ее части, начиная от источника питания (см. рисунок 8);

1 - заземлитель нейтрали источника переменного тока; 1-1 - заземлитель вывода источника постоянного тока; 1-2 – заземли-
тель средней точки источника постоянного тока; 2 - открытые проводящие части; 3 - источник питания

С - функции нулевого защитного и нулевого рабочего проводников совмещены в одном проводнике (PEN-проводник);

N - нулевой рабочий (нейтральный) проводник;

РЕ - защитный проводник (заземляющий проводник, нулевой защитный проводник, защитный проводник системы уравнивания потенциалов);

PEN  - совмещенный нулевой защитный и нулевой рабочий проводники.

Рисунок 8 - Система TN-C-S переменного (а) и постоянного (б) тока. Нулевой защитный
и нулевой рабочий проводники совмещены в одном проводнике в части системы

система IT - система, в которой нейтраль источника питания изолирована от земли или заземлена через приборы или устройства, имеющие большое сопротивление, а открытые проводящие части электрооборудования лифта заземлены (см. рисунок 9).

1 - сопротивление заземления нейтрали источника питания (если имеется); 2 - заземлитель; 3 - открытые проводящие части;
4 - заземляющее устройство электрооборудования лифта; 5 - источник питания

Рисунок 9 - Система IT переменного (а) и постоянного (б) токов

Открытые проводящие части электрооборудования лифта заземлены. Нейтраль источника питания изолирована от земли или заземлена через большое сопротивление.

В жилых и общественных зданиях рекомендуется выполнять питание электрооборудования лифта от сети - 380/220 В с системой заземления TN-S или TN-C-S.

При этом не допускаются:

- объединение нулевых защитных и нулевых рабочих проводников различных групповых линий;

- подключение на общий контакт нулевого рабочего и нулевого защитного проводников. Сечение нулевых рабочих проводников должно быть равно сечению фазных проводников. Сечение PEN-проводников должно быть не менее сечения N-проводников и не менее 10 мм2 по меди независимо от сечения фазных проводников.

Сечение PE-проводников, не входящих в состав кабеля, должно быть не менее 2,5 мм2 при наличии механической защиты и 4 мм2 - при ее отсутствии.

Сечение PE-проводников должно равняться сечению фазных проводников при сечении последних до 16 мм2, 16 мм2 при сечении фазных проводников от 16 до 35 мм2 и 50 % сечения фазных проводников при больших сечениях.

5.5.5.8 Заземление лифтового оборудования напряжением до 48 В включительно допускается выполнять многожильным медным проводом сечением не менее 1,5 мм2.

5.5.5.9 Электропроводка в машинном помещении, шахте лифта и кабине должна соответствовать следующим требованиям:

а) электропроводка должна выполняться изолированными проводами или кабелями с резиновой или равнозначной ей изоляцией;

б) сечение жил кабелей и проводов медных жил должно быть не менее 0,75 мм2;

в) при применении на участке цепей управления от этажных соединителей (зажимов) и соединителей (зажимов) на кабине до аппаратов, устанавливаемых в шахте и на кабине, а также на участках цепей управления, обеспечивающих безопасность пользования лифтом или подверженных частым ударам и вибрациям с применением медных многопроволочных жил, сечение их может быть снижено:

- в цепях присоединения аппаратов безопасности не менее 0,5 мм2,

- в остальных цепях не менее 0,35 мм2;

г) в местах присоединения провода должны быть промаркированы.

5.5.5.9 Токоподвод к кабине, а также к противовесу в случае установки на нем выключателей безопасности или других аппаратов должен быть выполнен гибкими кабелями или гибкими проводами с медными жилами сечением не менее 0,75 мм2, заключенными в общий резиновый или равноценный ему шланг. В токоподводе должно быть предусмотрено не менее 5 % резервных жил от общего числа используемых, но не менее двух жил.

5.5.6 Освещение и розетки питания

5.5.6.1 Питание электрического освещения кабины, шахты и пространства дня размещения оборудования лифта, а также розеток для подключения инструмента может быть осуществлено от осветительной сети здания (сооружения).

5.5.6.2 Освещение кабины может включаться (отключаться) автоматически и(или) выключателем ручного действия.

5.5.6.3 Выключатели ручного действия освещения кабины и питания розетки на крыше кабины, если они необходимы, должны быть установлены в машинном помещении, а при его отсутствии - в запираемом шкафу по 5.3.4.10.

В машинном помещении, общем для нескольких лифтов, на каждую кабину должен быть свой выключатель, расположенный поблизости от устройства по 5.5.1.2.

5.5.6.4 При установке розеток для переносных ламп в помещении для размещения оборудования, на крыше кабины, в приямке или под кабиной напряжение их питания должно быть не более 42 В.

5.5.6.5 Напряжение питания электрических розеток для подключения электрического инструмента должно быть не более 254 В.

5.5.6.6 Шахта лифта должна быть оборудована стационарным электрическим освещением, обеспечивающим при проведении работ по техническому обслуживанию освещенность не менее 50 лк в 1 м над крышей кабины и полом приямка даже при всех закрытых дверях шахты.

Крайние аппараты освещения устанавливают на расстоянии не более чем 500 мм от самой верхней и самой нижней точек шахты.

Остекленную, огражденную сеткой или частично огражденную шахту допускается не оборудовать стационарной электрической осветительной аппаратурой, если наружное освещение обеспечивает освещенность внутри шахты не менее 50 лк.

5.5.6.7 Этажные площадки должны быть обеспечены стационарным электрическим освещением. Освещенность должна быть не менее 50 лк на уровне пола.

5.5.6.8 Площадка перед входом в помещение, в котором размещено оборудование лифта, должна быть обеспечена стационарным электрическим освещением. Освещенность должна быть не менее 50 лк на уровне пола.

5.5.6.9 Машинное помещение должно быть обеспечено стационарным электрическим освещением. Освещенность должна быть не менее 50 лк на уровне пола.

5.5.6.10 Блочное помещение должно быть обеспечено стационарной осветительной аппаратурой. Освещенность блока (блоков) должна быть не менее 100 лк.

5.5.6.11 Зоны размещения оборудования в машинном помещении и его технического обслуживания должны быть обеспечены стационарной осветительной аппаратурой. Освещенность оборудования должна быть не менее 200 лк.

5.5.6.12 Рабочие зоны и пространства, предназначенные для размещения оборудования лифта без машинного помещения в шахте, традиционно размещаемого в машинном помещении (шкаф управления, лебедка, ограничитель скорости и т.п.), должны быть обеспечены стационарной осветительной аппаратурой. Освещенность оборудования должна быть не менее 200 лк на уровне зон их размещения.

5.5.6.13 Шкаф по 5.3.4.10, в котором размещено оборудование лифта, должен быть обеспечен стационарным электрическим освещением. Освещенность оборудования должна быть не менее 200 лк.

5.5.6.14 Устройства управления по 5.3.4.5 должны быть обеспечены стационарным электрическим освещением. Освещенность панели должна быть не менее 100 лк.

5.5.6.15 Кабина должна быть обеспечена стационарным электрическим освещением. Освещенность кабины должна быть не менее 50 лк на уровне пола.

6 Требования безопасности и/или защитные меры к гидравлическим лифтам

6.1 Общие требования к строительной части

Строительная часть должна удовлетворять требованиям 5.1 со следующим дополнением:

- гидроцилиндры лифта должны находиться в той же шахте, что и кабина. Они могут уходить ниже уровня дна приямка.

6.2 Шахта

Шахта лифта должна удовлетворять требованиям 5.2 и 6.2.1 - 6.2.8.

6.2.1 В шахте лифта допускаются отверстия, необходимые для работы лифта и расположенные между шахтой и машинным помещением и между шахтой и шкафом управления гидравлического лифта.

6.2.2 Высота шахты гидравлического лифта должна быть такой, чтобы при нахождении плунжера гидроцилиндра в крайнем положении, соответствующем его предельному ходу, обеспечивались:

1) возможность перемещения кабины по направляющим на расстояние не менее (0,1 + 0,035 v2) м;

2) зазор между нижней частью перекрытия шахты и частями направляющих башмаков или роликов креплением канатов, перемычкой или частями вертикально-раздвижных дверей - не менее (0,1 + 0,035 v2);

3) зазор между самой нижней частью перекрытия шахты и самыми высокими частями движущейся вверх головки плунжера должно быть не менее 100 мм;

4) для лифтов прямого действия значение 0,035 v2 из вышеприведенных 1) и 2) в расчет не принимают.

6.2.3 Для обеспечения безопасности обслуживания персонала, находящегося на крыше кабины, следует выполнять как минимум одно из следующих требований:

а) высота шахты должна быть такой, чтобы при нахождении плунжера гидроцилиндра в крайнем положении, соответствующем его предельному ходу, одновременно обеспечивалось:

- зазор между уровнем площадки на крыше кабины, предназначенной для размещения обслуживающего персонала, и расположенной в проекции кабины нижней частью перекрытия шахты (включая балки и размещенные под перекрытием конструктивные элементы) - не менее (1,0 + 0,035 v2) м,

- над кабиной оставалось свободное пространство, достаточное для размещения параллелепипеда размером не менее 500×600×800 мм, лежащего на одной из своих граней. У лифтов с прямой подвеской тяговые канаты и их крепления могут находиться в этом пространстве при условии расположения канатов на расстоянии, не превышающем 150 мм от одной из вертикальных поверхностей параллелепипеда;

б) наличие механического устройства, обеспечивающего остановку кабины в верхней части шахты. После остановки кабины расстояние между уровнем площадки на крыше кабины, предназначенной для размещения обслуживающего персонала, и расположенной в проекции кабины нижней частью перекрытия шахты (включая балки и размещенные под перекрытием конструктивные элементы) должно быть не менее 1600 мм. Приведение в действие устройства следует контролировать электрическим устройством безопасности по 5.5.4.34.

6.2.4 Под верхним перекрытием шахты допускается установка направляющих блоков, ограничителя скорости, элементов подвески канатов и т.д. при условии обеспечения возможности их технического обслуживания и выполнения требований 6.2.2.

6.2.5 Под верхним перекрытием шахты должно быть установлено устройство (устройства) для подвески грузоподъемного средства, предназначенного для монтажных и ремонтных работ. На этом устройстве или рядом с ним должна быть указана его грузоподъемность или допустимая нагрузка.

6.2.6 Приямок

В нижней части шахты лифта должен быть предусмотрен приямок.

Приямок должен быть защищен строительными мероприятиями от попадания в него грунтовых и сточных вод.

После установки креплений направляющих, буферов и другого оборудования приямок должен быть водонепроницаемым.

6.2.7 Для обеспечения безопасности обслуживания персонала, находящегося в приямке лифта, следует выполнять как минимум одно из следующих требований:

а) при нахождении кабины на полностью сжатых буферах должно обеспечиваться свободное пространство в приямке, достаточное для размещения прямоугольного параллелепипеда размером не менее 500×600×1000 мм, лежащего на одной из своих граней, и зазор от пола приямка до нижних частей кабины - не менее 500 мм.

Допускается уменьшение зазора до 50 мм между полом приямка и башмаками, щитами под порогами кабины, элементами вертикально-раздвижных дверей кабины, деталями ловителей и каркаса кабины, расположенными в пределах 200 мм от направляющих, а также деталями рамы кабины гидравлического лифта;

б) наличие механического устройства, обеспечивающего остановку кабины в нижней части шахты. При этом после остановки кабины расстояние между выступающими элементами кабины и полом приямка должно быть не менее 2000 мм, Приведение в действие устройства следует контролировать электрическим устройством безопасности по 5.5.4.34.

6.2.8 При нахождении кабины в самом верхнем и нижнем положениях, определяемых полностью сжатым упором гидроцилиндра, длина направляющих уравновешивающего груза, если такой имеется, должна обеспечить возможность его перемещения на расстояние не менее 100 мм.

6.3 Размещение оборудования

Размещение оборудования гидравлического лифта должно удовлетворять требованиям 5.3, а также следующим требованиям:

- оборудование лифта - гидроагрегат, а также связанные с ними механические, гидравлические и электрические устройства - должно быть недоступно непосредственно для пользователей и посторонних лиц;

- у гидравлического лифта машинное помещение может отсутствовать. В этом случае гидроагрегат, гидравлические и электрические устройства должны быть размещены в металлическом шкафу или нише, имеющей запираемую на замок дверь, перед которой должен быть проход для обслуживания шириной не менее 750 мм. При этом техническое обслуживание, монтаж и демонтаж электрических аппаратов и присоединение к ним проводов должны осуществляться с передней стороны.

Перечисленное оборудование может быть удалено от гидроцилиндра, установленного в шахте лифта, на расстояние не более установленного монтажным чертежом;

- если машинное помещение не прилегает к шахте, гидравлические трубы и электрические кабели, соединяющие машинное помещение с шахтой лифта, должны быть проложены в канале или желобе или по части канала или желоба, специально предназначенного для этой цели;

- в машинном помещении для обслуживания гидроагрегата и ручного перемещения кабины должна быть предусмотрена по крайней мере с одной из сторон зона обслуживания (свободная площадка) размером не менее 500×600 мм.

6.4 Механическое оборудование лифтов

6.4.1 Дверь шахты

Дверь шахты должна удовлетворять требованиям 5.4.1, а также следующему требованию:

- в зоне отпирания дверей разрешается перемещение кабины с открытыми дверями: выравнивание, повторное выравнивание или включение системы, препятствующей сползанию кабины на уровне соответствующей этажной площадки, при условии выполнения требований 6.6.3.

6.4.2 Направляющие

Направляющие гидравлического лифта должны удовлетворять требованиям 5.4.2, а также следующим требованиям:

- движение кабины и уравновешивающего устройства кабины следует осуществлять по жестким направляющим;

- движение головки плунжера (цилиндра) гидравлического лифта непрямого действия следует осуществлять по жестким направляющим.

Это требование не распространяется на тяговые гидроцилиндры при условии, что тяговое устройство не вызывает изгибающих нагрузок плунжера;

- в гидравлических лифтах непрямого действия части направляющей системы головки плунжера не должны входить в вертикальную проекцию крыши кабины.

6.4.3 Кабина

Кабина лифта должна удовлетворять требованиям 5.4.4.

6.4.4 Уравновешивающее устройство кабины

Уравновешивающее устройство кабины лифта должно удовлетворять требованиям 5.4.5.

6.4.5 Буфера

Лифт должен быть оборудован буферами, ограничивающими перемещение кабины вниз. Буфера кабины лифта должны удовлетворять требованиям 5.4.8, а также следующим требованиям:

- буфера должны удерживать в неподвижном состоянии кабину с номинальной загрузкой на уровне, не превышающем 120 мм ниже уровня самой нижней посадочной площадки;

- буфер, перемещающийся вместе с кабиной, должен взаимодействовать с фундаментом (упором), расположенным на дне приямка;

- при полностью сжатых буферах плунжер не должен ударяться об основание гидроцилиндра;

- возможны следующие типы буферов:

а) энергонакопительные,

б) энергонакопительные с амортизированным обратным ходом,

в) энергорассеивающие;

- лифт с номинальной скоростью, не превышающий 0,3 м/с, допускается оборудовать буферами в виде жестких упоров.

6.4.6 Тяговые элементы и подвеска

Кабина и уравновешивающее устройство кабины лифта непрямого действия должны быть подвешены на стальных проволочных канатах или стальных цепях с параллельными звеньями или на приводных роликовых (втулочных) цепях.

Тяговые элементы и подвеска лифта должны удовлетворять требованиям 5.4.9, а также следующим требованиям:

- номинальный диаметр стальных проволочных тяговых канатов должен быть не менее 6 мм;

- количество канатов или цепей гидравлического лифта непрямого действия должно быть не менее двух на каждый гидроцилиндр;

- электрическое устройство безопасности по 5.5.4.24 должно размыкать цепь безопасности при относительном перемещении (ослаблении) тяговых элементов сверх значения, допускаемого устройством по 5.4.9.8.1, и обрыве одного, нескольких или всех тяговых элементов.

Для гидравлических лифтов с двумя и более гидроцилиндрами это требование распространяется на каждый комплект подвески;

- для канатоведущих шкивов, блоков и звездочек должны быть приняты меры в соответствии с таблицей 4 во избежание:

а) телесных повреждений,

б) спадания канатов и цепей при их ослаблении с блоков и звездочек,

в) попадания предметов между канатами (или цепями) и блоками (или звездочками).

Таблица 4

Местоположение блоков и звездочек

Риск согласно п. 6.4.6.4, перечисления

а

б

в

В кабине

на крыше

×

×

×

под полом

 

×

×

На уравновешивающем грузе

 

×

×

В блочном помещении

 

×

 

В шахте

Верх шахты

над кабиной

×

×

 

рядом с кабиной

 

×

 

между приямком и верхом шахты

 

×

×*

Приямок

×

×

×

На ограничителе скорости и его натяжном блоке

 

×

×*

Гидроцилиндр

выдвигающийся вверх

×**

×

 

выдвигающийся вниз

 

×

×*

с механическим синхронизатором

×

×

×

* Требуется только в случае, когда канаты (цепи) заходят на блоки и звездочки горизонтально или под любым углом к горизонтали, не превышающим 90°.

** Как минимум должны быть огорожены выступающие части.

Примечание - Знак «×» означает, что должны быть приняты меры.

6.5 Защитные меры, препятствующие свободному падению, опусканию на повышенной скорости и сползанию кабины

Устройства или комбинация устройств и способы приведения их в действие согласно таблице 5 должны защитить кабину от:

а) свободного падения;

б) опускания на повышенной скорости;

в) сползания кабины ниже уровня этажной площадки более чем на 120 мм и за нижнюю границу зоны отпирания дверей.

Другие устройства или комбинации устройств, а также способы приведения их в действие могут быть использованы только в том случае, если они обеспечивают уровень безопасности, по крайней мере, не ниже устройств, перечисленных в таблице 5.

Таблица 5

Тип гидравлического лифта

Устройство, препятствующее свободному падению или опусканию кабины на повышенной скорости

Устройство, препятствующее сползанию кабины

Дополнительное срабатывание ловителей при движении кабины вниз (см. 6.6.4.3, 6.6.4.4)

Упор (см. 6.7)

Электрическая система, препятствующая сползанию (см. 6.7.10)

Прямого действия

Ловители, срабатывающие от ограничителя скорости (см. 6.6.4.1)

×

×

×

Разрывной клапан (см. 6.8.5.5)

 

×

×

Дроссель (см. 6.8.5.6)

 

×

 

Непрямого действия

Ловители, срабатывающие от ограничителя скорости (см. 6.6.4.1)

×

×

×

Разрывной клапан (см. 6.8.5.5) в сочетании с ловителями, срабатывающими при неисправности механизма подвески (см. 6.6.4.2) или от каната безопасности (см. 6.6.4.3)

×

×

×

Дроссель (см. 6.8.5.6) в сочетании с ловителями (6.6), срабатывающими при неисправности механизма подвески (см. 6.6.4.2) или от каната безопасности (см. 6.6.4.3)

×

×

 

Примечание - «×» - выбираемое альтернативное устройство, препятствующее сползанию кабины.

Приведение в действие ловителей рычагом следует выполнять при соблюдении следующих условий:

- после остановки кабины рычаг, соединенный с ловителями, должен быть выдвинут в положение, в котором он войдет в зацепление с неподвижными стопорами, размещенными на каждой остановочной площадке;

- рычаг должен быть убран при нормальном режиме работы лифта;

- перемещение рычага в рабочее положение следует выполнять с помощью пружин сжатия, перемещающихся по направляющим элементам, или силой тяжести;

- электрическое устройство безопасности по 5.5.4.38, связанное с рычагом, должно вызывать остановку привода не позднее момента выхода рычага и предотвращать любое нормальное движение кабины вниз;

- должны быть приняты меры предосторожности, исключающие непроизвольное срабатывание ловителей от рычага в случае отключения электропитания, при движении кабины вниз;

- конструкциями рычага и системы остановки должно быть предусмотрено исключение повреждения ловителей во время срабатывания даже в случае увеличенного тормозного пути;

- конструкциями рычага и системы остановки должно быть предусмотрено недопущение повреждений при движении кабины вверх.

6.6 Ловители

Ловители, необходимые в соответствии с 6.5.1, должны удовлетворять требованиям 5.4.6, а также требованиям пунктов настоящего подраздела.

6.6.1 Ловители кабины гидравлического лифта прямого действия должны срабатывать только при движении кабины вниз и быть способны остановить и удержать кабину, загруженную согласно таблице 6 (см. 8.1) на скорости срабатывания ограничителя скорости.

6.6.2 Ловители кабины лифта непрямого действия должны срабатывать только при движении кабины вниз и быть способны остановить и удержать кабину с номинальным грузом даже в случае обрыва подвески.

Ловители кабины, противовеса и уравновешивающего устройства кабины должны приводиться в действие:

а) от действия ограничителя скорости при установленной скорости срабатывания или

б) от устройства, контролирующего натяжение канатов, от действия каната безопасности или рычага на скорости, аналогичной скорости срабатывания соответствующего ограничителя скорости.

6.6.3 Снятие кабины с ловителей и автоматический возврат их в исходное положение следует осуществлять только при подъеме кабины.

6.6.4 Средства, вызывающие срабатывание ловителей

Должны быть предусмотрены устройства, вызывающие срабатывания ловителей, предусмотренные 6.5.1.

6.6.4.1 Срабатывание от ограничителя скорости

Срабатывание ловителя от ограничителя скорости должно происходить в соответствии с требованиями 5.4.7.

6.6.4.2 Срабатывание от обрыва тяговых элементов

а) пружины подвески, вызывающие срабатывание ловителей, должны работать на сжатие и иметь направляющие элементы;

б) должна быть предусмотрена возможность проведения испытаний извне шахты лифта для подтверждения срабатывания ловителей при обрыве тяговых элементов;

в) в случае лифтов непрямого действия с несколькими гидроцилиндрами обрыв подвески на одном из этих гидроцилиндров должен вызывать срабатывание ловителей.

6.6.4.3 Срабатывание от каната безопасности:

а) канат безопасности должен быть не менее 6 мм;

б) канат безопасности должен быть натянут силой тяжести или по крайней мере одной пружиной сжатия, перемещающейся по направляющим элементам;

в) при срабатывании ловителей канат безопасности и элементы его крепления должны оставаться неповрежденными даже в случае, если тормозной путь превышает свое установленное значение;

г) разрыв или ослабление каната безопасности должны вызывать остановку лифта с помощью электрического устройства безопасности, отвечающего требованиям 5.5.4;

д) блоки, необходимые для работы каната безопасности, должны быть установлены независимо от любого вала или шкива, канатной или цепной подвески;

е) защитные устройства должны отвечать требованиям таблицы 4.

6.6.4.3.1 Срабатывание ловителей от каната безопасности должно происходить от перемещения кабины вниз при соблюдении следующих условий:

- после остановки кабины лифта канат безопасности, удовлетворяющий требованиям 6.6.4.3 и прикрепленный к ловителю, должен блокироваться усилием аналогично возникающему в канате ограничителя скорости;

- механизм, блокирующий канат, должен быть освобожден при нормальном движении кабины;

- механизм, блокирующий канат, должен срабатывать с помощью направленных пружин сжатия и/или силы тяжести;

- электрическое устройство безопасности по 5.5.4.37, связанное с механизмом, блокирующим канат, должно вызывать остановку привода не позднее момента блокирования каната и предотвращать любое дальнейшее движение кабины вниз;

- должны быть приняты меры, исключающие непроизвольное срабатывание ловителей от каната безопасности в случае отключения электропитания при движении кабины вниз;

- конструкцией системы, образованной канатом и механизмом блокировки каната, должно быть предусмотрено исключение каких-либо повреждений при срабатывании ловителей;

- конструкцией системы, образованной канатом и механизмом блокировки каната, должно быть предусмотрено исключение каких-либо повреждений при движении кабины вверх.

6.6.4.4 Срабатывание от рычага

Приведение в действие ловителей рычагом следует выполнять при соблюдении следующих условий:

- после остановки кабины рычаг, соединенный с ловителями, должен быть выдвинут в положение, в котором он войдет в зацепление с неподвижными стопорами, размещенными на каждой остановочной площадке;

- рычаг должен быть убран при нормальном режиме работы лифта;

- перемещение рычага в рабочее положение следует выполнять с помощью пружин сжатия, перемещающихся по направляющим элементам, или силой тяжести;

- электрическое устройство безопасности по 5.5.4.38, связанное с рычагом, должно вызывать остановку привода не позднее момента выхода рычага и предотвращать любое нормальное движение кабины вниз;

- должны быть приняты меры предосторожности, исключающие непроизвольное срабатывание ловителей от рычага в случае отключения электропитания, при движении кабины вниз;

- конструкциями рычага и системы остановки должно быть предусмотрено исключение повреждения ловителей во время срабатывания даже в случае увеличенного тормозного пути;

- конструкциями рычага и системы остановки должно быть предусмотрено недопущение повреждений при движении кабины вверх.

6.7 Упоры

Упоры, необходимые в соответствии с 6.5.1, должны удовлетворять следующим требованиям.

6.7.1 Упоры должны приводиться в действие только при движении кабины вниз и быть способны останавливать и удерживать кабину, загруженную номинальным грузом:

а) для лифтов, оборудованных дросселем или односторонним дросселем, упоры должны останавливать кабину при скорости v + 0,3 м/с (v - номинальная скорость движения вниз, м/с);

б) для всех других лифтов упоры должны останавливать кабину при скорости, равной 115 %-ной номинальной скорости v движении вниз.

6.7.2 Должен быть предусмотрен по крайней мере один электрически втягиваемый упор, обеспечивающий в выдвинутом положении остановку движущейся вниз кабины на неподвижных опорах.

6.7.3 Для каждой посадочной площадки должны быть предусмотрены опоры:

а) для предотвращения опускания кабины ниже уровня точной остановки более чем на 120 мм и

б) для остановки кабины на нижнем уровне зоны отпирания дверей.

6.7.4 Выдвижение упоров в требуемое положение следует осуществлять с помощью пружин сжатия, перемещающихся по направляющим элементам, или под действием силы тяжести.

6.7.5 При остановке привода лифта питание электрического устройства, вызывающего втягивание упора, должно отключаться.

6.7.6 Конструкцией выдвижных упоров и неподвижных опор должно быть предусмотрено исключение остановки кабины при движении ее вверх и повреждений упорами, находящимися в любом положении.

6.7.7 Упоры должны быть оборудованы буферами.

Буфера упоров должны поддерживать кабину с номинальной нагрузкой в стационарном положении на расстоянии, не превышающем 120 мм ниже уровня любой посадочной площадки, и удовлетворять требованиям 6.4.5.

Буфера могут быть следующих типов:

а) энергонакопительного;

б) энергонакопительного с амортизированным обратным ходом;

в) энергорассеивающего.

6.7.8 При применении нескольких упоров должны быть приняты меры предосторожности, гарантирующие включение всех упоров, даже в случае прекращения подачи электроэнергии при движении кабины вниз.

6.7.9 Электрическое устройство безопасности по 5.5.4.39 должно предупреждать любое движение кабины вниз, если упоры не во втянутом состоянии.

6.7.10 Электрическая система, препятствующая сползанию

Если в соответствии с требованиями 6.5.1 предусмотрена препятствующая сползанию электрическая система, то она должна удовлетворять следующим условиям:

а) при сползании кабины ниже уровня этажной площадки более 120 мм, но не более нижнего края зоны отпирания дверей, привод должен обеспечивать движение вверх независимо от состояния дверей;

б) спустя 15 мин после своего последнего рейса в режиме нормальной эксплуатации возможно автоматическое опускание кабины на самую нижнюю этажную площадку.

6.8 Привод гидравлического лифта

6.8.1 Общие положения

6.8.1.1 Каждый лифт должен быть оснащен по крайней мере одним собственным приводом.

6.8.1.2 Если для подъема кабины используют несколько гидроцилиндров, то для выравнивания давления они должны быть гидравлически соединены.

6.8.1.3 Массу уравновешивающего груза, если такой имеется, рассчитывают таким образом, что в случае разрушения механизма подвески (кабина/уравновешивающий груз) давление в гидравлической системе не превысит двойного значения давления при полной нагрузке.

6.8.2 Гидроцилиндр

6.8.2.1 Расчет корпуса гидроцилиндра и плунжера

Гидроцилиндр и плунжер должны быть сконструированы таким образом, чтобы под действием сил, возникающих от давления, в 2,3 раза превышающего давление при полной нагрузке, коэффициент запаса прочности был не менее 1,7 (при условном пределе текучести Rp0,2).

Прочностные расчеты гидроцилиндров выполняет изготовитель гидроцилиндров или лифта.

6.8.2.2 Соединение плунжера (цилиндра) с кабиной:

а) лифты прямого действия

- в лифтах прямого действия соединение плунжера (цилиндра) с кабиной должно быть гибким;

- соединение плунжера (цилиндра) с кабиной должно выдерживать массу плунжера (цилиндра) и дополнительные динамические нагрузки. Способы соединения должны быть безопасными;

- если плунжер состоит более чем из одной секции, соединения между секциями должны выдерживать массу подвешенных секций плунжера и дополнительные динамические нагрузки;

б) лифты непрямого действия

- в лифтах непрямого действия оголовок плунжера (цилиндра) должен перемещаться по направляющим.

Это требование не распространяется на тяговые гидроцилиндры при условии, что тяговое устройство предотвращает распространение изгибающих сил на плунжер:

- в лифтах непрямого действия части направляющей системы оголовка плунжера не должны входить в вертикальную проекцию крыши кабины;

- должно быть предусмотрено устройство ограничения рабочего хода плунжера.

6.8.2.3 Ограничение длины хода плунжера

Должно быть предусмотрено устройство ограничения рабочего хода плунжера в положении, обеспечивающем требования 6.2.2.

Ограничение хода плунжера должно обеспечиваться:

а) с помощью упора, являющегося неотъемлемой частью гидроцилиндра (среднее замедление кабины при взаимодействии плунжера с упором не должно быть более 9,81 м/с2) или

б) прекращением подачи жидкости к гидроцилиндру с помощью механического устройства между гидроцилиндром и гидроклапаном. Разрыв или разрушение такого устройства не должны приводить к превышению среднего замедления кабины более чем на 9,81 м/с2, а в лифтах непрямого действия замедление не должно приводить к провисанию каната или цепи.

6.8.2.4 Если гидроцилиндр расположен в земле, то он должен быть установлен в защитную трубу.

Если он проходит через иное пространство, то он также должен быть должным образом защищен.

Таким же образом должны быть защищены:

а) разрывной клапан/односторонний дроссель;

б) жесткие трубы, соединяющие разрывной клапан/односторонний дроссель с цилиндром;

в) жесткие трубы, соединяющие разрывной клапан/односторонний дроссель друг с другом.

6.8.2.5 Должен быть обеспечен сбор рабочей жидкости, удаляемой или вытекающей из верхней части цилиндра.

6.8.2.6 Гидроцилиндр должен иметь устройство для выпуска воздуха.

6.8.3 Телескопический гидроцилиндр

6.8.3.1 Телескопический гидроцилиндр имеет следующие дополнительные требования:

а) между последовательными секциями должны быть установлены упоры, предотвращающие выход плунжеров из своих цилиндров;

б) если гидроцилиндр расположен под кабиной лифта прямого действия, то при нахождении кабины на полностью сжатых буферах расстояние в свету между последующими траверсами, а также между самой высокой траверсой и самой низкой частью кабины должно быть не более 0,30 м;

в) длина опорной поверхности каждой секции телескопического гидроцилиндра без внешних направляющих должна быть минимум в два раза больше диаметра соответствующего плунжера.

Такие гидроцилиндры должны быть оборудованы механическими или гидравлическими синхронизаторами;

г) при использовании гидроцилиндров с гидравлическим синхронизатором должно быть предусмотрено электрическое устройство, предотвращающее пуск лифта при давлении, превышающем давление при полной нагрузке более чем на 20 %;

д) если в качестве синхронизатора используют канаты или цепи, то:

- должно быть не менее двух независимых канатов или цепей;

- следует выполнять требования 6.4.6.4;

- коэффициент запаса прочности должен быть минимум 12 для канатов и 10 - для цепей. Расчет максимального усилия следует осуществлять с учетом силы, возникающей от давления при полной нагрузке и числа канатов (или цепей);

- должно быть предусмотрено устройство, которое в случае отказа работы синхронизаторов при движении кабины вниз будет препятствовать превышению ее номинальной скорости более чем на 0,3 м/с.

6.8.4 Трубопровод

6.8.4.1 Трубопровод и фитинги (соединения, клапаны и т.д.), подверженные действию давления, должны:

а) соответствовать используемой рабочей жидкости;

б) быть спроектированы и установлены так, чтобы избежать дополнительных механических нагрузок от крепления, скручивания или вибрации;

в) быть защищены от механических повреждений.

6.8.4.2 Трубопровод и фитинги должны быть закреплены и доступны для осмотра.

Если трубы (жесткие или гибкие) проходят сквозь стены или пол, они должны быть защищены уплотнительными втулками, размеры которых, если это необходимо, позволяют провести демонтаж труб для осмотра.

Не допускается выполнение соединения внутри уплотнительной втулки.

6.8.4.3 Жесткие трубы:

а) жесткие трубы и фитинги между цилиндром и обратным клапаном или клапаном движения вниз должны быть спроектированы таким образом, чтобы под воздействием силы от давления, превышающего в 2,3 раза давление при полной нагрузке, коэффициент запаса прочности был не менее 1,7;

б) при использовании телескопических гидроцилиндров более чем с двумя ступенями и гидравлическим синхронизатором при проведении расчетов труб и фитингов между разрывным клапаном и обратным клапаном или клапаном движения вниз должен быть введен дополнительный коэффициент запаса 1,3;

в) трубы и фитинги между цилиндром и разрывным клапаном должны быть рассчитаны на давление, действующее в гидроцилиндре.

6.8.4.4 Гибкий трубопровод:

а) для гибкого трубопровода (резиновый рукав высокого давления и т.п.) запас прочности по отношению к разрушающему давлению должен быть не менее 4;

б) на гибком трубопроводе должна стоять несмываемая маркировка:

- наименование фирмы-изготовителя и ее торговая марка,

- испытательное давление,

- дата проведения испытания;

в) радиус изгиба при креплении гибкого трубопровода не должен превышать значений, указанных изготовителем.

6.8.5 Гидравлические средства контроля и устройства безопасности

6.8.5.1 Запорный клапан:

а) должен быть предусмотрен запорный клапан, установленный на участке соединения гидроцилиндра с обратным клапаном и клапаном движения вниз;

б) запорный клапан должен быть расположен в машинном помещении.

6.8.5.2 Обратный клапан:

а) должен быть предусмотрен обратный клапан. Он должен быть установлен на участке между насосом и запорным клапаном;

б) обратный клапан должен удержать кабину лифта с номинальной загрузкой в любой точке ее движения в случае падения давления на участке нагнетания ниже минимального рабочего давления;

в) закрытие обратного клапана должно быть осуществлено давлением рабочей жидкости от гидроцилиндра и по крайней мере одной перемещающейся по направляющим элементам пружиной сжатия и/или под действием силы тяжести.

6.8.5.3 Предохранительный клапан:

а) должен быть предусмотрен предохранительный клапан, установленный на участке между насосом и обратным клапаном. Рабочая жидкость должна возвращаться обратно в резервуар;

б) предохранительный клапан должен быть отрегулирован на предельное давление, составляющее 140 % давления при полной загрузке.

6.8.5.4 Клапаны направления:

а) клапан движения вниз

Клапан движения вниз должен открываться подачей на него электропитания. Закрытие клапана должно выполняться давлением рабочей жидкости, передаваемой от гидроцилиндра, и не менее чем одной перемещающейся по направляющим элементам пружиной сжатия;

б) клапаны движения вверх

В качестве клапана движения вверх допускается использовать перепускной клапан. Его открытие должно осуществляться с помощью давления рабочей жидкости, передаваемой от гидроагрегата, и не менее чем одной перемещающейся по направляющим элементам пружиной сжатия.

6.8.5.5 Разрывной клапан

Разрывной клапан, предусмотренный требованиями 6.5.1, должен удовлетворять следующим условиям:

а) разрывной клапан должен быть способен остановить кабину при движении вниз и удерживать ее в неподвижном состоянии. Разрывной клапан должен сработать не позже момента увеличения скорости движения кабины вниз на 0,3 м/с;

б) разрывной клапан должен быть доступен для проведения регулирования и осмотра;

в) разрывной клапан должен быть:

- составной частью гидроцилиндра или

- непосредственно и жестко смонтирован на фланце, или

- размещен рядом с гидроцилиндром и соединен с ним с помощью коротких жестких труб, имеющих сварные, фланцевые или резьбовые соединения, или

- непосредственно смонтирован на гидроцилиндре посредством резьбового соединения.

Другие типы соединений, такие как отжимные фитинги или фитинги с конической развальцовкой, не разрешаются для соединения разрывного клапана с гидроцилиндром;

г) на лифтах с несколькими гидроцилиндрами, работающими параллельно, возможно использование одного общего разрывного клапана или применение отдельного клапана на каждом гидроцилиндре, соединенных друг с другом для одновременного закрывания и исключения наклона пола кабины более чем на 5 % ее нормального положения;

д) разрывной клапан должен быть рассчитан так же, как и гидроцилиндр;

е) в машинном помещении необходимо предусмотреть устройство с ручным управлением, с помощью которого можно добиться необходимого для срабатывания разрывного клапана расхода рабочей жидкости, не перегружая при этом кабину лифта. Это устройство должно быть защищено от непреднамеренных действий, однако оно не должно блокировать устройства безопасности, относящиеся к гидроцилиндру;

ж) разрывной клапан является гидроаппаратом безопасности.

6.8.5.6 Дроссель/односторонний дроссель

Дроссель/односторонний дроссель, предусмотренный требованиями 6.5.1, должен удовлетворять следующим условиям:

а) в случае утечки из гидравлической системы дроссель должен предотвратить увеличение скорости движения кабины вниз с номинальной грузоподъемностью не более чем на 0,3 м/с ее номинального значения;

б) дроссель должен:

- быть доступным для проведения осмотра,

- являться составной частью гидроцилиндра или

- быть смонтирован непосредственно и жестко на фланце, или

- быть расположен рядом с гидроцилиндром и соединен с ним с помощью коротких жестких труб, имеющих сварные, фланцевые или резьбовые соединения, или

- быть смонтирован непосредственно на гидроцилиндре с помощью резьбового соединения.

Другие типы соединений, такие как отжимные фитинги или фитинги с конической развальцовкой для соединения клапана от разрыва с гидроцилиндром, не разрешаются;

в) дроссель рассчитывают так же, как и гидроцилиндр;

г) в машинном помещении должно быть предусмотрено устройство с ручным управлением, с помощью которого можно добиться необходимого для срабатывания дросселя расхода рабочей жидкости, не перегружая при этом кабину лифта. Это устройство должно быть защищено от непреднамеренных действий. Защитное устройство не должно блокировать устройства безопасности, относящиеся к гидроцилиндру;

д) односторонний дроссель с наличием механически движущихся частей считается устройством безопасности, и он должен подвергаться проверке.

6.8.6 Фильтры

На участке между резервуаром и насосом и на участке между запорным клапаном и клапаном движения вниз должны быть установлены фильтры или аналогичные устройства. Фильтр между запорным клапаном и клапаном движения вниз должен быть доступен для технического обслуживания.

6.8.7 Проверка давления

6.8.7.1 Должен быть установлен прибор контроля давления. Он должен быть подключен на участке между обратным клапаном или клапаном движения вниз и запорным клапаном.

6.8.7.2 Между главным контуром и соединением для прибора контроля давления должен быть установлен запорный клапан.

6.8.8 Резервуар

Резервуар должен обеспечить:

а) быстрый контроль уровня рабочей жидкости в резервуаре;

б) легкое наполнение и слив.

6.8.9 Скорость

Номинальная скорость движения кабины не должна превышать 1,0 м/с.

Скорость пустой кабины вверх не должна превышать номинальную скорость движения более чем на 8 % при рекомендованных заводом-изготовителем диапазонах температур рабочей жидкости.

При движении кабины вверх предполагается, что подаваемое электропитание имеет номинальную частоту и номинальное напряжение питания двигателя.

6.8.10 Аварийное управление

6.8.10.1 Движение кабины вниз:

а) лифт должен быть оборудован ручным аварийным клапаном, размещенным в машинном помещении, который позволяет кабине даже в случае отключения электроэнергии опуститься на этажную площадку;

б) скорость кабины при аварийном движении кабины вниз не должна превышать 0,3 м/с;

в) срабатывание клапана аварийного управления должно проходить при постоянном приложении ручного усилия;

г) клапан должен быть защищен от непреднамеренных действий.

6.8.10.2 Движение кабины вверх:

а) любой лифт, кабина которого имеет ловители, должен быть оборудован стационарным ручным насосом для перемещения кабины вверх;

б) ручной насос должен быть присоединен на участке между обратным клапаном или клапаном движения вниз и запорным клапаном;

в) ручной насос должен быть оборудован предохранительным клапаном, ограничивающим давление до уровня, в 2,3 раза превышающего давление при полной загрузке.

6.8.11 Контроль положения кабины

Для лифта, обслуживающего более двух этажей, должна быть предусмотрена возможность контроля из машинного помещения нахождения кабины в зоне отпирания дверей с помощью средств, оснащенных независимым источником питания.

Это требование не относится к лифтам, которые оборудованы механическим устройством, предотвращающим сползание кабины.

6.8.12 Ограничитель времени работы двигателя

6.8.12.1 Гидравлический лифт должен быть оборудован ограничителем времени работы двигателя, который отключает привод и поддерживает его в отключенном состоянии, если привод не вращается после того, как на него была подана команда запуска.

6.8.12.2 Ограничитель времени работы двигателя должен срабатывать за время, не превышающее меньшее из двух следующих значений:

а) 45 с;

б) время, необходимое для прохождения всего пути перемещения кабины лифта плюс 10 с, если все время перемещения составляет менее 10 с.

Возврат в режим нормальной эксплуатации должен осуществляться обслуживающим персоналом.

6.8.12.3 Ограничитель времени работы двигателя даже при его срабатывании не должен блокировать движение кабины в режиме ревизии и работу электрической системы, препятствующей сползанию (см. 6.5).

6.8.13 Защита от перегрева рабочей жидкости

Должно быть предусмотрено устройство, определяющее температуру рабочей жидкости. Остановку кабины и отключение привода следует осуществлять на ближайшей по направлению движения этажной площадке или после выполнения лифтом команды управления (приказа). Автоматический возврат в нормальный режим эксплуатации лифта для движения вверх должен происходить только после достижения рабочей температуры жидкости.

6.9 Электрическое оборудование гидравлического лифта

6.9.1 Общие требования

Электрическое оборудование должно удовлетворять требованиям 5.5 с учетом пунктов настоящего раздела.

6.9.2 Управление в режиме «ревизии»

При переходе в режим «ревизии» должна отключаться электрическая система, препятствующая сползанию кабины (см. 6.7.10).

6.9.3 Управление выравниванием и точным выравниванием с открытыми дверями

В случае, рассмотренном в 6.4.1.1, допускается перемещение кабины с открытыми дверями и при открытых дверях шахты лифта для выравнивания, повторного выравнивания и удержания кабины от сползания при условии:

а) такое перемещение ограничено пределами зоны отпирания дверей;

б) скорость выравнивания и электрического удержания не должна превышать 0,3 м/с.

6.9.4 Концевые выключатели

6.9.4.1 Положение плунжера, соответствующее верхнему пределу перемещения кабины, следует контролировать концевым выключателем даже в случае нахождения плунжера на упоре.

6.9.4.2 Срабатывание концевого выключателя должно вызывать остановку привода и удержание его в состоянии остановки. Концевой выключатель должен автоматически замыкаться при покидании кабины зоны его срабатывания.

7 Требования безопасности и/или защитные меры к малым грузовым лифтам

7.1 Общие требования к строительной части лифтов

Строительная часть малых грузовых лифтов должна удовлетворять требованиям 5.1.

7.2 Шахта

7.2.1 Шахта малых грузовых лифтов должна удовлетворять требованиям 5.2 и пунктам настоящего подраздела.

7.2.2 Требования 5.2.5.6, 5.2.8, 5.2.10.1, 5.2.10.3 - 5.2.10.5, 5.2.11.3 - 5.2.11.5, 5.2.15 к малым грузовым лифтам не применяют.

7.2.3 При нахождении кабины или уравновешивающего устройства кабины лифта, оборудованного лебедкой с барабаном или звездочкой, на полностью сжатых буферах высота направляющих уравновешивающего устройства кабины или кабины должна обеспечивать возможность его дальнейшего перемещения не менее чем на 0,1 м.

Под верхним перекрытием шахты допускается установка направляющих блоков, ограничителя скорости, элементов подвески канатов и т.д. при условии обеспечения возможности их технического обслуживания и выполнения требований 5.2.10.2.

7.2.4 Высота шахты малого грузового лифта должна быть такой, чтобы после остановки пустой кабины (противовеса) в верхней части шахты от срабатывания концевого выключателя обеспечивалась возможность свободного хода кабины (противовеса) вверх на расстояние не менее 200 мм.

7.2.5 Размещение обслуживающего персонала на крыше кабины и малого грузового лифта не допускается.

7.2.6 Глубина приямка грузового малого лифта должна быть такой, чтобы при нахождении кабины на упоре или полностью сжатом буфере расстояние от пола приямка до нижних выступающих частей кабины было не менее 50 мм.

7.3 Размещение оборудования

7.3.1 Размещение оборудования малых грузовых лифтов должно соответствовать требованиям 5.3.

7.3.2 Требования 5.3.3.4 - 5.3.3.7, 5.3.3.9 - 5.3.3.14, 5.3.4 к малым грузовым лифтам не применяют.

7.3.3 Размещение лебедки или направляющих блоков малого грузового лифта допускается выполнять под потолком верхнего обслуживаемого лифтом этажа при условии доступа к лебедке или блокам через проемы, обеспечивающие возможность их обслуживания. Проемы необходимо закрывать сплошными запираемыми дверками, которые должны открываться снаружи специальным ключом. Высота помещения должна быть не менее 800 мм.

7.3.4 Устройства управления могут быть размещены в непосредственной близости от шахты в запираемом металлическом шкафу(ах), перед которым(и) должна быть предусмотрена зона обслуживания (свободная площадка) с размерами:

а) глубина от наружной поверхности шкафа, но не менее 0,75 м;

б) ширина равна полной ширине шкафа, но не менее 0,5 м.

7.3.5 Машинное помещение или помещение для размещения лебедки у малого грузового лифта может отсутствовать. В этом случае лебедка должна быть ограждена металлическим кожухом, запираемым на замок.

7.3.6 При расположении лебедки или направляющих блоков малого грузового лифта в пределах верхнего обслуживаемого лифтом этажа на высоте до 3000 мм от уровня пола этого этажа устройство стационарной лестницы для доступа к проемам обслуживания необязательно.

7.4 Механическое оборудование лифтов

Механическое оборудование малых грузовых лифтов должно удовлетворять требованиям 5.4 и 7.4.1 - 7.4.9.

7.4.1 Дверь шахты

7.4.1.1 Дверь шахты малого грузового лифта должна удовлетворять требованиям 5.4.1 и 7.4.1.2 - 7.4.1.4.

7.4.1.2 У грузового малого лифта может быть применена вертикально-раздвижная дверь шахты. Требования 5.4.1.4, 5.4.1.8.1 к малым грузовым лифтам не применяют.

При этом должны быть выполнены следующие условия:

а) створки двери подвешены не менее чем на двух несущих элементах;

б) коэффициент запаса прочности несущих элементов не менее 8;

в) створки двери, закрываемой (открываемой) вручную, уравновешены.

7.4.1.3 Высота проема двери шахты малого грузового лифта должна быть не более высоты кабины.

7.4.2 Направляющие

Направляющие малого грузового лифта должны удовлетворять требованиям 5.4.2.

7.4.3 Лебедка

7.4.3.1 Лебедка малого грузового лифта должна удовлетворять требованиям 5.4.3 и 7.4.3.2 - 7.4.3.4.

7.4.3.2 К лебедке малого грузового лифта не применяются требования 5.4.3.2, 5.4.3.4, 5.4.3.10, 5.4.3.12 перечисления б) и в).

7.4.3.3 Лебедка и элементы ее крепления должны быть рассчитаны на нагрузки, возникающие в процессе эксплуатации и испытаний лифта.

7.4.3.4 Отношение диаметров шкивов, блоков и барабанов к номинальному диаметру тяговых канатов должно быть не менее 30.

7.4.4 Кабина

7.4.4.1 Кабина малого грузового лифта должна удовлетворять требованиям 5.4.4 и 7.4.4.2 - 7.4.4.8

7.4.4.2 К кабине малого грузового лифта не применяют требования 5.4.4.2.2, 5.4.4.2.3, 5.4.4.3 - 5.4.4.12, 5.4.4.15.

7.4.4.3 Площадь пола кабины малого грузового лифта должна быть не более 1 м2, при этом наибольший линейный размер пола должен быть не более 1450 мм.

7.4.4.4 Высота кабины малого грузового лифта должна быть не более 1250 мм. Если кабина малого грузового лифта разделена по высоте несъемными перегородками на несколько секций, то высота отдельной секции должна быть не более 1250 мм.

7.4.4.5 Под порогом кабины малого грузового лифта щит допускается не устанавливать.

7.4.4.6 Двери кабины малого грузового лифта могут быть вертикально-раздвижными.

7.4.4.7 Кабину малого грузового лифта допускается не оборудовать дверями при наличии устройств, препятствующих самопроизвольному перемещению перевозимых в кабине предметов.

7.4.4.8 При наличии у кабины малого грузового лифта дверей выключатели, контролирующие закрывание (запирание) створок, допускается не устанавливать.

7.4.5 Противовес и уравновешивающее устройство кабины

Противовес и уравновешивающее устройство кабины малого грузового лифта должны удовлетворять требованиям 5.4.5.

7.4.6 Ловители

7.4.6.1 Ловители малого грузового лифта должны удовлетворять требованиям 5.4.6, 7.4.6.2, 7.4.6.3.

7.4.6.2 Требования 5.4.6.3, 5.4.6.4, 5.4.6.5 к малым грузовым лифтам допускается не применять.

7.4.6.3 Ловители малого грузового лифта допускается приводить в действие устройством, срабатывающим от обрыва или от слабины тяговых элементов подвески кабины и противовеса, без применения ограничителя скорости.

7.4.7 Ограничитель скорости

7.4.7.1 Малый грузовой лифт допускается не оборудовать ограничителем скорости.

7.4.7.2 В случае установки на малый грузовой лифт ограничителя скорости он должен удовлетворять требованиям 5.4.7.

7.4.8 Буфера

7.4.8.1 Буфера малого грузового лифта должны удовлетворять требованиям 5.4.8, 7.4.8.2 и 7.4.8.3.

7.4.8.2 Требования 5.4.8.1.3, 5.4.8.3, 5.4.8.4.1, 5.4.8.4.2 к малым грузовым лифтам не применяют.

7.4.8.3 Малый грузовой лифт, оборудованный лебедкой барабанной или со звездочкой, допускается не оборудовать буферами, ограничивающими перемещение кабины вверх.

7.4.9 Тяговые элементы и подвеска

7.4.9.1 Тяговые элементы и подвеска малого грузового лифта должны удовлетворять требованиям 5.4.9 и 5.4.9.2 - 7.4.9.4.

7.4.9.2 Требования 5.4.9.4, 5.4.9.6.2, 5.4.9.6.3, 5.4.9.7, 5.4.9.10 к малым грузовым лифтам не применяют.

7.4.9.3 Коэффициент запаса прочности тяговых элементов должен быть не менее 10, для тяговой цепи - не менее 8.

7.4.9.4 Для подвески кабины, противовеса и/или уравновешивающего устройства малого грузового лифта допускается использовать один тяговый элемент.

7.5 Электрическое оборудование лифтов

7.5.1 Общие требования

Электрическое оборудование малых грузовых лифтов должно удовлетворять требованиям 5.5.

7.5.2 Электропривод лифта

7.5.2.1 Электропривод малых грузовых лифтов должен удовлетворять требованиям 5.5.2 и 7.5.2.2.

7.5.2.2 У малого грузового лифта, оборудованного лебедкой с канатоведущим шкивом, допускается одинарное размыкание цепи главного тока электродвигателя.

7.5.3 Система управления

7.5.3.1 Система управления малого грузового лифта должна удовлетворять требованиям 5.5.3 и 7.5.3.2 - 7.5.3.7.

7.5.3.2 К системе управления малого грузового лифта не применяют требования 5.5.3.14 - 5.5.3.17.

7.5.3.3 Малые грузовые лифты должны иметь наружное управление.

7.5.3.4 Наружное управление малым грузовым лифтом может быть осуществлено с одной, нескольких или со всех погрузочных площадок. При управлении с одной площадки на ней должна быть предусмотрена сигнализация о вызове кабины с каждой погрузочной площадки.

7.5.3.5 У малого грузового лифта на погрузочных площадках, с которых осуществляют управление, должны быть установлены сигнальные устройства «Занято». Сигнал «Занято» должен быть включен при открытой любой двери шахты и во время движения кабины.

7.5.3.6 Малый грузовой лифт должен иметь устройства для управления из запираемого шкафа. Управление из запираемого шкафа должно быть возможно при:

а) исключении действия команд управления от аппаратов, установленных вне запираемого шкафа, кроме кнопки «Стоп»; при этом допускается исключать действие кнопок «Стоп», установленных на погрузочных площадках;

б) предотвращении воздействия подвижной отводки на автоматические замки дверей шахты у лифта, оборудованного такой отводкой;

в) исключении автоматического открывания дверей шахты и кабины;

г) включении сигнала «Занято» у лифта, оборудованного таким устройством.

При управлении из запираемого шкафа пуск кабины и ее движение должны быть возможны только при замкнутых контактах выключателей безопасности, за исключением случаев, указанных в 7.5.3.7.

Для управления из запираемого шкафа должны быть применены кнопки для пуска кабины вверх и вниз, а также кнопка «Стоп».

При управлении из запираемого шкафа кабина должна автоматически останавливаться на уровне нижней и верхней посадочных (погрузочных) площадок.

После каждой остановки пуск кабины должен быть возможен только после вновь поданной команды управления.

7.5.3.7 Допускается движение кабины с помощью электродвигателя после срабатывания концевого выключателя, выключателей-ловителей, буферов, ограничителя скорости и шунтирования контактов этих выключателей контактом (а ми) специального выключателя (переключателя); при этом должны быть выполнены следующие условия:

а) управление должно осуществляться только из запираемого шкафа. При этом должно быть исключено действие команд управления от аппаратов, установленных вне этого помещения или шкафа (кроме кнопки «Стоп»);

б) шунтирующий выключатель (переключатель) должен находиться в запираемом шкафу;

в) скорость движения кабины должна быть не более 0,5 м/с;

г) движение кабины должно осуществляться только вверх при шунтировании контактов выключателей-ловителей кабины и буферов, взаимодействующих с кабиной, а также концевого выключателя, срабатывающего при нахождении кабины в нижней части шахты;

д) движение кабины должно осуществляться только вниз при шунтировании контактов выключателей-ловителей противовеса и буферов, взаимодействующих с противовесом, а также концевого выключателя, срабатывающего при нахождении кабины и верхней части шахты.

7.5.3.8 Малый грузовой лифт должен быть оборудован устройством, контролирующим перегрузку кабины и предотвращающим движение кабины при перемещении в ней груза массой, превышающей номинальную грузоподъемность лифта на 10 %. Сигнализация о перегрузке должна быть выполнена в виде звукового и/или светового устройства.

7.5.4 Электрические устройства безопасности, электрические цепи безопасности

Электрические устройства безопасности, электрические цепи безопасности малого грузового лифта должны удовлетворять требованиям 5.5.4.

7.5.5 Электропроводка и электрооборудование

Электропроводка и электрооборудование малого грузового лифта должны удовлетворять требованиям 5.5.5.

7.5.6 Освещение и розетки питания

7.5.6.1 Освещение и розетки питания малого грузового лифта должны удовлетворять требованиям 5.5.6 и 7.5.6.2 - 7.5.6.5.

7.5.6.2 Шахта малого грузового лифта, машинное и блочное помещения, площадки перед дверями шахты, проходы и коридоры, ведущие к этим помещениям и площадкам, должны быть оборудованы стационарным электрическим освещением.

7.5.6.3 Освещение приямка малого грузового лифта не требуется. Остекленную, огражденную сеткой или частично огражденную шахту допускается стационарным электрическим освещением не оборудовать, если наружное освещение обеспечивает нормированную освещенность внутри шахты.

7.5.6.4 Кабину малого грузового лифта допускается электрическим освещением не оборудовать.

7.5.6.5 Питание электрического освещения, кроме освещения кабины, должно быть осуществлено от осветительной сети здания (сооружения).

8 Документация

8.1 Каждый поставляемый лифт сопровождают технической документацией на русском языке.

8.2 В зависимости от типа и вида конкретного лифта состав комплекта технической документации уточняет разработчик. Ответственность за комплектование документации несет поставщик лифтового оборудования.

8.3 В комплект технической документации лифта входят:

- паспорт лифта, выполняемый по образцу (полностью или частично) в соответствии с приложением ДБ для электрического лифта и приложением ДВ - для гидравлических лифтов. К паспорту лифта прилагают (вшивают) документы (копии);

- копия сертификата на лифт, а также на противопожарные двери, копия сертификата на узлы безопасности (при их наличии);

- монтажный чертеж (установочный чертеж), содержащий сведения и размеры, необходимые для проверки соответствия установки лифта требованиям настоящего стандарта.

На монтажном чертеже должны быть даны виды и разрезы, в том числе шахты, машинного и блочного помещений (при их наличии), дающие представление о расположении и взаимной связи составных частей лифта, с указанием размеров, регламентированных настоящим стандартом.

Чертеж должен содержать штамп с указанием изготовителя чертежа, подписями специалистов и местом установки лифта.

Эти чертежи не должны показывать детально конструкцию лифта, но в них должны быть указаны данные, необходимые для проверки на соответствие настоящему стандарту, и прежде всего:

- краткая техническая характеристика лифта;

- зазоры вверху шахты и в приямке;

- доступ в приямок;

- перегородки между лифтами при наличии в одной шахте нескольких лифтов;

- местоположение и основные размеры машинного помещения, если таковое имеется, с указанием расположения привода и основного оборудования.

Размеры канатоведущего шкива или барабана:

- нагрузки на строительную часть от лифтовой установки;

- доступ в машинное помещение;

- местоположение и основные размеры блочного помещения, если таковое имеется. Расположение и размеры имеющихся там блоков:

- расположение других устройств в блочном помещении;

- доступ в блочное помещение;

- размещение и основные размеры дверей шахты лифта на этажных площадках. Необязательно показывать все двери, если они одинаковые и если указаны расстояния между их порогами;

- размещение и размеры дверей для технического обслуживания, а также аварийных дверей;

- размеры кабины и ее входных проемов;

- расстояния между порогом двери кабины и порогом двери шахты;

- расположение направляющих;

- размеры и расположение буферов;

- кинематическая схема лифта;

- принципиальная электрическая схема с перечнем элементов схемы -два экземпляра;

- принципиальная гидравлическая схема с перечнем элементов схемы (для гидравлического лифта) - два экземпляра;

- инструкция по монтажу, пуску, регулированию и обкатке;

- руководство по эксплуатации, содержащее:

а) краткое описание лифта,

б) правила пользования лифта по назначению,

в) условия и требования безопасной эксплуатации лифта, в том числе объем и периодичность выполнения регламентных работ на лифтовом оборудовании, порядок технического обслуживания, ремонта, утилизации, размещение информации о грузоподъемности лифта и запрещении транспортирования людей в кабине на каждой двери шахты,

г) порядок проведения испытания,

д) методику безопасной эвакуации людей из кабины,

е) указание о сроке службы лифта,

ж) нормы браковки тяговых элементов;

- описание электропривода и автоматики (допускается поставлять в составе Руководства по эксплуатации);

- электрическая схема соединений лифта - два экземпляра;

- перечень документации, поставляемой с лифтом;

- ведомости инструмента, принадлежностей и материалов, а также сведения о запасных частях, которые по рекомендации изготовителя или поставщика лифта могут быть включены в комплект поставки лифта. Объем приобретаемых инструментов, принадлежностей, запасных частей и материалов определяет заказчик лифта при заключении контракта на поставку лифтового оборудования;

- другие документы по усмотрению производителя (поставщика) лифтового оборудования и/или по требованию заказчика, оговоренные в контракте поставки лифтового оборудования.

8.4 Количество комплектов документации при поставке нескольких лифтов одной модели определяется по соглашению между поставщиком и заказчиком лифта, но не менее одного комплекта на пять лифтов, при этом паспортом должен быть снабжен каждый лифт.

8.5 Дубликат утраченного паспорта допускается выполнять специализированной лифтовой организации.

8.6 Владелец лифта обеспечивает хранение и поддержание в надлежащем состоянии технической документации на лифт.

Приложение А
(обязательное)
Ключевина устройства отпирания замка

Приложение Б
(обязательное)
Требования к размерам отверстий в ограждении движущихся частей механизмов в зависимости от расстояния между ограждением и движущимися частями

Таблица Б.1

 

Расстояние безопасности, мм

Размер отверстия, мм

Форма отверстия

 

Прямоугольник (щель)

Квадрат

Круг

е ≤ 4

≥ 2

≥ 2

≥ 2

4 < е ≤ 6

≥ 10

≥ 5

≥ 5

6 < е ≤ 8

≥ 20

≥ 15

≥ 15

8 < е ≤ 10

≥ 80

≥ 25

≥ 20

10 < е ≤ 12

≥ 100

≥ 80

≥ 80

12 < е ≤ 20

≥ 120

≥ 120

≥ 120

20 < е ≤ 30

≥ 850*

≥ 120

≥ 120

30 < е ≤ 40

≥ 850

≥ 200

≥ 200

40 < е ≤ 120

≥ 850

≥ 850

≥ 850

* Если длина прямоугольника не более 65 мм, большой палец будет действовать как стопор и расстояние безопасности можно уменьшить до 200 мм.

 

Рисунок Б.1 - Формы и размеры отверстия

Приложение В
(справочное)

Образец

ПАСПОРТ ЭЛЕКТРИЧЕСКОГО ЛИФТА

Сертификат соответствия лифта от «____» ____________________

№ __________________________

Выдан ____________________________________________________________________

наименование органа по сертификации, выдавшего сертификат соответствия

1 Общие сведения

Предпрятие-изготовитель (поставщик)

 

Назначение лифта

 

Модель (индекс) лифта

Грузовой

Заводской номер

 

Месяц и год изготовления

 

Допустимая температура (минимальная и максимальная), °С, в:

- машинном помещении

- шахте

 

Окружающая среда, в которой может эксплуатироваться лифт (относительная влажность, насыщенность пылью, агрессивная, взрывоопасная, пожароопасная)

 

Нормативные документы, в соответствии с которыми изготовлен лифт (ГОСТ, ТУ и т.д.)

 

Назначенный срок службы

 

Номинальная грузоподъемность, кг

 

Номинальная скорость движения кабины, м/с

 

Скорость движения кабины в режиме «Ревизия», м/с

 

Система управления

 

Число остановок

 

Число дверей шахты

 

Высота подъема, м

 

 

Электрические цепи

Род тока

Напряжение, В (±)

Частота, Гц

На вводном устройстве лифта

 

 

 

Силовая цепь

Привод лифта

 

 

 

Привод дверей

 

 

 

Цепь управления

 

 

 

Цепь освещения для:

- кабины

- шахты

- ремонтных работ

 

 

 

Цепь сигнализации

 

 

 

2 Основные технические данные и характеристики оборудования лифта

2.1 Лебедка

Тип (редукторная, безредукторная, с канатоведущим шкивом, с барабаном трения, барабанная, со звездочкой и т.д.)

 

Заводской номер

 

Год изготовления

 

Передаточное число

 

Межосевое расстояние передачи, мм

 

Номинальный крутящий момент на выходном валу, Н · м

 

Диаметр ведущего органа, мм

 

Диаметр отводного блока, мм

 

Масса, кг

 

2.2 Тормоз

Тип (колодочный, дисковый, конусообразный и т.д.)

 

Диаметр тормозного шкива (диска, барабана), мм

 

Тормозной момент, Н · м

 

2.3 Электродвигатели

Назначение

Электродвигатель

лебедки

привода дверей

Тип

 

 

Род тока

 

 

Напряжение, В

 

 

Номинальный ток, А

 

 

Частота, Гц

 

 

Мощность, кВт

 

 

Допустимый перегрев обмоток двигателя, °С (класс изоляции)

 

 

Частота вращения, об/мин

 

 

ПВ, %

 

 

Число включений в час

 

 

Исполнение (нормальное, влагозащищенное, пылеводозащи-
щенное, морское и т.д.) с указанием степени защиты

 

 

Масса, кг

 

 

2.4 Двери шахты

Конструкция (распашные, раздвижные, комбинированные,
одно-, двухстворчатые или многостворчатые)

 

Размер дверного проема в свету (ширина × высота), мм

 

Способ открывания/закрывания (ручной, полуавтоматический, автоматический)

 

2.5 Кабина

Внутренние размеры, мм

ширина

глубина

высота

 

Конструкция дверей (распашные, раздвижные, одно-, двухстворчатые или многостворчатые)

 

Способ открывания или закрывания дверей (ручной, полуавтоматический, автоматический)

 

Привод дверей (электрический, гидравлический, пневматический, пружинный и т.д.)

 

Вид кабины (проходная, непроходная)

 

Масса, кг

 

2.6 Противовес

Масса, кг (в собранном виде)

 

2.7 Тяговые и уравновешивающие элементы

Назначение

Тяговый элемент

Уравнове-
шивающий элемент

Кабина

Противовес

Ограничитель скорости

Вид (канат, цепь и т.д.)

 

 

 

 

Тип*

 

 

 

 

Конструкция*

 

 

 

 

Условное обозначение

 

 

 

 

Диаметр, шаг, размеры, мм

 

 

 

 

Число элементов, шт.

 

 

 

 

Длина одного элемента, включая длину, необходимую для крепления, м

 

 

 

 

Разрывное усилие (разрушающая нагрузка), Н

 

 

 

 

Коэффициент запаса прочности**

 

 

 

 

* Таблица заполняется по документации предприятия - изготовителя тягового элемента.

** Заполняется для тяговых элементов.

2.8 Устройства безопасности

2.8.1 Механические устройства

Наименование и характеристика

Кабина

Ловители

Тип (резкого, резкого с амортизирующим устройством, плавного торможения) Обозначение

 

Приводятся в действие (от ограничителя скорости, устройства, срабатывающего от слабины всех тяговых канатов)

 

Ограничитель скорости

Тип (центробежный, маятниковый и т.д.). Обозначение

 

Скорость движения кабины (противовеса), при которой срабатывает ограничитель скорости, м/с:

максимальная

минимальная

 

Буфер

Тип (жесткие упоры, энергонакопительного типа, энергорассеивающие и т.д.)

 

Высота в свободном состоянии, мм

 

Число, шт.

 

2.8.2 Электрические устройства безопасности*

Контроль перехода кабиной уровня крайней верхней этажной площадки

 

Контроль натяжения ремней

 

Контроль закрытия двери шахты

 

Контроль запирания автоматического замка двери шахты

 

Контроль закрытия створки двери шахты, не оборудованной замком

 

Контроль закрытия аварийной двери шахты

 

Контроль закрытия двери для обслуживания в шахте

 

Контроль закрытия смотрового люка в шахте

 

Контроль закрытия двери кабины

 

Контроль срабатывания ограничителя скорости кабины

 

Контроль запирания автоматического замка дверей кабины

 

Контроль запирания замка аварийной двери или люка кабины

 

Контроль возврата ограничителя скорости кабины в исходное положение

 

Для остановки лифта (выключатель, кнопка «Стоп», расположенная в машинном помещении или запираемом шкафу)

 

Для остановки лифта (выключатель, кнопка «Стоп», расположенная на крыше кабины)

 

Контроль срабатывания ловителей

 

Контроль обрыва или относительного перемещения тяговых элементов

 

Контроль обрыва или вытяжки каната ограничителя скорости

 

Контроль натяжения уравновешивающих канатов

 

Контроль срабатывания устройства, ограничивающего подскок натяжного устройства уравновешивающих канатов

 

Контроль положения съемного устройства для ручного перемещения кабины (положения съемного штурвала)

 

Контроль возвращения в исходное положение буфера энергорассеивающего типа

 

Выключатель приямка

 

Отключение цепей управления из блочного помещения

 

Контроль положения площадки обслуживания

 

Контроль положения механического устройства, обеспечивающего остановку кабины в верхней части шахты

 

Контроль положения механического устройства, обеспечивающего остановку кабины в нижней части шахты

 

Контроль положения складного щита под порогом кабины

 

Контроль положения складных поручней на крыше кабины

 

Контроль положения блокировочного устройства

 

* Указываются устройства, устанавливаемые на лифте.

3 Перечень документов, прилагаемых к паспорту лифта

Наименование документа

Обозначение документа

Количество листов

Монтажный чертеж

 

 

Принципиальная электрическая схема с перечнем элементов

 

 

Декларация о соответствии лифта требованиям технического регламента «О безопасности лифтов»

 

 

Ведомость эксплуатационных документов

 

 

(новая страница)

4 Сведения о местонахождении лифта

Наименование предприятия
(организации) - владельца лифта

Место установки лифта
(город, улица, дом, корпус, подъезд)

Дата установки

 

 

 

 

 

 

(две страницы)

5 Сведения о назначении ответственных специалистов

Дата и номер приказа (распоряжения)
о назначении и закреплении

Должность, фамилия, имя, отчество

Подпись ответственного лица

 

 

 

 

 

 

(две страницы)

6 Сведения о назначении ответственных электромехаников

Дата и номер приказа (распоряжения)
о назначении и закреплении

Фамилия, имя, отчество

Подпись ответственного лица

 

 

 

 

 

 

(пять страниц)

7 Сведения о ремонте и модернизации

Дата

Сведения о ремонте и модернизации

Подпись ответственного лица

 

 

 

 

 

 

(пять страниц)

8 Сведения о результатах технического освидетельствования и диагностирования

Дата

Результаты технического освидетельствования и диагностирования

Срок следующего освидетельствования или диагностирования

 

 

 

 

 

 

в паспорте пронумеровано _____ страниц и прошнуровано всего _____ листов, в том числе чертежей на _____ листах.

 

Место штампа «____» ______________ ______ год.

Приложение Г
(справочное)

Образец

ПАСПОРТ ГИДРАВЛИЧЕСКОГО ЛИФТА

Сертификат соответствия лифта от «____» ____________________

№ __________________________

Выдан ____________________________________________________________________

наименование органа по сертификации, выдавшего сертификат соответствия

1 Общие сведения

Предпрятие-изготовитель (поставщик)

 

Назначение лифта

 

Модель (индекс) лифта

 

Заводской номер

 

Месяц и год изготовления

 

Допустимая температура (минимальная и максимальная), °С:

в машинном помещении

шахте

 

Окружающая среда, в которой может эксплуатироваться лифт (относительная влажность, насыщенность пылью, агрессивная, взрывоопасная, пожароопасная)

 

Нормативные документы, в соответствии с которыми изготовлен лифт (ГОСТ, ТУ и т.д.)

 

Назначенный срок службы

 

Номинальная грузоподъемность, кг

 

Номинальная скорость движения кабины, м/с

 

Скорость движения кабины в режиме «Ревизия», м/с

 

Система управления

 

Число остановок

 

Число дверей шахты

 

Высота подъема, м

 

 

Электрические цепи

Род тока

Напряжение, В (±)

Частота, Гц

На вводном устройстве лифта

 

 

 

Силовая цепь

Привод лифта

 

 

 

Привод дверей

 

 

 

Цепь управления

 

 

 

Цепь освещения для:

кабины

шахты

ремонтных работ

 

 

 

Цепь сигнализации

 

 

 

2 Основные технические данные и характеристики оборудования лифта

2.1 Электродвигатели

Назначение

Электродвигатель

насоса

привода дверей

Тип

 

 

Род тока

 

 

Напряжение, В

 

 

Номинальный ток, А

 

 

Частота, Гц

 

 

Мощность, кВт

 

 

Допустимый перегрев обмоток двигателя, °С (класс изоляции)

 

 

Частота вращения, об/мин

 

 

ПВ, %

 

 

Число включений в час

 

 

Исполнение (нормальное, влагозащищенное, пылеводозащищенное, морское и т.д.) с указанием степени защиты

 

 

Масса, кг

 

 

2.2 Гидропривод

Тип

 

2.2.1 Гидроцилиндр

Тип подвески

 

Тип гидроцилиндра

 

Количество

 

Заводской номер

 

Год изготовления

 

Диаметр, мм:

внешний гидроцилиндр, мм

плунжер, мм:

1-я секция, мм

2-я секция, мм

 

Рабочий ход гидроцилиндра, мм

 

Рабочее давление, МПа:

не более

не менее

 

Скорость, м/с, не менее:

при подъеме, не менее

при опускании, не менее

 

Масса, кг

 

2.2.2 Трубопровод

Тип соединительной трубы

 

Диаметр, мм

 

Длина, мм

 

Максимальное рабочее давление, МПа

 

Испытательное давление, МПа

 

Разрывное давление, МПа

 

2.3 Двери шахты

Конструкция (распашные, раздвижные, комбинированные, одно-, двухстворчатые или многостворчатые)

 

Размер дверного проема в свету (ширина × высота), мм

 

Способ открывания/закрывания (ручной, полуавтоматический, автоматический)

 

2.4 Кабина

Внутренние размеры, мм

ширина

глубина

высота

 

Конструкция дверей (распашные, раздвижные, одно-, двухстворчатые или многостворчатые)

 

Способ открывания или закрывания дверей (ручной, полуавтоматический, автоматический)

 

Привод дверей (электрический, гидравлический, пневматический, пружинный и т.д.)

 

Вид кабины (проходная, непроходная)

 

Масса, кг

 

2.5 Тяговые и уравновешивающие элементы

Назначение

Тяговый элемент

Уравновеши-
вающий элемент

 

кабины

уравновешивающе-
го устройства

ограничителя скорости

Вид (канат, цепь и т.д.)

 

 

 

 

Тип*

 

 

 

 

Конструкция*

 

 

 

 

Условное обозначение

 

 

 

 

Диаметр, шаг, размеры, мм

 

 

 

 

Число элементов, шт.

 

 

 

 

Длина одного элемента, включая длину, необходимую для крепления, м

 

 

 

 

Разрывное усилие (разрушающая нагрузка), Н

 

 

 

 

Коэффициент запаса прочности**

 

 

 

 

* Таблица заполняется по документации предприятия - изготовителя тягового элемента.

** Заполняется для тяговых элементов.

2.6 Устройства безопасности

2.6.1 Механические устройства

Наименование и характеристика

Кабина

Ловители

Тип (резкого, резкого с амортизирующим устройством, плавного торможения)

Обозначение

 

Приводятся в действие (от ограничителя скорости, устройства, срабатывающего от слабины всех тяговых канатов)

 

Ограничитель скорости

Тип (центробежный, маятниковый и т.д.)

Обозначение

 

Скорость движения кабины (противовеса), при которой срабатывает ограничитель скорости, м/с:

не более

не менее

 

Буфер

Тип (жесткие упоры, энергонакопительного типа, энергорассеивающие и т.д.)

 

Высота в свободном состоянии, мм

 

Число, шт.

 

2.6.2 Электрические и гидравлические устройства безопасности*

Контроль перехода кабиной уровня крайней верхней этажной площадки

 

Контроль закрытия двери шахты

 

Контроль запирания автоматического замка двери шахты

 

Контроль закрытия створки двери шахты, не оборудованной замком

 

Контроль закрытия аварийной двери шахты

 

Контроль закрытия двери для обслуживания в шахте

 

Контроль закрытия смотрового люка в шахте

 

Контроль закрытия двери кабины

 

Контроль запирания автоматического замка дверей кабины

 

Контроль запирания замка аварийной двери или люка кабины

 

Контроль срабатывания ограничителя скорости кабины

 

Контроль возврата ограничителя скорости кабины в исходное положение

 

Для остановки лифта (выключатель, кнопка «Стоп», расположенная в машинном помещении или запираемом шкафу)

 

Для остановки лифта (выключатель, кнопка «Стоп», расположенная на крыше кабины)

 

Контроль срабатывания ловителей

 

Контроль обрыва или относительного перемещения тяговых элементов

 

Контроль обрыва или вытяжки каната ограничителя скорости

 

Контроль давления в гидравлической системе

 

Разрывной клапан

 

Контроль возвращения в исходное положение буфера энергорассеивающего типа

 

Выключатель приямка

 

Отключение цепей управления из блочного помещения

 

Контроль положения площадки обслуживания

 

Контроль положения механического устройства, обеспечивающего остановку кабины в верхней части шахты

 

Контроль положения механического устройства, обеспечивающего остановку кабины в нижней части шахты

 

Контроль положения складного щита под порогом кабины

 

Контроль положения складных поручней на крыше кабины

 

Контроль положения блокировочного устройства

 

* Указываются устройства, устанавливаемые на лифте.

3 Перечень документов, прилагаемых к паспорту лифта

Наименование документа

Обозначение документа

Количество листов

Монтажный чертеж

 

 

Принципиальная электрическая схема с перечнем элементов

 

 

Принципиальная гидравлическая схема с перечнем элементов

 

 

Декларация о соответствии лифта требованиям технического регламента «О безопасности лифтов»

 

 

Ведомость эксплуатационных документов

 

 

(новая страница)

4 Сведения о местонахождении лифта

Наименование предприятия
(организации) - владельца лифта

Место установки лифта
(город, улица, дом, корпус, подъезд)

Дата установки

 

 

 

 

 

 

 

 

 

(две страницы)

5 Сведения о назначении ответственных специалистов

Дата и номер приказа (распоряжения)
о назначении и закреплении

Должность, фамилия, имя, отчество

Подпись ответственного лица

 

 

 

 

 

 

 

 

 

(две страницы)

6 Сведения о назначении ответственных электромехаников

Дата и номер приказа (распоряжения)
о назначении и закреплении

Фамилия, имя, отчество

Подпись ответственного лица

 

 

 

 

 

 

 

 

 

(пять страниц)

7 Сведения о ремонте и модернизации

Дата

Сведения о ремонте и модернизации

Подпись ответственного лица

 

 

 

 

 

 

 

 

 

(пять страниц)

8 Сведения о результатах технического освидетельствования и диагностирования

Дата

Результаты технического освидетельствования
и диагностирования

Срок следующего освидетельствования
или диагностирования

 

 

 

 

 

 

 

 

 

в паспорте пронумеровано _____ страниц и прошнуровано всего _____ листов, в том числе чертежей на _____ листах.

 

Место штампа «____» ______________ ______ год.

Библиография

[1]

Технический регламент Таможенного союза «Безопасность лифтов» (ТР ТС 011/2011)

[2]

Федеральный закон от 27 декабря 2002 г. № 184-ФЗ «О техническом регулировании»

 

Ключевые слова: лифты, здания и сооружения различного назначения, требования безопасности к конструкции и установке