МЕЖГОСУДАРСТВЕННЫЙ СОВЕТ ПО СТАНДАРТИЗАЦИИ,
МЕТРОЛОГИИ И СЕРТИФИКАЦИИ
(МГС)
INTERSTATE COUNCIL FOR STANDARDIZATION, METROLOGY AND CERTIFICATION
(ISC)
|
МЕЖГОСУДАРСТВЕННЫЙ |
ГОСТ |
ЛИФТЫ
Методы расчета основных несущих узлов лифта
(EN 81-50:2014,
«Safety rules for the construction and
installation of lifts - Examinations and tests -
Part 50: Design rules, calculations, examinations and tests of lift
components»,
MOD)
|
|
Москва Стандартинформ 2017 |
Предисловие
Цели, основные принципы и общие правила проведения работ по межгосударственной стандартизации установлены в ГОСТ 1.0-2015 «Межгосударственная система стандартизации. Основные положения» и ГОСТ 1.2-2015 «Межгосударственная система стандартизации. Стандарты межгосударственные, правила и рекомендации по межгосударственной стандартизации. Правила разработки, принятия, обновления и отмены»
Сведения о стандарте
1 ПОДГОТОВЛЕН Ассоциацией «Российское лифтовое объединение» (Ассоциация «РЛО)», Открытым акционерным обществом «Щербинский лифтостроительный завод» (ОАО «ЩЛЗ») на основе собственного перевода на русский язык англоязычной версии стандарта, указанного в пункте 4
2 ВНЕСЕН Федеральным агентством по техническому регулированию и метрологии
3 ПРИНЯТ Межгосударственным советом по стандартизации, метрологии и сертификации (протокол от 1 июня 2017 г. № 51)
За принятие проголосовали:
|
Краткое наименование страны
по |
Код страны по |
Сокращенное наименование
национального органа |
|
Армения |
AM |
Минэкономики Республики Армения |
|
Беларусь |
BY |
Госстандарт Республики Беларусь |
|
Киргизия |
KG |
Кыргызстандарт |
|
Россия |
RU |
Росстандарт |
|
Таджикистан |
TJ |
Таджикстандарт |
|
Узбекистан |
UZ |
Узстандарт |
4 Приказом Федерального агентства по техническому регулированию и метрологии от 28 июля 2017 г. № 765-ст межгосударственный стандарт ГОСТ 33984.4-2017 (EN 81-50:2014) введен в действие в качестве национального стандарта Российской Федерации с 1 ноября 2018 г.
5 Настоящий стандарт является модифицированным по отношению к европейскому стандарту EN 81-50:2014 «Правила безопасности по устройству и установке лифтов. Проверки и испытания. Часть 50. Правила проектирования, расчеты, проверки и испытания лифтовых компонентов» («Safety rules for the construction and installation of lifts - Examinations and tests - Part 50: Design rules, calculations, examinations and tests of lift components», MOD) в части расчетов основных несущих узлов лифтов путем изменения его структуры для приведения в соответствие с правилами, установленными в ГОСТ 1.5 (подразделы 4.2 и 4.3).
Дополнительные положения, требования и приложения, включенные в текст стандарта для учета потребностей национальной экономики указанных выше государств и/или особенностей межгосударственной стандартизации, выделены курсивом.
Сопоставление структуры настоящего стандарта со структурой указанного европейского стандарта приведено в дополнительном приложении ДА.
Наименование настоящего стандарта изменено относительно наименования указанного европейского стандарта для приведения в соответствие с ГОСТ 1.5 (подраздел 3.6).
Сведения о соответствии ссылочных межгосударственных стандартов международным стандартам, использованным в качестве ссылочных в примененном международном стандарте, приведены в дополнительном приложении ДБ
6 ВВЕДЕН ВПЕРВЫЕ
7 Настоящий стандарт может быть применен на добровольной основе для соблюдения требований технического регламента Таможенного союза ТР ТС 011/2011 «Безопасность лифтов»
Информация об изменениях к настоящему стандарту публикуется в ежегодном информационном указателе «Национальные стандарты», а текст изменений и поправок - в ежемесячном информационном указателе «Национальные стандарты». В случае пересмотра (замены) или отмены настоящего стандарта соответствующее уведомление будет опубликовано в ближайшем выпуске ежемесячного информационного указателя «Национальные стандарты». Соответствующая информация, уведомление и тексты размещаются также в информационной системе общего пользования - на официальном сайте Федерального агентства по техническому регулированию и метрологии в сети Интернет (www.gost.ru)
Содержание
Введение
Предметом настоящего стандарта являются методы расчета основных несущих узлов лифтов, требования к которым приведены в стандартах на общие и специальные требования к безопасности лифтов, в том числе в ГОСТ 33984.1-2016 на требования безопасности к лифтам для транспортирования людей или людей и грузов.
Настоящий стандарт представляет собой прямое применение с дополнением тех разделов EN 81-50:2014, которые содержат методы расчета основных несущих узлов лифта.
Разделы EN 81-50:2014, содержащие правила и методы испытаний узлов лифта, положены в основу настоящего стандарта.
МЕЖГОСУДАРСТВЕННЫЙ СТАНДАРТ
|
ЛИФТЫ Методы расчета основных несущих узлов лифта Lifts. Main lift components calculations |
Дата введения - 2018-11-01
1.1 Настоящий стандарт устанавливает методы расчета основных несущих узлов лифтов различного назначения.
1.2 Требования настоящего стандарта распространяются на основные несущие узлы лифтов для транспортирования:
- людей или людей и грузов;
- грузов без сопровождения людьми, но кабина лифтов доступна для людей при загрузке, разгрузке;
- грузов, кабина лифтов не доступна для людей.
В настоящем стандарте использованы нормативные ссылки на следующие межгосударственные стандарты:
ГОСТ 33605-2015 Лифты. Термины и определения
ГОСТ 33984.1-2016 (ЕН 81-20:2014) Лифты. Общие требования безопасности к устройству и установке. Лифты для транспортирования людей или людей и грузов
Примечание - При пользовании настоящим стандартом целесообразно проверить действие ссылочных стандартов в информационной системе общего пользования - на официальном сайте Федерального агентства по техническому регулированию и метрологии в сети Интернет или по ежегодному информационному указателю «Национальные стандарты», который опубликован по состоянию на 1 января текущего года, и по выпускам ежемесячного информационного указателя «Национальные стандарты» за текущий год. Если ссылочный стандарт заменен (изменен), то при пользовании настоящим стандартом следует руководствоваться заменяющим (измененным) стандартом. Если ссылочный стандарт отменен без замены, то положение, в котором дана ссылка на него, применяется в части, не затрагивающей эту ссылку.
В настоящем стандарте применены термины по ГОСТ 33605 и ГОСТ 33984.1.
В настоящем разделе приведен перечень существенных опасностей, связанных с областью применения настоящего стандарта, и соответствующие разделы настоящего стандарта по устранению или уменьшению рисков (см. таблицу 1).
Издание официальное
Таблица 1 - Перечень существенных опасностей
|
Опасность/опасная ситуация |
Подраздел, пункт |
|
1 Опасности механические вследствие: |
|
|
- эластичности элементов |
|
|
- высокого давления |
|
|
- движущихся элементов |
|
|
- вращающихся элементов |
|
|
- стабильности |
|
|
- прочности |
|
|
2 Опасности, связанные с условиями окружающей среды лифта |
5.1.1 Общие положения прочностного расчета направляющих
5.1.1.1 Направляющие, их стыки и элементы крепления должны выдерживать нагрузки и силы, воздействующие на них, чтобы обеспечить безопасную работу лифта, а именно:
а) должно быть обеспечено направленное движение кабины, противовеса или уравновешивающего груза;
b) прогибы направляющих должны быть ограничены такой величиной, чтобы вследствие них:
1) не возникало непреднамеренное отпирание дверей,
2) не нарушалась работа устройств безопасности,
3) не появлялась возможность столкновения движущихся частей с другими частями.
5.1.1.2 Сочетание отклонений направляющих, отклонений кронштейнов, зазор в направляющих башмаках и отклонение от прямолинейности направляющих следует принимать в расчет для того, чтобы обеспечить безопасную работу лифта.
5.1.2 Варианты нагрузок
В процессе использования лифта по назначению возникают следующие варианты нагрузок:
- нормальная работа - перемещение кабины лифта с одного уровня на другой;
- нормальная работа - загрузка и разгрузка;
- срабатывание устройства безопасности.
Примечания:
1 При каждом варианте нагрузки на направляющие может воздействовать комбинация сил.
2 В зависимости от крепления направляющих (в положении опирания направляющих в нижней части или в подвешенном положении направляющих) следует рассматривать наиболее нагруженный вариант по отношению к устройству безопасности, взаимодействующему с направляющей.
5.1.3 Силы, воздействующие на направляющие
5.1.3.1 Перечисленные ниже силы, воздействующие на направляющие, следует принимать во внимание при расчете допустимых напряжений и отклонений направляющих:
a) Горизонтальные силы от направляющих башмаков в зависимости:
1) от массы кабины и ее номинальной грузоподъемности, противовеса или уравновешивающего устройства, подвесных кабелей и т. п., с учетом точки их приложения и коэффициентов динамического воздействия, и
2) ветровых нагрузок при использовании лифтов, установленных снаружи здания, с частично огороженной шахтой.
b) Вертикальные силы от направляющих башмаков в зависимости:
1) от сил торможения со стороны ловителей и стопорных устройств, закрепленных на направляющих;
2) вспомогательных частей, закрепленных на направляющих;
3) веса направляющей;
4) проталкивающей силы со стороны прижимов направляющей.
c) Крутящие моменты, создаваемые вспомогательным оборудованием, с учетом коэффициента динамического воздействия.
5.1.3.2 Точкой приложения Р масс кабины и компонентов, закрепленных или подвешенных к кабине, таких как поршень, часть подвесного кабеля, компенсирующие канаты/цепи (при использовании), должен быть центр тяжести масс.
5.1.3.3 Силы, действующие со стороны противовеса Mcwt или уравновешивающего груза Mbwt, следует оценивать, принимая во внимание:
- точку приложения масс;
- массы подвешенных компонентов;
- силы, действующие от компенсирующих канатов/цепей (при использовании), массы натяжных устройств (при наличии).
На противовесе или уравновешивающем грузе, перемещающемся по центру по направляющим и подвешенном, должен быть принят во внимание эксцентриситет точки приложения массы относительно центра тяжести горизонтального поперечного сечения противовеса или уравновешивающего груза, составляющий по меньшей мере 5% по ширине и 10% по глубине.
5.1.3.4 В вариантах нагрузки, обозначенных как «нормальная работа» и «срабатывание устройства безопасности», номинальный груз в кабине Q должен быть равномерно распределен по 3/4 площади пола кабины и размещен в наиболее неблагоприятном положении.
Однако если по условиям применения лифта другие условия распределения груза будут учтены, необходимо производить дополнительные расчеты на основе этих условий и рассмотреть наихудший вариант.
Примечание - Принимается, что устройства безопасности срабатывают одновременно на каждой (всех) направляющей(их) и усилия торможения распределяются по направляющим равномерно.
5.1.3.5 Вертикальную силу Fv от противовеса или балансировочного груза, выраженную в виде силы сжатия или растяжения, следует рассчитывать по следующим формулам:
- для кабины - ![]()
- противовеса - ![]()
- уравновешивающего груза - ![]()
- в случае направляющих, опирающихся на приямок или
подвешенных (закрепленных наверху шахты) - ![]()
- в случае свободно подвешенных направляющих (без точки
крепления) - ![]()
где k1 - коэффициент динамического воздействия (k1 = 0 в том случае, если никакое устройство безопасности не оказывает воздействия на направляющую);
gn - ускорение свободного падения (9,81 м/с2);
Р - масса пустой кабины и компонентов, связанных с кабиной, то есть части подвесного кабеля, компенсационных канатов/цепей (при использовании) и т. п., кг;
Q - номинальная нагрузка, кг;
п - число направляющих;
Мg - масса одной линии направляющих, кг;
Fp - проталкивающие силы всех кронштейнов на одной направляющей (вследствие нормальной усадки здания или усыхания бетона), Н;
Mcwt - масса противовеса, включая массу шкивов, кг;
Mbwt - масса уравновешивающего груза, кг;
nb - число кронштейнов направляющей;
Fr - проталкивающая сила всех зажимов на кронштейн, Н.
Примечание - Fp зависит от способа крепления направляющих, посредством которого поддерживаются направляющие, числа креплений, кронштейнов, конструкции зажимов. Для небольших высот подъема эффект усадки зданий (построенных не из дерева) мал и может быть поглощен упругостью кронштейнов. В этом случае на практике обычно используют проскальзывающие зажимы.
Для высот подъема, не превышающих 40 м, сила Fp может не учитываться в этих формулах. Проект установки направляющих должен обеспечивать адекватный зазор над и/или под направляющими в зависимости от крепления, чтобы учесть усадку здания.
5.1.3.6 При загрузке или разгрузке кабины следует предполагать, что вертикальная сила на порог Fs прикладывается по центру порога на входе в кабину. Величину этой силы, приложенной к порогу, рассчитывают по следующим формулам:
- для пассажирских лифтов - ![]()
- грузопассажирских лифтов - ![]()
- грузопассажирских лифтов в
случае использования тяжелых погрузочно-разгрузочных устройств, если вес
устройства не включен в номинальную грузоподъемность, - ![]()
Примечание - Коэффициент 0,85 основан на предположении 0,6 · Q и половине веса вильчатого погрузчика, который - судя по опыту - не более чем половина номинальной нагрузки:
0,6 + 0,5 · 0,5 = 0,85.
Когда сила прикладывается к порогу, кабина должна считаться порожней. В кабинах с более чем одним входом сила, действующая на порог, должна прикладываться только у наиболее неблагоприятного входа.
Когда кабина находится у посадочной площадки и верхние и нижние направляющие башмаки кабины расположены в пределах 10% расстояния между кронштейнами вертикальной направляющей, изгиб вследствие силы, воздействующей на порог, может не учитываться.
5.1.3.7 Силы и крутящие моменты, действующие на направляющую со стороны вспомогательного оборудования, Маих, прикрепленного к направляющей, следует учитывать, за исключением ограничителей скорости и связанных с ними частей, переключателей и позиционирующего оборудования.
Если подвешивающие устройства лебедки или канатов прикреплены к направляющим, варианты дополнительной нагрузки согласно таблице 2 должны быть учтены в расчетах.
5.1.3.8 Ветровые нагрузки WL следует учитывать для лифтов, установленных снаружи здания и имеющих частичное ограждение, и определять в процессе переговоров с проектировщиком здания.
5.1.4 Сочетание нагрузок и сил
Нагрузки и силы и варианты нагрузок, которые должны быть учтены при расчетах, приведены в таблице 2.
Таблица 2 - Нагрузки и силы, которые должны учитывать при разных вариантах нагрузки
|
Варианты нагрузки |
Нагрузки и силы |
Р |
Q |
Mcwt / Mbwt |
Fs |
Fp |
Mg |
Maих |
WL |
|
Нормальная работа |
Движение |
X |
X |
X |
|
X |
X |
X |
X |
|
Загрузка + разгрузка |
X |
|
|
X |
X |
X |
X |
X |
|
|
Срабатывание устройства безопасности |
|
X |
X |
X |
|
X |
X |
X |
|
|
Примечание - Нагрузка и силы могут действовать не одновременно. |
|||||||||
5.1.5 Коэффициенты динамического воздействия
5.1.5.1 Срабатывание устройств безопасности
Коэффициент динамического воздействия k1, обусловленный срабатыванием устройства безопасности (таблица 3), зависит от типа устройства безопасности.
5.1.5.2 Нормальная работа
При варианте нагрузки «нормальная работа, движение» движущиеся по вертикали массы кабины (Р + Q) и противовеса/уравновешивающего груза Mcwt / Mbwt должны быть умножены на коэффициент динамического воздействия k2, (таблица 3), чтобы учесть торможение, вызванное срабатыванием электрического устройства безопасности или внезапным отключением источника электропитания.
5.1.5.3 Другие рабочие сценарии
Силы, прикладываемые к направляющим кабины, противовеса или уравновешивающего груза, должны быть умножены на коэффициент динамического воздействия k3, (таблица 3), чтобы учесть остановку кабины, противовеса или уравновешивающего груза устройством безопасности.
5.1.5.4 Значения коэффициентов динамического воздействия
Значения коэффициентов динамического воздействия приведены в таблице 3.
Таблица 3 - Коэффициенты динамического воздействия
|
Воздействие |
Коэффициент динамического воздействия |
Значение |
|
Срабатывание ловителя резкого торможения, не относящегося к типу невыпадающих роликов |
k1 |
5 |
|
Срабатывание ловителя резкого торможения типа невыпадающих роликов или стопорного устройства при использовании буфера с накоплением энергии или буфера с рассеянием энергии |
3 |
|
|
Срабатывание ловителя плавного торможения или стопорного устройства при использовании буфера с накоплением энергии или буфера с рассеянием энергии |
2 |
|
|
Разрывной клапан |
2 |
|
|
Движение |
k2 |
1, 2 |
|
Вспомогательные части, которые прикреплены к направляющим, и другие рабочие сценарии |
k3 |
* |
|
* Значение должно быть определено изготовителем применительно к реальной установке. |
||
5.1.6 Допустимые напряжения
Допустимые напряжения следует рассчитывать по формуле
![]()
где Rm - предел при растяжении растяжения, Н/мм2;
σperm - допустимое напряжение, Н/мм2;
St - коэффициент запаса прочности.
Коэффициенты запаса прочности приведены в таблице 4.
Таблица 4 - Коэффициенты запаса прочности для направляющих
|
Вариант нагрузки |
Относительное удлинение при разрыве в нормальных условиях |
Коэффициент запаса прочности |
|
Нормальная работа и загрузка/разгрузка |
А5 > 12% |
2,25 |
|
8% ≤ А5 ≥ 12% |
3,75 |
|
|
Срабатывание устройства безопасности |
А5 > 12% |
1,8 |
|
8% ≤ А5 ≥ 12% |
3,0 |
Значения прочности материала направляющей должны быть получены от изготовителя.
Материалы с относительным удлинением при разрыве менее 8% считаются слишком хрупкими и не должны использоваться.
5.1.7 Условия расчета
Направляющие должны выбирать с учетом следующих напряжений:
- напряжение поперечного изгиба;
- комбинированное напряжение поперечного изгиба и сжатия;
- напряжение продольно-поперечного изгиба;
- напряжение при изгибе головки направляющей.
Примечание - Пример расчета направляющих приведен в приложении А.
5.1.8 Поперечный изгиб
5.1.8.1 При расчете напряжения поперечного изгиба по разным осям направляющей (см. рисунок 1) необходимо исходить из следующего:
- направляющая является многопролетной неразрезной балкой с креплениями, разнесенными на расстоянии ℓ;
- результирующие силы, вызывающие напряжения изгиба, действуют в середине между соседними точками крепления;
- изгибающие моменты воздействуют на нейтральную ось профиля направляющей.
|
Рисунок 1 - Профиль направляющей |
Напряжения изгиба σх и σу, Н/мм2, от горизонтальных сил, действующих под прямыми углами по отношению к осям профиля, рассчитывают по следующим формулам:
![]()
![]()
где Мx, My - изгибающие моменты, Н мм;
Wх, Wy - моменты сопротивления поперечного сечения направляющей, мм3;
Fy, Fx - силы, действующие на направляющую, Н;
ℓ - максимальное расстояние между точками крепления направляющих, мм.
5.1.8.2 В том случае, если для Wx (момент сопротивления по оси X) и Wy (момент сопротивления по оси Y) используются справочные минимальные значения (соответственно Wxmin и Wymin) и при этом напряжения не превышают допускаемые, дальнейшая проверка не требуется.
В других случаях требуется проведение дополнительного анализа.
5.1.8.3 При использовании более двух направляющих с одинаковыми профилями принимается допущение о равномерном распределении сил между направляющими.
5.1.8.4 При использовании более одного ловителя, воздействующего на разные направляющие, принимается допущение о равномерном распределении тормозной силы между ловителями.
5.1.8.5 В случае нескольких разнесенных по вертикали ловителей, воздействующих на одну и ту же направляющую, принимается допущение о действии тормозной силы на направляющую в одной точке.
5.1.9 Продольный изгиб
Напряжение продольного изгиба σk, Н/мм2, рассчитывают по формуле
![]()
где Fv - вертикальная сила, действующая на направляющую кабины, противовеса или уравновешивающего груза, Н;
k3 - коэффициент динамического воздействия;
Мaux - сила, действующая на направляющую со стороны вспомогательного оборудования, Н;
ω - расчетное значение;
А - площадь поперечного сечения направляющей, мм2.
Значения ω рассчитывают следующим образом:
λ = ℓ / i- гибкость,
где i - минимальный радиус инерции сечения направляющей, мм;
ℓ - максимальное расстояние между точками крепления направляющей, мм.
Для стали с прочностью на растяжение Rm = 370 Н/мм2:
|
20 ≤ λ ≤ 60: |
ω = 0,00012920 · λ1,89 + 1; |
|
60 < λ ≤ 85: |
ω = 0,00004627 · λ2,14 + 1; |
|
85 < λ ≤ 115: |
ω = 0,00001711 · λ2,32 + 1,04; |
|
115 < λ ≤ 250: |
ω = 0,00016887 · λ2,00. |
Для стали с прочностью на растяжение Rm = 520 Н/мм2:
|
20 ≤ λ ≤ 50: |
ω = 0,00008240 · λ2,06 + 1,021; |
|
50 < λ ≤ 70: |
ω = 0,00001895 · λ2,41 + 1,05; |
|
70 < λ ≤ 89: |
ω = 0,00002447 · λ2,36 + 1,03; |
|
89 < λ ≤ 250: |
ω = 0,00025330 · λ2,00. |
Определение значений ω для стали с прочностью на растяжение Rm, находящейся в диапазоне между 370 и 520 Н/мм2, следует рассчитывать по следующей формуле:
![]()
5.1.10 Сочетание комбинации напряжений поперечного изгиба, сжатия и продольного изгиба
При комбинации напряжений поперечного изгиба, сжатия и продольно-поперечного изгиба расчет значений проводят по следующим формулам:
- напряжение поперечного изгиба
![]()
- поперечный изгиб и сжатие
![]()
- продольно-поперечный изгиб
![]()
где σ - комбинированное напряжение, Н/мм2;
- напряжение изгиба, Н/мм2;
- напряжение изгиба по оси X,
Н/мм2;
- напряжение изгиба по оси Y,
Н/мм2;
- допускаемое напряжение, Н/мм2;
- вертикальная сила, действующая на направляющую кабины,
противовеса или уравновешивающего груза, Н;
- коэффициент динамического воздействия;
- сила, действующая на направляющую со стороны
вспомогательного оборудования, Н;
A - площадь поперечного сечения направляющей, мм2;
- напряжение продольного изгиба, Н/мм2.
5.1.11 Изгиб головки направляющей
Для T-образных направляющих (см. рисунок 2) напряжение изгиба рассчитывают по формуле:
- для роликовых направляющих башмаков ![]()
- направляющих башмаков скольжения ![]()
где
- местное напряжение изгиба головки направляющей, Н/мм2;
- сила воздействия направляющего башмака на головку
направляющей, Н;
- допускаемое напряжение, Н/мм2;
ℓ - длина вкладыша направляющего башмака скольжения, мм.
|
Fx
- сила воздействия направляющего
башмака на головку направляющей, Н; b - половина
ширины вкладыша Рисунок 2 - Размеры для расчета изгиба головки направляющей |
5.1.12 Прогиб направляющих
Прогибы следует рассчитывать по следующим формулам:
![]()
![]()
где
- отклонение
по оси у, мм;
Fy - опорное усилие по оси у, Н;
ℓ - максимальное расстояние между точками крепления направляющей, мм;
Е - модуль упругости, Н/мм2;
lх - момент инерции площади сечения по оси х, мм4;
-
отклонение элементов здания в местах крепления направляющей вдоль оси у,
мм;
-
максимально допустимое отклонение, мм;
-
отклонение по оси х, мм;
Fx - опорное усилие по оси х, Н;
lу - момент инерции площади сечения по оси у, мм4;
-
отклонение элементов здания в местах крепления направляющей вдоль оси х,
мм.
5.1.13 Допустимые отклонения
Для направляющих с Т-образным профилем и их элементов
крепления (кронштейны, разделительные балки) максимальное расчетное допустимое
отклонение
равно:
а)
=
5 мм в обоих направлениях для направляющих кабины, противовеса или
уравновешивающего груза, с которыми взаимодействуют ловители;
b)
=
10 мм в обоих направлениях для направляющих кабины, противовеса или
уравновешивающего груза без воздействия ловителей.
5.2.1 Тяговая способность всегда должна быть обеспечена в следующих случаях:
- при нормальном режиме движения;
- загрузке кабины на уровне этажа.
При заклинивании кабины (противовеса) в шахте должна быть обеспечена возможность проскальзывания каната по канатоведущему шкиву, за исключением тех случаев, когда крутящего момента лебедки недостаточно для подтягивания канатоведущим шкивом противовеса или кабины.
Предлагаемый метод расчета может быть использован для традиционных схем с применением стальных канатов и стальных или чугунных канатоведущих шкивов и при расположении привода над шахтой.
5.2.2 Расчет тяговой способности
5.2.2.1 Общие сведения
При расчете тяговой способности используют следующие условия:
- при нормальном движении и загрузке кабины;
- для предотвращения подтягивания канатоведущим шкивом
противовеса или кабины при их заклинивании или посадке одного из них на буфер,
где Т1, Т2 - усилия в ветвях канатов по обе стороны тягового шкива, при этом Т1 имеет большее значение;
f - приведенный коэффициент трения;
а - угол обхвата канатами канатоведущего шкива.
5.2.2.2 Условия определения отношения усилий Т1 и Т2
При нормальном движении отношение усилий Т1/Т2 определяется для пустой кабины, находящейся в самом высоком и самом низком положении.
При загрузке кабины отношение усилий Т1/Т2 определяется для худшего случая - при нагрузке, составляющей 125 % номинальной грузоподъемности.
При использовании для загрузки/разгрузки средств напольного транспорта их масса должна быть учтена при проведении расчета.
5.2.2.3 Расчет приведенного коэффициента трения
Приведенный коэффициент трения f для полукруглой канавки с подрезом (см. рисунок 3) рассчитывают по следующей формуле:

где µ - коэффициент трения каната о материал канавки;
ρ - угол зоны контакта, град;
β - угол подреза, град.
Максимальное значение угла подреза β не должно превышать 105° (1,83 радиан). Угол ρ задается изготовителем.
|
β - угол подреза, град; ρ - угол зоны контакта, град Рисунок 3 - Полукруглая канавка с подрезом |
Приведенный коэффициент трения f для клиновых канавок с подрезом (см. рисунок 4) рассчитывают с учетом упрочнения материала шкива:
a) при загрузке кабины и нормальном режиме:
- для канавок с материалом без упрочнения - ![]()
- канавок с упрочненным материалом - ![]()
b) при нахождении противовеса (кабины) на буфере:
- для канавок с упрочненным и неупрочненным материалом - ![]()
где µ - коэффициент трения;
β - угол подреза, град;
γ - угол клиновой канавки, град.
Максимальное значение угла подреза β не должно превышать 105° (1,83 радиан). Угол γ не должен быть меньше 35°.
|
β - угол подреза, град; γ - угол клиновой канавки, град Рисунок 4 - Клиновая канавка с подрезом |
5.2.2.4 Значения коэффициентов трения
Коэффициент трения, используемый в расчетах тяговой способности, принимается:
- при загрузке груза: µ = 0,1;
- нормальном режиме работы: ![]()
где v-скорость каната при номинальной скорости кабины;
- заклинивании или нахождении на буфере кабины (противовеса): µ = 0,2.
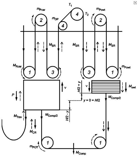
5.2.3 Расчет усилий Т1 и Т2 для общего случая
Усилия Т1 и Т2 для общего случая (см. рисунок 5) рассчитывают по следующим формулам:
а) кабина расположена вверху:


где Т1, T2 - усилия, воздействующие на канат, Н;
Р - масса пустой кабины, кг;
Q - номинальная нагрузка, кг;
МCRcar - масса MCR со стороны кабины, кг;
MTrav - расчетная масса подвесного кабеля ([0,5·Н ± 0,5у] · nt · масса подвесного кабеля на единицу длины), кг;
nt - количество подвесных кабелей;
r - кратность канатной подвески кабины (противовеса);
-
ускорение свободного падения, м/с2;
а - замедление при торможении (положительное значение) кабины, м/с2;
МСотр - масса натяжного устройства, включая массу блоков, кг;
MSRcar - масса MSR со стороны кабины, кг;
iPTD - количество блоков для натяжного устройства;
mPTD - приведенная масса блока натяжного устройства (два блока) JPTD/R2, кг;
mDP - приведенная масса отводного блока лебедки со стороны кабины или противовеса JDP · (vpulley/v)2/R2, кг;
vpulley- линейная скорость вращения блоков (скорость каната), м/с;
тРсаr - приведенная масса блока со стороны кабины JPcar · (vpulley/v)2/R2 кг;
iPcar - количество блоков со стороны кабины (без отводных блоков лебедки);
FRcar - сила трения в шахте (КПД подшипников со стороны кабины и трение на направляющих и т. п.), Н;
Mcwt - масса противовеса, включая массу шкивов, кг;
MCRcwt - масса МCR со стороны противовеса, кг;
MSRcwt - масса MSR со стороны противовеса;
mPcwt - приведенная масса блока со стороны противовеса, JPcwt · (vpulley/v)2/R2, кг;
iPcwt - количество блоков со стороны противовеса (без отводных блоков лебедки);
FRcwt - сила трения в шахте (КПД подшипников со стороны противовеса и трение на направляющих и т. п.), Н;
b) кабина расположена внизу:


В случае расположения кабины внизу канат, идущий от канатоведущего шкива к отводному блоку, имеет массу MSRcar, а канат, идущий от отводного блока к кабине, имеет массу MSR2car (MSR2car = 0, если кабина находится на самом верхнем этаже).
В случае расположения кабины внизу канат, идущий от машины к шкиву(ам) в свободном пространстве, имеет массу MSRcwt, а канат, идущий от шкива(ов) к противовесу, имеет массу MSR2cwt (MSR2cwt = если кабина находится на самом верхнем этаже).
Примечания
1 Приведенные выше формулы могут быть также использованы для пустой кабины путем исключения Q. В этом случае T1 становится Т2 и Т2 - Т1.
В приведенных выше формулах
знаки «
» и «
» должны быть использованы таким образом, чтобы
операция, определяемая верхним знаком, была применима в том случае, когда
кабина с ее номинальной нагрузкой
замедляется, двигаясь в направлении вниз, а нижняя операция, определяемая
нижним знаком, была применима в том случае, когда пустая кабина замедляется,
двигаясь в направлении вверх.
Для условия загрузки кабины Q должно заменяться на 1,25 Q плюс вес погрузочно-разгрузочных устройств, когда они используются в случае грузопассажирских лифтов.
Слагаемые в формулах:
I - для любого отводного блока со стороны кабины;
II - для любого отводного блока со стороны противовеса;
III - только для кратности канатной подвески > 1;
2 Пример расчета приведен в приложении В.
|
1, 2, 3, 4
- фактор линейной скорости вращения блоков, например 2 = 2 vcar; Н - высота подъема, м; MCR - расчетная масса Рисунок 5 - Общий случай |
5.3.1 Общие сведения
В этом разделе описан метод расчета необходимого коэффициента запаса прочности Sf для тяговых канатов с учетом требований соответствующих стандартов безопасности для лифтов различного назначения (например, ГОСТ 33984.1).
Этот метод следует использовать исключительно:
для стальных или чугунных тяговых шкивов;
стальных проволочных канатов согласно ГОСТ EN 12385-5.
Примечание - Этот метод основан на сроке службы канатов, при условии регулярного технического обслуживания и проверки состояния канатов.
5.3.2 Эквивалентное число Nequiv блоков
5.3.2.1 Общие сведения
Величина износа каната зависит от количества изгибов каната, крутизны и знакопеременности каждого изгиба, типа (U- или V-образные) канавок шкива.
Крутизну каждого изгиба можно считать одинаковой для ряда простых изгибов.
Простой изгиб каната определен огибанием обода с полукруглой канавкой с радиусом кривизны на 5 - 6 % более радиуса каната.
Число простых изгибов соответствует эквивалентному числу блоков Nequjv, которое может быть определено по формуле
![]()
где Nequiv(t) - эквивалентное число канатоведущих шкивов,
Nequiv(p) - эквивалентное число отводных блоков.
5.3.2.2 Оценка эквивалентного числа канатоведущих шкивов Nequiv(t)
Значения Nequiv(t) приведены в таблице 5.
Таблица 5 - Оценка эквивалентного числа канатоведущих шкивов Nequiv(t)
|
Клиновые канавки |
V-угол (γ) |
35° |
36° |
38° |
40° |
42° |
45° |
50° |
|
Nequiv(t) |
18,5 |
16 |
12 |
10 |
8 |
6,5 |
5 |
|
|
Полукруглые канавки с подрезом |
U-угол (β) |
75° |
80° |
85° |
90° |
95° |
100° |
105° |
|
Nequiv(t) |
2,5 |
3,0 |
3,8 |
5,0 |
6,7 |
10,0 |
15,2 |
Для полукруглых канавок (β = 0) - Nequiv(t) = 1.
Значения углов, не указанных в таблице 5, могут быть определены методом линейной интерполяции.
5.3.2.3 Оценка эквивалентного числа отводных блоков Nequiv(p)
Оценку эквивалентного числа отводных блоков Nequiv(p) определяют по следующей формуле:
![]()
где Kp - коэффициент отношения между диаметрами тягового шкива и блоков;
Nps - число блоков с простыми изгибами;
Npr - число блоков со знакопеременными изгибами.
При этом:
![]()
где Dt - диаметр канатоведущего шкива;
Dp - средний диаметр всех блоков, за исключением канатоведущего шкива.
Изгиб считается знакопеременным изгибом, только если расстояние от точки контактов каната на двух последовательных блоках, расстояние между осями которых фиксировано, менее чем в 200 раз превышает диаметр каната и плоскости изгиба повернуты более чем на 120°.
Примечание - Примеры расчета эквивалентного числа блоков приведены в приложении С.
5.3.2.4 Коэффициент запаса прочности
Минимальное значение коэффициента запаса прочности Sf может быть выбрано в соответствии с графиком, приведенным на рисунке 6 с учетом отношения Dt /dr и вычисленного значения Nequiv для наихудшего случая поперечного сечения каната.
Кривые на рисунке 6 основаны на следующей формуле:

|
Рисунок 6 - Определение коэффициента запаса прочности |
где Dt - диаметр канатоведущего шкива, мм;
dr - диаметр канатов, мм;
Nequiv - эквивалентное число блоков.
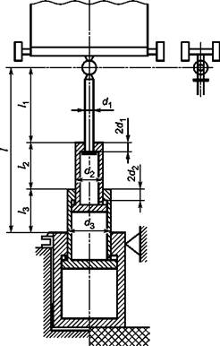
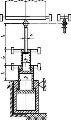
5.4.1 Расчет толщины стенок поршней, цилиндров, жестких труб и фитингов
Толщину стенок поршней, цилиндров, жестких труб и фитингов (см. рисунок 7) рассчитывают по следующей формуле:
![]()
где 2,3 - коэффициент потерь на трение (1,15) и пики давления (2);
1,7 - коэффициент запаса прочности, отнесенный к пределу прочности;
р - полное давление, создаваемое нагрузкой, МПа;
Rp0,2 - предел текучести, Н/мм2;
Di - внутренний диаметр цилиндра;
е0 = 1,0 мм для стенок и основания цилиндра и жестких труб между цилиндром и разрывным клапаном, в случае его использования;
е0 = 0,5 мм для поршней и других жестких труб.
|
Рисунок 7 - Расчет толщины стенок |
5.4.2 Расчет толщины основания цилиндров:
а) для плоских оснований с разгрузочной канавкой.
Для расчета толщины цилиндра с плоским основанием и разгрузочной канавкой соблюдают следующие условия для снятия остаточного напряжения сварного шва (см. рисунок 8):
![]()
![]()
![]()

![]()
|
Рисунок 8 - Плоские основания с разгрузочной канавкой |
b) для выгнутого основания
Расчет толщины выгнутого основания цилиндра выполняют с учетом следующих условий (см. рисунок 9):
![]()
![]()
![]()
![]()
с) для плоского основания со сварным фланцем
Расчет толщины плоского основания цилиндра со сварным фланцем выполняют с учетом следующих условий (см. рисунок 10):
![]()
![]()

|
Рисунок 10 - Плоское основание со сварным фланцем |
5.4.3 Расчет гидроцилиндров на устойчивость к прогибу
5.4.3.1 Общие сведения
Расчет прогиба для гидроцилиндров различных конструкций следует производить для части с наименьшей устойчивостью к прогибу в соответствии с рисунками и формулами, приведенными ниже.
5.4.3.2 Гидроцилиндры одиночного действия
Расчет устойчивости для гидроцилиндров одиночного действия выполняют с учетом следующих условий (см. рисунок 11):
- для λп ≥ 100:
![]()
где
- расчетная
гибкость поршня;
Fs - сила, приложенная при продольном изгибе, Н;
Е - модуль упругости, Н/мм2 (для стали: Е = 2,1 · 105 Н/мм2);
Jn - расчетный момент инерции площади сечения поршня, мм4 (п = 1, 2, 3);
2 - коэффициент запаса прочности против прогиба;
ℓ - максимальная длина поршней, подверженных прогибу, мм;
in - расчетный минимальный радиус инерции сечения поршня, мм (п = 1,2, 3),
- для λп < 100:
![]()
![]()
где Ап - расчетная площадь поперечного сечения поршня, мм2 (п = 1, 2, 3);
Rm - напряжение растяжения материала, Н/мм2;
1,4 - коэффициент превышения давления;
-
стандартное ускорение свободного падения, мм/с2;
ст - кратность подвески кабины;
Р - сумма масс пустой кабины и подвесных кабелей, кг;
Q - номинальная нагрузка (масса) в кабине, кг;
Рr - расчетная масса поршня, кг;
Prh - масса оснащения головки поршня (при наличии), кг.
__________
*Справедливо для поршней, выдвигающихся по направлению вверх.
|
Рисунок 11 - Гидроцилиндры одиночного действия |
5.4.3.3 Телескопические гидроцилиндры без внешней направляющей
Расчет устойчивости для телескопических гидроцилиндров без внешней направляющей выполняют с учетом следующих условий (см. рисунок 12):
,
(допущения для упрощенного расчета: J3 = J2).
|
Для 2 секций: |
|
|
φ = 1,25 · v - 0,2 |
для 0,22 < v < 0,65. |
|
Для 3 секций: |
|
|
φ = 1,25 · v - 0,2 |
для 0,22 < v < 0,65; |
|
φ = 0,65 · v + 0,35 |
для 0,65 < v < 1, |
где v, φ - коэффициенты, используемые для представления приблизительных значений, заданных экспериментально.
,
где
-
расчетная гибкость телескопического гидроцилиндра;
ie - минимальный радиус инерции сечения телескопического гидроцилиндра, мм;
dm - внешний диаметр наибольшего поршня телескопического гидроцилиндра, мм;
dmi - внутренний диаметр наибольшего поршня телескопического гидроцилиндра, мм.
Для λп ≥ 100:
![]()
Для λе < 100:
![]()
![]()
где Prt - расчетная масса поршней, воздействующих на рассматриваемый поршень (в случае телескопических гидроцилиндров), кг.
__________
* Справедливо для поршней, выдвигающихся по направлению вверх.
|
Рисунок 12 - Телескопические гидроцилиндры без внешней направляющей |
5.4.3.4 Телескопические гидроцилиндры с внешней направляющей
Расчет устойчивости для телескопических гидроцилиндров выполняют с учетом следующих условий (см. рисунок 13):
- для λп ≥ 100:
![]()
- для λп < 100:
![]()
![]()
__________
* Справедливо для поршней, выдвигающихся по направлению вверх.
|
Рисунок 13 - Телескопические гидроцилиндры с внешней направляющей |
А.1 Общие сведения
А.1.1 Приведенный ниже пример использован для пояснения методики расчета направляющих.
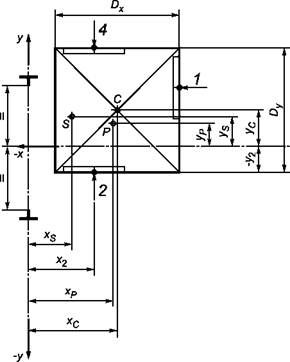
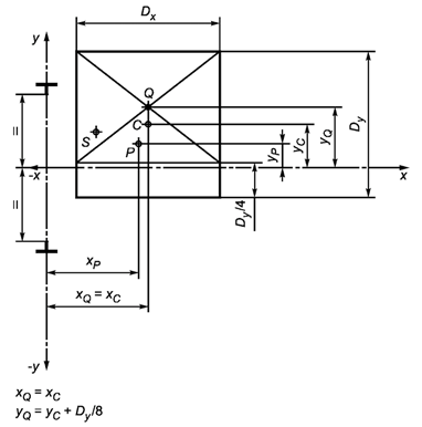
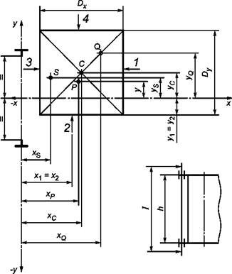
А.1.2 Для обозначения параметров лифта применяют следующие символы с использованием декартовой системы координат (см. рисунок А.1):
- С - центр кабины;
- Dx - размер кабины в направлении х, глубина кабины, мм;
- Dy - размер кабины в направлении у, ширина кабины, мм;
- h - расстояние между направляющими башмаками кабины, мм;
- Р - центр тяжести пустой кабины, подвесного кабеля, компенсирующих канатов/цепей, кг;
- Q - центр тяжести номинальной нагрузки, кг;
- S - центр подвески кабины;
- хс, ус - координаты положения центра кабины С относительно осей направляющих, мм;
- xi, уi- - координаты двери кабины, мм (i = 1, 2, 3 или 4);
- хp, ур - координаты положения центра тяжести кабины Р относительно осей направляющих, мм;
- xQ, yQ - координаты положения центра тяжести номинальной нагрузки Q относительно осей направляющих, мм;
- xs, ys - координаты положения центра подвески S относительно осей направляющих, мм;
- 1, 2, 3, 4 - центр двери кабины;
- → - направление воздействия нагрузки.
|
Рисунок А.1 - Распределение нагрузки в кабине лифта. Общий случай |
А.2 Расчет при срабатывании ловителей
А.2.1 Напряжение поперечного изгиба
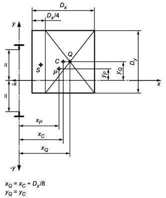
а) Напряжение поперечного изгиба от силового воздействия вдоль оси y (см. рисунок А.2) рассчитывают по следующим формулам:
,
,
.
|
Рисунок А.2 - Посадка кабины на ловители.
Распределение нагрузки в кабине лифта - случай 2: |
b) Напряжение поперечного изгиба от силового воздействия вдоль оси х (см. рисунок А.3) рассчитывают по следующим формулам:
,
,
.
|
Рисунок А.3 - Посадка кабины на ловители.
Распределение нагрузки в кабине лифта - случай 1: |
А.2.1.1 Прогиб
;
.
А.2.1.2 Суммарное напряжение*
;
;
.
__________
* Приведенные формулы применимы для перечислений а) и b) распределения нагрузки по А.2.1.
Если σperm < σm, формулы для 5.1.2 могут быть использованы для минимизации размеров направляющих.
А.2.1.3 Изгиб головки направляющей**
или
.
A.2.1.4 Прогибы**
;
.
__________
** Эти формулы применимы для случаев а) и b) распределения нагрузки по А.2.1.
А.2.2 Режим нормальной работы (движение)
А.2.2.1 Изгибающее напряжение
а) напряжение при изгибе относительно оси у:
;
;
;
b) напряжение при изгибе относительно оси х:
;
;
.
Распределение нагрузки:
- случай 1 - относительно оси х (см. А.2.1)
- случай 2 - относительно оси у (см. А.2.1)
А.2.2.2 Прогиб
;
.
А.2.2.3 Суммарное напряжение*
;
.
__________
* Эти формулы применимы для перечислений а) и b) распределения нагрузки по А.2.1.
Если σperm < σm, формулы для 5.1.2 могут быть использованы для минимизации размеров направляющих.
А.2.2.4 Изгиб головки направляющей**
или
.
A.2.2.5 Прогибы**
,
.
__________
** Эти формулы применимы для перечислений а) и b) распределения нагрузки по А.2.1.
А.2.3 Режим нормальной работы (загрузка)
Распределение нагрузки при загрузке груза приведено на рисунке А.4.
|
Рисунок А.4 - Режим нормальной работы. Загрузка |
А.2.3.1 Изгибающее напряжение
а) напряжение при изгибе относительно оси у:
;
;
;
b) напряжение при изгибе относительно оси х:
;
;
.
А.2.3.2 Прогиб
;
.
А.2.3.3 Суммарное напряжение*
;
.
__________
* Если σperm < σm, формулы для 5.1.2 могут быть использованы для минимизации размеров направляющих.
А.2.3.4 Изгиб головки направляющей
или
.
A.2.3.5 Отклонения
,
.
Для примера, приведенного на рисунке В.1, применяют следующие формулы в соответствии с перечислениями а), b), с):
|
1 - кабина; 2 - противовес; 3 - шкив и блоки; 4 - подвесной кабель; 5 - несущие канаты Рисунок В.1 - Полиспастная подвеска 2:1, без компенсирующих элементов |
а) кабина загружена на 125 % от номинальной грузоподъемности при нахождении кабины на нижней остановке:
;
;
b) для режима торможения:
- кабина с номинальной загрузкой находится на нижнем этаже:
;
;
- пустая кабина находится на верхнем этаже:
;
;
с) для застопоренного противовеса:
- пустая кабина находится в самом верхнем положении, трение не учитывается:
;
.
В данном приложении приведены примеры расчетов эквивалентного числа блоков.
а) Определение эквивалентного числа блоков рассчитывают для следующих условий в соответствии с рисунком С.1:
λ = 40°;
Nequjv(t) = 10 (согласно таблице 5);
Kp = (600 / 500)4 = 2,07;
Nequiv(p) = 2,07 · (2 + 0) = 4,14;
Nequiv = 10 + 4,14 = 14,14.
Примечание - Отсутствует изгиб с перегибом вследствие подвижного блока.
|
1 - со стороны кабины Рисунок С.1 - Полиспастная подвеска 2:1. Канатоведущий шкив с клиновой канавкой |
b) Определение эквивалентного числа блоков рассчитывают для следующих условий в соответствии с рисунком С.2:
β = 90°;
Nequiv(t) = 5 (согласно таблице 5);
Kp = (600 / 400)4 = 5,06;
Nequiv(p) = 5,06 · (1 + 0) = 5,06;
Nequiv = 5 + 5,06 = 10,06.
|
Рисунок С.2 - Прямая подвеска 1:1. Канатоведущий шкив с полукруглой канавкой с подрезом |
с) Определение эквивалентного числа блоков рассчитывают для следующих условий в соответствии с рисунком С.3:
Nequiv(t) = 1 + 1;
Kр = 1;
Nequiv(p) = 1 · (1 + 1) = 2;
Nequiv = 2 + 2 = 4.
Примечание - Канат обхватывает канатоведущий шкив и отводной блок 2 раза.
|
Рисунок С.3 - Прямая подвеска 1:1 (с двойным обхватом шкива канатом). Канатоведущий шкив с полукруглой канавкой |
Таблица ДА.1
|
Структура настоящего стандарта |
Структура европейского стандарта |
||
|
Раздел |
Подраздел |
Раздел |
Подраздел |
|
- |
1 |
- |
|
|
- |
2 |
- |
|
|
- |
3 |
- |
|
|
- |
4 |
- |
|
|
- |
5 |
- |
|
|
|
5.10 |
||
|
5.11 |
|||
|
5.12 |
|||
|
5.13 |
|||
|
Приложение А |
- |
Приложение С |
- |
|
Приложение В |
- |
Приложение D |
- |
|
Приложение С |
- |
Приложение Е |
- |
|
Приложение ДА |
- |
- |
- |
|
Приложение ДБ |
- |
- |
- |
Таблица ДБ.1
|
Обозначение ссылочного |
Степень |
Обозначение и наименование ссылочного международного
|
|
- |
* |
|
|
ГОСТ 33984.1-2016 (ЕН 81-20:2014) |
MOD |
EN 81-20:2014 «Правила безопасности по устройству и установке лифтов. Лифты для транспортирования людей и грузов. Часть 20. Пассажирские и грузопассажирские лифты» |
|
*Соответствующий международный стандарт отсутствует. Примечание - В настоящей таблице использовано следующее условное обозначение степени соответствия стандартов: - MOD - модифицированные стандарты. |
||
|
Ключевые слова: несущие узлы лифта, тяговая способность |