|
СОГЛАСОВАНО |
УТВЕРЖДАЮ |
|
Генеральный директор |
Руководитель ГЦИ СИ |
|
ФГУП СПО «Аналитприбор» |
ООО КИП «МЦЭ» - |
|
|
генеральный директор |
|
|
ООО КИП «МЦЭ» |
|
_________________ Н.Г. Антонов |
__________________ А.В. Федоров |
|
«_____» ________________ 2011 г. |
«_____» ________________ 2011 г. |
СИГНАЛИЗАТОРЫ ОКСИДА УГЛЕРОДА
И ГОРЮЧИХ ГАЗОВ СТГ-1
Методика поверки
ИБЯЛ.413411.056 МП
|
Начальник ОМ - главный метролог ФГУП СПО «Аналитприбор» ________________ Ю.В. Гращенков ведущий инженер ________________ Л.Л. Ужегова |
Настоящая методика поверки распространяется на сигнализаторы оксида углерода и горючих газов СТГ-1 (в дальнейшем - сигнализаторы) и устанавливает методику первичной (при выпуске из производства, после ремонта) и периодической поверки в процессе эксплуатации.
Межповерочный интервал - 1 год.
1.1 При проведении поверки должны быть выполнены операции в соответствии с таблицей 1.1.
Таблица 1.1
|
Наименование операции |
Номер пункта методики поверки |
Проведение операции при поверке |
|
|
первичной |
периодической |
||
|
1. Внешний осмотр |
Да |
Да |
|
|
2. Опробование |
|
|
|
|
- проверка работоспособности; |
Да |
Да |
|
|
- определение электрического сопротивления изоляции; |
Да |
Да |
|
|
- проверка электрической прочности изоляции |
Да |
Нет |
|
|
3. Определение метрологических характеристик |
|
|
|
|
- определение абсолютной погрешности сигнализатора по каналу горючих газов и проверка порогов срабатывания сигнализации; |
Да |
Да |
|
|
- определение основной погрешности по каналу оксида углерода; |
Да |
Да |
|
|
- определение вариации показаний по каналу оксида углерода; |
Да |
Нет |
|
|
- определение времени срабатывания сигнализации |
Да |
Да |
|
1.2 При получении отрицательных результатов любой из операций поверки поверка сигнализатора прекращается.
2.1 При проведении поверки должны быть применены средства, указанные в таблице 2.1.
Таблица 2.1
|
Номер пункта методики поверки |
Наименование и тип основного или вспомогательного средства поверки; обозначение нормативного документа, регламентирующего технические требования и (или) метрологические (МХ) и основные технические характеристики средства поверки |
|
Барометр-анероид М-67 по ТУ 25-04-1797, диапазон от 610 ... 790 мм рт. ст., ±0,8 мм рт. ст. |
|
|
Психрометр М-34 по ТУ 25-1607.054-87, диапазон измерения относительной влажности от 10 до 100 %, температуры от минус 25 до плюс 50 °С |
|
|
Термометр ТЛ-2М по ТУ 22-2021.003-88, диапазон от 0 до 100 °С, цена деления 1 °С |
|
|
Секундомер СОСпр-2б-2 по ГОСТ 5072-79, 60/60, кл. 2 |
|
|
Мегаомметр Ф4104 по ТУ 25-04-2467-75, диапазон измерения от 0 до 100 МОм, погрешность измерения ±1 % |
|
|
Установка для проверки электрической безопасности GPI-735А; диапазон вых. напряжений от 100 до 6000 В; диапазон установки по току от 0,01 до 10,0 мА; диапазон измерения сопротивления изоляции при напряжении 50 и 100 В от 1 до 2000 МОм, при напряжении 500 и 1000 В от 1 до 10000 МОм (максимальный ток утечки 40 мА) |
|
|
Фольга алюминиевая АД1 по ГОСТ 4784-97 |
|
|
Мультиметр В7-80 по МЕРА.411189.001 ТУ, измерение |
|
|
- постоянного напряжения диапазон от 0 до 600 В, ±(0,05 ... 0,1) %, |
|
|
- переменного напряжения диапазон от 0 до 400 В, ±(0,15 ... 1) %, от 10 Гц до 100 кГц; |
|
|
- постоянного тока диапазон от 0 до 5 А, ±0,2 %; |
|
|
- переменного тока диапазон от 0 до 5 А, ±(0,3 ... 1,5) %, от 10 Гц до 10 кГц; |
|
|
- сопротивления постоянному току диапазон от 0 до 200 МОм, ±0,1 %; |
|
|
- напряжения диодного теста током 1 мА; диапазон от 0 до 5 В, ±0,25 %; |
|
|
- частоты сигналов переменного тока диапазон от 0,2 Гц до 50 МГц, ±0,01 %; |
|
|
- емкости диапазон от 0 до 5000 мкФ, ±(2,5 … 4) %; |
|
|
- индуктивности диапазон от 0 до 200 мГн, ±10 % |
|
|
Ротаметр РМ-0,063 ГУЗ по ТУ 25-02.070213-82, верхний предел 0,063 м3/ч, кл. 4 |
|
|
Вентиль точной регулировки ИБЯЛ.306577.002 |
|
|
Колпачок ИБЯЛ.725313.008 (из комплекта ЗИП) |
|
|
Колпачок поверочный ИБЯЛ.301121.015 (из комплекта ЗИП) |
|
|
Лампочка миниатюрная МН 13,5 - 0,16-ОС |
|
|
Редуктор баллонный БКО-25-1 по ТУ 26-05-90-87 |
|
|
Трубка ПВХ 4×1,5 по ТУ 2247-465-00208947-2006 |
|
|
Поверочные газовые смеси (ГСО-ПГС) по ТУ 6-16-2956-92, согласно таблице 2.2 |
Таблица 2.2
|
№ ГСО-ПГС |
Компонентный состав |
Единица физической величины |
Характеристика ГСО-ПГС |
Номер ГСО-ПГС в Госреестре |
||
|
Содержание определяемого компонента |
Пределы допускаемого отклонения |
Пределы допускаемой погрешности аттестации |
||||
|
Канал оксида углерода |
||||||
|
1 |
СО - воздух |
мг/м3 |
1,2 |
±0,6 |
±0,3 |
5004-89 |
|
(объемная доля, млн-1) |
(1,0) |
(±0,5) |
(±0,3) |
|||
|
2 |
СО - воздух |
мг/м3 |
100 |
±8 |
±3 |
3847-87 |
|
(объемная доля, млн-1) |
(86) |
(±7) |
(±3) |
|||
|
3 |
СО - воздух |
мг/м3 |
190 |
±12 |
±5 |
7590-99 |
|
(объемная доля, млн-1) |
(163) |
(±10) |
(±4) |
|||
|
Канал горючих газов |
||||||
|
1 |
СН4 - воздух |
объемная доля, % |
0,22 |
±0,04 |
±0,02 |
3904-87 |
|
(%, НКПР) |
(5,00) |
(±0,90) |
(±0,45) |
|||
|
2 |
СН4 - воздух |
объемная доля, % |
0,66 |
±0,06 |
±0,04 |
3905-87 |
|
(%, НКПР) |
(15,0) |
(±1,4) |
(±0,9) |
|||
|
3 |
СН4 - воздух |
объемная доля, % |
1,10 |
±0,06 |
±0,04 |
3905-87 |
|
(%, НКПР) |
(25,0) |
(±1,4) |
(±0,9) |
|||
|
Примечания 1 В соответствии с ГОСТ Р 51330.19-99, 100 % НКПР для метана (СН4) соответствует 4,4 % объемной доли. 2 Допускается получение указанных ГСО-ПГС на другом оборудовании при условии обеспечения характеристик, не хуже указанных. 3 Изготовители и поставщики ГСО-ПГС: - ФГУП СПО «Аналитприбор», 214031; Россия, г. Смоленск, ул. Бабушкина, 3, тел. (4812) 31-32-39, факс (4812) 31-75-17; - ГЦИ СИ ГУП «ВНИИМ им. Д.И. Менделеева», 190005; Россия, г. С-Петербург, Московский пр-т, 19, тел. (812) 315-11-45, факс (812) 327-97-76. |
||||||
2.2 Все средства поверки должны иметь действующие свидетельства о поверке, поверочные газовые смеси в баллонах под давлением - действующие паспорта.
2.3 Допускается применение других средств поверки, метрологические характеристики которых не хуже указанных.
3.1 При проведении поверки должны быть соблюдены следующие требования безопасности:
- требования техники безопасности и производственной санитарии выполнять согласно «Правилам по охране труда на предприятиях и в организациях машиностроения» ПОТ Р О-14000-001-98, утвержденным департаментом экономики машиностроения министерства экономики РФ 12.03.98;
- требования техники безопасности при эксплуатации баллонов со сжатыми газами должны соответствовать «Правилам устройства и безопасной эксплуатации сосудов, работающих под давлением» (ПБ 03-576-03), утвержденным постановлением № 91 Госгортехнадзора России от 11.06.2003 г.;
- сброс газа при поверке сигнализатора по ГСО-ПГС должен осуществляться за пределы помещения;
- помещение должно быть оборудовано приточно-вытяжной вентиляцией;
- в помещении запрещается пользоваться открытым огнем и курить;
- к поверке допускаются лица, изучившие настоящую методику поверки и руководство по эксплуатации ИБЯЛ.413411.056 РЭ и прошедшие необходимый инструктаж.
4.1 При проведении поверки должны быть соблюдены следующие условия, если они не оговорены особо:
|
- температура окружающего воздуха, °С |
20 ± 5; |
|
- относительная влажность, % |
65 ± 15; |
|
- атмосферное давление, кПа (мм рт. ст.) |
101,3 ± 4 (760 ± 30); |
|
- параметры электропитания от сети переменного тока: |
|
|
- напряжение, В |
230 ± 23; |
|
- частота, Гц |
50 ± 1; |
|
- расход ГСО-ПГС, л/мин |
0,50 ± 0,05; |
|
- время подачи ГСО-ПГС, если не оговорено особо, мин |
3; |
|
- механические воздействия, внешние электрические и магнитные поля (кроме поля Земли), влияющие на метрологические характеристики, должны быть исключены; |
|
|
- прямые солнечные лучи и сквозняки должны быть исключены. |
|
Допускается изменение показаний в установившемся значении выходного сигнала, не превышающее 0,2 в долях от пределов основной погрешности по каналу оксида углерода или от пределов абсолютной погрешности по каналу горючих газов. Установившимся значением считать среднее значение выходного сигнала в течение 30 с после начала отсчета показаний.
5.1 Перед проведением поверки необходимо выполнить следующие подготовительные работы:
- ознакомиться с настоящей методикой поверки и руководством по эксплуатации ИБЯЛ.413411.056 РЭ и подготовить сигнализатор к работе;
- выполнить мероприятия по обеспечению условий безопасности;
- проверить наличие паспортов и сроки годности поверочных газовых смесей;
- выдержать сигнализатор и баллоны с ГСО-ПГС в помещении, в котором проводят проверку, в течение 24 ч;
- подготовить к работе средства поверки в соответствии с требованиями их эксплуатационной документации;
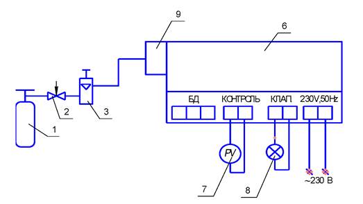
- поверку сигнализатора проводить по схемам:
а) по каналу горючих газов - рисунок 1(а);
б) по каналу оксида углерода - рисунок 1(б).

а) по каналу горючих газов

б) по каналу оксида углерода
|
1 - баллон с ГСО-ПГС; |
6 - блок контроля и сигнализации (БКС); |
|
2 - вентиль точной регулировки; |
7 - вольтметр; |
|
3 - ротаметр; |
8 - лампочка миниатюрная МН 13,5 - 0,16-ОС; |
|
4 - колпачок ИБЯЛ.725313.008; |
9 - колпачок поверочный ИБЯЛ.301121.015; |
|
5 - блок датчика СН (БД); |
|
|
Газовые соединения выполнить трубкой ПВХ 4×1,5. |
|
Рисунок 1 - Схема поверки сигнализатора по ГСО-ПГС
6.1 Внешний осмотр
6.1.1 При внешнем осмотре сигнализатора должно быть установлено:
- отсутствие внешних механических повреждений (царапин, вмятин и др.), влияющих на метрологические характеристики сигнализатора;
- наличие пломб ОТК или поверителя;
- наличие маркировки сигнализатора, соответствующей ИБЯЛ.413411.056 РЭ;
- соответствие комплектности сигнализатора указанной в ИБЯЛ.413411.056 РЭ;
- исправность органов управления и индикации;
- наличие всех видов крепежа.
Примечание - Комплектность сигнализатора проверять только при первичной проверке при выпуске из производства.
6.1.2 Результаты проведения внешнего осмотра положительные, если все указанные выше требования соблюдены.
6.2 Опробование
6.2.1 Проверка работоспособности
6.2.1.1 При опробовании провести проверку работоспособности. Для этого включить, прогреть сигнализатор и проверить работоспособность в соответствии с разделом 2 ИБЯЛ.413411.056 РЭ.
6.2.1.2 Сигнализатор считается работоспособным, если происходит срабатывание сигнализации АВАРИЙНАЯ-СН, АВАРИЙНАЯ-СО, а так же работает постоянная световая индикация зеленого цвета «ВКЛ» на блоке контроля и сигнализации (БКС) и блоке датчика (БД).
6.2.2 Определение электрического сопротивления изоляции
6.2.2.1 Определение электрического сопротивления изоляции проводить при отключенном электропитании при температуре окружающего воздуха (20 ± 5) °С и относительной влажности не более 80 %.
Газовый канал сигнализатора должен быть заполнен окружающим воздухом, электрическое питание отключено. Во время определения электрического сопротивления изоляции ГСО-ПГС через сигнализатор не пропускать.
6.2.2.2 Электрическое сопротивление изоляции измерять мегаомметром Ф4101. Измерительное напряжение 500 В прикладывать между:
- соединенными вместе контактами клеммных колодок «230 V, 50 Hz», «ПОРОГ1-СО», «ПОРОГ2-СО», «ПОРОГ-СН» и корпусом БКС, обернутым алюминиевой фольгой;
- соединенными вместе контактами клеммной колодки «230 V, 50 Hz» и соединенными вместе контактами клеммных колодок «ПОРОГ1-СО», «ПОРОГ2-СО», «ПОРОГ-СН»;
- соединенными вместе контактами клеммных колодок «230 V, 50 Hz», «ПОРОГ1-СО», «ПОРОГ2-СО», «ПОРОГ-СН» и соединенными вместе контактами клеммных колодок «АВАРИЯ», «КОНТРОЛЬ», «БД1», «БД2».
6.2.2.3 Отсчет показаний проводить через 10 с или, если показания не устанавливаются, через 1 мин после приложения испытательного напряжения.
6.2.2.4 Результаты определения электрического сопротивления изоляции положительные, если полученные значения сопротивления изоляции не менее 40 МОм.
6.2.2.5 Результаты определения электрического сопротивления изоляции отрицательные, если полученные значения сопротивления изоляции менее 40 МОм.
6.2.3 Проверка электрической прочности изоляции
6.2.3.1 Проверку проводить на установке для проверки электрической безопасности ОР1-735А (максимальный ток утечки 40 мА) при температуре окружающей среды (20 ± 5) °С и относительной влажности не более 80 %. Газовый канал сигнализатора должен быть заполнен окружающим воздухом, электрическое питание отключено, ГСО-ПГС во время проверки не пропускать.
6.2.3.2 Для проверки электрической прочности изоляции между цепями питания и корпусом сигнализатора испытательное, практически синусоидальное, напряжение частотой 50 Гц и действующим значением 3000 В прикладывать между соединенными вместе контактами клеммных колодок «230 V, 50 Hz», «ПОРОГ1-СО», «ПОРОГ2-СО», «ПОРОГ-СН» и корпусом БКС, обернутым алюминиевой фольгой.
6.2.3.3 Для проверки электрической прочности изоляции между электрическими цепями сигнализатора испытательное, практически синусоидальное, напряжение частотой 50 Гц и действующим значением 1500 В прикладывать:
- между соединенными вместе контактами клеммной колодки «230 V, 50 Hz» и соединенными вместе контактами клеммных колодок «ПОРОГ1-СО», «ПОРОГ2-СО», «ПОРОГ-СН»;
- между соединенными вместе контактами клеммных колодок «230 V, 50 Hz», «ПОРОГ1-СО», «ПОРОГ2-СО», «ПОРОГ-СН» и соединенными вместе контактами клеммных колодок «АВАРИЯ», «КОНТРОЛЬ», «БД1», «БД2».
6.2.3.4 Испытательное напряжение изменять плавно от 0 до 1500 В за время от 5 до 20 с. Изоляцию сигнализатора выдержать под действием испытательного напряжения в течение 1 мин. Снижение испытательного напряжения от заданного значения до нуля осуществлять в течение такого же времени.
6.2.3.5 Результаты проверки электрической прочности изоляции положительные, если за время испытаний не произошло пробоя изоляции или поверхностного перекрытия изоляции.
6.2.3.6 Результаты проверки электрической прочности изоляции отрицательные, если за время испытаний произошел пробой изоляции или поверхностное перекрытие изоляции.
6.3 Определение метрологических характеристик
6.3.1 Определение абсолютной погрешности сигнализатора по каналу горючих газов и проверка порогов срабатывания сигнализации АВАРИЙНАЯ-СН
6.3.1.1 Определение абсолютной погрешности сигнализатора по каналу горючих газов и проверку порогов срабатывания сигнализации АВАРИЙНАЯ-СН проводить по схеме, приведенной на рисунке 1, с последовательной подачей ГСО-ПГС №№ 1-2-3-1 следующим образом:
- установить порог срабатывания сигнализации АВАРИЙНАЯ-СН равным 10 % НКПР;
- подать ГСО-ПГС № 1 в течение 3 мин, сигнализация АВАРИЙНАЯ-СН не должна сработать;
- подать ГСО-ПГС № 2 в течение 3 мин, убедиться в срабатывании сигнализации АВАРИЙНАЯ-СН (прерывистое свечение лампы), контролировать универсальным вольтметром в режиме омметра переключение контактов реле «ПОРОГ-СН»;
- не прекращая подачи ГСО-ПГС № 2, установить замыкатель - перемычку на контакты 1 порта «УПРАВЛ.» БД сигнализатора (при этом порог срабатывания сигнализации АВАРИЙНАЯ-СН устанавливается равным 20 % НКПР), убедиться в отключении сигнализации АВАРИЙНАЯ-СН, контролировать универсальным вольтметром в режиме омметра возврат контактов реле «ПОРОГ-СН» в исходное положение;
- подать ГС № 3 в течение 3 мин, сигнализация АВАРИЙНАЯ-СН должна сработать, контролировать универсальным вольтметром в режиме омметра переключение контактов реле «ПОРОГ-СН»;
- подать ГС № 1 в течение 3 мин, убедиться в отключении сигнализации АВАРИЙНАЯ-СН, возврате контактов реле «ПОРОГ-СН» в исходное положение.
6.3.1.2 Результаты определения абсолютной погрешности сигнализатора по каналу горючих газов и проверки порогов срабатывания сигнализации АВАРИЙНАЯ-СН положительные, если соблюдается последовательность включения и отключения сигнализации по п. 6.3.1.1, при подаче соответствующих ГСО-ПГС.
6.3.1.3 Результаты определения абсолютной погрешности сигнализатора по каналу горючих газов и проверки порогов срабатывания сигнализации АВАРИЙНАЯ-СН отрицательные, если хотя бы по одной из операций не соблюдается последовательность включения и отключения сигнализации по п. 6.3.1.1 при подаче соответствующих ГСО-ПГС.
6.3.2 Определение основной погрешности по каналу оксида углерода
6.3.2.1 Определение основной погрешности по каналу оксида углерода (СО) проводить по схеме, приведенной на рисунке 1. ГСО-ПГС при проверке подавать в последовательности:
- при первичной поверке №№ 1-2-3-2-1-3;
- при периодической поверке №№ 1-2-3-1.
При каждой операции подачи ГСО-ПГС (далее - точке поверки) фиксировать с помощью вольтметра значение сигнала на выходе «КОНТРОЛЬ» (напряжение постоянного тока).
Примечание - Пересчет значения сигнала напряжения постоянного тока на выходе «КОНТРОЛЬ» сигнализатора в измеренное значение содержания определяемого компонента в ГСО-ПГС (показания сигнализатора) проводить по формуле
|
|
(6.1) |
где П - показания сигнализатора, мг/м3;
U - измеренное значение напряжения постоянного тока на выходе «КОНТРОЛЬ», В;
0,4 - начальное значение выходного сигнала напряжения постоянного тока, В.
Kn - номинальный коэффициент преобразования, равный 0,008 В/(мг/м3).
6.3.2.2 Значение основной абсолютной погрешности (Δ) определить по формуле
|
Δ = Пj - Сд, |
(6.2) |
где Пj - измеренное значение содержания определяемого компонента (показания сигнализатора) в j-ой точке поверки, рассчитанное по формуле (6.1), мг/м3;
Сд - действительное значение содержания определяемого компонента в точке поверки, указанное в паспорте на ГСО-ПГС, мг/м3.
6.3.2.3 Значение основной относительной погрешности (δ) определить по формуле
|
|
(6.3) |
6.3.2.4 Результаты поверки определения основной погрешности по каналу оксида углерода (СО) положительные, если полученные значения не превышают пределов основной погрешности:
±5 мг/м на участке диапазона измерений от 0 до 20 мг/м3;
±25 % на участке диапазона измерений от 20 до 200 мг/м3.
6.3.2.5 Результаты поверки определения основной погрешности по каналу оксида углерода (СО) отрицательные, если хотя бы одно из полученных значений превышает пределы основной погрешности:
±5 мг/м на участке диапазона измерений от 0 до 20 мг/м3;
±25 % на участке диапазона измерений от 20 до 200 мг/м3.
6.3.3 Определение вариации показаний по каналу оксида углерода
6.3.3.1 Определение вариации показаний по каналу оксида углерода (СО) допускается проводить одновременно с определением основной погрешности при подаче ГСО-ПГС № 2.
6.3.3.2 Значение вариации показаний (bδ) определять в точке поверки, соответствующей ГСО-ПГС № 2 по формуле
|
|
(6.4) |
где ПБ (ПМ) - показания сигнализаторов при подходе к точке поверки со стороны больших (меньших) значений содержания определяемого компонента, мг/м3;
δд - пределы допускаемой основной относительной погрешности в точке поверки, равные ±25 %.
6.3.3.3 Результаты поверки определения вариации показаний по каналу оксида углерода (СО) положительные, если полученные значения вариации показаний не превышают 0,5 пределов основной погрешности (в долях).
6.3.3.4 Результаты поверки определения вариации показаний по каналу оксида углерода (СО) отрицательные, если полученные значения вариации показаний превышают 0,5 пределов основной погрешности (в долях).
6.3.4 Определение времени срабатывания сигнализации
6.3.4.1 Определение времени срабатывания сигнализации по каналу горючих газов проводить по схеме приведенной на рисунке 1 при установленном пороге срабатывания сигнализации, равном 10 % НКПР, в следующей последовательности:
- отключить подводящую ГСО-ПГС трубку от колпачка на сигнализаторе, подключить ее к линии сброса, подать в трубку ГСО-ПГС № 2 в течение 10 с (при максимальной длине трубки до 10 м);
- подсоединить подводящую ГСО-ПГС трубку к колпачку сигнализатора, включить секундомер. Зафиксировать время срабатывания сигнализации АВАРИЙНАЯ-СН.
6.3.4.2 Определение времени срабатывания сигнализации по каналу оксида углерода проводить путем определения времени достижения выходным сигналом напряжения постоянного тока на выходе КОНТРОЛЬ сигнализатора уровня 0,63 от установившегося значения выходного сигнала. Проверку проводить по схеме рисунка 1 при длине подводящих газ трубок не более 2 м следующим образом:
- рассчитать значение сигнала напряжения постоянного тока на выходе КОНТРОЛЬ, соответствующее уровню 0,63 от установившегося значения U0,63, В, по формуле
|
|
(6.5) |
где Uуст - значение сигнала (напряжение постоянного тока) на выходе КОНТРОЛЬ, соответствующее действительному содержанию определяемого компонента, указанному в паспорте на ГСО-ПГС № 2, мг/м3.
Примечание - После определения основной погрешности выдержать сигнализатор перед проведением испытания на атмосферном воздухе не менее 15 мин;
- подать на сигнализатор ГСО-ПГС № 2 и фиксировать время срабатывания сигнализации - время от начала подачи ГСО-ПГС № 2 до достижения сигналом напряжения постоянного тока на выходе КОНТРОЛЬ сигнализатора значения U0,63, вычисленного по формуле (6.5).
6.3.4.3 Результаты поверки определения времени срабатывания сигнализации положительные, если время срабатывания сигнализации не более:
- по каналу горючих газов 15 с;
- по каналу оксида углерода 45 с.
6.3.4.4 Результаты поверки определения времени срабатывания сигнализации отрицательные, если время срабатывания сигнализации более:
- по каналу горючих газов 15 с;
- по каналу оксида углерода 45 с.
7.1 Результаты поверки оформляют протоколом произвольной формы.
7.2 При положительных результатах поверки сигнализатор признают годным к применению, производят клеймение путем нанесения оттиска поверительного клейма на защитной крышке сигнализатора на свободном месте или делают соответствующую отметку в руководстве по эксплуатации ИБЯЛ.413411.056 РЭ, или оформляют и выдают свидетельство о поверке в соответствии с ПР 50.2.006-94.
7.3 При отрицательных результатах поверки сигнализатор признают непригодным к применению, эксплуатацию сигнализатора запрещают. Клеймо предыдущей поверки гасят, свидетельство о поверке аннулируют, делают отметку о непригодности в руководстве по эксплуатации ИБЯЛ.413411.056 РЭ и оформляют извещение о непригодности установленной формы в соответствии ПР 50.2.006-94 с указанием причин непригодности.

Рисунок 2 - Схема пломбировки сигнализаторов от несанкционированного доступа
Лист регистрации изменений
|
Изм. |
Номера листов (страниц) |
Всего листов в документе |
Номер документа |
подпись |
Дата |
|||
|
измененных |
замененных |
новых |
аннулированных |
|||||
|
|
|
|
|
|
|
|
|
|
|
|
|
|
|
|
|
|
|
|
СОДЕРЖАНИЕ