|
СОГЛАСОВАНО |
УТВЕРЖДАЮ |
|
Генеральный директор |
Руководитель ГЦИ СИ |
|
ФГУП СПО «Аналитприбор» |
ООО КИП «МЦЭ» - |
|
|
генеральный директор |
|
|
ООО КИП «МЦЭ» |
|
_________________ Н.Г. Антонов |
__________________ А.В. Федоров |
|
«_____» ________________ 2011 г. |
«_____» ________________ 2011 г. |
СИГНАЛИЗАТОР
ГОРЮЧИХ ГАЗОВ СГГ-6М
Методика поверки
ИБЯЛ.413531.010 МП
|
Начальник ОМ - главный метролог ФГУП СПО «Аналитприбор» ________________ Ю.В. Гращенков ведущий инженер ________________ Л.Л. Ужегова |
Настоящая методика поверки распространяется на сигнализатор горючих газов СГГ-6М (далее - сигнализатор) и устанавливает методику первичной (при выпуске из производства, после ремонта) и периодической поверки в процессе эксплуатации.
Межповерочный интервал - 1 год.
1.1 При проведении поверки должны быть выполнены операции в соответствии с таблицей 1.1.
Таблица 1.1
|
Наименование операции |
Номер пункта методики поверки |
Проведение операции при поверке |
|
|
первичной |
периодической |
||
|
1. Внешний осмотр |
Да |
Да |
|
|
2. Опробование |
|
|
|
|
- проверка работоспособности; |
Да |
Да |
|
|
- определение электрического сопротивления изоляции; |
Да |
Да |
|
|
- проверка электрической прочности изоляции |
Да |
Нет |
|
|
3. Определение метрологических характеристик |
|
|
|
|
- определение абсолютной погрешности сигнализатора, проверка порогов срабатывания сигнализации и проверка выходного электрического дискретного сигнала «АВАРИЯ»; |
Да |
Да |
|
|
- определение времени срабатывания сигнализации |
Да |
Да |
|
1.2 При получении отрицательных результатов при проведении той или иной операции поверка сигнализатора прекращается.
2.1 При проведении поверки должны быть применены средства, указанные в таблице 2.1.
Таблица 2.1
|
Номер пункта методики поверки |
Наименование и тип средства поверки, обозначение нормативного документа, регламентирующего технические требования и метрологические (МХ) и технические характеристики средства поверки |
|
Барометр-анероид М-67 по ТУ 25-04-1797, диапазон от 610 до 790 мм рт. ст., погрешность ±0,8 мм рт. ст. |
|
|
Психрометр М-34 по ТУ 25-1607.054-87, диапазон измерения относительной влажности от 10 до 100 %, температуры от минус 25 до плюс 50 °С |
|
|
Термометр ТЛ-2М по ТУ 22-2021.003-88, диапазон от 0 до 100 °С, цена деления 1 °С |
|
|
Секундомер СОСпр-2б-2, ГОСТ 5072-79 |
|
|
Мегаомметр М4100/3 по ТУ 25-04-2131-72, диапазон измерения от 0 до 100 МОм, погрешность ±1 % |
|
|
Установка для проверки электрической безопасности GPI-735А, диапазон выходных напряжений от 100 до 6000 В; диапазон установки по току от 0,01 до 10,0 мА, диапазон измерения сопротивления изоляции при напряжении 50 и 100 В от 1 до 2000 МОм, при напряжении 500 и 1000 В от 1 до 10000 МОм (максимальный ток утечки 40 мА) |
|
|
Фольга алюминиевая АД1 по ГОСТ 4784-97 |
|
|
Источник питания постоянного тока ТЭС-41, (0 - 30) В, 5 А |
|
|
Вольтамперметр М2044 по ГОСТ 8711-93, шкала 0,75 мА - 30 А; (15 мВ - 600 В) кл. 0,2 |
|
|
Ротаметр РМ-0,063 ГУЗ по ТУ 25-02.070213-82, верхний предел 0,063 м3/ч, кл. 4 |
|
|
Вентиль точной регулировки ИБЯЛ.306577.002 |
|
|
Колпачок поверочный ИБЯЛ.725313.008 (из комплекта ЗИП) |
|
|
Редуктор баллонный БКО-25-1 по ТУ 26-05-90-87 |
|
|
Трубка ПВХ 4×1,5 по ТУ 2247-465-00208947-2006 |
|
|
Поверочные газовые смеси (ГСО-ПГС) по ТУ 6-16-2956-92, согласно таблице 2.2 |
Таблица 2.2
|
№ ГСО-ПГС |
Компонентный состав |
Единица физической величины |
Характеристика ГСО-ПГС |
Номер ГСО-ПГС в Госреестре |
||
|
Содержание определяемого компонента |
Пределы допускаемого отклонения |
Пределы допускаемой погрешности аттестации |
||||
|
Канал оксида углерода |
||||||
|
1 |
СН4 - воздух |
объемная доля, % |
0,22 |
±0,04 |
±0,02 |
3904-87 |
|
(%, НКПР) |
(5,00) |
(±0,90) |
(±0,45) |
|||
|
2 |
СН4 - воздух |
объемная доля, % |
0,66 |
±0,06 |
±0,04 |
3905-87 |
|
(%, НКПР) |
(15,0) |
(±1,4) |
(±0,9) |
|||
|
3 |
СН4 - воздух |
объемная доля, % |
1,10 |
±0,06 |
±0,04 |
3905-87 |
|
(%, НКПР) |
(25,0) |
(±1,4) |
(±0,9) |
|||
|
Примечания 1 В соответствии с ГОСТ Р 51330.19-99, 100 % НКПР для метана (СН4) соответствует 4,4 % объемной доли. 2 Допускается получение указанных ГСО-ПГС на другом оборудовании при условии обеспечения характеристик, не хуже указанных. 3 Изготовители и поставщики ГСО-ПГС: - ФГУП СПО «Аналитприбор», 214031; Россия, г. Смоленск, ул. Бабушкина, 3, тел. (4812) 31-32-39, факс (4812) 31-75-17; - ГЦИ СИ ГУП «ВНИИМ им. Д.И. Менделеева», 190005; Россия, г. С-Петербург, Московский пр-т, 19, тел. (812) 315-11-45, факс (812) 327-97-76. |
||||||
2.2 Все средства поверки должны иметь действующие свидетельства о поверке, поверочные газовые смеси в баллонах под давлением - действующие паспорта.
2.3 Допускается применение других средств поверки, метрологические характеристики которых не хуже указанных.
3.1 При проведении поверки должны быть соблюдены следующие требования безопасности:
- требования техники безопасности и производственной санитарии выполнять согласно «Правилам по охране труда на предприятиях и в организациях машиностроения» ПОТ Р О-14000-001-98, утвержденным департаментом экономики машиностроения министерства экономики РФ 12.03.98;
- требования техники безопасности при эксплуатации баллонов со сжатыми газами должны соответствовать «Правилам устройства и безопасной эксплуатации сосудов, работающих под давлением» (ПБ 03-576-03), утвержденным постановлением № 91 Госгортехнадзора России от 11.06.2003 г.;
- сброс газа при поверке сигнализатора по ГСО-ПГС должен осуществляться за пределы помещения;
- помещение должно быть оборудовано приточно-вытяжной вентиляцией;
- в помещении запрещается пользоваться открытым огнем и курить;
- к поверке допускаются лица, изучившие настоящую методику поверки и руководство по эксплуатации ИБЯЛ.413531.010 РЭ и прошедшие необходимый инструктаж.
4.1 При проведении поверки должны быть соблюдены следующие условия, если они не оговорены особо:
|
- температура окружающего воздуха, °С |
20 ± 5; |
|
- относительная влажность, % |
65 ± 15; |
|
- атмосферное давление, кПа (мм рт. ст.) |
101,3 ± 4 (760 ± 30); |
|
- напряжение электропитания, В |
12 ± 2; |
|
- расход ГСО-ПГС, л/мин |
0,50 ± 0,05; |
|
- время подачи ГСО-ПГС, если не оговорено особо, мин |
3; |
|
- механические воздействия, внешние электрические и магнитные поля (кроме поля Земли), влияющие на метрологические характеристики, должны быть исключены; |
|
|
- прямые солнечные лучи и сквозняки должны быть исключены. |
|
Допускается изменение показаний в установившемся значении выходного сигнала, не превышающее 0,2 в долях от пределов погрешности. Установившимся значением считать среднее значение выходного сигнала в течение 30 с после начала отсчета показаний.
5.1 Перед проведением поверки необходимо выполнить следующие подготовительные работы:
- ознакомиться с настоящей методикой поверки и руководством по эксплуатации ИБЯЛ.413531.010 РЭ и подготовить сигнализатор к работе;
- выполнить мероприятия по обеспечению условий безопасности;
- проверить наличие паспортов и сроки годности ГСО-ПГС;
- выдержать сигнализатор и баллоны с ГСО-ПГС в помещении, в котором проводят проверку, в течение не менее 24 ч;
- подготовить к работе средства поверки в соответствии с требованиями их эксплуатационной документации;
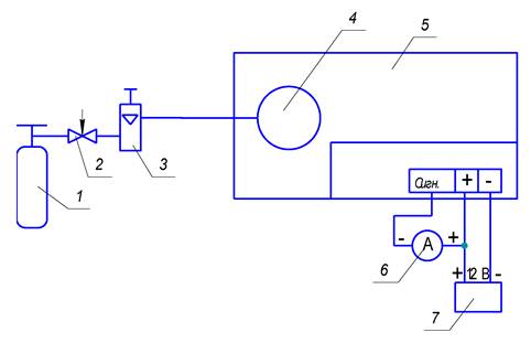
- поверку сигнализатора проводить по схеме рисунка 1.
|
1 - баллон с ГСО-ПГС; |
5 - сигнализатор; |
|
2 - вентиль точной регулировки; |
6 - вольтамперметр М2044; |
|
3 - ротаметр; |
7 - источник питания постоянного тока. |
|
4 - колпачок ИБЯЛ.725313.008; |
Газовые соединения выполнить трубкой ПВХ 4×1,5.
Рисунок 1 - Схема поверки сигнализатора по ГСО-ПГС
6.1.1 При внешнем осмотре сигнализатора должно быть установлено:
- отсутствие внешних механических повреждений (царапин, вмятин и др.), влияющих на метрологические характеристики сигнализатора;
- наличие пломб ОТК или поверителя;
- наличие маркировки сигнализатора, соответствующей ИБЯЛ.413531.010 РЭ;
- соответствие комплектности сигнализатора указанной в ИБЯЛ.413531.010 РЭ;
- исправность органов управления и индикации;
- наличие всех видов крепежа.
Примечание - Комплектность сигнализатора проверять только при первичной проверке при выпуске из производства.
6.1.2 Результаты проведения внешнего осмотра положительные, если все указанные выше требования соблюдены.
6.2 Опробование
6.2.1 Проверка работоспособности
6.2.1.1 При опробовании провести проверку работоспособности. Для этого включить, прогреть сигнализатор и проверить работоспособность в соответствии с разделом 2 ИБЯЛ.413531.010 РЭ.
6.2.1.2 Сигнализатор считается работоспособным, если происходит срабатывание сигнализации АВАРИЙНАЯ.
6.2.2 Определение электрического сопротивления изоляции
6.2.2.1 Определение электрического сопротивления изоляции проводить при отключенном электропитании, температуре окружающего воздуха (20 ± 5) °С и относительной влажности не более 80 %.
Газовый канал сигнализатора должен быть заполнен окружающим воздухом. Во время определения электрического сопротивления изоляции ГСО-ПГС через сигнализатор не пропускать.
6.2.2.2 Электрическое сопротивление изоляции измерять мегаомметром. Измерительное напряжение 500 В прикладывать между соединенными вместе контактами клеммной колодки, порта управления, и корпусом сигнализатора, обернутым алюминиевой фольгой.
6.2.2.3 Отсчет показаний проводить через 10 с или, если показания не устанавливаются, через 1 мин после приложения испытательного напряжения.
6.2.2.4 Результаты определения электрического сопротивления изоляции положительные, если полученные значения сопротивления изоляции не менее 40 МОм.
6.2.2.5 Результаты определения электрического сопротивления изоляции отрицательные, если полученные значения сопротивления изоляции менее 40 МОм.
6.2.3 Проверка электрической прочности изоляции
6.2.3.1 Проверку проводить на установке для проверки электрической безопасности GPI-735А (максимальный ток утечки 40 мА) при температуре окружающей среды (20 ± 5) °С и относительной влажности не более 80 %. Газовый канал сигнализатора должен быть заполнен окружающим воздухом, электрическое питание отключено. Во время проверки электрической прочности изоляции ГСО-ПГС не пропускать.
6.2.3.2 Испытательное, практически синусоидальное, напряжение частотой 50 Гц и действующим значением 500 В прикладывать между соединенными вместе контактами клеммной колодки, порта управления и корпусом сигнализатора, обернутым алюминиевой фольгой.
6.2.3.3 Испытательное напряжение плавно изменять от 0 до 500 В за время от 5 до 20 с. Изоляцию сигнализатора выдержать под действием испытательного напряжения в течение 1 мин. Снижение испытательного напряжения от заданного значения до нуля осуществлять в течение такого же времени.
6.2.3.4 Результаты проверки электрической прочности изоляции положительные, если за время испытаний не произошло пробоя изоляции или поверхностного перекрытия изоляции.
6.2.3.5 Результаты проверки электрической прочности изоляции отрицательные, если за время испытаний произошел пробой изоляции или поверхностное перекрытие изоляции.
6.3 Определение метрологических
характеристик![]()
6.3.1 Определение абсолютной погрешности сигнализатора, проверка порогов срабатывания сигнализации и проверка выходного электрического дискретного сигнала «АВАРИЯ»
6.3.1.1 Определение абсолютной погрешности сигнализатора по каналу горючих газов и проверку порогов срабатывания сигнализации проводить по схеме, приведенной на рисунке 1, с последовательной подачей ГСО-ПГС №№ 1-2-3-1 следующим образом:
- установить порог срабатывания сигнализации АВАРИЙНАЯ равным 10 % НКПР.
Примечание - При выпуске из производства устанавливается значение порога сигнализации АВАРИЙНАЯ, равное 20 % НКПР;
- подать ГСО-ПГС № 1 в течение 3 мин, сигнализация АВАРИЙНАЯ не должна сработать, выходной электрический сигнал АВАРИЯ должен быть в состоянии НОРМА (ток через вольтамперметр не более 0,1 мА);
- подать ГСО-ПГС № 2 в течение 2 мин, убедиться в срабатывании сигнализации АВАРИЙНАЯ, выдаче выходного электрического сигнала АВАРИЯ (ток через вольтамперметр не менее 6 мА);
- не прекращая подачи ГСО-ПГС № 2, установить замыкатель - перемычку на контакты 1 порта «УПРАВЛ.» сигнализатора (при этом порог срабатывания сигнализации АВАРИЙНАЯ устанавливается равным 20 % НКПР), убедиться, что сигнализация АВАРИЙНАЯ отключится, выходной электрический сигнал АВАРИЯ переключится в состояние НОРМА (ток через вольтамперметр не более 0,1 мА);
- подать ГСО-ПГС № 3 в течение 3 мин, сигнализация АВАРИЙНАЯ должна сработать, убедиться в выдаче выходного электрического сигнала АВАРИЯ (ток через вольтамперметр не менее 6 мА);
- подать ГСО-ПГС № 1 в течение 3 мин, убедиться в отключении сигнализации АВАРИЙНАЯ, переключении выходного электрического сигнала АВАРИЯ в состояние НОРМА (ток через вольтамперметр не более 0,1 мА).
6.3.1.2 Результаты определения абсолютной погрешности сигнализатора, проверки порогов срабатывания сигнализации и проверки выходного электрического дискретного сигнала «АВАРИЯ» положительные, если соблюдается последовательность включения и отключения сигнализации по п. 6.3.1.1 при подаче соответствующих ГСО-ПГС.
6.3.1.3 Результаты определения абсолютной погрешности сигнализатора, проверки порогов срабатывания сигнализации и проверки выходного электрического дискретного сигнала «АВАРИЯ» отрицательные, если хотя бы по одной из операций не соблюдается последовательность включения и отключения сигнализации по п. 6.3.1.1, при подаче соответствующих ГСО-ПГС.
6.3.2 Определение времени срабатывания сигнализации
6.3.2.1 Определение времени срабатывания сигнализации по каналу горючих газов проводить по схеме, приведенной на рисунке 1, при установленном пороге срабатывания сигнализации, равном 10 % НКПР, в следующей последовательности:
а) отключить подводящую ГСО-ПГС трубку от колпачка поверочного на сигнализаторе, подключить ее к линии сброса, подать в трубку ГСО-ПГС № 2 в течение 10 с (при максимальной длине трубки до 10 м);
б) подсоединить подводящую ГСО-ПГС трубку к колпачку сигнализатора, включить секундомер. Зафиксировать время срабатывания сигнализации АВАРИЙНАЯ.
6.3.2.2 Результаты определения времени срабатывания сигнализации положительные, если время срабатывания сигнализации АВАРИЙНАЯ не более 15 с.
6.3.2.3 Результаты определения времени срабатывания сигнализации отрицательные, если время срабатывания сигнализации АВАРИЙНАЯ более 15 с.
7.1 Результаты поверки оформляют протоколом произвольной формы.
7.2 При положительных результатах поверки сигнализатор признают годным к применению, производят клеймение путем нанесения оттиска поверительного клейма на защитной крышке сигнализатора на свободном месте или делают соответствующую отметку в руководстве по эксплуатации ИБЯЛ.413531.010 РЭ, или оформляют и выдают свидетельство о поверке в соответствии с ПР 50.2.006-94.
7.3 При отрицательных результатах поверки сигнализатор признают непригодным к применению, эксплуатацию сигнализатора запрещают. Клеймо предыдущей поверки гасят, свидетельство о поверке аннулируют, делают отметку о непригодности в руководстве по эксплуатации ИБЯЛ.413531.010 РЭ и оформляют извещение о непригодности установленной формы в соответствии ПР 50.2.006-94 с указанием причин непригодности.

Рисунок 2 - Схема пломбировки сигнализатора от
несанкционированного доступа
и обозначение мест для нанесения гарантийных наклеек
Лист регистрации изменений
|
Изм. |
Номера листов (страниц) |
Всего листов в документе |
Номер документа |
подпись |
Дата |
|||
|
измененных |
замененных |
новых |
аннулированных |
|||||
|
|
|
|
|
|
|
|
|
|
|
|
|
|
|
|
|
|
|
|
СОДЕРЖАНИЕ