|
МИНИСТЕРСТВО
СТРОИТЕЛЬСТВА |
|
|
СВОД ПРАВИЛ |
СП 404.1325800.2018 |
ИНФОРМАЦИОННОЕ МОДЕЛИРОВАНИЕ
В СТРОИТЕЛЬСТВЕ
Правила разработки планов проектов,
реализуемых с применением технологии
информационного моделирования
|
|
Москва Стандартинформ 2019 |
Предисловие
Сведения о своде правил
1 ИСПОЛНИТЕЛИ - Акционерное общество «Научно-исследовательский центр «Строительство» - ЦНИИСК им. В.А. Кучеренко, Общество с ограниченной ответственностью «КОНКУРАТОР» (ООО «КОНКУРАТОР»)
2 ВНЕСЕН Техническим комитетом по стандартизации ТК 465 «Строительство»
3 ПОДГОТОВЛЕН к утверждению Департаментом градостроительной деятельности и архитектуры Министерства строительства и жилищно-коммунального хозяйства Российской Федерации (Минстрой России)
4 УТВЕРЖДЕН Приказом Министерства строительства и жилищно-коммунального хозяйства Российской Федерации от 17 декабря 2018 г. № 814/пр и введен в действие с 18 июня 2019 г.
5 ЗАРЕГИСТРИРОВАН Федеральным агентством по техническому регулированию и метрологии (Росстандарт)
6 ВВЕДЕН ВПЕРВЫЕ
В случае пересмотра (замены) или отмены настоящего свода правил соответствующее уведомление будет опубликовано в установленном порядке. Соответствующая информация, уведомление и тексты размещаются также в информационной системе общего пользования - на официальном сайте разработчика (Минстрой России) в сети Интернет
СОДЕРЖАНИЕ
Введение
Настоящий свод правил разработан в соответствии с Федеральным законом от 30 декабря 2009 г. № 384-ФЗ «Технический регламент о безопасности зданий и сооружений» в целях выработки единых подходов к процессу планирования инвестиционно-строительных проектов, реализуемых с применением технологии информационного моделирования.
Свод правил подготовлен авторским коллективом: АО «НИЦ «Строительство» - ЦНИИСК им. В.А. Кучеренко (руководитель разработки - д-р техн. наук И.И. Ведяков, руководитель темы - канд. техн. наук Ю.Н. Жук, А.В. Ананьев) и ООО «КОНКУРАТОР» (М.Г. Король, С.Э. Бенклян).
СВОД ПРАВИЛ
|
ИНФОРМАЦИОННОЕ МОДЕЛИРОВАНИЕ В СТРОИТЕЛЬСТВЕ Правила
разработки планов проектов, реализуемых с применением технологии Building information modeling. Project execution planning guide |
Дата введения - 2019-06-18
1.1 Настоящий свод правил устанавливает общие правила, порядок разработки и структуру планов проектов, реализуемых с применением технологии информационного моделирования объектов строительства.
1.2 Требования настоящего свода правил распространяются на процессы планирования проектов в строительстве, реализуемых с применением технологии информационного моделирования, и могут быть применены при строительстве объектов различного функционального назначения, их реконструкции и капитальном ремонте.
В настоящем своде правил использованы нормативные ссылки на следующие документы:
ГОСТ Р 54869-2011 Проектный менеджмент. Требования к управлению проектом
ГОСТ Р 57310-2016 (ИСО 29481-1:2010) Моделирование информационное в строительстве. Руководство по доставке информации. Методология и формат
ГОСТ Р 57311-2016 Моделирование информационное в строительстве. Требования к эксплуатационной документации объектов завершенного строительства
ГОСТ Р 57363-2016 Управление проектом в строительстве. Деятельность управляющего проектом (технического заказчика)
СП 328.1325800.2017 Информационное моделирование в строительстве. Правила формирования компонентов информационной модели
СП 331.1325800.2017 Информационное моделирование в строительстве. Правила обмена между информационными моделями объектов и моделями, используемыми в программных комплексах
СП 333.1325800.2017 Информационное моделирование в строительстве. Правила формирования информационной модели объектов на различных стадиях жизненного цикла
Примечание - При пользовании настоящим сводом правил целесообразно проверить действие ссылочных документов в информационной системе общего пользования - на официальном сайте федерального органа исполнительной власти в сфере стандартизации в сети Интернет или по ежегодному информационному указателю «Национальные стандарты», который опубликован по состоянию на 1 января текущего года, и по выпускам ежемесячного информационного указателя «Национальные стандарты» за текущий год. Если заменен ссылочный документ, на который дана недатированная ссылка, то рекомендуется использовать действующую версию этого документа с учетом всех внесенных в данную версию изменений. Если заменен ссылочный документ, на который дана датированная ссылка, то рекомендуется использовать версию этого документа с указанным выше годом утверждения (принятия). Если после утверждения настоящего свода правил в ссылочный документ, на который дана датированная ссылка, внесено изменение, затрагивающее положение, на которое дана ссылка, то это положение рекомендуется применять без учета данного изменения. Если ссылочный документ отменен без замены, то положение, в котором дана ссылка на него, рекомендуется применять в части, не затрагивающей эту ссылку. Сведения о действии сводов правил целесообразно проверить в Федеральном информационном фонде стандартов.
3.1 Термины и определения
В настоящем своде правил применены следующие термины с соответствующими определениями:
3.1.1
атрибутивные данные: Существенные свойства элемента цифровой информационной модели, определяющие его геометрию или характеристики, представленные с помощью алфавитно-цифровых символов.
[СП 333.1325800.2017, статья 3.1]
3.1.2
выявление коллизий: Процесс поиска, анализа и устранения ошибок, связанных в том числе:
- с геометрическими пересечениями элементов цифровой информационной модели;
- нарушениями нормируемых расстояний между элементами цифровой информационной модели;
- пространственно-временными пересечениями ресурсов из календарно-сетевого графика строительства объекта.
[СП 333.1325800.2017, статья 3.3]
3.1.3
геометрические данные: Данные, определяющие размеры, форму и пространственное расположение элемента цифровой информационной модели.
[СП 333.1325800.2017, статья 3.4]
3.1.4
жизненный цикл здания или сооружения: Период, в течение которого осуществляются инженерные изыскания, проектирование, строительство (в том числе консервация), эксплуатация (в том числе текущие ремонты), реконструкция, капитальный ремонт, снос здания или сооружения.
[1, статья 2, пункт 5]
3.1.5
задача применения информационного моделирования: Метод применения информационного моделирования на различных стадиях жизненного цикла объекта для достижения одной или нескольких целей инвестиционно-строительного проекта.
[СП 333.1325800.2017, статья 3.7]
3.1.6 заказчик (здесь): Государственный заказчик, застройщик (инвестор), технический заказчик или юридическое лицо, осуществляющее функции технического заказчика.
3.1.7
инвестиционно-строительный проект; ИСП: Комплекс взаимосвязанных мероприятий, направленных на создание объекта (основных фондов), комплекса объектов производственного или непроизводственного назначения, линейных сооружений в условиях временных и ресурсных ограничений.
[ГОСТ Р 57363-2016, статья 3.4]
3.1.8
инженерная цифровая модель местности; ИЦММ: Форма представления инженерно-топографического плана в цифровом объектно-пространственном виде для автоматизированного решения инженерных задач и проектирования объектов строительства. ИЦММ состоит из цифровой модели рельефа и цифровой модели ситуации.
[СП 333.1325800.2017, статья 3.9.2]
3.1.9
информационное моделирование объектов строительства: Процесс создания и использования информации по строящимся, а также завершенным объектам строительства в целях координации входных данных, организации совместного производства и хранения данных, а также их использования для различных целей на всех стадиях жизненного цикла.
[СП 333.1325800.2017, статья 3.10]
3.1.10 исполнитель (здесь): Генеральный проектировщик, субподрядные проектные и проектно-изыскательские организации, генеральный подрядчик, подрядные и субподрядные организации и другие юридические лица, участвующие в процессе информационного моделирования.
3.1.11
карта процесса: Представление характеристик процесса, соответствующего поставленной цели, в виде карты.
[ГОСТ Р 57310-2016, статья 3.14]
3.1.12
компонент: Цифровое представление физических и функциональных характеристик отдельного элемента объекта строительства, предназначенное для многократного использования.
[СП 333.1325800.2017, статья 3.12]
3.1.13
нотация моделирования бизнес-процессов; BPMN: Нотация для создания карты диаграмм бизнес-процессов, которая разработана для легкого понимания всеми пользователями.
[ГОСТ Р 57310-2016, статья 3.5]
3.1.14 обмен информацией: Процесс, входе которого между участниками инвестиционно-строительного проекта происходит обмен структурированными наборами информации в определенных форматах в целях поддержания конкретного требования по предоставлению информации на определенной фазе или стадии процесса информационного моделирования.
3.1.15
открытые форматы обмена данными: Форматы данных с открытой спецификацией.
Примечание - Формат IFC (Отраслевые базовые классы) - формат и схема данных с открытой спецификацией. Представляет собой международный стандарт обмена данными в информационном моделировании в области гражданского строительства и эксплуатации зданий и сооружений.
[СП 333.1325800.2017, статья 3.14]
3.1.16
план реализации проекта с использованием информационного моделирования; ПИМ: Технический документ, который разрабатывается, как правило, генпроектной и (или) генподрядной организацией для регламентации взаимодействия с субпроектными/субподрядными организациями и согласовывается с заказчиком.
[СП 333.1325800.2017, статья 3.15]
3.1.17
сводная цифровая модель: Цифровая информационная модель объекта, состоящая из отдельных цифровых информационных моделей/инженерных цифровых моделей местности (например, по различным дисциплинам или частям объекта строительства), соединенных между собой таким образом, что внесение изменений в одну из моделей не приводит к изменению в других.
Примечание - Основное назначение сводной модели - поддержка процессов согласования технических решений и выявления коллизий.
[СП 333.1325800.2017, статья 3.9.3]
3.1.18
среда общих данных; СОД: Комплекс программно-технических средств, представляющих единый источник данных, обеспечивающий совместное использование информации всеми участниками инвестиционно-строительного проекта.
Примечание - Среда общих данных основана на процедурах и регламентах, обеспечивающих эффективное управление итеративным процессом разработки и использования информационной модели, сбора, выпуска и распространения документации между участниками инвестиционно-строительного проекта.
[СП 333.1325800.2017, статья 3.16]
3.1.19
требования заказчика к информационным моделям: Требования заказчика (государственного заказчика, застройщика, технического заказчика или юридического лица, осуществляющего функции технического заказчика), определяющие информацию, предоставляемую заказчику в процессе реализации инвестиционно-строительного проекта с применением информационного моделирования, задачи применения информационного моделирования, а также требования к применяемым информационным стандартам и регламентам.
[СП 333.1325800.2017, статья 3.17]
3.1.20 управляющий процессом информационного моделирования: Лицо, которому поручено выполнять функции по планированию, организации, распределению ресурсов и контролю процесса информационного моделирования.
3.1.21
уровень проработки; LOD: Набор требований, определяющий полноту проработки элемента цифровой информационной модели. Уровень проработки задает минимальный объем геометрических, пространственных, количественных, а также любых атрибутивных данных, необходимых для решения задач информационного моделирования на конкретной стадии жизненного цикла объекта.
[СП 333.1325800.2017, статья 3.18]
3.1.22
цифровая информационная модель; ЦИМ: Объектно-ориентированная параметрическая трехмерная модель, представляющая в цифровом виде физические, функциональные и прочие характеристики объекта (или его отдельных частей) в виде совокупности информационно насыщенных элементов.
[СП 333.1325800.2017, статья 3.9.1]
3.1.23
элемент модели: Часть цифровой информационной модели, представляющая компонент, систему или сборку в пределах объекта строительства или строительной площадки.
[СП 333.1325800.2017, статья 3.19]
3.2 Сокращения
В настоящем своде правил применены следующие сокращения:
ИД - исполнительная документация;
ПД - проектная документация;
ПТО - производственно-технический отдел;
РД - рабочая документация.
4.1 Планирование ИСП, реализуемого с использованием технологии информационного моделирования, должно осуществляться всеми участниками процесса информационного моделирования в целях:
- обеспечения четкого понимания всеми участниками ИСП целей и задач применения информационного моделирования в рамках конкретного проекта;
- распределения ролей и обязанностей участников ИСП в связи с разработкой и использованием цифровых информационных моделей;
- обеспечения эффективных коммуникационных и координационных процессов деятельности участников ИСП на основе единой СОД, повышения обоснованности и качества принимаемых решений;
- определения информационных потребностей участников ИСП и обеспечения надежного и непрерывного обмена структурированной цифровой информацией между ними;
- определения потребности в материальных, нематериальных и человеческих ресурсах, необходимых для реализации целей и задач применения информационного моделирования в ходе реализации ИСП;
- осуществления контроля процесса информационного моделирования и качества цифровых информационных моделей.
4.2 Решение о применении технологии информационного моделирования должно быть обосновано в бизнес-плане ИСП.
4.3 В рамках этапа инициирования ИСП следует определить роль управляющего процессом информационного моделирования службы заказчика. Основные функции управляющего процессом информационного моделирования службы заказчика приведены в разделе 8.
4.4 Управляющий процессом информационного моделирования службы заказчика должен разработать требования заказчика к информационным моделям. Состав требований приведен в СП 333.1325800.
4.5 Разработку требований заказчика к информационным моделям, определение состава требований и перечня задач применения информационного моделирования следует осуществлять с учетом ГОСТ Р 57311, СП 333.1325800, СП 331.1325800, СП 328.1325800.
4.6 Со стороны исполнителей ИСП должны быть определены роли управляющих процессом информационного моделирования в рамках работ, зафиксированных в соответствующих контрактах.
4.7 При заключении контрактов, предметом которых является одновременно выполнение работ по проектированию, строительству и вводу в эксплуатацию объектов капитального строительства (в соответствии с [2]), допускается совмещать в одном лице роли управляющих процессом информационного моделирования.
4.8 Исполнители на основании требований заказчика к информационным моделям должны последовательно разработать и предоставить на согласование заказчику детализированные ПИМ на соответствующих этапах реализации ИСП.
4.9 К разработке ПИМ следует привлекать всех заинтересованных участников ИСП, состав которых зависит от типов заключаемых контрактов, их очередности, а также от определенных заказчиком целей и задач применения информационного моделирования для данного ИСП.
4.10 При заключении контрактов, предметом которых является одновременно выполнение работ по проектированию, строительству и вводу в эксплуатацию объектов капитального строительства (в соответствии с [2]), в разработке ПИМ должны участвовать представители всех сторон, участвующих в процессе информационного моделирования объекта строительства.
4.11 Общее планирование ИСП, реализуемого с использованием технологии информационного моделирования, следует осуществлять в том числе с учетом требований, приведенных в ГОСТ Р 54869 и ГОСТ Р 57363.
5.1 Методика разработки ПИМ является универсальной для всех исполнителей ИСП и представляет собой процедуру, состоящую из четырех последовательных этапов:
- Этап I. Анализ целей ИСП и определение соответствующих им задач применения информационного моделирования.
- Этап II. Разработка процессов информационного моделирования.
- Этап III. Разработка структуры и содержания цифровых информационных моделей и процедур обмена информацией.
- Этап IV. Определение потребности в ресурсах, разработка процедур совместной работы, контроля процесса информационного моделирования и качества цифровых информационных моделей.
5.1.1 Первоначальное планирование осуществляет заказчик, который формирует требования заказчика к информационным моделям. Далее последовательно исполнителями ИСП разрабатываются планы реализации проекта.
5.2 Этап I. Анализ целей ИСП и определение соответствующих им задач применения информационного моделирования
5.2.1 Одним из наиболее важных этапов в процедуре планирования ИСП является определение потенциальной ценности информационных моделей для всех участников ИСП и каждого исполнителя в отдельности. Для этого следует провести анализ целей ИСП, которые обозначены в требованиях заказчика к информационным моделям, и сформулировать соответствующие им задачи применения информационного моделирования.
5.2.2 Определение задач применения информационного моделирования следует проводить с учетом их взаимосвязи на всех этапах ИСП, где будет применяться технология информационного моделирования. Для этого следует привлекать к процессу планирования управляющего процессом информационного моделирования службы заказчика и управляющих процессом информационного моделирования тех исполнителей ИСП, которые определены на данный момент времени (в зависимости от типа контракта).
5.2.3 Результаты анализа (при необходимости) сводятся в табличной форме.
В таблице 5.1 приведен анализ целей и соответствующих задач применения информационного моделирования для стадии обоснования инвестиций, проектирования и строительства.
Таблица 5.1 - Анализ целей и задач применения информационного моделирования на стадиях обоснования инвестиций, проектирования и строительства
|
Приоритет |
Описание цели |
Задачи применения информационного моделирования |
|
Высокий |
Оценка ресурсов участка под застройку для определения оптимального расположения будущих объектов строительства |
Анализ местоположения будущего объекта строительства на основе инженерной цифровой модели местности. |
|
Визуализация |
||
|
Высокий |
Повысить обоснованность архитектурно-градостроительных решений и точность определения предполагаемой (предельной) стоимости строительства |
Разработка и сравнение вариантов архитектурно-градостроительных концепций на основе цифровых информационных моделей. |
|
Определение технико-экономических показателей объемнопланировочных решений на основе цифровых информационных моделей в целях разработки обоснований инвестиций в строительство. |
||
|
Визуализация |
||
|
Высокий |
Повысить точность подсчета объемов строительных работ |
Выпуск чертежей и спецификаций на основе цифровых информационных моделей. |
|
Подсчет объемов работ и оценка сметной стоимости на основе данных, полученных из цифровых информационных моделей |
||
|
Высокий |
Минимизировать количество междисциплинарных коллизий и повысить качество рабочей документации |
Пространственная координация и выявление коллизий. |
|
Выпуск чертежей и спецификаций на основе цифровых информационных моделей. |
||
|
Визуализация |
||
|
Высокий |
Оперативное внесение изменений в проектную и рабочую документацию и быстрый перерасчет объемов оборудования, изделий и материалов |
Выпуск чертежей и спецификаций на основе цифровых информационных моделей. |
|
Подсчет объемов работ и оценка сметной стоимости на основе данных, полученных из цифровых информационных моделей |
||
|
Средний |
Сократить сроки согласования проектных решений |
Пространственная координация и выявление коллизий. |
|
Проверка и оценка технических решений на основе цифровых информационных моделей. |
||
|
Визуализация |
||
|
Низкий |
Оптимизировать комплексный укрупненный сетевой график строительства |
Разработка проекта организации строительства, комплексного укрупненного сетевого графика на основе цифровых информационных моделей. |
|
Визуализация |
5.2.4 Каждую задачу применения информационного моделирования следует описывать, поскольку не все сотрудники исполнителя могут быть знакомы с отдельными задачами. Описание должно включать краткую аннотацию задачи применения информационного моделирования, преимущества и потенциальные выгоды от реализации данной задачи, способы проверки результатов работ по данной задаче, необходимые компетенции исполнителей и требуемое программное обеспечение.
В таблице 5.2 приведено описание задачи применения информационного моделирования «Пространственная междисциплинарная координация и выявление коллизий», в Б.1 - карта процесса реализации этой задачи.
Таблица 5.2 - Описание задачи применения информационного моделирования
|
Наименование задачи: пространственная координация и выявление коллизий |
|
|
Аннотация |
Процесс, в котором специализированные программные инструменты выявления коллизий используются для пространственной координации и согласования технических решений. Выявление коллизий осуществляется на основе сводной цифровой информационной модели |
|
Преимущества и потенциальные выгоды |
Скоординированные в 3D-пространстве проектные решения |
|
Сокращение сроков согласования проектных решений |
|
|
Повышение качества ПД и РД |
|
|
Устранение коллизий в проекте до производства строительно-монтажных работ |
|
|
Снижение стоимости строительства за счет сокращения брака и объема переделок на строительной площадке |
|
|
Требуемые нематериальные ресурсы |
Программное обеспечение для разработки цифровых информационных моделей |
|
Программное обеспечение для выявления коллизий |
|
|
Основные компетенции исполнителей |
Опыт работы в области проектирования промышленных и гражданских объектов |
|
Знание процессов согласования проектных решений |
|
|
Знание программного обеспечения для разработки цифровых информационных моделей и выявления коллизий |
|
|
Знание процедур формирования сводной цифровой информационной модели по объекту строительства |
|
5.3 Этап II. Разработка процессов информационного моделирования
5.3.1 После описания используемых в ИСП задач применения информационного моделирования следует разработать и согласовать детальные процессы реализации для каждой задачи, а также разработать и согласовать процесс верхнего уровня, описывающий взаимосвязь задач применения информационного моделирования всех участников ИСП, который будет использоваться в целях планирования и координации работ.
5.3.2 Для разработки процессов информационного моделирования следует использовать методику, изложенную в ГОСТ Р 57310.
5.3.3 Результаты разработки процессов информационного моделирования представляются в виде карт процессов в нотации моделирования бизнес-процессов (BPMN).
5.4 Этап III. Разработка структуры и содержания цифровых информационных моделей и процедур обмена информацией
5.4.1 После разработки процессов информационного моделирования следует определить процедуры обмена информацией как внутри рабочих групп исполнителей, так и между всеми исполнителями ИСП. Основная цель этого этапа - определить информационные потребности участников ИСП для реализации задач применения информационного моделирования.
5.4.2 Элементы цифровых информационных моделей являются основными носителями информации по объекту строительства, которые накапливают ее в процессе информационного моделирования на всех этапах реализации ИСП. Обмены информацией должны осуществляться за счет регламентированного доступа участников ИСП к цифровым информационным моделям посредством их размещения в едином информационном пространстве - СОД.
5.4.3 Объем геометрической и атрибутивной информации, необходимой для решения задач применения информационного моделирования, следует определять через уровни проработки элементов цифровых информационных моделей (LOD). Разработка требований к LOD на различных этапах ИСП является основной задачей планирования процедур обмена информацией. Описание уровней LOD и примеры требований к ним приведены в СП 333.1325800.2017 (подраздел 6.3 и приложение А).
5.4.4 При определении информационного содержания элементов цифровых информационных моделей - требований к геометрической и атрибутивной составляющим LOD - следует учитывать информационные потребности всех участников на различных этапах реализации ИСП. В этих целях определение требований к LOD следует осуществлять в обратном порядке, т.е. от ввода объекта в эксплуатацию к обоснованию инвестиций, руководствуясь при этом требованиями к результатам информационного моделирования на соответствующем этапе ИСП.
Примечание - Примером определения требований к LOD является процесс выдачи заданий смежным отделам при проектировании. Так, например, инженер-проектировщик по отоплению и вентиляции, получая задания от инженера-конструктора на сбор нагрузок от оборудования и инженера систем электроснабжения на сбор электрической нагрузки, должен в элемент модели «Оборудование» заложить в том числе атрибутивные данные о массе и потребляемой мощности, а также геометрические параметры оборудования. Для производства строительно-монтажных работ в элемент модели «Оборудование» (при наличии соответствующих требований заказчика к информационным моделям) включаются данные о монтаже. Также при наличии соответствующих требований заказчика к эксплуатационной модели включаются данные о необходимых эксплуатационных характеристиках оборудования.
5.4.5 Для структурирования и группировки требований к уровням проработки на различных этапах ИСП следует применять сводную спецификацию LOD. Данная спецификация определяет, что должно быть предоставлено в совместное пользование: какая информация, для решения каких именно задач применения информационного моделирования, кем (ответственное лицо), на каком конкретном этапе реализации ИСП.
5.4.6 Сводная спецификация LOD должна быть согласована всеми участниками ИСП, которые участвуют в процессе информационного моделирования, и включена в ПИМ каждого исполнителя. Фрагмент сводной спецификации LOD (один из вариантов) приведен в таблице 5.3.
5.4.7 Разработка ПИМ должна осуществляться с привлечением представителей всех участников процесса информационного моделирования (включая всех субподрядных исполнителей). Для этих целей на ранних этапах ИСП следует провести ряд координационных совещаний, на которых согласовываются и связываются задачи применения информационного моделирования. Далее управляющие процессом информационного моделирования каждого исполнителя могут приступить к разработке детальных процессов реализации.
Таблица 5.3 - Фрагмент сводной спецификации LOD
|
Этапы реализации ИСП |
Обоснование инвестиций |
Проектирование (ПД) |
Проектирование (РД) |
Строительство (ИД) |
||||||||||||
|
Задачи применения информационного моделирования |
Разработка и сравнение вариантов архитектурно-градостроительных концепций. Определение технико-экономических показателей объемно-планировочных решений |
Выпуск чертежей и спецификаций. Подсчет объемов работ и оценка сметной стоимости. Пространственная междисциплинарная координация. Проверка и оценка технических решений |
Выпуск чертежей и спецификаций. Подсчет объемов работ и оценка сметной стоимости. Пространственная междисциплинарная координация. Проверка и оценка технических решений |
Визуализация процесса строительства. Цифровое производство строительных конструкций и изделий. Формирование цифровой модели «Исполнительная» |
||||||||||||
|
Структура декомпозиции элементов цифровых моделей |
LOD |
Требования LOD (геометрия) |
Требования LOD (атрибуты) |
Ответственный |
LOD |
Требования LOD (геометрия) |
Требования LOD (атрибуты) |
Ответственный |
LOD |
Требования LOD (геометрия) |
Требования LOD (атрибуты) |
Ответственный |
LOD |
Требования LOD (геометрия) |
Требования LOD (атрибуты) |
Ответственный |
|
Архитектурные решения: |
||||||||||||||||
|
Стена |
200 |
Точный габарит, положение, граница помещения |
Тип |
Архитектор |
300 |
Внешний образ/вид, конструкция |
Материал, маркировка, огнестойкость |
Архитектор |
400 |
Внешний образ/вид |
Производитель, наименование по каталогу, артикул по каталогу |
Архитектор |
500 |
Фактические габариты |
См. LOD 400 |
Инженер ПТО |
|
Перекрытие |
|
|
|
|
|
|
|
|
|
|
|
|
|
|
|
|
|
Колонна |
|
|
|
|
|
|
|
|
|
|
|
|
|
|
|
|
|
Окно |
|
|
|
|
|
|
|
|
|
|
|
|
|
|
|
|
|
Дверь |
|
|
|
|
|
|
|
|
|
|
|
|
|
|
|
|
|
Лестничный марш |
|
|
|
|
|
|
|
|
|
|
|
|
|
|
|
|
|
… |
|
|
|
|
|
|
|
|
|
|
|
|
|
|
|
|
|
Конструктивные решения: |
||||||||||||||||
|
Фундамент |
|
|
|
|
|
|
|
|
|
|
|
|
|
|
|
|
|
Перекрытие |
|
|
|
|
|
|
|
|
|
|
|
|
|
|
|
|
|
Колонна |
|
|
|
|
|
|
|
|
|
|
|
|
|
|
|
|
|
Балка/стропила/ферма |
|
|
|
|
|
|
|
|
|
|
|
|
|
|
|
|
|
… |
|
|
|
|
|
|
|
|
|
|
|
|
|
|
|
|
|
Отопление и вентиляция: |
||||||||||||||||
|
Воздуховоды |
|
|
|
|
|
|
|
|
|
|
|
|
|
|
|
|
|
Воздухораспределители |
|
|
|
|
|
|
|
|
|
|
|
|
|
|
|
|
|
Фитинг |
|
|
|
|
|
|
|
|
|
|
|
|
|
|
|
|
|
… |
|
|
|
|
|
|
|
|
|
|
|
|
|
|
|
|
|
|
|
|
|
|
|
|
|
|
|
|
|
|
|
|
|
|
5.5 Этап IV. Определение потребности в ресурсах, разработка процедур совместной работы, контроля процессов информационного моделирования и качества цифровых информационных моделей
5.5.1 Планирование потребности в ресурсах, необходимых для реализации процессов информационного моделирования, должно включать определение потребности:
- в человеческих ресурсах, включая определение ролей и функций участников процесса информационного моделирования, а также при необходимости их дополнительное обучение;
- материальных ресурсах - аппаратное обеспечение;
- нематериальных ресурсах - программное обеспечение, цифровые каталоги компонентов, прикладные базы данных и т.п.
5.5.2 Совместная работа участников ИСП должна осуществляться в едином информационном пространстве - СОД.
5.5.3 Всеми участниками ИСП должны быть разработаны и внедрены процедуры контроля процесса информационного моделирования и качества цифровых информационных моделей.
6.1 ПИМ должен включать следующие разделы (но не ограничиваться ими):
- Раздел 1. Краткое резюме ИСП.
- Раздел 2. Сведения об объекте строительства, сроках реализации ИСП, перечень исходных данных.
- Раздел 3. Ключевые контакты участников.
- Раздел 4. Цели и задачи применения информационного моделирования.
- Раздел 5. Организационные роли и функции сотрудников исполнителя.
- Раздел 6. Карты процессов информационного моделирования.
- Раздел 7. Сводная спецификация LOD.
- Раздел 8. Требования к информационным моделям.
- Раздел 9. Процедуры совместной работы.
- Раздел 10. Процедуры контроля качества.
- Раздел 11. Потребности в материальных и нематериальных ресурсах.
- Раздел 12. Структура цифровых информационных моделей.
- Раздел 13. Результаты процесса информационного моделирования.
- Раздел 14. Стратегия реализации.
- Раздел 15. Приложения.
6.2 Основные требования к содержанию разделов:
- Раздел 1 должен содержать общую информацию о назначении плана реализации проекта, а также цели применения технологии информационного моделирования на проекте и другую общую информацию о документе.
- Раздел 2 должен содержать информацию об основных характеристиках объекта строительства, сроках реализации каждого этапа ИСП, а также содержать краткий перечень исходных данных.
- Раздел 3 должен включать контактную информацию о ключевых участниках, которые определены на текущем этапе ИСП.
- Раздел 4 должен включать подробное описание целей и соответствующих им задач применения информационного моделирования и их взаимосвязи с этапами проектирования/строительства/ввода в эксплуатацию.
- Раздел 5 должен содержать описание основных ролей и функций участников процесса информационного моделирования, а также требуемые человеческие ресурсы.
- Раздел 6 должен содержать карты процессов информационного моделирования (обзорный процесс верхнего уровня, описывающий взаимосвязь всех задач применения информационного моделирования на всех этапах ИСП и детальные процессы по каждой задаче применения информационного моделирования).
- Раздел 7 должен содержать сводную спецификацию LOD.
- Раздел 8 должен включать требования заказчика к информационным моделям.
- Раздел 9 должен описывать процедуры совместной работы в СОД, форматы обмена данными, применяемые системы электронного документооборота и управления инженерными данными.
- Раздел 10 должен содержать описание процедур контроля процесса информационного моделирования и качества цифровых информационных моделей.
- Раздел 11 должен отображать технологические потребности в материальных и нематериальных ресурсах (аппаратное и программное обеспечение, каталоги компонентов цифровых моделей, базы данных и т.п.).
- Раздел 12 должен документировать структуру цифровых информационных моделей, правила разделения моделей, систему именования файлов (при необходимости) и общую систему координат.
- Раздел 13 должен описывать результаты процесса информационного моделирования.
- Раздел 14 должен описывать общую стратегию реализации процесса информационного моделирования, которая зависит от типа контракта.
- Раздел 15 является необязательным и может при необходимости содержать приложения.
6.3 В приложении А приведен шаблон ПИМ. Состав и содержание ПИМ должны быть откорректированы с учетом специфики реализации конкретного ИСП, а также вида объекта(ов) капитального строительства.
7.1 Обмен информацией между участниками ИСП должен осуществляться на регулярной основе в объеме, достаточном для реализации всех задач применения информационного моделирования.
7.2 Обмен информацией должен осуществляться путем организации регламентированного доступа участников ИСП к цифровым информационным моделям, размещаемым в едином информационном пространстве - СОД.
7.3 Объем, состав и содержание геометрической, пространственной, количественной, а также любой атрибутивной информации, которой обмениваются участники ИСП, должны определяться путем формирования требований к LOD.
7.4 Передаваемая информация должна быть целостной и однозначно определена по смыслу для всех участников ИСП.
7.5 Обмен информацией должен осуществляться в цифровых форматах, согласованных всеми участниками ИСП.
7.6 При обмене информацией между внешними участниками ИСП следует отдавать предпочтение открытым форматам обмена данными, если поставленные задачи применения информационного моделирования не требуют безусловного применения исходных форматов.
7.7 Обмен информацией между внешними участниками ИСП должен осуществляться по каналам связи, отвечающим требованиям заказчика к надежности и информационной безопасности таких каналов.
8.1 Роли и функции участников ИСП
8.1.1 Для реализации задач применения информационного моделирования в структуре организации - участника ИСП следует предусмотреть роли, выполняющие управленческие функции, связанные с организацией и управлением процессом информационного моделирования, и роли, выполняющие производственные функции, связанные с разработкой и использованием цифровых информационных моделей и генерируемой на их основе документацией.
8.1.2 Число лиц, выполняющих управленческую и производственную функции, следует определять с учетом:
- сложности реализации проекта;
- числа реализуемых задач применения информационного моделирования на различных этапах ИСП;
- вида объекта(ов) капитального строительства;
- уровня ответственности объекта строительства;
- организационной структуры участника ИСП;
- численности персонала, задействованного в проекте;
- сроков реализации ИСП.
8.1.3 Управленческая функция при необходимости выполняется на различных организационных уровнях:
- на уровне организации - управляющим процессом информационного моделирования;
- на уровне подразделения или специальности - координаторами процесса информационного моделирования по отдельным проектным разделам или отдельным строительно-монтажным работам.
8.1.4 Роль управляющего процессом информационного моделирования службы заказчика выполняется на уровне ИСП и должна включать следующие основные функции (но не ограничиваться ими):
- разработку внутренних регламентов, стандартов, методик и процедур по применению технологии информационного моделирования;
- разработку требований заказчика к информационным моделям;
- обеспечение четкого понимания всеми исполнителями целей и задач применения информационного моделирования для данного ИСП;
- координацию работ исполнителей по реализации задач применения информационного моделирования, обеспечение надежного обмена информацией, передачу результатов процесса информационного моделирования от одного исполнителя к другому на различных этапах реализации ИСП;
- обеспечение максимальной пользы и эффективности от применения технологии информационного моделирования при оптимизации процессов подготовки строительного производства, строительства и ввода в эксплуатацию;
- разработку процедур контроля качества цифровых информационных моделей;
- анализ промежуточных результатов процесса информационного моделирования в целях контроля ключевых показателей ИСП;
- проверку и приемку окончательных результатов процесса информационного моделирования;
- формирование бюджета на требуемое программное и аппаратное обеспечение.
8.1.5 Роль управляющего процессом информационного моделирования исполнителя должна включать функции, направленные на реализацию задач применения информационного моделирования, зафиксированных в ПИМ исполнителя, а также включать следующие функции (но не ограничиваться ими):
- организацию и участие в разработке и актуализации внутренних регламентов, стандартов, методик и процедур применения технологии информационного моделирования;
- организацию и участие в разработке ПИМ;
- организацию СОД и предоставление регламентируемого доступа заказчику и другим заинтересованным исполнителям ИСП;
- обеспечение надежного обмена информацией;
- организацию и участие в разработке процессов по каждой задаче применения информационного моделирования;
- выявление коллизий;
- организацию координационных совещаний;
- организацию и контроль процесса разработки компонентов цифровых информационных моделей, прикладных баз данных, шаблонов для работы программного обеспечения;
- разработку процедур контроля процесса информационного моделирования и качества информационных моделей;
- проверку компетенций специалистов субпроектных/субподрядных организаций в области информационного моделирования;
- организацию процесса обучения;
- участие в анализе конкурсной документации в части требований заказчика к информационным моделям.
8.1.6 Функции управляющего процессом информационного моделирования службы заказчика осуществляются на уровне ИСП.
8.1.7 Функции управляющего процессом информационного моделирования исполнителя осуществляются в рамках работ, определенных в договоре подряда/субподряда.
8.1.8 В требованиях заказчика к информационным моделям следует отдельно оговорить, кто организует СОД - заказчик или исполнитель.
8.1.9 Производственная функция должна выполняться разработчиками информационных моделей (архитекторами, инженерами-проектировщиками, инженерами ПТО, а также при необходимости сотрудниками организаций третьих лиц, привлекаемых на подрядные и субподрядные работы, связанные в том числе с разработкой и настройкой прикладного программного обеспечения, баз данных, каталогов компонентов и прочих работ по обеспечению и поддержке процесса информационного моделирования).
8.2 Общие требования к программному и аппаратному обеспечению приведены в СП 333.1325800.2017.
9.1 При формировании ПИМ следует разработать и описать процедуры контроля процесса информационного моделирования и качества цифровых информационных моделей, которые должны включать в том числе проверки, перечисленные в СП 333.1325800.2017 (подраздел 6.4).
|
Титульный лист [ИМЕНОВАНИЕ ДОКУМЕНТА:] [НАИМЕНОВАНИЕ ИСП:] [ИСПОЛНИТЕЛЬ:] [СОГЛАСОВАНО: (ТЕХНИЧЕСКИЙ ЗАКАЗЧИК, ПРОЧИЕ ИСПОЛНИТЕЛИ).] [ВЕРСИЯ ДОКУМЕНТА, ДАТЫ РЕВИЗИИ.] Раздел 1. Краткое резюме ИСП [Основные цели и задачи применения информационного моделирования.] Раздел 2. Сведения об объекте строительства, сроках реализации ИСП, перечень исходных данных 2.1 Заказчик: 2.2 Наименование ИСП: 2.3 Местоположение объекта строительства: 2.4 Тип контракта: 2.5 Краткое описание проекта: [ЧИСЛО ОБЪЕКТОВ, ОБЩАЯ ПЛОЩАДЬ И Т.П.] 2.6 Дополнительная информация о проекте: [ОТЛИЧИТЕЛЬНЫЕ ХАРАКТЕРИСТИКИ.] 2.7 Шифры проекта
2.8 Календарный план проекта/этапы/контрольные точки
2.9 Исходные данные [Разместить краткий перечень полученных исходных данных с указанием цифровых форматов (при их наличии), в которых они предоставлены. При необходимости следует разместить перечень недостающих исходных данных и учесть при планировании трудозатраты на оцифровку исходных данных, например растровых геоподоснов]. Раздел 3. Ключевые контакты участников ИСП
Раздел 4. Цели и задачи применения информационного моделирования 4.1 Цели и задачи применения информационного моделирования (исполнителя)
4.2 Перечень реализуемых задач применения информационного моделирования на всех этапах ИСП |
|
___________
* Если работы на этапе эксплуатации предусмотрены в рамках реализации ИСП.
|
Раздел 5. Организационные роли и функции сотрудников исполнителя 5.1 [Описать основные роли и функции: управляющего процессом информационного моделирования, координаторов процесса информационного моделирования по отдельным проектным разделам/строительным работам, разработчиков цифровых информационных моделей (проектировщики, инженеры ПТО и др.).] 5.2 Персонал для решения задач применения информационного моделирования
Раздел 6. Карты процессов информационного моделирования 6.1 Обзорная карта [Разместить карту процесса.] 6.2 Детальные карты реализации задач применения информационного моделирования [Разместить карты процессов по каждой задаче.] |
|
Раздел 7. Сводная спецификация LOD
|
|||||||||||||||||||||||||||||||||||||||||||||||||||||||||||||||||||||||||||||||||||||||||||||||||||||||||||||||||||||||
|
Раздел 8. Требования к информационным моделям [Описать соответствующие работам исполнителя требования заказчика к информационным моделям.] Раздел 9. Процедуры совместной работы 9.1 Процедура совместной работы [Описать процедуру (регламент) работы в СОД.] 9.2 Координационные совещания
9.3 Форматы обмена данными [Описание форматов обмена как внутри рабочих групп исполнителя, так и с внешними участниками ИСП.] 9.4 Системы электронного документооборота и управления инженерными данными [Перечислить (при наличии) применяемые системы электронного документооборота и управления инженерными данными. Указать контактные данные администраторов этих систем. При необходимости следует приложить регламенты работы в этих системах.]
Раздел 10. Процедуры контроля 10.1 Общая стратегия контроля качества [Описать стратегию контроля процесса информационного моделирования и качества цифровых информационных моделей.] 10.2 Виды проверок
Раздел 11. Потребности в материальных и нематериальных ресурсах 11.1 Программное обеспечение, поддерживающее технологию информационного моделирования
11.2 Сетевое (системное) программное обеспечение
11.3 Локальное аппаратное обеспечение (компьютеры)
11.4 Сетевое аппаратное обеспечение (серверы/оборудование)
Раздел 12. Структура цифровых информационных моделей 12.1 Разделение цифровых информационных моделей [Описать или схематично отобразить схему разделения, например по разделам проекта, функциональным частям и т.п. Цель разделения - обеспечить основу для многопользовательского доступа к модели и осуществления эффективной коллективной работы.] 12.2 Базовая система координат [Описать базовую систему координат и правила координации всех цифровых информационных моделей в соответствии с базовой.] 12.3 Структура именования файлов цифровых информационных моделей [Описать правила именования файлов цифровых информационных моделей. При использовании программного обеспечения, работающего на основе баз данных, данная процедура не обязательна.] Раздел 13. Результаты процесса информационного моделирования [Привести список требуемых техническим заказчиком цифровых информационных моделей, их форматы, а также форматы технической документации.] Раздел 14. Стратегия реализации [Указать, какие дополнительные меры необходимо предпринять для успешной реализации задач применения информационного моделирования в соответствии с типом контракта.] Раздел 15. Приложения [Размещают при необходимости значимую информацию по проекту.] |
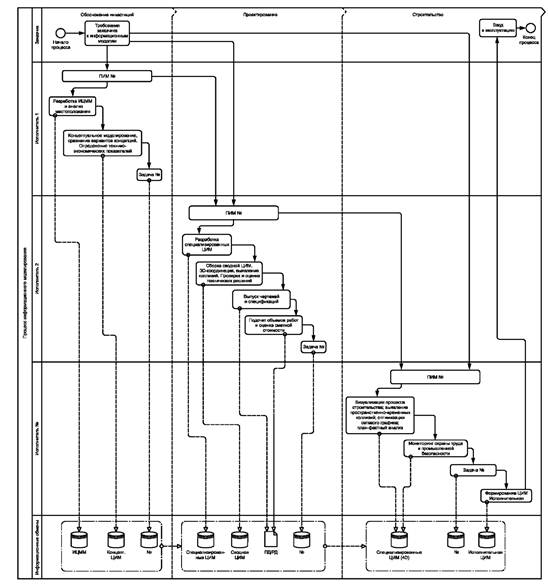
Б.1 Пример карты процесса реализации задач применения информационного моделирования на всех этапах ИСП приведен на рисунке Б.1.

Рисунок Б.1
Б.2 Пример карты процесса реализации задачи применения информационного моделирования «Пространственная междисциплинарная координация и выявление коллизий» приведен на рисунке Б.2.

Рисунок Б.2
[1] Федеральный закон от 30 декабря 2009 г. № 384-ФЗ «Технический регламент о безопасности зданий и сооружений»
[2] Постановление Правительства Российской Федерации от 12 мая 2017 г. № 563 «О порядке и об основаниях заключения контрактов, предметом которых является одновременно выполнение работ по проектированию, строительству и вводу в эксплуатацию объектов капитального строительства, и о внесении изменений в некоторые акты Правительства Российской Федерации»
|
Ключевые слова: задача применения информационного моделирования, план реализации проекта с использованием информационного моделирования, процесс информационного моделирования, требования заказчика к информационным моделям, управляющий процессом информационного моделирования, уровень проработки, цифровая информационная модель |