Fire dampers of ventilation systems. Test method for the fire resistance

ФЕДЕРАЛЬНОЕ АГЕНТСТВО
ПО ТЕХНИЧЕСКОМУ РЕГУЛИРОВАНИЮ И МЕТРОЛОГИИ

НАЦИОНАЛЬНЫЙ
СТАНДАРТ
РОССИЙСКОЙ
ФЕДЕРАЦИИ

ГОСТ Р
53301-
2019

КЛАПАНЫ ПРОТИВОПОЖАРНЫЕ
ВЕНТИЛЯЦИОННЫХ СИСТЕМ

Метод испытаний на огнестойкость

Москва
Стандартинформ
2019

Предисловие

1 РАЗРАБОТАН Федеральным государственным бюджетным учреждением «Всероссийский ордена «Знак Почета» научно-исследовательский институт противопожарной обороны» МЧС России (ФГБУ ВНИИПО МЧС России)

2 ВНЕСЕН Техническим комитетом по стандартизации ТК 274 «Пожарная безопасность»

3 УТВЕРЖДЕН И ВВЕДЕН В ДЕЙСТВИЕ Приказом Федерального агентства по техническому регулированию и метрологии от 26 ноября 2019 г. № 1268-ст

4 ВЗАМЕН ГОСТ Р 53301-2013

Правила применения настоящего стандарта установлены в статье 26 Федерального закона от 29 июня 2015 г. № 162-ФЗ «О стандартизации в Российской Федерации». Информация об изменениях к настоящему стандарту публикуется в ежегодном (по состоянию на 1 января текущего года) информационном указателе «Национальные стандарты», а официальный текст изменений и поправок - в ежемесячном информационном указателе «Национальные стандарты». В случае пересмотра (замены) или отмены настоящего стандарта соответствующее уведомление будет опубликовано в ближайшем выпуске ежемесячного информационного указателя «Национальные стандарты». Соответствующая информация, уведомление и тексты размещаются также в информационной системе общего пользования - на официальном сайте Федерального агентства по техническому регулированию и метрологии в сети Интернет (www.gost.ru)

Содержание

1 Область применения. 2

2 Нормативные ссылки. 2

3 Термины и определения. 3

4 Критерии огнестойкости. 4

5 Сущность метода и режимы испытаний. 5

6 Стендовое оборудование и измерительная аппаратура. 7

7 Подготовка к испытаниям.. 9

8 Последовательность проведения испытаний. 11

9 Обработка и оценка результатов испытаний. 13

10 Отчет об испытании. 14

11 Техника безопасности. 15

Приложение А (обязательное) Схемы испытаний противопожарных клапанов. 16

ГОСТ Р 53301-2019

НАЦИОНАЛЬНЫЙ СТАНДАРТ РОССИЙСКОЙ ФЕДЕРАЦИИ

КЛАПАНЫ ПРОТИВОПОЖАРНЫЕ ВЕНТИЛЯЦИОННЫХ СИСТЕМ

Метод испытаний на огнестойкость

Fire dampers of ventilation systems. Test method for the fire resistance

Дата введения - 2020-08-01

(Дата введения перенесена, ИУС 4-2020)

1 Область применения

Настоящий стандарт устанавливает метод испытания на огнестойкость следующих конструкций:

- противопожарных нормально открытых клапанов систем общеобменной и аварийной вентиляции, систем местных отсосов и кондиционирования воздуха;

- противопожарных нормально закрытых клапанов систем приточно-вытяжной противодымной вентиляции;

- дымовых клапанов систем вытяжной противодымной вентиляции;

- противопожарных клапанов двойного действия;

- дымовых люков (клапанов) систем вытяжной противодымной вентиляции с естественным побуждением.

2 Нормативные ссылки

В настоящем стандарте использованы нормативные ссылки на следующие документы:

ГОСТ 8.586.1 Государственная система обеспечения единства измерений. Измерение расхода и количества жидкостей и газов с помощью стандартных сужающих устройств. Часть 1. Принцип метода измерений и общие требования

ГОСТ 8.586.2 Государственная система обеспечения единства измерений. Измерение расхода и количества жидкостей и газов с помощью стандартных сужающих устройств. Часть 2. Диафрагмы. Технические требования

ГОСТ 8.586.3 Государственная система обеспечения единства измерений. Измерение расхода и количества жидкостей и газов с помощью стандартных сужающих устройств. Часть 3. Сопла и сопла Вентури. Технические требования

ГОСТ 8.586.5 Государственная система обеспечения единства измерений. Измерение расхода и количества жидкостей и газов с помощью стандартных сужающих устройств. Часть 5. Методика выполнения измерений

ГОСТ 12.1.019 Система стандартов безопасности труда. Электробезопасность. Общие требования и номенклатура видов защиты

ГОСТ 12.2.003 Система стандартов безопасности труда. Оборудование производственное. Общие требования безопасности

ГОСТ 12.3.018 Система стандартов безопасности труда. Системы вентиляционные. Методы аэродинамических испытаний

ГОСТ 6616 Преобразователи термоэлектрические. Общие технические условия

ГОСТ 30247.0-94 Конструкции строительные. Методы испытания на огнестойкость. Общие требования

ГОСТ 30247.1-94 Конструкции строительные. Методы испытаний на огнестойкость. Несущие и ограждающие конструкции

ГОСТ Р 8.585 Государственная система обеспечения единства измерений. Термопары. Номинальные статические характеристики преобразования

СП 20.13330.2016 «СНиП 2.01.07-85*. Нагрузки и воздействия»

СП 131.13330.2012 «СНиП 23-01-99*. Строительная климатология»

Примечание - При пользовании настоящим стандартом целесообразно проверить действие ссылочных стандартов (сводов правил) в информационной системе общего пользования - на официальном сайте Федерального агентства по техническому регулированию и метрологии в сети Интернет или по ежегодному информационному указателю «Национальные стандарты», который опубликован по состоянию на 1 января текущего года, и по выпускам ежемесячного информационного указателя «Национальные стандарты» за текущий год. Если заменен ссылочный документ, на который дана недатированная ссылка, то рекомендуется использовать действующую версию этого документа с учетом всех внесенных в данную версию изменений. Если заменен ссылочный документ, на который дана датированная ссылка, то рекомендуется использовать версию этого документа с указанным выше годом утверждения (принятия). Если после утверждения настоящего стандарта в ссылочный документ, на который дана датированная ссылка, внесено изменение, затрагивающее положение, на которое дана ссылка, то это положение рекомендуется применять без учета данного изменения. Если ссылочный документ отменен без замены, то положение, в котором есть ссылка на него, применяется в части, не затрагивающей эту ссылку.

3 Термины и определения

В настоящем стандарте применены следующие термины с соответствующими определениями:

3.1 противопожарный клапан: Автоматически и дистанционно управляемое устройство перекрытия вентиляционных каналов или проемов ограждающих строительных конструкций зданий, имеющее предельные состояния по огнестойкости, характеризуемые потерей плотности и теплоизолирующей способности:

- нормально открытый (закрываемый при пожаре);

- нормально закрытый (открываемый при пожаре или после пожара);

- двойного действия (закрываемый при пожаре и открываемый после него).

3.2 дымовой клапан: Клапан противопожарный нормально закрытый, имеющий предельное состояние по огнестойкости, характеризуемое только потерей плотности, и подлежащий установке непосредственно в проемах дымовых вытяжных шахт (вертикальных огнестойких каналов) в защищаемых коридорах.

3.3 корпус клапана: Неподвижный элемент конструкции клапана, устанавливаемый в монтажном проеме ограждающей конструкции или на ответвлении воздуховода.

3.4 заслонка клапана: Подвижный элемент конструкции клапана, установленный в корпусе и перекрывающий проходное сечение или его часть.

3.5 привод клапана: Механизм, обеспечивающий перевод заслонки (заслонок) в автоматическом и дистанционном режимах в положение, соответствующее его функциональному назначению.

3.6 дымовой люк (клапан, фонарь или фрамуга): Автоматически и дистанционно управляемое устройство, перекрывающее проемы в наружных ограждающих конструкциях помещений, защищаемых вытяжной противодымной вентиляцией с естественным побуждением тяги.

3.7 корпус дымового люка (каркас или рама): Неподвижная составная часть конструкции, снабженная посадочными поверхностями и элементами подвески заслонки, установочными и крепежными узлами к покрытию или ограждению светового или светоаэрационного фонаря здания (сооружения).

3.8 заслонка дымового люка (крышка или створки): Подвижная составная часть конструкции, присоединенная к приводу и перекрывающая проходное сечение корпуса или его часть.

3.9 привод дымового люка: Механизм, обеспечивающий автоматически и дистанционно управляемое перемещение заслонки в соответствующее открытию проходного сечения корпуса положение, снабженный инициирующими и силовыми элементами, а также фиксатором открытого положения.

4 Критерии огнестойкости

4.1 Предел огнестойкости конструкции противопожарного клапана определяется временем от начала нагревания испытуемого образца до наступления одного из предельных состояний при заданном перепаде давления.

4.1.1 Учитывают два вида предельных состояний противопожарных клапанов по огнестойкости:

I - потеря теплоизолирующей способности;

Е - потеря плотности.

Обозначение предела огнестойкости клапанов состоит из условных нормируемых предельных состояний и цифры, соответствующей времени достижения одного из них (первого по времени) в минутах.

Пример -

I 120 - 120 мин по признаку потери теплоизолирующей способности;

EI 60 - 60 мин по признакам теплоизолирующей способности и потери плотности независимо от того, какой из двух достигается ранее.

Когда для конструкции нормируются (или устанавливаются) различные пределы огнестойкости по различным предельным состояниям, их обозначение состоит из двух частей, разделенных наклонной чертой.

Пример - Е 120 /I 60 - требуемый предел огнестойкости по признаку потери плотности - 120 мин, а по признаку потери теплоизолирующей способности - 60 мин.

Цифровой показатель в обозначении предела огнестойкости должен соответствовать одному из чисел следующего ряда: 15, 30, 45, 60, 90, 120, 150, 180, 240.

Предел огнестойкости противопожарных нормально открытых клапанов устанавливается в соответствии со схемами их испытаний, представленными в приложении А.

4.1.2 Потеря теплоизолирующей способности противопожарных клапанов характеризуется повышением температуры в среднем более чем на 140 °С или локально более чем на 180 °С на необогреваемой поверхности заслонки клапана, а также на наружных поверхностях его корпуса на расстоянии 0,05 м (не менее чем в четырех точках сечения на указанном расстоянии) и узла уплотнения корпуса клапана в проеме ограждающей конструкции.

Вне зависимости от первоначальной температуры указанных поверхностей значение локальной температуры должно быть не более 220 °С в любых точках (в том числе, где ожидается локальный прогрев, - стыки, углы, теплопроводные включения).

4.1.3 Потеря теплоизолирующей способности дымовых клапанов систем вытяжной противодымной вентиляции с механическим побуждением тяги и дымовых люков (клапанов) систем вытяжной противодымной вентиляции с естественным побуждением тяги не регламентируется.

4.1.4 Потеря плотности характеризуется:

- проникновением продуктов горения через образованные в узле уплотнения корпуса клапана по его наружным посадочным поверхностям сквозные трещины или сквозные отверстия, приводящим к воспламенению тампона, размещаемого согласно ГОСТ 30247.1-94 (пункт 8.1.3) (при испытаниях по схемам, представленным в приложении А на рисунках А.1, А.2, А.3, А.4);

- проникновением продуктов горения через образованные на узле примыкания заслонки (заслонок) клапана к его корпусу, в узлах смыкания заслонок между собой, сквозных трещин или сквозных отверстий, приводящим к воспламенению тампона, размещаемого согласно ГОСТ 30247.1-94 (пункт 8.1.3) (при испытаниях по схеме, представленной в приложении А на рисунке А.4);

- снижением сопротивления конструкции клапана дымогазопроницанию (при испытаниях по схемам, представленным в приложении А на рисунках А.1, А.2, А.3).

Минимально допустимая величина удельного сопротивления клапана дымогазопроницанию, приведенная к температуре среды 20 °С, должна быть не менее:

,

(1)

где  - минимально допустимое приведенное удельное сопротивление клапана дымогазопроницанию, м3/кг.

При этом максимально допустимое значение расхода газов через закрытый клапан не должно превышать

,

(2)

или

,

(3)

где  и  - максимально допустимые расходы газов через закрытый клапан соответственно, кг/ч и м3/ч;

 - избыточное давление на клапан, Па;

 - площадь сечения клапана, м2.

4.1.5 Потеря плотности дымовых люков (клапанов) систем вытяжной противодымной вентиляции с естественным побуждением тяги не регламентируется.

5 Сущность метода и режимы испытаний

5.1 Сущность метода заключается в определении времени, по истечении которого наступает одно из предельных состояний конструкции клапана по огнестойкости (по 4.1.1 - 4.1.5) при тепловом воздействии с одновременным созданием перепада давления на испытуемом образце.

5.2 Тепловое воздействие на конструкции противопожарных нормально открытых, нормально закрытых и клапанов двойного действия осуществляется в соответствии с температурным режимом в печи и допускаемыми отклонениями температур согласно требованиям ГОСТ 30247.0-94.

5.3 Температурный режим при испытаниях дымовых клапанов систем вытяжной противодымной вентиляции с механическим побуждением тяги и дымовых люков (клапанов) систем вытяжной противодымной вентиляции с естественным побуждением тяги должен отвечать условию:

,

(4)

где  - температура в печи, соответствующая времени t, °С;

 - температура в печи до начала теплового воздействия, °С;

 - время от начала испытания, мин.

Изменение температуры  во времени при испытаниях, а также допустимые отклонения средней измеренной температуры в печи как среднего арифметического значения температур, измеренных с помощью термоэлектрических преобразователей в определенный момент времени, приведены в таблице 1.

Таблица 1 - Температурный режим при испытаниях

, мин

,°C

Допустимые значения отклонений, %

5

266

±15

10

407

15

457

±10

20

473

30

479

45

480

±5

60

480

5.4 Отрицательный перепад давления на испытуемом образце в процессе теплового воздействия должен составлять (70 ± 5) Па для противопожарных нормально открытых клапанов и клапанов двойного действия (при испытаниях по схемам, представленным в приложении А на рисунках А.1, А.2), положительный перепад давления для противопожарных нормально закрытых и дымовых клапанов - (300 ± 6) Па (при испытаниях по схемам, представленным в приложении А на рисунках А.1, А.2, А.3).

Избыточное давление в печи по отношению к окружающей среде на уровне горизонтального геометрического центра противопожарного клапана, испытываемого по схеме, представленной в приложении А на рисунке А.4, должно составлять (15 ± 3) Па.

5.5 Для клапанов двойного действия после завершения теплового воздействия должна быть выполнена проверка работоспособности образца (открытие заслонки) подачей сигнала управления на механизм привода.

5.6 Сущность метода испытаний дымовых люков (клапанов) вытяжной противодымной вентиляции с естественным побуждением тяги заключается в оценке работоспособности и пожарно-технических характеристик конструкции образца при одностороннем тепловом воздействии по 5.3 в совокупности с механической и ветровой нагрузками.

Работоспособность дымового люка характеризуется безотказностью срабатывания и устойчивостью конструкции к разрушению при испытаниях.

5.7 Безотказность срабатывания конструкции дымового люка определяется безусловным воспроизведением рабочего цикла управляемого перемещения его заслонки (заслонок) в открытое положение.

5.7.1 Устойчивость к разрушению конструкции дымового люка характеризуется отсутствием повреждений, при которых:

- фиксатор привода не обеспечивает сохранения открытого положения крышки дымового люка;

- проходное сечение корпуса дымового люка уменьшается более чем на 10 % площади от первоначального;

- возможно внутреннее выпадение фрагментов конструкции дымового люка.

5.8 Пожарно-технические характеристики конструкции дымового люка определяются инерционностью срабатывания и (при необходимости) коэффициентом расхода.

5.8.1 Инерционность срабатывания конструкции дымового люка характеризуется интервалом времени от начала действия привода до момента управляемого перемещения его заслонки в открытое положение и не должна превышать 90 с. Открытым положением заслонки образца считается ее фиксация в заданном производителем положении, принятом по технической документации. При этом минимальный требуемый угол открытия а по отношению к плоскости, соответствующей первоначальному (закрытому) положению заслонки образца должен быть не менее указанного в таблице 2.

Таблица 2 - Минимальный требуемый угол открытия а заслонки дымового люка (клапана)

Тип дымового люка

Направление открытия заслонки

Угол первоначального (закрытого) положения заслонки (β) по отношению к горизонтальной плоскости, град.

Угол открытия заслонки дымового люка (α), град.

1

Наружу

0° ≤ β ≤ 25°

α ≥ 90°

2

Наружу

25° ≤ β ≤ 45°

α ≥ 70°

3

Наружу

45° < β ≤ 60°

α ≥ 45°

4

Наружу

60° < β ≤ 90°

α ≥ 45°

5

Внутрь

45° < β ≤ 90°

α ≥ 45°

5.8.2 Коэффициент расхода дымового люка определяется эффективностью использования площади проходного сечения его конструкции.

5.8.3 Наружная механическая нагрузка на конструкцию дымового люка (клапана) типов 1, 2, на конструкцию дымового люка (клапана) типа 3 с установленными аэродинамическими дефлекторами, препятствующими смещению механической нагрузки, в процессе теплового воздействия должна быть эквивалентной нормативному значению снеговой нагрузки, установленному по СП 20.13330 для покрытий зданий, но не менее 600 Н/м2. Указанное значение должно учитывать форму и размеры заслонки дымового люка.

5.8.4 Ветровая нагрузка на конструкцию дымового люка (клапана) в процессе теплового воздействия должна соответствовать нормативному значению скорости ветра, установленному по СП 131.13330 для холодного периода года.

5.9 С учетом специфики функционального назначения конструкций противопожарных клапанов и дымовых люков (клапанов) указанные в 5.2, 5.3, 5.4, 5.8.3 и 5.8.4 значения, температурные режимы, величины перепада давления, механической и ветровой нагрузки могут быть изменены в соответствии с технической документацией заказчика.

6 Стендовое оборудование и измерительная аппаратура

6.1 Стенд для проведения испытаний клапанов приведен на рисунках А.1, А.2, А.3, А.4 (приложение А) и состоит из печи с внутренними размерами не менее (1,2×1,1×0,7) м, с проемом для установки клапанов, системы для поддержания и регулирования перепада давления на образце, а также в печи и соединительных магистралей для стыковки испытуемого образца с указанной системой.

Система для поддержания и регулирования перепада давления на образце состоит из вентилятора с обвязкой и регулирующими заслонками, мерного участка с расходомерным устройством. Система поддержания перепада давления печи состоит из регулирующего шибера, посредством которого обеспечивается постоянное избыточное давление в огневой камере печи по отношению к окружающей среде.

Печь должна быть оборудована горелками, обеспечивающими требуемый тепловой режим по 5.2, 5.3.

Технические характеристики элементов системы поддержания и регулирования избыточного давления и соединительных магистралей должны подбираться с учетом максимально допустимых значений расходов газов через закрытый клапан по 4.1.3 и перепада давления на испытуемом образце по 5.4.

6.2 Испытательный стенд оснащается средствами измерения температуры, интервалов времени, расхода газов и давлений.

6.2.1 Для измерения температуры используют термоэлектрические преобразователи (далее - ТЭП) типа ТХА (технические условия по ГОСТ 6616), номинальные статистические характеристики и пределы допускаемых отклонений термоэлектродвижущей силы, которые должны соответствовать ГОСТ Р 8.585 или ТЭП с индивидуальной градуировкой.

6.2.2 Для измерения температуры в огневой камере печи применяют три ТЭП с диаметром электродов от 1,2 до 3 мм. Количество и расстановка ТЭП относительно обогреваемой поверхности испытуемого образца приведены на рисунках А.1, А.2, А.3, А.4 (приложение А).

6.2.3 Для измерения температур на необогреваемых поверхностях противопожарных нормально открытых, нормально закрытых клапанов и клапанов двойного действия, а также узлов уплотнения в проеме печи используют ТЭП с диаметром электродов от 0,5 до 0,7 мм.

Способ крепления ТЭП на указанных поверхностях должен обеспечивать точность измерения температуры в пределах ±5 %.

Количество ТЭП и места их установки указаны на рисунках А.1, А.2, А.3, А.4 (приложение А).

6.2.4 Для измерения температуры перед расходомерным устройством применяют один ТЭП с диаметром электродов от 0,5 до 0,7 мм.

6.2.5 Для измерения расхода газов применяют расходомерные устройства по ГОСТ 8.586.1, ГОСТ 8.586.2, ГОСТ 8.586.3, ГОСТ 8.586.5.

Допускается использование нестандартных расходомерных устройств с ТЭП по 6.2.4, при наличии тарировочных характеристик, полученных в установленном порядке.

6.2.6 Регистрацию температур осуществляют приборами с диапазоном измерения от 0 °С до 1300 °С класса точности не менее 1,0.

6.2.7 Для измерения перепада давления на образце, перепада давления на расходомерном устройстве, избыточного давления в огневой камере печи, применяют дифференциальные манометры класса точности не менее 1,0.

6.2.8 Регистрацию времени осуществляют секундомером с диапазоном измерений от 0 до 60 мин класса точности не ниже 2,0.

6.3 Стенд для испытаний дымовых люков (клапанов) систем вытяжной противодымной вентиляции с естественным побуждением тяги, представленный на рисунках А.5, А.6 (приложение А), состоит из печи, установочных элементов и приспособлений для нагружения образца.

6.3.1 Печь должна иметь внутренние размеры не менее (2,0×2,0×2,0) м и оснащаться дымоотводящим устройством с регулированием тяги, системой подачи и сжигания топлива. Конструкция покрытия печи обеспечивает возможность установки железобетонных вкладышей с проемами, соответствующими условиям проведения испытаний образцов конструкций дымовых люков проектных размеров. Температурный режим в печи должен соответствовать ГОСТ 30247.0-94 (пункт 5.2.5) и требованиям 5.3.

6.3.2 Установочные элементы обеспечивают соблюдение проектных условий крепления образца с учетом особенностей его конструктивного исполнения и пространственной ориентации.

6.3.3 Приспособления для нагружения образца должны соответствовать требованиям 5.6, 5.7. Механическую нагрузку для образца дымового люка (клапана) типов 1, 2, а также для образца дымового люка (клапана) типа 3 в оговоренном в 5.8.3 случае, следует устанавливать равномерно распределенной по конструкции заслонки в закрытом положении образца. Для образца дымового люка (клапана) типа 3 без установленных аэродинамических дефлекторов, препятствующих смещению механической нагрузки, а также для образца дымового люка (клапана) типов 4, 5, механическая нагрузка по 5.8.3 не требуется. Ветровую нагрузку необходимо равномерно распределять по конструкции заслонки в открытом положении для образцов горизонтальной пространственной ориентации, в открытом и закрытом положениях - для образцов вертикальной ориентации. Ветровую нагрузку следует воспроизводить с помощью осевого вентилятора (вентиляторов).

6.3.4 Стендовое оборудование оснащается средствами измерений температуры, интервалов времени, давления и расхода газа.

6.3.5 Для измерения температуры газа в печи (на входе в образец), а также в зоне расположения термоэлемента привода рекомендуется применять ТЭП с диаметром электродов не более 0,7 мм. Номинальные статические характеристики и пределы допускаемых отклонений термоэлектродвижущей силы ТЭП должны соответствовать ГОСТ Р 8.585 или индивидуальным градуировкам.

При этом количество и места установки ТЭП соответствуют схемам, приведенным в обязательном приложении А (рисунки А.5 и А.6): на входе в образец - по сечению А-А, в зоне расположения термоэлемента привода - на расстоянии от 5 до 10 мм от центра термоэлемента, сзади него по потоку.

6.3.6 Для регистрации измеряемых температур используют приборы класса точности не ниже 1,0.

6.3.7 Приемник статического давления должен быть трубчатым с внутренним диаметром от 4 до 10 мм и подлежит установке в сечении А-А согласно обязательному приложению А (рисунки А.5 и А.6). Центр среза трубчатого приемника статического давления расположен на расстоянии не более 20 мм от геометрического центра указанного сечения.

6.3.8 Для измерения расхода газов через образец следует использовать комбинированный приемник давления (КПД) по ГОСТ 12.3.018 с диаметром приемной части не более 8 % ширины проходного сечения образца. Координаты точек последовательного размещения КПД в сечении Б-Б согласно обязательному приложению А (рисунки А.5 и А.6) следует определять по ГОСТ 12.3.018.

6.3.9 Для регистрации давления применяют приборы класса точности не ниже 1,0.

6.3.10 Регистрацию интервалов времени осуществляют секундомером класса точности не ниже 2,0.

7 Подготовка к испытаниям

7.1 Испытанию на огнестойкость подлежат:

а) один образец противопожарного нормально открытого клапана одного типоразмера при установке в проеме ограждающей строительной конструкции с нормируемым пределом огнестойкости при возможном одностороннем тепловом воздействии (схема испытаний представлена на рисунке А.1 (приложение А);

б) два образца противопожарного нормально открытого клапана одного типоразмера при установке в проеме ограждающей строительной конструкции с нормируемым пределом огнестойкости при возможном двухстороннем тепловом воздействии (схема испытаний представлена на рисунке А.1 (приложение А);

в) два образца противопожарного нормально открытого клапана одного типоразмера при установке в проеме ограждающей строительной конструкции с нормируемым пределом огнестойкости или за ее пределами на участке воздуховода с нормируемым пределом огнестойкости (схемы испытаний представлены на рисунках А.1, А.2 (приложение А);

г) один образец противопожарного нормально открытого клапана при установке без присоединения воздуховода в проеме ограждающей строительной конструкции с нормированным пределом огнестойкости при тепловом воздействии на образец со стороны, противоположной расположению привода (схема испытаний представлена на рисунке А.4 (приложение А);

д) один образец противопожарного нормально закрытого клапана одного типоразмера при установке в проеме ограждающей строительной конструкции с нормируемым пределом огнестойкости (схема испытаний представлена на рисунке А.1 (приложение А);

е) два образца противопожарного нормально закрытого клапана одного типоразмера при установке в проеме ограждающей строительной конструкции или за ее пределами на участке воздуховода с нормируемым пределом огнестойкости (схемы испытаний представлены на рисунках А.1, А.2 (приложение А);

ж) один образец клапана противопожарного двойного действия одного типоразмера при установке в проеме ограждающей строительной конструкции с нормируемым пределом огнестойкости (схема испытаний представлена на рисунке А.1 (приложение А);

и) два образца клапана противопожарного двойного действия одного типоразмера при установке в проеме ограждающей строительной конструкции или за ее пределами на участке воздуховода с нормируемым пределом огнестойкости (схемы испытаний представлены на рисунках А.1, А.2 (приложение А);

к) один образец дымового клапана (схема испытаний представлена на рисунке А.3 (приложение А).

В зависимости от особенностей конструктивного исполнения количество клапанов, подлежащих испытанию, может быть изменено.

Примечание - Количество испытуемых образцов клапанов по одному из подпунктов а) - в) может быть увеличено на один (дополнительный) образец в соответствии с подпунктом г); при испытании по одному из подпунктов а), ж) размещение на стенде образца противопожарного клапана должно соответствовать тепловому воздействию на его конструкцию со стороны расположения привода (если иное не указано заводом-изготовителем); при испытаниях по подпункту б), размещение на стенде образцов противопожарного нормально открытого клапана должно соответствовать тепловому воздействию на его конструкцию, как со стороны расположения привода, так и с противоположной стороны; при испытаниях по подпунктам в), и) размещение на стенде образцов противопожарного клапана должно соответствовать тепловому воздействию на его конструкцию со стороны противоположной стороне расположения привода (при схеме испытаний А.1 (приложение А) и со стороны расположения привода (при схеме испытаний А.2 (приложение А); при испытаниях по подпунктам д), е), к) размещение образца противопожарного нормально закрытого клапана должно соответствовать тепловому воздействию на его конструкцию со стороны противоположной стороне расположения привода.

7.2 Образцы клапанов, поставленных для испытаний, должны соответствовать конструкторской документации. Степень соответствия определяется входным контролем, при котором:

- выявляется комплектность каждого образца;

- измеряются габариты клапана, величины зазоров между посадочными поверхностями корпуса и заслонки (заслонками) образца, а также другие размеры, определяющие характер поведения клапана при проведении его испытаний;

- устанавливается соответствие комплектующих узлов проектным, визуально контролируется качество их состояния.

Данные входного контроля заносятся в протокол испытаний.

7.3 Перед испытанием для каждого образца осуществляется контроль срабатывания всех узлов конструкции.

Для проверки клапана необходимо провести не менее 50 циклов срабатывания клапана, при котором заслонка полностью перекрывает (нормально открытые клапаны) или открывает (нормально закрытые, двойного действия и дымовые клапаны) его проходное сечение.

7.4 Для испытания образец в закрытом положении устанавливается на стенде (обязательное приложение А, рисунки А.1, А.2, А.3, А.4). С учетом прогнозируемой продолжительности огневых испытаний образца, а также регламентированного производителем способа установки, ограждающие строительные конструкции, в которых устанавливается образец, должны удовлетворять требованиям таблиц 3, 4.

Таблица 3 - Капитальные (жесткие) ограждающие строительные конструкции

Конструкция

Толщина, мм

Плотность, кг/м3

Продолжительность испытания
t, мин

Тяжелый бетон/кирпичная кладка

110 ± 10

2200 ± 200

t ≤ 120

150 ± 10

2200 ± 200

120 < t  ≤ 180

175 ± 10

2200 ± 200

180 < t < 240

Пористый бетон/строительный блок

110 ± 10

650 ± 200

t ≤ 120

150 ± 10

650 ± 200

120 < t < 240

Таблица 4 - Легкие (гибкие) ограждающие строительные конструкции

Продолжительность испытания,
мин

Количество слоев гипсокартона
на каждой стороне

Толщина гипсокартона,
мм

Толщина, мм, ± 10%

30

1

12,5

40/40

75

60

2

12,5

40/40

100

90

2

12,5

60/50

125

120

2

15,0

60/100

150

180

3

12,5

60/100

175

240

3

15,0

80/100

190

 - толщина базальтовой минераловатной изоляции внутри стены, мм.

 - плотность базальтовой минераловатной изоляции внутри стены, кг/м3.

Плотность вентиляционного канала, присоединяемого к испытуемому образцу при испытаниях по схемам, представленным в приложении А на рисунках А.1, А.2, А.3, по величине утечек и подсосов воздуха должна быть определена предварительно и составлять не более 10 % максимально допустимого значения расхода газов по 4.1.4.

7.5 Непосредственно перед испытанием по схемам, представленным в приложении А на рисунках А.1, А.2, А.3, определяется воздухопроницаемость образца. При этом мерный участок вентиляционного канала, присоединенного к нему, подключается к всасывающему патрубку вентилятора. С помощью дросселирования вентилятора на образце создаются не менее пяти значений перепада давления, равномерно расположенных в диапазоне от 0 до 700 Па. К огневым испытаниям допускаются образцы с сопротивлением воздухопроницанию не менее указанного в 4.1.4.

Расходомерным устройством измеряются соответствующие каждому значению перепада давления величины расхода воздуха, проходящего через неплотности конструкции образца. Затем реверсом тяги, создаваемым подключением мерного участка к нагнетательному патрубку вентилятора, перепад давления на клапане изменяется в противоположном направлении, и измерение повторяется в аналогичной последовательности.

7.6 Количество образцов дымовых люков (клапанов) однотипного конструктивного исполнения для испытаний определяется по типоразмерному ряду их проходных сечений согласно технической документации предприятия-изготовителя.

Испытуемые образцы должны предоставляться в сборе, с полной комплектацией, в том числе с приводами и установочными конструктивными элементами.

7.7 Для проведения испытаний образец дымового люка должен быть установлен в монтажном проеме печи испытательного стенда в соответствии с технической документацией предприятия-изготовителя.

7.8 Непосредственно перед испытанием должна быть воспроизведена механическая и ветровая нагрузка на образец.

8 Последовательность проведения испытаний

8.1 Испытания проводятся при температуре окружающей среды от 0 °С до 40 °С, если в технической документации на клапан не приведены другие условия.

8.2 Перепад давления на образце при испытаниях по схемам, представленным в приложении А на рисунках А.1, А.2, А.3, создается подключением мерного участка воздуховода к патрубку вентилятора в зависимости от функционального назначения испытуемого образца. Избыточное давление в огневой камере печи по отношению к окружающей среде при испытании по схеме, представленной в приложении А на рисунке А.4, поддерживается регулировкой шибера (заслонки) печи.

При испытаниях противопожарных нормально открытых клапанов и клапанов двойного действия мерный участок вентиляционного канала стенда подключается к всасывающему патрубку вентилятора, а нормально закрытых (в том числе дымовых) клапанов - к нагнетательному патрубку.

8.3 Начало испытаний соответствует моменту включения форсунок печи, непосредственно перед которым заслонка образца должна быть приведена в закрытое положение.

8.4 Во время испытаний регистрируют:

- температуру в печи, и с необогреваемой стороны на наружных поверхностях корпуса и заслонки образца, узла уплотнения корпуса в проеме печи и газа в выходном сечении клапана (только для противопожарных нормально открытых клапанов, защищающих технологические проемы);

- момент наступления и характерные признаки потери плотности (разрушение, предельные деформации узла уплотнения корпуса образца, в том числе образование сквозных трещин, прогаров и отслоения уплотнений, приводящие к выходу дымовых газов и появлению пламени с необогреваемой стороны);

- расход и температуру газового потока, проходящего через неплотности конструкции образца.

Измерения температур, расходов и давлений в каждой точке контроля должны проводиться с интервалом не более 2 мин.

Перечень регистрируемых параметров определяется с учетом конкретной схемы испытаний образца, представленной в приложении А.

8.5 Испытания выполняют до наступления одного или двух (при необходимости) предельных состояний конструкции клапана согласно разделу 4.

8.6 Испытания дымовых люков (клапанов) должны проводиться при температуре окружающей среды от 0 °С до 40 °С, если в технической документации не указаны иные условия.

8.7 Начало испытания соответствует моменту включения форсунок печи, которое должно осуществляться последовательно в три этапа.

8.7.1 На первом этапе обеспечивается тепловое воздействие на образец в сочетании с механической и ветровой нагрузкой согласно 5.3, 5.8.3 и 5.8.4.

8.7.1.1 Заслонка образца, оснащенного местным термоэлементом, может открываться произвольно.

8.7.1.2 Подача управляющего сигнала на открытие заслонки образца, оснащенного дистанционным шкафом управления, проводится через 120 с после включения форсунок печи.

8.7.1.3 Окончание первого этапа испытаний соответствует моменту достижения температуры в печи (400 ± 15) °С. При этом ее форсунки должны быть отключены.

8.7.2 На втором этапе обеспечивается ветровая нагрузка на образец с открытой заслонкой. Длительность этого этапа должна составлять не менее 10 мин.

8.7.3 На третьем этапе при включении форсунок печи и снятии ветровой нагрузки температура в печи достигает (480 ± 10) °С. Длительность этого этапа должна составлять 10 мин при открытом положении заслонки образца.

8.7.4 В процессе испытаний осуществляются контроль и измерения следующих основных показателей и параметров:

- температуры в печи (на первом и третьем этапах);

- температуры в зоне установки термоэлемента привода образца, оснащенного согласно 8.7.1.1 (на первом этапе);

- статического давления в печи (на третьем этапе, факультативно);

- перепада давлений на КПД (на третьем этапе, факультативно);

- интервала времени срабатывания образца (на первом этапе);

- состояния конструкции образца (полноты открытия заслонки, сохранения ее фиксированного открытого положения, наличия частичных разрушений, приводящих к внутреннему выпадению фрагментов конструкции образца).

8.7.5 По окончании испытаний прямыми измерениями должна быть определена фактическая площадь проходного сечения образца.

9 Обработка и оценка результатов испытаний

9.1 Приведенное удельное сопротивление дымогазопроницанию  противопожарного нормально закрытого и дымового клапанов по результатам измерений определяется согласно формуле

,

(5)

где  - площадь проходного сечения клапана, м2;

 - разность давлений на образце в i-м измерении, Па;

 - расход газов, проходящих через образец, в i-м измерении, кг/с;

 - плотность газа, фильтрующегося через неплотности образца в i-м измерении, кг/м3;

 - плотность газа при температуре 20 °С, кг/м3.

9.2 Приведенное удельное сопротивление дымогазопроницанию  противопожарного нормально открытого клапана и клапана двойного действия определяется усреднением результатов измерений согласно формуле

,

(6)

где  - площадь проходного сечения клапана, м2;

 - разность давлений на образце в i-м измерении, Па;

 - расход газов, проходящих через образец, в i-м измерении, кг/с;

 - плотность газа, фильтрующегося через неплотности образца в i-м измерении, кг/м3;

 - плотность газа при температуре 20 °С, кг/м3.

 - число измерений во время испытаний.

9.3 Приведенное сопротивление образцов воздухопроницанию определяется по зависимостям (5), (6) с использованием результатов измерений согласно 7.5.

9.4 Предел огнестойкости каждого образца устанавливается в минутах по моменту наступления одного из предельных состояний.

9.5 Фактический предел огнестойкости клапана принимается по минимальному из значений, установленных в процессе испытаний образцов.

Результаты испытаний действительны для клапанов аналогичной конструкции, гидравлический диаметр которых меньше гидравлического диаметра испытанного (без ограничения) образца, или больше испытанного образца, гидравлический диаметр которого удовлетворяет соотношению:

,

(7)

где  - гидравлический диаметр клапана, на который могут быть распространены результаты испытаний, мм;

 - гидравлический диаметр испытанного клапана, мм.

Величина гидравлического диаметра определяется соотношением:

,

(8)

где  и  - соответственно площадь и периметр клапана.

Результаты испытаний клапанов прямоугольного сечения не могут быть распространены на клапаны круглого сечения и наоборот.

9.6 В обозначении предела огнестойкости клапана результаты испытания приводят к ближайшей меньшей величине из ряда чисел, представленного в 4.1.1.

9.7 Расход газа через дымовой люк определяется соотношением:

,

(9)

где  - средняя скорость газового потока, м/с:

,

(10)

где  - расчетная площадь проходного сечения, м2;

;

 - начальная (проектная) площадь проходного сечения, м2;

 - фактическая площадь проходного сечения, м2;

 - температура в печи в i-и точке в j-й момент испытания, °С;

 - перепад давления на КПД в i-и точке в j-й момент испытания, Па;

 - среднее значение расхода в j-й момент испытания, м3/с;

п - число измерений во время испытаний.

9.8 Коэффициент расхода дымового люка определяется соотношением:

,

(11)

где  - средняя скорость газового потока, м/с;

,

(12)

где ;

 - статическое давление в печи в j-й момент испытаний, Па;

 - статическое давление наружной среды, Па.

9.9 Результаты испытаний могут быть распространены на дымовые люки аналогичного конструктивного исполнения в соответствии с 9.5.

9.10 Положительный результат испытания определяется выявленным соответствием образца установленным требованиям к инерционности его срабатывания и сохранения функциональной способности по 5.6, 5.8. При этом фактическое значение коэффициента расхода образца по 9.8 вносят в состав технической документации на изделие.

10 Отчет об испытании

10.1 Отчет об испытании, составленный по рекомендуемой форме, должен содержать следующие данные:

1) наименование организации, проводящей испытания;

2) наименование и адрес изготовителя (заказчика);

3) характеристику объекта испытаний;

4) метод;

5) процедуру;

6) испытательное оборудование и средства измерений;

7) результаты;

8) оценку результатов испытаний;

9) техническую информацию.

10.2 Отчет об испытании является документом, указывающим фактическую огнестойкость образца, прошедшего испытания.

10.3 Отчет об испытании действует не более пяти лет, если за этот период изготовителем не были внесены изменения:

- в технологию производства;

- в технологию сборки, монтажа и т.п.

В случае если любое из указанных выше изменений было внесено, Заказчик должен сообщить об этом в испытательную лабораторию, проводившую испытание. На основании анализа влияния внесенных изменений на огнестойкость изделия испытательная лаборатория принимает решение о возможности дальнейшего использования отчета об испытаниях или об его отмене.

По окончании срока действия отчета об испытании Заказчик вправе обратиться в испытательную лабораторию за его продлением. При соблюдении Заказчиком вышеуказанных условий отчет об испытании может быть продлен без испытаний еще на три года.

11 Техника безопасности

11.1 При испытании противопожарных клапанов и дымовых люков на огнестойкость должны соблюдаться требования безопасности и производственной санитарии согласно ГОСТ 12.1.019 и ГОСТ 12.2.003.

11.2 К испытанию допускаются лица, ознакомленные с техническим описанием и инструкцией по эксплуатации испытательного стенда.

11.3 Перед проведением испытания необходимо проверить надежность соединений стендового оборудования.

11.4 Все движущиеся элементы испытательной установки должны иметь ограждения.

Приложение А
(обязательное)
Схемы испытаний противопожарных клапанов

1 - печь; 2 - клапан; 3 - пневмокамера; 4 - мерный участок воздуховода; 5 - расходомерная диафрагма;
6 - регулирующая заслонка; 7 - обвязка вентилятора; 8 - вентилятор; 9 - иллюминатор; 10 - форсунка;
11 - регулирующий шибер;
а) - клапан прямоугольного сечения; б) - клапан круглого сечения;
 - перепад давления на клапане;  - перепад давления на расходомерной диафрагме;
 - ТЭП, установленные:

- 1 - 4 - на поверхностях уплотнений корпуса клапана в проеме печи (диаметр 0,5 - 0,7 мм);

- 5 - 8 - на поверхностях корпуса клапана (диаметр 0,5 - 0,7 мм);

- 9 - у расходомерной диафрагмы (диаметр 0,5 - 0,7 мм);

- 10 - 12 - в печи (диаметр 1,2 - 3,0 мм)

(все размеры, указанные на схеме, приведены в мм)

Рисунок А.1 - Схема стендового оборудования для испытания на огнестойкость противопожарных клапанов вентиляционных систем различного назначения

1 - печь; 2 - клапан; 3 - пневмокамера; 4 - мерный участок воздуховода; 5 - расходомерная диафрагма; 6 - регулирующая заслонка; 7 - обвязка вентилятора; 8 - вентилятор; 9 - иллюминатор;
10 - форсунка; 11 - стыковочный элемент воздуховода; 12 - регулирующий шибер;
а) - клапан прямоугольного сечения; б) - клапан круглого сечения;
 - перепад давления на клапане;  - перепад давления на расходомерной диафрагме;
 - ТЭП, установленные:

- 1 - 3 - в печи (диаметр 1,2 - 3,0 мм);

- 4 - у расходомерной диафрагмы (диаметр 0,5 - 0,7 мм)

(все размеры, указанные на схеме, приведены в мм)

Рисунок А.2 - Схема стендового оборудования для испытания на огнестойкость противопожарных клапанов вентиляционных систем различного назначения при установке на участке воздуховода

1 - печь; 2 - клапан; 3 - пневмокамера; 4 - мерный участок воздуховода; 5 - расходомерная диафрагма;
6 - регулирующая заслонка; 7 - обвязка вентилятора; 8 - вентилятор; 9 - иллюминатор; 10 - форсунка;
11 - регулирующий шибер;
а) - клапан прямоугольного сечения; б) - клапан круглого сечения;
 - перепад давления на клапане;  - перепад давления на расходомерной диафрагме;
 - ТЭП, установленные:

- 1 - 3 - в печи (диаметр 1,2 - 3,0 мм);

- 4 - у расходомерной диафрагмы (диаметр 0,5 - 0,7 мм)

(все размеры, указанные на схеме, приведены в мм)

Рисунок А.3 - Схема стендового оборудования для испытания на огнестойкость дымовых клапанов

1 - печь; 2 - клапан; 3 - иллюминатор; 4 - форсунка; 5 - регулирующий шибер;
а) - клапан прямоугольного сечения; б) - клапан круглого сечения;
 - избыточное давление в печи по отношению к окружающей среде;
 - ТЭП, установленные:

- 1 - 3 - на заслонке (створке) клапана (диаметр 0,5 - 0,7 мм);

- 4 - 6 - в печи (диаметр 1,2 - 3,0 мм).

При попадании ТЭП 1-3 на стык створок (жалюзи) многостворчатых клапанов точки размещения подлежат смещению по горизонтали на 50 - 100 мм (для ТЭП 1, 3 в сторону оси клапана)

(все размеры, указанные на схеме, приведены в мм)

Рисунок А.4 - Схема стендового оборудования для испытания на огнестойкость противопожарных клапанов вентиляционных систем различного назначения

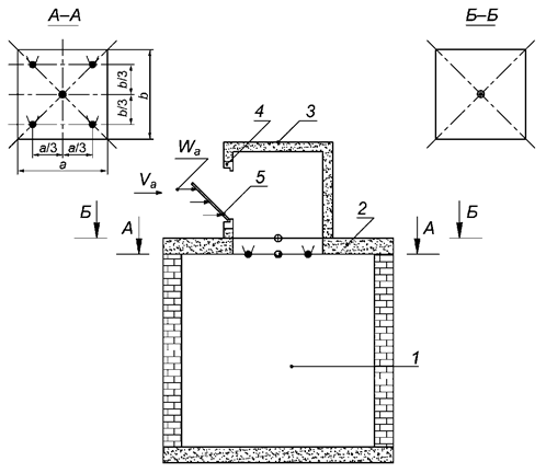
1 - печь с горелками; 2 - вкладыш покрытия печи; 3 - установочный элемент; 4 - корпус дымового
люка; 5 - заслонка дымового люка; 6 - термоэлемент привода;
а) - дымовой люк прямоугольного сечения; б) - дымовой люк круглого сечения;

 - ТЭП; • - точка измерения статического давления;  - комбинированный приемник давления;

 - скорость ветра (воздушного потока);  - ветровая нагрузка;  - механическая нагрузка

Рисунок А.5 - Схема стенда для испытания дымовых люков (клапанов) при горизонтальном заполнении проема покрытия

1 - печь с горелками; 2 - вкладыш покрытия печи; 3 - установочный элемент; 4 - корпус дымового
люка; 5 - заслонка дымового люка; 6 - термоэлемент привода;

 - ТЭП; • - точка измерения статического давления;  - комбинированный приемник давления;

 - скорость ветра (воздушного потока);  - ветровая нагрузка

Рисунок А.6 - Схема стенда для испытания дымовых люков (клапанов) в вертикальных ограждающих конструкциях

 

Ключевые слова: противопожарный клапан, дымовой люк, метод испытаний