Изменение № 2 ГОСТ 1216-87 Порошки магнезитовые каустические. Технические условия

Принято Межгосударственным советом по стандартизации, метрологии и сертификации по переписке (протокол № 17 от 01.04.2004)

Зарегистрировано Бюро по стандартам МГС № 4924

За принятие изменения проголосовали национальные органы по стандартизации следующих государств: AM, BY, KZ, KG, MD, RU, TJ, TM, UZ, UA [коды альфа-2 по МК (ИСО 3166) 004]

Дату введения в действие настоящего изменения устанавливают указанные национальные органы по стандартизации

Пункт 3.2. Заменить ссылки: ГОСТ 2642.3-86 на ГОСТ 2642.3-97, ГОСТ 2642.4-86 на ГОСТ 2642.4-97, ГОСТ 2642.5-86 на ГОСТ 2642.5-97, ГОСТ 2642.7-86 на ГОСТ 2642.7-97, ГОСТ 2642.8-86 на ГОСТ 2642.8-97.

Пункт 3.4.1. Второй абзац изложить в новой редакции:

«Весы по ГОСТ 24104-2001 среднего и высокого классов точности»;

десятый абзац. Заменить слова: «±0,0001 г на микроаналитических весах» на «до 0,0001 г на весах высокого класса точности»;

предпоследний абзац. Заменить значение: ±0,1 на «до 0,1».

Пункт 3.10.1 изложить в новой редакции:

«3.10.1. Аппаратура

Металлические разъемные формы для изготовления образцов-восьмерок и их размеры приведены на черт. 2 и в табл. 6.

Таблица 6

В миллиметрах

Обозначение размера

Номинальный размер

Предельное отклонение

Размер, допустимый после износа формы

а

22,2

±0,1

Не менее 22,0

б

52,0

-0,5

-

в

78,0

-0,5

-

г

22,5

±0,1

Не более 22,7

Форма для изготовления образцов-восьмерок

* Размеры для справок.

Черт. 2

Машина разрывная Р-0,5 с предельной нагрузкой 5 кН (500 кГс), с погрешностью измерения ±1 %, с захватами для образцов в соответствии с черт. 3.

Допускается применять другие нагружающие устройства, обеспечивающие заданную точность измерения».

Пункты 3.10.3.1, 3.10.3.2 изложить в новой редакции:

«3.10.3.1. Захваты крепят к подвижной и неподвижной траверсам. На подвижной траверсе дополнительно укрепляют рамку, чтобы испытуемый образец находился в области перемещения захватов. Подвижная траверса с укрепленной рамкой и захватом перемещается в одной плоскости с неподвижной траверсой.

Образец устанавливают таким образом, чтобы плоские грани его совпали с плоскими поверхностями захватов.

3.10.3.2. После установки образца включают машину. Регулятором скорости перемещения подвижной траверсы устанавливают скорость 15 - 20 мм/мин. Нагружают образец равномерно и непрерывно до разрушения. Регистрируют максимальную нагрузку».

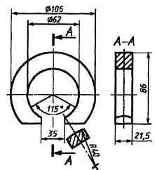
Захваты для образцов

Черт. 3

Пункты 3.10.4 - 3.10.4.2 изложить в новой редакции; дополнить пунктами - 3.10.4.3, 3.10.4.4:

«3.10.4. Обработка результатов

3.10.4.1. Предел прочности при растяжении образцов sраст, Н/мм2, вычисляют по формуле

где Fmах - максимальная нагрузка, Н;

S - площадь поперечного сечения шейки образца, мм2, которая для образца восьмерки стандартных размеров равна 500 мм2.

3.10.4.2. За результат измерения принимают среднее арифметическое четырех результатов измерения при условии, что расхождение между максимальным и минимальным результатами параллельных измерений, отнесенное к среднему значению (результату испытания) при доверительной вероятности 0,95, не превышает 25 %.

3.10.4.3. Доверительная относительная погрешность результатов измерений при доверительной вероятности, равной 0,95, составляет 12 %.

3.10.4.4. Результат округляют до трех значащих цифр».

Пункт 4.1. Заменить ссылки: ГОСТ 14192-77 на ГОСТ 14192-96, ГОСТ 24717-81 на ГОСТ 24717-94.

Пункт 4.2 дополнить абзацем:

«По согласованию с потребителем допускаются другие виды упаковки, не допускающие увлажнение порошков».

(ИУС № 12 2004 г.)