Изменение № 2 ГОСТ 9798-85 Рельсы контррельсовые РК65. Размеры
Утверждено и введено в действие Постановлением комитета стандартизации и метрологии СССР от 27.12.91 № 2215
Дата введения 01.07.92
Пункт 1 дополнить абзацем: «Требования пп. 1 - 6, 8 настоящего стандарта являются обязательными, требования п. 7 - рекомендуемыми».
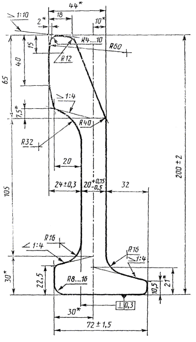
Пункт 2. Второй абзац исключить; чертеж заменить новым:

* Размеры для справок.
Пункт 5. Первый абзац. Заменить слова: «Государственной приемкой» на «инспекцией МПС».
(ИУС № 4 1992 г.)