Изменение № 2 ГОСТ 20772-81 Устройства присоединительные для технических средств заправки, перекачки, слива-налива, транспортирования и хранения нефти и нефтепродуктов. Типы. Основные параметры и размеры. Общие технические требования

Утверждено и введено в действие Постановлением Государственного комитета СССР по управлению качеством продукции и стандартам от 13.12.89 № 3699

Дата введения 01.07.90

По всему тексту стандарта для размера Dy исключить единицу: мм.

Пункт 1.1. Таблицу 1 для типа соединения «2-фланцевое» изложить в новой редакции:

Тип соединения

Условный проход Dy

Условное давление Ру, МПа

Присоединительные размеры

Область применения

Назначение

2-фланцевое

80; 100; 150

1,0; 1,6

Рекомендуемое приложение 1

Сливно-наливные патрубки передвижных стальных и резинотканевых резервуаров; напорные и всасывающие патрубки насосов и сливно-наливные патрубки автоцистерн, автотопливомаслозаправщиков, автотопливозаправщиков, средств перекачки; отводные патрубки полевых сборно-разборных трубопроводов для присоединения резинотканевых рукавов

Для соединения с ответными фланцами трубопроводной арматуры и шлангующими устройствами (стендерами)

100; 150; 200; 250; 300; 350; 400; 500

ГОСТ 1536-76

Приемно-отливные патрубки грузовой системы морских, речных нефтеналивных судов и береговых трубопроводов

графа «Присоединительные размеры». Заменить слово: «Обязательное» на «Рекомендуемое» (2 раза);

тип соединения «3-раструбное». Графа «Назначение». Исключить слово: «элементов»;

тип соединения «4-механические захваты». Графа «Условный проход Dy».

Заменить значение: 75 на 65; графу «Условное давление Ру, МПа» дополнить значением: 1,0;

тип соединения «5-гидропневматическис захваты». Графу «Условный проход Dy» дополнить значениями: 80; 350;

примечание 1. Исключить слово: «осей»;

примечание 2. Исключить значение Dy: 75.

Пункт 2.2. Первый абзац. Исключить слово: «балластной».

Раздел 2 дополнить пунктом - 2.3б: «2.3б. Минимальное разрушающее давление для вновь проектируемых присоединительных устройств должно быть равно четырехкратному номинальному давлению».

Пункт 2.8 дополнить абзацем: «Требования к береговому причальному оборудованию, обеспечивающему безопасное проведение грузовых операций, должны соответствовать правилам, действующим на различные виды транспорта для наливных грузов».

Пункт 2.9 изложить в новой редакции: «2.9. Показатели надежности следует устанавливать в научно-технической документации на конкретные типы присоединительных устройств».

Пункт 2.10. Таблица 2. Заменить значение: 1,3 на 1,5; графа «Наименование размеров». Пункт 2 изложить в новой редакции: «2. Расстояние от привалочной плоскости присоединительных устройств до плоскости, определяющей наружный габарит».

Пункт 2.12. Таблица 3. Головка. Заменить слова: «До 16000 включ.» на «Св. 6000 до 16000 включ.»;

таблицу 3 дополнить графой:

Наименование размеров

Значения, м, при грузоподъемности, т

До 6000 включ.

1. Расстояние между центрами фланцев, не менее

1,0

2. Расстояние от центров фланцев: до рабочей площадки, не менее до палубы, не более

0,9

2,1

3. Расстояние от привалочной плоскости фланца до борта

2,0 ± 1,0

примечание после слова «фланцы» дополнить словами: «приемно-отливных патрубков».

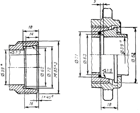
Приложение 1. Заменить слово: «Обязательное» на «Рекомендуемое»; чертеж 2 заменить новым; дополнить примечанием:

Исполнение 1

Исполнение 2

* Размер для справок.

Черт. 2

Примечание. Резьбу М85×3 для вновь проектируемых изделий применять не допускается.

чертеж 3. Таблица. Графа «Условный проход Dу». Заменить значение: 65 на 80; исключить условный проход Dу 80 и все относящиеся показатели;

чертеж 4. Таблица. Графа d. Для условных проходов Dy 100 и 150 заменить значения: 97,3 на 97,6; 145,3 на 145,6; графа L7. Для условного прохода Dу 200 заменить значение: 9,5 на 9,0.

Приложение 2 исключить.

Приложение 3. Раздел 2. Чертеж заменить новым:

2. Гидропневматические захваты

Примечание. Допускается применение переходников.

(ИУС № 3 1990 г.)