Письмо Координационного центра по ценообразованию и сметному нормированию в строительстве
от 26 июня 2006 г. № КЦ/П167 "О введении элементных сметных норм и единичных расценок
на работы по кладке стен наружных из легкобетонных блоков с облицовкой лицевым кирпичом к
Сборнику ГЭСН (ФЕР)-2001-08 "Конструкции из кирпича и блоков"

1. Ввести с 1 июня 2006 года дополнительные элементные сметные нормы и единичные расценки на работы по кладке стен наружных из легкобетонных блоков с облицовкой лицевым кирпичом (Приложение).

2. Дополнить указанными нормами и расценками Раздел 02. "Конструкции из кирпича и камней" Сборника ГЭСН (ФЕР)-2001-08 "Конструкции из кирпича и блоков".

3. Данные элементные сметные нормы и единичные расценки могут применяться организациями-заказчиками и подрядчиками независимо от их ведомственной принадлежности и форм собственности, и предназначены для определения сметной стоимости строительства ресурсным и базисно-индексным методами, а также для расчетов за выполненные строительные, ремонтно-строительные и монтажные работы.

4. Единичные расценки разработаны для 1-го базового района Российской Федерации (Московской области) в уровне цен по состоянию на 1 января 2000 г. с районным коэффициентом 1,0. При применении расценок в субъектах Российской Федерации их привязка к местным условиям должна осуществляться с учетом территориальных поправочных коэффициентов в базисном уровне цен на 01.01.2000 г.

 

 

Руководитель Центра                                                                              П.В. Горячкин

 

 

Приложение

 

Техническая справка

С изменением требований к теплотехническим свойствам ограждающих конструкций перед строителями встала задача: идти по пути увеличения толщины наружной стены из кирпича или улучшить теплотехнические свойства ограждающих конструкций, не изменяя ее толщины, иными способами. Широкое применение получили комбинированные конструкции из легкобетонных стеновых блоков с облицовкой лицевым кирпичом, где удачно сочетаются теплотехнические свойства легких бетонов с красотой и защитными свойствами лицевого кирпича. Наиболее распространены следующие конструктивные решения:

- стена наружная из легкобетонных стеновых блоков с облицовкой лицевым кирпичом (рис. 1);

- стена наружная из легкобетонных стеновых блоков с воздушной прослойкой и облицовкой лицевым кирпичом (рис. 2);

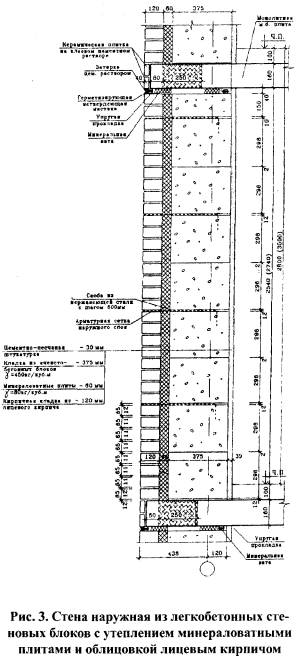
- стена наружная из легкобетонных стеновых блоков с утеплением минераловатными плитами и облицовкой лицевым кирпичом (рис. 3).

 

 

"Рис. 1. Стена наружная из легкобетонных стеновых блоков с облицовкой лицевым кирпичом"

 

 

"Рис. 2. Стена наружная из легкобетонных стеновых блоков с воздушной прослойкой и облицовкой лицевым кирпичом"

 

 

"Рис. 3. Стена наружная из легкобетонных стеновых блоков с утеплением инераловатными плитами и облицовкой лицевым кирпичом"

 

Элементные сметные нормы

Техническая часть

1. Общие указания

В пункте 1.9:

- перед словами "в нормах 5-10 табл. 03-002" добавить: в нормах 1, 2 табл. 02-020;

- после слов "в нормах табл. 02-015" добавить: в нормах 3-6 табл. 02-020.

2. Правила исчисления объемов работ

Пункт 2.7 дополнить словами: при кладке стен с утеплением минераловатными плитами (нормы 5, 6 табл. 02-20) объем минераловатных плит не исключается.

Раздел 02. Конструкции из кирпича и камней

Таблица ЭСН 8-02-020 Кладка стен наружных из легкобетонных блоков с облицовкой лицевым кирпичом

Состав работ:

01. Кладка стен из легкобетонных стеновых блоков с одновременной облицовкой лицевым кирпичом стен, пилястр и откосов. 02. Устройство ниш для отопления, борозд, осадочных и температурных швов и архитектурных деталей. 03. Расшивка швов. 04. Установка скоб из нержавеющей стали (нормы 3-6). 05. Крепление минераловатных плит к стене из легкобетонных блоков с помощью тарельчатых дюбелей. 06. Укладка сетки арматурной кладочной (нормы 5, 6).

Измеритель: 1 м3 кладки

 

Кладка стен наружных из легкобетонных стеновых блоков с облицовкой лицевым кирпичом:

8-02-020-1

толщиной 630 мм при высоте этажа до 4 метров

8-02-020-2

толщиной 630 мм при высоте этажа свыше 4 метров

 

 

 

Кладка стен наружных из легкобетонных стеновых блоков с воздушной прослойкой и облицовкой лицевым кирпичом:

8-02-020-3

толщиной 670 мм при высоте этажа до 4 метров

8-02-020-4

толщиной 670 мм при высоте этажа свыше 4 метров

 

 

 

Кладка стен наружных из легкобетонных стеновых блоков с утеплением минераловатными плитами и облицовкой лицевым кирпичом:

8-02-020-5

толщиной 555 мм при высоте этажа до 4 метров

8-02-020-6

толщиной 555 мм при высоте этажа свыше 4 метров

 


Шифр
ресурса

Наименование
элемента затрат

Ед.
измер.

8-02-020-1

8-02-020-2

8-02-020-3

8-02-020-4

8-02-020-5

8-02-020-6

1

Затраты труда рабочих-строителей

чел.-ч

6,03

5,83

5,61

5,44

7,11

6,87

1.1

Средний разряд работы

 

3,2

3,2

3,2

3,2

3,2

3,2

2

Затраты труда машинистов

чел.-ч

0,79

0,78

0,78

0,77

0,82

0,8

3

Машины и механизмы

 

 

 

 

 

 

 

020129

Краны башенные при работе на других видах строительства (кроме монтажа технологического оборудования) 8 т

маш.-ч

0,46

0,45

0,45

0,44

0,48

0,46

400001

Автомобили бортовые, грузоподъемностью до 5 т

маш.-ч

0,08

0,08

0,08

0,08

0,09

0,09

110901

Растворосмесители передвижные 65 л

маш.-ч

0,25

0,25

0,25

0,25

0,25

0,25

330206

Дрель электрическая

маш.-ч

0,2

0,2

0,2

0,2

0,2

0,2

4

Материалы

 

 

 

 

 

 

 

(404-9034)

Кирпич керамический или силикатный лицевой

1000 шт.

0,0865

0,0865

0,077

0,077

0,091

0,091

(403-9210)

Камни легкобетонные

м3

0,794

0,794

0,746

0,746

0,682

0,682

(402-9070)

Раствор готовый кладочный (состав и марка по проекту)

м3

0,056

0,056

0,036

0,036

0,041

0,041

(104-9131)

Плиты или маты теплоизоляционные минераловатные

м3

0,0042

0,0042

0,0039

0,0039

0,116

0,116

402-9110-070

Клеящий состав для укладки блоков и плит из ячеистого бетона

т

0,0147

0,0147

0,0138

0,0138

0,0125

0,0125

102-0026

Пиломатериалы хвойных пород. Бруски обрезные длиной 4 - 6,5 м, шириной 75 - 150 мм, толщиной 40 - 75 мм, IV сорта

м3

0,0005

0,0005

0,0005

0,0005

0,0005

0,0005

101-0601

Мастика герметизирующая нетвердеющая строительная

т

0,00044

0,00044

0,00041

0,00041

0,0005

0,0005

101-9891

Прокладки уплотнительные 30 мм

100 м

0,015

0,015

0,015

0,015

0,015

0,015

101-2092

Скобы из нержавеющей стали

кг

-

-

0,6

0,6

0,6

0,6

411-0001

Вода

м3

0,22

0,22

0,22

0,22

0,22

0,22

204-9182

Сетка сварная из холоднотянутой проволоки 5 мм

т

 

 

 

 

0,002

0,002

104-0467

Дюбели стеклопластиковые 120 мм

10 шт.

 

 

 

 

0,6

0,6

 

Федеральные единичные расценки

Раздел 02. Конструкции из кирпича и камней

 

В сметных ценах на 1 января 2000 г.

№№
расценок

Наименование и характеристика строительных работ и конструкций

Ед. измерения

Прямые затраты, руб

В том числе, руб.

Затраты труда рабочих строителей чел.-ч

оплата труда рабочих строителей

эксплуатация машин

материалы

(Коды неучтенных материалов)

Наименование и характеристика неучтенных расценками материалов

всего

в т.ч. оплата труда машинистов

расход неучтенных материалов

1

2

3

4

5

6

7

8

9

Табл. 8-02-020 Кладка стен наружных из легкобетонных блоков с облицовкой лицевым кирпичом

Измеритель: 1 м3 кладки

 

Кладка стен наружных из легкобетонных стеновых блоков с облицовкой лицевым кирпичом:

8-02-020-1

толщиной 630 мм при высоте этажа до 4 метров

1 м3

185,90

52,70

49,26

8,72

83,94

6,03

(104-9131)

Плиты или маты теплоизоляционные минераловатные

м3

 

 

 

 

0,0042

 

(402-9070)

Раствор готовый кладочный (состав и марка по проекту)

м3

 

 

 

 

0,056

 

(403-9210)

Камни легкобетонные

м3

 

 

 

 

0,794

 

(404-9034)

Кирпич керамический или силикатный лицевой

1000 шт.

 

 

 

 

0,0865

 

8-02-020-2

толщиной 630 мм при высоте этажа свыше 4 метров

1 м3

183,29

50,95

48,40

8,59

83,94

5,83

(104-9131)

Плиты или маты теплоизоляционные минераловатные

м3

 

 

 

 

0,0042

 

(402-9070)

Раствор готовый кладочный (состав и марка по проекту)

м3

 

 

 

 

0,056

 

(403-9210)

Камни легкобетонные

м3

 

 

 

 

0,794

 

(404-9034)

Кирпич керамический или силикатный лицевой

1000 шт.

 

 

 

 

0,0865

 

 

Кладка стен наружных из легкобетонных стеновых блоков с воздушной прослойкой и облицовкой лицевым кирпичом:

8-02-020-3

толщиной 670 мм при высоте этажа до 4 метров

1 м3

212,44

49,03

48,40

8,59

115,01

5,61

(104-9131)

Плиты или маты теплоизоляционные минераловатные

м3

 

 

 

 

0,0039

 

(402-9070)

Раствор готовый кладочный (состав и марка по проекту)

м3

 

 

 

 

0,036

 

(403-9210)

Камни легкобетонные

м3

 

 

 

 

0,746

 

(404-9034)

Кирпич керамический или силикатный лицевой

1000 шт.

 

 

 

 

0,077

 

8-02-020-4

толщиной 670 мм при высоте этажа свыше 4 метров

1 м3

210,10

47,55

47,54

8,46

115,01

5,44

(104-9131)

Плиты или маты теплоизоляционные минераловатные

м3

 

 

 

 

0,0039

 

(402-9070)

Раствор готовый кладочный (состав и марка по проекту)

м3

 

 

 

 

0,036

 

(403-9210)

Камни легкобетонные

м3

 

 

 

 

0,746

 

404-9034)

Кирпич керамический или силикатный лицевой

1000 шт.

 

 

 

 

0,077

 

 

Кладка стен наружных из легкобетонных стеновых блоков с утеплением минераловатными плитами и облицовкой лицевым кирпичом:

8-02-020-5

толщиной 555 мм при высоте этажа до 4 метров

1 м3

276,97

62,14

51,75

8,99

163,08

7,11

(104-9131)

Плиты или маты теплоизоляционные минераловатные

м3

 

 

 

 

0,116

 

(402-9070)

Раствор готовый кладочный (состав и марка по проекту)

м3

 

 

 

 

0,041

 

(403-9210)

Камни легкобетонные

м3

 

 

 

 

0,682

 

(404-9034)

Кирпич керамический или силикатный лицевой

1000 шт.

 

 

 

 

0,091

 

8-02-020-6

толщиной 555 мм при высоте этажа свыше 4 метров

1 м3

273,14

60,04

50,02

8,72

163,08

6,87

(104-9131)

Плиты или маты теплоизоляционные минераловатные

м3

 

 

 

 

0,116

 

(402-9070)

Раствор готовый кладочный (состав и марка по проекту)

м3

 

 

 

 

0,041

 

(403-9210)

Камни легкобетонные

м3

 

 

 

 

0,682

 

(404-9034)

Кирпич керамический или силикатный лицевой

1000 шт.

 

 

 

 

0,091

 


Эксплуатация строительных машин

Код

Наименование

Ед. изм.

Цена без НДС, руб

сметная стоимость маш-ч

в т.ч. оплата труда машинистов

020129

Краны башенные при работе на других видах строительства (кроме монтажа технологического оборудования) 8 т

маш.-ч

86.40

13.50

110901

Растворосмесители передвижные 65 л

маш.-ч

12.39

10.06

330206

Дрели электрические

маш.-ч

1.95

-

400001

Автомобили бортовые грузоподъемностью до 5 т

маш.-ч

75.40

-

Сметные цены на материальные ресурсы

Код

Наименование

Ед. изм.

Цена без НДС,
руб.

101-0601

Мастика герметизирующая нетвердеющая строительная

т

12585.00

101-1975

Прокладки ПРП уплотнительные, диаметром 30 мм

100 м

2500.00

101-2092

Скобы из нержавеющей стали

кг

56.48

102-0026

Пиломатериалы хвойных пород. Бруски обрезные длиной 4-6,5 м, шириной 75-150 мм, толщиной 40-75 мм IV сорта

м3

1056.00

104-0467

Дюбели стеклопластиковые 120 мм

10 шт.

54.30

204-9182-1

Сетки из проволоки холоднотянутой 5 мм

т

8940.00

402-9110-070

Клеящий состав для укладки блоков и плит из ячеистого бетона

т

2710.00

411-0001

Вода

м3

2.44

 


 

Территориальные единичные расценки
(Разработаны Санкт-Петербургским Региональным центром по ценообразованию в строительстве)

Раздел 02. Конструкции из кирпича и камней

В сметных ценах на 1 января 2000 г.

№№
расценок

Наименование и характеристика строительных работ и конструкций

Ед.
измерения

Прямые затраты,
руб

В том числе, руб.

Затраты труда рабочих строителей чел.-ч

оплата труда рабочих строителей

эксплуатация машин

материалы

(Коды неучтенных материалов)

Наименование и характеристика неучтенных расценками материалов

всего

в т.ч. оплата труда машинистов

расход неучтенных материалов

1

2

3

4

5

6

7

8

9

Табл. 8-02-020 Кладка стен наружных из легкобетонных блоков с облицовкой лицевым кирпичом

Измеритель: 1 м3 кладки

 

Кладка стен наружных из легкобетонных стеновых блоков с облицовкой лицевым кирпичом:

8-02-020-1

толщиной 630 мм при высоте этажа до 4 метров

1 м3

191,64

64,52

54,99

11,35

72,13

6,03

(104-9131)

Плиты или маты теплоизоляционные минераловатные

м3

 

 

 

 

0,0042

 

(402-9070)

Раствор готовый кладочный (состав и марка по проекту)

м3

 

 

 

 

0,056

 

(403-9210)

Камни легкобетонные

м3

 

 

 

 

0,794

 

(404-9034)

Кирпич керамический или силикатный лицевой

1000 шт.

 

 

 

 

0,0865

 

8-02-020-2

толщиной 630 мм при высоте этажа свыше 4 метров

1 м3

188,50

62,38

53,99

11,20

72,13

5,83

(104-9131)

Плиты или маты теплоизоляционные минераловатные

м3

 

 

 

 

0,0042

 

(402-9070)

Раствор готовый кладочный (состав и марка по проекту)

м3

 

 

 

 

0,056

 

(403-9210)

Камни легкобетонные

м3

 

 

 

 

0,794

 

(404-9034)

Кирпич керамический или силикатный лицевой

1000 шт.

 

 

 

 

0,0865

 

 

Кладка стен наружных из легкобетонных стеновых блоков с воздушной прослойкой и облицовкой лицевым кирпичом:

8-02-020-3

толщиной 670 мм при высоте этажа до 4 метров

1 м3

221,86

60,03

53,99

11,20

107,84

5,61

(104-9131)

Плиты или маты теплоизоляционные минераловатные

м3

 

 

 

 

0,0039

 

(402-9070)

Раствор готовый кладочный (состав и марка по проекту)

м3

 

 

 

 

0,036

 

(403-9210)

Камни легкобетонные

м3

 

 

 

 

0,746

 

(404-9034)

Кирпич керамический или силикатный лицевой

1000 шт.

 

 

 

 

0,077

 

8-02-020-4

толщиной 670 мм при высоте этажа свыше 4 метров

1 м3

219,05

58,21

53,00

11,04

107,84

5,44

(104-9131)

Плиты или маты теплоизоляционные минераловатные

м3

 

 

 

 

0,0039

 

(402-9070)

Раствор готовый кладочный (состав и марка по проекту)

м3

 

 

 

 

0,036

 

(403-9210)

Камни легкобетонные

м3

 

 

 

 

0,746

 

(404-9034)

Кирпич керамический или силикатный лицевой

1000 шт.

 

 

 

 

0,077

 

 

Кладка стен наружных из легкобетонных стеновых блоков с утеплением минераловатными плитами и облицовкой лицевым кирпичом:

8-02-020-5

толщиной 555 мм при высоте этажа до 4 метров

1 м3

300,06

76,08

57,66

11,78

166,32

7,11

(104-9131)

Плиты или маты теплоизоляционные минераловатные

м3

 

 

 

 

0,116

 

(402-9070)

Раствор готовый кладочный (состав и марка по проекту)

м3

 

 

 

 

0,041

 

(403-9210)

Камни легкобетонные

м3

 

 

 

 

0,682

 

(404-9034)

Кирпич керамический или силикатный лицевой

1000 шт.

 

 

 

 

0,091

 

8-02-020-6

толщиной 555 мм при высоте этажа свыше 4 метров

1 м3

295,50

73,51

55,67

11,47

166,32

6,87

(104-9131)

Плиты или маты теплоизоляционные минераловатные

м3

 

 

 

 

0,116

 

(402-9070)

Раствор готовый кладочный (состав и марка по проекту)

м3

 

 

 

 

0,041

 

(403-9210)

Камни легкобетонные

м3

 

 

 

 

0,682

 

(404-9034)

Кирпич керамический или силикатный лицевой

1000 шт.

 

 

 

 

0,091

 


Эксплуатация строительных машин

Код

Наименование

Ед. изм.

Цена без НДС, руб

сметная стоимость
маш-ч

в т.ч. оплата труда машинистов

020129

Краны башенные при работе на других видах строительства (кроме монтажа технологического оборудования) 8 т

маш.-ч

99.39

15.80

110901

Растворосмесители передвижные 65 л

маш.-ч

14.57

12.66

330206

Дрели электрические

маш.-ч

0.70

-

400001

Автомобили бортовые грузоподъемностью до 5 т

маш.-ч

68.56

11.50

 

Сметные цены на материальные ресурсы

Код

Наименование

Ед. изм.

Цена без
НДС, руб.

101-0601

Мастика герметизирующая нетвердеющая строительная

т

38400.00

101-2092

Скобы из нержавеющей стали

кг

65.50

101-9891

Прокладки уплотнительные 30 мм

100 м

950.00

102-0026

Пиломатериалы хвойных пород. Бруски обрезные длиной 4-6,5 м, шириной 75-150 мм, толщиной 40-75 мм, IV сорта

м3

1350.00

104-0467

Дюбели стеклопластиковые 120 мм

10 шт.

63.00

204-9182

Сетка сварная из холоднотянутой проволоки 5 мм

т

10370.00

402-9110-070

Клеящий состав для укладки блоков и плит из ячеистого бетона

т

2710.00

411-0001

Вода

м3

2.16