ЗАО «ТОЧИНВЕСТ»

Извещение ТР-99-1-2006

Об изменении ТУ 5216-007-44884945-2006

Ограждения дорожные удерживающие для автомобилей, первого типа, группы 11ДО и 11ДД

2006 г.

 

 

 

ЗАО «ТОЧИНВЕСТ»

 

Согласовано

 

Утверждаю

Зам. начальника Департамента ОБДД МВД России

 

Генеральный директор

ЗАО «ТОЧИНВЕСТ»

П.И. Бугаев

 

А.В. Константинов

«__» ________ 2006 г.

 

«__» ________ 2006 г.

Извещение ТР-99-1-2006

Об изменении ТУ 5216-007-44884945-2006

Ограждения дорожные удерживающие для автомобилей, первого типа, группы 11ДО и 11ДД

Согласовано:

Зав. отделением ФГУП «РОСДОРНИИ»

Д.т.н.                                  Шестериков В.И.

«__» ________ 2006 г.

Разработаны:

Технический директор ЗАО «Точинвест»

А.Н. Тепловодский

«__» ________ 2006 г.

 

Зам. технического директора ЗАО «Точинвест»

Н.А. Трутнев

«__» ________ 2006 г.

 

Ведущий конструктор ЗАО «Точинвест»

Якушев Г.А.

«__» ________ 2006 г.

 

ОГК

ИЗВЕЩЕНИЕ
ТР-99-1-2006

ОБОЗНАЧЕНИЕ
ТУ 5216-007-44884945-2006

Дата выпуска 22.09.2006

Срок изм.

 

 

Лист 2

Листов 15

Причина

По результатам испытаний

Код 5

Указание о заделе

Не отражается

Указание о внедрении

-

Применяемость

Ограждения дорожные удерживающие для автомобилей, первого типа, группы 11ДО и 11ДД

Разослать

По картотеке БТД

Приложение

-

Изм.

Содержание изменения

1

 

Лист 5

В п. 1.1.5 аннулировать - СДД-2 - связь диагональная (рисунок В.12, Приложение В).

Вновь введен лист 5а.

Вновь введен лист 6а.

Лист 7

1.1.10 Ввести - Допускается изготовлять из стального гнутого профиля 312×83×3. Марка стали ВСт3пс, ВСт3кп по ГОСТ 380-94.

СДЕ-3

1.1.12 Стойки СДЕ-1, СДЕ-2

1.1.17 Для соединения секций балок между собой, с консолями и диагональными связями

Составил

Трутнев

22.09.2006

 

Н. контр.

Лунёв

 

25.09.2006

Проверил

Лунёв

25.09.2006

 

Пред. заказ.

 

 

 

Изменения внес

 

 

ТР-99-1-2006

 

Лист 3

Изм.

 

1

 

Лист 8

Таблица 5

Наименование и марка элемента

Количество элементов в комплекте участка, шт.

11ДО-Н

11ДО-К

Секция балки СБ-2

2

2

СДЕ-1

 

 

Стойка СДЕ-2

6

6

Консоль жесткая КЖЕ

6

6

Связь диагональная СДД-2П

2

-

Связь диагональная СДД-2Л

-

2

Световозвращатель дорожный СДО-М

3

3

Вновь введен лист 8а.

Вновь введен лист 9а.

Лист 17

На рисунке В.1 - аннулировать поз. 4 - связь диагональная СДД-2.

Вновь введен лист 18а.

Вновь введен лист 19а

Вновь введен лист 21а.

Лист 22 аннулировать.

Ввести вновь лист 22 с рисунком В.6.2 - Стойка дорожная СДЕ-3

Вновь введен лист 23а.

Вновь введен лист 24а.

Вновь введен лист 25а.

Лист 28 аннулировать.

Ввести вновь лист 28 с рисунком В.12 - Пластина ПЛ

1.1.4 Основные параметры ограждений должны соответствовать приведенным в таблице 1.

Таблица 1

Марка участка ограждения

Удерживающая способность, кДж

Прогиб динамический Умакс, м

Рабочая ширина участка, м

Масса, кг/м

Примечание

11ДО-4,0-130/1,5

ТУ5216-007-44884945-2006

130

1,5

1,7

23,10

Балка t = 4 мм

11ДО-3,0-190/1,5

ТУ5216-007-44884945-2006

190

1,5

1,7

25,49

Балка t = 4 мм

11ДО-2,0-250/1,5

ТУ5216-007-44884945-2006

250

1,5

1,7

26,44

Балка t = 3 мм

11ДО-1,5-300/1,5

ТУ5216-007-44884945-2006

300

1,5

1,7

33,03

Балка t = 3 мм, связь СП

11ДД-3,0-300/1,5

ТУ5216-007-44884945-2006

не менее 300

1,5

1,7

42,38

Балка t = 4 мм

11ДД-2,0-300/1,5

ТУ5216-007-44884945-2006

300

1,5

1,7

39,81

Балка t = 3 мм

11ДД-1,5-300/1,0

ТУ5216-007-44884945-2006

не менее 300

1,0

1,2

44,14

Балка t = 3 мм

Примечание - Связь продольная СП (полоса 60×5мм) применяется только при шаге стоек 1,5 м.

1.1.5 Конструктивные элементы и основные размеры ограждений:

- СБ - секция балки (балка) (рисунок В.7, Приложение В);

- CДЕ - стойка дорожная (рисунок В.6, Приложение В);

- КЖЕ - консоль жесткая (рисунок В.8, Приложение В);

- КРЕ - консоль-распорка (рисунок В.9, Приложение В);

- СП - связь продольная (рисунок В.10, Приложение В);

- СДО-М - световозвращатель дорожный (рисунок В.11, Приложение В);

- ПЛ - пластина (рисунок В.12, Приложение В).

1.1.6 Высота ограждения всех групп рабочих участков - 0,75 м.

1.1.7 Основные параметры и размеры ограждений должны соответствовать указанным на рисунках В.1 - В.12 (Приложение В) и в таблицах 2, 3, 4.

Таблица 2

Марка участка ограждения

Размеры, м

Масса (справочная), кг/м

Ширина b

Шаг стоек S

11ДО-4,0-130/1,5

11ДО-3,0-190/1,5

11ДО-2,0-250/1,5

11ДО-1,5-300/1,5

0,39

0,39

0,39

0,39

4,0

3,0

2,0

1,5

23,10

25,49

26,44

33,03

11ДД-3,0-300/1,5

11ДД-2,0-300/1,5

11ДД-1,5-300/1,0

0,87

0,87

0,87

3,0

2,0

1,5

42,38

39,81

44,14

11ДО-Н

11ДО-К

11ДО-Н

11ДО-К

0,39

0,39

0,39

0,39

2,0

2,0

1,5

1,5

26,40

26,40

32,47

32,47

11ДД-Н

11ДД-К

11ДД-Н

11ДД-К

0,87

0,87

0,87

0,87

3,0

3,0

1,5

1,5

34,39

34,39

45,08

45,08

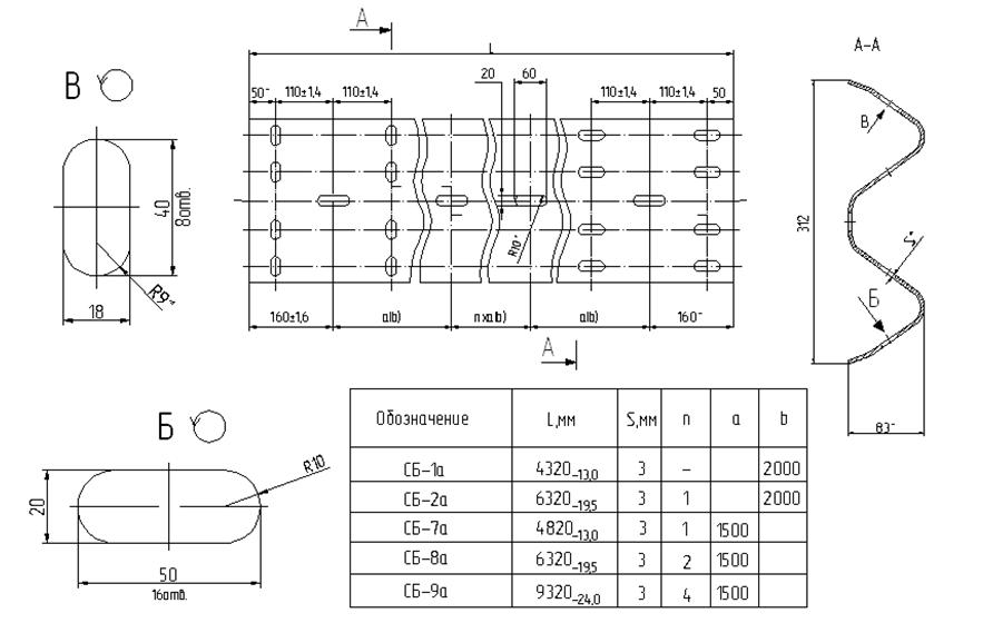
Таблица 3

Марка секции балки

Размеры, мм

L

h

СБ-1а

СБ-2а

CБ-7а

CБ-8а

СБ-9а

4320

6320

4820

8320

9320

83

83

83

83

83

1.2 Комплектность

1.2.1 Комплекты ограждений, подготовленные к отправке потребителю, должны содержать:

- комплекты участков ограждения, составленные в соответствии с таблицами 5, 6, 7, 8;

- крепежные элементы в количестве, необходимом для установки ограждения;

- паспорт ограждения со свидетельством ОТК предприятия - изготовителя о приемке комплектов участков ограждения;

- инструкцию по установке ограждения;

- копию Сертификата соответствия показателей ограждения требованиям настоящих технических условий.

1.2.2 Комплекты начального и конечного участков 11ДО-Н и 11ДО-К приведены в таблице 5.

Таблица 5

Наименование и марка элемента

Количество элементов в комплекте участка, шт.

11ДО-Н

11ДО-К

Секция балки СБ-2а

Стойка СДЕ-3

Пластина ПЛ

Консоль жесткая КЖЕ-1

Световозвращатель дорожный СДО-М

2

6

6

6

3

2

6

6

6

3

1.2.3 Комплекты начального и конечного участков 11ДО-Н и 11ДО-К для рабочих участков с шагом S = 1,5 м приведены в таблице 6.

Таблица 6

Наименование и марка элемента

Количество элементов в комплекте участка, шт.

11ДО-Н

11ДО-К

Секция балки СБ-2а

Стойка СДЕ-3

Пластина ПЛ

Консоль жесткая КЖЕ-1

Связь продольная СП-2

Световозвращатель дорожный СДО-М

2

8

8

8

2

4

2

8

8

8

2

4

1.2.4 Комплекты рабочих участков 11ДО приведены в таблице 7.

Таблица 7

Наименование и марка элемента

Количество элементов в комплекте участка ограждения L, выраженное в долях длины участка, м

11ДО-4,0-130/1,5

11ДО-3,0-190/1,5

11ДО-2,0-250/1,5

11ДО-1,5-300/1,5

Секция балки:

СБ-1

СБ-1а

(СБ-2а)

(СБ-3)

(СБ-4)

СБ-7а

(СБ-8а)

(СБ-9а)

Стойка СДЕ-3

Пластина ПЛ

Связь продольная СП-2

Консоль КЖЕ (КЖЕ-1)

Световозвращатель дорожный CДО-М

 

L/4

-

-

(L/8)

(L/9)

-

-

-

L/4+1

L/4+1

-

L/4+1

L/4

 

L/4

-

-

(L/8)

(L/9)

-

-

-

L/3+1

L/3+1

-

L/3+1

L/3

 

-

L/4

(L/6)

-

-

-

-

-

L/2+1

L/2+1

-

L/2+1

L/4

 

-

-

L/6

-

L/4,5

(L/6)

(L/9)

L/1,5+1

L/1,5+1

L/6

L/1,5+1

L/3

1.2.5 Комплекты рабочих и начальных участков 11ДД, 11ДД-Н приведены в таблице 8.

Таблица 8

Наименование и марка элемента

Количество элементов в комплекте участка ограждения, шт.

11ДД3,0-250/1,5

(11ДД-К)

11ДД-Н-3,0-250/1,5

11ДД-2,0-300/1,5

(11ДД-К)

11ДД-Н-2,0-300/1,5

11ДД-1,5-350/1,0

(11ДД-К)

11ДД-Н-1,5-350/1,0

Секция балки:

 

 

 

 

 

 

СБ-2

L/3

4

-

 

 

 

СБ-2а

-

 

L/3

4

-

-

(СБ-4)

(L/4,5)

-

-

-

-

-

(СБ-7а)

(L/2,25)

-

-

-

(L/2,25)

-

(СБ-8а)

(L/3)

(4)

-

-

(L/3)

4

(СБ-9а)

(L/4,5)

-

-

-

(L/4,5)

-

Стойка СДЕ-3

L/3+1

5

L/2+1

5

L/1,5+1

9

Консоль распорка КРЕ-1

L/3+1

5

L/2+1

5

L/1,5+1

9

Световозвращатель дорожный СДО-М

L/2

6

L/2

6

L/1,5

6

Рисунок В.2 - Ограждение группы 11ДО. Соединение балки, консоли жесткой КЖЕ со стойкой.


Рисунок В.3 - Ограждения дорожные 11ДО-1,5-300/1,5.


Рисунок В.5 - Ограждение группы 11ДД. Соединение консоли-распорки КРЕ со стойкой и двумя балками.

Рисунок В.6.1 - Стойка дорожная СДЕ-1.

Рисунок В.6.2 - Стойка дорожная СДЕ-3

Рисунок В.6 - Стойка дорожная СДЕ.


Рисунок В.7 - Секция балки СБ.

Рисунок В.8 - Консоль жесткая КЖЕ-1.


Рисунок В.9 - Консоль-распорка КРЕ-1.


Рисунок В.12 - Пластина ПЛ.