|
ИЗМЕНЕНИЕ № 1 |
УСТРОЙСТВА ДЛЯ Конструкция и размеры |
|
|
УТВЕРЖДАЮ Председатель ТК 260 «Оборудование химическое и В.А. Заваров «19» _________________ 2002 г. |
Дата введения 2002-07-
Обложка, наименование, после слов «15нж54бк» дополнить словами: «и двумя клапанами типа С21150».
Предисловие, ввести запись: «Действует с изм. № 1 от 07.2002 г.»
Область применения:
первый абзац. Заменить значение: «40» на «60»;
пятый абзац после слов «исполнения 4» дополнить: «и 4а».
Раздел 2 дополнить абзацем:
«ТУ 3742-001-26002255-95 Клапаны. Технические условия».
Раздел 3, п. 3.1 дополнить словами:
«исполнения 17 - 24 - рисунки 22 - 29, таблица 2
исполнения 25 - 32 - рисунки 30 - 37, таблица 2».
Стандарт дополнить рисунками 22 - 37 и таблицей 2.
|
|
ОАО «НИИХИММАШ» Зарегистрировано № 203 2002.15.08 Заместитель Генерального директора по научно-производственной деятельности ________________ В.В. Раков |
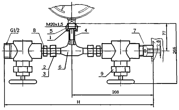
1 - прокладка 1 ОСТ 26.260.465; 2 - ниппель шаровый 1 ОСТ 26.260.465; 3 - гайка накидная 1 ОСТ 26.260.465; 4 - ниппель 1 ОСТ 26.260.466; 5 - гайка накидная 1 ОСТ 26.260.466; 6 - тройник равнопроходный 1 ОСТ 26.260.466; 7 - штуцер ввертной 1 ОСТ 26.260.467; 8 - штуцер концевой 1 ОСТ 26.260.467; 9 - клапан ДN15, PN160 ХЛ1 С21150-015-01 ТУ 3742-001-26002255-95
Рисунок 22
Исполнение 18
Остальное см. исполнение 17

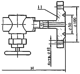
10 - тройник переходный 2 ОСТ 26.260.466
Рисунок 23
Исполнение 19
Остальное см. исполнение 17

10 - заглушка 3 ОСТ 26.260.466
Рисунок 24
Исполнение 20
Остальное см. исполнение 17

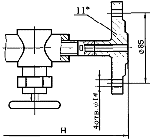
10* - заглушка 4 ОСТ 26.260.466
Рисунок 25
Исполнение 21

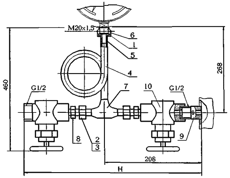
1 - прокладка 1 ОСТ 26.260.465; 2 - ниппель шаровый 1 ОСТ 26.260.465; 3 - гайка накидная 1 ОСТ 26.260.465; 4 - ниппель 1 ОСТ 26.260.466; 5 - гайка накидная 1 ОСТ 26.260.466; 6 - тройник равнопроходный 1 ОСТ 26.260.466; 7 - штуцер ввертной 1 ОСТ 26.260.467; 8 - штуцер концевой 1 ОСТ 26.260.467; 9 - клапан ДN15, РN160 ХЛ1 С21150-015-01 ТУ 3742-001-26002255-95.
Рисунок 26
Исполнение 22
Остальное см. исполнение 21

10 - тройник переходной 2 ОСТ 26.260.466
Рисунок 27
Исполнение 23
Остальное см. исполнение 21

10 - заглушка 3 ОСТ 26.260.466
Рисунок 28
Исполнение 24
Остальное см. исполнение 21
10* - заглушка 4 ОСТ 26.260.466
Рисунок 29
______________
* Заглушку поз. 10 в устройствах исполнений 20 и 24 для сосудов и аппаратов 1 и 2 группы применять с уплотнительной поверхностью «выступ» рисунок 24 ОСТ 26.260.466
Исполнение 25
1 - прокладка 1 ОСТ 26.260.465; 2 - ниппель шаровый 1 ОСТ 26.260.465; 3 - гайка накидная 1 ОСТ 26.260.465; 4 - трубка сифонная 4 ОСТ 26.260.465; 5 - ниппель 1 ОСТ 26.260.466; 6 - гайка накидная 1 ОСТ 26.260.466; 7 - тройник равнопроходный 1 ОСТ 26.260.466; 8 - штуцер концевой 1 ОСТ 26.260.467; 9 - штуцер ввертной 1 ОСТ 26.260.467; 10 - клапан ДN15, PN160 ХЛ1 С21150-015-01 ТУ 3742-001-26002255-95.
Рисунок 30
Исполнение 26
Остальное см. исполнение 25

11 - тройник переходной 2 ОСТ 26.260.466
Рисунок 31
Исполнение 27
Остальное см. исполнение 25

11 - заглушка 3 ОСТ 26.260.466
Рисунок 32
Исполнение 28
Остальное см. исполнение 25

11* - заглушка 4 ОСТ 26.260.466
Рисунок 33
Исполнение 29

1 - прокладка 1 ОСТ 26.260.465; 2 - ниппель шаровый 1 ОСТ 26.260.465; 3 - гайка накидная 1 ОСТ 26.260.465; 4 - трубка сифонная 4 ОСТ 26.260.465; 5 - ниппель 1 ОСТ 26.260.466; 6 - гайка накидная 1 ОСТ 26.260.466; 7 - тройник равнопроходный 1 ОСТ 26.260.466; 8 - штуцер концевой 1 ОСТ 26.260.467; 9 - штуцер ввертной 1 ОСТ 26.260.467; 10 - клапан ДN15, РN160 ХЛ1 С21150-015-01 ТУ 3742-001-26002255-95.
Рисунок 34
Исполнение 30
Остальное см. исполнение 29

11 - тройник переходный 2 ОСТ 26.260.466
Рисунок 35
Исполнение 31
Остальное см. исполнение 29

11 - заглушка 3 ОСТ 26.260.466
Рисунок 31
Исполнение 36
Остальное см. исполнение 29
11* - заглушка 4 ОСТ 26.260.466
Рисунок 37
______________
* Заглушку поз. 11 в устройствах исполнений 25 и 32 для сосудов и аппаратов 1 и 2 группы применять с уплотнительной поверхностью «выступ» рисунок 24 ОСТ 26.260.466.
Таблица 2
|
Давление условное Ру, МПа |
Температура среды, °С |
H, мм |
Масса, кг |
|
|
17 |
16 |
до 80 |
285 |
7,2 |
|
18 |
340 |
7,6 |
||
|
19 |
335 |
10,7 |
||
|
20 |
4 |
320 |
8,7 |
|
|
21 |
16 |
380 |
7,2 |
|
|
22 |
435 |
7,6 |
||
|
23 |
430 |
10,7 |
||
|
24 |
4 |
415 |
8,7 |
|
|
25 |
16 |
до 450 |
475 |
7,6 |
|
26 |
530 |
8,1 |
||
|
27 |
525 |
11,1 |
||
|
28 |
4 |
510 |
9,1 |
|
|
29 |
16 |
380 |
7,6 |
|
|
30 |
435 |
8,1 |
||
|
31 |
430 |
11,1 |
||
|
32 |
4 |
415 |
9,1 |
Пример условного обозначения устройства измерения давления исполнения 22, материального исполнения 4а на Ру 16,0 МПа:
Устройство измерения давления 22-4а-16,0 ОСТ 26.260.467-2000.
3.2 Технические требования по ОСТ 26.260.472.