Изменение № 2 ГОСТ Р 50940-96 Устройства электрошоковые. Общие технические условия
Принято и введено в действие Постановлением Госстандарта России от 22.12.99 № 654-ст
Дата введения 2000-07-01
Раздел 1 изложить в новой редакции (дополнить сноской*)
«1 ОБЛАСТЬ ПРИМЕНЕНИЯ
Настоящий стандарт распространяется на электрошоковые устройства и защитные устройства (приспособления) отечественного производства (далее - ЭШУ)*, предназначенные для использования в целях самообороны и защиты объектов гражданского и ведомственного назначения от несанкционированного воздействия
Термины и определения, применяемые в настоящем стандарте, приведены в приложении А
__________
* Согласовано с Министерством здравоохранения Российской Федерации в части ЭШУ, относящихся к гражданскому оружию самообороны по Федеральному закону «Об оружии»
Раздел 2 дополнить ссылками
«ГОСТ Р 8.568-97 Государственная система обеспечения единства
измерения. Аттестация испытательного оборудования. Основные положения.
ГОСТ 12.2.006-87 Безопасность аппаратуры электронной сетевой и сходных с ней устройств, предназначенных для бытового и аналогичного общего применения. Общие требования и методы испытаний.
ГОСТ Р МЭК 335-1-94 Безопасность бытовых и аналогичных электрических приборов. Общие требования и методы испытаний.
ГОСТ 4677-82 Фонари. Общие технические условия.
ГОСТ 23216-78 Изделия электротехнические. Общие требования к хранению, транспортированию, временной противокоррозионной защите и упаковке.
ГОСТ 27542-87 Ткани суконные чистошерстяные и полушерстяные ведомственного назначения. Технические условия».
Пункт 3.1.2. Заменить значение: 1 на 2.
Пункты 3.2.1, 3.2.2, 3.3.3, 3.3.4 изложить в новой редакции:
«3.2.1. ЭШУ подразделяют:
- по электрическим параметрам (параметрам безопасности): средней мощности воздействия;
напряжению искрового разряда на электродах; совокупности параметров при эффективности воздействия;
- по функциональному использованию: контактного воздействия (К); дистанционно-контактного воздействия (ДК).
Характеристика и нормы основных параметров ЭШУ должны соответствовать таблице 1.
|
Параметры безопасности |
Характеристика, нормы |
Тип |
Группа |
Класс |
|
Средняя мощность воздействия при нагрузке 1 кОм, Вт |
От 0,3 до 1,0 включ. Св. 1,0 » 2,0 » » 2,0 » 3,0 |
3 2 1 |
- - - |
- - - |
|
Напряжение защитного устройства относительно земли, генерируемое стационарным ЭШУ, кВ |
До 12 включ. |
- |
5 |
- |
|
Напряжение искрового разряда на электродах ЭШУ, кВ |
От 12 до 20 включ. Св. 20 » 45 » » 45 » 70 » » 70 » 90 |
- - - - |
4 3 2 1 |
- - - - |
|
Совокупность параметров при эффективности воздействия |
|
1 |
1 |
1 |
|
1 1 1 1 |
2 3 4 5 |
2 3 4 5 |
||
|
2 2 2 2 2 |
1 2 3 4 5 |
2 2 3 4 5 |
||
|
3 3 3 3 3 |
1 2 3 4 5 |
3 3 3 4 5 |
3.2.2 Условное обозначение ЭШУ должно содержать наименование изделия, функциональное использование, класс, тип и группу, обозначение настоящего стандарта.
Пример условного обозначения электрошокового устройства «Шмель», контактного использования (К), 2-го класса, 2-го типа, 1-й группы:
ЭШУ Шмель К.221 ГОСТ Р 50940-96
3.3.3 Для приведения в действие ЭШУ должно быть снабжено устройством включения.
Воздействие ЭШУ на объект осуществляется через рабочие электроды, вмонтированные на (в) корпусе или через выбрасываемые контактные электроды, а также при непосредственном контакте с объектом.
3.3.4 Расстояние между рабочими электродами не должно превышать 40 мм.
Расстояние между контактами, выбрасываемыми с помощью пружины или пневматическим способом на максимальную длину токоведущих проводников, не должно превышать 300 мм.
При использовании стационарного ЭШУ контакт осуществляется по схеме «высоковольтный участок - нога - рука» или «высоковольтный участок - нога - нога».
Раздел 3 дополнить пунктом - 3.3.7:
«3.3.7 Время однократного воздействия не должно превышать 3 с».
Пункты 3.8.1, 3.9.1 изложить в новой редакции:
«3.8.1 В комплект поставки, исключая защитное устройство, должны входить: ЭШУ; перезаряжаемый или неперезаряжаемый источник питания, внешнее зарядное устройство, если оно предусмотрено конструкцией, чехол, паспорт и, при необходимости, руководство по эксплуатации.
Комплект поставки защитного устройства регламентируется НД на него.
3.9.1 Каждое ЭШУ должно иметь маркировку, содержащую наименование страны-изготовителя ЭШУ (Россия), наименование предприятия-изготовителя (товарный знак), обозначение изделия, номера изделия и Знак соответствия системы сертификации».
Пункт 3.10.1. Заменить слова: «упаковки» на «упаковывания».
Пункт 4.1 после слова «периодические» дополнить словом: «сертификационные».
Пункт 4.3 исключить.
Пункт 5.1 изложить в новой редакции:
«5.1 Испытания ЭШУ на соответствие требованиям настоящего стандарта проводят в нормальных климатических условиях по ГОСТ 15150.
Испытание ЭШУ для определения электрических параметров, надежности и электробезопасности проводят в соответствии с приложением Б»
Пункт 5.7 Заменить слова «Минздравмедпром России» на «Министерство здравоохранения Российской Федерации»
Раздел 6 изложить в новой редакции
«6 ТРАНСПОРТИРОВАНИЕ И ХРАНЕНИЕ
6.1 Транспортирование и хранение ЭШУ должно производиться в транспортной таре
6.2 Допускается транспортирование ЭШУ транспортом любого вида в условиях, соответствующих группе С ГОСТ 23216 в части воздействия механических факторов, группе 2 ГОСТ 15150 - в части климатических воздействий
6.3 Изделие следует хранить в соответствии с условиями хранения 2 по ГОСТ 15150
6.4 При длительном хранении (св. 6 мес.) источники питания должны быть извлечены
6.5 При хранении ЭШУ св. 6 мес. должна быть проведена предпродажная проверка»
Пункт 7.1 Заменить слова «в инструкции» на «в паспорте или руководстве»
Пункт 7.2 исключить
Стандарт дополнить приложениями - А, Б
«ПРИЛОЖЕНИЕ
А
(справочное)
Термины и определения, применяемые в настоящем стандарте
А.1 электрошоковое устройство Гражданское оружие, защитные устройства (приспособления), используемые в целях самообороны и защиты от несанкционированного воздействия в качестве средств контактного электрического воздействия для защиты объектов гражданского и ведомственного назначения, действие которых основано на генерировании электрических импульсов, выходные параметры которых соответствуют требованиям государственных стандартов Российской Федерации и нормам Министерства здравоохранения Российской Федерации
Примечание - В качестве ЭШУ могут применяться искровые разрядники с аналогичными функциями, а также стационарные ЭШУ, используемые для защиты объектов гражданского и ведомственного назначения
А.2 встроенное зарядное устройство ЭШУ: Зарядное устройство, установленное в ЭШУ и подключаемое к внешнему источнику тока.
А.3 внешнее зарядное устройство: Зарядное устройство, подключаемое к внешнему источнику тока, в которое устанавливается (подключается) аккумулятор ЭШУ.
А.4 неперезаряжаемый источник питания: Источник питания одноразового использования или батарея.
А.5 перезаряжаемый источник питания: Источник питания многократного использования или аккумулятор.
А.6 параметры безопасности ЭШУ: Основные технические характеристики ЭШУ, установленные требованиями государственных стандартов Российской Федерации и нормами Министерства здравоохранения Российской Федерации.
А.7 напряжение искрового или дугового разряда на электродах ЭШУ: Напряжение, кВ, возникающее между электродами и приводящее к видимой дуге или разряду.
А.8 средняя мощность воздействия ЭШУ: Средняя
мощность, Вт, развиваемая ЭШУ на эквиваленте нагрузки сопротивлением ![]()
А.9 время однократного воздействия ЭШУ: Время воздействия ЭШУ, регламентируемое нормами Министерства здравоохранения Российской Федерации.
А.10 скважность ЭШУ (Кс): Отношение периода следования импульсов (Тс) к длительности импульса (tи) или отношение периода следования импульсов (Тс) к длительности импульса напряжения с наибольшей амплитудой.
ПРИЛОЖЕНИЕ
Б
(обязательное)
МЕТОДИКА ИСПЫТАНИЙ ЭШУ
Настоящая методика применяется при испытаниях ЭШУ для определения электрических параметров. Методика устанавливает порядок и условия проведения испытаний ЭШУ по электрическим параметрам (параметрам безопасности), надежности и электробезопасности.
Испытания ЭШУ включают:
- определение средней мощности воздействия на эквивалент нагрузки;
- определение мощности воздействия на объект через одежду;
- определение напряжения возникновения искрового разряда;
- испытания на электробезопасность, в том числе определение электрической прочности изоляции ЭШУ, определение сопротивления изоляции встроенного зарядного устройства;
- испытания на надежность.
Испытание стационарных ЭШУ проводят по ТУ изготовителя.
Б.1 Общие положения
Б.1.1 ЭШУ следует испытывать при нормальных климатических условиях по ГОСТ 15150: температура окружающей среды должна быть (25 ± 10) °С, относительная влажность воздуха - от 45 до 80 %, атмосферное давление - от 84,0 до 106,7 кПа (от 630 до 800 мм рт. ст.).
Б.1.2 Испытательное оборудование, необходимое для проведения испытаний, должно быть аттестовано по ГОСТ Р 8.568.
Б.1.3 Испытания проводятся аттестованными специалистами.
Б.1.4 На испытания предъявляют три образца ЭШУ, технические условия, паспорт или руководство по эксплуатации и, при необходимости, комплект конструкторской и технической документации.
Б.2 Испытательное оборудование
Б.2.1 Для испытаний ЭШУ применяют:
средства измерений:
- осциллограф двухлучевой запоминающий (типа С8-17 или аналогичного типа),
- вольтметр (типов С502 - С511 с пределами измерений 0 - 3,0
кВ или 0 - 1,5 кВ, С196 с пределами измерений 0 - 30 кВ или аналогичного типа с
входным сопротивлением
Ом и входной емкостью С ≤ 25 пФ);
испытательное оборудование:
- делитель высоковольтный импульсный (ДВИ),
- измерительная приставка к вольтметру (ИП),
- делитель (эквивалент нагрузки), собранный из безындукционных сопротивлений типа МЛТ или ТВО с сопротивлением Rэ - 1 кОм ± 1 %,
- стенд для испытания ЭШУ при определении мощности воздействия на объект через одежду,
- пакет ткани - шинельное сукно по ГОСТ 27542;
источники питания:
- источник стабилизированного напряжения (U = 0 - 30 В, Imax - не менее 3 А);
Б.2.2 Требования к делителю ДВИ
Б.2.2.1 ДВИ выполняется из конденсаторов типа КВИ-3, Umax = 16 ¸ 20 кВ; сопротивлений типа КЭВ-1, Umax = 10 кВ (см. рисунок Б.2).
Б.2.2.2 Суммарная емкость высоковольтного плеча не должна превышать 25 ± 45 пФ (измеренная) на разных ступенях деления.
Б.2.2.3 Постоянные времени высоковольтного и низковольтного плечей ДВИ должны быть равны:
C1ΣR1Σ = C1R1 = C2эR2,
где С2э - суммарная емкость низковольтного плеча при открытом (Rg = 0) диоде
С2э = С2 + Сн,
где Сн - накопительная емкость
Б.2.2.4 Суммарное сопротивление высоковольтного плеча - не менее 100 МОм
Б.2.2.5 Делитель имеет два входа т 1 и т 2 с разным коэффициентом деления Kд Погрешность определения Кд - не более 1,5 %
Б.2.2.6 Измерительную приставку (ИП) к вольтметру выполняют из конденсатора типа КВИ-3 или К-5-15 с накопительной емкостью Сн = 1 пФ, Umax = 6,3 кВ, сопротивлений типа КЭВ-1, Umax = 10 кВ и диодов типов КЦ105, КЦ106 (2Ц106) с Uo6p > 4 кВ
Б.3 Определение средней мощности воздействия ЭШУ на эквивалент нагрузки Rэ = 1 кОм
Б.3.1 Средняя мощность, выделяемая на эквиваленте нагрузки Rэ = 1 кОм, не должна превышать значений, указанных в таблице 1 настоящего стандарта в соответствии с заявленным классом Среднюю мощность определяют расчетным путем по осциллограмме напряжения на RэU(t)
Б.3.2 Схема получения осциллограммы напряжения U(t) приведена на рисунке Б.1
Uн - источник стабилизированного напряжения, Rэ - делитель
Рисунок
Б.1 - Схема цепи для измерения средней мощности воздействия ЭШУ
на эквивалент нагрузки сопротивлением Rэ = 1
кОм
Б.3.3 Проведение испытаний
Снятие осциллограммы напряжения U(t) проводят в два этапа.
На первом этапе определяют частоту повторения импульсов ¦ (Гц) и период Т (с).
На втором этапе снимают осциллограмму импульса напряжения U(t) при двух подключениях контактов ЭШУ к Rэ (1-1'; 2-2') и (1-2'; 2-1').
Для обработки используют осциллограмму с большим значением амплитуды напряжения.
Расчет мощности по осциллограмме напряжения U(t) для характерных кривых приведен в таблице Б 1.
|
Вид осциллограммы |
Измеряемые по осциллограмме параметры и форма аппроксимации |
Формулы для расчета мощности |
|
|
Umn - амплитуды полуволн, В; t'- длительность полуволны в импульсе, с; Т - период повторения импульсов, с. Затухающая синусоида
где w - частота колебаний в импульсе |
где п - количество полуволн, учитываемое в расчете с амплитудой не менее 0,25 Um1 mах |
|
|
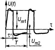
Um1, и Um2, - максимальные значения напряжения при аппроксимации положительной и отрицательной полуволн импульса, В; Т - период повторения импульсов, с;
Кu- отношение максимального значения напряжения к минимальному; К' - скважность; τ' - длительность импульса с большей амплитудой, с. Прямоугольная: Um1(0, τ´) Um2(τ´, T) |
где или |
|
|
Максимальное значение напряжения, В; Т - период повторения импульсов, с;
τ' - длительность импульса, с Треугольник с основанием τ' |
|
|
- |
Для стационарного ЭШУ Постоянное напряжение - однополярные импульсы произвольной формы
|
|
Б.3.5 Энергию за время воздействия г, с, определяют по формуле
Wэ = tP [Дж].
Б.3.6 В случае невозможности подключения ЭШУ к внешнему источнику питания допускается использование штатного источника питания полностью заряженного (аккумулятор) или новой батареи питания.
Б.4 Определение мощности воздействия ЭШУ на объект через одежду
Б.4.1 Мощность воздействия определяют расчетным путем согласно разделу 3 по мощности, выделяемой на эквиваленте нагрузки Rэ = 1 кОм.
Б.4.2 Для получения соответствующих осциллограмм напряжения необходимо обеспечить контакт рабочих электродов ЭШУ к измерительным электродам нагрузки через пакет, состоящий из двух слоев шинельной ткани по ГОСТ 27542.
Б.4.3 Проведение испытаний
Снятие осциллограммы напряжения U(t) на Rэ проводят при подключении контактов ЭШУ к Rэ через пакет ткани. Положение контактов ЭШУ соответствует принятому в Б.3.4.
Б.4.4 Обработу результатов проводят по методике, изложенной в Б.3.4.
Б.5 Определение напряжения искрового (дугового) разряда на электродах ЭШУ
Б.5.1 Напряжение искрового разряда не должно превышать значений, указанных в таблице 1 настоящего стандарта в соответствии с заявленным классом.
Б.5.2 Напряжение искрового разряда на контактах ЭШУ определяют по показанию вольтметра (Uv) расчетным путем или по осциллограмме напряжения, полученной с помощью ДВИ.
Б.5.3 Схема подключения ЭШУ к испытательному оборудованию и измерительному вольтметру приведена на рисунке Б.2.
1 - ЭШУ; 2 - ДВИ -
делитель высоковольтный импульсный; 3 - защитный кожух делителя -
диэлектрический;
4 - измерительная приставка (ИП) к вольтметру; 5 - вольтметр;
С - емкость; R - сопротивление
Рисунок
Б.2 - Схема определения напряжения искрового разряда на
контактах ЭШУ
Б.5.4 Проведение испытания
Снятие осциллограммы напряжения искрового разряда проводят от штатного (полностью заряженного) источника питания.
Б.5.4.1 Для определения напряжения искрового разряда собирают схему (рисунок Б.2). Провода, соединяющие ЭШУ с делителем, должны иметь минимальную длину. Делитель располагают непосредственно у вольтметра, измерительную приставку устанавливают на выводы вольтметра в соответствии с маркировкой ИП.
Б.5.4.2 Отсчет напряжения, возникающего на низковольтном плече ДВИ, производят по вольтметру. Длительность непрерывной работы ЭШУ - не более 3 с. Отсчет производят при успокоении светового «зайчика» на шкале вольтметра. Проводят два измерения при подключении к т. 1 - т. 4 делителя разных электродов ЭШУ. При получении максимального значения (в одном из положений) проводят не менее трех включений ЭШУ с паузой (5 - 10 мин), необходимой для восстановления штатного источника питания.
Б.5.4.3 При испытаниях ЭШУ должны быть соблюдены требования по электробезопасности в соответствии с ГОСТ 12.2.006.
Примечание - Для исключения воздействия возникающего напряжения работающему с ЭШУ оператору следует надевать резиновую перчатку.
Б.5.5 Обработку полученных результатов проводят следующим образом:
- для ЭШУ с трансформаторным выходом
UЭШУ = КД UV,
где Uv - показание вольтметра;
КД - коэффициент деления делителя;
- для ЭШУ с емкостным выходом
![]()
где Свых - выходная емкость ЭШУ;
СД - входная емкость делителя.
Результаты усредняют

где п - число экспериментов при выбранном положении рабочих электродов.
Если выходная емкость ЭШУ неизвестна, проводят расчет выходной емкости по осциллограмме напряжения U(t), полученной при определении мощности воздействия на эквивалент нагрузки.
Б.5.6 Определение напряжения, генерируемого стационарным ЭШУ, используемым для электризации защитных ограждений.
Б.5.6.1 Напряжение, генерируемое стационарным ЭШУ, не должно превышать 12 кВ (таблица 1 настоящего стандарта).
Б.5.6.2 Напряжение, генерируемое стационарным ЭШУ, определяют непосредственным измерением с помощью вольтметра типа С196 или аналогичного типа на напряжение 0 - 30 кВ по схеме, приведенной на рисунке Б.3.
1 - источник питания; 2 - стационарное ЭШУ; 3 - вольтметр
Рисунок Б.3
Б.6 Электробезопасность
Б.6.1 Испытание электрической прочности изоляции - по ГОСТ 12.2.006, 14.4.1, 14.10, 15.1.3, 9.17, 10.2.
Б.6.2 Средства испытаний
Б.6.2.1 Для всех типов ЭШУ испытание электрической прочности изоляции проводят по схеме рисунка Б.4.
1 - рукоятка; 2 - медная
фольга; 3 - электроды;
4 - высоковольтный источник напряжения
Рисунок Б.4 - Схема испытания электрической прочности изоляции
Максимальное напряжение испытания должно превышать на 10 % реальное напряжение возникновения искрового разряда испытуемого типа ЭШУ.
Б.6.3 Испытанию подвергают три образца.
Б.6.4 Проведение испытаний
Б.6.4.1 Испытание электрической прочности изоляции встроенного зарядного устройства проводят по ГОСТ Р МЭК 335-1, 13.3.
Б.6.4.2 Испытания сопротивления изоляции и электрической прочности проводят по ГОСТ Р МЭК 335-1, раздел 16 (кроме 16.2) и ГОСТ 4677, 2.11.
Б.7 Испытание на надежность
Б.7.1 Испытание на надежность работы ЭШУ по требованиям 3.5.3 настоящего стандарта проводят на стенде, обеспечивающем циклическую работу с длительностью цикла, равным 6 с (включено 3 с, отключено 3 с) или 10 циклов в минуту».
Библиографические данные. Заменить код; ОКСТУ 6332 на ОКП 73 9950;
ключевые слова изложить в новой редакции:
|
«Ключевые слова: электрошоковое устройство, безопасное для жизни, средняя мощность воздействия, напряжение искрового разряда на электродах, совокупность параметров при эффективности воздействия, класс, блокирующее устройство». |
(ИУС № 3 2000 г.)