Изменение № 3 ГОСТ Р 50940-96 Устройства электрошоковые. Общие технические условия
Утверждено и введено в действие Приказом Федерального агентства по техническому регулированию и метрологии от 02.07.2008 № 133-ст
Дата введения 2008-09-01
Раздел 1. Первый абзац изложить в новой редакции:
«Настоящий стандарт распространяется на электрошоковые устройства отечественного производства (далее - ЭШУ)*, предназначенные для использования в целях самообороны, и защитные электрошоковые устройства отечественного производства (далее - ЗЭШУ), предназначенные для защиты (охраны) стационарных и подвижных объектов гражданского и ведомственного назначения от несанкционированного проникновения и воздействия;
сноску* изложить в новой редакции:
________
«* Согласовано с Министерством здравоохранения и социального развития Российской Федерации в части ЭШУ, относящихся к гражданскому оружию самообороны по Федеральному закону «Об оружии».
Раздел 2 изложить в новой редакции:
«2 НОРМАТИВНЫЕ ССЫЛКИ
В настоящем стандарте использованы нормативные ссылки на следующие стандарты:
ГОСТ Р 8.568-97 Государственная система обеспечения единства измерений. Аттестация испытательного оборудования. Основные положения
ГОСТ Р 15.201-2000 Система разработки и постановки продукции на производство. Продукция производственно-технического назначения. Порядок разработки и постановки продукции на производство
ГОСТ Р МЭК 335-1-94 Безопасность бытовых и аналогичных электрических приборов. Общие требования и методы испытаний
ГОСТ Р МЭК 60065-2002 Аудио-, видео- и аналогичная электронная аппаратура. Требования безопасности
ГОСТ 4677-82 Фонари. Общие технические условия
ГОСТ 15150-69 Машины, приборы и другие технические изделия. Исполнения для различных климатических районов. Категории, условия эксплуатации, хранения и транспортирования в части воздействия климатических факторов внешней среды
ГОСТ 23216-78 Изделия электротехнические. Хранение, транспортирование, временная противокоррозионная защита, упаковка. Общие требования и методы испытаний
ГОСТ 27542-87 Ткани суконные чистошерстяные и полушерстяные ведомственного назначения. Технические условия
ГОСТ 28215-89 (МЭК 68-2-29-87) Основные методы испытаний на воздействие внешних факторов. Часть 2. Испытания. Испытание Еb и руководство: Многократные удары
ГОСТ 30630.0.0-99 Методы испытаний на стойкость к внешним воздействующим факторам машин, приборов и других технических изделий. Общие требования».
Пункты 3.1.1, 3.1.2, 3.3.1, 3.3.2, 3.9.1, 3.9.2, 3.10.1, 5.1-5.3, 6.1, 6.2, 7.1, 7.3, 7.4, 8.1, приложение А (пункты А.2, А.3, А.6-А.8). Заменить обозначение: ЭШУ на ЭШУ (ЗЭШУ).
Пункт 3.1.3 изложить в новой редакции:
«3.1.3 ЭШУ должны быть безопасными для жизни и здоровья объекта воздействия».
Пункт 3.2.1. Таблицу 1 изложить в новой редакции:
|
Параметры безопасности |
Характеристика, нормы |
Тип |
Группа |
Класс |
|
Для ЭШУ средняя мощность воздействия при нагрузке 1 кОм, Вт |
От 0,3 до 1,0 включ. Св. 1,0 » 2,0 » » 2,0 » 3,0 » |
3 2 1 |
- - - |
- - - |
|
Для ЗЭШУ средняя мощность воздействия при нагрузке 1 кОм, Вт |
До 1,0 включ. Св. 1,0 » 2,0 » » 2,0 » 4,0 » |
3 2 1 |
- - - |
- - - |
|
Напряжение искрового разряд а, генерируемое ЗЭШУ, кВ |
До 12 включ. От 12 до 20 включ. Св. 20 » 45 » » 45 » 70 » |
- - - - |
5 4 3 2 |
- - - - |
|
Напряжение искрового разряда, на электродах ЭШУ, кВ |
До 12 включ. От 12 до 20 включ. Св. 20 » 45 » » 45 » 70 » » 70 » 90 » |
- - - - - |
5 4 3 2 1 |
- - - - - |
|
Совокупность параметров при эффективности воздействия |
- |
1 |
1 |
1 |
|
1 1 1 1 |
2 3 4 5 |
2 3 4 5 |
||
|
2 2 2 2 2 |
1 2 3 4 5 |
2 2 3 4 5 |
||
|
3 3 3 3 3 |
1 2 3 4 5 |
3 3 3 4 5 |
Пункт 3.3.4 изложить в новой редакции:
«3.3.4 Расстояние между рабочими электродами не должно превышать 40 мм.
Расстояние между контактами дистанционно-контактных ЭШУ не должно превышать 300 мм.
При использовании ЗЭШУ контакт осуществляется по схеме «высоковольтный участок - нога - рука» или «высоковольтный участок - нога - нога», или «высоковольтный участок - рука - рука».
Пункт 3.3.7 дополнить абзацем:
«Для ЗЭШУ время однократного воздействия (наличия напряжения на электризуемых элементах) не должно превышать 3 с. Время паузы между воздействиями должно быть не менее 1 с».
Пункт 3.8.1. Первый абзац. Заменить слова: «исключая защитное устройство» на «исключая ЗЭШУ»;
второй абзац изложить в новой редакции:
«Комплект поставки ЗЭШУ регламентируется НД на него».
Пункт 3.8.2. Исключить ссылку: «ГОСТ 6.10.6 и».
Пункты 5.6, 5.7, 7.1 изложить в новой редакции:
«5.6 Общие требования к испытаниям на воздействие климатических факторов - по ГОСТ 30630.0.0.
Требования к испытаниям на воздействие механических ударов - по ГОСТ 28215 и ГОСТ 30630.0.0.
5.7 Медико-биологические испытания эффективности и безопасности ЭШУ проводят в аккредитованных Ростехрегулированием России центрах испытаний по стандартным методикам, утвержденным Министерством здравоохранения и социального развития Российской Федерации с Ростехрегулированием России.
7.1 Сведения, необходимые для правильной эксплуатации, применения, хранения и технического обслуживания ЭШУ и ЗЭШУ и поддержания их в постоянной готовности к действию, должны быть указаны в паспорте или руководстве по эксплуатации».
Раздел 7 дополнить пунктом - 7.5:
«7.5 При использовании ЗЭШУ на стационарных (подвижных) объектах наличие электризуемых элементов следует обозначать предупредительными табличками (надписями) установленного образца».
Приложение А. Пункт А.1 изложить в новой редакции:
«А.1 электрошоковое устройство: Устройство контактного и дистанционно-контактного электрического воздействия, действие которого основано на генерировании электрических импульсов, выходные параметры которого соответствуют требованиям национальных стандартов Российской Федерации.
Виды электрошоковых устройств:
А.1.1 гражданское оружие, ЭШУ: Оружие, используемое в целях самообороны и защиты от несанкционированного воздействия.
Примечание - В качестве ЭШУ могут применяться искровые разрядники с аналогичными функциями.
А.1.2 защитное электрошоковое устройство, ЗЭШУ: Устройство, применяемое для защиты (охраны) стационарных и подвижных объектов гражданского и ведомственного назначения от несанкционированного проникновения и воздействия».
Приложение Б. Последний абзац (перед пунктом Б.1) изложить в новой редакции:
«Испытания ЗЭШУ проводятся по настоящему стандарту и НД изготовителя»;
таблица Б.1. Графа «Измеряемые по осциллограмме параметры и форма аппроксимации». Заменить слова:
«Для стационарного ЭШУ
Постоянное напряжение - однополярные импульсы произвольной формы» на
«Для ЗЭШУ
Импульсы произвольной формы:
U - действующее значение напряжения за время Т, В;
Т - период повторения импульсов, с;
U(t) - мгновенное значение напряжения на Rэ, В».
Пункты Б.5.4.3, Б.6.1. Заменить ссылку: ГОСТ 12.2.006 на ГОСТ Р МЭК 60065.
Пункты Б.5.6 - Б.5.6.2 изложить в новой редакции; дополнить пунктом - Б.5.6.3 (рисунок Б.3 заменить новым):
«Б.5.6 Определение напряжения генерируемого ЗЭШУ
Б.5.6.1 Напряжение искрового разряда на контактах ЗЭШУ не должно превышать значений, приведенных в таблице 1 настоящего стандарта.
Б.5.6.2 Напряжение искрового разряда на контактах ЗЭШУ определяется по осциллограмме напряжения, полученной при помощи ДВИ.
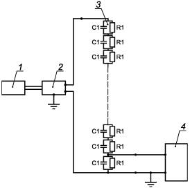
Б.5.6.3 Схема подключения ЗЭШУ к испытательному оборудованию и осциллографу приведена на рисунке Б.3.

1 - источник питания; 2
- ЗЭШУ; 3 - ДВИ - делитель высоковольтный импульсный;
4 - осциллограф; С1 - конденсатор; R1 - резистор
Рисунок Б.3».
(ИУС 9-2008)