МИНИСТЕРСТВО МОНТАЖНЫХ И СПЕЦИАЛЬНЫХ СТРОИТЕЛЬНЫХ
РАБОТ СССР
ГЛАВЭЛЕКТРОМОНТАЖ
ВНИИПРОЕКТЭЛЕКТРОМОНТАЖ
ИНСТРУКЦИЯ
ПО ПРОЕКТИРОВАНИЮ И МОНТАЖУ
КОНТАКТНЫХ СОЕДИНЕНИЙ ШИН МЕЖДУ СОБОЙ
И С ВЫВОДАМИ ЭЛЕКТРОТЕХНИЧЕСКИХ УСТРОЙСТВ
ВСН 164-82
ММСС СССР
|
Утверждены |
|
Согласованы |
Москва
ЭНЕРГОАТОМИЗДАТ 1984
Составители: Н. Н. Дзекцер, 3. Н. Богданова, Е. В. Николаева, В. Л. Фукс, Н. А. Воропаева
Инструкция разработана ЛенПЭО ВНИИпроектэлектромонтажа.
Распространяется на разборные и неразборные контактные соединения шин из алюминия и его сплавов, меди и стали, а также на соединения этих шин с выводами электротехнических устройств.
Предназначена для инженерно-технических работников и рабочих строительно-монтажных и специализированных монтажных организаций.
С введением в действие настоящей Инструкции отменяется Инструкция МСН 164-67/ММСС СССР
|
Минмонтажспецстрой СССР |
Ведомственные строительные нормы |
ВСН 164-82 |
|
ММСС СССР |
||
|
Инструкция по проектированию и монтажу контактных соединений шин между собой и с выводами электротехнических устройств |
Взамен |
1.1. Настоящая Инструкция разработана в развитие основных положений ГОСТ 10434-82, 17441-78, действующих Правил устройства электроустановок (ПУЭ) и строительных норм и правил (СНиП).
1.2. Инструкция распространяется на разборные и неразборные контактные соединения1 шин, гибких шин и профилей2 (швеллерного, корытного, "двойного Т" и др.) из алюминия (алюминиевого сплава), твердого алюминиевого сплава АД31Т13, меди и стали, а также на соединения шин с выводами электротехнических устройств.
1 Пояснение терминов приведено в приложении 1
2 В дальнейшем именуется "шина".
3 В дальнейшем именуется "алюминиевый сплав".
1.3. Неразборными (сварными) должны быть выполнены соединения между собой шин из однородных материалов, ответвления от этих шин и соединения алюминиевых шин и шин из алюминиевого сплава с выводами из алюминия и из алюминиевых сплавов.
Разборные (болтовые) контактные соединения следует применять при соединении шин из разнородных материалов и в случаях, когда по условиям эксплуатации необходима периодическая разборка соединений.
1.4. Контактные соединения в зависимости от технических требований, предъявляемых к ним по ГОСТ 10434-82, разделяют на 1, 2 и 3-й классы. Классы контактных соединений в зависимости от области их применения приведены в приложении 2. Линейные контактные соединения силовых цепей необходимо выполнять 1-го класса. В стандартах и технических условиях на конкретные виды электротехнических устройств указывают только 2-й и 3-й классы.
1.5. Инструкция предназначена для проектных, монтажных и эксплуатирующих организаций.
|
Внесены Всесоюзным государственным научно-исследовательским и проектным институтом ВНИИпроектэлектромонтаж |
Утверждены Минмонтажспецстроем СССР 26 мая 1982 г. |
Срок введения |
В электрической части проектной документации или в проектах производства электромонтажных работ должны быть указаны:
класс контактных соединений;
материал шин;
конструкция контактных соединений при соединении шин между собой и с выводами (разборное, неразборные, комплектность и т.п.);
класс или группа прочности крепежных деталей, вид их покрытия по ГОСТ 14623-69 и толщина покрытия по ГОСТ 9.073-77;
исполнение и категория размещения электротехнических устройств по ГОСТ 15150-69*, 16350-80 и 17412-72*;
наименование и толщина антикоррозионных металлических покрытий контактных соединений по ГОСТ 9.073-77.
3.1. Контактные соединения должны соответствовать требованиям стандартов, технических условий, СНиП III-33-76* чертежей и настоящей инструкции.
3.2. В неразборных соединениях:
при сварке поверхность швов должна быть равномерно-чешуйчатой без наплывов. Швы не должны иметь трещин, прожогов, непроваров длиной более 10% длины шва (но не белее 30 мм), незаплавленных кратеров и подрезов глубиной 0,1 толщины шины (но не более 3 мм). Сварные соединения компенсаторов не должны иметь подрезов и непроваров на лентах основного пакета;
при опрессовке хвостовик наконечника, гильзы, зажима в месте опрессовки не должен иметь трещин; лунки должны быть расположены симметрично и соосно, геометрические размеры спрессованной части соединения должны соответствовать требованиям стандартов, технических условий или технологических инструкций.
3.3. В разборных соединениях контактные поверхности должны плотно прилегать друг к другу.
В контактных соединениях шин различной электрической проводимости сравнение производят с шиной меньшей электрической проводимости.
|
Вывод |
М10 |
М12 |
М16 |
М20 |
М24 |
М30 |
М33 |
М36 |
М42 |
М48 |
М56 |
|
Сопротивление, МкОм |
|
|
|
|
|
|
|
|
|
|
|
|
14 |
12 |
10 |
8 |
8 |
6 |
6 |
5 |
5 |
5 |
4 |
Сопротивление контактных соединений 2-го и 3-го классов указывают в стандартах и ТУ на конкретные виды электротехнических устройств.
3.7. При протекании номинального тока температура нагрева разборных и неразборных контактных соединений 1-го и 2-го классов не должна превышать значений, указанных в табл. 1. Температуру нагрева контактных соединений 3-го класса устанавливают в стандартах и ТУ на конкретные виды электротехнических устройств.
Таблица 1
|
Наибольшая допустимая температура нагрева в установках, °С |
||
|
до 1000 В |
свыше 1000 В |
|
|
Медь, алюминий и его сплавы без защитных покрытий контактных поверхностей |
95 |
80 |
|
То же с защитными покрытиями неблагородными металлами |
105 |
90 |
|
Медь с защитным покрытием серебром |
135 |
105 |
3.8. Температура контактных соединений при испытании на стойкость при сквозных токах должна быть не более 200°С у соединений шин из алюминия и его сплавов, а также у соединений этих шин с медными и 300°С у соединений медных шин.
3.9. Контактные соединения должны выдерживать напряжения, возникающие от воздействия статических осевых нагрузок на растяжение, не менее 90% временного сопротивления разрыву целой гибкой шины для соединений, работающих на растяжение, и 30% для сварных и спрессованных соединений, не работающих на растяжение.
3.10. После испытаний на стойкость при сквозных токах контактные соединения не должны иметь механических повреждений, препятствующих их дальнейшей эксплуатации.
3.11. В контактных соединениях применяют крепежные детали прочностью не ниже указанного класса или группы прочности (ГОСТ 1759-70):
Болты, винты, шпильки из углеродистых или легированных сталей.......... 5,8
Гайки из углеродистых или легированных сталей........................................ 5
Болты, винты, шпильки и гайки из цветных сплавов................................... 32
3.12. Разборные контактные соединения шин с выводами, а также разборные линейные контактные соединения, подверженные вибрации или находящиеся во взрывоопасных и пожароопасных помещениях, предохраняют от самоотвинчивания контргайками или пружинными шайбами.
3.13. Контактные соединения в соответствии с их исполнением и категорией размещения согласно ГОСТ 15150-69* должны выдерживать воздействие климатических факторов внешней среды, указанных в этом стандарте, а также ГОСТ 15543-70*, 15963-79, 16350-80, 17412-72* или в стандартах и ТУ на конкретные виды электротехнических устройств.
3.14. В зависимости от климатического исполнения и категории размещения электротехнических устройств по ГОСТ 15150-69* контактные соединения в соответствии с ГОСТ 10434-82 подразделяются на группы А и Б.
К группе А относятся контактные соединения электротехнических устройств всех исполнений, размещенных в помещениях с кондиционированным или частично кондиционированным воздухом (категория размещения 4.1), и электротехнических устройств исполнений У, ХЛ и ТС, размещенных в закрытых помещениях (металлических с теплоизоляцией, каменных, бетонных, деревянных) с естественной вентиляцией без искусственно регулируемых климатических условий (категория размещения 3) и в помещениях с искусственно регулируемыми климатическими условиями (категория размещения 4) при атмосфере типов I и II по ГОСТ 15150-69*.
К группе Б относятся контактные соединения электротехнических устройств других исполнений и категорий размещения при атмосфере типов I и II и электротехнических устройств всех исполнений и категорий размещения при атмосфере типов III и IV.
3.16. Болты, винты, гайки, шайбы и другие крепежные детали для контактных соединений должны иметь защитное металлическое покрытие по ГОСТ 14623-69. Толщину покрытия следует определять по ГОСТ 9.073-77.
При соединении шин из однородных металлов в сухих помещениях допускают применение вороненых стальных болтов, гаек, шайб.
4.1. Неразборные (сварные) соединения шин следует выполнять согласно требованиям ГОСТ 23792-79, Руководства [1], Инструкции [2]. Способы сварки приведены в табл. 2, наиболее распространенные виды сварных соединений и ответвлений - на рис. 1.
Таблица 2
|
Толщина шин, мм, из |
||||
|
алюминия |
алюминиевого сплава |
меди |
стали |
|
|
Ручная дуговая: |
|
|
|
|
|
штучным электродом |
- |
- |
- |
4-5 |
|
неплавящимся электродом в защитном газе |
3-5 (6-20)* |
3-5 (6-10) |
3-4 |
- |
|
угольным электродом |
30-200 (6-30) |
- |
3-30 и более |
- |
|
Полуавтоматическая плавящимся электродом: |
|
|
|
|
|
в защитном газе |
6-30 (4-5 и свыше 30 до 60) |
4-60 |
3-12 |
- |
|
под флюсом |
- |
- |
4-14 |
- |
|
Термитно-тигельная |
- |
- |
- |
4-5 |
* В скобках приведены толщины шин, которые сваривать данным способом можно, но экономически нецелесообразно.
Профили соединяют между собой сваркой. Если по условиям эксплуатации при ответвлении от шины сложного профиля необходимо иметь разъем, то следует предусмотреть приварку в месте разъема отрезка шины с отверстием под болты.
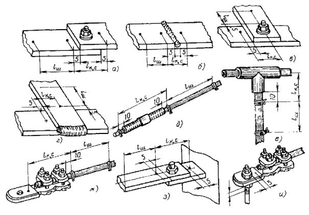
Рис. 1. Виды сварных соединений и ответвлений шин:
а - соединение шин встык; б - соединение шин путем вваривания температурного компенсатора; в - ответвление от шин, расположенных плашмя; г, д - ответвление от шин, расположенных на ребро; е - ответвление от шины многопроволочной жилы; 1 - шина; 2 - шов; 3 - пакет гибких лент (температурный компенсатор); 4 - жила гибкой шины
а) без средств стабилизации электрического сопротивления;
б) со средствами стабилизации электрического сопротивления.
4.3. Контактные соединения шин из материалов медь-медь, алюминиевый сплав-алюминиевый сплав, медь-сталь, сталь-сталь для групп А и Б, а также из материалов алюминиевый сплав-медь и алюминиевый сплав-сталь для группы Б не требуют применения средств стабилизации сопротивления. Соединения следует выполнять непосредственно с помощью стальных крепежных деталей (рис. 2, а).
Рис. 2. Разборные контактные соединения:
1 - медная шина из алюминиевого сплава или стали; 2 - алюминиевая шина; 3 - стальная шайба; 4 - тарельчатая пружина; 5 - стальной болт; 6 - стальная гайка; 7 - болт из цветного металла; 8 - гайка из цветного металла; 9 - шайба из цветного металла; 10 - металлопокрытие; 11 - медная шина, алюминиевая, из алюминиевого сплава или стали; 12 - медно-алюминиевая пластина; 13 - пластина из алюминиевого сплава; 14 - шина из алюминиевого сплава
4.4. Контактные соединения шин из материалов алюминий-алюминий, алюминиевый сплав-алюминий для групп А и Б, а также из материалов алюминий-медь и алюминий-сталь для группы А следует выполнять с помощью одного из следующих средств стабилизации сопротивления:
а) тарельчатых пружин по ГОСТ 17279-71 или 3057-79 (рис. 2, б);
б) крепежных изделий из меди или ее сплава (рис. 2, в);
в) защитных металлических покрытий по ГОСТ 9.073-77 (приложение 3), наносимых на рабочие поверхности шин (рис. 2, г);
г) переходных медно-алюминиевых пластин по ГОСТ 19357-81 (рис. 2, д);
д) переходных пластин из алюминиевого сплава (рис. 2, е).
4.5. Для группы Б контактные соединения шин из материалов алюминиевый сплав-медь, алюминиевый сплав-сталь следует выполнять, как показано на рис. 2, а, д, е, из материалов алюминий-медь, алюминий-сталь - как показано на рис. 2, б, в, д, е.
Рабочие поверхности шин и пластин из алюминиевого сплава должны иметь защитные металлопокрытия.
4.6. Пластины из алюминиевого сплава и алюминиевые части медно-алюминиевых пластин необходимо соединять с алюминиевыми шинами сваркой. Разборные соединения переходных пластин с медными шинами следует выполнять с помощью стальных крепежных деталей.
Таблица 3
|
Ответвление |
b > b1, мм |
d, мм |
|
|
|
|
15 |
6,6 |
|
20 |
9,0 |
||
|
25 |
11 |
||
|
30 |
11 |
||
|
40 |
14 |
||
|
50 |
18 |
||
|
|
|
60 |
11 |
|
80 |
14 |
||
|
100 |
18 |
||
|
120 |
18 |
||
|
|
- |
80 |
14 |
|
100 |
18 |
||
|
120 |
18 |
Рис. 3. Предохранение контактных соединений от самоотвинчивания:
а - контргайкой; б - пружинной шайбой; 1,2 - шина; 3 - шайба; 4 - болт; 5 - гайка; 6 - контргайка; 7 - пружинная шайба
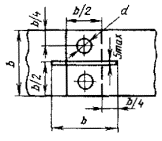
4.7. Расположение и диаметр отверстий для соединения шин шириной до 120 мм приведены в табл. 3. Зависимость диаметра отверстия в прямоугольных шинах от диаметра стягивающих болтов следующая:
|
Диаметр болта, мм |
6 |
8 |
10 |
12 |
16 |
|
Диаметр отверстия в шинах, мм |
6,6 |
9 |
11 |
14 |
18 |
4.8. Контактные участки шин шириной 60 мм и более, имеющие два отверстия в поперечном ряду, рекомендуется выполнять с продольными разрезами. Ширина разреза зависит от способа его выполнения и должна быть не более 5 мм.
4.9. Для предохранения соединений от самоотвинчивания необходимо применять контргайки или пружинные шайбы (рис. 3). Пружинные шайбы используют в соединениях с болтами до М8 включительно. В соединениях с тарельчатыми пружинами контргайки и пружинные шайбы ставить не нужно.
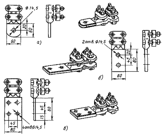
5.1. Выводы электротехнических устройств согласно ГОСТ 21242-75* могут быть плоскими или штыревыми. Размеры выводов приведены в приложении 3.
5.2. Если выводы и шины сделаны из алюминия и его сплава, соединения сваривают. Соединения выполняют согласно указаниям, приведенным в разд. 4.
5.3. Сварное соединение медного вывода с шиной из алюминия и его сплавов необходимо выполнять с применением переходной медно-алюминиевой пластины.
5.4. Разборные (болтовые) соединения шин с плоскими выводами в зависимости от материала выводов, шин и от климатических факторов внешней среды следует выполнять одним из способов, указанных в п. 4.2-4.9.
5.5. При соединении шин с плоскими выводами применение средств, предохраняющих от самоотвинчивания, обязательно.
5.6. Для группы А контактные соединения шин со штыревыми выводами в зависимости от материала шин и номинального тока выводов должны выполняться:
а) для шин из меди, стали и алюминиевого сплава - непосредственно стальными гайками1 (рис. 4, а);
1 Во всех случаях для штыревых выводов на номинальный ток выше 40 А упорные гайки должны применяться из меди или ее сплавов.
б) для шин из алюминия с выводом на номинальный ток до 630 А - непосредственно гайками из меди и ее сплавов по ГОСТ 5916-70* (рис. 4, б), на номинальный ток выше 630 А - непосредственно стальными гайками с защитным металлопокрытием рабочей поверхности шины (рис. 4, в) или с помощью переходных медно-алюминиевых пластин по ГОСТ 19357-81 (рис. 4, г), или переходных пластин из алюминиевого сплава (рис. 4, д).
5.7. Для группы Б контактные соединения шин со штыревыми выводами в зависимости от материала шин должны выполняться:
а) шин из меди - непосредственно специальными гайками (рис. 4, а);
б) шин из алюминия и алюминиевого сплава - с помощью переходных медно-алюминиевых пластин по ГОСТ 19357-81 (рис. 4, г) или переходных пластин из алюминиевого сплава (рис. 4, д), при этом переходные пластины из алюминиевого сплава должны иметь защитное металлопокрытие.
Рис. 4. Соединения со штыревыми выводами:
1 - вывод из меди или ее сплава; 2 - стальная гайка; 3 - медная шина из алюминиевого сплава или стали; 4 - гайка из меди или ее сплавов; 5 - шина алюминиевая или из алюминиевого сплава; 6 - металлопокрытие; 7 - медно-алюминиевая пластина; 8 - пластина из алюминиевого сплава; 9 - шина из алюминиевого сплава
5.8. Размеры отверстий в шинах должны соответствовать диаметру штыревого вывода:
|
Диаметр штыревого вывода, мм |
6 |
8 |
10 |
12 |
16 |
20 |
24 |
30 |
33 |
36 |
42 |
48 |
56 |
|
Размер отверстия в шине, мм |
6,6 |
9 |
11 |
14 |
18 |
22 |
26 |
33 |
35 |
39 |
45 |
52 |
62 |
5.9. Размер "под ключ" увеличенных гаек для штыревых выводов различного диаметра составляет:
|
Диаметр вывода, мм |
10 |
12 |
16 |
20 |
24 |
30 |
33 |
36 |
42 |
48 |
56 |
|
Размер гайки "под ключ", мм |
27 |
30 |
36 |
46 |
55 |
65 |
75 |
80 |
95 |
110 |
130 |
6.1. Соединения и ответвления на медных, стальных, алюминиевых и сталеалюминиевых гибких шинах открытых распределительных устройств выполняют обжатием, опрессованием, с помощью петлевых или ответвительных болтовых зажимов. Ответвления алюминиевых и сталеалюминиевых шин необходимо выполнять преимущественно пропанокислородной сваркой. Оконцевания следует выполнять аппаратными зажимами, соединяемыми с гибкой шиной опрессованием, болтами или сваркой.
6.2. Болтовые петлевые и ответвительные зажимы изготовляют для алюминиевых и сталеалюминиевых шин из алюминиевых сплавов, для медных из латуни, для стальных из стали (рис. 5, 6).
В болтовые петлевые зажимы, предназначенные для соединения медных шин с алюминиевыми, на заводе-изготовителе впаивают луженые медные желобки.
Рис. 5. Петлевой зажим
6.3. Болтовые аппаратные зажимы рассчитаны на затяжку шин с помощью плашек (рис. 7). Для медных шин их изготавливают из латуни, для алюминиевых - из алюминиевых сплавов.
В конструкции аппаратных зажимов, предназначенных для алюминиевых шин, предусмотрены переходные медные пластины, скрепленные с корпусом зажима пайкой или сваркой. Эти пластины обеспечивают лучший контакт при соединении алюминиевого аппаратного зажима с медным или с алюминиевым выводом, плакированным либо армированным медью.
Если алюминиевый аппаратный зажим соединяют с алюминиевым выводом болтами или сваркой, медные пластины следует удалить.
Аппаратные зажимы имеют одно, два или четыре отверстия для присоединения к выводам аппаратов или шинам.
6.4. Аппаратные зажимы, имеющие в лапке одно отверстие диаметром 14,5 мм, допускается рассверливать по диаметру штыревого вывода, но не свыше 30 мм.
6.5. Шины в зажиме следует закреплять в следующем порядке:
заложить шину в соответствующие желобки зажима (медная шина должна соприкасаться с луженым медным желобком, а алюминиевая - с алюминиевым);
установить плашки;
покрыть нарезанную часть болтов смазкой АМС-1, не допуская попадания ее на контактную поверхность:
затянуть болты.
Рис. 6. Ответвительный зажим
Рис. 7. Аппаратные болтовые зажимы:
а - для присоединения к стержневому выводу и плоскому, имеющему одно отверстие; б, в - для присоединения к плоским выводам, имеющим два и четыре отверстия
Затяжку болтов гайками необходимо производить равномерно, чтобы все части зажима испытывали одинаковое давление по длине контакта. После полной затяжки болтов между плашками должен оставаться зазор 3-4 мм. Сближение плашек вплотную указывает на то, что размеры желобков не соответствуют данной шине и требуемое давление в контакте не обеспечено. Такие зажимы подлежат замене.
6.6. Оконцевание гибких шин аппаратными зажимами для соединения с плоскими выводами аппаратов следует производить в соответствии с конструкцией вывода.
6.7. Соединения гибких шин, оконцованных аппаратными зажимами, с плоскими выводами аппаратов следует выполнять непосредственно.
6.8. Соединения гибких шин, оконцованных аппаратными зажимами, со штыревыми выводами аппаратов нужно выполнять:
медных, оконцованных аппаратным зажимом с одним отверстием, при диаметре вывода до 28 мм - непосредственно, при диаметре вывода свыше 28 мм - через медные планки;
медных, оконцованных аппаратными зажимами с двумя и четырьмя отверстиями, - через медные планки;
алюминиевых и сталеалюминиевых, оконцованных аппаратными зажимами, - через медные планки.
7.1. Подготовка шин к сварке кроме рихтовки и резки по размеру должна включать обработку их кромок для обеспечения необходимых размеров разделки и зачистку мест соединения проволочной щеткой на участке длиной не менее 30 мм от свариваемых торцов. Перед сваркой шин в защитном газе кромки их после сборки необходимо обезжирить ацетоном, бензином или уайт-спиритом.
7.2. Обработка кромок шин и зазор, необходимый для сварки, должны соответствовать приведенным в ГОСТ 23792-79.
7.3. Подготовка шин для болтового соединения должна состоять из следующих операций: выполнение отверстий под болты, обработка контактных поверхностей и, при необходимости, нанесение металлопокрытия.
7.4. Расположение и размеры отверстий под болты должны соответствовать указанным в п. 4.7.
7.5. При массовой заготовке шин рекомендуется вырубку отверстий производить на прессах. Для этой цели применяют пресс ПРУ-1. Одновременная вырубка нескольких отверстий может быть осуществлена с помощью специальных приспособлений.
При вырубке отверстий с применением упора и кондукторов разметку производить не следует.
7.6. Длину болтов для соединения пакета шин нужно выбирать согласно данным табл. 4. На болтах после сборки и затяжки соединений должно оставаться не менее двух ниток свободной резьбы.
7.7. Контактные поверхности шин нужно обрабатывать в следующем порядке:
удалить бензином, ацетоном или уайт-спиритом грязь и консервирующую смазку. У сильно загрязненных шин гибкой ошиновки кроме очистки внешних повивов после расплетки следует очистить внутренние повивы;
выправить и обработать под линейку на шинофрезерном станке (при наличии вмятин, раковин и неровностей);
удалить посторонние пленки стальной щеткой, диском с кардолентой или драчевым напильником.
Таблица 4
|
Длина болтов, мм |
|||||||
|
алюминиевых с алюминиевыми |
алюминиевых с медными шинами или из алюминиевого сплава |
медных или стальных |
М6 |
М8 |
М10 |
М12 |
М16 |
|
- |
4 |
4-6 |
16 |
20 |
20 |
- |
- |
|
4 |
6-7 |
7-10 |
- |
20 |
25 |
30 |
- |
|
5-10 |
8-10 |
11-15 |
- |
25 |
30 |
35 |
- |
|
11-12 |
12-15 |
16-20 |
- |
- |
35 |
40 |
- |
|
13-17 |
16-20 |
21-25 |
- |
- |
40 |
45 |
50 |
|
18-22 |
21-25 |
26-30 |
- |
- |
45 |
50 |
55 |
|
23-27 |
26-30 |
31-35 |
- |
- |
50 |
55 |
60 |
|
28-32 |
31-35 |
36-40 |
- |
- |
55 |
60 |
65 |
|
33-37 |
36-40 |
41-45 |
- |
- |
60 |
65 |
70 |
|
38-42 |
41-45 |
46-50 |
- |
- |
65 |
70 |
76 |
|
43-47 |
46-50 |
51-55 |
- |
- |
70 |
75 |
80 |
|
48-52 |
51-55 |
56-60 |
- |
- |
75 |
80 |
85 |
|
53-57 |
56-60 |
61-65 |
- |
- |
80 |
85 |
90 |
|
58-62 |
61-65 |
66-70 |
- |
- |
- |
90 |
95 |
|
63-67 |
66-70 |
71-75 |
- |
- |
- |
95 |
100 |
|
68-72 |
71-75 |
76-81 |
- |
- |
- |
100 |
105 |
Зачистку шин в мастерских электромонтажных заготовок необходимо производить на станке ЗШ-120. При зачистке алюминия применять шлифовальные круги не допускается, так как в обрабатываемую поверхность могут вкрапливаться крупинки камня. Ни следует применять напильники и стальные щетки для одновременной обработки шин из различных материалов во избежание загрязнения материала контактов соединяемых шин опилками иного материала.
7.9. Сведения о металлопокрытии контактной поверхности даны в приложении 4. Наиболее надежным является гальваническое покрытие, но его можно выполнять только в заводских условиях.
В монтажных условиях металлопокрытие шин следует производить методами натирания (абразивное лужение) или окунания. Технология нанесения металлопокрытия на шины приведена в приложении 4.
7.10. Поверхности, имеющие защитные металлические покрытия, в случае загрязнения нужно промыть перед сборкой органическими растворителями.
Луженые медные желобки, предназначенные для закрепления медных шин в петлевых зажимах, следует промыть растворителем и покрыть слоем нейтральной смазки (вазелином КВ-3/103 по ГОСТ 15975-70* смазкой ЦИАТИМ-221 по ГОСТ 9433-60* или ЦИАТИМ-201 по ГОСТ 6267-74). Зачищать такие желобки наждачной бумагой не следует.
7.11. Допускается наносить металлопокрытия на отрезки шин (пластин), которые затем приваривают к шинам на монтаже.
Длина покрываемого отрезка шины (пластины) в зависимости от длины сечения этого отрезка должна быть следующая:
|
Сечение шины, мм2 |
4´40 |
6´50 |
8´60 |
8´80 |
10´80 |
10´100 |
12´120 |
|
Длина отрезка шины (пластины), мм |
120 |
120 |
120 |
150 |
150 |
200 |
200 |
|
Длина покрываемого отрезка, мм |
50 |
60 |
70 |
90 |
90 |
110 |
130 |
|
Диаметр болта |
М6 |
М8 |
М10 |
М12 |
М16 |
М20 |
М24 |
М30 |
М33 |
М36 |
|
Крутящий момент, Н×м |
20-25 |
30-35 |
40-50 |
60-70 |
90-100 |
120-130 |
200-220 |
320-340 |
340-360 |
360-380 |
При отсутствии моментных ключей болты контактных соединений медных, стальных шин и шин из алюминиевого сплава следует затягивать гаечными ключами при нормальном усилии руки (150-200 Н).
На соединениях алюминиевых шин нужно предварительно обжать шины путем затяжки болтов диаметром М12 и выше при полном усилии руки (около 400 Н), затем соединение ослабить и вторично затянуть болты при нормальном усилии. При диаметрах болтов 6-10 мм делать обжатие не следует.
Затягивать соединения с тарельчатыми пружинами необходимо в два приема. Вначале болт нужно затянуть до полного сжатия тарельчатой пружины, затем соединение ослабить поворотом ключа в обратную сторону на 1/4 оборота (на угол 90°) для болтов Мб и М12 и на 1/6 оборота (на угол 60°) для стальных болтов. При этом давление, создаваемое тарельчатой пружиной, будет равно приблизительно 65% максимального, что и необходимо при сборке контактного соединения.
8.1. Соединения, выполненные сваркой в защитном газе, не требуют последующей обработки.
тщательно удалить остатки флюса металлической щеткой;
окрасить места сварки в сухих помещениях теми же красками, что и шины, в наружных установках, а также в сырых и влажных помещениях - фосфатирующими или глифталевыми грунтами, а затем эпоксидной шпатлевкой, пентофталевой или эпоксидной эмалями.
8.3. Болтовые контактные соединения без металлопокрытий после сборки следует консервировать защитными смазками - вазелином КВ-3/10Э, смазкой ЦИАТИМ-221 или лаками, красками, компаундами (приложение 5).
Во влажных помещениях и в агрессивной среде защитное лакокрасочное покрытие следует наносить по ГОСТ 9.032-74 *.
Краски, эмали, шпатлевки следует наносить кистью. Если необходимо нанести покрытия на шины при температуре воздуха ниже 5°С, следует предварительно нагреть места, подлежащие окраске, до 40-60°С пламенем пропановоздушной горелки или паяльной лампы.
9.1. При монтаже контактных соединений контролируют их соответствие требованиям ГОСТ 10434-82* ТУ на конкретные виды электротехнических устройств или требованиям настоящей Инструкции.
9.2. Контактные соединения подвергают испытаниям (табл. 5).
Таблица 5. Виды и периодичность испытаний
|
Место проведения испытаний |
||||
|
Организация-разработчик контактных соединений |
Завод-изготовитель электротехнических устройств |
Мастерские электромонтажных заготовок |
Объект монтажа |
|
|
Приемочные1 |
При разработке новой конструкции контактных соединений |
- |
- |
- |
|
Приемосдаточные |
- |
Постоянно, при приемке готовой продукции |
Постоянно, при приемке готовой продукции |
Постоянно, по мере проведения монтажа |
|
Типовые |
- |
При изменении конструкции, материала или технологии изготовления контактных соединений |
- |
- |
|
Периодические |
- |
1 раз в 2 года |
1 раз в 2 года |
- |
1 Проводят по ГОСТ 17441-78.
Количество испытываемых образцов - не менее 10 шт. одного типоразмера.
9.4. Контактные соединения считают выдержавшими испытания, если все испытанные образцы соответствуют требованиям настоящей Инструкции. Контактные соединения, не выдержавшие какие-либо испытания по п. 9.3, проходят повторные испытания на удвоенном количестве образцов. Если при повторных испытаниях контактные соединения не удовлетворяют предъявляемым требованиям, то они должны быть забракованы и переданы на переделку с последующими испытаниями.
9.5. Оформлять приемо-сдаточные испытания контактных соединений, выполненных на объекте монтажа, необходимо по инструкции ВСН 123-79/ММСС СССР [3].
9.6. Внешний осмотр неразборных сварных соединений должен производиться визуально. При осмотре необходимо проконтролировать соответствие сварных швов требованиям, приведенным в п. 3.2.
Рис. 8. Контролируемые элементы спрессованных соединений
9.7. При осмотре неразборных соединений, выполненных опрессовкой, необходимо проконтролировав их соответствие требованиям, приведенным в п. 3.2, при этом визуально нужно проверить соосность лунок и отсутствие в них трещин. У двух-трех соединений с помощью штангенциркуля или другого аналогичного инструмента следует проконтролировать геометрические размеры спрессованной части соединения. Размеры, подлежащие измерению, приведены на рис. 8.
9.8. Контроль разборных (болтовых) соединений включает:
проверку комплектности (согласно п. 3.1 настоящей Инструкции) визуально;
проверку плотности прилегания контактных поверхностей (у двух-трех плоских соединений). Соединения считают удовлетворяющими требованиям, приведенным в п. 3.3, если щуп толщиной 0,03 мм входит между сопрягаемыми плоскостями токоведущих шин не далее зоны, ограниченной периметром шайбы или гайки. При наличии шайб разного диаметра зона определяется диаметром меньшей шайбы (рис. 9). Допустимая глубина вхождения щупа равна l £ (b - d) /2;
проверку качества затяжки болтов (у двух-трех соединений). Моменты затяжки (см. п. 7.12) нужно проверять с помощью моментного индикаторного ключа или обычными ключами;
проверку качества подготовки контактных поверхностей (у двух-трех соединений). Производят разборку соединений, после чего определяют, зачищены ли контактные поверхности и имеется ли на них смазка согласно п. 7.8, 8.2 и 8.3;
визуальную проверку качества металлопокрытий по п. 3.15-3.17. При типовых испытаниях выборочно на двух-трех образцах проверку производят по ГОСТ 9.302-79* (СТ СЭВ 990-78).
9.9. Измерять электрическое сопротивление нужно на контактном соединении в изделии, в блоках линейных соединений или на модели на участке между точками, показанными на рис. 10. В цепи должно быть контрольное сопротивление (участка шины, длина которого равна условной длине контактного соединения).
На гибких шинах в местах измерения сопротивления следует наложить бандажи из трех-четырех витков медной луженой проволоки диаметром 0,5-1,5 мм.
Сопротивление (падение напряжения) необходимо измерять методом вольтметра-амперметра, микроомметром или двойным мостом, используя электроизмерительные приборы класса точности не ниже 0,5. Сопротивление соединений гибких шин следует измерять только методом вольтметра-амперметра. Измерения должны производиться при температуре окружающей среды 20±10°С с помощью щупов с острыми иглами, разрушающими окисную пленку.
9.10. Отношение среднего сопротивления 10 испытанных однотипных плоских контактных соединений к сопротивлению контрольного участка шины должно соответствовать требованиям, приведенным в п. 3.4. Среднее сопротивление 10 штыревых контактных соединений должно соответствовать приведенному в п. 3.5.
Рис. 9. Контактное соединение шины с шайбами разного диаметра
Рис. 10. Точки измерения сопротивления:
а - болтовое соединение шин; б - сварное соединение шин; в - болтовое ответвление от шин; г - сварное ответвление от шин; д - соединение гибких шин; е - ответвление от гибкой шины; ж - оконцевание гибкой шины; з - соединение шины с плоским выводом; и - соединение шины со штыревым выводом
9.11. Испытанию на нагревание подвергаются контактные соединения в изделии либо отдельные блоки линейных соединений, прошедшие испытание и удовлетворяющие требованиям, изложенным в п. 9.5-9.9 Инструкции. Нагревание проводят постоянным или переменным током. Линейные контактные соединения собирают в последовательную цепь. Длина шин, соединяющих контактные соединения, должна быть не менее: при площади сечения до 120 мм2 включительно - 2 м, свыше 120 мм2 - 3 м.
Контактные соединения считают выдержавшими испытание, если их установившаяся температура соответствует требованиям, приведенным в п. 3.7.
9.12. Ускоренным испытаниям подвергают макеты контактных соединений, прошедшие испытания по п. 9.10 и удовлетворяющие требованиям, приведенным в п. 9.11. Длина отрезков шин должна быть 250-300 мм. Ускоренное испытание состоит в попеременном (циклическом) нагревании контактных соединений током до 120±10°С и последующем их охлаждении до температуры окружающего воздуха, но не выше 30°С. Ток испытания устанавливают опытным путем из расчета времени нагревания 3-10 мин. Для ускорения испытания допускается охлаждение соединений обдувом. Количество циклов нагревание-охлаждение должно быть не менее 500.
В процессе испытания периодически, через каждые 50 циклов, измеряют сопротивление контактных соединений при температуре окружающей среды и определяют среднеарифметическое значение сопротивления группы одинаковых соединений. Контактные соединения считают выдержавшими испытания, если рост среднеарифметического значения сопротивления 10 испытанных контактов соответствует требованиям, указанным в п. 3.6.
10.1. При производстве работ по сварке и монтажу контактных соединений следует руководствоваться СНиП III-4-80, а также другими правилами, утвержденными в установленном порядке.
10.2. К работам по сварке следует допускать сварщиков не ниже 3-го разряда, прошедших специальное обучение, сдавших технологическую пробу и аттестованных в соответствии с "Положением об обучении и проверке знаний сварщиков", утвержденным Главэлектромонтажем 30 июня 1965 г., а также имеющих квалификационную группу по технике безопасности не ниже II.
11.1. Для выполнения контактных соединений следует применять инструменты и приспособления, необходимые для сварочных и слесарных работ, а также малярные щетинные кисти. Сварочный флюс нужно хранить и приготовлять только в стеклянной, фарфоровой или пластмассовой посуде.
11.2. Расходы вспомогательных материалов на одно сварное соединение указаны в табл. 6, на сто болтовых соединений - в табл. 7.
Таблица 6. Расход материалов на одно сварное соединение шин между собой или с выводами электротехнического устройства на 100 мм шва
|
Ручная сварка угольным электродом |
Сварка в защитном газе |
||||||
|
ручная неплавящимся электродом |
полуавтоматическая плавящимся электродом |
ручная плазменная |
|||||
|
Присадка, г |
Флюс, г |
Аргон, г |
Присадка, г |
Аргон, г |
Присадка, г |
Газ, л/мин |
|
|
Шины из алюминия и его сплавов |
|||||||
|
3 |
- |
- |
9 |
5,6 |
- |
- |
- |
|
4 |
- |
- |
10 |
6,0 |
- |
- |
- |
|
5 |
- |
- |
10 |
7,8 |
- |
- |
- |
|
6 |
- |
- |
11,5 |
8,5 |
10 |
9 |
- |
|
8, 10 |
- |
- |
- |
- |
15 |
15 |
- |
|
12 |
- |
- |
- |
- |
20 |
20 |
- |
|
15 |
- |
- |
- |
- |
50 |
75 |
- |
|
20 |
- |
- |
- |
- |
70 |
100 |
- |
|
30 |
- |
- |
- |
- |
100 |
160 |
- |
|
Медные шины |
|||||||
|
3 |
29 |
1 |
9 |
29 |
50 |
12 |
- |
|
4 |
35 |
2 |
10 |
35 |
55 |
22 |
0,8-1,0 |
|
5 |
65 |
3 |
- |
- |
60 |
33 |
0,9-1,5 |
|
6 |
105 |
4 |
- |
- |
65 |
47 |
1,0-2,0 |
|
7 |
130 |
4,5 |
- |
- |
70 |
64 |
1,3-2,2 |
|
8 |
150 |
5 |
- |
- |
75 |
84 |
1,5-2,5 |
|
9 |
- |
- |
- |
- |
80 |
106 |
1,7-2,7 |
|
10 |
210 |
7 |
- |
- |
85 |
130 |
2,0-3,0 |
|
12,5 |
290 |
9 |
- |
- |
- |
- |
2,5-3,5 |
|
20 |
450 |
12 |
- |
- |
- |
- |
- |
|
30 |
620 |
13 |
- |
- |
- |
- |
|
Таблица 7. Расход вспомогательных материалов на 100 болтовых соединений шин
|
Для шин шириной, мм, до |
||||||||
|
25 |
30 |
40 |
50 |
60 |
80 |
100 |
120 |
|
|
Бензин неэтилированный, ацетон, л |
0,1 |
0,1 |
0,1 |
0,1 |
0,1 |
0,15 |
0,2 |
0,25 |
|
Контактная смазка или паста, кг |
0,3 |
0,5 |
0,6 |
0,7 |
0,8 |
1,2 |
1,6 |
2,0 |
|
Защитная смазка, кг |
0,3 |
0,5 |
0,6 |
0,7 |
0,8 |
1,4 |
1,6 |
1,8 |
|
Консервирующие покрытия, кг: |
|
|
|
|
|
|
|
|
|
грунт |
0,05 |
0,06 |
0,08 |
0,1 |
0,12 |
0,016 |
0,20 |
0,25 |
|
краска, эмаль, шпатлевка |
0,3 |
0,36 |
0,48 |
0,6 |
0,75 |
1,0 |
1,2 |
1,45 |
|
растворитель для |
0,06 |
0,12 |
0,15 |
0,2 |
0,25 |
0,5 |
0,5 |
0,6 |
|
эмали |
|
|
|
|
|
|
|
|
|
Стеклянная или наждачная бумага № 1 - 3, м2 |
0,06 |
0,12 |
0,15 |
0,2 |
0,25 |
0,5 |
0,5 |
0,6 |
|
Чистые тряпки, кг |
0,05 |
0,05 |
0,05 |
0,05 |
0,05 |
0,08 |
0,10 |
0,12 |
|
Термин |
Документ, устанавливающий термин. |
Определение |
|
Электротехническое устройство |
ГОСТ 18311-80 |
Устройство, в котором при работе его в соответствии с назначением производится, преобразуется, передается, распределяется или потребляется электрическая энергия |
|
Контактное соединение |
ГОСТ 14312-79 |
Контактный узел, образующий неразмыкаемый контакт |
|
Разборное контактное соединение |
ГОСТ 14312-79 |
Контактное соединение, которое может быть разомкнуто без его разрушения, например винтовое, болтовое и др. |
|
Неразборное контактное соединение |
ГОСТ 14312-79 |
Контактное соединение, которое не может быть разомкнуто без его разрушения, например сварное, паяное, клепаное и др. |
|
Плоское соединение |
- |
Соединение шин между собой и с плоским выводом |
|
Штыревое соединение |
- |
Соединение шин со штыревым выводом |
|
Линейное контактное соединение |
ГОСТ 17441-78 |
Контактное соединение двух или более проводников токопроводов, кабелей, воздушных линий электропередачи, внешних цепей управления, сигнализации, защиты и др. |
|
Переходное сопротивление |
ГОСТ 14312-79 |
Сопротивление контактного соединения |
|
Начальное переходное сопротивление |
- |
Сопротивление, измеренное непосредственно после сборки (до испытаний) |
|
Твердый алюминиевый сплав |
ГОСТ 17441-78 |
Алюминиевый сплав с временным сопротивлением разрыву не менее 13×107 Па (13 кгс/мм2) |
|
Переходная пластина |
ГОСТ 22211-76 |
Токоведущая деталь, предназначенная для соединения токоведущих шин из разнородных материалов и присоединения токоведущих шин из одного материала к выводам электротехнических устройств из другого материала |
|
Медно-алюминиевая пластина |
- |
Переходная пластина, состоящая из медной и алюминиевой частей |
|
Пластина из алюминиевого сплава |
- |
Переходная пластина из твердого алюминиевого сплава |
|
Абразивное лужение |
ГОСТ 17325-79 |
Способ лужения с одновременным удалением с поверхности металла окисной пленки при трении твердыми металлическими или неметаллическими частицами |
|
Лужение погружением в расплавленный припой |
ГОСТ 17325-79 |
- |
|
Штучный электрод (покрытый электрод) |
ГОСТ 2601-74 |
Электрод, покрытый смесью веществ, нанесенных на электрод для усиления ионизации, защиты от вредного воздействия среды и металлургической обработки сварочной ванны |
|
Однородные материалы |
- |
Материалы, номинальные электрохимические потенциалы которых близки по значению |
|
Разнородные материалы |
- |
Материалы с различными значениями номинальных электрохимических потенциалов |
|
Область применения |
Рекомендуемый класс контактного соединения |
|
Контактные соединения цепей, сечение проводников которых выбирается по длительно допустимому току (силовые цепи, линии электропередачи и т.п.) |
1 |
|
Контактные соединения цепей, сечение проводников которых выбирается по механической прочности или падению напряжения (цепи управления, измерения, сигнализации и т.п.) |
2 |
|
Контактные соединения цепей с устройствами, работа которых связана с выделением большого количества теплоты (нагревательный элементы, резисторы, реостаты и т.п.) |
3 |
1. Размеры плоских выводов

2. Размеры (резьба) штыревых выводов
|
Номинальный ток. А, до включения |
Материал вывода1 |
Номинальный ток, А, до включения |
Материал вывода |
||||
|
Сталь |
Латунь |
Медь |
Сталь |
Латунь |
Медь |
||
|
Предел прочности на растяжение, 107 Па |
Предел прочности на растяжение, 107 Па |
||||||
|
50 |
32 |
25 |
50 |
32 |
25 |
||
|
2,5-8,3 |
М3 |
М3 |
- |
400 |
- |
М20 |
М16 |
|
16 |
М4 |
М4 |
- |
630 |
- |
- |
М20 ´ 1,5 |
|
25 |
М5 |
М5 |
- |
800 |
- |
- |
М24 ´ 2,0 |
|
40 |
М6 |
М6 |
- |
1000 |
- |
- |
М30 ´ 2,0 |
|
63 |
- |
М6 |
- |
1250 |
- |
- |
М33 ´ 2,0 |
|
100 |
- |
М8 |
- |
1600 |
- |
- |
М36 ´ 2,0 |
|
160 |
- |
М10 |
- |
2000 |
- |
- |
М42 ´ 3,0 |
|
250 |
- |
М12 |
М10 |
2500 |
- |
- |
М48 ´ 3,0 |
|
320 |
- |
М16 |
М12 |
3200 |
- |
- |
М56 ´ 4,0 |
1 Допускается применение других материалов, обеспечивающих надежный контакт.
1. Металлопокрытия контактных
участков шин
(по ГОСТ 9.073-77)
|
Покрытие |
Условия эксплуатации по ГОСТ 14007-68 |
||||||||||
|
Обозначение |
Материал |
Способ нанесения |
л |
с |
ж |
ож |
|||||
|
Материал шин - медь, сталь |
|||||||||||
|
06 |
Олово |
Электролитический |
+ |
- |
- |
- |
|||||
|
09 |
" |
" |
- |
+ |
+ |
- |
|||||
|
012 |
" |
" |
- |
- |
- |
+ |
|||||
|
06 ОПЛ |
" |
Электролитический, дополнительная обработка оплавлением |
- |
+ |
- |
- |
|||||
|
Гор09 |
" |
Горячий |
+ |
+ |
- |
- |
|||||
|
Н3.0б |
Олово по подслою никеля |
Электролитический |
+ |
- |
- |
- |
|||||
|
Н3.09 |
То же |
" |
- |
+ |
- |
- |
|||||
|
Н3.012 |
" " |
" |
- |
- |
- |
+ |
|||||
|
Н3.0-С(50)3 |
Сплав олово-свинец по подслою никеля |
" |
+ |
+ |
- |
- |
|||||
|
Н3.0-С(50)6 |
То же |
" |
- |
- |
+ |
- |
|||||
|
Н6.0-С(50)6 |
" " |
" |
- |
- |
- |
+ |
|||||
|
Гор. ПОС-40 |
Припой ПОС-40 |
Горячий |
+ |
- |
- |
- |
|||||
|
Гор. ПОС-61 |
Припой ПОС-61 |
" |
+ |
+ |
- |
- |
|||||
|
0-Ви6 |
Сплав олово-висмут |
Электролитический |
+ |
- |
- |
- |
|||||
|
0-Ви9 |
То же |
" |
- |
+ |
- |
- |
|||||
|
0-Ви12 |
" " |
" |
- |
- |
+ |
- |
|||||
|
Н3.0-Ви(99,7)6 |
Сплав олово-висмут по подслою никеля |
|
- |
+ |
+ |
+ |
|||||
|
Ср6 |
Серебро |
" |
- |
+ |
- |
- |
|||||
|
Ср9 |
" |
" |
- |
- |
+ |
- |
|||||
|
Материал шин - алюминий и алюминиевый сплав |
|
|
|||||||||
|
Н18 |
Никель |
Химический |
+ |
- |
- |
- |
|||||
|
Н36 |
" |
" |
+ |
+ |
- |
- |
|||||
|
Н9.М6.Ср.6 |
Серебро по подслою никеля и меди |
" |
+ |
- |
- |
- |
|||||
|
Н12.Кд6.Хр |
Хром по подслою кадмия и никеля |
Гальванический |
+ |
- |
- |
- |
|||||
|
Н18.Кд18.Хр |
То же |
" |
+ |
+ |
- |
- |
|||||
|
М6 Н909 |
Олово по подслою меди и никеля |
" |
+ |
- |
- |
- |
|||||
|
Гор. припой А |
Припой А |
Натирание |
+ |
+ |
- |
- |
|||||
2. Технология нанесения металлопокрытия горячим способом на алюминиевые, медные и стальные шины
|
Вид покрытия |
Последовательность операций |
Применяемые материалы |
|
Горячее лужение1 меди и стали натиранием (абразивное лужение) |
1. Подготовка: обезжиривание |
Бензин Б-70 - |
|
сушка травление |
Азотная кислота, серная кислота, хлористый натрий |
|
|
2. Промывка в холодной воде |
- |
|
|
3. Покрытие флюсом, нагрев и натирание |
Флюсы: водный раствор хлористого цинка (25% хлористого цинка, 75% воды) технический вазелин 75%, хлористый цинк 25% паяльный жир2 (ТУ 36-1170-79) Припой ПОС-40 (ГОСТ 21931-76) |
|
|
|
|
|
|
4. Остывание |
- |
|
|
5. Промывка водой до снятия остатков флюса |
- |
|
|
6. Сушка |
- |
|
|
Горячее лужение меди и стали окунанием |
1. Подготовка (см. выше п. 1) |
- |
|
2. Покрытие флюсом |
Раствор хлористого цинка в соляной кислоте (паяльная кислота) |
|
|
3. Погружение в ванночку с расплавленным припоем |
ПОС-40 |
|
|
4. Промывка водой |
- |
|
|
5. Протирание сухой тряпкой или встряхивание |
- |
|
|
Горячее лужение алюминия и его сплавов натиранием (абразивное лужение) |
1. Зачистка поверхности до металлического блеска кардощеткой (при наличии на поверхности шин толстого слоя жирового загрязнения обезжирить бензином) |
Бензин Б-70 |
|
2. Нагрев поверхности пламенем пропановоздушной горелки до температуры плавления припоя А |
- |
|
|
3. Натирание шины припоем А |
Припой А: олово 40%, цинк 58%, медь 2% |
|
|
4. Растирание припоя кардощеткой |
|
1 Температура лужения меди и стали 330°С, алюминия и его сплавов 400-425°С.
2 Состав паяльного жира: канифоль (ГОСТ 19113-73*) 10-15 массовых частей, животный жир или стеарин (ГОСТ 6484-64*) 5-6 массовых частей, нашатырный спирт (ГОСТ 2210-73*) 2 массовые части, хлористый цинк (ГОСТ 7345-78) - 1 массовая часть, дистиллированная вода (ГОСТ 6709-72) - 1 массовая часть. Жир выпускается Михневским опытным заводом специальных электроизделий треста "Электромонтажконструкция" Минмонтажспецстроя СССР.
1. Жировые смазки и пасты
Кремнийорганический вазелин (ГОСТ 15975-70*).
Смазка ЦИАТИМ-201, ГОСТ 6267-74* (универсальная, тугоплавкая, влагостойкая, морозостойкая, активированная), сохраняет свои свойства при 100-110°С, может употребляться в условиях повышенной влажности. Цвет от светло-желтого до темно-желтого.
Кварцево-вазелиновая паста (ТУ 36-513-79).
2. Защитные покрытия
Смазка АМС-1 (ГОСТ 2712-75*). Цвет темный.
Свинцовый сурик (ГОСТ 19151-73*), разведенный на натуральной олифе.
Пентофталевая эмаль ПФ-133 (ГОСТ 926-63*). Любой цвет (предпочтительно красно-коричневый).
Эпоксидная шпатлевка ЭП-00-10 (ГОСТ 10277-76*). Цвет красно-коричневый
3. Растворители
Неэтилированный бензин (ГОСТ 2084-77*).
Сольвент (ГОСТ 1928-79) в чистом виде либо в смеси с уайт-спиритом (бензином-растворителем для лакокрасочной промышленности, ГОСТ 3134-78) для эмали ГФ-133 и др.
Едкий натр (ГОСТ 2263-79), азотная кислота (ГОСТ 701-78) для химической очистки шин перед лужением.
Шины изготовляют из меди (прямоугольные, материал по ГОСТ 193-79; трубчатые, материал по ГОСТ 859-78), из алюминия (материал по ГОСТ 11069-74*), из алюминиевых сплавов (материал по ГОСТ 4784-74*) и из стали (материал по ГОСТ 11036-75).
При заказе шин указывают: наименование и порядковый номер профиля, номер ГОСТ на профили и шины, наименование материала, из которого изготовляется профиль, и номер ГОСТ на этот материал.
Пример обозначения корытного профиля № 7 из алюминия марки А5:
корытный
.
1. Прямоугольные шины из меда (ГОСТ 434-78*), алюминия и его сплава (ГОСТ 15176-70*)
|
Размеры, мм |
Масса, 1 м, кг |
Размеры, мм |
Масса, 1 м, кг |
||
|
медных |
алюминиевых или из сплава алюминия |
медных |
алюминиевых или из сплава алюминия |
||
|
3 ´ 10 |
0,29 |
0,08 |
4 ´ 10 |
0,37 |
0,11 |
|
3 ´ 12 |
- |
0,10 |
4 ´ 12 |
- |
0,13 |
|
3 ´ 12,5 |
0,32 |
- |
4 ´ 12,5 |
0,43 |
- |
|
3 ´ 15 |
- |
0,12 |
4 ´ 15 |
0,53 |
0,18 |
|
3 ´ 20 |
0,53 |
0,16 |
4 ´ 20 |
0,71 |
0,22 |
|
3 ´ 25 |
0,67 |
0,20 |
4 ´ 25 |
0,89 |
0,27 |
|
3 ´ 30 |
0,80 |
0,24 |
4 ´ 30 |
1,07 |
0,32 |
|
3 ´ 40 |
1,07 |
0,32 |
4 ´ 40 |
1,42 |
0,43 |
Продолжение прилож. 6
|
Размеры, мм |
Масса, 1м, кг |
Размеры, мм |
Масса, 1 м, кг |
||
|
медных |
алюминиевых или из сплава алюминия |
медных |
алюминиевых или из сплава алюминия |
||
|
5 ´ 3О |
1,34 |
0,40 |
6 ´ 80 |
4,27 |
1,30 |
|
5 ´ 40 |
1,78 |
0,54 |
6 ´ 100 |
5,34 |
1,62 |
|
5 ´ 50 |
2,25 |
0,68 |
8 ´ 60 |
4,27 |
1,30 |
|
5 ´ 60 |
2,67 |
0,81 |
8 ´ 80 |
5,70 |
1,73 |
|
5 ´ 80 |
2,84 |
0,86 |
8 ´ 100 |
7,12 |
2,17 |
|
6 ´ 50 |
2,67 |
0,81 |
8 ´ 120 |
8,54 |
2,60 |
|
6 ´ 60 |
3,20 |
0,97 |
10 ´ 80 |
7,12 |
2,16 |
|
|
|
|
10 ´ 100 |
8,90 |
2,70 |
|
|
|
|
10 ´ 120 |
10,68 |
3,24 |
|
|
|
|
12 ´ 120 |
- |
3,88 |
|
|
|
|
12,5 ´ 120 |
12,8 |
- |
2. Стальные прямоугольные шины (ГОСТ 4405-75*)
|
Размеры, мм |
Масса 1 м, кг |
Размеры, мм |
Масса 1 м, кг |
Размеры, мм |
Масса 1 м, кг |
|
3 ´ 20 |
0,47 |
3 ´ 70 |
1,65 |
4 ´ 40 |
1,26 |
|
3 ´ 25 |
0,59 |
3 ´ 80 |
1,88 |
4 ´ 50 |
1,57 |
|
3 ´ 30 |
0,71 |
3 ´ 100 |
2,35 |
4 ´ 60 |
1,88 |
|
3 ´ 40 |
0,94 |
4 ´ 20 |
0,63 |
4 ´ 70 |
2,20 |
|
3 ´ 50 |
1,18 |
4 ´ 25 |
0,79 |
4 ´ 80 |
2,51 |
|
3 ´ 60 |
1,41 |
4 ´ 30 |
0,94 |
4 ´ 100 |
3,14 |
3. Трубчатые медные шины (ГОСТ 617-72)
|
Размеры, мм |
Сечение, мм2 |
Масса 1 м, кг |
Размеры, мм |
Сечение, мм |
Масса 1 м, кг |
||
|
Диаметр |
Толщина |
Диаметр |
Толщина |
||||
|
15 |
1,5 |
63 |
0,57 |
45 |
2,5 |
337 |
3,00 |
|
18 |
2,0 |
100 |
0,90 |
50 |
2,5 |
378 |
3,34 |
|
20 |
2,0 |
113 |
1,01 |
55 |
3,0 |
490 |
4,35 |
|
22 |
2,0 |
126 |
1,12 |
60 |
3,5 |
622 |
5,54 |
|
24 |
2,0 |
138 |
1,24 |
70 |
4,0 |
829 |
7,42 |
|
26 |
2,0 |
151 |
1,35 |
80 |
4,0 |
955 |
8,55 |
|
30 |
2,5 |
217 |
1,93 |
85 |
5,0 |
1256 |
11,25 |
|
34 |
2,5 |
250 |
2,21 |
95 |
2,5 |
725 |
6,5 |
|
40 |
2,5 |
297 |
2,64 |
100 |
3,5 |
1061 |
9,44 |
4. Профили из алюминия и его сплава (ГОСТ 15175-70*)
|
Номер профиля |
Размеры, мм |
Сечение, мм |
Масса 1 м, кг |
||
|
В |
Н |
S |
|||
|
Швеллер (см. рисунок а) |
|||||
|
52 |
25 |
15 |
1,5 |
79,5 |
0,215 |
|
65 |
30 |
15 |
1,5 |
87,0 |
0,236 |
|
108 |
30 |
20 |
2,0 |
133,5 |
0,362 |
|
112 |
35 |
20 |
2,5 |
177,0 |
0,480 |
|
156 |
25 |
25 |
5,0 |
325,0 |
0,881 |
|
168 |
40 |
25 |
3,0 |
254,9 |
0,691 |
|
182 |
55 |
25 |
5,0 |
481,9 |
1,306 |
|
188 |
60 |
25 |
4,0 |
413,1 |
1,120 |
|
306 |
80 |
35 |
4,5 |
641,4 |
1,738 |
|
338 |
80 |
40 |
4,0 |
613,1 |
1,662 |
|
366 |
75 |
45 |
5,0 |
783,1 |
2,122 |
|
Корытный (см. рисунок б) |
|||||
|
299 |
75 |
35 |
4,0 |
520 |
1,411 |
|
301 |
75 |
35 |
5,5 |
595 |
1,885 |
|
368 |
100 |
45 |
4,5 |
775 |
2,100 |
|
370 |
100 |
45 |
6,0 |
1011 |
2,741 |
|
443 |
125 |
55 |
6,5 |
1370 |
3,710 |
|
445 |
125 |
55 |
8,0 |
1655 |
4,487 |
|
470 |
150 |
65 |
7,0 |
1781 |
4,826 |
|
528 |
175 |
80 |
8,0 |
2442 |
6,618 |
|
549 |
200 |
90 |
10,0 |
3437 |
9,314 |
|
551 |
200 |
90 |
12,0 |
4045 |
10,963 |
|
570 |
225 |
105 |
12,5 |
4866 |
13,242 |
|
575 |
225 |
105 |
17,5 |
6568 |
17,800 |
|
577 |
250 |
115 |
12,5 |
5450 |
14,766 |
|
581 |
275 |
120 |
12,5 |
5886 |
15,952 |
|
П-образный (см. рисунок в) |
|||||
|
505 |
75 |
75 |
4 |
840 |
2,278 |
|
507 |
75 |
75 |
6 |
1232 |
3,338 |
|
555 |
100 |
100 |
5 |
1405 |
3,807 |
|
557 |
100 |
100 |
7 |
1933 |
5,238 |
|
583 |
125 |
125 |
7,5 |
2612 |
7,077 |
|
585 |
150 |
150 |
8 |
3376 |
9,149 |
|
587 |
175 |
175 |
9,5 |
4670 |
12,657 |
|
589 |
200 |
200 |
11,5 |
6441 |
17,454 |
|
591 |
200 |
200 |
13,5 |
7472 |
20,249 |
|
593 |
225 |
225 |
14,5 |
9078 |
24,600 |
|
595 |
250 |
250 |
15 |
10500 |
28,455 |
|
597 |
275 |
275 |
15 |
11622 |
31,497 |

5. Трубы
Полутруба (см. рисунок г)
|
Номер профиля |
Размеры, мм |
Сечение, мм2 |
Масса 1 м, кг |
|
|
D, В |
S |
|||
|
6 |
280 |
15 |
5944 |
16,107 |
|
8 |
280 |
12 |
4811 |
13,039 |
|
7 |
280 |
10 |
4041 |
10,951 |
|
10 |
280 |
8 |
3258 |
8,829 |
|
19 |
350 |
15 |
7292 |
19,761 |
|
21 |
350 |
10 |
4940 |
13,387 |
|
23 |
420 |
15 |
8942 |
24,232 |
|
25 |
420 |
10 |
6040 |
16,367 |
|
31 |
490 |
15 |
10591 |
28,702 |
|
33 |
490 |
10 |
7140 |
19,348 |
|
36 |
520 |
15 |
11298 |
30,618 |
|
37 |
520 |
10 |
7611 |
20,625 |
Квадратная труба (см. рисунок е)
|
Размеры, мм |
Сечение, мм2 |
Масса 1 м, кг |
|
|
D, В |
S |
||
|
70 |
4 |
1014,8 |
2,750 |
|
75 |
5 |
1335,6 |
3,619 |
|
80 |
5 |
1435,6 |
3,890 |
|
90 |
6 |
1635,6 |
4,432 |
Круглая труба (см. рисунок д)
|
Размеры, мм |
Сечение, мм2 |
Масса 1 м, кг |
|
|
D, В |
S |
||
|
10 |
1 |
28,5 |
0,077 |
|
14 |
1,5 |
59 |
0,160 |
|
16 |
2 |
88 |
0,238 |
|
18 |
2 |
100 |
0,271 |
|
20 |
2 |
114 |
0,309 |
|
22 |
2 |
127 |
0,344 |
|
24 |
2 |
139 |
0,377 |
|
26 |
2 |
152 |
0,412 |
|
30 |
2,5 |
217 |
0,588 |
|
34 |
2,5 |
250 |
0,678 |
|
40 |
2,5 |
297 |
0,805 |
|
45 |
2,5 |
337 |
0,913 |
|
50 |
2,5 |
378 |
1,024 |
|
52 |
3 |
480 |
1,301 |
|
55 |
2,5 |
418 |
1,133 |
|
60 |
2,5 |
457 |
1,338 |
|
65 |
2,5 |
495 |
1,341 |
|
70 |
2,5 |
535 |
1,450 |
|
75 |
2,5 |
575 |
1,558 |
|
80 |
2,5 |
615 |
1,667 |
|
80 |
4 |
960 |
2,602 |
|
85 |
2,5 |
650 |
1,762 |
|
85 |
3 |
775 |
2,100 |
|
85 |
5 |
1256 |
3,404 |
|
95 |
2,5 |
725 |
1,963 |
|
100 |
5 |
1500 |
4,065 |
|
140 |
10 |
4082 |
11,062 |
|
140 |
15 |
5900 |
15,989 |
|
210 |
10 |
6200 |
16,802 |
|
210 |
15 |
8600 |
23,306 |
|
250 |
10 |
7500 |
20,325 |
|
250 |
15 |
11000 |
29,810 |
6. Равнобокий уголок (см. рисунок ж)
|
Номер профиля |
Размеры, мм |
Сечение, мм2 |
Масса 1 м, кг |
|
|
l |
S |
|||
|
429 |
50 |
8 |
752,7 |
2,040 |
|
431 |
50 |
10 |
926,1 |
2,510 |
|
515 |
75 |
10 |
1426,1 |
3,838 |
|
567 |
100 |
12 |
2293,6 |
6,216 |
7. Профиль "двойное Т" (см. рисунок з)
|
Номер профиля |
Размеры, мм |
Сечение, мм2 |
Масса 1 м, кг |
|||||
|
H |
В |
h |
h1 |
S |
S1 |
|||
|
3 |
70 |
60 |
20 |
30 |
6 |
4 |
1288 |
3,490 |
|
7 |
100 |
80 |
30 |
40 |
8 |
6 |
2488 |
6,742 |
|
9 |
130 |
100 |
45 |
40 |
8 |
6 |
3468 |
9,398 |
|
13 |
150 |
120 |
55 |
40 |
10 |
8 |
5240 |
14,200 |
|
15 |
180 |
150 |
66 |
48 |
10 |
8 |
6520 |
17,669 |
|
17 |
200 |
200 |
75 |
50 |
10 |
8 |
8040 |
21,788 |
|
27 |
250 |
200 |
95 |
60 |
10 |
8 |
9240 |
25,040 |
|
35 |
270 |
250 |
100 |
70 |
10 |
8 |
10600 |
28,726 |
|
41 |
320 |
250 |
125 |
70 |
10 |
8 |
12000 |
32,520 |
|
Длина болта, мм |
Масса 1000 шт. (стальных), кг, при диаметре резьбы, мм |
|||||
|
М6 |
М8 |
М10 |
М12 |
М16 |
М20 |
|
|
Болты с шестигранной головкой (ГОСТ 7798-70*) |
||||||
|
16 |
5,930 |
11,80 |
22,70 |
32,57 |
- |
- |
|
20 |
6,742 |
13,25 |
24,97 |
35,85 |
68,49 |
- |
|
25 |
7,871 |
15,07 |
27,82 |
39,95 |
75,87 |
136,4 |
|
30 |
8,981 |
17,35 |
30,66 |
44,05 |
83,24 |
147,9 |
|
32 |
9,426 |
18,140 |
32,03 |
45,68 |
86,19 |
152,5 |
|
35 |
10,090 |
19,32 |
33,88 |
48,43 |
90,62 |
159,4 |
|
40 |
11,200 |
21,30 |
36,96 |
52,87 |
97,99 |
170,9 |
|
45 |
12,310 |
23,27 |
40,05 |
57,31 |
105,70 |
182,5 |
|
50 |
13,42 |
25,25 |
43,13 |
61,76 |
113,60 |
194,0 |
|
55 |
14,53 |
27,22 |
46,22 |
66,20 |
121,50 |
206,8 |
|
60 |
15,64 |
29,200 |
49,30 |
70,64 |
129,40 |
219,1 |
|
65 |
16,76 |
31,170 |
52,39 |
75,08 |
137,30 |
231,5 |
|
70 |
17,87 |
33,14 |
55,47 |
79,53 |
145,20 |
249,8 |
|
75 |
18,98 |
35,12 |
58,56 |
83,97 |
153,10 |
258,1 |
|
80 |
20,09 |
37,69 |
61,64 |
88,42 |
161,00 |
268,1 |
|
85 |
21,20 |
39,07 |
64,73 |
92,86 |
168,90 |
280,8 |
|
90 |
22,31 |
41,04 |
67,81 |
97,29 |
176,80 |
293,2 |
|
95 |
- |
43,02 |
70,80 |
101,70 |
184,70 |
305,5 |
|
100 |
- |
44,99 |
73,98 |
106,20 |
192,60 |
317,8 |
|
Гайки шестигранные нормальной точности (ГОСТ 5915-70*) |
||||||
|
|
- |
9,65 |
16,31 |
30,08 |
59,90 |
117,1 |
|
Гайки шестигранные, низкие, нормальной точности (ГОСТ 5916-70*) |
||||||
|
|
0,948 |
4,011 |
8,478 |
10,610 |
19,58 |
34,68 |
Примечания: 1. Для определения массы болтов и гаек из алюминиевого сплава и латуни массу, указанную в таблице, следует умножить на 0,359 для алюминиевых сплавов и на 1,083 для латуни.
2. Стальные метизы должны быть оцинкованы или должны иметь другое равноценное покрытие.
|
Диаметр болта, мм |
Шайбы |
|||
|
Диаметр, мм |
Толщина, мм |
Масса 1000 стальных шайб, кг |
||
|
внутренний |
наружный |
|||
|
По ГОСТ 11371-781 |
||||
|
6 |
6,4 |
12,5 |
1,2 |
0,853 |
|
8 |
8,4 |
17,5 |
1,6 |
2,320 |
|
10 |
10,5 |
21,0 |
2,0 |
4,080 |
|
12 |
13,0 |
24,0 |
2,5 |
6,270 |
|
16 |
17,0 |
30,0 |
3,0 |
11,300 |
|
20 |
21,0 |
37,0 |
4,0 |
32,900 |
|
По ГОСТ 6958-782 |
||||
|
6 |
6,4 |
18,0 |
1,6 |
2,79 |
|
8 |
8,4 |
24,0 |
2,0 |
6,23 |
|
10 |
10,5 |
30,0 |
3,0 |
14,60 |
|
12 |
13,0 |
36,0 |
3,0 |
20,80 |
|
16 |
17,0 |
48,0 |
4,0 |
49,60 |
|
20 |
21,0 |
60,0 |
5,0 |
97,40 |
1 В соответствии с п. 2 ГОСТ 11371-78 допускается по соглашению сторон изготовление шайб большей толщины.
2 Для определения массы шайб из алюминиевого сплава и латуни массу, указанную в таблице, следует умножить на 0,356 для алюминиевого сплава и на 1,083 для латуни.
|
Тип |
Толщина, мм |
Ширина, мм |
Длина, мм |
Масса, кг |
|
|
медной части |
алюминиевой части |
||||
|
Медно-алюминиевые (ГОСТ 19357-81) |
|||||
|
МА40 ´ 4 |
4 |
40 |
60 |
100 |
0,13 |
|
МА60 ´ 6 |
6 |
50 |
60 |
100 |
0,24 |
|
МА60 ´ 8 |
8 |
60 |
80 |
160 |
0,56 |
|
МА80 ´ 8 |
8 |
80 |
90 |
160 |
0,79 |
|
МА100 ´ 10 |
10 |
100 |
110 |
160 |
1,41 |
|
МА120 ´ 10 |
10 |
120 |
140 |
190 |
2,10 |
|
МА100 ´ 12 |
12 |
100 |
140 |
190 |
2,10 |
|
Из алюминиевого сплава (ТУ 36-931-67) |
|||||
|
АП-40 ´ 4 (К 181) |
4 |
40 |
160 |
0,07 |
|
|
АП-50 ´ 6 (К 182) |
6 |
50 |
160 |
0,13 |
|
|
АП-60 ´ 8 (К 183) |
8 |
60 |
240 |
0,31 |
|
|
АП-80 ´ 8 (К 184) |
8 |
80 |
250 |
0,43 |
|
|
АП-100 ´ 10 (К 185) |
10 |
100 |
270 |
0,73 |
|
|
АП-120 ´ 10 (К 186) |
10 |
120 |
330 |
1,07 |
|
|
Номинальное сечение, мм2 |
Масса 1 км провода, кг |
Номинальное сечение, мм2 |
Масса 1 км провода, кг |
||
|
медного марки М |
алюминиевого марки А |
медного марки М |
алюминиевого марки А |
||
|
4 |
35 |
- |
120 |
1058 |
321 |
|
6 |
52 |
- |
150 |
1338 |
406 |
|
10 |
88 |
- |
185 |
1659 |
502 |
|
16 |
142 |
43 |
240 |
2124 |
655 |
|
25 |
224 |
68 |
300 |
2614 |
794 |
|
|
|
|
350 |
3135 |
952 |
|
35 |
311 |
94 |
400 |
3528 |
1072 |
|
50 |
444 |
135 |
500 |
- |
1378 |
|
70 |
612 |
189 |
600 |
- |
1618 |
|
95 |
850 |
252 |
|
|
|
|
Номинальное сечение, мм2 |
Число проволок |
Диаметр, мм |
Масса провода (без смазки), кг/км |
|||
|
алюминиевых |
в стальном сердечнике |
провода |
стального сердечника |
|||
|
10/1,8 |
6 |
1 |
4,5 |
1,5 |
42,7 |
|
|
16/2,7 |
6 |
1 |
5,6 |
1,9 |
65 |
|
|
25/4,2 |
6 |
1 |
6,9 |
2,3 |
100 |
|
|
35/6,2 |
6 |
1 |
8,4 |
2,8 |
149 |
|
|
50/8 |
6 |
1 |
9,6 |
3,2 |
194 |
|
|
70/11 |
6 |
1 |
11,4 |
3,8 |
274 |
|
|
70/72 |
18 |
19 |
15,4 |
11,0 |
735 |
|
|
95/16 |
6 |
1 |
13,5 |
4,5 |
384 |
|
|
95/15 |
26 |
7 |
13,5 |
5,0 |
370 |
|
|
95/140 |
24 |
37 |
19,8 |
15,4 |
1357 |
|
|
120/19 |
26 |
7 |
15,2 |
5,6 |
471 |
|
|
120/27 |
30 |
7 |
15,5 |
6,6 |
526 |
|
|
150/19 |
24 |
7 |
16,8 |
5,5 |
554 |
|
|
150/24 |
26 |
7 |
17,1 |
6,3 |
600 |
|
|
150/34 |
30 |
7 |
17,5 |
7,5 |
675 |
|
|
185/24 |
24 |
7 |
18,9 |
6,3 |
705 |
|
|
185/29 |
26 |
7 |
18,8 |
6,9 |
728 |
|
|
185/43 |
30 |
7 |
19,6 |
8,4 |
846 |
|
|
185/128 |
54 |
37 |
23,1 |
14,7 |
1525 |
|
|
240/32 |
24 |
7 |
21,6 |
7,2 |
921 |
|
|
240/39 |
26 |
7 |
21,6 |
8,0 |
952 |
|
|
240/56 |
30 |
7 |
22,4 |
9,6 |
1106 |
|
|
300/39 |
24 |
7 |
24,0 |
8,0 |
1132 |
|
|
300/48 |
26 |
7 |
24,1 |
8,9 |
1186 |
|
|
300/66 |
30 |
19 |
24,5 |
10,5 |
1313 |
|
|
300/204 |
54 |
37 |
29,2 |
18,6 |
2428 |
|
|
400/22 |
76 |
7 |
26,6 |
6,0 |
1261 |
|
|
400/51 |
54 |
7 |
27,5 |
9,2 |
1490 |
|
|
400/64 |
26 |
7 |
27,7 |
10,2 |
1572 |
|
|
400/93 |
30 |
19 |
29,1 |
12,5 |
1851 |
|
|
500/27 |
76 |
7 |
29,4 |
8,6 |
1537 |
|
|
500/64 |
54 |
7 |
30,6 |
10,2 |
1852 |
|
|
500/336 |
54 |
61 |
37,5 |
23,9 |
4005 |
|
|
600/72 |
54 |
19 |
33,2 |
11,0 |
2170 |
|
|
700/86 |
96 |
19 |
36,2 |
12,0 |
2575 |
|
|
800/105 |
96 |
19 |
39,7 |
13,3 |
3092 |
|
1. Руководство по термитной сварке. М.: Энергия, 1977. 112 с.
2.
Инструкция по сварке цветных металлов в электромонтажном производстве
. М.: Энергия, 1978. 140 с.
СОДЕРЖАНИЕ