ГОСТ Р 51731-2001
(МЭК 61095-92)
ГОСУДАРСТВЕННЫЙ СТАНДАРТ РОССИЙСКОЙ ФЕДЕРАЦИИ
КОНТАКТОРЫ ЭЛЕКТРОМЕХАНИЧЕСКИЕ
БЫТОВОГО И АНАЛОГИЧНОГО НАЗНАЧЕНИЯ
ГОССТАНДАРТ РОССИИ
Москва
Предисловие
1 РАЗРАБОТАН Акционерным обществом открытого типа «НИИЭлектроаппарат»
ВНЕСЕН Техническим комитетом по стандартизации ТК 330 «Низковольтные коммутационные аппараты»
2 ПРИНЯТ И ВВЕДЕН В ДЕЙСТВИЕ Постановлением Госстандарта Российской Федерации от 5 апреля 2001 г. № 168-ст
3 Настоящий стандарт, за исключением приложения Н, представляет собой аутентичный текст международного стандарта МЭК 61095 (1992) «Электромеханические контакторы бытового и аналогичного назначения» с дополнительными требованиями, учитывающими потребности экономики страны
4 ВВЕДЕН ВПЕРВЫЕ
СОДЕРЖАНИЕ
ГОСТ Р 51731-2001
(МЭК 61095-92)
ГОСУДАРСТВЕННЫЙ СТАНДАРТ РОССИЙСКОЙ ФЕДЕРАЦИИ
КОНТАКТОРЫ ЭЛЕКТРОМЕХАНИЧЕСКИЕ БЫТОВОГО И АНАЛОГИЧНОГО НАЗНАЧЕНИЯ
Electromechanical contactors for hausehold and similar purposes
Дата введения 2002-01-01
Настоящий стандарт распространяется на контакторы с воздушным зазором между контактами бытового и аналогичного назначения для цепей номинальным напряжением не более 440 В переменного тока и номинальным током не более 63 А для категории применения АС-7а, 32А - для категории применения АС-7b и значением номинального тока короткого замыкания не более 6 кА.
Контакторы, рассматриваемые в настоящем стандарте, обычно не предназначены для отключения токов короткого замыкания. Защита от коротких замыканий должна обеспечиваться электроустановкой, в которой применяются контакторы (см. 9.3.4).
Стандарт не распространяется на:
- контакторы, исполненные по ГОСТ 30011.4.1;
- полупроводниковые контакторы;
- контакторы специального назначения;
- вспомогательные контакты контакторов (они рассматриваются в ГОСТ Р 50030.5.1).
Настоящий стандарт устанавливает:
1) характеристики контакторов;
2) условия, при которых контакторы должны соответствовать требованиям относительно:
а) работы и поведения;
б) диэлектрических свойств;
в) степени защиты оболочек;
г) конструкции контакторов;
3) испытания, предназначенные для подтверждения того, что эти требования выполняются;
4) информацию, которая должна прилагаться к контакторам или указываться в каталогах изготовителя.
В настоящем стандарте использованы ссылки на следующие документы:
ГОСТ 9.005-72 Единая система защиты от коррозии и старения. Металлы, сплавы, металлические и неметаллические неорганические покрытия. Допустимые и недопустимые контакты с металлами и неметаллами
ГОСТ 12.2.007.0-75 Система стандартов безопасности труда. Изделия электротехнические. Общие требования безопасности
ГОСТ 12.2.007.6-75 Система стандартов безопасности труда. Аппараты коммутационные низковольтные. Требования безопасности*
* Стандарт действует на территории Российской Федерации.
ГОСТ 11478-88 (МЭК 68-2, серия стандартов). Аппаратура радиоэлектронная бытовая. Нормы и методы испытаний на воздействие внешних механических и климатических факторов
ГОСТ 14254-96 (МЭК 529-89) Степени защиты, обеспечиваемые оболочками (Код IP)
ГОСТ 15150-69 Машины, приборы и другие технические изделия. Исполнения для различных климатических районов. Категории, условия эксплуатации, хранения и транспортирования в части воздействия климатических факторов внешней среды
ГОСТ 15543.1-89 Изделия электротехнические. Общие требования в части стойкости к климатическим внешним воздействующим факторам
ГОСТ 16357-83 Разрядники вентильные переменного тока на номинальные напряжения от 3,8 до 10 кВ. Общие технические условия
ГОСТ 16504-81 Система государственных испытаний продукции. Испытания и контроль качества продукции. Основные термины и определения
ГОСТ 16962.1-89 (МЭК 68-2-1-74) Изделия электротехнические. Методы испытаний и устойчивость к климатическим внешним воздействующим факторам
ГОСТ 16962.2-90 Изделия электротехнические. Методы испытаний на стойкость к механическим внешним воздействующим факторам
ГОСТ 17516.1-90 Изделия электротехнические. Общие требования в части стойкости к механическим внешним воздействующим факторам
ГОСТ 18620-86 Изделия электротехнические. Маркировка
ГОСТ 21991-89 (МЭК 447-74) Оборудование электротехническое. Аппараты электрические. Направление движения органов управления
ГОСТ 22789-94 (МЭК 439-1-85) Устройства комплектные низковольтные. Общие технические требования и методы испытаний
ГОСТ 23216-78 Изделия электротехнические. Хранение, транспортирование, временная противокоррозионная защита, упаковка. Общие требования и методы испытаний
ГОСТ 24622-91 (ИСО 2039-2-87) Пластмассы. Определение твердости. Твердость по Роквеллу
ГОСТ 24753-81 Выводы контактные электротехнических устройств. Общие технические требования
ГОСТ 27473-89 (МЭК 112-79) Материалы электроизоляционные твердые. Метод определения сравнительного и контрольного индексов трекингостойкости во влажной среде
ГОСТ 27483-87 (МЭК 695-2-1-80) Испытания на пожароопасность. Методы испытания нагретой проволокой
ГОСТ 28312-89 (МЭК 417-73) Аппаратура радиоэлектронная профессиональная. Условные графические обозначения
ГОСТ 28779-90 (МЭК 707-81) Материалы электроизоляционные твердые. Методы определения воспламеняемости под воздействием источника зажигания
ГОСТ 29149-91 (МЭК 73-84) Цвета световой сигнализации и кнопок
ГОСТ 30011.4.1-96 (МЭК 947-4-1-90) Низковольтная аппаратура распределения и управления. Часть 4. Контакторы и пускатели. Раздел 1. Электромеханические контакторы и пускатели
ГОСТ Р 15.201-2000 Система разработки и постановки продукции на производство. Продукция производственно-технического назначения. Порядок разработки и постановки продукции на производство
ГОСТ Р 50030.1-92 (МЭК 947-1-88) Низковольтная аппаратура распределения и управления. Часть 1. Общие требования
ГОСТ Р 50030.5.1-99 (МЭК 947-5-1-90) Аппаратура распределения и управления низковольтная. Часть 5.1. Аппараты и элементы коммутации для цепей управления
ГОСТ Р 50571.19-2000 (МЭК 60364-4-443-95) Электроустановки зданий. Часть 4. Требования по обеспечению безопасности. Глава 44. Защита от перенапряжений. Раздел 443. Защита электроустановок от грозовых и коммутационных перенапряжений
В настоящем стандарте применяют следующие определения.
3.1.1 сверхток: Ток, превышающий номинальное значение (МЭК 60050(441-11-06) [1].
3.1.2 короткое замыкание: Случайное или преднамеренное соединение резистором или импедансом со сравнительно низким сопротивлением двух или более точек в цепи, нормально находящихся под различным напряжением.
3.1.3 ток короткого замыкания: Сверхток, появляющийся в результате короткого замыкания, вызываемого повреждением или неправильным соединением в электрической цепи (МЭК 60050(441-11-07).
3.1.4 перегрузка: Условия появления сверхтока в электрически не поврежденной цепи (МЭК 60050(441-11-08).
3.1.5 ток перегрузки: Сверхток в электрически не поврежденной цепи.
3.1.6 температура окружающего воздуха: Температура воздуха, определенная при заданных условиях, которая окружает весь коммутационный аппарат или предохранитель (МЭК 60050(441-11-13).
Примечание - Для коммутационных аппаратов или предохранителей, установленных внутри оболочки, - температура воздуха вне оболочки.
3.1.7 токопроводящая часть: Часть, способная проводить ток, но не обязательно предназначенная для проведения рабочего тока в условиях эксплуатации (МЭК 60050(441-11-09).
3.1.8 открытая токопроводящая часть: Токопроводящая часть, которой легко коснуться и которая в нормальных условиях эксплуатации не находится под напряжением, но может оказаться под ним в аварийных условиях (МЭК 60050(441-11-10).
Примечание - Типичные примеры - это стенки оболочки, ручки управления и т.д.
3.1.9 поражение электрическим током: Патофизиологический эффект, обусловленный прохождением электрического тока через тело человека или животного (МЭК 60050(826-03-04) [2].
3.1.10 токоведущая часть: Проводник или проводящая часть, находящиеся под напряжением в нормальных условиях эксплуатации, включая нейтральный проводник, но не проводник PEN (защитный нулевой провод) (МЭК 60050(826-03-01).
Примечание - Термин необязательно относится к опасности поражения электрическим током.
3.1.11 защитный проводник (символ РЕ): Проводник, необходимый в некоторых случаях для защиты от поражения электрическим током, при электрическом присоединении какой-либо из следующих частей (МЭК 60050(826-04-05):
- открытой токопроводящей части;
- наружной токопроводящей части;
- главного вывода заземления;
- заземляемой точки источника питания или искусственной нейтрали.
3.1.12 нулевой рабочий проводник (символ N): Проводник, присоединенный к нейтральной точке системы и способствующий передаче электрической энергии (МЭК 60050(826-01-3).
Примечание - В некоторых случаях функции защитного и нейтрального проводника могут быть совмещены в установленных условиях в одном и том же проводнике. При этом он считается как PEN-проводник (символ PEN).
3.1.13 оболочка: Часть, обеспечивающая заданную степень защиты оборудования от внешних воздействий и заданную степень защиты от приближения или прикосновения к частям, находящимся под напряжением, и подвижным частям.
Примечание - Определение аналогично формулировке МЭК 60050(441-13-01), относящейся к узлам.
3.1.14 неотделимая оболочка: Оболочка, составляющая одно целое с оборудованием.
3.1.15 категория применения (для коммутационного устройства или предохранителя): Комбинация определенных требований, отнесенных к состоянию, в котором коммутационный аппарат или плавкий предохранитель выполняет свои функции, отобранных в качестве типичных для характерной группы практических применений (МЭК 60050(441-17-19).
Примечание - Требования могут затрагивать, например, значения включающей и отключающей способностей и другие характеристики, подключенные цепи, условия эксплуатации и поведение
3.2.1 коммутационное устройство: Прибор, предназначенный для включения или отключения тока в одной или нескольких электрических цепях (МЭК 60050(441-14-01).
Примечание - Коммутационное устройство может выполнять одну или обе операции
3.2.2 механическое коммутационное устройство: Коммутационное устройство, предназначенное для замыкания и размыкания одной или нескольких цепей с помощью размыкаемых контактов (МЭК 60050(441-14-02).
Примечание - Любое механическое коммутационное устройство можно характеризовать в зависимости от среды, в которой размыкаются и замыкаются его контакты, например воздушной, SFG (элегазовой), масляной.
3.2.3 полупроводниковое коммутационное устройство: Коммутационное устройство, созданное для включения и/или отключения тока в электрической цепи в результате воздействия на регулируемую проводимость полупроводника.
Примечание - Определение отличается от МЭК 60050(441-14-03) тем, что полупроводниковый коммутационный прибор рассчитан также на отключение тока
3.2.4 плавкий предохранитель: Коммутационный аппарат, размыкающий цепь (посредством плавления одного или нескольких своих специально спроектированных и калиброванных элементов), в которую он включен, и отключает ток, когда он превышает заданное значение в течение достаточного времени. Плавкий предохранитель содержит все части, образующие укомплектованный аппарат (МЭК 60050(441-18-01).
3.2.5 автоматический выключатель: Контактный коммутационный аппарат, способный включать, проводить и отключать токи при нормальных условиях в цепи, а также включать, проводить в течение установленного нормированного времени и отключать токи при указанных ненормальных условиях в цепи, таких как короткое замыкание (МЭК 60050(441-14-20).
3.2.6 контактор (контактный): Контактный коммутационный аппарат с единственным положением покоя, с управлением не вручную, способный включать, проводить и отключать токи при нормальных условиях цепи, включая перегрузку (МЭК 60050(441-14-33).
Примечания
1 Термин «с управлением не вручную» означает, что для управления прибором и его работы требуется одно или несколько внешних усилий
2 Контактор обычно предназначен для частой работы.
3.2.7 электромагнитный контактор: Контактор, в котором сила для замыкания контактов обеспечивается электромагнитом.
3.2.8 запираемый контактор: Контактор, в котором запирающее приспособление не позволяет подвижным элементам вернуться в положение покоя, когда прекращается воздействие на механизм (МЭК 60050(441-14-34).
Примечания
1. Запор защелки и его расцепитель могут быть механическим, электромагнитным, пневматическим и т.д.
2. Благодаря запору запираемый контактор фактически приобретает второе положение покоя и в соответствии с определением контактора, в строгом смысле слова, он не является контактором. Однако поскольку по области применения и конструкции запираемый контактор ближе к контакторам вообще, чем к любым другим коммутационным аппаратам, считают необходимым его соответствие, когда уместно, требованиям к контакторам.
3.2.9 полупроводниковый контактор: Аппарат, который выполняет функции контактора за счет использования полупроводникового коммутационного аппарата.
Примечание - Полупроводниковый контактор может также включать в себя контактные коммутационные аппараты.
3.2.10 контрольное коммутационное устройство: Автоматически управляемое коммутационное устройство, начинающее работать при определенных условиях, выраженных в количественном значении (МЭК 60050(441-14-48)
Примечание - Количественным значением может быть давление, температура, скорость, уровень жидкости и т.д.
3.2.11 нажимная кнопка: Аппарат управления, имеющий орган управления, предназначенный для оперирования усилием, создаваемым частью человеческого тела, обычно ладонью или пальцем руки, и имеющий устройство возврата накопленной энергии (пружину) (МЭК 60050(441-18-01).
3.2.12 аппарат защиты от короткого замыкания (АЗКЗ): Аппарат, предназначенный для защиты цепи или участка цепи от токов короткого замыкания посредством их отключения.
3.2.13 разрядник для защиты от перенапряжений: Устройство, предназначенное для защиты электрооборудования от высоких переходных перенапряжений и ограничения длительности, а часто и амплитуды последующего тока (МЭК 60050(604-03-51) [3]
3.3.1 полюс коммутационного устройства: Часть устройства, связанная исключительно с одним электрически отделенным токопроводящим путем главной цепи, за исключением частей, служащих для монтажа и оперирования всеми полюсами совместно.
Примечание - Коммутационный аппарат называют однополюсным, если он имеет только один полюс. Если он имеет более одного полюса, он может называться многополюсным, при условии, что эти полюса соединены или могут быть соединены для совместного оперирования (МЭК 60050(441-15-01).
3.3.2 главная цепь (коммутационного устройства): Все токоведущие части устройства, включенные в цепь, которая предназначена для замыкания и размыкания (МЭК 60050(441-15-02).
3.3.3 цепь управления (коммутационного устройства): Все токопроводящие части (кроме главной цепи) устройства, которые включены в цепь, используемую для замыкания или размыкания (или то и другое) устройства (МЭК 60050(441-15-03).
3.3.4 вспомогательная цепь (коммутационного устройства): Все токоведущие части коммутационного устройства, предназначенные для включения в цепь, кроме главной цепи и цепи управления устройства (МЭК 60050(441-15-04).
Примечание - Некоторые вспомогательные цепи выполняют дополнительные функции, такие как сигнальные и т.д., и могут быть частью цепи управления другого коммутационного устройства.
3.3.5 контакт (механического коммутационного устройства): Токопроводящие части, предназначенные для установления непрерывности цепи при их соприкосновении и в результате движения относительно друг друга в процессе оперирования замыкающие или размыкающие цепь, или, в случае шарнирного или скользящего контактов, поддерживающие непрерывность цепи (МЭК 60050(441-15-05).
3.3.6 контакт-деталь: Одна из проводящих частей, образующих контакт (МЭК 60050(441-15-06).
3.3.7 главный контакт: Контакт, входящий в главную цепь механического коммутационного устройства, предназначенный для приведения в замкнутом положении тока главной цепи (МЭК 60050(441-15-07).
3.3.8 контакт управления: Контакт, входящий в цепь управления механического коммутационного устройства и механически приводимый в действие этим устройством (МЭК 60050(441-15-09).
3.3.9 вспомогательный контакт: Контакт, входящий во вспомогательную цепь и механически приводимый в действие этим устройством (МЭК 60050(441-15-10).
3.3.10 блок-контакт (механического коммутационного устройства): Выключатель с одним или несколькими контактами управления и/или вспомогательными контактами и механически приводимый в действие этим аппаратом (МЭК 60050(441-15-11).
3.3.12 контакт b, размыкающий контакт: Контакт управления или вспомогательный контакт, который разомкнут, когда главные контакты механического коммутационного устройства замкнуты, и замкнут, когда они разомкнуты (МЭК 60050(441-15-13).
3.3.13 расцепитель (механического коммутационного устройства): Устройство, механически связанное с механическим коммутационным устройством, которое освобождает удерживающие приспособления и позволяет размыкать и замыкать коммутационное устройство (МЭК 60050(441-15-17).
Примечание- Размыкание может быть мгновенным, с задержкой времени и т.д.
3.3.14 система управления (механического коммутационного устройства): Все устройства оперирования механическим коммутационным устройством, которые передают усилие управления контакт-деталям.
Примечание - Устройства оперирования системы управления могут быть механическими, электромагнитными, гидравлическими и т.д.
3.3.15 орган управления: Часть системы управления, к которой прилагают извне усилие управления.
Примечание - Орган управления может иметь форму рукоятки, нажимной кнопки и т.д.
3.3.17 вывод (зажим, клемма): Токопроводящая часть устройства для электрического соединения с внешними цепями.
3.3.18 вывод под винт (резьбовой вывод): Вывод, предназначенный для соединения и отсоединения между собой двух и более проводников, причем соединение производится при помощи винтов или гаек любого типа.
3.3.19 безрезьбовой вывод: Вывод, предназначенный для соединения и отсоединения между собой двух и более проводников, причем соединение производится при помощи пружин, клиньев и т.д.
3.3.20 самонарезающий формующий винт: Винт, имеющий непрерывную резьбу. Он не должен выводить материал из отверстия под винт.
Образец такого винта показан на рисунке 1.
3.3.21 самонарезающий режущий винт: Винт, имеющий прерываемую часть резьбы, служащую для выемки материала из отверстия под винт.
Образец такого винта показан на рисунке 2.
3.3.22 зажим: Часть или несколько частей вывода, необходимые для механического крепления и электрического присоединения одного или нескольких проводников.
3.3.23 неподготовленный проводник: Проводник отрезанный и с удаленной изоляцией для установки в вывод.
Примечание - Проводник, подогнанный по форме для присоединения к выводу или жилы которого скручены для упрочнения конца, считают неподготовленным.
3.3.24 подготовленный проводник: Проводник, жилы которого облужены или конец которого снабжен кабельным наконечником и т.д.
3.4.1 срабатывание (механического коммутационного устройства): Перемещение одного или нескольких подвижных контактов из одного положения в другое (МЭК 60050(441-16-01).
Примечания
1. Для выключателя это может быть замыкание или размыкание.
2. Если необходимо различие, срабатывание под нагрузкой (например, включение или отключение тока) обозначает коммутацию, а без нагрузки (например, замыкание или размыкание цепи без тока) - механическое срабатывание.
3.4.2 цикл срабатываний: Последовательность переходов из одного положения в другое и обратно в первое через все прочие положения, если они имеются (МЭК 60050(441-16-02).
3.4.3 последовательность срабатываний: Последовательность установленных срабатываний с заданными интервалами времени (МЭК 60050(441-16-03).
3.4.4 автоматическое управление: Управление срабатыванием без участия человека, в ответ на определенные условия (МЭК 60050(441-16-05).
3.4.5 замыкание: Срабатывание, в результате которого устройство переводится из разомкнутого положения в замкнутое (МЭК 60050(441-16-08).
3.4.6 размыкание: Срабатывание, в результате которого устройство переводится из замкнутого положения в разомкнутое (МЭК 60050(441-16-09).
3.4.7 замкнутое положение: Положение, при котором обеспечена предусмотренная непрерывность главной цепи (МЭК 60050(441-16-22).
3.4.8 разомкнутое положение: Положение, в котором удовлетворяются требования к заданному выдерживаемому напряжению по изоляции между разомкнутыми контактами главной цепи устройства
Примечание - Определение отличается от МЭК 60050(441-16-23) требованиями к изоляционным свойствам.
3.4.9 положение покоя (контактора): Положение, при котором подвижные части контактора неподвижны, когда его электромагнит или пневматическое устройство не получает питания (МЭК 60050(441-16-24).
3.4.10 повторно-кратковременный режим включения (толчковый режим): Многократная подача энергии на двигатель (или соленоид) на короткое время с целью осуществления небольших смещений приводимого механизма.
3.4.11 торможение противовключением: Остановка или быстрое изменение направления вращения двигателя путем переключения первичных соединений двигателя в процессе его вращения.
3.5.1 номинальное значение: Количественное значение, указанное, как правило, изготовителем для определенного рабочего состояния детали, устройства или оборудования (МЭК 60050(151-04-03) [4].
3.5.2 предельное значение: Указанное в документации наибольшее или наименьшее допустимое значение характеристики (МЭК 60050(151-04-02).
3.5.3 номинальное значение: Количественное значение, указанное, как правило, изготовителем для определенного рабочего состояния детали, устройства или оборудования (МЭК 60050(151-04-03).
3.5.4 номинальный параметр: Система номинальных значений и рабочих условий (МЭК 60050(151-04-04).
3.5.5 ожидаемый ток (цепи по отношению к коммутационному устройству или плавкому предохранителю): Ток, который протекал бы в цепи, если бы каждый полюс коммутационного устройства или плавкого предохранителя был заменен проводником с пренебрежимо малым полным сопротивлением (МЭК 60050(441-17-01).
Примечание - Метод оценки и выражения ожидаемого тока должен быть уточнен в соответствующем стандарте на устройство.
3.5.6 ожидаемый пиковый ток: Пиковое значение ожидаемого тока в течение переходного периода после возбуждения (МЭК 60050(441-17-02).
Примечание - Определение подразумевает, что ток включается идеальным коммутационным устройством, т.е. с мгновенным переходом полного сопротивления от бесконечности к нулю. Для цепей, где ток может проходить по разным путям, предполагается, что ток включается одновременно во всех полюсах, даже если ток принимается во внимание только в одном полюсе.
3.5.7 максимальный ожидаемый пиковый ток (в цепях переменного тока): Ожидаемый пиковой ток, когда ток возбуждается в момент, обусловливающий его наибольшее возможное значение (МЭК 60050(441-17-04).
Примечание - Для многополюсного устройства в многофазной цепи этот ток относится только к одному полюсу.
3.5.8 ток отключения (коммутационного устройства или плавкого предохранителя): Ток в одном полюсе коммутационного устройства или в плавком предохранителе в момент образования дуги в процессе отключения (МЭК 60050(441-17-07).
Примечание - Для переменного тока - это симметричное действующее значение периодической составляющей.
3.5.9 отключающая способность (коммутационного устройства или плавкого предохранителя):
Значение ожидаемого тока отключения, которое способно отключать коммутационное устройство или плавкий предохранитель при установленном напряжении в предписанных условиях эксплуатации и поведения (МЭК 60050(441-17-08).
Примечания:
1. Напряжение устанавливается и условия предписываются в стандарте на соответствующее устройство.
2. Для переменного тока - это симметричное действующее значение периодической составляющей.
3. Определение наибольшей отключающей способности см. 3.5.11.
3.5.10 включающая способность (коммутационного устройства): Значение ожидаемого тока включения, который коммутационное устройство способно включать при установленном напряжении при определенных условиях эксплуатации и поведения (МЭК 60050(441-17-09).
Примечания
1 Напряжение устанавливается и условия предписываются в стандарте на соответствующее устройство.
2 Наибольшая включающая способность определяется по 3.5.12.
3.5.13 интеграл Джоуля (Ft): Интеграл квадрата силы тока по данному интервалу времени (МЭК 60050(441-18-23)
.
3.5.14 ток отсечки: Максимальное мгновенное значение тока, достигаемое в процессе отключения тока коммутационным устройством или плавким предохранителем (МЭК 60050(441-17-12).
Примечание - Это понятие особенно важно, когда коммутационное устройство или плавкий предохранитель срабатывают так, что ожидаемый пиковый ток цепи не достигается.
3.5.15 напряжение до включения (для коммутационного устройства): Напряжение между выводами полюса коммутационного устройства непосредственно перед включением тока (МЭК 60050(441-17-24).
Примечание - Это определение действительно для однополюсного устройства. Для многополюсного устройства - это межфазное напряжение на входных выводах устройства.
3.5.16 восстанавливающееся и возвращающееся напряжение: Напряжение, появляющееся на выводах полюса коммутационного устройства или плавкого предохранителя после отключения тока (МЭК 60050(441-17-25).
Примечания
1 Напряжение можно рассматривать на протяжении двух последовательных интервалов времени, на первом из которых - переходное напряжение, на последующем - промышленной частоты.
2 Определение действительно для однополюсного устройства. Для многополюсного устройства - это межфазное напряжение на входных выводах устройства.
3.5.17 восстанавливающееся напряжение: Напряжение в период времени, когда оно носит в значительной степени переходный характер (МЭК 60050(441-17-26).
Примечание - Переходное напряжение может быть колебательным, или неколебательным, или носить смешанный характер в зависимости от характеристики цепи, коммутационного устройства или плавкого предохранителя. Сюда относится и сдвиг напряжения нейтрали многофазной цепи.
3.5.18 возвращающееся напряжение: Напряжение после переходных процессов (МЭК 60050(441-17-27).
3.5.19 установившееся возвращающееся напряжение постоянного тока: Напряжение в цепи постоянного тока после исчезновения переходных явлений, выраженное средним значением, при наличии пульсации (МЭК 60050(441-17-28).
3.5.20 воздушный зазор: Расстояние между двумя токопроводящими частями по кратчайшей прямой (МЭК 60050(441-17-31).
3.5.21 расстояние утечки: Кратчайшее расстояние по поверхности изоляционного материала между двумя токопроводящими частями.
Примечание - Стык между двумя частями из изоляционного материала считают частью поверхности.
3.5.23 коммутационное перенапряжение: Переходное перенапряжение на данном участке системы, обусловленное конкретной операцией коммутирования или повреждением.
3.5.24 импульсное выдерживаемое напряжение: Наибольшее пиковое значение импульсного напряжения предписанной формы и полярности, которое не вызывает пробоя в указанных условиях испытания.
3.5.25 выдерживаемое напряжение промышленной частоты: Действующее значение синусоидального тока промышленной частоты, которое не вызывает пробоя в указанных условиях испытания.
3.5.26 загрязнение: Любая добавка инородного вещества, твердого, жидкого или газообразного (ионизированного газа), которая может повлиять на электрическую прочность изоляции или удельное сопротивление поверхности.
Примечания:
1. Степень загрязнения микросреды, воздействию которой подвергают оборудование, может отличаться от степени загрязнения микросреды, где оборудование размещено вследствие защиты, обеспечиваемой оболочкой, или внутреннего нагрева, препятствующего абсорбции или конденсации влаги.
2. В настоящем стандарте рассматривают степень загрязнения микросреды.
3.5.28 микросреда (воздушного зазора или расстояния утечки): Атмосфера вокруг данного воздушного зазора или расстояния утечки.
Примечание - Эффективность изоляции определяет микросреда расстояния утечки или воздушного зазора, а не микросреда оборудования. Эта микросреда может быть лучше или хуже среды оборудования. Она включает все факторы, влияющие на изоляцию, такие как климатические и электромагнитные условия, образование загрязнений и т.д.
3.5.29 категории перенапряжения (в цепи или в электрической системе): Условное число, основанное на ограничении (или регулировании) значений ожидаемых переходных перенапряжений, возникающих в цепи (или в электрической системе, имеющей разные номинальные напряжения), зависящих от способов воздействия на перенапряжения.
Примечание - В электрической системе переход от одной категории перенапряжения к другой более низкой достигается средствами, совместимыми с требованиями к переходным участкам, таких как устройство защиты от перенапряжения или последовательно-параллельного присоединения импеданса, способного рассеять, поглотить или отклонить энергию соответствующего импульсного тока с целью снижения переходного перенапряжения до желательной меньшей категории перенапряжения.
3.5.30 координация изоляции: Корреляция изоляционных свойств электрооборудования с ожидаемым перенапряжением и с характеристиками устройств защиты от перенапряжений с одной стороны и с предполагаемой микросредой и способами защиты от загрязнения - с другой.
3.5.33 образование путей утечки: Последовательное образование токопроводящих путей на поверхности твердого изоляционного материала под совместным воздействием электрической нагрузки и электрического загрязнения этой поверхности.
3.5.34 показатель относительной стойкости против тока утечки (СТ I): Числовое значение максимального напряжения в вольтах, при котором материал выдерживает воздействие 50 капель испытательного раствора без образования путей утечки.
Примечания
1 Значения каждого испытательного напряжения и СТ I должны быть кратны 25.
2 Это определение основано на 2.3 ГОСТ 27473.
Все параметры, которые могут служить критериями классификации, перечислены в 5.2.
Характеристики должны определяться следующими терминами:
- тип контактора (см. 5.2);
- номинальные и предельные значения параметров для главных цепей (см. 5.3);
- категория применения (см. 5.4);
- цепи управления (см. 5.5);
- вспомогательные цепи (см. 5.6);
- координация с устройствами защиты от коротких замыканий (см. 5.7);
- коммутационные перенапряжения (см. 5.8)
Необходимо указывать следующее (см. также раздел 6):
5.2.1 число полюсов;
5.2.2 способ управления (регулирования):
- автоматический (вспомогательным ключом или последовательным управлением);
- неавтоматический (например, рукой или нажимной кнопкой);
- полуавтоматический (т.е. частично автоматически и частично неавтоматически).
Номинальные значения, установленные для контактора, будут точно определяться в соответствии с 5.3.1-5.4, 5.7 и 5.8, но необязательно точно определять все перечисленные значения.
Контактор определяется следующими номинальными напряжениями.
5.3.1.1 Номинальное рабочее напряжение (Ue)
Номинальное рабочее напряжение контактора - это значение напряжения, в сочетании с номинальным рабочим током, определяющее назначение контактора, на которое ориентируются при проведении соответствующих испытаний и установлении категории применения.
Для однополюсного контактора номинальное рабочее напряжение обычно устанавливается как напряжение на полюсе, для многополюсного контактора - как многофазное напряжение.
Примечания
1. Контактору может быть присвоен ряд комбинаций номинальных рабочих напряжений и номинальных рабочих токов в зависимости от назначения и категорий применения.
2. Контактору может быть присвоен ряд номинальных рабочих напряжений, связанный с возможностью включения и отключения для разных целей и категорий применения.
3. Обращается внимание на тот факт, что рабочее напряжение может отличаться от рабочего напряжения (см. 3.5.22) внутри (в пределах) контактора.
5.3.1.2 Номинальное напряжение изоляции (Ui)
Номинальное напряжение изоляции контактора - это значение напряжения, по которому определяются испытательные напряжения при испытании изоляционных свойств, расстояния утечки и воздушные зазоры. Максимальное значение номинального рабочего напряжения не должно превышать номинального напряжения изоляции.
Примечание - Для контакторов, у которых номинальное напряжение изоляции не устанавливается, его следует принимать как наибольшее значение рабочего номинального напряжения.
5.3.1.3 Номинальное импульсное выдерживаемое напряжение (Uimp )
Номинальное импульсное выдерживаемое напряжение - пиковое значение импульсного напряжения заданной формы и полярности, которое контактор способен выдерживать без повреждения (аварии) в установленных условиях испытания и к которому относятся значения воздушных зазоров.
Это номинальное импульсное выдерживаемое напряжение контактора должно быть не ниже указанных значений переходного напряжения, возможных в системе, где установлен контактор.
Примечание - Предпочтительные значения номинального импульсного выдерживаемого напряжения даны в таблице 16.
5.3.2 Токи
Контакторы характеризуют следующие токи.
5.3.2.1 Условный тепловой ток на открытом воздухе (I)
Условный тепловой ток на открытом воздухе является максимальным значением испытательного тока, который должен быть использован для испытаний на превышение температуры контактора открытого исполнения на открытом воздухе (см. 9.3.3.3).
Значение условного теплового тока на открытом воздухе должно превышать или, в крайнем случае, равняться максимальному значению номинального рабочего тока (см. 5.3.2.3) контактора открытого исполнения в восьмичасовом режиме (см. 5.3.4.1).
Под открытым воздухом подразумевают нормальную атмосферу в помещении без сквозняков и внешней радиации.
Примечания
1 Это не номинальный параметр, и его не обязательно маркируют на контакторе.
2 Контактор открытого исполнения - это контактор, не снабженный изготовителем оболочкой, или контактор, выполненный изготовителем с неотъемлемой оболочкой, нормально не предназначенной служить единственной защитной оболочкой контактора.
5.3.2.2 Условный тепловой ток в оболочке (I)
Условный тепловой ток в оболочке - это указанное изготовителем значение тока, который должен использоваться для испытаний на превышение температуры коктактора, смонтированного в предусмотренной для него оболочке. Такие испытания должны проводиться в соответствии 9.3.3.3 и обязательно, если в каталогах изготовителя контактор обозначается как применяемый в оболочке и нормально предназначается для эксплуатации в одной или нескольких оболочках установленного типа или размера (см. примечание 2).
Значение условного теплового тока в оболочке должно быть по крайней мере равно максимальному значению номинального рабочего тока (см. 5.3.2.3) контактора в оболочке при восьмичасовом режиме (см. 5.3.4.1).
Если контактор нормально предназначен для использования в нестандартных оболочках, это испытание не обязательно, если испытание на условный тепловой ток на открытом воздухе было проведено. В этом случае изготовитель должен быть готов дать указание по значению теплового тока в оболочке или коэффициента снижения номинальной мощности.
Примечания
1 Это не номинальный параметр, и его не обязательно маркируют на контакторе.
2 Контактор в оболочке - это контактор, нормально предназначенный для использования в оболочке установленного типа и размера или в оболочках двух или нескольких типов.
5.3.2.3 Номинальные рабочие токи (I) или номинальные рабочие мощности Номинальный рабочий ток контактора определяется изготовителем с учетом номинального рабочего напряжения (см. 5.3.1.1), условного теплового тока на открытом воздухе, номинальной частоты (см. 5.3.3), номинального режима (см. 5.3.4), категории применения (см. 5.4), типа защитной оболочки при ее наличии.
В случае применения контактора для коммутации отдельных двигателей, указание номинального рабочего тока может быть заменено или дополнено указанием максимальной номинальной отдаваемой мощности при номинальном рабочем напряжении двигателя, для которого контактор предназначен. Изготовитель должен указать принятое соотношение между рабочим током и рабочей мощностью при ее наличии.
Частота тока, на которую рассчитан контактор и при которой обеспечиваются установленные характеристики.
Примечание - Один и тот же контактор может быть рассчитан для работы в разном диапазоне номинальных частот.
К стандартным номинальным режимам отнесены следующие.
5.3.4.1 Восьмичасовой режим (продолжительный)
Режим, в котором главные контакты контактора остаются замкнутыми при дополнительном прохождении тока, чтобы контактор достиг теплового равновесия, но не более 8 ч без перерыва.
Примечания
1 Это основной режим для определения условных тепловых токов (Ith и Ithe)
2 Перерыв означает отключение тока путем оперирования контактора.
5.3.4.2 Повторно-кратковременный периодический или повторно-кратковременный режим
Режим, в котором главные контакты контактора остаются замкнутыми в течение времени, находящегося в определенном соотношении с периодами нулевой нагрузки, но оба интервала времени слишком малы, чтобы контактор успел достичь теплового равновесия.
Повторно-кратковременный режим характеризуется значением тока, продолжительностью его прохождения и коэффициентом нагружения, представляющим собой отношение периода прохождения тока ко всему времени, часто выражаемое в процентном отношении.
В зависимости от количества циклов, которые они способны выполнять в течение 1 ч, контакторы делят на следующие классы: 1; 3; 12; 30; 120; 300; 1200.
Контактор, рассчитанный на повторно-кратковременный режим, может характеризоваться параметрами этого режима.
Пример - Повторно-кратковременный режим, при котором ток 32 А проходит в течение 2 мин из каждых 5 мин, можно обозначить: 32 А, класс 12, 40 %.
5.3.4.3 Кратковременный режим
Режим, в котором главные контакты контактора остаются замкнутыми в интервалы времени, не достаточные для достижения контактором теплового равновесия, которые чередуются с периодами нулевой нагрузки достаточной длительности, чтобы восстановить равенство температур с окружающей средой
5.3.4.4 Периодический режим
Режим, предусматривающий регулярное повторение срабатывания при постоянной либо переменной нагрузке (МЭК 60050(151-04-11).
5.3.5 Характеристики нормальной нагрузки и перегрузки
Этот пункт характеризует общие требования, касающиеся номинальных характеристик при условиях нормальной нагрузки и перегрузки.
Подобные требования см. в 8.2.4.
5.3.5.1 Способность выдерживать коммутационные токи перегрузки двигателя
Контактор, предназначенный для коммутации двигателей, должен выдерживать тепловые нагрузки, обусловленные пуском и разгоном двигателя до нормальной скорости и рабочими перегрузками.
Требования по удовлетворению этих условий приведены в 8.2.4.3.
5.3.5.2 Номинальная включающая способность
Требования для различных категорий применения (см. 5.4) даны в 8.2.4.1. Эти значения включающей и отключающей способностей действительны только при оперировании контактором в соответствии с требованиями 8.2.1.1 и 8.2.1.2.
5.3.5.3 Номинальная отключающая способность
Требования для различных категорий применения приведены в 8.2.4.1. Значения включающей и отключающей способностей действительны только при оперировании контактором в соответствии с требованиями 8.2.1.1 и 8.2.1.2.
5.3.5.4 Условная работоспособность
Определяется в 8.2.4.2 как серия включений и отключений.
5.3.6 Номинальный условный ток короткого замыкания
Номинальный условный ток короткого замыкания - это указанное изготовителем значение ожидаемого тока, которое контактор, оснащенный устройством для защиты от коротких замыканий, предусмотренным изготовителем, может удовлетворительно выдерживать в течение времени срабатывания этого устройства в условиях испытания, определенных в 9.3.4.
Детальное описание предусмотренного устройства защиты от коротких замыканий должно быть представлено изготовителем.
Примечание - Номинальный условный ток короткого замыкания выражается действующим значением периодической составляющей.
Категория применения контактора определяет предполагаемую область его использования, характеризуется одним или несколькими следующими условиями эксплуатации:
- током(ми), выраженным(ми) в кратности к номинальному рабочему току;
- напряжением(ями), выраженным(ми) в кратности к номинальному рабочему напряжению;
- коэффициентом мощности.
Стандартные категории применения даны в таблице 1, каждая категория характеризуется значениями токов, напряжений, коэффициентов мощности и другими параметрами из таблиц 8, 9 и условиями испытаний, определенных в этом стандарте.
Таблица 1- Категории применения.
|
Типичная область применения |
|
|
АС-7а |
Слабоиндуктивные нагрузки |
|
АС-7b |
Двигательные нагрузки2) |
|
1) Контакторы могут иметь другие категории, в этом случае они должны соответствовать требованиям ГОСТ 30011.4.1 для таких категорий. 2) Категория АС-7b может быть использована для временного разгона, подталкивания или торможения в течение ограниченных периодов времени; во время таких ограниченных периодов времени число циклов срабатывания не должно превышать пяти в 1 мин и десяти в 10 мин. |
|
Поэтому нет необходимости определять отдельно номинальную включающую и отключающую способности, так как эти значения зависят напрямую от категории применения, как показано в таблице 8. Если не указано иное, контакторы категории АС-7b рассчитывают на основе пусковых характеристик двигателей, совместимых с включающей способностью, приведенной в таблице 8. Когда пусковой ток двигателя с опрокинутым ротором превышает эти значения, соответственно должен быть уменьшен рабочий ток.
5.4.1 Присвоение категорий применения на основании результатов испытаний
Контактору, который был испытан для одной категории применения или при любых комбинациях параметров (например, максимальные рабочие напряжения и токи и т.д.), могут быть присвоены другие категории без испытания, если испытательные токи, напряжения, коэффициенты мощности, число циклов оперирования, время протекания тока и обесточивания (см. таблицы 8, 9), а также и испытательные цепи для устанавливаемых категорий обуславливают не более жесткие условия, при которых контактор был испытан и проверен на превышение температуры при токе, не меньшем максимального рабочего тока в продолжительном режиме.
Характеристики цепей управления:
- род тока;
- номинальная частота;
- номинальное напряжение в цепи управления Uc (род и частота);
- номинальное питающее напряжение управления (род тока и частота), где применимо;
- возможность присоединения к цепям TBTS.
Примечание - Делается различие между напряжением цепи управления, которое появляется на контактах а (см. 3.3.11) в цепи управления, и номинальным питающим напряжением управления, т.е. напряжением, подаваемым на входные выводы цепи управления контактора, и может отличаться от напряжения цепи управления вследствие наличия встроенных трансформаторов, выпрямителей, резисторов и т.д.
Номинальное напряжение цепи управления и номинальная частота - значения, на основании которых устанавливаются номинальные характеристики и превышения температуры цепи управления.
Вспомогательные цепи характеризуются числом и родом контактов (контакты а, А и т.д.) в каждой из этих цепей и номинальными параметрами в соответствии с ГОСТ Р 50030.5.1.
Характеристики вспомогательных контактов и выключателей должны отвечать требованиям упомянутого стандарта.
Контакторы характеризуются типом, номинальными характеристиками и характеристиками устройств для защиты от коротких замыканий (УЗКЗ), которые должны быть использованы для обеспечения контактора оттоков короткого замыкания. Требования представлены в 8.2.5.
Требования даны в 8.2.6.
Изготовителем должна быть представлена следующая информация.
а) наименование или товарный знак изготовителя;
б) типовые обозначения или серийный номер;
в) обозначение настоящего стандарта, если изготовитель претендует на соответствие контактора этому стандарту.
6.1.2 Характеристики, основные номинальные параметры и категории применения:
а) номинальные рабочие напряжения (см. 5.3.1.1);
б) категория применения и номинальные рабочие токи (или номинальные рабочие мощности) при номинальном рабочем напряжении (см. 5.3.2.3 и 5.4);
в) номинальная частота (частоты), например 50 или 50/60 Гц;
г) номинальный режим с указанием класса повторно-кратковременного режима, если имеется (см. 5.3.4).
Дополнительные параметры
д) номинальные включающая и отключающая способности. Эти характеристики могут быть заменены, где возможно, указанием категории применения (см. таблицу 8).
Безопасность и условия установки
е) номинальное напряжение изоляции (см. 5.3.1.2);
ж) номинальное импульсное выдерживаемое напряжение (см. 5.3.1.3), когда оно определяется;
з) код IP для контакторов в оболочке (см. 8.1.11);
и) степень загрязнения (см. 7.1.3.2);
к) номинальный условный ток короткого замыкания (см. 5.3.6) и тип, номинальный ток и характеристики связанного с контактором УЗКЗ;
л) коммутационные перенапряжения (см. 5.8).
Цепи управления (см. 5.5)
Следующая информация о цепях управления должна быть нанесена на катушку, либо на контактор:
м) номинальное напряжение цепи управления (Uc);
н) если необходимо, род тока, номинальная частота, номинальное входное напряжение цепи управления (Us).
Для контакторов цепи управления, которые предназначены для подключения к источнику TBTS:
о) возможность присоединения цепи управления к источнику TBTS, причем главная цепь питается напряжением, имеющим большее значение, чем значение цепи TBTS.
Вспомогательные цепи:
п) номинальные характеристики вспомогательных цепей (см. 5.6).
Маркировка должна быть нестираемой и легко различимой. Наименование или товарный знак изготовителя и типовое обозначение или серийный номер обязательны на самом контакторе, предпочтительно на фирменной табличке, чтобы можно было получить полную информацию от изготовителя.
Примечание - В США и Канаде номинальное рабочее напряжение можно маркировать различными способами:
а) на оборудовании, предназначенном для использования в трехфазных системах с четырьмя проводами, обозначением напряжения между фазой и землей и межфазного напряжения, например 277/480 В;
б) на оборудовании, предназначенном для использования в трехфазных системах с тремя проводами, обозначением трехфазного напряжения, например 480 В.
Следующая информация должна быть нанесена и видна после установки контактора:
- направление движения органа управления (см. 8.1.4.2), если требуется;
- индикация положения органа управления (см. 8.1.5.1 и 8.1.5.2);
- знак об одобрении или сертификации;
- обозначение и маркировка выводов (см. 8.1.6.4);
- код IP и класс защиты от поражения током, если требуется, по возможности маркировать на контакторе.
Маркировки не должны быть расположены на винтах, съемных прокладках и других съемных частях.
Данные 6.1.2з должны быть указаны на оболочке. Данные 6.1.1в и знак одобрения или сертификации, при его наличии, должны быть указаны на фирменной табличке.
Данные 6.1.2а - 6.1.2ж, 6.1.2и - 6.1.2п должны быть нанесены на фирменную табличку или контактор или внесены в эксплуатационную документацию, издаваемую изготовителем. Маркировка выводов должна соответствовать приложению А настоящего стандарта.
Примечание - Дополнительные категории применения в соответствии с ГОСТ 30011.4.1 также не могут быть маркированы (см. сноску 1 к таблице 1).
Изготовитель должен представлять в своих документах или каталогах условия монтажа, эксплуатации и обслуживания контактора в процессе эксплуатации и после аварии.
При необходимости в инструкции по транспортированию, монтажу, эксплуатации контактора могут быть указаны основные требования, обеспечивающие правильные монтаж, ввод в эксплуатацию, пуск и оперирование контактором. В этих документах следует уточнить объем и частоту обслуживания.
Контакторы, соответствующие требованиям настоящего стандарта, должны быть работоспособны при следующих стандартных условиях:
7.1.1 Температура окружающего воздуха
Температура окружающего воздуха не должна превышать 40 °С, а ее среднее значение за 24 ч не должно превышать 35 °С.
Нижняя предельная температура окружающего воздуха составляет минус 5 °С.
Температура окружающего воздуха определяется вблизи контактора, если он поставляется без оболочки, или вблизи оболочки при поставке контактора в оболочке.
Контакторы, предназначенные для использования при температуре окружающего воздуха выше 40 °С (особенно в тропических странах) или ниже минус 5 °С, должны быть либо специально изготовлены, либо должны эксплуатироваться соответственно информации, представленной в эксплуатационной документации или каталоге изготовителя.
7.1.2 Высота над уровнем моря
Высота установки контактора над уровнем моря не должна превышать 2000 м. При эксплуатации на большей высоте необходимо учитывать снижение электрической прочности изоляции и охлаждающее воздействие воздуха.
Контакторы, предназначенные для такой эксплуатации, должны специально проектироваться или использоваться по согласованию между изготовителем и потребителем. Информация по согласованию может иметь место в эксплуатационной документации или каталоге изготовителя.
7.1.3 Атмосферные условия
7.1.3.1 Влажность
Относительная влажность воздуха не должна превышать 50 % при максимальной температуре 40 °С. Более высокая относительная влажность может допускаться при более низких температурах, например 90 % при 20 °С. Могут потребоваться специальные меры в случаях конденсации из-за колебаний температуры.
Примечание- Степень загрязнения по 7.1.3.2 определяют условия окружающей среды более точно.
Степень загрязнения (см. 3.5.27) относится к условиям окружающей среды, для которой предназначен контактор.
Примечание - Окружающая микросреда, расстояния утечки или воздушного зазора, а не окружающая среда контактора влияют на изоляцию. Окружающая микросреда может быть лучше или хуже, чем окружающая контактор среда. Она включает все факторы, влияющие на изоляцию, такие как климатические и электромагнитные условия, загрязнение и т.д.
Для контакторов, предназначенных для эксплуатации в оболочках или снабженных неотделимыми оболочками, действительна степень загрязнения среды в оболочке.
Для оценки воздушных зазоров и расстояний утечки установлены следующие четыре степени загрязнения микросреды (воздушные зазоры и расстояния утечки, соответствующие различным степеням загрязнения, указаны в таблицах 17 и 18).
Степень загрязнения 1 - Без загрязнений или только с сухими нетокопроводящими загрязнениями.
Степень загрязнения 2 - Нормальны только нетокопроводящие загрязнения. Однако допускается возможность временной проводимости, вызванной конденсацией.
Степень загрязнения 3 - Возможны токопроводящие загрязнения или сухие нетокопроводящие, становящиеся проводящими вследствие ожидаемой конденсации.
Степень загрязнения 4 - Загрязнение обусловливает устойчивую проводимость, вызванную, например, токопроводящей пылью, дождем или снегом.
Стандартная степень загрязнения контакторов бытового и аналогичного применения - контакторы для приборов бытового и аналогичного назначения обычно предназначены для эксплуатации при степени загрязнения окружающей среды 2.
Если условия транспортирования и хранения, например температура и влажность, отличаются от указанных в разделе 7, необходимо специальное соглашение между потребителем и изготовителем, за исключением того, что при отсутствии других рекомендаций диапазон температур во время транспортирования и хранения составляет от минус 25 до плюс 55 °С, а на короткие периоды не более 24 ч - до 70 °С.
Контактор должен устанавливаться в соответствии с инструкциями изготовителя.
Контактор с неотделимой или отделимой оболочкой должен быть сконструирован и изготовлен так, чтобы выдерживать механические нагрузки, возникающие в процессе монтажа и нормальной эксплуатации, и должен обеспечивать устойчивость к воздействию аномального нагрева и огня.
Примечание - Контактор в неотделимой оболочке - это контактор, сконструированный в оболочке, имеющей размеры, позволяющие разместить только один контактор.
8.1.1 Материалы
Соответствие используемого материала проверяют проведением следующих испытаний на контакторе и/или, если неприменимо на практике, на его деталях (фрагментах):
- устойчивость к старению (см. 8.1.1.1);
- влагостойкость (см. 8.1.1.2);
- термостойкость (см. 8.1.1.3);
- стойкость против аномального нагрева и огня (см. 8.1.1.4);
- коррозиеустойчивость (см. 8.1.1.5).
Поскольку особое внимание уделяется термостойкости, стойкости против аномального нагрева и огня, приоритет должен быть отдан испытаниям, проводимым на контакторе или его соответствующих деталях.
Однако в определенных случаях испытания на материалах могут быть проведены по практическим соображениям как альтернативные испытания на контакторе.
8.1.1.1 Устойчивость к старению
Контакторы должны быть устойчивы к старению. В общем необходимо испытывать только контакторы, имеющие оболочки и детали из ПВХ или аналогичных термопластичных материалов и деталей из резины, таких как уплотнительные (изоляционные) кольца и сальники. Соответствие проверяют осмотром и, если необходимо, испытанием согласно 9.2.1.1.
Контактор должен быть устойчивым к воздействию влаги, которая может проявляться при нормальной эксплуатации.
Соответствие должно быть проверено испытанием, определенным в 9.2.1.2.
Все детали контакторов, предназначенные для предотвращения доступа к токопроводящим частям, должны быть устойчивы к воздействию высоких температур, которые могут возникать во время нормальной эксплуатации. Соответствие должно быть проверено испытаниями, определенными в 9.2.1.3.1 и 9.2.1.3.2.
8.1.1.4 Стойкость против аномального нагрева и огня
Детали из изоляционного материала, которые могут быть подвергнуты тепловым воздействиям и огню в процессе эксплуатации, повреждение которых может нарушить безопасность работы контактора, не должны воспламеняться и распространять огонь или разрушаться.
Соответствие должно быть проверено испытанием, определенным в 9.2.1.4.
Если испытание необходимо провести в нескольких местах на одном и том же образце, следует принять меры, чтобы убедиться, что результаты предыдущих испытаний не влияют на результаты текущих. Небольшие детали с размерами поверхности, не превышающими 14´14 мм, не подвергают испытанию.
Выполненные из черных металлов части контактора, включая оболочки и крышки, кроме рабочей поверхности полюса электромагнитов, должны быть защищены от коррозии. Соответствие должно быть проверено испытанием, определенным в 9.2.1.5.
8.1.2 Прочность винтов или гаек, установленных не на выводах и предназначенных для монтажа или обслуживания
Винты или гайки, предназначенные для монтажа или обслуживания, как рекомендовано изготовителем, должны выдерживать механические нагрузки, встречающиеся при нормальной эксплуатации. Самонарезающие формующие винты и самонарезающие режущие винты, предназначенные только для механической сборки, могут быть использованы при условии, что детали, в которые винты вставляют, имеют соответствующие отверстия.
Образец самонарезающего формующего винта показан на рисунке 1.
Образец самонарезающего режущего винта показан на рисунке 2.
Самонарезающие режущие винты, предназначенные для монтажа, должны надежно крепить необходимые детали контактора.
Винта или гайки, которые передают контактное давление, должны быть в зацеплении с металлической резьбой.
Электрические соединения должны быть спроектированы так, чтобы контактное давление не передавалось через изоляционный материал, кроме керамики или другого материала с равнозначными характеристиками, если металлические части не имеют упругих элементов, чтобы компенсировать любую возможную усадку или пластичность изоляционного материала.
Проверку осуществляют осмотром и испытанием, определенным в 9.2.2.
8.1.3 Воздушные зазоры и расстояния утечки
а) Для контакторов с установленным значением номинального импульсного выдерживаемого напряжения (Uimp ) (см. 5.3.1.3) минимальные воздушные зазоры даны в таблице 17, а минимальные расстояния утечки - в таблице 18, в соответствии с номинальным напряжением изоляции (Ui).
Проверку осуществляют испытанием, определенным в 9.3.3.4.1.
б) Для контакторов с неустановленным значением U. воздушные зазоры и расстояния утечки должны быть не меньше значений, указанных в таблице 2, как для контактора, установленного для нормальной работы.
Проверку осуществляют испытанием, определенным в 9.3.3.4.2.
в) Для SELV цепей минимальные значения рассматриваются. Требования по электрическим свойствам даны в 8.2.3.
Таблица 2 - Воздушные зазоры и расстояния утечки
|
Значение, мм |
|
|
Зазоры: |
|
|
- между токоведущими частями разной полярности |
3 |
|
- между токоведущими частями и открытыми токопроводящими частями1) |
3(6) |
|
Расстояния утечки: |
|
|
- между токоведущими частями, которые определены, когда контактор в разомкнутом положении2) |
3 |
|
- между токоведущими частями разной полярности: |
|
|
для контакторов с номинальным напряжением (Uc) не более 250 В |
3 |
|
для других контакторов (250 В < Uc £440 В) |
4 |
|
- между токоведущими частями и открытыми токопроводящими частями1) |
3(6) |
|
1) Если воздушные зазоры и расстояния утечки между токоведущими частями контактора и открытыми токопроводящими частями могут быть уменьшены при установке в наиболее неблагоприятных условиях, применяют значения, указанные в скобках. 2) Не применимо к вспомогательным цепям и цепям управления. Примечания 1. Следует предпринять меры предосторожности, чтобы обеспечить соответствующие зазоры между токоведущими частями разной полярности контактора, смонтированных близко друг от друга. 2. Для контакторов, в которых цепи управления присоединяют к безопасному источнику очень низкого напряжения, а главную цепь - к источнику, имеющему большее значение напряжения, чем источник очень низкого напряжения, расстояние утечки и воздушные зазоры между цепями управления и главными цепями должны быть больше или равны 6 мм. |
|
Проверку осуществляют испытанием, определенным в 9.3.3.4.2.
8.1.4 Орган управления
Требования 8.1.4.1 и 8.1.4.2 относятся к контакторам, снабженным ручным органом управления.
Орган управления контактора должен быть изолирован от токоведущих частей с учетом номинального напряжения изоляции и, если требуется, номинального импульсного выдерживаемого напряжения.
Кроме того, если орган управления выполняется из изоляционного материала или покрыт им, любая внутренняя металлическая часть, которая могла бы стать доступной в случае повреждения изоляции, должна быть изолирована от токоведущих частей с учетом номинального напряжения изоляции.
Направление движения органа управления должно соответствовать требованиям ГОСТ 21991.
8.1.4.3 Монтаж
Органы управления, монтируемые на съемных панелях или открывающихся дверках, должны быть сконструированы так, чтобы после установки панелей или закрытия дверок орган управления правильно сопрягался с соответствующим механизмом.
8.1.5 Указание положения контактов
Если контактор снабжен средствами индикации замкнутого и разомкнутого положения, он должен быть выполнены так, чтобы при считывании показания были четкими и ясными.
Примечание - Для контактора в оболочке индикация не обязательно должна быть видна снаружи оболочки. Для этой цели используют индикатор положения (см. 3.3.16).
Если используют условные обозначения, замкнутое и разомкнутое положения указывают соответственно символами согласно ГОСТ 28312:
½ - включенное положение;
O - отключенное положение.
Для контакторов с кнопочным управлением только нажимная кнопка, предназначенная для размыкания, должна быть красной или маркированной символом О.
Красный цвет не должен использоваться для других кнопок.
Цвета других кнопок, кнопок с подсветкой и сигнальные лампочки должны соответствовать ГОСТ 29149.
8.1.5.2 Индикация с помощью органа управления
Если для указания положения контактов используют орган управления, он должен автоматически доводиться до упора, а по освобождении оставаться неподвижным в положении, соответствующем положению подвижных контактов; в этом случае у органа управления должны быть два четко размыкающихся положении покоя, как у подвижных контактов, но для автоматического размыкания может предусматриваться третье, четко отличающееся положение органа управления.
8.1.6 Выводы
8.1.6.1 Требования к конструкции
Все части выводов, поддерживающие контакт и проводящие ток, должны быть из металла достаточной механической прочности. Соединения выводов должны обеспечивать возможность присоединений проводников с помощью винтов, пружин или других эквивалентных приспособлений, создающих необходимое контактное давление.
Выводы должны быть сконструированы так, чтобы проводники были зажаты между предусмотренными для этого поверхностями без значительных повреждений проводников или выводов.
Выводы не должны допускать смещения проводников или смещаться сами так, чтобы нарушалась работа контактора и напряжение изоляции не снижалось ниже номинальных величин.
Требования этого пункта должны быть проверены испытаниями 9.2.4.2-9.2.4.4.
Примечание - В странах Северной Америки предъявляют особые требования к выводам, пригодным для алюминиевых проводников, и предусматривают маркировку для указания использования алюминиевых проводников.
8.1.6.2 Способность к присоединению
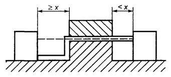
Изготовитель определяет тип (жесткие, многожильные, гибкие), минимальное и максимальное поперечное сечения проводников, для которых предназначен вывод, и, если требуется, количество проводников, одновременно присоединяемых к выводу. Максимальное сечение не должно быть меньше указанного в 9.3.3.3 для испытания на превышение температуры, а выводы должны быть пригодны для проводников того же типа как минимум на два размера меньше согласно соответствующей графе таблицы 3.
Стандартные значения поперечного сечения круглых медных проводников в системах метрической и AWG/MCM сведены в таблицу 3, которая так же дает приблизительное соотношение между обеими системами мер.
Таблица 3 - Стандартные поперечные сечения круглых медных проводников
|
AWG/MCM |
||
|
Размер |
Эквивалентное сечение, мм2 |
|
|
0,20 |
24 |
0,205 |
|
- |
22 |
0,324 |
|
0,50 |
20 |
0,519 |
|
0,75 |
18 |
0,820 |
|
1,00 |
- |
- |
|
1,50 |
16 |
1,300 |
|
2,50 |
14 |
2,100 |
|
4,00 |
12 |
3,300 |
|
6,00 |
10 |
5,300 |
|
10,00 |
8 |
8,400 |
|
16,00 |
6 |
13,300 |
|
25,00 |
4 |
21,200 |
|
35,00 |
2 |
33,600 |
|
Примечание - Прочерк в таблице считают за размер, который принимают при оценке способности к присоединению. |
||
8.1.6.3 Присоединение
Выводы для присоединения внешних проводников должны быть доступны во время монтажа.
Зажимные винты и гайки не должны служить для закрепления других деталей, хотя они могут удерживать выводы на месте или предотвращать их проворачивание.
8.1.6.4 Идентификация и маркировка выводов
Выводы следует четко и стойко идентифицировать в соответствии с МЭК 445[5].
Выводы, предназначенные исключительно для нулевого рабочего проводника, должны быть обозначены буквой «N» в соответствии с МЭК 445.
Вывод защитного заземления должен маркироваться в соответствии с 8.1.8.3.
Дополнительные требования к идентификации и маркировке выводов даны в приложении А.
8.1.7 Дополнительные требования к контакторам с нейтральным полюсом
Когда контактор имеет полюс, предназначенный только для присоединения нейтрали, его следует четко обозначить буквой «N» (см. 8.1.6.4). Коммутируемый нейтральный полюс должен отключать ток не раньше и включать не позже других полюсов.
Значение условного теплового тока должно быть одинаковым для всех полюсов.
8.1.8 Меры по защитному заземлению
8.1.8.1 Требования к конструкции
Открытые токопроводящие части (корпус, рама, части оболочек), за исключением не представляющих опасности, должны быть электрически связаны между собой и присоединены к защитному выводу заземления для подключения к заземлителю или внешнему защитному проводнику.
Этому требованию отвечают стандартные конструкционные элементы, обеспечивающие достаточную электрическую непрерывность, оно действительно независимо от того, используют ли контактор автономно или встраивают в систему.
Открытые токопроводящие части не считают представляющими опасность, если к ним невозможно прикоснуться на большой поверхности или схватить рукой либо если они малых размеров (50х50 мм), или они расположены так, что исключается возможность контакта с токоведущими частями.
Примеры этого - винты, заклепки, фирменные таблички, сердечники трансформаторов, электромагниты и некоторые части размыкающего механизма, независимо от их размеров.
8.1.8.2 Вывод защитного заземления
Вывод защитного заземления должен быть легкодоступен и расположен так, чтобы соединение контактора с электродом заземления или защитным проводником не нарушалось, когда снята крышка или другая съемная часть.
Вывод защитного заземления должен быть защищен от коррозии.
Для контакторов с токопроводящими конструкциями, оболочками и т.д. выводы контактов должны быть, при необходимости, обеспечены средствами, гарантирующими непрерывность электрической цепи между открытыми токопроводящими частями контактора и металлической оболочкой, например посредством соединительных проводников.
Вывод защитного заземления не должен выполнять других функций, за исключением его использования для присоединения к PEN-проводнику (см. 3.1.12). В этом случае он также должен выполнять функцию нейтрального вывода.
8.1.8.3 Маркировка и идентификация вывода защитного заземления
Вывод защитного заземления должен быть четко и постоянно идентифицироваться по маркировке.
Идентификация должна обеспечиваться цветом (желто-зеленым), обозначением РЕ или PEN в соответствии с 5.3 МЭК 445 или, в случае PEN, графическим символом, наносимым на контакторе.
Следует использовать символ
-
защитное заземление (земля).
Примечание- Символ
, ранее
рекомендованный, должен заменяться символом, приведенным выше.
8.1.9 Оболочки
Последующие требования относятся только к оболочкам, поставляемым или предназначенным для использования совместно с контактором.
8.1.9.1 Конструкция
Оболочка должна быть сконструирована так, чтобы при открытых и снятых других защитных, приспособлениях, если они предусмотрены, все части, к которым требуется доступ для монтажа и обслуживания по инструкциям изготовителя, были легкодоступны.
Внутри оболочки должно быть достаточно места для прокладки внешних проводников от места ввода в оболочку до выхода из нее, обеспечивающих соответствующее соединение.
Неподвижные части металлической оболочки должны быть электрически присоединены к другим открытым токопроводящим частям контактора и подключены к выводу, обеспечивающему их заземление, или к защитному проводнику.
Ни при каких обстоятельствах съемная металлическая часть оболочки не должна быть изолирована от части, снабженной выводом заземления, когда съемная часть находится на своем месте.
Съемные части оболочки должны быть прочно прикреплены к подвижным частям таким приспособлением, при котором они не могли бы случайно разболтаться или отсоединиться в результате срабатывания контактора или его вибрации.
Для оболочек, имеющих степень защиты от 1P1X до 1P4X включительно, должно быть достаточно места, чтобы выполнить отверстие для отекания воды, удовлетворяющее требованиям ГОСТ Р 50030.1. Оболочки должны иметь соответствующую механическую прочность (см. 8.1.11).
Кроме того, не должно быть возможным снятие какой-либо крышки оболочки без использования инструмента.
Неотделимую оболочку считают несъемной частью.
Если оболочку используют для установки нажимных кнопок, необходимо предусмотреть невозможность снятия их извне.
8.1.9.2 Изоляция
Если во избежание случайного контакта между металлической оболочкой и токоведущими частями оболочку частично или полностью выстилают изнутри изоляционным материалом, этот материал должен быть надежно прикреплен к оболочке.
Соответствие проверяют осмотром.
8.1.10 Степень защиты контакторов в оболочках.
ГОСТ 14254 определяет степени защиты для оборудования в оболочках, и применяемость этого стандарта к контакторам находится на рассмотрении.
Наружные части контакторов в неотделимых и отделимых оболочках и контакторов без оболочек должны выдерживать механические воздействия и удары, которые могут встречаться при нормальной эксплуатации.
Соответствие проверяют испытанием, определенным в 9.2.5.
8.1.12 Долговечность маркировок
Контактор должен быть снабжен фирменной табличкой с устойчивой маркировкой, рассчитанной на длительный срок службы.
Соответствие проверяют испытанием, определенным в 9.2.6.
Оперирование контактором должно осуществляться согласно инструкциям изготовителя.
Подвижные контакты многополюсного контактора, предназначенные для включения и отключения одновременно, должны быть механически связаны так, чтобы все полюсы замыкались и размыкались строго одновременно (для коммутируемого нейтрального полюса см. 8.1.7) как при ручной, так и при автоматической работе.
Контакторы должны удовлетворительно замыкаться при любом входном напряжении цепи управления Us в пределах 85-110 % его номинального значения. Если указывается диапазон этого напряжения, 85 % должны использоваться как нижнее значение и 110 % - как верхнее.
Отпадание и полное размыкание контакторов должны происходить между 75 % и 20 % номинального входного напряжения цепи управления Us. Если указывается диапазон этого напряжения, 75 % должны использоваться как нижнее значение и 20 % - как верхнее.
Пределы для замыкания действительны после достижения катушками установившейся температуры при неограниченном приложении 100 % Us и температуре окружающей среды 40 °С.
Пределы для отпадания действительны, когда сопротивление цепи катушки эквивалентно достигаемому при температуре минус 5 °С. Это может быть проверено подсчетом, используя значения, полученные при нормальной температуре окружающей среды.
Пределы применимы к определенной частоте.
Требования 8.2.2, 8.2.2.1, 8.2.2.3 относятся к чистым новым контакторам. Температуры отдельных частей контактора, измеренные во время испытания, выполненного в условиях, описанных в 9.3.3.3, не должны превышать пределы, установленные в таблице 4 и 8.2.2.1, 8.2.2.2.
Примечание - Превышение температуры при нормальной эксплуатации может отличаться от испытательных значений, в зависимости от условий монтажа и размеров присоединенных проводников.
Таблица 4 - Пределы превышения температуры изолированных катушек в воздухе
|
Предел превышения температуры (измеренной по методу сопротивления), К |
|
|
А |
85 |
|
Е |
100 |
|
В |
110 |
|
F |
135 |
|
Н |
160 |
|
Примечания 1 Классификация изоляции соответствует разделу 2 МЭК 85[6]. 2 Пределы превышения температуры, указанные в таблице 4 и в 8.2.2.2, применимы только при температуре окружающего воздуха от минус 5 до полюс 40 °С. |
|
Превышение температуры выводов не должно быть более значений, указанных в таблице 5.
Таблица 5 - Пределы превышения температуры выводов
|
Предел превышения температуры, К |
|
|
Медь без покрытия |
60 |
|
Латунь без покрытия |
65 |
|
Луженая медь или латунь |
65 |
|
Серебряная или никелированная медь или латунь |
701) |
|
Прочие материалы |
2) |
|
1)Относится к присоединенным проводникам в поливинилхлоридной оболочке. Применение в условиях эксплуатации проводников значительно меньшего сечения, чем указанные в таблице 15, может привести к нагреву выводов и внутренних частей до более высоких температур, и такие проводники не следует использовать без согласия изготовителей, поскольку более высокие температуры могут привести к отказу контактора. 2) Пределы превышения температуры должны определяться эмпирически или по результатам испытания на износостойкость, но не должны быть более 65 К. |
|
Превышение температуры доступных частей не должно быть более значений, указанных в таблице 6.
Таблица 6 - Пределы превышения температуры доступных частей
|
Пределы превышения температуры1), К |
|
|
Механизм управления: |
|
|
- металлический |
15 |
|
- неметаллический |
25 |
|
Части, которых можно касаться, но не держать рукой: |
|
|
- металлические |
30 |
|
- неметаллические |
40 |
|
Части, которых в нормальных условиях не нужно касаться: |
|
|
- металлические |
40 |
|
- неметаллические |
50 |
|
Части, предназначенные для касания в нормальных условиях работы |
|
|
Наружные поверхности оболочек, расположенные рядом с кабельным выводом: |
|
|
- металлические |
40 |
|
- неметаллические |
50 |
|
1)Иные значения могут быть установлены для других условий испытания и малогабаритных контакторов, но не должны превышать значений, приведенных в таблице, более чем на 10 К. |
|
8.2.2.3 Температура окружающего воздуха
Превышения температуры, приведенные в таблицах 5 и 6 применимы, если температура окружающего воздуха остается в пределах ограничений, указанных в 7.1.1.
Главная цепь контактора должна быть способна проводить условный тепловой ток так, чтобы превышение температуры не выходило за пределы, указанные в 8.2.2.1 при испытаниях согласно 9.3.3.3.4:
- для контактора, предназначенного для продолжительного режима, - его условный тепловой ток (см. 5.3.2.1 и/или 5.3.2.2);
- для контактора, предназначенного для повторно-кратковременного режима, - соответствующий номинальный рабочий ток (см. 5.3.2.3).
Цепи управления контактора должны обеспечивать работу в нормальных режимах в соответствии с 5.3.4, при этом превышения температуры, определенные в 9.3.3.3.5, не должны быть более значений, указанных в таблицах 4-6.
8.2.2.6 Обмотки катушек и электромагнитов
8.2.2.6.1 Обмотки для работы в продолжительном и восьмичасовом режимах.
При протекании по главной цепи максимального тока согласно 8.2.2.4 обмотки катушек должны выдерживать при продолжительной нагрузке и номинальной частоте свое номинальное входное напряжение цепи управления без превышения температуры сверх пределов, указанных в таблице 4 и в 8.2.2.2.
8.2.2.6.2 Обмотки для работы в повторно-кратковременном режиме
При отсутствии тока в главной цепи обмотки катушек должны выдерживать при номинальной частоте, если уместно, свое максимальное номинальное входное напряжение цепи управления, приложенное согласно таблице 7, в зависимости от класса повторно-кратковременного режима без превышения температуры сверх пределов, указанных в таблице 4 и в 8.2.2.2.
Таблица 7 - Данные по циклам испытаний в повторно-кратковременном режиме
|
Один рабочий цикл замыкание-размыкание, с |
Интервал, в течение которого поддерживается питание катушки управления |
|
|
1 |
3600 |
Время протекания тока должно соответствовать коэффициенту нагрузки, указанному изготовителем |
|
3 |
1200 |
|
|
12 |
300 |
|
|
30 |
120 |
|
|
300 |
30 |
|
|
1200 |
3 |
8.2.2.6.3 Специальные обмотки (для работы в кратковременном или периодическом режимах)
Специальные обмотки следует испытывать в рабочих условиях, соответствующих самому жесткому режиму из тех, для которых они предназначены, а их номинальные характеристики должны быть указаны изготовителем.
Вспомогательные цепи контактора, в том числе блок-контакты, должны быть способны проводить условный тепловой ток так, чтобы температура не превышала пределы, установленные в таблицах 5 и 6 при испытаниях в соответствии с 9.3.3.3.7.
Примечание - Если вспомогательная цепь составляет неотъемлемую часть контактора, достаточно подвергнуть ее испытаниям одновременно с главным аппаратом, но на фактически эксплуатационном токе.
8.2.2.8 Прочие части
Превышение температуры во время испытания не должны вызывать повреждений токопроводящих или соседних частей контактора. В частности, для изоляционных материалов изготовитель должен доказать соответствие этому требованию по показателю температуры изоляции (определенный, например, методами МЭК 216 [7]) или по согласованию с потребителем по МЭК 85.
8.2.3 Электроизоляционные свойства
а) Если изготовитель установил значение Uimp. (см. 5.3.1.3), применяют требования 8.2.3.2 и, если необходимо, 8.2.3.1 в.
Примечание - Если не установлено иначе, применяют требования категории перенапряжения II (см. приложение F).
Соответствие проверяют по 9.3.3.4.1.
б) Если изготовитель не установил значение Uimp,электроизоляционные свойства проверяют в соответствии с 9.3.3.4.2.
в) Контакторы, предназначенные для эксплуатации в SELV цепях, должны выдерживать испытательное напряжение промышленной частоты, равное 4000 В, между токоведущими частями SELV и токоведущими частями другой цепи в течение 1 мин.
г) Чтобы проверить состояние контактора после испытаний его работоспособности, применяют испытательное напряжение промышленной частоты, прикладываемое в течение 1 мин в соответствии с 9.3.3.5.5б и 9.3.3.6.2.
8.2.3.2 Требования к электроизоляционным свойствам
а) Эти требования основаны на положениях МЭК 664[8], МЭК 664А[9] и обеспечивают возможность координации изоляции контактора с условиями внутри установки.
б) Контактор должен быть способен выдерживать испытания на электрическую прочность изоляции по 9.3.3.4.1.
в) Контактор должен быть стойким против номинального импульсного выдерживаемого напряжения (см. 5.3.1.3) в соответствии с категориями перенапряжений, приведенными в приложении F.
Примечание - Корреляция между паспортным напряжением системы питания и номинальным импульсным выдерживаемым напряжением контактора приведена в приложении F.
г) Номинальное импульсное выдерживаемое напряжение при данном номинальном рабочем напряжении (см. примечания 1 и 2 к 5.3.1.1) не должно быть меньше приведенного в приложении F паспортного напряжения системы питания цепи в точке, где контактор должен быть использован, и соответствующей категории перенапряжения.
8.2.3.2.1 Импульсное выдерживаемое напряжение главной цепи
а) Воздушные зазоры между токоведущими частями и частями, предназначенными для заземления, и между полюсами, должны выдерживать испытательное напряжение, указанное в таблице 16 (см. 9.3.3.4.1), соответственно номинальному импульсному выдерживаемому напряжению.
б) Твердая изоляция контактора, связанная с воздушными зазорами, приведенными в подпункте а), должны выдерживать импульсные напряжения, указанные там же.
8.2.3.2.2 Импульсные выдерживаемые напряжения вспомогательных цепей и цепей управления
а) Вспомогательные цепи и цепи управления, оперируемые прямо от главной цепи при номинальном рабочем напряжении, должны отвечать требованиям 8.2.3.2.1 а, б.
б) Вспомогательные цепи и цепи управления, не оперируемые прямо от главной цепи, могут иметь способность выдерживать перенапряжение, отличную от главной цепи. Воздушные зазоры и связанная с ними твердая изоляция таких цепей как переменного, так и постоянного тока, должны выдерживать соответствующее напряжение согласно приложению F.
Воздушные зазоры должны быть достаточными, чтобы дать возможность контактору выдерживать номинальное импульсное напряжение в соответствии с 8.2.3.2.1 и 8.2.3.2.2.
Воздушные зазоры должны быть больше значений, указанных в таблице 17 в случае В (однородное поле см. 3.5.3.1) и проверяться выборочным испытанием в соответствии с 9.3.3.4.1.6). Это испытание не требуется, если воздушные зазоры, соотнесенные с номинальным импульсным выдерживаемым напряжением и степенью загрязнения, больше указанных в таблице 17 в случае А (неоднородное поле).
Способ измерения воздушных зазоров описан в приложении Е.
а) Расчет размеров
Расстояния утечки должны быть не меньше воздушных зазоров, выбранных в соответствии с 8.2.3.2.3. Для степеней загрязнения 3 и 4 расстояния утечки должны быть не меньше воздушных зазоров в случае А для минимизации риска пробоя из-за перенапряжения, даже если воздушные зазоры меньше, чем для случая А (см. в 8.2.3.2.3).
Способ измерения расстояний утечки описан в приложении Е. Расстояния утечки должны соответствовать степени загрязнения согласно 7.1.3.2 и группе материалов при номинальном напряжении изоляции (или эксплуатационном напряжении), указанном в таблице 18.
Группы материалов определяют по диапазону значений показателей относительной стойкости против токов утечки (СТ I) (см. 3.5.3.4):
I - при 600 £ СТ I;
II - при 400 £ СТ I < 600;
IIIa - при 175 £ СТ < 400;
IIIб - при 100 £ CT < 175.
Примечания
1 Значения СТ I относятся к величинам, полученным в соответствии с ГОСТ 27473, метод А, для используемого изоляционного материала.
2 Для неорганических изоляционных материалов, на которых токи утечки не оставляют следов, например стекло или керамика, расстояния утечки необязательно должны быть больше соответствующих воздушных зазоров. Однако следует учитывать опасность пробивных разрядов.
б) Использование ребер
Расстояние утечки можно уменьшить до 0,8 значений, приведенных в таблице 18, используя ребра высотой не менее 2 мм, независимо от их количества. Минимальное основание ребра определяется механическими параметрами (см. Е.2 приложения Е).
Соответствие проверяют измерением.
8.2.3.2.5 Твердая изоляция
Правила расчета размеров твердой изоляции находятся в стадии изучения.
8.2.3.2.6 Расстояния между отдельными цепями
Для определения размеров воздушных зазоров, расстояний утечки по твердой изоляции между отдельными цепями следует использовать наибольшие номинальные напряжения (номинальное импульсное выдерживаемое напряжение для воздушных зазоров и связанной с ними твердой изоляции и номинальное напряжение изоляции для расстояний утечки).
Соответствие проверяют измерением.
8.2.4 Требования к работе с нормальной нагрузкой и перегрузкой
Требования, касающиеся характеристик нормальной нагрузки и перегрузки в соответствии с 5.3.5, даны в 8.2.4.1-8.2.4.3
8.2.4.1 Включающая и отключающая способности
Контакторы должны быть способны включать и отключать токи нагрузки без отказа в условиях, указанных в таблице 8 для требуемых категорий применения и числа циклов оперирования, приведенных в 9.3.3.5.
Значения времени обесточивания и протекания тока в таблицах 8 и 8а не должны быть превышены.
Таблица 8 - Включающая и отключающая способности. Условия включения и отключения в зависимости от категорий применения
|
Условия включения и отключения |
||||||
|
Ic/Ie |
Uг/Uc |
cosj |
Время протекания тока 1), с |
Время обесточивания |
Число циклов оперирования |
|
|
АС-7а |
1,5 |
1,05 |
0,80 |
0,05 |
См. таблицу 8а |
50 |
|
АС-7b |
8,0 |
0,45 |
||||
|
1) Может быть менее 0,05 с, если до повторного размыкания контакты успевают занять правильное положение. Ic - включаемый и отключаемый ток, выражаемый как действующее значение симметричной составляющей переменного тока, но подразумевают, что действительное значение является пиковым, соответствующим коэффициенту мощности цепи; Ie - номинальный рабочий ток; Uг - возвращающееся напряжение промышленной частоты; Uc - номинальное рабочее напряжение; cosj - коэффициент мощности испытательной цепи. |
||||||
Таблица 8а - Взаимосвязь между отключаемым током и временем обесточивания при проверке номинальной включающей и отключающей способностей
|
Отключаемый ток Ic, А |
Время обесточивания, с |
|
Ic £ 100 |
10 |
|
100 < Ic £ 200 |
20 |
|
200 < Ic £ 300 |
30 |
Время обесточивания с согласия изготовителя можно сокращать.
8.2.4.2 Условная работоспособность
Испытания на работоспособность контактора предназначены для проверки его способности включать, проводить и отключать без отказа токи, проходящие по его главной цепи, в условиях, соответствующих установленной категории применения.
Контакторы должны быть способны безотказно включать и отключать токи в условиях, указанных в таблице 9 для требуемых категорий применения и числа срабатываний по 9.3.3.6.
Таблица 9 - Условная работоспособность. Условия включения и отключения в зависимости от категории применения
|
Условия испытаний на включение и отключение |
||||||
|
Ic/Ie |
Uг/Uc |
cosj |
Время протекания тока1), с |
Время обесточивания, с |
Число циклов оперирования |
|
|
АС-7а |
1,0 |
1,05 |
0,80 |
0,05 |
Не более указанного в таблице 8а |
30000 |
|
АС-7Б |
3) |
2) |
0,45 |
|||
|
1) Может быть менее 0,05 с, если до повторного размыкания контакты успевают занять правильное положение. 2) Uг/Uc = 1,0 при включении и Uг/Uc = 0,17 - при отключении. 3) Ic/Ie = 6,0 при включении и Ic/Ie = 1,0 - при отключении. Ic - включаемый и отключаемый ток, выражаемый как действующее значение симметричной составляющей переменного тока, но подразумевается, что действительное значение является пиковым, соответствующим коэффициенту мощности цепи; Ie - номинальный рабочий ток; Uг - возвращающееся напряжение промышленной частоты; Uc - номинальное рабочее напряжение; cosj - коэффициент мощности. |
||||||
8.2.4.3 Стойкость контакторов к токам перегрузки
Контакторы категории применения АС-7b, должны выдерживать токи перегрузки, указанные в таблице 10, согласно 9.3.5.
Таблица 10 - Требования по стойкости к токам перегрузки
|
Продолжительность испытания, с |
|
|
8 Ic |
10 |
8.2.5 Координация с устройствами защиты от коротких замыканий
Работоспособность в условиях короткого замыкания (номинальный условный ток короткого замыкания).
Номинальный условный ток короткого замыкания контакторов с устройствами защиты от коротких замыканий (УЗКЗ) следует проверять в процессе испытаний на короткое замыкание.
Согласно 9.3.4 такие испытания обязательно выполняют:
а) при соответствующем значении ожидаемого тока по таблице 21 (испытательным током Ir) и
б) при номинальном условном токе короткого замыкания Iq, если он больше испытательного тока Ir.
Номинальные характеристики УЗКЗ должны удовлетворять любому данному номинальному рабочему току, номинальному рабочему напряжению и соответствующей категории применения.
Условия испытаний указаны в 9.3.4.2.
Координация требует, чтобы в условиях короткого замыкания контактор не создавал опасность для людей или оборудования. Допустимо, что он не пригоден для дальнейшего использования.
Примечание - Использование УЗКЗ, не соответствующим рекомендациям изготовителя, может привести к нарушению координации.
8.2.6 Коммутационные перенапряжения
В контакторах, для которых изготовитель установил значения номинального импульсного выдерживаемого напряжения Uimp, не должны возникать коммутационные перенапряжения, превышающие номинальное импульсное выдерживаемое напряжение, и они не должны подвергаться коммутационным перенапряжениям, превышающим номинальное импульсное выдерживаемое напряжение.
Пригодные для этого испытательные цепи и методы измерения - в стадии изучения.
9.1.1 Общие положения
Испытания проводят для подтверждения соответствия изделий требованиям настоящего стандарта.
Для сертификационных целей последовательность испытаний изложена в приложении В.
Типовые испытания предназначены для проверки соответствия изделия конструкции контактора настоящему стандарту. Они включают проверку:
а) пределов превышения температуры (см. 9.3.3.3);
б) электроизоляционных свойств (см. 9.3.3.4);
в) номинальной включающей и отключающей способностей (см. 9.3.3.5);
г) условной работоспособности (см. 9.3.3.6);
д) срабатывания и его пределов (9.3.3.1 и 9.3.3.2);
е) стойкости контакторов к токам перегрузки (9.3.5);
ж) работоспособности в условиях короткого замыкания (9.3.4);
з) механических свойств выводов (9.2.4);
и) степени защиты контакторов в оболочках (9.2.3);
к) устойчивости к старению (9.2.1.1);
л) влагостойкости (9.2.1.2);
м) термостойкости (9.2.1.3);
н) стойкости против аномального нагрева и огня (9.2.1.4);
о) коррозиеустойчивости (9.2.1.5);
п) трекингостойкости (9.2.1.6);
р) прочности винтов и гаек, не расположенных на выводах и предназначенных для монтажа или обслуживания (9.2.2);
с) ударостойкости (9.2.5);
т) стойкости маркировки (9.2.6).
Для сертификационных целей типовые испытания группируют в последовательность испытаний.
Последовательность испытаний, количество образцов и результаты, которые должны быть получены, изложены в приложении В.
Если не оговаривают конкретно, каждое испытание (или последовательность испытаний) осуществляют на новом чистом образце.
Если не оговаривают особо, контакторы испытывают при температуре окружающего воздуха (25±10) °С.
9.1.3 Контрольные испытания предназначены для обнаружения дефектов и изготовления, а также для проверки правильности срабатывания контактора.
Они должны быть проверены на каждом отдельном контакторе при одних и тех же или эквивалентных условиях, какие предписаны для типовых испытаний (см. 9.3.6.1).
Контрольные испытания для контакторов включают проверку:
- срабатывания и его пределов (см. 9.3.6.2);
- электроизоляционных свойств (см. 9.3.6.3).
9.1.4 Выборочные испытания для проверки воздушных зазоров проводят в соответствии с 9.3.3.4.1, перечисление 6.
Планы отбора образцов и порядок процедуры испытаний находятся в стадии изучения.
Проверке на соответствие требованиям к конструкции, изложенным в 8.1, подлежат, например:
- материалы;
- контактор;
- оболочка контакторов;
- механические свойства выводов;
- орган управления;
- индикатор положения (см. 3.3.16).
9.2.1 Материалы
9.2.1.1 Испытание на устойчивость к старению
Детали контакторов, представляющие съемные прокладки, уплотнения, мембраны и детали, изготовленные из резины, поливинилхлоридных или аналогичных термопластичных материалов, подвергают испытанию в камере тепла с атмосферой, имеющей состав и давление окружающего воздуха, вентилируемой естественной циркуляцией при этом уплотнения, прокладки, мембраны свободно подвешивают. Температура в камере (70±2) °С.
Образцы должны быть выдержаны в камере в течение 7 сут (168 ч). Рекомендуется использовать камеру с электроподогревом. Естественная циркуляция воздуха может быть обеспечена за счет отверстий в стенках камеры.
После испытания образцы извлекают из камеры и выдерживают при комнатной температуре и относительной влажности 45-55 % в течение 4 сут (96 ч).
При визуальном осмотре образцы не должны иметь трещин на поверхности, коробления, ухудшающего их дальнейшее использование, вязкости и липкости. Это оценивают следующим образом:
- указательным пальцем, обернутым грубой тканью, надавливают на образец с усилием 5 Н.
Усилие 5 Н может быть получено следующим образом: образец кладут на одну чашу весов, а на другую - груз, равный массе образца, плюс 500 г. Затем устанавливают равновесие путем надавливания на образец пальцем.
На образце не должен оставаться след ткани, и он не должен прилипать к ткани.
9.2.1.2 Испытание на влагостойкость
Влагостойкость проверяют испытанием Са (влажное тепло, устойчивый режим) по ГОСТ 11478 при следующих условиях.
Входные отверстия, если есть, должны оставаться открытыми; если есть пробивные диафрагмы, одна из них должна быть вскрыта. Части, которые могут быть сняты без инструмента, должны быть сняты и подвергнуты воздействию влаги вместе с основными частями; пружинящие крышки должны быть открыты во время испытания.
Перед помещением в камеру влаги образцы должны быть выдержаны при комнатной температуре по крайней мере 4 ч. Продолжительность испытаний должна быть не менее 4 сут.
Затем контактор извлекают из камеры, устанавливают на место съемные части и закрывают крышки. После этого контактор подвергают в течение 1 мин испытательному (контрольному) напряжению промышленной частоты 2 Ue, но не менее 1 000 В, между различными частями, как указано в 9.3.3.4.2.
9.2.1.3 Испытание на термостойкость
9.2.1.3.1 Испытание на контакторе
а) Части из изоляционного материала, если имеются, необходимые для удерживания токоведущих частей и частей цепей заземления, должны подвергаться испытанию давлением шарика при температуре (125±2) °С, за исключением тех изоляционных частей оболочки, которые необходимы для удерживания зажима заземления, если имеются, которые должны быть испытаны согласно подпункту б).
Устройство для испытания давлением показано на рисунке 3.
Поверхность испытуемой части должна быть размещена в горизонтальном положении и опираться на стальную пластину толщиной не менее 5 мм, а стальной шарик диаметром 5 мм должен прижиматься к поверхности усилием 20 Н.
Испытание должно быть проведено в камере тепла при температуре (125±2) °С.
Спустя 1 ч шарик следует снять с образца и охладить образец до комнатной температуры путем погружения в холодную воду на 10 с.
Диаметр вмятины, оставленной шариком, следует измерить, и он не должен превышать 2 мм.
Когда невозможно провести испытание на образце в собранном виде, испытание проводят на его подходящей части толщиной не менее 2 мм.
Примечание - Толщина 2 мм может быть получена путем использования нескольких прокладок (слоев).
б) Наружные части из изоляционного материала, необязательно удерживающие токоведущие части и части заземляющей цепи, даже если они находятся в контакте с ними, должны быть подвергнуты испытанию на давление шариком согласно подпункту а), за исключением того, что испытание проводят при температуре (70±2) °С или (40±2) °С плюс наибольшее значение превышения температуры, определенное для данной части в течение испытания на превышение температуры, и выбирают большее значение.
в) Перед помещением в камеру тепла испытуемый контактор должен быть выдержан при комнатной температуре не менее 4 ч.
Контактор следует выдержать в камере тепла в течение времени, необходимого для достижения теплового равновесия, но не менее 1 ч, при температуре (100±2) °С.
Затем образец следует охладить примерно до комнатной температуры.
Стандартный испытательный палец (см. рисунок 10) следует прикладывать к наружным поверхностям, доступным при нормальной эксплуатации, с усилием не более 5 Н, не должно быть доступа к токоведущим частям, когда контактор установлен как при нормальной эксплуатации. После испытания, маркировка должна остаться читаемой.
9.2.1.3.2 Испытание материалов
Образец материала толщиной не менее 2 мм подвергают испытаниям по 9.2.1.3.1 а или 9.2.1.3.1б.
Примечание - Изготовитель может предоставить образец изоляционного материала поставщика (или другого надежного источника) для доказательства соответствия данным требованиям.
9.2.1.4 Испытание на стойкость против аномального нагрева и огня
9.2.1.4.1 Испытание частей контактора
Испытанием на проверку стойкости к аномальному нагреву и огнестойкости является испытание нагретой проволокой, которое имитирует тепловые нагрузки, вызываемые источником тепла или горения для имитации пожароопасности.
Испытание нагретой проволокой следует выполнять согласно разделу 4 ГОСТ 27483 при соблюдении следующих условий:
- для частей из изоляционного материала, удерживающих токоведущие части, проводят испытание при температуре 850°С; для данного испытания защитный проводник, если имеется, не считают токоведущей частью;
- для частей из изоляционного материала, не обязательно удерживающих токоведущие части и части цепи заземления, если имеются, даже если они могут быть в контакте с ними, испытание проводят при температуре 650 °С.
9.2.1.4.2 Испытания материалов
Образцы материала подвергают следующим испытаниям:
Примечание- Изготовитель может предоставить образец изоляционного материала поставщика (или другого надежного источника) для доказательства соответствия требованиям 8.1.1.4.
а) на классификацию по воспламеняемости в соответствии с ГОСТ 28779;
б) нагретой проволокой (ИРП), как указано в приложении G.
9.2.1.5 Испытание на коррозиеустойчивость
С испытуемых частей должна быть снята смазка путем погружения их (при взбалтывании) на 10 мин в холодный обезжиривающий раствор, например очищенный бензин.
Затем части погружают на 10 мин в 10 %-ный раствор хлористого аммония в воде при температуре (20±5) °С.
Стряхнув капли, но не высушивая, части помещают на 10 мин в шкаф, содержащий насыщенный влагой воздух температурой (20±5) °С.
После того, как части подсохнут в течение 10 мин при температуре (100±5) °С в камере тепла, их поверхность не должна иметь следов ржавчины.
Следы ржавчины на острых краях и желтую пленку, удаляемую стиранием, во внимание не принимают.
Для маленьких пружин и недоступных частей, подверженных коррозии, слой смазки может обеспечивать достаточную защиту от коррозии.
Такие части подлежат испытанию только при сомнении в эффективности смазки, в этом случае испытание проводят без предварительного снятия смазки.
Примечание- Вопрос о пересмотре данного испытания - в стадии рассмотрения.
9.2.1.6 Испытание на трекингостойкость
Испытание следует проводить на приемлемой части, взятой из контактора, или, при согласовании из практических соображений, на приемлемом образце изоляционного материала согласно ГОСТ 27473 (испытательный раствор А).
Винты или гайки следует затягивать и отпускать:
- десять раз при зацеплении с резьбой в изоляционном материале;
- пять раз - во всех других случаях.
Винты или гайки, закрепляющиеся резьбой в изоляционном материале, должны каждый раз полностью выниматься и снова вставляться.
Испытание проводят с применением отвертки или гаечного ключа, прикладывая момент по таблице 11 или указанный изготовителем.
Винты или гайки следует затягивать без рывков.
Если винт имеет шестигранную головку со шлицем для затягивания с помощью отвертки, прикладывают усилия согласно таблице 11, и если значения в графах II и III различны, испытания проводят дважды:
- первый раз прикладывают к шестигранной головке с помощью ключа момент, указанный в графе III;
- затем к новому образцу с помощью отвертки прикладывают момент, указанный в графе II;
Если значения в графах II и III одинаковые, проводят только испытание с помощью отвертки. Во время испытания фиксирующие узлы и выводы не должны разбалтываться и не должно быть, например, поломки винтов или повреждений шлицев, резьбы, шайб или хомутов, что могло бы нарушить дальнейшую эксплуатацию резьбовых соединений,
9.2.3 Проверка степеней защиты контакторов в оболочках
Методика испытания - на рассмотрении.
После испытания на вторую цифровую характеристику следует проверить электроизоляционные свойства контактора проверкой на электрическую прочность изоляции при испытательном напряжении промышленной частоты 2 Ue, но не менее 1000 В. Это напряжение следует прикладывать в течение 1 мин согласно 9.3.3.4.2а.
9.2.4 Механические свойства выводов
Данный пункт не распространяется на алюминиевые выводы или выводы, предназначенные для присоединения алюминиевых проводников.
9.2.4.1 Общие условия испытаний
При отсутствии иных указаний изготовителя каждое испытание следует проводить на чистых и новых выводах.
Когда испытания выполняют с круглыми медными проводниками, медь должна соответствовать МЭК 28 [10].
9.2.4.2 Испытания механической прочности выводов
Испытания следует проводить с проводником соответствующего типа, имеющим максимальную площадь поперечного сечения.
Проводник следует присоединять и отсоединять пять раз.
Для выводов резьбового типа крутящий момент должен соответствовать таблице 11 или 110 % момента, указанного изготовителем; выбирают что больше.
Испытание следует проводить на двух отдельных фиксирующих узлах.
Если винт имеет шестигранную головку со шлицем для затягивания с помощью отвертки и значения крутящего момента в графах II и III различны, испытания проводят дважды:
- первый раз прикладывают к шестигранной головке с помощью ключа момент, указанный в графе III;
- затем к новому комплекту образцов с помощью отвертки прикладывают момент, указанный в графе II.
Если значения в графах II и III одинаковы, проводят только испытание с помощью отвертки.
Каждый раз, когда фиксирующий винт или гайка ослабляются, для каждого испытания берут новый проводник.
Во время испытания фиксирующие узлы и выводы не должны разбалтываться и не должно быть, например, разрывов винтов или повреждений шлицев, резьбы, шайб или хомутов, что могло бы нарушить дальнейшую эксплуатацию резьбовых соединений.
Таблица 11 - Крутящие моменты для проверки механической прочности резьбовых выводов
|
Крутящий момент при затягивании, Н×м |
||||
|
Метрические стандартные значения |
Диапазон значений |
I |
II |
III |
|
2,5 |
До 2,8 |
0,20 |
0,4 |
0,4 |
|
3,0 |
Св. 2,8 до 3,0 |
0,25 |
0,5 |
0,5 |
|
- |
» 3,0» 3,2 |
0,30 |
0,6 |
0,6 |
|
3,5 |
» 3,2» 3,6 |
0,40 |
0,8 |
0,8 |
|
4,0 |
» 3,6» 4,1 |
0,70 |
1,2 |
1,2 |
|
4,5 |
» 4,1 » 4,7 |
0,80 |
1,8 |
1,8 |
|
5,0 |
» 4,7 » 5,3 |
0,80 |
2,0 |
2,0 |
|
6,0 |
» 5,3» 6,0 |
1,20 |
2,5 |
3,0 |
|
8,0 |
» 6,0» 8,0 |
2,50 |
3,5 |
6,0 |
|
10,0 |
» 8,0 » 10,0 |
- |
4,0 |
10,0 |
|
Примечание - Графа I распространяется на винты без головок, в затянутом виде не выступающие из отверстий, и другие винты, которые невозможно затянуть отверткой с лезвием шире диаметра головки винта. Графа II распространяется на гайки и винты, затягиваемые отверткой. Графа III распространяется на гайки и винты, затягиваемые другими способами, без отвертки. |
||||
9.2.4.3 Испытание на повреждение и случайное ослабление проводников (на изгиб)
Испытанию подвергают выводы для присоединения неподготовленных круглых медных проводников, число, поперечное сечение и тип которых (гибкие и/или жесткие, многожильные и/или одножильные) указывает изготовитель.
Испытанию подвергают два новых образца, а именно:
а) максимальное число проводников наименьшего поперечного сечения, присоединяемых к выводу;
б) максимальное число проводников наибольшего поперечного сечения, присоединяемых к выводу;
в) максимальное число проводников наименьшего и наибольшего поперечных сечений, присоединяемых к выводу.
Выводы, предназначенные для присоединения гибких или жестких проводников, следует испытывать с проводниками каждого типа на различных комплектах образцов.
Выводы, предназначенные для присоединения и гибких, и жестких проводников одновременно, следует испытывать по подпункту в).
Для испытания следует использовать подходящий испытательный аппарат. К выводу следует присоединить установленное число проводников. Длина испытуемых проводников должна на 75 мм превышать высоту Н, указанную в таблице 12. Зажимные винты следует затягивать с приложением крутящего момента по таблице 11 или по инструкции изготовителя. Испытуемый контактор должен быть закреплен согласно рисунку 4.
Таблица 12 - Испытательные параметры при проверке на изгиб и вытягивание круглых медных проводников
|
Диаметр отверстия в гильзе, мм1) |
Высота Н, мм ±13 |
Масса, кг |
Тянущее усилие, Н |
||
|
мм2 |
AWG/MCM |
||||
|
0,20 |
24 |
6,4 |
260 |
0,3 |
10 |
|
- |
22 |
20 |
|||
|
0,50 |
20 |
30 |
|||
|
0,75 |
18 |
0,4 |
|||
|
1,00 |
|
35 |
|||
|
1,50 |
16 |
40 |
|||
|
2,50 |
14 |
9,5 |
279 |
0,7 |
50 |
|
4,00 |
12 |
0,9 |
60 |
||
|
6,00 |
10 |
1,4 |
80 |
||
|
10,00 |
8 |
2,0 |
90 |
||
|
16,00 |
6 |
12,7 |
298 |
2,9 |
100 |
|
25,00 |
4 |
4,5 |
135 |
||
|
- |
3 |
14,3 |
318 |
5,9 |
156 |
|
35,00 |
2 |
6,8 |
190 |
||
|
1) Если гильза с указанным диаметром отверстия непригодна для пропускания проводника без застревания, можно использовать гильзу со следующим в сторону увеличения значением диаметра. |
|||||
Каждый проводник подвергают круговому движению следующим способом. Конец испытуемого проводника пропускают через соответствующего размера гильзу в пластине, расположенной на высоте Н ниже вывода контактора согласно таблице 12. Прочие проводники следует согнуть, чтобы они не влияли на результаты испытания. Гильзу следует вставить в горизонтальную пластину концентрично проводнику. Гильзу следует смещать так, чтобы ее центральная линия описывала круг диаметром 75 мм вокруг своего центра в горизонтальной плоскости с частотой (10±2) мин-1. Расстояние между входом вывода и верхним краем гильзы не должно отличаться от высоты Н в таблице 12 более чем на 13 мм. Во избежание застревания, скручивания или проворачивания изолированного проводника гильзу следует смазывать. К концу проводника следует подвешивать груз, создающий тянущее усилие, указанное в таблице 12. В ходе испытания следует совершить 135 непрерывных вращений. Во время испытания проводник не должен ни выскальзывать из вывода, ни ломаться близ зажима.
Немедленно после испытания на изгиб каждый испытуемый проводник должен подвергнуться в испытательном контакторе испытанию 9.2.4.4 (на вытягивание).
9.2.4.4 Испытание на вытягивание круглых медных проводников
После проверки по 9.2.4.3 к проводнику, испытанному по 9.2.4.3, следует приложить тянущее усилие, указанное в таблице 12.
Перед этим испытанием зажимные винты подтягивать не допускается.
Усилие следует прилагать без рывков в течение 1 мин. Во время испытания проводник не должен ни выскальзывать из вывода, ни ломаться вблизи зажима.
9.2.4.5.1 Методика испытания
Испытание должно выполняться с применением щупов согласно таблице 13. Рабочий элемент щупа должен быть способен проникать на полную глубину вывода под действием собственного веса щупа (см. также примечание к таблице 13).
Таблица 13 - Максимальные поперечные сечения проводников и соответствующие щупы
Размеры в миллиметрах
|
Щуп (см. рисунок 5) |
||||||
|
Форма, маркировка |
Диаметр а |
Ширина b |
Пред.откл. по а и b |
|||
|
гибкого |
жесткого (одно- или многожильного) |
|||||
|
1,50 |
1,5 |
А1 |
2,4 |
1,5 |
0-0,05 |
|
|
2,50 |
2,5 |
А2 |
2,8 |
2,2 |
||
|
4,0 |
A3 |
2,4 |
||||
|
4,00 |
6,0 |
А4 |
3,6 |
3,1 |
0-0,06 |
|
|
6,00 |
10,0 |
А5 |
4,3 |
4,0 |
||
|
10,00 |
11,0 |
В6 |
5,3 |
- |
||
|
16,00 |
25,0 |
В7 |
6,9 |
0-0,07 |
||
|
25,00 |
35,0 |
В8 |
8,7 |
|||
|
35,00 |
50,0 |
В9 |
10,0 |
|||
|
Примечание - При значениях поперечных сечений проводников, отличающихся от указанных в таблице, в качестве щупа можно использовать неподготовленный проводник соответствующего поперечного сечения при усилии ввода его в вывод не более 5 Н. |
||||||
9.2.4.5.2 Конструкция щупов
Конструкция щупов показана на рисунке 5.
Размеры а, b и предельные отклонения по ним приведены в таблице 13. Рабочий элемент щупа следует выполнять из инструментальной стали.
9.2.5 Испытание на ударостойкость
9.2.5.1 Методика испытания
Контакторы без оболочек, оголенные части контакторов в частичной оболочке, крышки и закрывающие пластины контакторов следует проверять на испытательной установке с ударным элементом по 9.2.5.2.1 и энергией удара 0,5 Дж.
Оболочки, по конструкции и размерам предназначенные для контакторов, следует испытывать на сферической испытательной установке по 9.2.5.2.2 и энергий удара 2 Дж.
Температура окружающего воздуха при испытании должна быть (25±10) °С.
Образец с крышкой или оболочкой, если имеется, должен прикрепляться как при нормальной эксплуатации или устанавливаться на жестком основании.
Кабельные вводы, не оснащенные пробиваемыми отверстиями, должны быть открыты.
Если они оснащены пробиваемыми отверстиями, то два из них должны быть вскрыты.
До нанесения ударов фиксирующие винты оснований, крышек и т.п. должны быть затянуты моментом, равным двум третям указанного в таблице 11.
Образцы подвергают 10 ударам, которые равномерно распределяют по образцу; удары не наносят по пробиваемым отверстиям, хрупким частям, например окнам, сигнальным лампам.
Наносят пять ударов в следующем порядке:
- для контакторов утопленного типа - один удар в центр, по одному - в каждый конец области над нишей в блоке и два других - приблизительно в середине между двумя предыдущими ударами, предпочтительно по ребру, если имеется, причем образец перемещают в горизонтальной плоскости;
- для контакторов других типов и монтажных коробок - один удар в центр, по одному удару - с каждой стороны образца после его вращения во всех возможных направлениях, но не более чем на 60° вокруг вертикальной оси, и два других удара - приблизительно в середине между двумя предыдущими ударами, предпочтительно по ребру, если имеется.
Затем наносят остальные удары в таком же порядке после вращения образца на 90° вокруг оси, перпендикулярной к поверхности основания из фанеры.
После испытания образец не должен иметь повреждений с точки зрения настоящего стандарта.
В частности крышки, поломка которых может сделать доступными части, находящиеся под напряжением, или привести к ухудшению эксплуатационных свойств контактора, органов управления и оболочек или перегородок из изоляционного материала не должны иметь повреждений такого рода
В случае сомнения проверяют возможность снятия и замены наружных частей, например оболочки и крышки, без повреждения этих частей или их изоляционных оболочек.
Видимые повреждения, например поверхностные трещины, небольшие впадины, которые не уменьшают расстояний утечки и воздушных зазоров по сравнению с указанными в 8.1.3 значениями, и незначительные изъяны, не влияющие на защиту от поражения электрическим током, не принимают во внимание.
9.2.5.2 Испытательная установка
9.2 5.2.1 Маятниковая ударная испытательная установка (испытание при энергии удара 0,5 Дж)
Следует применять испытательную установку, показанную на рисунках 6-8.
Конструкция установки должна быть такой, чтобы:
- образец мог перемещаться в горизонтальной плоскости и вращаться вокруг оси, перпендикулярной к поверхности фанерного основания;
- фанерное основание можно вращать вокруг вертикальной оси.
Ударный элемент массой 0,25 кг должен падать с высоты 0,2 м на наружные поверхности, когда контактор установлен как в нормальных условиях эксплуатации так, чтобы точка удара лежала в вертикальной плоскости, через которую проходит ось вращения маятника.
Высота падения должна быть равна расстоянию по вертикали между положением контрольной точки, когда маятник освобожден, и положением этой же точки в момент удара. Контрольная точка должна наноситься на поверхность ударного элемента там, где линия, проходящая через точку пересечения оси стальной трубки маятника с осью ударного элемента и перпендикулярная к плоскости, в которой лежат обе оси, касается поверхности ударного элемента.
Головка ударного элемента должна иметь полусферическую поверхность с радиусом 10 мм и быть выполнена из полиамида, имеющего твердость по Роквеллу 100 HRC. Ударный элемент жестко прикрепляют к нижнему концу стальной трубки внешним диаметром 9 мм и толщиной стенки 0,5 мм, верхний конец которой устанавливают на шарнире таким образом, чтобы он касался только вертикальной плоскости.
Ось шарнира должна размещаться на расстоянии (1000±1) мм выше оси ударного элемента.
Для определения твердости головки ударного элемента из полиамида должны быть соблюдены следующие условия:
диаметр шарика .................................. (12,7±0,0025) мм
начальная нагрузка ............................. (100±2) Н
перегрузка ........................................... (500±2,5) Н
Дополнительную информацию, касающуюся определения твердости пластмасс по Роквеллу, см. в ГОСТ 24622. Контакторы наружной установки следует располагать на листе фанеры толщиной 8 мм и площадью 175 мм2, прикрепленном верхним и нижним концами к жесткой скобе, которая должна быть частью монтажной опоры, как показано на рисунке 7.
Монтажная опора должна иметь массу (10±1) кг и устанавливаться на жесткой раме с помощью шарниров.
9.2.5.2.2 Сферическая испытательная установка (проверка при энергии удара 2 Дж (см. рисунок 9)
Удар должен наноситься при падении или качании стальной сферической части диаметром 50 мм и массой 0,5 кг с высоты 0,4 м, как показано на рисунке 9.
Н - высота, с которой должна падать сферическая часть для нанесения удара. Сферическая часть касается испытуемого образца, когда проволока занимает вертикальное положение.
Проволока должна иметь незначительную массу по сравнению со сферической частью.
Опорна поверхность должна состоять из слоя шпунтованного дубового настила, лежащего на двух слоях фанеры толщиной 19 мм.
Номинальная толщина настила должна быть 19 мм. Механизм должен опираться на бетонный пол. Можно применить аналогичную неэластичную опорную поверхность.
Нижняя опора должна состоять из фанеры толщиной 19 мм, лежащей на жесткой бетонной поверхности.
Может быть использована эквивалентная неэластичная нижняя опорная поверхность.
9.2.6 Испытание стойкости маркировки
Соответствие требованиям 8.1.12 проверяют осмотром, а также легким стиранием маркировки вручную в течение 15 с кусочком ткани, смоченной водой, и еще в течение 15 с кусочком ткани, смоченной бензином.
Бензин, применяемый при испытании, должен состоять из алифатического гексанового растворителя с максимальным содержанием ароматизаторов 0,1 % объема, каурибутаноловым числом 29, начальной температурой кипения =65 °С, температурой испарения =69 °С и плотностью =0,68 г/см3.
После данного испытания маркировка должна быть легкочитаемой. Должна быть исключена возможность легкого снятия таблички и не должно быть ее смещения.
Маркировка также должна остаться легкочитаемой после всех испытаний по настоящему стандарту.
Маркировку, выполненную тиснением, литьем, штамповкой и гравированием, данному испытанию не подвергают.
9.3.1 Циклы испытаний
Для сертификационных целей циклы испытаний и требования к образцам указаны в приложение В.
Подлежащие испытанию контакторы должны соответствовать типу конструкции, к которому они относятся.
При отсутствии других указаний испытания следует проводить на токе того же рода, при той же номинальной частоте и одинаковом числе фаз, как в предполагаемых условиях эксплуатации.
Если для удобства испытаний желательно усилить его жесткость (например, увеличить частоту оперирования, чтобы сократить длительность испытания), это может быть сделано только с согласия изготовителя.
Испытуемый контактор в укомплектованном виде следует смонтировать на его собственном основании или эквивалентной ему опоре и присоединить, как в нормальных условиях эксплуатации, в соответствии с инструкциями изготовителя и при условиях окружающей среды, указанных в 7.1.
Контакторы в оболочке должны быть смонтированы в укомплектованном виде и все отверстия, закрытые при нормальных условиях эксплуатации, должны быть также закрыты и на время испытаний. Контакторы, предназначенные для использования в отдельных оболочках, должны быть испытаны в наименьших оболочках, указанных изготовителем.
Примечание - Отдельная оболочка - это оболочка, предназначенная только для одного контактора и соответственно рассчитанная.
Контакторы, не предназначенные для использования в отдельных оболочках, следует испытывать на открытом воздухе. Однако при отсутствии других указаний в стандарте на соответствующий контактор, во время испытаний на включающую и отключающую способности и работоспособность при условиях короткого замыкания во всех точках контактора, которые могут оказаться источником внешних эффектов, способных вызвать пробой, согласно компановке и расстояниям, установленными изготовителем, следует поместить проволочную сетку.
Детали, в том числе расстояние между испытуемым контактором и проволочной сеткой, следует указать в протоколе испытания.
Обслуживание или замена частей не допускается, если нет иных указаний в стандарте на соответствующий контактор.
До начала испытаний контактором можно оперировать без нагрузки.
В ходе испытаний системой управления контакторами следует оперировать, как и в предполагаемых условиях эксплуатации, указанных изготовителем, и при номинальных значениях управляющего параметра (напряжения), при отсутствии других указаний в настоящем стандарте или стандарте на соответствующий контактор.
9.3.2.2 Испытательные параметры
9.3.2.2.1 Значения испытательных параметров
Все испытания должны проводиться при значениях испытательных параметров, удовлетворяющих номинальным значениям, указанным изготовителем, согласно данным стандарта на соответствующий контактор.
9.3.2.2.2 Допуски на испытательные параметры
Значения, зафиксированные в протоколе испытаний, должны быть в пределах допусков, приведенных в таблице 14, при отсутствии других указаний в соответствующих пунктах. Однако с согласия изготовителя испытания можно проводить в более жестких условиях, чем установленные.
Таблица 14 - Предельные отклонения испытательных параметров
|
Испытания при нулевой и нормальной нагрузке и перегрузке |
Испытание в условиях короткого замыкания |
|
|
Ток ... о+5 % |
Коэффициент мощности ... ±0,05 |
Коэффициент мощности .. °-0,05 |
|
Напряжение (в т.ч. возвращающееся напряжение промышленной частоты... % |
Частота... ±5 % |
Частота ... ±5 % |
|
Примечания 1 Указанные допуски недействительны, если в стандарте на контактор установлены максимальные, минимальные или те и другие отклонения. 2 По согласованию между изготовителем и потребителем испытания, проведенные при частоте 50 Гц, могут считаться действительными для оперирования при частоте 60 Гц и наоборот. |
||
9.3.2.2.3 Восстанавливающееся и возвращающееся напряжение
а) Возвращающееся напряжение
При любых испытаниях на отключающую и наибольшую отключающую способности значение возвращающегося напряжения промышленной частоты должно составлять 1,05 номинального рабочего напряжения, установленного изготовителем или в стандарте на соответствующий контактор.
Примечания
1 Значение, равное 1,05 номинального рабочего напряжения, по предположению, учитывает эффект колебаний сетевого напряжения в нормальных условиях эксплуатации.
2 Может потребоваться увеличение напряжения до включения, но без согласования изготовителя не должен быть превышен пиковый ток включения.
3 С согласия изготовителя можно повысить верхний предел возвращающегося напряжения (см. 9.3.2.2.2).
б) Восстанавливающееся напряжение
Если требуется, в стандарте на соответствующий контактор восстанавливающееся напряжение определяют по 9.3.3.5.3.
9.3.2.3 Оценка результатов испытаний
Поведение контактора во время испытаний и его состояние после испытаний определены в соответствующих пунктах испытаний настоящего стандарта.
9.3.2.4 Протоколы испытаний
Изготовитель должен предоставлять протоколы типовых испытаний, подтверждающие соответствие контактора требованиям настоящего стандарта. Протоколы должны содержать следующие сведения: тип и размеры оболочки, при ее наличии, размеры проводников, расстояние частей, находящихся под напряжением, до оболочки или до частей, нормально защищенных при эксплуатации.
Значения и параметры испытания должны являться частью протокола испытаний.
9.3.3 Работоспособность при нулевой и нормальной нагрузках, а также перегрузке.
Испытания должны проводиться с целью проверки правильности работы контактора в соответствии с требованиями 8.2.1.1.
Контакторы должны быть испытаны для проверки соответствия 8.2.1.2.
9.3.3.3 Превышение температуры
9.3.3.3.1 Температура окружающего воздуха
В последнюю четверть периода испытания как минимум два датчика температуры, например термометры или термопары, равномерно распределенные вокруг контактора, приблизительно на половине его высоты и на расстоянии около 1 м от него, должны записывать температуру окружающего воздуха. Датчики должны быть защищены от воздушных потоков, теплового излучения и ошибок, обусловленных резкими изменениями температуры.
Во время испытаний температура окружающего воздуха должна быть от 10 до 40 °С и не должна изменяться более чем на 10 К.
9.3.3.3.2 Измерение температуры частей
Температуру различных частей, кроме катушек, следует измерять пригодными для этого датчиками температуры в точках, где существует наибольшая вероятность достижения максимальной температуры; эти точки должны быть указаны в протоколе испытаний.
Датчик не должен заметно влиять на превышение температуры.
Необходимо обеспечить хорошую теплопроводность между датчиками и поверхностью испытуемой части.
Температуру катушек электромагнитов обычно следует измерять по изменению сопротивления. Допускаются другие методы, если резистивный метод неприменим.
Температура катушек перед началом испытаний не должна отличаться от температуры окружающей среды более чем на 3 К.
Для медных проводников температуру в нагретом состоянии T2 можно рассчитать по температуре в холодном состоянии Т1, как функцию соотношения сопротивлений в нагретом состоянии R2 и в холодном состоянии R1, по формуле
![]()
где Т1 и Т2 выражены в градусах Цельсия.
Длительность испытания должна быть достаточной для достижения установившегося значения превышения температуры, но не более 8 ч. Установившееся значение считают достигнутым, когда изменение составляет не более 1 К/ч.
9.3.3.3.3 Превышение температуры части контактора
Превышение температуры части контактора - это разница между температурой части, измеренной в соответствии с 9.3.3.3.2, и температурой окружающей среды, измеренной согласно 9.3.3.3.1.
9.3.3.3.4 Превышение температуры главной цепи
Контактор должен быть смонтирован, как определено в 9.3.2.1, и должен быть защищен от аномального внешнего нагрева или охлаждения.
Главная цепь должна быть нагружена, как определено в 8.2.2.4.
Все вспомогательные цепи, которые обычно пропускают ток, должны быть нагружены их максимальным рабочим током (см. 5.6), а цепи управления - запитаны номинальным напряжением.
Контакторы, имеющие неотделимую оболочку, и контакторы, предназначенные для использования только с определенным типом оболочки, должны быть испытаны в своих оболочках при проверке на условный тепловой ток. Не разрешается открывать отверстия, вызывающие непредусмотренную вентиляцию.
Контакторы, предназначенные для использования с более чем одним типом оболочки, должны быть испытаны в наименьшей оболочке, определенной изготовителем, или без оболочки. Если испытание проходит без оболочки, изготовитель должен, при необходимости, сообщить значение условного теплового тока в оболочке (см. 5.3.2.2).
Для испытаний с многофазными токами ток должен быть уравновешен в каждой фазе в пределах ±5 %, и среднее значение этих токов должно быть не менее соответствующего испытательного тока.
Если не оговорено в настоящем стандарте, испытание на превышение температуры главной цепи проводят при одном или обоих условных тепловых токах, как определено в 5.3.2.1 и 5.3.2.2, а также может быть проведено при любом удобном напряжении.
Если возможны значительные эффекты взаимного нагрева главной цепи, цепи управления и вспомогательных цепей, испытания на превышение температуры, определенные в 9.3.3.3.4-9.3.3.3.7, должны быть выполнены одновременно.
В случае многополюсных контакторов испытание может быть выполнено с согласия изготовителя однофазным током со всеми полюсами, соединенными последовательно.
В конце испытания превышение температуры различных частей главной цепи не должно быть более значений, указанных в таблицах 5 и 6.
Должны быть использованы следующие испытательные схемы соединений:
а) соединения осуществляют одножильными медными проводниками в поливинилхлоридной изоляции с поперечными сечениями, приведенными в таблице 15;
б) присоединяемые проводники должны прокладываться на открытом воздухе, и расстояния между ними, примерно, равны расстоянию между выводами;
в) при испытаниях одно- или многофазным током минимальная длина любого временного соединения между одним выводом и другим или источником испытательного тока, или с вершиной при соединении «звездой» должна быть 1 м.
Таблица 15 - Испытательные медные проводники
|
Поперечное сечение проводника2) |
||
|
мм2 |
AWG/MCM |
|
|
До 8 включ. |
1,0 |
18 |
|
Св. 8 до 12 включ |
1,5 |
16 |
|
» 12 » 15 » |
2,5 |
14 |
|
» 15 » 20 » |
2,5 |
12 |
|
» 20 » 25 » |
4,0 |
10 |
|
» 25 » 32 » |
6,0 |
10 |
|
» 32 » 50 » |
10,0 |
8 |
|
» 50 » 65 » |
16,0 |
6 |
|
» 65 » 85 » |
25,0 |
4 |
|
1) Нижний предел диапазона испытательного тока должен быть больше меньшего значения тока, указанного в таблице, а верхний предел - меньшим или равным большему значению. 2) Для удобства испытания по соглашению с изготовителем можно использовать проводники с меньшим поперечным сечением, чем указано в таблице, для соответствующего диапазона испытательного тока. В таблице приведены размеры для проводов в метрической и AWG/MCM системах. |
||
9.3.3.3.5 Превышение температуры цепей управления
Превышение температуры цепей управления должно быть измерено во время испытания 9.3.3.3.4.
Испытания на превышение температуры цепей управления должны быть выполнены указанным током и при номинальной частоте. Цепи управления должны быть испытаны при номинальном напряжении.
Цепи, предназначенные для работы в продолжительном режиме, должны быть испытаны за время, достаточное для того, чтобы превышение температуры успело достичь установившегося значения.
В конце этих испытаний превышение температуры различных частей цепей управления не должно быть более значений, указанных в 8.2.2.5..
9.3.3.3.6 Превышение температуры катушек электромагнитов
Катушки и электромагниты должны быть испытаны в условиях, описанных в 8.2.2.6.
Они должны быть испытаны в течение достаточного времени для того, чтобы превышение температуры успело достичь установившегося значения.
Температура должна быть измерена при достижении теплового равновесия и в главной цепи, и в катушке электромагнита.
Катушки и электромагниты должны испытываться следующим образом:
а) электромагниты контакторов, предназначенных для эксплуатации в продолжительном или 8-часовом режимах работы, подлежат только испытаниям по 8.2.2.6.1 при протекании по главной цепи во время испытания соответствующего номинального тока. Превышение температуры следует измерять во время испытания по 9.3.3.3.4;
б) электромагниты контакторов, предназначенных для эксплуатации в повторно-кратковременном режиме, подлежат описанному выше испытанию, а также испытанию, предписанному в 8.2.2.6.2, при обесточенной главной цепи;
в) специальные обмотки для периодического и кратковременного режимов подлежат испытанию по 8.2.2.6.3 при обесточенной главной цепи.
В конце этих испытаний превышение температуры разных частей не должно быть более значений, указанных в 8.2.2.6.
9.3.3.3.7 Превышение температуры вспомогательных цепей
Испытания на превышение температуры вспомогательных цепей должны выполняться во время проверки по 9.3.3.3.4 при тех же условиях, что определены в 9.3.3.3.5, но могут быть проведены при любом удобном напряжении.
В конце этих испытаний превышение температуры вспомогательных цепей не должно быть более значений, указанных в 8.2.2.7.
9.3.3.4 Электроизоляционные свойства
Испытание должно быть проведено:
а) в соответствии с 9.3.3.4.1, если изготовитель установил значение Uimp. (см. 5.3.1.3);
б) в соответствии с 9.3.3.4.2, если значение Uimp. не установлено.
Воздушные зазоры и расстояния утечки проверяют измерениями (см. приложение Е).
9.3.3.4.1 Испытание электроизоляционных свойств импульсным напряжением
1) Общие условия
Контактор, который нужно испытывать, должен отвечать общим требованиям 9.3.2.1.
Кроме того, если контактор предназначен для использования без оболочки, он должен быть смонтирован на металлической плите, и все открытые токопроводящие части (корпус и т.д.), заземляемые в нормальных условиях, должны быть присоединены к металлической плите.
Любой орган управления, выполненный из изоляционного материала, и неотделимая неметаллическая оболочка контактора, предназначенного для использования без дополнительной оболочки, должны быть покрыты металлической фольгой и соединены с корпусом или монтажной плитой. Фольгой должны быть закрыты все поверхности, к которым можно коснуться стандартным испытательным пальцем (см. рисунок 10).
2) Проверку импульсного выдерживаемого напряжения для воздушных зазоров и связанной с ними твердой изоляции проводят испытанием при номинальном импульсном выдерживаемом напряжении (см. таблицу 16).
Воздушные зазоры, равные или большие значений для случая А по таблице 17, могут быть проверены измерением в соответствии с методом, описанным в приложении Е. Во время испытаний не должны возникать непредусмотренные пробивные разряды.
Примечания
1 Исключением является предусмотренный пробивной разряд, например для подавления переходных напряжений.
2 Термин «пробивной разряд» относится к явлению, связанному с повреждением изоляции под электрической нагрузкой, при котором разряд полностью перекрывает испытуемую изоляцию, снижая напряжение между электродами до нуля или около нуля.
3 Если пробивной разряд возникает в газовом или жидком диэлектрике, используют термин «искровое перекрытие».
4 Если пробивной разряд возникает в газовой или жидкой среде, используют термин «перекрытие».
5 Если пробивной разряд проходит сквозь твердый диэлектрик, используют термин «пробой».
6 Пробивной разряд в твердом диэлектрике приводит к устойчивой утрате электрической прочности изоляции; в жидкостном или газообразном диэлектрике утрата может оказаться временной.
3) Испытательные напряжения
Испытательное напряжение должно соответствовать указанному в 8.2.3.1 и 8.2.3.2. Энергосодержание испытательного тока не должно превышать номинального энергетического параметра приспособления для перенапряжений, если есть перенапряжение.
Примечание - Номинальный параметр средства для подавления перенапряжений должен быть удобен для употребления. Эти параметры находятся в стадии изучения.
Трижды для каждой полярности с интервалами минимум 1 с должно подаваться импульсное напряжение 1,2/50 мкс.
Таблица 16 - Выдерживаемые напряжения при испытаниях электрической прочности изоляции импульсным током промышленной частоты
Напряжение в киловольтах
|
Высота над уровнем моря |
|||||
|
Пиковое напряжение переменного тока 1,2/50 мкс |
|||||
|
На уровне моря |
200 м |
500 м |
1000 м |
2000 м |
|
|
0,33 |
0,36 |
0,36 |
0,35 |
0,34 |
0,33 |
|
0,50 |
0,54 |
0,54 |
0,53 |
0,52 |
0,50 |
|
0,80 |
0,95 |
0,90 |
0,90 |
0,85 |
0,80 |
|
1,50 |
1,80 |
1,70 |
1,70 |
1,60 |
1,50 |
|
2,50 |
2,90 |
2,80 |
2,80 |
2,70 |
2,50 |
|
4,00 |
4,90 |
4,80 |
4,70 |
4,40 |
4,00 |
|
6,00 |
7,40 |
7,20 |
7,00 |
6,70 |
6,00 |
|
8,00 |
9,80 |
9,60 |
9,30 |
9,00 |
8,00 |
|
12,00 |
14,80 |
14,50 |
14,00 |
13,30 |
12,00 |
4) Подача испытательных напряжений
К контактору, смонтированному и подготовленному, как определено в пункте 1), испытательное напряжение подают в следующем порядке:
а) между всеми выводами главной цепи, соединенными между собой (включая вспомогательные цепи и цепи управления, присоединенные к главной цепи), и оболочкой или монтажной плитой при всех нормальных рабочих положениях контактов;
б) между каждым полюсом главной цепи и прочими полюсами, соединенными между собой, и с оболочкой или монтажной плитой, при всех нормальных рабочих положениях контактов;
в) между каждой цепью управления и вспомогательной цепью, неприсоединяемой к главной цепи, и:
- главной цепью;
- прочими цепями;
- открытыми токопроводящими частями;
- оболочкой или монтажной плитой, которые могут быть соединены между собой.
Таблица 17 - Минимальные воздушные зазоры
Зазоры в миллиметрах
|
Случай А Неоднородное поле (см. 3.5.32) |
Случай В Идеальное однородное поле (см. 3.5.31) |
|||||||
|
Степень загрязнения |
||||||||
|
1 |
2 |
3 |
4 |
1 |
2 |
3 |
4 |
|
|
0,33 |
0,01 |
0,2 |
0,8 |
1,6 |
0,01 |
0,2 |
0,8 |
1,6 |
|
0,50 |
0,04 |
0,04 |
||||||
|
0,80 |
0,10 |
0,10 |
||||||
|
1,50 |
0,50 |
0,5 |
0,30 |
0,3 |
||||
|
2,50 |
1,50 |
1,5 |
1,5 |
0,60 |
0,6 |
|||
|
4,00 |
3,00 |
3,0 |
3,0 |
3,0 |
1,20 |
1,2 |
1,2 |
|
|
6,00 |
5,50 |
5,5 |
5,5 |
5,5 |
2,00 |
2,0 |
2,0 |
2,0 |
|
8,00 |
8,00 |
8,0 |
8,0 |
8,0 |
3,00 |
3,0 |
3,0 |
3,0 |
|
12,00 |
14,0 |
14,0 |
14,0 |
14,0 |
4,50 |
4,5 |
4,5 |
4,5 |
|
Примечание - Значения минимальных воздушных зазоров рассчитаны для импульсного напряжения 1,2/50 мкс при барометрическом давлении 80 кПа, эквивалентном нормальному атмосферному давлению на высоте 2 000 м над уровнем моря. |
||||||||
5) Проверка расстояний утечки
Кратчайшие расстояния утечки должны измеряться между фазами, а также между проводниками цепи с разным напряжением и токоведущими и открытыми токопроводящими частями. Измеренное расстояние утечки относительно группы материала и уровня напряжения должно соответствовать требованиям 8.2.3.2.4.
6) Выборочные испытания для проверки воздушных зазоров
Эти испытания предназначены для проверки постоянного соответствия воздушных зазоров и выполняются только на контакторах с воздушными зазорами меньше соответствующих случаю А согласно таблице 17. Испытательное напряжение должно соответствовать номинальному импульсному выдерживаемому напряжению.
Программы и методики испытания находятся на стадии изучения.
Испытательное напряжение должно подаваться согласно пункту 4), но без покрытия органа управления или оболочки металлической фольгой.
Во время испытаний не должны возникать пробивные разряды.
Таблица 18 - Минимальные расстояния утечки для контакторов, испытывающих длительные нагрузки
Расстояния в миллиметрах
|
Степень загрязнения |
|||||||||||||
|
15) |
26) |
1 |
2 |
3 |
4 |
||||||||
|
Группа материалов |
|||||||||||||
|
2) |
3) |
2) |
I1) |
II |
IIIa, IIIб |
I |
II |
IIIa, IIIб |
I |
II |
IIIa |
IIIб |
|
|
10,0 |
0,025 |
0,040 |
0,080 |
0,40 |
0,40 |
0,40 |
1,00 |
1,00 |
1,00 |
1,6 |
1,6 |
1,6 |
|
|
12,5 |
0,025 |
0,040 |
0,090 |
0,42 |
0,42 |
0,42 |
1,05 |
1,05 |
1,05 |
1,6 |
1,6 |
1,6 |
|
|
16,0 |
0,025 |
0,040 |
0,100 |
0,45 |
0,45 |
0,45 |
1,10 |
1,10 |
1,10 |
1,6 |
1,6 |
1,6 |
|
|
20,0 |
0,025 |
0,040 |
0,110 |
0,48 |
0,48 |
0,48 |
1,20 |
1,20 |
1,20 |
1,6 |
1,6 |
1,6 |
|
|
25,0 |
0,025 |
0,040 |
0,125 |
0,50 |
0,50 |
0,50 |
1,25 |
1,25 |
1,25 |
1,7 |
1,7 |
1,7 |
|
|
32,0 |
0,025 |
0,040 |
0,140 |
0,53 |
0,53 |
0,53 |
1,30 |
1,30 |
1,30 |
1,8 |
1,8 |
1,8 |
|
|
40,0 |
0,025 |
0,040 |
0,160 |
0,56 |
0,80 |
1,10 |
1,40 |
1,60 |
1,80 |
1,9 |
2,4 |
3,0 |
|
|
50,0 |
0,025 |
0,040 |
0,180 |
0,60 |
0,85 |
1,20 |
1,50 |
1,70 |
1,90 |
2,0 |
2,5 |
3,2 |
|
|
63,0 |
0,045 |
0,063 |
0,200 |
0,63 |
0,90 |
1,25 |
1,60 |
1,80 |
2,00 |
2,1 |
2,6 |
3,4 |
|
|
80,0 |
0,063 |
0,100 |
0,220 |
0,67 |
0,95 |
1,30 |
1,70 |
1,90 |
2,10 |
2,2 |
2,8 |
3,6 |
|
|
100,0 |
0,100 |
0,160 |
0,250 |
0,71 |
1,00 |
1,40 |
1,80 |
2,00 |
2,20 |
2,4 |
3,0 |
3,8 |
4) |
|
125,0 |
0,160 |
0,250 |
0,280 |
0,75 |
1,05 |
1,50 |
1,90 |
2,10 |
2,40 |
2,5 |
3,2 |
4,0 |
|
|
160,0 |
0,250 |
0,400 |
0,320 |
0,80 |
1,10 |
1,60 |
2,00 |
2,20 |
2,50 |
3,2 |
4,0 |
5,0 |
|
|
200,0 |
0,400 |
0,630 |
0,420 |
1,00 |
1,40 |
2,00 |
2,50 |
2,80 |
3,20 |
4,0 |
5,0 |
6,3 |
|
|
250,0 |
0,560 |
1,000 |
0,560 |
1,25 |
1,80 |
2,50 |
3,20 |
3,60 |
4,00 |
5,0 |
6,3 |
8,0 |
|
|
320,0 |
0,750 |
1,600 |
0,750 |
1,60 |
2,20 |
3,20 |
4,00 |
4,50 |
5,00 |
6,3 |
8,0 |
10,0 |
|
|
400,0 |
1,000 |
2,000 |
1,000 |
2,00 |
2,80 |
4,00 |
5,00 |
5,60 |
6,30 |
8,0 |
10,0 |
12,5 |
|
|
500,0 |
1,300 |
2,500 |
1,300 |
2,50 |
3,60 |
5,00 |
6,30 |
7,10 |
8,00 |
10,0 |
12,5 |
16,0 |
|
|
630,0 |
1,800 |
3,200 |
1,800 |
3,20 |
4,50 |
6,30 |
8,00 |
9,00 |
10,00 |
12,5 |
16,0 |
20,0 |
|
|
1) Группы материалов I или I, II, IIIa, IIIб, где вероятность образования токоведущих мостиков уменьшена из-за отсутствия условий 10.8 МЭК 664-А. 2) Группы материалов I, II, IIIa, IIIб. 3) Группы материалов I, II, IIIa. 4) Расстояния утечки для этих материалов не установлены. Группа материалов IIIб, в общем, не рекомендуется для применения при степени загрязнения 4. 5) Как исключение, для номинальных напряжений изоляции 127, 208, 415 и 440 В могут быть использованы расстояния утечки, удовлетворяющие более низким значениям 125, 200, 400 В соответственно. 6) Значения, приведенные в этих графах, относятся к расстояниям утечки в печатных схемах. Примечания 1. Считают, что при эксплуатационных напряжениях 32 В и ниже на изоляции отсутствуют следы токов утечки или эрозии. Однако следует учитывать возможность электролитической коррозии, поэтому рекомендуется минимальные расстояния утечки. 2. Значения напряжения выбирают соответственно серии R10. |
|||||||||||||
9.3.3.4.2 Испытание электроизоляционных свойств испытательным напряжением промышленной частоты
1) Состояние контактора, подлежащего испытанию
Испытаниям изоляции должны подвергаться сухие и чистые контакторы, смонтированные как в условиях эксплуатации с внутренними соединениями.
Если основание контактора выполнено из изоляционного материала, во всех точках крепления соответственно условиям нормального монтажа контактора следует поместить металлические части и рассматривать их как часть корпуса контактора. Если контактор применяют в изоляционной оболочке, ее следует покрыть снаружи металлической фольгой, присоединенной к корпусу.
Если электрическая прочность изоляции контактора зависит от обмотки проводов изоляционной лентой или использования специальной изоляции, необходимо предусмотреть такую обмотку или специальную изоляцию также на время испытаний.
2) Подача испытательного напряжения
Если в цепях контактора имеются такие устройства, как двигатели, контрольно-измерительные приборы, щелчковые выключатели и полупроводниковые приборы, по их техническим условиям подлежащие испытаниям на электроизоляционные свойства при более низких испытательных напряжениях, чем указанные в подпункте 3), их, по усмотрению изготовителя, можно отсоединить, прежде чем испытывать контактор.
а) Главная цепь
При проведении испытаний электроизоляционных свойств все вспомогательные цепи и цепи управления, нормально не присоединяемые к главной цепи, должны быть соединены с корпусом. Испытательное напряжение следует подавать в течение 1 мин в следующем порядке.
1) При замкнутых главных контактах:
- между всеми токоведущими частями всех полюсов, соединенными между собой и корпусом контактора;
- между каждым из полюсов и всеми остальными полюсами, присоединенными к корпусу контактора.
2) При разомкнутых главных контактах:
- между всеми токоведущими частями всех полюсов, соединенными между собой и корпусом контактора;
- между выводами одной стороны, соединенными между собой и выводами другой стороны, соединенными между собой.
б) Цепи управления и вспомогательные цепи
При проведении этих испытаний главную цепь следует присоединить к корпусу. Испытательное напряжение следует подавать в течение 1 мин в следующем порядке:
1) между всеми цепями управления и вспомогательными цепями, в нормальных условиях эксплуатации не подключаемыми к главной цепи, соединенными между собой и с корпусом контактора;
2) когда уместно, между каждой частью цепей управления и вспомогательных цепей, которые в нормальных условиях эксплуатации можно отсоединить от других частей, и всеми остальными частями, соединенными между собой.
3) Значение испытательного напряжения
Испытательное напряжение должно иметь практически синусоидальную форму волны и частоту от 45 до 65 Гц. Источник напряжения должен быть способен обеспечить ток короткого замыкания не менее 0,2 А, отрегулированный в соответствии с испытательным напряжением.
Отключающее устройство не должно срабатывать при значении тока в выходной цепи ниже 0,1 А.
Значение одноминутного испытательного напряжения в сухой среде должно быть следующим:
а) для главной цепи, цепей управления и вспомогательных цепей, не охватываемых подпунктом б), - по таблице 19.
Таблица 19 - Напряжение при испытаниях изоляции в зависимости от номинального напряжения изоляции
В вольтах
|
Испытательное напряжение для проверки изоляции (действующее значение переменного тока) |
|
|
Ui £60 |
1000 |
|
60 < Ui £300 |
2000 |
|
300 < Ui £ 690 |
2500 |
б) для цепей управления и вспомогательных цепей, по указанию изготовителя не пригодных для присоединения к главной цепи:
- если номинальное напряжение изоляции Ui не превышает 60 и 1000 В;
- если номинальное напряжение изоляции Ui превышает 60 В; 2 Ui + 1000 В, но не менее 1500 В;
в) для контакторов, используемых в цепях безопасного сверхнизкого напряжения, испытательное напряжение между токоведущими частями цепей безопасного сверхнизкого напряжения и другими цепями должно быть не менее 4000 В.
4) Результаты испытаний
Результаты испытания считают положительными при отсутствии пробоя или перекрытия (см. примечание к 9.3.3.4.1, подпункт 2).
9.3.3.5 Включающая и отключающая способности
9.3.3.5.1 Общие условия испытания
Испытания на включающую и отключающую способности следует проводить в соответствии с общими условиями испытания по 9.3.2.1.
Четырехполюсные контакторы следует испытывать как трехполюсные контакторы с неиспользуемым полюсом, который в случае, когда контакторы снабжены нейтральным полюсом, является нейтральным, соединенным с корпусом. Достаточно одного испытания на трех смежных полюсах.
Испытания должны быть выполнены в рабочих условиях по таблице 8 без отказов (см. 9.3.3.5.5б). Входное напряжение цепи управления должно равняться 110 % Us для половины всех циклов оперирования и 85 % Us - для другой половины.
Соединения с главной цепью должны быть аналогичны предусмотренным для использования контактора в условиях эксплуатации. При необходимости или для удобства питание цепей управления и вспомогательных цепей, в частности, катушки контактора, может осуществляться от независимого источника. Такой источник должен давать ток такого рода и напряжения, как предусмотрено для условий эксплуатации.
а) На рисунках 11-14 представлены схемы цепей, которые следует использовать для испытания:
- однополюсного контактора однофазным переменным током (рисунок 11);
- двухполюсного контактора однофазным переменным током (рисунок 12);
- трехполюсного контактора или трех однополюсных контакторов трехфазным переменным током (рисунок 13);
- четырехполюсного контактора трехфазным переменным током в четырехпроводной схеме (рисунок 14).
Подробная схема цепи, использованной для испытания, должна быть приведена в протоколе испытаний.
б) Ожидаемый ток на входных выводах контактора должен быть не менее десятикратного испытательного тока.
в) Испытательная цепь включает в себя источник питания, испытуемый контактор D и цепь нагрузки.
г) В цепь нагрузки должны входить сопротивления, реакторы с воздушными сердечниками. Последние должны быть в любой фазе шунтированы сопротивлениями, отводящими около 0,6 % тока, проходящего через реактор.
Однако в случаях, когда указывается значение восстанавливающегося напряжения, шунтирующие сопротивления, отводящие 0,6 % тока, следует заменять параллельными нагрузке сопротивлениями и конденсаторами так, чтобы вся цепь приняла вид, указанный на рисунке 16.
д) Нагрузки должны быть отрегулированы так, чтобы при указанном напряжении обеспечить:
- значения тока, коэффициента мощности и восстанавливающегося напряжения промышленной частоты, указанных в таблице 8;
- если оговаривается, частоту колебаний восстанавливающегося напряжения и коэффициент у.
Коэффициент g - это отношение значения U1 , наибольшего пикового восстанавливающегося напряжения к мгновенному значению U2 (в момент прохождения тока через нуль) - составляющей возвращающегося напряжения (см. рисунок 15).
е) Испытательная цепь должна быть заземлена в одной точке, положение которой должно быть указано в протоколе испытаний.
ж) Все части контактора, в условиях эксплуатации нормально заземляемые, включая оболочку или экран, должны быть изолированы от земли и присоединены в одной точке, как показано на рисунках 11-14.
Соединение F должно представлять собой медную проволоку диаметром 0,8 мм и длиной не менее 50 мм или эквивалентный плавкий элемент для обнаружения аварийного тока.
Ожидаемый аварийный ток в цепи плавкого элемента должен быть 1500 А ±10 %, за исключением случаев, оговоренных в примечаниях 2 и 3. При необходимости следует использовать сопротивление, ограничивающее ток этим значением.
Примечания
1 Медная проволока диаметром 0,8 мм при токе 1500 А расплавляется приблизительно за один полупериод при частоте от 45 до 67 Гц.
2 Ожидаемый аварийный ток может быть менее 1500 А, при этом медная проволока меньшего диаметра (см. примечание 4) соответствует тому же времени расплавления, как указано в примечании 1.
3 В системе питания с искусственной нейтралью допустим более низкий ожидаемый аварийный ток по соглашению с изготовителем, причем медная проволока (см. примечание 4) соответствует тому же времени расплавления, как указано в примечании 1.
4 Соотношение между ожидаемым аварийным током в цепи плавкого элемента и диаметром медной проволоки должно соответствовать следующей таблице:
|
Диаметр медной проволоки, мм |
Ожидаемый аварийный ток в цепи плавкого элемента, А |
|
0,1 |
50 |
|
0,2 |
150 |
|
0,3 |
300 |
|
0,4 |
500 |
|
0,5 |
800 |
|
0,8 |
1500 |
9.3.3.5.3 Характеристики восстанавливающегося напряжения
Требования, предъявляемые к контакторам категории применения АС-7b
Чтобы моделировать условия в цепях индивидуальных двигателей (индуктивных нагрузок), следует отрегулировать колебательную частоту цепи нагрузки до уровня
![]()
где f - колебательная частота, кГц;
Ic - ток отключения, А;
Ue - номинальное рабочее напряжение, В.
Коэффициент следует отрегулировать до значения g = 1,1 ± 0,05.
Значение реактивного сопротивления, необходимое для этого испытания, можно обеспечить, соединив параллельно несколько реакторов, при условии, что восстанавливающемуся напряжению можно по-прежнему приписывать только одну колебательную частоту. Это, в общем, случай, когда реакторы имеют практически одинаковую постоянную времени.
Выходные выводы контактора следует присоединить как можно ближе к выводам отрегулированной цепи нагрузки. Такая регулировка должна производиться после установки этих соединений на место.
Восстанавливающееся напряжение следует регулировать во всей цепи нагрузки, в частности, точку заземления не следует смещать в период между регулировкой и испытанием.
Методика регулирования цепи нагрузки описана в приложении С.
9.3.3.5.5 Номинальная включающая и отключающая способности
а) Номинальная включающая и отключающая способности контакторов
Контактор должен включать и отключать ток в соответствии с его категорией применения на протяжении числа циклов оперирования согласно таблице 8.
б) Поведение контактора во время и после испытаний на включающую и отключающую способности.
Во время испытаний в пределах указанной включающей и отключающей способностей по 9.3.3.5 и проверки условной работоспособности в процессе эксплуатации по 9.3.3.6.1 не допускаются затяжки дуги, перекрытие между полюсами, расплавление плавкого элемента в цепи заземления (см. 9.3.3.5.2) и сваривание контактов.
После испытаний электроизоляционные свойства контактора должны быть проверены испытанием электрической прочности изоляции с приложением чисто синусоидального испытательного напряжения, равного удвоенному номинальному рабочему напряжению не менее 1000 В. Испытательное напряжение прикладывают в течение 1 мин, как определено в 9.3.3.4.2.2) а) 1).
Контакты должны замыкаться и размыкаться, когда на контактор воздействуют соответствующим методом управления.
9.3.3.6 Работоспособность в процессе эксплуатации
Испытания на условную работоспособность предназначены для проверки способности контактора удовлетворять требованиям таблицы 9.
Соединения с главной цепью должны быть аналогичны предусмотренным для использования контактора в процессе эксплуатации.
Можно использовать испытательную цепь по 9.3.3.5.2, а нагрузку следует отрегулировать по 9.3.3.5.3.
Напряжение цепи управления должно составлять 100 % ее номинального входного напряжения.
9.3.3.6.1 Условная работоспособность контакторов
Контактор должен включать и отключать ток в соответствии с его категорией применения на протяжении числа циклов оперирования по таблице 9.
9.3.3.6.2 Поведение контактора во время и состояние после испытаний на условную работоспособность
Должны быть выполнены требования 9.3.3.5.5 б, и следует проверить электроизоляционные свойства контактора путем испытания электрической прочности его изоляции практически чисто синусоидальным испытательным напряжением, равным удвоенному номинальному рабочему напряжению Ue не ниже 1000 В. Это испытательное напряжение должно подаваться в течение 1 мин по 9.3.3.4.2 а) 1).
9.3.4. Работоспособность в условиях короткого замыкания
В этом пункте определяют условия испытаний для проверки соответствия требованиям 8.2.5. Специфические требования, относящиеся к методике испытания, циклам испытаний, состоянию контактора после испытаний, - по 9.3.4.1 и 9.3.4.2.
9.3.4.1 Общие условия испытаний на короткое замыкание
9.3.4.1.1 Общие требования к испытаниям на короткое замыкание
Действителен 9.3.2.1. Контактор должен быть управляемым в условиях, определенных в 8.2.1. Должно быть проверено, что контактор в этих условиях работает правильно без нагрузки.
а) На рисунках 17-20 приведены схемы цепей, которые следует использовать при испытаниях, касающихся:
- однополюсного контактора однофазным переменным током (рисунок 17);
- двухполюсного » » » » (рисунок 18);
- трехполюсного » трехфазным » » (рисунок 19);
- четырехполюсного » » » » в четырехпроводной схеме (рисунок 20).
Подробную схему использованной цепи следует привести в протоколе испытаний.
б) Источник питания S подает ток в цепь, включающую сопротивление R1, реакторы Х и испытуемый контактор D.
В любом случае мощность источника питания должна быть достаточной для проверки характеристик, указанных изготовителем. Активное и реактивное сопротивления должны быть регулируемыми, чтобы удовлетворять указанным условиям испытания. Реактор должен быть с воздушным сердечником. Реакторы следует соединять последовательно с сопротивлениями R1, а требуемое значение реактивного сопротивления следует обеспечить путем последовательного соединения отдельных реакторов; допускается и параллельное соединение ракторов, если у них практически одинакова постоянная времени.
Поскольку характеристики восстанавливающегося напряжения испытательных цепей, включающих реакторы с воздушными сердечниками, не типичны для обычных условий эксплуатации, реактор с воздушным сердечником в каждой фазе должен быть шунтирован сопротивлением, отводящим приблизительно 0,6 % тока, проходящего через реактор, при отсутствии другого соглашения между изготовителем и потребителем.
в) В каждую испытательную цепь (рисунки 17-20) вводят сопротивления и реакторы между источником питания S и испытуемым контактором D. Положения замыкающего аппарата A и датчика тока (I1, I2, I3) могут различаться. Соединения испытуемого контактора с испытательной цепью должны характеризоваться в настоящем стандарте.
Если для испытаний используют ток ниже номинального, на выходной стороне контактора между ним и короткозамкнутой цепью следует вставить дополнительное требуемое полное сопротивление; можно, однако, установить его на входной стороне, но это следует указать в протоколе испытаний.
При отсутствии специального соглашения между изготовителем и потребителем, подробности которого фиксируются в протоколе испытаний, схема испытательной цепи должна соответствовать рисункам 17-20.
Заземлять следует одну и только одну точку испытательной цепи: короткозамкнутое звено испытательной цепи или нейтральную точку источника питания, или любую другую удобную точку, но способ заземления следует указать в протоколе.
г) Все части аппарата, заземляемые в нормальных условиях эксплуатации, в том числе оболочка и экраны, должны быть изолированы от земли и присоединены к одной точке, как показано на рисунках 17-20.
Соединение должно представлять собой медную проволоку диаметром 0,8 мм и длиной не менее 50 мм или эквивалентный плавкий элемент для обнаружения аварийного тока.
Ожидаемый аварийный ток в цепи с плавким элементом должен составлять (1500±150) А, за исключением случаев, оговоренных в примечаниях 2 и 3. Если необходимо, следует использовать сопротивление, ограничивающее ток до этого уровня.
Примечания
1 Медная проволока диаметром 0,8 мм при токе 1500 А расплавится приблизительно за полупериод при частоте от 45 до 67 Гц.
2 Для малогабаритных контакторов ожидаемый аварийный ток может быть ниже 1500 А согласно требованиям настоящего стандарта, в этом случае применяют медную проволоку меньшего диаметра (см. примечание 4), время расплавления которой должно соответствовать указанному в примечании 1.
3 В случае применения источника питания с искусственной нейтралью допустим более низкий ожидаемый аварийный ток по соглашению с изготовителем. В этом случае применяют медную проволоку меньшего диаметра (см. примечание 4), время расплавления которой должно соответствовать указанному в примечании 1.
4 Соотношение между ожидаемым аварийным током в цепи с плавким элементом и диаметром медной проволоки должно соответствовать следующей таблице:
|
Диаметр медной проволоки, мм |
Ожидаемый аварийный ток в цепи плавкого элемента, А |
|
0,1 |
50 |
|
0,2 |
150 |
|
0,3 |
300 |
|
0,4 |
500 |
|
0,5 |
800 |
|
0,8 |
1500 |
9.3.4.1.3 Коэффициент мощности испытательной цепи
Коэффициент мощности многофазной цепи рассчитывают как среднее значение коэффициентов мощности каждой фазы.
Этот коэффициент мощности должен соответствовать таблице 20.
Разность между средним, а также максимальным и минимальным значениями коэффициентов мощности не должна выходить за пределы ±0,05.
Таблица 20 - Значения коэффициентов мощности в зависимости от испытательных токов и соотношения п между пиковым и действующим значениями токов
|
Испытательный ток I, А |
Коэффициент мощности |
п |
|
I £ 1500 |
0,95 |
1,41 |
|
1500 < I £ 3000 |
0,90 |
1,42 |
|
3000 < I £ 4500 |
0,80 |
1,47 |
|
4500 < I £ 6000 |
0,70 |
1,53 |
9.3.4.1.4 Калибровка испытательной цепи
Для калибровки испытательной цепи временные соединения В с ничтожно малым полным сопротивлением помещают по возможности ближе к выводам, предусмотренным для присоединения испытуемого контактора.
Сопротивления R1 и реакторы Х регулируют так, чтобы при данном напряжении, до включения, обеспечить ток, равный номинальной наибольшей отключающей способности, и коэффициент мощности согласно 9.3.4.1.3.
Чтобы по осциллограмме калибровки определить наибольшую включающую способность испытуемого контактора, необходимо калибровать цепь в расчете на достижение в одной из фаз ожидаемого тока включения.
Примечание - Напряжение до включения - это напряжение в разомкнутой цепи, необходимое для получения заданного возвращающегося напряжения (см. примечание 1 к 9.3.2.2.3).
Ток одновременно дают во все полюса испытательной цепи и токовую характеристику записывают на протяжении не менее 0,1 с.
9.3.4.1.5 Методика испытания
После калибровки испытательной цепи в соответствии с 9.3.4.1.4 временные соединения заменяют испытуемым контактором с соединительными кабелями, при их наличии.
Контактор и связанное с ним устройство защиты от короткого замыкания (УЗКЗ) следует установить и присоединить как в нормальных условиях эксплуатации.
Их следует присоединить к испытательной цепи кабелем максимальной длиной 2,4 м (соответственно рабочему току) для каждой главной цепи.
Предполагается, что испытания на трехфазном токе распространяются на однофазный ток.
9.3.4.1.6 Интерпретация записей
а) Определение напряжения до включения и возвращающегося напряжения
Напряжение до включения и возвращающееся напряжение определяют по записи, сделанной во время испытания на отключение данного испытуемого контактора и оцененной согласно рисунку 21. Напряжение на входной стороне следует измерять в течение первого полного периода после гашения дуги во всех полюсах и подавления высокочастотных колебаний.
б) Определение ожидаемого тока отключения
Это определение осуществляют путем сопоставления типовых характеристик, полученных в период начальной калибровки цепи и во время испытания контактора на отключение (см. рисунок 21).
Периодическая составляющая
ожидаемого тока отключения предполагается равной действующему значению
периодической составляющей тока калибровки в момент разъединения при
образовании дуги на контактах, что соответствует
(см. рисунок 21а). Ожидаемый ток
отключения следует рассчитывать как среднее значение ожидаемых токов во всех
фазах; ожидаемый ток в любой фазе не должен отличаться от этого среднего
значения более чем на 10 %.
в) Определение ожидаемого пикового тока включения
Ожидаемый пиковый ток включения определяют по калибровочной записи и считывают равным А1 (см. рисунок 21а). При испытаниях трехфазным током его приравнивают к наибольшему из трех значений А1, установленных по записи.
Примечание - При испытаниях однополюсных контакторов ожидаемый пиковый ток включения, определяемый по калибровочной записи, может отличаться от фактического тока включения в ходе испытания из-за различия моментов включения.
9.3.4.2 Условный ток короткого замыкания
Контактор и связанное с ним УЗ КЗ подлежат испытаниям по 9.3.4.2.1 и 9.3.4.2.2. Эти испытания должны проводиться так, чтобы охватить максимальные значения Ie и Ue.
У контактора с электромагнитным приводом электромагнит должен удерживаться в замкнутом положении путем подачи отдельного источника питания тока при указанном для цепи управления напряжения. Следует использовать УЗКЗ по 8.2.5. Если УЗКЗ - автоматический выключатель с регулируемой уставкой по току, для проведения испытаний следует настроить этот выключатель на максимальную уставку для указанного типа координации.
Во время испытания все отверстия в оболочке должны быть закрыты как в нормальных условиях эксплуатации, а дверка (или панель) должна быть замкнута.
Новый образец может быть использован для каждого цикла испытаний на ожидаемом токе Ir или Iq.
9.3.4.2.1 Испытание на ожидаемом токе Ir
Цепь следует настроить на ожидаемый испытательный ток, соответствующий номинальному рабочему току Ie по таблице 21.
Затем контактор и связанное с ним УЗКЗ следует присоединить к цепи. Должна выполняться следующая последовательность операций.
1) Одна операция отключения УЗКЗ должна быть выполнена с УЗКЗ и контактором, включенным до испытания.
2) Одна операция отключения УЗКЗ должна быть выполнена путем включения контактора в короткозамкнутую цепь.
Таблица 21 - Значение ожидаемого испытательного тока в зависимости от номинального рабочего тока
|
Номинальный рабочий ток Ie , А |
Ожидаемый ток Ir ,кА |
|
0 < Ie £ 16 |
1 |
|
16 < Ie £ 63 |
3 |
Коэффициент мощности должен быть в соответствии с таблицей 20 (см. 9.3.4.1.4).
9.3.4.2.2 Испытание при номинальном условном токе короткого замыкания Iq
Это испытание проводят, если ток Iq > Ir
Цепь следует настроить на ожидаемый ток короткого замыкания Iq, равный номинальному условному току короткого замыкания.
Если УЗКЗ - плавкий предохранитель, а испытательный ток не выходит за пределы диапазона токоограничения этого предохранителя, то плавкий предохранитель следует по возможности выбирать с расчетом на получение максимальных значений Ip и I2t.
Контактор и связанное с ним УЗКЗ следует присоединить к цепи. Должна выполняться следующая последовательность операций.
1) Одно отключение УЗКЗ должно быть выполнено при всех коммутационных аппаратах, замкнутых до испытания.
2) Одно отключение УЗКЗ должно быть выполнено путем включения контактора в короткозамкнутую цепь.
9.3.4.2.3 Требуемые результаты
Контакторы следует считать выдержавшими испытания на ожидаемом токе Ir и, когда уместно, на Iq, если удовлетворяются требования к указанному типу координации:
а) аварийный ток успешно отключен устройством УЗКЗ, а предохранитель или плавкий элемент, или твердое соединение между оболочкой и источником питания не расплавились;
б) дверка или крышка оболочки не раскрылась под воздействием дуги и ее можно открыть. Деформацию оболочки оценивают как допустимую, если степень защиты, обеспечиваемая оболочкой, не ниже IP2X;
в) проводники или выводы не повреждены, а проводники не оторвались от выводов;
г) изоляционное основание не растрескалось или не сломано настолько, чтобы нарушилась целостность какой-либо части, находящейся под напряжением;
д) разряды за пределами оболочки отсутствуют. Возможно повреждение контактора до состояния непригодности его дальнейшего использования.
9.3.5 Стойкость к токам перегрузки
Для этого испытания контактор следует установить, присоединить и привести в действие согласно 9.3.2.
Все полюсы контактора одновременно подвергают испытанию при значениях перегрузки и длительности его протекания согласно 8.2.4.3. Испытание проводят при любом удобном напряжении и начальной комнатной температуре контактора.
После испытания контактор должен оставаться в том же состоянии, что и до испытания. Это проверяют визуальным осмотром.
Примечание - Значение I2t (интеграл Джоуля), рассчитанное по результатам этого испытания, не может быть использовано для оценки работоспособности контактора в условиях короткого замыкания.
9.3.6 Контрольные испытания
Контрольные испытания - это испытания, которым каждый отдельный контактор подвергают во время или после его изготовления для проверки соответствия предъявляемым требованиям.
Контрольные испытания следует проводить в таких же условиях, как и предписанные для типовых испытаний в соответствующих частях 9.1.2 или эквивалентных им. Однако пределы срабатывания по 9.3.3.2 можно проверять при более высокой температуре окружающего воздуха, но с поправкой, которая сможет потребоваться для приведения к нормальным условиям окружающей среды.
9.3.6.2 Срабатывание и его пределы
Испытания проводят для проверки срабатывания в пределах, указанных в 8.2.1.2.
Примечание - Для этих испытаний нет необходимости достижения теплового равновесия.
9.3.6.3 Испытания электрической прочности изоляции
Этим испытаниям должны подвергаться сухие и чистые контакторы. Значение испытательного напряжения должно соответствовать 9.3.3.4.2, перечисление 3).
Продолжительность каждого испытания может быть сокращена до 1 с. Испытательное напряжение следует подавать в следующем порядке:
а) между полюсами с замкнутыми главными контактами (разомкнутыми главными контактами, если имеется шунтовая цепь между полюсами);
б) между полюсами и корпусом контактора с замкнутыми главными контактами. Если контактор полностью заключен в оболочку из изоляционного материала, он должен быть смонтирован на металлическом основании как в нормальных условиях эксплуатации, и испытательное напряжение подают между полюсами и металлическим основанием;
в) между выводами каждого полюса при разомкнутых главных контактах;
г) к цепям управления и вспомогательным цепям по 9.3.3.4.2, перечисление 2 б). Использование металлической фольги, упомянутой в 9.3.3.4.1, не обязательно. Испытание считают выдержанным, если удовлетворяются требования 9.3.4.2, перечисление 4).
Рисунок 1 - Самонарезающий формующий винт
Рисунок 2 - Самонарезающий режущий винт
1 - стальной шарик; 2 - испытуемый образец
Рисунок 3 - Установка для испытаний давлением шарика (см. 9.2.1.3.1)
1 - панель; 2 - гильза; 3 - диск; 4 - груз
Рисунок 4 - Установка для испытания проводников на изгиб (см. 9.2.4.3.)
Рисунок 5 - Щупы (см. 9.2.4.5)
Материалы деталей устройства: 1 - полиамид; 2 - 5 - сталь 35
Рисунок 6 - Ударный элемент маятника для механических испытаний (см. 9.2.5.2.1)
1 - главная опора массой (10±1) кг; 2 - поворотный стержень вокруг вертикальной оси, 3 - монтажная опора (из древесины для настенной установки); 4 - зажимы для поворота панели в горизонтальной плоскости
Рисунок 7 - Монтажная опора для испытаний на механический удар (см. 9.2.5.2.1)

1 - опора; 2 - образец; 3 - ударный элемент; 4 - монтажная опора
Рисунок 8 - Устройство для механических испытаний на удар (9.2.5.2.1)
1 - начальное положение шарика; 2 - ударное положение шарика; 3 - испытуемый образец; 4 - жесткая опорная поверхность; 5 - жесткая задняя поверхность; H = 1300 мм
Примечание - При испытании шарик должен коснуться испытуемого образца, когда шнур расположен, как показано на рисунке
Рисунок 9 - Установка для испытания шариком
1 - рукоятка; 2 - упор; 3 - изолирующий материал, 4 - упорная поверхность; 5 - соединения; 6 - скруглить кромки
Неуказанные допуски на размеры:
угловые .......... °-10
линейные до 25 мм ......... °-0.05; св. 25 мм ......... ±0,2
Материал пальца - термообработанная сталь.
Оба шарнира пальца могут изгибаться под углом 90 ° с отклонением +10°, но только в одном направлении.
Использование штифта и канавки - один из вариантов ограничения угла изгиба шарнира на угол 90°. Поэтому размеры данных деталей и их предельные отклонения на рисунке не указаны.
Реальная конструкция пальца должна обеспечивать угол изгиба в шарнире 90° с отклонениями от 0 до 10°.
Рисунок 10 - Стандартный испытательный палец
S - источник питания; Ur1, Ur2 - датчики напряжения; F - плавкий элемент; Z - цепь нагрузки; RL - токоограничивающее сопротивление; D - испытуемый аппарат (с присоединенными проводниками); В - перемычки для настройки контура; I1 - датчик тока; Т - точка заземления (на стороне нагрузки или питания)
Рисунок 11 - Схема испытательной цепи для проверки включающей и отключающей способностей однополюсного контактора в однофазной цепи переменного тока
S - источник питания; Ur1, Ur2, Ur3 - датчики напряжения; V - вольтметр; N - нейтраль (искусственная нейтраль); F - плавкий элемент; Z - цепь нагрузки; R - токоограничивающее сопротивление; D - испытуемый аппарат (с присоединенными проводниками); В - перемычки для настройки контура; I1, I2 - датчики тока; Т - точка заземления (на стороне нагрузки или питания)
Примечания
1 Ur1, Ur2, Ur3 могут альтернативно присоединяться между фазой и нейтралью.
2 Если аппарат предназначен для применения в фазно-заземленных системах или если данную схему применяют для испытания нейтрали и смежного с ней полюса четырехполюсного аппарата, плавкий элемент следует присоединять к одной фазе источника питания.
3 В США и Канаде плавкий элемент следует присоединять:
- к одной фазе источника питания для аппарата, маркированного единственным значением Uc;
- к нейтрали для аппарата, маркированного двойным напряжением (см. примечание к 6.2).
Рисунок 12 - Схема испытательной цепи для проверки включающей и отключающей способностей двухполюсного контактора в однофазной цепи переменного тока
S - источник питания; Ur1, Ur2, Ur3, Ur4, Ur5, Ur6 - датчики напряжения; В - перемычки для настройки контура; V - вольтметр; N - нейтраль (искусственная нейтраль); F - плавкий элемент (см. 9.3.3.5.2 g); Z - цепь нагрузки; R, - токоограничивающее сопротивление; D - испытуемый аппарат (с присоединенными проводниками); I1, I2, I3 - датчики тока; Т - точка заземления (на стороне нагрузки или питания)
Примечания
1 Ur1, Ur2, Ur3 могут альтернативно присоединяться между фазой и нейтралью.
2 Если аппарат предназначен для применения в фазно-заземленных системах или если данную схему применяют для испытания нейтрали и смежного с ней полюса четырехполюсного аппарата, плавкий элемент следует присоединять к одной фазе источника питания.
3 В США и Канаде плавкий элемент следует присоединять:
- к одной фазе источника питания для аппарата, маркированного единственным значением Uc;
- к нейтрали для аппарата, маркированного двойным напряжением (см. примечание к 6.2).
Рисунок 13 - Схема испытательной цепи для проверки включающей и отключающей способностей трехполюсного контактора
S - источник питания; Ur1, Ur2, Ur3, Ur4, Ur5, Ur6 - датчики напряжения; V - вольтметр; N - нейтраль (искусственная нейтраль); F- плавкий элемент (см. 9.3.3.5.2 g); Z - цепь нагрузки (см. фигуру 16); В - перемычки для настройки контура; RL - токоограничивающее сопротивление; D - испытуемый аппарат (с присоединенными проводниками); I1, I2, I3 - датчики тока; Т - точка заземления (на стороне нагрузки или питания); Cl, C2 - соединения
Примечание- Ur1, Ur2, Ur3 могут альтернативно присоединяться между фазой и нейтралью.
Рисунок 14 - Схема испытательной цепи для проверки включающей и отключающей способностей четырехполюсного контактора
Рисунок 15 - Схематическая иллюстрация возвращающегося напряжения на контактах первой отключающей фазы в идеальных условиях (см. 9.3.3.5.2е)
S - источник питания; D - испытуемый контактор, С - переключатель выбора фазы; В - диод; А - регистрирующий прибор, Ra - резистор, G - высоковольтный генератор, R -активные сопротивления цепи нагрузки; Х - катушки индуктивности; Rp - параллельные активные сопротивления; Ср - параллельные конденсаторы; I1, I2, I3 - датчики тока
Взаимное расположение высоковольтного генератора (G) и диода (В) должно быть, как показано на схеме.
Рисунок 16 - Схема метода регулировки цепи нагрузки
S - источник питания; Ur1, Ur2 - датчики напряжения; V - вольтметр; А - замыкающее устройство; R1 - регулируемое активное сопротивление; F- плавкий элемент (см. 9.3.4.1.2 d); X- регулируемая катушка индуктивности; RL - токоограничивающее сопротивление; D - испытуемый контактор; В - перемычки для калибровки; I1 - датчик тока; Т- земля, с одной точкой заземления (со стороны нагрузки или питания); r - независимая катушка индуктивности (см. 9.3.4.1.2 b)
Примечание - Регулируемые нагрузки X и R могут располагаться как с высоковольтной, так и с низковольтной стороны цепи питания; замыкающее устройство А располагается с низковольтной стороны.
Рисунок 17 - Схема испытательной цепи для проверки наибольшей включающей и отключающей способностей однополюсного контактора в однофазной цепи переменного тока
S - источник питания; Ur1, Ur2, Ur3 -датчики напряжения; V - вольтметр; А - замыкающее устройство; R1 - регулируемое активное сопротивление; N - нейтраль (искусственная нейтраль); F- плавкий элемент (см. 9.3.4.1.2 d); X- регулируемая катушка индуктивности; RL - токоограничивающее сопротивление; D - испытуемый контактор; В - перемычки для калибровки; I1, 12 - датчики тока; Т - земля, с одной точкой заземления (со стороны нагрузки или питания); r- независимая катушка индуктивности (см. 9.3.4.1.2 b)
Примечания
1 Регулируемые нагрузки Х и R могут располагаться как с высоковольтной, так и с низковольтной стороны цепи питания, замыкающее устройство A располагается с низковольтной стороны.
2 Ur1 могут альтернативно присоединяться между фазой и нейтралью.
3 Если аппарат предназначен для применения в фазно-заземленных системах или если данную схему применяют для испытания нейтрали и смежного с ней полюса четырехполюсного аппарата, плавкий элемент следует присоединять к одной фазе источника питания.
4 В США и Канаде плавкий элемент следует присоединять:
- к одной фазе источника питания для аппарата, маркированного единственным значением Uc;
- к нейтрали для аппарата, маркированного двойным напряжением (см. примечание к 6.2).
Рисунок 18 - Схема испытательной цепи для проверки наибольшей включающей и отключающей способностей двухполюсного контактора в однофазной цепи переменного тока
S - источник питания; Ur1, Ur2, Ur3, U4, Ur5, Ur6 - датчики напряжения; V - вольтметр; А - замыкающее устройство; R1 - регулируемое активное сопротивление; N - нейтраль (искусственная нейтраль); F- плавкий элемент (см. 9.3.4.1.2 d); X - регулируемая катушка индуктивности; RL - токоограничивающее сопротивление; D - испытуемый контактор; В - перемычки для калибровки; I1, I2, I3 - датчики тока; Т - земля, с одной точкой заземления (со стороны нагрузки или питания); г - независимая катушка индуктивности (см. 9.3.4.1.2 b)
Примечания
1. Регулируемые нагрузки Х и R могут располагаться как с высоковольтной, так и с низковольтной стороны цепи питания, замыкающее устройство А располагается с низковольтной стороны.
2 Ur1, Ur2, Ur3 могут альтернативно присоединяться между фазой и нейтралью.
3 Если аппарат предназначен для применения в фазно-заземленных системах или если данную схему применяют для испытания нейтрали и смежного с ней полюса четырехполюсного аппарата, плавкий элемент следует присоединять к одной фазе источника питания.
4 В США и Канаде плавкий элемент следует присоединять:
- к одной фазе источника питания для аппарата, маркированного единственным значением Uc;
- к нейтрали для аппарата, маркированного двойным напряжением (см. примечание к 6.2).
Рисунок 19 - Схема испытательной цепи для проверки наибольшей включающей и отключающей способностей трехполюсного контактора
S - источник питания, Ur1, Ur2, Ur3, Ur4, Ur5, Ur6 - датчики напряжения; V - вольтметр; А - замыкающее устройство; R1 - регулируемое активное сопротивление, F - плавкий элемент (см. 9.3.4.1.2 d); X - регулируемая катушка индуктивности; C1, C2, С3 - соединения; RL - токоограничивающее сопротивление; D - испытуемый контактор; В - перемычки для калибровки; I1, I2, I3 - датчики тока; Т - земля, с одной точкой заземления (со стороны нагрузки или питания); r - независимая катушка индуктивности (см 9.3.4.1.2 b)
Примечания
1. Регулируемые нагрузки Х и R могут располагаться как с высоковольтной, так и с низковольтной стороны цепи питания, замыкающее устройство А располагается с низковольтной стороны.
2 Ur1, Ur2, Ur3 могут альтернативно присоединяться между фазой и нейтралью.
3 При необходимости проведения дополнительного испытания между нейтральным и смежным с ним полюсами соединения Cl и C2 убирают.
Рисунок 20 - Схема испытательной цепи для проверки наибольшей включающей и отключающей способности четырехполюсного контактора
Рисунок 21 - Пример записи осциллограмм тока и напряжения при испытаниях на включение и отключение токов короткого замыкания однополюсным автоматическим выключателем в однофазной цепи переменного тока
a) Калибровка цепи:
А - ожидаемый ток включения (пиковое значение);
- ожидаемый симметричный ток отключения
(действующее значение);
- напряжение до включения (действующее значение).
b) Операция О или ВО:
- напряжение источника питания (действующее значение);
А1*, - включающая способность (пиковое значение);
- отключающая способность (действующее значение)
* См. 9.3.4.1.6 b.
Примечания
1 Амплитуда записи напряжения после подачи испытательного тока изменяется в зависимости от положения замыкающего устройства, регулируемых полных сопротивлений, датчиков напряжения и в соответствии с испытательной схемой.
2 Предполагают, что момент включения одинаковый для калибровки и испытания.
(обязательное)
А.1 Общие положения
Выводы контакторов идентифицируют с целью информации о функции каждого вывода, его расположении относительно других выводов и т.д.
А.2 Маркировка и идентификация выводов контакторов
А.2.1 Маркировка и идентификация выводов катушек
В случае идентификации с применением буквенно-цифровой маркировки оба вывода катушки электромагнитного контактора следует маркировать А1 и А2

У катушки с отводами выводы отводов следует маркировать порядковыми номерами A3, А4 и т.д.
Примеры:

Примечание - Вследствие этого входные и выходные выводы могут иметь как четные, так и нечетные номера.
У катушки с двумя обмотками выводы первой обмотки следует маркировать А1, А2, второй обмотки – B1, B2.

А.2.2 Маркировка и идентификация выводов главных цепей
Выводы главных цепей следует маркировать однозначными цифрами и буквенно-цифровыми обозначениями.

Примечание - Два действующих альтернативных способа маркировки, т.е. 1-2 и L1-T1 соответственно постепенно будут вытесняться указанным новым способом.
Альтернативно выводы можно идентифицировать на коммутационной схеме, поставляемой вместе с устройством.
А.2.3 Маркировка и идентификация выводов вспомогательных цепей
Выводы вспомогательных цепей следует маркировать или идентифицировать на схемах двузначными цифрами:
- цифра на месте единиц - функциональный номер;
- цифра на месте десятков - порядковый номер.
Эта система маркировки иллюстрируется следующими примерами

А.2.3.1 Функциональный номер
Функциональные номера 1, 2 присваивают цепям с размыкающими, а 3 и 4 - с замыкающими контактами
Примечание - Определения для размыкающих и замыкающих контактов приведены в 3.3.11 и 3.3.12
Примеры

Примечание - Точки в примерах заменяют порядковые номера, добавляемые по обстоятельствам
Выводы цепей с переключающими контактными элементами следует маркировать функциональными номерами 1, 2 и 4

Функциональные номера 5 и 6 (для размыкающих контактов), 7 и 8 (для замыкающих контактов) присваивают выводам вспомогательных цепей, в которые входят вспомогательные контакты со специальными функциями
Примеры:

|
Размыкающий контакт с замедлением при замыкании |
|
Замыкающий контакт с замедлением при замыкании |
Выводы цепей с переключающими контактными элементами со специальными функциями следует маркировать функциональными номерами 5, 6 и 8
Пример:

Переключающий контакт с замедлением в обоих направлениях
А.2.3.2 Порядковый номер
Выводы, принадлежащие одному контактному элементу, следует маркировать одним порядковым номером. Все контактные элементы с одинаковой функцией должны различаться порядковыми номерами.
Примеры

|
Четыре контактных элемента |
Три контактных элемента |
(обязательное)
B.I Циклы испытаний
Испытания проводят в соответствии с таблицей B.1, и в каждом цикле испытания выполняют в указанной в таблице последовательности.
Таблица B.1 - Циклы испытаний
|
Пункт |
Испытание или проверка |
|
|
А |
Пределы превышения температуры |
|
|
Пределы срабатывания |
||
|
Включающая и отключающая способности |
||
|
В |
Электроизоляционные свойства1) |
|
|
Работоспособность в процессе эксплуатации |
||
|
С |
Влагостойкость |
|
|
Стойкость к токам перегрузки |
||
|
Коррозиеустойчивость |
||
|
D |
Стойкость маркировки |
|
|
Ударостойкость |
||
|
Проверка воздушных зазоров и расстояний утечки |
||
|
Е |
Механические свойства выводов |
|
|
Винты, гайки, токоведущие части |
||
|
Термостойкость |
||
|
Стойкость против аномального нагрева и огня |
||
|
Трекингостойкость токоведущих мостиков 2) |
||
|
F |
Устойчивость к старению |
|
|
Степени защиты контакторов в оболочке |
||
|
G |
Работоспособность в условиях короткого замыкания |
|
|
1) Только испытание на электрическую прочность изоляции без измерения воздушных зазоров и расстояний утечки. 2) В случае, когда неприменимы испытания на образце изоляционного материала. |
||
В.2 Число образцов
Число образцов, подвергаемых разным циклам испытаний, указано в таблице В.2.
Образцы, требуемые для одного цикла, подвергают всем проверкам данного цикла, и их считают соответствующими предъявляемым требованиям, если результаты всех испытаний положительны.
Если один из образцов в данном цикле не выдержал испытание вследствие дефекта монтажа или изготовления, не характерного для конструкции, тогда это испытание и предшествующие, которые могли повлиять на результаты данного испытания, следует повторить на другом полном комплекте образцов. Результаты всех повторных испытаний должны быть положительными.
Таблица В.2 - Число образцов, подвергаемых испытаниям
|
Число образцов |
|
|
А, В |
3 |
|
С, D, Е, F |
1 |
|
G |
41) |
|
1) При необходимости один образец можно использовать для каждого оперирования (см. 9.3.4.2) |
|
(обязательное)
Чтобы отрегулировать цепь нагрузки для получения характеристик, предписанных в 9.3.3.5.3, на практике могут быть применены несколько способов.
Принципиальная схема представлена на рисунке 16.
Частота колебаний восстанавливающегося напряжения и значение коэффициента γ в основном определяются собственной частотой и затуханием цепи нагрузки.
Так как эти параметры не зависят от напряжения перед включением и его частоты, в процессе регулирования возможно питание цепи нагрузки от источника переменного тока, напряжение и частота которого могут отличаться от свойственных источнику питания, использованного при испытаниях контактора. При проведении тока (через нуль) цепь размыкается диодом и колебания восстанавливающегося и возвращающегося напряжений наблюдаются на экране осциллографа, частота развертки которого синхронизирована с частотой источника питания (см. рисунок C.1).
Для получения надежных результатов измерений питание цепи нагрузки осуществляется с помощью генератора высокой частоты G, подающего напряжение, пригодное для диода. Частоту генератора выбирают равной:
а) 2 кГц - для испытательных токов до 1000 А включ.;
б) 4 кГц - для испытательных токов св. 1000 А.
Последовательно с генератором подсоединяют:
- демпфирующее сопротивление,
значение которого Ra
высоко по сравнению с полным сопротивлением цепи нагрузки (Ra ³
10 Z, где
; w=2p×2000c-1 или 2p×4000с-1
для случаев а) и b)
соответственно);
- переключающий диод с мгновенной блокировкой В; переключающие диоды обычно используемые в компьютерах, например кремниевые переключающие диоды с диффузным переходом с током не выше 1 А, подходят для этого.
Из-за значения частоты генератора G цепь нагрузки является практически чисто индуктивной и в момент прохождения тока через нуль напряжение до включения в цепи нагрузки достигает пикового значения.
Для того чтобы убедиться, что компоненты цепи нагрузки пригодны, необходимо проверить на экране, имеет ли кривая восстанавливающегося напряжения в своей начальной точке (точка А, рисунок C.1) практически горизонтальную касательную.
Фактический коэффициент g - это соотношение U1/U2. U2 считывается с экрана, U1, считывается между ординатой точки А и ординатой линии развертки, когда генератор уже не питает цепь нагрузки (рисунок C.1).
При наблюдении восстанавливающегося напряжения в цепи нагрузки без параллельного сопротивления резистора R или параллельного конденсатора С на экране можно определить собственную частоту колебаний цепи нагрузки. Следует предпринять меры предосторожности, чтобы входная емкость осциллографа или его соединительных проводников не влияла на резонансную частоту цепи нагрузки.
Если эта собственная частота превышает верхний предел требуемой величины f, можно получить нужные значения частоты и коэффициента g, подсоединив параллельно конденсаторы С, и сопротивления Rp соответствующей величины. Сопротивления R практически не должны быть индуктивными.
В качестве первого шага рекомендуется отрегулировать каждую фазу отдельно. Регулировку завершают последовательным соединением во всех возможных комбинациях генератора высокой частоты с одной фазой, подключаемой последовательно, и другими двумя, подключенными параллельно, как показано на рисунке 16; при необходимости осуществляют доводку для достижения в каждой комбинации заданных значений f и g.
Примечания
1 Более высокое значение частоты, полученное от генератора G, облегчает наблюдения на экране и повышает разрешающую способность.
2 Могут быть также использованы другие способы определения частоты и коэффициента g (например подача в цепь нагрузки тока с прямоугольной формой волны).
1 - линия развертки; 2 - момент нулевого тока; А - начальная точка
Рисунок С.1 - Определение фактического значения коэффициента g
(обязательное)
Точного метода определения коэффициента мощности в условиях короткого замыкания не существует, но для целей, предусмотренных настоящим стандартом, определение коэффициента мощности испытательной цепи возможно одним из методов, установленных настоящим приложением.
Примечание - Другие методы определения коэффициента мощности в цепях короткого замыкания находятся в стадии изучения.
Метод I. Определение по непериодической составляющей
Угол jможет быть определен по кривой непериодической составляющей волны асимметричного тока в интервале между моментами короткого замыкания и разъединения контактов.
1) Постоянную времени L/R определяют из формулы непериодической составляющей
,
где id - значение непериодической составляющей в момент t;
id0 - значение непериодической составляющей в принятый начальный момент времени;
L/R - постоянная времени цепи, с;
t - время, прошедшее с начального момента, с;
е - основание натурального логарифма.
Постоянная времени L/R может быть найдена:
а) измерением значения id0 в момент короткого замыкания и значения id в другой момент t перед разъединением контактов;
б) определением значения e-Rt/L делением id /id0;
в) определением значения (-c), соответствующего отношению id /id0 из таблицы значений е-c. По этому значению c. соответствующему Rt/L, рассчитывают R/L.
2) Угол j определяют по формуле (j=arctg (wL/R), где w в 2p раза больше фактической частоты. Этот метод не должен быть использован, когда токи измеряют трансформаторами тока, если не приняты нужные меры предосторожности во избежание погрешностей, обусловленных:
- постоянной времени трансформатора и его нагрузкой в соотношении с нагрузкой первичной цепи;
- магнитным насыщением, которое возможно вследствие переходного потока в сочетании с потенциальной остаточной намагниченностью.
Метод II. Определение с помощью задающего генератора
Если применяют задающий генератор, смонтированный на одном валу с испытательным генератором, напряжение задающего генератора можно сравнить на осциллограмме по фазе в начале с напряжением испытательного генератора, а затем с током испытательного генератора.
Разность между фазовыми углами напряжений задающего и главного генераторов с одной стороны и напряжения задающего генератора и тока испытательного генератора - с другой позволяет установить фазовый угол между напряжением и током испытательного генератора, а из него вывести коэффициент мощности.
(обязательное)
Е.1 Основные принципы
Ширина желобков, указанная в примерах 1-11, практически применима для всех примеров в зависимости от степени загрязнения.
|
Степень загрязнения |
Минимальная ширина желобков, мм |
|
1 |
0,25 |
|
2 |
1,00 |
|
3 |
1,50 |
|
4 |
2,50 |
Если соответствующий воздушный зазор меньше 3 мм, минимальную ширину желобка можно уменьшить до трети этого зазора.
Методы измерения расстояний утечки и воздушных зазоров показаны в последующих примерах 1-11. В этих примерах не различаются зазоры контактов и желобки или типы изоляции.
Кроме того:
- предполагается, что каждый угол перекрывается изолирующей вставкой шириной Х мм, находящейся в самом неблагоприятном положении (см. пример 3);
- если расстояние между верхними кромками желобка равно Хмм или более, расстояние утечки измеряют по контурам желобка (см. пример 2);
- расстояние утечки и воздушные зазоры между частями, подвижными относительно друг друга, измеряют, когда эти части занимают самое неблагоприятное положение.
Е.2 Использование ребер
Благодаря влиянию на загрязнения и повышению эффективности сушки ребра заметно уменьшают образование тока утечки. Поэтому расстояние утечки можно сократить до 0,8 требуемого значения, если минимальная высота ребра 2 мм.

Рисунок E.1 - Размеры ребер

Условие: рассматриваемый путь утечки охватывает желобок с параллельными или сходящимися боковыми стенками любой глубины при ширине менее Х мм.
Правило: расстояние утечки и воздушный зазор измеряют по прямой линии поверх желобка, как показано на схеме.

Условие: рассматриваемый путь охватывает желобок с параллельными боковыми стенками любой глубины шириной Хмм или более.
Правило: воздушный зазор определяют по прямой. Расстояние утечки проходит по контуру желобка.
Пример 3

Условие: рассматриваемый путь охватывает клиновидный желобок с шириной более Хмм.
Правило: воздушный зазор определяют по прямой. Расстояние утечки проходит по контуру желобка, но замыкает накоротко его дно по вставке шириной Хмм.
Пример 4

Условие: рассматриваемый путь охватывает ребро.
Правило: воздушный зазор - кратчайшее расстояние по воздуху над вершиной ребра. Путь тока утечки проходит по контуру ребра.
Пример 5

Условие: рассматриваемый путь включает нескрепленный стык с желобком шириной менее Х мм по обе стороны от него.
Правило: воздушный зазор и путь тока утечки определяют по прямой.
Пример 6

Условие: рассматриваемый путь охватывает нескрепленный стык с желобками шириной Хмм или более по обе стороны от него.
Правило: воздушный зазор определяют по прямой. Путь тока утечки проходит по контуру желобков.
Пример 7

Условие: рассматриваемый путь охватывает нескрепленный стык с желобком шириной менее Х мм с одной стороны или более Хмм - с другой стороны.
Правило: воздушный зазор и путь утечки соответствуют схеме.
Пример 8

Условие: путь утечки поперек нескрепленного стыка меньше, чем поверх барьера.
Правило: воздушный зазор равен кратчайшему пути в воздухе поверх барьера.
Пример 9

Условие: зазор между головкой винта и стенкой паза достаточно широкий, чтобы заслуживать внимание.
Правило: Воздушный зазор и путь утечки соответствуют схеме.
Пример 10

Условие: зазор между головкой винта и стенкой паза слишком узкий, чтобы принимать его во внимание.
Правило: расстояние утечки измеряют от винта до стенки, если оно равно -У мм.
Пример 11

С - свободно движущаяся часть, воздушный зазор, равный d + D;
Расстояние утечки равно d + D.
Условные обозначения к примерам 1-11:
---------- - воздушный зазор;
- расстояние утечки.
(обязательное)
Введение
В настоящем приложении приведена информация, необходимая для выбора контактора, предназначенного для использования в электрической цепи (сети) или части этой цепи.
В таблицах F.1 и F.2 приведены примеры корреляции между паспортным напряжением системы питания и номинальным импульсным выдерживаемым напряжением контактора.
Значения номинального импульсного выдерживаемого напряжения, указанные в таблицах F.1 и F.2, основываются на характеристиках разрядников.
Значения из таблицы F.1 связаны с характеристиками, приведенными в МЭК 99-1[11] (ГОСТ 16357, насколько применим), значения из таблицы F.2 основываются на характеристиках разрядников с соотношением разрядного и номинального напряжений ниже указанных в МЭК 99-1.
Следует учитывать, что управление перенапряжениями относительно значений, указанных в таблицах F.1 и F.2, можно осуществлять подбором подходящего полного сопротивления или питания кабеля.
Для управления перенапряжением устройствами, отличными от разрядников, руководство по корреляции между паспортным напряжением системы питания и номинальным импульсным выдерживаемым напряжением контактора дано в ГОСТ Р 50571.19.
Таблица F.1 - Соответствие между паспортным напряжением системы питания и номинальным импульсным выдерживаемым напряжением аппарата в случае защиты от перенапряжений с помощью разрядников согласно МЭК 99-1
|
Паспортное напряжение системы питания, В (равное или меньшее номинального напряжения по изоляции аппарата) |
||||
|
Действующее значение |
Действующее значение или постоянный ток |
|||
|
|
|
|
|
|
|
50 |
- |
- |
12,5; 24; 25; 30; 42; 48 |
60-30 |
|
100 |
66/115 |
66 |
60 |
- |
|
150 |
120/208, 127/220 |
115, 120, 127 |
110, 120 |
220-110, 240-120 |
|
300 |
220/380, 230/400, 240/415, 260/440, 277/480 |
220, 230, 240, 260, 277 |
220 |
440-220 |
|
600 |
347/600, 380/660, 400/690, 415/720, 480/830 |
347, 380, 400, 415, 440, 480, 500, 577, 600 |
480 |
960-480 |
|
1000 |
- |
660, 690, 720, 830, 1000 |
1000 |
- |
Окончание таблицы F.1
|
Максимальное номинальное рабочее напряжение относительно земли, В (действующее значение или постоянный ток) |
Предпочтительные значения номинального импульсного выдерживаемого напряжения, кВ (1,2/50 мс), при высоте 2000 м |
|||
|
Категория перенапряжения |
||||
|
IV |
III |
II |
I |
|
|
Начало системы (ввод потребителя) |
Распределительные цепи |
Нагрузка (бытовой электроприбор, аппарат) |
Особо защищенный уровень |
|
|
50 |
1,5 |
0,8 |
0,5 |
0,33 |
|
100 |
2,5 |
1,5 |
0,8 |
0,50 |
|
150 |
4,0 |
2,5 |
1,5 |
0,80 |
|
300 |
6,0 |
4,0 |
2,5 |
1,50 |
|
600 |
8,0 |
6,0 |
4,0 |
2,50 |
|
1000 |
12,0 |
8,0 |
6,0 |
4,00 |
|
Примечание - В случае защиты от перенапряжения с помощью подземной системы распределения или низкого уровня помех см. таблицу F.2 |
||||
Таблица F.2 - Соответствие между паспортным напряжением системы питания и номинальным импульсным выдерживаемым напряжением аппарата в случае защиты от перенапряжений с помощью разрядников с отношением разрядного напряжения к номинальному ниже указанного в МЭК 99-1
|
Паспортное напряжение системы питания, В (равное или меньшее номинального напряжения по изоляции аппарата) |
||||
|
Действующее значение |
Действующее значение или постоянный ток |
|||
|
|
|
|
|
|
|
50 |
- |
- |
12,5; 24; 25; 30; 42; 48 |
60-30 |
|
100 |
66/115 |
66 |
60 |
- |
|
150 |
120/208, 127/220 |
115, 120, 127 |
110, 120 |
220-110, 240-120 |
|
300 |
220/380, 230/400, 240/415, 260/440, 277/480 |
220, 230, 240, 260, 277 |
220 |
440-220 |
|
600 |
347/600, 380/660, 400/690, 415/720, 480/830 |
347, 380, 400, 415, 440, 480, 500, 577, 600 |
480 |
960-480 |
|
1000 |
- |
660, 690, 720, 830, 1000 |
1000 |
- |
Окончание таблицы F.2
|
Максимальное номинальное рабочее напряжение относительно земли, В (действующее значение или постоянный ток) |
Предпочтительные значения номинального импульсного выдерживаемого напряжения, кВ (1,2/50 мс), при высоте 2000 м |
|||
|
Категория перенапряжения |
||||
|
IV |
III |
II |
I |
|
|
Начало системы (ввод потребителя) |
Распределительные цепи |
Нагрузка (бытовой электроприбор, аппарат) |
Особо защищенный уровень |
|
|
50 |
0,8 |
0,5 |
0,33 |
- |
|
100 |
1,5 |
0,8 |
0,50 |
0,33 |
|
150 |
2,5 |
1,5 |
0,80 |
0,50 |
|
300 |
4,0 |
2,5 |
1,50 |
0,80 |
|
600 |
6,0 |
4,0 |
2,50 |
1,50 |
|
1000 |
8,0 |
6,0 |
4,00 |
2,50 |
|
Примечание- Таблица может применяться в случае защиты от перенапряжений с помощью подземной системы распределения или низкого уровня помех (до 25) |
||||
(обязательное)
G.I Следует испытывать пять образцов каждого материала. Образцы должны быть длиной 150 мм, шириной 13 мм и одинаковой толщины, характерной для наименьшего сечения части.
Края не должны иметь заусенцев.
G.2 Применяют проволоку из нихрома (80 % никеля, 20 % хрома, без железа) длиной (250±5) мм, диаметром =0,5 мм с удельным электрическим сопротивлением в холодном состоянии =5,28 Ом/м Проволоку следует присоединить прямым отрезком к переменному источнику тока, который отрегулирован так, чтобы вызвать в проволоке в течение 8-12 с рассеяние энергии 0,26 Вт/мм После охлаждения проволоку следует навить на образец, образовав пять полных витков с расстоянием между витками 6 мм
G.3 Образец с навитой проволокой следует установить в горизонтальном положении, концы проволоки присоединить к переменному источнику тока, снова отрегулированному на рассеяние энергии в проволоке 0,26 Вт/мм (см. рисунок G.1)
Рисунок G.1 - Приспособление для испытания нагретой проволокой
G.4 Испытание начинают подачей питания в цепь так, чтобы при прохождении тока через нагреваемую проволоку можно было получить линейную удельную мощность 0,26 Вт/мм.
G.5 Нагревание продолжают до воспламенения испытуемого образца. Когда происходит воспламенение, отключают питание и записывают время воспламенения. Если в течение 120 с воспламенения не происходит, испытание прерывают.
Для образцов, которые плавятся от проволоки, не воспламеняясь, испытание прерывают, когда образец уже не находится в непосредственном контакте со всеми пятью витками нагревательной проволоки.
G.6 Испытание следует повторить на оставшихся образцах.
G.7 Время воспламенения материала при испытании нагретой проволокой следует записывать как среднее время воспламенения испытуемых образцов.
(обязательное)
H.1 Виды климатических исполнений - по ГОСТ 15150 и ГОСТ 15543.1.
Виды климатических исполнений и номинальные значения климатических факторов должны устанавливаться в стандартах и технических условиях на контакторы конкретных серий и типов.
Н.2 Номинальные значения механических внешних воздействующих факторов - по ГОСТ 17516.1 и должны устанавливаться в стандартах и технических условиях на контакторы конкретных серий и типов.
Н.3 Маркировка контакторов должна соответствовать требованиям настоящего стандарта и ГОСТ 18620.
Н.4 Выводы контакторов должны допускать присоединение алюминиевых проводов и кабелей и соответствовать ГОСТ 24753. Контактные участки выводов должны иметь защитные покрытия по ГОСТ 9.005.
Н.5 Конструкция контакторов должна соответствовать требованиям ГОСТ 12.2.007.6 и ГОСТ 21991. Усилие оперирования на рукоятке управления - по ГОСТ 12.2.007.0.
Н.6 Транспортирование и хранение контакторов - по ГОСТ 23216.
Условия транспортирования и хранения и допустимые сроки сохраняемости должны устанавливаться в стандартах и технических условиях на контакторы конкретных серий и типов.
Н.7 Упаковка и временная противокоррозионная защита для условий транспортирования и хранения по ГОСТ 23216 должна устанавливаться в стандартах и технических условиях на контакторы конкретных серий и типов.
Н.8 В настоящем стандарте виды испытаний и их наименования приняты по МЭК 1095 [12].
Программа типовых испытаний по МЭК 1095 является основой для установления программ любых видов контрольных испытаний по ГОСТ 16504.
Контакторы подвергают квалификационным, периодическим, приемосдаточным и типовым испытаниям; порядок их проведения должен соответствовать ГОСТ Р 15.201; периодичность испытаний, программы испытаний и условия их проведения должны устанавливаться в стандартах и технических условиях на выключатели конкретных серий и типов.
Н.9 Программы приемочных и квалификационных испытаний контакторов должны включать в себя полную программу типовых испытаний по настоящему стандарту, а также испытания на стойкость к внешним воздействующим факторам по ГОСТ 16962.1 и ГОСТ 16962.2.
Н.10 Правила приемки контакторов должны устанавливаться в стандартах и технических условиях на контакторы конкретных серий и типов.
Н.11 Изготовитель должен гарантировать соответствие контакторов требованиям настоящего стандарта, а также технических условий на контакторы конкретных серий и типов при условии соблюдения правил эксплуатации, транспортирования и хранения, устанавливаемых техническими условиями на контакторы конкретных серий и типов.
Гарантийный срок эксплуатации контакторов - не менее двух лет со дня ввода в эксплуатацию, и устанавливается в технических условиях на контакторы конкретных серий и типов.
(справочное)
[6] МЭК 85: 1984 Системы электрической изоляции. Оценка нагревостойкости и классификация
[10] МЭК 28: 1925 Международные нормы на сопротивление меди
[12] МЭК 1095: 1992 Электромеханические контакторы бытового и аналогичного назначения
Ключевые слова: контакторы бытовые