
ГОСУДАРСТВЕННЫЙ СТАНДАРТ СОЮЗА ССР
ЗАКЛЕПКИ С ПОТАЙНОЙ ГОЛОВКОЙ
классов точности В и С.
ГОСТ 10300-80
(СТ СЭВ 1020-78)
ГОСУДАРСТВЕННЫЙ КОМИТЕТ СССР ПО СТАНДАРТАМ
Москва
ГОСУДАРСТВЕННЫЙ СТАНДАРТ СОЮЗА ССР
|
ЗАКЛЕПКИ С ПОТАЙНОЙ ГОЛОВКОЙ Технические условия Countersunk-head rivets classes В and С. Specifications |
ГОСТ (СТ СЭВ 1020-78) Взамен |
Постановлением Государственного комитета СССР по стандартам от 6 мая 1980 г. № 2009 срок введения установлен
с 01.01.81
Проверен в 1985 г. Постановлением Госстандарта от 23.04.85 № 1138 срок действия продлен
до 01.01.91
(Измененная редакция, Изм. № 2).
Настоящий стандарт распространяется на заклепки с потайной головкой общемашиностроительного применения с диаметром стержня от 1 до 36 мм классов точности В и С.
Стандарт полностью соответствует СТ СЭВ 1020-78.
Заклепки с потайной головкой должны удовлетворять всем требованиям ГОСТ 10304-80 и требованиям, изложенным в соответствующих разделах настоящего стандарта.
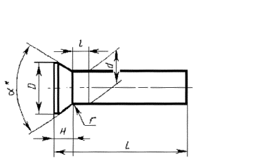
1.1. Размеры заклепок должны соответствовать указанным на чертеже и в табл. 1 и 2.
__________
* Размер для справок.
(Измененная редакция, Изм. № 2).
Таблица 1
мм
|
1 |
1,2 |
(1,4) |
1,6 |
2 |
2,5 |
3 |
4 |
5 |
|
|
Диаметр головки D |
1,9 |
2,3 |
2,7 |
2,9 |
3,9 |
4,5 |
5,2 |
7,0 |
8,8 |
|
Высота головки Н |
0,5 |
0,6 |
0,7 |
0,7 |
1,0 |
1,1 |
1,2 |
1,6 |
2,0 |
|
Угол a |
90° |
||||||||
|
Радиус под головкой, r, не более |
0,1 |
0,2 |
|||||||
|
Расстояние от основания головки до места замера диаметра l |
1,5 |
3 |
4 |
||||||
Продолжение табл. 1
|
Диаметр стержня d |
6 |
8 |
10 |
12 |
(14) |
16 |
20 |
24 |
30 |
36 |
|
Диаметр головки D |
10,3 |
13,9 |
17 |
20 |
24 |
30 |
36 |
41 |
49 |
|
|
Высота головки Н |
2,4 |
3,2 |
4,8 |
5,6 |
6,8 |
7,2 |
9 |
11 |
14 |
16 |
|
Угол a |
90° |
75° |
60° |
45° |
||||||
|
Радиус под головкой, r, не более |
0,25 |
0,3 |
0,4 |
0,5 |
0,6 |
0,8 |
||||
|
Расстояние от основания головки до места замера диаметра l |
4 |
6 |
8 |
10 |
||||||
Примечание. Размеры, указанные в скобках, применять не рекомендуется.
Таблица 2
мм
|
Диаметр стержня d |
Длина L |
Диаметр стержня d |
Длина L |
|
1,0 |
2-8 |
8 |
9-60 |
|
1,2 |
3-10 |
10 |
16-75 |
|
(1,4) |
3-12 |
12 |
18-85 |
|
1,6 |
3-12 |
(14) |
22-100 |
|
2,0 |
3-16 |
16 |
24-100 |
|
2,5 |
4-20 |
20 |
38-150 |
|
3,0 |
4-40 |
24 |
40-180 |
|
4,0 |
5-50 |
30 |
52-180 |
|
5,0 |
8-60 |
36 |
60-180 |
|
6,0 |
8-60 |
(Измененная редакция, Изм. № , 2).
1.2. Длина заклепок должна выбираться из следующего ряда: 2, 3, 4, 5, 6, 7, 8, 9, 10, 12, 14, 16, 18, 20, 22, 24, 26, 28, 30, 32, 34, 36, 38, 40, 42, 45, 48, 50, 52, 55, 58, 60, 65, 70, 75, 80, 85, 90, 95, 100, 110, 120, 130, 140, 150, 160, 170, 180 мм.
Пример условного обозначения заклепки с потайной головкой класса точности В диаметром d = 8 мм, длиной L = 20 мм, из материала группы 00, без покрытия:
Заклепка 8 ´ 20.00 ГОСТ 10300-80
1.1. (Измененная редакция, Изм. № 1).
1.2. (Измененная редакция, Изм. № 1, 2).
1.3. Теоретическая масса заклепок указана в справочном приложении.
2.1. Предельные отклонения высоты головки для размеров H < 1 мм - плюс 0,28, минус 0,16 мм; для H = 1 мм - ± 0,28 мм.
|
Теоретическая масса 1000 шт. заклепок, кг, при номинальном диаметре стержня d, мм |
|||||||||||||||||||
|
Длина L, мм |
1 |
1,2 |
(1,4) |
1,6 |
2 |
2,5 |
3 |
4 |
5 |
6 |
8 |
10 |
12 |
(14) |
16 |
20 |
24 |
30 |
36 |
|
2 |
0,016 |
|
|
|
|
|
|
|
|
|
|
|
|
|
|
|
|
|
|
|
3 |
0,022 |
0,033 |
0,055 |
0,058 |
0,104 |
|
|
|
|
|
|
|
|
|
|
|
|
|
|
|
4 |
0,028 |
0,042 |
0,067 |
0,074 |
0,129 |
0,195 |
0,281 |
|
|
|
|
|
|
|
|
|
|
|
|
|
5 |
0,034 |
0,051 |
0,079 |
0,090 |
0,154 |
0,233 |
0,336 |
0,635 |
|
|
|
|
|
|
|
|
|
|
|
|
6 |
0,040 |
0,060 |
0,091 |
0,106 |
0,178 |
0,272 |
0,392 |
0,733 |
|
|
|
|
|
|
|
|
|
|
|
|
7 |
0,047 |
0,069 |
0,103 |
0,121 |
0,203 |
0,310 |
0,447 |
0,832 |
|
|
|
|
|
|
|
|
|
|
|
|
8 |
0,053 |
0,078 |
0,115 |
0,137 |
0,228 |
0,349 |
0,503 |
0,931 |
1,522 |
2,235 |
4,294 |
|
|
|
|
|
|
|
|
|
9 |
|
0,087 |
0,127 |
0,153 |
0,252 |
0,387 |
0,558 |
1,029 |
1,677 |
2,457 |
4,689 |
|
|
|
|
|
|
|
|
|
10 |
|
0,095 |
0,140 |
0,169 |
0,277 |
0,426 |
0,614 |
1,128 |
1,831 |
2,679 |
5,083 |
|
|
|
|
|
|
|
|
|
12 |
|
|
0,164 |
0,200 |
0,326 |
0,503 |
0,724 |
1,325 |
2,139 |
3,123 |
5,478 |
|
|
|
|
|
|
|
|
|
14 |
|
|
|
|
0,376 |
0,580 |
0,835 |
1,522 |
2,447 |
3,563 |
6,656 |
|
|
|
|
|
|
|
|
|
16 |
|
|
|
|
0,425 |
0,657 |
0,946 |
1,719 |
2,755 |
4,007 |
7,445 |
13,41 |
|
|
|
|
|
|
|
|
18 |
|
|
|
|
|
0,734 |
1,057 |
1,917 |
3,064 |
4,451 |
8,234 |
14,64 |
19,93 |
|
|
|
|
|
|
|
20 |
|
|
|
|
|
0,811 |
1,168 |
2,114 |
3,372 |
4,895 |
9,023 |
15,88 |
21,70 |
|
|
|
|
|
|
|
22 |
|
|
|
|
|
|
1,279 |
2,311 |
3,680 |
5,309 |
9,812 |
17,11 |
23,48 |
33,67 |
|
|
|
|
|
|
24 |
|
|
|
|
|
|
1,390 |
2,509 |
3,989 |
5,783 |
10,603 |
18,34 |
25,26 |
36,09 |
44,36 |
|
|
|
|
|
26 |
|
|
|
|
|
|
1,501 |
2,706 |
4,297 |
6,227 |
11,391 |
19,58 |
27,03 |
38,51 |
47,52 |
|
|
|
|
|
28 |
|
|
|
|
|
|
1,612 |
2,903 |
4,605 |
6,671 |
12,180 |
20,81 |
28,81 |
40,93 |
50,68 |
|
|
|
|
|
30 |
|
|
|
|
|
|
1,723 |
3,100 |
4,913 |
7,115 |
12,969 |
22,04 |
30,58 |
43,34 |
53,83 |
|
|
|
|
|
32 |
|
|
|
|
|
|
1,834 |
3,294 |
5,222 |
7,559 |
13,758 |
23,28 |
32,36 |
45,76 |
56,99 |
|
|
|
|
|
34 |
|
|
|
|
|
|
1,945 |
3,495 |
5,530 |
8,002 |
14,547 |
24,51 |
34,13 |
48,18 |
60,15 |
|
|
|
|
|
36 |
|
|
|
|
|
|
2,056 |
3,692 |
5,838 |
8,446 |
15,337 |
25,74 |
35,91 |
50,59 |
63,30 |
|
|
|
|
|
38 |
|
|
|
|
|
|
2,167 |
3,890 |
6,146 |
8,890 |
16,126 |
26,97 |
37,68 |
53,01 |
66,46 |
106,4 |
|
|
|
|
40 |
|
|
|
|
|
|
2,278 |
4,087 |
6,455 |
9,334 |
16,915 |
28,21 |
39,46 |
55,43 |
69,62 |
111,4 |
164,4 |
|
|
|
42 |
|
|
|
|
|
|
|
4,284 |
6,763 |
9,778 |
17,704 |
29,44 |
41,24 |
57,84 |
72,77 |
116,3 |
171,5 |
|
|
|
45 |
|
|
|
|
|
|
|
4,580 |
7,225 |
10,444 |
18,888 |
31,29 |
43,90 |
61,47 |
77,51 |
123,7 |
182,2 |
|
|
|
48 |
|
|
|
|
|
|
|
4,876 |
7,688 |
11,110 |
20,072 |
33,14 |
46,56 |
65,09 |
82,24 |
131,1 |
192,8 |
|
|
|
50 |
|
|
|
|
|
|
|
5,073 |
7,996 |
11,554 |
20,861 |
34,37 |
48,34 |
67,51 |
85,40 |
136,0 |
199,9 |
|
|
|
52 |
|
|
|
|
|
|
|
|
8,304 |
11,998 |
21,650 |
35,61 |
50,11 |
69,93 |
88,56 |
140,9 |
207,0 |
319,8 |
|
|
55 |
|
|
|
|
|
|
|
|
8,767 |
12,663 |
22,834 |
37,46 |
52,78 |
73,55 |
93,29 |
148,3 |
217,7 |
336,4 |
|
|
58 |
|
|
|
|
|
|
|
|
9,229 |
13,329 |
24,017 |
39,31 |
55,44 |
77,18 |
98,03 |
155,7 |
228,3 |
353,0 |
|
|
60 |
|
|
|
|
|
|
|
|
9,537 |
13,773 |
24,806 |
40,54 |
57,22 |
79,60 |
101,18 |
160,7 |
235,4 |
364,1 |
529,9 |
|
65 |
|
|
|
|
|
|
|
|
|
|
|
43,62 |
61,66 |
85,64 |
109,07 |
173,0 |
253,2 |
391,9 |
569,9 |
|
70 |
|
|
|
|
|
|
|
|
|
|
|
46,70 |
66,09 |
91,68 |
116,97 |
185,3 |
270,9 |
419,6 |
609,8 |
|
75 |
|
|
|
|
|
|
|
|
|
|
|
49,79 |
70,53 |
97,72 |
124,85 |
197,7 |
288,7 |
447,4 |
649,8 |
|
80 |
|
|
|
|
|
|
|
|
|
|
|
|
74,97 |
103,80 |
132,75 |
210,0 |
306,5 |
475,1 |
689,7 |
|
85 |
|
|
|
|
|
|
|
|
|
|
|
|
79,41 |
109,80 |
140,64 |
222,3 |
324,2 |
502,9 |
729,7 |
|
90 |
|
|
|
|
|
|
|
|
|
|
|
|
|
115,80 |
148,53 |
234,7 |
341,9 |
530,6 |
769,9 |
|
95 |
|
|
|
|
|
|
|
|
|
|
|
|
|
121,90 |
156,42 |
247,0 |
359,6 |
558,4 |
809,6 |
|
100 |
|
|
|
|
|
|
|
|
|
|
|
|
|
127,90 |
164,32 |
259,3 |
377,5 |
586,1 |
849,5 |
|
110 |
|
|
|
|
|
|
|
|
|
|
|
|
|
|
|
284,0 |
413,0 |
641,6 |
929,4 |
|
120 |
|
|
|
|
|
|
|
|
|
|
|
|
|
|
|
308,6 |
448,5 |
697,1 |
1009,3 |
|
130 |
|
|
|
|
|
|
|
|
|
|
|
- |
|
|
|
333,3 |
484,0 |
752,6 |
1089,2 |
|
140 |
|
|
|
|
|
|
|
|
|
|
|
|
|
|
|
358,0 |
519,5 |
808,0 |
1179,1 |
|
150 |
|
|
|
|
|
|
|
|
|
|
|
|
|
|
|
382,6 |
555,0 |
863,5 |
1249,0 |
|
160 |
|
|
|
|
|
|
|
|
|
|
|
|
|
|
|
|
590,6 |
919,0 |
1328,9 |
|
170 |
|
|
|
|
|
|
|
|
|
|
|
|
|
|
|
|
626,1 |
974,5 |
1408,8 |
|
180 |
|
|
|
|
|
|
|
|
|
|
|
|
|
|
|
|
661,6 |
1030,0 |
1488,8 |
Примечание. Для определения массы заклепок, изготовляемых из других материалов, значения массы, указанные в таблице, должны быть умножены на коэффициенты: 0,356 - для алюминиевого сплава, 1,080 - для латуни, 1,134 - для меди.
(Измененная редакция, Изм. № 1, 2).