ГОСУДАРСТВЕННЫЕ СТАНДАРТЫ
Единая система конструкторской документации
ОБОЗНАЧЕНИЯ УСЛОВНЫЕ ГРАФИЧЕСКИЕ В СХЕМАХ
КОМПОНЕНТЫ ВОЛОКОННО-ОПТИЧЕСКИХ СИСТЕМ ПЕРЕДАЧИ
ГОСТ 2.761-84
(CT СЭВ 5049-85)
ИПК ИЗДАТЕЛЬСТВО СТАНДАРТОВ
Москва 1998
ГОСУДАРСТВЕННЫЙ СТАНДАРТ СОЮЗА ССР
|
Единая система конструкторской документации ОБОЗНАЧЕНИЯ УСЛОВНЫЕ ГРАФИЧЕСКИЕ В СХЕМАХ. КОМПОНЕНТЫ ВОЛОКОННО-ОПТИЧЕСКИХ СИСТЕМ ПЕРЕДАЧИ Unified system for design documentation. Graphic designations in diagrams. Optical fibre data transmission systems components |
ГОСТ (CT СЭВ 5049-85) |
Дата введения 01.07.85
1. Настоящий стандарт устанавливает условные графические обозначения компонентов и элементов волоконно-оптических систем передачи на схемах, выполняемых вручную или автоматизированным способом, во всех отраслях промышленности.
(Измененная редакция, Изм. № 1).
2. Знаки, характеризующие электронно-оптические и фотоэлектрические эффекты, приведены в табл. 1.
Таблица 1
|
Обозначение |
|
|
1. Эффект оптического излучения |
По ГОСТ 2.721 |
|
2. Эффект оптического когерентного излучения |
|
|
3. Эффект фотоэлектрический |
По ГОСТ 2.721 |
|
4. Совмещение эффекта оптического излучения с фотоэлектрическим эффектом |
|
|
5. Эффект распространения оптического излучения |
|
|
6. Эффект лавинного пробоя (односторонний и двухсторонний) |
По ГОСТ 2.721 |
|
7. Взаимодействие оптическое |
По ГОСТ 2.721 |
|
Примечание. Изображение эффектов применяют для образования условных графических обозначений элементов аппаратуры волоконно-оптических систем передачи (см. табл. 4). |
|
(Измененная редакция, Изм. № 1, 2).
3. Знаки, характеризующие типы оптических волноводов и соединение пучков оптических волокон, приведены в табл. 2.
Таблица 2
|
Обозначение |
|
|
1. Оптический волновод, оптическая линия, оптическое волокно, волоконный световод, оптический кабель. Общее обозначение. |
|
|
Примечания: 1). В обозначение включают дополнительную информацию о диаметре отдельных слоев оптического волокна в направлении от центра волокна: а - сердцевина b - оболочка с - первичная защита d - вторичная защита n - количество оптических волноводов в кабеле Допускается при наличии дополнительной информации указывать (n) над обозначением волновода без наклонной черты |
|
|
2). При обозначении оптических линий окружность с двумя стрелками можно опустить, если исключена возможность ошибки. |
|
|
2. Одномодовый оптический волновод, одномодовое оптическое волокно |
|
|
3. Многомодовый оптический волновод, многомодовое оптическое волокно со ступенчатым профилем показателя преломления |
|
|
с градиентным профилем показателя преломления |
|
|
4. Оптический волновод с применением когерентного излучения |
|
|
5. Слияние оптических волокон |
|
|
6. Разветвление оптических волокон Примечание к пп. 5 и 6. Соотношение оптических мощностей приводят в процентах или в децибелах. |
|
4. Условные графические обозначения элементов, компонентов и устройств волоконно-оптических систем передачи приведены в табл. 3.
Таблица 3
|
Обозначение |
|
|
1. Розетка оптического соединителя |
|
|
2. Вилка оптического соединителя |
|
|
3. Оптический разъемный соединитель |
|
|
4. Оптический неразъемный соединитель |
|
|
5. Оптический соединитель «вилка – розетка - вилка» |
|
|
6. Оптический соединитель «розетка-вилка» |
|
|
7. Оптический соединитель «розетка – вилка - розетка» |
|
|
8. Оптический комбинированный соединитель |
|
|
9. Оптический переключатель |
|
|
10. Соединительная разъемная муфта |
|
|
11. Соединительная неразъемная муфта |
|
|
12. Оптический ответвитель Примечание. Допускается на линиях выводов указывать коэффициент ответвления по каждому выходному каналу в децибелах или процентах |
|
|
13. Ответвитель типа «звезда» |
|
|
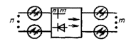
14. Оптический пассивный разветвитель: (n - количество входов, m - количество выходов) |
|
|
15. Оптический активный разветвитель: (n - количество входов, m - количество выходов) |
|
|
16. Передающий оптоэлектронный модуль с диодом светоизлучающим с лазерным диодом |
|
|
с диодом светоизлучающим |
|
|
с лазерным диодом |
|
|
17. Приемный оптоэлектронный модуль |
|
|
с фотодиодом |
|
|
с лавинным фотодиодом |
|
|
18. Приемно-передающий оптоэлектронный модуль |
|
|
19. Электрооптический модулятор |
|
|
20. Оптический коммутатор: (n - количество входов, m - количество выходов) |
|
|
21. Оптический аттенюатор |
|
|
22. Смеситель мод |
|
|
23. Делитель мод (полупрозрачное зеркало) |
|
|
24. Удалитель мод оболочки |
|
5. Примеры соединений условных графических обозначений элементов и компонентов в схемах волоконно-оптических систем передачи приведены в табл. 4.
Таблица 4
|
Обозначение |
|
|
1. Диод светоизлучающий с выводом многомодового оптического волокна со ступенчатым профилем показателя преломления |
|
|
2. Фотодиод лавинный с розеткой оптического соединителя |
|
|
3. Лазер полупроводниковый с соединителем оптическим разъемным |
|
|
4. Кабель оптический, содержащий 20 многомодовых оптических волокон со ступенчатым профилем показателя преломления с диаметром сердцевины 50 мкм и диаметром оболочки 125 мкм |
|
|
5. Приемно-передающий оптоэлектронный модуль с розеткой оптического соединителя |
|
|
6. Кабель оптический комбинированный с комбинированным оптическим соединителем |
|
|
7. Передающий оптоэлектронный модуль со светодиодом с оптическим ответвителем |
|
4, 5. (Измененная редакция, Изм. № 3).
6. Основные размеры условных графических обозначений элементов и компонентов волоконно-оптических систем передачи приведены в табл. 5.
Таблица 5
|
Обозначение |
|
|
1. Оптическое волокно |
|
|
2. Розетка оптического соединителя |
|
|
3. Вилка оптического соединителя |
|
|
4. Соединитель оптический разъемный |
|
|
5. Соединитель световодный проходной |
|
|
6. Муфта соединительная разъемная |
|
|
7. Соединитель оптический комбинированный |
|
|
8. Ответвитель оптический |
|
|
9. Оптический разветвитель активный |
|
|
10. Оптоэлектронный передающий модуль со светодиодом |
|
|
11. Модуль приемно-передающий |
|
|
12. Модулятор электрооптический |
|
|
13. Показатель преломления ступенчатого профиля |
|
|
14. Показатель преломления градиентного профиля |
|
|
15. Одномодовое оптическое волокно |
|
3-6. (Измененная редакция, Изм. № 1).
ПРИЛОЖЕНИЕ
Справочное
ИНФОРМАЦИОННО-СПРАВОЧНЫЕ ДАННЫЕ О СООТВЕТСТВИИ ГОСТ 2.761-84 СТ СЭВ 5049-85
|
ГОСТ 2.761-84 |
СТ СЭВ 5049-85 |
ГОСТ 2.761-84 |
СТ СЭВ 5049-85 |
|
Табл. 2, п. 1 |
Табл. 1, п. 1 |
Табл. 3, п. 13 |
Табл. 3, п. 8 |
|
п. 2 |
п. 4 |
п. 16 |
Табл. 4, пп. 1, 2 |
|
п. 3 |
пп. 3, 5 |
п. 17 |
пп. 3, 4 |
|
п. 4 |
п. 2 |
п. 21 |
|
|
п. 5 |
Табл. 2, п. 1 |
п. 22 |
п. 10 |
|
п. 6 |
п. 2 |
п. 23 |
п. 11 |
|
Табл. 3, п. 1 |
Табл. 3, п. 2 |
п. 24 |
п. 12 |
|
п. 2 |
п. 3 |
Табл. 4, п. 1 |
Табл. 1, п. 3 |
|
п. 3 |
п. 1 |
п. 2 |
Табл. 3, п. 2 |
|
п. 5 |
п. 6 |
п. 3 |
Табл. 3, п. 1 |
|
п. 6 |
п. 4 |
п. 4 |
Табл. 6, п. 1 |
|
п. 7 |
п. 5 |
п. 5 |
Табл. 3, п. 2 |
|
п. 9 |
п. 7 |
п. 6 |
Табл. 6, п. 2 |
|
п. 10 |
Табл. 2, п. 4 |
|
|
|
п. 11 |
п. 3 |
|
|
(Введено дополнительно, Изм. № 1).
ИНФОРМАЦИОННЫЕ ДАННЫЕ
1. РАЗРАБОТЧИКИ
В.А. Бирюков, Н.М. Дмитриева, С.П. Корнеева, В.В. Мукосеев, И.Н. Сидоров, А.А. Суворова
2. УТВЕРЖДЕН И ВВЕДЕН В ДЕЙСТВИЕ Постановлением Государственного комитета СССР по стандартам от 29.06.84 № 2253
3. Стандарт соответствует СТ СЭВ 5049-85
4. ВВЕДЕН ВПЕРВЫЕ
5. ССЫЛОЧНЫЕ НОРМАТИВНО-ТЕХНИЧЕСКИЕ ДОКУМЕНТЫ
|
Обозначение НТД, на который дана ссылка |
Номер пункта |
6. ПЕРЕИЗДАНИЕ (октябрь 1997 г.) с Изменениями № 1, 2, 3, утвержденными в октябре 1986 г., апреле 1987 г., июле 1991 г., (ИУС 1-87, 7-87, 10-91)